AeroComm 504830202 800 Mhz Signal Booster for tunnels User Manual 800MHz

Aerocomm Inc 800 Mhz Signal Booster for tunnels 800MHz

manual

          8 Channel Bi-Directional  Booster Amplifier 50289-BDA  Operations, Installation and Maintenance Instruction Manual Model 50289-BDA         ALL INFORMATION CONTAINED IN THIS DOCUMENT IS PROPRIETARY TO AeroComm, Inc. AND SHALL NOT RELEASED, DISCLOSED, USED, OR DUPLICATED FOR ANY PURPOSE OTHER THAN EVALUATION, INSPECTION, OR MAINTENANCE OF EQUIPMENT DELINEATED HEREIN.   AEROCOMM UNCONDITIONALLY GUARANTEES THE MERCHANDISE PROVIDED AGAINST DEFECTS OF ANY KIND INCLUDING, WITHOUT LIMITATION, DEFECTS IN OPERATION, DESIGN, MATERIALS, AND WORKMANSHIP FOR TWO YEARS FROM THE DATE OF DELIVERY. AEROCOMM IS NOT RESPONSIBLE FOR ANY EQUIPMENT REPAIRED OR ALTERED BY PERSONS NOT AUTHORIZED BY AEROCOMM OR NOT IN ACCORDANCE WITH INSTRUCTIONS FURNISHED BY AEROCOMM. AEROCOMM. IS NOT RESPONSIBLE FOR EQUIPMENT RENDERED DEFECTIVE AS A RESULT OF MISUSE, IMPROPER REPAIR, OR ABNORMAL CONDITIONS OF OPERATION, NOR DOES AEROCOMM ASSUME ANY LIABILITY FOR ANY CONSEQUENTIAL DAMAGE CAUSED BY SUCH EQUIPMENT.  SERVICE CONTRACTS OR CUSTOMER ASSISTANCE AGREEMENTS ARE AVAILABLE FOR AEROCOMM. PRODUCTS THAT REQUIRE MAINTENANCE AND/OR REPAIR. AEROCOMM ALSO HAS SERVICE AND CONSULTATION CONTRACTS FOR ENTIRE SYSTEM CONFIGURATIONS.
  800MHz Bi-directional Booster Amplifier 50289-BDA
 50289-BDA USE OR DISCLOSURE OF DATA CONTAINED ON THIS PAGE IS SUBJECT TO THE RESTRICTION ON THE TITLE PAGE OF THIS MANUAL 3 800MHz  BDA Model 50289-BDA Specifications  Frequency Range:  806-824MHz, 851-869MHz Pre-selectors:  819-824MHz, 864-869MHz Talk-Out, Outband:  821-823MHz Talk-In, Inband:  866-869MHz Channel Spacing:  25kHz Channel Bandwidth:  15kHz Phase Noise:  10kHz - - 90dBc/Hz RF Frequency Accuracy:  Signal exactly Adjacent Channel Selectivity:  70dB @ +17.5kHz RF Output Power (to cable):  +31dBm per carrier RF Output Power (to antenna):  +25dBm per carrier Variation of Output Power with Input Level:  +0, -1dB Max Passband Ripple (full band):  2dB Max Passband Ripple (100Khz segment):  0.1dB Amplifier Input Port Burnout  (no damage I/O segment):  @-15dBm Amplifier Output Damage (no damages):  open/short Reliability:  50K hours minimum Intermodulation/Crossmodulation Distortion:  -60dBc Channel to Channel Isolation:  -70dBc -90dBm Input  Output +31dBm (High Band)   Output +25dBm (Low Band) Duty Cycle:  Continuous RF Spurious Output  (0.5-800MHz, 1-2.5GHz):  -60dBc RF Spurious Output (800-1000MHz):  -85dBc max Operating Temperature Range:  -20°C to +60°C System Noise Figure:  <9dB Input/Output Impedance:  50 ohms nominal Input/Output VSWR:  1.5:1, worst case Input/Output Connectors at top of cabinet:  Type N Female Input Power:  110vac Passband Group Delay:  220 microseconds Alternate Power Source, battery Backup:  +12vdc @ 56 amps (High Band)   +12vdc @ 38 amps (Low Band) Operation Conditions:  Unconditionally stable Time-out timer  1 sec to 99 minutes and 59 seconds Annunciating LEDs:  Power PLL Lock Detect Status – Key On Fault Enclosure:  NEMA 12    72”Hx24”Wx24”D Number of Enclosures:  2 (1 High Band/1 Low Band) Weight:  <650 lbs each
 50289-BDA USE OR DISCLOSURE OF DATA CONTAINED ON THIS PAGE IS SUBJECT TO THE RESTRICTION ON THE TITLE PAGE OF THIS MANUAL 4 800MHz  BDA Model 50289-BDA Specifications Continue:  DC Power Supply:   No. per enclosure:  High Band: 3 (1 Dual Chassis/ 1 Single)   Low Band: 2 (1 Dual Chassis) Input:  105-125 VAC, 50-400Hz, single phase Output (each supply):  12 VDC+/- 0.5V @20 amps Operating Temperature:  -20°C to +70°C    Battery Charger:   Type:  Multi-Stage (Bulk/Absorption/Float) DC Output:  13.8-14.8Vdc (depending on setting) AC Input:  95-125 VAC Charging Rate:  Bulk Charge: 40 amps max.   Absorption: 5 amps max.   Float: 0.05 amps      Battery:  Optionally Provided or User Supplied   Specifications dependant on required UPS cycle System Load:  95 amp/hr     Software:   Title:  800MHz-Linc (50486-09-01) Version:  1.0 Operator, User Functions:  Time-out Timer (set time interval)   Mode (Keyed or Continuous) Technician Functions:  Set Attenuation   Set Frequency   Set RSSI Attack      Peripheral Requirements:  Optionally provided or User supplied: Operating System (requirements):  Window 95, Windows 98, or Windows NT 4.0 (or higher) Computer or Laptop (requirements):  486DX66Mhz (minimum) Communication, Serial Port (requirements):  4800 baud,   N8+1 (8 bits, no parity)
 50289-BDA USE OR DISCLOSURE OF DATA CONTAINED ON THIS PAGE IS SUBJECT TO THE RESTRICTION ON THE TITLE PAGE OF THIS MANUAL 5 TABLE OF CONTENTS  SECTION I INSTALLATION............................................................................................................... 9 INTRODUCTION .............................................................................................................................. 9 DETAILED INSTALLATION INSTRUCTIONS ............................................................................... 9 MECHANICAL INSTALLATION OF THE CABINETS.................................................................... 9 AC POWER CONNECTION............................................................................................................ 10 SETTING THE THERMOSTATS .................................................................................................... 10 CONNECT EXTERNAL RF CABLING........................................................................................... 11 INSTALLING POWER SUPPLIES & BATTERY CHARGER......................................................... 11 INSTALLING THE POWER AMPLIFIER....................................................................................... 15 INSTALLING THE IF CHANNEL MODULES................................................................................ 16 INTERNAL RF CABLE INSTALLATION....................................................................................... 18 IF MODULE CABLING ........................................................................................................................18 DUPLEXER CABLING.........................................................................................................................19 DUPLEXER CABLING (CONTINUED)................................................................................................22 POWER AMPLIFIER CABLING...........................................................................................................23 BATTERY CONNECTION.............................................................................................................. 24 POWER UP SEQUENCE ................................................................................................................. 25 SECTION II OPERATION PROCEDURES ...................................................................................... 27 USER’S SOFTWARE....................................................................................................................... 28 CHANGING THE TIME-OUT DURATION..................................................................................... 29 CHANGING THE MODE SETTING................................................................................................ 29 TECHNICIAN’S SOFTWARE......................................................................................................... 29 SETTING THE ATTACK TIME ...................................................................................................... 29 CHANGING THE INPUT ATTENUATION..................................................................................... 29 SETTING THE FREQUENCY......................................................................................................... 30 CHANGING THE CHANNEL ID..................................................................................................... 30 CHANGING THE CHANNEL SERIAL NUMBER.......................................................................... 30 SECTION III MAINTENANCE.......................................................................................................... 31 BDA MAINTENANCE: ................................................................................................................... 31 AIR FILTRATION: ................................................................................................................ 31 CABLE INSPECTION: .......................................................................................................... 31 ENCLOSURE INSPECTION:................................................................................................. 31 OPERATIONAL TESTS: ....................................................................................................... 31 BATTERY MAINTENANCE (BACKUP BATTERY):..................................................................... 31 ADDITIONAL INFORMATION...................................................................................................... 31 SECTION IV RECOMMENDED SPARES ........................................................................................ 32 SECTION V  THEORY OF OPERATION......................................................................................... 33 DUPLEXER: .................................................................................................................................... 36 TALK-IN BA: ........................................................................................................................ 36 TALK-OUT BA:..................................................................................................................... 36 LNA/8-WAY SPLITTER:....................................................................................................... 36 CHANNEL MODULE (IF MODULE):............................................................................................. 36 IF CHANNEL MODULE: ...................................................................................................... 37 MICRO CONTROLLER: ....................................................................................................... 37 THE MOTHERBOARD: ........................................................................................................ 37 RF POWER AMPLIFIER/8-WAY COMBINER:.............................................................................. 37 THE HIGH BAND BA: .................................................................................................................... 38
 50289-BDA USE OR DISCLOSURE OF DATA CONTAINED ON THIS PAGE IS SUBJECT TO THE RESTRICTION ON THE TITLE PAGE OF THIS MANUAL 6THE LOW BAND BA: ..................................................................................................................... 38 SECTION VI USER’S GUIDE ............................................................................................................ 43 OVERVIEW..................................................................................................................................... 43 PROGRAM INSTALLATION.......................................................................................................... 43 PROGRAM STARTUP .................................................................................................................... 43 MAIN SCREEN ............................................................................................................................... 44 COMMUNICATION CONNECTION .............................................................................................. 45 SETTING A TIME-OUT TIME ........................................................................................................ 46 CHANGING THE MODE ................................................................................................................ 47 EXITING THE SOFTWARE............................................................................................................ 47 ADDITIONAL INFORMATION...................................................................................................... 48 SECTION VII TECHNICIAN’S GUIDE ............................................................................................ 49 ACTIVATING TECHNICIAN FUNCTIONS ................................................................................... 50 CLOSING THE TECHNICIAN FUNCTIONS.................................................................................. 50 SETTING RSSI ATTACK TIME...................................................................................................... 51 CHANGING THE CHANNEL ID..................................................................................................... 51 CHANGING THE CHANNEL SERIAL NUMBER.......................................................................... 52 SETTING ATTENUATION ............................................................................................................. 52 SETTING A FREQUENCY.............................................................................................................. 52 CLOSING THE TECHNICIAN FUNCTIONS.................................................................................. 54 SECTION VIII TUNE UP PROCEDURE........................................................................................... 55 SECTION IX FCC CERTIFICATION LABEL LOCATION............................................................ 56
 50289-BDA USE OR DISCLOSURE OF DATA CONTAINED ON THIS PAGE IS SUBJECT TO THE RESTRICTION ON THE TITLE PAGE OF THIS MANUAL 7 Table of Figures  Figure 1. Thermostat & Electrical Power InFigure 1. Thermostat & Electrical Power Installationstallation ......................................................1010  Figure 2. External RF Cabling InstallationFigure 2. External RF Cabling Installation........................................................................ 1111  Figure 3. Equipment Cabinet Configuration Figure 3. Equipment Cabinet Configuration as Shippedas Shipped ......................................................1212  Figure 4. Battery Charger ModuleFigure 4. Battery Charger Module ................1313  Figure 5. Power ConnectionsFigure 5. Power Connections on the Rear of on the Rear of the Power Supply and Charger Module  the Power Supply and Charger Module  ( (as viewed from the toas viewed from the top)p) .......................... 1515  Figure 6. Power & Signal Connections on thFigure 6. Power & Signal Connections on the Rear of the Power Amplifiere Rear of the Power Amplifier .............. 1616  Figure 7. IF Channel Module Jumper LocationFigure 7. IF Channel Module Jumper Location........................................................................ 1717  Figure 8. Semi-Rigid Cables for ConnecFigure 8. Semi-Rigid Cables for Connectingting IF Channel Modules & 8-Way Splitter IF Channel Modules & 8-Way Splitter .. 1919  Figure 9. Arrangement of Internal RF CabliFigure 9. Arrangement of Internal RF Cablingng ...................................................................... 2020  Figure 10. Semi-Rigid Cables Connecting IF Figure 10. Semi-Rigid Cables Connecting IF Channel Modules & Power AmplifierChannel Modules & Power Amplifier ........2121  Figure 11. Semi-Rigid Cable for ConnectingFigure 11. Semi-Rigid Cable for Connecting the Duplexer to the 8-Way Splitter the Duplexer to the 8-Way Splitter .... 2222  Figure 12. Semi-Rigid Cable Connecting theFigure 12. Semi-Rigid Cable Connecting the Power Amplifier to the Cabinet-Mounted Power Amplifier to the Cabinet-Mounted Feed-Thru Connector Feed-Thru Connector .................................. 2323  FiguFigure 13. Battery Cabling Installationre 13. Battery Cabling Installation .. 2424  Figure 14. Main Power Switches for Power SFigure 14. Main Power Switches for Power Supplies and Battery Status Panelupplies and Battery Status Panel ..........2626  Figure 15. Normal LED Illuminations after PFigure 15. Normal LED Illuminations after Power Up ower Up  ..........................................................2626  Figure 16. Channel Module LED Indicator IllFigure 16. Channel Module LED Indicator Illumination Patternsumination Patterns ......................................2828  Figure 17. Normal Channel ID Numbering SchFigure 17. Normal Channel ID Numbering Schemeeme .................................................................... 3030  Figure 18. Overall System Figure 18. Overall System  .......................... 3434  Figure 19. SysteFigure 19. System Outlinem Outline ............................ 3535  Figure 20. Power Distribution Unit OutlineFigure 20. Power Distribution Unit Outline........................................................................ 4040  Figure 21. Power Distribution High BandFigure 21. Power Distribution High Band .. 4141  Figure 22. Power Distribution Low BandFigure 22. Power Distribution Low Band .... 4242  Figure 23. 800MHz-Linc Main screenFigure 23. 800MHz-Linc Main screen ................ 4444  Figure 24. 800 MHz-Linc Main Screen with ConFigure 24. 800 MHz-Linc Main Screen with Connection Error windownection Error window ................................ 4545  Figure 25. Set Time Out windowFigure 25. Set Time Out window.................... 4646  Figure 26. Set ModFigure 26. Set Mode windowe window............................ 4747  Figure 27. Exit confirmation windowFigure 27. Exit confirmation window .......... 4848  Figure 28. 800 MHz-Linc about windowFigure 28. 800 MHz-Linc about window .......... 4949  Figure 29. 800MHz-Linc Main ScreenFigure 29. 800MHz-Linc Main Screen .............. 5050  Figure Figure 30. Set RSSI Attack window30. Set RSSI Attack window .............. 5151  Figure 31. Set Attenuation windowFigure 31. Set Attenuation window.............. 5252  Figure 32. Set Frequency windowFigure 32. Set Frequency window .................. 5353
 50289-BDA USE OR DISCLOSURE OF DATA CONTAINED ON THIS PAGE IS SUBJECT TO THE RESTRICTION ON THE TITLE PAGE OF THIS MANUAL 8Figure 33. 800 MHz-Linc screenFigure 33. 800 MHz-Linc screen ...................... 5454
 50289-BDA USE OR DISCLOSURE OF DATA CONTAINED ON THIS PAGE IS SUBJECT TO THE RESTRICTION ON THE TITLE PAGE OF THIS MANUAL 9 SECTION I INSTALLATION  INTRODUCTION AeroComm strongly recommends that the user install the two rack enclosures for the system by bolting them down onto level concrete flooring. The user must equip the concrete floor with appropriate anchors and drill the floor of the cabinet to match. AeroComm recommends stainless steel wedge anchors with a minimum diameter of 3/8” and a thread length of 2 ¼”. The hole pattern in the concrete floor and in the floor of the cabinet should be arranged such that the anchor studs are centered 2” from each wall of the cabinet in each of the four corners.  WARNING FAILURE TO SECURE THE CABINET AS RECOMMENDED MAY RESULT IN CABINET TIP-OVER DURING INSTALLATION OF THE POWER SUPPLIES.  AeroComm recommends installing the two cabinets 3 feet apart. This separation distance provides easy access to the sides and top of each cabinet; additionally, this separation provides necessary RF isolation of the two units. Under no circumstances should the two units be located more than 10 feet from one another; separation distances greater than 10 feet will increase path loss on the RF cables connecting the two units and result in non-optimal operation.  DETAILED INSTALLATION INSTRUCTIONS  MECHANICAL INSTALLATION OF THE CABINETS Determine the bolt pattern to be used for anchoring the two cabinets. Install anchors in concrete floor & match drill cabinet floors. Position cabinets over the floor anchors and fasten the cabinets to the floor.  WARNING ENSURE  AC POWER SERVICE LINES ARE NOT LIVE PRIOR TO CONNECTING TO THE EQUIPMENT CABINETS.
 50289-BDA USE OR DISCLOSURE OF DATA CONTAINED ON THIS PAGE IS SUBJECT TO THE RESTRICTION ON THE TITLE PAGE OF THIS MANUAL 10 AC POWER CONNECTION Install AC power conduit. Each cabinet is configured with clamping-ring hardware suitable for attachment of ½” electrical conduit. Each cabinet is fitted with an electrical junction box inside at the top rear of the cabinet. Remove the cover plate and connect the AC source lines to the appropriate terminals in the junction box. Refer to figure 1. Re-install the cover plate.  Figure 1. Thermostat & Electrical Power InFigure 1. Thermostat & Electrical Power Installationstallation   ELECTRICALJUNCTION  BOXTHERMOSTAT MAIN  AC POWEROUTLETS FOR CABINETCOOLING FANPOWER SWITCHBATTERYCONNECTIONCABINET CEILING INCOMINGAC SERVICE CONDUIT   SETTING THE THERMOSTATS Set the thermostat inside each cabinet for 90-95ºF (32-35°C). This will keep the cabinet at optimal operating temperatures. Refer again to Figure 1. The Thermostat is marked with three dots between 80ºF and 130ºF(27-54°C). Turn the thermostat dial so the pointer is just past the first dot above 80ºF (27°C).  NOTE THE THERMOSTATS MAY BE ADJUSTED AFTER INSTALLATION BY REMOVING THE GRILL AND FILTER ON THE TOP OF EACH CABINET. THE USER CAN THEN REACH THROUGH THE ACCESS HOLE TO ADJUST THE THERMOSTAT SETTINGS.
 50289-BDA USE OR DISCLOSURE OF DATA CONTAINED ON THIS PAGE IS SUBJECT TO THE RESTRICTION ON THE TITLE PAGE OF THIS MANUAL 11 Figure 2. External RF Cabling InstallationFigure 2. External RF Cabling Installation   TALK INHIGH BANDTALK OUTLOW BANDTO ROOF ANTENNA TO RADIATING CABLE  CONNECT EXTERNAL RF CABLING Connect the two cabinets to one another using low-loss ½” heli-axial cable as shown in the Figure 2 above. Connect the cable leading to the roof antenna to the type N connector on the top right (when viewed from the front) of the “Talk In” / High Band cabinet. Connect the radiating cable to the type N connector on the top right (when viewed from the front) of  the “Talk Out” / Low Band cabinet.  INSTALLING POWER SUPPLIES & BATTERY CHARGER The power supplies and battery charger are the first items to be loaded into the equipment cabinets by the user. The following items were shipped in each cabinet (listed from top to bottom of the cabinet): I. Duplexer II. Power Control Breaker Panel III. LNA  / 8-Way Splitter IV. VME Chassis for Channel Cards V. Blower  1. Verify equipment listed above is installed in each cabinet. Refer to Figure 3 below.
 50289-BDA USE OR DISCLOSURE OF DATA CONTAINED ON THIS PAGE IS SUBJECT TO THE RESTRICTION ON THE TITLE PAGE OF THIS MANUAL 12 Figure 3. Equipment Cabinet Configuration Figure 3. Equipment Cabinet Configuration as Shippedas Shipped    WARNING THE DUAL POWER SUPPLY MODULES WEIGH APPROXIMATELY 60 POUNDS. THE SINGLE POWER SUPPLY MODULE WEIGHS ABOUT 40 POUNDS. THE BATTERY CHARGER MODULE WEIGHS ABOUT 15 POUNDS. TWO PEOPLE SHOULD LIFT THE MODULES TOGETHER TO PREVENT INJURY DURING INSTALLATION INTO THE CABINETS.
 50289-BDA USE OR DISCLOSURE OF DATA CONTAINED ON THIS PAGE IS SUBJECT TO THE RESTRICTION ON THE TITLE PAGE OF THIS MANUAL 13 2. Locate the dual power supply modules (2 ea.), the single power supply module (1 ea.) and the battery charger module (1 ea.).  The modules are distinguished by the following features: • The dual power supply modules have two large gold power supplies (made by Acopian) mounted side-by-side in the chassis. • The single power supply module has a single gold Acopian power supply mounted on the left side of the chassis (when viewed from the front). • The battery charger module has a single yellow TrueCharge 40™ battery charger (made by StatPower) mounted on the right side of the chassis (when viewed from the front). The battery charger module is shown in Figure 4.  Figure 4. Battery Charger ModuleFigure 4. Battery Charger Module     CAUTION MAKE SURE THE POWER SUPPLIES AND CHARGER ARE SWITCHED OFF PRIOR TO INSTALLATION. THESE UNITS ARE OFF WHEN THE CIRCUIT BREAKER PUSS-PULL SWITCHES ON THE FRONT PANEL ARE  PULLED OUT (THE WHITE BAND AROUND THE BODY OF THE SWITCH IS VISIBLE).  3. Load one dual power supply module into the High Band equipment cabinet. This module goes directly above the LNA / 8-Way Splitter Module.
 50289-BDA USE OR DISCLOSURE OF DATA CONTAINED ON THIS PAGE IS SUBJECT TO THE RESTRICTION ON THE TITLE PAGE OF THIS MANUAL 144. Attach the power connections on the rear of the chassis. Refer to Figure 5 below. Note that there are two connections that must be made on the left side of the module (as viewed from the front). The longer harness lead in the cabinet should be attached to the connector further in from the left edge of the cabinet. 5. Load the other dual power supply into the Low Band equipment cabinet, directly above the LNA / 8-Way Splitter Module. 6. Attach the power connections on the rear of the chassis as in step 4. 7. Load the single power supply into the High Band equipment cabinet, directly above the dual power supply module. 8. Attach the power connections on the rear of the chassis. Note that the single power supply has only one connection that must be made on the left side of the module (as viewed from the front). 9. Load the battery charger supply into the Low Band equipment cabinet, directly above the dual power supply module. 10. Attach the AC power connection on the right rear of the chassis.  11. Connect unterminated AC power leads to the rear of the charger using the wire nuts provided. Install the cover over the wire nut junctions per the manufacturer’s instructions provided in the appendix.
 50289-BDA USE OR DISCLOSURE OF DATA CONTAINED ON THIS PAGE IS SUBJECT TO THE RESTRICTION ON THE TITLE PAGE OF THIS MANUAL 15 Figure 5. Power ConnectionsFigure 5. Power Connections on the Rear of on the Rear of the Power Supply and Charger Module  the Power Supply and Charger Module  ( (as viewed from the top)as viewed from the top)   DUALPOWER SUPPLY SINGLEPOWER SUPPLY BATTERYCHARGER3-PIN FEMALE CIRCULAR CONNECTORSAMP206425-1(DC POWER OUTPUT)3-PIN MALE CIRCULAR CONNECTORSAMP206036-1(AC POWER INPUT) J1  J2                 J3  J1                      J3  J3  NOTE ALL FREQUENCY DEPENDENT MODULES FOLLOW A FIXED SERIAL-NUMBER CONVENTION. LOW-BAND MODULES ARE HAVE “1XX” SERIAL NUMBERS AND HIGH-BAND MODULES ARE HAVE “2XX" SERIAL NUMBERS.  INSTALLING THE POWER AMPLIFIER Locate the two power amplifier modules. Load the “2XX” power amplifier module into the High Band equipment cabinet, between the IF Channel Module chassis and the blower assembly. Repeat this procedure for the Low Band equipment cabinet using the “1XX” module. Attach the power & signal cables in the cabinet to the mating connectors on the rear of the Power Amplifier chassis as shown in Figure 6 on the next page.
 50289-BDA USE OR DISCLOSURE OF DATA CONTAINED ON THIS PAGE IS SUBJECT TO THE RESTRICTION ON THE TITLE PAGE OF THIS MANUAL 16Figure 6. Power & Signal Connections on thFigure 6. Power & Signal Connections on the Rear of the Power Amplifiere Rear of the Power Amplifier  (as viewed from the top)(as viewed from the top)   POWER AMPLIFIER7-PIN MALE CIRCULARCONNECTOR  (DC POWER)AMP 206137-19-PIN MALE CIRCULARCONNECTOR  (SIGNAL)AMP 206705-1  INSTALLING THE IF CHANNEL MODULES The channel slots have been factory preset to be installed in order, from low to high frequency, from left to right, in the VME-style IF Channel rack located in lower middle of each cabinet.  Note that each IF channel module is labeled with the frequency to which it was factory-tuned; the frequency is written on the “TESTED” sticker located on the top rear corner of the RF enclosure in each module.  Also note the bank of jumpers at the rear of each IF channel module; the jumper position determines the keying of the power amp directly below the IF channel rack and, consequently, which slot each IF channel module should be placed in. The IF channel module slots are ordered 1 through 8 from left to right.  The factory preset frequencies and jumper settings for the High- and Low-Band IF Channel Modules are listed in Table 1. Jumper location is depicted in Figure 7
 50289-BDA USE OR DISCLOSURE OF DATA CONTAINED ON THIS PAGE IS SUBJECT TO THE RESTRICTION ON THE TITLE PAGE OF THIS MANUAL 17Table 1. Factory Preset IF Channel ModuTable 1. Factory Preset IF Channel Module Frequencies and Jumper Settingsle Frequencies and Jumper Settings  LOW BAND / TALK-OUT HIGH BAND / TALK-IN Jumper Setting Frequency (MHz) Chassis Position Jumper Setting Frequency (MHz) Chassis Position JP1 821.21250 Far left JP1 866.21250 Far left JP2 821.81250 2nd from left JP2 866.81250 2nd from left JP3 822.37500 3rd from left JP3 867.37500 3rd from left JP4 822.87500 Left center JP4 867.87500 Left center JP5 823.01250 Right center JP5 868.01250 Right center JP6 823.55000 3rd from right JP6 868.55000 3rd from right JP7 823.60000 2nd from right JP7 868.60000 2nd from right JP8 823.91250 Far right JP8 868.91250 Far right  Figure 7. IF Channel Module Jumper LocationFigure 7. IF Channel Module Jumper Location
 50289-BDA USE OR DISCLOSURE OF DATA CONTAINED ON THIS PAGE IS SUBJECT TO THE RESTRICTION ON THE TITLE PAGE OF THIS MANUAL 18  1. Locate the IF Channel Modules for the Low Band equipment cabinet. 2. Verify the frequencies and jumper settings as per Table 1. Re-install jumpers, if necessary. 3. Slide the IF Channel Modules into the IF channel rack in the order described above. Secure the self-retaining thumbscrews at the top & bottom of each IF Channel Module. 4. Locate the IF Channel Modules for the High Band equipment cabinet. Repeat steps 2 & 3.  INTERNAL RF CABLE INSTALLATION IF MODULE CABLING  CAUTION THE INTERNAL RF  CABLING SUPPLIED WITH THIS SYSTEM IS HAND-FORMABLE SEMI-RIGID COAXIAL CABLE. THE USER IS CAUTIONED TO NOT RE-FORM THE CABLES,  AS THIS MAY CAUSE THE CABLES TO BREAK.  NOTE ALL CABLING HAS BEEN FACTORY FORMED TO FIT THE INSTALLATION. IF THE USER FINDS THAT A CABLE DOES NOT FIT, IT IS PROBABLY NOT INSTALLED IN THE CORRECT LOCATION.  Locate the 16 SMA male to male semi-rigid cables formed as shown in Figure 8. These cables are used to connect the IF Channel Modules to the 8-Way Splitter. Install the cables connecting the Splitter output ports (labeled “1” through “8”) to the IF Channel Module input ports (labeled “IN” on each module). A photo of the finished cable installation is shown in Figure 9.  CAUTION DO NOT OVER-TIGHTEN  SMA  CONNECTORS. OVER-TIGHTENING CAN LEAD TO CONNECTOR FAILURE. RECOMMENDED TORQUE IS 8 TO 10 INCH-POUNDS.
 50289-BDA USE OR DISCLOSURE OF DATA CONTAINED ON THIS PAGE IS SUBJECT TO THE RESTRICTION ON THE TITLE PAGE OF THIS MANUAL 19  Figure 8. Semi-Rigid Cables for ConnectingFigure 8. Semi-Rigid Cables for Connecting IF Channel Modules & 8-Way Splitter IF Channel Modules & 8-Way Splitter  (dimensions are approximate)  12”SMA Male SMA Male2”  Locate the 16 SMA male to type-N male semi-rigid cables formed as shown in Figure 10. Note that there are two types; these cables are used to connect the IF Channel Modules to the Power Amplifier Module. Type I cables are used to connect the odd-numbered IF Channel Modules to their respective ports on the power amp; type II cables are used to connect even-numbered modules. Install the cables connecting the IF Channel Module output ports (labeled “OUT” on each module) to the Power Amplifier input ports (labeled “1” through “8”). Refer again to the photo of the finished cable installation shown in Figure 9.  DUPLEXER CABLING At the top of each equipment cabinet, verify that the ANTENNA port on the Duplexer Module is connected to the type N feed-thru connector at the top of the cabinet on the right side (when viewed from the front). Confirm that connectors are tightened. Verify that the IN port on the Duplexer Module is connected to the type N feed-thru connector at the top of the cabinet on the left side (when viewed from the front). Confirm that connectors are tightened.
 50289-BDA USE OR DISCLOSURE OF DATA CONTAINED ON THIS PAGE IS SUBJECT TO THE RESTRICTION ON THE TITLE PAGE OF THIS MANUAL 20Figure 9. Arrangement of Internal RF CabliFigure 9. Arrangement of Internal RF Cablingng
 50289-BDA USE OR DISCLOSURE OF DATA CONTAINED ON THIS PAGE IS SUBJECT TO THE RESTRICTION ON THE TITLE PAGE OF THIS MANUAL 21 Figure 10. Semi-Rigid Cables Connecting IF Figure 10. Semi-Rigid Cables Connecting IF Channel Modules & Power AmplifierChannel Modules & Power Amplifier  (dimensions are approximate)  Type IType II14”SMA Male Type-N Male2”20”SMA MaleType-N Male2”3.5”SIDE VIEW  FRONT VIEW  SIDE VIEW
 50289-BDA USE OR DISCLOSURE OF DATA CONTAINED ON THIS PAGE IS SUBJECT TO THE RESTRICTION ON THE TITLE PAGE OF THIS MANUAL 22 DUPLEXER CABLING (CONTINUED)  Locate the two long type-N male to male semi-rigid cables formed as shown in Figure 11. These cables are used to connect the Duplexer Modules to the 8-Way Splitters.  Install one cable in the High Band cabinet, connecting the Duplexer OUT port to the 8-Way Splitter IN port. When installed properly, the cable runs down the right side of the cabinet. Refer again to the photo of the finished cable installation shown in Figure 11. Install the other cable in the Low Band cabinet in the same manner.  Figure 11. Semi-Rigid Cable for ConnectingFigure 11. Semi-Rigid Cable for Connecting the Duplexer to the 8-Way Splitter the Duplexer to the 8-Way Splitter
 50289-BDA USE OR DISCLOSURE OF DATA CONTAINED ON THIS PAGE IS SUBJECT TO THE RESTRICTION ON THE TITLE PAGE OF THIS MANUAL 23 POWER AMPLIFIER CABLING 1. Locate the two 16” long type-N male to male semi-rigid cables formed as shown in Figure 12. These cables are used to connect the Power Amplifiers to the output feed-thru connectors on the lower right side of the cabinets. 2. Install one cable in the High Band cabinet, connecting the Power Amplifier OUT port to the feed-thru connector on the lower right side of the cabinet. 3. Install the other cable in the Low Band cabinet in the same manner.  Figure 12. Semi-Rigid Cable Connecting theFigure 12. Semi-Rigid Cable Connecting the Power Amplifier to the Cabinet-Mounted Power Amplifier to the Cabinet-Mounted Feed-Thru Connector Feed-Thru Connector  (dimensions are approximate)  SIDE VIEW 16”2”Type-N MaleType-N MaleFRONT VIEW
 50289-BDA USE OR DISCLOSURE OF DATA CONTAINED ON THIS PAGE IS SUBJECT TO THE RESTRICTION ON THE TITLE PAGE OF THIS MANUAL 24 BATTERY CONNECTION  CAUTION PRIOR TO CONNECTING THE BACKUP BATTERIES, ENSURE THE CIRCUIT BREAKERS “BANK 1” “BANK 2” AND “BANK 3” ON THE BATTERY STATUS PANEL ARE IN THE OFF POSITION (PULLED OUT SO THE WHITE BAND SHOWS).  1. Locate the mating circular 4-pin male battery connectors provided with the units. 2. Solder the battery leads to the connectors per drawing number 50483-01-30. 3. Attach the battery leads to the top of the cabinets as shown in Figure 13 below.  Figure 13. Battery Cabling InstallationFigure 13. Battery Cabling Installation   LOWBANDHIGHBANDBATTERY CONNECTIONSHIGH BAND HAS THE BATTERY INPUT (2 WIRE HARNESS)LOW BAND HAS THE BATTERY INPUT AND CHARGER OUPUT (4 WIRE HARNESS)
 50289-BDA USE OR DISCLOSURE OF DATA CONTAINED ON THIS PAGE IS SUBJECT TO THE RESTRICTION ON THE TITLE PAGE OF THIS MANUAL 25 POWER UP SEQUENCE  NOTE THE POWER UP SEQUENCE DESCRIBED HEREIN,  WAS DEVELOPED TO AVOID STARTUP IN BATTERY BACKUP MODE AND TO PREVENT OVERLOADING A 15 AMP AC SOURCE CIRCUIT. THE KEY ACTIONS ARE TWO: (1) TURN ON THE POWER SUPPLIES ONE AT A TIME TO AVOID EXCESSIVE INRUSH CURRENT, AND (2) TURN ON THE POWER SUPPLIES BEFORE THE BATTERY CHARGER AND BATTERY BACKUP SYSTEM TO AVOID STARTUP IN BATTERY BACKUP MODE. THE DETAILED PROCEDURE PROVIDED BELOW IS FOR THE USER’S CONVENIENCE.  1. Ensure the AC service input is live. 2. Switch on the power supplies in the following order: (Refer to Figure 14) I. Lower Right II. Lower Left III. Upper Left 3. Enable the battery backup system by depressing the circuit breakers on the Battery Status Panel in the following order: Bank I Bank II Bank III 4. Verify all Battery Status Panel indicator LEDs are illuminated steady GREEN. 5. Verify all Power Supply Panel indicator LEDs are illuminated steady GREEN. 6. Verify flashing indicator LEDs on all IF Channel Modules, alternating between POWER / STATUS and LOCK / FAULT. This is followed by the POWER, STATUS and FAULT lights illuminating. Finally, all module indicators should show: POWER (green) – ON steady LOCK (green) – ON steady STATUS (green) – ON or OFF FAULT (red) – OFF The STATUS indicator LED may be on if an incoming signal is being received. 7. If the indicator LEDS on all modules do not illuminate in the final state after boot-up sequence as described above, refer to the operations portion of this manual for troubleshooting instructions. Normal LED indications for the entire unit are shown in Figure 15. 8. The units are now ready for programming, if necessary, as described in the operations section of this manual. If no programming is required (i.e., the channel frequencies programmed by the factory are correct), the door on each cabinet should be closed and bolted tight. 9. Each channel left the factory set for the carrier frequencies as described in Table 1 in accordance with the contracted customer specifications.  With a timeout of 1 minute and an attack time of 50 Milliseconds.
 50289-BDA USE OR DISCLOSURE OF DATA CONTAINED ON THIS PAGE IS SUBJECT TO THE RESTRICTION ON THE TITLE PAGE OF THIS MANUAL 26Figure 14. Main Power Switches for Power SFigure 14. Main Power Switches for Power Supplies and Battery Status Panelupplies and Battery Status Panel            Figure 15. Normal LED Illuminations after PFigure 15. Normal LED Illuminations after Power Up ower Up
 50289-BDA USE OR DISCLOSURE OF DATA CONTAINED ON THIS PAGE IS SUBJECT TO THE RESTRICTION ON THE TITLE PAGE OF THIS MANUAL 27   SECTION II OPERATION PROCEDURES
 50289-BDA USE OR DISCLOSURE OF DATA CONTAINED ON THIS PAGE IS SUBJECT TO THE RESTRICTION ON THE TITLE PAGE OF THIS MANUAL 28 The Eight-channel, Bi-Directional 800 MHz-Band, RF Distribution Amplifier system requires no regular operator intervention to perform its function. The system is accompanied by two software programs, the User’s software and the Technician’s software. All adjustments to the system are made using these software packages. The User’s software allows the operator to change channel frequencies, channel time-out settings, and channel keying mode. The Technician’s software provides the user with the ability to perform maintenance actions; this software is described in detail in the maintenance section.  Given that the channel settings provided by the factory are satisfactory and the system performs without any trouble, no adjustments need be made. If any troubles are suspected, the front of the cabinet should be opened and the indicator lights observed.  For normal operations, the indicator lights should be as follows:  Battery Status Panel – 3 green LEDs on steady  Power Supply / Charger Panel – 3 green LEDs on steady  Channel status may be determined by observing the indicator LEDs on the channel modules. Possible LED illumination patterns are shown in Figure 16 below for both normal and failure modes.  Figure 16. Channel Module LED Indicator IllFigure 16. Channel Module LED Indicator Illumination Patternsumination Patterns   POWERLOCKSTATUSFAULTCHANNELKEYEDPOWERLOCKSTATUSFAULTPOWERLOCKSTATUSFAULTPOWERLOCKSTATUSFAULTNORMAL INDICATIONS FAILURE INDICATIONSSYNTHESIZERLOCK FAIL MICROPROCESSORPOWER FAILTIMEOUTFAILPOWERLOCKSTATUSFAULTNOTKEYED  USER’S SOFTWARE The guide for using the User’s software is provided in Section VI. The user’s software is designed to run on a Windows-based Pentium PC or laptop. A serial cable must be connected between the computer’s COM1 port and the PROGRAM port on the front of the channel being adjusted. The channel must be powered up in order to be programmed. A brief discussion of the functions is provided here; details of actually affecting the desired changes are presented in the User’s Guide.
 50289-BDA USE OR DISCLOSURE OF DATA CONTAINED ON THIS PAGE IS SUBJECT TO THE RESTRICTION ON THE TITLE PAGE OF THIS MANUAL 29 CHANGING THE TIME-OUT DURATION The time-out duration is how long a channel can be held open (keyed on) for a retransmission. This feature prevents a channel from being disabled by an inadvertent or intentional “key and hold” action without any voice communication. The time-out duration can be up from 1 second to 99 minutes 59 seconds in 1 second intervals.  The time-out duration can be disabled by setting it to 00 minutes 00 seconds. When disabled, the channel will key continuously with the presence of a received signal.  CHANGING THE MODE SETTING The channel mode may be set to either CONTINUOUS or RSSI (Received Signal Strength Indication). In the continuous mode, the channel is always keyed and continuously transmitting. In the RSSI mode, the channel is keyed only when the incoming signal strength is above the factory set threshold level. Normal operation will be in RSSI mode; continuous mode is normally used only for testing.  The factory-set RSSI threshold level is –90dBm.  If regular traffic is below this level, call the factory to arrange for adjustment of this threshold level. If the ambient noise on the channel is above this level, refer to the Technician’s Guide on how to set the attenuation to overcome this.  TECHNICIAN’S SOFTWARE The Technician’s guide for using the software is provided in Section VII. A brief discussion of the functions are provided here; details of actually affecting the desired changes are presented in the Technician’s Guide.  SETTING THE ATTACK TIME Changing the attack time adjusts the time interval allowed between a transmission keying off and a subsequent transmission keying on. This feature is designed to provide the system operator with the ability to minimize an attacker’s ability to disable a channel by repeatedly keying a radio. The attack time is adjustable in 50 millisecond intervals from 50 milliseconds to 4.9 seconds.  CHANGING THE INPUT ATTENUATION The input attenuation control serves two purposes. First, it can be used to reduce the ambient RF noise level below the channel module’s threshold key level. This must be adjusted incrementally until the noise floor is below the threshold, while the intended signal still has enough level to key the booster amplifier on. Second, if the intended signal is unusually high, the attenuation control can be use to “trim” the signal level down to minimize the channel’s IM products which may interfere with adjacent channels.
 50289-BDA USE OR DISCLOSURE OF DATA CONTAINED ON THIS PAGE IS SUBJECT TO THE RESTRICTION ON THE TITLE PAGE OF THIS MANUAL 30SETTING THE FREQUENCY Each module’s frequency may be set using the User’s software. The User’s software allow the operator to change the frequency of the module to any other frequency within the operating band.  CHANGING THE CHANNEL ID The channel ID is an optional software upgrade to the 800 MHz-Linc software.. The channel ID identifies each channel module. This is useful if modules are moved around or a new module is installed in place of a defective one. Normal channel IDs are depicted in Figure 17.  CHANGING THE CHANNEL SERIAL NUMBER The serial  numberis an optional ugradeto the 800MHz-Linc software. The serial number of each channel module is stored in non-volatile memory.  This is an optional function and not normally programmed. The channel serial number can be used for customer asset tracking.  Figure 17. Normal Channel ID Numbering SchFigure 17. Normal Channel ID Numbering Schemeeme    CH1CH1   CH2CH2   CH3CH3   CH4CH4   CH5CH5   CH6CH6   CH7CH7   CH8CH8
 50289-BDA USE OR DISCLOSURE OF DATA CONTAINED ON THIS PAGE IS SUBJECT TO THE RESTRICTION ON THE TITLE PAGE OF THIS MANUAL 31 SECTION III MAINTENANCE  BDA MAINTENANCE: The 8 Channel Booster Amplifier, BDA, is designed for unattended operations requiring minimal maintenance. General maintenance consists of the cleaning/replacement of the intake/exhaust filters, equipment inspection and operational tests. It is recommended the routine maintenance be accomplished monthly and the schedule revised to meet the requirements of your unique installation.  Equipment tune-up and alignment is required only if indicated by the operational tests.  AIR FILTRATION: The intake and exhaust air filters should be periodically checked and cleaned. The two filter grills (on the enclosure’s top and front door) are easily removable; access to the interior of the enclosure is not required. When required, use only aluminum filter replacements.  CABLE INSPECTION: The exterior cables and connectors should be periodically inspected for evidence of corrosion.  ENCLOSURE INSPECTION: The interior of the enclosures should be inspected for evidence of condensation. The internal cabling should be inspected. In addition, the operation of the cooling fan should be tested.  OPERATIONAL TESTS: Operational testing may consists of keying up each channel with a handheld. The performance of the BDA will indicate if more detailed test are required.  The maintenance schedule should take in consideration the environment of the installation a performance of the BDA. The inspection and cleaning of the air filters should be preformed monthly. In general, all recommended maintenance should be preformed tri-monthly.  BATTERY MAINTENANCE (BACKUP BATTERY): It is recommended that the inspection of the condition and maintenance of the user supplied batteries should be performed as prescribed by the battery manufacture.  ADDITIONAL INFORMATION For additional maintenance information refer to the Technicians Guide in Section VII.  AEROCOMM Maintenance Program – Call 1-201-227-0066
 50289-BDA USE OR DISCLOSURE OF DATA CONTAINED ON THIS PAGE IS SUBJECT TO THE RESTRICTION ON THE TITLE PAGE OF THIS MANUAL 32 SECTION IV RECOMMENDED SPARES   Card extender    P/N 50483-03-32  Battery Backup        P/N 50483-02-33  RF Power Amplifier /8 Way Combiner P/N 50483-02-09-01 (Low Band)        P/N 50483-02-09-02 (High Band)  Channel Card    P/N 50483-02-12
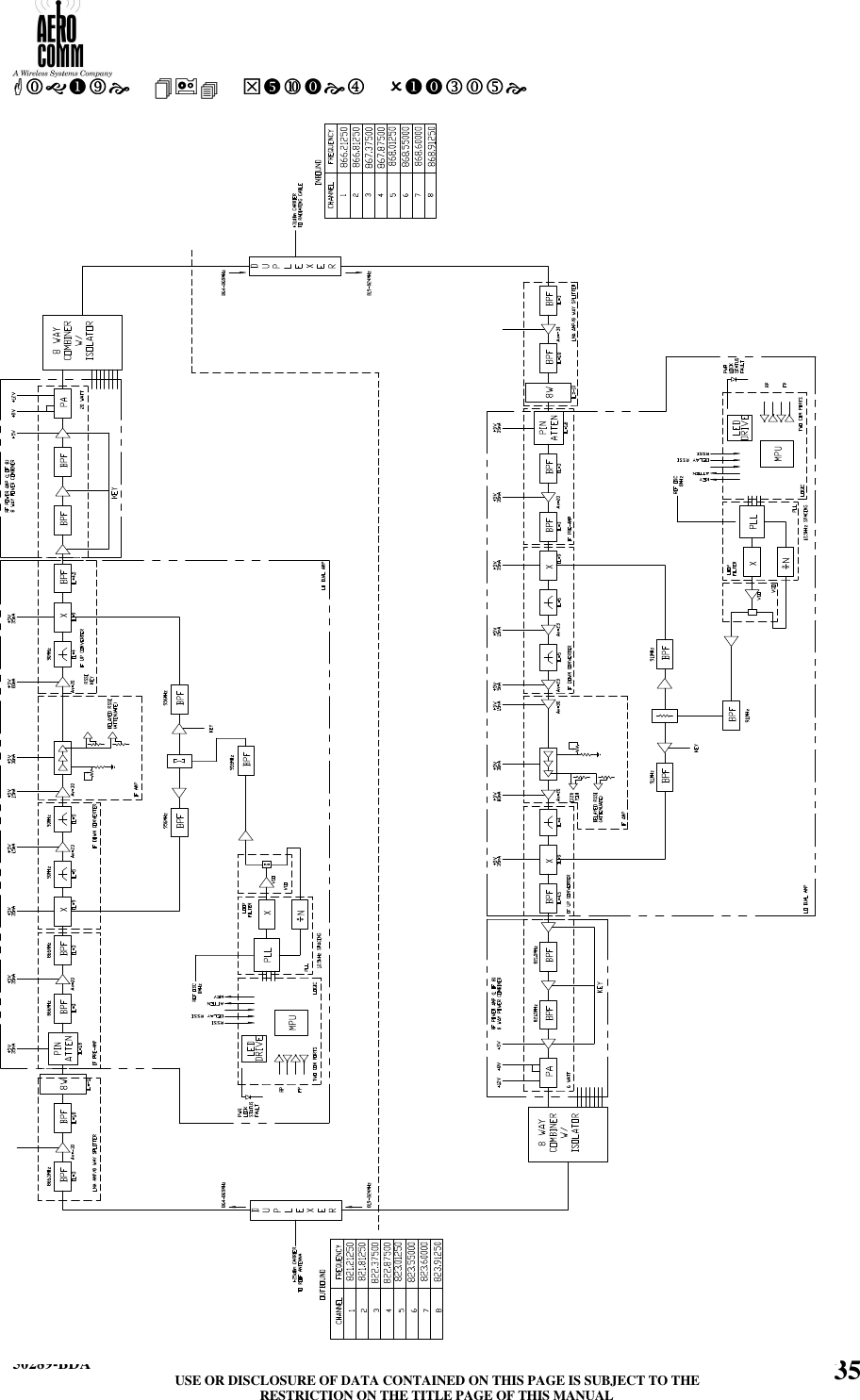
 50289-BDA USE OR DISCLOSURE OF DATA CONTAINED ON THIS PAGE IS SUBJECT TO THE RESTRICTION ON THE TITLE PAGE OF THIS MANUAL 33 SECTION V  THEORY OF OPERATION  THEORY OF OPERATION  The eight channel bi-directional amplifier uses 16 channels of synchronized down-up conversions.  The multi-channel booster is divided into two independent 8-channel systems (8 high band and 8 low band) for full duplex operations. Inbound signals, talk-in, are received at the roof antenna, 8 selected frequencies are processed (filtering and amplification), and rebroadcast on radiating cable. Conversely, outbound signals induced onto the radiating cable are similarly processed and rebroadcast on the roof antenna. The 8 talk-in channels are the high band signals (864-869Mhz), and the 8 talk-out channels are low band (819-824Mhz).  Each system consists of a duplexer, LNA/8-way splitter, 8 channel modules (down-up converters with synthesized LOs), 8 class C RF power amplifiers with an 8-way power combiner. In addition there are internal  power supplies for 110vac operation, provisions for connecting to and charging external batteries for battery back-up operation, and a thermostat controlled cooling fan.  The RF signal flow of the two systems are identical. RF band pass filters internal to the system modules determine high band or low band operations. (Refer to Figure 19).
 50289-BDA USE OR DISCLOSURE OF DATA CONTAINED ON THIS PAGE IS SUBJECT TO THE RESTRICTION ON THE TITLE PAGE OF THIS MANUAL 34  Figure 18. Overall System Figure 18. Overall System
 50289-BDA USE OR DISCLOSURE OF DATA CONTAINED ON THIS PAGE IS SUBJECT TO THE RESTRICTION ON THE TITLE PAGE OF THIS MANUAL 35Figure 19. System OutlineFigure 19. System Outline
 50289-BDA USE OR DISCLOSURE OF DATA CONTAINED ON THIS PAGE IS SUBJECT TO THE RESTRICTION ON THE TITLE PAGE OF THIS MANUAL 36 DUPLEXER: The duplexer allows for full duplex operation, simultaneous transmit and receive into a common antenna port. The pass/reject filtering of the duplexer provides band pre-selection, minimal insertion loss between the antenna port to the two ports, transmit and receive ports, and provides high isolation between the transmit and receive ports. For proper operations, the talk-in booster amp, BA, is connected to the roof antenna, and the talk-out BA to the radiating cable. Duplexer configuration as follows:  TALK-IN BA:  Through a type N connector on the top of the enclosure, the antenna port of the duplexer is connected to the roof antenna. The receive port is connected to the BA’s LNA/8 way splitter for processing of the inbound signals. Through a type N connector on the top of the enclosure, the transmit port is externally cabled to the RF output port of the talk-out BA to broadcast the outbound signals on the roof antenna.   TALK-OUT BA:  Through a type N connector on the top of the enclosure, the antenna port of the duplexer is connected to the radiating cable. The receive port is connected to the BA’s LNA/8 way splitter for processing of the outbound signals. Through a type N connector on the top of the enclosure, the transmit port is externally cabled to the RF output port of the talk-in BA to inject the inbound signals onto the radiating cable.  LNA/8-WAY SPLITTER: The LNA/8-way consists of two modules, a low noise amplifier, to provide band pre-selection and amplification of the received signal, and an 8-way splitter. In the LNA module, the operational band is selected by two 5 pole ceramic band pass filters. For low band operation, filters centered at 821.5, with a bandwidth of 5Mhz are installed; for high band operation, filters are centered at 866.5Mhz are installed. The 8-way splits the LNA output to the inputs of the 8 channel modules.  Splitter output port:  “1”  to the input of channel module “1”       “2”  to the input of channel module “2”       etc. Through channel 8.  CHANNEL MODULE (IF MODULE): The CHANNEL MODULE consists of three components; an IF module (a synchronized down-up converter to provide a high degree of filtering and hard limiting of a channel frequency), a micro-controller (to monitor and control the IF module), and a motherboard (to route signals to the back panel of the channel module chassis).
 50289-BDA USE OR DISCLOSURE OF DATA CONTAINED ON THIS PAGE IS SUBJECT TO THE RESTRICTION ON THE TITLE PAGE OF THIS MANUAL 37IF CHANNEL MODULE:  The IF module consists of 5 compartments: • The RF amplifier provides for additional channel pre-selection of the received RF signal. • The down conversion of the signal received to an IF of 90Mhz, two cascade crystal filters provides a high degree of filtering • The hard limiting of the IF eliminates the requirements of an AGC loop. An analog RSSI from the IF is compared to a threshold setting to produce a logic output, RSSI KEY. This signal is monitored by the micro-controller to produce the key line and key line time-out functions. Keying the final stages of the IF module and the final RF power amplifier prevents unwanted spurious outputs when no sign carrier is detected.  • The up conversion and filtering to the original frequency. With hard limiting at the IF frequency, a constant output level verse the input level is produced. • A dual output synthesized LO. Synchronized conversions mean that the frequency received equals the frequency transmitted. The synthesizer output (Fc+90Mhz) determines the channel frequency and is programmable in 12.5Khz steps to produces the 25Khz channel spacing over  the pre-selected band. The mother board in the MACS slot of the card cage provides a 8Mhz common reference oscillator to all the PLLs in the channel modules.      MICRO CONTROLLER:  The controller performs 4 functions: • Programs the IF module synthesizer to the desired frequency and monitors lock detect for a fault detection. • Monitors the IF’s RSSI KEY and generate the key line function. • Performs the key line time out and delay functions, of the time-out timer. • Interface to the operator. Using a computer and AeroComm’s proprietary software, the operator can program the channel frequency and time-out functions.  The software runs on Windows 95, 98, NT or 2000.  THE MOTHERBOARD: The IF module and micro controller are configured as plug in modules. The mother board routes the power and control signal between the modules, to the front panel LEDs and RS232 connector and the card cage back panel.  RF POWER AMPLIFIER/8-WAY COMBINER: The final RF power amplifier consists of a pre-driver amplifier stage and a hybrid class C RF power module. The pre-driver adds additional filtering the channel modules output, and amplifies to a sufficient level to drive the power amp. To shut-down the power amp, the pre-drive amplifier is controlled (on/off) by the micro-controller output, key line, from the associated channel module. To produce the required per carrier output level after the power combiner, the low band channels utilize a 6 watt RF power module, and the high band requires a 20 watt module. The outputs of the 8 RF power module both low and high are summed by the 8-way combiner.
 50289-BDA USE OR DISCLOSURE OF DATA CONTAINED ON THIS PAGE IS SUBJECT TO THE RESTRICTION ON THE TITLE PAGE OF THIS MANUAL 38 DC POWER DISTRIBUTION/BATTERY BACKUP: The DC power requirements of the channel modules and their associated RF power amplifiers are distributed among multiple power ‘banks’ (VCC1, VCC2, and VCC3). Dividing the power requirements among multiple power supplies prevents a complete shut down due to ‘a’ power supply failure. In addition, it allows for an effective switch over to battery operations. (Refer to Figure 20):  The BA is configured with up to 3 power supplies. The power distribution panel unit, PDU, consists of 7 relays to switch between the internal power supplies and external batteries during an interruption of the AC source. For redundancy, for each required VCC voltage, two relays are wired in parallel. . The external batteries are wired into the BA’s battery status panel through 2 pins of a 4 pin connector located on the top of the enclosure (battery input). On the battery status panel, 3 circuit breakers split the battery service for each VCC voltage required. The power supplies and battery bank switches (circuit breaker) are paired as follows: PS1 with battery switch ‘Bank 1’ to supply VCC1. PS2 with battery switch ‘Bank 2’ to supply VCC3. PS3 with battery switch ‘Bank 3” to supply VCC2.  To minimize the interruption of the BA operations during switch over to batteries, the 8 channel’s micro-controllers and synthesizers are on a UPS. The UPS voltage source is supplied by diode ‘OR’ing the DC supplies and the bank switch 3 (external batteries) across the 7th relay of the PDU.  NOTE:  TURN OFF THE BA, FIRST TURN OFF THE 3 BATTERY BREAKERS (PULLED OUT). This prevents the switch over to battery back during shut down procedures.  THE HIGH BAND BA:  (20 watt RF power modules) (refer to Figure 21): In the high band (talk-in) BA, 3 power supplies are required. The channel modules and their associated RF power modules are distributed between the 3 VCC sources as follows: Channels 1, 2, and 3 to VCC1 Channels 4, 5, and 6 to VCC2 Channels 7 and 8 to VCC3  THE LOW BAND BA: (6 watt RF power modules)(refer to Figure 22): In the low band (talk-out) BA, 2 power supplies are required. The channel modules and their associated RF power modules are distributed between the 2 VCC sources as follows:  Channels 1, 2, 3 and 4 to VCC1 Channels 5, 6, 7 and 8 to VCC3
 50289-BDA USE OR DISCLOSURE OF DATA CONTAINED ON THIS PAGE IS SUBJECT TO THE RESTRICTION ON THE TITLE PAGE OF THIS MANUAL 39 In the low band BA, due to the requirements of only two power supplies, the ‘3 state’ battery charger is installed. The output of the battery charger is wire directly to a second pair of pins of the ‘battery input’ connector (located on the top of the enclosure). The output of the charger is terminated directly at the batteries; there are no internal connections between the charger to the battery status panel or PDU.
 50289-BDA USE OR DISCLOSURE OF DATA CONTAINED ON THIS PAGE IS SUBJECT TO THE RESTRICTION ON THE TITLE PAGE OF THIS MANUAL 40Figure 20. Power Distribution Unit OutlineFigure 20. Power Distribution Unit Outline
 50289-BDA USE OR DISCLOSURE OF DATA CONTAINED ON THIS PAGE IS SUBJECT TO THE RESTRICTION ON THE TITLE PAGE OF THIS MANUAL 41Figure 21. Power Distribution High BandFigure 21. Power Distribution High Band
 50289-BDA USE OR DISCLOSURE OF DATA CONTAINED ON THIS PAGE IS SUBJECT TO THE RESTRICTION ON THE TITLE PAGE OF THIS MANUAL 42Figure 22. Power Distribution Low BandFigure 22. Power Distribution Low Band
 50289-BDA USE OR DISCLOSURE OF DATA CONTAINED ON THIS PAGE IS SUBJECT TO THE RESTRICTION ON THE TITLE PAGE OF THIS MANUAL 43 SECTION VI USER’S GUIDE   800MHz-Linc Version 1.0  OVERVIEW This software, 800MHz-Linc is designed for the control and configuration of each channel of the 8-channel Directional Amplifier (BDA).  It allows the users to set the duration of time-out, and mode.   PROGRAM INSTALLATION To install/reinstall the software:  1. Insert the AeroComm Inc. CD-ROM and locate the Setup program on the CD-ROM. 2. The Setup software will prompt the user to click ok, then click on the Install icon. 3. Continue to click on the default to settings to complete the installation.   PROGRAM STARTUP Windows NT requires a user ID and password.  The User ID is Administrator and the password is blank so just press the <Enter> key or click OK to Login to the system.  The 800 MHz software should run upon completion of the login. Click on the Start/Programs/AeroComm Inc/800Mhz from the Start button.  This software is typically installed on the c:\program files\800Mhz directory.  All data files are also stored on the c:\program files\800Mhz directory. You must login to the computer to start 800 MHz. IN the event the software is stopped, to restart simply repeat the above procedure: Click on the Start/Programs/AeroComm Inc/800Mhz.  In addition to using the mouse, the keyboard can be used to select buttons on the screen by using the <CTL> key simultaneously with the underlined letter on the button.
 50289-BDA USE OR DISCLOSURE OF DATA CONTAINED ON THIS PAGE IS SUBJECT TO THE RESTRICTION ON THE TITLE PAGE OF THIS MANUAL 44  MAIN SCREEN Figure 23 below is the main working screen used to configure the channel Time Out and Mode setting.   The main screen of the software is displayed below. It has a picture of the channel on the left with the lights having the same on or off status as those on the channel. Every change of the lights on the channel is reproduced in the main screen’s picture.  Figure 23. 800MHz-Linc Main screenFigure 23. 800MHz-Linc Main screen
 50289-BDA USE OR DISCLOSURE OF DATA CONTAINED ON THIS PAGE IS SUBJECT TO THE RESTRICTION ON THE TITLE PAGE OF THIS MANUAL 45 COMMUNICATION CONNECTION This software automatically checks the condition of its communication connection with the intended channel not only when it is started but also continuously every ten seconds. If the software does not receive a response from the channel, a warning message is displayed and indicated in Figure 24 below.  The user is given three choices: Abort exits the software;  Retry re-checks the connection, and Ignore skips the connection test and opens the main screen. The user can recheck the connection condition by clicking at the Refresh button on the main screen. The Refresh button restarts the software without rebooting.   Figure 24. 800 MHz-Linc Main Screen with ConFigure 24. 800 MHz-Linc Main Screen with Connection Error windownection Error window
 50289-BDA USE OR DISCLOSURE OF DATA CONTAINED ON THIS PAGE IS SUBJECT TO THE RESTRICTION ON THE TITLE PAGE OF THIS MANUAL 46 TIME-OUT DURATION The time-out duration is how long a channel can be held open (keyed on) for a retransmission. An inadvertent or intentional “key and hold” action without any voice communication will not disable the channel because of this feature.  The time-out duration can be up from 1 second to 99 minutes 59 seconds in 1 second intervals.  The time-out duration can be disabled by setting it to 00 minutes 00 seconds. When disabled, the channel will key continuously with the presence of a received signal.  SETTING A TIME-OUT TIME To set a time-out time, click the function button Time Out at the bottom of the main screen, a time-out setting board appears as displayed in Figure 25 below. Select the desired time-out time up to 99 minutes (MM) and 59 seconds (SS) and then click Set with the mouse button. Setting 00 minute and 00 second disables the Time-out function. If  the Set button is not clicked, the setting in place upon entry to the window remains in effect.  Click Exit button on the setting board to go back to the main screen.  Figure 25. Set Time Out windowFigure 25. Set Time Out window
 50289-BDA USE OR DISCLOSURE OF DATA CONTAINED ON THIS PAGE IS SUBJECT TO THE RESTRICTION ON THE TITLE PAGE OF THIS MANUAL 47MODE SETTING The channel mode may be set to either CONTINUOUS or RSSI (Received Signal Strength Indication). In the continuous mode, the channel is always keyed and continuously transmitting. In the RSSI mode, the channel is keyed only when the incoming signal strength is above the factory set threshold level. Normal operation will be in RSSI mode; continuous mode is normally used for testing.   CHANGING THE MODE To change the Mode, click the function button Mode at the bottom of the main screen.  A  mode setting window seen in Figure 26 below, appears with a picture of a switch on it showing which is the current Mode of the channel is. Click the Keyed or CONT (continue) button to set the desired mode. Alternatively, you can click the picture of the switch to toggle the mode. Click Exit button on the setting board to go back to the main screen.  Figure 26. Set Mode windowFigure 26. Set Mode window      EXITING THE SOFTWARE
 50289-BDA USE OR DISCLOSURE OF DATA CONTAINED ON THIS PAGE IS SUBJECT TO THE RESTRICTION ON THE TITLE PAGE OF THIS MANUAL 48 To Exit the software, click the Exit button at the bottom right corner of the main screen, a dialog box is presented, see the example in Figure 27 below, to insure your intention. Click Yes to exit the software, or No to go back to the main screen.   Figure 27. Exit confirmation windowFigure 27. Exit confirmation window                ADDITIONAL INFORMATION
 50289-BDA USE OR DISCLOSURE OF DATA CONTAINED ON THIS PAGE IS SUBJECT TO THE RESTRICTION ON THE TITLE PAGE OF THIS MANUAL 49To know more about this software and AeroComm, Inc,: Point the mouse to   the logo of AeroComm, Inc at the bottom of the main screen. Click when the mouse pointer changes to  (an information icon). An information screen Figure 28 below is displayed.   Figure 28. Figure 28. 800 MHz-Linc about window800 MHz-Linc about window         SECTION VII TECHNICIAN’S GUIDE
 50289-BDA USE OR DISCLOSURE OF DATA CONTAINED ON THIS PAGE IS SUBJECT TO THE RESTRICTION ON THE TITLE PAGE OF THIS MANUAL 50  800MHz-Linc  Version 1.0  ACTIVATING TECHNICIAN FUNCTIONS   To activate the technician function buttons (i.e. Attack, Attenuation, and Frequency): On the main screen, point the mouse to the upper left corner, click when the mouse pointer changes to a circle. The technician function buttons are then displayed at the top of the main screen Figure 29 visible below.  Figure 29. 800MHz-Linc Main ScreenFigure 29. 800MHz-Linc Main Screen       CLOSING THE TECHNICIAN FUNCTIONS
 50289-BDA USE OR DISCLOSURE OF DATA CONTAINED ON THIS PAGE IS SUBJECT TO THE RESTRICTION ON THE TITLE PAGE OF THIS MANUAL 51To close the technician function buttons: In the technician main screen, click the function button  Finish at the far left of the top, then those function buttons for technician disappears.  SETTING RSSI ATTACK TIME To set a RSSI Attack time: click the function button Attack at the top of the main screen. A RSSI Attack setting window Figure 30 appears with the current setting shown in Millisecond. By clicking at either the up or down arrow next to the text box, the setting of attack time is increased or decreased by 50 Millisecond by each click. The range of the setting is from 50 milliseconds to 4.9 seconds.  Click Exit button on the setting board to go back to the main screen.  Figure 30. Set RSSI Attack windowFigure 30. Set RSSI Attack window        CHANGING THE CHANNEL ID
 50289-BDA USE OR DISCLOSURE OF DATA CONTAINED ON THIS PAGE IS SUBJECT TO THE RESTRICTION ON THE TITLE PAGE OF THIS MANUAL 52An optional feature of the software is setting and changing the Channel ID.  The channel ID can be set for each channel module. This is useful if modules are swapped around or a new module is installed in place of a defective one. Normal channel IDs are depicted in Figure 17.  CHANGING THE CHANNEL SERIAL NUMBER Another optional feature of the software is setting and changing the channel serial number.  The channel serial number could be used to assist with asset tracking.  SETTING ATTENUATION To set Attenuation: click the function button Attenuation at the top of the main screen. An Attenuation setting window appears with the current setting shown in dB seen below in Figure 31. Click the down arrow next to the text box, a drop down list of available attenuation setting are displayed. Click the desired new setting and then with the mouse, click the Set button to confirm the change to the attenuation setting. Click Exit button on the setting board to go back to the main screen.   Figure 31. Set Attenuation windowFigure 31. Set Attenuation window    SETTING A FREQUENCY
 50289-BDA USE OR DISCLOSURE OF DATA CONTAINED ON THIS PAGE IS SUBJECT TO THE RESTRICTION ON THE TITLE PAGE OF THIS MANUAL 53A click of the function button Frequency, Time Out, or Mode causes a setting window to appear in the middle of the main screen with the channels current setting shown in a text box. An example is presented in Figure 32 below.    To set a frequency, click the function button Frequency at the bottom of the main screen, a frequency setting board appears. Select the desired frequency in either the high band or low band selection list by clicking on it and then click Set button. The new setting is verified in the Current Setting text box. You can also set a frequency by typing the desired frequency in the text box above the Set button and then press the ENTER key on the keyboard or click on Set button.  Click the Exit button on the Set Frequency window to go back to the main screen.  Figure 32. Set Frequency windowFigure 32. Set Frequency window
 50289-BDA USE OR DISCLOSURE OF DATA CONTAINED ON THIS PAGE IS SUBJECT TO THE RESTRICTION ON THE TITLE PAGE OF THIS MANUAL 54 CLOSING THE TECHNICIAN FUNCTIONS   To close the technician function buttons: In the technician main screen, click the function button  Finish at the far left of the top, then those function buttons for technician disappears.  Figure 33. 800 MHz-Linc screenFigure 33. 800 MHz-Linc screen
 50289-BDA USE OR DISCLOSURE OF DATA CONTAINED ON THIS PAGE IS SUBJECT TO THE RESTRICTION ON THE TITLE PAGE OF THIS MANUAL 55 SECTION VIII TUNE UP PROCEDURE  No tune up procedures are required for this unit.  All setting are adjusted at the manufacturing facility.
 50289-BDA USE OR DISCLOSURE OF DATA CONTAINED ON THIS PAGE IS SUBJECT TO THE RESTRICTION ON THE TITLE PAGE OF THIS MANUAL 56SECTION IX FCC CERTIFICATION LABEL LOCATION Germantown, MD 20874Germantown, MD 20874MODEL: FCC ID:MODEL: FCC ID:

Navigation menu