Axis Communications AXIS207MW 802.11b/g Wireless Network Camera User Manual 207 UM
Axis Communications AB 802.11b/g Wireless Network Camera 207 UM
Contents
- 1. Manual
- 2. Installation guide
Manual

AXIS 207MW
Network Camera
User’s Manual

AXIS COMMUNICATIONS
<Product Name> Quick User’s Guide
About this Document
This manual is intended for administrators and users of the
AXIS 207MW, Network Camera, and is applicable for
firmware release 4.40 and later. It includes instructions for
using and managing the AXIS 207MW on your network.
Previous experience of networking will be of use when using
this product. Some knowledge of UNIX or Linux-based
systems may also be beneficial, for developing shell scripts
and applications. Later versions of this document will be
posted to the Axis Website, as required. See also the product’s
online help, available via the Web-based interface.
Safety Notices Used In This Manual
Caution! - Indicates a potential hazard that can damage the
product.
Important! - Indicates a hazard that can seriously impair
operation.
Do not proceed beyond any of the above notices until you
have fully understood the implications.
Intellectual Property Rights
Axis AB has intellectual property rights relating to
technology embodied in the product described in this
document. In particular, and without limitation, these
intellectual property rights may include one or more of the
patents listed at http://www.axis.com/patent.htm and one or
more additional patents or pending patent applications in the
US and other countries.
This product contains licensed third-party software. See the
menu item “About” in the product’s user interface for more
information.
This product contains source code copyright Apple Computer,
Inc., under the terms of Apple Public Source License 2.0 (see
http://www.opensource.apple.com/apsl/).
The source code is available from:
http://developer.apple.com/darwin/projects/bonjour/
Legal Considerations
Video and audio surveillance can be prohibited by laws that
vary from country to country. Check the laws in your local
region before using this product for surveillance purposes.
This product includes one (1) MPEG-4 decoder license. To
purchase further licenses, contact your reseller.
Radio Transmission Regulatory Information & EMC
This equipment generates and radiates radio frequency
energy, and must be installed and operated while maintaining
a minimum body-to-camera distance of 3 feet (1 meter).
If this equipment causes harmful interference to radio or
television reception, which can be determined by turning the
equipment off and on, the user is encouraged to try to correct
the interference by one or more of the following measures:
Re-orient or relocate the receiving antenna. Increase the
separation between the equipment and receiver. Connect the
equipment to an outlet on a different circuit to the receiver.
Consult your dealer or an experienced radio/TV technician
for help. Shielded (STP) network cables must be used with
this unit to ensure compliance with EMC standards.
Tested to comply with FCC Standards FOR HOME OR OFFICE
USE. This product must be installed and used in strict
accordance with the instructions given in the user
documentation. This Axis product complies with the
following radio frequency and safety standards:
USA - Federal Communications Commission FCC
This device complies with Part 15 of FCC Rules. Operation of
the device is subject to the following two conditions:
(1) This device may not cause harmful interference
(2) This device must accept any interference that may cause
undesired operation.
Europe - EU Declaration of Conformity. This device
complies with the requirements of the R&TTE Directive
1999/5/EC with essential test suites as per standards:
EN 301 489 General EMC requirements for radio equipment,
ETS 300 328 Technical requirements for radio equipment.
Canada - This device complies with RSS-210 of Industry
Canada. Operation is subject to the following conditions:
(1) This device may not cause interference, and
(2) this device must accept any interference, including
interference that may cause undesired operation of the device.
Japan - This is a class B product based on the standard of the
Voluntary Control Council for Interference from Information
Technology Equipment (VCCI). If this is used near a radio or
television receiver in a domestic environment, it may cause radio
interference. Install and use the equipment according to the
instruction manual.
Australia - This electronic device meets the requirements of the
Radio communications (Electromagnetic Compatibility) Standard
1998 AS/NZS 4771.
Safety
Compies to EN 60950, Safety of Information Technology
equipment.
Equipment Modifications
This equipment must be installed and used in strict accordance
with the instructions given in the user documentation. This
equipment contains no user-serviceable components.
Unauthorized equipment changes or modifications will invalidate
all applicable regulatory certifications and approvals.
Liability
Every care has been taken in the preparation of this manual.
Please inform your local Axis office of any inaccuracies or
omissions. Axis Communications AB cannot be held responsible
for any technical or typographical errors and reserves the right to
make changes to the product and manuals without prior notice.
Axis Communications AB makes no warranty of any kind with
regard to the material contained within this document, including,
but not limited to, the implied warranties of merchantability and
fitness for a particular purpose. Axis Communications AB shall
not be liable nor responsible for incidental or consequential
damages in connection with the furnishing, performance or use of
this material.
Trademark Acknowledgments
ActiveX, Apple, Boa, Ethernet, Internet Explorer, Linux,
Microsoft, Mozilla, Netscape Navigator, OS/2, Real, QuickTime,
UNIX, Windows, WWW are registered trademarks of the
respective holders. Java and all Java-based trademarks and logos
are trademarks or registered trademarks of Sun Microsystems, Inc.
in the United States and other countries. Axis Communications
AB is independent of Sun Microsystems Inc.
UPnPTM is a certification mark of the UPnPTM Implementers
Corporation. Bonjour is a trademark of Apple Computer Inc.
This product includes MPEG-4 AAC audio coding technology
licensed by Fraunhofer IIS. Refer to FHG audio home page
http://www.iis.fraunhofer.de/amm/

THIS PRODUCT IS LICENSED UNDER THE MPEG-4 SYSTEMS
PATENT PORTFOLIO LICENSE FOR ENCODING IN COMPLIANCE
WITH THE MPEG-4 SYSTEMS STANDARD, EXCEPT THAT AN
ADDITIONAL LICENSE AND PAYMENT OF ROYALTIES ARE
NECESSARY FOR ENCODING IN CONNECTION WITH (i) DATA
STORED OR REPLICATED IN PHYSICAL MEDIA WHICH IS PAID
FOR ON A TITLE BY TITLE BASIS AND/OR (ii) DATA WHICH IS
PAID FOR ON A TITLE BY TITLE BASIS AND IS TRANSMITTED
TO AN END USER FOR PERMANENT STORAGE AND/OR USE.
SUCH ADDITIONAL LICENSE MAY BE OBTAINED FROM MPEG
LA, LLC. SEE <HTTP://WWW.MPEGLA.COM> FOR ADDITIONAL
DETAILS.
Support
Should you require any technical assistance, please contact your
Axis reseller. If your questions cannot be answered immediately,
your reseller will forward your queries through the appropriate
channels to ensure a rapid response. If you are connected to the
Internet, you can:
• download user documentation and firmware updates
• find answers to resolved problems in the FAQ database. Search
by product, category, or phrases
• report problems to Axis support by logging in to your private
support area
• visit Axis Support at www.axis.com/techsup/
AXIS 207MW User’s Manual Rev.1.1
August 2006
Copyright© Axis Communications AB, 2005-2006

4 AXIS 207MW
Contents
Product Features . . . . . . . . . . . . . . . . . . . . . . . . . . . . . . . . . . . . . . . . . . . . . . . . . . . . . . . . . . . . . . . . . 6
Key features . . . . . . . . . . . . . . . . . . . . . . . . . . . . . . . . . . . . . . . . . . . . . . . . . . . . . . . . . 6
Overview . . . . . . . . . . . . . . . . . . . . . . . . . . . . . . . . . . . . . . . . . . . . . . . . . . . . . . . . . . . .7
LED indicators . . . . . . . . . . . . . . . . . . . . . . . . . . . . . . . . . . . . . . . . . . . . . . . . . . . . . . . . 8
Accessing the Camera . . . . . . . . . . . . . . . . . . . . . . . . . . . . . . . . . . . . . . . . . . . . . . . . . . . . . . . . . . . . 9
Access from a browser . . . . . . . . . . . . . . . . . . . . . . . . . . . . . . . . . . . . . . . . . . . . . . . . 9
Setting the Password . . . . . . . . . . . . . . . . . . . . . . . . . . . . . . . . . . . . . . . . . . . . . . . . . 10
Accessing the camera from the Internet . . . . . . . . . . . . . . . . . . . . . . . . . . . . . . . . . 10
3GPP Compatibility. . . . . . . . . . . . . . . . . . . . . . . . . . . . . . . . . . . . . . . . . . . . . . . . . . . 10
Focusing . . . . . . . . . . . . . . . . . . . . . . . . . . . . . . . . . . . . . . . . . . . . . . . . . . . . . . . . . . . 11
The Live View Page . . . . . . . . . . . . . . . . . . . . . . . . . . . . . . . . . . . . . . . . . . . . . . . . . . . 11
Video recording. . . . . . . . . . . . . . . . . . . . . . . . . . . . . . . . . . . . . . . . . . . . . . . . . . . . . . 12
Video Streams . . . . . . . . . . . . . . . . . . . . . . . . . . . . . . . . . . . . . . . . . . . . . . . . . . . . . . . . . . . . . . . . . . 13
How to stream MPEG-4 . . . . . . . . . . . . . . . . . . . . . . . . . . . . . . . . . . . . . . . . . . . . . . . 13
MPEG-4 clients. . . . . . . . . . . . . . . . . . . . . . . . . . . . . . . . . . . . . . . . . . . . . . . . . . . . . . 14
Motion JPEG . . . . . . . . . . . . . . . . . . . . . . . . . . . . . . . . . . . . . . . . . . . . . . . . . . . . . . . . 14
Alternative methods of accessing the video stream . . . . . . . . . . . . . . . . . . . . . . . . 15
Configuration . . . . . . . . . . . . . . . . . . . . . . . . . . . . . . . . . . . . . . . . . . . . . . . . . . . . . . . . . . . . . . . . . . 16
Accessing the Setup tools . . . . . . . . . . . . . . . . . . . . . . . . . . . . . . . . . . . . . . . . . . . . . 16
AXIS Media Control . . . . . . . . . . . . . . . . . . . . . . . . . . . . . . . . . . . . . . . . . . . . . . . . . . 16
Video and Image settings. . . . . . . . . . . . . . . . . . . . . . . . . . . . . . . . . . . . . . . . . . . . . . 17
Advanced - Camera Settings . . . . . . . . . . . . . . . . . . . . . . . . . . . . . . . . . . . . . . . . . . . 18
Advanced - MPEG-4 Settings . . . . . . . . . . . . . . . . . . . . . . . . . . . . . . . . . . . . . . . . . . 18
Audio Settings. . . . . . . . . . . . . . . . . . . . . . . . . . . . . . . . . . . . . . . . . . . . . . . . . . . . . . . 19
Live View Config . . . . . . . . . . . . . . . . . . . . . . . . . . . . . . . . . . . . . . . . . . . . . . . . . . . . . . . . . . . . . . . . 20
Layout . . . . . . . . . . . . . . . . . . . . . . . . . . . . . . . . . . . . . . . . . . . . . . . . . . . . . . . . . . . . .20
HTML Examples. . . . . . . . . . . . . . . . . . . . . . . . . . . . . . . . . . . . . . . . . . . . . . . . . . . . . . 23
Event Configuration . . . . . . . . . . . . . . . . . . . . . . . . . . . . . . . . . . . . . . . . . . . . . . . . . . . . . . . . . . . . . 24
Port Status . . . . . . . . . . . . . . . . . . . . . . . . . . . . . . . . . . . . . . . . . . . . . . . . . . . . . . . . . 26
System Options . . . . . . . . . . . . . . . . . . . . . . . . . . . . . . . . . . . . . . . . . . . . . . . . . . . . . . . . . . . . . . . . . 27
Security . . . . . . . . . . . . . . . . . . . . . . . . . . . . . . . . . . . . . . . . . . . . . . . . . . . . . . . . . . . . 27
Date & Time . . . . . . . . . . . . . . . . . . . . . . . . . . . . . . . . . . . . . . . . . . . . . . . . . . . . . . . . 28
Network - Basic TCP/IP Settings . . . . . . . . . . . . . . . . . . . . . . . . . . . . . . . . . . . . . . . . 29
Network - Advanced TCP/IP Settings . . . . . . . . . . . . . . . . . . . . . . . . . . . . . . . . . . . . 30
Wireless . . . . . . . . . . . . . . . . . . . . . . . . . . . . . . . . . . . . . . . . . . . . . . . . . . . . . . . . . . . . 33
SOCKS . . . . . . . . . . . . . . . . . . . . . . . . . . . . . . . . . . . . . . . . . . . . . . . . . . . . . . . . . . . . . 34

5
AXIS 207MW
QoS (Quality of service) . . . . . . . . . . . . . . . . . . . . . . . . . . . . . . . . . . . . . . . . . . . . . . . 35
SMTP (email). . . . . . . . . . . . . . . . . . . . . . . . . . . . . . . . . . . . . . . . . . . . . . . . . . . . . . . . 35
SNMP. . . . . . . . . . . . . . . . . . . . . . . . . . . . . . . . . . . . . . . . . . . . . . . . . . . . . . . . . . . . . . 36
UPnP™ . . . . . . . . . . . . . . . . . . . . . . . . . . . . . . . . . . . . . . . . . . . . . . . . . . . . . . . . . . . . . 36
RTP / MPEG-4 . . . . . . . . . . . . . . . . . . . . . . . . . . . . . . . . . . . . . . . . . . . . . . . . . . . . . . . 36
Bonjour . . . . . . . . . . . . . . . . . . . . . . . . . . . . . . . . . . . . . . . . . . . . . . . . . . . . . . . . . . . . 36
Ports & Devices. . . . . . . . . . . . . . . . . . . . . . . . . . . . . . . . . . . . . . . . . . . . . . . . . . . . . . 36
LED Settings . . . . . . . . . . . . . . . . . . . . . . . . . . . . . . . . . . . . . . . . . . . . . . . . . . . . . . . . 36
Maintenance. . . . . . . . . . . . . . . . . . . . . . . . . . . . . . . . . . . . . . . . . . . . . . . . . . . . . . . . 37
Support . . . . . . . . . . . . . . . . . . . . . . . . . . . . . . . . . . . . . . . . . . . . . . . . . . . . . . . . . . . . 37
Advanced. . . . . . . . . . . . . . . . . . . . . . . . . . . . . . . . . . . . . . . . . . . . . . . . . . . . . . . . . . . 38
The I/O Terminal Connector . . . . . . . . . . . . . . . . . . . . . . . . . . . . . . . . . . . . . . . . . . . . . . . . . . . . . . . 39
Troubleshooting . . . . . . . . . . . . . . . . . . . . . . . . . . . . . . . . . . . . . . . . . . . . . . . . . . . . . . . . . . . . . . . . 41
Technical Specifications. . . . . . . . . . . . . . . . . . . . . . . . . . . . . . . . . . . . . . . . . . . . . . . . . . . . . . . . . . 46
General performance considerations . . . . . . . . . . . . . . . . . . . . . . . . . . . . . . . . . . . . 49
Optimizing your system . . . . . . . . . . . . . . . . . . . . . . . . . . . . . . . . . . . . . . . . . . . . . . . 49
Frame rates - Motion JPEG and MPEG-4 . . . . . . . . . . . . . . . . . . . . . . . . . . . . . . . . . 50
Bandwidth. . . . . . . . . . . . . . . . . . . . . . . . . . . . . . . . . . . . . . . . . . . . . . . . . . . . . . . . . . 51
Glossary of Terms . . . . . . . . . . . . . . . . . . . . . . . . . . . . . . . . . . . . . . . . . . . . . . . . . . . . . . . . . . . . . . . 52
Index . . . . . . . . . . . . . . . . . . . . . . . . . . . . . . . . . . . . . . . . . . . . . . . . . . . . . . . . . . . . . . . . . . . . . . . . . 59

6 AXIS 207MW - Product Features
Product Features
The AXIS 207MW is the world’s smallest true megapixel MPEG-4 network camera, from
Axis communications - the market leader in network video.
Key features
• Superior image quality, with a maximum resolu-
tion of 1280x1024 (1,3 Megapixel)
• True MPEG-4 image compression for optimized
bandwidth efficiency
• Simultaneous MPEG-4 and Motion JPEG video
streams for optimum bandwidth use
• Motion detection
• Alarm input
• Wireless (IEEE 802.11b and 802.11g) network
connection at speeds of up to 54 Mbit/s
• WPA/WPA2-PSK wireless security
• Built-in Web server for remote monitoring and
surveillance
• Built-in microphone for one-way audio
• Excellent low light performance down to 1 lux
• Compatible with PDAs/cell phones using 3GPP mediaplayers
• Multilevel password protection for restricting camera access
• Support for Quality of Service (QoS)
• Support for Bonjour
• Support for SNMP

7
AXIS 207MW - Product Features
Overview
Lock ring
Network
connector
Network
indicator
Control
button
Product ID &
serial number
(S/N) label
Wireless indicator
Power
indicator
I/O terminal
connector
Power
connector
Focus ring
Status
indicator
(outer ring)
Microphone
Antenna
Antenna - For connection to wireless networks. Compatible with IEEE 802.11b/g networks
at speeds of up to 54 Mbit/s.
Microphone - Built-in microphone for one way MPEG-4, ISMA, 3GPP compatible audio.
Power Connector - For connection of the PS-H power supply (included).
I/O Connector - The I/O terminal connector provides the physical interface to one
transistor output, one digital input and an auxiliary connection point for DC power. For
more information, see The I/O Terminal Connector, on page 39.
Network Connector - This can be used for the initial wired installation and configuration.
Uses a standard or crossover network cable, which is automatically detected by MDI-X
autocrossover. Once installed, this connection can be removed and the unit can be run
wirelessly.
Product ID & Serial Number Label - The serial number may be required during
installation.
Control Button - Press this button to install using the AXIS Internet Dynamic DNS Service,
or to restore the factory default settings, as described in Resetting to the Factory Default
Settings, on page 38.

8 AXIS 207MW - Product Features
LED indicators
After completion of the startup and self test routines, the multi-colored Network, Status,
and Power LED indicators flash as follows:
Unlit Wired mode.
Green Steady for connection to a wireless network. Flashes for network activity.
Red Steady for no wireless network connection. Flashes when scanning for wireless net-
works.
Amber Steady for connection to a 10 Mbit/s network. Flashes for network activity.
Green Steady for connection to a 100 Mbit/s network. Flashes for network activity.
Unlit No wired network connection, or when in wireless mode.
Green Steady for normal operation. Can be configured to flash green at intervals whenever the
camera is accessed. See the online help for more information.
Unlit When configured for “no flash” on camera access.
Amber Steady during startup, reset to factory default or when restoring settings.
Red Slow flash for failed upgrade.
Green Normal operation.
Amber Flashes green/amber during firmware upgrade.
Wireless
Network
Status
Power

9
AXIS 207MW - Accessing the Camera
Accessing the Camera
Before accessing the camera it must be installed. Please see the installation guide supplied
with the product.
The camera can be used with most standard operating systems and browsers. The
recommended browser is Microsoft Internet Explorer with Windows, Safari with Macintosh
and Mozilla with other operating systems.
Notes: • To view streaming video in Microsoft Internet Explorer, set your browser to allow ActiveX controls and
allow the AXIS Media Control (AMC) to be installed on your workstation.
• QuickTimeTM and Real PlayerTM are also supported for viewing streaming MPEG-4 video and audio.
• If your workstation restricts the use of additional software components, the camera can be configured to
use a Java applet for viewing motion JPEG.
• The AXIS 207MW includes one (1) decoder license for viewing MPEG-4 video streams. This is automatically
installed with AMC. The administrator can disable the installation of the MPEG-4 decoder, to prevent
unlicensed copies being installed.
Access from a browser
1. Start a browser.
2. Enter the IP address or host name of the
camera in the browser’s Location/Address field.
To access the camera from a Macintosh computer (Mac OSX), simply click on the
Bonjour tab and select the camera from the drop-down list.
3. If this is the first time the camera is accessed, see Setting the Password, on page
10. Otherwise enter your user name and password, as set by the administrator.
4. If required, click Yes to install the AXIS Media Control (AMC). You will need
administrator rights on the computer to do this.
5. The camera’s Live View page is now displayed in your browser.
Note: The layout of the Live View page may have been customized to specific requirements. Consequently, some
of the examples and functions featured here may differ from those displayed on your own Live View page.

10 AXIS 207MW - Accessing the Camera
Setting the Password
1. When accessing the camera for the first
time, the ‘Configure Root Password’
dialog will be displayed on the screen.
2. Enter a password and then re-enter it, to
confirm the spelling. Click OK.
3. The ‘Enter Network Password’ dialog
will appear. Enter the User name: root
Note: The default administrator user name root is permanent and cannot be
deleted.
4. Enter the password as set in step 2 above, and click OK. If the password is lost,
the camera must be reset to the factory default settings. See page 38.
5. If required, click Yes to install the AXIS Media Control (AMC). You will need
administrator rights on the computer to do this.
Accessing the camera from the Internet
Once installed, the camera is accessible on your local network (LAN). To access the camera
from the Internet you must configure your broadband router to allow incoming data traffic
to the camera. To do this, enable the NAT-traversal feature, which will attempt to
automatically configure the router to allow access to the camera. This is enabled from
Setup > System Options > Network > TCP/IP Advanced.
For more information, please see NAT traversal (port mapping) for IPv4, on page 31. See
also the AXIS Internet Dynamic DNS Service at www.axiscam.net or, for Technical notes
on this and other topics, visit the Axis Support Web at www.axis.com/techsup
3GPP Compatibility
The AXIS 207MW is 3GPP compatible by default. To view live video over 3GPP:
• Contact your cell phone provider and make sure that the configuration is correct. It is
highly recommended that you have an account with a public IP address.
• Check that the camera has a completely public IP address, i.e. no ports blocked by a
firewall.
•In Setup > Video & Image > Image Appearance, set the Resolution to 160x120 or
176x144
•In Setup > Video & Image > Advanced > MPEG-4 > Bit Rate Control, set the Maximum
Bit Rate to 64 or 128 kbit/s
•In Setup > Video & Image > Advanced > MPEG-4 > GOV Settings, set the Length to 8.

11
AXIS 207MW - Accessing the Camera
Focusing
Status Indicator
Focus Ring
To focus:
Open a browser and
examine the image. If
required, adjust the focus
ring until the focus is
satisfactory.
Small dot above the lens
assembly.
Note: Upon delivery, the raised line on the focus ring is aligned with the dot above the lens, and the focus is
set to infinity.
(outer ring)
(inner ring)
Raised line
on focus ring.
The Live View Page
Depending on whether or not the Live View page has been customized, the buttons
described below may or may not be visible.
The Video Format drop-down list allows the video format on the Live
View page to be temporarily changed.
The 2 different Output buttons
control the output directly from
the Live View page. These are
configured from Setup > Live
View Config > Layout.
Pulse - click this button to activate the
output for a defined period of time, e.g.
to switch on a light for 20 seconds.
Active/Inactive - click these buttons to
manually start and stop a connected
device, e.g. switch a light on/off.
The Trigger buttons can trigger an event directly from the Live View page.
These are configured under Setup > Live View Config > Layout.
The Snapshot button shows a snapshot of the video image currently being
displayed. Right-click on the video image to save it in JPEG format on your
computer. This button is primarily intended for use when the AMC viewer
toolbar is not available.

12 AXIS 207MW - Accessing the Camera
AMC audio controls
These control the client computer’s speaker output. The controls are only available in
MPEG-4 video format and when audio is enabled, see Audio Settings, on page 19.
Click the Mute/Sound button to switch the sound off and on.
Use the slider to control the volume. The volume can be set between 0
and 100.
Video recording
To record video sequences:
•The Record button must be enabled (see above)
• The Video format on the Live View page must be set to MPEG-4.
Click the button to start the recording and click again to stop.
To view recordings, the PC used for viewing requires:
• an MPEG-4 decoder installed
• a media player that can play ASF files (e.g. Windows Media Player)
To make other settings, e.g. where to save recordings, right-click in the video image and
select Settings.
See also the AMC User’s Manual, available on the CD supplied with this product, or from
www.axis.com/techsup
The AMC viewer toolbar (AXIS Media Control) is available in Microsoft Internet
Explorer only. It can display the following buttons:
The Play/Stop button starts and stops the live video stream.
The Snapshot button saves a snapshot of the video image currently being
displayed. The Snapshot function and the target directory for saving snapshots
can be configured from the AMC Control Applet, which can be opened from
the Windows Control Panel or by right-clicking the image in Internet Explorer.
Click the View Full Screen button to make the video image fill the entire
screen area. No other windows will be visible. Press Esc (Escape) on the
computer keyboard to exit full screen.
Click the Record button to start a video recording. This must be enabled in
Setup > Live View Config > Layout

13
AXIS 207MW - Video Streams
Video Streams
The AXIS 207MW provides several different image and video stream formats. The type to
use depends on your requirements and on the properties of your network.
The Live View page in the camera provides access to MPEG-4 and Motion JPEG video
streams, as well as to single JPEG images. Other applications and clients can also access
these video streams/images directly, without going via the Live View page.
How to stream MPEG-4
This video compression standard makes good use of bandwidth, and can provide
high-quality video streams at less than 1 Mbit/s. Note that the image settings of the
MPEG-4 stream are the same for all clients.
Deciding on the combination of protocols and methods to use depends on your viewing
requirements, and on the properties of your network. The available options in AMC are:
Unicast RTP This unicast method (RTP over UDP) should be
your first consideration for live unicast video,
especially when it is important to always have
an up-to-date video stream, even if some
images are dropped.
Unicasting is used for video-on-demand broad-
casting, so that there is no video traffic on the
network until a client connects and requests the
stream.
Note: There is a maximum of 10 simultaneous
unicast connections.
RTP over RTSP This unicast method (RTP tunneled over RTSP) is
useful as it is relatively simple to configure fire-
walls to allow RTSP traffic.
RTP over RTSP over
HTTP
This unicast method can be used to traverse fire-
walls. Firewalls are commonly configured to
allow the HTTP protocol, thus allowing RTP to be
tunneled.
Multicast RTP This method (RTP over TCP) should be used for live multicast video. The video stream is always
up-to-date, even if some images are dropped.
Multicasting provides the most efficient usage of bandwidth when there are large numbers of clients
viewing simultaneously. A multicast broadcast cannot however, pass a network router unless the
router is configured to allow this. It is thus not possible to multicast over e.g. the Internet.
Note also that all multicast viewers count as one unicast viewer in the maximum total of 10 simulta-
neous connnections.
AMC will negotiate with the camera to determine exactly which transport protocol to use
in the order listed above. This order can be changed and the options disabled, to suit any
specific requirements.
Important!
MPEG-4 is licensed technology. The AXIS 207MW includes one viewing client
license. Installing additional unlicensed copies of the viewing client is prohibited. To
purchase additional licenses, contact your Axis reseller.

14 AXIS 207MW - Video Streams
MPEG-4 clients
AXIS Media Control (AMC)
The recommended method of accessing live video
(MPEG-4 and Motion JPEG) from the AXIS 207MW
is to use the AXIS Media Control (AMC) in Microsoft
Internet Explorer in Windows.
The AMC control panel can be used to configure
various video and audio settings. Please see the
readme file included in the tool for more
information, and also the AMC User’s Manual,
available on the CD supplied with this product, or
from www.axis.com/techsup
The AMC control panel is automatically installed on
first use and can then be opened:
• From the Windows Control Panel (from the Start menu)
• By right-clicking the image in Internet Explorer and clicking Settings in the menu.
QuickTime™ & Real Player™
To access the video stream from e.g. QuickTime™ or Real Player™ the following paths can
be used:
• rtsp://<ip>/mpeg4/media.amp
• rtsp://<ip>/mpeg4/media.3gp
Notes: • The AXIS 207MW supports QuickTime 6.5.1 (or later) and Real Player 10.5 (or later)
• QuickTime adds latency to the video and audio stream (up to 3 seconds)
• It may be possible to use other players to view the MPEG-4 stream using the paths above, although this is
not guaranteed by Axis
• <ip> = IP address
Motion JPEG
This format uses standard JPEG still images for the video stream. These images are then
displayed and updated at a rate sufficient to create a stream that shows constantly updated
motion.
The Motion JPEG stream uses considerable amounts of bandwidth, but provides excellent
image quality and access to each and every individual image contained in the stream. The
recommended method of accessing Motion JPEG live video from the AXIS 207MW is to
use the AXIS Media Control (AMC) in Microsoft Internet Explorer in Windows.
Note also that multiple clients accessing Motion JPEG streams can use different image
settings.

15
AXIS 207MW - Video Streams
Alternative methods of accessing the video stream
Video/images from the AXIS 207MW can also be accessed in the following ways:
• 3GPP - enter the following path:
• rtsp://<ip>/mpeg4/media.3gp
Refer to 3GPP Compatibility, on page 10 for more information.
• Motion JPEG server push (if supported by the client, e.g. Mozilla/Firefox). This option
maintains an open HTTP connection to the browser and sends data as and when
required, for as long as required. See HTML Examples, on page 23.
• Still JPEG images in a browser. Enter e.g. the path:
http://<ip>/axis-cgi/jpg/image.cgi?resolution=320x240
• Windows Media Player. This requires AMC and the MPEG-4 viewing client to be
installed. The paths that can be used are listed below in the order of preference.
• Unicast via RTP: axrtpu://<ip>/mpeg4/media.amp
• Unicast via RTSP: axrtsp://<ip>/mpeg4/media.amp
• Unicast via RTSP, tunneled via HTTP: axrtsphttp://<ip>/mpeg4/media.amp
• Multicast: axrtpm://<ip>/mpeg4/media.amp
Note: <ip> = IP address

16 AXIS 207MW - Configuration
Configuration
This section describes how to configure the camera, and is intended for product
Administrators, who have unrestricted access to all the Setup tools, and Operators, who
have access to the settings for Video & Image, Audio, Live View Config and Event
Configuration.
The camera is configured from Setup, from a standard browser.
The descriptions below show examples of the features available in the AXIS 207MW. For
details of each setting, please refer to the online help available from the setup tools. Click
to access the online help.
Accessing the Setup tools
Follow the instructions below to access the Setup tools from a browser.
1. Start your browser and enter the IP address or host name of the camera in the
location/address field.
2. The Live View page is now displayed. Click Setup to display the Setup tools.
AXIS Media Control
The AXIS Media Control (AMC) is automatically installed the first time the camera is
accessed from Microsoft Internet Explorer. The AMC control panel can be opened by
right-clicking on the video image on the Live View page. The control panel can be used to
configure various video and audio settings.
For more information, see the AMC User’s Manual, available on the CD supplied with this
product, or from www.axis.com/techsup
Setup tools

17
AXIS 207MW - Configuration
Video and Image settings
Image Appearance
Use these settings to change the image as required. The image can be rotated, the image
resolution and compression can be adjusted, and the white balance can be changed.
The configuration of the video image will affect the camera’s overall performance,
depending on how it is used and on the available bandwidth. Setting higher resolution and
lower compression improves video image quality, but increases the amount of bandwidth
required.
Please see the online help for further information on these settings.
Overlay Settings
Use these settings to include text and
date and time overlays.
These overlays are included on one
line, at the top or bottom of the video
image.
Text, date and
time overlay

18 AXIS 207MW - Configuration
Video Stream
Define the maximum video stream time per session in seconds, minutes or hours, or set it
as unlimited. When the set time has expired, a new stream can be started by refreshing the
page in the browser. Note that the maximum video stream time does not apply to clients
connecting via multicast.
The frame rate allowed to each viewer can also be limited, to avoid bandwidth problems
on the network.
Test
For a preview of the image before saving, click Test. When satisfied with the settings, click
Save. Please note that the preview image will be in JPEG format, even though the settings
are valid both for Motion JPEG and MPEG-4.
Please refer to the online help for more information.
Advanced - Camera Settings
This page contains settings for fine-tuning the video image. These include the color level,
brightness, sharpness and exposure control.
Please see the online help for further information on these settings.
Low Light Behavior
Exposure priority defines the balance between image quality and the frame rate. Higher
image quality may reduce frame rate and increase motion blur. A prioritized frame rate
may instead increase the image noise. Depending on requirements, use this to give higher
priority to the image quality or to the frame rate.
Advanced - MPEG-4 Settings
GOV Settings
The GOV structure describes the composition of the MPEG-4 video stream. Setting the
GOV-length to a high value saves considerably on bandwidth. The Cyclic refresh
parameter gives a smoother bit rate and can be useful if bandwidth is limited.
Note: Cyclic refresh should not be enabled if Event handling is enabled and the file format is set to MPEG-4 in
Upload images/video (see Setup > Event configuration > Event settings).
Bit Rate Control
Limiting the maximum bit rate is a good way of controlling the bandwidth used by the
MPEG-4 video stream. Leaving the Maximum bit rate as unlimited will provide
consistently good image quality, but at the expense of increased bandwith usage whenever
there is more activity in the image. Limiting the bit rate to a defined value will prevent
excessive bandwidth usage, but images will be lost when the limit is exceeded.

19
AXIS 207MW - Configuration
Note that a maximum bit rate can be used for both variable and constant bit rates.
The bit rate type can be set as Variable Bit Rate (VBR) or Constant Bit Rate (CBR). VBR will
adjust the bit rate according to the images' complexity, thus using a lot of bandwidth for a
lot of activity in the image and less for lower activity in the monitored area.
Audio Settings
The built-in microphone in the AXIS 207MW provides one-way MPEG-4, ISMA, 3GPP
compatible audio.
Enable audio
Check the checkbox to enable Audio (disabled by default).
Audio input
These settings are used to fine-tune the audio stream. Please see the online help for more
information,
Note: To receive synchronized video and sound, it is recommended that the camera time is synchronized with an
NTP Server. This is enabled under System Options > Date & Time. See the online help for more information.

20 AXIS 207MW - Live View Config
Live View Config
Layout
These are the tools for deciding the layout of the Live View page.
The layout can be set in 3 ways:
• Use Axis look - the layout is unchanged.
• Use custom settings - modify the Axis look, with your own colors, images etc. Click the
Configure button and see Customizing the default page, on page 21.
• Own Home Page - Upload and use your own custom page as the default web page. Click
the Configure button and see Customizing the default page, on page 21.
The other settings on this page concern which features to include, e.g. action button,
output button, default video stream and viewer. See page 22 for more information.

21
AXIS 207MW - Live View Config
Customizing the default page
The appearance of the default Live
View page can be customized to suit
your own requirements, or you can
upload and use your own home page.
To upload your own files, click the
Upload/Remove button and see the
description below.
Upload Own Web Files
Your own web files, background pictures, etc., must first be uploaded to the camera in
order to be available for selection in the Custom Settings setup dialog. Once uploaded, the
files are shown in the drop-down lists.
1. Click the Upload/Remove button.
2. Enter the path to the file, e.g. a file located on your workstation or click the
Browse button.
3. Select the user level for the uploaded file. Setting the user access level means that
you have complete control over which pages can be viewed by which users.
4. When the path is shown correctly in the text field, click the Upload button.
All uploaded files are shown in the list in the lower section of the page. To remove a file,
check the box provided next to it and then click the Remove button.
Unchecking the box for Show setup link will remove the setup link from the product's
Home Page. The Setup Tools will then only be accessible by entering the full setup address
into the address/URL field of a browser.
Own Home Page
To use a previously uploaded web page as the default page, check the box, select the page
from the drop-down list and click OK.
If the setup link is hidden, setup can be reached at this url: http://<ip address>/operator/basic.shtml.

22 AXIS 207MW - Live View Config
Action Buttons
The manual trigger buttons can be used to manually trigger and stop an event from the
Live View page. See Event Configuration, on page 24.
Enabling the display of the Snapshot button allows users to save a snapshot from the
video stream by clicking the button. This button is mainly intended for use with browsers
other than Internet Explorer, or when otherwise not using AXIS Media Control (AMC) to
view the video stream. AMC (an ActiveX control) for Internet Explorer provides its own
snapshot button.
Output Buttons
The output buttons are used to manually activate the output from the Live View page, e.g.
to switch a light on and off. There are 2 options for how the output is activated:
• The Pulse button activates the output for a defined period
• Active/Inactive displays 2 buttons, one for each action (on/off)
Default Video Format
Select the default video format to use on the Live View page. Checking the box for Show
video format selection displays a drop-down list on the Live View page allowing you to
temporarily change the format.
When using MPEG-4 as the video format, the default viewer is AXIS Media Control with
Internet Explorer.
Note: It is also possible to view Motion JPEG when MPEG-4 is chosen as default and vice versa.
Default Viewer
From the drop-down lists, select the default method for viewing video images for your
browser. The camera will attempt to show the video images in the selected video format
and viewer. If this is not possible, the camera will override the settings and select the best
available combination.
AMC Recommended viewer in Windows Internet Explorer (MPEG-4 /Motion JPEG).
QuickTime MPEG-4 only.
Java applet A slower imaging alternative to AMC - no download required (Motion JPEG only).
Still image Displays still images only. Hit the Refresh button in your browser to view a new image.
Server Push Recommended viewer for other browsers (Motion JPEG).
QuickTime MPEG-4 only.
Java applet A slower imaging alternative to Server Push (Motion JPEG only).
Still image Displays still images only. Hit the Refresh button in your browser to view a new image.
Browser Viewer Description
Windows
Internet Explorer
Other browsers

23
AXIS 207MW - Live View Config
Viewer Settings
Show viewer toolbar - Check this box to display the viewer toolbar under the image in
your browser. The toolbar provides various controls for e.g. pausing the video stream,
switching to full screen mode, etc.
Enable MPEG-4 decoder installation - By checking/unchecking this box, the
administrator can enable or disable the installation of the MPEG-4 decoder included with
AMC. This is used to prevent the installation of unlicensed copies. Further decoder licenses
can be purchased from your Axis dealer.
Enable recording button for MPEG-4 - Enabling this button allows the user to start an
MPEG-4 recording directly from the Live View page.
HTML Examples
You can add live video from the AXIS 207MW to your own web site. The camera can
transmit a Motion JPEG stream to up to 10 simultaneous connections, although an
administrator can restrict this to fewer.
Select the preferred Video Format from the drop down list. The available options are
Motion JPEG, MPEG-4 using AMC and MPEG-4 using QuickTime. If MPEG-4 is set as the
video format, note that a separate MPEG-4 license is required for each viewer.
The Motion JPEG selection has additional settings for Image Type, Image size and other
optional settings to configure the video stream to suit your Web page. Click Update when
satisfied with the video stream.
The camera generates the required source code for your configuration. Copy this code and
paste it into your own Web page code.

24 AXIS 207MW - Event Configuration
Event Configuration
An event in the AXIS 207MW is when a trigger is activated, causing a certain action to be
performed. The event is the set of parameters (or conditions) that specifies how and when
which actions will be performed. A common event is when the camera uploads images,
triggered by an alarm.
This section describes how to configure the AXIS 207MW to perform certain actions when
an event (e.g. an alarm) occurs.
Triggered by...
Input port - This describes the
state that the input must be in for
an event to be triggered e.g. a
door sensor connected to the
camera’s input port. If the door
sensor is active, an event is
triggered.
Motion detection - Movement in a
motion detection window can be
used to trigger an event. Select the motion detection window from the drop-down list and
specify whether to trigger the event when motion stops or starts. For information on how
to set up motion detection windows see Motion Detection, on page 25.
Manual trigger - This option makes use of the action buttons on the live view page, which
are used to start or stop the event manually, e.g. activate an alarm connected to the
camera’s output port. Alternatively the event can be triggered via the product's API
(Application Programming Interface).
Audio trigger - This is used to trigger the event every time the sound level rises above or
falls below the Alarm level, as configured in Setup > Audio.
When Triggered...
Upload images/video - To upload images when the event type is triggered, check this box to
display a dropdown list with the available upload options. Selecting the upload type (FTP,
HTTP or Email) displays further settings for your selection. Please see the online help for
descriptions of these settings.
Note: Mail servers must be configured under System Options > Network > SMTP
Activate output port - The output port controls external equipment connected to the I/O port
on the AXIS 207MW, e.g. an alarm bell or light.

25
AXIS 207MW - Event Configuration
Send HTTP notification - This method sends notification messages to an HTTP notification
server that listens for these. Click the HTTP server settings... button to set up the
destination server.
Send TCP notification - This method sends notification messages to an HTTP notification
server that listens for these. Click the TCP server settings... button to set up the destination
server.
Please see the online help for more information.
Motion Detection
The motion detection feature is used to generate an alarm whenever movement occurs (or
stops) in the video image. A total of 10 Include and/or Exclude windows can be
configured.
•Included windows target specific areas within the whole video image
•Excluded windows define areas within an Include window that should be ignored
(areas outside Include windows are automatically ignored)
Once configured, the motion detection windows will appear in the list of available triggers,
for triggering events. See the section on Event Configuration above.
Note: Using the motion detection feature may decrease the camera’s overall performance.
How to configure Motion Detection
1. Click Motion Detection in the Event Configuration menu.
2. Click the Configure Included Window radio button.
3. Click New.
4. Enter a descriptive name under Window name.
5. Adjust the size (drag the bottom right-hand corner) and position (click on the text
at the top and drag to the desired position).
6. Adjust the Object size, History and Sensitivity profile sliders (see table below for
details). Any detected motion within an active window is then indicated by red
peaks in the Activity window (the active window has a red frame).
7. Click Save.
To exclude parts of the Include window, click the Configure Excluded Windows button
and position the Exclude window as required, within the Include window.

26 AXIS 207MW - Event Configuration
Please see the online help for descriptions of each available option.
Object Size History Sensitivity
High level Only very large objects trig-
ger motion detection
An object that appears in the
region will trigger the motion
detection for a long period
Ordinary colored objects on ordinary back-
grounds will trigger the motion detection
Low level Even very small objects trig-
ger motion detection
An object that appears in the
region will trigger motion
detection for a very short
period
Only very bright objects on a dark background
will trigger motion detection
Default value Low Medium to High Medium to High
Examples:
• Avoid triggering on small objects in the video image by setting the object size level to high.
• To reduce the number of triggers if there is a lot of movement during a short period of time, select a high
history level.
• To only detect flashing light, low sensitivity can be selected. In other cases, a high sensitivity level is
recommended.
Port Status
Under Event Configuration > Port Status there is a list showing the status for the camera’s
input and output. This is for the benefit of Operators, who have no access to the System
Options section.
Example: If the Normal state for a push button connected to an input is set to Open circuit - as long as the but-
ton is not pushed, the state is inactive. If the button is pushed, the state of the input changes to active.

27
AXIS 207MW - System Options
System Options
Security
The user access control in the AXIS 207MW allows an administrator to set up and modify
all other users, by providing these with user names and passwords. It is also possible to
allow anonymous viewer login, which means that anybody may access the Live View page,
as described below:
Users - the user list displays the authorized users and user groups (levels):
Provides the lowest level of access, which only allows access to the Live View page.
An Operator can view the Live View page, create and modify events and adjust certain other settings.
Operators have no access to the System Options.
An administrator has unrestricted access to the Setup Tools and can determine the registration of all
other users.
User Settings - check the relevant checkboxes to enable:
•Anonymous viewer login - allows any viewer direct access to the Live View
page.
•Maximum number of simultaneous viewers - enter a value here to restrict the
number of Motion JPEG and MPEG-4 viewers accessing the unit. This is useful if
you need to save on bandwidth. Note that within the limit of 10 viewers, all mul-
ticast viewers count as 1 viewer.
IP Address Filtering
Enable IP Address Filtering to allow or deny access to the AXIS 207MW. Once enabled, the
IP addresses in the list will be allowed or denied access according to the choice made in the
drop-down list Allow/Deny the following IP addresses.
The administrator can add up to 256 IP address entries to the list (a single entry can
contain multiple IP addresses). The users from these IP addresses need to be specified in the
user list with the appropriate access rights. This is done from Setup > System Options >
Security > Users.
Referrals
To prevent unauthorized clients from including the video stream from the cameras into
external Web pages, check the Referrals checkbox and enter the IP address or Host name
of the computer that hosts the Web pages with the included video stream. Several IP
addresses/host names can be defined and are separated by semicolons (;). This option is
only applicable to Motion JPEG video streams.
User group Access privileges
Viewer
Operator
Administrator

28 AXIS 207MW - System Options
Notes: •If the referrals feature is enabled and you wish to also allow normal access to the Live View
page, the product's own IP address or host name must be added to the list of allowed referrers.
•Restricting referrers has no effect on an MPEG-4 video stream. To restrict an MPEG-4 stream, IP
address filtering must be enabled.
•Restricting referrers is of greatest value when not using IP address filtering. If IP address filter-
ing is used, then the allowed referrers are automatically restricted to those allowed IP
addresses.
HTTPS
The AXIS 207MW supports encrypted browsing using HTTPS.
A self-signed certificate can be used until a Certificate Authority-issued certificate has
been obtained. Click the Create self-signed Certificate button to install a self-signed
certificate. Although self-signed certificates are free and offer some protection, true
security will only be implemented after the installation of a signed certificate issued by a
certificate authority.
A signed certificate can be obtained from an issuing Certificate Authority by clicking the
Create Certificate Request button. When the signed certificate is returned, click the Install
signed certificate button to import the certificate. The properties of any certificate request
currently resident in the camera or installed can also be viewed by clicking the
Properties... button. The HTTPS Connection Policy must also be set in the drop-down lists
to enable HTTPS in the camera.
For more information, please refer to the online help.
Date & Time
Current Server Time - displays the current date and time (24h clock). The time can be
displayed in 12h clock format in the Overlay (see below).
New Server Time - Select your time zone from the drop-down list. If you want the server
clock to automatically adjust for daylight savings time, select the Automatically adjust for
daylight saving time changes.
From the Time Mode section, select the preferred method to use for setting the time:
•Synchronize with computer time - sets the time from the clock on your
computer.
•Synchronize with NTP Server - the camera will obtain the time from an NTP
server every 60 minutes.
•Set manually - this option allows you to manually set the time and date.
Note: • If using a host name for the NTP server, a DNS server must be configured under TCP/IP settings.
See Network > TCP/IP below.

29
AXIS 207MW - System Options
Date & Time Format Used in Images - specify the formats for the date and time (12h or
24h) displayed in the video streams.
Use the predefined formats or use your own custom date and time formats. See Advanced
File Naming & Date/Time Formats in the online help for information on how to create
your own file formats.
Network - Basic TCP/IP Settings
Network Interface Mode
This setting controls how the wired and wireless network interfaces are used. It is not
possible to use both interfaces simultaneously.
IP Address Configuration
These settings are grouped according to the network interface and the version of Internet
Protocol (IP). The AXIS 207MW supports both IP version 4 and IP version 6. Both versions
may be enabled simultaneously, and at least one version must always be enabled.
When using IPv4, the IP address for the camera can be set automatically via DHCP, or a
static IP address can be set manually. If IPv6 is enabled, the camera will receive an IP
address according to the configuration in the network router.
There are also options for setting up notification of changes in the IP address, and for
using the AXIS Internet Dynamic DNS Service. For more information on setting IP
addresses, please see the online help.
Notes:
• DHCP is a protocol for automatic IP address assignment on a network. IP address assignment via DHCP may
lead to the situation where the IP address changes and you lose contact with the camera. Configure the
options for notification of IP address change (under Services) to receive notification from the camera when
the IP address changes.
• Alternatively, if your DHCP server can update a DNS server, you can access the AXIS 207MW by host name
which is always the same, regardless of the IP address.
Services
Enable ARP/Ping setting of IP address - The IP address can be set using the ARP/Ping
method, which associates the unit's MAC address with an IP address. Check this box to
enable the service. Leave disabled to prevent unintentional resetting of the IP address.
Notes: • The ARP/Ping service is automatically disabled 2 minutes after the unit is started, or as soon as an IP address
is set.
• Pinging the unit will still be possible when this service is disabled.
Options for notification of IP address change - If the IP address for the camera changes,
e.g. automatically by DHCP, you can choose to be notified of the change. Click Settings...
and enter the required information.

30 AXIS 207MW - System Options
AXIS Internet Dynamic DNS Service - use the AXIS Internet Dynamic DNS service to
assign a host name for easy access to your camera. Click Settings... to register your camera
with the service, or to modify the existing settings. The domain name currently registered
at the Axis Internet Dynamic DNS service for your product can be removed at any time.
For more information, please see the online help.
Network - Advanced TCP/IP Settings
DNS Configuration
DNS (Domain Name Service) provides the translation of host names to IP addresses on
your network.
Obtain DNS server address via DHCP - automatically use the DNS server settings provided
by the DHCP server. Click the View button to see the current settings.
Use the following DNS server address - enter the desired DNS server by specifying the
following:
Domain name - enter the domain(s) to search for the host name used by the AXIS 207MW.
Multiple domains can be separated by semicolons (;). The host name is always the first part
of a Fully Qualified Domain Name, e.g. myserver is the host name in the Fully Qualified
Domain Name myserver.mycompany.com where mycompany.com is the Domain name.
DNS servers - enter the IP addresses of the primary and secondary DNS servers.
NTP Configuration
Obtain NTP server address via DHCP - check this radio button to automatically look up
and use the NTP server settings as provided by DHCP. Click the View button to see the
current settings.
Use the following NTP server address - to make manual settings, check this radio button
and enter the host name or IP address of the NTP server.
Host Name Configuration
The AXIS 207MW can be accessed using a host name, instead of an IP address. The host
name is usually the same as the assigned DNS Name.
For more information, please see the online help.
Link-Local IPv4 Address
This is enabled by default and assigns the AXIS 207MW an additional IPv4 IP address for
use with UPnP™. The camera can have both a Link-Local IP address and a
static/DHCP-supplied IP address at the same time - these will not affect each other.

31
AXIS 207MW - System Options
HTTP
The default HTTP port number (80) can be changed to any port within the range
1024-65535. This is useful for e.g. simple security port mapping.
HTTPS
The HTTPS port number. The default is 443.
NAT traversal (port mapping) for IPv4
A broadband router allows devices on a private network (LAN) to share a single connection
to the Internet. This is done by forwarding network traffic from the private network to the
“outside” i.e. the Internet. Security on the private network (LAN) is increased since most
broadband routers are pre-configured to stop any attempts to access the private network
(LAN) from the public network/Internet.
Use NAT traversal when your AXIS 207MW is located on an intranet (LAN) and you wish
to make it available from the other (WAN) side of a NAT router. With NAT traversal
properly configured, all HTTP traffic to an external HTTP port in the NAT router will be
forwarded to the camera.
LAN (intranet) WAN (internet)
Broadband
(NAT)
router ISP
Notes: • For NAT traversal to work, this must also be supported by the broadband router.
• The broadband router has many different names: “NAT router”, “Network router“, Internet Gateway”,
“Broadband sharing device” or “Home firewall” but the essential purpose of the device is the same.
When enabled, the AXIS 207MW will attempt to configure port mapping in a NAT router
on your network, using UPnP™. Note that UPnP™ must be enabled in the camera (see
System Options > Network > UPnP).
Use manually selected NAT router - Select this option to manually select a NAT router
and enter the IP address for the router in the field provided.
If a router is not manually specified, the AXIS 207MW will automatically search for NAT
routers on your network. If more than one router is found, the default router will be
selected.

32 AXIS 207MW - System Options
Alternative HTTP port - Select this option to manually define an external HTTP port. Enter
the port number in the field provided. If no port is entered here a port number will
automatically be selected when NAT traversal is enabled.
Notes: • An alternative HTTP port can be used/be active even if NAT traversal is disabled. This is useful if e.g. your
NAT router does not support UPnP and you need to manually configure port forwarding in the NAT router.
• If a manually selected port is already in use, another will automatically be selected.
• When the port is selected automatically it will be displayed in this field. This can be changed by entering a
new port number and clicking Save.
FTP
The FTP server running in the AXIS 207MW enables the upload of e.g. new firmware, user
applications, etc. Check the box to enable the service.
RTSP
The RTSP protocol allows a connecting client to start an MPEG-4 stream. Check the box to
enable the RTSP server and enter the RTSP port number to use. The default setting is 554.
Note that MPEG-4 streams will not be available if this is not enabled.
Network Traffic
Connection Type - The default setting is Auto-negotiate, which means that the correct
speed is automatically selected. If necessary, you can set the connection speed by selecting
it from the drop-down list.
Maximum bandwidth - To minimize the impact on other services running on your
network, it is possible to configure the maximum network bandwidth the product will be
allowed to use. Specify the maximum bandwidth (in Mbit/s or kbit/s) allowed, or set to
Unlimited.
For more information, please see the online help.

33
AXIS 207MW - System Options
Wireless
These settings should always be made firstly in the camera and in the wireless access point
secondly. This ensures that the camera is always accessible when making changes.
Using a wired connection and/or HTTPS ensures greater secrecy while making these
settings.
Status of Wireless Networks
This list is the result of a network scan. Access points with a disabled SSID Broadcast will
not appear unless the camera is associated with it. The network currently associated to is
shown in blue. A network using unsupported security is shown in grey. The following
information is provided:
• SSID - The name of a wireless network (or ad-hoc device). If the same name occurs several
times this means that several access points for that network were found. The camera
cannot be configured to only associate with one particular access point.
• Mode - The Access Point (Master) or Ad-Hoc device.
• Security - Shows which type of security the network uses. See below for the security types
supported by the camera.
• Channel - Shows the wireless channel currently in use.
• Signal strength - Shows the signal strength.
• Bit rate - Shows the bit rate in Mbit/s. This can only be shown for the access point
currently in use. Note that the bit rate shown is the current rate, and that this value may
vary over time.
Wireless Settings
These settings control how the AXIS 207MW interacts with the wireless network. Apart
from identifying the wireless network, it is also possible to enable wireless encryption.
SSID - This is the name of the wireless network the camera is configured for. The field
accepts up to 32 alphanumeric characters. The name must be exactly the same as that used
in the wireless access point or the connection will not be established.
Leaving this field blank means the camera will attempt to access the nearest open network.
Note: SSID is sometimes written as ESSID.
Network type - Setting this to Master means the camera will attempt to access the nearest
open access point. The Ad-hoc option allows the camera to connect to other wireless
devices.
Security - The AXIS 207MW supports two security methods:
•WPA/WPA2-PSK (recommended method)
•WEP

34 AXIS 207MW - System Options
WPA/WPA2-PSK (Wi-Fi Protected Access - Pre-Shared Key)
The AXIS 207MW uses a pre-shared key (PSK) for key management. The pre-shared key
can be entered either as Manual hex, as 64 hexadecimal (0-9, A-F) characters, or as a
Passphrase, using 8 to 63 ASCII characters.
WEP (Wired Equivalent Protection)
WEP - Authentication - Select Open or Shared Key System Authentication, depending
on the method used by your access point. Not all access points have this option, in
which case they probably use Open System, which is sometimes known as SSID
Authentication.
WEP - Key length - This sets the length of the key used for the wireless encryption, 64
or 128 bit. The encryption key length can sometimes be shown as 40/64 and 104/128.
WEP - Key Type - The key types available depend on the access point being used. The
following options are available:
• Manual - Allows you to manually enter the hex key.
• ASCII - In this method the string must be exactly 5 characters for 64-bit WEP and 13
characters for 128-bit WEP.
• Passphrase - The passphrase can contain up to 31 characters. In 64-bit WEP, the
Passphrase generates 4 different keys. For 128-bit WEP, only 1 key is generated, which is
then replicated for all 4 keys. Key generation is not standardized and can differ from
brand to brand. Check that the generated keys are identical to those in your access point -
if not, they must be entered manually.
WEP - Active Transmit Key - When using WEP encryption, this selects which of the 4
keys the camera uses when transmitting.
SOCKS
SOCKS is a networking proxy protocol. The AXIS 207MW can be configured to use a
SOCKS server (version 4 or 5) to reach networks on the other side of a firewall/proxy
server. This is useful if the camera is located on a local network behind a firewall, but
notifications, uploads, alarms, etc., need to be sent to a destination outside the local
network (e.g. to the Internet).

35
AXIS 207MW - System Options
QoS (Quality of service)
Quality of Service (QoS) provides the means to guarantee a certain level of a specified
resource to selected traffic on a network. Quality can be defined as e.g. a maintained level
of bandwidth, low latency, no packet losses, etc. The main benefits of a QoS-aware
network can be summarized as:
• The ability to prioritize traffic and thus allow critical flows to be served before
flows with lesser priority.
• Greater reliability in the network, thanks to the control of the amount of band-
width an application may use, and thus control over bandwidth races between
applications.
The QoS in Axis network video products marks the data packets for various types of
network traffic originating from the product. This makes it possible for network routers
and switches to e.g. reserve a fixed amount of bandwidth for these types of traffic. The
following types of traffic are marked:
• live video
• live audio
• event/alarm traffic
• management network traffic.
QoS Settings
For each type of network traffic supported by your Axis network video product, enter a
DSCP (Differentiated Services Codepoint) value. This value is used to mark the traffic’s IP
header. When the marked traffic reaches a network router or switch, the DSCP value in the
IP header tells the router or switch which type of treatment to apply to this type of traffic,
for example, how much bandwidth to reserve for it.
Note that DSCP values can be entered in decimal or hex form, but saved values are always
shown in decimal.
For more infomation on Quality of Service, please see the Axis support web at
www.axis.com/techsup
SMTP (email)
Enter the host names (or IP addresses) and port numbers for your primary and secondary
mail servers in the fields provided, to enable the sending of notifications and image/video
email messages from the camera to predefined addresses via SMTP.
If your mail server requires authentication, check the box for Use authentication to log in
to this server and enter the necessary information.

36 AXIS 207MW - System Options
SNMP
The Simple Network Management Protocol (SNMP) allows remote management of network
devices. Depending on the level of security required, select the version of SNMP to use. The
three levels of security are:
• SNMP V1 - includes no security.
• SNMP V2c - uses very simple security. The community name can be specified as a pass-
word for read or read/write access to all supported SNMP objects. The community is the
the group of network devices using SNMP.
• SNMP V3 - provides encryption and secure passwords. HTTPS must be enabled.
UPnP™
The camera includes support for UPnP™, which is enabled by default. If also enabled on
your computer, the camera will automatically be detected and a new icon will be added to
“My Network Places.”
Note: UPnP must also be enabled on your Windows XP or ME computer. To do this, open the Control Panel from
the Start Menu and select Add/Remove Programs. Select Add/Remove Windows Components and open
the Networking Services section. Click Details and then select UPnP as the service to add.
RTP / MPEG-4
These settings are the port range, IP address, port number (video and audio), and
Time-To-Live value to use for the video stream(s) in multicast MPEG-4 format. Only
certain IP addresses and port numbers should be used for multicast streams. For more
information, please see the online help.
Bonjour
The AXIS 207MW includes support for Bonjour. When enabled, the camera is
automatically detected by operating systems and clients that support this protocol.
Ports & Devices
I/O Ports - the pinout, interface support and the control and monitoring functions
provided by this connector are described in The I/O Terminal Connector, on page 39.
LED Settings
The Status indicator LED on the front of the camera can be set to flash at a configurable
interval (or to not light up at all) whenever the unit is accessed. For a listing of all LED
behavior, see page 8, or the online help.
Note: The LED does not flash when the stream is retrieved using MPEG-4 multicast.

37
AXIS 207MW - System Options
Maintenance
• Restart - The camera is restarted without changing any of the settings.
• Restore - The unit is restarted and most current settings are reset to factory default val-
ues. The settings that will not be reset are as follows:
• the boot protocol (DHCP or static)
• the static IP address
• the default router
•the subnet mask
• the wireless settings
•Default - The default button should be used with caution. Pressing this will return all of
the camera's settings to the factory default values (including the IP address)
Upgrade Server - See Upgrading the Firmware, on page 41.
Backup - To take a backup of all of the parameters, and any user-defined scripts, click this
button. If necessary, it will then be possible to return to the previous settings, if settings are
changed and there is unexpected behavior.
Restore - click the Browse button to locate the saved backup file (see above) and then click
the Restore button. The settings will be restored to the previous configuration.
Note: Backup and Restore can only be used on the same unit running the same firmware. This feature is not
intended for the configuration of multiple units or for firmware upgrades.
Support
The support overview page provides valuable information on troubleshooting and contact
information, should you require technical assistance.
Logs & Reports - when contacting Axis support, please be sure to provide a valid Server
Report with your query.
View Information - The Log file, the Server Report and the Parameter List all provide
valuable information for troubleshooting and when contacting Axis support.
Configuration
Log Level for Log Files - from the drop-down list, select the level of information to be
added to the Log file
Log Level for Email - from the drop-down list, select the level of information to send as
email and enter the destination email address.

38 AXIS 207MW - System Options
Resetting to the Factory Default Settings
To reset the camera to the original factory default settings, go to the System Options >
Maintenance web page (as described in Maintenance, on page 37) or use the Control
button on the underside of the camera (see page 7) as described below:
Using the Control Button
To reset the camera to the factory default settings using the Control Button:
Advanced
Scripting is an advanced function that provides the possibility to customize and use
scripts. This function is a very powerful tool.
Caution!
Improper use may cause unexpected behavior or even cause loss of contact with the
unit. If a script does cause problems, reset the unit to its factory default settings. A
backup file may be of use to return the unit to its latest configuration.
Axis strongly recommends that you do not use this function unless you fully
understand the consequences. Note that Axis support does not provide assistance for
problems with customized scripts.
For more information, please visit the Developer pages at www.axis.com/developer
Plain Config - this function is for the advanced user with experience of Axis network
camera configuration. All parameters can be set and modified from this page. Help is
available from the standard help pages.
1. Disconnect the power adapter.
2. Press and hold the Control button while reconnecting the power.
3. Keep the Control button pressed until the Status Indicator color changes to
amber (this may take up to 15 seconds).
4. Release the Control button.
5. When the Status Indicator changes to Green (which may take up to 1 minute), the
process is complete and the camera has been reset. The unit will now have the
default IP address 192.168.0.90

39
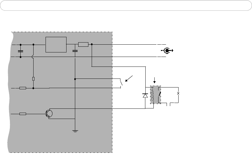
AXIS 207MW - The I/O Terminal Connector
The I/O Terminal Connector
Used in applications for e.g. motion detection, event triggering, time lapse recording, alarm
notifications, etc., the I/O terminal connector provides the interface to:
• 1 transistor output - For connecting external devices such as relays and LED:s.
Connected devices can be activated by Output buttons on the Live View page or
by an Event Type. The output will show as active (in Event Configuration > Port
Status) if the alarm device is activated.
• 1 digital input - An alarm input for connecting devices that can toggle between
an open and closed circuit, for example: PIRs, door/window contacts, glass break
detectors, etc. When a signal is received the state changes and the input becomes
active (shown under Event Configuration > Port Status).
• Auxiliary power and GND
Transistor
Output
Pin 4 Uses an open-collector NPN transistor with the
emitter connected to the GND pin. If used with
an external relay, a diode must be connected in
parallel with the load, for protection against
voltage transients.
Max load = 100mA
Max voltage = 24V DC
(to the transistor)
Digital
Input
Pin 3 Connect to GND to activate, or leave floating
(or unconnected) to deactivate.
Must not be exposed to
voltages greater than
10V DC
GND Pin 1 Ground
Auxiliary
DC Power
Input
Pin 2 Electrically connected in parallel with the con-
nector for the PS-H power supply, this pin pro-
vides an auxiliary connector for mains power
to the unit.
This pin can also be used to power auxiliary
equipment, with a maximum current of 50mA.
Voltage = 4.9-5.1V DC
Min power: 4.0W
The I/O terminal pins are numbered left to right, as shown below.
14
Connect input/output devices to the camera as follows:
1. Attach the cables for the device securely to the supplied green connector block.
2. Once the cables are connected, push the connector block into the terminal
connector (also green) on the camera.
Function Pin No. Notes Specifications

40 AXIS 207MW - The I/O Terminal Connector
Terminal connectors
o
z
z
o
oo
oo
AXIS 207MW
3.3V
PS-H 4.0W
e.g. pushbutton
Device
z
4
o3
o
Linear
Power
Supply
o
1
o
o
Relay
GND
+
2
Fuse 1A 2
1
z

41
AXIS 207MW - Troubleshooting
Troubleshooting
Checking the Firmware
Firmware is software that determines the functionality of the AXIS 207MW. One of your
first actions when troubleshooting a problem should be to check the currently installed
firmware version. An updated version may contain a correction that fixes your particular
problem. The current firmware version in your camera can be seen on the page Setup >
Basic Configuration.
Upgrading the Firmware
When you upgrade the firmware with a file from the Axis Web site, your camera will
receive the latest available functionality. Always read the upgrade instructions and release
notes available with each new release, before updating the firmware.
Note: Preconfigured and customized settings will be saved when the firmware is upgraded (providing the fea-
tures are available in the new firmware) although this is not guaranteed by Axis Communications. Always
read the instructions and release notes available with each new release, before upgrading the firmware.
1. Save the firmware file to your computer. The latest version of the firmware is available
free of charge from the Axis Web site at www.axis.com/techsup
2. Go to Setup > System Options > Maintenance in the camera’s Web pages.
3. In the Upgrade Server section, browse to the desired firmware file on your computer.
Click Upgrade.
Notes: •After starting the upgrade process, always wait at least 10-15 minutes before restarting the
camera, even if you suspect the upgrade has failed.
•Your dealer reserves the right to charge for any repair attributable to faulty upgrading by the
user.

42 AXIS 207MW - Troubleshooting
Emergency Recovery Procedure
If power or the network connection to the camera is lost during the upgrade, the process
will fail and the unit will become unresponsive. A flashing red Status LED indicates a
failed upgrade. To recover the unit, follow the steps below. The serial number is found on
the label attached to the bottom of the camera.
1. This procedure is only possible to perform via the wired connection - connect the
camera to the network via a standard network cable.
2. Unix/Linux - From the command line, type the following:
arp -s <IP address of camera> <Serial number> temp
ping -s 408 <IP address of camera>
Windows - From a command/DOS prompt, type the following:
arp -s <IP address of camera> <Serial number>
ping -l 408 -t <IP address of camera>
3. If the unit does not reply within a few seconds, restart it and wait for a reply. Press
CTRL+C to stop Ping.
4. Open a browser and type in the camera’s IP address. In the page that appears, use the
Browse button to select the upgrade file to use, e.g. axis207mw.bin. Then click the
Load button to restart the upgrade process.
5. After the upgrade has completed (1-10 minutes), the unit will automatically restart and
show a steady green on the Power and Status LEDs and flashing green or amber on the
Network LED.
6. Referring to the installation guide, reinstall the camera.
If the emergency recovery procedure does not get the camera up and running again, please
contact Axis support at www.axis.com/techsup/
Axis Support
If you contact Axis support, please help us to help you solve your problems, by providing
the server report, the log file and a brief description of the problem.
Server Report - go to Setup > System Options > Support Overview. The server report
contains important information about the server and its software, as well as a list of the
current parameters.
The Log file is available from Setup > System Options > Logs & Reports. The Log file
records events in the unit since the last system restart and can be a useful diagnostic tool
when troubleshooting.

43
AXIS 207MW - Troubleshooting
Symptoms, Possible Causes and Remedial Actions
Problems setting the IP address
When using ARP/Ping Try the installation again. The IP address must be set within two minutes after power has
been applied to the camera. Ensure the Ping length is set to 408. See the Installation
Guide.
The camera is located on a different
subnet
If the IP address intended for the camera and the IP address of your computer are located
on different subnets, you will not be able to set the IP address. Contact your network
administrator to obtain an appropriate IP address.
The IP address is being used by
another device
Disconnect the camera from the network. Run the Ping command. (In a Command/DOS
window, type ping and the IP address of the unit).
If you receive: Reply from <IP address>: bytes = 32; time = 10 ms..... - this means that
the IP address may already be in use by another device on your network. You must obtain a
new IP address and reinstall the unit.
If you see: Request timed out - this means that the IP address is available for use with
your camera. In this case, check all cabling and reinstall the unit.
Possible IP address conflict with
another device on the same subnet
The static IP address in the camera is used before the DHCP server sets a a dynamic
address. This means that if the same default static IP address is also used by another
device, there may be problems accessing the camera. To avoid this, set the static IP address
to 0.0.0.0.
The camera cannot be accessed from a browser
The IP address has been changed by
DHCP
1) Move the camera to an isolated network or to one with no DHCP or BOOTP server. Set
the IP address again, using the AXIS IP Utility (see the Installation Guide) or the ARP/Ping
commands.
2) Access the unit and disable DHCP in the TCP/IP settings. Return the unit to the main
network. The unit now has a fixed IP address that will not change.
3) As an alternative to 2), if dynamic IP address via DHCP or BOOTP is required, select the
required service and then configure IP address change notification from the network set-
tings. Return the unit to the main network. The unit will now have a dynamic IP address,
but will notify you if the address changes.
Other networking problems Test the network cable by connecting it to another network device, then Ping that device
from your workstation. See the instructions above.
The camera cannot be accessed on the wireless network from a browser
The wireless settings in the camera do
not match those in the wireless access
point.
Connect the network cable and check that the SSID and security settings are identical in
the camera and in the access point.
Unsupported/disabled protocols. The AXIS 207MW supports the 802.11b and 802.11g wireless standards. Check that the
wireless access point supports at least one of these and is enabled.
Wireless access point requires MAC
address registration.
Check if the camera’s MAC address (this is the same as the product’s serial number) needs
to be registered in the wireless access point before being allowed to access the wireless
network. Check the access point’s settings and/or documentation.
Camera is accessible locally, but not externally
Broadband router configuration To configure your broadband router to allow incoming data traffic to the camera: Enable
the NAT-traversal feature which will attempt to automatically configure the router to
allow access to the camera.
This is enabled from Setup > System Options > Network > TCP/IP Advanced.
Firewall protection Check the Internet firewall with your system administrator.
Default routers required Check if you need to configure the default router settings.

44 AXIS 207MW - Troubleshooting
Problems with the MPEG-4 format
No MPEG-4 displayed in the
client
Check that the correct network interface is selected in the AMC control panel applet (net-
work tab).
Check that the relevant MPEG-4 connection methods are enabled in the AMC control
panel applet (network tab).
In the AMC control applet, select the MPEG-4 tab and click the button Set to default
MPEG-4 decoder.
No multicast MPEG-4 displayed in
the client
Check with your network administrator that the multicast addresses used by the
camera are valid for your network.
Check with your network administrator to see if there is a firewall preventing viewing.
Multicast MPEG-4 only accessible by
local clients
Check if your router supports multicasting, or if the router settings between the client and
the server need to be configured. The TTL (Time To Live) value may need to be increased.
Poor rendering of MPEG-4 images Color depth set incorrectly on clients. Set to 16-bit or 32-bit color.
If text overlays are blurred, or if there are other rendering problems, you may need to
enable Advanced Video Rendering from the MPEG-4 tab in the AMC control panel applet.
Ensure that your graphics card is using the latest device driver. The latest drivers can usu-
ally be downloaded from the manufacturer's web site.
Color saturation is different in
MPEG-4 and Motion JPEG
Modify the settings for your graphics adapter. Please see the adapter's documentation for
more information.
Lower frame rate than expected Reduce number of applications running on the client computer.
Limit the number of simultaneous viewers. This is done in System Options > Security >
Users.
Check with the system administrator that there is enough bandwidth available. See also
the online help.
Check in the AMC control panel applet (MPEG-4 tab) that video processing is not set to
Decode only I frames.
Lower the image resolution.
Lost or poor images in pre-trigger
buffer (MPEG-4 video stream)
Make sure that Cyclic refresh under Setup > Video & Image > Advanced > MPEG-4
is disabled.
Image degeneration Decrease the GOV length, see the online help for more information.
The Power indicator is not constantly lit
Faulty power adapter Check that you are using an AXIS PS-H adapter.
The Status and Network indicator LEDs are flashing red rapidly
Hardware failure Contact your Axis dealer.
The Status indicator LED is flashing red and the camera is inaccessible
A firmware upgrade has been inter-
rupted or the firmware has otherwise
been damaged
See the Emergency Recovery Procedure above.
No images displayed on web page
Problem with AMC.
(Internet Explorer only)
To enable the updating of video images in Microsoft Internet Explorer, set your browser to
allow ActiveX controls. Also, make sure that AXIS Media Control (AMC) component is
installed on your workstation.
Installation of additional ActiveX
component restricted or prohibited
Configure your camera to use a Java applet for updating the video images under
Live View Config > Layout > Default Viewer for Internet Explorer. See the online help for
more information.
Video/Image problems, general
Image too dark or too light Check the video image settings. See the online help on Video and Image Settings.
Missing images in uploads This can occur when trying to use a larger image buffer than is actually available. Try
lowering the frame rate or the upload period.

45
AXIS 207MW - Troubleshooting
For further assistance, please contact your reseller or see the support pages on the Axis
Website at www.axis.com/techsup
Slow image update Configuring, e.g. pre-buffers, motion detection, high-resolution images, high frame rates,
etc, will reduce the performance of the camera.
Poor performance Poor performance may be caused by e.g. heavy network traffic, multiple users accessing
the unit, low performance clients, use of features such as Motion Detection or Event han-
dling. A poor wireless environment may also affect performance.
Poor quality snapshot images
Screen incorrectly configured on your
workstation
In Display Properties, configure your screen to show at least 65000 colors, i.e. at least
16-bit. Using only 16 or 256 colors will produce dithering artifacts in the image.
Browser freezes
Netscape 7.x or Mozilla 1.4 (or later)
can sometimes freeze on a slow com-
puter
Lower the image resolution.
Problems uploading files
Limited space There is only limited space available for the upload of your own files. Try deleting existing
files to free up space.
Motion Detection triggers unexpectedly
Changes in luminance Motion detection is based upon changes in luminance in the image. This means that if
there are sudden changes in the lighting, motion detection may be triggered mistakenly.
Lower the sensitivity setting to avoid problems with luminance.
No audio
Incorrect setup Check the sound card in the PC. Ensure that the mute button is not pressed and the volume
settings are correct.
Audio volume too low/high
Volume settings incorrect The volume of the microphone is either too high or too low. Change the volume for the
microphone in the toolbar on the Live View page.
Poor audio quality
Too many users Too many users/clients connected to the camera may affect the sound quality adversely.
Try limiting the number of clients allowed to connect under Basic Configuration > Users.
CPU overloaded Reduce the number of listeners and viewers and decrease the image resolution and com-
pression.
Unsynchronized audio and video It is recommended that the camera's time setting is synchronized with an NTP Server. This
is enabled under System Options > Date & Time.

46 AXIS 207MW - Technical Specifications
Technical Specifications
Item Specification
Model AXIS 207MW Network Camera
Image sensor 1/3” 1.3 Megapixel Micron Progressive Scan CMOS
Lens • 3.6mm, F1.8
• Fixed iris
Angle of view Horizontal viewing angle: 85°
Minimum
illumination
2 lux, F1.8
Video compression • Motion JPEG
• MPEG-4 Part 2 (ISO/IEC 14496-2) with motion estimation. Simple Profile level 0-3,
Advanced Simple Profile 0-5
Resolutions 15 resolutions: 160x90 to 1280x1024
Frame rates Up to 20 frames/second, depending on resolution
Video streaming • Simultaneous Motion JPEG and MPEG-4
• Controllable frame rate and bandwidth
• 3GPP and ISMA compatible
Image settings • Compression levels: 100
• Rotation: 0º, 180º
• Configurable color level, brightness, sharpness, white balance
• Overlay capabilities: time, date, text, image or privacy mask
Shutter time 1/2 - 1/10000 sec.
Audio • Built-in microphone for one-way audio
• Audio compression:
• AAC LC 8-32 kbit/s
• G.711 PCM 64 kbit/s, G.726 ADPCM 32 or 24 kbit/s (AXIS 207W/AXIS 207MW)
Wireless interface • IEEE 802.11g 6-54 Mbps
• IEEE 802.11b 1-11 Mbps
• RF Output power FCC
• 802.11b: +20dBm (Peak, without antenna gain)
• 802.11g: +22dBm (Peak, without antenna gain)
• RF Output power CE (ETSI)
• 802.11b: +13dBm ±1dBm (Average, without antenna gain)
• 802.11g: +12.5dBm ±1.5dBm (Average, without antenna gain)
• Receiver Sensitivity: -90dBm at 1Mb
• Channels (US, Canada, Argentina): 11
• Channels (Europe, Australia, Korea, Japan): 13
• Antenna gain: 1.6dBi (Average) 2.14 dBi (Max)
• Infrastructure and ad-hoc modes
Security • Multiple user access levels with password protection
• IP address filtering
• HTTPS encryption
• WEP 64/128 bit
• WPA-PSK, TKIP
• WPA2-PSK, AES

47
AXIS 207MW - Technical Specifications
Users • 10 simultaneous unicast users
• Unlimited users using multicast (MPEG-4)
Alarm and event
management
• Events triggered by built-in motion detection, external input or audio alarm
• Image upload over FTP, email and HTTP
• Notification over TCP, email, HTTP and external output
• Pre- and post alarm buffering in MPEG-4 file up to 4 MB
Connectors • Ethernet 10BaseT/100BaseTX, RJ-45
• Mini DC power jack
• Terminal block for 1 alarm input, 1 output and alternative power supply
Processors, memory,
clock
• CPU, video processing and compression: ARTPEC-A
• RAM: 32 MB
• Flash memory: 8 MB
• Linux kernel
Power PS-H power adapter 4.9-5.1V DC max 4.0W (included)
Operating conditions • +5 to +50 ºC (+41 to +122 ºF)
• Humidity 20-80% RH (non-condensing)
Installation,
management and
maintenance
• Installation tools on CD and Web-based configuration
• Configuration backup and restore
• AXIS Camera Explorer for recording
• Firmware upgrades over HTTP or FTP, firmware available at www.axis.com
Video access from
Web browser
• Camera live view
• Customizable HTML pages
• Support for viewing MPEG-4 and Motion JPEG real-time video streams as well as alarm
recordings
• Supported MPEG-4/AAC players: AXIS Media Control (ActiveX that installs upon
connection via Internet Explorer), Packet Video, QuickTime, RealPlayer standalone players
and browser plug-ins, Windows Media Player (requires 3rd party MPEG-4 plug-in for
viewing recordings)
Minimum web
browsing
requirements
• Pentium III 500 MHz or higher or equivalent AMD
• 128 MB RAM
• AGP graphics card, DirectDraw, 32 MB video RAM
• Windows XP, 2000, or Server 2003,
• DirectX 9.0 or later
• Internet Explorer 6.x or later
For other operating systems and browsers, see www.axis.com/techsup
System integration
support
• Powerful API for software integration available at www.axis.com, including AXIS VAPIX
API, AXIS Media Control SDK, embedded scripting support, event trigger data in video
stream
• Quality of Service (QoS), Layer 3, Diffserv model
• Embedded Linux operating system
Supported protocols IPv4/v6, HTTP, HTTPS, SSL/TLS*, TCP, ICMP, SNMPv1/v2c/v3 (MIB-II), RTSP, RTP, UDP, IGMP,
RTCP, SMTP, FTP, DHCP, UPnP, Bonjour, ARP, DNS, DynDNS, SOCKS (v4, v5), NTP etc. More
information on protocol usage available at www.axis.com
* This product includes software developed by the Open SSL Project for use in the Open SSL
Tool kit (www.openssl.org)
Item Specification

48 AXIS 207MW - Technical Specifications
Video management
software
(not included)
• AXIS Camera Station: Surveillance application for viewing, recording and archiving up to
25 cameras
• AXIS Camera Management - Efficient installation and management tool for Axis network
video products.
See www.axis.com/partner/adp_partners.htm for further software applications from
partners.
Accessories
(included)
• PS-H Power supply
• Power supply extension cable
• Stand
• Clamp
• Connector block
• Installation Guide
• CD with installation tool, software and User’s Manual, AXIS Camera Explorer license
• MPEG-4 licenses (1 encoder, 1 decoder)
• MPEG-4 decoder (Windows)
Accessories
(not included)
• AXIS 292 Network Video Decoder
• AXIS MPEG-4 Decoder 10 user license pack
Approvals • EN 300328
• EN 301489
• EN60950
• FCC Part 15 Subpart B & C Class B
• ICES-003 Class B, RSS210
• VCCI Class B
• C-tick AS/NZS 4771
• MIC
• Power supply: EN 60950, UL, CSA
Dimensions and
weight
• (HxWxD) 85 x 55 x 40mm (3.3” x 2.2” x 1.6”) antenna not included
• Weight: 190g (0.42 lb) power supply not included
Item Specification

49
AXIS 207MW - Technical Specifications
General performance considerations
When setting up your system, it is important to consider how various settings and
situations will affect performance. Some factors affect the amount of bandwidth (the bit
rate) required, others can affect the frame rate, and some will affect both. If the load on the
CPU reaches its maximum, this will also affect the frame rate.
The following factors are among the most important to consider:
• Wireless conditions.
• High image resolutions and/or lower compression levels result in larger images.
Bandwidth affected.
• Access by large numbers of Motion JPEG and/or unicast MPEG-4 clients. Band-
width affected.
• Simultaneous viewing of different streams (resolution, compression, etc.) by dif-
ferent clients. Frame rate and bandwidth affected.
• Accessing both Motion JPEG and MPEG-4 video streams simultaneously. Frame
rate and bandwidth affected.
• Heavy usage of event settings affects the camera’s CPU load. Frame rate affected.
• Enabled motion detection. Frame rate and bandwidth affected.
• Heavy network utilization due to poor infrastructure. Bandwidth affected
• Viewing on poorly performing client PC’s lowers perceived performance. Frame
rate affected.
Optimizing your system
The AXIS 207MW provides a tool that can be used to display the bandwidth and frame rate
currently required by the video stream, directly in the video image.
To do this, special format strings are added as part
of a text overlay. Simply add #r (average frame
rate in fps) and/or #b (average bandwidth in kbps)
to the overlay.
For detailed instructions, please see the online help
for Video & Image > Overlay Settings, and the
help for File Naming & Date/Time Formats.
Important!
•The figures displayed here are the values as delivered by the camera. If other restrictions are
currently in force, (e.g. bandwidth limitation) these values might not correspond to those actu-
ally received by the client.
•For Motion JPEG, these values will be accurate as long as no frame rate limit has been specified.

50 AXIS 207MW - Technical Specifications
Frame rates - Motion JPEG and MPEG-4
The following table show typical frame rates in frames/second (fps) for Motion JPEG and
MPEG-4 video streams from the AXIS 207MW.
Motion JPEG settings:
• Viewing in AMC
• Compression level = 30%
MPEG-4 settings:
• Viewing in AMC
• Compression level = 30%
•GOV length = 30
Note that these values are guidelines only - actual values may vary.
MPEG-4 frame rate
12 7
12 7
14 10
15 15
20 20
15 15
20 20
15 15
15 15
20 20
15 15
20 20
15 15
15 15
20 20
Resolution Motion JPEG frame rate
1280 x 1024
1280 x 960
1280 x 720
640 x 480
640 x 360
480 x 360
480 x 270
352 x 288
320 x 240
320 x 180
240 x 180
240 x 135
176 x 144
160 x 120
160 x 90

51
AXIS 207MW - Technical Specifications
Bandwidth
As there are many factors that affect bandwidth, it is very difficult to predict the required
amounts. The settings that affect bandwidth are:
• the image resolution
• the image compression
•the frame rate
There are also factors in the monitored scene that will affect the bandwidth. These are:
• the amount of motion
• the image’s complexity
• the lighting conditions.
If supported on the network, consider also using MPEG-4 multicasting, as the bandwidth
consumption will be much lower.

52 AXIS 207MW - Glossary of Terms
Glossary of Terms
ActiveX - A standard that enables software components to
interact with one another in a networked environment,
regardless of the language(s) used to create them. Web
browsers may come into contact with ActiveX controls,
ActiveX documents, and ActiveX scripts. ActiveX controls
are often downloaded and installed automatically as
required.
AF (Autofocus) - A system by which the camera lens
automatically focuses on a selected part of the subject.
Angle - The field of view, relative to a standard lens in a
35mm still camera, expressed in degrees, e.g. 30°. For
practical purposes, this is the area that a lens can cover,
where the angle of view is determined by the focal length of
the lens. A wide-angle lens has a short focal length and
covers a wider angle of view than standard or telephoto
lenses, which have longer focal lengths.
ARP (Address Resolution Protocol) - This protocol is used
to associate an IP address to a hardware MAC address. A
request is broadcast on the local network to discover the
MAC address for an IP address.
ARTPEC (Axis Real Time Picture Encoder) - This chip is
used for image compression.
ASF (Advanced Systems Format) - The file format used by
Windows Media. Audio and/or Video content compressed
with a wide variety of codecs can be stored in an ASF file
and played back with the Windows Media Player (provided
the appropriate codecs are installed), or they can be
streamed with Windows Media Services.
ASF is an extensible file format designed to store
synchronized multimedia data. It supports data delivery
over a wide variety of networks and protocols while still
proving suitable for local playback.
ASIC (Application Specific Integrated Circuit) - A circuit
designed for a specific application, as opposed to a general
purpose circuit, such as a microprocessor.
Aspect ratio - A ratio of width to height in images. A
common aspect ratio used for television screens and
computer monitors is 4:3. High-definition television (HDTV)
uses an aspect ratio of 9:16.
Autoiris (or DC-Iris) - This special type of iris is electrically
controlled by the camera, to automatically regulate the
amount of light allowed to enter.
AVI (Audio Video Interleave) - A video format that
supports simultaneous playback of audio and video.
Bitmap - A bitmap is a data file representing a rectangular
grid of pixels. It defines a display space and color for each
pixel (or "bit") in the display space. This type of image is
known as a "raster graphic." GIF's and JPEG's are examples
of image file types that contain bitmaps.
Because a bitmap uses this fixed raster method, it cannot
easily be rescaled without losing definition. Conversely, a
vector graphic image uses geometrical shapes to represent
the image, and can thus be quickly rescaled.
Bit rate - The bit rate (in kbit/s or Mbit/s) is often referred
to as speed, but actually defines the number of bits/time
unit and not distance/time unit.
Bluetooth - Bluetooth is an open standard for wireless
transmission of voice and data between mobile devices (PCs,
handheld computers, telephones and printers).
Bonjour - Also known as zero-configuration networking,
Bonjour enables devices to automatically discover each
other on a network, without having to enter IP addresses or
configure DNS servers. Bonjour is a trademark of Apple
Computer, Inc..
Broadband - In network engineering terms, this describes
transmission methods where two or more signals share the
same carrier. In more popular terminology, broadband is
taken to mean high-speed data transmission.
CCD (Charged Coupled Device) - This light-sensitive image
device used in many digital cameras is a large integrated
circuit that contains hundreds of thousands of photo-sites
(pixels) that convert light energy into electronic signals. Its
size is measured diagonally and can be 1/4", 1/3", 1/2" or
2/3".
CGI (Common Gateway Interface) - A specification for
communication between a web server and other (CGI)
programs. For example, a HTML page that contains a form
might use a CGI program to process the form data once it is
submitted.
CIF (Common Intermediate Format) - CIF refers to the
analog video resolutions 352x288 pixels (PAL) and 352x240
pixels (NTSC). See also Resolution.
Client/Server - Client/server describes the relationship
between two computer programs in which one program, the
client, makes a service request from another program, the
server, which fulfils the request. Typically, multiple client
programs share the services of a common server program. A
web browser is a client program that requests services (the
sending of web pages or files) from a web server.
CMOS (Complementary Metal Oxide Semiconductor) - A
CMOS is a widely used type of semiconductor that uses both
negative and positive circuits. Since only one of the circuit
types is on at any given time, CMOS chips require less
power than chips using just one type of transistor. CMOS
image sensors also allow processing circuits to be included
on the same chip, an advantage not possible with CCD
sensors, which are also much more expensive to produce.
Codec - In communications engineering, a codec is usually
a coder/decoder. Codecs are used in integrated circuits or
chips that convert e.g. analog video and audio signals into a
digital format for transmission. The codec also converts
received digital signals back into analog format. A codec

53
AXIS 207MW - Glossary of Terms
uses analog-to-digital conversion and digital-to-analog
conversion in the same chip.
Codec can also mean compression/decompression, in which
case it is generally taken to mean an algorithm or computer
program for reducing the size of large files and programs.
Compression - See Image Compression.
Contrast - Defines the degree of difference between the
lightest and darkest parts of an image or video stream.
DC-Iris - This special type of iris is electrically controlled
by the camera, to automatically regulate the amount of light
allowed to enter.
DHCP (Dynamic Host Configuration Protocol) - DHCP is a
protocol that lets network administrators automate and
centrally manage the assignment of Internet Protocol (IP)
addresses to network devices in a network.
DHCP uses the concept of a "lease" or amount of time that a
given IP address will be valid for a computer. The lease time
can vary, depending on how long a user is likely to require
the network connection at a particular location.
DHCP also supports static addresses for e.g. computers
running web servers, which need a permanent IP address.
DNS (Domain Name System) - DNS is used to locate and
translate Internet domain names into IP (Internet Protocol)
addresses. A domain name is a meaningful and
easy-to-remember name for an Internet address. For
example the domain name www.example.com is much
easier to remember than 192.0.34.166. The translation tables
for domain names are contained in Domain name servers.
Domain Server - Domains can also be used by
organizations who wish to centralize the management of
their (Windows) computers. Each user within a domain has
an account that usually allows them to log in to and use any
computer in the domain, although restrictions may also
apply. The domain server is the server that authenticates the
users on the network.
Duplex - See Full-duplex.
Ethernet - Ethernet is the most widely installed local area
network technology. An Ethernet LAN typically uses special
grades of twisted pair wires. The most commonly installed
Ethernet systems are 10BASE-T and 100BASE-T10, which
provide transmission speeds up to 10 Mbps and 100 Mbps
respectively.
ETRAX (Ethernet Token Ring AXIS) - Axis' own
microprocessor.
Factory default settings - These are the settings that
originally applied for a device when it was first delivered
from the factory. If it should become necessary to reset a
device to its factory default settings, this will, for many
devices, completely reset any settings that were changed by
the user.
Firewall - A firewall works as a barrier between networks,
e.g. between a Local Area Network and the Internet. The
firewall ensures that only authorized users are allowed to
access the one network from the other. A firewall can be
software running on a computer, or it can be a standalone
hardware device.
Focal length - Measured in millimetres, the focal length of
a camera lens determines the width of the horizontal field of
view, which in turn is measured in degrees.
FTP (File Transfer Protocol) - An application protocol that
uses the TCP/IP protocols. It is used to exchange files
between computers/devices on networks.
Frame - A frame is a complete video image. In the 2:1
interlaced scanning format of the RS-170 and CCIR formats,
a frame is made up of two separate fields of 262.5 or 312.5
lines interlaced at 60 or 50 Hz to form a complete frame,
which appears at 30 or 25 Hz. In video cameras with a
progressive scan, each frame is scanned line-by-line and not
interlaced; most are also displayed at 30 and 25 Hz.
Frame rate - The frame rate used to describe the frequency
at which a video stream is updated is measured in frames
per second (fps). A higher frame rate is advantageous when
there is movement in the video stream, as it maintains
image quality throughout.
Full-duplex - Transmission of data in two directions
simultaneously. In an audio system this would describe e.g.
a telephone systems. Half-duplex also provides
bi-directional communication, but only in one direction at a
time, as in a walkie-talkie system. See also Simplex.
Gain - Gain is the amplification factor and the extent to
which an analog amplifier boosts the strength of a signal.
Amplification factors are usually expressed in terms of
power. The decibel (dB) is the most common way of
quantifying the gain of an amplifier.
Gateway - A gateway is a point in a network that acts as an
entry point to another network. In a corporate network for
example, a computer server acting as a gateway often also
acts as a proxy server and a firewall server. A gateway is
often associated with both a router, which knows where to
direct a given packet of data that arrives at the gateway, and
a switch, which furnishes the actual path in and out of the
gateway for a given packet.
GIF (Graphics Interchange Format) - GIF is one of the
most common file formats used for images in web pages.
There are two versions of the format, 87a and 89a. Version
89a supports animations, i.e. a short sequence of images
within a single GIF file. A GIF89a can also be specified for
interlaced presentation.
GOV (Group Of VOPs) - A group of VOP's is the basic unit
of an MPEG-4 video stream. The GOV contains different
types and numbers of VOP's (I-VOP's, P-VOP's, etc) as
determined by the GOV length and GOV structure. See also
VOP.
GOV length - The GOV length determines the number of

54 AXIS 207MW - Glossary of Terms
images (VOP's) in the GOV structure. See also GOV and
VOP.
GOV structure - The GOV structure describes the
composition of an MPEG-4 video stream, as regards the
type of images (I-VOP's or P-VOP's) included in the stream,
and their internal order. See also GOV and VOP.
Half-duplex - See Full-duplex.
HTML (Hypertext Markup Language) - HTML is the set of
"markup" symbols or codes inserted in a file intended for
display in web browser. The markup tells the browser how
to display the page's words and images for the user.
HTTP (Hypertext Transfer Protocol) - HTTP is the set of
rules for exchanging files (text, graphic images, sound,
video, and other multimedia files) on the web. The HTTP
protocol runs on top of the TCP/IP suite of protocols.
Hub - A (network) hub is used to connect multiple devices
to the network. The hub transmits all data to all devices
connected to it, whereas a switch will only transmit the data
to the device it is specifically intended for.
IEEE 802.11 - A family of standards for wireless LANs.
802.11b supports a data rate of 11 Mbit/s on the 2.4 GHz
band, 802.11a allows up to 54 Mbit/s on the 5 GHz band,
and 802.11g allows up to 54 Mbit/s on the 2.4 GHz band.
Image compression - Image compression minimizes the file
size (in bytes) of an image. Two of the most common
compressed image formats are JPEG and GIF.
Interlacing - Interlaced video is video captured at 50
pictures (known as fields) per second, of which every 2
consecutive fields (at half height) are then combined into 1
frame. Interlacing was developed many years ago for the
analog TV world and is still used widely today. It provides
good results when viewing motion in standard TV pictures,
although there is always some degree of distortion in the
image.
To view interlaced video on e.g. a computer monitor, the
video must first be de-interlaced, to produce progressive
video, which consists of complete images, one after the
other, at 25 frames per second. See also Progressive scan.
IP (Internet Protocol) - The Internet Protocol is a method
for transmitting data over a network. Data to be sent is
divided into individual and completely independent
"packets." Each computer (or host) on the Internet has at
least one address that uniquely identifies it from all others,
and each data packet contains both the sender's address and
the receiver's address.
The Internet Protocol ensures that the data packets all arrive
at the intended address. As IP is a connectionless protocol,
which means that there is no established connection
between the communication end-points, packets can be sent
via different routes and do not need to arrive at the
destination in the correct order.
Once the data packets have arrived at the correct
destination, another protocol - Transmission Control
Protocol (TCP) - puts them in the right order. See also TCP.
Internet Protocol version 6 - IPv6 follows IPv4 (see IP
(Internet Protocol) above) as the second version of the
protocol to be formally adopted for general use. IPv6 is
intended to provide further IP addresses for the increasing
number of networked devices. IPv6 supports 3.4x1038 IP
addresses.
IP Address - An IP address is simply an address on an IP
network used by a computer/device connected to that
network. IP addresses allow all the connected
computers/devices to find each other and to pass data back
and forth.
To avoid conflicts, each IP address on any given network
must be unique. An IP address can be assigned as fixed, so
that it does not change, or it can be assigned dynamically
(and automatically) by DHCP.
An IP address consists of four groups (or quads) of decimal
digits separated by periods, e.g. 130.5.5.25. Different parts
of the address represent different things. Some part will
represent the network number or address, and some other
part will represent the local machine address.
See also IP (Internet Protocol).
I-VOP - See VOP.
JPEG (Joint Photographic Experts Group) - Together with
the GIF file format, JPEG is an image file type commonly
used on the web. A JPEG image is a bitmap, and usually has
the file suffix '.jpg' or ".jpeg." When creating a JPEG image,
it is possible to configure the level of compression to use. As
the lowest compression (i.e. the highest quality) results in
the largest file, there is a trade-off between image quality
and file size.
kbit/s (kilobits per second) - A measure of the bit rate, i.e.
the rate at which bits are passing a given point. See also Bit
rate.
LAN (Local Area Network) - A LAN is a group of
computers and associated devices that typically share
common resources within a limited geographical area.
Linux - Linux is an open source operating system within
the Unix family. Because of its robustness and availability,
Linux has won popularity in the open source community
and among commercial application developers.
MAC address (Media Access Control address) - A MAC
address is a unique identifier associated with a piece of
networking equipment, or more specifically, with its
interface with the network. For example, the network card
in a computer has its own MAC address.
Manual iris - This is the opposite to an autoiris, i.e. the
camera iris must be adjusted manually to regulate the
amount of light allowed to reach the image sensor.
Mbit/s (Megabits per second) - A measure of the bit rate,
i.e. the rate at which bits are passing a given point.

55
AXIS 207MW - Glossary of Terms
Commonly used to give the "speed" of a network. A LAN
might run at 10 or 100 Mbit/s. See also Bit rate.
Monitor - A monitor is very similar to a standard television
set, but lacks the electronics to pick up regular television
signals.
Motion JPEG - Motion JPEG is a simple
compression/decompression technique for networked video.
Latency is low and image quality is guaranteed, regardless
of movement or complexity of the image. Image quality is
controlled by adjusting the compression level, which in turn
provides control over the file size, and thereby the bit rate.
High-quality individual images from the Motion JPEG
stream are easily extracted. See also JPEG.
Megapixel - See Pixel.
MPEG (Moving Picture Experts Group) - The Moving
Picture Experts Group develops standards for digital video
and audio compression. It operates under the auspices of the
International Organization for Standardization (ISO). The
MPEG standards are an evolving series, each designed for a
different purpose.
MPEG-2 - MPEG-2 is the designation for a group of audio
and video coding standards, and is typically used to encode
audio and video for broadcast signals, including digital
satellite and Cable TV. MPEG-2, with some modifications, is
also the coding format used by standard commercial DVD
movies.
MPEG-4 - MPEG-4 is a group of audio and video coding
standards and related technology. The primary uses for the
MPEG-4 standard are web (streaming media) and CD
distribution, conversational (videophone), and broadcast
television.
Most of the features included in MPEG-4 are left to
individual developers to decide whether to implement them
or not. This means that there are probably no complete
implementations of the entire MPEG-4 set of standards. To
deal with this, the standard includes the concept of
"profiles" and "levels", allowing a specific set of capabilities
to be defined in a manner appropriate for a subset of
applications.
Multicast - Bandwidth-conserving technology that reduces
bandwidth usage by simultaneously delivering a single
stream of information to multiple network recipients.
Multiplexer - A multiplexer is a high-speed switch that
provides full-screen images from up to 16 analog cameras.
Multiplexers can playback everything that happened on any
one camera with no interference from the other cameras on
the system.
Network connectivity - The physical (wired or wireless)
and logical (protocol) connection of a computer network or
an individual device to a network, such as the Internet or a
LAN.
NTSC (National Television System Committee) - NTSC is
the television and video standard in the United States. NTSC
delivers 525 lines at 60 half-frames/second.
OEM (Original Equipment Manufacturer) - This is a
designation for companies that manufacture equipment
which is then marketed and sold to other companies under
their own names.
PAL (Phase Alternating Line) - PAL is the dominant
television standard in Europe. PAL delivers 625 lines at 50
half-frames/second.
PEM (Privacy Enhanced Mail) - An early standard for
securing electronic mail. The PEM-format is often used for
representing an HTTPS certificate or certificate request.
Ping - Ping is a basic network program used diagnostically
to check the status of a network host or device. Ping can be
used to see if a particular network address (IP address or
host name) is occupied or not, or if the host at that address
is responding normally. Ping can be run from e.g. the
Windows Command prompt or the command line in Unix.
Pixel - A pixel is one of the many tiny dots that make up a
digital image. The colour and intensity of each pixel
represents a tiny area of the complete image.
PoE (Power over Ethernet) - Power over Ethernet provides
power to a network device via the same cable as used for the
network connection. This is very useful for IP-Surveillance
and remote monitoring applications in places where it may
be too impractical or expensive to power the device from a
power outlet.
PPP (Point-to-Point Protocol) - A protocol that uses a
serial interface for communication between two network
devices. For example, a PC connected by a phone line to a
server.
PPTP (Point-to-Point Tunnelling Protocol) - A protocol
(set of communication rules) that allows corporations to
extend their own corporate network through private
"tunnels" over the public Internet. In this way a corporation
can effectively use a WAN (Wide Area Network) as a large
single LAN (Local Area Network). This kind of
interconnection is known as a virtual private network
(VPN).
Pre/post alarm images - The images from immediately
before and after an alarm. These images are stored in a
buffer for later retrieval.
Progressive scan - Progressive scan, as opposed to
interlaced video, scans the entire picture, line by line every
sixteenth of a second. In other words, captured images are
not split into separate fields as in interlaced scanning.
Computer monitors do not need interlace to show the
picture on the screen, but instead show them progressively,
on one line at a time in perfect order, i.e. 1, 2, 3, 4, 5, 6, 7
etc., so there is virtually no "flickering" effect. In a
surveillance application, this can be critical when viewing
detail within a moving image, such as a person running. A
high-quality monitor is required to get the best from

56 AXIS 207MW - Glossary of Terms
progressive scan. See also Interlacing.
Protocol - A special set of rules governing how two entities
will communicate. Protocols are found at many levels of
communication, and there are hardware protocols and
software protocols.
Proxy server - In an organisation that uses the Internet, a
proxy server acts as an intermediary between a workstation
user and the Internet. This provides security, administrative
control, and a caching service. Any proxy server associated
with a gateway server, or part of a gateway server,
effectively separates the organisation’s network from the
outside network and the local firewall. It is the firewall
server that protects the network against outside intrusion.
A proxy server receives requests for Internet services (such
as web page requests) from many users. If the proxy server
is also a cache server, it looks in its local cache of
previously downloaded web pages. If it finds the page, it is
returned to the user without forwarding the request to the
Internet. If the page is not in the cache, the proxy server,
acting as a client on behalf of the user, uses one of its own
IP addresses to request the page from another server over
the Internet. When the requested page is returned, the proxy
server forwards it to the user that originally requested it.
P-VOP - See VOP.
Resolution - Image resolution is a measure of how much
detail a digital image can hold: the greater the resolution,
the greater the level of detail. Resolution can be specified as
the number of pixel-columns (width) by the number of
pixel-rows (height), e.g. 320x240.
Alternatively, the total number of pixels (usually in
megapixels) in the image can be used. In analog systems it
is also common to use other format designations, such as
CIF, QCIF, 4CIF, etc.
RTCP (Real-Time Control Protocol) - RTCP provides
support for real-time conferencing of groups of any size
within an intranet. This support includes source
identification and support for gateways like audio and video
bridges as well as multicast-to-unicast translators.
RTCP offers quality-of-service feedback from receivers to
the multicast group as well as support for the
synchronization of different media streams.
RTP (Real-Time Transport Protocol) - RTP is an Internet
protocol for the transport of real-time data, e.g. audio and
video. It can be used for media-on-demand as well as
interactive services such as Internet telephony.
RTSP (Real Time Streaming Protocol) - RTSP is a control
protocol, and a starting point for negotiating transports
such as RTP, multicast and Unicast, and for negotiating
codecs.
RTSP can be considered a "remote control" for controlling
the media stream delivered by a media server. RTSP servers
typically use RTP as the protocol for the actual transport of
audio/video data.
Router - A device that determines the next network point to
which a packet should be forwarded on its way to its final
destination. A router creates and/or maintains a special
routing table that stores information on how best to reach
certain destinations. A router is sometimes included as part
of a network switch. See also switch.
Server - In general, a server is a computer program that
provides services to other computer programs in the same or
other computers. A computer running a server program is
also frequently referred to as a server. In practice, the server
may contain any number of server and client programs. A
web server is the computer program that supplies the
requested HTML pages or files to the client (browser).
Sharpness - This is the control of fine detail within a
picture. This feature was originally introduced into color TV
sets that used notch filter decoders. This filter took away all
high frequency detail in the black and white region of the
picture. The sharpness control attempted to put some of that
detail back in the picture. Sharpness controls are mostly
superfluous in today's high-end TVs. The only logical
requirement for it nowadays is on a VHS machine.
Simplex - In simplex operation, a network cable or
communications channel can only send information in one
direction.
SMTP (Simple Mail Transfer Protocol) - SMTP is used for
sending and receiving e-mail. However, as it is "simple," it
is limited in its ability to queue messages at the receiving
end, and is usually used with one of two other protocols,
POP3 or IMAP. These other protocols allow the user to save
messages in a server mailbox and download them
periodically from the server.
SMTP authentication is an extension of SMTP, whereby the
client is required to log into the mail server before or during
the sending of email. It can be used to allow legitimate users
to send email while denying the service to unauthorized
users, such as spammers.
SNMP (Simple Network Management Protocol) - SNMP
forms part of the Internet Protocol suite, as defined by the
Internet Engineering Task Force. The protocol can support
monitoring of network-attached devices for any conditions
that warrant administrative attention.
Sockets - Sockets are a method for communication between
a client program and a server program over a network. A
socket is defined as "the endpoint in a connection." Sockets
are created and used with a set of programming requests or
"function calls" sometimes called the sockets application
programming interface (API).
SSL/TSL (Secure Socket Layer/Transport Layer Security)
These two protocols (SSL is succeeded by TSL) are
cryptographic protocols that provide secure communication
on a network. SSL is commonly used over HTTP to form
HTTPS, as used e.g. on the Internet for electronic financial
transactions. SSL uses public key certificates to verify the

57
AXIS 207MW - Glossary of Terms
identity of the server.
Subnet/subnet mask - A subnet is an identifiably separate
part of an organization's network. Typically, a subnet may
represent all the machines at one geographic location, in
one building, or on the same local area network (LAN).
Having an organization's network divided into subnets
allows it to be connected to the Internet with a single shared
network address.
The subnet mask is the part of the IP address that tells a
network router how to find the subnet that the data packet
should be delivered to. Using a subnet mask saves the router
having to handle the entire 32-bit IP address; it simply looks
at the bits selected by the mask.
Switch - A switch is a network device that connects
network segments together, and which selects a path for
sending a unit of data to its next destination. In general, a
switch is a simpler and faster mechanism than a router,
which requires knowledge about the network and how to
determine the route. Some switches include the router
function. See also Router.
TCP (Transmission Control Protocol) - TCP is used along
with the Internet Protocol (IP) to transmit data as packets
between computers over the network. While IP takes care of
the actual packet delivery, TCP keeps track of the individual
packets that the communication (e.g. requested a web page
file) is divided into, and, when all packets have arrived at
their destination, it reassembles them to re-form the
complete file.
TCP is a connection-oriented protocol, which means that a
connection is established between the two end-points and is
maintained until the data has been successfully exchanged
between the communicating applications.
Telnet - Telnet is a simple method with which to access
another network device, e.g. a computer. The HTTP protocol
and the FTP protocols allow you to request specific files
from remote computers, but do not allow you logon as a
user of that computer. With Telnet, you log on as a regular
user with whatever privileges you may have been granted
for specific applications and data residing on that computer.
TVL (TV Lines) - A method of defining resolutions in
analog video.
UDP (User Datagram Protocol) - UDP is a communications
protocol that offers limited service for exchanging data in a
network that uses the Internet Protocol (IP). UDP is an
alternative to the Transmission Control Protocol (TCP). The
advantage of UDP is that it is not required to deliver all data
and may drop network packets when there is e.g. network
congestion. This is suitable for live video, as there is no
point in re-transmitting old information that will not be
displayed anyway.
Unicast - Communication between a single sender and a
single receiver over a network. A new connection is
established for each new user.
URL (Uniform Resource Locator) - An "address" on the
network.
USB - (Universal Serial Bus) A plug-and-play interface
between a computer and peripheral devices, e.g. scanners,
printers, etc.
Varifocal lens - A varifocal lens provides a wide range of
focal lengths, as opposed to a lens with a fixed focal length,
which only provides one.
VPN (Virtual Private Network) - This creates a secure
"tunnel" between the points within the VPN. Only devices
with the correct "key" will be able to work within the VPN.
The VPN network can be within a company LAN (Local Area
Network), but different sites can also be connected over the
Internet in a secure way. One common use for VPN is for
connecting a remote computer to the corporate network, via
e.g. a direct phone line or via the Internet.

58 AXIS 207MW - Glossary of Terms
VOP (Video Object Plane) - A VOP is an image frame in an
MPEG-4 video stream. There are several types of VOP:
- An I-VOP is complete image frame.
- A P-VOP codes the differences between images, as long as
it is more efficient to do so. Otherwise it codes the whole
image, which may also be a completely new image.
WAN (Wide-Area-Network) - Similar to a LAN, but on a
larger geographical scale.
W-LAN (Wireless LAN) - A wireless LAN is a wireless local
area network that uses radio waves as its carrier: where the
network connections for end-users are wireless. The main
network structure usually uses cables.
Web server - A Web server is a program, which allows
Web browsers to retrieve files from computers connected to
the Internet. The Web server listens for requests from Web
browsers and upon receiving a request for a file sends it
back to the browser.
The primary function of a Web server is to serve pages to
other remote computers; consequently, it needs to be
installed on a computer that is permanently connected to
the Internet. It also controls access to the server whilst
monitoring and logging server access statistics.
WEP (Wireless Equivalent Privacy) - A wireless security
protocol, specified in the IEEE 802.11 standard, which is
designed to provide a wireless local area network (WLAN)
with a level of security and privacy comparable to that
usually expected of a wired LAN. Security is at two different
levels; 40-bit and 128-bit encryption. The higher the bit
number, the more secure the encryption.
WINS (Windows Internet Naming Service) - Part of the
Microsoft Windows NT Server, WINS manages the
association of workstation names and locations with IP
addresses, without the user or administrator having to be
involved in each configuration change.
WPA-PSK (Wi-Fi Protected Access - Pre-Shared Key) -
This wireless encryption method uses a pre-shared key (PSK)
for key management. Keys can usually be entered as manual
hex values, as hexadecimal characters, or as a Passphrase.
WPA-PSK provides a greater degree of security than WEP.
Zoom lens - A zoom lens can be moved (zoomed) to
enlarge the view of an object to show more detail.

59
AXIS 207MW - Index
Index
Numerics
3GPP 10, 15
A
Access point 33
Action Buttons 22
Active Transmit Key 34
Active/Inactive 22
Administrator 16
Alarm 25, 39
AMC 9
AMC Viewer Toolbar 12
ARP/Ping 29
Authentication 34
Auxiliary Power 39
B
Backup 37
Bandwidth 51
Bit Rate 18
Bonjour 9
C
Configuration 16
Control Button 7, 38
Customize 21
D
Date & Time 28
Default Viewer 22
DNS Configuration 30
DNS Server 30
Domain Name 30
E
Emergency Recovery 42
Enable ARP/Ping 29
Encryption 34
Events 24
F
Factory Default Settings 38
Frame rates 14, 18
G
GOV Settings 18
H
Host Name 30
HTML Examples 23
I
I/O Ports 36
I/O Terminal Block 7, 39
Include Windows 25
Input 39
IP Address Filtering 27
K
Key length 34
Key Type 34
L
Live View 11, 16
Live View Config 20
Logs & Reports 37
M
Motion Detection 24, 25, 39
MPEG-4 Recording 12
MPEG-4 Settings 18
N
NAT traversal 10, 31
Network Connector 7
Network Settings 29
Notification of IP address change 29
NTP Server 28
O
Output 39
Output Buttons 22
Own Home Page 21

60 AXIS 207MW - Index
Own Web Files 21
P
Pinout - I/O connectors 39
Port Status 26
Ports & Devices 36
Power Connector 7
Pulse 11, 22
Q
QoS 33
QuickTime 9, 14, 22
R
Real Player 9, 14
Recovery 42
Referrals 27
Restore 37
S
Scan wireless networks 33
Security 27, 33
Server Time 28
Services 29
SSID 33
Support 37
System Options 27
T
TCP/IP Settings 29
Terminal Block 39
Time Mode 28
Troubleshooting 41
U
Upgrade Server 37
Uploading web files 21
UPnP 30, 36
Users 27
V
Video Stream 18
W
WEP 33
WPA-PSK 33