Digianswer A S BTDVK100 Bluetooth Developer Kit User Manual dev userguide

Digianswer A/S Bluetooth Developer Kit dev userguide

Contents

  • 1. users manual
  • 2. usersmanual

users manual

94001480000Rev. 2.0, 2002-05-29Bluetooth Development KitUser’s Guide
Motorola reserves the right to make changes without further notice to any products herein. Motorola makes no warranty,representation or guarantee regarding the suitability of its products for any particular purpose, nor does Motorola assume any liabilityarising out of the application or use of any product or circuit, and specifically disclaims any and all liability, including without limitationconsequential or incidental damages. “Typical” parameters which may be provided in Motorola data sheets and/or specifications canand do vary in different applications and actual performance may vary over time. All operating parameters, including “Typicals” mustbe validated for each customer application by customer’s technical experts. Motorola does not convey any license under its patentrights nor the rights of others. Motorola products are not designed, intended, or authorized for use as components in systemsintended for surgical implant into the body, or other applications intended to support life, or for any other application in which thefailure of the Motorola product could create a situation where personal injury or death may occur. Should Buyer purchase or useMotorola products for any such unintended or unauthorized application, Buyer shall indemnify and hold Motorola and its officers,employees, subsidiaries, affiliates, and distributors harmless against all claims, costs, damages, and expenses, and reasonableattorney fees arising out of, directly or indirectly, any claim of personal injury or death associated with such unintended orunauthorized use, even if such claim alleges that Motorola was negligent regarding the design or manufacture of the part. TheBluetooth trademarks are owned by their proprietor and used by Motorola, Inc., under license. All other product or service names arethe property of their respective owners.  © Motorola, Inc. 2002.Motorola and   are registered trademarks of Motorola, Inc. Motorola, Inc. is an Equal Opportunity/Affirmative Action Employer. How to reach us:USA/EUROPE/Locations Not Listed:  Motorola Literature Distribution; P.O. Box 5405, Denver, Colorado, 80217.1–303–675–2140 or 1–800–441–2447JAPAN:  Motorola Japan Ltd.; SPS, Technical Information Center, 3–20–1, Minami–Azabu, Minato–ku, Tokyo 106–8573 Japan. 81–3–3440–3569ASIA/PACIFIC: Motorola Semiconductors H.K. Ltd., Silicon Harbour Centre, 2 Dai King Street, Tai Po Industrial Estate, Tai Po, N.T., Hong Kong. 852–26668334Technical Information Center: 1–800–521–6274HOME PAGE: http://www.motorola.com/semiconductors/ © Copyright Motorola, Inc., 2002
MOTOROLA Contents iiiMotorola Confidential Proprietary, NDA Required / PreliminaryChapter 1Introduction1.1 About This Guide . . . . . . . . . . . . . . . . . . . . . . . . . . . . . . . . . . . . . . . . . . . . . . . . . . . . . . 1-11.2 Additional Documents  . . . . . . . . . . . . . . . . . . . . . . . . . . . . . . . . . . . . . . . . . . . . . . . . . .  1-21.3 Downloads and Support . . . . . . . . . . . . . . . . . . . . . . . . . . . . . . . . . . . . . . . . . . . . . . . . .  1-31.4 Unpacking. . . . . . . . . . . . . . . . . . . . . . . . . . . . . . . . . . . . . . . . . . . . . . . . . . . . . . . . . . . .  1-31.5 System Requirements . . . . . . . . . . . . . . . . . . . . . . . . . . . . . . . . . . . . . . . . . . . . . . . . . . .  1-31.6 Acronyms and Abbreviations . . . . . . . . . . . . . . . . . . . . . . . . . . . . . . . . . . . . . . . . . . . . .  1-4Chapter 2Product Overview2.1 Block Diagram . . . . . . . . . . . . . . . . . . . . . . . . . . . . . . . . . . . . . . . . . . . . . . . . . . . . . . . . 2-52.2 Interfaces. . . . . . . . . . . . . . . . . . . . . . . . . . . . . . . . . . . . . . . . . . . . . . . . . . . . . . . . . . . . .  2-52.3 Applications  . . . . . . . . . . . . . . . . . . . . . . . . . . . . . . . . . . . . . . . . . . . . . . . . . . . . . . . . . .  2-62.4 ICs. . . . . . . . . . . . . . . . . . . . . . . . . . . . . . . . . . . . . . . . . . . . . . . . . . . . . . . . . . . . . . . . . .  2-62.5 Software Tools . . . . . . . . . . . . . . . . . . . . . . . . . . . . . . . . . . . . . . . . . . . . . . . . . . . . . . . .  2-62.5.1 Bluetooth HCI Terminal . . . . . . . . . . . . . . . . . . . . . . . . . . . . . . . . . . . . . . . . . . . . . .  2-72.5.2 Configuration Manager. . . . . . . . . . . . . . . . . . . . . . . . . . . . . . . . . . . . . . . . . . . . . . .  2-72.5.3 DemoBench  . . . . . . . . . . . . . . . . . . . . . . . . . . . . . . . . . . . . . . . . . . . . . . . . . . . . . . .  2-7Chapter 3Setup3.1 Setting Up Board  . . . . . . . . . . . . . . . . . . . . . . . . . . . . . . . . . . . . . . . . . . . . . . . . . . . . . . 3-93.2 Running UART. . . . . . . . . . . . . . . . . . . . . . . . . . . . . . . . . . . . . . . . . . . . . . . . . . . . . . . .  3-93.3 Running USB . . . . . . . . . . . . . . . . . . . . . . . . . . . . . . . . . . . . . . . . . . . . . . . . . . . . . . . . . 3-9Chapter 4Hardware4.1 Signal and Connection Descriptions. . . . . . . . . . . . . . . . . . . . . . . . . . . . . . . . . . . . . . .  4-114.2 Environmental. . . . . . . . . . . . . . . . . . . . . . . . . . . . . . . . . . . . . . . . . . . . . . . . . . . . . . . . 4-124.3 Mechanical . . . . . . . . . . . . . . . . . . . . . . . . . . . . . . . . . . . . . . . . . . . . . . . . . . . . . . . . . .  4-124.4 Electrical . . . . . . . . . . . . . . . . . . . . . . . . . . . . . . . . . . . . . . . . . . . . . . . . . . . . . . . . . . . .  4-124.4.1 Power Supply . . . . . . . . . . . . . . . . . . . . . . . . . . . . . . . . . . . . . . . . . . . . . . . . . . . . .  4-134.4.2 Reset Circuit . . . . . . . . . . . . . . . . . . . . . . . . . . . . . . . . . . . . . . . . . . . . . . . . . . . . . .  4-134.4.3 Clocks . . . . . . . . . . . . . . . . . . . . . . . . . . . . . . . . . . . . . . . . . . . . . . . . . . . . . . . . . . . 4-134.4.4 Memory. . . . . . . . . . . . . . . . . . . . . . . . . . . . . . . . . . . . . . . . . . . . . . . . . . . . . . . . . .  4-144.4.5 UART Interface  . . . . . . . . . . . . . . . . . . . . . . . . . . . . . . . . . . . . . . . . . . . . . . . . . . .  4-144.4.6 USB Interface . . . . . . . . . . . . . . . . . . . . . . . . . . . . . . . . . . . . . . . . . . . . . . . . . . . . .  4-14Contents
MOTOROLA Contents ivMotorola Confidential Proprietary, NDA Required / Preliminary4.4.7 CODEC Interface . . . . . . . . . . . . . . . . . . . . . . . . . . . . . . . . . . . . . . . . . . . . . . . . . .  4-144.4.8 Antenna. . . . . . . . . . . . . . . . . . . . . . . . . . . . . . . . . . . . . . . . . . . . . . . . . . . . . . . . . . 4-144.5 Reference Designs  . . . . . . . . . . . . . . . . . . . . . . . . . . . . . . . . . . . . . . . . . . . . . . . . . . . .  4-14Chapter 5Limitations5.1 USB Limitations . . . . . . . . . . . . . . . . . . . . . . . . . . . . . . . . . . . . . . . . . . . . . . . . . . . . . .  5-15Chapter 6Regulatory6.1 Regulatory Statements  . . . . . . . . . . . . . . . . . . . . . . . . . . . . . . . . . . . . . . . . . . . . . . . . .  6-176.1.1 General . . . . . . . . . . . . . . . . . . . . . . . . . . . . . . . . . . . . . . . . . . . . . . . . . . . . . . . . . . 6-176.1.2 European Union (EU) and EFTA . . . . . . . . . . . . . . . . . . . . . . . . . . . . . . . . . . . . . .  6-176.1.3 France . . . . . . . . . . . . . . . . . . . . . . . . . . . . . . . . . . . . . . . . . . . . . . . . . . . . . . . . . . .  6-176.1.4 Nederland . . . . . . . . . . . . . . . . . . . . . . . . . . . . . . . . . . . . . . . . . . . . . . . . . . . . . . . .  6-176.1.5 United States of America and Canada  . . . . . . . . . . . . . . . . . . . . . . . . . . . . . . . . . .  6-186.1.6 Canada Compliance (Industry Canada)  . . . . . . . . . . . . . . . . . . . . . . . . . . . . . . . . .  6-186.1.7 Singapore  . . . . . . . . . . . . . . . . . . . . . . . . . . . . . . . . . . . . . . . . . . . . . . . . . . . . . . . .  6-186.1.8 Brazil. . . . . . . . . . . . . . . . . . . . . . . . . . . . . . . . . . . . . . . . . . . . . . . . . . . . . . . . . . . .  6-196.1.9 Japan . . . . . . . . . . . . . . . . . . . . . . . . . . . . . . . . . . . . . . . . . . . . . . . . . . . . . . . . . . . .  6-196.1.10 Taiwan  . . . . . . . . . . . . . . . . . . . . . . . . . . . . . . . . . . . . . . . . . . . . . . . . . . . . . . . . . . 6-196.2 Obtaining Type Approvals . . . . . . . . . . . . . . . . . . . . . . . . . . . . . . . . . . . . . . . . . . . . . .  6-206.2.1 Requirements for Bluetooth Qualification . . . . . . . . . . . . . . . . . . . . . . . . . . . . . . .  6-206.2.2 Requirements for regulatory type approvals: . . . . . . . . . . . . . . . . . . . . . . . . . . . . .  6-20Appendix A Board Diagram
MOTOROLA Introduction 1-1Motorola Confidential Proprietary, NDA Required / PreliminaryChapter 1IntroductionNOTE:Users are not permitted to make changes or modify the device in any way.With the Development Kit for the Bluetooth Platform Solution from Motorola, the company is launching a unique demonstration and development tool for its platform. The Development Kit contains all of the hardware, software, and documentation needed to evaluate the functionality of the ICs making up Motorola’s Bluetooth platform solution chipset:• MC71000 Bluetooth Baseband Controller IC• MC13180 Bluetooth Low Power Wireless Data Transceiver IC• MC13181 Wireless Power Management ICAlso, you can develop software and hardware solutions around the platform chipset. The Development Kit makes it possible to easily and quickly set up and start demonstrating a Class 2 Bluetooth solution, and it provides an efficient layout for the baseband and RF on an FR4 PCB substrate.The primary applications of the Development Kit are:• Evaluation of the platform chipset and its features• Porting of a user Bluetooth stack to the Motorola Bluetooth hardware• Prototyping of a Bluetooth-enabled host device• Reference design for quick layout of a Bluetooth solution based on the MC71000 and MC13180 chipsetThe Development Kit is Bluetooth 1.1 qualified and type approved in a great number of countries. See the section “Regulatory”.For detailed information on the ICs making up the platform chipset, please see the technical brief accompanying each of the ICs: MC71000, MC13180, and MC13181. These technical briefs are all included on the CD.1.1 About This GuideThis user’s guide will help you get started with the Bluetooth Development Kit. The guide covers a large number of aspects of using the Development Kit, including:• Overview of the Development Kit and accompanying documentation • Instructions on setting up the hardware and software • Descriptions of the various elements that make up the Development Kit
1-2 Development Platform Kit User Guide MOTOROLAMotorola Confidential Proprietary, NDA Required / PreliminaryIntroductionThe following is an overview of the various sections of this user’s guide and a brief description of each section:•Chapter 1, “Introduction” contains an overview of the user’s guide and additional documents available from the CD. The introduction is also where to find information on support, unpacking, system requirements, and a list of the acronyms used in this guide. •Chapter 2, “Product Overview” provides an overview of the Development Kit where the various elements of the product are described briefly. •Chapter 3, “Setup” explains how to set up the hardware and software to get the Development Kit running.•Chapter 4, “Hardware” describes the various aspects of the Development Kit hardware•Chapter 5, “Limitations” describes the limitations of the current Development Kit version. Currently this chapter deals with HCI Limitations only.•Chapter 6, “Regulatory” contains regulatory statements, a list of the countries where the Development Kit will be type approved, and information on what is needed to obtain type approvals for new products.•Appendix A, “Board Diagram“, contains a diagram of the Development Kit board.1.2 Additional DocumentsIn addition to this user’s guide, the documentation for the Development Kit includes the following documents. These are all accessible from the document overview on the CD.• User’s Guides for various elements of the Development Kit:—Bluetooth HCI Terminal Guide—Configuration Manager User’s Guide—DemoBench User’s Guide— Bluetooth Platform Solution Embedded System User’s Guide— Bluetooth Headset Guide• Reference designs: Bluetooth Platform Solution Reference Designs including descriptions and schematics • A platform document providing a system overview of the Bluetooth Platform Solution from Motorola• Technical briefs for the various Bluetooth platform elements:— MRFIC2408 External Power Amplifier IC— MC13180 Bluetooth Low Power Wireless Data Transceiver IC— MC13181 Wireless Power Management IC— MC71000 Bluetooth Baseband Controller IC— Bluetooth Development Kit• Application notes for the following:—Using the Bluetooth Audio Signal Processor (BTASP) for High-Quality Audio Performance— Motorola’s Bluetooth Solution to Interference Rejection and Coexistence with 802.11
Downloads and SupportMOTOROLA Introduction 1-3Motorola Confidential Proprietary, NDA Required / Preliminary— Enhancing ISM Band Performance Using Adaptive Frequency Hopping• Product Errata • Data sheets and information for components on the Development Kit:— CODEC—USB — UART Level Converter— EEPROMs— Crystals• Bluetooth Core Specification v1.11.3 Downloads and SupportFor Development Kit software and documentation downloads, go to the following website: http://www.btpo.netIn addition, you may find useful information on the following websites: http://www.motorola.com and http://www.motorola.com/semiconductor/bluetoothFor support on your Development Kit, contact your local FAE.  1.4 UnpackingThe Bluetooth Development Kit sales package contains the following items:• Development kit boards (2)• Power supplies (2)• RS232 cables (2)• USB cables (2)• Antennas (2)• Headsets (2)• Installation CD including software tools and documentation (1)1.5 System RequirementsTo install and use the Bluetooth Development Kit, you will need the following:• A PC equipped with Windows® 98/98 SE/Me/2000• At least a 600 MHz  processor (or higher)
1-4 Development Platform Kit User Guide MOTOROLAMotorola Confidential Proprietary, NDA Required / PreliminaryIntroduction1.6 Acronyms and AbbreviationsThroughout this guide, the following acronyms and abbreviations are used:EEPROM Electrically Erasable/Programmable Read Only MemoryRx Receive(r)SEEPROM Serial Electrically Erasable/Programmable Read Only MemorySPI Serial Peripheral InterfaceThe SPI Bus made by Motorola handles all serial communication with a number of different RF front ends and SEEPROMs.SSI Synchronous Serial InterfaceTx Transmit(ter)UART Universal Asynchronous Receiver Transmitter
MOTOROLA Product Overview 2-5Motorola Confidential Proprietary, NDA Required / PreliminaryChapter 2Product OverviewThis section contains a brief overview of the Development Kit. More detailed information on the various elements of the Development Kit is included in later sections and in the separate user’s guides included on the CD.2.1 Block DiagramThe following figure shows the Development Kit block diagram:Figure 2-1.   Block Diagram2.2 InterfacesThe development kit features RS232, UART, and USB interfaces:• RS232 interface: Programmable baud rate from 1200 to 921 Kbit.• UART interface: 5-pin header with RxD, CTS, RTS, and GND, 3.3 V signaling, programmable baud rate from 1200 to 921 Kbit, HCI UART transport layer.USBRS232DCPowerInputUARTUSBRS232LevelShifterCODECModular JackMC71000 MC13180MC13181 7 StatusLEDs Reset Switch Class ½Antenna JumperEEPROMAntennaDiversitySwitchF AntennaAntennaConnector
2-6 Development Platform Kit User Guide MOTOROLAMotorola Confidential Proprietary, NDA Required / PreliminaryProduct OverviewNOTE:The UART and RS232 interfaces cannot operate simultaneously. • USB interface: Full speed (12 Mbit/s) USB node device, HCI USB transport layer, 3.3 V operation, self-powered, National USBN9604 USB controller.The following list shows the USB limitations:— USB interface is for evaluation purposes and only included for ease of use.— Supports OpenUSBDI-compatible USB controllers. USB v1.1.— Does not support Open HCI.— Production release of the MC71000 will not support USB.• Audio connections, with audio routed either to the CODEC or through the transport layer2.3 ApplicationsThe Development Kit supports the Headset application. A separate Headset User’s Guide is TBD.2.4 ICsThe Development Kit is supplied with the following Bluetooth ICs from Motorola:• MC71000 Bluetooth Baseband Controller IC• MC13180 Bluetooth Low Power Wireless Data Transceiver IC• MC13181 Wireless Power Management IC Future Development Kit releases will contain the MRFIC2408 External Power Amplifier IC.2.5 Software ToolsThe Bluetooth Development Kit is accompanied by the following software tools:• Bluetooth HCI Terminal• Configuration manager• DemoBenchThe following sections describe briefly each of the software tools. A separate user’s guide for each tool is included on the Development Kit CD.
Software ToolsMOTOROLA Product Overview 2-7Motorola Confidential Proprietary, NDA Required / Preliminary2.5.1 Bluetooth HCI TerminalWith the Bluetooth HCI Terminal you can interact with your Bluetooth hardware. The interface is similar to that of an AT Terminal application when communicating with a modem. The Bluetooth HCI Terminal makes it easy to send HCI commands from a computer to a Bluetooth device. Likewise, it is easy to receive HCI responses from a Bluetooth device. Consequently, you can get hands-on experience with the HCI. Or you can test your own Bluetooth hardware.The Bluetooth HCI Terminal is accompanied by the Bluetooth HCI Terminal Guide, accessible from the document overview on the CD: 2.5.2 Configuration ManagerThe Configuration Manager is an application that allows you to handle the Development Kit file system. With this tool, you can download firmware patches and set up a number of baseband and radio parameters to exercise the board. All parameters are restorable and default settings are stored automatically.The Configuration Manager is accompanied by a user’s guide, accessible from the document overview on the CD.2.5.3 DemoBenchThe DemoBench is a demonstration tool that can be used for a number of purposes. You can send a file to another Bluetooth device, “chat” with another Bluetooth device, and view link and packet statistics in a real-time application.The DemoBench is accompanied by a user’s guide, accessible from the document overview on the CD.
2-8 Development Platform Kit User Guide MOTOROLAMotorola Confidential Proprietary, NDA Required / PreliminaryProduct Overview
MOTOROLA Setup 3-9Motorola Confidential Proprietary, NDA Required / PreliminaryChapter 3SetupThis section provides instructions for setting up the Development Kit hardware and software. 3.1 Setting Up BoardTo get the board up and running, do the following:1. Connect the board and PC via the UART (RS232) cable.NOTE:The first time you start up the board, you can only run UART, not USB.2. Attach power supply to DC connector on board and connect to main electricity supply.3. Insert the CD in the CD-ROM drive of your PC and follow the onscreen instructions.3.2 Running UARTTo run UART, do the following:1. Get the board up and running as described above.2. Download the UART application from the Configuration Manager on the CD.3.3 Running USBNOTE:The first time you start up the board, you can only run UART, not USB.Follow the above setup instructions.To run USB, do the following:1. Make sure the power is turned off the board.2. Connect the board and PC via the UART (RS232) cable.3. Attach power supply to DC connector on board and connect to main electricity supply.4. Download the USB application from the Configuration Manager on the CD.
3-10 Development Platform Kit User Guide MOTOROLAMotorola Confidential Proprietary, NDA Required / PreliminarySetup5. Within the Configuration Manager, go to Settings>Com Port and select the USB option.6. Follow the instructions on screen to disconnect the UART (RS232) cable and connect the USB cable.
MOTOROLA Hardware 4-11Motorola Confidential Proprietary, NDA Required / PreliminaryChapter 4HardwareThis section provides information on various aspects of the Development Kit hardware. In addition, Appendix A, “Board Diagram“, contains a diagram of the Development Kit board.4.1 Signal and Connection DescriptionsThe development kit contains the following connections, switches, and indicators:• Power supply input• Modular jack 4/4 connector for mono-audio speaker and microphone (headset application)• RS232 interface• UART interface• USB interface• Antenna connector• JTAG allowing interface to MC71000 production test• Reset switch• Four control buttons for the headset application• On/off switch• Seven status LEDsThe power supplied for the development kit is DC with the ratings stated in the specifications.An analog audio signal to be transmitted over the Bluetooth connection can be fed into the development kit via the modular jack or as streaming audio through the host interface. It will be converted to digital data and transmitted through the Bluetooth link. A digital audio signal received from a connected Bluetooth device will be converted to an analog audio signal and available at the modular jack or as streaming audio through the host interface (UART, SSI, SPI). The MC71000 has a Bluetooth Audio Signal Processor (BTASP) for superior audio performance.The RS232/UART interfaces can be used to transfer data and audio between a host and the Bluetooth device. The firmware of the development kit can be upgraded through the RS232/UART interface.The USB interface is a standard HCI USB interface. This interface can be used to connect the development kit to a PC or other devices with  PC-compatible USB connections.The CODEC is attached to the MC71000 via the SPI (data) and SSI (streaming audio) interfaces.The antenna connector is an SMA 50 ohm connection.
4-12 Development Platform Kit User Guide MOTOROLAMotorola Confidential Proprietary, NDA Required / PreliminaryHardwareThe reset switch can be activated to re-initialize the entire system.Four buttons are provided for embedded applications: • Volume up• Volume down• Function 1 (connection etc.)• Function 2 (this is an extra button)Seven status LEDs are provided:• Two application-specific LEDs• Class 2• 24 MHz/32 kHz•RX/TX•Power on• Diversity (shows which antenna is being used)4.2 EnvironmentalThis section contains system level environmental information:• Storage temperature (degrees centigrade): —Min. -40—Max +125• Operating temperature (degrees centigrade): —Min. -20—Max +854.3 MechanicalThis section contains system level mechanical information:• Length: 100 mm• Width: 100 mm• Height (PCB with components): 20 mm• Layout, FR4, 6 layer: 1 mm4.4 ElectricalThis section contains electrical information:• Input power supply requirements: 3.5-6.5 VDC
ElectricalMOTOROLA Hardware 4-13Motorola Confidential Proprietary, NDA Required / Preliminary• Audio input: 65m Vpp• Audio output: 1.6 Vpp, modular jack 4/4 connectorThe following table shows the current consumption measurements of the circuits of the MC71000 Bluetooth Baseband Controller and MC13180 Bluetooth Low Power Wireless Data Transceiver ICs. Note that the table contains typical values.4.4.1 Power SupplyThe board is fed with power from on-board standard regulators. The on-board power supply regulators should be fed with the supply provided, which generates the following voltages for the board:    •1.85 V  •2.65 V •3.3V   4.4.2 Reset CircuitThe board includes a push button for full system reset of the MC71000 and all peripherals.4.4.3 ClocksThe clocks in the system are as follows:• Sleep mode clock: 32.768 kHz.• Active mode clock: 24 MHz from MC13180 radio module The MC71000 includes an internal oscillator circuit for the 32.768 kHz sleep mode clock. Only an external crystal and a few other components are needed.Table 1: Current Consumption Measurements of MC71000 and MC13180 CircuitsDH5 asymmetric RX 50.4 mA TX rate 57.6 kbits RX rate 723.2 kbitsDH5 asymmetric TX 48.5 mA TX rate 723.2 kbits RX rate 57.6 kbitsDH5 symmetric 45.8 mA TX rate 433.9 kbits RX rate 433.9 kbitsHV1 45.8 mAHV3 27.8 mATotal system in low-power mode 0.130 mA
4-14 Development Platform Kit User Guide MOTOROLAMotorola Confidential Proprietary, NDA Required / PreliminaryHardware4.4.4 MemoryThe MC71000 has embedded memory of 256 Kbytes of ROM and 64 K of RAM. An image can be uploaded from a host system, or a low-cost serial EEPROM (four-wire connection). For more information on the contents and structure of the MC71000 memory, please refer to the Bluetooth Platform Solution Embedded System User’s Guide. This is accessible from the document overview on the Development Kit CD.4.4.5 UART InterfaceThe UART interface is embedded in the MC71000. However, an external level converter is needed. For this purpose, the MAX3237 1.0 Mbit level converter is used. The level converter is connected to the MC71000 and a female 9-pin D-sub. The connection between the level converter and the MC71000 is passed through a jumper block in order to aid debugging, and, if ever needed, to use a different type of level converter. 4.4.6 USB Interface The USB interface consists of the National USBN9604 USB device controller. A 3.3 V power supply is used for the USBN 9604.For information on the USB limitations of the Development Kit, see the section “USB Limitations”4.4.7 CODEC InterfaceThe audio interface consists of the Xemics XE3006 CODEC, a 4-pin header and a 4/4p amp connector. As to the power supply for the CODEC, both 1.8 V and 3.3 V are selectable by a “+” formation jumper. Sampling rate is configured at 7.8125 kHz.4.4.8 AntennaThe Development Kit contains an F entenna and an SMA 50 Ohm antenna connector.4.5 Reference DesignsThe Bluetooth Platform Solution reference designs include the following: Host optimized, host non-optimized, and standalone (headset). Descriptions and schematics are included in the Bluetooth Platform Solution Reference Designs document. This is accessible from the document overview on the Development Kit CD.
MOTOROLA Limitations 5-15Motorola Confidential Proprietary, NDA Required / PreliminaryChapter 5LimitationsThis section deals with the known limitations of the Bluetooth Development Kit.5.1 USB LimitationsThe Bluetooth Development Kit has the following USB limitations:• The USB interface is for evaluation purposes only. It is only included for the purpose of showing full bandwidth.• Supports OpenUSBDI-compatible USB controllers. USB V1.1.    • Does NOT support Open HCI.    • No USB logo certification.• MC71000 does NOT support USB. USB controller is external USBN9604 from National.For general information on USB, please see www.usb.org.
5-16 Development Platform Kit User Guide MOTOROLAMotorola Confidential Proprietary, NDA Required / PreliminaryLimitations
MOTOROLA Regulatory 6-17Motorola Confidential Proprietary, NDA Required / PreliminaryChapter 6RegulatoryThis section contains regulatory statements, a list of the countries where the Development Kit will be type approved, and information on what is needed by developers to obtain type approvals for their products.6.1 Regulatory StatementsNOTE:Users are not permitted to make changes or modify the system in any way.Changes or modifications not expressly approved by the party responsiblefor compliance could void the user’s authority to operate the equipment.6.1.1 GeneralThis product complies with any mandatory product specification in any country where the product is sold. 6.1.2 European Union (EU) and EFTAThis equipment complies with the R&TTE directive 1999/5/EC and has been provided with the CE mark accordingly.6.1.3 France This equipment may only be used as a Class 2 device, not as a Class 1 device. Note also that only indoor use is allowed.6.1.4 Nederland(Applies to 20dBm products only) Niet voor gebruik in de buitenlucht.Deze apparatuur is uitsluitend bedoeld voor gebruik binnenshuis.This device is intended for evaluation and development purposes by professionals only and is NOTfor re-sale.
6-18 Development Platform Kit User Guide MOTOROLAMotorola Confidential Proprietary, NDA Required / PreliminaryRegulatory6.1.5 United States of America and CanadaTested to comply with FCC Standards FOR HOME OR OFFICE USE. See FCC 47CFR part 15.19(b)(2)This device complies with part 15 of the FCC rules and with RSS-210 / RSS-139 of the Industry Canada. Operation is subject to the following two conditions: (1) This device may not cause harmful interference, and (2) this device must accept any interference received, including interference that may cause undesired operation. See FCC regulation CFR47 sec. 15.19(3).This equipment has been tested and found to comply with the limits for a Class B digital device, pursuant to part 15 of the FCC Rules. These limits are designed to provide reasonable protection against harmful interference in a residential installation. This equipment generates, uses and can radiate radio frequency energy and, if not installed and used in accordance with the instructions, may cause harmful interference to radio communications. However, there is no guarantee that interference will not occur in a particular installation. If this equipment does cause harmful interference to radio or television reception, which can be determined by turning the equipment off and on, the user is encouraged to try to correct the interference by one or more of the following measures:• Reorient or relocate the receiving antenna• Increase the separation between the equipment and receiver• Connect the equipment into an outlet on a circuit different from that to which the receiver is connected• Consult the dealer or an experienced radio/TV technician for helpIn order to comply with FCC RF Exposure requirements, a minimum separation distance of 20 cm must always be maintained between the transmitter antenna and all persons during normal operation.Note that any changes or modifications to this equipment not expressly approved by the manufacturer may void the FCC authorization to operate this equipment.See FCC regulation CFR47 sec. 15.21.6.1.6 Canada Compliance (Industry Canada)To prevent radio interference to the licensed service, this device is intended to be operated indoors and away from windows to provide maximum shielding. Equipment that is installed outdoors is subject to licensing.In French: Pour empêcher un brouillage radioélectrique au service faisant l'objet d'une licence, cet appareil doit être utilisé à l'interieur et loin des fenêtres afin de founir un écran de blindage maximal. Au cas aù un installation en plain air, le materiel doit faire l'objet d'une licence.6.1.7 SingaporeThis product complies with the standard Infocomm Development Authority of Singapore (IDA) TS SSS amended by the Guidance notes on Bluetooth Type Approval Framework and has been approved by the IDA under the Type Approval Certificate (TAC) number: Motorola TAC number TBDThe supplier of this equipment is responsible that the equipment can be used as described in the accompanying documentation. Furthermore, the supplier is responsible for providing proper installation and after-sales maintance of the equipment to meet the user's needs. Under no circumstances is the IDA liable for the use, installation, or after-sales maintenance of the equipment.
Regulatory StatementsMOTOROLA Regulatory 6-19Motorola Confidential Proprietary, NDA Required / Preliminary6.1.8 BrazilEste equipamento opera em caráter secundário, isto é, não tem direito a proteção contra interferência prejudicial, mesmo de estações do mesmo tipo, e não pode causar interferência a sistemas operando em caráter primário.6.1.9 Japan6.1.10 Taiwanߎߩᯏེߩ૶↪๟ᵄᢙᏪߢߪޔ㔚ሶ࡟ࡦࠫ╬ߩ↥ᬺ࡮⑼ቇ࡮ක≮↪ᯏེߩ߶߆Ꮏ႐ߩ⵾ㅧ࡜ࠗࡦ╬ߢ૶↪ߐࠇߡ޿ࠆ⒖േኻ⼂೎↪ߩ᭴ౝή✢ዪ (఺⸵ࠍⷐߔࠆή✢ዪ)  ෸߮․ቯዊ㔚ജή✢ዪ (఺⸵ࠍⷐߒߥ޿ή✢ዪ)  ߇ㆇ↪ߐࠇߡ޿߹ߔޕ 1  ߎߩᯏེࠍ૶↪ߔࠆ೨ߦޔㄭߊߢ⒖േ૕⼂೎↪ߩ᭴ౝή✢ዪ෸߮․ቯዊ㔚ജή✢ዪ߇ㆇ↪ߐࠇߡ޿ߥ޿ߎߣࠍ⏕⹺ߒߡߊߛߐ޿ޕ 2  ਁ৻ޔߎߩᯏེ߆ࠄ⒖േ૕⼂೎↪ߩ᭴ౝή✢ዪߦኻߒߡ㔚ᵄᐓᷤߩ੐଀߇⊒↢ߒߚ႐วߦߪޔㅦ߿߆ߦ૶↪๟ᵄᢙࠍᄌᦝߔࠆ߆෶ߪ㔚ᵄߩ⊒኿ࠍ஗ᱛߒߚ਄ޔਅ⸥ㅪ⛊వߦߏㅪ⛊㗂߈ޔᷙା࿁ㆱߩߚ߼ߩಣ⟎╬ (଀߃߫ޔࡄ࡯࠹࡚ࠖࠪࡦߩ⸳⟎ߥߤ)  ߦߟ޿ߡߏ⋧⺣ߒߡߊߛߐ޿ޕ 3  ߘߩઁޔߎߩᯏེ߆ࠄ⒖േ૕⼂೎↪ߩ․ቯዊ㔚ജή✢ዪߦኻߒߡ㔚ᵄᐓᷤߩ੐଀߇⊒↢ߒߚ႐วߥߤ૗߆߅࿎ࠅߩߎߣ߇⿠߈ߚߣ߈ߪޔᰴߩㅪ⛊వ߳߅໧޿วࠊߖਅߐ޿ޕ          ㅪ⛊వ㧦03-3440-3311 (+81-33440-3311)
6-20 Development Platform Kit User Guide MOTOROLAMotorola Confidential Proprietary, NDA Required / PreliminaryRegulatory6.2 Obtaining Type ApprovalsCustomers of Motorola Bluetooth chipsets will face some Bluetooth qualification and regulatory requirements for their products. The following lists the requirements for the major markets as defined by Digianswer/Motorola as tier 1 countries: Australia, Canada, Europe (15 + 4 EFTA countries), Japan, New Zealand and US. A number of other countries worldwide will accept the test reports made for Europe and/or US approvals.Motorola chipsets (radio/baseband) are pre-qualified as Bluetooth components. Also any variants of Motorola software stacks will be pre-qualified. The assumption of pre-qualification provides that customers will implement the radio module (radio chip including surrounding components and print layout) without any changes.6.2.1 Requirements for Bluetooth QualificationBaseband chipset will be used as a pre-qualified component and do not require re-testing.Any incorporated variant of Motorola software stack will be used as a pre-qualified component and do not require re-testing.Radio will need to be re-tested in the product layout for the following 8 (of 16) test cases:If changes are made to the Development Kit radio module BOM or layout, all 16 Bluetooth test cases will be required to be re-tested. Depending on the nature of changes to the radio, re-testing might only be necessary in normal temperature. This has to be decided by the BQB in each case.6.2.2 Requirements for regulatory type approvals:The following regulatory testing needs to be made:• For CE-marking: EN 300 328-2 (emission), EN 301 489-17 (EMC), EN 60950 (safety)• For Japan approval: ARIB T-66.• For FCC grant: CFR47 part 15.205, 15.209 and 15.247 (except 15.247e: processing gain)NOTE:As Motorola radios will be approved by FCC as radio modules and theTable 6-1.   TRM/CA/04/E TX Output Spectrum-Frequency rangeTRM/CA/08/E Initial Carrier Frequency ToleranceTRM/CA/09/E Carrier Frequency DriftTTRC/CA/01/E Out-of-Band Spurious Emissions-radiatedRCV/CA/02/E Sensitivity-multi-slot packetsRCV/CA/03/E C/I performanceRCV/CA/04E Blocking performanceTP/PHYS/TRX/BV-05-C Symbol rate
Obtaining Type ApprovalsMOTOROLA Regulatory 6-21Motorola Confidential Proprietary, NDA Required / PreliminaryFCC testing can be avoided for regulatory purposes for radio modules,provided no changes are made to the radio module BOM or layout, it willstill be necessary to perform the Out-of-Band SpuriousEmissions-radiated-test of part 15.209.The product might be subject to additional product specific regulations, such as PSTN regulations and other.Type approval applications have to be filed to the national authorities for each product. Documentation submitted for type approvals can vary from country to country, but will in general include: test reports, pictures, BOM, schematics, PCB layouts, product descriptions (block diagrams), antenna information, SAR statements (see below), label/manual information (legal text) and manufacturer information.Both in Europe and US regulators are currently working on new sets of rules for combined radio equipment as well as rules for SAR. Test requirements for SAR (including combined radio) will most likely be topical within the next year.
6-22 Development Platform Kit User Guide MOTOROLAMotorola Confidential Proprietary, NDA Required / PreliminaryRegulatory
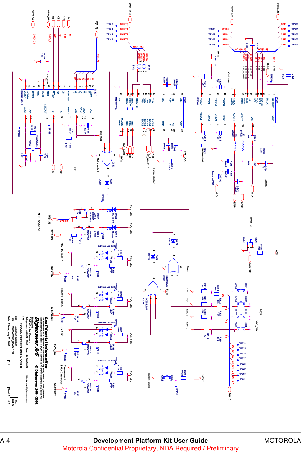
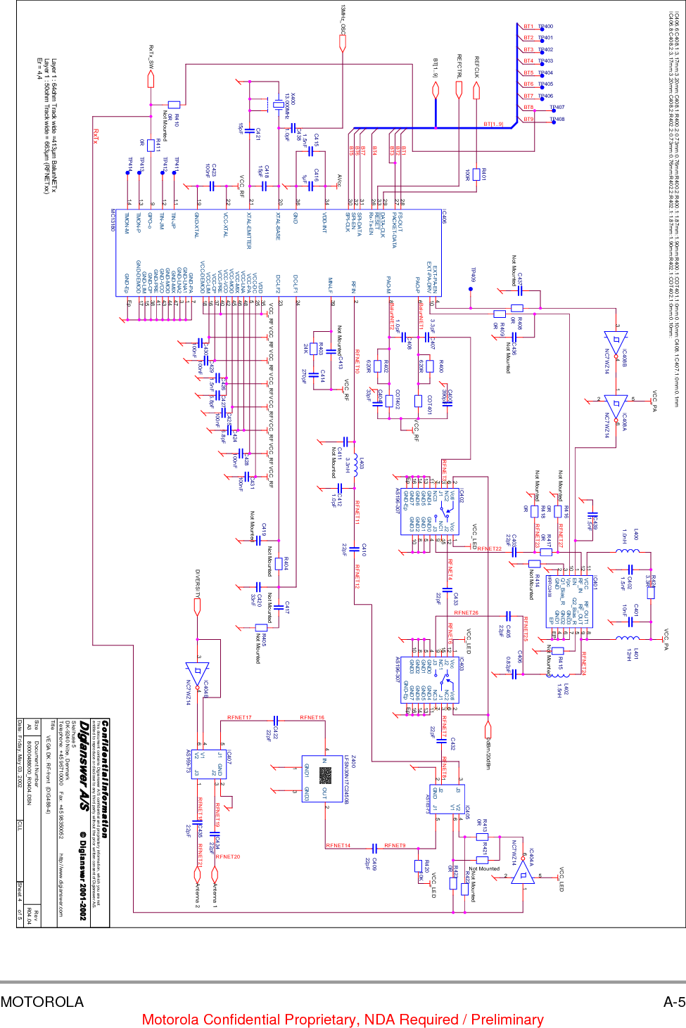
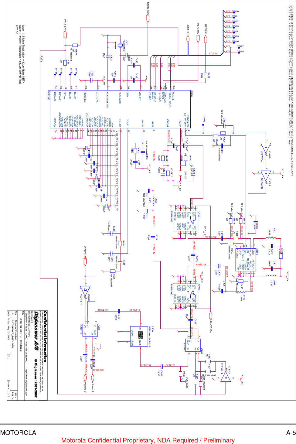
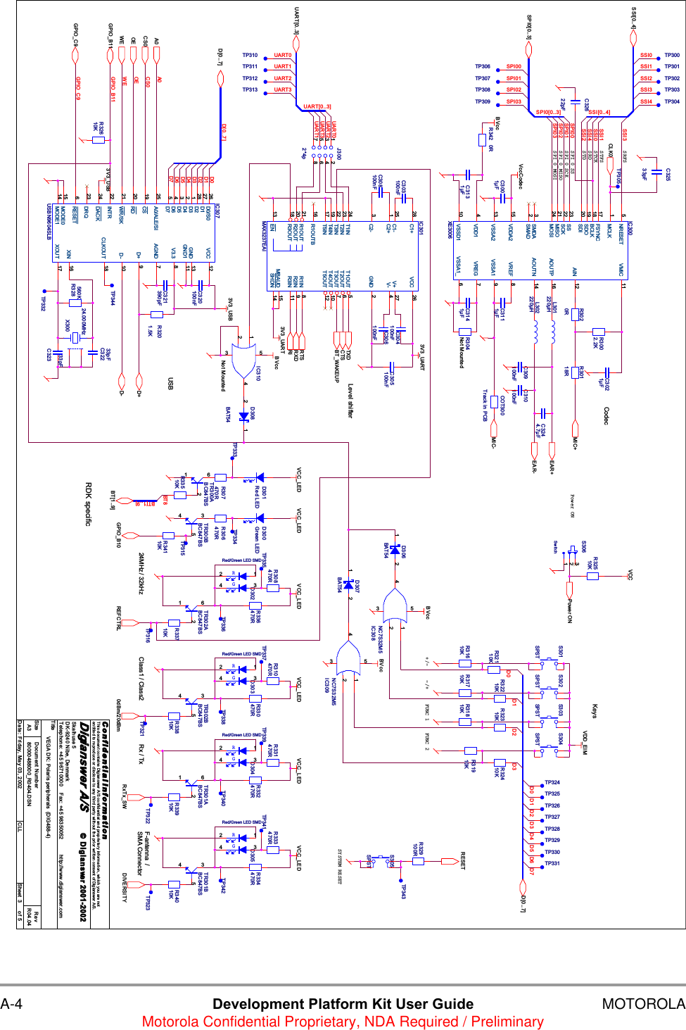
MOTOROLA A-1Motorola Confidential Proprietary, NDA Required / PreliminaryAppendix ABoard DiagramThe following pages show a diagram of the Development Kit board.
A-2 Development Platform Kit User Guide MOTOROLAMotorola Confidential Proprietary, NDA Required / PreliminaryRTSTXDRXDCTSRFNET28RxTx_SW0dBm/20dBmMIC-EAR-MIC+EAR+D[0..7]GPIO_B11RTCKWETDIA0GPIO_B10D7TMSMAIN-TRSTTDOGPIO_C9SPI0[0..3]SSI[0..4]JTAG_RESETREFCLKPower ONBT[1..9]TCKUART[0..3]CS0CLK0OEResetREFCTRLMAIN+DIVERSITYRFNET29VDD_EIMHVDD1V85HVDD1V85TitleSize Document Number RevDate: Sheet ofC o n f i d e n t i a l  I n f o r m a ti o nThis document contains Digianswer A/S confidential and proprietary information, which you are notentitled to reproduce or disclose to any third party without the prior written consent of Digianswer A/S.© Digianswer80000488000_R0404.DSN R04.04VEGA DK: Polaris peripherals  (DIG488-4)Digianswer A/SSkalhuse 5DK-9240 Nibe, DenmarkTelephone: +45 96710000    Fax: +45 98350052          http://www.digianswer.comA315Friday, May 03, 2002 CLL2001-2002UARTUSB3.5 - 5.5 VDCAUDIOinterfaceModular 4/4Power SupplyPlaced i matrix 2x10 @0,1''ANTENNAMAIN SYSTEM OSC.Sleep mode OSCA101Primus datum point (Compside)TP111TP114J105USB Serie-BVUSB1DATA-2DATA+3GROUND4SHIELD15SHIELD26HOLE102np hole ø2.2mmCO104PCB Corner MarkTP124TP123TP120J100DC3214L102Not MountedTP103IC102MMQA5V6T1Not MountedC16A1 5C24C33A2 2C41R10918RA102Secundary fiducial point (Compside)TP115R104 0RR10610KHOLE103np hole ø2.2mmJ109Not Mounted12534CO102PCB Corner MarkJ1064/4p11223344TP107TP112J1039p Female Ang594837261m1 m2TP121TP104C10522pFTP106J108Not Mounted12534TP116A103Secundary fiducial point (Soldside)Sheet 3Polaris peripheralsD[0..7]MIC+TXDCTSRXDRTSEAR+EAR-GPIO_B11GPIO_B10CLK0UART[0..3]GPIO_C9SSI[0..4]SPI0[0..3] MIC-Power ONResetA0CS0OEWEREFCTRLD-D+RxTx_SW0dBm/20dBmDIVERSITYBT[1..9]BT_WAKEUPRiTP109HOLE104np hole ø2.2mmCO101PCB Corner MarkTP113TP102Testpoint Coax (Soldside)TP122C1061µFTP117C10422pFL1000RR11018RCO103PCB Corner MarkR1030RNot MountedC100100nFR10010KJ1072p1 2TP118Sheet 4RF FrontBT[1..9]Antenna 1REFCLKREFCTRLAntenna 2DIVERSITYRxTx_SW0dBm/20dBm13MHz_OSCJ102SMA Receptacle, Female12534BARCODE101Label 21*6mm Test BarCodeTP110HOLE101np hole ø2.2mmR10710KL1010RTP105IC100MMQA5V6T1C1 6A15C2 4C3 3A22C4 1R105 0RSheet 2PolarisTDITMSTCKTTSRTCKBT[1..9]SSI[0..4]UART[0..3]SPI0[0..3]TRSTGPIO_B11GPIO_B10GPIO_C9REFCTRLCLK0D[0..7]TDOREFCLKMAIN-MAIN+Power ONResetCS0OEWEA0DIVERSITYJTAG_RESET0dBm/20dBm32kHz_OSCTP119ANT100F_AntennaTP108
MOTOROLA A-3Motorola Confidential Proprietary, NDA Required / PreliminaryD7CS0EXTALREFCLKSPI1[0..3]0dBm/20dBmBTCLKWEGPIO_B10OEREFCTRLSPI10D[0..7]SPI11GPIO_C9SPI12CS1SPI13S_invGPIO_B11SPI10RESETSPI11SPI12SPI13SPI13SPI12SPI11CLK0SPI0[0..3]Q2PWMSPI10DIVERSITYD0S_invBT1BT2BT5BT7BT9BT3BT6BT8BT[1..9]SSI0D1SSI2SSI1SSI3SPI03GPIO_B3SPI02SPI00SSI4SPI01SSI[0..4]D2D3BT4D4UART0UART1UART3UART2Q2UART[0..3]D50dBm/20dBmD6XTALPWMA0SPI0[0..3]MAIN+MAIN-UART[0..3]GPIO_B11GPIO_B10BT[1..9]SSI[0..4]D[0..7]GPIO_C9TRSTRESETREFCLKREFCTRLCLK0OEWE0dBm/20dBmPower ONTDITMSTCKTTSTDORTCKCS0DIVERSITYJTAG_RESET32kHz_OSCBVccVCC_RFVCCHVDD1V85HVDD1V85VCCHVDD1V85VccCodecHVDD3V3VCCVCC_PAVCCHVDD3V3HVDD3V33V3_USBHVDD3V3 3V3_UARTVCC_LEDHVDD3V3HVDD1V85HVDD3V3AVccHVDD3V3HVDD1V85 AVccHVDD3V3HVDD3V3VDD_EIMTitleSize Document Number RevDate: Sheet ofC o n f i d e n t i a l  I n f o r m a ti o nThis document contains Digianswer A/S confidential and proprietary information, which you are notentitled to reproduce or disclose to any third party without the prior written consent of Digianswer A/S.© Digianswer80000488000_R0404.DSN R04.04VEGA DK: Polaris (DIG488-4)Digianswer A/SSkalhuse 5DK-9240 Nibe, DenmarkTelephone: +45 96710000    Fax: +45 98350052          http://www.digianswer.comA325Friday, May 03, 2002 CLL2001-2002BatteryMemoryR216Not MountedJ2003p123S201Switch123C21610pFC2381.0pFR232Not MountedR20610KC217100nFC203100µFC2281µFTP212R2220RC2101µFTP206TP221TP213C218100nFR236Not MountedTP209R231500mA1 2R221 0RC208100nFJ2011p11C235Not MountedTP224C225100nFX20032.768KHzR226 0RIC201MC71000TRST_BK10TDIJ10TDOH9TMSH8TCKG7MODE0G9MODE1F6REFCLK J6REFCTRL K4RESETIN_BF10CS0_BA3Frame synch  BT1 K7RxD  BT2 J7TxD  BT3 K8RxTxEN  BT4 J8SPI clk  BT5 K6SPI_en  BT6 K5SPI do/SPI di  BT7 J5PWM0 / TX_en / GPO0  BT8 H6PWM1 / PA_en / GPO1  BT9 H7VDDpa H5GNDcore_I1_EIM F3EXTAL J9XTAL K9GNDcore_I2_EIM H4GNDcore_I3 F9GNDcore_I4_EIM D4VDDcore_I1_EIM F2VDDcore_I2_EIM J4VDDcore_I3_EIM K3VDDcore_I3 F8GNDpc C7VDDpc B7VDDpb C8GNDpb D8SSI_STCKA9SSI_STFSC9SSI_STDB9SSI_SRCKA10SSI_SRFSC10SSI_SRDB10SPI_0_SS_BB8SPI_0_SCKD9SPI_0_MISOE8SPI_0_MOSID10SPI_1_SS_BD6SPI_1_SCKA6SPI_1_MISOB6SPI_1_MOSIC6CLK0E9TXDB5RXDA7CTS_BA5RTS_BA8TTSG8CS1_BC3A0B3A1E4A2A2A3D3A4F5A5B2A6A1A7B1A8C2A9C1A10D2A11D1D0F1D1G4D2G3D3G1D4G2D5H3D6H1D7H2RTCKH10GNDmisc_I1 G6VDDmisc_I1 G10OE_B B4WE_B A4GPIO_B10 F7GPIO_B11 E7GPIO_B12 E10CLK1E5GPIO_C9 C5OSC32k D5SYSCLK E6BTCLK D7VDD_I3_EIM K1VDD_I2_EIM E1VDDcore_I4_EIM C4VDD_I4_EIM K2GNDcore_I3_EIM J3GND_I4_EIM J2GND_I3_EIM J1GND_I2_EIM E2GND_I7_EIM F4VDD_I7_EIM E3GNDpa G5R233Not MountedR2427.5R R215 0RR2091.5RC230100nFIC205AT25HP512-10CI-1.8 CS 1SO 2WP3GND4SI 5SCK 6HOLD7VCC8J2021p11X201Not MountedTP218R219 0RTP201R24010MR207 1.0KR2410RC220100nFTP217C21210pFR205470RR2230RR220 0RTP222D203Green LEDC236Not MountedTP220IC206ANot Mounted1 652TP225C224100nFC207100nFC2143.3µFTP214J2043p123R21010MTP215C2393.3µFC229100nFC2371.0pFTP211C213100nFR22910KTP202R2041.5RC234100nFC226100nFR2110RR21310KR2181.0RR234Not MountedTP204C2056.8µFR217Not MountedTP223TP226R2301.5KTP219R2031.0KC206100nFTP216C227100nFIC206BNot Mounted3 4COT201Track in PCBTP200IC202MC13181VCC13Vin+24Vin-23HysteresisSelect21DelayCap 9Q1_b10 S INV6Q211S OR122V65_ENABLE17 1V85_ENABLE183V0/3V3 sel143V0/3V3 ENABLE13AGND1 4OUT3V0/3V3 7OUT2V65 1OUT1V85 19RESET_b 15Detect 22REFOUT 2VCC28Shutdown16AGND2 20SGND 5EP EPIC203LP2981IM5-3.3IN1OUT 5ON/OFF3GND 2NC 4TP210TP207 TP208TP203R2140RR239 0RR212100K
A-4 Development Platform Kit User Guide MOTOROLAMotorola Confidential Proprietary, NDA Required / PreliminaryUART3UART2UART0UART1SPI00SPI01SPI02SPI03SPI00SPI01SPI02SPI03SSI1SSI2SSI3D0SSI4D1 D2SSI0D3 D7D6D5D4BT[1..9]BT8SSI4SSI2GPIO_B11D3CS0OEWED2D1D7D0A0UART0D2D1D6UART1D4D0D3D[0..7]D5UART[0..3]UART2GPIO_C9UART3SSI[0..4]SSI3SSI1SPI0[0..3]SSI0UART[0..3]SPI0[0..3]SSI[0..4]D[0..7]GPIO_B10GPIO_C9D+D-D[0..7]GPIO_B11MIC-DIVERSITYBT[1..9]MIC+RESETA0OEWEEAR+EAR-RxTx_SWCS0CLK00dBm/20dBmTXDCTSRTSRXDBT_WAKEUPRiPower ONREFCTRL3V3_UARTVccCodecVCC_LED VCC_LED VCC_LED VCC_LEDBVccBVccVCC_LED VCC_LED3V3_USB3V3_UARTBVcc3V3_USBVCCBVccVDD_EIMTitleSize Document Number RevDate: Sheet ofC o n f i d e n t i a l  I n f o r m a ti o nThis document contains Digianswer A/S confidential and proprietary information, which you are notentitled to reproduce or disclose to any third party without the prior written consent of Digianswer A/S.© Digianswer80000488000_R0404.DSN R04.04VEGA DK: Polaris peripherals  (DIG488-4)Digianswer A/SSkalhuse 5DK-9240 Nibe, DenmarkTelephone: +45 96710000    Fax: +45 98350052          http://www.digianswer.comA335Friday, May 03, 2002 CLL2001-2002SRFSSTCKSRDSTFSSYSTEM RESETSPI_0_SSSPI_0_SCKSPI_0_MISOSPI_0_MOSISTDRx / TxRDK specific24MHz / 32kHz F-antenna  /SMA ConnectorClass1 / Class2Power ON+/- -/+ FUNC 1 FUNC 2CodecUSBLevel shifterKeysX30024.000MHzD300Green LEDIC301MAX3237EAIC1+28C1-25C2+1C2-3T1IN24T2IN23R1OUT21R2OUT20VCC 26V+ 27V- 4GND 2T1OUT 5T2OUT 6R1IN 8R2IN 9T3IN22T4IN19T5IN17T3OUT 7T4OUT 10T5OUT 12R1OUTB16R3OUT18 R3IN 11MBAUD 15SHDN 14EN13R328560KD306BAT5421TP300C305100nFR308470RR307470RC321390pFTR302BBC847BS534TP328TP333TP342R31710KR3020RTP302TP322R32110KTP313R334470RR32410KGRD304Red/Green LED SMD14 32TR302ABC847BS261L301220µHR3002.2KC32533pFC309100nFIC307USBN9604SLBCS19RD20WR/SK21INTR22DRQ23DACK24A0/ALE/SI25D0/S026D127D228D31D42D53D64D75RESET6AGND 7V3.3 8D+ 9D- 10GND1 11VCC 12GND 13MODE114 MODE015 XIN 16XOUT 17CLKOUT 18C32333pFD301Red LEDC303100nFGRD303Red/Green LED SMD14 32TP329C3131µFS305SPSTTP303TP340TP341TR301ABC847BS261TR300BBC847BS534R32510KTP336R33710KR31810KTP324TP323TP344IC310Not Mounted12453TP316R32210KC3244.7µFD307BAT5421S301SPSTTP309S302SPSTR336470RR304Not MountedL302220µHC3111µFR34010KTP339R3201.5KR342 0RJ3002*4p1 23 45 67 8D308BAT542 1TP335C308100nFS306Switch123TP325TP330R331470RTP338TR301BBC847BS534C3021µFR31910KC304100nFTP304TP308R310470RR329100RTP312TP321S303SPSTIC300XE3006MCLK1SMAD2SMDA3VDD14NRESET5VSSA1_ 6VREG 7VREF 8VSSA1 9VSSD110VMIC 11AIN 12VSSA213AOUTN 14VDDA215AOUTP 16FSYNC17BCLK18SDO19SDI20MISO21 SCK22 SS23MOSI24TP301R32310KGRD302Red/Green LED SMD14 32IC309NC7S32M512453TP326TP331TP337C320100nFTP311C3001µFR33510K R33810KR332470RR30118RC32233pFR306470RTP343TP307C306100nFC3141µFTP332R333470RR31610KCOT300Track in PCBTP327TP334S304SPSTR32610KGRD305Red/Green LED SMD14 32R34110KR33910KR330470RC32622pFTP310C310100nFIC308NC7S32M512453TP315TR300ABC847BS261TP305TP306
MOTOROLA A-5Motorola Confidential Proprietary, NDA Required / PreliminaryRFNET11 R FNET12RFNET14RFNET7RFNET6RFNET18RFNET19RFNET17RFNET20RFNET4RFNET21RFNET22RFNET9RFNET26RFNET24RFNET27RFNET23RFNET25RFNET16RFNET3 RFNET8BT5BT1BT3BT4BT5BT3BT9BT4BT2BT6BT6BT7RFNET10BT7BT8BalunNET1IC406.6:C408.1:3.17mm:3.20mm:C408.1:R400.2:0.73mm:0.76mm:R400.2:R400.1:1.87mm:1.90mm:R400.1:COT401.1:0mm:0.10mm:C408.1:C407.1:0mm:0.1mmBalunNET2IC406.8:C408.2:3.17mm:3.20mm:C408.2:R402.2:0.73mm:0.76mm:R402.2:R402.1:1.87mm:1.90mm:R402.1:COT402.1:0mm:0.10mm:BT[1..9]BT1BT2RxTxDIVERSITYREFCTRLREFCLKRxTx_SWBT[1..9]Antenna 1Antenna 20dBm/20dBm13MHz_OSCVCC_LEDVCC_LEDVCC_PAVCC_RFVCC_PAVCC_LEDVCC_LEDVCC_RFVCC_RFVCC_RFVCC_RF VCC_RFVCC_RFVCC_RFVCC_RFVCC_RFVCC_RFAVccTitleSize Document Number RevDate: Sheet ofC o n f i d e n t i a l  I n f o r m a ti o nThis document contains Digianswer A/S confidential and proprietary information, which you are notentitled to reproduce or disclose to any third party without the prior written consent of Digianswer A/S.© Digianswer80000488000_R0404.DSN R04.04VEGA DK: RF-front  (DIG488-4)Digianswer A/SSkalhuse 5DK-9240 Nibe, DenmarkTelephone: +45 96710000    Fax: +45 98350052          http://www.digianswer.comA345Friday, May 03, 2002 CLL2001-2002Layer 1 : 64ohm Track wide =413µm BalunNETxLayer 1 : 50ohm Track wide = 663µm (RFNETxx)Er = 4,4R400620RL4001.0nHL4033.3nHTP414C430100nFR4090RC431100nFTP407TP411R4170RIC401MRFIC2408Vpc10 EN1RF_IN12Q1_Bias_R3GND2GND1 4VCC11 RF_OUT1 8RF_OUT 9GND2 6GND3 7Q2_Bias_R 5EP EPC4121.0pFTP402C436Not MountedC41815pFIC408BNC7WZ143 4C4261.5nFIC407AS169-73J3 1GND 2J15J2 3V26V14R40324KCOT402C4391.5nFR405Not MountedL40112nHR422Not MountedL4021.5nHR4080RTP409C4246.8pFC40322pFTP403C419Not MountedR4243.3RC42115pFR402620RC400390pFR4160RNot MountedC43522pFR4100RNot MountedIC406MC13180GND-LNA1 1RFIN 2GND-LNA2 3EXT-PA-EN 4VCC-PA 5PAO-P 6GND-PA 7PAO-M 8GPO-o9EXT-PA-DRV 10TIN-JP11TIN-JM12TMON-P13TMON-M14GND-LIM 15VCC-LIM 16GND-DEMOD 17VCC-DEMOD 18GND-XTAL19XTAL-BASE20XTAL-EMITTER21VCC-XTAL22DC-LF2 23DC-LF1 24VCC-DC 25Rx-Tx-EN26PACKET-DATA27 FS-OUT28DATA-CLK29SPI-CLK30SPI-DATA31SPI-EN32RESET33VDD-INT34VDD 35GND36VCC-CP 37GND-CP 38MN-LF 39VCC-PRE 40GND-PRE 41VCC-VCO 42GND-VCO 43GND-MOD 44VCC-MOD 45VCC-MIX 46GND-MIX 47VCC-LNA 48GND-Ep EpC437Not MountedIC402AS196-307Vcc 1Vctl2J13J2 12J3 9NC1 15NC26NC37GND716GND0 4GND1 5GND2 8GND3 10GND411GND513GND614GND-EpEpIC403AS196-307Vcc1Vctl 2J1 3J212J39NC115 NC2 6NC3 7GND7 16GND04GND15GND28GND310GND4 11GND5 13GND6 14GND-Ep EpC411Not MountedC417Not MountedC4021.5nFTP404TP408IC405AS163-73J33GND2J1 5J21V2 4V1 6COT401C4060.82pFC41022pFIC404BNC7WZ143 4C4381.0pFC4276.8pFR421Not MountedC40433pFC4073.3pFR4180RNot MountedTP413C43222pFIC404ANC7WZ141652X40013.000MHzR4110RR415Not MountedC413Not MountedC4161µFC43322pFC428100nFC42222pFTP405C4151.5nFC42033nFR4130RC40522pFR42010KTP401C429100nFC425100nFC40110nFTP412C423100nFZ400LFSN30N17C2450BGND33IN4OUT 2GND11IC408ANC7WZ141 652R404Not MountedR414Not MountedTP406C414270pFR401100RC40922pFC4081.0pFR4230RC43422pFTP400
A-6 Development Platform Kit User Guide MOTOROLAMotorola Confidential Proprietary, NDA Required / Preliminary

usersmanual

94001480000Rev. 2.0, 2002-05-29Bluetooth Development KitUser’s Guide
Motorola reserves the right to make changes without further notice to any products herein. Motorola makes no warranty,representation or guarantee regarding the suitability of its products for any particular purpose, nor does Motorola assume any liabilityarising out of the application or use of any product or circuit, and specifically disclaims any and all liability, including without limitationconsequential or incidental damages. “Typical” parameters which may be provided in Motorola data sheets and/or specifications canand do vary in different applications and actual performance may vary over time. All operating parameters, including “Typicals” mustbe validated for each customer application by customer’s technical experts. Motorola does not convey any license under its patentrights nor the rights of others. Motorola products are not designed, intended, or authorized for use as components in systemsintended for surgical implant into the body, or other applications intended to support life, or for any other application in which thefailure of the Motorola product could create a situation where personal injury or death may occur. Should Buyer purchase or useMotorola products for any such unintended or unauthorized application, Buyer shall indemnify and hold Motorola and its officers,employees, subsidiaries, affiliates, and distributors harmless against all claims, costs, damages, and expenses, and reasonableattorney fees arising out of, directly or indirectly, any claim of personal injury or death associated with such unintended orunauthorized use, even if such claim alleges that Motorola was negligent regarding the design or manufacture of the part. TheBluetooth trademarks are owned by their proprietor and used by Motorola, Inc., under license. All other product or service names arethe property of their respective owners.  © Motorola, Inc. 2002.Motorola and   are registered trademarks of Motorola, Inc. Motorola, Inc. is an Equal Opportunity/Affirmative Action Employer. How to reach us:USA/EUROPE/Locations Not Listed:  Motorola Literature Distribution; P.O. Box 5405, Denver, Colorado, 80217.1–303–675–2140 or 1–800–441–2447JAPAN:  Motorola Japan Ltd.; SPS, Technical Information Center, 3–20–1, Minami–Azabu, Minato–ku, Tokyo 106–8573 Japan. 81–3–3440–3569ASIA/PACIFIC: Motorola Semiconductors H.K. Ltd., Silicon Harbour Centre, 2 Dai King Street, Tai Po Industrial Estate, Tai Po, N.T., Hong Kong. 852–26668334Technical Information Center: 1–800–521–6274HOME PAGE: http://www.motorola.com/semiconductors/ © Copyright Motorola, Inc., 2002
MOTOROLA Contents iiiMotorola Confidential Proprietary, NDA Required / PreliminaryChapter 1Introduction1.1 About This Guide . . . . . . . . . . . . . . . . . . . . . . . . . . . . . . . . . . . . . . . . . . . . . . . . . . . . . . 1-11.2 Additional Documents  . . . . . . . . . . . . . . . . . . . . . . . . . . . . . . . . . . . . . . . . . . . . . . . . . .  1-21.3 Downloads and Support . . . . . . . . . . . . . . . . . . . . . . . . . . . . . . . . . . . . . . . . . . . . . . . . .  1-31.4 Unpacking. . . . . . . . . . . . . . . . . . . . . . . . . . . . . . . . . . . . . . . . . . . . . . . . . . . . . . . . . . . .  1-31.5 System Requirements . . . . . . . . . . . . . . . . . . . . . . . . . . . . . . . . . . . . . . . . . . . . . . . . . . .  1-31.6 Acronyms and Abbreviations . . . . . . . . . . . . . . . . . . . . . . . . . . . . . . . . . . . . . . . . . . . . .  1-4Chapter 2Product Overview2.1 Block Diagram . . . . . . . . . . . . . . . . . . . . . . . . . . . . . . . . . . . . . . . . . . . . . . . . . . . . . . . . 2-52.2 Interfaces. . . . . . . . . . . . . . . . . . . . . . . . . . . . . . . . . . . . . . . . . . . . . . . . . . . . . . . . . . . . .  2-52.3 Applications  . . . . . . . . . . . . . . . . . . . . . . . . . . . . . . . . . . . . . . . . . . . . . . . . . . . . . . . . . .  2-62.4 ICs. . . . . . . . . . . . . . . . . . . . . . . . . . . . . . . . . . . . . . . . . . . . . . . . . . . . . . . . . . . . . . . . . .  2-62.5 Software Tools . . . . . . . . . . . . . . . . . . . . . . . . . . . . . . . . . . . . . . . . . . . . . . . . . . . . . . . .  2-62.5.1 Bluetooth HCI Terminal . . . . . . . . . . . . . . . . . . . . . . . . . . . . . . . . . . . . . . . . . . . . . .  2-72.5.2 Configuration Manager. . . . . . . . . . . . . . . . . . . . . . . . . . . . . . . . . . . . . . . . . . . . . . .  2-72.5.3 DemoBench  . . . . . . . . . . . . . . . . . . . . . . . . . . . . . . . . . . . . . . . . . . . . . . . . . . . . . . .  2-7Chapter 3Setup3.1 Setting Up Board  . . . . . . . . . . . . . . . . . . . . . . . . . . . . . . . . . . . . . . . . . . . . . . . . . . . . . . 3-93.2 Running UART. . . . . . . . . . . . . . . . . . . . . . . . . . . . . . . . . . . . . . . . . . . . . . . . . . . . . . . .  3-93.3 Running USB . . . . . . . . . . . . . . . . . . . . . . . . . . . . . . . . . . . . . . . . . . . . . . . . . . . . . . . . . 3-9Chapter 4Hardware4.1 Signal and Connection Descriptions. . . . . . . . . . . . . . . . . . . . . . . . . . . . . . . . . . . . . . .  4-114.2 Environmental. . . . . . . . . . . . . . . . . . . . . . . . . . . . . . . . . . . . . . . . . . . . . . . . . . . . . . . . 4-124.3 Mechanical . . . . . . . . . . . . . . . . . . . . . . . . . . . . . . . . . . . . . . . . . . . . . . . . . . . . . . . . . .  4-124.4 Electrical . . . . . . . . . . . . . . . . . . . . . . . . . . . . . . . . . . . . . . . . . . . . . . . . . . . . . . . . . . . .  4-124.4.1 Power Supply . . . . . . . . . . . . . . . . . . . . . . . . . . . . . . . . . . . . . . . . . . . . . . . . . . . . .  4-134.4.2 Reset Circuit . . . . . . . . . . . . . . . . . . . . . . . . . . . . . . . . . . . . . . . . . . . . . . . . . . . . . .  4-134.4.3 Clocks . . . . . . . . . . . . . . . . . . . . . . . . . . . . . . . . . . . . . . . . . . . . . . . . . . . . . . . . . . . 4-134.4.4 Memory. . . . . . . . . . . . . . . . . . . . . . . . . . . . . . . . . . . . . . . . . . . . . . . . . . . . . . . . . .  4-144.4.5 UART Interface  . . . . . . . . . . . . . . . . . . . . . . . . . . . . . . . . . . . . . . . . . . . . . . . . . . .  4-144.4.6 USB Interface . . . . . . . . . . . . . . . . . . . . . . . . . . . . . . . . . . . . . . . . . . . . . . . . . . . . .  4-14Contents
MOTOROLA Contents ivMotorola Confidential Proprietary, NDA Required / Preliminary4.4.7 CODEC Interface . . . . . . . . . . . . . . . . . . . . . . . . . . . . . . . . . . . . . . . . . . . . . . . . . .  4-144.4.8 Antenna. . . . . . . . . . . . . . . . . . . . . . . . . . . . . . . . . . . . . . . . . . . . . . . . . . . . . . . . . . 4-144.5 Reference Designs  . . . . . . . . . . . . . . . . . . . . . . . . . . . . . . . . . . . . . . . . . . . . . . . . . . . .  4-14Chapter 5Limitations5.1 USB Limitations . . . . . . . . . . . . . . . . . . . . . . . . . . . . . . . . . . . . . . . . . . . . . . . . . . . . . .  5-15Chapter 6Regulatory6.1 Regulatory Statements  . . . . . . . . . . . . . . . . . . . . . . . . . . . . . . . . . . . . . . . . . . . . . . . . .  6-176.1.1 General . . . . . . . . . . . . . . . . . . . . . . . . . . . . . . . . . . . . . . . . . . . . . . . . . . . . . . . . . . 6-176.1.2 European Union (EU) and EFTA . . . . . . . . . . . . . . . . . . . . . . . . . . . . . . . . . . . . . .  6-176.1.3 France . . . . . . . . . . . . . . . . . . . . . . . . . . . . . . . . . . . . . . . . . . . . . . . . . . . . . . . . . . .  6-176.1.4 Nederland . . . . . . . . . . . . . . . . . . . . . . . . . . . . . . . . . . . . . . . . . . . . . . . . . . . . . . . .  6-176.1.5 United States of America and Canada  . . . . . . . . . . . . . . . . . . . . . . . . . . . . . . . . . .  6-186.1.6 Canada Compliance (Industry Canada)  . . . . . . . . . . . . . . . . . . . . . . . . . . . . . . . . .  6-186.1.7 Singapore  . . . . . . . . . . . . . . . . . . . . . . . . . . . . . . . . . . . . . . . . . . . . . . . . . . . . . . . .  6-186.1.8 Brazil. . . . . . . . . . . . . . . . . . . . . . . . . . . . . . . . . . . . . . . . . . . . . . . . . . . . . . . . . . . .  6-196.1.9 Japan . . . . . . . . . . . . . . . . . . . . . . . . . . . . . . . . . . . . . . . . . . . . . . . . . . . . . . . . . . . .  6-196.1.10 Taiwan  . . . . . . . . . . . . . . . . . . . . . . . . . . . . . . . . . . . . . . . . . . . . . . . . . . . . . . . . . . 6-196.2 Obtaining Type Approvals . . . . . . . . . . . . . . . . . . . . . . . . . . . . . . . . . . . . . . . . . . . . . .  6-206.2.1 Requirements for Bluetooth Qualification . . . . . . . . . . . . . . . . . . . . . . . . . . . . . . .  6-206.2.2 Requirements for regulatory type approvals: . . . . . . . . . . . . . . . . . . . . . . . . . . . . .  6-20Appendix A Board Diagram
MOTOROLA Introduction 1-1Motorola Confidential Proprietary, NDA Required / PreliminaryChapter 1IntroductionNOTE:Users are not permitted to make changes or modify the device in any way.With the Development Kit for the Bluetooth Platform Solution from Motorola, the company is launching a unique demonstration and development tool for its platform. The Development Kit contains all of the hardware, software, and documentation needed to evaluate the functionality of the ICs making up Motorola’s Bluetooth platform solution chipset:• MC71000 Bluetooth Baseband Controller IC• MC13180 Bluetooth Low Power Wireless Data Transceiver IC• MC13181 Wireless Power Management ICAlso, you can develop software and hardware solutions around the platform chipset. The Development Kit makes it possible to easily and quickly set up and start demonstrating a Class 2 Bluetooth solution, and it provides an efficient layout for the baseband and RF on an FR4 PCB substrate.The primary applications of the Development Kit are:• Evaluation of the platform chipset and its features• Porting of a user Bluetooth stack to the Motorola Bluetooth hardware• Prototyping of a Bluetooth-enabled host device• Reference design for quick layout of a Bluetooth solution based on the MC71000 and MC13180 chipsetThe Development Kit is Bluetooth 1.1 qualified and type approved in a great number of countries. See the section “Regulatory”.For detailed information on the ICs making up the platform chipset, please see the technical brief accompanying each of the ICs: MC71000, MC13180, and MC13181. These technical briefs are all included on the CD.1.1 About This GuideThis user’s guide will help you get started with the Bluetooth Development Kit. The guide covers a large number of aspects of using the Development Kit, including:• Overview of the Development Kit and accompanying documentation • Instructions on setting up the hardware and software • Descriptions of the various elements that make up the Development Kit
1-2 Development Platform Kit User Guide MOTOROLAMotorola Confidential Proprietary, NDA Required / PreliminaryIntroductionThe following is an overview of the various sections of this user’s guide and a brief description of each section:•Chapter 1, “Introduction” contains an overview of the user’s guide and additional documents available from the CD. The introduction is also where to find information on support, unpacking, system requirements, and a list of the acronyms used in this guide. •Chapter 2, “Product Overview” provides an overview of the Development Kit where the various elements of the product are described briefly. •Chapter 3, “Setup” explains how to set up the hardware and software to get the Development Kit running.•Chapter 4, “Hardware” describes the various aspects of the Development Kit hardware•Chapter 5, “Limitations” describes the limitations of the current Development Kit version. Currently this chapter deals with HCI Limitations only.•Chapter 6, “Regulatory” contains regulatory statements, a list of the countries where the Development Kit will be type approved, and information on what is needed to obtain type approvals for new products.•Appendix A, “Board Diagram“, contains a diagram of the Development Kit board.1.2 Additional DocumentsIn addition to this user’s guide, the documentation for the Development Kit includes the following documents. These are all accessible from the document overview on the CD.• User’s Guides for various elements of the Development Kit:—Bluetooth HCI Terminal Guide—Configuration Manager User’s Guide—DemoBench User’s Guide— Bluetooth Platform Solution Embedded System User’s Guide— Bluetooth Headset Guide• Reference designs: Bluetooth Platform Solution Reference Designs including descriptions and schematics • A platform document providing a system overview of the Bluetooth Platform Solution from Motorola• Technical briefs for the various Bluetooth platform elements:— MRFIC2408 External Power Amplifier IC— MC13180 Bluetooth Low Power Wireless Data Transceiver IC— MC13181 Wireless Power Management IC— MC71000 Bluetooth Baseband Controller IC— Bluetooth Development Kit• Application notes for the following:—Using the Bluetooth Audio Signal Processor (BTASP) for High-Quality Audio Performance— Motorola’s Bluetooth Solution to Interference Rejection and Coexistence with 802.11
Downloads and SupportMOTOROLA Introduction 1-3Motorola Confidential Proprietary, NDA Required / Preliminary— Enhancing ISM Band Performance Using Adaptive Frequency Hopping• Product Errata • Data sheets and information for components on the Development Kit:— CODEC—USB — UART Level Converter— EEPROMs— Crystals• Bluetooth Core Specification v1.11.3 Downloads and SupportFor Development Kit software and documentation downloads, go to the following website: http://www.btpo.netIn addition, you may find useful information on the following websites: http://www.motorola.com and http://www.motorola.com/semiconductor/bluetoothFor support on your Development Kit, contact your local FAE.  1.4 UnpackingThe Bluetooth Development Kit sales package contains the following items:• Development kit boards (2)• Power supplies (2)• RS232 cables (2)• USB cables (2)• Antennas (2)• Headsets (2)• Installation CD including software tools and documentation (1)1.5 System RequirementsTo install and use the Bluetooth Development Kit, you will need the following:• A PC equipped with Windows® 98/98 SE/Me/2000• At least a 600 MHz  processor (or higher)
1-4 Development Platform Kit User Guide MOTOROLAMotorola Confidential Proprietary, NDA Required / PreliminaryIntroduction1.6 Acronyms and AbbreviationsThroughout this guide, the following acronyms and abbreviations are used:EEPROM Electrically Erasable/Programmable Read Only MemoryRx Receive(r)SEEPROM Serial Electrically Erasable/Programmable Read Only MemorySPI Serial Peripheral InterfaceThe SPI Bus made by Motorola handles all serial communication with a number of different RF front ends and SEEPROMs.SSI Synchronous Serial InterfaceTx Transmit(ter)UART Universal Asynchronous Receiver Transmitter
MOTOROLA Product Overview 2-5Motorola Confidential Proprietary, NDA Required / PreliminaryChapter 2Product OverviewThis section contains a brief overview of the Development Kit. More detailed information on the various elements of the Development Kit is included in later sections and in the separate user’s guides included on the CD.2.1 Block DiagramThe following figure shows the Development Kit block diagram:Figure 2-1.   Block Diagram2.2 InterfacesThe development kit features RS232, UART, and USB interfaces:• RS232 interface: Programmable baud rate from 1200 to 921 Kbit.• UART interface: 5-pin header with RxD, CTS, RTS, and GND, 3.3 V signaling, programmable baud rate from 1200 to 921 Kbit, HCI UART transport layer.USBRS232DCPowerInputUARTUSBRS232LevelShifterCODECModular JackMC71000 MC13180MC13181 7 StatusLEDs Reset Switch Class ½Antenna JumperEEPROMAntennaDiversitySwitchF AntennaAntennaConnector
2-6 Development Platform Kit User Guide MOTOROLAMotorola Confidential Proprietary, NDA Required / PreliminaryProduct OverviewNOTE:The UART and RS232 interfaces cannot operate simultaneously. • USB interface: Full speed (12 Mbit/s) USB node device, HCI USB transport layer, 3.3 V operation, self-powered, National USBN9604 USB controller.The following list shows the USB limitations:— USB interface is for evaluation purposes and only included for ease of use.— Supports OpenUSBDI-compatible USB controllers. USB v1.1.— Does not support Open HCI.— Production release of the MC71000 will not support USB.• Audio connections, with audio routed either to the CODEC or through the transport layer2.3 ApplicationsThe Development Kit supports the Headset application. A separate Headset User’s Guide is TBD.2.4 ICsThe Development Kit is supplied with the following Bluetooth ICs from Motorola:• MC71000 Bluetooth Baseband Controller IC• MC13180 Bluetooth Low Power Wireless Data Transceiver IC• MC13181 Wireless Power Management IC Future Development Kit releases will contain the MRFIC2408 External Power Amplifier IC.2.5 Software ToolsThe Bluetooth Development Kit is accompanied by the following software tools:• Bluetooth HCI Terminal• Configuration manager• DemoBenchThe following sections describe briefly each of the software tools. A separate user’s guide for each tool is included on the Development Kit CD.
Software ToolsMOTOROLA Product Overview 2-7Motorola Confidential Proprietary, NDA Required / Preliminary2.5.1 Bluetooth HCI TerminalWith the Bluetooth HCI Terminal you can interact with your Bluetooth hardware. The interface is similar to that of an AT Terminal application when communicating with a modem. The Bluetooth HCI Terminal makes it easy to send HCI commands from a computer to a Bluetooth device. Likewise, it is easy to receive HCI responses from a Bluetooth device. Consequently, you can get hands-on experience with the HCI. Or you can test your own Bluetooth hardware.The Bluetooth HCI Terminal is accompanied by the Bluetooth HCI Terminal Guide, accessible from the document overview on the CD: 2.5.2 Configuration ManagerThe Configuration Manager is an application that allows you to handle the Development Kit file system. With this tool, you can download firmware patches and set up a number of baseband and radio parameters to exercise the board. All parameters are restorable and default settings are stored automatically.The Configuration Manager is accompanied by a user’s guide, accessible from the document overview on the CD.2.5.3 DemoBenchThe DemoBench is a demonstration tool that can be used for a number of purposes. You can send a file to another Bluetooth device, “chat” with another Bluetooth device, and view link and packet statistics in a real-time application.The DemoBench is accompanied by a user’s guide, accessible from the document overview on the CD.
2-8 Development Platform Kit User Guide MOTOROLAMotorola Confidential Proprietary, NDA Required / PreliminaryProduct Overview
MOTOROLA Setup 3-9Motorola Confidential Proprietary, NDA Required / PreliminaryChapter 3SetupThis section provides instructions for setting up the Development Kit hardware and software. 3.1 Setting Up BoardTo get the board up and running, do the following:1. Connect the board and PC via the UART (RS232) cable.NOTE:The first time you start up the board, you can only run UART, not USB.2. Attach power supply to DC connector on board and connect to main electricity supply.3. Insert the CD in the CD-ROM drive of your PC and follow the onscreen instructions.3.2 Running UARTTo run UART, do the following:1. Get the board up and running as described above.2. Download the UART application from the Configuration Manager on the CD.3.3 Running USBNOTE:The first time you start up the board, you can only run UART, not USB.Follow the above setup instructions.To run USB, do the following:1. Make sure the power is turned off the board.2. Connect the board and PC via the UART (RS232) cable.3. Attach power supply to DC connector on board and connect to main electricity supply.4. Download the USB application from the Configuration Manager on the CD.
3-10 Development Platform Kit User Guide MOTOROLAMotorola Confidential Proprietary, NDA Required / PreliminarySetup5. Within the Configuration Manager, go to Settings>Com Port and select the USB option.6. Follow the instructions on screen to disconnect the UART (RS232) cable and connect the USB cable.
MOTOROLA Hardware 4-11Motorola Confidential Proprietary, NDA Required / PreliminaryChapter 4HardwareThis section provides information on various aspects of the Development Kit hardware. In addition, Appendix A, “Board Diagram“, contains a diagram of the Development Kit board.4.1 Signal and Connection DescriptionsThe development kit contains the following connections, switches, and indicators:• Power supply input• Modular jack 4/4 connector for mono-audio speaker and microphone (headset application)• RS232 interface• UART interface• USB interface• Antenna connector• JTAG allowing interface to MC71000 production test• Reset switch• Four control buttons for the headset application• On/off switch• Seven status LEDsThe power supplied for the development kit is DC with the ratings stated in the specifications.An analog audio signal to be transmitted over the Bluetooth connection can be fed into the development kit via the modular jack or as streaming audio through the host interface. It will be converted to digital data and transmitted through the Bluetooth link. A digital audio signal received from a connected Bluetooth device will be converted to an analog audio signal and available at the modular jack or as streaming audio through the host interface (UART, SSI, SPI). The MC71000 has a Bluetooth Audio Signal Processor (BTASP) for superior audio performance.The RS232/UART interfaces can be used to transfer data and audio between a host and the Bluetooth device. The firmware of the development kit can be upgraded through the RS232/UART interface.The USB interface is a standard HCI USB interface. This interface can be used to connect the development kit to a PC or other devices with  PC-compatible USB connections.The CODEC is attached to the MC71000 via the SPI (data) and SSI (streaming audio) interfaces.The antenna connector is an SMA 50 ohm connection.
4-12 Development Platform Kit User Guide MOTOROLAMotorola Confidential Proprietary, NDA Required / PreliminaryHardwareThe reset switch can be activated to re-initialize the entire system.Four buttons are provided for embedded applications: • Volume up• Volume down• Function 1 (connection etc.)• Function 2 (this is an extra button)Seven status LEDs are provided:• Two application-specific LEDs• Class 2• 24 MHz/32 kHz•RX/TX•Power on• Diversity (shows which antenna is being used)4.2 EnvironmentalThis section contains system level environmental information:• Storage temperature (degrees centigrade): —Min. -40—Max +125• Operating temperature (degrees centigrade): —Min. -20—Max +854.3 MechanicalThis section contains system level mechanical information:• Length: 100 mm• Width: 100 mm• Height (PCB with components): 20 mm• Layout, FR4, 6 layer: 1 mm4.4 ElectricalThis section contains electrical information:• Input power supply requirements: 3.5-6.5 VDC
ElectricalMOTOROLA Hardware 4-13Motorola Confidential Proprietary, NDA Required / Preliminary• Audio input: 65m Vpp• Audio output: 1.6 Vpp, modular jack 4/4 connectorThe following table shows the current consumption measurements of the circuits of the MC71000 Bluetooth Baseband Controller and MC13180 Bluetooth Low Power Wireless Data Transceiver ICs. Note that the table contains typical values.4.4.1 Power SupplyThe board is fed with power from on-board standard regulators. The on-board power supply regulators should be fed with the supply provided, which generates the following voltages for the board:    •1.85 V  •2.65 V •3.3V   4.4.2 Reset CircuitThe board includes a push button for full system reset of the MC71000 and all peripherals.4.4.3 ClocksThe clocks in the system are as follows:• Sleep mode clock: 32.768 kHz.• Active mode clock: 24 MHz from MC13180 radio module The MC71000 includes an internal oscillator circuit for the 32.768 kHz sleep mode clock. Only an external crystal and a few other components are needed.Table 1: Current Consumption Measurements of MC71000 and MC13180 CircuitsDH5 asymmetric RX 50.4 mA TX rate 57.6 kbits RX rate 723.2 kbitsDH5 asymmetric TX 48.5 mA TX rate 723.2 kbits RX rate 57.6 kbitsDH5 symmetric 45.8 mA TX rate 433.9 kbits RX rate 433.9 kbitsHV1 45.8 mAHV3 27.8 mATotal system in low-power mode 0.130 mA
4-14 Development Platform Kit User Guide MOTOROLAMotorola Confidential Proprietary, NDA Required / PreliminaryHardware4.4.4 MemoryThe MC71000 has embedded memory of 256 Kbytes of ROM and 64 K of RAM. An image can be uploaded from a host system, or a low-cost serial EEPROM (four-wire connection). For more information on the contents and structure of the MC71000 memory, please refer to the Bluetooth Platform Solution Embedded System User’s Guide. This is accessible from the document overview on the Development Kit CD.4.4.5 UART InterfaceThe UART interface is embedded in the MC71000. However, an external level converter is needed. For this purpose, the MAX3237 1.0 Mbit level converter is used. The level converter is connected to the MC71000 and a female 9-pin D-sub. The connection between the level converter and the MC71000 is passed through a jumper block in order to aid debugging, and, if ever needed, to use a different type of level converter. 4.4.6 USB Interface The USB interface consists of the National USBN9604 USB device controller. A 3.3 V power supply is used for the USBN 9604.For information on the USB limitations of the Development Kit, see the section “USB Limitations”4.4.7 CODEC InterfaceThe audio interface consists of the Xemics XE3006 CODEC, a 4-pin header and a 4/4p amp connector. As to the power supply for the CODEC, both 1.8 V and 3.3 V are selectable by a “+” formation jumper. Sampling rate is configured at 7.8125 kHz.4.4.8 AntennaThe Development Kit contains an F entenna and an SMA 50 Ohm antenna connector.4.5 Reference DesignsThe Bluetooth Platform Solution reference designs include the following: Host optimized, host non-optimized, and standalone (headset). Descriptions and schematics are included in the Bluetooth Platform Solution Reference Designs document. This is accessible from the document overview on the Development Kit CD.
MOTOROLA Limitations 5-15Motorola Confidential Proprietary, NDA Required / PreliminaryChapter 5LimitationsThis section deals with the known limitations of the Bluetooth Development Kit.5.1 USB LimitationsThe Bluetooth Development Kit has the following USB limitations:• The USB interface is for evaluation purposes only. It is only included for the purpose of showing full bandwidth.• Supports OpenUSBDI-compatible USB controllers. USB V1.1.    • Does NOT support Open HCI.    • No USB logo certification.• MC71000 does NOT support USB. USB controller is external USBN9604 from National.For general information on USB, please see www.usb.org.
5-16 Development Platform Kit User Guide MOTOROLAMotorola Confidential Proprietary, NDA Required / PreliminaryLimitations
MOTOROLA Regulatory 6-17Motorola Confidential Proprietary, NDA Required / PreliminaryChapter 6RegulatoryThis section contains regulatory statements, a list of the countries where the Development Kit will be type approved, and information on what is needed by developers to obtain type approvals for their products.6.1 Regulatory StatementsNOTE:Users are not permitted to make changes or modify the system in any way.Changes or modifications not expressly approved by the party responsiblefor compliance could void the user’s authority to operate the equipment.6.1.1 GeneralThis product complies with any mandatory product specification in any country where the product is sold. 6.1.2 European Union (EU) and EFTAThis equipment complies with the R&TTE directive 1999/5/EC and has been provided with the CE mark accordingly.6.1.3 France This equipment may only be used as a Class 2 device, not as a Class 1 device. Note also that only indoor use is allowed.6.1.4 Nederland(Applies to 20dBm products only) Niet voor gebruik in de buitenlucht.Deze apparatuur is uitsluitend bedoeld voor gebruik binnenshuis.This device is intended for evaluation and development purposes by professionals only and is NOTfor re-sale.
6-18 Development Platform Kit User Guide MOTOROLAMotorola Confidential Proprietary, NDA Required / PreliminaryRegulatory6.1.5 United States of America and CanadaTested to comply with FCC Standards FOR HOME OR OFFICE USE. See FCC 47CFR part 15.19(b)(2)This device complies with part 15 of the FCC rules and with RSS-210 / RSS-139 of the Industry Canada. Operation is subject to the following two conditions: (1) This device may not cause harmful interference, and (2) this device must accept any interference received, including interference that may cause undesired operation. See FCC regulation CFR47 sec. 15.19(3).This equipment has been tested and found to comply with the limits for a Class B digital device, pursuant to part 15 of the FCC Rules. These limits are designed to provide reasonable protection against harmful interference in a residential installation. This equipment generates, uses and can radiate radio frequency energy and, if not installed and used in accordance with the instructions, may cause harmful interference to radio communications. However, there is no guarantee that interference will not occur in a particular installation. If this equipment does cause harmful interference to radio or television reception, which can be determined by turning the equipment off and on, the user is encouraged to try to correct the interference by one or more of the following measures:• Reorient or relocate the receiving antenna• Increase the separation between the equipment and receiver• Connect the equipment into an outlet on a circuit different from that to which the receiver is connected• Consult the dealer or an experienced radio/TV technician for helpIn order to comply with FCC RF Exposure requirements, a minimum separation distance of 20 cm must always be maintained between the transmitter antenna and all persons during normal operation.Note that any changes or modifications to this equipment not expressly approved by the manufacturer may void the FCC authorization to operate this equipment.See FCC regulation CFR47 sec. 15.21.6.1.6 Canada Compliance (Industry Canada)To prevent radio interference to the licensed service, this device is intended to be operated indoors and away from windows to provide maximum shielding. Equipment that is installed outdoors is subject to licensing.In French: Pour empêcher un brouillage radioélectrique au service faisant l'objet d'une licence, cet appareil doit être utilisé à l'interieur et loin des fenêtres afin de founir un écran de blindage maximal. Au cas aù un installation en plain air, le materiel doit faire l'objet d'une licence.6.1.7 SingaporeThis product complies with the standard Infocomm Development Authority of Singapore (IDA) TS SSS amended by the Guidance notes on Bluetooth Type Approval Framework and has been approved by the IDA under the Type Approval Certificate (TAC) number: Motorola TAC number TBDThe supplier of this equipment is responsible that the equipment can be used as described in the accompanying documentation. Furthermore, the supplier is responsible for providing proper installation and after-sales maintance of the equipment to meet the user's needs. Under no circumstances is the IDA liable for the use, installation, or after-sales maintenance of the equipment.
Regulatory StatementsMOTOROLA Regulatory 6-19Motorola Confidential Proprietary, NDA Required / Preliminary6.1.8 BrazilEste equipamento opera em caráter secundário, isto é, não tem direito a proteção contra interferência prejudicial, mesmo de estações do mesmo tipo, e não pode causar interferência a sistemas operando em caráter primário.6.1.9 Japan6.1.10 Taiwanߎߩᯏེߩ૶↪๟ᵄᢙᏪߢߪޔ㔚ሶ࡟ࡦࠫ╬ߩ↥ᬺ࡮⑼ቇ࡮ක≮↪ᯏེߩ߶߆Ꮏ႐ߩ⵾ㅧ࡜ࠗࡦ╬ߢ૶↪ߐࠇߡ޿ࠆ⒖േኻ⼂೎↪ߩ᭴ౝή✢ዪ (఺⸵ࠍⷐߔࠆή✢ዪ)  ෸߮․ቯዊ㔚ജή✢ዪ (఺⸵ࠍⷐߒߥ޿ή✢ዪ)  ߇ㆇ↪ߐࠇߡ޿߹ߔޕ 1  ߎߩᯏེࠍ૶↪ߔࠆ೨ߦޔㄭߊߢ⒖േ૕⼂೎↪ߩ᭴ౝή✢ዪ෸߮․ቯዊ㔚ജή✢ዪ߇ㆇ↪ߐࠇߡ޿ߥ޿ߎߣࠍ⏕⹺ߒߡߊߛߐ޿ޕ 2  ਁ৻ޔߎߩᯏེ߆ࠄ⒖േ૕⼂೎↪ߩ᭴ౝή✢ዪߦኻߒߡ㔚ᵄᐓᷤߩ੐଀߇⊒↢ߒߚ႐วߦߪޔㅦ߿߆ߦ૶↪๟ᵄᢙࠍᄌᦝߔࠆ߆෶ߪ㔚ᵄߩ⊒኿ࠍ஗ᱛߒߚ਄ޔਅ⸥ㅪ⛊వߦߏㅪ⛊㗂߈ޔᷙା࿁ㆱߩߚ߼ߩಣ⟎╬ (଀߃߫ޔࡄ࡯࠹࡚ࠖࠪࡦߩ⸳⟎ߥߤ)  ߦߟ޿ߡߏ⋧⺣ߒߡߊߛߐ޿ޕ 3  ߘߩઁޔߎߩᯏེ߆ࠄ⒖േ૕⼂೎↪ߩ․ቯዊ㔚ജή✢ዪߦኻߒߡ㔚ᵄᐓᷤߩ੐଀߇⊒↢ߒߚ႐วߥߤ૗߆߅࿎ࠅߩߎߣ߇⿠߈ߚߣ߈ߪޔᰴߩㅪ⛊వ߳߅໧޿วࠊߖਅߐ޿ޕ          ㅪ⛊వ㧦03-3440-3311 (+81-33440-3311)
6-20 Development Platform Kit User Guide MOTOROLAMotorola Confidential Proprietary, NDA Required / PreliminaryRegulatory6.2 Obtaining Type ApprovalsCustomers of Motorola Bluetooth chipsets will face some Bluetooth qualification and regulatory requirements for their products. The following lists the requirements for the major markets as defined by Digianswer/Motorola as tier 1 countries: Australia, Canada, Europe (15 + 4 EFTA countries), Japan, New Zealand and US. A number of other countries worldwide will accept the test reports made for Europe and/or US approvals.Motorola chipsets (radio/baseband) are pre-qualified as Bluetooth components. Also any variants of Motorola software stacks will be pre-qualified. The assumption of pre-qualification provides that customers will implement the radio module (radio chip including surrounding components and print layout) without any changes.6.2.1 Requirements for Bluetooth QualificationBaseband chipset will be used as a pre-qualified component and do not require re-testing.Any incorporated variant of Motorola software stack will be used as a pre-qualified component and do not require re-testing.Radio will need to be re-tested in the product layout for the following 8 (of 16) test cases:If changes are made to the Development Kit radio module BOM or layout, all 16 Bluetooth test cases will be required to be re-tested. Depending on the nature of changes to the radio, re-testing might only be necessary in normal temperature. This has to be decided by the BQB in each case.6.2.2 Requirements for regulatory type approvals:The following regulatory testing needs to be made:• For CE-marking: EN 300 328-2 (emission), EN 301 489-17 (EMC), EN 60950 (safety)• For Japan approval: ARIB T-66.• For FCC grant: CFR47 part 15.205, 15.209 and 15.247 (except 15.247e: processing gain)NOTE:As Motorola radios will be approved by FCC as radio modules and theTable 6-1.   TRM/CA/04/E TX Output Spectrum-Frequency rangeTRM/CA/08/E Initial Carrier Frequency ToleranceTRM/CA/09/E Carrier Frequency DriftTTRC/CA/01/E Out-of-Band Spurious Emissions-radiatedRCV/CA/02/E Sensitivity-multi-slot packetsRCV/CA/03/E C/I performanceRCV/CA/04E Blocking performanceTP/PHYS/TRX/BV-05-C Symbol rate
Obtaining Type ApprovalsMOTOROLA Regulatory 6-21Motorola Confidential Proprietary, NDA Required / PreliminaryFCC testing can be avoided for regulatory purposes for radio modules,provided no changes are made to the radio module BOM or layout, it willstill be necessary to perform the Out-of-Band SpuriousEmissions-radiated-test of part 15.209.The product might be subject to additional product specific regulations, such as PSTN regulations and other.Type approval applications have to be filed to the national authorities for each product. Documentation submitted for type approvals can vary from country to country, but will in general include: test reports, pictures, BOM, schematics, PCB layouts, product descriptions (block diagrams), antenna information, SAR statements (see below), label/manual information (legal text) and manufacturer information.Both in Europe and US regulators are currently working on new sets of rules for combined radio equipment as well as rules for SAR. Test requirements for SAR (including combined radio) will most likely be topical within the next year.
6-22 Development Platform Kit User Guide MOTOROLAMotorola Confidential Proprietary, NDA Required / PreliminaryRegulatory
MOTOROLA A-1Motorola Confidential Proprietary, NDA Required / PreliminaryAppendix ABoard DiagramThe following pages show a diagram of the Development Kit board.
A-2 Development Platform Kit User Guide MOTOROLAMotorola Confidential Proprietary, NDA Required / PreliminaryRTSTXDRXDCTSRFNET28RxTx_SW0dBm/20dBmMIC-EAR-MIC+EAR+D[0..7]GPIO_B11RTCKWETDIA0GPIO_B10D7TMSMAIN-TRSTTDOGPIO_C9SPI0[0..3]SSI[0..4]JTAG_RESETREFCLKPower ONBT[1..9]TCKUART[0..3]CS0CLK0OEResetREFCTRLMAIN+DIVERSITYRFNET29VDD_EIMHVDD1V85HVDD1V85TitleSize Document Number RevDate: Sheet ofC o n f i d e n t i a l  I n f o r m a ti o nThis document contains Digianswer A/S confidential and proprietary information, which you are notentitled to reproduce or disclose to any third party without the prior written consent of Digianswer A/S.© Digianswer80000488000_R0404.DSN R04.04VEGA DK: Polaris peripherals  (DIG488-4)Digianswer A/SSkalhuse 5DK-9240 Nibe, DenmarkTelephone: +45 96710000    Fax: +45 98350052          http://www.digianswer.comA315Friday, May 03, 2002 CLL2001-2002UARTUSB3.5 - 5.5 VDCAUDIOinterfaceModular 4/4Power SupplyPlaced i matrix 2x10 @0,1''ANTENNAMAIN SYSTEM OSC.Sleep mode OSCA101Primus datum point (Compside)TP111TP114J105USB Serie-BVUSB1DATA-2DATA+3GROUND4SHIELD15SHIELD26HOLE102np hole ø2.2mmCO104PCB Corner MarkTP124TP123TP120J100DC3214L102Not MountedTP103IC102MMQA5V6T1Not MountedC16A1 5C24C33A2 2C41R10918RA102Secundary fiducial point (Compside)TP115R104 0RR10610KHOLE103np hole ø2.2mmJ109Not Mounted12534CO102PCB Corner MarkJ1064/4p11223344TP107TP112J1039p Female Ang594837261m1 m2TP121TP104C10522pFTP106J108Not Mounted12534TP116A103Secundary fiducial point (Soldside)Sheet 3Polaris peripheralsD[0..7]MIC+TXDCTSRXDRTSEAR+EAR-GPIO_B11GPIO_B10CLK0UART[0..3]GPIO_C9SSI[0..4]SPI0[0..3] MIC-Power ONResetA0CS0OEWEREFCTRLD-D+RxTx_SW0dBm/20dBmDIVERSITYBT[1..9]BT_WAKEUPRiTP109HOLE104np hole ø2.2mmCO101PCB Corner MarkTP113TP102Testpoint Coax (Soldside)TP122C1061µFTP117C10422pFL1000RR11018RCO103PCB Corner MarkR1030RNot MountedC100100nFR10010KJ1072p1 2TP118Sheet 4RF FrontBT[1..9]Antenna 1REFCLKREFCTRLAntenna 2DIVERSITYRxTx_SW0dBm/20dBm13MHz_OSCJ102SMA Receptacle, Female12534BARCODE101Label 21*6mm Test BarCodeTP110HOLE101np hole ø2.2mmR10710KL1010RTP105IC100MMQA5V6T1C1 6A15C2 4C3 3A22C4 1R105 0RSheet 2PolarisTDITMSTCKTTSRTCKBT[1..9]SSI[0..4]UART[0..3]SPI0[0..3]TRSTGPIO_B11GPIO_B10GPIO_C9REFCTRLCLK0D[0..7]TDOREFCLKMAIN-MAIN+Power ONResetCS0OEWEA0DIVERSITYJTAG_RESET0dBm/20dBm32kHz_OSCTP119ANT100F_AntennaTP108
MOTOROLA A-3Motorola Confidential Proprietary, NDA Required / PreliminaryD7CS0EXTALREFCLKSPI1[0..3]0dBm/20dBmBTCLKWEGPIO_B10OEREFCTRLSPI10D[0..7]SPI11GPIO_C9SPI12CS1SPI13S_invGPIO_B11SPI10RESETSPI11SPI12SPI13SPI13SPI12SPI11CLK0SPI0[0..3]Q2PWMSPI10DIVERSITYD0S_invBT1BT2BT5BT7BT9BT3BT6BT8BT[1..9]SSI0D1SSI2SSI1SSI3SPI03GPIO_B3SPI02SPI00SSI4SPI01SSI[0..4]D2D3BT4D4UART0UART1UART3UART2Q2UART[0..3]D50dBm/20dBmD6XTALPWMA0SPI0[0..3]MAIN+MAIN-UART[0..3]GPIO_B11GPIO_B10BT[1..9]SSI[0..4]D[0..7]GPIO_C9TRSTRESETREFCLKREFCTRLCLK0OEWE0dBm/20dBmPower ONTDITMSTCKTTSTDORTCKCS0DIVERSITYJTAG_RESET32kHz_OSCBVccVCC_RFVCCHVDD1V85HVDD1V85VCCHVDD1V85VccCodecHVDD3V3VCCVCC_PAVCCHVDD3V3HVDD3V33V3_USBHVDD3V3 3V3_UARTVCC_LEDHVDD3V3HVDD1V85HVDD3V3AVccHVDD3V3HVDD1V85 AVccHVDD3V3HVDD3V3VDD_EIMTitleSize Document Number RevDate: Sheet ofC o n f i d e n t i a l  I n f o r m a ti o nThis document contains Digianswer A/S confidential and proprietary information, which you are notentitled to reproduce or disclose to any third party without the prior written consent of Digianswer A/S.© Digianswer80000488000_R0404.DSN R04.04VEGA DK: Polaris (DIG488-4)Digianswer A/SSkalhuse 5DK-9240 Nibe, DenmarkTelephone: +45 96710000    Fax: +45 98350052          http://www.digianswer.comA325Friday, May 03, 2002 CLL2001-2002BatteryMemoryR216Not MountedJ2003p123S201Switch123C21610pFC2381.0pFR232Not MountedR20610KC217100nFC203100µFC2281µFTP212R2220RC2101µFTP206TP221TP213C218100nFR236Not MountedTP209R231500mA1 2R221 0RC208100nFJ2011p11C235Not MountedTP224C225100nFX20032.768KHzR226 0RIC201MC71000TRST_BK10TDIJ10TDOH9TMSH8TCKG7MODE0G9MODE1F6REFCLK J6REFCTRL K4RESETIN_BF10CS0_BA3Frame synch  BT1 K7RxD  BT2 J7TxD  BT3 K8RxTxEN  BT4 J8SPI clk  BT5 K6SPI_en  BT6 K5SPI do/SPI di  BT7 J5PWM0 / TX_en / GPO0  BT8 H6PWM1 / PA_en / GPO1  BT9 H7VDDpa H5GNDcore_I1_EIM F3EXTAL J9XTAL K9GNDcore_I2_EIM H4GNDcore_I3 F9GNDcore_I4_EIM D4VDDcore_I1_EIM F2VDDcore_I2_EIM J4VDDcore_I3_EIM K3VDDcore_I3 F8GNDpc C7VDDpc B7VDDpb C8GNDpb D8SSI_STCKA9SSI_STFSC9SSI_STDB9SSI_SRCKA10SSI_SRFSC10SSI_SRDB10SPI_0_SS_BB8SPI_0_SCKD9SPI_0_MISOE8SPI_0_MOSID10SPI_1_SS_BD6SPI_1_SCKA6SPI_1_MISOB6SPI_1_MOSIC6CLK0E9TXDB5RXDA7CTS_BA5RTS_BA8TTSG8CS1_BC3A0B3A1E4A2A2A3D3A4F5A5B2A6A1A7B1A8C2A9C1A10D2A11D1D0F1D1G4D2G3D3G1D4G2D5H3D6H1D7H2RTCKH10GNDmisc_I1 G6VDDmisc_I1 G10OE_B B4WE_B A4GPIO_B10 F7GPIO_B11 E7GPIO_B12 E10CLK1E5GPIO_C9 C5OSC32k D5SYSCLK E6BTCLK D7VDD_I3_EIM K1VDD_I2_EIM E1VDDcore_I4_EIM C4VDD_I4_EIM K2GNDcore_I3_EIM J3GND_I4_EIM J2GND_I3_EIM J1GND_I2_EIM E2GND_I7_EIM F4VDD_I7_EIM E3GNDpa G5R233Not MountedR2427.5R R215 0RR2091.5RC230100nFIC205AT25HP512-10CI-1.8 CS 1SO 2WP3GND4SI 5SCK 6HOLD7VCC8J2021p11X201Not MountedTP218R219 0RTP201R24010MR207 1.0KR2410RC220100nFTP217C21210pFR205470RR2230RR220 0RTP222D203Green LEDC236Not MountedTP220IC206ANot Mounted1 652TP225C224100nFC207100nFC2143.3µFTP214J2043p123R21010MTP215C2393.3µFC229100nFC2371.0pFTP211C213100nFR22910KTP202R2041.5RC234100nFC226100nFR2110RR21310KR2181.0RR234Not MountedTP204C2056.8µFR217Not MountedTP223TP226R2301.5KTP219R2031.0KC206100nFTP216C227100nFIC206BNot Mounted3 4COT201Track in PCBTP200IC202MC13181VCC13Vin+24Vin-23HysteresisSelect21DelayCap 9Q1_b10 S INV6Q211S OR122V65_ENABLE17 1V85_ENABLE183V0/3V3 sel143V0/3V3 ENABLE13AGND1 4OUT3V0/3V3 7OUT2V65 1OUT1V85 19RESET_b 15Detect 22REFOUT 2VCC28Shutdown16AGND2 20SGND 5EP EPIC203LP2981IM5-3.3IN1OUT 5ON/OFF3GND 2NC 4TP210TP207 TP208TP203R2140RR239 0RR212100K
A-4 Development Platform Kit User Guide MOTOROLAMotorola Confidential Proprietary, NDA Required / PreliminaryUART3UART2UART0UART1SPI00SPI01SPI02SPI03SPI00SPI01SPI02SPI03SSI1SSI2SSI3D0SSI4D1 D2SSI0D3 D7D6D5D4BT[1..9]BT8SSI4SSI2GPIO_B11D3CS0OEWED2D1D7D0A0UART0D2D1D6UART1D4D0D3D[0..7]D5UART[0..3]UART2GPIO_C9UART3SSI[0..4]SSI3SSI1SPI0[0..3]SSI0UART[0..3]SPI0[0..3]SSI[0..4]D[0..7]GPIO_B10GPIO_C9D+D-D[0..7]GPIO_B11MIC-DIVERSITYBT[1..9]MIC+RESETA0OEWEEAR+EAR-RxTx_SWCS0CLK00dBm/20dBmTXDCTSRTSRXDBT_WAKEUPRiPower ONREFCTRL3V3_UARTVccCodecVCC_LED VCC_LED VCC_LED VCC_LEDBVccBVccVCC_LED VCC_LED3V3_USB3V3_UARTBVcc3V3_USBVCCBVccVDD_EIMTitleSize Document Number RevDate: Sheet ofC o n f i d e n t i a l  I n f o r m a ti o nThis document contains Digianswer A/S confidential and proprietary information, which you are notentitled to reproduce or disclose to any third party without the prior written consent of Digianswer A/S.© Digianswer80000488000_R0404.DSN R04.04VEGA DK: Polaris peripherals  (DIG488-4)Digianswer A/SSkalhuse 5DK-9240 Nibe, DenmarkTelephone: +45 96710000    Fax: +45 98350052          http://www.digianswer.comA335Friday, May 03, 2002 CLL2001-2002SRFSSTCKSRDSTFSSYSTEM RESETSPI_0_SSSPI_0_SCKSPI_0_MISOSPI_0_MOSISTDRx / TxRDK specific24MHz / 32kHz F-antenna  /SMA ConnectorClass1 / Class2Power ON+/- -/+ FUNC 1 FUNC 2CodecUSBLevel shifterKeysX30024.000MHzD300Green LEDIC301MAX3237EAIC1+28C1-25C2+1C2-3T1IN24T2IN23R1OUT21R2OUT20VCC 26V+ 27V- 4GND 2T1OUT 5T2OUT 6R1IN 8R2IN 9T3IN22T4IN19T5IN17T3OUT 7T4OUT 10T5OUT 12R1OUTB16R3OUT18 R3IN 11MBAUD 15SHDN 14EN13R328560KD306BAT5421TP300C305100nFR308470RR307470RC321390pFTR302BBC847BS534TP328TP333TP342R31710KR3020RTP302TP322R32110KTP313R334470RR32410KGRD304Red/Green LED SMD14 32TR302ABC847BS261L301220µHR3002.2KC32533pFC309100nFIC307USBN9604SLBCS19RD20WR/SK21INTR22DRQ23DACK24A0/ALE/SI25D0/S026D127D228D31D42D53D64D75RESET6AGND 7V3.3 8D+ 9D- 10GND1 11VCC 12GND 13MODE114 MODE015 XIN 16XOUT 17CLKOUT 18C32333pFD301Red LEDC303100nFGRD303Red/Green LED SMD14 32TP329C3131µFS305SPSTTP303TP340TP341TR301ABC847BS261TR300BBC847BS534R32510KTP336R33710KR31810KTP324TP323TP344IC310Not Mounted12453TP316R32210KC3244.7µFD307BAT5421S301SPSTTP309S302SPSTR336470RR304Not MountedL302220µHC3111µFR34010KTP339R3201.5KR342 0RJ3002*4p1 23 45 67 8D308BAT542 1TP335C308100nFS306Switch123TP325TP330R331470RTP338TR301BBC847BS534C3021µFR31910KC304100nFTP304TP308R310470RR329100RTP312TP321S303SPSTIC300XE3006MCLK1SMAD2SMDA3VDD14NRESET5VSSA1_ 6VREG 7VREF 8VSSA1 9VSSD110VMIC 11AIN 12VSSA213AOUTN 14VDDA215AOUTP 16FSYNC17BCLK18SDO19SDI20MISO21 SCK22 SS23MOSI24TP301R32310KGRD302Red/Green LED SMD14 32IC309NC7S32M512453TP326TP331TP337C320100nFTP311C3001µFR33510K R33810KR332470RR30118RC32233pFR306470RTP343TP307C306100nFC3141µFTP332R333470RR31610KCOT300Track in PCBTP327TP334S304SPSTR32610KGRD305Red/Green LED SMD14 32R34110KR33910KR330470RC32622pFTP310C310100nFIC308NC7S32M512453TP315TR300ABC847BS261TP305TP306
MOTOROLA A-5Motorola Confidential Proprietary, NDA Required / PreliminaryRFNET11 R FNET12RFNET14RFNET7RFNET6RFNET18RFNET19RFNET17RFNET20RFNET4RFNET21RFNET22RFNET9RFNET26RFNET24RFNET27RFNET23RFNET25RFNET16RFNET3 RFNET8BT5BT1BT3BT4BT5BT3BT9BT4BT2BT6BT6BT7RFNET10BT7BT8BalunNET1IC406.6:C408.1:3.17mm:3.20mm:C408.1:R400.2:0.73mm:0.76mm:R400.2:R400.1:1.87mm:1.90mm:R400.1:COT401.1:0mm:0.10mm:C408.1:C407.1:0mm:0.1mmBalunNET2IC406.8:C408.2:3.17mm:3.20mm:C408.2:R402.2:0.73mm:0.76mm:R402.2:R402.1:1.87mm:1.90mm:R402.1:COT402.1:0mm:0.10mm:BT[1..9]BT1BT2RxTxDIVERSITYREFCTRLREFCLKRxTx_SWBT[1..9]Antenna 1Antenna 20dBm/20dBm13MHz_OSCVCC_LEDVCC_LEDVCC_PAVCC_RFVCC_PAVCC_LEDVCC_LEDVCC_RFVCC_RFVCC_RFVCC_RF VCC_RFVCC_RFVCC_RFVCC_RFVCC_RFVCC_RFAVccTitleSize Document Number RevDate: Sheet ofC o n f i d e n t i a l  I n f o r m a ti o nThis document contains Digianswer A/S confidential and proprietary information, which you are notentitled to reproduce or disclose to any third party without the prior written consent of Digianswer A/S.© Digianswer80000488000_R0404.DSN R04.04VEGA DK: RF-front  (DIG488-4)Digianswer A/SSkalhuse 5DK-9240 Nibe, DenmarkTelephone: +45 96710000    Fax: +45 98350052          http://www.digianswer.comA345Friday, May 03, 2002 CLL2001-2002Layer 1 : 64ohm Track wide =413µm BalunNETxLayer 1 : 50ohm Track wide = 663µm (RFNETxx)Er = 4,4R400620RL4001.0nHL4033.3nHTP414C430100nFR4090RC431100nFTP407TP411R4170RIC401MRFIC2408Vpc10 EN1RF_IN12Q1_Bias_R3GND2GND1 4VCC11 RF_OUT1 8RF_OUT 9GND2 6GND3 7Q2_Bias_R 5EP EPC4121.0pFTP402C436Not MountedC41815pFIC408BNC7WZ143 4C4261.5nFIC407AS169-73J3 1GND 2J15J2 3V26V14R40324KCOT402C4391.5nFR405Not MountedL40112nHR422Not MountedL4021.5nHR4080RTP409C4246.8pFC40322pFTP403C419Not MountedR4243.3RC42115pFR402620RC400390pFR4160RNot MountedC43522pFR4100RNot MountedIC406MC13180GND-LNA1 1RFIN 2GND-LNA2 3EXT-PA-EN 4VCC-PA 5PAO-P 6GND-PA 7PAO-M 8GPO-o9EXT-PA-DRV 10TIN-JP11TIN-JM12TMON-P13TMON-M14GND-LIM 15VCC-LIM 16GND-DEMOD 17VCC-DEMOD 18GND-XTAL19XTAL-BASE20XTAL-EMITTER21VCC-XTAL22DC-LF2 23DC-LF1 24VCC-DC 25Rx-Tx-EN26PACKET-DATA27 FS-OUT28DATA-CLK29SPI-CLK30SPI-DATA31SPI-EN32RESET33VDD-INT34VDD 35GND36VCC-CP 37GND-CP 38MN-LF 39VCC-PRE 40GND-PRE 41VCC-VCO 42GND-VCO 43GND-MOD 44VCC-MOD 45VCC-MIX 46GND-MIX 47VCC-LNA 48GND-Ep EpC437Not MountedIC402AS196-307Vcc 1Vctl2J13J2 12J3 9NC1 15NC26NC37GND716GND0 4GND1 5GND2 8GND3 10GND411GND513GND614GND-EpEpIC403AS196-307Vcc1Vctl 2J1 3J212J39NC115 NC2 6NC3 7GND7 16GND04GND15GND28GND310GND4 11GND5 13GND6 14GND-Ep EpC411Not MountedC417Not MountedC4021.5nFTP404TP408IC405AS163-73J33GND2J1 5J21V2 4V1 6COT401C4060.82pFC41022pFIC404BNC7WZ143 4C4381.0pFC4276.8pFR421Not MountedC40433pFC4073.3pFR4180RNot MountedTP413C43222pFIC404ANC7WZ141652X40013.000MHzR4110RR415Not MountedC413Not MountedC4161µFC43322pFC428100nFC42222pFTP405C4151.5nFC42033nFR4130RC40522pFR42010KTP401C429100nFC425100nFC40110nFTP412C423100nFZ400LFSN30N17C2450BGND33IN4OUT 2GND11IC408ANC7WZ141 652R404Not MountedR414Not MountedTP406C414270pFR401100RC40922pFC4081.0pFR4230RC43422pFTP400
A-6 Development Platform Kit User Guide MOTOROLAMotorola Confidential Proprietary, NDA Required / Preliminary

Navigation menu