Inseego NVWE760 PCI EXPRESS MINI CARD User Manual User module guidlines v2 4S
Novatel Wireless Inc PCI EXPRESS MINI CARD User module guidlines v2 4S
Inseego >
Contents
- 1. User manual
- 2. USER MANUAL
User manual

1
Novatel Wireless
Revision 2.4S
PCI Express Mini-card
Integration & Design Guide
Version 2.4s

2
Novatel Wireless
Revision 2.4S
Notice: Restricted Proprietary Information and subject to the confidentiality restrictions contained
in any applicable non-disclosure agreement.
© Copyright Novatel Wireless, Inc. (2008)
The information contained in this document is the exclusive property of Novatel Wireless, Inc. All
rights reserved. Unauthorized reproduction of this manual in any form without the expressed
written approval of Novatel Wireless, Inc. is strictly prohibited. This manual may not, in whole or in
part, be copied, reproduced, translated, or reduced to any electronic or magnetic storage medium
without the written consent of a duly authorized officer of Novatel Wireless, Inc.
The information contained in this document is subject to change without notice and should not be
construed as a commitment by Novatel Wireless, Inc. unless such commitment is expressly given
in a covering document.
Novatel Wireless, Inc. makes no warranties, either expressed or implied, regarding this
document, its merchantability, or its fitness, for any particular purpose.
Dec 3rd 2008

3
Novatel Wireless
Revision 2.4S
Legal Disclaimer
This document and the information contained in the PCI Express Mini-card Integration &
Design Guide (together, the “Information”) is provided to you by Novatel Wireless for
informational purposes only.
Novatel Wireless is providing the Information because Novatel Wireless believes the Integration
and Design Guidelines may be useful. The Information is provided on the condition that you will
be responsible for making your own assessments of the information and are advised to verify all
representations, statements and information before using or relying upon any of the Information.
Although Novatel Wireless believes it has exercised reasonable care in providing the Information,
Novatel Wireless does not warrant the accuracy of the Information and is not responsible for any
damages arising from its use or reliance upon the Information. You further understand and agree
that Novatel Wireless in no way represents, and you in no way rely on a belief, that Novatel
Wireless is providing the information in accordance with any standard or service (routine,
customary or otherwise) related to the consulting, services, hardware or software industries.
NOVATEL WIRELESS DOES NOT WARRANT THAT THE INFORMATION IS ERROR-FREE.
NOVATEL WIRELESS IS PROVIDING THE INFORMATION TO YOU "AS IS" AND "WITH ALL
FAULTS." NOVATEL WIRELESS DOES NOT WARRANT, BY VIRTUE OF THIS DOCUMENT,
OR BY ANY COURSE OF PERFORMANCE, COURSE OF DEALING, USAGE OF TRADE OR
ANY COLLATERAL DOCUMENT HEREUNDER OR OTHERWISE, AND HEREBY EXPRESSLY
DISCLAIMS, ANY REPRESENTATION OR WARRANTY OF ANY KIND WITH RESPECT TO
THE INFORMATION, INCLUDING, WITHOUT LIMITATION, ANY REPRESENTATION OR
WARRANTY OF DESIGN, PERFORMANCE, MERCHANTABILITY, FITNESS FOR A
PARTICULAR PURPOSE OR NON-INFRINGEMENT, OR ANY REPRESENTATION OR
WARRANTY THAT THE INFORMATION IS APPLICABLE TO OR INTEROPERABLE WITH ANY
SYSTEM, DATA, HARDWARE OR SOFTWARE OF ANY KIND.
NOVATEL WIRELESS DISCLAIMS AND IN NO EVENT SHALL BE LIABLE FOR ANY LOSSES
OR DAMAGES OF ANY KIND, WHETHER DIRECT, INDIRECT, INCIDENTAL,
CONSEQUENTIAL, PUNITIVE, SPECIAL OR EXEMPLARY, INCLUDING, WITHOUT
LIMITATION, DAMAGES FOR LOSS OF BUSINESS PROFITS, BUSINESS INTERRUPTION,
LOSS OF BUSINESS INFORMATION, LOSS OF GOODWILL, COVER, TORTIOUS CONDUCT
OR OTHER PECUNIARY LOSS, ARISING OUT OF OR IN ANY WAY RELATED TO THE
PROVISION, NON-PROVISION, USE OR NON-USE OF THE INFORMATION, EVEN IF YOU
HAVE BEEN ADVISED OF THE POSSIBILITY OF SUCH LOSSES OR DAMAGES.

4
Novatel Wireless
Revision 2.4S
Table of Contents
Reference Documents ................................................................................................................ 5
PCI Express Mini Card References............................................................................... 5
3GPP References......................................................................................................... 5
Notices......................................................................................................................................... 7
Safety Warning ............................................................................................................. 7
Federal Communications Commission Notice (FCC—United States) ........................... 8
Radio Frequency Exposure Requirements.................................................................... 8
CE (Conformité Européenne or European Conformity) ............................................... 8
Compliance & Certification Requirements..................................................................... 9
Windows Platforms ..................................................................................................... 10
Technical Support Contacts ........................................................................................ 10
Getting Started.......................................................................................................................... 11
General....................................................................................................................... 11
Product Overview ..................................................................................................................... 12
HSDPA Module Overview........................................................................................... 12
CDMA Module Overview............................................................................................. 13
Device Specifications ............................................................................................................... 14
PCI Express Mini Card................................................................................................ 14
Mechanical Dimensions .............................................................................................. 15
Interface Specification................................................................................................. 19
Interface Specification................................................................................................. 19
Environmental............................................................................................................. 22
Integrator Design Elements: Antennas .................................................................................. 23
Antenna ...................................................................................................................... 23
Appendix A - Regulatory Approval and Compliance ............................................................. 25
FCC (Federal Communication Commission)............................................................... 25
CE (Conformance European)...................................................................................... 26
List of Figures
Figure 1: EU860D/EU870D Module.................................................................................. 15
Figure 2: EU860D/EU870D Module.................................................................................. 16
Figure 3: PCIe Minicard Module Envelope........................................................................ 17
Figure 4: EU850D Envelope ............................................................................................. 18
Figure 5: Total Radiated Power ........................................................................................ 24
List of Tables
Table 1: Host Interface specification ...........................................................................................19
Table 2: E760, EU850D/860D/870D Environmental Specification .............................................. 22
Table 3: GSM-1900 Test Frequencies ........................................................................................ 24
Table 4: R&TTE .......................................................................................................................... 26
Table 5: GSM/GPRS European Regulations............................................................................... 27

5
Novatel Wireless
Revision 2.4S
Reference Documents
PCI Express Mini Card References
PCI Express Mini Card Electromehcanical Specification Revision 1.0 June 2, 2003
PCI Express Card Electromechancil Specification revision 1.1 March 28th 2005
SMBus Specification, Revision 2.0
The I2C-BUS SPECIFICATION Version 2.1 January 2000
3GPP References
The following documents contain provisions which, through reference in this text, constitute
provisions of the present document.
References are either specific (identified by date of publication, edition number, version
number, etc.) or non-specific.
For a specific reference, subsequent revisions do not apply.
For a non-specific reference, the latest version applies. In the case of a reference to a 3GPP
document (including a GSM document), a non-specific reference implicitly refers to the
latest version of that document in the same Release as the present document.
[1] Void.
[2] 3GPP TS 23.038: "Alphabets and language-specific information".
[3] 3GPP TS 23.040: "Technical realization of the Short Message Service (SMS) ".
[4] 3GPP TS 23.041: "Technical realization of the Cell Broadcast Service (CBS)".
[5] 3GPP TS 24.008: "Mobile Radio Interface Layer 3 specification; Core Network
Protocols; Stage 3".
[6] 3GPP TS 24.011: "Short Message Service (SMS) support on mobile radio interface".
[7] 3GPP TS 24.012: "Cell Broadcast Service (CBS) support on the mobile radio
interface".
[8] 3GPP TS 27.001: "General on Terminal Adaptation Functions (TAF) for Mobile
Stations (MS)".
[9] 3GPP TS 27.007: "AT command set for User Equipment (UE)".
[10] 3GPP TS 51.011: "Specification of the Subscriber Identity Module - Mobile
Equipment (SIM - ME) interface".
[11] ITU-T Recommendation V.25ter: "Serial asynchronous automatic dialing and
control".
[12] ITU-T Recommendation V.24: "List of definitions for interchange circuits between
data terminal equipment (DTE) and data circuit-terminating equipment (DCE)".
[13] ITU-T Recommendation E.164: "The international public telecommunication
numbering plan".

6
Novatel Wireless
Revision 2.4S
[14] ITU-T Recommendation E.163: "Numbering plan for the international telephone
service".
[15] 3GPP TR 21.905: "Vocabulary for 3GPP Specifications".
[16] 3GPP TS 31.102: "Characteristics of the USIM application.

7
Novatel Wireless
Revision 2.4S
Notices
Safety Warning
The EU850D, EU860D, EU870D AND E760, E760 products may not be used in an environment
where radio frequency equipment is prohibited or restricted in its use. This includes
aircraft/airports, hospitals, and other sensitive electronic areas.
Do not operate RF devices in an environment that may be susceptible to radio interference
resulting in danger, specifically:
• Areas where prohibited by the law
Follow any special rules and regulations and obey all signs and notices. Always
turn off the host device when instructed to do so, or when you suspect that it may
cause interference or danger.
• Where explosive atmospheres may be present
Do not operate your modem in any area where a potentially explosive
atmosphere may exist. Sparks in such areas could cause an explosion or fire
resulting in bodily injury or even death. Be aware and comply with all signs and
instructions.
• Users are advised not to operate the modem while at a refueling point or service
station.
Users are reminded to observe restrictions on the use of radio equipment in fuel
depots (fuel storage and distribution areas), chemical plants or where blasting
operations are in progress.
• Areas with a potentially explosive atmosphere are often but not always clearly
marked.
Potential locations can include gas stations, below deck on boats, chemical
transfer or storage facilities, vehicles using liquefied petroleum gas (such as
propane or butane), areas where the air contains chemicals or particles, such as
grain, dust or metal powders, and any other area where you would normally be
advised to turn off your vehicle engine.
• Near Medical and life support equipment
Do not operate your modem in any area where medical equipment, or life support
equipment may be located, or near any equipment that may be susceptible to
any form of radio interference. In such areas, the host communications device
must be turned off. The modem may transmit signals that could interfere with this
equipment.
• On an aircraft, either on the ground or airborne
In addition to FAA requirements, many airline regulations state that you must
suspend wireless operations before boarding an airplane. Please ensure that the
host device is turned off and your modem is removed from the card slot prior to
boarding aircraft in order to comply with these regulations. The modem can
transmit signals that could interfere with various onboard systems and controls.
• While operating a vehicle
The driver or operator of any vehicle should not operate a wireless data device.
Doing so will detract from the driver or operator's control and operation of that

8
Novatel Wireless
Revision 2.4S
vehicle. In some countries, operating such communication devices while in
control of a vehicle is an offence.
Under extended operation the EU850D, EU860D, EU870D and E760 modem will generate a
noticeable amount of heat. Like all PC Cards, the modem generates heat during normal operation
and will be heated by the host computer. For this reason it is recommended that after extended
periods of operation, prior to removal and handling, you allow the modem to cool down.
Federal Communications Commission Notice (FCC—United States)
This equipment has been tested and found to comply with the limits for a Class B digital device,
pursuant to Part 15 of the FCC Rules. These limits are designed to provide reasonable protection
against harmful interference in a residential installation. This equipment generates, uses and can
radiate radio frequency energy and, if not installed and used in accordance with the instructions,
may cause harmful interference to radio communications.
However, there is no guarantee that interference will not occur in a particular installation. If this
equipment does cause harmful interference to radio or television reception, which can be
determined by turning the equipment off and on, the user is encouraged to try to correct the
interference by one or more of the following measures:
• Reorient or relocate the receiving antenna.
• Increase the separation between the equipment and receiver.
• Connect the equipment into an outlet on a circuit different from that to which the receiver is
connected.
• Contact your service provider for help.
Warning: Changes or modifications made to this equipment not expressly approved by Novatel
Wireless may void the FCC authorization to operate this equipment.
This device complies with Part 15 of the FCC Rules and with RSS-210 of Industry Canada.
Operation is subject to the following two conditions:
(1) this device may not cause harmful interference, and
(2) this device must accept any interference received, including interference that may
cause undesired operation.
Radio Frequency Exposure Requirements
In general, for the United States market, the embedded modules are treated as “mobile devices”
as per FCC CFR47 paragraph 2.1091. A mobile device is defined as “a transmitting device
designed to be used in other than fixed locations and to generally be used in such a way that a
separation distance of at least 20 cm is normally maintained between the transmitter’s radiating
structure(s) and the body of the user or nearby persons.”
CE (Conformité Européenne or European Conformity)
This module will be tested to and conforms to the regulatory requirements of the European Union
and has attained CE Marking. The CE Mark is a conformity marking consisting of the letters "CE".

9
Novatel Wireless
Revision 2.4S
The CE Mark applies to products regulated by certain European health, safety and environmental
protection legislation. The CE Mark is obligatory for products it applies to: the manufacturer
affixes the marking in order to be allowed to sell his product in the European market.
Compliance & Certification Requirements
PCS Type Certification Review Board (PTCRB)
PTCRB Certification is mandated and the product is technically evaluated to meet the minimum
requirements for registration on the PTCRB Operators’ networks. The purpose of the PTCRB is to
provide the framework within which GSM Mobile Equipment (ME) Type Certification can take
place for members of the PTCRB. The PTCRB process is recommended for all Manufacturers
who wish to have their products operating within the areas served by the PTCRB Operators. This
includes but is not limited to determination of the test specifications and methods to implement
the Type Certification process for GSM Mobile Equipment.
PTCRB type certification will be based on GSM and OMA (Open Mobile Alliance) Specifications
with modifications per North American Standards and additional requirements from FCC rules,
and any other government agency that may have jurisdiction and or competence in the matter.
Additions to the PTCRB Specifications will be developed by the GSM operators. The additions
will be limited to MS-related features. The PTCRB document NAPRD 03 (Permanent Reference
Document) will be modified to include references to the above specifications once they are written
and accepted by majority of the review board.
To learn more about device certifications, please visit the PTCRB Website. You must sign up as a
member to gain access.
Global Certification Forum (GCF),
The Global Certification Forum (GCF) is an independent organization with a wide-ranging
membership of operators, equipment manufacturers and other interested parties. The actions of
the Forum are actively supported by key staff from the Association Technical Projects operation
and by the Association Executive Management Committee.
GCF is recommended but not mandatory for attachment to the European network. It is a
partnership between network operators and terminal manufacturers and allows independent
interoperability validation of the 2G and 3G mobile wireless terminal. GCF is typically required for
formal carrier technical acceptance of the mobile wireless terminal.
Membership of GCF is entirely voluntary. Full GCF membership is open to mobile terminal
manufacturers and network operators. Other interested members of the mobile wireless
community, including test laboratories and test equipment manufacturers, may participate in GCF
as observers.
The current membership includes almost 150 network operators worldwide, more than 35 leading
terminal manufacturers and over 50 test equipment manufactures. Members decide the
organization and administration of the forum at regular Steering Group meetings. Technical
issues associated with testing new terminals and features are reviewed at regular Agreement
Group meetings by manufacturers, test laboratories and other observers.

10
Novatel Wireless
Revision 2.4S
To learn more about device certifications, please visit the GCF Website. The website identifies
manufacture, terminal names and the date which the terminal was certified. You must sign up as
a member to gain full access.
Windows Platforms
The Phoenix API will interface with your top level applications and provide the abstraction of the
module specifics to the upper applications. Please contact Novatel Wireless for more details.
Technical Support Contacts
WWW: http://www.nvtl.com/support/index.html
Email: support@novatelwireless.com

11
Novatel Wireless
Revision 2.4S
Getting Started
General
The purpose of this document is to provide basic design and integration information to assist in
the integration of Novatel Wireless PCI Express Mini-cards. This document is intended to outline
key components of the integration tools available for the Novatel Wireless line of PCI Express
Mini-cards.
The EU850D, EU860D, EU870D and E760 are Novatel Wireless’ versatile modules that add
WWAN capability to other devices. They were developed to be integrated into other devices
based on the PCI Express Mini-card specification 1.0.
The EU850D, EU860D, EU870D and E760 will work with all Windows driven laptops given the
drivers are properly installed. When MobiLink™ is installed on a Windows OS system it will
automatically include the drivers necessary to communicate with the PCI Express Mini-card.
MobiLink™ is Novatel’s Windows application manager for the PCI Express Mini Card. MobiLink
provides an easy interface to make a data connection, change operating parameters, and view
alerts such as SMS or signal strength indicator. However, anyone can still install the drivers
manually. In addition, once the drivers are installed, following the Phoenix Client API functions,
anyone could develop their Client side software manager to interact with the PCI Express Mini-
card.
When using any of these devices, EU850D, EU860D, EU870D or the E760, activation is required
for the device to be allowed on the operator’s network. For example, Sprint requires the customer
to run IOTA (Internet Over-The-Air) provisioning to prepare the device to work on the wireless
network. Please refer to the Customer Configuration section on provisioning with IOTA for
assistance.
The EU850D, EU860D, and EU870D require a valid SIM card before it can be used on the
operator’s wireless network. Please refer to the Customer Configuration section on PRI for further
information.

12
Novatel Wireless
Revision 2.4S
Product Overview
The purpose of this section is to provide a high level overview of the EU850D, EU860D, EU870D
AND E760 HSDPA modules.
EU850D shown above
HSDPA Module Overview
The EU860D is primarily targeted for the North American market while the EU850D and EU870D
are primarily targeted for the European market. They are both wireless modem modules designed
to be embedded into laptop computers and other host devices.
The EU850D and EU870D will operate in the 850/900/1800/1900 GPRS/EDGE bands and in the
850/1900/2100D UMTS/HSDPA band. The 2100 band supports receive diversity as indicated by
the “D” appended to the bands frequency. The EU870D is built on the MSM6280/RF Platform D
chipset from Qualcomm™ with Equalizer and receive Diversity supported. This product will be
commercially launched operating up to 3.6 Mbps and will be capable of future upgrade to
7.2Mbps.
The EU860D will operate in the 850/900/1800/1900 GPRS/EDGE bands, and 850D/1900D/2100
UMTS/HSDPA band. The 850D/1900D bands supports receive diversity as indicated by the “D”
appended to the bands frequency. The EU860D is built on the MSM6280/RF Platform D chipset
from QualcommTM with Equalizer and receive Diversity supported. This product will be
commercially launched operating up to 3.6 Mbps and will be capable of future upgrade to
7.2Mbps.
The modules will be compatible with Windows™ compliant applications including VPN, e-mail,
and web browsing.
The core protocol stack will be supplied by Qualcomm™ and contains UMTS, HSDPA, GPRS
and EDGE technologies. Around this core, Novatel Wireless has created the firmware drivers that
provide access to the hardware on the embedded modem. The feature set is comprised of the
data device features supported in the Qualcomm™ protocol stack.
The hardware consists of a PCI Express Mini Card compliant interface (except as detailed
herein), a baseband chipset from Qualcomm™, an RF radio chipset from Qualcomm™, and the
various other components used to support these major components.

13
Novatel Wireless
Revision 2.4S
CDMA Module Overview
The E760 will operate in the 800/1900 CDMA bands. The E760 Modem is primarily targeted for
the North American market.
The core protocol stack will be supplied by Qualcomm™ and will contain CDMA, CDMA 1XRTT,
and CDMA 1XEV-DO Rev 0, and 1XEV-DO Rev A technologies.

14
Novatel Wireless
Revision 2.4S
Device Specifications
PCI Express Mini Card
Novatel Wireless has designed a line of embedded broadband access modules around the PCI
Express Mini Card Specification 1.11 . This product line provides platform developers and system
integrators with the ability to enable global 3G broadband access. The governing body for PCI
Express standardization is PCI SIG (Peripheral Component Interconnect Special Interest Group.)
The website for PCI SIG can be found at the following URL:
www.pcisig.com/home
1 Customizations that deviate from the PCI Express Card Electromechancil Specification revision 1.1 are noted in this
document

15
Novatel Wireless
Revision 2.4S
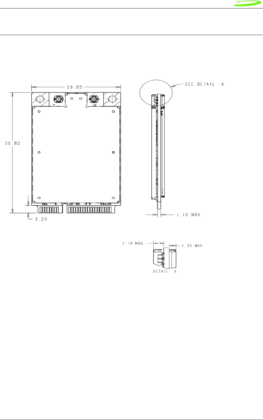
Mechanical Dimensions
Figure 1: EU860D/EU870D Module

16
Novatel Wireless
Revision 2.4S
Figure 2: EU860D/EU870D Module

17
Novatel Wireless
Revision 2.4S
Figure 3: PCIe Minicard Module Envelope
1.35 mm
5.0 mm

18
Novatel Wireless
Revision 2.4S
Figure 4: EU850D Envelope
The EU850D has a built in SIM card socket and which increases the overall thickness as shown
above.

19
Novatel Wireless
Revision 2.4S
Interface Specification
Host Interface
The EU850D, EU860D, EU870D and E760 are designed to meet the PCI Express Mini-Card
specification. The table below gives a description of the pin-out and usage. The USB option of the
specification is supported. Deviations from the Mini PCI Express card specification 1.1 are noted.
Table 1: Host Interface specification
Pin PCIe Spec EVDO HSDPA Pin PCIe Spec EVDO HSDPA
1WAKE# NC NC 23.3V 3.3V 3.3V
3 Reserved NC NC 4GND GND GND
5 Reserved NC NC 61.5V NC NC
7CLKREQ# NC NC 8UIM_PWRUIM_PWR UIM_PWR
9GND GND GND 10 UIM_DATA UIM_DATA UIM_DATA
11 REFCLK- NC NC 12 UIM_CLK UIM_CLK UIM_CLK
13 REFCLK+ NC NC 14 UIM_RESET UIM_RESET UIM_RESET
15 GND GND GND 16 UIM_VPP NC NC
17 Reserved NC NC 18 GND GND GND
19 Reserved NC NC 20 W_DISABLE# W_DISABLE# W_DISABLE#
21 GND GND GND 22 PERST# PERST# PERST#
23 PERn0 NC NC 24 +3.3Vaux NC NC
25 PERp0 NC NC 26 GND GND GND
27 GND GND GND 28 +1.5V NC NC
29 GND GND GND 30 SMB_CLK SMB_CLK SMB_CLK
31 PETn0 NC NC 32 SMB_DATA SMB_DATA SMB_DATA
33 PETp0 NC NC 34 GND GND GND
35 GND GND GND 36 USB_D- USB_D- USB_D-
37 Reserved GND NC/GND 38 USB_D+ USB_D+ USB_D+
39 Reserved 3.3V 3.3V 40 GND GND GND
41 Reserved 3.3V 3.3V 42 LED_WWAN# LED_WWAN# LED_WWAN#
43 Reserved GND GND 44 LED_WLAN# NC NC
45 Reserved NC NC/PCM_CLK 46 LED_WPAN# NC NC
47 Reserved NC NC/PCM_SYNC 48 +1.5V NC NC
49 Reserved NC NC/PCM_DOUT 50 GND GND GND
51 Reserved NC NC/ PCM_ I N 52 3.3V 3.3V 3.3V
Mechanical Key
Notes: NC No Connect
W_DISABLE Radio Transmit Disable
NC/XXXX Standard product will have No Connect, Population option,
PCM_XXXX PCM Voice interface (Data in, Data out, Sync & clock)

20
Novatel Wireless
Revision 2.4S
USB Interface
The Mini card acts as a peripheral device and supports the USB 2.0 standard at low speed (1.5
Mbps) and full speed (12 Mbps). It does not support the high speed (480 Mbps) mode of
operation.
Subscriber Identification Module (SIM) Interface
A 4 line SIM interface is provided on the mini-card edge connector for the EU860D. The EU850D
has an onboard SIM connector. The signal levels comply with the ETSI standard Specification of
the 3 Volt Subscriber Identity Module - Mobile Equipment (SIM-ME) interface (GSM 11.12 version
4.3.1). Note that no ESD protection will be provided on the mini-card. The host device is
expected to provide the ESD protection at the SIM connector for the EU850D, EU860D, EU870D
and E760.
The OEM Module supports a 3.0V SIM as described in ETSI 11.12. The relevant signals are
brought out on the 70 pin connector.
• The SIM interface shall support 1.8 V USIMs
• The SIM interface shall support 3.0V USIMs
• The SIM interface shall support 3.0V SIMs
The USIM will be provided by the host. A SIM connector is not included on the mini-card. The
interface to the USIM is provided on the host interface connector. A recommended interface card
design criteria is available from Novatel. Please refer to the Integrator Design Elements:
Antenna, Power & SIM section for further details.
Power Supply
The card shall operate within specification for the voltage range of 3.00 to 3.56 V with the nominal
voltage being 3.3 V.

21
Novatel Wireless
Revision 2.4S
RF Antenna Connections
There are two RF connectors which are Hirose U.FL-R-SMT or equivalent. These connectors are
designed for a limited number of insertions. For an embedded application this is expected to be
acceptable.
The connector location shall be as shown below:
The EU850D, EU860D, EU870D and E760 are designed to be connected to an external antenna
integrated into the host system. The antenna port presents a nominal 50Ω impedance.
Diversity Receiver connection
The EU860D shall support receiver diversity on the UMTS/HSDPA 850 and 1900 bands.
Roaming onto the 2100 band is supported.
The EU850Dand EU870D shall support receiver diversity on the UMTS/HSDPA 2100 bands.
Roaming onto the 850 and 1900 bands is supported.
The EU850D, EU870D and EU860D shall operate in the 850/900/1800/1900 GPRS/EDGE
bands. Receiver Diversity is not supported in the GPRS/EDGE bands.
The E760 shall support receiver diversity on the CDMA 850 and 1900 bands.
GPS Receiver connection
The GPS receiver capabilities are can be activated optionally. Please contact Novatel Wireless
for more details.
The GPS receiver antenna shares the Diversity receive connector.
Diversity/GPS Primary

22
Novatel Wireless
Revision 2.4S
Environmental
The E760, EU850D, EU860D, EU870D and E760 will be compliant with the Mini PCI Express
Electromechanical specification as detailed in the table below.
It should be noted that Novatel Wireless cannot guarantee that the host device (laptop; PDA;
notebook etc.) will be able to endure these same environmental conditions. Users are advised to
consult the host device documentation for specifications and observe any restrictions of use.
Table 2: E760, EU850D/860D/870D Environmental Specification
Parameter E760 EU850D/860D/870D
Low Temperature Storage -30 °C -30 °C
High Temperature Storage 85 °C 85 °C
Low Temperature Operating -20 °C 0 °C Note 1
High Temperature Operating 65 °C2 65 °C
Relative Humidity 95% maximum (non
condensing) 95% maximum (non
condensing)
ESD EVDO Rev A 8kV Air / 4kV Contact
ESD HSDPA
USB & SIM Pins only 8kV Air / 4kV Contact
Performance Criterion 3
Vibration and High Frequency 147m/s2(15G) peak; 10 to 2000
Hz 147m/s2 (15G) peak; 10 to
2000 Hz
Drop 75 cm 75 cm
Note 1: Low Temp Operation limit under review pending component review. Design target -20 °C
Note 2: Limit under review, design target for USB & SIM pins IEC 61000-4-2; Level 4 (ESD) 15kV air, 8kV contact.
The E760 product operates in a reliable fashion consistent with CDMA (IS-98C) and PCMCIA
V2.1 standards. It will withstand three-foot drop and still remain functional.
Electrostatic Discharge and Electro-Magnetic Interference
The modem does not protect itself from ESD. It is the responsibility of the host to ensure that
there will not be any harmful discharges to the modem.
With regard to EMI, the modem will meet FCC part 15 for North American markets, and ETSI EN
301 489-1 for European markets. This device when incorporated in any other product may require
FCC and/or other approvals. It is the user’s responsibility to do this.
2 It is required that the shield temperature not exceed 80°C at anytime. It may be necessary for
the system integrator to provide some method to insure this surface temperature is not exceeded.

23
Novatel Wireless
Revision 2.4S
Integrator Design Elements: Antennas
Antenna
HSDPA and EVDO Rev A Antenna Requirements
Total Radiated Power (TRP)
TRP measures the effective level of radiated power that is emitted while in transmit mode. To
quantify the performance of the transmitter, the output power is measured on a spherical surface
surrounding the laptop/handheld. The result of the measurement is a spherical radiation pattern
of the radiated power or EIRP (Effective Isotropic Radiated Power). To obtain a single figure of
merit the EIRP pattern is integrated over the spherical surface to obtain the TRP (Total Radiated
Power). Carriers provide antenna performance specifications which identify the necessary TRP
performance in order to be compliant with the carrier limits and attain Technical Acceptance.
Total Radiated Power Estimator
TRP can be estimated by summing the transmitted power of the Novatel Mini PCI Express cards
with the expected losses and antenna efficiency. A basic spreadsheet estimator3 is available
from Novatel Wireless and a sample is shown below. The EU850D, EU860D, EU870D and E760
set points are typical of factory production. The Cable & Connector Loss and the Antenna
efficiency are estimated by the host integrator to be representative of the laptop or handheld
under consideration. The results are typically compared against carrier requirements to estimate
compliance margin.
Total Isotropic Sensitivity (TIS)
TIS measures the effective sensitivity for a designated error rate. To quantify the performance of
the receiver, the receiver sensitivity is measured on a spherical surface surrounding the
Laptop/Handset. The sensitivity is defined as the minimum power level at which the digital error
rate of the receiver is better than a specific limit. Depending on the system this limit is a Bit Error
Rate (BER) limit, Block Error Rate (BLER) limit or a Frame Erasure Rate (FER) limit. Sensitivity is
measured by lowering the transmit power level of the base station simulator until the specified
digital error limit is reached. The power that was required to obtain the error limit is the sensitivity
value.
TIS (Total Isotropic Sensitivity) Estimator
TIS can be estimated by reducing the Conducted Sensitivity of the module by losses and
desense noise. The Conducted Sensitivity is reduced by Cable loss, Cable loss, Antenna
3 Disclaimer: This spread sheet is provided with no warranties whatsoever. Novatel Wireless disclaims all liability relating
to the use of information in this specification. Note that this table is provided for rough estimation purposes only and is
intended to provide a first pass guideline for antenna loss planning. It is not to be a substitute for detailed design activity.
Additional losses, efficiency considerations and other system affects will modify the actual resulting TRP and as such
results will deviate from the TRP calculator shown above. Updates to TRP limits are not controlled in this document.

24
Novatel Wireless
Revision 2.4S
Efficiency and reduced by an estimation of the Laptop/Handheld noise. A basic spreadsheet
estimator4 is available from Novatel wireless and a sample is shown below.
The EU850D, EU860D, EU870D and E760 conducted Sensitivity typical of factory production
units will be made available from Novatel Wireless. Although the data cards operate in Packet
switched mode the values used for estimation are from Circuit Switched mode of operation as this
is the mode the TIS is measured. The results are typically compared against carrier requirements
to estimate compliance margin.
TRP (Total Radiated Power) Requirements
Good radiated performance is critical to the effective operation of a mobile in networks. A
comprehensive characterizing of radiated performance enables carriers to know how well mobiles
work within the specific network design constraints.
Figure 5: Total Radiated Power
Tests shall be carried out for three different frequency pairs across the bands supported by the
device, as defined for CDMA TIA/EIA-98-D and for GSM 1900 3GPP TS 51.010 in the tables
below.
Table 3: GSM-1900 Test Frequencies
Radiated power measurements will be recorded in the “free-space” configuration on all applicable
frequencies. For portable units, TPR measurements are repeated on all applicable frequencies.
TPR will be reported using the Figure of Merit for industry analysis. Device power shall comply
with the power levels specified in the relevant industry standards
4 Disclaimer: This spread sheet is provided with no warranties whatsoever. Novatel disclaims all liability relating to the
use of information in this specification. Note that this table is provided for rough estimation purposes only and is intended
to provide a first pass guideline for antenna loss planning. It is not to be a substitute for detailed design activity. Additional
losses, efficiency considerations and other system affects will modify the actual resulting TIS and as such results will
deviate from the TIS calculator shown above. Updates to TIS limits are not controlled in this document.

25
Novatel Wireless
Revision 2.4S
Appendix A - Regulatory Approval and Compliance
As the EU850D, EU860D, and EU870D support four bands of GPRS operation, including North
American and European bands, all products are covered by regulatory requirements of North
America and Europe. All products will have FCC, PTCRB, CE and GCF certification.
The E760 as a CDMA product in North America requires FCC certification.
FCC (Federal Communication Commission)
The E760, EU850D, EU860D, EU870D and E760 products conform to the requirements of
applicable American laws with respect to safety; health, environment and consumer protection.
This E760, EU850D, EU860D, EU870D and E760 will comply, per applicable band, with the
following parts of the Federal Communication Commission’s (FCC) Code of Federal Regulations
(CFR):
FCC CFR47 Part 2 (General Rules and Regulations, RF Exposure Evaluation)
FCC CFR47 Part 15 (All Radio Frequency Devices)
FCC CFR47 Part 24 (Narrow and wideband PCS modules)
FCC CFR47 Part 22 (Cellular Service)
A FCC grant shall be obtained in order to demonstrate compliance.

26
Novatel Wireless
Revision 2.4S
CE (Conformance European)
The EU850D, EU860D, and EU870D products comply with the essential requirements of the
applicable European laws and directives with respect to safety; health, environment and
consumer protection. The products conform to the essential requirements of the R&TTE (Radio
and Telecommunications Terminal Equipment) Directive, 1999/5/EC, and have the CE mark
affixed. The applicable sections of the following standards have been used to demonstrate
compliance to this requirement. The EU850D, EU860D, EU870D and E760 products will comply
with the 3GPP standards TS 51.010 for GSM and TS 34.121 for WCDMA.
Table 4: R&TTE
R&TTE
Requirement Discipline Definition Applied Standard
Article 3.1(a) Health Safety Testing
(flammability, etc…) ICNIRP 19985 European Council
Rec.1999/519 EC
Article 3.1(a) Safety IEC 60950-16
EN 301 489-017
EN 301 489-078
Article 3.1(b) EMC EMC testing
(unintentional radiators,
etc.…)
EN 301 489-249
EN 301 51110
EN 301 908-111
Article 3.2 Spectrum Network Testing (power,
frequency stability, etc…)
EN 301 908-212
5 International Commission on Non-Ionizing Radiation Protection
6 Safety of Information Technology Equipment
7Electromagnetic compatibility and Radio Spectrum Matters (ERM) ElectroMagnetic Compatibility
( EMC) standard for radio equipment and services
Part 1: Common Technical requirements
8Electromagnetic compatibility and Radio Spectrum Matters (ERM) ElectroMagnetic Compatibility
( EMC) standard for radio equipment and services
Part 7: Specific conditions for mobile and portable radio and ancillary equipment of digital cellular
radio telecommunications systems ( GSM and DCS)
9 Electromagnetic compatibility and Radio Spectrum Matters (ERM) ElectroMagnetic
Compatibility ( EMC) standard for radio equipment and services
Part 24: Specific conditions for IMT-2000 CDMA Direct Spread (URTA) for Mobile and portable
radio and ancillary equipment.
10Global System for Mobile communications (GSM):
Harmonized EN for mobile stations in the GSM 900 and GSM1800 bands covering essential
requirements under article 3.2 of the R&TTE directive
11Electromagnetic compatibility and Radio Spectrum Matters (ERM) Base Stations (BS) and User
Equipment (UE) for IMT-2000 Third-Generation cellular networks.
12 Electromagnetic compatibility and Radio Spectrum Matters (ERM) Base Stations (BS) and User
Equipment (UE) for IMT-2000 Third-Generation cellular networks.
Part 2: Harmonized EN for IMT-2000,
CDMA Direct Spread (UTRA FDD) (UE) covering essential requirements of article 3.2 of the
R&TTE Directive

27
Novatel Wireless
Revision 2.4S
The EU850D, EU860D, and EU870D products will comply with the applicable GSM/GPRS
European Regional Regulatory Requirements as per the following table.
Table 5: GSM/GPRS European Regulations
GSM 11.10 /
TS 51.010
Requirement Description EU /
R&TTE
Directive
12.1.1 Conducted spurious emissions - MS allocated a channel Yes
12.1.2 Conducted spurious emissions - MS in idle mode Yes
12.2.1 Radiated spurious emissions - MS allocated a channel Yes
12.2.2 Radiated spurious emissions - MS in idle mode Yes
13.1 Transmitter – Frequency error and phase error Yes
13.2 Transmitter – Frequency error under multipath and interference conditions Yes
13.3-1 Transmitter output power and burst timing - MS with permanent antenna
connector Yes
13.4 Transmitter - Output RF spectrum Yes
13.6 Transmitter – Frequency error and phase error in HSCSD multislot
configuration Yes
13.7 Transmitter output power and burst timing in HSCSD configurations Yes
13.8 Transmitter, Output RF spectrum in HSCSD multislot configuration Yes
13.16.1 Frequency error and phase error in GPRS multislot configuration Yes
13.16.2 Transmitter output power in GPRS multislot configuration Yes
13.16.3 Output RF spectrum in GPRS multislot configuration Yes
13.17.1 Frequency error and Modulation accuracy in EGPRS Configuration Yes
13.17.2 Frequency error under multipath and interference conditions in EGPRS
Configuration Yes
13.17.3-1 EGPRS Transmitter output power- MS with permanent antenna connector Yes
13.17.4 Output RF spectrum in EGPRS Configuration Yes
14.7.1 Blocking and spurious response - speech channels Yes
14.18.5 Blocking and spurious response in EGPRS Configuration Yes

* Information for OEM integrator
The OEM integrator has to be aware not to provide information to the end user
regarding how to install or remove this RF module in the user manual of the end
product.
The user manual which is provided by OEM integrators for end users must
include the following information in a prominent location.
“To comply with FCC RF exposure compliance requirements, the antenna used
for this transmitter must be installed to provide a separation distance of at least
20 cm from all persons and must not be co-located or operating in conjunction
with any other antenna or transmitter.”
Label for end product must include “Contains FCC ID: PKRNVWE760 or “ A RF
transmitter inside,
FCC ID: PKRNVWE760”.