Iridium Satellite 9603N Short Burst Data Transceiver User Manual Iridium 9602 9602N SBD Transceiver Developers Guide V1 2 DRAFT2
Iridium Satellite LLC Short Burst Data Transceiver Iridium 9602 9602N SBD Transceiver Developers Guide V1 2 DRAFT2
Contents
- 1. Developers guide
- 2. Iridium 9602_9602N SBD Transceiver Developers Guide V1.2 - DRAFT2
- 3. User Manual
- 4. User Manual II
- 5. User Manual III
Iridium 9602_9602N SBD Transceiver Developers Guide V1.2 - DRAFT2

Iridium 9602/9602N SBD Transceiver Developer’s
Guide
Iridium Communications Inc.
Proprietary & Confidential Information
Iridium Communications Inc.
1750 Tysons Blvd, Suite 1400
McLean, VA 22102
www.iridium.com
Toll Free: +1.866.947.4348 [US Only]
International +1.480.752.5155
email: info@iridium.com

Iridium Communications Inc. Information Contained in this Guide
9602 SBD Transceiver Product Developers Guide is Subject to Change Without Notice
Revision 1.2 (DRAFT 2)
Iridium Communications Inc. Distribution of Guide Restricted
Proprietary & Confidential Information 2 to Product Developers Only
LEGAL DISCLAIMER AND CONDITIONS OF USE
This document contains information for the Iridium 9602/9602N Short Burst Data Transceiver and
accompanying accessories (“Product”) is provided “as is.” The purpose of providing such information is to
enable Value Added Resellers and Value Added Manufacturers (collectively, “Product Developer(s)”) to
understand the Product and how to integrate it into a wireless data solution. Reasonable effort has been
made to make the information in this document reliable and consistent with specifications, test
measurements and other information. However, Iridium Communications Inc. and its affiliated companies,
directors, officers, employees, agents, trustees or consultants (“Iridium”) assume no responsibility for any
typographical, technical, content or other inaccuracies in this document. Iridium reserves the right in its
sole discretion and without notice to you to change Product specifications and materials and/or revise this
document or withdraw it at any time. The Product Developer assumes the full risk of using the Product
specifications and any other information provided.
IRIDIUM MAKES NO REPRESENTATIONS, GUARANTEES, CONDITIONS OR WARRANTIES,
EITHER EXPRESS OR IMPLIED, INCLUDING WITHOUT LIMITATION, ANY IMPLIED
REPRESENTATIONS, GUARANTEES, CONDITIONS OR WARRANTIES OF MERCHANTABILITY
AND FITNESS FOR A PARTICULAR PURPOSE, NON-INFRINGEMENT, SATISFACTORY QUALITY,
NON-INTERFERENCE, ACCURACY OF INFORMATIONAL CONTENT, OR ARISING FROM A
COURSE OF DEALING, LAW, USAGE, OR TRADE PRACTICE, USE, OR RELATED TO THE
PERFORMANCE OR NONPERFORMANCE OF ANY PRODUCTS, ACCESSORIES, FACILITIES OR
SERVICES OR INFORMATION EXCEPT AS EXPRESSLY STATED IN THIS GUIDE AND/OR THE
PRODUCT AND/OR SATELLITE SERVICE DOCUMENTATION. ANY OTHER STANDARDS OF
PERFORMANCE, GUARANTEES, CONDITIONS AND WARRANTIES ARE HEREBY EXPRESSLY
EXCLUDED AND DISCLAIMED TO THE FULLEST EXTENT PERMITTED BY LAW. THIS
DISCLAIMER AND EXCLUSION SHALL APPLY EVEN IF THE EXPRESS LIMITED WARRANTY
CONTAINED IN THIS GUIDE OR SUCH DOCUMENTATION FAILS OF ITS ESSENTIAL PURPOSE.
IN NO EVENT SHALL IRIDIUM BE LIABLE, WHETHER IN CONTRACT OR TORT OR ANY OTHER
LEGAL THEORY, INCLUDING WITHOUT LIMITATION STRICT LIABILITY, GROSS NEGLIGENCE OR
NEGLIGENCE, FOR ANY DAMAGES IN EXCESS OF THE PURCHASE PRICE OF THE PRODUCT,
INCLUDING ANY DIRECT, INDIRECT, INCIDENTAL, SPECIAL OR CONSEQUENTIAL DAMAGES OF
ANY KIND, OR LOSS OF REVENUE OR PROFITS, LOSS OF BUSINESS, LOSS OF PRIVACY, LOSS
OF USE, LOSS OF TIME OR INCONVENIENCE, LOSS OF INFORMATION OR DATA, SOFTWARE
OR APPLICATIONS OR OTHER FINANCIAL LOSS CAUSED BY THE PRODUCT (INCLUDING
HARDWARE, SOFTWARE AND/OR FIRMWARE) AND/OR THE IRIDIUM SATELLITE SERVICES, OR
ARISING OUT OF OR IN CONNECTION WITH THE ABILITY OR INABILITY TO USE THE PRODUCT
(INCLUDING HARDWARE, SOFTWARE AND/OR FIRMWARE) AND/OR THE IRIDIUM SATELLITE
SERVICES TO THE FULLEST EXTENT THESE DAMAGES MAY BE DISCLAIMED BY LAW AND
WHETHER ADVISED OF THE POSSIBILITIES OF SUCH DAMAGES. IRIDIUM IS NOT LIABLE FOR
ANY CLAIM MADE BY A THIRD PARTY OR MADE BY YOU FOR A THIRD PARTY.
Your use of the information contained in this Guide is restricted to the development activity
authorized under the agreement(s) between you and Iridium, and is otherwise subject to all
applicable terms and conditions of such agreement(s), including without limitation software
license, warranty, conditions of use and confidentiality provisions.
Export Compliance Information
This Product is controlled by the export laws and regulations of the United States of America. The U.S.
Government may restrict the export or re-export of this Product to certain individuals and/or destinations.
For further information, contact the U.S. Department of Commerce, Bureau of Industry and Security or
visit www.bis.doc.gov.

Iridium Communications Inc. Information Contained in this Guide
9602 SBD Transceiver Product Developers Guide is Subject to Change Without Notice
Revision 1.2 (DRAFT 2)
Iridium Communications Inc. Distribution of Guide Restricted
Proprietary & Confidential Information 3 to Product Developers Only
Revision History
Revision Date Comment
1.1 15-Apr-10 Initial Product Release
1.2 27-Jan-15 Updated to include 9602N (Draft 2)

Iridium Communications Inc. Information Contained in this Guide
9602 SBD Transceiver Product Developers Guide is Subject to Change Without Notice
Revision 1.2 (DRAFT 2)
Iridium Communications Inc. Distribution of Guide Restricted
Proprietary & Confidential Information 4 to Product Developers Only
Contents
Revision History ...................................................................................................................................... 3
Contents ................................................................................................................................................ 4
List of Abbreviations ................................................................................................................................ 5
1
Product Overview ............................................................................................................................ 6
1.1
Key Features ..................................................................................................................... 6
1.2
Transceiver Packaging and Regulatory Certification .......................................................... 7
1.3
Software Revision ............................................................................................................. 9
1.4
Unauthorised Changes ...................................................................................................... 9
1.5
Radio Interference ............................................................................................................. 9
1.6
RF Exposure ................................................................................................................... 10
1.7
FCC Class B Digital Device Notice .................................................................................. 10
1.8
Labelling Requirements for the Host device ..................................................................... 10
1.9
CAN ICES-3 (B) / NMB-3 (B) ........................................................................................... 11
1.10
R&TTE Statement ........................................................................................................... 11
2
Physical Specification .................................................................................................................... 13
2.1
Module Dimensions ......................................................................................................... 13
2.2
Mechanical Dimensions – Motherboard Mounting ............................................................ 15
2.3
Environmental ................................................................................................................. 18
2.3.1
Environmental Specification............................................................................................. 18
2.3.2
Environmental Tests Performed....................................................................................... 18
2.4
Physical Interface Connectors ......................................................................................... 19
3
Electrical Interfaces ....................................................................................................................... 19
3.1
User Connector ............................................................................................................... 19
3.1.1
User Connector Type ...................................................................................................... 20
3.1.2
User Connector Pin Allocation ......................................................................................... 20
3.2
DC Power Interface ......................................................................................................... 22
3.2.1
Power On/Off Control ...................................................................................................... 23
3.2.2
Typical Power Usage Profile ............................................................................................ 23
3.3
Serial Data Interface ........................................................................................................ 24
3.3.1
9-Wire and 3-Wire Operation ........................................................................................... 24
3.3.2
Configuration Settings ..................................................................................................... 26
3.3.3
Modes of Operation ......................................................................................................... 26
3.3.4
Serial port signal levels .................................................................................................... 27
3.4
Hardware Failure Reporting ............................................................................................. 27
3.5
Network Available Output ................................................................................................ 27
3.6
DC Supply Indicator Output ............................................................................................. 28
4
RF Interface .................................................................................................................................. 28
4.1
RF Connector Types ....................................................................................................... 28
4.2
ANT Connector ............................................................................................................... 28
4.2.1
Antenna Characteristics .................................................................................................. 29
4.3
GPS Connector ............................................................................................................... 29
4.4
Radio Interface Specifications ......................................................................................... 30
4.5
Radio Characteristics ................................................................................................. 31
4.6
S-meter Performance ...................................................................................................... 31
5
AT Command Set Description ....................................................................................................... 32

Iridium Communications Inc. Information Contained in this Guide
9602 SBD Transceiver Product Developers Guide is Subject to Change Without Notice
Revision 1.2 (DRAFT 2)
Iridium Communications Inc. Distribution of Guide Restricted
Proprietary & Confidential Information 5 to Product Developers Only
List of Abbreviations
Abbreviation Description
CE Conformité Européene
CTS (V.24 signal) Clear To Send. This signal is used to control the flow of data to
the Iridium 9602/9602N
DC Direct Current
DCD (V.24 signal) Data Carrier Detect
DCE Data Communications Equipment. In this Product, DCE refers to the Iridium
9602/9602N
DSR (V.24 signal) Data Set Ready. This signal, from the Iridium 9602/9602N,
indicates readiness to accept communication over the data port
DTE Data Terminal Equipment. In this Product, DTE refers to the FA
DTR (V.24 signal) Data Terminal Ready. This signal, from the FA, requests the
Iridium 9602/9602N to accept communication over the data port
ESS ETC SBD Subsystem (synonymous with GSS)
ETC Earth Terminal Controller
FA Field Application; the application controlling the Iridium 9602/9602N
FCC Federal Communications Commission
GND Ground
GSS Gateway SBD Subsystem (synonymous with ESS)
IC Industry Canada
IMEI International Mobile Equipment Identity
LBT L-Band Transceiver
MO Mobile Originated
MOMSN Mobile Originated Message Sequence Number
MT Mobile Terminated
MTMSN Mobile Terminated Message Sequence Number
RHCP Right Hand Circular Polarization
RI (V.24 signal) Ring Indicate. This signal, from the Iridium 9602/9602N,
indicates that an MT message is present at the GSS
RTS (V.24 signal) Request To Send. This signal is used to control the flow of data
from the Iridium 9602/9602N.
SBD Short Burst Data
SMS Short Message Service
TBA To Be Advised
UART Universal Asynchronous Receiver Transmitter
VAM Value Added Manufacturer
VAR Value Added Reseller
VSWR Voltage Standing Wave Ratio

Iridium Communications Inc. Information Contained in this Guide
9602 SBD Transceiver Product Developers Guide is Subject to Change Without Notice
Revision 1.2 (DRAFT 2)
Iridium Communications Inc. Distribution of Guide Restricted
Proprietary & Confidential Information 6 to Product Developers Only
1 Product Overview
The Iridium 9602/9602N Short Burst Data Only Transceiver (9602/9602N) is designed to be integrated
into a wireless data application with other host system hardware and software to produce a full solution
designed for a specific application or vertical market. Examples of these solutions include tracking a
maritime vessel or automatic vehicle location.
The 9602/9602N only supports Iridium’s Short Burst Data (SBD) capability. It does not support voice,
circuit switched data, or short message service (SMS).
The 9602/9602N is designed to meet the regulatory requirements for approval for FCC, Canada, and CE
assuming an antenna with a gain of ~3 dBi and adequate shielding. This allows the 9602/9602N to be
integrated into a variety of wireless data applications or retrofitted into existing SBD only applications that
utilize SBD with the current Iridium 9601, 9522A, 9522B or 9522 L-Band transceiver-based products. (Note
that additional development work will be required). Such finished products, when integrated together,
require regulatory and safety testing to be conducted by the integrator.
The 9602/9602N is a single board transceiver provided as a ‘black box’ transceiver module with all device
interfaces provided by a single multi-pin interface connector in addition to the antenna connector. The
Product only provides the core transceiver. All other end user Field Application functions such as GPS,
microprocessor based logic control, digital and analog inputs, digital and analog outputs, power supply and
antenna must be provided by the solution developer. The device interface across the user connector
consists of a serial-data interface, DC power input, network available output and a power on/off control line.
The 9602/9602N does not incorporate nor require a Subscriber Identity Module (also known as a SIM
Card) to be inserted into the Transceiver. The 9602/9602N is intended to be used as a transceiver
module fitted within another host system. The 9602/9602N module is designed to comply with the
standards for Radio Emissions Compliance, Electromagnetic Compatibility, and AC Safety in the United
States, European Union and Canada, for host systems that provide safe connections to power supply and
external antenna or cable distribution system.
The 9602N is a second generation version of the 9602 and is identical in form and function to the 9602.
This document applies to both the 9602 and 9602N as indicated by the term ‘9602/9602N’. Where the
contents of this document apply specifically to either the 9602 or 9602N then this is indicated by the use
of the terms ‘9602’ and ‘9602N’ respectively.
The 9602/9602N is described within this document as “9602/9602N,” “9602/9602N SBD Transceiver,”
“Transceiver,” and “ISU.” All of these terms refer to the same product.
1.1 Key Features
• Single board transceiver
• Small form factor
• Aluminum alloy casework (LM2 / LM24) with Alodine 2600 passivation coating
• No SIM card
• Designed to be incorporated into an OEM solution
• Maximum mobile originated message size 340 bytes
• Maximum mobile terminated message size 270 bytes
• Automatic Notification to the Transceiver that a mobile terminated message is queued at the
Gateway
• Global operating capability
• RoHS compliant

Iridium Communications Inc. Information Contained in this Guide
9602 SBD Transceiver Product Developers Guide is Subject to Change Without Notice
Revision 1.2 (DRAFT 2)
Iridium Communications Inc. Distribution of Guide Restricted
Proprietary & Confidential Information 7 to Product Developers Only
1.2 Transceiver Packaging and Regulatory Certification
The 9602/9602N SBD Transceiver is a regulatory approved daughter module transceiver that can be
fitted within an enclosed host system. With appropriate external connections, the host system can be
designed to meet full transceiver regulatory tests and sold as a Regulatory Certified product that meets
CE, FCC and IC requirements.
The 9602 is tested to the regulatory and technical certifications shown in Table 1 (See Note below). The
9602N has regulatory and technical certifications as shown in Table 1a.
Table 1: 9602 Regulatory and Technical Certifications.
Regulatory
Approvals Radio Tests EMC Tests
Electrical /
Mechanical /
Operational
Safety Tests
CE
ETSI EN 301 441 V1.1.1
(2000-05)
ETSI EN301 489-1 V1.8.1(2008-04)
ETSI EN 301 489-20 V1.2.1(2002-
11)
EN60950-1:2006
Part 1
FCC
FCC CFR47 parts 2, 15,
and 25
EN61000-4-
2 : 1995/A2 : 2001 Part 4.2
EN61000-4-3 : 2002 Part 4.3
EN61000-4-4 : 2004
EN61000-4-
6 : 1996/A1 : 2001 Part 4.6
EN55022:2006
Industry
Canada Industry Canada
RSS170 Issue 1, Rev 1,
November 6, 1999
Note: The initial 9602 FP1 & FP2 prototype units are different from the commercially produced 9602 SBD
Transceivers from a regulatory and certification perspective. Those initial units cannot and should not be
used for any commercial purpose or for any regulatory certification or compliance purposes. Only the
commercial 9602 units conform to the regulatory approved design and the regulatory and technical
certifications listed in Table 1.

Iridium Communications Inc. Information Contained in this Guide
9602 SBD Transceiver Product Developers Guide is Subject to Change Without Notice
Revision 1.2 (DRAFT 2)
Iridium Communications Inc. Distribution of Guide Restricted
Proprietary & Confidential Information 8 to Product Developers Only
Table 1a: 9602N Regulatory and Technical Certifications.
Regulatory
Approvals Radio Tests EMC Tests
Electrical /
Mechanical /
Operational
Safety Tests
CE
ETSI EN 301 441 V1.1.1
(2000-05)
ETSI EN 301 489-1 V1.9.2 (2011)
ETSI EN 301 489-20 V1.2.1 (2002-
11)
EN61000-4-2 : 2009
EN61000-4-3 : 2006 + A1: 2008 + A2:
2010
EN61000-4-
4 : 2004 + A1: 2010
EN61000-4-6 : 2009
EN55022:2006 + A1: 2007
EN60950-1:2006 +
A11: 2009 + A1:
2010 + A12: 2011
FCC
FCC CFR47 parts 2
(2013), 15B (2013), and
25 (2013)
Industry
Canada Industry Canada
RSS170 Issue 2, March,
2011
Industry Canada ICES-
003 (2012)
Note: The OEM integrator is responsible for ensuring that their end-product complies with additional
compliance requirements required with this module installed, such as digital device/unintentional
emissions requirements and any additional potential RF Exposure requirements, such as portable use or
co-location requirements.
Iridium Communications Inc. Information Contained in this Guide
9602 SBD Transceiver Product Developers Guide is Subject to Change Without Notice
Revision 1.2 (DRAFT 2)
Iridium Communications Inc. Distribution of Guide Restricted
Proprietary & Confidential Information 9 to Product Developers Only
1.3 Software Revision
Product Developers should read this document in conjunction with the “Software Release Notes” relevant
to the revision of the software that is loaded into their 9602/9602N SBD Transceiver.
Product Developers should take into account in their software design that it is possible that a transceiver
may have an earlier software release and may therefore have different capabilities to those listed in this
document. Product Developers are advised to ensure that production procedures for finished goods
confirm that the software used in the Product Developer application is designed for the Software Release
loaded in the 9602/9602N SBD Transceiver. This can be read out of the module using the AT command
interface. A software upgrade utility is provided with each SW release. The utility runs on a Windows
compatible OS and will automatically upgrade the modem with the latest version.
1.4 Unauthorised Changes
Iridium has not approved any changes or modifications to this device by the user. Any changes or
modifications could void the user’s authority to operate the equipment.
Iridium n’approuve aucune modification apportée à l’appareil par l’utilisateur, quelle qu’en soit la nature.
Tout changement ou modification peuvent annuler le droit d’utilisation de l’appareil par l’utilisateur.
1.5 Radio Interference
This device complies with Part 15 of the FCC Rules and Industry Canada licence-exempt RSS
standard(s). Operation is subject to the following two conditions: (1) this device may not cause
interference, and (2) this device must accept any interference, including interference that may cause
undesired operation of the device.
Under Industry Canada regulations, this radio transmitter may only operate using an antenna of a type
and maximum (or lesser) gain approved for the transmitter by Industry Canada. To reduce potential radio
interference to other users, the antenna type and its gain should be so chosen that the equivalent
isotropically radiated power (EIRP) is not more than that necessary for successful communication.
Le présent appareil est conforme aux CNR d'Industrie Canada applicables aux appareils radio exempts
de licence. L'exploitation est autorisée aux deux conditions suivantes : (1) l'appareil ne doit pas produire
de brouillage, et (2) l'utilisateur de l'appareil doit accepter tout brouillage radioélectrique subi, même si le
brouillage est susceptible d'en compromettre le fonctionnement.
Conformément à la réglementation d'Industrie Canada, le présent émetteur radio peut fonctionner avec
une antenne d'un type et d'un gain maximal (ou inférieur) approuvé pour l'émetteur par Industrie Canada.
Dans le but de réduire les risques de brouillage radioélectrique à l'intention des autres utilisateurs, il faut
choisir le type d'antenne et son gain de sorte que la puissance isotrope rayonnée équivalente (PIRE) ne
dépasse pas l'intensité nécessaire à l'établissement d'une communication satisfaisante.

Iridium Communications Inc. Information Contained in this Guide
9602 SBD Transceiver Product Developers Guide is Subject to Change Without Notice
Revision 1.2 (DRAFT 2)
Iridium Communications Inc. Distribution of Guide Restricted
Proprietary & Confidential Information 10 to Product Developers Only
1.6 RF Exposure
This equipment complies with FCC and IC radiation exposure limits set forth for an uncontrolled
environment. The antenna should be installed and operated with minimum distance of 20 cm between
the radiator and your body. Antenna gain must be below: 3.0 dBi. This transmitter must not be co-located
or operating in conjunction with any other antenna or transmitter.
Cet appareil est conforme aux limites d'exposition aux rayonnements de la IC pour un environnement non
contrôlé. L'antenne doit être installé de façon à garder une distance minimale de 20 centimètres entre la
source de rayonnements et votre corps. Gain de l'antenne doit être ci-dessous: 3.0 dBi. L'émetteur ne
doit pas être colocalisé ni fonctionner conjointement avec à autre antenne ou autre émetteur.
1.7 FCC Class B Digital Device Notice
This equipment has been tested and found to comply with the limits for a Class B digital device, pursuant
to part 15 of the FCC Rules. These limits are designed to provide reasonable protection against harmful
interference in a residential installation. This equipment generates, uses and can radiate radio frequency
energy and, if not installed and used in accordance with the instructions, may cause harmful interference
to radio communications. However, there is no guarantee that interference will not occur in a particular
installation. If this equipment does cause harmful interference to radio or television reception, which can
be
determined by turning the equipment off and on, the user is encouraged to try to correct the interference
by one or more of the following measures:
- Reorient or relocate the receiving antenna.
- Increase the separation between the equipment and receiver.
- Connect the equipment into an outlet on a circuit different from that to which the receiver is connected.
- Consult the dealer or an experienced radio/TV technician for help.
1.8 Labelling Requirements for the Host device
The host device shall be properly labelled to identify the modules within the host device. The certification
label of the module shall be clearly visible at all times when installed in the host device, otherwise the
host device must be labelled to display the FCC ID and IC of the module, preceded by the words
"Contains transmitter module", or the word "Contains", or similar wording expressing the same meaning,
as follows:
9602
Contains FCC ID: Q639602 or Contains transmitter module FCC ID: Q639602
Contains IC: 4629A-9602 or Contains transmitter module IC: 4629A-9602
9602N
Contains FCC ID: Q639603N or Contains transmitter module FCC ID: Q639603N
Contains IC: 4629A-9603N or Contains transmitter module IC: 4629A-9603N

Iridium Communications Inc. Information Contained in this Guide
9602 SBD Transceiver Product Developers Guide is Subject to Change Without Notice
Revision 1.2 (DRAFT 2)
Iridium Communications Inc. Distribution of Guide Restricted
Proprietary & Confidential Information 11 to Product Developers Only
L'appareil hôte doit être étiqueté comme il faut pour permettre l'identification des modules qui s'y trouvent.
L'étiquette de certification du module donné doit être posée sur l'appareil hôte à un endroit bien en vue en
tout temps. En l'absence d'étiquette, l'appareil hôte doit porter une étiquette donnant le FCC ID et le IC du
module, précédé des mots « Contient un module d'émission », du mot « Contient » ou d'une formulation
similaire exprimant le même sens, comme suit:
9602
Contains FCC ID: Q639602 or Contains transmitter module FCC ID: Q639602
Contains IC: 4629A-9602 or Contains transmitter module IC: 4629A-9602
9602N
Contains FCC ID: Q639603N or Contains transmitter module FCC ID: Q639603N
Contains IC: 4629A-9603N or Contains transmitter module IC: 4629A-9603N
1.9 CAN ICES-3 (B) / NMB-3 (B)
This Class B digital apparatus complies with Canadian ICES-003.
Cet appareil numérique de classe B est conforme à la norme canadienne ICES-003.
1.10 R&TTE Statement
Iridium Communications Inc. hereby declares that the 9602N is in compliance with the essential
requirements and other relevant provisions of Directive1999/5/EC. A copy of the Declaration of
Conformity is given below.

Iridium Communications Inc. Information Contained in this Guide
9602 SBD Transceiver Product Developers Guide is Subject to Change Without Notice
Revision 1.2 (DRAFT 2)
Iridium Communications Inc. Distribution of Guide Restricted
Proprietary & Confidential Information 12 to Product Developers Only

Iridium Communications Inc. Information Contained in this Guide
9602 SBD Transceiver Product Developers Guide is Subject to Change Without Notice
Revision 1.2 (DRAFT 2)
Iridium Communications Inc. Distribution of Guide Restricted
Proprietary & Confidential Information 13 to Product Developers Only
2 Physical Specification
For illustrative purposes a picture of the Iridium 9602 SBD Transceiver Module is shown in Figure 1.
Figure 1 Iridium 9602 SBD Transceiver Front and Back Views
*Note: The appearance of the 9602N is identical to the 9602 with the exception of the part marking on the
label.
2.1 Module Dimensions
The overall dimensions of the 9602/9602N module and its weight are summarized in Table 2 and
represented graphically in Figure 2
Table 2: 9602/9602N Mechanical Dimensions
Parameter Value
Length 41.0 mm
Width 45.0 mm
Depth 13.0 mm
Weight (approximate) 30g
Additionally host system Product Developers should plan space for connection to the host system
motherboard, including robust and electrically grounded connections to the antenna/cable distribution
system.

Iridium Communications Inc. Information Contained in this Guide
9602 SBD Transceiver Product Developers Guide is Subject to Change Without Notice
Revision 1.2 (DRAFT 2)
Iridium Communications Inc. Distribution of Guide Restricted
Proprietary & Confidential Information 14 to Product Developers Only
Figure 2 General Assembly and Dimensions of the 9602/9602N SBD Transceiver Module
(Not to scale, dimensions in millimeters)
This drawing shows some of the key dimensions within the 9602/9602N specify the mechanical position
of its connectors with respect to its mounting holes.
Note: Iridium is currently working on providing updated Figure 2, to reflect the diameter of the mounting
holes and tolerance drawings for the cut out. At the time of this documentation release these items were
not available and will be provided in a later release.

Iridium Communications Inc. Information Contained in this Guide
9602 SBD Transceiver Product Developers Guide is Subject to Change Without Notice
Revision 1.2 (DRAFT 2)
Iridium Communications Inc. Distribution of Guide Restricted
Proprietary & Confidential Information 15 to Product Developers Only
2.2 Mechanical Dimensions – Motherboard Mounting
The 9602/9602N SBD Transceiver must be fitted within an enclosed host system. With appropriate
external connections, the host system motherboard and host system enclosure can be designed to meet
full transceiver regulatory tests.
The 9602/9602N SBD Transceiver is provided with two mounting holes, one at each diagonal corner. The
module should be assembled onto the motherboard of the host system, by pushing the module onto
matching connectors on the motherboard and then securing the diagonal mounting holes to the
motherboard using mechanical fasteners.
The figures and tables below provide mechanical information design information to connect a
9602/9602N module to a host system motherboard.
Figure 3 General assembly of the 9602/9602N onto motherboard of the host system.

Iridium Communications Inc. Information Contained in this Guide
9602 SBD Transceiver Product Developers Guide is Subject to Change Without Notice
Revision 1.2 (DRAFT 2)
Iridium Communications Inc. Distribution of Guide Restricted
Proprietary & Confidential Information 16 to Product Developers Only
Figure 4 Example host system motherboard footprint showing mounting position of 9602/9602N
(Not to scale. Dimensions in millimeters)

Iridium Communications Inc. Information Contained in this Guide
9602 SBD Transceiver Product Developers Guide is Subject to Change Without Notice
Revision 1.2 (DRAFT 2)
Iridium Communications Inc. Distribution of Guide Restricted
Proprietary & Confidential Information 17 to Product Developers Only
Notes for Figure 4
1. This example of a host system motherboard footprint is shown for illustrative purposes only. The host
system may require a different PCB layout or mechanical arrangement.
2. The 9602/9602N is designed to be incorporated within a host system. As such, the antenna or cable
distribution system that feeds the host system should be terminated in a robust RF connector that is
suitable for the end-application.
3. Safety isolation requirements for external antennas or cable distribution systems should also be taken
into consideration when designing the motherboard. A suitably safe design for the RF connections
should be incorporated into the host system motherboard, ideally using a chassis-bonded ground
connection to the antenna cable shield.
4. The surface below the modem should be a conductive ground plane such that the modem bonds to
the motherboard ground system thus reducing the possibility of radiated emissions. This also requires
that the mounting screws get properly tightened to 7 pound-inches of torque.
5. The modem is to be installed in a “service access only” area not accessible by untrained personnel.
Warning- Although the modem dissipates very little power, its use in ambient temperatures
in excess of 60 deg C will make the caseworks considerably hot.

Iridium Communications Inc. Information Contained in this Guide
9602 SBD Transceiver Product Developers Guide is Subject to Change Without Notice
Revision 1.2 (DRAFT 2)
Iridium Communications Inc. Distribution of Guide Restricted
Proprietary & Confidential Information 18 to Product Developers Only
2.3 Environmental
2.3.1 Environmental Specification
The environmental specifications of the 9602/9602N are summarized in Table 5 below.
Table 5: Environmental Specifications
Parameter Value
Operating Temperature Range
1
-40ºC to + 85ºC
Operating Humidity Range ≤ 75% RH
Storage Temperature Range -40ºC to + 85ºC
Storage Humidity Range ≤ 93% RH
2.3.2 Environmental Tests Performed
The 9602 complies with the specifications listed in Table 6. The 9602N complies with the specifications
listed in Table 6a.
Table 6: 9602 Environmental Tests
Test Name
Test Reference
Test Description
Thermal Shock
EN60068-2-14:2000 Change of Temperature,
-25°C to +70°C,
5 cycles of 1 hour each
Humidity IEC60068-2-78:2002 Damp heat steady state
40
O
C 93% RH for 4 days
Vibration EN 60068-2-36:1996 0.96 m2/s3 from 5Hz to 20Hz
21Hz to 500Hz dropping
-
3dB per octave
Vibration J1455 Society of Automotive Engineers
10-40Hz at 0.02g
2
/Hz
40-500Hz dropping 6dB per octave
Shock EN60068-2-27:1993
(NF c20-727)
Shock J1455 Society of Automotive Engineers
Drop 1m onto concrete in 3 perpendicular
orientations (3 drops)
Also 10G shock over a period of 12ms
1
Operating Temperature Range based on a duty-cycled usage model with 9602 sending one SBD message per hour
and is otherwise turned off during the hour. Iridium has tested the 9602 per these temperature conditions and
partners venturing outside of these stated conditions need to ensure they have engineered a solution appropriate to
the stated environmental conditions for the 9602.

Iridium Communications Inc. Information Contained in this Guide
9602 SBD Transceiver Product Developers Guide is Subject to Change Without Notice
Revision 1.2 (DRAFT 2)
Iridium Communications Inc. Distribution of Guide Restricted
Proprietary & Confidential Information 19 to Product Developers Only
Table 6a: 9602N Environmental Tests
Test Name Test Reference Test Description
Thermal Shock
EN60068-2-14:2009 Change of Temperature,
-25°C to +70°C,
5 cycles of 1 hour each
Humidity IEC60068-2-78:2002 Damp heat steady state
40
O
C 93% RH for 4 days
Vibration IEC60068-2-64:2008 0.96 m2/s3 from 5Hz to 20Hz
21Hz to 500Hz dropping 6dB per octave
Vibration SAE J1455: 2012 Section 4.10 10-40Hz at 0.02g
2
/Hz
40-500Hz dropping 6dB per octave
Shock EN60068-2-27:2009 10G peak shock over a period of 11ms, 3
shocks in 3 perpendicular orientations
Shock SAE J1455: 2012 Section 4.11
Society of Automotive Engineers Drop 1m onto concrete in 3 perpendicular
orientations (3 drops)
2.4 Physical Interface Connectors
The Iridium 9602/9602N SBD Transceiver incorporates three connectors:
• A multiway user connector
• An RF antenna connector
• A GPS RF pass-through connector
The physical characteristics of the connectors and their electrical interfaces are described in more detail
in Sections 3.1.1 and 4.1 respectively.
3 Electrical Interfaces
The following subsections contain information for the electrical interfaces of the 9602/9602N SBD
Transceiver for the non-RF connections. The RF interfaces are covered in section 0.
3.1 User Connector
The user connector provides the following connections to the 9602/9602N module:
• DC power supply input
• Power on/off control
• Serial data interface
• Network available output
• Supply power indicator output

Iridium Communications Inc. Information Contained in this Guide
9602 SBD Transceiver Product Developers Guide is Subject to Change Without Notice
Revision 1.2 (DRAFT 2)
Iridium Communications Inc. Distribution of Guide Restricted
Proprietary & Confidential Information 20 to Product Developers Only
3.1.1 User Connector Type
The connector on the 9602/9602N is a Samtec low-profile header connector, part number FTSH-110-01-
L-DV.
This connector provides the ability for a stackable board to board configuration, allowing connection to the
host system motherboard.
Data sheets on these connectors can be found at: http://www.samtec.com
A suitable motherboard female socket that matches this connector is the SAMTEC header part number
CLP-110-02-L-D.
3.1.2 User Connector Pin Allocation
The user connector is a 2-row 20-way header. Individual pin assignments are shown in Table 7 and the
limits for the digital signals are listed in Table 8. Multiple supply grounds are provided and all supply and
supply grounds are required to be connected to the power supply in order to limit the current on any one
pin. Multiple signal grounds are provided to reduce cross-talk.
Table 7: User Connector Pin Allocation
Pin
No. Signal Name
Signal
direction
(WRT
9602/9602N
)
Signal function Signal level
1 EXT_PWR Input Supply +5 V +/- 0.5 V
2 EXT_PWR Input Supply +5 V +/- 0.5 V
3 EXT_GND Input Supply return 0 V
4 EXT_GND Input Supply return 0 V
5 ON/OFF Input On/Off control input Analog
On: >=2.0V
Off: <=0.5V
6 DF_S_TX Input Data port, serial data input 3.3V Digital
7 DF_S_RX Output Data port, serial data output 3.3V Digital
8 SIG_GND Input Signal ground 0V
9 DF_ DCD Output Data port, Data Carrier Detect 3.3V Digital
10 DF_ DSR Output Data port, Data Set Ready 3.3V Digital
11 DF_ CTS Output Data port, Clear-to-Send 3.3V Digital
12 DF_RI Output Data port, Ring Indicator 3.3V Digital
13 DF_ RTS Input Data port, Request-to-Send 3.3V Digital
14 DF_ DTR Input Data port, Data Terminal Ready 3.3V Digital
15 SIG_GND Input Signal ground 0V
16 Reserved
17 Reserved
18 SIG_GND Input Signal ground 0V
19 NETWORK
AVAILABLE Output Signals when the 9602/9602N can
see an available satellite network
3.3V Digital
Available = high
Not available= low
20 SUPPLY_OUT Output Supply power indicator output +3.3 V
5mA maximum

Iridium Communications Inc. Information Contained in this Guide
9602 SBD Transceiver Product Developers Guide is Subject to Change Without Notice
Revision 1.2 (DRAFT 2)
Iridium Communications Inc. Distribution of Guide Restricted
Proprietary & Confidential Information 21 to Product Developers Only
Table 8: Limits for 3.3V Digital Signals
Parameter Symbol Min Typ Max Unit
Input High Voltage VIH 2.0 5.5 V
Input Low Voltage VIL -0.3 0.8 V
Output High Voltage VOH 2.4 V
Output Low Voltage VOL 0.4 V
Low Level Output Current IOL 4.4 mA
High Level Output Current IOH 5.5 mA
Figure 5
provides a reference for the pin designation. This view is not to scale and not representative of
the connector mechanical layout. This view is for illustrative purposes only. This view designation is
when looking into the user connector towards the 9602/9602N module.
The numbers indicate pin designation. Additionally, on the 9602/9602N PCB, pin 1 on the user
connector is indicated on the board silkscreen.
Figure 5 User Connector Pin Number Designation (from below module)

Iridium Communications Inc. Information Contained in this Guide
9602 SBD Transceiver Product Developers Guide is Subject to Change Without Notice
Revision 1.2 (DRAFT 2)
Iridium Communications Inc. Distribution of Guide Restricted
Proprietary & Confidential Information 22 to Product Developers Only
3.2 DC Power Interface
The DC power interface is comprised of the DC power inputs and a control signals as summarized in
Table 7. The +5V Inputs and 0V supply returns are used to supply DC power to the 9602/9602N and
ensure that enough current can be drawn across the connector without the 9602/9602N malfunctioning
during transmit due to lack of current supply. Note that all power and ground pins should be connected
externally.
The DC power supply requirements for the 9602/9602N are summarized in Table 9 below. Note that
these requirements apply to DC power measured at the 9602/9602N User connector input and not at the
output of the power supply. Long power supply cables can cause a voltage drop sufficient to cause the
voltage to be out of specification at the physical power supply input to the 9602/9602N.
Table 9: DC Power Input Specifications
Parameter 9602 Value 9602N Value
Supply Input Voltage Range 5.0V DC +/-0.5V
5.0V DC +/-0.5V
Supply
Input Voltage Ripple
<
40 mV pp
<
40 mV p
p
Typical Power Consumption at +5.0 VDC 9602 Value 9602N Value
Idle Current (average*) 45mA 35mA
Idle Current (peak) 195mA 170mA
Transmit Current (peak) 1.5 A 1.3A
Transmit Current (average*) 190mA 140mA
Receive Current (peak) 195mA 170mA
Receive Current (average*) 45mA 40mA
SBD message transfer -
average
current* 190 mA 150mA
SBD message transfer -
average
power* <= 1.0 W <=0.8 W
* Note: The average power consumption will vary depending on the view of the satellite constellation from
the antenna.
The external power supply needs to guarantee the following:
• The supply voltage droop over for a 8.3ms burst of 1.5A (9602)/ 1.3A (9602N) current should not be
more than 0.2 Volts.
• The power supply should limit the in-rush
2
current to 4 Amps maximum
• The power source shall provide for over current protection in case of device malfunction.
• The supply noise should be less than the limits in the following profile:
100 mVpp from 0 to 50 kHz
5 mVpp at 1 MHz measured in 50 kHz bandwidth
10 mVpp at 1 MHz measured in 1MHz bandwidth
5 mVpp above 5 MHz measured in 1 MHz bandwidth.
2
In rush limit refers to the impedance of the modem when it is unpowered is very low. When power is supplied
from an unlimited supply the instantaneous current can exceed 4 Amps. If the current exceeds this value damage
can occur. This can be limited in several ways, included using a supply that cannot provide more than 4 Amps
instantaneously; or providing some series inductance/resistance to the supply lead.

Iridium Communications Inc. Information Contained in this Guide
9602 SBD Transceiver Product Developers Guide is Subject to Change Without Notice
Revision 1.2 (DRAFT 2)
Iridium Communications Inc. Distribution of Guide Restricted
Proprietary & Confidential Information 23 to Product Developers Only
3.2.1 Power On/Off Control
An external on/off input is provided on a pin of the User connector. The 9602/9602N starts up when
power is applied and the power on/off input is high. As long as the input voltage is applied, logic high on
this line turns the transceiver on and a logic low turns it off. If this line is not required then it must be
connected directly to the +5 V supply.
Note that this on/off control is similar to the 9601 product but it is not the same as the 9522, 9522A or
9522B products.
Prior to turning off the modem a “flush memory” (AT*F) command should be issued to ensure all memory
write activity is completed. When a transceiver has been turned off, Product Developers should not
reapply power on a unit until more than 2 seconds has elapsed after power has reached 0V. Additionally,
if a unit does not respond to AT commands, power off the module, wait for 2 seconds and then power it
back on.
When a 9602/9602N is powered off the power on reset circuit requires 2 seconds for voltages to decay. If
the 2 second wait time is not adhered to the reset circuit may not operate and the modem could be placed
in a non-operational state. The state is not permanent and can be rectified by the above procedure.
3.2.2 Typical Power Usage Profile
This section is designed to give the Product Developer some insight to the electrical power profile that the
9602/9602N uses. It does not describe every situation and permutation possible. It should be used as a
starting point for the Product Developer to continue its own development design. The actual usage profile
can vary for a number of reasons:
1) View of the sky – if in poor visibility of the sky where a clear line of sight is not available between
the transceiver and the satellite.
2) The higher the antenna VSWR the higher the current consumed
3) How often the 9602/9602N module is activated/deactivated by the Host Controller system
4) Manufacturing variation from transceiver to transceiver.
The host system designer should ensure their design covers for worst case power consumption
scenarios. Figure 6 provides a graphical representation of the typical supply current profile of a 9602 SBD
Transceiver sending and receiving SBD messages.

Iridium Communications Inc. Information Contained in this Guide
9602 SBD Transceiver Product Developers Guide is Subject to Change Without Notice
Revision 1.2 (DRAFT 2)
Iridium Communications Inc. Distribution of Guide Restricted
Proprietary & Confidential Information 24 to Product Developers Only
Figure 6 9602/9602N Typical Supply Current Profile
3.3 Serial Data Interface
The Serial data interface is used to both command the 9602/9602N and transfer user data to and from
the Transceiver. The 9602/9602N presents a 9-wire data port to the FA (Field Application), where the
interface is at 3.3V digital signal levels. With respect to this interface, the 9602/9602N behaves as a DCE
(Data Communication Equipment), and the FA behaves as a DTE (Data Terminal Equipment).
The terms “FA” and “DTE” are used interchangeably throughout this document; similarly for the terms
“9602” and “DCE”. Autobaud is not supported in 9602/9602N SBD Transceiver. The baud rate can be set
via the AT+IPR command. The default rate is 19200 bps.
3.3.1 9-Wire and 3-Wire Operation
By default, the serial interface operates as a 9-wire connection. Table 10 describes each of the signals,
where “input” means an input to the 9602/9602N, and “output” means an output from the 9602/9602N
SBD Transceiver.

Iridium Communications Inc. Information Contained in this Guide
9602 SBD Transceiver Product Developers Guide is Subject to Change Without Notice
Revision 1.2 (DRAFT 2)
Iridium Communications Inc. Distribution of Guide Restricted
Proprietary & Confidential Information 25 to Product Developers Only
Table 10 – Serial Interface Signals
Signal
Description
RX Active high data output [The DTE receives the data from the 9602/9602N]
TX Active high data input [Data is transmitted from the DTE to the 9602/9602N]
G
ND
0V
RTS
Active low flow contro
l input
CTS Active low flow control output
RTS and CTS are used together to implement hardware flow control when enabled with
AT&K3
DTR
Active low handshaking input
AT&Dn controls how the 9602/9602N uses DTR:
• If set to AT&D0, DTR is always ignored.
• Otherwise DTR set to OFF places the data port into UART test mode after 10
seconds, or immediately on boot-up. A subsequent transition of DTR to ON returns
the data port to DCE mode and resets it to its power-on state.
• The UART test mode is provided for factory testing of the data port UART. An FA
should never activate test mode; if it does, the 9602/9602N will stop responding to
AT commands until the data port is returned to DCE mode.
DSR
Active low handshaking output
The 9602/9602N drives DSR ON when the data port is in DCE mode, and OFF when the
data port is in test mode.
The DTE may use this signal as an indication that the 9602/9602N is powered up and
ready to receive AT commands.
RI
Active low ring indicator output
The 9602/9602N drives RI ON when it receives a Automatic Notification from the
network that a Mobile Terminated SBD Message is queued at the Gateway, and drives
RI OFF after 5 seconds or when the DTE initiates an SBD session, whichever occurs
first.
DCD Active low handshaking output
DCD is driven OFF at all times.
Note that the Ring Indicator (RI) pin is used by the 9602/9602N SBD Transceiver to indicate that a Mobile
Terminated SBD (MT-SBD) message is queued at the Gateway. The Field Application can monitor this
pin and use appropriate AT Commands to command the Transceiver to retrieve the MT-SBD message.
The serial interface may be operated with a 3-wire connection, where only transmit, receive and ground
signals are used. However the 9 wire interface offers better control and is the recommended
implementation. Iridium is only able to provide limited 3-wire interface support. Due to the small code
space and limited processing resources of the 9602/9602N the flow control is limited.
When operating with a 3-wire connection, the following rules apply:
• AT&Dn must be set to AT&D0 to ignore the DTR input
• AT&Kn must be set to AT&K0 to disable RTS/CTS flow control
• The other output signals may be connected, and operate as follows:
• CTS driven ON (low)
• DSR operates as normal
• RI operates as normal
• DCD driven ON (low)
Iridium Communications Inc. Information Contained in this Guide
9602 SBD Transceiver Product Developers Guide is Subject to Change Without Notice
Revision 1.2 (DRAFT 2)
Iridium Communications Inc. Distribution of Guide Restricted
Proprietary & Confidential Information 26 to Product Developers Only
Notes:
1. RTS/CTS flow control, when enabled, is only used when the data port is in SBD data mode. In
AT command mode, RTS is ignored and CTS is driven ON (low).
2. If the DC input to the modem is to be disconnected, the developer will need to “tri-state” the serial
interface to prevent a possible latch-up condition.
3.3.2 Configuration Settings
The 9602/9602N allows the DTE to configure the data port communication parameters. The three
configuration types are active, factory default, and stored. The active configuration is the set of
parameters currently in use. They can be changed by the DTE individually via specific AT commands.
The factory default configuration is stored in permanent memory. This configuration can be recalled at
any time through use of the AT&Fn command.
Two groups of settings, or “profiles”, can be stored as user-defined configurations. The DTE first creates
desired active configurations and then writes them to memory using the AT&Wn command. These
profiles can be designated to be loaded as the active configuration upon 9602/9602N power-up through
use of the AT&Yn command. The 9602/9602N can be reset without loss of power to these profiles
through use of the ATZn command.
The configuration settings are stored in “S-register” locations and are detailed further in the “ISU AT
Command Reference”.
3.3.3 Modes of Operation
The serial interface is always in one of three modes: command mode, SBD data mode or SBD session
mode. When the data port is in command mode, AT commands can be entered to control the
9602/9602N. In command mode, flow control has no effect, with the RTS input ignored and the CTS
output driven ON (low). When in SBD data mode, the 9602/9602N is transferring binary or text SBD
message data to or from the DTE.
In SBD data mode:
• All characters from the DTE not forming part of the message data are ignored (i.e. no AT
commands may be entered)
• No unsolicited result codes are issued.
• RTS/CTS flow control, if enabled, is active. When RTS is OFF (high), the 9602/9602N suspends
transfer of data to the DTE; when CTS is OFF (high), the 9602/9602N expects the DTE to suspend
transfer of data to the 9602/9602N.
When in SBD session mode, the 9602/9602N is attempting to conduct an SBD session with the network.
In SBD session mode:
• The DTE must wait for the +SBDI [X][A]session result code.
• All characters from the DTE are ignored.
• Unsolicited result codes are issued where those codes have been enabled.
Transitions between the modes of operation are performed automatically by the 9602/9602N in response
to the SBD AT Commands; the DTE has no other control over the mode.
Iridium Communications Inc. Information Contained in this Guide
9602 SBD Transceiver Product Developers Guide is Subject to Change Without Notice
Revision 1.2 (DRAFT 2)
Iridium Communications Inc. Distribution of Guide Restricted
Proprietary & Confidential Information 27 to Product Developers Only
3.3.4 Serial port signal levels
3.3.4.1 Data Port Inputs
The inputs on the 9602/9602N serial port (RTS, DTR and TXD) will operate correctly at 3.3V digital signal
levels.
RS-232 interface chips can be fitted to the host system motherboard if connection to an external RS232
link is required. Note that these may invert the digital logic level, so another inversion may be required.
3.3.4.2 Data Port Outputs
The five outputs from the 9602/9602N serial port (DCD, DSR, CTS, RI and RXD) are all at 3.3V digital
levels.
3.4 Hardware Failure Reporting
If the 9602/9602N detects a hardware problem during initialisation, the 9602/9602N may be unable to
function correctly. The 9602/9602N notifies the DTE of this situation by issuing an unsolicited result code
at the end of initialisation:
HARDWARE FAILURE: <subsys>,<error>
where <subsys> identifies the software subsystem that detected the error, and <error> is the
subsystem-specific error code.
Any AT commands that cannot be handled in the failure condition will terminate with result code 4
(“ERROR”).
3.5 Network Available Output
This is a digital output that can be used by an application to know when the transceiver has visibility to the
satellite network. This is useful in applications where the transceiver may move around terrain that
reduces the amount of time that clear line of sight to the satellite constellation is available. The Product
Developer can use this output to preserve battery life by reducing the number of attempted transmissions
by including this logic output in the application decision logic.
Network Available means only that the 9602/9602N can successfully receive the Ring Channel, or, put
more simply, it can see an Iridium satellite. Network Available is not a guarantee that a message can be
successfully sent. The Network Available state is evaluated every time the Ring Channel is received or
missed. If the Ring Channel is visible, then that is typically every 4 seconds. If the Ring Channel is not
currently visible, then the update period can be as long as 2 minutes, depending on how long the lack of
satellite visibility existed. This is because the 9602/9602N attempts to conserve power by increasing the
ring search interval while the satellites are not visible. Every time a ring search fails, the time to wait is
increased and eventually limits at 120 seconds.
If Network Available is currently off, the Field Application may still attempt an SBDI[X] session. This will
force the 9602/9602N Transceiver to look for the Ring Channel immediately, and on finding it, to attempt
to send the message. In this case Network Available will not come on immediately. The Network Available
does not turn on while in a +SBDI session. It will however turn on 4 seconds later assuming that the Ring
Channel is present. After the SBD session completes, the 9602/9602N performs a new Ring Channel
search sequence, at the end of which Network Available gets turned on. That can take between 4 and 12
seconds.

Iridium Communications Inc. Information Contained in this Guide
9602 SBD Transceiver Product Developers Guide is Subject to Change Without Notice
Revision 1.2 (DRAFT 2)
Iridium Communications Inc. Distribution of Guide Restricted
Proprietary & Confidential Information 28 to Product Developers Only
The wait time between search windows is reset to 4 seconds every time a search succeeds. Otherwise it
continues to increase. So if the +SBDI attempt fails to find the ring channel, the search window does not
reset to 4 seconds.
Note that the behavior of +CIEV:1 is identical in to that of the Network Available output.
3.6 DC Supply Indicator Output
A DC supply indicator signal is provided by the 9602/9602N which could be used directly for driving an
LED to provide a visible indication that the Transceiver supply is on. Alternatively the output signal could
be used in application logic to determine if the internal Transceiver power supply is on.
4 RF Interface
This section describes the physical characteristics of the RF connectors and specifications of the RF
Interface.
4.1 RF Connector Types
When mating to the 9602/9602N RF connector use MMCX male connectors from SAMTEC part number
MMCX-P-P-H-ST-TH1. This is a thru hole printed circuit mount connector with the correct mechanical
spacing to allow the 9602/9602N to fit flush on the motherboard
.
Note - this 9602/9602N module has a different antenna connector than Iridium transceivers.
Both RF connectors on the 9602/9602N module are intended for an inter-board connection to the host
system motherboard and should not be directly connected to an external antenna cable or cable
distribution system.
Additional information can be found at: http://www.samtec.com
4.2 ANT Connector
The main RF connector for the 9602/9602N is the antenna connector, labeled “ANT” in the board
silkscreen. This provides the RF connection between the 9602/9602N module and the host system
motherboard.
Note that for safety reasons, both RF connectors on the 9602/9602N module are intended for an inter-
board connection to the host system motherboard and should not be directly connected to an external
antenna cable or cable distribution system. The EN609502 compliance standard outlines that
telecommunications equipment needs protection from a 2KV spike. The MMCX connectors are not
capable of 2KV operations therefore protection needs to be provided on the developer’s motherboard and
a larger connector needs to be used. Developers are encourages to review the EN609502 compliance
standards for additional details.

Iridium Communications Inc. Information Contained in this Guide
9602 SBD Transceiver Product Developers Guide is Subject to Change Without Notice
Revision 1.2 (DRAFT 2)
Iridium Communications Inc. Distribution of Guide Restricted
Proprietary & Confidential Information 29 to Product Developers Only
4.2.1 Antenna Characteristics
The 9602/9602N should be connected to an Iridium-band antenna with the following antenna connector
characteristics as described in Table 11.
Table 11: Antenna Characteristics
Parameter Value
Impedance 50 Ohms nominal
Gain 3dBi
Polarization RHCP
VSWR (maximum operational) 1.5 : 1
Note:
• Existing qualified Iridium antennas may be used. (i.e. antennas designed for the 9601, 9522, 9522A
and 9522B)
• Existing antennas will require different RF connector types to than those for the 9601, 9522, 9522A
and 9522B
4.3 GPS Connector
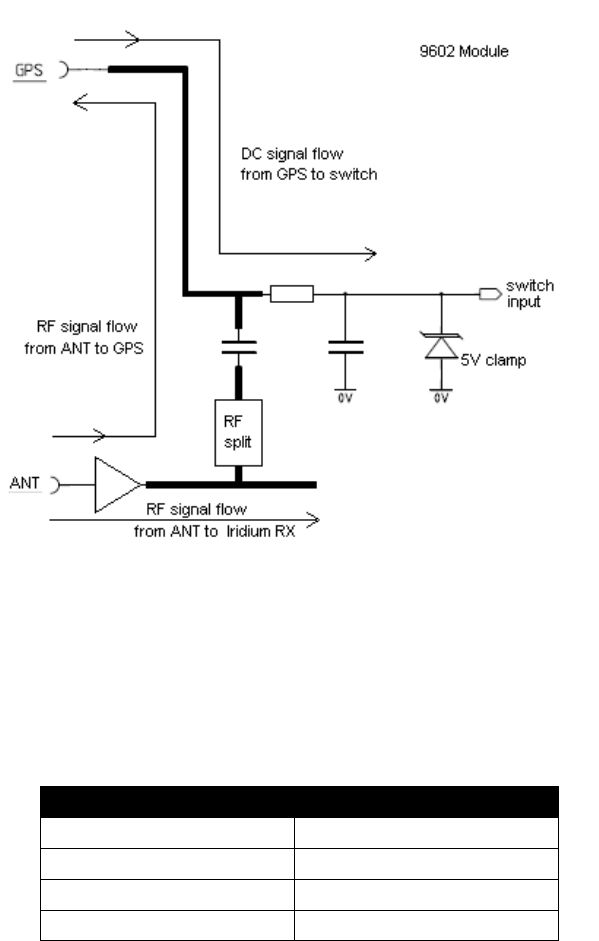
The second RF connector, labeled “GPS” in the board silkscreen, is a pass-through connection from the
antenna path and is provided for GPS receivers that wish to share the main antenna. An overview of this
circuit is provided in Figure 7. The following operational points should be noted when using GPS
receivers connected to this point.
o The GPS pass-through path is activated by detecting the presence of a DC voltage on the center-
pin of the GPS connector. The 9602/9602N uses the voltage from the GPS center pin to switch
on the RX path and requires minimal current (<100uA). The GPS path activated when this
center-pin voltage is higher than 1.2V (9602) / 1.6V (9602N).
o There is a gain of approximately -3dB (9602) / +5.0dB (9602N) in the receive direction from ANT
to GPS.
o The GPS receive path is temporarily switched off during transmissions from the 9602/9602N.
o As long as the 5V supply to the 9602/9602N is connected and the DC voltage on the GPS
connector is present, the GPS pass-through path is made available. The GPS path is available
even when the 9602/9602N module has been turned off using its ON/OFF control signal.
o If the GPS port is not used it may be left un-terminated with no adverse affect.
o The GPS receiver must present 50 ohm impedance across the Iridium band or SBD performance
could be degraded.
o The output return loss is typically -8 dB.

Iridium Communications Inc. Information Contained in this Guide
9602 SBD Transceiver Product Developers Guide is Subject to Change Without Notice
Revision 1.2 (DRAFT 2)
Iridium Communications Inc. Distribution of Guide Restricted
Proprietary & Confidential Information 30 to Product Developers Only
Figure 7: Equivalent circuit for GPS connection when GPS path is active and 9602/9602N is not
transmitting
4.4 Radio Interface Specifications
The RF interface requirements for the 9602/9602N are summarized in Table 12 below.
Table 12: General RF Parameters
Parameter Value
Frequency Range 1616 MHz to 1626.5 MHz
Duplexing Method TDD (Time Domain Duplex)
Input/Output Impedance 50Ω
Multiplexing Method TDMA/FDMA

Iridium Communications Inc. Information Contained in this Guide
9602 SBD Transceiver Product Developers Guide is Subject to Change Without Notice
Revision 1.2 (DRAFT 2)
Iridium Communications Inc. Distribution of Guide Restricted
Proprietary & Confidential Information 31 to Product Developers Only
4.5 Radio Characteristics
Table 13 contains radio characteristics of the 9602/9602N SBD Transceiver.
Table 13: Radio Characteristics
Parameter 9602 Value 9602N Value
Average Power during a transmit slot (max) 1.6 W 1.6 W
Receiver sensitivity (Typical level at module connector)
-117dBm -116dBm
Max Cable loss permitted (Note 1) 2dB 2dB
Link Margin – Downlink (Note 2) 13dB 13dB
Link Margin – Uplink (Note 2) 7dB 7dB
Note 1: Cable losses should be minimized. The total implementation loss for an antenna, connectors,
cable, lightening arrestor and any other RF component between the transceiver and the antenna should
not exceed 3dB. The total cable loss between the antenna and the modem includes losses in the
motherboard. Implementation loss higher than this will affect the Iridium link performance and quality of
service. Solutions with a loss higher than 3dB will not meet the requirements of Iridium Solution
Certification.
Note 2: Link Margins are given assuming a free-space propagation model.
4.6 S-meter Performance
The numbers “reported over the AT command interface indicate the signal strength of the ring channel.
Care should be taken when using the S-meter readings for comparisons between devices. Of particular
note are the following:
1. There is a 0.5 dB tolerance on calibrating the S-meter.
2. Each bar represents a 2 dB increment
3. Multiple ring channels can be present at the same time so units can lock to different signals.
4. The Test Interface Card (TIC board) implementation adds about 0.6 dB loss in the antenna path.
5. If the reading is near the decision threshold it would be easy to see a 1 bar difference
Iridium Communications Inc. Information Contained in this Guide
9602 SBD Transceiver Product Developers Guide is Subject to Change Without Notice
Revision 1.2 (DRAFT 2)
Iridium Communications Inc. Distribution of Guide Restricted
Proprietary & Confidential Information 32 to Product Developers Only
5 AT Command Set Description
The 9602/9602N is configured and operated through the use of AT commands. See the “ISU AT
Command Reference” for the full set of AT commands and responses. For differences in AT command
support between 9602/9602N software releases, see the relevant software release notes, which are
made available to authorized Iridium VARs and VAMs on the Iridium Developer Extranet. It is the
responsibility of Product Developers to check compatibility of applications software with the AT
Commands on all 9602/9602Ns used for both development and commercial deployments. See also the
“Iridium Short Burst Data Service Developers Guide” for information on how SBD operates on the Iridium
system.