MICROCHIP TECHNOLOGY A090971 ATZB-EVB-24-PCB, MeshBean 2.4GHz PCB Evaluation Board with Antenna User Manual ATZB EVB UserManual

Atmel Norway AS ATZB-EVB-24-PCB, MeshBean 2.4GHz PCB Evaluation Board with Antenna ATZB EVB UserManual

Manual

    ZigBit Development Kits ATZB-EVB-24-SMA, ATZB-EVB-900-SMA,  ATZB-EVB-A24-SMA, ATZB-EVB-24-PCB,  ATZB-EVB-24-A2 User Manual       ZigBit Development Kits  User Manual    Rev. [0.5]-AVR-[09/11]
 2   ATZB-EVB-XXX-XXX User Manual AVR-09-2011 1 Introduction Intended Audience and Purpose This document is intended for engineers and software developers working with the ZigBit™ Development Kit (ZDK). The Kit is used to evaluate the performance and features of ZigBit modules and the BitCloud software, and to implement custom applications on top of BitCloud API. Safety and Precautions The product contains electronics, which are electrically sensitive. Please take necessary precautions when using such devices. Atmel does its best to protect the product components from electrostatic discharge phenomena, but we encourage our users to follow common guidelines to avoid electrostatics by using proper grounding etc. The product complies with the FCC (Part 15), IC and ETSI (CE) rules applicable to the devices radiating in the uncontrolled environment. Please find out if the product complies with your local regulations. Any modifications of the hardware, its components or improper use of the product can cause an uncontrolled violation of the in-band or out-band radiation levels. It can result in progressing violation of emission level limits, thus causing harmful interference. Precautions The product radiates power in the microwave band. Although the levels are considered to be low (less than 2 mW), it is reasonable to protect the operating personnel from possible harmful impact of the electromagnetic field. When the parts of the product are turned on, an operator should avoid touching the PCB antenna and the board itself. The recommended distance between an operator and antenna should be more than 20 centimeters.  AC/DC adapters which can be used with the product contain high voltage circuits. General precautions should be taken against electric shock before the product hardware is mains powered. The ZigBit Development Kit contains fragile components. Please handle with care. Related documents [1]  ZigBit™ OEM Modules. Product Datasheet. Atmel Doc. M-251~01 [2]  BitCloud™ IEEE802.15.4/ZigBee Software. Product Datasheet.  Atmel Doc. M-251~08 [3]  BitCloud™ Software 1.0. SerialNet. Reference Manual. AT-Command Set. Atmel Doc. P-ZBN-452~03 [4]  BitCloud™ Software 1.0. BitCloud Stack Documentation. Atmel Doc. P-ZBN-452~02 [5]  BitCloud Developer's Guide. Atmel Doc. P-ZBN-452~01
  3   ATZB-EVB-XXX-XXX User Manual AVR-09-2011  [6]  ZigBit™ OEM Module. Application Note. ZigBit Power Consumption Testing. Atmel Doc. AN-481~01 [7]  BitCloud™ Software 1.0. Serial Bootloader User’s Guide. Atmel Doc. P-ZBN-451~02 [8]  ZigBit™ OEM Module. Application Note. Using ZigBit Module with Analog Sensors. Atmel Doc. AN-481~06 [9]  BitCloud™ Software 1.0. Range Measurement Tool User’s Guide. Atmel Doc. P-ZBN-451~01 [10] ZigBee Specification. ZigBee Document 053474r17, October 19, 2007 [11]  Serial asynchronous automatic dialing and control. ITU-T Recommendation V.250, 05/99 [12]  IEEE Std 802.15.4-2003 IEEE Standard for Information technology – Part 15.4 Wireless Medium Access Control (MAC) and Physical Layer (PHY) Specifications for Low-Rate Wireless Personal Area Networks (LR-WPANs) [13]  TSL2550 Ambient Light Sensor With Smbus Interface. TAOS Datasheet TAOS029E. February 2006 http://www.taosinc.com/images/product/document/tsl2550-e67.pdf [14]  LM73 2.7V, SOT-23, 11-to-14 Bit Digital Temperature Sensor with 2-Wire Interface. National Semiconductor Corporation Datasheet DS201478. July 2006 http://www.national.com/pf/LM/LM73.html#Datasheet [15]  CP2102, Single-Chip USB to UART Bridge, Rev. 1.1 9/05. www.silabs.com [16]  AVR Studio. User Guide. Available in HTML Help within the product.  [17]  JTAGICE mkII Quick Start Guide. http://www.atmel.com/dyn/resources/prod_documents/doc2562.pdf [18]  avr-libc Reference Manual 1.4.3 [19]  WinAVR User Manual – 20070525/ By Eric B. Weddington [20]  Using the GNU Compiler Collection/ By Richard M. Stallman and the GCC Developer Community
 4   ATZB-EVB-XXX-XXX User Manual AVR-09-2011    Abbreviations and Acronyms   AC/DC  Alternating Current / Direct Current converter ADC Analog-to-Digital Converter API  Application Programming Interface Channel Mask  Channel mask is a number that defines the set of working channels Coordinator  Within ZigBee networks, the ZigBee coordinator is responsible for starting the network and for choosing certain key network parameters. The network may be extended through the use of ZigBee router.  DIP  Dual In-line Package EEPROM  Electrically Erasable Programmable Read-Only Memory End device  In ZigBee networks, the ZigBee end device provides sensor data sent to a router. End device is often subject to power management restrictions, so it may be in sleeping mode most of the time. ESD Electrostatic Discharge GPIO  General Purpose Input/Output GUI Graphical User Interface HAL Hardware Abstraction Layer I2C Inter-Integrated Circuit IDE  Integrated Development Environment IEEE  Institute of Electrical and Electronics Engineers IRQ Interrupt Request JTAG  Digital interface for debugging of embedded devices, also known as IEEE 1149.1 standard interface LED Light Emitting Diode LQI Link Quality Indicator MAC  Medium Access Control layer MCU  Microcontroller Unit. In this document, it also means the processor, which is the core of ZigBit Amp module MIPS  Million Instructions per Second NWK Network layer
  5   ATZB-EVB-XXX-XXX User Manual AVR-09-2011  OEM Original Equipment Manufacturer OTA Over-The-Air upgrade PAN ID  Personal Area Network Identifier. In ZigBee, it is 16-bit number which must be unique for each one of multiple networks working on the same frequency channel PCB  Printed Circuit Board PHY Physical layer RAM  Random Access Memory RF Radio Frequency RISC  Reduced Instruction Set Computing microprocessor Router  In ZigBee networks, routers transfer data and control messages through the network using a hierarchical routing strategy. The ZigBee coordinator is also responsible for routing. RP-SMA  Reversed Polarity Surface Mount Assembly RS-232  Serial binary data interconnection interface, which is commonly used in computer serial ports (COM ports) RSSI Received Signal Strength Indicator RTS/CTS  Request to Send / Clear to Send RX Receiver SMA  Surface Mount Assembly SPI  Serial Peripheral Interface bus TTM  Time To Market TX Transmitter UART Universal Asynchronous Receiver/Transmitter UID Unique Identifier USART  Universal Synchronous/Asynchronous Receiver/Transmitter USB Universal Serial Bus VCP Virtual Com Port WSN Wireless Sensor Network ZDK ZigBit Development Kit ZigBee, ZigBee PRO Wireless networking standards targeted at low-power sensor applications  [10]
 6   ATZB-EVB-XXX-XXX User Manual AVR-09-2011 802.15.4  The IEEE 802.15.4-2003 standard applicable to low-rate wireless Personal Area Networks  [12]   2 Development Kit Overview ZigBit™ Development Kit (ZDK) is a simple, out-of-the-box solution designed for full range of WSN prototyping and development. It comes complete with ATZB-EVB (MeshBean) development boards containing ZigBit modules and a variety of tools to test the wireless network features and performance and to develop customized wireless solutions based on BitCloud Software. ZigBit Development Kit includes: 1.  Any one type of ATZB-EVB (MeshBean) board (1 item) – ATZB-EVB-24-SMA/ ATZB-EVB-900-SMA/ ATZB-EVB-24-A2/ ATZB-EVB-A24-SMA/ ATZB-EVB-24-PCB 2.  USB 2.0 A/mini-B cable (3 items) 3.  Swivel antenna (1/2 wave antenna) 4.  Software & Documentation Distribution CD (1 item). 3 Hardware General Specifications ATZB-EVB (MeshBean) board is intended to evaluate the performance of a ZigBit module. In turn, a ZigBit module with the embedded BitCloud software provides wireless connectivity for ATZB-EVB (MeshBean) board, enabling it as a node in a ZigBee network. MeshBeans also serve as a reference hardware platform for the customer’s target devices utilizing ZigBit modules for wireless communication. The ATZB-EVB (MeshBean) board can be configured to operate as a network coordinator, a router or an end device, by setting of DIP switches (see Section  0) and/or sending AT-commands. The node’s role is defined by the embedded application. The boards are delivered with ZigBit preprogrammed with Serial Bootloader and WSNDemo application firmware. For full list of demo applications see Section  3.2. Gerber files are available with Complete Support Package only.The ATZB-EVB (MeshBean) basic parameters are presented in Table 1.
  7   ATZB-EVB-XXX-XXX User Manual AVR-09-2011             Table 1. ATZB-EVB (MeshBean) Board Specifications Parameter Value RF  Compliance   2.4 GHz IEEE 802.15.4-2003 [12] Operating Band  2400–2483.5 MHz TX Output Power   from -17 dBm to +3 dBm RX Sensitivity  -101 dBm RF Transceiver  AT86RF230  Antenna versions  2.4 GHz (PCB on-board antenna, external 50 Ohm unbalanced antenna or dual chip antenna) MCU Microcontroller ATmega1281V RAM 8K Bytes Flash Memory  128K Bytes EEPROM 4K Bytes Performance  Up to 4 MIPS throughput at 4 MHz Clock Power Power Supply  Dual AA type Battery, automatically switched to USB or AC/DC adapter Over-Voltage Protection  Yes Reverse Polarity Protection  Yes Operating Voltage Range  1.8...3.6 V Voltage Supervisor  Yes Miscellaneous Sensors  Digital: Ambient Light/ Ambient Air Temperature
 8   ATZB-EVB-XXX-XXX User Manual AVR-09-2011 3 programmable color status LEDs LED Indicators external power supply status LED Switches 3 DIP switches Buttons  2 programmable buttons Size  60 x 63 x 24[1] mm Operating Temperature Range  -40°C to 85°C. Minor degradation of clock stability may occur beyond the -20°C to +70°C range.    3.1 ATZB-EVB (MeshBean) Featured Components ZigBit Module ZigBit module is an ultra-compact, low-power, high sensitivity 2.4GHz 802.15.4/ZigBee OEM module from Atmel. ZigBit module is based on Atmel’s Z-Link 2.4GHz platform. It includes ATmega1281V Microcontroller and AT86RF230 RF Transceiver. In ZDK, every ZigBit module is delivered installed on a ATZB-EVB (MeshBean) board. Two different versions of ZigBit modules are available  [1]: a version with balanced RF port for applications where the benefits of PCB or external antenna can be utilized, and a version with dual chip antenna satisfying the needs of size-sensitive applications. Detailed specifications of the ZigBit module, including the module interfaces, voltage levels, power consumption, are available in the ZigBit datasheet  [1]. Sensors The board incorporates light sensor TSL2550T from TAOS and temperature sensor LM73CIMK from National Semiconductors. Both sensors are connected in parallel to the I2C bus. For more information on the sensors see their datasheets  [13],  [14] available from the corresponding manufacturers’ websites. NOTE: In addition to the built-in, onboard sensors, external sensors selected by developer can be used.  An external sensor can be connected to the terminals of External interface cable leading to the onboard Expansion slot.  See the corresponding pinout in Table 2.  As an example, connection of an external sensor is illustrated in Application Note [7]. USB to UART Bridge CP2102, the USB to UART Bridge controller from Silicon Labs  [15], is installed on the board. It provides seamless USB interface to any RS-232 legacy device. If the controller’s driver has been installed on PC during the deployment of the whole Development Kit (see Section  4.3) the onboard USB port is visible on the PC as generic COM port with a particular number. Silicon Serial for UID storage
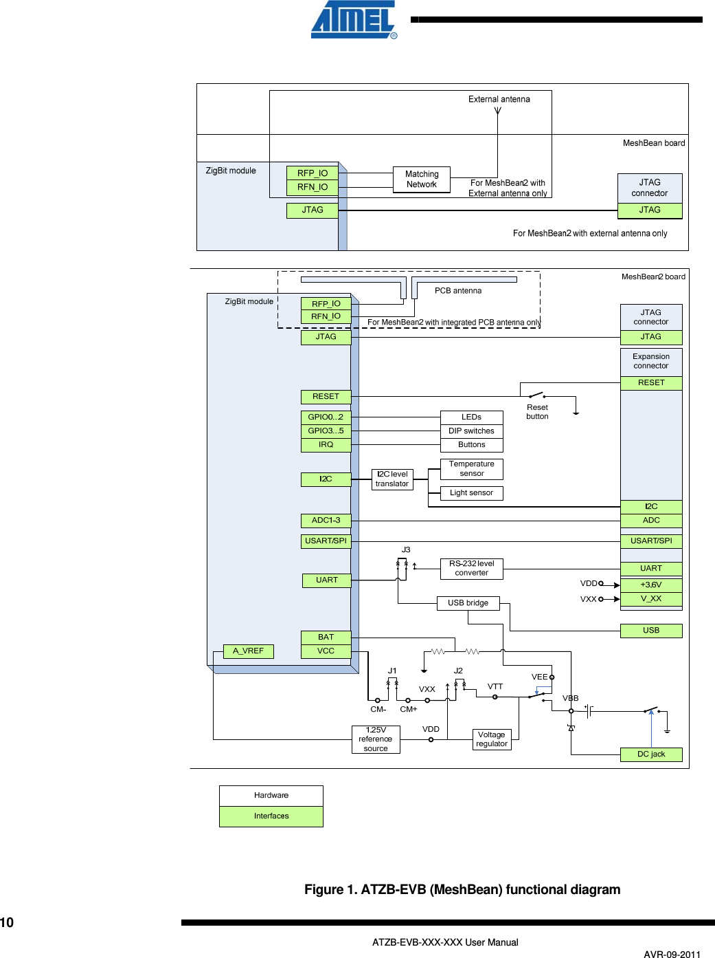
  9   ATZB-EVB-XXX-XXX User Manual AVR-09-2011  UID (Unique Identifier) is HEX value, 8 bytes long. UID is used for setting unique MAC address of the node. UID is hardware defined value. It is programmed into a chip (Silicon Serial Number DS2411R+ by Maxim/Dallas) at the factory. UID is unique, and cannot be overwritten. In order to ensure the presence of UID on the board it is required to execute Hardware Test application (see Section  4.7 for details). ATZB-EVB (MeshBean) Board Design The ATZB-EVB (MeshBean) board contains the ZigBit module, which operates as ZigBee/802.15.4 transceiver. It also includes sensors, buttons, DIP switches, and a set of interfaces. The board provides the following interfaces:   USB 2.0 port   Light and temperature sensors   2 push buttons controlling the software  Reset button  3 DIP switches   3 software-controlled LEDs  Symmetrical dipole PCB antenna (only for ATZB-EVB (MeshBean) with PCB antenna)   SMA connector (only for ATZB-EVB (MeshBean) with external antenna)   JTAG connector for software upload and debugging   Power connector (3 V) to use an AC/DC adapter (not supplied with ZDK)   20-pin Expansion slot containing external ZigBit’s interfaces (see Table ), including:   Serial port interface (RS-232)  USART  Buffered I2C interface with ESD protection and voltage level translation  ADC/GPIO   Battery compartment for AA-size batteries   3 configuration jumpers   3 clamps for power consumption measurements. Also, the board contains an internal voltage regulator to supply most of the components with 3.6 V. This is needed if ZigBit’s MCU is to be run at 8 MHz.1.  NOTE: Normally ZigBit module is powered directly by the batteries, USB or AC/DC adapter (via protection circuitry); however, Jumper J2 (see Table ) can switch ZigBit to 3.6 V supply. See Figure 1 for the layout of ATZB-EVB (MeshBean) version with integrated PCB antenna and the board’s functional diagram.                                                      1 8MHz requires changes in the BitCloud Software that normally runs at 4 MHz in order to extend the voltage range and decrease power consumption.
 10   ATZB-EVB-XXX-XXX User Manual AVR-09-2011    Figure 1. ATZB-EVB (MeshBean) functional diagram
  11   ATZB-EVB-XXX-XXX User Manual AVR-09-2011  Connectors and Jumpers The board connector pinouts and jumper settings are presented in Table 2 through  Table 7. IMPORTANT NOTE: All manipulations with connectors or jumpers should be done when the board is not powered! Table 2. Expansion slot pinout Pin Name  I/O  Description 1 UART_RTS  Input  Request to Send Pin. RS-232 level. 2 UART_TXD  Input  Transmit Data Pin (meaning that the host device will transmit data to this line). RS-232 level. 3 UART_CTS  Output  Clear To Send signal from the module. Active low. RS-232 level. 4 UART_RXD  Output  Receive Data Pin (meaning that the host device will receive data from this line). RS-232 level. 5 GND     Digital/analog ground 6 GND     Digital/analog ground 7 I2C_CLK  Input  I2C clock. It is connected to the I2C_CLK pin of the module via low-voltage level translators. For details, refer to ZigBit datasheet [1]. 8 I2C_DATA  Bidirectional  I2C data. It is connected to the I2C_DATA pin of the module via low-voltage level translators. For details, refer to ZigBit datasheet [1]. 9 +3.6V  Output  Output of internal voltage regulator. Normally, the voltage is 3.6 V. 10 V_XX  Output  ZigBit supply voltage  11 RESET  Input  Reset Pin. Active low. This pin is connected in parallel to the RESET button on the board. 12 USART_TXD  Output  This is Transmit Data Pin for USART0 interface of the ZigBit module. It is connected directly to the USART0_TXD pin of the module. Digital logic level. For details, refer to ZigBit datasheet [1]. [1] 13 USART_RXD  Input  This is Receive Data Pin for USART0 interface of the ZigBit module. It is connected directly to the USART0_RXD pin of the module. Digital logic level. For details, refer to ZigBit datasheet [1].
 12   ATZB-EVB-XXX-XXX User Manual AVR-09-2011 Pin Name  I/O  Description 14 USART_CLK  Input  This is Clock Data Pin for USART0 interface of the ZigBit module. It is connected directly to the USART0_EXTCLK pin of the module. Digital logic level. For details, refer to ZigBit datasheet [1]. 15 GND     Digital/analog ground 16 ADC_INPUT1  Input  ADC input. This pin is connected directly to the ADC_INPUT_1 pin of the module. For details, refer to ZigBit datasheet [1]. 17 ADC_INPUT2  Input  ADC input. This pin is connected directly to the ADC_INPUT_2 pin of the module. For details, refer to ZigBit datasheet [1]. 18 ADC_INPUT3  Input  ADC input. This pin is connected directly to the ADC_INPUT_3 pin of the module. For details, refer to ZigBit datasheet [1]. 19 GND     Digital/analog ground 20 GND     Digital/analog ground GENERAL NOTES:  Pins 12, 13, 14, 16, 17, 18 are not buffered and driven by the MCU pins directly. Thus this interface should be used with precautions at the low supply voltages to avoid damaging the module. Pins 7 and 8 are connected via voltage level translators with ESD protection. Thus these pins can be used easily to connect extra I2C sensors without extra logic. Voltage on the V_XX pin does not depend on the state of jumper J1 or ammeter connection between clamps CM+, CM-. Table 3. JTAG connector pinout Pin Name  Description 1 JTAG_TCK  Scan clock 2 JTAG_GND  Digital ground 3 JTAG_TDO  Test data output 4 JTAG_VCC  Controller supply voltage  5 JTAG_TMS  Test mode select 6 JTAG_RST  Reset controller; active low 7 N_Cont  Not connected 8 N_Cont  Not connected 9 JTAG_TDI  Test data input 10 JTAG_GND  Digital ground
  13   ATZB-EVB-XXX-XXX User Manual AVR-09-2011   NOTE:  JTAG connector pinout is compatible with ATmega JTAGICE mkII in-circuit emulator connector. Table 4. J1 jumper settings: current measurement Jumper position  Description J1 is mounted This position is used for normal operation. J1 is open  In this position, the ZigBit module is not powered while remaining parts of the board are powered. This position is used to measure current consumption of the ZigBit module (see Section 3.8). 4.8 Table 5. J2 jumper settings: ZigBit power source Jumper position  Description J2 bridges POWER pin and BAT pin ZigBit is powered by primary source (battery, USB or AC/DC adapter). J2 bridges POWER pin and DC/DC pin ZigBit is powered by 3.6 V internal voltage regulator.  Table 6. J3 jumper settings: Serial/USB selection Jumper position  Description J3 bridges central pin and RS-232 pin The board will use serial port (available in the Expansion slot) for connection to the host. J3 bridges central pin and USB pin  The board will use USB for connection to the host.  IMPORTANT NOTES: Any other position of jumpers J2 and J3 or their omission may cause permanent damage of the hardware. Powering the board without J1 jumper and ammeter connection between clamps CM+ and CM- may cause a permanent damage of the hardware. When making connection to the PC’s serial port through the Expansion slot consider the pinout as indicated below in Table .
 14   ATZB-EVB-XXX-XXX User Manual AVR-09-2011  Table 7. Serial interface pinout  Serial port pins Signal Expansion slot pins (PC side) RXD 4: UART_RXD  2 TXD 2: UART_TXD  3 CTS 3: UART_CTS  8 RTS 1: UART_RTS  7 GND  5, 6, 15, 19, 20: GND  5  Buttons, Switches and LEDs The board includes 2 buttons, 3 DIP switches, one Reset button that generates a hardware reset signal, 3 software-defined LEDs (green, yellow and red) and a LED indicating powering the board from the USB. Any of onboard buttons, DIP switches and LEDs can be controlled by an embedded application running on a ZigBit. For instance, the status of any DIP switch will be ignored when running SerialNet (see Section  6). DIP switches can be tested when running the Hardware Test application (see Section  4.7). External Antenna Among the ATZB-EVB (MeshBean) boards delivered with ZDK, one particular board is equipped with SMA connector to attach an external antenna. The specifications of external antenna supplied with the Development Kit are presented below in Table . Table 8. External antenna specifications  Min. Separation, Part Number  Manufacturer & Description  Gain, dBi  Impedance, Ohm  cm 17010.1  WiMo, swivel antenna (1/2 wave antenna) with SMA connector, frequency range 2.35-2.5 GHz 2.1 50 20 IMPORTANT NOTE: Only the Non-RP SMA Connector antennas can be used in combination with MeshBean boards equipped with an SMA connector!  Attach the external antenna through SMA connector before using the board. Match the antenna’s male coaxial thread with the connector’s female thread. 3.2 BitCloud Software BitCloud is a full-featured, next generation embedded software stack from Atmel. The stack provides a software development platform for reliable, scalable, and secure wireless applications running on Atmel ZigBit modules. BitCloud is designed to support a broad ecosystem of user-designed applications addressing diverse requirements and enabling a full spectrum of software customization.
  15   ATZB-EVB-XXX-XXX User Manual AVR-09-2011  BitCloud is fully compliant with ZigBee PRO and ZigBee standards for wireless sensing and control. It provides an augmented set of APIs which, while maintaining 100% compliance with the standard, offer extended functionality designed with developer's convenience and ease-of-use in mind.  The topmost of the core stack layers, APS, provides the highest level of networking-related APIs visible to the application. ZDO provides a set of fully compliant ZigBee Device Object APIs which enable main network management functionality (start, reset, formation, join). ZDO also defines ZigBee Device Profile types, device and service discovery commands implemented by the stack. This ZDK provides everything a developer would need to develop custom applications based on the BitCloud API  [4]. The general guidelines to BitCloud programming are given in  [5]. API-based demos are provided in source code which can be modified and extended, making it possible to develop WSN applications for a variety of networking scenarios. For example, an end device can be configured to communicate with a router between the periods of sleep thus saving power. Another configuration of BitCloud Software, SerialNet, enables a user to implement customized WSN scenarios without developing any WSN application code. In this case WSN nodes are controlled via AT-commands (see Section  6).  The structure of BitCloud Software is presented in Figure 2. It is detailed in datasheet  [2].  Figure 2. BitCloud Block Diagram The Development Kit includes two kinds of applications (see  10.7). Evaluation tools are delivered in binary format. Sample applications are available in source code.  The following evaluation tools are delivered:
 16   ATZB-EVB-XXX-XXX User Manual AVR-09-2011  SerialNet application lets the AT-commands be interpreted locally or forwarded for execution on remote nodes;  Hardware Test (see Section  4.7) is a simple application which tests major ATZB-EVB (MeshBean) board components for correct operation;  Range Measurement Tool is an application intended to measure radio performance of ZigBit-based devices and/or to make comparison with platforms of other manufacturers. Usage essential information and guiding instructions are given in  [9];  WSNDemo with WSN Monitor;  Serial Bootloader is a software utility designed to program an application code into WSN nodes through USB or serial port, without using JTAG. See the description of Serial Bootloader in Section  7. The following sample applications are delivered with source code (referenced as given in brackets):  WSNDemo (WSNDemo)   Low Power Networking (Lowpower)  Ping-Pong (Pingpong)   Peer-To-Peer Data Exchange (Peer2peer)   Blink minimal sample application (Blink)   Hardware Test (HardwareTest). The WSNDemo application is a featured ZDK application demonstrating the WSN performance. It is presented in details in Section  5. The source code for WSNDemo is available with Complete Support Package only. The rest of programs are sample implementations triggering common BitCloud APIs. Blink is a minimal application (see Section  8.3). Low Power Ping-Pong, and Peer-To-Peer applications are introduced in Section  8.4. 4 Getting Started 4.1 Overview This section describes the system requirements and ZDK deployment. It also provides how-to instructions on handling the boards, testing WSN functionality and performing local hardware tests. 4.2 System Requirements Before using the Kit, please ensure that the following system requirements are met (see Table 9). Table 9. System requirements Parameter Value  Note PC CPU  Intel Pentium III or higher, 800 MHz    RAM  128 MB
  17   ATZB-EVB-XXX-XXX User Manual AVR-09-2011  Hard disk free space  50 MB    JTAG emulator  JTAGICE mkII emulator with cable  Necessary to upload and debug firmware onto the ATZB-EVB (MeshBean) board through JTAG (see Appendix B). Software Operating system  Windows2000/XP    USB driver   CP210x USB to UART Bridge VCP Driver  Necessary to connect ATZB-EVB (MeshBean) to PC via USB port (see Section 3.4) 4.4 IDE  AVR Studio 4.14 + WinAVR  Necessary to upload firmware image through JTAG (see Appendix B), and to develop applications using API (see Section 7) Serial Bootloader utility     Necessary to upload firmware image without using JTAG (see Section 6) Java virtual machine  Java Runtime Environment (JRE) 5 Update 8, or more recent Necessary to run the WSN Monitor application (see Section 4.5) 5.6 Microsoft .NET framework  Version 2.0 Service Pack 1, or more recent  Necessary to run the GUI Bootloader (see Section 6)
 18   ATZB-EVB-XXX-XXX User Manual AVR-09-2011 4.3 Installing the Development Kit In order to install the Development Kit, insert the ZDK Software and Documentation CD into your PC CDROM. The ZDK installation wizard should start automatically. Specify the installation path and follow the instructions. As a result the ZDK file structure under the selected path will be generated on the PC, which is described in  10.7. During the ZDK deployment the following auxiliary software can be optionally installed:   USB to UART Bridge VCP driver for Windows platform    Java Runtime Environment (JRE).  Microsoft .NET Framework. To complete the installation of VCP driver before use of the ZDK do the following:    Connect ATZB-EVB (MeshBean) board to the USB port. Windows should detect the new hardware. Follow the instructions provided by the driver installation wizard.   Make sure that the driver is installed successfully and the new COM port is present in the device list. Open the Device Manager window shown in Figure 3: Start/Control Panel/System/Hardware/Device Manager.
  19   ATZB-EVB-XXX-XXX User Manual AVR-09-2011   Figure 3. COM port drivers in the Windows Device Manager window To resolve possible problems see Section  4.4. NOTE: USB to UART Bridge VCP driver for Windows platform is also available from the manufacturer’s site: http://www.silabs.com/tgwWebApp/public/web_content/products/Microcontrollers/USB/en/mcu_vcp.htm. Java Runtime Environment (JRE) is also available from http://java.sun.com/javase/downloads/index.jsp.  There may be other Java instances already installed on your computer before the use of ZDK. To avoid confusion, edit start.bat file in /Evaluation Tools/WSNDemo (WSN Monitor) subdirectory containing the WSN Monitor. Make sure to provide full path to the Java executable file, specify its file name extension (.exe) explicitly.
 20   ATZB-EVB-XXX-XXX User Manual AVR-09-2011 Current version of the AVR Studio  [16] with Service Pack can be freely downloaded from the Atmel’s website (http://www.atmel.com). Simply launch the downloaded installer programs and follow the setup instructions. The WinAVR suite of development tools can be downloaded from http://sourceforge.net/projects/winavr. To install WinAVR follow the setup instructions. 4.4 Connecting the Board to PC The board can be connected to host PC via USB port, using USB 2.0 A/mini-B cable supplied within the Kit. USB is typical connection. Furthermore, it provides the convenient possibility to link multiple boards to a single PC. Besides, no battery is required once a board is powered via USB. Because wireless applications usually employ host connection through COM port, linking the onboard USB to UART Bridge controller to PC requires installation of the USB to UART Bridge VCP driver (see details in Section  4.3, Section  0). As a result, generic COM port can be used to access a board via USB.  IMPORTANT NOTES: When USB connection is used, the COM port number would be changed by the Windows operating system if the board has been reconnected. To avoid confusion use Windows Control Panel to check on the actual port number.  Under some circumstances, the boards can conflict with other USB devices recently installed. In such cases, the Windows Device Manager would show a problem occurred during the plug-and-play procedure or it would not detect the USB to UART Bridge controller at all. Possible solution is to change the USB ID for the board, using special utility available from the controller’s manufacturer. See Section  9 for details.  Alternatively, the board can be connected to host PC via serial port, using a serial cable (not provided with ZDK). Serial port pinout is presented in Table .  IMPORTANT NOTE: USB and serial port (RS-232) share the same physical port on the board. They cannot be used at the same time.  Keep in mind that the connection mode is controlled by setting of jumper J3 (see Table ).
  21   ATZB-EVB-XXX-XXX User Manual AVR-09-2011  4.5 Powering the Boards The boards can be powered by a pair of AA-size batteries, via the USB port, once connected for data transfer, or via AC/DC adaptor. The nominal voltage is 3 V. Using AC/DC adaptor disconnects AA batteries automatically. Using USB port disconnects the AC/DC adaptor. In order to make accurate measurements of sensor parameters, battery power is recommended. USB power is not stable enough, which can affect transmission of power level or RF parameters. IMPORTANT NOTES: It is strongly recommended to check up the power supply voltage before programming the boards by Serial Bootloader or by JTAG. Power drops happened during the programming process could result in an inoperable state of the ZigBit or its permanent damage. Using the discharged batteries (when the voltage is below the specified limit) may cause damage of flash memory or EEPROM as well. If that happened, programming by means of Serial Bootloader would fail. In this case the only option becoming available would be using of JTAG emulator (see  10.8). Using nickel-cadmium rechargeable batteries is allowed but with certain precautions.  Nominally, their cell potential is 1.2 V. Although a pair gives 2.4 V thus fitting the operating voltage range (see Section  3), it is still lower than 3 V level, which a pair of the most popular alkaline cells give. Hence, nickel-cadmium rechargeable batteries could not be a proper alternative of the alkaline cells for all applications. 4.6 Testing WSN Functionality Using SerialNet Program the boards with the SerialNet firmware (see Section  6). Connect the board to PC (see Section  4.4). Run standard Hyper Terminal utility which is a part of Windows 2000/XP:  Start/Programs/Accessories/Communications/HyperTerminal. Select logical value for COM port provided by the system (see Section  4.4). COM port parameters should be set to the values given in Table 10. Table 10. COM port settings for hardware testing Option Value Data Rate  38 400 bps Data Bits  8Parity None Stop Bits  1Flow Control  None, unless data transmission between the boards is planned; then, Hardware flow control option should be selected
 22   ATZB-EVB-XXX-XXX User Manual AVR-09-2011  Type the “AT” command and press Enter key. The board responds to Hyper Terminal with “OK“. Now, a user can play various networking scenarios by sending AT commands fully described in  [3].  A simple networking scenario for building WSN, transmitting data between the WSN nodes and accessing the nodes’ interfaces is presented in the Examples Section of the document  [3]. 4.7 Testing the Board Controls and Sensors To check the onboard controls and sensors the Hardware Test application can be used. Connect the board to the PC. Upload Hardware Test image onto the boards. The Hardware Test image files are listed in  10.7. Run Hyper Terminal utility in the same manner as described above (see Table ). While the Hardware Test is running, all the board LEDs are blinking. Reports are generated each second (see Figure ), and include the status of buttons, DIP switches, the UID chip number and sensor readings. To test the hardware, you can perform simple manipulations with the board: press the buttons, move the DIP switches, manually hide the light sensor from light, finger the temperature sensor and so on. You should see the changes in parameters reported through Hyper Terminal (see Figure 4). NOTE: During the test, if you reconnect the board to USB or power off the board, the operating system would arbitrarily switch this particular USB connection to another COM port. Apparently, Hyper Terminal does not recognize such changes. If this happens, you have to reconnect Hyper Terminal to a proper port. Simply select File/New Connection menu item and repeat the connection procedure.
  23   ATZB-EVB-XXX-XXX User Manual AVR-09-2011   Figure 4. Hyper Terminal Hardware Test report 4.8 Measuring Power Consumption The board allows measuring power consumption of the ZigBit module. To perform the measurements, simply connect ammeter to the clamps denoted as CM+ and CM- and remove jumper J1. Make sure that the board is powered by batteries only. However, such measurement would not be absolutely correct, because power is consumed by the interfaces and the peripherals connected to ZigBit. To measure power consumption correctly, all interfaces should be disconnected from ZigBit module, excluding RF ports. Refer to the Application Note  [6] for details. 4.9 Antenna Precautions Each type of antenna – namely, PCB antenna, dual chip antenna and external antenna – were matched and tuned, with taking into account all adjacent components, including the ZigBit module shield, battery compartment and plastic legs. Any object approached or put closely next to antenna affects its performance. Do not put the module into enclosure. Do not mount the board on metal surface. Do not use metal screws over 5 mm long to fasten the board legs. These factors would affect antenna performance. Mount plastic legs from bottom side only, next to the battery compartment). Use plastic screws to fasten the legs. Do not use the legs made of different plastic composite. Omitting these plastic legs would significantly affect antenna performance.
 24   ATZB-EVB-XXX-XXX User Manual AVR-09-2011 The pattern of antenna is wide. The following facts should be considered. In far-field zone, it is a horizontal plane normal to the dipoles where electromagnetic radiation appears stronger. Contrarily, at distances of several centimeters the pattern is more complex. Approximate field patterns are given in the ZigBit datasheet  [1]. Handle the external antenna with care to avoid mechanical damage. 5 WSNDemo Application 5.1 Overview The network performance of ZigBit platform is demonstrated with the WSNDemo application which is based on the BitCloud software API. This application comprises the embedded firmware, which supports functions for coordinator, router and end device, and the GUI part – the WSN Monitor which is run on a PC. Thanks to the WSNDemo application, the ATZB-EVB (MeshBean) boards are organized into a set of nodes constituting a wireless network. The LEDs of a board indicate the board current state and activities. End devices and routers read from the onboard sensors and send the readings to coordinator in packets. End devices also follow a duty cycle, waking up occasionally to transmit the sensor data. That data is displayed on WSN Monitor panes as temperature, light and battery level measurements. End device is mostly sleeping, and it wakes up shortly each 10 seconds for activities. During the sleep period, you can force end device to wake up by pressing the SW1 button.  Router sends data each 1 second. Using UART, the coordinator transmits the received packets, along with its own sensor data, to the GUI application (WSN Monitor). The WSN Monitor visualizes the network topology in a form of tree. It also displays the node parameters like node addresses, node sensor information and node link quality data. Measured in dBm, RSSI indicates link’s current condition. The RSSI resolution is 3 dBm. LQI is a certain numeric value defined within the 0…255 range to measure the link quality. Larger values mean better link, while values close to zero indicate poor connection. In regard to the WSNDemo, Section  5.4 describes how to use the boards. GUI is described in Section  5.6. Further instructions are given in Section  5.7. The application is delivered with source code included (see  10.7). It is implemented on top of the BitCloud API and it can be modified as described in Section  8. With WSNDemo, the number of routers and/or end devices used is limited only by the network parameters described in Section  8.4.
  25   ATZB-EVB-XXX-XXX User Manual AVR-09-2011  5.2 Programming the Boards First, WSNDemo image should be loaded onto the board. The location of WSNDemo image file is listed in  10.7. WSNDemo image file can be uploaded into the boards in one of two ways: by means of Serial Bootloader utility (see Section  5.3) or in AVR Studio, using JTAG emulator. JTAGICE mkII from Atmel  [17] 2 (see Section  5.3.1) is recommended. IMPORTANT NOTE: Be careful selecting the method of the node programming. Each of ATZB-EVB (MeshBean) boards come with the bootstrap uploaded onto the ZigBit’s MCU, which is needed to run Serial Bootloader. If JTAG had been used, this would make Serial Bootloader useless until bootstrap is reloaded to the board. To be connected with WSN network each node should be identified with a unique MAC address. If MAC address is not defined by a UID hardware chip, the address of the node should be programmed manually. Programming a ATZB-EVB (MeshBean) board with MAC address can be performed in four ways. MAC address can be uploaded to a board by means of Serial Bootloader using a command line flag (see  [7]). It can be specified in Configuration file when defining the compilation for an application (see details in Section  8.4). The resulting image file containing the unique MAC address can be uploaded to the board either by JTAG or using Serial Bootloader. Otherwise, MAC address can be programmed sending SerialNet AT-commands, as described in  [3]. Value stored in UID is used as MAC address. MAC address is utilized for identification of the node within the network. Default value of MAC address is zero. The module would not join the network unless MAC address is set to any non-zero value which is not equal to 0xFFFFFFFFFFFFFFFF. BitCloud software detects MAC address as follows. At startup, BitCloud Software tries to load MAC address from EEPROM. If there is 0 or 0xFFFFFFFFFFFFFFFF value in EEPROM, BitCloud attempts to load MAC address from UID chip. If there is no UID, the node will not be able to join the network.                                                      2 Another JTAG programmer may be also used but it should be compatible with the Atmel 1281 MCU.
 26   ATZB-EVB-XXX-XXX User Manual AVR-09-2011 5.3 Using Serial Bootloader  To program a board using Serial Bootloader perform the following steps: Connect ATZB-EVB (MeshBean) to the PC via USB or serial port, depending on the position of jumper J3 (see Table ). 5.  Run Serial Bootloader. In command line, specify the image file as WSNDemo.srec (see  10.7), the COM port and the optional command line parameters. See  [7] for details. 6.  Press reset button on the board. 7.  Release reset button on the board. Serial Bootloader expects that the button will be released within approximately 30 seconds. If this does not happen, the booting process would stop. NOTE: If a node has been configured as end device and it is currently controlled by an application, the node should be powered off before reprogramming. Make sure that J3 position corresponds to the actual connection of the board, namely Serial or USB. Serial Bootloader indicates the operation progress. Once an upload is successfully completed, the board would restart automatically. If an upload fails, Serial Bootloader would indicate the reason. In rare cases, booting process can fail due to the communication errors between the board and the PC. If this happened, attempt booting again or try using conventional serial port, instead of USB. If booting fails, the program written to the board recently would be corrupted, but the board can be reprogrammed again. 5.3.1 Using JTAG Link JTAG emulator to the ATZB-EVB (MeshBean)’s on-board JTAG connector Start uploading process under AVR Studio, following the instructions from  [16] and  [17]. Select the image file as WSNDemoApp.hex (see  10.7) to upload. Set the following options on the Fuses tab before uploading the image through JTAG: Table 11. Fuse bits setting Option Value BODLEVEL Brown-out detection disabledOCDEN  Disabled JTAGEN  Enabled SPIEN  Enabled WDTON  Disabled
  27   ATZB-EVB-XXX-XXX User Manual AVR-09-2011  Option Value EESAVE  Disabled BOOTSZ Boot Flash size=1024 words start address=$FC00 BOOTRST  Disabled CKDIV8  Enabled CKOUT  Disabled SUT_CKSEL Int. RC Osc.; Start-up time: 6 CK + 65 ms    Figure 5. Fuse bits setting Make sure the following hex values appear in the bottom part of Fuses tab: 0xFF, 0x9D, 0x62.
 28   ATZB-EVB-XXX-XXX User Manual AVR-09-2011  If the node is to be programmed with the use of Serial Bootloader, enable additionally the BOOTRST option. Make sure the following hex value string appears at the bottom of Fuses tab: 0xFF, 0x9C, 0x62.  By default, each of the boards (MCU) is preprogrammed with this fuse setting. In addition, JTAG can be used to restore the device's ability to respond to Serial Bootloader commands. Serial Bootloader firmware can be reprogrammed with JTAG by selecting bootloader.hex image contained in your ZDK Distribution CD and uploading it to the device. 5.4 Using the Boards At node startup, current channel mask is regularly read from EEPROM. If channel mask has been uploaded to EEPROM using Serial Bootloader, then no special action described below is needed before starting WSNDemo. Nevertheless, if you need to upload channel mask to EEPROM from flash (from an image file) then startup initialization of the node must be performed as follows. Press and hold the on-board SW1 button first (see Error! Reference source not found.). Power ON the board with holding the button pressed for at least 1 second. LED2 will get flashing 3 times. Next, all LEDs will start flashing to indicate the node’s role: they will flash once on router, twice on end device and three times on coordinator. LED1, LED2 and LED3 will start blinking for 2 sec to indicate the acceptance of channel mask in EEPROM. NOTE: When the operation described above is completed, the channel mask preloaded to EEPROM is lost. Starting the WSNDemo, do the following: Configure one single node as a coordinator, and make the others be routers and end devices (see Table 11). Any of the boards provided can be configured with any role. Connect the coordinator node to the PC, using USB port on the coordinator board 8.  Power on the coordinator node 9.  Run WSN Monitor (see Section  0) 10.  Power ON and reset the rest of the nodes.
  29   ATZB-EVB-XXX-XXX User Manual AVR-09-2011  NOTE: While WSNDemo is running, channel mask can be changed anytime by sending the command through WSN Monitor (see Section  0). The channel mask which has been issued from WSN Monitor and received by a node is permanently stored in the node’s EEPROM, regardless of power-offs. To restore the default channel mask in EEPROM repeat a node reinitializing procedure described above in this section or use Serial Bootloader. Table 12. DIP switch configurations used in WSNDemo DIP switches  Description 123  ON OFF OFF Board is configured to be a coordinator. OFF ON OFF Board is configured to be a router. OFF OFF ON Board is configured to be an end device. Coordinator organizes the wireless network automatically. Upon starting, any node informs the network on its role. At that moment, LED1, LED2 and LED3 are flashing once on router, they are flashing twice on end device and they are flashing three times on coordinator. After joining the network, a node starts sending data to the coordinator, which is indicated by LEDs. WSN activity is observed in two ways:   controlling the onboard LEDs (see LED indication described in Table 12)   controlling the network information through the WSN Monitor installed on PC. Table 13. LED indication used in WSNDemo LED state Node State  LED1 (Red)  LED2 (Yellow) LED3 (Green) Standby blinking synchronously Searching for network  blinking OFF  OFF
 30   ATZB-EVB-XXX-XXX User Manual AVR-09-2011 Joined to network  ON         + receiving data     blinking      + sending data (coordinator only)       blinking Sleeping (end device only)  OFF OFF OFF  If you power ON the coordinator, it switches to an active state, even though no child node is present. This is normal, it means that the coordinator is ready and child nodes can join the network with coordinator’s PAN ID. By default, coordinator uses predefined PAN ID valued as D170, which is recognized by all routers.  NOTES: If coordinator is absent or it has not been turned on, the routers are staying in the network search mode. In this mode, routers are scanning the selected frequency channels in search for a network with the selected PAN ID. In rare cases, if radio channel is busy on the selected frequency the coordinator node is staying in the network searching mode. If this happens, you should switch it to other channel by changing the channel mask in WSN Monitor. 5.5 Sensors Data and Battery Level Indication Each of the boards measures temperature, light and its own battery level. They send the data values to coordinator and, further to the PC. The WSN Monitor displays the readings from onboard sensor’s next to a node icon along with visualization (see Section  5.6). Temperature sensor measures ambient temperature. The sensor data is depicted in the WSN Monitor charts with resolution of 1 °C, but the actual sensor accuracy is better. Light sensor measures ambient illumination in Lux. The battery voltage is indicated with typical accuracy of about 0.1 V, which is enough for most applications and self-monitoring tasks. NOTES: In case the board is powered via USB port, the battery voltage sensor will steadily return 0. However, if batteries had been installed into the battery compartment, when the board is connected to the USB, the battery level indication is correct. In case the board is powered via USB port, the heating voltage regulator, which is located next to the temperature sensor, can distort the sensor readings. Use battery-powered boards for more accurate measurements.
  31   ATZB-EVB-XXX-XXX User Manual AVR-09-2011  5.6 WSN Monitor WSN Monitor is a PC-based GUI application for WSNDemo that is used to display WSN topology and other information about WSN network. See WSN Monitor screen in Figure . It contains the Topology Pane, Sensor Data Pane, Node Data Pane and Toolbars.  Figure 6. WSN Monitor GUI Topology Pane displays the network topology in real time, which helps to the user monitor the formation and evolution of the network while the nodes join, send data or leave. The Topology Pane updates automatically while the nodes are discovered and while they join through coordinator. The networking tree is displayed in form of parent/child links which are tipped with RSSI and LQI values. Each of the nodes displayed is depicted by icon with the node’s address below and sensor readings to the right. Node Data Pane displays the data coming from onboard sensor’s of each of the nodes (see Section  5.5). It is presented in graphs and in table form. Other parameters can be also observed for each node in table form. Node Data Pane includes a Sensor Selection combo-box used to switch between sensor types.
 32   ATZB-EVB-XXX-XXX User Manual AVR-09-2011 Node titles are defined in the NodeNames.txt file. By default, it is located in the following subdirectory:  "./Evaluation Tools/WSNDemo (WSN Monitor)/resources/ configuration/”.  Notice: the full path to the file depends on the root directory which has been specified during installation of the Development Kit (see Section  4.3). NodeNames.txt contains one “-- NodeNames --” header string which is followed by a number of strings each of which contains 64-bit MAC address and the title of each node. For example, see Figure 6.  If the NodeNames.txt file is not found or its format is not recognized, the WSN Monitor designates the titles named by default.   Figure 7. Example of file containing the node titles 5.7 Running WSNDemo Starting WSNDemo on ATZB-EVB (MeshBean) nodes First, connect the coordinator node to the USB or to serial port, in accordance with the J3 jumper setting (see Table ). Next, run the WSN Monitor application on your PC. At startup, WSN Monitor will attempt using the default COM port to connect to coordinator. The WSN Monitor screen pops up. To observe the coordinator node icon on the Topology Pane (see Figure ), you will have to set a proper COM port via Connection/Settings menu (see Figure ) and probably restart the program. Setting up node timeouts The Connection/Settings menu contains a number of parameters. Timeouts are used to tune up visualization for coordinator, routers and end devices because they disappear from the network each time when link drop, power down, or reset occur. A node timeout means the waiting period, during which the WSN Monitor is expecting to receive data packet from that node, which would update the network Topology tree. To get smooth topology visualization, setting timeouts to 3 sec is recommended for
  33   ATZB-EVB-XXX-XXX User Manual AVR-09-2011  coordinator and router and 30 sec is recommended for end device. Those timeouts cover 3 periods between packet sending.  Figure 9. WSN Monitor Connection/Settings menu Node Reset A node can be reset by means of the WSN Monitor using the Tools/Send Command menu (see Figure 8). A node can be identified by its MAC address or it can be selected from the list of the nodes (using the combo-box) which are currently present in the Network Topology Pane.  Figure 10. Resetting the node Changing Frequency Channels
 34   ATZB-EVB-XXX-XXX User Manual AVR-09-2011 The network operation is supported on 16 upper channels in 2.4 GHz band, which are numbered from 11(0x0B) through 26(0x1A). Use Tools/Send Command window to set channel mask. By default, current channel mask is displayed there (see Figure 8). NOTE: Channel mask is a bit field which defines the channels available. The 5 most significant bits (b27,... , b31) of channel mask should be set to 0. The rest 27 least significant bits (b0, b1,... b26) indicate availability status for each of the 27 valid channels  (1 = available, 0 = unavailable).   Figure 11. Setting channel mask dialog box Open the Channel bit mask window by clicking the “...” button. Use checkboxes to check the allowed channels (see Figure 11).     Figure 12 Setting the channel mask using checkboxes When changing channel mask, coordinator sends the command to all of the nodes and waits for 1 minute more after having received the last packet using old channel mask. Next, coordinator forms the network on the new channel. When channel mask command is being accepted by router or by end device the node stops sending packets for 1 minute, and the LED1, LED2 and LED3 start blinking. Next, it leaves the network and proceeds joining, using new channel mask.
  35   ATZB-EVB-XXX-XXX User Manual AVR-09-2011  When router is rejoining, the network indication LED, namely LED3, is blinking. Upon having router joined, LED3 is ON. When end device is rejoining, the network indication LED, LED3, is blinking. Upon having end device joined, LED3 turns ON. LED1 flashes shortly to indicate sending a packet, LED1 flashes briefly to indicate having received acknowledgement. Next, all LEDs get turned OFF when end device is falling to sleep. When channel mask is being changed, the Topology Pane might display an outdated topology tree. After changing channel mask, the network topology is updated. Visualization of the Sensor Data Observing the Topology tree and operating the GUI controls, user can select any node to monitor the node activity and see the node data in three different forms:  Text table  Chart   The onboard sensor’s data in the Topology Pane. These values are tipped with arrows indicating relative increase or decrease. Topology Pane displays temperature and light readings as well as battery level for any selected node (which icon appears in dashed frame). Also, these data values are shown on the Sensor Data Graph Pane. You can easily check how they evolve over time. The Sensor Data Graph Pane includes a Sensor Selection combo-box. Use the button on the Sensor Control Toolbar to display the desired types of sensor data. 6 SerialNet SerialNet is a configuration of BitCloud software which allows control over the most of the ZigBit/BitCloud functionality through a serial communication interface using standardized Hayes-like AT command set. The commands come from Serial/USB interface in simple text form. The command language principles are described in ITU-T V.250 recommendation (see  [11]). NOTES: Strictly, the SerialNet is an application developed “on top” of BitCloud API. Before running SerialNet application make sure that the corresponding image file (see  10.7) is uploaded to each board properly by means of Serial Bootloader or JTAG. See the set of supported AT commands, their syntax and detailed description in the Reference Manual  [3]. Chapter “Examples” of that document shows how to use the commands to do the following:   to control LED and DIP switches   to create a network (to set the node roles and addresses)   to transmit data between the nodes   to manage PAN ID and frequency channels   to forward commands for remote execution   to control power consumption for end device.
 36   ATZB-EVB-XXX-XXX User Manual AVR-09-2011 Due to flexibility of AT-commands, you can create other network scenarios addressing the specific needs of your application. The examples are recommended as a starting point in evaluation of SerialNet. A variety of terminal programs provide capability to enter AT-command scripts and to analyze the responses from a board. In order to run the SerialNet application, follow step-by-step instructions from the Examples section of the document  [3]. NOTE: The +IFC and +IPR commands both change the rate and flow control parameters of Serial/USB port. If any of these commands is used, the COM port settings on the terminal program running on the PC should be changed accordingly. 7 Serial Bootloader Serial Bootloader is software intended to burn firmware images in SREC format into WSN nodes without using JTAG (see  10.8). It also provides the capability to set up the network parameters for each node without altering its firmware manually. Serial Bootloader consists of two parts: a PC application for Windows platforms (supplied in console and GUI versions) and bootstrap code residing in the MCU. In ZigBit Development Kit, each ATZB-EVB (MeshBean) board is delivered with fuse bits set up and the bootstrap preloaded to ZigBit MCU. Bootstrap itself can be recovered using JTAG when necessary. It is supplied in form of bootloader.hex image file (see  10.7). Exhaustive information on using Serial Bootloader is contained in  [7]. 8 Programming with BitCloud API 8.1 API Overview BitCloud internal architecture follows 802.15.4, ZigBee-defined separation of the networking stack into logical layers. Besides the core stack containing protocol implementation, BitCloud contains additional layers implementing shared services (e.g. task manager, security, and power manager) and hardware abstractions (e.g. hardware abstraction layer (HAL) and board support package (BSP)). The APIs contributed by these layers are outside the scope of core stack functionality. However, these essential additions to the set of APIs significantly help reduce application complexity and simplify integration. BitCloud Stack Documentation  [4] provides detailed information on all public APIs and their use. The topmost of the core stack layers, APS, provides the highest level of networking-related APIs visible to the application. ZDO provides a set of fully compliant ZigBee Device Object APIs which enable main network management functionality (start, reset, formation, join). ZDO also defines ZigBee Device Profile types, device and service discovery commands implemented by the stack. There are three service "planes" including: task manager, security, and power manager. These services are available to the user application, and may also be utilized by lower stack layers. Task manager is the stack scheduler which mediates the use of the MCU among internal stack components and user application. The task manager utilizes a proprietary priority queue-based algorithm specifically tuned for multi-layer stack environment and demands of time-critical network protocols. Power
  37   ATZB-EVB-XXX-XXX User Manual AVR-09-2011  management routines are responsible for gracefully shutting down all stack components and saving system state when preparing to sleep and restoring system state when waking up. Hardware Abstraction Layer (HAL) includes a complete set of APIs for using on-module hardware resources (EEPROM, app, sleep, and watchdog timers) as well as the reference drivers for rapid design-in and smooth integration with a range of external peripherals (IRQ, I2C, SPI, UART, 1-wire). Board Support Package (BSP) includes a complete set of drivers for managing standard peripherals (sensors, UID chip, sliders, and buttons) placed on a MeshBean development board. 8.2 Using AVR Programming Tools It is recommended that Atmel’s AVR Studio  [16] is to develop custom applications based on BitCloud API. This multiplatform Integrated Development Environment (IDE) provides the options for editing source code, compilation, linking object modules with libraries, debugging, making executable file automatically, and more. See Section  4.3 for the IDE installation instructions. Refer to the AVR Studio User’s manual for further instructions. AVR Studio can be integrated with WinAVR – a suite of software development tools for the Atmel AVR series of RISC microprocessors hosted on the Windows platform  [19]. WinAVR contains a set of utilities including AVR GCC compiler, linker, automatic Makefile generator, system libraries, etc. GCC compiler is designed to be executed on the Windows platform, and is configured to compile C or C++ codes. For description of GCC compiler see WinAVR documentation. You can find command options for compilation and linking specified in  [20].  In AVR Studio, the development of an application is organized under particular project. All the necessary information about a project is kept in project file. Such files assigned to the AVR Studio have an *.aps extension, so they open in AVR Studio automatically when double-clicked. The easiest way to configure an AVR project is to use Makefile that is a plain text file which name has no extension. Makefile specifies compilation and linking flags. Makefile also specifies corresponding directories in order to include header files and to link the system object libraries. The required BitCloud software is located in ZDK Distribution CD in the “BitCloud” structured subdirectory as presented in  10.7. 8.3 How to Build Minimum Application For a quick start in programming, a user’s sample application is designed to show the required application structure and coding conventions. This application (a local variety of the traditional "Hello World" demo) implements permanent blinking of the ATZB-EVB (MeshBean)’s LEDs, using the GPIO interface. The source code for minimum application is given in  10.9 , along with the Makefile corresponding to the file structure specified in  10.7. Both are located in the “./Sample Applications/Blink/“ subdirectory. The resulting image files are also delivered. You can rebuild them any time as described below. Open blink.aps file from the “./Sample Applications/Blink/“ subdirectory and just execute Build/Rebuild All item from the main menu of AVR Studio. The blink.hex and blink.srec image files will be generated. No *.eep image
 38   ATZB-EVB-XXX-XXX User Manual AVR-09-2011 file will be produced as EEPROM is not needed for Blink. To test the minimum application, upload any of the image files into a ATZB-EVB (MeshBean) board, following the instructions which are given in Section  7 or in  10.8, correspondingly. You can modify the code to extend the application’s functionality by using other BitCloud API functions. Make sure that your application code satisfies the programming conventions specified in  [5]. Play with the other API demos (see Section  8.4), building them similarly to enhance the application with new functionalities. Make sure your applications are uploaded into the boards before use. 8.4 Sample Applications ZDK is supplied with the set of BitCloud API sample applications in source code. These are named as given in brackets:  WSNDemo application (WSNDemo)   Low-Power Networking application (Lowpower)   Peer-to-Peer Data Exchange application (Peer2peer)   Ping-Pong application (Pingpong)   Hardware Test (HardwareTest). WSNDemo is a ZDK featured application demonstrating the formation of network based on BitCloud software and ATZB-EVB (MeshBean) hardware. In WSNDemo, the nodes communicate based on a proprietary messaging protocol. WSNDemo is presented in details in Section  5. The source codes for WSNDemo application (available with Complete Support Package only) can be found inside the “./Sample Applications/WSNDemo“ subdirectory (see  10.7), once the Development Kit is installed to user’s PC (see Section  4.3). Network parameters (including security settings) and their default values are defined in Configuration file as below:
  39   ATZB-EVB-XXX-XXX User Manual AVR-09-2011  # Stack parameters being set to Config Server --------- CS_AUTONETWORK = 1 # If CS_AUTONETWORK is 1 CS_CHANNEL_MASK should be declared CS_CHANNEL_MASK = "(1l<<0x15)" # Parameter is used only for RF212 CS_CHANNEL_PAGE = 0 CS_RF_TX_POWER = 3 CS_END_DEVICE_SLEEP_PERIOD = 5000 CS_NEIB_TABLE_SIZE = 8 CS_MAX_CHILDREN_AMOUNT = 7 CS_MAX_CHILDREN_ROUTER_AMOUNT = 2 CS_ROUTE_TABLE_SIZE = 25 CS_ADDRESS_MAP_TABLE_SIZE = 25 CS_ROUTE_DISCOVERY_TABLE_SIZE = 10 CS_APS_DATA_REQ_BUFFER_SIZE = 4 CS_APS_ACK_FRAME_BUFFER_SIZE = 3 CS_DUPLICATE_REJECTION_TABLE_SIZE = 7 CS_NWK_DATA_REQ_BUFFER_SIZE = 4 CS_NWK_DATA_IND_BUFFER_SIZE = 4  USE_STATIC_ADDRESSING = 0 # Used only for static addressing CS_NWK_ADDR = 0x7001  USE_NETWORK_KEY = 0 # Pre-configured key which is used by NWK # If it is not TRUST CENTRE && CS_ZDO_SECURITY_STATUS=3 the key is cleared by ZDO CS_NETWORK_KEY = "{0xCC,0xCC,0xCC,0xCC,0xCC,0xCC,0xCC,0xCC,0xCC,0xCC,0xCC,0xCC,0xCC,0xCC,0xCC,0xCC}"  #0 - preconfigured network key #1 - preconfigured trust centre link key #2 - preconfigured trust centre master key #3 - not preconfigured CS_ZDO_SECURITY_STATUS = 3  To compile WSNDemo application use make utility. Otherwise, open the WSNDemo.aps file from the “./Sample Applications/WSNDemo/“ subdirectory
 40   ATZB-EVB-XXX-XXX User Manual AVR-09-2011 with AVR Studio and just execute Build/Rebuild All item from the main menu. The WSNDemoApp.hex and WSNDemoApp.srec image files will be then generated. Low-Power, Peer-to-peer and Ping-Pong applications are described in details in  [4]. 9 Troubleshooting In case of any operational problem with your system please check the power first, and make sure that all of your equipment is properly connected.  Check if your PC conforms to the minimum system requirements (see Section  4.2). Check if the PC interfaces (COM, USB) are present and drivers are installed. Check on LED indication of a node if it is not responding or behaving unusually. Make sure the DIP switches are set according to the application running on the board.  You can retest the particular node as described in Section  4.7, if needed. You may be required to reset the node. Table  represents some typical problems that you may encounter while working with the Development Kit and possible solutions. Table 14. Typical problems and solutions Problem   Solution The board does not indicate its activity with LEDs. Make sure that either WSNDemo image or Hardware Test image is loaded. For SerialNet, the LED status is controlled by AT-commands. The board does not respond to outer commands (in case of external antenna) Make sure the external antenna is not broken and it is properly connected to the board. Detect ID for any single connected board using the  USBView.exe utility from Silicon Laboratories.  It can be downloaded from http://www.silabs.com/ tgwWebApp/public/web_content/products/ Microcontrollers/USB/en/USBXpress.htm You can use the CP210xSetIDs.exe utility from Silicon  Laboratories which is included in AN144SW. It is  described at http://www.silabs.com/public/documents/ tpub_doc/anote/Microcontrollers/Interface/en/an144.pdf In effort to connect several boards to the same PC their detection fails due to ID recognition conflict. and it can be downloaded from  http://www.silabs.com/public/documents/software_doc/ othersoftware/Microcontrollers/Interface/en/an144sw.zip. Make sure Java machine is properly installed on your PC. Java Runtime Environment installation program can be found in ./Third Party Software/ directory as WSN Monitor fails to start. jre-6u6-windows-i586-p.exe file (see Appendix Section 10.7) No node is shown on the Topology Pane in the WSN Monitor Check if the WSN Monitor uses proper COM port and if not, change it and restart the program.
  41   ATZB-EVB-XXX-XXX User Manual AVR-09-2011  WSN Monitor shows NO DATA in the Sensor Data Graph Pane. No node is selected. Select the required node by mouse-clicking on it. Node titles displayed on the Topology Pane do not show node destinations. The displayed titles do not necessarily relate to the node functions but they can be redefined by user anytime. These names are stored in the node title file (see Section 4.5) along with MAC addresses mapped to the nodes. At WSN Monitor startup, all node’s LEDs are blinking, or none of them is flashing. The WSNDemo application was not uploaded into the node. Upload this application to the node. Make sure that J3 is set on the board properly to correspond to the actual connection type (either Serial or USB). Neither Serial Bootloader nor other application work with a node, except for the Hardware Test.  Make sure the microcontroller flash memory was not erased before, and the bootstrap was not lost there after having the node programmed through JTAG.  10 Appendix 10.1 FCC Statements 10.2 Equipment usage This equipment is for use by developers for evaluation purposes only and must not be  incorporated into any other device or system. 10.3 Compliance Statement (Part 15.19)   These  devices  comply  with  Part  15  of  the  FCC  Rules.  Operation  is  subject  to  the following two conditions:   1. These devices may not cause harmful interference, and   2. These  devices  must  accept  any  interference  received,  including  interference  that may cause undesired operation. 10.4 Warning (Part 15.21) Changes  or  modifications  not  expressly  approved  by  Atmel  Norway  could  void  the user’s authority to operate the equipment.   10.5 Compliance Statement (Part 15.105(b))   This  equipment  has  been  tested  and  found  to  comply  with  the  limits  for  a  Class  B digital  device,  pursuant  to  Part  15  of  the  FCC  Rules.  These  limits  are  designed  to provide reasonable protection against harmful interference in a residential installation.
 42   ATZB-EVB-XXX-XXX User Manual AVR-09-2011 This  equipment  generates  uses  and  can  radiate  radio  frequency  energy  and,  if  not installed   and   used   in   accordance   with   the   instructions,   may   cause   harmful interference   to   radio   communications.   However,   there   is   no   guarantee   that interference  will  not  occur  in  a  particular  installation.  If  this  equipment  does  cause harmful  interference  to  radio  or  television  reception,  which  can  be  determined  by turning  the  equipment  off  and  on,  the  user  is  encouraged  to  try  to  correct  the interference by one or more of the following measures:   •   Reorient or relocate the receiving antenna.   •   Increase the separation between the equipment and receiver.   •   Connect the equipment into an outlet on a circuit different from that to which the receiver is connected.   10.6 FCC IDs     ATZB-EVB-24-A2- This equipment carries a certified Radio module with FCC ID VW4A090664   ATZB-EVB-24-SMA- This equipment carries a certified Radio module with FCC ID VW4A090665   ATZB-EVB-900-SMA- This equipment carries a certified Radio module with FCC ID VW4A090666  ATZB-EVB-A24-SMA- VW4A090969  ATZB-EVB-24-PCB-  VW4A090971  10.7 ZDK File Structure The installation of ZDK to the user’s PC is performed from the ZDK Software and Documentation CD (see Section  4.3). As the result the following file structure will be generated under the user defined destination (see Table ). Table 15. The ZDK file structure Directory/File Description Readme.html  Introductory document containing the links to the documentation files ZigBit Development Kit Release Notes.txt  The ZDK release notes EULA.txt  End User License Agreement ./Documentation  Documentation on hardware and software, datasheets, application notes ./Product Information  Getting Started document, product briefs and case study documents ./Bootloader/Bootloader.exe  Console Serial Bootloader executable file    GUI Serial Bootloader installer
  43   ATZB-EVB-XXX-XXX User Manual AVR-09-2011  ./Bootloader/GuiBootloaderSetup.msi Binary image file containing bootstrap code ./Bootloader/bootloader.hex    ./Evaluation Tools/Hardware Test/ HardwareTest.srec ./Evaluation Tools/Hardware Test/ HardwareTest.hex Hardware Test image files ./Evaluation Tools/WSNDemo (Embedded)/WSNDemoApp.srec ./Evaluation Tools/WSNDemo (Embedded)/WSNDemoApp.hex WSNDemo image files ./Evaluation Tools/WSNDemo (WSN Monitor)/WSNMonitorSetup.exe  WSN Monitor installer ./Evaluation Tools/SerialNet/ serialnet.srec ./Evaluation Tools/SerialNet/ serialnet.hex SerialNet image files ./BitCloud/Components  Header files for BitCloud Stack ./BitCloud/Components/BSP/  Source, header and library files for BitCloud BSP ./BitCloud/lib  Library files for BitCloud Stack Source and image files for WSNDemo application. ./Sample Applications/WSNDemo Source code is available with Complete Support Package only. ./Sample Applications/Blink  Source and image files for Blink application
 44   ATZB-EVB-XXX-XXX User Manual AVR-09-2011 ./Sample Applications/Lowpower  Source and image files for Low Power sample application ./Sample Applications/Peer2peer  Source and image files for Peer-to-Peer sample application ./Sample Applications/SerialNet/SNE_Demo  Source and image files for SerialNet Extension Demo sample application. Source code is available with Complete Support Package only. ./Sample Applications/Pingpong  Source and image files for PingPong sample application ./Evaluation Tools/RangeTest/range_tool.vi  Range Measurement Tool application’s GUI ./Evaluation Tools/RangeTest/RangeTestRf230.hex  Range Measurement Tool image files ./Evaluation Tools/Range Test/RangeTestRf230.srec    .Third Party Software/ CP210x_VCP_Win2K_XP_S2K3.exe  USB to UART Bridge VCP driver installation program        .Third Party Software/  Java Runtime Environment installation program jre-6u6-windows-i586-p.exe       Microsoft .NET Framework 2.0 installation program .Third Party Software/ NetFx20SP1_x86.exe     10.8 Using JTAG Emulator Programming with JTAG gives more flexibility in managing the loading process, but requires special hardware. For Windows environment it’s recommended using the AVR Studio 4.14. AVaRICE 2.40 may be used for Linux. In both cases, the recommended JTAG emulator is JTAGICE mkII from Atmel. Other programming devices can be utilized as well, but make sure before use that the particular model supports programming an Atmega1281 MCU.
  45   ATZB-EVB-XXX-XXX User Manual AVR-09-2011  Using AVR Studio both flash memory and EEPROM of a board can be separately programmed with images having Intel HEX format. EEPROM image has .eep extension while flash image has .hex extension. To upload firmware, follow the instructions from the device manufacturer’s manuals  [16],  [17],  [18]. A sample pop-up window is shown in Figure .  Figure 13. AVR Studio dialog box for firmware upload using JTAG The well-known command line utility, avrdude, which is a part of WinAVR environment (http://sourceforge.net/projects/winavr) can be used for upload as well. This utility recognizes both Intel HEX and Motorola SREC formats. IMPORTANT NOTES: To avoid corruption of the bootstrap code required for serial booting, do not erase device when using JTAG. For JTAG programming, the Boot Reset vector fuse bit should be disabled. To enable serial booting this fuse bit should be enabled.
 46   ATZB-EVB-XXX-XXX User Manual AVR-09-2011 10.9 Minimum Application Source Code /***********************************************************   blink.c      Blink application.      Written by V.Marchenko ***********************************************************/  #include "appTimer.h"  #ifdef _SLIDERS_ #include "sliders.h" #endif //#ifdef _SLIDERS_  #ifdef _BUTTONS_ #include "buttons.h" #endif //#ifdef _BUTTONS_  #ifdef _LEDS_ #include "leds.h" #endif //#ifdef _LEDS_  #include "zdo.h"  #ifndef BLINK_PERIOD #define BLINK_PERIOD 1000 // Initial blink period, ms. #endif  #ifndef MIN_BLINK_PERIOD #define MIN_BLINK_PERIOD 100  // Minimum blink period, ms. #endif  #ifndef MAX_BLINK_PERIOD #define MAX_BLINK_PERIOD 10000 // Maximum blink period, ms. #endif
  47   ATZB-EVB-XXX-XXX User Manual AVR-09-2011  #define BLINK_INTERVAL             (BLINK_PERIOD / 2)       // Blink interval. #define MIN_BLINK_INTERVAL         (MIN_BLINK_PERIOD / 2)   // Minimum blink interval. #define MAX_BLINK_INTERVAL         (MAX_BLINK_PERIOD / 2)   // Maximum blink interval.  #ifndef _BUTTONS_ #define BSP_KEY0                    0 #define BSP_KEY1                    1 #endif //#ifndef _BUTTONS_  #define HALF_PERIOD_BUTTON          BSP_KEY0          // Button that reduces blink interval to a half. #define DOUBLE_PERIOD_BUTTON        BSP_KEY1          // Button that doubles blink interval.  static HAL_AppTimer_t blinkTimer;                     // Blink timer.  #ifndef _BUTTONS_ static HAL_AppTimer_t changeBlinkTimer;               // Buttons emulation timer. #endif //#ifndef _BUTTONS_  static void buttonsReleased(uint8_t buttonNumber);          // Button release event handler. static void blinkTimerFired(void);                    // blinkTimer handler.  #ifndef _BUTTONS_ static void changeTimerFired(void);                   //Buttons emulation timer handler.  #endif //#ifndef _BUTTONS_  /***********************************************************   Description: application task handler.    Parameters: none.      Returns: nothing.
 48   ATZB-EVB-XXX-XXX User Manual AVR-09-2011 ***********************************************************/ void APL_TaskHandler(void) { #ifdef _LEDS_   BSP_OpenLeds(); // Enable LEDs  #endif //#ifdef _LEDS_  #ifdef _BUTTONS_   BSP_OpenButtons(NULL, buttonsReleased);         // Register button event handlers #else   // Configure blink timer   changeBlinkTimer.interval = 10000;              // Timer interval   changeBlinkTimer.mode     = TIMER_REPEAT_MODE;  // Repeating mode (TIMER_REPEAT_MODE or TIMER_ONE_SHOT_MODE)   changeBlinkTimer.callback = changeTimerFired;   // Callback function for timer fire event   HAL_StartAppTimer(&changeBlinkTimer);           // Start blink timer #endif //#ifdef _BUTTONS_      // Configure blink timer   blinkTimer.interval = BLINK_INTERVAL;           // Timer interval   blinkTimer.mode     = TIMER_REPEAT_MODE;        // Repeating mode (TIMER_REPEAT_MODE or TIMER_ONE_SHOT_MODE)   blinkTimer.callback = blinkTimerFired;          // Callback function for timer fire event   HAL_StartAppTimer(&blinkTimer);                 // Start blink timer  }  #ifndef _BUTTONS_ void changeTimerFired(void) {   static uint8_t button = HALF_PERIOD_BUTTON;   //Buttons emulation    buttonsReleased(button);   if (HALF_PERIOD_BUTTON == button)     button = DOUBLE_PERIOD_BUTTON;   else
  49   ATZB-EVB-XXX-XXX User Manual AVR-09-2011      button = HALF_PERIOD_BUTTON; } #endif //#ifndef _BUTTONS_  /***********************************************************  Description: blinking timer fire event handler.    Parameters: none.      Returns: nothing. ***********************************************************/ static void blinkTimerFired() {   BSP_ToggleLed(LED_RED);   BSP_ToggleLed(LED_YELLOW);   BSP_ToggleLed(LED_GREEN); }  /***********************************************************   Description: button release event handler.    Parameters: buttonNumber - released button number.      Returns: nothing. ***********************************************************/ static void buttonsReleased(uint8_t buttonNumber) {   HAL_StopAppTimer(&blinkTimer); // Stop blink timer      // Dependent on button being released, update blink interval   if (HALF_PERIOD_BUTTON == buttonNumber)   {     blinkTimer.interval /= 2;     if (blinkTimer.interval < MIN_BLINK_INTERVAL)       blinkTimer.interval = MIN_BLINK_INTERVAL;
 50   ATZB-EVB-XXX-XXX User Manual AVR-09-2011   }   else if (DOUBLE_PERIOD_BUTTON == buttonNumber)   {     blinkTimer.interval *= 2;     if (blinkTimer.interval > MAX_BLINK_INTERVAL)       blinkTimer.interval = MAX_BLINK_INTERVAL;   }    blinkTimerFired();              // Update LED status immediately.   HAL_StartAppTimer(&blinkTimer); // Start updated blink timer. }  /***********************************************************  Description: just a stub.    Parameters: are not used.      Returns: nothing. ***********************************************************/ void ZDO_MgmtNwkUpdateNotf(ZDO_MgmtNwkUpdateNotf_t *nwkParams)  {   nwkParams = nwkParams;  // Unused parameter warning prevention }  /***********************************************************   Description: just a stub.    Parameters: none.      Returns: nothing. ***********************************************************/ void ZDO_WakeUpInd(void)  { }
  51   ATZB-EVB-XXX-XXX User Manual AVR-09-2011  /***********************************************************   Description: just a stub.    Parameters: none.      Returns: nothing. ***********************************************************/ void ZDO_SleepInd(void)  { }  //eof blink.c Makefile # Components path definition -------------------------- COMPONENTS_PATH = ../../Components  # Application makerules including --------------------- include $(COMPONENTS_PATH)/../lib/MakerulesBcAll  # Project name ---------------------------------------- PRJ_NAME = blink  # Application parameters ------------------------------ CFLAGS += -DBLINK_PERIOD=1000 CFLAGS += -DMIN_BLINK_PERIOD=100 CFLAGS += -DMAX_BLINK_PERIOD=10000  # Stack parameters being set to Config Server ---------   # Output debug port for ARM platforms only ------------ ifeq ($(HAL), AT91SAM7X256)   CFLAGS += -D_DBG_ endif
 52   ATZB-EVB-XXX-XXX User Manual AVR-09-2011  # Stack libraries paths ------------------------------ LIB_PATH =                          \  -L$(COMPONENTS_PATH)/../lib \         -L$(PDS_PATH)/lib           \   -L$(CS_PATH)/lib            \  -L$(BSP_PATH)/lib  ## Stack include paths -------------------------------- INCLUDES =                        \   -I$(SE_PATH)/include      \   -I$(APS_PATH)/include     \   -I$(NWK_PATH)/include     \   -I$(ZDO_PATH)/include     \  -I$(MAC_PHY_PATH)/include \   -I$(HAL_PATH)/include     \  -I$(HAL_HWD_PATH)/include \   -I$(BSP_PATH)/include     \   -I$(CS_PATH)/include      \   -I$(PDS_PATH)/include     \   -I$(TC_PATH)/include      \  -I$(SSP_PATH)/include  # Linking --------------------------------------------- ifeq ($(HAL), ATMEGA1281)  LINK_OBJECTS = $(COMPONENTS_PATH)/../lib/WdtInitatmega1281.o  LINKER_FLAGS = -o$(PRJ_NAME).elf -Map=$(PRJ_NAME).map endif ifeq ($(HAL), AT91SAM7X256)  LINK_OBJECTS = $(COMPONENTS_PATH)/../lib/FirmwareBoot.o  LDSCRIPT = -Tatmel-rom.ld  LINKER_FLAGS = -Xlinker -o$(PRJ_NAME).elf -Xlinker -M -Xlinker -Map=$(PRJ_NAME).map -nostartfiles endif   # Build ------------------------------------------------
  53   ATZB-EVB-XXX-XXX User Manual AVR-09-2011  all: pds cs                                          \      $(PRJ_NAME).elf $(PRJ_NAME).srec $(PRJ_NAME).hex $(PRJ_NAME).bin \      size  pds:  @echo    @echo -------PDS library creation------------------------   make all -C $(PDS_PATH) cs:  @echo    @echo -------Configuration Server library creation-------   make all -C $(CS_PATH)  $(PRJ_NAME).o: %.o: %.c  @echo    @echo -------Application executable creation-------------   $(CC) -c $(CFLAGS) $(INCLUDES) $^ -o $@  $(PRJ_NAME).elf: $(PRJ_NAME).o   $(CC) $(CFLAGS)        $(INCLUDES) $(PRJ_NAME).o $(LIB_PATH) $(LINK_OBJECTS) -l$(STACK_LIB) -l$(CS_LIB) -l$(PDS_LIB) -l$(BSP_LIB) -l$(STACK_LIB) $(LDSCRIPT) $(LINKER_FLAGS)    rm -f *.o  %.srec: %.elf   $(OBJCOPY) -O srec --srec-len 128 $< $@ %.hex:  %.elf   $(OBJCOPY) -O ihex $(HEX_FLASH_FLAGS)  $< $@ %.bin:  %.elf   $(OBJCOPY) --strip-debug --strip-unneeded  -O binary $< $@ size:   $(SIZE) -td $(PRJ_NAME).elf  flash:   jtagiceii -d ATmega1281 -f 0x1F62 -e -pf -if $(PRJ_NAME).hex
 54   ATZB-EVB-XXX-XXX User Manual AVR-09-2011 # Cleaning... ------------------------------------------ clean:  @echo    @echo -------Application cleaning------------------------   rm -rf $(PRJ_NAME).elf $(PRJ_NAME).hex $(PRJ_NAME).srec $(PRJ_NAME).o $(PRJ_NAME).map $(PRJ_NAME).bin  @echo    @echo -------PDS library cleaning------------------------   make clean -C $(PDS_PATH)  @echo    @echo -------Configuration Server library cleaning-------   make clean -C $(CS_PATH)  @echo   # eof Makefile
  55   ATZB-EVB-XXX-XXX User Manual AVR-09-2011  11 EVALUATION BOARD/KIT IMPORTANT NOTICE This evaluation board/kit is intended for use for FURTHER ENGINEERING, DEVELOPMENT, DEMONSTRATION, OR EVALUATION PURPOSES ONLY. It is not a finished product and may not (yet) comply with some or any technical or legal requirements that are applicable to finished products, including, without limitation, directives regarding electromagnetic compatibility, recycling (WEEE), FCC, CE or UL (except as may be otherwise noted on the board/kit). Atmel supplied this board/kit “AS IS,” without any warranties, with all faults, at the buyer’s and further users’ sole risk. The user assumes all responsibility and liability for proper and safe handling of the goods. Further, the user indemnifies Atmel from all claims arising from the handling or use of the goods. Due to the open construction of the product, it is the user’s responsibility to take any and all appropriate precautions with regard to electrostatic discharge and any other technical or legal concerns. EXCEPT TO THE EXTENT OF THE INDEMNITY SET FORTH ABOVE, NEITHER USER NOR ATMEL SHALL BE LIABLE TO EACH OTHER FOR ANY INDIRECT, SPECIAL, INCIDENTAL, OR CONSEQUENTIAL DAMAGES. No license is granted under any patent right or other intellectual property right of Atmel covering or relating to any machine, process, or combination in which such Atmel products or services might be or are used. Mailing Address: Atmel Corporation, 2325 Orchard Parkway, San Jose, CA 95131
 [doc nr]-AVR-[mm]/[yy]   Disclaimer Headquarters  International    Atmel Corporation 2325 Orchard Parkway San Jose, CA  95131 U.S.A. Tel:  (+1) (408) 441-0311 Fax: (+1) (408) 487-2600  Atmel Asia Limited Unit 01-5 & 16, 19F BEA Tower, Millennium City 5 418 Kwun Tong Road Kwun, Tong, Kowloon HONG KONG Tel:  (852) 2245-6100 Fax: (852) 27232-1369     Product Contact  Atmel Munich GmbH Business Campus Parkring 4 D- 85748 Garching b.  MUNICH Tel.: (+49) 89-31970-111 Fax: (+49) 89-3194621 Atmel Japan 9F, Tonetsu Shinkawa Bldg. 1-24-8 Shinkawa Chuo-ku, Tokyo 104-003 JAPAN Tel:  (+81) 3-3523-3551 Fax: (+81) 3-3523-7581  Web Site http://www.atmel.com/  Technical Support avr@atmel.com  Sales Contact www.atmel.com/contacts     Literature Request www.atmel.com/literature                            Disclaimer: The information in this document is provided in connection with Atmel products. No license, express or implied, by estoppel or otherwise, to any intellectual property right is granted by this document or in connection with the sale of Atmel products. EXCEPT AS SET FORTH IN ATMEL’S TERMS AND CONDITIONS OF SALE LOCATED ON ATMEL’S WEB SITE, ATMEL ASSUMES NO LIABILITY WHATSOEVER AND DISCLAIMS ANY EXPRESS, IMPLIED OR STATUTORY WARRANTY RELATING TO ITS PRODUCTS INCLUDING, BUT NOT LIMITED TO, THE IMPLIED WARRANTY OF MERCHANTABILITY, FITNESS FOR A PARTICULAR PURPOSE, OR NON-INFRINGEMENT. IN NO EVENT SHALL ATMEL BE LIABLE FOR ANY DIRECT, INDIRECT, CONSEQUENTIAL, PUNITIVE, SPECIAL OR INCIDENTAL DAMAGES (INCLUDING, WITHOUT LIMITATION, DAMAGES FOR LOSS OF PROFITS, BUSINESS INTERRUPTION, OR LOSS OF INFORMATION) ARISING OUT OF THE USE OR INABILITY TO USE THIS DOCUMENT, EVEN IF ATMEL HAS BEEN ADVISED OF THE POSSIBILITY OF SUCH DAMAGES. Atmel makes no representations or warranties with respect to the accuracy or completeness of the contents of this document and reserves the right to make changes to specifications and product descriptions at any time without notice. Atmel does not make any commitment to update the information contained herein. Unless specifically provided otherwise, Atmel products are not suitable for, and shall not be used in, automotive applications. Atmel’s products are not intended, authorized, or warranted for use as components in applications intended to support or sustain life.    © 2010 Atmel Corporation. All rights reserved. Atmel®, logo and combinations thereof, AVR® and others, are the registered trademarks or trademarks of Atmel Corporation or its subsidiaries. Other terms and product names may be trademarks of others.

Navigation menu