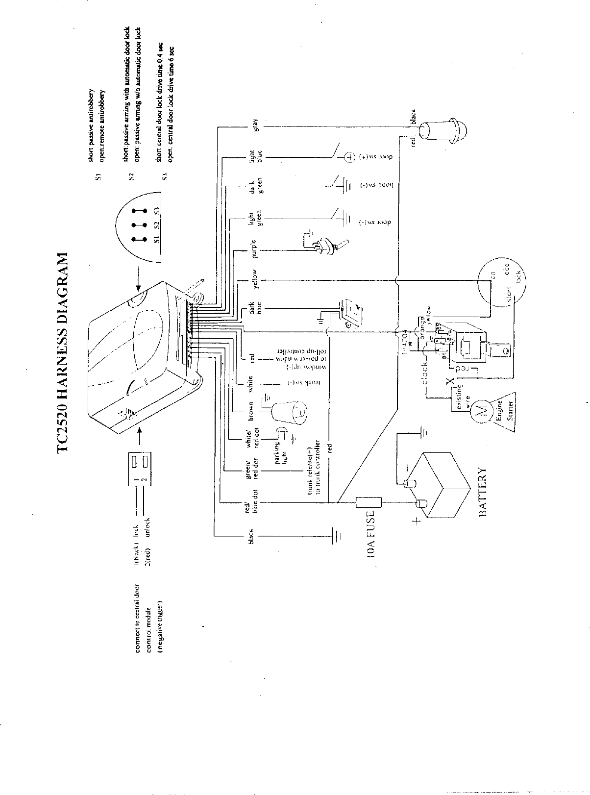
TECH CAST MFG TC2520 User Manual 47035
Tech Cast Mfg Corp 47035
UserManual.wiki
>
TECH CAST MFG
>
TC2520 User Manual
8
Navigation menu
Upload a User Manual
Namespaces
Wiki Guide
HTML
PDF
Info
Views
User Manual
Discussion / Help
Navigation