Telegesis EM35XB ETRX3 Series Long Range Modules User Manual ETRX357 LR Product Manual
Telegesis (UK) Ltd ETRX3 Series Long Range Modules ETRX357 LR Product Manual
Contents
- 1. Manual
- 2. User Manual
Manual

Telegesis
TG-ETRX35X-LRS-PM-015-100
ETRX351-LRS and ETRX357-LRS
Preliminary Product Manual
©2011 Telegesis (UK) Ltd ETRX35x-LRS Preliminary Product Manual
ETRX35x-LRS ZIGBEE® MODULES
PRODUCT MANUAL

ETRX351-LRS and ETRX357-LRS
©2011 Telegesis (UK) Ltd - 2 - ETRX35x-LR Preliminary Product Manual
Table of Contents
1 INTRODUCTION ................................................................................................................. 5
1.1 Hardware Description ....................................................................................................... 5
2 PRODUCT APPROVALS ................................................................................................... 6
2.1 FCC Approvals ................................................................................................................. 6
2.1.1 FCC Labelling Requirements ........................................................................................... 7
2.2 IC (Industry Canada) Approvals ....................................................................................... 7
2.3 European Certification ...................................................................................................... 8
2.4 Declarations of Conformity ............................................................................................... 9
2.5 IEEE 802.15.4 .................................................................................................................. 9
2.6 The ZigBee® Protocol ....................................................................................................... 9
3 MODULE PINOUT ............................................................................................................ 10
4 HARDWARE DESCRIPTION ............................................................................................ 12
4.1 Hardware Interface ......................................................................................................... 12
5 FIRMWARE DESCRIPTION ............................................................................................. 13
5.1 Custom Firmware ........................................................................................................... 13
5.2 Boost Mode vs. Normal Mode ........................................................................................ 14
5.3 Software Interface .......................................................................................................... 14
6 ABSOLUTE MAXIMUM RATINGS ................................................................................... 15
7 RECOMMENDED OPERATING CONDITIONS ................................................................ 15
8 DC ELECTRICAL CHARACTERISTICS ........................................................................... 16
9 DIGITAL I/O SPECIFICATIONS ....................................................................................... 17
10 A/D CONVERTER CHARACTERISTICS .......................................................................... 18
11 AC ELECTRICAL CHARACTERISTICS ........................................................................... 18
11.1 TX Power Characteristics ............................................................................................... 20
11.2 Power Settings for Regulatory Compliance .................................................................... 21
12 PHYSICAL DIMENSIONS ................................................................................................. 22
13 SOLDERING TEMPERATURE TIME PROFILE (FOR REFLOW SOLDERING) .............. 23
13.1 For Leaded Solder ......................................................................................................... 23
13.2 For Lead-free Solder ...................................................................................................... 23
14 PRODUCT LABEL DRAWING ......................................................................................... 24
15 RECOMMENDED FOOTPRINT ........................................................................................ 25
15.1 Example carrier board .................................................................................................... 26
16 RELIABILITY TESTS ........................................................................................................ 27
17 APPLICATION NOTES ..................................................................................................... 27

ETRX351-LRS and ETRX357-LRS
©2011 Telegesis (UK) Ltd - 3 - ETRX35x-LR Preliminary Product Manual
17.1 Safety Precautions ......................................................................................................... 27
17.2 Design Engineering Notes .............................................................................................. 27
17.3 Storage Conditions ......................................................................................................... 28
18 PACKAGING .................................................................................................................... 29
18.1 Embossed Tape ............................................................................................................. 29
18.2 Component Orientation .................................................................................................. 30
18.3 Reel Dimensions ............................................................................................................ 30
18.4 Packaging ...................................................................................................................... 30
19 ORDERING INFORMATION ............................................................................................. 31
20 TRADEMARKS ................................................................................................................. 32
21 DISCLAIMER .................................................................................................................... 32
22 ROHS DECLARATION ..................................................................................................... 32
23 DATA SHEET STATUS .................................................................................................... 32
24 LIFE SUPPORT POLICY .................................................................................................. 32
25 RELATED DOCUMENTS ................................................................................................. 33
26 CONTACT INFORMATION ............................................................................................... 33

ETRX351-LRS and ETRX357-LRS
©2011 Telegesis (UK) Ltd - 4 - ETRX35x-LRS Preliminary Product Manual
The Telegesis ETRX351-LRS and ETRX357-LRS modules are
low power 2.4GHz ZigBee® modules with an added frontend
module (FEM) containing both PA and LNA for highest possible
link budget.
Based on the latest Ember EM351 and EM357 single chip
ZigBee® solution the new long range modules are footprint
compatible with the ETRX351 and ETRX357, thus representing
a drop-in replacement for all applications where a high link
budget is required.
The module‟s unique AT-style command line interface allows
designers to quickly integrate ZigBee technology without
complex software engineering. For custom application
development the ETRX35x series integrates with ease into
Ember‟s InSight development environment.
Image not shown actual size; enlarged to show detail.
Module Features
Small form factor, SMT module 25mm x 19mm
Side Castellations for easy soldering and inspection
2 antenna options: Integrated chip antenna or U.FL
coaxial connector
Industry‟s first ARM® Cortex-M3 based family of ZigBee
modules
Industry standard JTAG Programming and real time
network level debugging via the Ember InSight Port
192kB (ETRX357-LRS) and 128kB (ETRX351-LRS)
flash and 12kbytes of RAM
Lowest Deep Sleep Current of sub 1µA and multiple
sleep modes
Ultra Wide supply voltage range (2.1 to 3.6V)
32.768kHz watch crystal can be added externally
Module ships with standard Telegesis AT-style
command interface based on the ZigBee PRO feature
set
Can act as an End Device, Router or Coordinator
22 general-purpose I/O lines including analogue inputs
Firmware upgrades via serial port or over the air
(password protected)
Hardware supported encryption (AES-128)
CE and FCC compliance, FCC modular approval
Operating temperature range: -40°C to +85°C
Standard version without LNA and PA available in the
same form factor
Radio Features
Based on the Ember EM351 and EM357 single chip
ZigBee® / IEEE802.15.4 solutions
2.4GHz ISM Band
250kbit/s over the air data rate
16 channels (IEEE802.15.4 Channel 11 to 26)
+20dBm output power (adjustable down to -41dBm)
High sensitivity of -106dBm typ. @ 1% packet error rate
RX Current: 33mA, TX Current: approx 140mA at
20dBm
Robust Wi-Fi and Bluetooth coexistence
Suggested Applications
AMR – ZigBee Smart Energy applications
Wireless Alarms and Security
Home/Building Automation
Wireless Sensor Networks
M2M Industrial Controls
Lighting and ventilation control
Remote monitoring
Environmental monitoring and control
Development Kit
New Development kit containing everything required to
set up a mesh network quickly and evaluate range and
performance of the ETRX35x and its long range
version.
AT-style software interface command dictionary can be
modified for high volume customers.
Custom software development available upon request.
Example AT-Style Commands
AT+BCAST Send a Broadcast
AT+UCAST:<address> Send a Unicast
AT+EN Establish PAN network
AT+JN Join PAN
At power-up the last configuration is loaded from non-
volatile S-Registers, which can eliminate the need for an
additional host controller.

ETRX351-LRS and ETRX357-LRS
©2011 Telegesis (UK) Ltd - 5 - ETRX35x-LRS Preliminary Product Manual
1 Introduction
This document describes the Telegesis ETRX351-LRS and ETRX357-LRS ZigBee® long range
modules which have been designed to be easily integrated into another device and to provide a
fast, simple and low cost wireless mesh networking interface.
The Telegesis ETRX3 series modules are based on the Ember ZigBee® platform consisting of the
single chip EM351 or EM357 combined with the ZigBee PRO compliant EmberZNet meshing
stack. Integration into a wide range of applications is made easy using a simple AT style
command interface and advanced hardware design.
The configurable functionality of the Telegesis AT Commandset often allows the ETRX3 series
ZigBee modules to be used without an additional host microcontroller saving even more integration
time and costs. In addition to the Telegesis AT Commandset, the ETRX351-LRS and ETRX357-
LRS modules can be used with custom-built firmware and they represent an ideal platform for
custom firmware development in conjunction with the Ember development kits. The ETRX3 series
shares the same R3xx Telegesis firmware as the ETRX2 and the two devices can be used in the
same network.
No RF experience or expertise is required to add this powerful wireless networking capability to
your products. The ETRX351-LRS and ETRX357-LRS offer fast integration opportunities and the
shortest possible time to market for your product.
1.1 Hardware Description
The main building blocks of the ETRX351-LRS and ETRX357-LRS are the single chip EM351 and
EM357 from Ember, a frontend module combining a Power Amplifier as well as a Low Noise
Amplifier, a 24MHz reference crystal and RF front-end circuitry optimized for best RF performance.
The modules are available with on-board antenna or alternatively a U.FL connector for attaching
external antennae. Modules with the U.FL connector are identified by the “HR” suffix.
The LNA and RF power amplifier of the LRS devices improve the output power by 12dB and the
sensitivity by 5dB which will increase the range by approximately 700% relative to the standard
devices (where local regulations permit the use of the maximum output power).
The integrated antenna is an Antenova Rufa, and details of the radiation pattern etc are available
from the Antenova website [5].
Module
Chip
Flash
RAM
ETRX351-LRS
EM351
128kB
12kB
ETRX351HR-LRS
EM351
128kB
12kB
ETRX357-LRS
EM357
192kB
12kB
ETRX357HR-LRS
EM357
192kB
12kB
Table 1: Memories
The ETRX351-LRS and ETRX357-LRS are used for ZigBee® (www.zigbee.org) applications. If you
wish to create your own custom firmware, and not use the pre-loaded Telegesis AT-Command
interface, you will need the InSight toolchain, consisting of InSight Desktop™ together with a
comprehensive integrated development environment (IDE) and C-language compiler toolchain
from Ember. The Ember development environment is not suitable for an 802.15.4-only application
that does not use the ZigBee layer.

ETRX351-LRS and ETRX357-LRS
©2011 Telegesis (UK) Ltd - 6 - ETRX35x-LRS Preliminary Product Manual
2 Product Approvals
The ETRX351-LRS and ETRX357-LRS have been designed to meet all national regulations for
world-wide use. In particular the following certifications have been obtained:
2.1 FCC Approvals
The Telegesis ETRX351-LRS and ETRX357-LRS with integrated Antenna as well as the
ETRX351HR-LRS and the ETRX357HR-LRS including the antennae listed in Table 2 complies
with FCC CFR Part 15 (USA). The devices meet the requirements for modular transmitter
approval as detailed in the FCC public notice DA00.1407.transmitter.
This device complies with Part 15 of the FCC rules. Operation is subject to the following
two conditions: (1) this device may not cause harmful interference, and (2) this device must
accept any interference received, including interference that may cause undesired
operation.
This module complies with the USA SAR requirements and is not intended to be operated within
20cm of the body. The following statement must be included as a CAUTION statement in manuals
for OEM products to alert users on FCC RF exposure compliance:
“WARNING: To satisfy FCC RF exposure requirements for mobile transmitting devices, a
separation distance of 20cm or more should be maintained between the antenna of this
device and persons during operation. To ensure compliance, operations at closer
distances than this are not recommended.”
Item
Part No.
Manufacturer
Type
Impedance
Gain
1
BKR2400
Embedded Antenna Design Ltd.
½ Wave
50Ω
2 dBi
2
BT-Stubby
(Straight)
Embedded Antenna Design Ltd.
¼ Wave
50Ω
0 dBi
3
BT-Stubby
(right-angle)
Embedded Antenna Design Ltd.
¼ Wave
50Ω
0 dBi
4
Rufa (on
board)
Antenova
Chip
50Ω
2.1dBi
(peak)
Table 2. Approved Antennae
An end user deploying an ETRX35x-LRS or an ETRX35xHR-LRS module together with an
external antenna as listed in Table 2 in not required to obtain a new authorization for the module –
BUT this not preclude the possibility that some other form of authorization or testing may be
required for the end product depending upon local territorial regulations.
The FCC requires the user to be notified that any changes or modifications made to this device
that are not expressly approved by Telegesis (UK) Ltd. may void the user's authority to operate the
equipment.
When using the ETRX351HR-LRS and ETRX357HR-LRS with approved antennae, it is required to
prevent end-users from replacing them with non-approved ones.

ETRX351-LRS and ETRX357-LRS
©2011 Telegesis (UK) Ltd - 7 - ETRX35x-LRS Preliminary Product Manual
2.1.1 FCC Labelling Requirements
When integrating the ETRX351-LRS, ETRX357-LRS, ETRX351HR-LRS and ETRX357HR-LRS
into a product if must be ensured that the FCC labelling requirements are met. This includes a
clearly visible label on the outside of the finished product specifying the Telegesis FCC identifier
(FCC ID: S4GEM35XB) as well as the notice above. This exterior label can use wording such as
“Contains Transmitter Module FCC ID: S4GEM35XB” or “Contains FCC ID: S4GEM35XB”
although any similar wording that expresses the same meaning may be used.
2.2 IC (Industry Canada) Approvals
The Telegesis ETRX351-LRS, ETRX357-LRS, ETRX351HR-LRS and ETRX357HR-LRS modules
have been approved by Industry Canada to operate with the antenna types listed in Table 2 with
the maximum permissible gain and required antenna impedance for each antenna type indicated.
Antenna types not included in this list, having a gain greater than the maximum gain indicated for
that type, are strictly prohibited for use with this device.
IC-ID: 8735A-EM35XB
This device complies with Industry Canada license-exempt RSS standard(s). Operation is
subject to the following two conditions: (1) this device may not cause
interference, and (2) this device must accept any interference, including interference
that may cause undesired operation of the device.
Under Industry Canada regulations, this radio transmitter may only operate using an antenna
of a type and maximum (or lesser) gain approved for the transmitter by Industry Canada. To
reduce potential radio interference to other users, the antenna type and its gain
should be so chosen that the equivalent isotropically radiated power (e.i.r.p.) is not
more than that permitted for successful communication.
To comply with Industry Canada RF radiation exposure limits for general population, the
antenna(s) used for this transmitter must be installed such that a minimum separation
distance of 20cm is maintained between the radiator (antenna) and all persons at all times
and must not be co-located or operating in conjunction with any other antenna or transmitter.
This device has been designed to operate with the antennas listed in table 1, and
having a maximum gain of 2.0 dBi. Antennas not included in this list or having a
gain greater than 2.0 dBi are strictly prohibited for use with this device. The required
antenna impedance is 50 ohms.
The labeling requirements for Industry Canada are similar to those of the FCC. Again a clearly
visible label must be placed on the outside of the finished product stating something like “Contains
Transmitter Module, IC: 8735A-EM35XB”, although any similar wording that expresses the same
meaning may be used.
The integrator is responsible for final product compliance with IC ICES-003 and FCC Part 15,
Sub. B – Unintentional Radiators.

ETRX351-LRS and ETRX357-LRS
©2011 Telegesis (UK) Ltd - 8 - ETRX35x-LRS Preliminary Product Manual
2.3 European Certification
The ETRX351-LRS, ETRX357-LRS, ETRX351HR-LRS and ETRX357HR-LRS modules are
certified at a maximum power level of 21.15mW e.i.r.p. (13.2dBm) to the following standards:
Radio: EN 300 328 v1.7.1 (10/2006)
EMC: EN 301 489-17 v2.1.1 (09/2008)
Safety: EN 60950-1:2006
The tests have been conducted with the antennae listed in Table 2.
0681 EC-R&TTE Certificated
If the ETRX351-LRS, ETRX357-LRS, ETRX351HR-LRS or ETRX357HR-LRS module is
incorporated into an OEM product, the OEM product manufacturer must ensure compliance of the
final product to the European Harmonised EMC, and low voltage/safety standards. A Declaration
of Conformity must be issued for each of these standards and kept on file as described in the
R&TTE Directive. The final product must not exceed the specified power ratings, antenna
specifications and installation requirements as specified in this user manual. If any of these
specifications are exceeded in the final product then a submission must be made to a notified body
for compliance testing to all of the required standards.
The „CE‟ marking must be applied to a visible location on any OEM product. For more information
please refer to http://ec.europa.eu/enterprise/faq/ce-mark.htm. Customers assume full
responsibility for learning and meeting the required guidelines for each country in their distribution
market.
Important Note: In Europe the regulations for the 2.4GHz frequency band are only harmonized for
devices with an e.i.r.p. of less than 10mW (10dBm). In the case of e.i.r.p. of more than 10mW the
manufacturer or his authorised representative established within the community or the person
responsible for placing the equipment on the market shall notify the national authority responsible
in the relevant Member State for spectrum management of the intention to place such equipment
on its national market. This notification shall be given no less than four weeks in advance of the
start of placing on the market.
Because of this Telegesis recommends that the user limits the output power to 10mW (10dBm) for
Europe to avoid having to deal with the local authorities for spectrum management of each
relevant member state.

ETRX351-LRS and ETRX357-LRS
©2011 Telegesis (UK) Ltd - 9 - ETRX35x-LRS Preliminary Product Manual
2.4 Declarations of Conformity
Telegesis (UK) Ltd has issued Declarations of Conformity for all ETRX3 series ZigBee® RF
Modules, which cover Radio Emissions, EMC and Safety. These documents will be available from
our website or on request
2.5 IEEE 802.15.4
IEEE 802.15.4 is a standard for low data rate, wireless networks (raw bit-rate within a radio packet
of 250kbps @2.4GHz) which focuses on low cost, low duty cycle, long primary battery life
applications as well as mains-powered applications. It is the basis for the open ZigBee® Protocol.
2.6 The ZigBee® Protocol
The ZigBee® Protocol is a set of standards for wireless connectivity for use between any devices
over short to medium distances. The specification was originally ratified in December 2004, paving
the way for companies to start making low-power networks a reality.
ZigBee® uses an IEEE 802.15.4 radio specification running on the 2.4GHz band, plus three
additional layers for networking, security and applications. What makes the specification unique is
its use of a mesh network architecture which, in bucket chain style, passes data from one node to
the next until it lands at its destination. The network is self-healing and adapts its routing as link
quality changes or nodes move. Furthermore, nodes can be defined as End Devices which do not
act as routers, but can therefore be put into a low-power sleep state.
The enhanced version of the ZigBee® standard (or ZigBee® 2006) was released in December
2006, adding new features and improvements to the only global wireless communication standard
enabling the development of easily deployable low-cost, low-power, monitoring and control
products for homes, commercial buildings and industrial plant monitoring. In 2007 the ZigBee
Alliance introduced the PRO feature-set which offers advantages over earlier feature-sets,
including
Truly self healing mesh networking
Messages can now travel up to 30 hops
Source-Routing for improved point to multipoint message transmission
Improved security including Trust-Centre link keys
New message types and options
The Telegesis AT Command-set, which by default ships on all ETRX3 series products is based on
the ZigBee PRO feature-set. For more information on the Telegesis AT Command-set please refer
to the separate documentation at www.telegesis.com.

ETRX351-LRS and ETRX357-LRS
©2011 Telegesis (UK) Ltd - 10 - ETRX35x-LRS Preliminary Product Manual
3 Module Pinout
Figure 1: ETRX3 series Module Pinout (top view)
The table below gives details about the pin assignment for direct SMD soldering of the ETRX3
series modules to the application board. For more information on the alternate functions please
refer to [2]. Also refer to the Telegesis AT Command-set documentation to understand how the
pre-programmed firmware makes use of the individual I/Os.
All GND pads are connected within the module, but for best RF performance all of them should be
grounded externally.
ETRX35x
pad
Designation
Normal
function
Alternate
function
EM35x
pin
Ember designation
1
GND
GND
GND
2
N/C{1}
I/O
11
PC5 of the EM35x is used to control the FEM
3
PC6
I/O
13
OSC32B, nTX_ACTIVE
4
PC7
I/O
14
OSC32A, OSC32_EXT
5
PA7 {4}
I/O
18
TIM1C4
6
PB3 {2}
I/O
CTS
19
SC1nCTS, SC1SCLK, TIM2C3
7
nReset
nReset
12
8
PB4 {2}
I/O
RTS
20
TIM2C4, SC1nRTS, SC1nSSEL
9
PA0
I/O
21
TIM2C1, SC2MOSI
10
PA1
I/O
22
TIM2C3, SC2SDA, SC2MISO
11
PA2
I/O
24
TIM2C4, SC2SCL, SC2SCLK
12
PA3
I/O
25
SC2nSSEL, TRACECLK, TIM2C2
13
GND
GND
GND
14
PA4
I/O
26
ADC4, PTI_EN, TRACEDATA
15
PA5 {3}
I/O
27
ADC5, PTI_DATA, nBOOTMODE, TRACEDATA3
16
PA6 {4}
I/O
29
TIM1C3
17
PB1
TXD
30
SC1MISO, SC1MOSI, SC1SDA, SC1TXD, TIM2C1
18
PB2
RXD
31
SC1MISO, SC1MOSI, SC1SCL, SC1RXD, TIM2C2
19
GND
GND
GND
20
GND
GND
GND
21
JTCK
JTCK
32
SWCLK

ETRX351-LRS and ETRX357-LRS
©2011 Telegesis (UK) Ltd - 11 - ETRX35x-LRS Preliminary Product Manual
ETRX35x
pad
Designation
Normal
function
Alternate
function
EM35x
pin
Ember designation
22
PC2
I/O
33
JTDO, SWO
23
PC3
I/O
34
JTDI
24
PC4
I/O
35
JTMS, SWDIO
25
N/C{1}
N/C
36
PB0 of the EM35x is used to control the FEM
26
PC1
I/O
ADC3
38
ADC3, SWO, TRACEDATA0
27
PC0 {4}
I/O
40
JRST, IRQD, TRACEDATA1
28
PB7 {4}
I/O
ADC2
41
ADC2, IRQC, TIM1C2
29
PB6 {4}
I/O
ADC1
42
ADC1, IRQB, TIM1C1
30
PB5
I/O
ADC0
43
ADC0, TIM2CLK, TIM1MSK
31
GND
GND
GND
32
Vcc
Vcc
Vcc
33
GND
GND
GND
Table 3. Pin Information
Notes:
{1} Pins PB0 and PC5 of the EM357 are used internally to control the front-end module and are not
available to the user.
{2} When using the Telegesis AT Command-set, RTS/CTS handshaking is selectable in firmware. See
the AT Command Manual.
{3} If PA5 is driven low at power-up or reset the module will boot up in the bootloader
{4} PA6, PA7, PB6, PB7 and PC0 can drive high current (see section 9)
Alternate functions depend on the firmware, but the Telegesis R3xx AT Command-set functions
are indicated here for convenience.
Important Note: The ETRX35x series and the ETRX35x-LRS series of modules are footprint
compatible, but on the ETRX35x-LRS series pins PB0 and PC5 of the EM357 are used internally
to control the front-end module and are not available to the user

ETRX351-LRS and ETRX357-LRS
©2011 Telegesis (UK) Ltd - 12 - ETRX35x-LRS Preliminary Product Manual
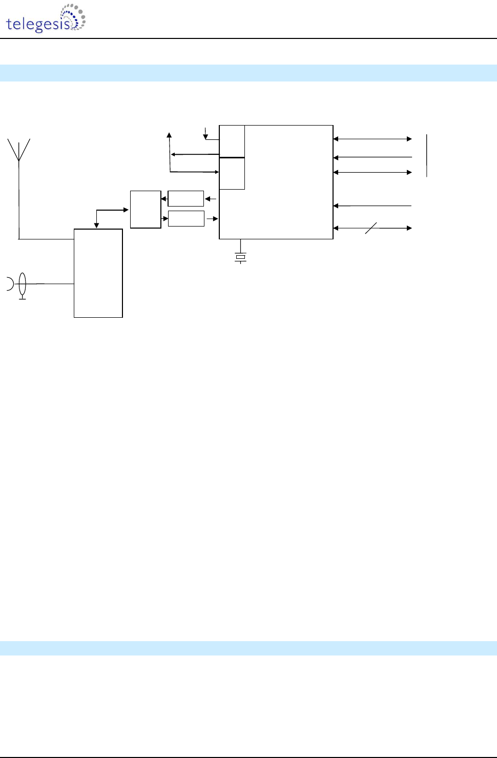
4 Hardware Description
24MHz
EM35x
I/O
UART
I / O
programming
5
JTAG
Vcc
Vreg
RESET
RESET
Match
integrated
antenna
U.FL socket
rf
terminal
selection,
filtering and
matching
circuitry
LDO
1V8
1,8Vdc
A/D
LDO
1V25
Match
FEM
Figure 2: Hardware Diagram
The ETRX351-LRS and ETRX357-LRS are based on the Ember EM351 and EM357 respectively
in addition to a frontend module containing a PA, LNA and RF switch in addition to the RF-
Frontend. The EM351 and EM357 are fully integrated 2.4GHz ZigBee transceivers with a 32-bit
ARM® Cortex M3TM microprocessor, flash and RAM memory, and peripherals.
The industry standard serial wire and JTAG programming and debugging interfaces together with
the standard ARM system debug components help to streamline any custom software
development.
In addition to this a number of MAC functions are also implemented in hardware to help maintain
the strict timing requirements imposed by the ZigBee and IEEE802.15.4 standards.
The new advanced power management features allow faster wakeup from sleep and new power-
down modes allow this 3rd generation module to offer a longer battery life than any 2nd generation
modules on the market.
The EM35x has fully integrated voltage regulators for both required 1.8V and 1.25V supply
voltages. The voltages are monitored (brown-out detection) and the built in power-on-reset circuit
eliminates the need for any external monitoring circuitry. A 32.768kHz watch crystal can be
connected externally to pads 3 and 4 in case more accurate timing is required.
4.1 Hardware Interface
All GPIO pins of the EM351 or EM357 except PB0 and PC5 are accessible on the module‟s pads.
Whether signals are used as general purpose I/Os, or assigned to a peripheral function like ADC is
set by the firmware. When using the Telegesis AT Command-set please refer to the AT Command-
set manual for this information and when developing custom firmware please refer to the EM35x
datasheet.

ETRX351-LRS and ETRX357-LRS
©2011 Telegesis (UK) Ltd - 13 - ETRX35x-LRS Preliminary Product Manual
5 Firmware Description
The modules will be pre-loaded with a standalone bootloader by Ember, which supports over-the-
air bootloading as well as serial bootloading of new firmware.
In order to enter the standalone bootloader using a hardware trigger pull PA5 to ground and
power-cycle or reset the module. To avoid entering the standalone bootloader unintentionally
make sure not to pull this pin down during boot-up unless the resistance to ground is >10kΩ. A
pull-up is not required).
In addition to the standalone bootloader the modules also contain the current release of the
Telegesis AT-style command interface as described in the Telegesis AT command dictionary and
the Telegesis user guide. Check www.telegesis.com for updates. Each module comes with a
unique 64-bit 802.15.4 identifier which is stored in non-volatile memory. The commands and
responses pass through the serial port of the ETRX35x-LRS as ASCII text, so a simple terminal
application will usually suffice. Telegesis Terminal is provided as a development tool, but it is not
an essential feature.
The pre-loaded AT-style command interface firmware is based on the latest EmberZNet meshing
stack which implements routers/coordinators as well as (sleepy) end devices. [End devices have
no routing responsibility and therefore are allowed to go to sleep, whilst still being able to send and
receive messages via a parent router. In addition to a classical (sleepy) end device the module
firmware also supports mobile (sleepy) end devices capable of changing their parent quickly
whenever they change their position within the network.]
A router is typically a mains powered device whilst a sleepy end device (SED) can be battery
powered.
The module is also able to act as a PAN coordinator and Trust Centre through external host
control. The AT style command line supplies all the tools required to set up and manage a ZigBee
network by allowing easy access to the low-level functionality of the stack.
The Telegesis firmware uses the meshing and self healing EmberZNet PRO stack to overcome
many of the limitations of the tree network topology of the ZigBee® 2006 stack by using the ZigBee
PRO feature-set.
The Telegesis firmware also allows low-level access to physical parameters such as radio channel
and power level. Parameters that define the functionality of the ETRX35x-LRS module and also
allow standalone functionality are saved in non-volatile memory organised in so-called S-
Registers. The SPI and I2C buses are not supported by the current firmware release, but can be
used with custom firmware.
5.1 Custom Firmware
For high volume customers the firmware can be customised on request. Customers can use the
ETRX35x-LRS module as hardware only and develop application specific firmware based on the
EmberZNet stack. In order to develop custom firmware the Ember Insight tool-chain is required.

ETRX351-LRS and ETRX357-LRS
©2011 Telegesis (UK) Ltd - 14 - ETRX35x-LRS Preliminary Product Manual
5.2 Boost Mode vs. Normal Mode
The Ember EM35x chips support a “boost mode” power setting next to the “normal mode” power
setting. The “boost mode” setting increases the sensitivity and output power of the radio
transceiver, however with the LRS variants enabling boost mode has no positive effect on neither
the output power nor the sensitivity and therefore it is recommended to not use boost mode on this
platform. The Telegesis AT Command-set firmware automatically disables boost mode on LRS
series modules.
Section 11.2lists the requirements for power settings for use of the LRS family in different
countries.
5.3 Software Interface
Using the default firmware the ETRX35x-LR is controlled using a simple AT-style command
interface and (mostly) non-volatile S-Registers. In order to get a full listing of all the available AT-
Commands, please refer to the AT command dictionary document which corresponds to the
firmware revision you intend to use.
In addition to the command dictionary there are user guides explaining the features of the firmware
in more detail. If you need to find out which firmware resides on your module simply type “ATI”
followed by a carriage return and you will be prompted with the module‟s manufacturing
information.
The Development Kit manual describes how to upgrade the firmware either via a serial link or over
the air.

ETRX351-LRS and ETRX357-LRS
©2011 Telegesis (UK) Ltd - 15 - ETRX35x-LRS Preliminary Product Manual
6 Absolute Maximum Ratings
Supply: 3.6V
Inputs: -0.3V to Vcc + 0.3V
Operating temperature: -40 to 85°C
No.
Item
Symbol
Absolute Maximum Ratings
Unit
1
Supply voltage
VCC
-0.3 to +3.6
Vdc
2
Voltage on any I/O 11:0 ,
SIF_CLK, SIF_MISO, SIF_MOSI,
SIF_LOADB, RESET
Vin
-0.3 to VCC +0.3
Vdc
3
Voltage on any Pad pin (PA4, PA5,
PB5, PB6, PB7, PC1), when used as
an input to the general purpose ADC
with the low voltage range selected
Vin
-0.3 to +2.0
Vdc
4
Storage temperature range
Tstg
-40 to +105
°C
5
Operating temperature range
Top
-40 to +85
°C
6
Input RF level
Pmax
15
dBm
7
ESD on any pin {1} except the RF port
according to Human Body Model (HBM)
circuit description
VTHHBM
1
kV
8
ESD on RF Port
VTHHBM
500
V
9
Reflow temperature
TDeath
Please refer to chapter 13
°C
Table 4. Absolute Maximum Ratings
Note:
{1} Input must be current limited to the value specified.
The absolute maximum ratings given above should under no circumstances be violated.
Exceeding one or more of the limiting values may cause permanent damage to the device.
Caution! ESD sensitive device. Precautions should be used when handling the device
in order to prevent permanent damage.
7 Recommended Operating Conditions
No.
Item
Condition /
Remark
Symbol
Value
Unit
Min
Typ
Max
1
Supply voltage
VCC
2.1
3.0
3.5
Vdc
2
RF Input Frequency
fC
2405
2480
MHz
3
RF Input Power
pIN
0
dBm
4
Operating temperature
range
Top
-40
+85
°C
Table 5. Recommended Operating Conditions

ETRX351-LRS and ETRX357-LRS
©2011 Telegesis (UK) Ltd - 16 - ETRX35x-LRS Preliminary Product Manual
8 DC Electrical Characteristics
VCC = 3.0V, TAMB = 25°C, NORMAL MODE unless otherwise stated
No.
Item
Condition /
Remark
Symbol
Value
Unit
Min
Typ
Max
1
Module supply voltage
VCC
2.1
3.0
3.6
Vdc
2
Quiescent current,
internal RC oscillator
disabled
ISLEEP
1
µA
3
Quiescent current,
internal RC oscillator
enabled
ISLEEP
1.2
µA
4
Quiescent current,
including
32.768kHz oscillator
ISLEEP
1.5
µA
5
Transmit current
consumption
at +20dBm
module output
power
ITXVCC
140
mA
7
Transmit current
consumption
at min. module
output power
ITXVCC
52
mA
8
Receive current
consumption
Total, 12MHz
clock speed
IRX
30
mA
9
Receive current
consumption
Total, 24MHz
clock speed
IRX
31.5
mA
12
MCU, RAM and flash,
FEM, radio off
12MHz clock
speed
IMCU
7
mA
13
MCU, RAM and flash,
FEM, radio off
24MHz clock
speed
IMCU
8
mA
14
Serial Controller
Max data rate
ISC
0.2
mA
15
Timer
Max clock rate
ITMR
0.25
mA
16
ADC
Max sample rate
IADC
1.1
mA
17
Wake time from deep
sleep
From wakeup
event to 1st
instruction
100
µs
18
Shutdown time
From last
instruction into
deep sleep
5
µs
Table 6. DC Electrical Characteristics
Please Note: The average current consumption during operation is dependent on the firmware
and the network load, therefore these figures are given in the command dictionary of the
respective firmware.

ETRX351-LRS and ETRX357-LRS
©2011 Telegesis (UK) Ltd - 17 - ETRX35x-LRS Preliminary Product Manual
9 Digital I/O Specifications
The digital I/Os of the ETRX35x module have the ratings shown below.
VCC = 3.0V, TAMB = 25°C, NORMAL MODE unless otherwise stated
No.
Item
Condition /
Remark
Symbol
Value
Unit
Min
Typ
Max
1
Low Schmitt switching
threshold
Schmitt input
threshold going
from high to low
VSWIL
0.42 x VCC
0.5 x VCC
Vdc
2
High Schmitt switching
threshold
Schmitt input
threshold going
from low to high
VSWIH
0.62 x VCC
0.8 x VCC
MHz
3
Input current for logic 0
IIL
-0.5
µA
4
Input current for logic 1
IIH
0.5
µA
5
Input Pull-up resistor
value
RIPU
24
29
34
kΩ
6
Input Pull-down resistor
value
RIPD
24
29
34
kΩ
7
Output voltage for logic 0
IOL = 4mA (8mA) for
standard (high
current) pads
VOL
0
0.18 x VCC
V
8
Output voltage for logic 1
IOH = 4mA (8mA)for
standard (high
current) pads
VOH
0.82 x VCC
VCC
V
9
Output Source Current
Standard current
pad
IOHS
4
mA
10
Output Sink current
Standard current
pad
IOLS
4
mA
11
Output Source Current
High current pad
IOHH
8
mA
12
Output Sink current
High current pad
IOLH
8
mA
13
Total output current
IOH + IOL
40
mA
Table 7. Recommended Operating Conditions

ETRX351-LRS and ETRX357-LRS
©2011 Telegesis (UK) Ltd - 18 - ETRX35x-LRS Preliminary Product Manual
10 A/D Converter Characteristics
The ADC is a first-order sigma-delta converter. For additional information on the ADC please refer
to section 10 of the EM35x datasheet.
No.
Item
1
A/D resolution
Up to 12 bits
2
A/D sample time for 5-bit conversion
5.33µs
3
A/D sample time for 12-bit conversion
682µs
4
Reference Voltage
1.2V
Table 8. A/D Converter Characteristics
11 AC Electrical Characteristics
VCC = 3.0V, TAMB = 25°C, NORMAL MODE measured at 50 terminal load connected to the U.FL socket
No.
Receiver
Value
Unit
Min
Typ
Max
1
Frequency range
2400
2500
MHz
2
Sensitivity for 1% Packet Error Rate (PER)
-107
-106
-100
dBm
4
Saturation (maximum input level for correct operation)
-3
2
dBm
5
High-Side Adjacent Channel Rejection
(1% PER and desired signal –82dBm acc. to [1])
tbd
dB
6
Low-Side Adjacent Channel Rejection
(1% PER and desired signal –82dBm acc. to [1])
tbd
dB
7
2nd High-Side Adjacent Channel Rejection
(1% PER and desired signal –82dBm acc. to [1])
tbd
8
2nd Low-Side Adjacent Channel Rejection
(1% PER and desired signal –82dBm acc. to [1])
tbd
9
Channel Rejection for all other channels
(1% PER and desired signal –82dBm acc. to [1])
tbd
dB
10
802.11g rejection centred at +12MHz or –13MHz
(1% PER and desired signal –82dBm acc. to [1])
tbd
dB
11
Co-channel rejection
(1% PER and desired signal –82dBm acc. to [1])
tbd
dBc
12
Relative frequency error
(2x40ppm required by [1])
-120
120
ppm
13
Relative timing error
(2x40ppm required by [1])
-120
120
ppm
14
Linear RSSI range
35
dB
15
Output power at highest power setting
NORMAL MODE
BOOST MODE
20
20
21
21
21.5
21.5
dBm
16
Output power at lowest power setting
tbd
dBm
17
Error vector magnitude as per IEEE802.15.4
7
15
%
18
Carrier frequency error
-40
40
ppm
19
PSD mask relative
3.5MHz distance from carrier
tbd
dB
20
PSD mask absolute
3.5MHz distance from carrier
tbd
dBm
Table 9. AC Electrical Characteristics

ETRX351-LRS and ETRX357-LRS
©2011 Telegesis (UK) Ltd - 19 - ETRX35x-LRS Preliminary Product Manual
Please Note: For the relationship between EM35x power settings and module output power
please relate to chapter 11.1 of this document. When developing custom firmware the output
power settings described in this document relate directly to the EM35x power settings accessible
via the Ember stack API. When using the Telegesis AT Command-set firmware the settings
mentioned in this document directly relate to the settings in the S-Register, which is used for
setting the output power.
No.
Synthesiser Characteristics
Limit
Unit
Min
Typ
Max
22
Frequency range
2400
2500
MHz
23
Frequency resolution
11.7
kHz
24
Lock time from off state, with correct VCO DAC settings
100
µs
25
Relock time, channel change or Rx/Tx turnaround
100
µs
26
Phase noise at 100kHz offset
-71dBc/Hz
27
Phase noise at 1MHz offset
-91dBc/Hz
28
Phase noise at 4MHz offset
-103dBc/Hz
29
Phase noise at 10MHz offset
-111dBc/Hz
Table 10. Synthesiser Characteristics
No.
Power On Reset (POR) Specifications
Limit
Unit
Min
Typ
Max
30
VCC POR release
0.62
0.95
1.2
Vdc
31
VCC POR assert
0.45
0.65
0.85
Vdc
Table 11. Power On Reset Specifications
No.
nRESET Specifications
Limit
Unit
Min
Typ
Max
32
Reset Filter Time constant
2.1
12
16
µs
33
Reset Pulse width to guarantee a reset
26
µs
34
Reset Pulse width guaranteed not to cause reset
0
1
µs
Table 12. nReset Specifications

ETRX351-LRS and ETRX357-LRS
©2011 Telegesis (UK) Ltd - 20 - ETRX35x-LRS Preliminary Product Manual
11.1 TX Power Characteristics
The diagrams below show the typical output power and module current in dependency on EM35x
power setting in NORMAL MODE at 3.0V and room temperature.
Figure 3. Output Power vs. Power Setting
Figure 4. Module Current vs. Power Setting

ETRX351-LRS and ETRX357-LRS
©2011 Telegesis (UK) Ltd - 21 - ETRX35x-LRS Preliminary Product Manual
11.2 Power Settings for Regulatory Compliance
Because of the high gain of the frontend module output power of up to 22dBm can be achieved
When the antenna gain is included the output power of the EM35x transceivers needs to be
reduced for regulatory compliance. The following tables list the maximum permitted power setting
for the antenna types listed in Table 2.
(VCC = 3.0V, TAMB = 25°C, NORMAL MODE)
Antenna
Channels 11-18
Channels 19-24
Channel 25
Channel 26
1/2 Wave
-11dBm
-11dBm
-11dBm
-11dBm
1/4 Wave
-11dBm
-11dBm
-11dBm
-11dBm
On Board
-11dBm
-11dBm
-11dBm
-11dBm
Table 13: Maximum Power Settings for European Compliance
The settings shown in table 13 exceed the harmonized limit of 10dBm, so when using these
settings the end user must notify the national authority responsible in the relevant Member State
for spectrum management of the intention to place such equipment on its national market. To
avoid this effort and stay below the 10dBm limit the settings shown in table 14 (or lower) must be
used.
Antenna
Channels 11-18
Channels 19-24
Channel 25
Channel 26
1/2 Wave
-17dBm
-17dBm
-17dBm
-17dBm
1/4 Wave
-17dBm
-17dBm
-17dBm
-17dBm
On Board
-17dBm
-17dBm
-17dBm
-17dBm
Table 14: Maximum Power settings for harmonized European Compliance
Finally table 15 lists the maximum Power settings for FCC, IC and C-Tick compliance.
Antenna
Channels 11-18
Channels 19-24
Channel 25
Channel 26
1/2 Wave
-7dBm
-7dBm
-7dBm
-11dBm
1/4 Wave
-7dBm
-7dBm
-7dBm
-11dBm
On Board
-7dBm
-7dBm
-7dBm
-11dBm
Table 15: Maximum Power Settings for FCC, IC Compliance

ETRX351-LRS and ETRX357-LRS
©2011 Telegesis (UK) Ltd - 22 - ETRX35x-LRS Preliminary Product Manual
12 Physical Dimensions
Figure 5. ETRX3 Physical Dimensions
Symbol
Explanation
Distance
L
Length of the module
25.0mm
W
Width of the module
19.0mm
H
Height of the module
3.0mm
A1
Distance centre of pad PCB edge
0.9mm
A2
Pitch
1.27mm
R1
Keep-out Zone from corner of PCB
17.5mm
R2
Keep-out Zone from corner of PCB
4.1mm
X1
Distance centre of Antenna connector PCB edge
3.8mm
X2
Distance centre of Antenna connector PCB edge
2.8mm
Table 16. ETRX3 Physical Dimensions
For ideal RF performance when using the on-board antenna, the antenna should be located at the
corner of the carrier PCB. There should be no components, tracks or copper planes in the “keep-
out” area which should be as large as possible. When using the U.FL RF connector the “keep-out”
area does not have to be kept. NB: The modules‟ transmit/receive range will depend on the
antenna used and also the housing of the finished product.

ETRX351-LRS and ETRX357-LRS
©2011 Telegesis (UK) Ltd - 23 - ETRX35x-LRS Preliminary Product Manual
13 Soldering Temperature Time Profile (for reflow soldering)
13.1 For Leaded Solder
Recommended temp. profile
for reflow soldering
Temp.[°C]
Time [s]
235°C max.
220 5°C
200°C
150 10°C
90 30s
10 1s
30 +20/-10s
Figure 6. Temperature Profile for Lead Solder
13.2 For Lead-free Solder
Our used temp. profile
for reflow soldering
Temp.[°C]
Time [s]
230°C -250°C max.
220°C
150°C – 190°C
90 30s
30 +20/-10s
Figure 7. Temperature Profile for Lead-free Solder
NB:
Maximum Reflow Cycles: 2
Opposite-side reflow is prohibited due to the module’s weight. (I.e. you must not place the
module on the bottom / underside of your PCB and re-flow).

ETRX351-LRS and ETRX357-LRS
©2011 Telegesis (UK) Ltd - 24 - ETRX35x-LRS Preliminary Product Manual
14 Product Label Drawing
Figure 8. Product Label
The label dimensions are 16mm x 14 mm. The label will withstand temperatures used during
reflow soldering. The characters “HR” are only present on the versions with the Hirose connector,
Imprint
Description
ETRX357HR-LR
Module Order code. Possible codes are:
- ETRX357-LRS
- ETRX351-LRS
- ETRX357HR-LRS
- ETRX351HR-LRS
000001
Indication for the serial number.
090101
Production Date Code in the format YYMMDD, e.g. 090602
01
Indication for batch number
02
Indication for the hardware revision
FCC ID: S4GEM35XB
FCC ID code for this product
IC: 8735A-EM35XB
The IC ID
CE
The CE Mark
2D-Barcode
Information in the 2D-Barcode are the serial number [6 characters], the Part-Order code [12
characters filled with trailing spaces e.g. “ETRX357-LRS “ instead of “ETRX357-LRS”],
identifier for the batch number [2 characters], the identifier for the hardware release [2
characters] and the production date code in the format Year-Month-Day [6 characters],
separated by a semicolon.
Table 17. ETRX3xx-LRS Label Details

ETRX351-LRS and ETRX357-LRS
©2011 Telegesis (UK) Ltd - 25 - ETRX35x-LRS Preliminary Product Manual
15 Recommended Footprint
In order to surface mount an ETRX3 series module, we recommend that you use pads which are
1mm wide and 1.2mm high. Unless using the “HR” variants the “keep-out” zone shown in section
12 must be retained, and it must be ensured that this area is free of copper tracks and/or copper
planes/layers.
You must also ensure that there is no exposed copper on your layout which may contact with the
underside of the ETRX3 series module.
For best RF performance it is required to provide good ground connections to the ground pads of
the module. It is recommended to use multiple vias between each ground pad and a solid ground
plane to minimize inductivity in the ground path.
Figure 9. Recommended Footprint
The land pattern dimensions above serve as a guideline.
We recommend that you use the same pad dimensions for the solder paste screen as you have for
the copper pads. However these sizes and shapes may need to be varied depending on your
soldering processes and your individual production standards. We recommend a paste screen
thickness of 120μm to 150μm.
Although the undersides of the ETRX3 series modules are fully coated, no exposed copper, such
as through-hole vias, planes or tracks on your board component layer, should be located below the
ETRX3 series module in order to avoid „shorts‟. All ETRX3 series modules use a multilayer PCB
containing an inner RF shielding ground plane, therefore there is no need to have an additional
copper plane directly under the ETRX3 series module.

ETRX351-LRS and ETRX357-LRS
©2011 Telegesis (UK) Ltd - 26 - ETRX35x-LRS Preliminary Product Manual
15.1 Example carrier board
Since the RF performance of the module with the on board antenna is strongly dependent on the
proper location of the module on its carrier board, Figure 10shows the reference carrier board
which was used during testing by Telegesis.
Figure 10. Reference Board
For best performance it is recommended to locate the antenna towards the corner of the carrier
board and to respect the recommended keep-out areas as described in section 12.
Finally to provide a good reference ground to the on board antenna, the carrier board should have
a ground plane spanning no less than 40 x 40mm. In many cases a smaller ground plane will
suffice, but a degradation in radio performance could be the result.

ETRX351-LRS and ETRX357-LRS
©2011 Telegesis (UK) Ltd - 27 - ETRX35x-LRS Preliminary Product Manual
16 Reliability Tests
The following measurements will be conducted after the module has been exposed to standard
room temperature and humidity for 1 hour.
No
Item
Limit
Condition
1
Vibration test
Electrical parameter should be
in specification
a) Freq.:10~50Hz,Amplitude:1.5mm
a) 20min. / cycle,1hrs. each of XYZ axis
b) Freq.:30~100Hz, 6G
b) 20min. / cycle,1hrs. each of XYZ axis
2
Shock test
the same as the above
Dropped onto hard wood from height of
50cm for 3 times
3
Heat cycle test
the same as the above
-40°C for 30min. and +85°C for 30min.;
each temperature 300 cycles
4
Moisture test
the same as the above
+60°C, 90% RH, 300h
5
Low temp. test
the same as the above
-40°C, 300h
6
High temp. test
the same as the above
+85°C, 300h
Table 18. Reliability Tests
17 Application Notes
17.1 Safety Precautions
These specifications are intended to preserve the quality assurance of products as individual
components.
Before use, check and evaluate their operation when mounted on your products. Abide by
these specifications when using the products. These products may short-circuit. If electrical
shocks, smoke, fire, and/or accidents involving human life are anticipated when a short
circuit occurs, then provide the following failsafe functions as a minimum:
(1) Ensure the safety of the whole system by installing a protection circuit and a protection
device.
(2) Ensure the safety of the whole system by installing a redundant circuit or another
system to prevent a single fault causing an unsafe status.
17.2 Design Engineering Notes
(1) Heat is the major cause of shortening the life of these products. Avoid assembly and
use of the target equipment in conditions where the product‟s temperature may exceed
the maximum allowable.
(2) Failure to do so may result in degrading of the product‟s functions and damage to the
product.
(3) If pulses or other transient loads (a large load applied in a short time) are applied to the
products, before use, check and evaluate their operation when assembled onto your
products.
(4) These products are not intended for other uses, other than under the special conditions
shown below. Before using these products under such special conditions, check their

ETRX351-LRS and ETRX357-LRS
©2011 Telegesis (UK) Ltd - 28 - ETRX35x-LRS Preliminary Product Manual
performance and reliability under the said special conditions carefully, to determine
whether or not they can be used in such a manner.
(5) In liquid, such as water, salt water, oil, alkali, or organic solvent, or in places where
liquid may splash.
(6) In direct sunlight, outdoors, or in a dusty environment
(7) In an environment where condensation occurs.
(8) In an environment with a high concentration of harmful gas (e.g. salty air, HCl, Cl2,
SO2, H2S, NH3, and NOx)
(9) If an abnormal voltage is applied due to a problem occurring in other components or
circuits, replace these products with new products because they may not be able to
provide normal performance even if their electronic characteristics and appearances
appear satisfactory.
(10) Mechanical stress during assembly of the board and operation has to be avoided.
(11) Pressing on parts of the metal cover or fastening objects to the metal cover is not
permitted.
17.3 Storage Conditions
(1) The module must not be stressed mechanically during storage.
(2) Do not store these products in the following conditions or the performance
characteristics of the product, such as RF performance, may well be adversely
affected:
(3) Storage in salty air or in an environment with a high concentration of corrosive gas,
such as Cl2, H2S, NH3, SO2, or NOX
(4) Storage in direct sunlight
(5) Storage in an environment where the temperature may be outside the range of 5°C to
35°C range, or where the humidity may be outside the 45 to 85% range.
(6) Storage (before assembly of the end product) of the modules for more than one year
after the date of delivery at your company even if all the above conditions (1) to (3)
have been met, should be avoided.

ETRX351-LRS and ETRX357-LRS
©2011 Telegesis (UK) Ltd - 29 - ETRX35x-LRS Preliminary Product Manual
18 Packaging
18.1 Embossed Tape
(1) Dimension of the tape
(2) Cover tape peel force
Force direction
Speed = 300mm/min.
Cover tape peel force
=0.098~0.68N (10~70g)
θ= 10deg
(3) Empty pockets
Empty pockets
more
Components
Empty pockets
Top cover
tape
Direction of
feed
g
NB: Empty pockets in the component packed area will be less than two per reel and those empty
pockets will not be consecutive.

ETRX351-LRS and ETRX357-LRS
©2011 Telegesis (UK) Ltd - 30 - ETRX35x-LRS Preliminary Product Manual
18.2 Component Orientation
Top cover tape will not obstruct the carrier tape holes and will not extend beyond the edges of the
carrier tape
(top view)
Component Orientation
Part No.
Direction
18.3 Reel Dimensions
(4) Quantity per reel: 400 pieces
(5) Marking: Part No. / Quantity / Lot No. and manufacturer part# with bar-code will be on
the reel
18.4 Packaging
(6) Each reel will be packed in a hermetically-sealed bag
(7) Marking : Part No. / Quantity / Lot No. and manufacturer part# with bar-code

ETRX351-LRS and ETRX357-LRS
©2011 Telegesis (UK) Ltd - 31 - ETRX35x-LRS Preliminary Product Manual
19 Ordering Information
Ordering/Product Code
Description
ETRX351-LRS
ETRX357-LRS
Telegesis Long Range ZigBee Module with Ember ZigBee®
Technology:
Based on Ember EM351 or EM357
Telegesis AT Style Command Interpreter and
EmberZNet meshing and self-healing ZigBee PRO
stack
Integrated 2.4GHz Antenna
ETRX351HR-LRS
ETRX357HR-LRS
Telegesis Long Range ZigBee Module with Ember ZigBee®
Technology:
Based on Ember EM351 or EM357
Telegesis AT Style Command Interpreter and
EmberZNet meshing and self-healing ZigBee PRO
stack
U.FL Antenna Connector
ETRX3DVK
Telegesis Development Kit with:
3 x USB Development Boards
3 x USB Cable
2 x ETRX35x on Carrier-Board
2 x ETRX35xHR on Carrier-Board
2 x ETRX35x-LRS on Carrier-Board
2 x ETRX35xHR-LRS on Carrier-Board
1 x ETRX3USB stick
2 x Large Antenna
2 x Small Stubby Antenna
Notes:
Customers‟ PO‟s must state the Ordering/Product Code.
There is no “blank” version of the ETRX35x-LRS modules available. All Modules are pre-
programmed with the Telegesis AT style command interpreter based on the EmberZNet
stack. (Where customers wish to add their own firmware they can erase and write it to the
flash memory of the EM35x).

ETRX351-LRS and ETRX357-LRS
©2011 Telegesis (UK) Ltd - 32 - ETRX35x-LRS Preliminary Product Manual
20 Trademarks
All trademarks, registered trademarks and products names are the sole property of their respective
owners.
21 Disclaimer
Product and company names and logos referenced may either be trademarks or registered
trademarks of their respective companies. We reserve the right to make modifications and/or
improvements without prior notification. All information is correct at time of issue. Telegesis (UK)
Ltd does not convey any license under its patent rights or assume any responsibility for the use of
the described product
22 RoHS Declaration
Declaration of environmental compatibility for supplied products:
Hereby we declare to our best present knowledge based on the declaration of our suppliers that
this product does not contain the following substances which are banned by Directive 2002/95/EC
(RoHS) or if they do, contain a maximum concentration of 0,1% by weight in homogeneous
materials for:
Lead and lead compounds
Mercury and mercury compounds
Chromium (VI)
PBB (polybrominated biphenyl) category
PBDE (polybrominated biphenyl ether) category
And a maximum concentration of 0.01% by weight in homogeneous materials for:
Cadmium and cadmium compounds
23 Data Sheet Status
Telegesis (UK) Ltd. reserves the right to change the specification without notice, in order to
improve the design and supply the best possible product. Please consult the most recently issued
data sheet before initiating or completing a design.
24 Life Support Policy
This product is not designed for use in life support appliances, devices, or systems where
malfunction can reasonably be expected to result in a significant personal injury to the user, or as a
critical component in any life support device or system whose failure to perform can be reasonably
expected to cause the failure of the life support device or system, or to affect its safety or
effectiveness. Customers using or selling these products for use in such applications do so at their
own risk and agree to fully indemnify Telegesis (UK) Ltd. for any damages resulting.

ETRX351-LRS and ETRX357-LRS
©2011 Telegesis (UK) Ltd - 33 - ETRX35x-LRS Preliminary Product Manual
25 Related Documents
[1] IEEE Standard 802.15.4 –2003 Wireless Medium Access Control (MAC) and Physical
Layer (PHY) Specifications for Low-Rate Wireless Personal Area Networks (LR-
WPANs)
[2] Datasheet EM35x, Ember. (www.ember.com)
[3] Datasheet U.FL-Series 2004.2 Hirose Ultra Small Surface Mount Coaxial Connectors -
Low Profile 1.9mm or 2.4mm Mated Height
[4] The ZigBee® specification (www.zigbee.org)
[5] Specification for Antenova Rufa Antenna (www.antenova.com)
26 Contact Information
Website: www.telegesis.com
E-mail sales@telegesis.com
Telegesis (UK) Limited
Abbey Barn Business Centre
Abbey Barn Lane
High Wycombe
Bucks
HP10 9QQ
UK
Tel: +44 (0)1494 510199
Fax: +44 (0)5603 436999