Wistron NeWeb DNUAPO1 802.11N 2x2 USB module User Manual Product specifications for FM4
Wistron NeWeb Corporation 802.11N 2x2 USB module Product specifications for FM4
Contents
- 1. UserMan
- 2. UserMan (statement)
UserMan

Product specification for DNUA-PO1
Confidential !! Page 1 of 11
Draft Version 0.2 2014/08/19
by
Tina Lu
Datacomm product center
Wistron Neweb Corporation
Wistron Neweb Corporation
20 Park Avenue II Road, Hsinchu Science Park, Hsinchu 308, Taiwan, R.O.C.
Tel: +886-3-666-7799
Fax:+886-3-666-7323
Subject to change without notices
© Copyrights by Wistron Neweb
All rights reserved
Product Specification for model DNUA-PO1
(QCA AR9375_AL3D Base)
802.11n a/b/g USB Module

Product specification for DNUA-PO1
Confidential !! Page 2 of 11
Revision history
Revision
Change history
Date
0.1
Initial draft version
2014/07/01
0.2
Add certification
2014/08/19

Product specification for DNUA-PO1
Confidential !! Page 3 of 11
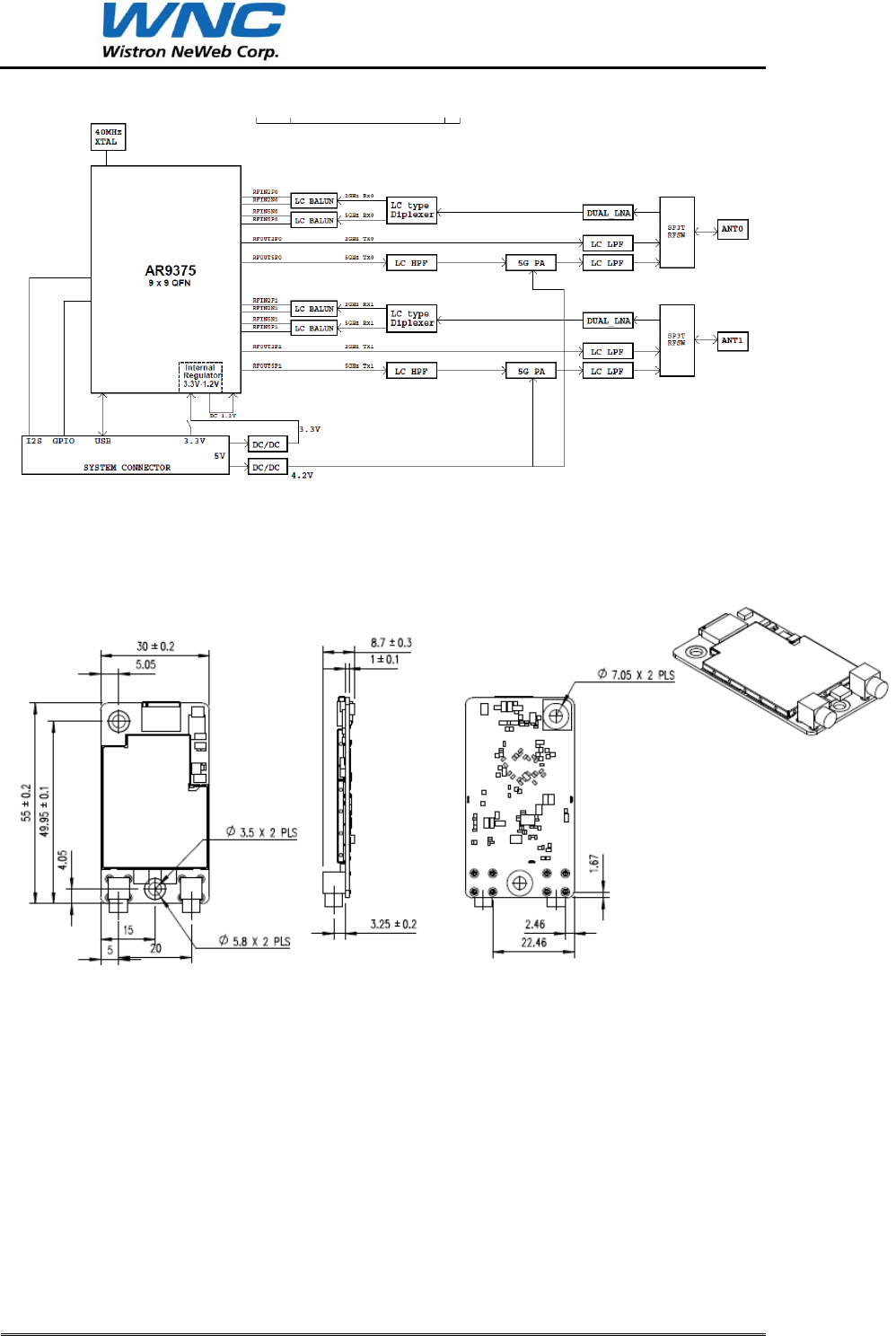
Block diagram:
PCBA outline drawing

Product specification for DNUA-PO1
Confidential !! Page 4 of 11
PIN definition
Pin No.
Description
Pin1
GND
Pin2
WAKE#
Pin3
W_RESET#
Pin4
USB_5V
Pin5
USB_5V
Pin6
USB_D-
Pin7
USB_D+
Pin8
GND
8 7 6 5 4 3 2 1
Pin1

Product specification for DNUA-PO1
Confidential !! Page 5 of 11
DNUA-PO1, product specification, 802.11n a/b/g USB module
Item
Key specifications
Main chipset
QCA AR9375_AL3D
TX/RX
2T2R
Frequency
range
USA: 2.400 ~ 2.483GHz, 5.15 ~ 5.25GHz, 5.725 ~ 5.85GHz
Europe: 2.400 ~ 2.483GHz, 5.15 ~ 5.25GHz
Japan: 2.400 ~ 2.497GHz, 5.15 ~ 5.25GHz,
Modulation
technique
802.11 Legacy a/b/g
DSSS (DBPSK, DQPSK, CCK)
OFDM (BPSK, QPSK, 16-QAM, 64-QAM)
DSSS (Direct Sequence Spread Spectrum) with
DBPSK (Differential Binary Phase Shift Keying 1Mbps),
DQPSK (Differential Quaternary Phase Shift Keying 2Mbps), and
CCK (Complementary Code Keying 5.5&11Mbps), and
OFDM (Orthogonal Frequency Division Multiplexing with BPSK for 6,9Mbps QPSK for
12,18Mbps 16QAM for 24,36Mbps 64QAM for 48,54Mbps)
802.11n a/g
OFDM (BPSK, QPSK, 16-QAM, 64-QAM)
Host interface
USB 2.0
Channels
support
802.11n b/g
US/Canada: 11 (1 ~ 11)
Major European country: 13 (1 ~ 13)
France: 4 (10 ~ 13)
Japan: 11b: 14 (1~13 or 14th), 11g: 13 (1 ~ 13)
802.11n a
1). US/Canada: channels (36,40,44,48,52, 149,153,157,161,165)
2). Europe: channel (36,40,44,48,52)
3). Japan: channels ( 36,40,44,48,52)
Operation
voltage
5V +/- 5%
Power
consumption
@25 o C
802.11ng MCS8(40MHz) 802.11na MCS8(40MHz)
(mA) Avg Avg
5V 350 756
Output Power
(Typical-for
each chain;
with ±2dB
tolerance).
This power
table bases on
the maximum
HW capability
complying
with IEEE
spec
regardless the
regulatory
limitation
802.11a
Test Frequencies 6-24_Target 36_Target 48_Target 54_Target
5180 21 20 19 17
5320 21 20 19 17
5500 21 20 19 17
5600 21 20 19 17
5700 21 20 19 17
5825 21 20 19 17
802.11b
Test Frequencies 1/2_Target 5.5_Target 11_Target
2412 16 16 16
2437 16 16 16
2472 16 16 16
802.11g
Test Frequencies 6-24_Target 36_Target 48_Target 54_Target
2412 16 16 15 14
2437 16 16 15 14
2472 16 16 15 14
802.11n
Freq. Range: HT20

Product specification for DNUA-PO1
Confidential !! Page 6 of 11
Test Freq MCS 0/8 MCS 1/9 MCS 2/10 MCS 3/11 MCS 4/12 MCS 5/13 MCS 6/14 MCS 7/15
5180 21 21 21 21 20 20 19 17
5240 21 21 21 21 20 20 19 17
5320 21 21 21 21 20 20 19 17
5500 21 21 21 21 20 20 19 17
5700 21 21 21 21 20 20 19 17
5745 21 21 21 21 20 20 19 17
5825 21 21 21 21 20 20 19 17
Freq. Range: HT40
Test Freq MCS 0/8 MCS 1/9 MCS 2/10 MCS 3/11 MCS 4/12 MCS 5/13 MCS 6/14 MCS 7/15
5190 21 21 21 21 20 20 19 17
5230 21 21 21 21 20 20 19 17
5310 21 21 21 21 20 20 19 17
5510 21 21 21 21 20 20 19 17
5670 21 21 21 21 20 20 19 17
5755 21 21 21 21 20 20 19 17
5795 21 21 21 21 20 20 19 17
Freq. Range: HT20
Test Freq MCS 0/8 MCS 1/9 MCS 2/10 MCS 3/11 MCS 4/12 MCS 5/13 MCS 6/14 MCS 7/15
2412 16 16 16 16 15 15 14 14
2437 16 16 16 16 15 15 14 14
2472 16 16 16 16 15 15 14 14
Freq. Range: HT40
Test Freq MCS 0/8 MCS 1/9 MCS 2/10 MCS 3/11 MCS 4/12 MCS 5/13 MCS 6/14 MCS 7/15
2412 16 16 16 16 15 15 14 14
2437 16 16 16 16 15 15 14 14
2472 16 16 16 16 15 15 14 14
EVM
The transmit modulation accuracy is measured using error vector magnitude (EVM).
EVM is the magnitude of the phase difference as a function of time between an ideal
reference signal and the measured transmitted signal.
802.11a
Modulation Code Rate Relative constellation error (dB) Relative constellation error (dB)
IEEE Spec (1Tx dB) Typical (1Tx dB)
BPSK 1/2 -5 -25
BPSK 3/4 -8 -25
QPSK 1/2 -10 -25
QPSK 3/4 -13 -25
16-QAM 1/2 -16 -25
16-QAM 3/4 -19 -28
64-QAM 2/3 -22 -30
64-QAM 3/4 -25 -31
802.11b
Modulation Code Rate Relative constellation error (dB) Relative constellation error (dB)
IEEE Spec (1Tx dB) Typical (1Tx dB)
DBPSK -10 -28
DQPSK -10 -28
CCK -10 -28
802.11g
Modulation Code Rate Relative constellation error (dB) Relative constellation error (dB)
IEEE Spec (1Tx dB) Typical (1Tx dB)
BPSK 1/2 -5 -28
BPSK 3/4 -8 -28
QPSK 1/2 -10 -28
QPSK 3/4 -13 -28
16-QAM 1/2 -16 -28

Product specification for DNUA-PO1
Confidential !! Page 7 of 11
16-QAM 3/4 -19 -29
64-QAM 2/3 -22 -29
64-QAM 3/4 -25 -29
802.11ng
Modulation Code Rate Relative constellation error (dB) Relative constellation error (dB)
IEEE Spec (1Tx dB) Typical (1Tx dB)
HT20
(MCS0) BPSK 1/2 -5 -25
(MCS1) QPSK 1/2 -10 -26
(MCS2) QPSK 3/4 -13 -26
(MCS3) 16-QAM 1/2 -16 -26
(MCS4) 16-QAM 3/4 -19 -29
(MCS5) 64-QAM 2/3 -22 -30
(MCS6) 64-QAM 3/4 -25 -30
(MCS7) 64-QAM 5/6 -27 -31
(MCS8) BPSK 1/2 -5 -25
(MCS9) QPSK 1/2 -10 -26
(MCS10) QPSK 3/4 -13 -26
(MCS11) 16-QAM 1/2 -16 -26
(MCS12) 16-QAM 3/4 -19 -29
(MCS13) 64-QAM 2/3 -22 -30
(MCS14) 64-QAM 3/4 -25 -30
(MCS15) 64-QAM 5/6 -27 -31
HT40
(MCS0) BPSK 1/2 -5 -26
(MCS1) QPSK 1/2 -10 -27
(MCS2) QPSK 3/4 -13 -27
(MCS3) 16-QAM 1/2 -16 -27
(MCS4) 16-QAM 3/4 -19 -29
(MCS5) 64-QAM 2/3 -22 -30
(MCS6) 64-QAM 3/4 -25 -30
(MCS7) 64-QAM 5/6 -27 -31
(MCS8) BPSK 1/2 -5 -26
(MCS9) QPSK 1/2 -10 -27
(MCS10) QPSK 3/4 -13 -27
(MCS11) 16-QAM 1/2 -16 -27
(MCS12) 16-QAM 3/4 -19 -29
(MCS13) 64-QAM 2/3 -22 -30
(MCS14) 64-QAM 3/4 -25 -30
(MCS15) 64-QAM 5/6 -27 -31
802.11na
Modulation Code Rate Relative constellation error (dB) Relative constellation error (dB)
IEEE Spec (1Tx dB) Typical (1Tx dB)
HT20
(MCS0) BPSK 1/2 -5 -25
(MCS1) QPSK 1/2 -10 -26
(MCS2) QPSK 3/4 -13 -26
(MCS3) 16-QAM 1/2 -16 -26
(MCS4) 16-QAM 3/4 -19 -29
(MCS5) 64-QAM 2/3 -22 -30
(MCS6) 64-QAM 3/4 -25 -30
(MCS7) 64-QAM 5/6 -27 -31
(MCS8) BPSK 1/2 -5 -25
(MCS9) QPSK 1/2 -10 -26
(MCS10) QPSK 3/4 -13 -26

Product specification for DNUA-PO1
Confidential !! Page 8 of 11
(MCS11) 16-QAM 1/2 -16 -26
(MCS12) 16-QAM 3/4 -19 -29
(MCS13) 64-QAM 2/3 -22 -30
(MCS14) 64-QAM 3/4 -25 -30
(MCS15) 64-QAM 5/6 -27 -31
HT40
(MCS0) BPSK 1/2 -5 -26
(MCS1) QPSK 1/2 -10 -27
(MCS2) QPSK 3/4 -13 -27
(MCS3) 16-QAM 1/2 -16 -27
(MCS4) 16-QAM 3/4 -19 -29
(MCS5) 64-QAM 2/3 -22 -30
(MCS6) 64-QAM 3/4 -25 -30
(MCS7) 64-QAM 5/6 -27 -31
(MCS8) BPSK 1/2 -5 -26
(MCS9) QPSK 1/2 -10 -27
(MCS10) QPSK 3/4 -13 -27
(MCS11) 16-QAM 1/2 -16 -27
(MCS12) 16-QAM 3/4 -19 -29
(MCS13) 64-QAM 2/3 -22 -30
(MCS14) 64-QAM 3/4 -25 -30
(MCS15) 64-QAM 5/6 -27 -31
Sensitivity
(1RX with
+4/-2dB
tolerance,
dBm)
802.11a
Modulation Code Rate IEEE Spec (1Rx dBm) Typical (1Rx dBm)
BPSK 1/2 -82 -88
BPSK 3/4 -81 -86
QPSK 1/2 -79 -85
QPSK 3/4 -77 -83
16-QAM 1/2 -74 -79
16-QAM 3/4 -70 -77
64-QAM 2/3 -66 -73
64-QAM 3/4 -65 -70
802.11b
Modulation IEEE Spec (1Rx dBm) Typical (1Rx dBm)
DBPSK not specified -93
DQPSK not specified -91
CCK not specified -87
802.11g
Modulation Code Rate IEEE Spec (1Rx dBm) Typical (1Rx dBm)
BPSK 1/2 -82 -93
BPSK 3/4 -81 -91
QPSK 1/2 -79 -89
QPSK 3/4 -77 -86
16-QAM 1/2 -74 -83
16-QAM 3/4 -70 -80
64-QAM 2/3 -66 -75
64-QAM 3/4 -65 -70
802.11ng
Modulation Code Rate IEEE Spec (1Rx dBm) Typical (1Rx dBm)
HT20
(MCS0) BPSK 1/2 -82 -90
(MCS1) QPSK 1/2 -79 -87
(MCS2) QPSK 3/4 -77 -86

Product specification for DNUA-PO1
Confidential !! Page 9 of 11
(MCS3) 16-QAM 1/2 -74 -84
(MCS4) 16-QAM 3/4 -70 -80
(MCS5) 64-QAM 2/3 -66 -77
(MCS6) 64-QAM 3/4 -65 -72
(MCS7) 64-QAM 5/6 -64 -67
HT40
(MCS0) BPSK 1/2 -79 -88
(MCS1) QPSK 1/2 -76 -86
(MCS2) QPSK 3/4 -74 -84
(MCS3) 16-QAM 1/2 -71 -80
(MCS4) 16-QAM 3/4 -67 -78
(MCS5) 64-QAM 2/3 -63 -73
(MCS6) 64-QAM 3/4 -62 -70
(MCS7) 64-QAM 5/6 -61 -64
802.11na
Modulation Code Rate IEEE Spec (1Rx dBm) Typical (1Rx dBm)
HT20
(MCS0) BPSK 1/2 -82 -89
(MCS1) QPSK 1/2 -79 -87
(MCS2) QPSK 3/4 -77 -84
(MCS3) 16-QAM 1/2 -74 -80
(MCS4) 16-QAM 3/4 -70 -77
(MCS5) 64-QAM 2/3 -66 -72
(MCS6) 64-QAM 3/4 -65 -71
(MCS7) 64-QAM 5/6 -64 -67
HT40
(MCS0) BPSK 1/2 -79 -84
(MCS1) QPSK 1/2 -76 -81
(MCS2) QPSK 3/4 -74 -79
(MCS3) 16-QAM 1/2 -71 -76
(MCS4) 16-QAM 3/4 -67 -72
(MCS5) 64-QAM 2/3 -63 -70
(MCS6) 64-QAM 3/4 -62 -67
(MCS7) 64-QAM 5/6 -61 -64
Transmit
spectrum
mask
For transmitted spectral mask for 11a shall be less than –40dBr for fc–30MHz<f<fc+30MHz.
For transmitted spectral mask for 11b shall be less than –50dBr for fc–22MHz<f<fc+22MHz.
For transmitted spectral mask for 11g shall be less than –40dBr for fc–30MHz<f<fc+30MHz.
For transmitted spectral mask for 11n 20MHz shall be less than –45dBr for
fc–30MHz<f<fc+30MHz.
For transmitted spectral mask for 11n 40MHz shall be less than –45dBr for
fc–60MHz<f<fc+60MHz.
Transmit
spectrum
flatness
For 802.11a/g the average energy of the constellations in each of spectral lines –16..-1 and
+1..+16 will deviate no more than +/- 2dB from their average energy.
For 802.11n 40MHz mode, the average energy of the constellations in each of spectral
lines –42..-2 and +2..+42 will deviate no more than +/- 2dB from their average energy.
The transmitted spectral flatness should be with in +2/- 4dB.
Transmit
center
frequency
tolerance
The transmitted center frequency tolerance shall be ±20 ppm maximum.
Receiver
802.11a

Product specification for DNUA-PO1
Confidential !! Page 10 of 11
maximum
input level
Modulation Code Rate IEEE Spec (1Rx dBm)
>-30
802.11b
Modulation IEEE Spec (1Rx dBm)
DBPSK >-10
DQPSK >-10
CCK >-10
802.11g
Modulation Code Rate IEEE Spec (1Rx dBm)
>-20
802.11na
Modulation Code Rate IEEE Spec (1Rx dBm)
>-30
802.11ng
Modulation Code Rate IEEE Spec (1Rx dBm)
>-20
Operation
system
supported
Linux & Windows
PCB
dimension
30mm x 55mm ; 4 Layer; FR4
Transfer data
rate
802.11a: 6, 9, 12, 18, 24, 36, 48, 54Mbps
802.11b: 1, 2, 5.5, 11Mbps
802.11g: 6, 9, 12, 18, 24, 36, 48, 54Mbps
802.11n: @800GI(400GI)
20MHz BW
1 Nss: 65(72.2) Mbps maximal
2 Nss: 130(144.444) Mbps maximal
40MHz BW
1 Nss: 135(150) Mbps maximal
2 Nss: 270(300) Mbps maximal
Operation
temperature
0o ~ 50o C
Storage
temperature
-20o ~ 80o C
Antenna type
MCX connector for external Antenna
Reserve U.FL connector for external Antenna
Certification

Product specification for DNUA-PO1
Confidential !! Page 11 of 11