AN408: Termination Options for Any-Frequency, Any-Output Clock Generators and Clock Buffers
File info: application/pdf · 19 pages · 1.26MB
AN408: Termination Options for Any-Frequency, Any-Output Clock Generators and Clock Buffers
Clock Generator, Clock Buffer, Clock Buffer IC, Clock Synthesizer, Clock Processor
AN408 Termination Options for Any-Frequency, Any-Output ...
This application note provides termination recommendations for connecting input and output clock signals to the. Si533x and Si5356/55 family of timing ICs ...
Full PDF Document
If the inline viewer fails, it will open the original document in compatibility mode automatically. You can also open the file directly.
Extracted Text
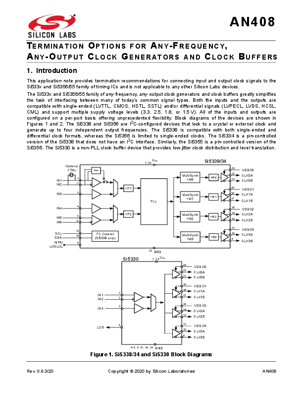
AN408 TERMINATION O PTIONS FOR A NY- F REQUENCY, ANY-OUTPUT CLOCK GENERATORS AND CLOCK BUFFERS 1. Introduction This application note provides termination recommendations for connecting input and output clock signals to the Si533x and Si5356/55 family of timing ICs and is not applicable to any other Silicon Labs devices. The Si533x and Si5356/55 family of any-frequency, any-output clock generators and clock buffers greatly simplifies the task of interfacing between many of today's common signal types. Both the inputs and the outputs are compatible with single-ended (LVTTL, CMOS, HSTL, SSTL) and/or differential signals (LVPECL, LVDS, HCSL, CML) and support multiple supply voltage levels (3.3, 2.5, 1.8, or 1.5 V). All of the inputs and outputs are configured on a per-port basis offering unprecedented flexibility. Block diagrams of the devices are shown in Figures 1 and 2. The Si5338 and Si5356 are I2C-configured devices that lock to a crystal or external clock and generate up to four independent output frequencies. The Si5338 is compatible with both single-ended and differential clock formats, whereas the Si5356 is limited to single-ended clocks. The Si5334 is a pin-controlled version of the Si5338 that does not have an I2C interface. Similarly, the Si5355 is a pin-controlled version of the Si5356. The Si5330 is a non-PLL clock buffer device that provides low jitter clock distribution and level translation. Optional XTAL IN1 1 IN2 2 IN3 3 IN4 4 IN5 5 IN6 6 SCL 12 SDA 19 INTR/ 8 LOSLOL 7, 24 VDD Osc �P1 PLL �P2 I2C Control (Si5338 only) MultiSynth �M0 Si5338/34 20 22 �R0 21 16 MultiSynth �M1 �R1 18 17 15 MultiSynth �M2 �R2 14 13 11 MultiSynth �M3 �R3 10 9 VDDO0 CLK0A CLK0B VDDO1 CLK1A CLK1B VDDO2 CLK2A CLK2B VDDO3 CLK3A CLK3B Si5330 23 GND 7, 24 VDD IN1 1 IN2 2 IN3 3 LOS 8 20 VDDO0 22 CLK0A 21 CLK0B 16 VDDO1 18 CLK1A 17 CLK1B 15 VDDO2 14 CLK2A 13 CLK2B 11 VDDO3 10 CLK3A 9 CLK3B 4, 5, 6, 12, 19, 23 GND Figure 1. Si5338/34 and Si5330 Block Diagrams Rev. 0.6 3/20 Copyright � 2020 by Silicon Laboratories AN408 AN408 XTAL 1 2 CLKin 4 SCL 12 SDA 19 I2C_LSB 3 OEB 6 SSC_DIS 5 INTR 8 Osc �P1 I2C and Pin Control VDD 7, 24 PLL 23 GND MultiSynth �M0 MultiSynth �M1 MultiSynth �M2 MultiSynth �M3 Si5356 20 22 �R0 21 16 18 �R1 17 15 14 �R2 13 11 10 �R3 9 VDDOA CLK0 CLK1 VDDOB CLK2 CLK3 VDDOC CLK4 CLK5 VDDOD CLK6 CLK7 XTAL 1 2 CLKin 4 P1 3 P2 12 P3 19 P4 5 P5 6 LOS 8 Osc Control VDD 7, 24 �P1 PLL MultiSynth �M0 MultiSynth �M1 MultiSynth �M2 MultiSynth �M3 Si5355 20 22 �R0 21 16 18 �R1 17 15 14 �R2 13 11 10 �R3 9 VDDOA CLK0 CLK1 VDDOB CLK2 CLK3 VDDOC CLK4 CLK5 VDDOD CLK6 CLK7 23 GND Figure 2. Si5356 and Si5355 Block Diagrams 2 Rev. 0.6 AN408 2. Inputs The Si533x and Si5356/55 families support both single-ended and differential inputs. The device supports up to two single-ended inputs (Pins 3 and 4) and two differential inputs (Pins 1,2, and 5,6). On the Si5338/34 and Si5356/55 devices, a crystal can be connected to Pins 1 and 2 instead of an input clock. Refer to "AN360: Crystal Selection Guide for Any-Frequency Devices" for more information on using the crystal input option. 2.1. Single-Ended Inputs The multi-format single-ended clock inputs of the Si533x and Si5356/55 are ac-coupled internally to remove any dc bias from the signal. This allows the device to trigger on a signal swing threshold instead of a specific voltage level (normally specified as VIH and VIL). The receiver accepts any signal with a minimum voltage swing of 800 mVPP and a maximum of 3.73 VPP regardless of the core VDD supply. For best performance, the slew rate at input Pins 3 and 4 must be greater than 1 V/ns. This makes the inputs 3.3 V-tolerant even when the core voltage is powered with 1.8 V. An Si5338/34/56/55 should have an input duty cycle no worse than 40/60%. An Si5330 should have an input duty cycle no worse than 45/55%. 2.1.1. LVTTL/CMOS Inputs The only termination necessary when interfacing a CMOS driver to the Si533x and Si5356/55 is a source resistor (Rs) placed near the driver to help match its output impedance to the transmission line impedance. In some cases, the value for this series resistor may be zero as it depends upon the CMOS driver characteristics. The CMOS drivers in the Si533x and Si5356/55 are designed to work optimally into a 50 transmission line without an external source resistor. A typical CMOS signal connection is illustrated in Figure 3. Using this configuration, the receiver is capable of interfacing to 3.3, 2.5, or 1.8 V CMOS clock signals. VDD = 3.3 V, 2.5 V, 1.8 V Rs 50 LVTTL/ CMOS Figure 3. Interfacing to an LVTTL/CMOS Input Signal Si533x/56/55 Rev. 0.6 3 AN408 2.1.2. Single-Ended SSTL and HSTL Inputs HSTL and SSTL single-ended clock inputs should be input to the differential inputs, pins 1 and 2, of the Si533x with the circuit shown in Figure 4. Some drivers may require a series 25 resistor. If the SSTL/HSTL input is being driven by another Si533x device, the 25 series resistor is not required as this is integrated on-chip. The maximum recommended input frequency in this case is 350 MHz. Keep termination close to input pin of the Si533x VTT 0.4 to 1.2 V pk-pk 50 0.1 uF 50 VDD Differential Input Si533x 1 2 R1 0.1 uF VTT 0.1 uF R2 SSTL_2, SSTL_18, HSTL R1 = 2 k R2 = 2 k SSTL_3 R1 = 2.43 k R2 = 2 k Figure 4. Single-Ended SSTL/HSTL Input to Pins 1 and 2 4 Rev. 0.6 AN408 2.1.3. Applying a Single-Ended Signal to a Differential Input It is possible to interface any single-ended signal to the differential input pins (IN1/IN2 or IN5/IN6). The recommended interface for a signal that requires a 50 load is shown in Figure 5. On these inputs, it is important that the signal level be less than 1.2 VPP SE and greater than 0.4 VPP SE. The maximum recommended input frequency in this case is 350 MHz. 0.4 to 1.2V pk-pk Keep termination close to input pin of the Si533x 0.1 uF 50 Si533x 50 0.1 uF Figure 5. Single-Ended Input Signal with 50 Termination 2.2. Differential Inputs The multi-format differential clock inputs of the Si533x will interface with today's most common differential signals, such as LVDS, LVPECL, CML, and HCSL. The differential inputs are internally self-biased and must be ac-coupled externally with a 0.1 �F capacitor. The receiver will accept a signal with a voltage swing between 400 mV and 2.4 VPP differential. Each half of the differential signal must not exceed 1.2 VPP at the input to the Si533x or else the 1.3 V dc voltage limit may be exceeded. 2.2.1. LVDS Inputs When interfacing the Si533x device to an LVDS signal, a 100 termination is required at the input along with the required dc blocking capacitors as shown in Figure 6. Keep termination close to input pin of the Si533x 50 0.1 uF 100 Must be ac coupled Si533x LVDS 50 0.1 uF Figure 6. LVDS Input Signal 2.2.2. LVPECL Inputs Since the differential receiver of the Si533x is internally self biased, an LVPECL signal may not be dc-coupled to the device. Figure 7 shows some common LVPECL connections that should not be used because of the dc levels they present at the receiver's input. Rev. 0.6 5 AN408 DC Coupled with Thevenin Termination 50 50 LVPECL VDD VDD R1 R1 R2 R2 LVPECL Rb AC Coupled with Thevenin Re-Biasing VDD VDD R1 R1 50 50 Rb R2 R2 Not Recommended Figure 7. Common LVPECL Connections that May be Destructive to the Si533x Input Recommended configurations for interfacing an LVPECL input signal to the Si533x are shown in Figure 8. Typical values for the bias resistors (Rb) range between 120 and 200 depending on the LVPECL driver. The 100 resistor provides line termination. Because the receiver is internally self-biased, no additional external bias is required. Another solution is to terminate the LVPECL driver with a Thevenin configuration as shown in Figure 8b. The values for R1 and R2 are calculated to provide a 50 termination to VDD-2V. Given this, the recommended resistor values are R1 = 127 and R2 = 82.5 for VDD = 3.3 V, and R1 = 250 andR2 = 62.5 for VDD = 2.5 V. 6 Rev. 0.6 3.3 V, 2.5 V LVPECL Rb Keep termination close to input pin of the Si533x 0.1 uF 50 100 0.1 uF Rb 50 Must be ac coupled AN408 Si533x VDD= 3.3 V, 2.5 V LVPECL Figure 8a--LVPECL Input Signal with Source Biasing Option Keep termination close to input pin of the Si533x VDD VDD Must be ac coupled R1 R1 0.1 uF Si533x 50 50 R2 VT = VDD � 2 V R1 // R2 = 50 Ohm 0.1 uF R2 Figure 8b--LVPECL Input Signal with Load Biasing Option Figure 8. Recommended Options for Interfacing to an LVPECL Signal Rev. 0.6 7 AN408 2.2.3. CML Inputs CML signals may be applied to the differential inputs of the Si533x. Since the Si533x differential inputs are internally self-biased, a CML signal may not be dc-coupled to the device. The recommended configurations for interfacing a CML input signal to the Si533x are shown in Figure 9. The 100 resistor provides line termination, and, since the receiver is internally-biased, no additional external biasing components are required. Keep termination close to input pin of the Si533x 0.1 uF 50 Si533x 100 CML 50 0.1 uF Must be ac coupled Figure 9. CML Input Signal 2.2.4. Applying CMOS Level Signal to Differential Inputs Note that the maximum voltage level on the differential input pins on all Si533x must not exceed 1.3 V. To apply a CMOS signal to any of these pins, use the circuit shown in Figure 10. For a CMOS signal applied to these differential inputs, the maximum recommended frequency is 200 MHz. CMOS Input Signal 1.8 V CMOS Rse = 249 Rsh = 464 2.5 V CMOS Rse = 402 Rsh = 357 Keep Rse and Rsh close to the receiver 0.1 uF Rse 50 3.3 V CMOS Rsh Rse = 499 Rsh = 274 0.1 uF Si533x Figure 10. Applying a CMOS Level Signal to the Differential Inputs 8 Rev. 0.6 AN408 2.2.5. HCSL Inputs A typical HCSL driver has an open source output, which requires an external series resistor and a resistor to ground. The values of these resistors depend on the driver but are typically equal to 33 (Rs) and 50 (Rt). Note that the HCSL driver in the Si533x requires neither Rs nor Rt resistors. Other than two ac-coupling capacitors, no additional external components are necessary when interfacing an HCSL signal to the Si533x. 3.3V, 2.5V, 1.8V Rs Must be ac coupled 0.1 uF 50 Si533x Rs HCSL 50 Rt Rt 0.1 uF Figure 11. HCSL Input Signal to Si533x Rev. 0.6 9 AN408 3. Outputs The Si533x devices provide four outputs that can be differential or single-ended. The Si5356/55 devices only have CMOS outputs. When configured as single-ended, the driver generates two signals that can be configured as inphase or complimentary. Each of the outputs has its own output supply pin, allowing the device to be used in mixed supply applications without the need for external level translators. Each output driver is configurable to support the following signal types: CMOS/LVTTL, SSTL, HSTL, LVPECL, LVDS, and HCSL. The Si5338 also supports a CML output driver. 3.1. CMOS/LVTTL Outputs The CMOS output driver has a controlled impedance of about 50 , which includes an internal series resistor of approximately 22 . For this reason, an external Rs series resistor is not recommended when driving 50 traces. If the trace impedance is higher than 50 , a series resistor, Rs, should be used. A typical configuration is shown in Figure 12. By default, the CMOS outputs of the driver are in-phase and can be used to drive two receivers. They can also be configured as complimentary outputs. The output supports 3.3, 2.5, and 1.8 V CMOS signal levels when the appropriate voltage is supplied to the external VDDO pin and the device is configured accordingly. Si533x/56/55 CMOS 3.3, 2.5, or 1.8 V VDDOx CLKxA CLKxB LVTTL/ CMOS 50 50 Figure 12. Interfacing to a CMOS Receiver 3.1.1. 1.5 and 1.2 V CMOS Outputs The Si533x/55/56 output drivers natively support 3.3, 2.5, and 1.8 V CMOS. However, 1.5 and 1.2 V CMOS signals can be obtained using a two-resistor network as shown in Figure 13 and Table 1 below. Place R1 and R2 as close to the device output as possible. 33..33VV,, 22..55VV,, oorr 11..88VV VVDDDDOOxx Si53333xx//56/5555 RR11 5500 CCMMOOSS CCLLKKxxAA CCLLKKxxBB RR22 RR11 5500 RR22 11..55 oorr 11..22 VV Figure 13. Interfacing to a 1.5 or 1.2 V CMOS Receiver 10 Rev. 0.6 AN408 Table 1. Resistor Values for Interfacing to 1.5 and 1.2 V Receivers VDDOx 1.8 V 2.5 V 3.3 V 1.2 V CMOS Output R1 R2 25 150 55 100 90 80 1.5 V CMOS Output R1 R2 10 300 33 125 60 90 The resistor values in Table 1 were selected to maintain signal integrity, specifically rise/fall time, at the cost of current consumption. The increase in current consumption is expected to be on the order of 2 to 8 mA per output depending on VDDOx, 4 mA max with VDDOx of 1.8 V. 3.2. SSTL and HSTL Outputs The Si533x supports both SSTL and HSTL outputs, which can be single-ended or differential. The recommended termination scheme for SSTL is shown in Figure 14. The VTT supply can be generated using a simple voltage divider as shown below. Si533x SSTL (3.3, 2.5, or 1.8 V) HSTL (1.5 V) VDDOx VTT VTT 50 50 SSTL CLKxA 50 or CLKxB HSTL 50 SSTL_3 SSTL_2 SSTL_18 HSTL VDDO R1 VTT SSTL_2, SSTL_18, HSTL R1 = 2k R2 = 2k SSTL_3 R1 = 2.43k R2 = 2k 0.1 uF R2 Figure 14. Interfacing the Si533x to an SSTL or HSTL Receiver Rev. 0.6 11 AN408 3.3. LVPECL Outputs The LVPECL driver is configurable in both 3.3 V or 2.5 V standard LVPECL modes. The output driver can be accoupled or dc-coupled to the receiver. 3.3.1. DC-Coupled LVPECL Outputs The standard LVPECL driver supports two commonly used dc-coupled configurations. Both of these are shown in Figure 15. LVPECL drivers were designed to be terminated with 50 to VDD�2 V, which is illustrated in Figure 15a. VTT can be supplied with a simple voltage divider as shown in Figure 15. An alternative method of terminating LVPECL is shown in Figure 15b, which is the Thevenin equivalent to the termination in Figure 15a. It provides a 50 load terminated to VDD�2.0 V. For 3.3 V LVPECL, use R1 = 127 and R2 = 82.5 ; for 2.5 V LVPECL, use R1 = 250 and R2 = 62.5 The only disadvantage to this type of termination is that the Thevenin circuit consumes additional power from the VDDO supply. Si533x 3.3 V, 2.5 V VDDOx LVPECL CLKxA CLKxB Keep termination close to the receiver 50 50 VTT 50 50 3.3 V LVPECL 2.5 V LVPECL VDDO � 2.0 V Figure 14a--DC Coupled Termination of 50 Ohms to VDD � 2.0 V Si533x LVPECL 3.3 V, 2.5 V VDDOx CLKxA CLKxB VDDO VDDO Keep termination close to the receiver R1 R1 3.3 V LVPECL 2.5 V LVPECL 50 50 3.3 V LVPECL R2 R2 VT = VDDO � 2.0 V R1 // R2 = 50 Ohm R1 = 127 Ohm R2 = 82.5 Ohm 2.5 V LVPECL R1 = 250 Ohm R2 = 62.5 Ohm Figure 14b--DC Coupled with Thevenin Termination Figure 15. Interfacing the Si533x to an LVPECL Receiver Using DC Coupling 12 Rev. 0.6 AN408 3.3.2. AC Coupled LVPECL Outputs AC coupling is necessary when a receiver and a driver have compatible voltage swings but different commonmode voltages. AC coupling works well for dc-balanced signals, such as for 50% duty cycle clocks. Figure 16 describes two methods for ac coupling the standard LVPECL driver. The Thevenin termination shown in Figure 16a is a convenient and common approach when a VBB (VDD � 1.3 V) supply is not available; however, it does consume additional power. The termination method shown in Figure 16b consumes less power. A VBB supply can be generated from a simple voltage divider circuit as shown in Figure 16. 3.3 V, 2.5 V Si533x VDDOx 0.1 uF CLKxA 50 LVPECL CLKxB 50 Rb Rb 0.1 uF VDDO VDDO R1 R1 Keep termination close to the receiver 3.3 V LVPECL 2.5 V LVPECL R2 R2 VDDO � 1.3 V 3.3 V LVPECL R1 // R2 = 50 Ohm R1 = 82.5 Ohm R2 = 127 Ohm Rb = 130 Ohm (2.5 V LVPECL) Rb = 200 Ohm (3.3 V LVPECL) Figure 15a--AC Coupled with Thevenin Termination 2.5 V LVPECL R1 = 62.5 Ohm R2 = 250 Ohm Si533x LVPECL 3.3 V, 2.5 V VDDOx CLKxA CLKxB Rb Rb Rb = 130 Ohm (2.5 V LVPECL) Rb = 200 Ohm (3.3 V LVPECL) Keep termination close to the receiver 0.1 uF 50 0.1 uF 50 VBB 50 50 VDDO � 1.3 V 3.3 V LVPECL 2.5 V LVPECL Figure 15b--AC Coupled with 100 Ohm Termination Figure 16. Interfacing to an LVPECL Receiver Using AC Coupling Rev. 0.6 13 AN408 3.4. LVDS Outputs The LVDS output option provides a very simple and power-efficient interface that requires no external biasing when connected to an LVDS receiver. An ac-coupled LVDS driver is often useful as a CML driver. The LVDS driver may be dc-coupled or ac-coupled to the receiver in 3.3 V or 2.5 V output mode. 3.4.1. AC-Coupled LVDS Outputs The Si5338/34 LVDS output can drive an ac-coupled load. The Si5330 LVDS output can only drive an ac-coupled load if the input to the Si5330 has a very well-controlled duty cycle like any Silicon Labs PLL clock products. The ac coupling capacitors may be placed at either the driver or receiver end, as long as they are placed prior to the 100 termination resistor. Keep the 100 termination resistor as close to the receiver as possible, as shown in Figure 17. When a 1.8 V output supply voltage is used, the LVDS output of the Si533x produces a common-mode voltage of ~0.875 V, which does not support the LVDS standard. In this case, it is best to ac-couple the output to the load. Si533x 3.3 V or 2.5 V VDDOx LVDS CLKxA CLKxB Keep termination close to the receiver 50 100 50 LVDS Si533x 16a--DC-Coupled LVDS Output 3.3V, 2.5V, or 1.8V VDDOx LVDS CLKxA CLKxB Keep termination close to the receiver 0.1 uF 50 100 50 0.1 uF 16b--AC-Coupled LVDS Output Figure 17. Interfacing to an LVDS Receiver 14 Rev. 0.6 AN408 3.5. HCSL Outputs Host clock signal level (HCSL) outputs are commonly used in PCI Express applications. A typical HCSL driver has an open source output that requires an external series resistor and a resistor to ground. The Si533x HCSL driver has integrated these resistors to simplify the interface to an HCSL receiver. No external components are necessary when connecting the Si533x HCSL driver to an HCSL receiver. 3.3, 2.5, or 1.8 V VDDOx Rs 50 CLKxA HCSL Rs CLKxB 50 Rt Rt HCSL Si533x Figure 18. Interfacing the Si533x to an HCSL Receiver 3.6. CML Outputs The Si5338 has a CML driver option. This driver can be used to replace an LVPECL driver in ac-coupled applications and save ~15 mA for each output driver in the process. When using the CML driver, no external bias resistors from the CML outputs to ground or Vtt should be connected. The CML driver is compliant with LVPECL peak-peak output levels; however, the common-mode output voltage is not compliant to LVPECL specs. The CML driver is individually available for all four differential outputs. See Section 9 of the Si5338 Reference Manual for information on selecting the CML Driver option. The CML output driver option should only be used when the output clock signal comes from an internal MultiSynth. The Si5338 CML output driver can be used as long as the following conditions are met: 1. Both pins of the differential output pair are ac coupled to the load. 2. The load at the receiver is effectively 100 differential. 3. The Si5338 PLL is not bypassed. 4. The VDDOx supply for the CML driver voltage is 3.3 V or 2.5 V. The CML driver has the same specified output voltage swing as the LVPECL driver. 1. Max Vsepp = .95 V 2. Min Vsepp = .55 V 3. Typ Vsepp = .8 V Figure 19 shows the normal connection for the Si5338 CML Driver format. Figure 20 shows the expected termination for the Si5338 CML driver. This termination is most often within a CML receiver. Rev. 0.6 15 AN408 Si5338 CML Driver + 50 Do Not use external bias resistors Receiver - 50 Do Not use external bias resistors Si5338 CML Driver Figure 19. CML Driver Connection Effective Termination + 50 50 Vbias 50 - 50 Vbias can be any voltage with any source impedance Figure 20. Terminations for Si5338 CML Driver 16 Rev. 0.6 AN408 3.7. Interfacing the Si533x LVDS/LVPECL to a CML Receiver Current mode logic (CML) is transmitted differentially and terminated to 50 to Vcc as shown in Figure 21. A CML receiver can be driven with either an LVPECL or an LVDS output depending on the signal swing required by the receiver. A single-ended output swing from 550 mV to 960 mV is achieved when driving a CML receiver with an LVPECL output. For a reduced output swing, LVDS mode is recommended for producing a single-ended swing between 250 mV and 450 mV. Driving a CML Receiver Using the LVPECL Output Si533x LVPECL 550 mV � 960 mV p-p 50 50 Rb Rb 0.1 uF 0.1 uF CML Receiver 50 Vcc 50 Rb = 130 Ohms (2.5 V LVPECL) Rb = 200 Ohms (3.3 V LVPECL) Driving a CML Receiver Using the LVDS Output Si533x LVDS 250 mV - 450 mV p-p 50 50 0.1 uF 0.1 uF CML Receiver 50 Vcc 50 Figure 21. Terminating an LVPECL or an LVDS Output to a CML Receiver Rev. 0.6 17 AN408 REVISION HISTORY Revision 0.6 March, 2020 Fixed R1 typo in "2.1.2. Single-Ended SSTL and HSTL Inputs" on page 4. Updated reference to Si5338 reference manual in "3.6. CML Outputs" on page 15. Revision 0.5 October, 2013 Updated Figure 10 on page 8. Updated resistor values. Updated "2.2.4. Applying CMOS Level Signal to Differential Inputs" on page 8. Added text to recommend max CMOS input frequency into a differential input. Updated "2.1.2. Single-Ended SSTL and HSTL Inputs" on page 4 and "2.1.3. Applying a Single-Ended Signal to a Differential Input" on page 5 to specify a max input frequency of 350 MHz. Removed R1 and R2 and 0.1 �f cap from Figures 15 and 16. Added maximum input frequency of 350 MHz to "2.1.2. Single-Ended SSTL and HSTL Inputs" on page 4 and "2.1.3. Applying a Single-Ended Signal to a Differential Input" on page 5. Added "3.6. CML Outputs" on page 15. Added "3.1.1. 1.5 and 1.2 V CMOS Outputs" on page 10. Revision 0.4 November, 2010 Updated "3.5. HCSL Outputs" on page 15. Revision 0.3 July, 2010 Moved Section "2.2.4 Applying a Single-Ended Signal to a Differential Input" to Section 2.1.3. Modified LVPECL circuit in Figure 16. Added "2.2.3. CML Inputs" on page 8. Added "2.2.4. Applying CMOS Level Signal to Differential Inputs" on page 8. Revision 0.2 January, 2010 Added "2.2.2. LVPECL Inputs" on page 5. Removed "3.4. Low Power LVPECL Output Driver--AC Coupled". Added "3.7. Interfacing the Si533x LVDS/LVPECL to a CML Receiver" on page 17. Revision 0.1 October, 2008 Initial release. 18 Rev. 0.6 ClockBuilder Pro One-click access to Timing tools, documentation, software, source code libraries & more. Available for Windows and iOS (CBGo only). www.silabs.com/CBPro Timing Portfolio www.silabs.com/timing SW/HW www.silabs.com/CBPro Quality www.silabs.com/quality Support and Community community.silabs.com Disclaimer Silicon Labs intends to provide customers with the latest, accurate, and in-depth documentation of all peripherals and modules available for system and software implementers using or intending to use the Silicon Labs products. Characterization data, available modules and peripherals, memory sizes and memory addresses refer to each specific device, and "Typical" parameters provided can and do vary in different applications. Application examples described herein are for illustrative purposes only. Silicon Labs reserves the right to make changes without further notice to the product information, specifications, and descriptions herein, and does not give warranties as to the accuracy or completeness of the included information. Without prior notification, Silicon Labs may update product firmware during the manufacturing process for security or reliability reasons. Such changes will not alter the specifications or the performance of the product. Silicon Labs shall have no liability for the consequences of use of the information supplied in this document. This document does not imply or expressly grant any license to design or fabricate any integrated circuits. The products are not designed or authorized to be used within any FDA Class III devices, applications for which FDA premarket approval is required, or Life Support Systems without the specific written consent of Silicon Labs. A "Life Support System" is any product or system intended to support or sustain life and/or health, which, if it fails, can be reasonably expected to result in significant personal injury or death. Silicon Labs products are not designed or authorized for military applications. Silicon Labs products shall under no circumstances be used in weapons of mass destruction including (but not limited to) nuclear, biological or chemical weapons, or missiles capable of delivering such weapons. Silicon Labs disclaims all express and implied warranties and shall not be responsible or liable for any injuries or damages related to use of a Silicon Labs product in such unauthorized applications. Trademark Information Silicon Laboratories Inc.�, Silicon Laboratories�, Silicon Labs�, SiLabs� and the Silicon Labs logo�, Bluegiga�, Bluegiga Logo�, ClockBuilder�, CMEMS�, DSPLL�, EFM�, EFM32�, EFR, Ember�, Energy Micro, Energy Micro logo and combinations thereof, "the world's most energy friendly microcontrollers", Ember�, EZLink�, EZRadio�, EZRadioPRO�, Gecko�, Gecko OS, Gecko OS Studio, ISOmodem�, Precision32�, ProSLIC�, Simplicity Studio�, SiPHY�, Telegesis, the Telegesis Logo�, USBXpress� , Zentri, the Zentri logo and Zentri DMS, ZWave�, and others are trademarks or registered trademarks of Silicon Labs. ARM, CORTEX, Cortex-M3 and THUMB are trademarks or registered trademarks of ARM Holdings. Keil is a registered trademark of ARM Limited. Wi-Fi is a registered trademark of the Wi-Fi Alliance. All other products or brand names mentioned herein are trademarks of their respective holders. Silicon Laboratories Inc. 400 West Cesar Chavez Austin, TX 78701 USA http://www.silabs.com
