Weider 2980 X System Wesy1938 Users Manual
2015-05-18
: Weider Weider-2980-X-System-Wesy1938-Users-Manual-734038 weider-2980-x-system-wesy1938-users-manual-734038 weider pdf
Open the PDF directly: View PDF
.
Page Count: 28

PRECAUCIÓN
Antes de usar el equipo, lea cui-
dadosamente todas las adver-
tencias e instrucciones de este
manual. Guarde el manual para
futuras referencias.
Nº de Modelo WESY1938.1
Nº de Serie
Escriba el número de serie en el
espacio de arriba para referencia.
Calcomanía con el Número de
Serie (debajo del asiento)
MANUAL DEL USUARIO
¿PREGUNTAS?
Para Servicio Técnico:
Tel. 01-800-681-9542
servicio@iconfitness.com
Tecnoservicio
Tenayuca 55 “A” Mez. 1
Col. Letran Valle
Del. Benito Juarez
México DF C.P. 03650
Importador:
Tiendas Soriana S.A. de C.V.
Alejandro de Rodas #3102-A
Col Cumbres 8⁰ Sector C.P. 64610
Monterrey, Nuevo Leon, México
R.F.C. TSO991022PB6
Tel. 01-800-832-9200

2
COLOCACIÓN DE LAS CALCOMANÍAS DE ADVERTENCIA
WEIDER es una marca registrada de ICON Health & Fitness, Inc.
CONTENIDO
Este dibujo muestra las ubicaciones de
las calcomanías de advertencia. Si falta
una calcomanía o ésta es ilegible, vea
la portada de este manual y solicite
una nueva calcomanía de reemplazo
gratuita. Péguela en el lugar indicado.
Nota: Las calcomanías pueden no mos-
trarse en su tamaño real.
DECAL SHOWN AT 100%
OF ACTUAL SIZE.
Keep hands and
fingers clear of
this area.
Esta calcomanía se
encuentra a ambos
lados del montante
vertical y en la arma-
dura de pivote.
COLOCACIÓN DE LAS CALCOMANÍAS DE ADVERTENCIA ....................................... 2
PRECAUCIONES IMPORTANTES ............................................................ 3
ANTES DE COMENZAR .................................................................... 4
TABLA DE IDENTIFICACIÓN DE PIEZAS . . . . . . . . . . . . . . . . . . . . . . . . . . . . . . . . . . . . . . . . . . . . . . . . . . . . . . 5
MONTAJE . . . . . . . . . . . . . . . . . . . . . . . . . . . . . . . . . . . . . . . . . . . . . . . . . . . . . . . . . . . . . . . . . . . . . . . . . . . . . . . 6
AJUSTES ............................................................................... 18
TABLA DE RESISTENCIA DE PESAS . . . . . . . . . . . . . . . . . . . . . . . . . . . . . . . . . . . . . . . . . . . . . . . . . . . . . . . . 20
DIAGRAMA DE LOS CABLES............................................................... 21
MANTENIMIENTO ........................................................................ 22
GUÍA DE EJERCICIOS . . . . . . . . . . . . . . . . . . . . . . . . . . . . . . . . . . . . . . . . . . . . . . . . . . . . . . . . . . . . . . . . . . . . 23
LISTA DE LAS PIEZAS . . . . . . . . . . . . . . . . . . . . . . . . . . . . . . . . . . . . . . . . . . . . . . . . . . . . . . . . . . . . . . . . . . . . 25
DIBUJO DE LAS PIEZAS . . . . . . . . . . . . . . . . . . . . . . . . . . . . . . . . . . . . . . . . . . . . . . . . . . . . . . . . . . . . . . . . . . 26
CÓMO ORDENAR PIEZAS DE REPUESTO ..........................................Contraportada
POLIZA DE GARANTÍA ...........................................................Contraportada

PRECAUCIONES IMPORTANTES
3
ADVERTENCIA: Para reducir el riesgo de lesiones graves, lea todas las precaucio-
nes e instrucciones importantes de este manual y todas las advertencias que hay en el sistema de
entrenamiento antes de usarlo. ICON no asume ninguna responsabilidad por lesiones personales o
daños a la propiedad que ocurran por el uso de este producto o a través del mismo.
1. Antes de iniciar cualquier programa de
ejercicios consulte con su médico. Esto es
especialmente importante para personas de
edades superiores a 35 años o para aquellos
que tengan problemas previos de salud.
2. Es la responsabilidad del propietario asegu-
rarse que todos los usuarios del sistema de
entrenamiento sean informados adecuada-
mente de todas las precauciones.
3. El sistema de entrenamiento está previsto
exclusivamente para su uso en casa. No use
el sistema de entrenamiento en ningún lugar
comercial, de alquiler, o institucional.
4. Use el sistema de entrenamiento sólo en
una superficie nivelada. Cubra el área del
suelo que está debajo del sistema de entre-
namiento, para proteger el suelo. Asegúrese
de que haya suficiente espacio alrededor
del sistema de entrenamiento para montarlo,
desmontarlo, y usarlo.
5. Inspeccione y ajuste adecuadamente todas
las piezas regularmente. Reemplace inme-
diatamente cualquier pieza gastada.
6. Nunca deje que los niños menores de 12
anos ni las mascotas se acerquen al sistema
de entrenamiento.
7. El sistema de entrenamiento no debe ser uti-
lizado por personas que pesen más de 136
kg.
8. Use ropa adecuada mientras realiza los ejer-
cicios; no use ropa suelta que pueda quedar
atrapada en el sistema de entrenamiento.
Siempre lleve puesto calzado atlético para
proteger los pies mientras ejercite.
9. Mantenga las manos y pies alejados de las
piezas móviles.
10. Siempre asegure la pila de pesas con el
pasador de seguridad después de realizar
los ejercicios, para evitar el uso no auto-
rizado del sistema de entrenamiento (vea
ASEGURAR LA PILA DE PESAS en la página
20).
11. Asegúrese de que todos los cables perma-
nezcan en sus poleas a todo momento. Si
los cables se traban mientras usted realiza
los ejercicios, deténgase inmediatamente
y asegúrese que los cables estén en las
poleas.
12. Siempre párese sobre la placa para los pies
cuando realice un ejercicio que pueda cau-
sar que el sistema de entrenamiento se incli-
ne.
13. Nunca suelte los brazos, la palanca para las
piernas, la barra lateral o la correa del manu-
brio mientras se levantan las pesas; las
pesas se caerán con gran fuerza.
14. Siempre que realice un ejercicio que no
requiera la barra lateral, desconéctela del
sistema de entrenamiento.
15. Si siente dolor o mareo mientras realiza
los ejercicios, deténgase inmediatamente y
comience a relajarse.
16. El ejercitar de más puede causar lesiones
serias o incluso la muerte. Si siente dolor o
experimenta mareos mientras hace ejerci-
cios, deténgase inmediatamente y descanse.

4
Estación de Polea Superior
Estación de
Polea Inferior
Lado Derecho
Lado Izquierdo
Nota: Los términos “lado derecho” y “lado izquierdo” se
indican con respecto a una persona sentada en el asiento;
no corresponden al lado derecho e izquierdo de los dibu-
jos que aparecen en este manual.
Respaldo
Pesas
Palanca para
las Piernas
Placa para
los Pies
Asiento
Almohadilla
de Doblez
Brazo
Perno del Brazo
Pasador de la Palanca
para las Piernas
ANTES DE COMENZAR
Gracias por seleccionar el versátil sistema de entrena-
miento WEIDER® 2980 X. El sistema de entrenamiento
2980 X está diseñado para desarrollar los principales
grupos de músculos. Si su meta es tener una figura
bien formada, desarrollar y fortalecer el tamaño de sus
músculos dramáticamente, o mejorar su sistema car-
diovascular, el sistema de entrenamiento le ayudará a
alcanzar los resultados específicos que usted desea.
Para su beneficio, lea el manual cuidadosamente
antes de usar el banco de pesas. Si tiene preguntas
después de leer este manual, por favor vea la portada
de este manual. Para ayudarnos a asistirlos, anote el
número de modelo y el número de serie del producto
antes de contactarnos. El número del modelo y la ubi-
cación del número de serie se muestran en la portada
de éste manual.
Antes de seguir leyendo, por favor estudie el dibujo de
abajo y familiarícese con las piezas y sus nombres.
DIMENSIONES
ENSAMBLADO:
Altura: 193 cm
Anchura: 94 cm
Largura: 165 cm

Contratuerca M8 (58)
Contratuerca M10 (56)
Perno M10 x 70mm (72)
Perno M10 x 46mm (81)
Perno M10 x 63mm (75)
Perno M10 x 67mm (71)
Perno M10 x 85mm (67)
Tornillo Botón M10 x 25mm (77)
Perno M10 x 155mm (74)
Perno M8 x 65mm (68)
Perno con Collar M8 x 22mm (65)
Tornillo M6 x 63mm (70)
Tornillo M6 x 16mm (62)
Tornillo Taladro M4 x 20mm (69) Perno M10 x 77mm (79)
Perno M10 x 51mm (66)
Perno de Porte M8 x 63mm (64)
Tuerca M12 (82)
Arandela Grande (78)
Arandela M10 (57)
Arandela M8 (59)
Arandela M6 (80)
Arandela M4 (33)
5
Consulte los dibujos que aparecen abajo para identificar las piezas pequeñas en el montaje. El número entre
paréntesis que hay cerca de cada dibujo es el número de la pieza en la LISTA DE LAS PIEZAS hacia el final de
este manual. Nota: Si no encuentra alguna de las piezas en la bolsa de piezas, compruebe si ha sido pre-
viamente conectada. No use herramientas eléctricas para el montaje para evitar que se dañen las piezas.
TABLA DE IDENTIFICACIÓN DE PIEZAS

6
MONTAJE
Sistema de Montaje en Cuatro Etapas
Montaje de la Armadura—Debe comenzar
ensamblado la base y los montantes verticales
que forman el esqueleto del sistema de entrena-
miento.
Montaje de los Brazos—En esta etapa ensam-
blará los brazos y la palanca para las piernas.
Montaje de los Cables—En esta etapa fijará los
cables y las poleas que conectan los brazos con
las pesas.
Montaje del Asiento—En la etapa final ensam-
blará el asiento y el respaldo.
Antes de empezar el montaje, cuidadosamente
lea la siguiente información e instrucciones:
• El montaje requiere dos personas.
• Debido a su peso y tamaño, el sistema de entre-
namiento deberá ser montado en el sitio donde
será utilizado. Asegúrese de que haya suficiente
espacio para caminar alrededor del sistema de
entrenamiento mientras lo monta.
• Para hacer el proceso de montaje lo más sencillo
posible, lo hemos dividido en cuatro etapas. Las
partes necesarias para cada etapa se encuentran
en kits de hardware individuales.
• Coloque todas las piezas en un área despejada y
quite el material de empaque. No se deshaga de
los materiales de empaque hasta que el montaje
esté terminado.
• Para ayudarle a identificar las piezas pequeñas,
use la Tabla de Identificación de Piezas en la
página 5.
• Mientras monta el sistema de entrenamiento,
asegúrese de que todas las piezas estén orienta-
das como se muestra en los dibujos.
• Ajuste todas las piezas mientras las monta, a no
ser que se le instruya de otra manera.
• El montaje requiere la llave hexagonal incluida y
las siguientes herramientas (no incluidas):
dos llaves inglesas
un mazo de goma
un destornillador estándar
un destornillador Phillips
El montaje será más conveniente si tiene al
alcance un conjunto de llaves de tubo, un conjun-
to de llaves de bocas abiertas y cerradas, o un
conjunto de llaves de trinquete.
Facilite el Montaje
Todo éste manual está diseñado para asegurar-
le que el sistema de entrenamiento puede ser
ensamblado exitosamente por cualquier perso-
na. Al apartar tiempo suficiente, el montaje se
hará sin ningún problema.

7
2. Oriente las dos Guías de Pesas (21) como se
muestra, de manera que los orificios indica-
dos queden más cerca de los extremos infe-
riores. Conecte las Guías de Pesas (21) y el
Estabilizador (2) a la Base (1) con dos Pernos
M10 x 67mm (71), dos Arandelas M10 (57) y dos
Contratuercas M10 (56). Apriete completamente
las Contratuercas.
Conecte el Montante Vertical (3) a la Base (1)
con los dos Pernos de Porte M8 x 63mm (64)
indicados y dos Contratuercas M8 (58). No aprie-
te las Contratuercas todavía.
1.
Inserte cuatro Pernos de Porte M10 x 63mm (64)
a través de la Base (1). Nota: Puede ayudar
colocar un trozo de cinta sobre las cabezas
de los pernos para mantenerlos en su lugar.
Para facilitar el montaje, lea la información
en la página 6 antes de comenzar.
Montaje de la Armadura
64
56
58
3
1
58 71
71 2
57
57
21
Orificios
21
2
1
64
64
1

8
3. Conecte la Pata Delantera (7) a la Base (1)
con dos Pernos de Porte M8 x 63mm (64) y
dos Contratuercas M8 (58). No apriete las
Contratuercas todavía.
Conecte el Amortiguador de Pata (60) a la Pata
Delantera (7) con un Tornillo Taladro M4 x 20mm
(69) y una Arandela M4 (33). Asegúrese de que
el Amortiguador de Pata apunta hacia arriba.
4. Conecte la Armadura del Asiento (6) al Montante
Vertical (3) con dos Pernos M8 x 65mm (68), dos
Arandelas M8 (59), y dos Contratuercas M8 (58).
No apriete las Contratuercas todavía.
Conecte la Armadura del Asiento (6) a la Pata
Delantera (7) de la misma forma.
5. Deslice los dos Amortiguadores de Pesas (27)
sobre las Guías de Pesas (21). Oriente las seis
Pesas (22) con los orificios para pasadores en la
parte inferior como se muestra. Deslice las Pesas
sobre las Guías de Pesas (21).
Inserte la Tapa del Selector de Pesas (23) dentro
del Selector de Pesas (24). Inserte el Selector de
Pesas dentro de las seis Pesas (22). Asegúrese
que el pasador del Selector de Pesas esté
orientado como se muestra.
Aplique un poco de la grasa incluida a los orifi-
cios indicados en la Pesa Superior (25). Deslice
la Pesa Superior sobre las Guías de Pesas (21).
25
21 21
22
27
23
24
Pasador
Orificio
del
Pasador
Grasa
5
6
68
68 68
59
59
59
59
3
7
58
58
58
68
4
64
58
58
69
33
Hacia
arriba
60
7
1
3

9
6. Oriente la Armadura Superior (4) con el soporte
soldado en la parte inferior.
Conecte la Armadura Superior (4) al Montante
Vertical (3) con dos Pernos M8 x 65mm (68), dos
Arandelas M8 (59), y dos Contratuercas M8 (58).
No apriete las Contratuercas todavía.
Conecte la Armadura Superior (4) entre las Guías
de Pesas (21) con un Perno M10 x 155mm (74),
dos Arandelas M10 (57), dos Espaciadores
19mm (76) y una Contratuerca M10 (56).
Vea los pasos 2-4 y 6. Apriete las Contratuercas
M8 (58).
7. Lubrique un Perno M10 x 77mm (79). Oriente
la Palanca para las Piernas (8) con el soporte
soldado en el lado que se muestra. Conecte la
Palanca para las Piernas a la Pata Delantera (7)
con el Perno y una Contratuerca M10 (56). No
apriete demasiado la Contratuerca; la Palanca
para las Piernas debe poder girar fácilmente.
8. Lubrique un Perno M10 x 77mm (79). Conecte la
Armadura de Pivote (5) a la Armadura Superior
(4) con el Perno y una Contratuerca M10 (56).
No apriete demasiado la Contratuerca; la
Armadura de Pivote debe pivotar fácilmente.
Conecte los dos Pernos del Brazo (40) a la
Armadura de Pivote (5) con dos Tornillos Taladro
M4 x 20mm (69). Inserte los Pernos del Brazo
dentro de los dos orificios en el Montante Vertical
(3).
Montaje de los Brazos
Grasa
Orificios
5
56 79
69
69
3
40
40
4
8
56
79
Grasa
Soporte
Soldado
7
8
7
4
Soporte
Soldado
3
58
56 74
21
21
59
57
57
59 76
76
68
58
6

10
9. Lubrique un Perno M10 x 51mm (66). Conecte
un Pivote de Cable (39) al Brazo Izquierdo (10)
con el Perno y una Contratuerca M10 (56). No
apriete demasiado la Contratuerca; el Pivote
de Cable debe pivotar fácilmente.
Humedezca el interior de una Almohadilla de
Espuma Grande (42) con agua jabonosa. Deslice
la Almohadilla de Espuma Grande sobre el Brazo
Izquierdo (10).
Conecte un Manubrio (11) al Brazo Izquierdo (10)
con dos Tornillos Botón M10 x 25mm (77) y dos
Arandelas M10 (57).
Conecte el Brazo Derecho (9) de la misma
manera.
11. Vea el DIAGRAMA DE LOS CABLES en la
página 21 para identificar y pasar los cables.
Identifique el Cable del Brazo (54). Engrase
un Perno con Collar M8 x 22mm (65). Conecte
el Cable al Pivote del Cable (39) indicado con
el Perno con Collar y una Contratuerca M8 (58).
Asegúrese de que el extremo del cable puede
pivotar fácilmente en el Perno con Collar.
10. Lubrique un Perno M10 x 85mm (67) y dos Bujes
del Brazo (44). Conecte el Brazo Derecho (9)
a la Armadura de Pivote (5) con el Perno, dos
Arandelas M10 (57), los dos Bujes del Brazo y
una Contratuerca M10 (56). No apriete dema-
siado la Contratuerca; el Brazo Derecho debe
pivotar fácilmente.
Conecte el Brazo Izquierdo (10) a la Armadura
de Pivote (5) de la misma forma.
Montaje de los Cables
58
65
54
39
Grasa
11
10
9
44
56 57
57
5
67
44
Grasa
Grasa
10
11
10
39
57
77
57
66
56
9
42
Grasa
9

11
12. Haga pasar el Cable del Brazo (54) sobre una
polea en V (46). Conecte la polea en V, una
Trampa de Cable Grande (50), dos Protectores
Totales (41) y una Arandela M10 (57) al
Montante Vertical (3) con un Perno M10 x 63mm
(75) y una Contratuerca M10 (56). Asegúrese de
que la Trampa de Cable esté orientada para
sostener el Cable en el surco de la polea en V.
14. Haga pasar el Cable del Brazo (54) sobre una
Polea en V (46). Conecte la Polea en V, una
Trampa de Cable Grande (50), dos Protectores
Totales (41) y una Arandela M10 (57) al
Montante Vertical (3) con un Perno M10 x 63mm
(75) y una Contratuerca M10 (56). Asegúrese de
que la Trampa de Cable esté orientada para
sostener el Cable en el surco de la polea en V.
13. Pase el Cable del Brazo (54) bajo una Polea
90mm (48). Conecte la Polea y dos Protectores
en Mitad (43) al Soporte Doble en U (63) con un
Perno M10 x 46mm (81) y una Contratuerca M10
(56). Asegúrese de que los Protectores en
Mitad estén en la parte externa del Soporte en
“U” como se muestra.
56
3
57
46
50
41
75
54
41
14
48
43
43
63
81
56
54
13
56
3
57 46 50 41 75
54
41
12

12
15. Engrase un Perno con Collar M8 x 22mm (65).
Conecte el Cable del Brazo (54) al Pivote del
Cable (39) indicado con el Perno con Collar y
una Contratuerca M8 (58). Asegúrese de que el
extremo del cable puede pivotar fácilmente en
el Perno con Collar.
15
16. Identifique el Cable Inferior (53). Haga pasar el
Cable Inferior por la Palanca para las Piernas (8)
y por la Pata Delantera (7).
Conecte una Polea 90mm (48) dentro de la
Palanca para las Piernas (8), sobre el Cable
Inferior (53), con un Perno M10 x 67mm (71), dos
Arandelas M10 (57), dos Espaciadores 12mm
(52) y una Contratuerca M10 (56).
8
7
53
52
52
57
57
48
71
56
16
17. Conecte una Polea 90mm (48) dentro de la
Pata Delantera (7), sobre el Cable Inferior (53),
con un Perno M10 x 67mm (71), dos Arandelas
M10 (57), dos Espaciadores 12mm (52) y una
Contratuerca M10 (56).
56
753
52
52
57
57
48
71
17
65
Grasa 54 39 58

13
18. Haga pasar el Cable Inferior (53) bajo una Polea
90mm (48) y a través del Montante Vertical (3).
Conecte la Polea dentro del Montante Vertical
con un Perno M10 x 67mm (71), dos Arandelas
M10 (57), dos Espaciadores 12mm (52) y una
Contratuerca M10 (56).
19. Pase el Cable Inferior (53) sobre una Polea
90mm (48). Conecte la Polea y dos Protectores
en Mitad (43) al Soporte Doble en U (63) con un
Perno M10 x 46mm (81) y una Contratuerca M10
(56). Asegúrese de que los Protectores en
Mitad estén en la parte externa del Soporte en
U como se muestra.
53
43
19
56
3
53
52
52
57
57
48
71
18
20. Pase el Cable Inferior (53) por debajo de una
Polea 90mm (48). Conecte la Polea y dos
Protectores en Mitad (43) a la Base (1) con un
Perno M10 x 46mm (81) y una Contratuerca M10
(56). Asegúrese de que los Protectores en
Mitad estén en la parte externa del Soporte
como se muestra.
53
43
1
43
81
56
48
20
63
43
81
48
56

14
22. Identifique el Cable Superior (55). Haga pasar
el Cable Superior a través de la Armadura
Superior (4) y sobre una Polea 90mm (48).
Conecte la Polea dentro de la Armadura Superior
con un Perno M10 x 67mm (71), dos Arandelas
M10 (57), dos Espaciadores 12mm (52) y una
Contratuerca M10 (56).
23. Haga pasar el Cable Superior (55) sobre una
Polea Delgada 90mm (47) y hacia abajo a través
de la Armadura Superior (4). Conecte la Polea
Delgada dentro de la Armadura Superior con un
Perno M10 x 67mm (71), una Arandela M10 (57)
y un Espaciador 11mm (49). Asegúrese de que
la Polea Delgada no se salga de la Armadura
Superior mientras ejecuta los pasos 24 y 25.
21. Conecte el Cable Inferior (53) al Soporte
en U (45) con una Arandela M8 (59) y una
Contratuerca M8 (58). Vea el diagrama inclui-
do. No apriete demasiado la Contratuerca;
enrósquela al extremo del Cable de manera
que sólo sobresalgan dos pasos de rosca por
encima de la Contratuerca.
4
55
49 57
47
71
23
56
4
55
52 52
57
57
48
22
58
45
59
53
53
45
58
21
24. Pase el Cable Superior (55) bajo una Polea
90mm (48). Conecte la Polea Gruesa, una
Trampa de Cable (51) y dos Protectores en Mitad
(43) al orificio superior del Soporte en U (45) con
un Perno M10 x 51mm (66) y una Contratuerca
M10 (56). Asegúrese de que la Trampa de
Cable esté orientada para sostener el Cable
en el surco de la Polea y que los Protectores
en Mitad estén en la parte externa del Soporte
en U.
66
51
56 48
55
43
43
45
24
71

15
26. Haga pasar el Cable Superior (55) sobre una
Polea 90mm (48) y hacia abajo a través de la
Armadura Superior (4). Conecte la Polea den-
tro de la Armadura Superior con un Perno M10
x 67mm (71), dos Arandelas M10 (57), dos
Espaciadores 12mm (52) y una Contratuerca
M10 (56).
25. Haga pasar el Cable Superior (55) hacia arriba a
través de la Armadura Superior (4) y sobre una
Polea Delgada 90mm (47). Conecte la Polea
dentro de la Armadura Superior con el Perno
M10 x 67mm (71) utilizado en el paso 23, un
Espaciador 11mm (49), una Arandela M10 (57) y
una Contratuerca M10 (56).
71
55
52
52
48
57
457
56
26
55
47
71
4
49
57
56
25
55
82
78
24
27
27. Enrosque completamente una Tuerca M12
(82) sobre el Cable Superior (55). Coloque una
Arandela Grande (78) en la parte superior del
Selector de Pesas (24).
Apriete el Cable Superior (55) dentro del Selector
de Pesas (24) hasta eliminar la holgura de los
cables. Luego, apriete la Tuerca M12 (82) contra
la Arandela Grande (78).

16
28. Conecte el Respaldo (16) al Montante Vertical
(3) con dos Tornillos M6 x 63mm (70) y dos
Arandelas M6 (80).
29. Conecte el Asiento (15) a la Armadura del
Asiento (6) con cuatro Tornillos M6 x 16mm (62)
como se muestra.
Montaje del Asiento
15
62
6
29
70
70
80
80
3
28
30. Conecte la Placa de Seguridad (73) a la Pata
Delantera (7) con un Perno M10 x 70mm (72),
una Arandela M10 (57), y una Contratuerca M10
(56). No apriete demasiado la Contratuerca; la
Placa para los Pies debe pivotar fácilmente.
Conecte el Pasador de la Palanca para las
Piernas (38) a la Pata Delantera (7) con un
Tornillo Taladro M4 x 20mm (69). Inserte el
Pasador de la Palanca para las Piernas a través
de la Palanca para las Piernas (8) y a través de
la Placa de Seguridad (73).
56 57
69
38 8
30
16
73
7
72

17
32. Conecte la Almohadilla de Doblez (14) al Poste
de Doblez (13) con dos Tornillos M6 x 16mm
(62).
33. Asegúrese de que todas las piezas hayan sido ajustadas apropiadamente. El uso de las piezas restantes se
explicará en la sección AJUSTES, que comienza en la página 18.
Antes de usar el sistema de entrenamiento, jale cada cable varias veces para asegurarse de que éstos se
mueven con suavidad sobre las poleas. Si uno de los cables no se mueve con suavidad, encuentre el pro-
blema y corríjalo. IMPORTANTE: Si los cables no están instalados adecuadamente, podrían dañarse al
utilizar un gran peso. Vea el cableado correcto en el DIAGRAMA DE LOS CABLES de la página 21. Si
hay alguna holgura en los cables, deberá eliminarla apretando estos últimos. Vea MANTENIMIENTO
en la página 22.
32
14
13
62
31. Inserte el Tubo de la Almohadilla (29) dentro de
la Pata Delantera (7). Deslice dos Almohadillas
de Espuma Pequeñas (28) por los extremos del
Tubo de la Almohadilla.
Deslice dos Almohadillas de Espuma Pequeñas
(28) por la Palanca para las Piernas (8).
29
8
28 7
28
28
31
28

Esta sección explica cómo ajustar el sistema de entrenamiento. Vea la GUÍA DE EJERCICIOS en la página
23 para información importante acerca de cómo obtener los mayores beneficios de su programa de ejercicio.
Consulte también la guía de ejercicios adjunta para ver la forma correcta de realizar cada ejercicio.
Cada vez que se utilice el sistema de entrenamiento debe asegurarse de que todas las piezas estén correcta-
mente apretadas. Reemplace inmediatamente cualquier pieza gastada. Se puede limpiar el sistema de entrena-
miento con un paño húmedo y un detergente suave no abrasivo. No use solventes.
18
AJUSTES
CAMBIANDO EL AJUSTE DE PESAS
Para cambiar el ajuste de la pila de pesas, inserte el
Pasador de Pesas (26) bajo la Pesa (22) deseada.
Inserte el Pasador de Pesas de manera que el extre-
mo curvo haga contacto con la pila de pesas. Gire
el extremo curvo hacia abajo. Nota: No use la Pesa
Superior (25) sola.
Nota: Debido a los cables y las poleas, la canti-
dad de resistencia de cada estación de ejercicios
puede diferir del ajuste de peso. Use la TABLA
DE RESISTENCIA DE PESAS de la página 20 para
encontrar la cantidad aproximada de resistencia
para cada estación de pesas.
26
22
37
37
19
CONECTANDO LOS ACCESORIOS A UNA
ESTACIÓN DE POLEA
Conecte la Barra Lateral (35) al Cable Superior (55) en
la estación de polea superior con un Gancho del Cable
(37). Para algunos ejercicios, la Cadena (19) debe
conectarse entre la Barra Lateral y el Cable con dos
Ganchos del Cable. Ajuste la longitud de la Cadena
entre la Barra Lateral y el Cable de modo que la
Barra Lateral se encuentre en la posición de inicio
correcta para el ejercicio que va a realizar.
La Barra Lateral (35) o la Correa de Asidero (no se
muestra) pueden conectarse a cualquiera de las
estaciones de polea de la misma manera. Siempre
inserte la Placa de Seguridad (no se muestra) antes
de usar la estación de polea inferior (vea USANDO LA
PALANCA PARA LAS PIERNAS en la página 19).
35
55
25

19
USANDO LA PALANCA PARA LAS PIERNAS
Antes de usar la estación de polea baja, inserte el
Pasador de la Palanca para las Piernas (38) den-
tro de la Palanca para las Piernas (8) y la Placa de
Seguridad (73). 38
873
5
CONVERSIÓN DE LOS BRAZOS
Para usar los Brazos (9, 10) como brazos de mari-
posa, inserte los Pernos del Brazo (40) dentro de los
orificios en el Montante Vertical (3) y de la Armadura
de Pivote (5) como se muestra.
Para usar los Brazos (9, 10) como brazos de prensa,
inserte los Pernos del Brazo (40) dentro de los orifi-
cios de la Armadura de Pivote (5) y de los Brazos.
40
3
9
Orificios
13 61
14
7
30
USANDO LA ALMOHADILLA DE DOBLEZ
Para usar la Almohadilla de Doblez (14), retire
la Tapa Interna Redonda 50mm (30) de la Pata
Delantera (7). Inserte el Poste de Doblez (13) dentro
de la Pata Delantera, y asegúrela con la Perilla de
Doblez (61).
Antes de realizar un ejercicio que no requiera la
Almohadilla de Doblez (14), retírela y coloque la
Tapa Interna Redonda 50mm (30) dentro de la Pata
Delantera (7). Guarde la Almohadilla de doblez aleja-
da del sistema de entrenamiento.
10

20
ASEGURAR LA PILA DE PESAS
Asegure la pila de pesas insertando el Pasador de
Seguridad (18) a través de una Guía de Pesas (21) y
fijando el Seguro (17) sobre el Pasador de Seguridad. 21
18
17
TABLA DE RESISTENCIA DE PESAS
La tabla de abajo muestra la resistencia aproximada de las pesas en cada estación de ejercicios. Los números
que aparecen en la columna izquierda se refieren a las pesas 12,5 lb. Nota: La resistencia de pesas mostra-
da para la estación de brazo mariposa se indica para cada brazo. La resistencia real en cada estación
puede variar debido a las diferencias entre las pesas individuales así como a la fricción entre los cables,
las poleas y las guías de pesas.
Nota: 1 lb. = 0,45 kg
PESA
Superior
1
2
3
4
5
6
POLEA
SUPERIOR
(lbs.)
11
26
42
61
70
86
101
BRAZO
MARIPOSA
(lbs.)
16
22
30
41
51
63
82
BRAZO DE
PRENSA
(lbs.)
27
44
62
97
127
144
173
PALANCA
PARA LAS
PIERNAS
(lbs.)
27
57
85
111
159
182
214
POLEA
INFERIOR
(lbs.)
26
55
86
119
148
163
187

21
El diagrama que aparece más abajo muestra el cableado correcto. Los números de cada diagrama indican la
ruta correcta de cada cable. Use el diagrama para asegurarse de que tanto los cables como los protectores del
cable se han montado correctamente. Si los cables o los protectores del cable no están correctamente ensam-
blados, la máquina de musculación no funcionará correctamente y podría sufrir daños. Asegúrese de que los
protectores del cable no toquen ni traben los cables.
1
2
4
2
3
45
5
Cable del Brazo (54)
Largo: 226 cm
Cable Superior (55)
Largo: 290 cm
Cable Inferior (53)
Largo: 325 cm
3
1
6
12
3
4
5
6
DIAGRAMA DE LOS CABLES

22
Cada vez que se utilice el sistema de entrenamiento hay que asegurarse de que todas las piezas estén correc-
tamente apretadas. Reemplace inmediatamente cualquier pieza gastada. El sistema de entrenamiento puede
ser limpiado con un paño húmedo y un detergente suave no abrasivo. No use solventes.
APRIETE DE LOS CABLES
El cable tejido, que es el tipo de cable utilizado en el sistema de entrenamiento, puede estirarse un poco
cuando se utiliza por primera vez. Si hay holgura en los cables antes de sentir resistencia, hay que apretar los
cables. Para apretar los cables, primeramente inserte el pasador de pesas en el centro de la pila de pesas. La
holgura de estos cables puede eliminarse por vías diferentes:
Vea el diagrama incluido. Apriete la Contratuerca
M8 (58) que conecta el extremo del Cable Inferior
(53) al Soporte en U (45).
Retire la Contratuerca M10 (56) y el Perno M10 x
51mm (66) de la Trampa de Cable (51), de la Polea
90mm (48), de los dos Protectores en Mitad (43) y
del Soporte en U (45). Vuelva a conectar la Polea,
la Trampa de Cable y los Protectores en Mitad al
otro orificio del Soporte en U. Asegúrese de que la
Trampa de Cable esté en la posición adecuada
y que el Cable Inferior (53) y la Polea se muevan
con suavidad.
Afloje la Tuerca M12 (82) en el Cable Superior (55).
Apriete el Cable dentro del Selector de Pesas (24)
hasta eliminar la holgura del Cable. Luego, apriete la
tuerca M12 contra la Arandela Grande (78).
48
45
53
82
78
24
No sobre apriete los cables. Si los cables están demasiado apretados, la pesa superior será levantada
separándose de la pila de pesas. Si algún cable tiende a descarrilarse de las poleas a menudo, puede
que éste haya quedado torcido. Extraiga el cable y vuélvalo a instalar. Si es necesario sustituir los cables,
vea CÓMO ORDENAR PIEZAS DE REPUESTO en la contraportada de este manual.
55
MANTENIMIENTO
53
45
58
51
66
43
43
56

23
GUÍA DE EJERCICIOS
CUATRO TIPOS DE ENTRENAMIENTOS DE
RESISTENCIA
Nota: Una “repetición” es un ciclo completo de un ejer-
cicio, como un abdominal. Una “serie” es un grupo de
repeticiones.
Fortalecer los Músculos—Trabaje sus músculos
cerca a su capacidad máxima y progresivamente
aumente la intensidad de su ejercicio. Ajuste el nivel
de la intensidad de un ejercicio individual como sigue:
• Cambie la cantidad de la resistencia usada.
• Cambie el número de repeticiones o de series
ejecutadas.
Use su propio juicio para determinar la cantidad de
resistencia que es correcta para usted. Empiece con
3 series de 8 repeticiones por cada ejercicio que
realice. Descanse por 3 minutos después de cada
serie. Cuando usted pueda completar 3 series de 12
repeticiones sin dificultad, incremente la cantidad de
resistencia.
Tonificar—Tonifique sus músculos trabajándolos a
un porcentaje moderado de su capacidad. Seleccione
una cantidad moderada de resistencia y aumente el
número de repeticiones en cada serie. Complete tan-
tas series de 15 a 20 repeticiones como sea posible
sin ninguna incomodidad. Descanse por 1 minuto
después de cada serie. Trabaje sus músculos comple-
tando más series en vez de usar cantidades altas de
resistencia.
Pérdida de Peso—Para perder de peso, use una
cantidad baja de resistencia y aumente el número
de repeticiones para cada serie. Ejercite por 20 o 30
minutos, descansando por un máximo de 30 segundos
entre las series.
Entrenamiento Variado—Combine entrenamiento de
resistencia y ejercicios aeróbicos siguiendo este tipo
de programa:
• Entrenamientos de resistencia los lunes, miércoles y
viernes.
• 20 a 30 minutos de ejercicios aeróbicos los martes y
jueves.
• Un día entero de descanso cada semana para darle
a su cuerpo tiempo para restablecerse.
GUÍA DE ENTRENAMIENTO
Familiarícese con el equipo y aprenda la forma correc-
ta de cada ejercicio. Use su propio juicio para deter-
minar el tiempo apropiado para cada entrenamiento, y
el número de repeticiones y series para completarlo.
Progrese a su propio paso y sea sensitivo a las seña-
les de su cuerpo. Siga cada entrenamiento con por lo
menos un día de descanso.
Calentamiento—Empiece con 5 a 10 minutos de esti-
ramiento y ejercicios ligeros. El calentamiento aumen-
ta la temperatura de su cuerpo, su ritmo cardíaco y su
circulación preparándolo para los ejercicios.
Hacer Ejercicios—Incluye de 6 a 10 diferentes ejer-
cicios en cada entrenamiento. Seleccione ejercicios
para cada grupo principal de músculos, enfatizando
las áreas que usted quiere desarrollar. Para darle
balance y variedad a sus entrenamientos, varíe los
ejercicios de entrenamiento a entrenamiento.
Enfriamiento—Termine con 5 a 10 minutos de estira-
miento. El estiramiento aumenta la flexibilidad de sus
músculos y le ayuda a evitar problemas posteriores al
ejercicio.
FORMAS DE EJERCICIO
Muévase a través del campo completo del movimien-
to para cada ejercicio y mueva solamente las partes
apropiadas del cuerpo. Ejecute las repeticiones en
cada serie suavemente y sin parar. La etapa del
esfuerzo de cada repetición debe durar por lo menos
la mitad del tiempo de la etapa de regreso. Exhale
durante la etapa del esfuerzo en cada repetición e
inhale durante el tiempo de regreso. Nunca retenga la
respiración.
Descanse por un período de tiempo corto después de
cada serie.
• Fortalecer los Músculos—Descanse por tres minutos
después de cada serie.
• Tonificar—Descanse por un minuto después de
cada serie.
• Pérdida de Peso—Descanse por 30 segundos des-
pués de cada serie.
MANTÉNGASE MOTIVADO
Para estar motivado, mantenga un registro de cada
entrenamiento. Escriba la fecha, los ejercicios ejecuta-
dos, la resistencia usada y el número de series y repe-
ticiones terminadas. Registre su peso y las medidas
de las partes principales del cuerpo una vez al mes.
Para alcanzar buenos resultados, haga del ejercicio
una parte regular y agradable de su vida.

24
REGISTRO DE EJERCICIOS
Haga copias de ésta página, y use las copias para que haga un horario y registre su fuerza y los entrenamientos
aeróbicos. El horario y registro de sus entrenamientos le ayudará a hacer ejercicios regularmente y que sea una
parte agradable en su vida.
Ejercicio Libras Grupo Repeti-
ciones Ejercicio Libras Grupo Repeti-
ciones
1. 6.
2. 7.
3. 8.
4. 9.
5. 10.
Ejercicio Tiempo Distancia Velocidad
Fuerza
Fecha:
Ejercicio Libras Grupo Repeti-
ciones Ejercicio Libras Grupo Repeti-
ciones
1. 6.
2. 7.
3. 8.
4. 9.
5. 10.
Ejercicio Libras Grupo Repeti-
ciones Ejercicio Libras Grupo Repeti-
ciones
1. 6.
2. 7.
3. 8.
4. 9.
5. 10.
Fuerza
Fecha:
Fuerza
Fecha:
Aeróbico
Fecha:
Ejercicio Tiempo Distancia Velocidad
Aeróbico
Fecha:
Ejercicio Tiempo Distancia Velocidad
Aeróbico
Fecha:

N° Ctd. Descripción N° Ctd. Descripción
1 1 Base
2 1 Estabilizador
3 1 Montante Vertical
4 1 Armadura Superior
5 1 Armadura de Pivote
6 1 Armadura del Asiento
7 1 Pata Delantera
8 1 Palanca para las Piernas
9 1 Brazo Derecho
10 1 Brazo Izquierdo
11 2 Manubrio
12 1 Placa Cuadrada
13 1 Poste de Doblez
14 1 Almohadilla de Doblez
15 1 Asiento
16 1 Respaldo
17 1 Seguro
18 1 Pasador de Seguridad
19 1 Cadena
20 1 Correa de Asidero
21 2 Guía de Pesas
22 6 Pesa
23 1 Tapa del Selector de Pesas
24 1 Selector de pesas
25 1 Pesa Superior
26 1 Pasador de Pesas
27 2 Parachoques de Pesas
28 4 Almohadilla de Espuma Pequeña
29 1 Tubo de la Almohadilla
30 8 Tapa Interna Redonda 50mm
31 5 Tapa Interna Cuadrada 50mm
32 1 Tapa Exterior Cuadrada 38mm
33 1 Arandela M4
34 4 Tapa Interna Redonda 19mm
35 1 Barra Lateral
36 2 Mango
37 3 Gancho del Cable
38 1 Pasador de la Palanca para las
Piernas
39 2 Pivote del Cable
40 2 Perno del Brazo
41 4 Protector Total
42 2 Almohadilla de Espuma Grande
43 8 Protector en Mitad
44 4 Buje del Brazo
45 1 Soporte en U
46 2 Polea en V
47 2 Polea Delgada 90mm
48 9 Polea 90mm
49 2 Espaciador 1mm
50 2 Trampa de Cable Grande
51 1 Trampa de Cable
52 10 Espaciador 12mm
53 1 Cable Inferior
54 1 Cable del Brazo
55 1 Cable Superior
56 22 Contratuerca M10
57 27 Arandela M10
58 13 Contratuerca M8
59 7 Arandela M8
60 1 Amortiguador de la Pata
61 1 Perilla de Doblez
62 6 Tornillo M6 x 16mm
63 1 Soporte en “U” Doble
64 4 Perno de Porte M8 x 63mm
65 2 Perno con Collar M8 x 22mm
66 3 Perno M10 x 51mm
67 2 Perno M10 x 85mm
68 6 Perno M8 x 65mm
69 4 Tornillo Taladro M4 x 20mm
70 2 Tornillo M6 x 63mm
71 8 Perno M10 x 67mm
72 1 Perno M10 x 70mm
73 1 Placa de Seguridad
74 1 Perno M10 x 155mm
75 2 Perno M10 x 63mm
76 2 Espaciador 19mm
77 4 Tornillo Botón M10 x 25mm
78 1 Arandela Grande
79 2 Perno M10 x 77mm
80 2 Arandela M6
81 3 Perno M10 x 46mm
82 1 Tuerca M12
* – Manual del Usuario
* – Guía de Ejercicios
* – Paquete de Grasa
* – Llave Hexagonal
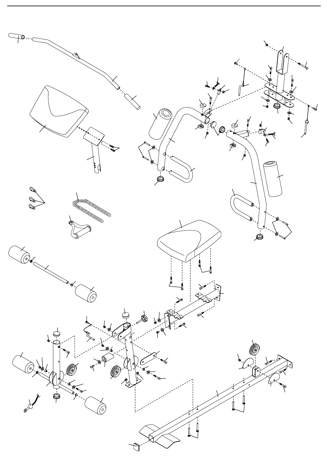
LISTA DE LAS PIEZAS Nº de Modelo WESY1938.1 R0714A
Nota: Las especificaciones están sujetas a cambios sin previo aviso. Para información de cómo solicitar piezas
de repuesto, vea la contraportada de este manual. *Estas piezas no están ilustradas.
25

1
56
79
5
67
67
57
57
69
57
56
56
40
58
39
54
65
66
44
44
56
30
66
44
44
56
65 54
39
58
42
42
11
11
30
77
30
77
13
62
36
35
36
37
6
62
62
68
68
68
68
61
58
58
56 57
30
28
34
34
29
28
69
33
30
56
79
52
57
56
52
48
57
30
71
34
28
53
28
69
57
56
52
48 58 58
52
73
72
71
31 64
64
81
43
43
56
48
71
71
8
34
60 57
9
10
7
40
69
57
57
59
59
38
19
20
57
30
83
15
14
DIBUJO DE LAS PIEZAS A Nº de Modelo WESY1938.1 R0714A
26

2
3
31
31
26
22
27
27
21
57
56
57
24
23
25
78
82
55
74
56
55
48
31
52
57 71 47
52
57
56 4
56
57
57
49
52
48
31
52
49
57
57 71
53
43
66
43
48
56 51
58
59
45
32
70
80
56
56 41 57
46
50
41 75
41
58
58
57
46
59 59
68
50
41
75
70
80
58
59
57
57
56
52 52
71
58
58
48
56
56
81
43
48
43
48
43
43
63
81
76
57
57
12
17
18
16
27
DIBUJO DE LAS PIEZAS B Nº de Modelo WESY1938.1 R0714A

Nº de Pieza 365005 R0714A Impreso en EE.UU. © 2014 ICON Health & Fitness, Inc.
CÓMO ORDENAR PIEZAS DE REPUESTO
Para ordenar piezas de repuesto, por favor vea la portada de este manual. Para ayudarnos a proporcionarle
asistencia, por favor esté listo para proporcionar la siguiente información cuando nos contacte:
• el número de modelo y el número de serie del producto (vea la portada de este manual)
• el nombre del producto (vea la portada de este manual)
• el número de la pieza y descripción de la (de las) pieza(s) de reemplazo (vea la LISTA DE LAS PIEZAS y el
DIBUJO DE LAS PIEZAS hacia el final de este manual)
ICON Health & Fitness, Inc. (ICON) garantiza que este producto está libre de defectos en fabricación y
material, bajo el uso normal y condiciones normales de servicio. Se garantizan las piezas y la mano de
obra por un (1) año de la fecha de compra.
Esta garantía se extiende solo al comprador original. La obligación de ICON bajo esta garantía se limita
a la reparación y el reemplazo, que será la opción de ICON, del producto por medio de uno de los cen-
tros de servicio autorizados. Todos los reparos por lo cual se hacen reclamos de garantía, deben ser
pre-autorizados por ICON. Si el producto se envía a un centro de servicio, los cargos de envío desde y
hacia el centro de servicio serán la responsabilidad del cliente. El cliente será responsable de pagar un
cargo mínimo de envío por piezas de reemplazo enviadas mientras este producto está bajo la garantía.
El cliente será responsable por un cargo mínimo de viaje por servicios dados dentro del domicilio. Esta
garantía no se extiende a cualquier daño al producto causado por o atribuido a daños causados durante
el envió, abuso, mal uso, o uso impropio o anormal, o reparos no proveídos por un centro autorizado de
servicio de ICON; a productos utilizados en lugares con el propósito de comercio o renta o en tiendas
como modelos de demostración. ICON no autoriza alguna otra garantía, más allá de la que se presenta
especícamente aquí.
ICON no es responsable o está obligado por daños indirectos, especiales, o como consecuencia que sur-
jan por o en conexión con el uso o el desempeño del producto; daños con respecto a pérdida económica,
pérdida de propiedad, pérdida de réditos o benecios, pérdida de poder disfrutar o usar, o costos de retiro
o instalación; u otros daños consecuentes de cualquier naturaleza.
La garantía que se extiende aquí reemplaza cualquier o todas las otras
garantías, y cualquier garantía insinuada por la promoción del producto
para la venta o el bienestar físico para un propósito particular son limitados
en su alcance y duración de los términos que se exponen en ésta. Esta
garantía le da derechos legales especícos.
GARANTÍA LIMITADA
IMPORTANTE: Usted debe registrar este producto dentro de 30 días de la fecha de compra para
evitar cargos adicionales por servicio rendido bajo la garantía. Comuníquese al 01-800-681-9542
o servicio@icontness.com.
Tecnoservicio
Tenayuca 55 “A” Mez. 1
Col. Letran Valle
Del. Benito Juarez
Mexico DF C.P. 03650
Tel. 01-800-681-9542