ACE&EASTMAN Bas 342Gxl Parts Book BAS342G_PB_JE User Manual
2016-10-15
User Manual: ACE&EASTMAN Bas-342Gxl Parts Book
Open the PDF directly: View PDF
.
Page Count: 78
- Cover
- A1. Machine body
- A2. Machine body
- B. Upper shaft and needle bar mechanism
- D1. Work clamp lifter mechanism
- D2. Work clamp lifter mechanism
- E. Lower shaft mechanism
- F. Lubrication
- G. Threading mechanism
- H. Bobbin winder mechanism
- J. Thread trimmer mechanism
- K. Thread wiper mechanism
- L. Tension release mechanism
- M1. Control box mechanism
- M2. Control box mechanism (Power supply motor PCB)
- N. Power switch mechanism
- P. Air pressure mechanism
- Q. Power supply equipment mechanism
- R. Operation panel mechanism
- S. Motor mechanism
- T. Foot switch pedal mechanism
- V. Programmer
- W1.Attachment set (Option parts)
- W2. Attachment set (Option parts)
- W3. Attachment set (Option parts)
- W4. Attachment set (Option parts)
- W5. Attachment set (Option parts)
- Z. Accessories
- Wa. Warning labels
- Ap. Parts list sorted by application
- Ga. Gauge parts list
- Back Cover
- G010650.PDF
- G010648.PDF
- G010899.PDF
- G010900.PDF
- G010653.PDF
- G010651.PDF
- G010174A.PDF
- G010645.PDF
- G010652.PDF
- G010240.PDF








7
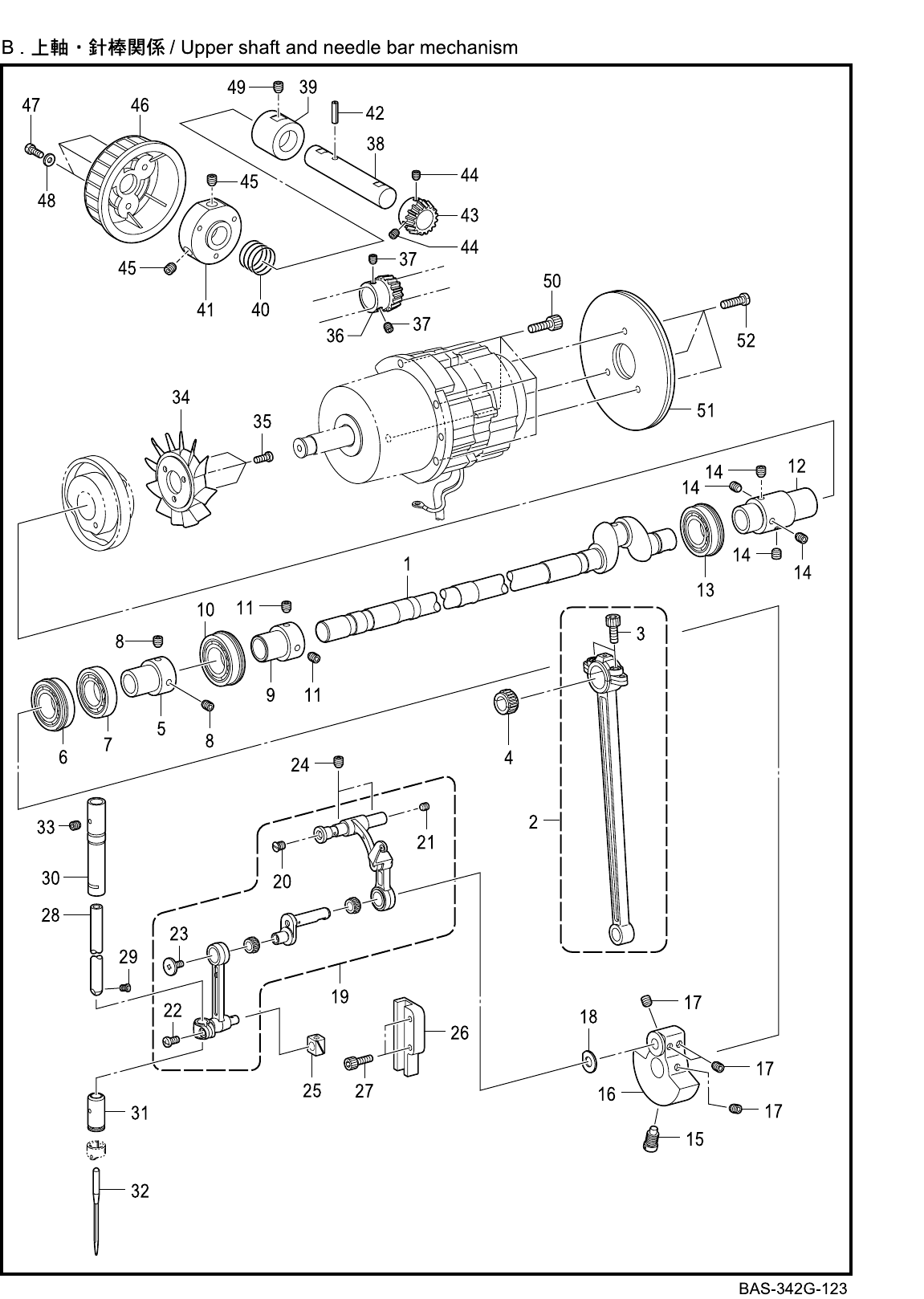
B. / Upper shaft and needle bar mechanism
REF.NO CODE Q'TY NAME OF PARTS RM
1 SA8565101 1
UPPER SHAF
T
2 SA3499001 1 CRANK ROD ASS
Y
3 018501636 2
BOLT SOCKET M5X16
4 SA4172001 1
NEEDLE BEARING: BLUE
4 SA4173001 1
NEEDLE BEARING: BLAC
K
4 SA4174001 1
NEEDLE BEARING: GRA
Y
4 SA4175001 1
NEEDLE BEARING: YELLO
W
5 SA3206001 1
BALL BEARING BUSH
6 SA4179001 1
BALL BEARING 6904DDUN
R
7 SA4180001 1
BALL BEARING 6904DDU
8 S23651001 2 SET SCREW SOCKET (FT) M6X6
9 SA3206001 1
BALL BEARING BUSH
10 SA4177001 1
BALL BEARING 6004DDUN
R
11 S23651001 2 SET SCREW SOCKET (FT) M6X6
12 SA4608101 1
JOINT G
13 SA4178001 1
BALL BEARING 6204DDUN
R
14 S23651001 4 SET SCREW SOCKET (FT) M6X6
15 S25235001 1
SCREW M8
16 SA4609101 1 THREAD TAKE-UP CRANK G
17 S23651001 4 SET SCREW SOCKET (FT) M6X6
18 110367001 1
WASHER, PLAIN SPECIAL
8
19 SA6182001 1
THREAD TAKE-UP LEVER FK SE
T
20 SA2958001 1
SCREW FLAT M5X6
21 012500536 1 SET SCREW SOCKET (FT) M5X5
22 062400816 1 SCREW PAN M4X8
23 145465001 1
SCREW, SM3.57-40X6 L
24 012060636 2 SET SCREW SOCKET (FT) M6X6
25 142211001 1 SLIDE BLOC
K
26 SA3528001 1 SLIDE BLOCK GUIDE
27 018401636 2
BOLT SOCKET M4X16
28 SA4622001 1
NEEDLE BA
R
29 144458001 1
SET SCREW, SM3.57-40X4.5
30 SA4666001 1
NEEDLE BAR BUSH U
K
31 SA3224001 1
NEEDLE BAR BUSH D
32 145646019 1 NEEDLE, DPX17
33 012060536 1 SET SCREW, SOCKET (FT) M6X5
34 S38713100 1 FAN
35 062400816 3 SCREW PAN M4X8
36 SA6108001 1
PULLEY GEAR
R
37 012500536 2 SET SCREW SOCKET (FT) M5X5
38 SA4626101 1
PULLEY SHUFT
39 SA4627001 1
PULLEY BUSH
40 SA4628101 1
PULLEY SPRING
41 SA4629001 1
PULLEY BASE
42 047401242 1
PIN SPRING ROLL AW4
43 SA4624001 1
PULLEY GEAR L
44 012500536 2 SET SCREW SOCKET (FT) M5X5
45 S23651001 2 SET SCREW SOCKET (FT) M6X6
46 SA4630001 1
PULLE
Y
47 062401006 3 SCREW PAN M4X10
48 SA5158101 3
WASHER PLAIN L 4
49 012060636 1 SET SCREW SOCKET (FT) M6X6
50 018501636 4
BOLT SOCKET M5X16
51 SA5230001 2 FRIES WHEEL 2
52 062401016 3 SCREW PAN M4X10
BAS-342G-123
8

8
B. / Upper shaft and needle bar mechanism
REF.NO CODE Q'TY NAME OF PARTS RM
1 SA8565101 1
UPPER SHAF
T
2 SA3499001 1 CRANK ROD ASS
Y
3 018501636 2
BOLT SOCKET M5X16
4 SA4172001 1
NEEDLE BEARING: BLUE
4 SA4173001 1
NEEDLE BEARING: BLAC
K
4 SA4174001 1
NEEDLE BEARING: GRA
Y
4 SA4175001 1
NEEDLE BEARING: YELLO
W
5 SA3206001 1
BALL BEARING BUSH
6 SA4179001 1
BALL BEARING 6904DDUN
R
7 SA4180001 1
BALL BEARING 6904DDU
8 S23651001 2 SET SCREW SOCKET (FT) M6X6
9 SA3206001 1
BALL BEARING BUSH
10 SA4177001 1
BALL BEARING 6004DDUN
R
11 S23651001 2 SET SCREW SOCKET (FT) M6X6
12 SA4608101 1
JOINT G
13 SA4178001 1
BALL BEARING 6204DDUN
R
14 S23651001 4 SET SCREW SOCKET (FT) M6X6
15 S25235001 1
SCREW M8
16 SA4609101 1 THREAD TAKE-UP CRANK G
17 S23651001 4 SET SCREW SOCKET (FT) M6X6
18 110367001 1
WASHER, PLAIN SPECIAL
8
19 SA6182001 1
THREAD TAKE-UP LEVER FK SE
T
20 SA2958001 1
SCREW FLAT M5X6
21 012500536 1 SET SCREW SOCKET (FT) M5X5
22 062400816 1 SCREW PAN M4X8
23 145465001 1
SCREW, SM3.57-40X6 L
24 012060636 2 SET SCREW SOCKET (FT) M6X6
25 142211001 1 SLIDE BLOC
K
26 SA3528001 1 SLIDE BLOCK GUIDE
27 018401636 2
BOLT SOCKET M4X16
28 SA4622001 1
NEEDLE BA
R
29 144458001 1
SET SCREW, SM3.57-40X4.5
30 SA4666001 1
NEEDLE BAR BUSH U
K
31 SA3224001 1
NEEDLE BAR BUSH D
32 145646019 1 NEEDLE, DPX17
33 012060536 1 SET SCREW, SOCKET (FT) M6X5
34 S38713100 1 FAN
35 062400816 3 SCREW PAN M4X8
36 SA6108001 1
PULLEY GEAR
R
37 012500536 2 SET SCREW SOCKET (FT) M5X5
38 SA4626101 1
PULLEY SHUFT
39 SA4627001 1
PULLEY BUSH
40 SA4628101 1
PULLEY SPRING
41 SA4629001 1
PULLEY BASE
42 047401242 1
PIN SPRING ROLL AW4
43 SA4624001 1
PULLEY GEAR L
44 012500536 2 SET SCREW SOCKET (FT) M5X5
45 S23651001 2 SET SCREW SOCKET (FT) M6X6
46 SA4630001 1
PULLE
Y
47 062401006 3 SCREW PAN M4X10
48 SA5158101 3
WASHER PLAIN L 4
49 012060636 1 SET SCREW SOCKET (FT) M6X6
50 018501636 4
BOLT SOCKET M5X16
51 SA5230001 2 FRIES WHEEL 2
52 062401016 3 SCREW PAN M4X10
BAS-342G-123
8

15
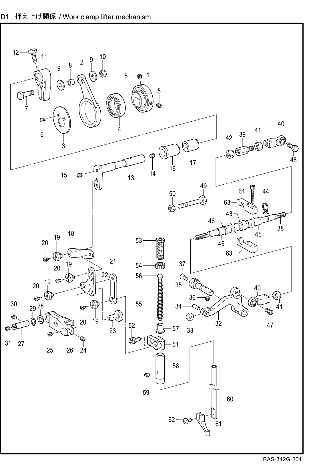
D1. / Work clamp lifter mechanism
REF.NO CODE Q'TY NAME OF PARTS RM
1 SA4759001 1 STEPPING CLAMP CAM
2 SA4760001 1 STEPPING CLAMP CON.ROD
3 SA4763001 1
WASHER STEPPING CLAMP CAM
4 623033000 1
BALL BEARING, 6805V
V
5 S23651001 2 SET SCREW SOCKET (FT) M6X6
6 062400616 2 SCREW PAN M4X6
7 SA4761001 1
ROLLER SHAFT STEPPING CLAMP
8 SA4762001 1
ROLLER STEPING CLAMP
9 SA4302001 2
WASHE
R
10 021060106 1 NUT 1 M6
11 SA4764001 1
STEPPING CLAMP ARM
R
12 017061213 1
BOLT M6X12
13 SA4765001 1
STEPPING CLAMP ARM F
14 012060636 1 SET SCREW SOCKET (FT) M6X6
15 S23651001 1
SET SCREW SOCKET (FT) M6X6
16 SA4766001 1
BUSH STEPPING CLAMP F
17 SA4767001 1
BUSH STEPPING CLAMP
R
18 SA4768001 1 STEPPING CLAMP LINK
A
19 SA4769101 4
SHOULDER SCREW 6
20 062300416 4 SCREW PAN M3X4
21 SA4770001 1 STEPPING CLAMP LINK B
22 SA4772001 1 STEPPING CLAMP LIN
K
23 SA4773001 1
SHAFT STEPPING CLAMP LIN
K
24 012060636 1 SET SCREW SOCKET (FT) M6X6
25 012400436 1 SET SCREW SOCKET (FT) M4X4
26 SA4777001 1
STEPPING CLAMP LIFTER LIN
K
27 SA4771001 1
SHAFT STEPPING CLAMP LIFT LIN
K
28 SA2161001 1
WASHE
R
29 048080142 1
RETAINING RING EXTERNAL C8
30 012060636 1 SET SCREW SOCKET (FT) M6X6
31 012400436 1 SET SCREW SOCKET (FT) M4X4
32 SA4779001 1
STEPPING CLAMP LIFTER
33 SA4781001 1
ROLLER STEPPING CLAMP LIFTE
R
34 141362001 1 ROLLER
35 SA4780001 1
SHAFT STEPPING CLAMP LIFTER
36 012060636 1 SET SCREW SOCKET (FT) M6X6
37 S25310101 1
SCREW, FLAT M4
38 SA8683001 1
STEPPING CLAMP LIFTER ROD
39 SA4853001 1
JOINT STEPPING CLAMP LIFTER
40 SA8684001 2
ROUND JOINT ASS
Y
41 021060306 2 NUT 3 M6
42 SA3227001 1 NUT(FT), M6
43 SA8688001 1
RUBBER BUSH
44 SA6572001 1 WICK L=140
45 SA8912001 2
RUBBER TUBE
46 S04159000 1
BAND 1M
47 SA8689001 1
SCREW M6X12
48 017061612 1
BOLT M6X16
49 017065002 1
BOLT M6X50
50 021060106 1 NUT 1 M6
51 SA4778001 1
PRESSER BAR CLAM
P
52 018400836 1
BOLT SOCKET M4X8
53 SA1174001 1
PESSER ADJUSTING SCREW, M14
54 SA1175001 1
A
DJUST SCREW NU
T
55 SA5300001 1
PRESSER BAR SPRING
56 S10112101 1
PRESSER BAR SPRING GUID
E
57 SA5301001 1
COLLAR PRESSER BAR SPRING
58 SA2195001 1
PRESSER BAR BUSH
59 012060536 1 SET SCREW, SOCKET (FT) M6X5
60 111466121 1
PRESSER BA
R
61 S42843001 1 PRESSER FOOT,
A
62 S13399001 1
SCREW, SM3.57X12
63 SA8690001 2
HOLDER STEP-CLAMP LIFTER ROD
64 018402536 2
BOLT SOCKET M4X25
BAS-342G-204
16

D1. / Work clamp lifter mechanism
REF.NO CODE Q'TY NAME OF PARTS RM
1 SA4759001 1 STEPPING CLAMP CAM
2 SA4760001 1 STEPPING CLAMP CON.ROD
3 SA4763001 1
WASHER STEPPING CLAMP CAM
4 623033000 1
BALL BEARING, 6805V
V
5 S23651001 2 SET SCREW SOCKET (FT) M6X6
6 062400616 2 SCREW PAN M4X6
7 SA4761001 1
ROLLER SHAFT STEPPING CLAMP
8 SA4762001 1
ROLLER STEPING CLAMP
9 SA4302001 2
WASHE
R
10 021060106 1 NUT 1 M6
11 SA4764001 1
STEPPING CLAMP ARM
R
12 017061213 1
BOLT M6X12
13 SA4765001 1
STEPPING CLAMP ARM F
14 012060636 1 SET SCREW SOCKET (FT) M6X6
15 S23651001 1
SET SCREW SOCKET (FT) M6X6
16 SA4766001 1
BUSH STEPPING CLAMP F
17 SA4767001 1
BUSH STEPPING CLAMP
R
18 SA4768001 1 STEPPING CLAMP LINK
A
19 SA4769101 4
SHOULDER SCREW 6
20 062300416 4 SCREW PAN M3X4
21 SA4770001 1 STEPPING CLAMP LINK B
22 SA4772001 1 STEPPING CLAMP LIN
K
23 SA4773001 1
SHAFT STEPPING CLAMP LIN
K
24 012060636 1 SET SCREW SOCKET (FT) M6X6
25 012400436 1 SET SCREW SOCKET (FT) M4X4
26 SA4777001 1
STEPPING CLAMP LIFTER LIN
K
27 SA4771001 1
SHAFT STEPPING CLAMP LIFT LIN
K
28 SA2161001 1
WASHE
R
29 048080142 1
RETAINING RING EXTERNAL C8
30 012060636 1 SET SCREW SOCKET (FT) M6X6
31 012400436 1 SET SCREW SOCKET (FT) M4X4
32 SA4779001 1
STEPPING CLAMP LIFTER
33 SA4781001 1
ROLLER STEPPING CLAMP LIFTE
R
34 141362001 1 ROLLER
35 SA4780001 1
SHAFT STEPPING CLAMP LIFTER
36 012060636 1 SET SCREW SOCKET (FT) M6X6
37 S25310101 1
SCREW, FLAT M4
38 SA8683001 1
STEPPING CLAMP LIFTER ROD
39 SA4853001 1
JOINT STEPPING CLAMP LIFTER
40 SA8684001 2
ROUND JOINT ASS
Y
41 021060306 2 NUT 3 M6
42 SA3227001 1 NUT(FT), M6
43 SA8688001 1
RUBBER BUSH
44 SA6572001 1 WICK L=140
45 SA8912001 2
RUBBER TUBE
46 S04159000 1
BAND 1M
47 SA8689001 1
SCREW M6X12
48 017061612 1
BOLT M6X16
49 017065002 1
BOLT M6X50
50 021060106 1 NUT 1 M6
51 SA4778001 1
PRESSER BAR CLAM
P
52 018400836 1
BOLT SOCKET M4X8
53 SA1174001 1
PESSER ADJUSTING SCREW, M14
54 SA1175001 1
A
DJUST SCREW NU
T
55 SA5300001 1
PRESSER BAR SPRING
56 S10112101 1
PRESSER BAR SPRING GUID
E
57 SA5301001 1
COLLAR PRESSER BAR SPRING
58 SA2195001 1
PRESSER BAR BUSH
59 012060536 1 SET SCREW, SOCKET (FT) M6X5
60 111466121 1
PRESSER BA
R
61 S42843001 1 PRESSER FOOT,
A
62 S13399001 1
SCREW, SM3.57X12
63 SA8690001 2
HOLDER STEP-CLAMP LIFTER ROD
64 018402536 2
BOLT SOCKET M4X25
BAS-342G-204
16
16

17
D2. / Work clamp lifter mechanism
REF.NO CODE Q'TY NAME OF PARTS RM
1 SA4741101 1
MOTOR BRACKET
2 SA4742001 1
WORK CLAMP MOTOR PLATE
3 018501036 2
BOLT SOCKET M5X10
4 SA4826501 1 PULSE MOTOR ASSY P
5 018401036 4
BOLT SOCKET M4X10
6 SA4743001 1
WORK CLAMP DRIVING GEA
R
7 012060636 2 SET SCREW SOCKET (FT) M6X6
8 SA4744001 1
WORK CLAMP FULCRUM SHAFT
9 SA4647001 2
BALL BEARING 6900ZZNR
10 048100142 2
RETAINING RING EXTERNAL C10
11 062400616 1 SCREW PAN M4X6
12 025040236 1
WASHER PLAIN M 4
13 SA4745001 1
WORK CLAMP CAM GEA
R
14 016061031 1
SET SCREW SOCKET (CN) M6X10
15 012060636 1 SET SCREW SOCKET (FT) M6X6
16 SA4747001 1
WORK CLAMP H-POSITION DOG
17 018400636 1
BOLT SOCKET M4X6
18 SA4748101 1
WORK CLAMP LEVER SHAF
T
19 012060636 1 SET SCREW SOCKET (FT) M6X6
20 SA6210001 1
STEPPING W-CLAMP DRIVING LEVE
R
21 SA3441001 1
W-CLAMP LIFTER ROLLER SHAFT
22 070696800 1
BALL BEARING RADIAL 696ZZ
23 109763001 1
WASHE
R
24 012500536 1 SET SCREW SOCKET (FT) M5X5
25 012060636 1 SET SCREW SOCKET (FT) M6X6
26 SA4757101 1 SET SCREW COLLA
R
27 012060636 2 SET SCREW SOCKET (FT) M6X6
28 018061236 2
BOLT SOCKET M6X12
29 SA4753001 1
WORK CLAMP SENSOR PLATE
30 062400616 2 SCREW PAN M4X6
BAS-342G-204
18

18
D2. / Work clamp lifter mechanism
REF.NO CODE Q'TY NAME OF PARTS RM
1 SA4741101 1
MOTOR BRACKET
2 SA4742001 1
WORK CLAMP MOTOR PLATE
3 018501036 2
BOLT SOCKET M5X10
4 SA4826501 1 PULSE MOTOR ASSY P
5 018401036 4
BOLT SOCKET M4X10
6 SA4743001 1
WORK CLAMP DRIVING GEA
R
7 012060636 2 SET SCREW SOCKET (FT) M6X6
8 SA4744001 1
WORK CLAMP FULCRUM SHAFT
9 SA4647001 2
BALL BEARING 6900ZZNR
10 048100142 2
RETAINING RING EXTERNAL C10
11 062400616 1 SCREW PAN M4X6
12 025040236 1
WASHER PLAIN M 4
13 SA4745001 1
WORK CLAMP CAM GEA
R
14 016061031 1
SET SCREW SOCKET (CN) M6X10
15 012060636 1 SET SCREW SOCKET (FT) M6X6
16 SA4747001 1
WORK CLAMP H-POSITION DOG
17 018400636 1
BOLT SOCKET M4X6
18 SA4748101 1
WORK CLAMP LEVER SHAF
T
19 012060636 1 SET SCREW SOCKET (FT) M6X6
20 SA6210001 1
STEPPING W-CLAMP DRIVING LEVE
R
21 SA3441001 1
W-CLAMP LIFTER ROLLER SHAFT
22 070696800 1
BALL BEARING RADIAL 696ZZ
23 109763001 1
WASHE
R
24 012500536 1 SET SCREW SOCKET (FT) M5X5
25 012060636 1 SET SCREW SOCKET (FT) M6X6
26 SA4757101 1 SET SCREW COLLA
R
27 012060636 2 SET SCREW SOCKET (FT) M6X6
28 018061236 2
BOLT SOCKET M6X12
29 SA4753001 1
WORK CLAMP SENSOR PLATE
30 062400616 2 SCREW PAN M4X6
BAS-342G-204
18

19
E. / Lower shaft mechanism
REF.NO CODE Q'TY NAME OF PARTS RM
1 SA3226001 1
SHOULDER SCRE
W
2 SA3227001 1 NUT(FT), M6
3 SA3228101 1
ROCK GEA
R
4 SA4782001 1
ROCK GEAR SHAF
T
5 SA3231001 1 SET SCREW COLLAR, B
6 012060536 2 SET SCREW, SOCKET (FT) M6X5
7 SA8695001 2 SET SCREW COLLA
R
8 S23651001 4 SET SCREW SOCKET (FT) M6X6
9 012060636 2 SET SCREW SOCKET (FT) M6X6
10 SA8696001 1
PINCH SLEEVE
A
11 SA8697001 1
PINCH SLEEVE B
12 018402036 1
BOLT SOCKET M4X20
13 SA8698001 1
LOWER SHAFT ASS
Y
14 012500536 1 SET SCREW SOCKET (FT) M5X5
15 SA8701001 1
LOWER SHAFT BUSH
16 012060636 1 SET SCREW SOCKET (FT) M6X6
17 SA8702001 1
LOWER SHAFT M BUSH
18 012060636 1 SET SCREW SOCKET (FT) M6X6
19 SA8703001 1
LOWER SHAFT A-BUSH
20 012061036 1 SET SCREW SOCKET (FT) M6X10
21 SA3238101 2
A
DJUSTING STUD
22 081003670 2
O RING PW3
23 SA8705001 1 SHUTTLE RACE BASE ASS
Y
24 S02429201 1 SHUTTLE RACE THREAD GUIDE
25 SA4199001 2
SCREW M3X4
26 SA3241001 2 S-RACE BASE SETTING CLA
W
27 152684101 2
COMPRESSION SPRING
28 026030136 2
WASHER PLAIN S 3
29 062300616 2 SCREW PAN M3X6
30 153050000 2 S-RACE BASE FEL
T
31 SA8707001 2 FELT
32 SA9004001 1 WICK 6X6
33 SA8709001 1
OIL TUBE
34 SA8710001 2
OIL TUBE
35 SA8711001 1
OIL TUBE
36 SA8712101 1 FELT
37 SA8713001 1 FELT HOLDER
38 S44924001 2
SCREW M3X5.5
39 SA3274101 1 FELT HOLDER
40 S47307001 2
SCREW, M3X4
41 012061036 1 SET SCREW SOCKET (FT) M6X10
42 SA3284101 1
DRIVER D
43 018501236 1
BOLT SOCKET M5X12
44 SA3283101 1 SET SCREW COLLAR,
R
45 012500536 1 SET SCREW SOCKET (FT) M5X5
46 152686201 1 SHUTTLE RACE BASE B
47 S59221201 1
BOBBIN CASE ASSY L
C
48 S48664001 1
TENSION SPRING, AN
49 S16492101 1
BOBBIN CASE SPRING SCRE
W
50 S15667001 1
A
NTI-SPIN SPRING
51 S44633001 1
BOBBIN LAN
52 SA8197101 1 SHUTTLE HOOK ASSY W/BOXSA8196
BAS-342G-305
20

20
E. / Lower shaft mechanism
REF.NO CODE Q'TY NAME OF PARTS RM
1 SA3226001 1
SHOULDER SCRE
W
2 SA3227001 1 NUT(FT), M6
3 SA3228101 1
ROCK GEA
R
4 SA4782001 1
ROCK GEAR SHAF
T
5 SA3231001 1 SET SCREW COLLAR, B
6 012060536 2 SET SCREW, SOCKET (FT) M6X5
7 SA8695001 2 SET SCREW COLLA
R
8 S23651001 4 SET SCREW SOCKET (FT) M6X6
9 012060636 2 SET SCREW SOCKET (FT) M6X6
10 SA8696001 1
PINCH SLEEVE
A
11 SA8697001 1
PINCH SLEEVE B
12 018402036 1
BOLT SOCKET M4X20
13 SA8698001 1
LOWER SHAFT ASS
Y
14 012500536 1 SET SCREW SOCKET (FT) M5X5
15 SA8701001 1
LOWER SHAFT BUSH
16 012060636 1 SET SCREW SOCKET (FT) M6X6
17 SA8702001 1
LOWER SHAFT M BUSH
18 012060636 1 SET SCREW SOCKET (FT) M6X6
19 SA8703001 1
LOWER SHAFT A-BUSH
20 012061036 1 SET SCREW SOCKET (FT) M6X10
21 SA3238101 2
A
DJUSTING STUD
22 081003670 2
O RING PW3
23 SA8705001 1 SHUTTLE RACE BASE ASS
Y
24 S02429201 1 SHUTTLE RACE THREAD GUIDE
25 SA4199001 2
SCREW M3X4
26 SA3241001 2 S-RACE BASE SETTING CLA
W
27 152684101 2
COMPRESSION SPRING
28 026030136 2
WASHER PLAIN S 3
29 062300616 2 SCREW PAN M3X6
30 153050000 2 S-RACE BASE FEL
T
31 SA8707001 2 FELT
32 SA9004001 1 WICK 6X6
33 SA8709001 1
OIL TUBE
34 SA8710001 2
OIL TUBE
35 SA8711001 1
OIL TUBE
36 SA8712101 1 FELT
37 SA8713001 1 FELT HOLDER
38 S44924001 2
SCREW M3X5.5
39 SA3274101 1 FELT HOLDER
40 S47307001 2
SCREW, M3X4
41 012061036 1 SET SCREW SOCKET (FT) M6X10
42 SA3284101 1
DRIVER D
43 018501236 1
BOLT SOCKET M5X12
44 SA3283101 1 SET SCREW COLLAR,
R
45 012500536 1 SET SCREW SOCKET (FT) M5X5
46 152686201 1 SHUTTLE RACE BASE B
47 S59221201 1
BOBBIN CASE ASSY L
C
48 S48664001 1
TENSION SPRING, AN
49 S16492101 1
BOBBIN CASE SPRING SCRE
W
50 S15667001 1
A
NTI-SPIN SPRING
51 S44633001 1
BOBBIN LAN
52 SA8197101 1 SHUTTLE HOOK ASSY W/BOXSA8196
BAS-342G-305
20

21
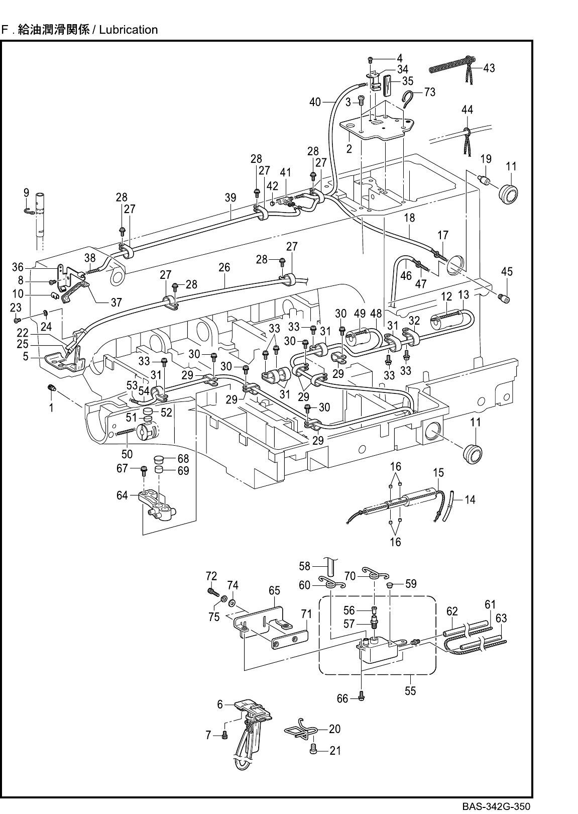
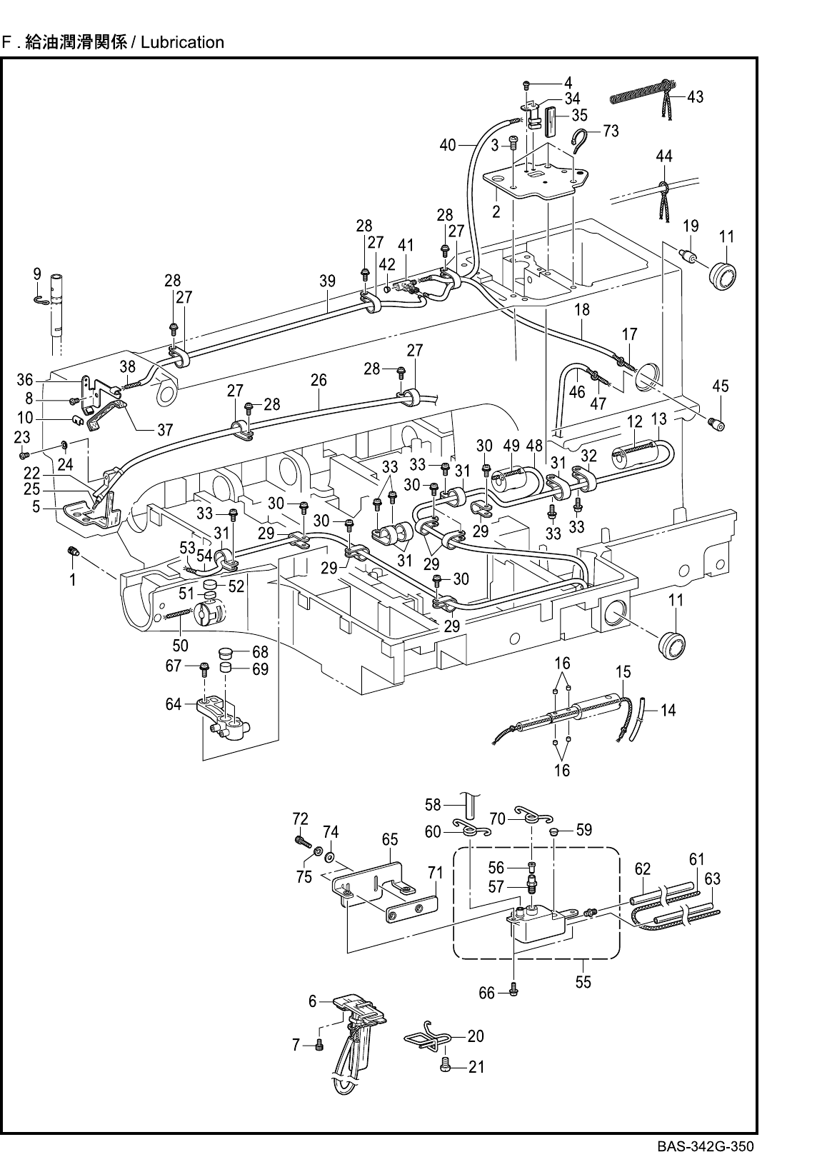
F. / Lubrication
REF.NO CODE Q'TY NAME OF PARTS RM
1 SA3244001 1
SET SCRE
W
2 SA4785101 1
CRANK COVE
R
3 062061016 3 SCREW PAN M6X10
4 062400616 2 SCREW PAN M4X6
5 SA4786101 1
FELT
6 SA8714001 1
GEAR FELT ASS
Y
7 018400636 2
BOLT SOCKET M4X6
8 062400616 1 SCREW PAN M4X6
9 SA6087001 1
WICK SUPPOR
T
10 104567101 1 WICK SUPPOR
T
11 152948001 2
OIL GAUGE WINDO
W
12 SA8783001 1 WICK 6X6
13 SA8784001 1
OIL TUBE
14 SA5072001 1
OIL TUBE L=120
15 SA6578001 1 WICK 6X6 L=300
16 S09043000 4 FELT
17 S49982000 1 WICK, 4X4 L=400
18 S48189000 1
OIL TUBE, L=280
19 SA5339101 1
OIL FEEDING PIPE
20 SA4789101 1
LOWER SHAFT WICK SUPPORT B
21 062060816 1 SCREW PAN M6X8
22 145547001 1
TUBE HOLDE
R
23 062400616 1 SCREW PAN M4X6
24 026040136 1
WASHER PLAIN S 4
25 SA8717001 1 WICK 4X4
26 SA8718001 1
OIL TUBE
27 525567000 5
CORD HOLDER #8
28 0A5401006 5
SCREW PAN (S/P WASHER) M4X10
29 525567000 6
CORD HOLDER #8
30 0A5401006 6
SCREW PAN (S/P WASHER) M4X10
31 552907000 5
CORD HOLDER #10
32 554482000 1
CORD HOLDER #12
33 0A5401006 6
SCREW PAN (S/P WASHER) M4X10
34 SA4787001 1 CRANK WICK PLATE
35 SA5294001 1 FLAT WICK L=90
36 SA4788001 1
WICK SUPPOR
T
37 SA6593001 1 FLAT WICK L=180
38 SA8720001 1 WICK 3X3
39 SA8721001 1
OIL TUBE
40 SA6576001 1
OIL TUBE L=210
41 S38265000 1 TERMINAL, L
42 142274101 1
RUBBER CAP, 4.2
43 SA6572001 1 WICK L=140
44 SA6572001 1 WICK L=140
45 SA8722001 1
OIL FEEDING PIPE
46 SA8723001 1
OIL TUBE
47 SA8724001 1 WICK 6X6
48 SA8725001 1
OIL TUBE
49 SA8726001 1 WICK 6X6
50 SA8727001 1 WICK 6X6
51 SA8728001 1 FELT
52 SA8729001 1 FELT
53 SA8708001 1 WICK 6X6
54 SA8785001 1
OIL TUBE
55 SA8732001 1
SUB-TANK ASS
Y
56 SA3060001 1
VALVE PACKING
57 SA3040001 1 OIL FEEDING PIPE
58 SA8733001 1
OIL TUBE
59 104450101 1
RUBBER CAP, 8
60 SA3055101 1
TUBE CLIP
61 SA8734001 1 FELT
62 SA8735001 1
OIL TUBE
63 SA8786001 1
OIL TUBE
BAS-342G-350
22

22
F. / Lubrication
REF.NO CODE Q'TY NAME OF PARTS RM
1 SA3244001 1
SET SCRE
W
2 SA4785101 1
CRANK COVE
R
3 062061016 3 SCREW PAN M6X10
4 062400616 2 SCREW PAN M4X6
5 SA4786101 1
FELT
6 SA8714001 1
GEAR FELT ASS
Y
7 018400636 2
BOLT SOCKET M4X6
8 062400616 1 SCREW PAN M4X6
9 SA6087001 1
WICK SUPPOR
T
10 104567101 1 WICK SUPPOR
T
11 152948001 2
OIL GAUGE WINDO
W
12 SA8783001 1 WICK 6X6
13 SA8784001 1
OIL TUBE
14 SA5072001 1
OIL TUBE L=120
15 SA6578001 1 WICK 6X6 L=300
16 S09043000 4 FELT
17 S49982000 1 WICK, 4X4 L=400
18 S48189000 1
OIL TUBE, L=280
19 SA5339101 1
OIL FEEDING PIPE
20 SA4789101 1
LOWER SHAFT WICK SUPPORT B
21 062060816 1 SCREW PAN M6X8
22 145547001 1
TUBE HOLDE
R
23 062400616 1 SCREW PAN M4X6
24 026040136 1
WASHER PLAIN S 4
25 SA8717001 1 WICK 4X4
26 SA8718001 1
OIL TUBE
27 525567000 5
CORD HOLDER #8
28 0A5401006 5
SCREW PAN (S/P WASHER) M4X10
29 525567000 6
CORD HOLDER #8
30 0A5401006 6
SCREW PAN (S/P WASHER) M4X10
31 552907000 5
CORD HOLDER #10
32 554482000 1
CORD HOLDER #12
33 0A5401006 6
SCREW PAN (S/P WASHER) M4X10
34 SA4787001 1 CRANK WICK PLATE
35 SA5294001 1 FLAT WICK L=90
36 SA4788001 1
WICK SUPPOR
T
37 SA6593001 1 FLAT WICK L=180
38 SA8720001 1 WICK 3X3
39 SA8721001 1
OIL TUBE
40 SA6576001 1
OIL TUBE L=210
41 S38265000 1 TERMINAL, L
42 142274101 1
RUBBER CAP, 4.2
43 SA6572001 1 WICK L=140
44 SA6572001 1 WICK L=140
45 SA8722001 1
OIL FEEDING PIPE
46 SA8723001 1
OIL TUBE
47 SA8724001 1 WICK 6X6
48 SA8725001 1
OIL TUBE
49 SA8726001 1 WICK 6X6
50 SA8727001 1 WICK 6X6
51 SA8728001 1 FELT
52 SA8729001 1 FELT
53 SA8708001 1 WICK 6X6
54 SA8785001 1
OIL TUBE
55 SA8732001 1
SUB-TANK ASS
Y
56 SA3060001 1
VALVE PACKING
57 SA3040001 1 OIL FEEDING PIPE
58 SA8733001 1
OIL TUBE
59 104450101 1
RUBBER CAP, 8
60 SA3055101 1
TUBE CLIP
61 SA8734001 1 FELT
62 SA8735001 1
OIL TUBE
63 SA8786001 1
OIL TUBE
BAS-342G-350
22

23
F. / Lubrication
REF.NO CODE Q'TY NAME OF PARTS RM
64 SA3946001 1 OIL TERMINAL
65 SA8736001 1 OIL PLATE
66 0A5401006 2
SCREW PAN (S/P WASHER) M4X10
67 0A5401006 1
SCREW PAN (S/P WASHER) M4X10
68 SA2929001 2
RUBBER CAP, 12.5
69 S38266000 2
ROTARY HOOK SHAFT FELT
70 SA3055101 1
TUBE CLIP
71 SA4650001 1 Y-SENSOR PLATE
72 018402036 2
BOLT SOCKET M4X20
73 S04159000 1
BAND 1M
74 025040236 2
WASHER PLAIN M 4
75 028040246 2
WASHER SPRING 2-4
BAS-342G-350
24

24
F. / Lubrication
REF.NO CODE Q'TY NAME OF PARTS RM
64 SA3946001 1 OIL TERMINAL
65 SA8736001 1 OIL PLATE
66 0A5401006 2
SCREW PAN (S/P WASHER) M4X10
67 0A5401006 1
SCREW PAN (S/P WASHER) M4X10
68 SA2929001 2
RUBBER CAP, 12.5
69 S38266000 2
ROTARY HOOK SHAFT FELT
70 SA3055101 1
TUBE CLIP
71 SA4650001 1 Y-SENSOR PLATE
72 018402036 2
BOLT SOCKET M4X20
73 S04159000 1
BAND 1M
74 025040236 2
WASHER PLAIN M 4
75 028040246 2
WASHER SPRING 2-4
BAS-342G-350
24

25
G. / Threading mechanism
REF.NO CODE Q'TY NAME OF PARTS RM
1 SA3250001 1
A
RM THREAD GUIDE,
A
2 062500616 1 SCREW PAN M5X6
3 SA4333001 1
A
RM THREAD GUIDE, B
4 062500616 1 SCREW PAN M5X6
5 SA6391001 1
A
RM THREAD GUIDE C
6 062500616 1 SCREW PAN M5X6
7 153049001 2
UPPER THREAD GUIDE STUD
8 144588301 1
THREAD TAKE-UP SPRING B
9 SA3255001 1
TENSION STUD
10 S31032001 1 TENSION NUT
11 S12441001 1
WASHE
R
12 107606101 1
TENSION SPRING H
13 159805001 1 TENSION DISC PRESSE
R
14 145446001 2 DISC, TENSION
15 SA3254001 1
TENSION BRACKE
T
16 100402004 1
SET SCREW, SM3.57
17 SA4143001 1
SET SCREW, (FT) M6X6
18 S12699000 1
TENSION RELEASE PIN
19 SA3256001 1
TENSION STUD,
A
20 100136001 1 TENSION NUT
21 SA4146101 1
SUB TENSION SPRING
22 145446001 2 DISC, TENSION
23 SA8691001 1 THREAD GUIDE ARM
24 021400306 1 NUT 3 M4
25 SA3257101 1
NEEDLE BAR THREAD GUIDE,
A
26 SA3258001 1
N-BAR BUSH THREAD GUIDE, D
27 152881001 1 NEEDLE COOLER ASS
Y
28 012060636 1 SET SCREW SOCKET (FT) M6X6
29 152883000 1 FELT, 8X15.5
30 152884001 1 NEEDLE COOLER THREAD GUIDE
31 062670412 1 SCREW PAN SM3.57-40X4
BAS-342G-401
26

26
G. / Threading mechanism
REF.NO CODE Q'TY NAME OF PARTS RM
1 SA3250001 1
A
RM THREAD GUIDE,
A
2 062500616 1 SCREW PAN M5X6
3 SA4333001 1
A
RM THREAD GUIDE, B
4 062500616 1 SCREW PAN M5X6
5 SA6391001 1
A
RM THREAD GUIDE C
6 062500616 1 SCREW PAN M5X6
7 153049001 2
UPPER THREAD GUIDE STUD
8 144588301 1
THREAD TAKE-UP SPRING B
9 SA3255001 1
TENSION STUD
10 S31032001 1 TENSION NUT
11 S12441001 1
WASHE
R
12 107606101 1
TENSION SPRING H
13 159805001 1 TENSION DISC PRESSE
R
14 145446001 2 DISC, TENSION
15 SA3254001 1
TENSION BRACKE
T
16 100402004 1
SET SCREW, SM3.57
17 SA4143001 1
SET SCREW, (FT) M6X6
18 S12699000 1
TENSION RELEASE PIN
19 SA3256001 1
TENSION STUD,
A
20 100136001 1 TENSION NUT
21 SA4146101 1
SUB TENSION SPRING
22 145446001 2 DISC, TENSION
23 SA8691001 1 THREAD GUIDE ARM
24 021400306 1 NUT 3 M4
25 SA3257101 1
NEEDLE BAR THREAD GUIDE,
A
26 SA3258001 1
N-BAR BUSH THREAD GUIDE, D
27 152881001 1 NEEDLE COOLER ASS
Y
28 012060636 1 SET SCREW SOCKET (FT) M6X6
29 152883000 1 FELT, 8X15.5
30 152884001 1 NEEDLE COOLER THREAD GUIDE
31 062670412 1 SCREW PAN SM3.57-40X4
BAS-342G-401
26

27
H. / Bobbin winder mechanism
REF.NO CODE Q'TY NAME OF PARTS RM
1 SA8650001 1 TOP COVER
2 SA3290001 1
SHAFT, BW-LEVE
R
3 012500536 1 SET SCREW SOCKET (FT) M5X5
4 SA3291001 1
BOBBIN WINDER LEVE
R
5 SA4171001 1
SPRING HOO
K
6 152936001 1
PLATE SPRING
7 152937001 1
WASHE
R
8 062350616 1 SCREW PAN M3.5X6
9 159486001 1
WASHE
R
10 048050342 1 RETAINING RING E5
11 SA3293001 1
STUD B-WINDER CLA
W
12 SA1984001 1
BOBBIN PRESSER ARM
13 062401216 1 SCREW PAN M4X12
14 SA3294001 1
BOBBIN PRESSE
R
15 S23418002 1
SCREW M4X5
16 SA3295001 1 CLAW, B-WINDE
R
17 012400436 2 SET SCREW SOCKET (FT) M4X4
18 S10438001 1
SPRING, TWIST
19 048050342 2 RETAINING RING E5
20 SA4796001 1 SPACER COLLE
R
21 SA3296001 1
BOBBIN WINDER SHAF
T
22 SA3297001 1 WHEEL, B-WINDE
R
23 120448001 1
BOBBIN WINDER RUBBER BAN
D
24 012400436 2 SET SCREW SOCKET (FT) M4X4
25 159486001 2
WASHE
R
26 SA1988001 1
BOBBIN SUPPOR
T
27 S10268001 1
SPRING
28 SA3298001 1
STPPER SHAFT, B-WINDE
R
29 SA3299001 1 KNIFE
30 062500616 1 SCREW PAN M5X6
31 SA1994101 1 BOBBIN WINDER TENSION ASS
Y
32 145446002 2 DISC, TENSION
33 100401022 1
TENSION SPRING
34 S31032001 1 TENSION NUT
35 S12441001 1
WASHE
R
36 012500536 1 SET SCREW SOCKET (FT) M5X5
37 SA1359001 1
SPOOL PIN
38 062061016 6 SCREW PAN M6X10
39 SA4797101 1 DRIVING WHEEL B-WINDE
R
40 S23651001 2 SET SCREW SOCKET (FT) M6X6
41 117934001 1
RUBBER CAP, 13.5
BAS-342G-402
28

28
H. / Bobbin winder mechanism
REF.NO CODE Q'TY NAME OF PARTS RM
1 SA8650001 1 TOP COVER
2 SA3290001 1
SHAFT, BW-LEVE
R
3 012500536 1 SET SCREW SOCKET (FT) M5X5
4 SA3291001 1
BOBBIN WINDER LEVE
R
5 SA4171001 1
SPRING HOO
K
6 152936001 1
PLATE SPRING
7 152937001 1
WASHE
R
8 062350616 1 SCREW PAN M3.5X6
9 159486001 1
WASHE
R
10 048050342 1 RETAINING RING E5
11 SA3293001 1
STUD B-WINDER CLA
W
12 SA1984001 1
BOBBIN PRESSER ARM
13 062401216 1 SCREW PAN M4X12
14 SA3294001 1
BOBBIN PRESSE
R
15 S23418002 1
SCREW M4X5
16 SA3295001 1 CLAW, B-WINDE
R
17 012400436 2 SET SCREW SOCKET (FT) M4X4
18 S10438001 1
SPRING, TWIST
19 048050342 2 RETAINING RING E5
20 SA4796001 1 SPACER COLLE
R
21 SA3296001 1
BOBBIN WINDER SHAF
T
22 SA3297001 1 WHEEL, B-WINDE
R
23 120448001 1
BOBBIN WINDER RUBBER BAN
D
24 012400436 2 SET SCREW SOCKET (FT) M4X4
25 159486001 2
WASHE
R
26 SA1988001 1
BOBBIN SUPPOR
T
27 S10268001 1
SPRING
28 SA3298001 1
STPPER SHAFT, B-WINDE
R
29 SA3299001 1 KNIFE
30 062500616 1 SCREW PAN M5X6
31 SA1994101 1 BOBBIN WINDER TENSION ASS
Y
32 145446002 2 DISC, TENSION
33 100401022 1
TENSION SPRING
34 S31032001 1 TENSION NUT
35 S12441001 1
WASHE
R
36 012500536 1 SET SCREW SOCKET (FT) M5X5
37 SA1359001 1
SPOOL PIN
38 062061016 6 SCREW PAN M6X10
39 SA4797101 1 DRIVING WHEEL B-WINDE
R
40 S23651001 2 SET SCREW SOCKET (FT) M6X6
41 117934001 1
RUBBER CAP, 13.5
BAS-342G-402
28

29
J. / Thread trimmer mechanism
REF.NO CODE Q'TY NAME OF PARTS RM
1 SA3301101 1 THREAD TRIMMER CAM
2 S23651001 2 SET SCREW SOCKET (FT) M6X6
3 SA4798001 1 SETTING PLATE SOLENOID
4 SA5135101 1 THREAD TRIMMER SOLENOID
5 017400802 2
BOLT M4X8
6 028040246 2
WASHER SPRING 2-4
7 026040236 2
WASHER PLAIN M 4
8 SA3307001 1
SOLENOID LEVE
R
9 012400436 1 SET SCREW SOCKET (FT) M4X4
10 154599000 1 SOLENOID CUSHION
11 S02652001 1
WASHE
R
12 S04159000 1
BAND 1M
13 S55484002 2
BOLT SOCKET (S/P WASHER) M5X10
14 SA4799001 1
PUSHING LEVER D-LEVE
R
15 SA3306001 1
SHOULDER SCREW, 7-3
16 SA3309101 1
TR-DRIVING LEVE
R
17 SA3310001 1 COLLAR, TR-TRIMMER
18 SA3311001 1
COLLAR SHAFT
19 S46903001 1
SET SCREW, M4X5
20 048040342 1 RETAINING RING E4
21 SA3315001 1 THREAD TRIMMER ROD
V
22 S32465101 2
BALL JOINT ASS
Y
23 021060106 2 NUT 1 M6
24 S32462001 1
SHOULDER SCREW, B; M6
25 021060306 1 NUT 3 M6
26 S23651001 1 SET SCREW SOCKET (FT) M6X6
27 231071001 1 BUSH, 8X15
28 SA3312201 1
GUIDE SHAFT
29 SA3313101 1
SPRING, COMPRESSION
30 154596000 1
CUSHION
31 S32462001 1
SHOULDER SCREW, B; M6
32 021060306 1 NUT 3 M6
33 S25475101 1
SET SCREW, M6X19
34 021060106 1 NUT 1 M6
35 SA4546001 1
THREAD TRIMMER LEVER
V
36 SA3317001 1
THREAD TRIMMER LEVER H
37 SA8652001 1
MOVING KNIFE LEVE
R
38 SA8654001 1 THREAD TRIMMER ROD H
39 S32465101 2
BALL JOINT ASS
Y
40 021060106 2 NUT 1 M6
41 S32462001 2
SHOULDER SCREW, B; M6
42 021060306 2 NUT 3 M6
43 SA3319101 1
SHAFT TR-TRIMMER LEVER
44 SA4545001 2
SPACE
R
45 048080142 1
RETAINING RING EXTERNAL C8
46 012060636 2 SET SCREW SOCKET (FT) M6X6
47 SA8655001 1
SPRING HOO
K
48 SA3321001 1
SPRING, EXTENSION
49 018501236 2
BOLT SOCKET M5X12
50 028050246 2
WASHER SPRING 2-5
51 146354002 2
WASHER, PLAIN 5
52 SA8656001 1
MOVING KNIFE LEVE
R
53 SA8657001 1
SHAFT MOVABLE KNIFE LEVE
R
54 012060636 2 SET SCREW SOCKET (FT) M6X6
55 SA8658101 1 M-KNIFE CONNECTING PLATE
56 SA4354001 1
SHOULDER SCREW, 6-1.8
57 SA5157101 1 NEEDLE PLATE
A
58 SA6596001 1 MOVABLE KNIFE SET F
59 SA4518001 1
MOVABLE KNIFE SHOULDER SCRE
W
60 SA4519001 1
THRUST WASHE
R
61 S00705001 1 MOVABLE KNIFE COLLA
R
62 SA6397001 1
M-KNIFE SPACER T0.2
62 SA3334001 1
M-KNIFE SPACER T0.3
BAS-342G-403
30

30
J. / Thread trimmer mechanism
REF.NO CODE Q'TY NAME OF PARTS RM
1 SA3301101 1 THREAD TRIMMER CAM
2 S23651001 2 SET SCREW SOCKET (FT) M6X6
3 SA4798001 1 SETTING PLATE SOLENOID
4 SA5135101 1 THREAD TRIMMER SOLENOID
5 017400802 2
BOLT M4X8
6 028040246 2
WASHER SPRING 2-4
7 026040236 2
WASHER PLAIN M 4
8 SA3307001 1
SOLENOID LEVE
R
9 012400436 1 SET SCREW SOCKET (FT) M4X4
10 154599000 1 SOLENOID CUSHION
11 S02652001 1
WASHE
R
12 S04159000 1
BAND 1M
13 S55484002 2
BOLT SOCKET (S/P WASHER) M5X10
14 SA4799001 1
PUSHING LEVER D-LEVE
R
15 SA3306001 1
SHOULDER SCREW, 7-3
16 SA3309101 1
TR-DRIVING LEVE
R
17 SA3310001 1 COLLAR, TR-TRIMMER
18 SA3311001 1
COLLAR SHAFT
19 S46903001 1
SET SCREW, M4X5
20 048040342 1 RETAINING RING E4
21 SA3315001 1 THREAD TRIMMER ROD
V
22 S32465101 2
BALL JOINT ASS
Y
23 021060106 2 NUT 1 M6
24 S32462001 1
SHOULDER SCREW, B; M6
25 021060306 1 NUT 3 M6
26 S23651001 1 SET SCREW SOCKET (FT) M6X6
27 231071001 1 BUSH, 8X15
28 SA3312201 1
GUIDE SHAFT
29 SA3313101 1
SPRING, COMPRESSION
30 154596000 1
CUSHION
31 S32462001 1
SHOULDER SCREW, B; M6
32 021060306 1 NUT 3 M6
33 S25475101 1
SET SCREW, M6X19
34 021060106 1 NUT 1 M6
35 SA4546001 1
THREAD TRIMMER LEVER
V
36 SA3317001 1
THREAD TRIMMER LEVER H
37 SA8652001 1
MOVING KNIFE LEVE
R
38 SA8654001 1 THREAD TRIMMER ROD H
39 S32465101 2
BALL JOINT ASS
Y
40 021060106 2 NUT 1 M6
41 S32462001 2
SHOULDER SCREW, B; M6
42 021060306 2 NUT 3 M6
43 SA3319101 1
SHAFT TR-TRIMMER LEVER
44 SA4545001 2
SPACE
R
45 048080142 1
RETAINING RING EXTERNAL C8
46 012060636 2 SET SCREW SOCKET (FT) M6X6
47 SA8655001 1
SPRING HOO
K
48 SA3321001 1
SPRING, EXTENSION
49 018501236 2
BOLT SOCKET M5X12
50 028050246 2
WASHER SPRING 2-5
51 146354002 2
WASHER, PLAIN 5
52 SA8656001 1
MOVING KNIFE LEVE
R
53 SA8657001 1
SHAFT MOVABLE KNIFE LEVE
R
54 012060636 2 SET SCREW SOCKET (FT) M6X6
55 SA8658101 1 M-KNIFE CONNECTING PLATE
56 SA4354001 1
SHOULDER SCREW, 6-1.8
57 SA5157101 1 NEEDLE PLATE
A
58 SA6596001 1 MOVABLE KNIFE SET F
59 SA4518001 1
MOVABLE KNIFE SHOULDER SCRE
W
60 SA4519001 1
THRUST WASHE
R
61 S00705001 1 MOVABLE KNIFE COLLA
R
62 SA6397001 1
M-KNIFE SPACER T0.2
62 SA3334001 1
M-KNIFE SPACER T0.3
BAS-342G-403
30

31
J. / Thread trimmer mechanism
REF.NO CODE Q'TY NAME OF PARTS RM
62 SA6398001 1
M-KNIFE SPACER T0.4
63 SA7944001 1 FIXED KNIFE FL
64 062300416 2 SCREW PAN M3X4
65 025030236 2
WASHER PLAIN M 3
66 SA3336101 1 NEEDLE HOLE PLATE 2.4C0.4
67 100360003 2
SCRE
W
68 SA6273101 1
SHUTTLE RACE COVER HOOK U
69 028030246 2
WASHER SPRING 2-3
70 025030236 2
WASHER PLAIN M 3
71 062300416 2 SCREW PAN M3X4
72 S25310101 2
SCREW, FLAT M4
73 SA3538001 2
SCREW, M4X8
BAS-342G-403
32

32
J. / Thread trimmer mechanism
REF.NO CODE Q'TY NAME OF PARTS RM
62 SA6398001 1
M-KNIFE SPACER T0.4
63 SA7944001 1 FIXED KNIFE FL
64 062300416 2 SCREW PAN M3X4
65 025030236 2
WASHER PLAIN M 3
66 SA3336101 1 NEEDLE HOLE PLATE 2.4C0.4
67 100360003 2
SCRE
W
68 SA6273101 1
SHUTTLE RACE COVER HOOK U
69 028030246 2
WASHER SPRING 2-3
70 025030236 2
WASHER PLAIN M 3
71 062300416 2 SCREW PAN M3X4
72 S25310101 2
SCREW, FLAT M4
73 SA3538001 2
SCREW, M4X8
BAS-342G-403
32

33
K. / Thread wiper mechanism
REF.NO CODE Q'TY NAME OF PARTS RM
1 SA5208001 1 THREAD WIPER SOLENOID ASS
Y
2 S41206001 1
THREAD WIPER SPRING
3 S41205001 1
WASHER, PLAIN
4 S25456001 3
PLUNGER PIN
5 SA5217001 1 T-WIPER SOLENOID SETTING PLATE
6 SA4806001 1
SOLENOID COVE
R
7 062300616 6 SCREW PAN M3X6
8 0A4300606 2
SCREW PAN (S/P WASHER) M3X
6
9 SA5218001 1
THREAD WIPER SHAFT BRACKE
T
10 018400836 1
BOLT SOCKET M4X8
11 025040236 1
WASHER PLAIN M 4
12 SA8057001 1 THREAD WIPER CRANK ASS
Y
13 048040342 1 RETAINING RING E4
14 S25454001 1 SET SCREW COLLA
R
15 S25279101 1
SET SCREW (CP) M3.5-5
16 SA2287001 1
SPRING
17 149097000 1 SILENT SHEET
18 SA5219001 1 THREAD WIPER ROD
19 110735001 1
WASHE
R
20 048030342 1 RETAINING RING E3
21 S10470201 1 WIPE
R
22 060400516 1
SCREW BIND M4X5
23 146288001 1
THREAD WIPER STUD COLLA
R
24 S03677001 1
WASHE
R
25 SA5213001 1 STOP SWITCH ASS
Y
26 S55485001 2
BOLT SOCKET (S/P WASHER) M5X12
BAS-342G-405
34

34
K. / Thread wiper mechanism
REF.NO CODE Q'TY NAME OF PARTS RM
1 SA5208001 1 THREAD WIPER SOLENOID ASS
Y
2 S41206001 1
THREAD WIPER SPRING
3 S41205001 1
WASHER, PLAIN
4 S25456001 3
PLUNGER PIN
5 SA5217001 1 T-WIPER SOLENOID SETTING PLATE
6 SA4806001 1
SOLENOID COVE
R
7 062300616 6 SCREW PAN M3X6
8 0A4300606 2
SCREW PAN (S/P WASHER) M3X
6
9 SA5218001 1
THREAD WIPER SHAFT BRACKE
T
10 018400836 1
BOLT SOCKET M4X8
11 025040236 1
WASHER PLAIN M 4
12 SA8057001 1 THREAD WIPER CRANK ASS
Y
13 048040342 1 RETAINING RING E4
14 S25454001 1 SET SCREW COLLA
R
15 S25279101 1
SET SCREW (CP) M3.5-5
16 SA2287001 1
SPRING
17 149097000 1 SILENT SHEET
18 SA5219001 1 THREAD WIPER ROD
19 110735001 1
WASHE
R
20 048030342 1 RETAINING RING E3
21 S10470201 1 WIPE
R
22 060400516 1
SCREW BIND M4X5
23 146288001 1
THREAD WIPER STUD COLLA
R
24 S03677001 1
WASHE
R
25 SA5213001 1 STOP SWITCH ASS
Y
26 S55485001 2
BOLT SOCKET (S/P WASHER) M5X12
BAS-342G-405
34

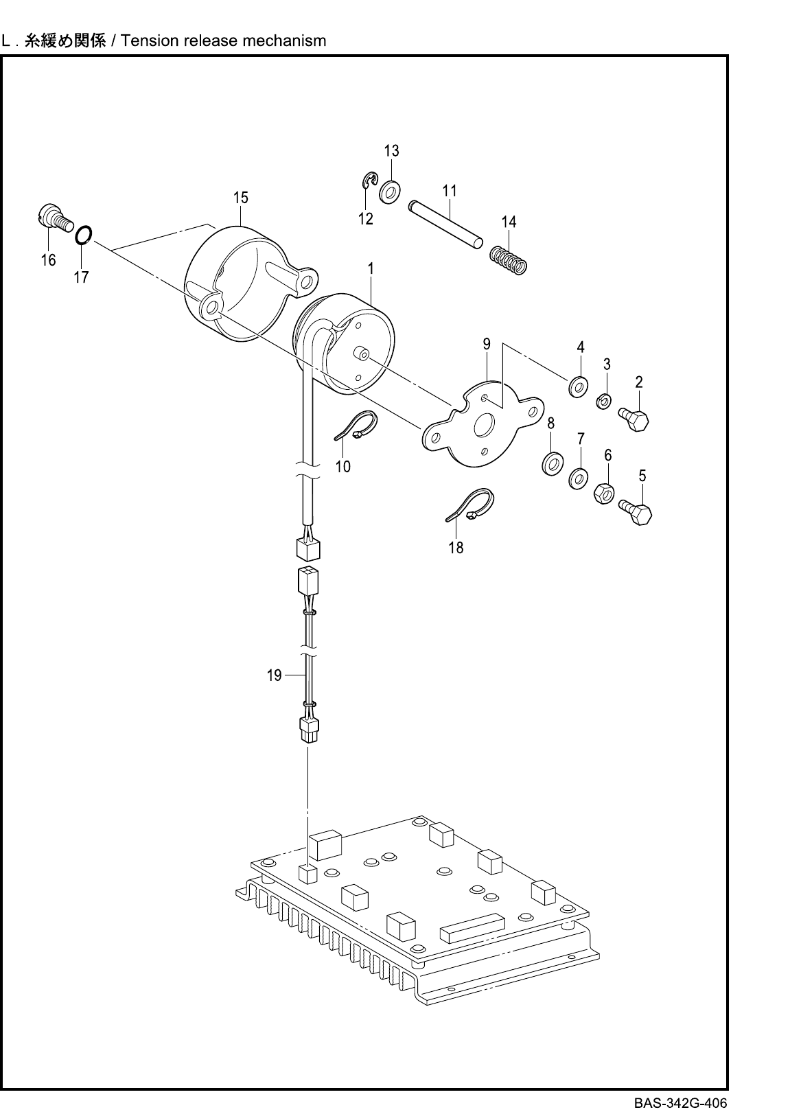
35
L. / Tension release mechanism
REF.NO CODE Q'TY NAME OF PARTS RM
1 SA4855001 1 TENSION RELEASE SOLENOID H
V
2 017400802 2
BOLT M4X8
3 028040246 2
WASHER SPRING 2-4
4 026040236 2
WASHER PLAIN M 4
5 017401415 1
BOLT M4X14
6 021400306 1 NUT 3 M4
7 102707002 1
WASHE
R
8 154599000 1 SOLENOID CUSHION
9 SA6389001 1 SETTING PLATE SOLENOID
10 S04159000 1
BAND 1M
11 SA3347001 1
TENSION RELEASE BA
R
12 048040342 1 RETAINING RING E4
13 025050236 1
WASHER PLAIN M 5
14 SA3348001 1
SPRING, COMPRESSION
15 SA3349001 1
SOLENOID COVE
R
16 SA3306001 2
SHOULDER SCREW, 7-3
17 081007070 2
O RING P7
18 S04159000 1
BAND 1M
19 SA8529001 1 T-RELEASE EXTENSION HRANES
S
BAS-342G-406
36

36
L. / Tension release mechanism
REF.NO CODE Q'TY NAME OF PARTS RM
1 SA4855001 1 TENSION RELEASE SOLENOID H
V
2 017400802 2
BOLT M4X8
3 028040246 2
WASHER SPRING 2-4
4 026040236 2
WASHER PLAIN M 4
5 017401415 1
BOLT M4X14
6 021400306 1 NUT 3 M4
7 102707002 1
WASHE
R
8 154599000 1 SOLENOID CUSHION
9 SA6389001 1 SETTING PLATE SOLENOID
10 S04159000 1
BAND 1M
11 SA3347001 1
TENSION RELEASE BA
R
12 048040342 1 RETAINING RING E4
13 025050236 1
WASHER PLAIN M 5
14 SA3348001 1
SPRING, COMPRESSION
15 SA3349001 1
SOLENOID COVE
R
16 SA3306001 2
SHOULDER SCREW, 7-3
17 081007070 2
O RING P7
18 S04159000 1
BAND 1M
19 SA8529001 1 T-RELEASE EXTENSION HRANES
S
BAS-342G-406
36

37
M1. / Control box mechanism
REF.NO CODE Q'TY NAME OF PARTS RM
1SA6364001 1 CF CAP ASS
Y
2SA3808101 1 TRANSFORMER 342G
3SA3797001 1 DC-FAN MOTOR ASS
Y
4SA8376001 1 PCB ASSY MAIN 342G
5SA8378001 1 PCB ASSY PMD 342G
6SA3744001 3 TRANSISTOR
,
FET: FS10ASJ-2
7SA3722001 1 TRANSISTOR
,
FET: FX20KMJ-2
8S49484000 1 TRANSISTOR
,
FET: FS10KMJ-2
9SA3806001 1 HARNESS
,
MAIN POWER SUPPL
Y
10 J04115001 1 LABEL
,
ELEC. SHOCK 6 LANG
11 S37059001 1 LABEL
,
PE
12 S37060001 3 LABEL, GROUNDING
13 SA3581001 1 PCB ASSY
,
NF
14 SA3796001 1 HARNESS
,
NF OUT
<For urope, 3-phase 400V AC.>
15 S52163000 3 CORE, NF-130
16 SA3788001 2 GROUND WIRE EC
17 021400106 1 NUT 1 M4
18 025040236 2 WASHER PLAIN M 4
BAS-342G-502
38

38
M1. / Control box mechanism
REF.NO CODE Q'TY NAME OF PARTS RM
1SA6364001 1 CF CAP ASS
Y
2SA3808101 1 TRANSFORMER 342G
3SA3797001 1 DC-FAN MOTOR ASS
Y
4SA8376001 1 PCB ASSY MAIN 342G
5SA8378001 1 PCB ASSY PMD 342G
6SA3744001 3 TRANSISTOR
,
FET: FS10ASJ-2
7SA3722001 1 TRANSISTOR
,
FET: FX20KMJ-2
8S49484000 1 TRANSISTOR
,
FET: FS10KMJ-2
9SA3806001 1 HARNESS
,
MAIN POWER SUPPL
Y
10 J04115001 1 LABEL
,
ELEC. SHOCK 6 LANG
11 S37059001 1 LABEL
,
PE
12 S37060001 3 LABEL, GROUNDING
13 SA3581001 1 PCB ASSY
,
NF
14 SA3796001 1 HARNESS
,
NF OUT
<For urope, 3-phase 400V AC.>
15 S52163000 3 CORE, NF-130
16 SA3788001 2 GROUND WIRE EC
17 021400106 1 NUT 1 M4
18 025040236 2 WASHER PLAIN M 4
BAS-342G-502
38

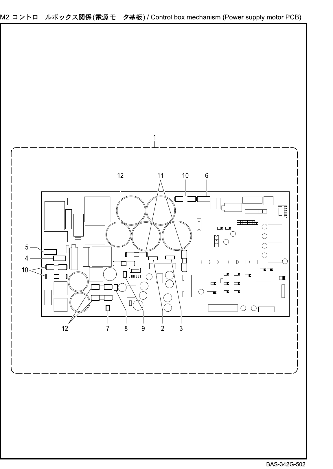
39
M2. / Control box mechanism (Power supply motor PCB)
REF.NO CODE Q'TY NAME OF PARTS RM
1SA8383001 1 PCB ASSY POWER SUPPLY MOTOR
C
2SA3765001 1 VARISTOR: V10D101
3SA8384001 1 VARISTOR: V10D471
4SA3767001 1 VARISTOR: V14D511
5SA3762001 1 VARISTOR: V14D911
6SA3768001 1 VARISTOR: V14D561
7SA3769001 1 VARISTOR: V5D121
8SA3770001 1 VARISTOR: V5D330
9SA3771001 1 VARISTOR: V5D820
10 SA3794001 3 G FUSE S 15
A
11 SA3795001 2 G FUSE S 6
A
12 SA7794001 3 G FUSE S 3
A
BAS-342G-502
40

40
M2. / Control box mechanism (Power supply motor PCB)
REF.NO CODE Q'TY NAME OF PARTS RM
1SA8383001 1 PCB ASSY POWER SUPPLY MOTOR
C
2SA3765001 1 VARISTOR: V10D101
3SA8384001 1 VARISTOR: V10D471
4SA3767001 1 VARISTOR: V14D511
5SA3762001 1 VARISTOR: V14D911
6SA3768001 1 VARISTOR: V14D561
7SA3769001 1 VARISTOR: V5D121
8SA3770001 1 VARISTOR: V5D330
9SA3771001 1 VARISTOR: V5D820
10 SA3794001 3 G FUSE S 15
A
11 SA3795001 2 G FUSE S 6
A
12 SA7794001 3 G FUSE S 3
A
BAS-342G-502
40

41
N. / Power switch mechanism
REF.NO CODE Q'TY NAME OF PARTS RM
<For Japan, 3-phase 200V AC.>
1SA8824001 1 POWER SUPPLY SW ASSY 3P-JP N
F
2SA8387001 1 VOLTAGE SELECT HARNESS 200V #2
<For USA, 3-phase 220V AC.>
3SA8825001 1 POWER SUPPLY SW ASSY 3P-L N
F
4SA3789101 1 VOLTAGE SELECT HARNESS H220
V
<For Asia and China, 1-phase 220V AC.>
5SA8827001 1 POWER SUPPLY SW ASSY 1P N
F
6SA3789101 1 VOLTAGE SELECT HARNESS H220
V
<For Chna, 3-phase 380V AC.>
7SA8826001 1 POWER SUPPLY SW ASSY 3P-H N
F
8SA3827001 1 VOLTAGE SELECT HARNESS 380
V
9SA3789101 1 VOLTAGE SELECT HARNESS H220
V
<For urope, 3-phase 400V AC.>
10 SA3828001 1 VOLTAGE SELECT HARNESS 400
V
11 SA3838001 1 HARNESS ASSY AC IN E
C
BAS-342G-502
42

42
N. / Power switch mechanism
REF.NO CODE Q'TY NAME OF PARTS RM
<For Japan, 3-phase 200V AC.>
1SA8824001 1 POWER SUPPLY SW ASSY 3P-JP N
F
2SA8387001 1 VOLTAGE SELECT HARNESS 200V #2
<For USA, 3-phase 220V AC.>
3SA8825001 1 POWER SUPPLY SW ASSY 3P-L N
F
4SA3789101 1 VOLTAGE SELECT HARNESS H220
V
<For Asia and China, 1-phase 220V AC.>
5SA8827001 1 POWER SUPPLY SW ASSY 1P N
F
6SA3789101 1 VOLTAGE SELECT HARNESS H220
V
<For Chna, 3-phase 380V AC.>
7SA8826001 1 POWER SUPPLY SW ASSY 3P-H N
F
8SA3827001 1 VOLTAGE SELECT HARNESS 380
V
9SA3789101 1 VOLTAGE SELECT HARNESS H220
V
<For urope, 3-phase 400V AC.>
10 SA3828001 1 VOLTAGE SELECT HARNESS 400
V
11 SA3838001 1 HARNESS ASSY AC IN E
C
BAS-342G-502
42

43
P. / Air pressure mechanism
REF.NO CODE Q'TY NAME OF PARTS RM
1 SA8659001 1
A
IR TUBE R
2 SA8659002 1
A
IR TUBE R
3 SA8660001 1
A
IR TUBE L
4 SA8660002 1
A
IR TUBE L
5 SA8661001 2 SPIRAL 650S
6 525664000 1
CORD HOLDER #6
7 149547000 2 CORD HOLDER 4N
8 0A5401005 3
SCREW PAN (S/P WASHER) M4X10
9 228475000 2
FASTENING BAND 1.9X80
10 SA5281101 1
SOLENOID VALVE ASSY 2
A
11 SA5289001 1 MANIFOLD2
12 S39116100 2
VALVE VQZ2151S-5
13 SA5283001 1 SILENCER AN103-1
14 SA5282001 1
FILTER REGULATOR AW20-02G
15 S09228000 1
NIPPLE 1/4X1/8
16 153252000 1
PT-JOINT
17 S04891000 1
MIDDLE NIPPLE, 1/4
18 SA5285001 1
MIDDLE NIPPLE 1/4
19 SA6573001 1
BALL VALVE V03 1/4
20 153274001 2 CAP, 1/8
21 SA5286101 1
SETTING PLATE VALVE
22 028050246 2
WASHER SPRING 2-5
23 018503036 2
BOLT SOCKET M5X30
24 SA5191001 1
VALVE HARNESS X2 ASS
Y
25 149796001 1
A
IR HOSE, W/CONNECTO
R
27 032422003 2 WOOD SCREW, ROUND 2 M4.1X20
28 148847001 2
WASHER PLAIN 4.76
29 554482000 3
CORD HOLDER #12
30 032422003 3 WOOD SCREW, ROUND 2 M4.1X20
31 S53978000 2
BRANCH,
Y
32 S53983000 2
PLUG, 4
BAS-342G-514
44

44
P. / Air pressure mechanism
REF.NO CODE Q'TY NAME OF PARTS RM
1 SA8659001 1
A
IR TUBE R
2 SA8659002 1
A
IR TUBE R
3 SA8660001 1
A
IR TUBE L
4 SA8660002 1
A
IR TUBE L
5 SA8661001 2 SPIRAL 650S
6 525664000 1
CORD HOLDER #6
7 149547000 2 CORD HOLDER 4N
8 0A5401005 3
SCREW PAN (S/P WASHER) M4X10
9 228475000 2
FASTENING BAND 1.9X80
10 SA5281101 1
SOLENOID VALVE ASSY 2
A
11 SA5289001 1 MANIFOLD2
12 S39116100 2
VALVE VQZ2151S-5
13 SA5283001 1 SILENCER AN103-1
14 SA5282001 1
FILTER REGULATOR AW20-02G
15 S09228000 1
NIPPLE 1/4X1/8
16 153252000 1
PT-JOINT
17 S04891000 1
MIDDLE NIPPLE, 1/4
18 SA5285001 1
MIDDLE NIPPLE 1/4
19 SA6573001 1
BALL VALVE V03 1/4
20 153274001 2 CAP, 1/8
21 SA5286101 1
SETTING PLATE VALVE
22 028050246 2
WASHER SPRING 2-5
23 018503036 2
BOLT SOCKET M5X30
24 SA5191001 1
VALVE HARNESS X2 ASS
Y
25 149796001 1
A
IR HOSE, W/CONNECTO
R
27 032422003 2 WOOD SCREW, ROUND 2 M4.1X20
28 148847001 2
WASHER PLAIN 4.76
29 554482000 3
CORD HOLDER #12
30 032422003 3 WOOD SCREW, ROUND 2 M4.1X20
31 S53978000 2
BRANCH,
Y
32 S53983000 2
PLUG, 4
BAS-342G-514
44



47
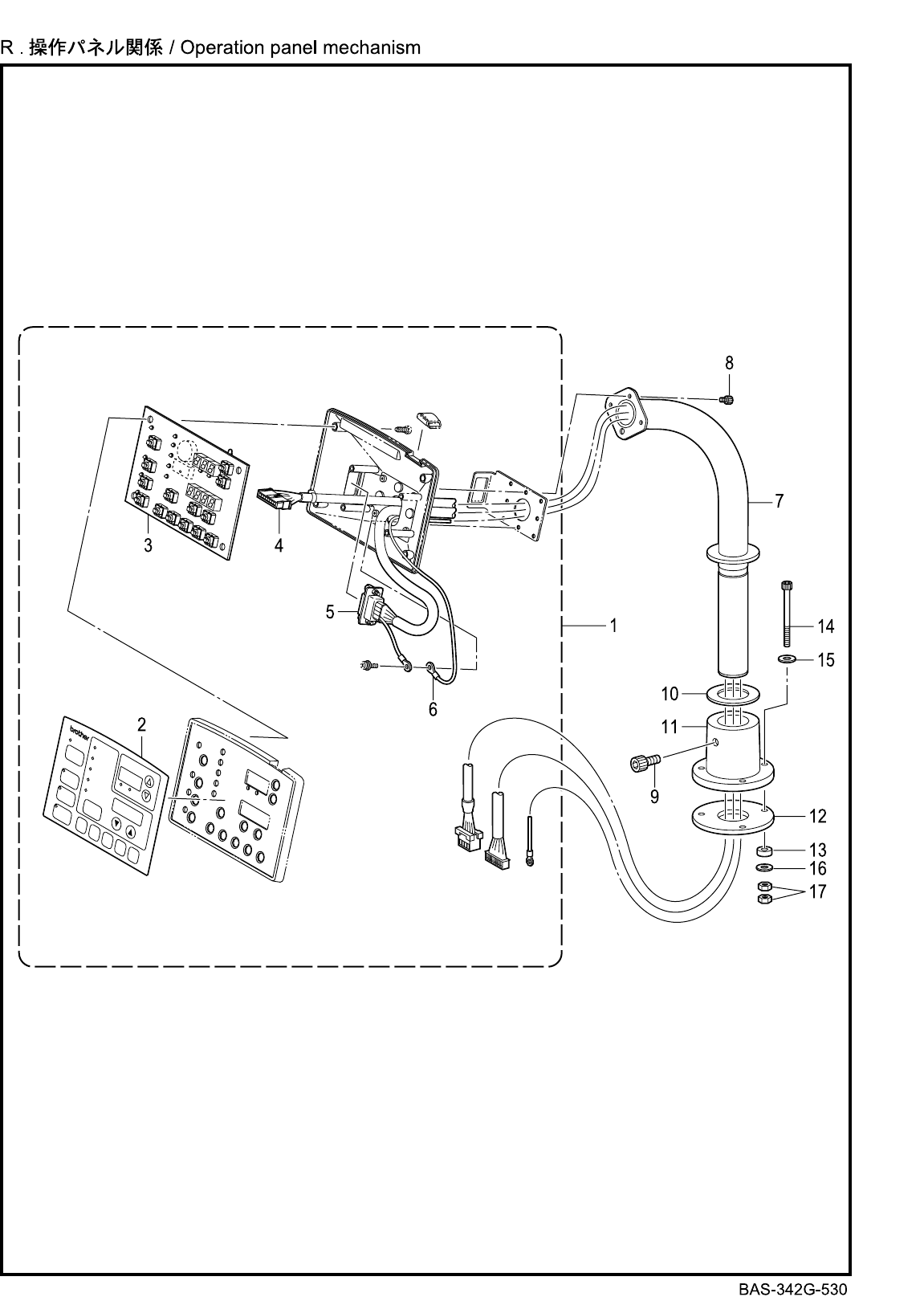
R. / Operation panel mechanism
REF.NO CODE Q'TY NAME OF PARTS RM
1 SA4834101 1 OPERATION PANEL ASS
Y
2 SA3831001 1 PANEL SHEE
T
3 SA3833201 1
PANEL PCB ASS
Y
4 SA4563101 1 PANEL HARNESS
5 SA4837101 1
PROGRAMMER CONNECTING HARNESS
6 SA4841101 1 GROUND WIRE
7 SA4836001 1 OPERATION PANEL STAND
8 018400636 3
BOLT SOCKET M4X6
9 018081636 1
BOLT SOCKET M8X16
10 S10408000 1
RUBBER SHEE
T
11 S43236009 1
OPERATION PANEL BASE
12 S43674000 1 CUSHION,
A
13 S43675000 3 CUSHION, B
14 SA8664001 3
BOLT SOCKET M5X75
15 025050236 3
WASHER PLAIN M 5
16 025050336 3
WASHER PLAIN L 5
17 021500106 6 NUT 1 M5
BAS-342G-530
48

48
R. / Operation panel mechanism
REF.NO CODE Q'TY NAME OF PARTS RM
1 SA4834101 1 OPERATION PANEL ASS
Y
2 SA3831001 1 PANEL SHEE
T
3 SA3833201 1
PANEL PCB ASS
Y
4 SA4563101 1 PANEL HARNESS
5 SA4837101 1
PROGRAMMER CONNECTING HARNESS
6 SA4841101 1 GROUND WIRE
7 SA4836001 1 OPERATION PANEL STAND
8 018400636 3
BOLT SOCKET M4X6
9 018081636 1
BOLT SOCKET M8X16
10 S10408000 1
RUBBER SHEE
T
11 S43236009 1
OPERATION PANEL BASE
12 S43674000 1 CUSHION,
A
13 S43675000 3 CUSHION, B
14 SA8664001 3
BOLT SOCKET M5X75
15 025050236 3
WASHER PLAIN M 5
16 025050336 3
WASHER PLAIN L 5
17 021500106 6 NUT 1 M5
BAS-342G-530
48

49
S. / Motor mechanism
REF.NO CODE Q'TY NAME OF PARTS RM
1 J80991001 1 MOTOR ASSY CDD-430D
BAS-342G-650
50

50
S. / Motor mechanism
REF.NO CODE Q'TY NAME OF PARTS RM
1 J80991001 1 MOTOR ASSY CDD-430D
BAS-342G-650
50

51
T. / Foot switch pedal mechanism
REF.NO CODE Q'TY NAME OF PARTS RM
1 SA6038001 1 2-PEDAL FOOT SWITCH, SW ASS
Y
2 S38168001 1
SPRING, COMPRESSION 10X30
3 S38170001 2
FOOT PEDAL SPRING
4 S36260000 3
PIN BUTTON MICRO SWITCH, VX
5 S38174000 2
FOOT PEDAL
6 S38175001 2
PROTECTION PLATE, PEDAL
7 S38176101 2
SPRING, PLATE
BAS-342G-651
52

52
T. / Foot switch pedal mechanism
REF.NO CODE Q'TY NAME OF PARTS RM
1 SA6038001 1 2-PEDAL FOOT SWITCH, SW ASS
Y
2 S38168001 1
SPRING, COMPRESSION 10X30
3 S38170001 2
FOOT PEDAL SPRING
4 S36260000 3
PIN BUTTON MICRO SWITCH, VX
5 S38174000 2
FOOT PEDAL
6 S38175001 2
PROTECTION PLATE, PEDAL
7 S38176101 2
SPRING, PLATE
BAS-342G-651
52

55
V. / Programmer
REF.NO CODE Q'TY NAME OF PARTS RM
1SA5164001 1 LCD MODULE
2SA5165001 1 LCD INVERTE
R
3SA5166001 1 INVERTER HARNESS
4SA5170001 1 PROGRAMMER PCB ASS
Y
5SA5172001 1 SWITCH PCB ASS
Y
6XD1115051 2 FFC: SML2CD-20X70
7SA5167001 1 PROGRAMMER HARNESS
8 SA4574001 1
KEYBOARD
BAS-342G-940
56

56
V. / Programmer
REF.NO CODE Q'TY NAME OF PARTS RM
1SA5164001 1 LCD MODULE
2SA5165001 1 LCD INVERTE
R
3SA5166001 1 INVERTER HARNESS
4SA5170001 1 PROGRAMMER PCB ASS
Y
5SA5172001 1 SWITCH PCB ASS
Y
6XD1115051 2 FFC: SML2CD-20X70
7SA5167001 1 PROGRAMMER HARNESS
8 SA4574001 1
KEYBOARD
BAS-342G-940
56

57
W1. / Attachment set (Option parts)
REF.NO CODE Q'TY NAME OF PARTS RM
<Except for Europe>
1SA7500001 1 OPTION MANIFOLD 5 SET
2SA5290001 1 MANIFOLD 5
3S39116100 1 VALVE
,
VQZ2151S-5
4S53982000 2 BLANKING PLATE ASS
Y
5SA7166101 1 VALVE HARNESS ASSY X1
<For Euro
p
e onl
y
>
1SA75000E1 1 OPTION MANIFOLD 5 SET
2SA75390E1 1 MANIFOLD 5WEEE
3S39116100 1 VALVE
,
VQZ2151S-5
4S53982000 2 BLANKING PLATE ASS
Y
5SA7166101 1 VALVE HARNESS ASSY X1
<Exce
p
t for Euro
p
e>
6SA7171001 1 OPTION ADD VALVE ASS
Y
7S39116100 1 VALVE
,
VQZ2151S-5
8SA7167101 1 OP VALVE HARNESS SG
<For Euro
p
e onl
y
>
6SA71710E1 1 OPTION ADD VALVE ASS
Y
7SA74521E0 1 VALVE
,
VQZ2151SWEEE
8SA7167101 1 OP VALVE HARNESS SG
9 SA7197001 1
2-STEP THREAD TENSION DEVICE
10 S34706000 1
A
IR CYLINDER, 10X10
11 018302036 2
BOLT SOCKET M3X20
12 S12150000 2
TUBE ELBOW, M-5HL-4
13 S34533001 1 COUNTERSINK CLA
W
14 S34534101 1
SUB TENSION BRACKET ASS
Y
15 155510001 1 TENSION NUT
16 146060000 1
SPRING
17 146059001 1
PRE-TENSION NUT
18 146058001 1
PRE-TENSION SPRING
19 146206009 1 DISC PRESSER, T-GUIDE
20 144504001 2 THREAD GUIDE DISC
21 SA7199001 1
SETTING BRACKET, CYLINDE
R
22 017081606 2
BOLT M8X16
23 S15031008 2
A
IR TUBE, 4X2.5
24 SA7155001 2 SPACE
R
25 S00480000 2
CORD HOLDER, 5N
26 0A5401006 2
SCREW PAN (S/P WASHER) M4X10
27 525907000 1
CORD HOLDER #9
28 SA3416101 1
TENSION SPRING LL
29 S48140002 1
WASHE
R
30 S20681000 1
WASHE
R
BAS-342G-940
58

58
W1. / Attachment set (Option parts)
REF.NO CODE Q'TY NAME OF PARTS RM
<Except for Europe>
1SA7500001 1 OPTION MANIFOLD 5 SET
2SA5290001 1 MANIFOLD 5
3S39116100 1 VALVE
,
VQZ2151S-5
4S53982000 2 BLANKING PLATE ASS
Y
5SA7166101 1 VALVE HARNESS ASSY X1
<For Euro
p
e onl
y
>
1SA75000E1 1 OPTION MANIFOLD 5 SET
2SA75390E1 1 MANIFOLD 5WEEE
3S39116100 1 VALVE
,
VQZ2151S-5
4S53982000 2 BLANKING PLATE ASS
Y
5SA7166101 1 VALVE HARNESS ASSY X1
<Exce
p
t for Euro
p
e>
6SA7171001 1 OPTION ADD VALVE ASS
Y
7S39116100 1 VALVE
,
VQZ2151S-5
8SA7167101 1 OP VALVE HARNESS SG
<For Euro
p
e onl
y
>
6SA71710E1 1 OPTION ADD VALVE ASS
Y
7SA74521E0 1 VALVE
,
VQZ2151SWEEE
8SA7167101 1 OP VALVE HARNESS SG
9 SA7197001 1
2-STEP THREAD TENSION DEVICE
10 S34706000 1
A
IR CYLINDER, 10X10
11 018302036 2
BOLT SOCKET M3X20
12 S12150000 2
TUBE ELBOW, M-5HL-4
13 S34533001 1 COUNTERSINK CLA
W
14 S34534101 1
SUB TENSION BRACKET ASS
Y
15 155510001 1 TENSION NUT
16 146060000 1
SPRING
17 146059001 1
PRE-TENSION NUT
18 146058001 1
PRE-TENSION SPRING
19 146206009 1 DISC PRESSER, T-GUIDE
20 144504001 2 THREAD GUIDE DISC
21 SA7199001 1
SETTING BRACKET, CYLINDE
R
22 017081606 2
BOLT M8X16
23 S15031008 2
A
IR TUBE, 4X2.5
24 SA7155001 2 SPACE
R
25 S00480000 2
CORD HOLDER, 5N
26 0A5401006 2
SCREW PAN (S/P WASHER) M4X10
27 525907000 1
CORD HOLDER #9
28 SA3416101 1
TENSION SPRING LL
29 S48140002 1
WASHE
R
30 S20681000 1
WASHE
R
BAS-342G-940
58

59
W2. / Attachment set (Option parts)
REF.NO CODE Q'TY NAME OF PARTS RM
<Except for Europe>
1SA5436201 1 DT TENSION SET
<For Euro
p
e onl
y
>
1SA54362E1 1 DT TENSION SET
2SA7509101 1 TENSION BRACKET ASS
Y
3SA7513001 1 DT TENSION DISC ASS
Y
4SA7510001 1 DT TENSION STUD
5SA6190001 1 DISC DT
6145446001 1 DISC
,
TENSION
7SA3638001 1 DT NUT
8021060306 1 NUT 3 M6
9SA7511001 1 DT TENSION BRACKE
T
10 SA6193201 1 THREAD TAKE-UP SPRING C
11 013679412 1
SET SCREW, (CP) SM3.57
12 SA4932001 1
WASHE
R
13 048060142 1
RETAINING RING EXTERNAL C6
14 SA7512001 1
SET SCRE
W
<Except for Europe>
15 SA5331001 1 TENSION RELEASE SE
T
<For Euro
p
e onl
y
>
15 SA75410E1 1 TENSION RELEASE WEEE SE
T
16 SA5133001 1 TENSION RELEASE ASS
Y
17 SA4829001 1 DEGITAL TENSION SOLENOID
18 017400802 2
BOLT M4X8
19 028040246 2
WASHER SPRING 2-4
20 026040236 2
WASHER PLAIN M 4
21 017401015 1
BOLT M4X10
22 021400306 1 NUT 3 M4
23 102707002 1
WASHE
R
24 SA6284001 1 CUSHION
25 SA3345001 1 SETTING PLATE, SOLENOID
26 S04159000 1
BAND 1M
27 SA7508001 1 DT SOLENOID PLATE
28 218859001 2
BINDER M150
29 145519301 1
THREAD TAKE-UP SPRING
30 S04159000 2
BAND 1M
BAS-342G-940
60

60
W2. / Attachment set (Option parts)
REF.NO CODE Q'TY NAME OF PARTS RM
<Except for Europe>
1SA5436201 1 DT TENSION SET
<For Euro
p
e onl
y
>
1SA54362E1 1 DT TENSION SET
2SA7509101 1 TENSION BRACKET ASS
Y
3SA7513001 1 DT TENSION DISC ASS
Y
4SA7510001 1 DT TENSION STUD
5SA6190001 1 DISC DT
6145446001 1 DISC
,
TENSION
7SA3638001 1 DT NUT
8021060306 1 NUT 3 M6
9SA7511001 1 DT TENSION BRACKE
T
10 SA6193201 1 THREAD TAKE-UP SPRING C
11 013679412 1
SET SCREW, (CP) SM3.57
12 SA4932001 1
WASHE
R
13 048060142 1
RETAINING RING EXTERNAL C6
14 SA7512001 1
SET SCRE
W
<Except for Europe>
15 SA5331001 1 TENSION RELEASE SE
T
<For Euro
p
e onl
y
>
15 SA75410E1 1 TENSION RELEASE WEEE SE
T
16 SA5133001 1 TENSION RELEASE ASS
Y
17 SA4829001 1 DEGITAL TENSION SOLENOID
18 017400802 2
BOLT M4X8
19 028040246 2
WASHER SPRING 2-4
20 026040236 2
WASHER PLAIN M 4
21 017401015 1
BOLT M4X10
22 021400306 1 NUT 3 M4
23 102707002 1
WASHE
R
24 SA6284001 1 CUSHION
25 SA3345001 1 SETTING PLATE, SOLENOID
26 S04159000 1
BAND 1M
27 SA7508001 1 DT SOLENOID PLATE
28 218859001 2
BINDER M150
29 145519301 1
THREAD TAKE-UP SPRING
30 S04159000 2
BAND 1M
BAS-342G-940
60

61
W3. / Attachment set (Option parts)
REF.NO CODE Q'TY NAME OF PARTS RM
<Except for Europe>
1SA5575101 1 TR.WIPER SET PNEUMATIC TYPE
2S17942100 1
A
IR CYLINDE
R
<For Euro
p
e onl
y
>
1SA55751E1 1 TR.WIPER SET PNEUMATIC TYPE
2SA74700E1 1
A
IR CYLINDER WEEE
3S55533000 2 ELBOW
,
M5
4SA7163001 1 CYLINDER SUPPORT PLATE
5SA7164001 1 JOYNT CYLINDE
R
6S31778000 1 STOPPER
,
CYLINDE
R
7062350616 4 SCREW PAN M3.5X6
8 S15031010 2
A
IR TUBE, 4X2.5
9 SA7620101 1 THREAD WIPER SWITCH ASSY G
10 SA7155001 2 SPACE
R
11 525664000 2
CORD HOLDER #6
12 0A5401006 2
SCREW PAN (S/P WASHER) M4X10
13 552907000 1
CORD HOLDER #10
14 SA5559101 1 NEEDLE COOLER SE
T
15 S18027201 1
NEEDLE BLOWE
R
16 062400816 2 SCREW PAN M4X8
17 S15031010 1
A
IR TUBE, 4X2.5
18 S04897000 1
PLUG 4
19 SA7155001 2 SPACE
R
20 S10243000 2
CORD HOLDER, NK-3N
21 0A5401006 2
SCREW PAN (S/P WASHER) M4X10
22 525907000 1
CORD HOLDER #9
BAS-342G-940
62

62
W3. / Attachment set (Option parts)
REF.NO CODE Q'TY NAME OF PARTS RM
<Except for Europe>
1SA5575101 1 TR.WIPER SET PNEUMATIC TYPE
2S17942100 1
A
IR CYLINDE
R
<For Euro
p
e onl
y
>
1SA55751E1 1 TR.WIPER SET PNEUMATIC TYPE
2SA74700E1 1
A
IR CYLINDER WEEE
3S55533000 2 ELBOW
,
M5
4SA7163001 1 CYLINDER SUPPORT PLATE
5SA7164001 1 JOYNT CYLINDE
R
6S31778000 1 STOPPER
,
CYLINDE
R
7062350616 4 SCREW PAN M3.5X6
8 S15031010 2
A
IR TUBE, 4X2.5
9 SA7620101 1 THREAD WIPER SWITCH ASSY G
10 SA7155001 2 SPACE
R
11 525664000 2
CORD HOLDER #6
12 0A5401006 2
SCREW PAN (S/P WASHER) M4X10
13 552907000 1
CORD HOLDER #10
14 SA5559101 1 NEEDLE COOLER SE
T
15 S18027201 1
NEEDLE BLOWE
R
16 062400816 2 SCREW PAN M4X8
17 S15031010 1
A
IR TUBE, 4X2.5
18 S04897000 1
PLUG 4
19 SA7155001 2 SPACE
R
20 S10243000 2
CORD HOLDER, NK-3N
21 0A5401006 2
SCREW PAN (S/P WASHER) M4X10
22 525907000 1
CORD HOLDER #9
BAS-342G-940
62

63
W4. / Attachment set (Option parts)
REF.NO CODE Q'TY NAME OF PARTS RM
<Except for Europe>
1SA5193101 1 TR-BREAKAGE DETECTOR SET F
<For Euro
p
e onl
y
>
1SA51931E1 1 TR-BREAKAGE DETECTOR SET F
2SA4816001 1 FIBER AMP FX311
3SA4817001 1
A
MP CABLE ASS
Y
4SA4818001 1 DIN METAL FITTING
5062300616 2 SCREW PAN M3X6
6SA4819001 1 FIBER FDFM2
7SA5194001 1 SENSOR SETTING PLATE
8062500616 1 SCREW PAN M5X6
9625010000 1 NYLON CLAMP NK-2N
10 0A5401006 1 SCREW PAN
(
S/P WASHER
)
M4X10
BAS-342G-940
64

64
W4. / Attachment set (Option parts)
REF.NO CODE Q'TY NAME OF PARTS RM
<Except for Europe>
1SA5193101 1 TR-BREAKAGE DETECTOR SET F
<For Euro
p
e onl
y
>
1SA51931E1 1 TR-BREAKAGE DETECTOR SET F
2SA4816001 1 FIBER AMP FX311
3SA4817001 1
A
MP CABLE ASS
Y
4SA4818001 1 DIN METAL FITTING
5062300616 2 SCREW PAN M3X6
6SA4819001 1 FIBER FDFM2
7SA5194001 1 SENSOR SETTING PLATE
8062500616 1 SCREW PAN M5X6
9625010000 1 NYLON CLAMP NK-2N
10 0A5401006 1 SCREW PAN
(
S/P WASHER
)
M4X10
BAS-342G-940
64

65
W5. / Attachment set (Option parts)
REF.NO CODE Q'TY NAME OF PARTS RM
<Except for Europe>
1SA5201001 1 FDD SET
2SA5202001 1 FDD UNIT ASS
Y
3SA6628101 1 FDD
4S43225000 2 SPACER
,
FDD
5SA5203001 1 FDD BASE PLATE
60A4300605 4 SCREW PAN
(
S/P WASHER
)
M3X
6
7037300816 4 TAPPING SCREW PAN V M3X8
8SA5204001 1 FDD COVER
90A4300805 4 SCREW PAN
(
S/P WASHER
)
M3X
8
10 SA5205001 1 FDD HARNESS
11 SA5206001 1 FDD POWER HARNESS
12 SA5134001 1 GROUND WIRE
13 0A4300805 1 SCREW PAN
(
S/P WASHER
)
M3X
8
14 032421302 4 WOOD SCREW ROUND 2 M4.1X13
15 200190001 2 STAPLE 10X20
<For Euro
p
e onl
y
>
1SA52010E1 1 FDD SET
2SA52020E1 1 FDD UNIT ASS
Y
3SA6628101 1 FDD
4S43225000 2 SPACER
,
FDD
5SA5203001 1 FDD BASE PLATE
60A4300605 4 SCREW PAN
(
S/P WASHER
)
M3X
6
7037300816 4 TAPPING SCREW PAN V M3X8
8SA5204001 1 FDD COVER
90A4300805 4 SCREW PAN
(
S/P WASHER
)
M3X
8
10 SA5205001 1 FDD HARNESS
11 SA5206001 1 FDD POWER HARNESS
12 SA5134001 1 GROUND WIRE
13 0A4300805 1 SCREW PAN
(
S/P WASHER
)
M3X
8
14 032421302 4 WOOD SCREW ROUND 2 M4.1X13
15 200190001 2 STAPLE 10X20
<Except for Europe>
16 SA6495001 1 3-PEDAL FOOT SW ASS
Y
17 S38170001 3 FOOT PEDAL SPRING
18 S38174000 3 FOOT PEDAL
19 S38175101 3 PROTECTION PLATE PEDAL
20 S38176101 3 SPRING
,
PLATE
21 S36260000 1 MICRO SWITCH: VX-01-1A3
<For Euro
p
e onl
y
>
16 SA64950E1 1 3-PEDAL FOOT SW ASS
Y
17 S38170001 3 FOOT PEDAL SPRING
18 S38174000 3 FOOT PEDAL
19 S38175101 3 PROTECTION PLATE PEDAL
20 S38176101 3 SPRING
,
PLATE
21 S36260000 1 MICRO SWITCH: VX-01-1A3
BAS-342G-940
66

66
W5. / Attachment set (Option parts)
REF.NO CODE Q'TY NAME OF PARTS RM
<Except for Europe>
1SA5201001 1 FDD SET
2SA5202001 1 FDD UNIT ASS
Y
3SA6628101 1 FDD
4S43225000 2 SPACER
,
FDD
5SA5203001 1 FDD BASE PLATE
60A4300605 4 SCREW PAN
(
S/P WASHER
)
M3X
6
7037300816 4 TAPPING SCREW PAN V M3X8
8SA5204001 1 FDD COVER
90A4300805 4 SCREW PAN
(
S/P WASHER
)
M3X
8
10 SA5205001 1 FDD HARNESS
11 SA5206001 1 FDD POWER HARNESS
12 SA5134001 1 GROUND WIRE
13 0A4300805 1 SCREW PAN
(
S/P WASHER
)
M3X
8
14 032421302 4 WOOD SCREW ROUND 2 M4.1X13
15 200190001 2 STAPLE 10X20
<For Euro
p
e onl
y
>
1SA52010E1 1 FDD SET
2SA52020E1 1 FDD UNIT ASS
Y
3SA6628101 1 FDD
4S43225000 2 SPACER
,
FDD
5SA5203001 1 FDD BASE PLATE
60A4300605 4 SCREW PAN
(
S/P WASHER
)
M3X
6
7037300816 4 TAPPING SCREW PAN V M3X8
8SA5204001 1 FDD COVER
90A4300805 4 SCREW PAN
(
S/P WASHER
)
M3X
8
10 SA5205001 1 FDD HARNESS
11 SA5206001 1 FDD POWER HARNESS
12 SA5134001 1 GROUND WIRE
13 0A4300805 1 SCREW PAN
(
S/P WASHER
)
M3X
8
14 032421302 4 WOOD SCREW ROUND 2 M4.1X13
15 200190001 2 STAPLE 10X20
<Except for Europe>
16 SA6495001 1 3-PEDAL FOOT SW ASS
Y
17 S38170001 3 FOOT PEDAL SPRING
18 S38174000 3 FOOT PEDAL
19 S38175101 3 PROTECTION PLATE PEDAL
20 S38176101 3 SPRING
,
PLATE
21 S36260000 1 MICRO SWITCH: VX-01-1A3
<For Euro
p
e onl
y
>
16 SA64950E1 1 3-PEDAL FOOT SW ASS
Y
17 S38170001 3 FOOT PEDAL SPRING
18 S38174000 3 FOOT PEDAL
19 S38175101 3 PROTECTION PLATE PEDAL
20 S38176101 3 SPRING
,
PLATE
21 S36260000 1 MICRO SWITCH: VX-01-1A3
BAS-342G-940
66

67
Z. / Accessories
REF.NO CODE Q'TY NAME OF PARTS RM
1 S06706001 1 SILICONE OIL
2 S44633001 3
BOBBIN LAN
3 SA1645019 1 NEEDLE 4PIECE ASSY, 145646
4 145646019 4 NEEDLE, DPX17
5 142443001 1
SCREW-DRIVER, 1.9X52
6 118837001 1
SCREW-DRIVER, 3.4X70
7 107779001 1 WRENCH, 6X7
8 100887001 1 WRENCH, 8X9
9 107780001 1 WRENCH, 10X12
10 S07783001 1
HEXAGONAL WRENCH, 1.5
11 142002001 1
HEXAGONAL WRENCH, 2
12 154125001 1
HEXAGONAL WRENCH, 2.5
13 142721001 1
HEXAGONAL WRENCH, 3
14 118064001 1
HEXAGONAL WRENCH, 4
15 150335001 1
HEXAGONAL WRENCH, 5
16 SA4103001 1
EYE GUARD SET D
17 S44483001 1
HINGE ASS
Y
18 S44484001 1
EYE GUARD HINGE
19 S37619001 1
HINGE
20 119255000 1
PIN
21 S37113001 1
EYE GUARD SPRING
22 S44485001 1
EYE GUARD
23 061300813 2 SCREW FLAT M3X8
24 021300103 2 NUT, 1 M3
25 026030233 2
WASHER PLAIN M 3
26 SA4104001 1
EYE GUARD HOLDER,
A
27 062300503 2 SCREW, PAN M3X5
28 062400616 2 SCREW PAN M4X6
29 026040136 2
WASHER PLAIN S 4
30 S40574309 1
COTTON STAND ASSY 2DTHF
31 S51283001 2
SPOOL STAND BASE
32 150182000 2
SPOOL MAT
33 S51282101 2
SPOOL CUSHION
34 150206002 1
WASHER PLAIN 16
35 SA6629001 1 NUT M16
36 S04109001 1
THREAD GUIDE SUPPORT BA
R
37 142997001 1 THREAD GUIDE, 3
38 150172003 1
COLUMN PIPE
39 150174000 1
COLUMN CAP
40 156112003 1
COLUMN PIPE D
41 SA6606001 1
COLUMN JOINT
42 150179002 2
SPOOL SHAFT B
43 028050244 2
WASHER SPRING 2-5
44 021500104 2 NUT 1 M5
45 SA6607001 1
SPOOL HOLDER 2
46 SA6607001 1
SPOOL HOLDER 2
47 150183000 2
THREAD HANGER BASE
48 142990001 2
THREAD BUSH
49 SA6609001 2
SPOOL HOLDER SUPPORTE
R
50 SA6615001 1
THREAD GUIDE HOLDE
R
51 138843001 1
JOINT
52 021500104 2 NUT 1 M5
53 062061604 2 SCREW PAN M6X16
54 062501404 2 SCREW PAN M5X14
55 014060632 2
SET SCREW SOCKET (CP) M6X6
56 021500104 1 NUT 1 M5
57 S37037001 1
SCREW PAN (S/P WASHER) M5X32
58 062061004 1 SCREW PAN M6X10
59 114483002 1
OILER ASS
Y
60 S55663001 1 OIL TANK ASS
Y
61 101572102 1
SCREW-DRIVER 5.5X190
62 SA8855001 1
A
UXILIARY PLATE SEE
T
63 149173001 1
SCREW-DRIVER, HEXAGONAL 3
BAS-342G-910
68

68
Z. / Accessories
REF.NO CODE Q'TY NAME OF PARTS RM
1 S06706001 1 SILICONE OIL
2 S44633001 3
BOBBIN LAN
3 SA1645019 1 NEEDLE 4PIECE ASSY, 145646
4 145646019 4 NEEDLE, DPX17
5 142443001 1
SCREW-DRIVER, 1.9X52
6 118837001 1
SCREW-DRIVER, 3.4X70
7 107779001 1 WRENCH, 6X7
8 100887001 1 WRENCH, 8X9
9 107780001 1 WRENCH, 10X12
10 S07783001 1
HEXAGONAL WRENCH, 1.5
11 142002001 1
HEXAGONAL WRENCH, 2
12 154125001 1
HEXAGONAL WRENCH, 2.5
13 142721001 1
HEXAGONAL WRENCH, 3
14 118064001 1
HEXAGONAL WRENCH, 4
15 150335001 1
HEXAGONAL WRENCH, 5
16 SA4103001 1
EYE GUARD SET D
17 S44483001 1
HINGE ASS
Y
18 S44484001 1
EYE GUARD HINGE
19 S37619001 1
HINGE
20 119255000 1
PIN
21 S37113001 1
EYE GUARD SPRING
22 S44485001 1
EYE GUARD
23 061300813 2 SCREW FLAT M3X8
24 021300103 2 NUT, 1 M3
25 026030233 2
WASHER PLAIN M 3
26 SA4104001 1
EYE GUARD HOLDER,
A
27 062300503 2 SCREW, PAN M3X5
28 062400616 2 SCREW PAN M4X6
29 026040136 2
WASHER PLAIN S 4
30 S40574309 1
COTTON STAND ASSY 2DTHF
31 S51283001 2
SPOOL STAND BASE
32 150182000 2
SPOOL MAT
33 S51282101 2
SPOOL CUSHION
34 150206002 1
WASHER PLAIN 16
35 SA6629001 1 NUT M16
36 S04109001 1
THREAD GUIDE SUPPORT BA
R
37 142997001 1 THREAD GUIDE, 3
38 150172003 1
COLUMN PIPE
39 150174000 1
COLUMN CAP
40 156112003 1
COLUMN PIPE D
41 SA6606001 1
COLUMN JOINT
42 150179002 2
SPOOL SHAFT B
43 028050244 2
WASHER SPRING 2-5
44 021500104 2 NUT 1 M5
45 SA6607001 1
SPOOL HOLDER 2
46 SA6607001 1
SPOOL HOLDER 2
47 150183000 2
THREAD HANGER BASE
48 142990001 2
THREAD BUSH
49 SA6609001 2
SPOOL HOLDER SUPPORTE
R
50 SA6615001 1
THREAD GUIDE HOLDE
R
51 138843001 1
JOINT
52 021500104 2 NUT 1 M5
53 062061604 2 SCREW PAN M6X16
54 062501404 2 SCREW PAN M5X14
55 014060632 2
SET SCREW SOCKET (CP) M6X6
56 021500104 1 NUT 1 M5
57 S37037001 1
SCREW PAN (S/P WASHER) M5X32
58 062061004 1 SCREW PAN M6X10
59 114483002 1
OILER ASS
Y
60 S55663001 1 OIL TANK ASS
Y
61 101572102 1
SCREW-DRIVER 5.5X190
62 SA8855001 1
A
UXILIARY PLATE SEE
T
63 149173001 1
SCREW-DRIVER, HEXAGONAL 3
BAS-342G-910
68

A
B
7 6
14
1817
1
8
SHEET 1 OF 2
32
20
32
36
37
28
SEE ASM. #G010652 FOR
INSTALLATION TO HEAD AND FRAME.
44
13
5
4
3
2
BASE PLATE OF ASM. #G010651
IS ASSEMBLED TO STAND FIRST
45
?
19
27
30
46
SCALE 1 : 2
43 25
ITEM
NO.
PART
NUMBER
DESCRIPTION
QTY.
1
G010648
PALLET RETAINER ASSY
1
2
G010651
ASM., Y-BEARING & GEARBOX
1
3
G010240
WELDED STAND ASSY, COMPLETE
1
4
G010653
ASM., SPLINE GEAR DRIVE
1
5
G010652
CLOTHPLATE SUPPORT ASM
1
6
G010424
COVER, RIGHT ASSY
1
7
G010423
COVER, LEFT ASSY
1
8
G010435
BRACKET, COVER
10
9
G010436
BRACKET, COVER INNER REAR
1
10
G010437
BRACKET, COVER INNER FRONT
1
11
G010438
MOUNT BAR, COVER
1
12
G010520
COVER MOUNT - HEAD
1
13
SA4836001
STAND, OPERATION PANEL
1
14
S43236009
BASE, OPERATIONAL PANEL
1
15
G010187
Y SENSOR BRACKET
1
16
G010812
BRACKET, Y SENSOR MTG.
1
17
1179D125
RACK COVER, LEFT
1
18
1179D126
RACK COVER, RIGHT
1
19
G010659
SPACER, HEAD
2
20 a002769
BRKT, REEL HOLDER
1
21
1179D142
BEARING PLATE BLOCK
2
22
2420A13
SPRING TUBE BENDER
1
23
G010422
CLAMP BLOCK, CABLE SUPPORT
1
24
8876T13
CABLE CLIP, 1/4 OD, 13/16 X 3/8"
4
25
8876T22
CABLE CLIP, 3/8 OD, 1 X 3/8"
2
26
8876T11
CABLE CLIP, 1/8 OD, 13/16 X 3/8"
2
27
GSSC850
M8 X 50 SHCS
2
28
GSSC825
SCREW, M8X25 SHCS
19
29
GSSC820
SCREW, M8X20 SHCS
3
30
GWF0800
WASHER, M8 FLAT
3
31
GSSC625
M6 X 25 SHCS
6
32
GSSC620
SCREW, M6X20 SHCS
13
33
GSSC618
SCREW, M6X18 SHCS
4
34
GSSC616
M6X1, L16 SHCS
2
35
GSSC612
6MM SHCS L-12
10
36
GWL0600
WASHER, M6 LOCK
4
37
GWF0600
WASHER, M6 FLAT
19
38
GSSC550
M5 X 50 SHCS
4
39
GSSC512
M5 X 12 SHCS
2
40
gwf0500
WASHER, M5 FLAT
6
41
GWL0500
WASHER, M5 LOCK
4
42
GSSC410
M4x.7, L10 SHCS
4
43
0A5401006
M4 X 8MM, PNH SCREW/WASHER ASSY
24
44
SA3538-0-01
M4 X 8MM, PNH SCREW
36
45
GSSC406
M4X.7, L6 SHCS
3
46
G008593
ASM., PANEL EXTENSION
2
47
Gauge1 Gauge1
1

DETAIL A
SCALE 1 : 2
22
23
21
42
32 37
43
2443
31
34 36 37
TO MATING HOLES
IN MACHINE HEAD
TO MATING HOLES
IN MACHINE HEAD
38 41 40
DETAIL B
SCALE 1 : 2
11
9
10
8
12
15
16
33 37
35
29 30
31 37
39 40
43
26
29
SHEET 2 OF 2

18
3
1
5
9
24
11
14 8 15 7
12
29
192021
22
2425
27
13
23 23
23
30
31
26
28
16
17
AIR FITTINGS TO INSIDE
10
BEVELED EDGE TO RIGHT
SLOT ON BOTTOM
AND TO LEFT
6
ITEM
NO.
PART NUMBER
DESCRIPTION
QTY.
1 1179D111A
RETAINING HOUSE BASE, LEFT
1
2 1179D112A
RETAINING HOUSE BASE, RIGHT
1
3 1179D110A
PIN, LOCKING
2
4
G008739
GUIDE, PALLETTE R
1
5
G008740
GUIDE, PALLETTE L
1
6
G010709
X-RIB SUPPORT, RIGHT
1
7
G010710
X-RIB SUPPORT, LEFT
1
8
1179D171
BEARING PLATE, X-AXIS
1
9 1179D172A
PLATE, X-AXIS RETAINER
1
10 1179D130A
RACK, X-AXIS
1
11
1179D170
BAR, GEAR RACK SPACER
1
12
1179D115
BRACKET, X-SENSOR MTG.
1
13
1179D145
SHOULDER STOP, LM GUIDE (X)
2
14
1179A029A
ASM., BEARING & RAIL
1
15
1179D139
BLOCK, X-AXIS COVER MOUNT
8
16
CQ2B16-10D
AIR CYLINDER
2
17
KQ2L04-M5 FITTING, MALE ELBOW, 4MM X M5
4
18
G010654
BUSHING, 8 X 12 X 12.7
2
19
GSSC516
M5 X 16 SHCS
6
20
GWL0500
WASHER, M5 LOCK
6
21
gwf0500
WASHER, M5 FLAT
6
22
GSSC445
SHCS 4MM L-45
8
23
GSSC418
M4 X 18 SHCS
42
24
GSSC416
M4 X 16 SHCS
2
25
GSSC412
M4 X 12 SHCS
28
26
GSSC410
M4x.7, L10 SHCS
2
27 GSSB408
M4 X 8 BHCS
4
28
GWF0400
WASHER, M4 FLAT
2
29 GSSS416
SCREW, M4X16 SET
2
30
GSSC335
SHCS M3 X 35
8
31
GSSC310
M3X10 SHCS
12

8
4
6
2
5
1
3
7
ITEM
NO.
PART
NUMBER
DESCRIPTION
QTY.
1
1179D111A
RETAINING HOUSE
BASE, LEFT
1
2
1179D110A
PIN, LOCKING
1
3
G008740
GUIDE, PALLETTE L
1
4
CQ2B16-10D
AIR CYLINDER
1
5
G010654
BUSHING, 8 X 12 X 12.7
1
6
GSSS416
SCREW, M4X16 SET
1
7
GSSB408
M4 X 8 BHCS
2
8
GSSC335
SHCS M3 X 35
4

8
4
6
2
1
3
7
5
ITEM
NO.
PART
NUMBER
DESCRIPTION
QTY.
1
1179D112A
RETAINING HOUSE BASE,
RIGHT
1
2
1179D110A
PIN, LOCKING
1
3
G008739
GUIDE, PALLETTE R
1
4
CQ2B16-10D
AIR CYLINDER
1
5
G010654
BUSHING, 8 X 12 X 12.7
1
6
GSSS416
SCREW, M4X16 SET
1
7
GSSB408
M4 X 8 BHCS
2
8
GSSC335
SHCS M3 X 35
4

24
?
14 45 2016 15 31 23 40
6
5
4
35
19
21
22
8
9
7
11
2
20
10
28
12
LENGTHEN FLAT ON SHAFT
10MM AWAY FROM HOUSING
3
3517
36
18
25
USE EXISTING
1
33
32
37
38
323738
34
27
26 29 30
39
SUPPLIED WITH
BEARING-SHAFT ASM
ITEM NO.
PART NUMBER
DESCRIPTION
QTY.
1
1179A027A
ASM., BALL SPLINE
1
2
1179D169A
PLATE, SPLINE DRIVE
1
3
1179D132
PLATE R, SPLINE DRIVE UNIT
1
4
1179D133
PLATE F, SPLINE DRIVE UNIT
1
5
1179D141
PLATE, SUPPORT RAIL
1
6
1179D144
SUPPORT RAIL
1
7
1179D091
KEY
1
8
1179D095
DRIVE HUB, SPUR GEAR X-AXIS
1
9
1179D100
SPUR GEAR, MAIN SPLINE DRIVE
1
10
1179D101
HUB SPUR GEAR, X PULSE MOTOR
1
11
1179A016
X-PULSE MOTOR MOUNTING WELDMENT
1
12
1179D102
X-PULSE MOTOR DRIVE
1
13
1179D131
KEY, X-DRIVE SPLINE
1
14
1179D136
HUB SPUR GEAR, X-DRIVE
1
15
1179D147
BEARING PLATE MTG.
1
16
1179D148
CAM ROLLER MOUNT
1
17
G010799
PLATE, SPLINE DRIVE TOP
1
18
G010454
BRACKET, COVER FRONT PANEL
2
19
6006NR
30MM DEEP GROOVE BEARING
2
20
6201NR
12MM DEEP GROOVE BEARING
2
21
5909K770
THRUST WASHER
4
22
5909K170
30MM THRUST BEARING
2
23
5909K720
THRUST WASHER, 12MM X 1MM
1
24
98541A119
RETAINING, 12MM
1
25
SA8694001
FAN BRACKET
1
26
GSSC622
M6X1, L22 SHCS
5
27
GSSS612
M6X1, L12 SET SCREW
2
28
GSSS608
M6X1, L8 SET SCREW
4
29
GWL0600
WASHER, M6 LOCK
4
30
gwf0600
WASHER, M6 FLAT
4
31
GN00600
NUT, M6 HEX
1
32
GSSC518
M5X.8, L18 SHCS
8
33
GSSC516
M5X.8, L16 SHCS
4
34
GSSC515
M5 X 15 SHCS
6
35
GSSC512
M5X.8, L12 SHCS
8
36
GSSC510
M5X.8, L10 SHCS
4
37
GWL0500
WASHER, M5 LOCK
4
38
gwf0500
WASHER, M5 FLAT
4
39
GSSC410
M4x.7, L10 SHCS
2
40
GSSC406
M4X.7, L6 SHCS
2
45
mcfe16-bx
CAMROLLER BEARING
1

A
B
45
912
8 7
10 11
6
1
4
22
5 3
23
2
16 17
18
24
25
21
15
USE EXISTING
4 BEARINGS
33 37
29
28
35
2730
41
14
13
31
41
29
27
30
27
30
34
36
32
40
LONG ARMS
TO REAR AND
OUTSIDE
NOTCH TO INSIDE
38
26
30
DETAIL A
SCALE 1 : 2
43
DETAIL B
SCALE 1 : 2
2630
CHAMFER SIDE TO BELT
THESE SCREWS
TO THESE HOLES
THESE SET SCREWS TO
SHAFT FLATS ON BOTH
DRIVE PULLEYS.
ITEM
NO.
PART NUMBER
DESCRIPTION
QTY.
1
G010174A
ASM, Y AXIS GEARBOX
1
2
G010645
100MM IDLER PULLEY ASM.
2
3
G010151ASM
DRIVE TIMING PULLEY
2
4
G010153
SHAFT, Y DRIVE
1
5
1179D149
BEARING BLOCK
4
6
G010124
SUBPLATE, MACHINE
1
7
G010155
PAD LOWER MNT
4
8
G010156
Y AXIS RISER BLOCK
4
9
G010157A
BASE PLATE Y RAIL
2
10
G010180
FRONT, GEARBOX BRACE
1
11
G010182 GEARBOX MOUNT PLATE
1
12
G010181
REAR, GEARBOX BRACE
1
13
1179D113
RIB, ARM SUPPORT PLATE
2
14
1179D167
ARM PLATE Y-AXIS, LEFT
1
15
1179D166
ARM PLATE Y-AXIS, RIGHT
1
16
1179D143
ARM SUPPORT SPACER, Y-AXIS
4
17
G010186
Y AXIS BELT MT (CROSS)
2
18
G010235
BELT CLAMP MTG. BLOCK (NEW)
4
19
G010183
100 BELT CLAMP
2
20 1179D058A
BRACKET, CABLE CARRIER LOWER
1
21
G010184
CLAMP BLOCK Y AXIS
2
22
6202NR
BEARING, 15MM ID X 35 MM OD
4
23
100ATS-1075-BFX
TIMING BELT
2
24
1179A031A
CABLE CARRIER
1
25
6063K33
COLLAR, 15MM SHAFT
2
26
GSSC835
M8 X 35 SHCS
6
27
GSSC830
M8 X 30 SHCS
14
28
GSSC825
SCREW, M8X25 SHCS
8
29
GSSC820
SCREW, M8X20 SHCS
12
30
GWF0800
WASHER, M8 FLAT
20
31
GSSC650
SCH CAP SCR, 6MM L50
16
32
GSSC640
SCH CAP SCR, 6MM L40
2
33
GSSC630
SCREW, M6X30 SHCS
4
34
GSSC625
M6 X 25 SHCS
4
35
GSSC622
M6X1, L22 SHCS
22
36
GSSC620
SCREW, M6X20 SHCS
8
37
GWF0600
WASHER, M6 FLAT
4
38 GSSS606
M6X1, L6 SET SCREW
8
39
GSSC520
M5 X 20 SHCS
24
40 GSSB508
M5 X 8 BHCS
8
41
GSSC414
M4 X 14 SHCS
24
42
GSSC310
M3X10 SHCS
2
43
GSPF306
M3X6 FHFS
4
44
GWF0300
M3 FLAT WASHER
2
45
MHS252640Z_49_
85_94_7_0_ 2
46
L_YAXIS
GAUGE L Y AXIS GXXL
2
47
R_YAXIS
Y AXIS ALIGNMENT GA R
2

11174136 83
12 14 15
10
512
7
9
13
EXISTING
EXISTING
EXISTING
EXISTINGEXISTING
16
ITEM
NO.
PART NUMBER
DESCRIPTION
QTY.
1
G010175
BASE, Y AXIS
MTR MT
1
2
G010176
REAR, Y AXIS
GEARBOX
1
3
G010177
FRONT, Y AXIS
GEARBOX
1
4
G010178
RIGHT, Y AXIS
GEARBOX
1
5
G010179
LEFT, Y AXIS
GEARBOX
1
6
6202NR
BEARING, 15MM
ID X 35 MM OD
2
7
SA8598001
MOTOR
BRACKET Y
1
8
SA8694001
FAN BRACKET
1
9
2Z0271001
Y Axis Motor, Dbl
Stack
1
10
SA8596001
EXISTING GEAR,
Y-AXIS
1
11
SA8602001
SHROUD, Y-AXIS
GEARBOX
1
12
GSSC625
M6 X 25 SHCS
4
13
GSSC620
SCREW, M6X20
SHCS
25
14
GWL0600
WASHER, M6
LOCK
4
15
GWF0600
WASHER, M6
FLAT
4
16 GSSB514
M5 X 14 BHCS
4
17
GSSC408
M4 X 8 SHCS
6

7
6
3 4
5
2
1
USE EXISTING.
REMOVE SNAP RING.
USE EXISTING
ITEM NO.
PART NUMBER
DESCRIPTION
QTY.
1
G010152
IDLER TIMING PULLEY
1
2 41649
FLANGE
2
3
G010158
IDLER ADJ BASE
1
4
G010154
Y IDLER SHAFT
1
5 GSSS506
5MM SET SCREW
2
6
SA8583001
SPACER, PULLEY
FULCRUM SHAFT COLLAR
2
7
6901ZZNR
BEARING, BROTHER
SA1283001
2

A
14 16 17
15
16
17
2223
11
12
13
11
12
13
1
3
4
6
7 919
20
21
EXISTING SCREWS WITH NUTS
ATTACH TO ORIGINAL AUX. PLATE MOUNTS
8
BOLT TO FACE OF STAND
15 16 17
10 12 13
24
20
21
INTO EXISTING BRACE
2
DETAIL A
SCALE 1 : 2
18
5
ITEM
NO.
PART NUMBER
DESCRIPTION
QTY.
1
1179D031 SIDE SUPPORT, AUX
2
2 1179D029A
FRONT CROSS SUPPORT
1
3 1179D030A
FRONT CROSS SUPPORT B
1
4 1179D028A
REAR CROSS SUPPORT,AUX PLATE
2
5
1179D027
SPACER, CROSS SUPPORT
2
6
G010216
CROSS BRACE
2
7
G010357
SUPPORT, CLOTHPLATE
2
8
G010210
CLOTH PLATE
1
9
G010358
BRACKET, CLOTHPLATE SUPPORT
2
10
GSSC620
SCREW, M6X20 SHCS
4
11
GSSC618
SCREW, M6X18 SHCS
12
12
GWL0600
WASHER, M6 LOCK
16
13
gwf0600
WASHER, M6 FLAT
16
14
GSSC525
M5X25 SHCS
2
15
GSSC520
M5 X 20 SHCS
6
16
GWL0500
WASHER, M5 LOCK
8
17
GWF0500
WASHER, M5 FLAT
8
18
GSSC422
M4 X 22 SHCS
8
19
GSSC418
M4 X 18 SHCS
4
20
GWL0400
WASHER, M4 LOCK
6
21
GWF0400
WASHER, M4 FLAT
6
22
SA3538001
M4 X 8 PNHD
38
23
SA8560001
M4 X 12 PNHD
14
24
GSSC420
M4 X 20 SHCS
2

34 5 1 212
11
DETAIL A
SCALE 1 : 2
7 8 96
DETAIL B
SCALE 1 : 2
10.2 10.1 10.3
10
ITEM NO.
PART NUMBER
DESCRIPTION
QTY. QTY
TOTAL
1
G010173
STAND BASE WELDED ASSY
1
2
G010167
LEG, X TUBING
6
3
G010172
SUBPLATE FRAME WELDED ASSY
1
4
G010106
LEVELER PAD, M16 X 80MM DIA
4
5
G010455
CASTER, SWIVEL
4
6
95647A137
WASHER, DELRIN 1/2" ID X .89 OD X 1/16
3
7
GN0LV00
HEX NUT, 1/2-13 LOCKING
3
8
90126A033
WASHER, 17/32 ID X 1-1/16 OD X .070
6
9
GSHUU102
SCREW, 1/2-13 X 4" HHCS PARTIAL THD.
3
10
HEX SCREW ASSY
12
10.1
90126A033
WASHER, 17/32 ID X 1-1/16 OD X .070
2 24
10.2
GN0LV00
HEX NUT, 1/2-13 LOCKING
1 12
10.3
GSHUU70
SCREW, 1/2-13 X 2-3/4 HHCS PARTIAL THD.
1
11
GWL0C00
WASHER, M10 LOCK
16
12
GSHHC14
M10X 14 HHCS
16

69

70
70
BAS-342G-Ap
Ap . / Parts list sorted by application
BAS-342G には下記部品が用意されていますので、幅広い用途にご活用ください。
◎The parts in the table are common to the BAS-311G and BAS-326G (Direct drive programmable electronic pattern
sewers) .
◎In the following table, parts marked with ☆are common to the BAS-341F and BAS-342F (Programmable electronic
pattern sewers with cylinder bed) .
(φ2.4) (φ2.2)
< LAN > < LB >
<B> <B>
品名
Part name
(J-66)
針穴板
Needle hole plate
(E-47)
ボビンケース組 Bobbin
case assy
(E-51)
ボビン
Bobbin
(E-52)
中がま箱組
Shuttle hook
assy, w/box
(E-46)
大がま Shuttle
race base
(G-12)
糸調子ばね
Spring, tension
(G-8)
糸取りばね
Thread take-up
spring
(E-48)
ボビンケース
調子ばね
Tension
spring
(E-49)
ボビンケース
ばねねじ
Screw
(E-50)
空転防止ばね
Anti-spin
spring
用途
Use
< LC >
< AN >
< LD >
<B>
< LH > < LH >
< LF >
<A>
(φ3.0)
中厚物
Medium-weight
materials
厚物
Heavy-weight
materials
エアバッグ
Airbag
The following parts are available for the BAS-342G to enable use for a wide range of applications.
◎表中の部品は、BAS-311G, 326G (ダイレクトドライブプログラム式電子ミシン)と共通です。
◎表中の☆の部品は、BAS-341F, 342F (プログラム式電子ミシン)と共通です。
SA3336-101 SA5221-001 SA5222-101
S44633-001 S15666-001
152686-201
144588-301
S16492-101
S59221-201
S48664-001
S59222-201
S16075-101
S15667-001
SA8197-101 SA8197-101
SA2173-301
152682-201
145519-301
107606-101
152686-201
144588-301
107606-101104525-101

71
71
BAS-342G-Ap
Ap . / Parts list sorted by application
(Z-3)
ミシン針4個入り組
Needle assy
(B-32, Z-4)
針
Needle
<B>
(G-25)
針棒糸案内
Needle bar thread guide
(D1-61)
押え足
Presser foot
DP X 17 <♯19 > DP X 5 <♯16 > DP X 17 <♯25 >
品名
Part name
(G-21)
副調子ばね
Spring, tension
(W1-30)
調子ばね上ザガネ
Washer
<A>
<A>
<B>
A B
中厚物
Medium-weight
materials
厚物
Heavy-weight
materials
用途
Use
エアバッグ
Airbag
BAS-342G には下記部品が用意されていますので、幅広い用途にご活用ください。
◎The parts in the table are common to the BAS-311G and BAS-326G (Direct drive programmable electronic pattern
sewers) .
◎In the following table, parts marked with ☆are common to the BAS-341F and BAS-342F (Programmable electronic
pattern sewers with cylinder bed) .
The following parts are available for the BAS-342G to enable use for a wide range of applications.
◎表中の部品は、BAS-311G, 326G (ダイレクトドライブプログラム式電子ミシン)と共通です。
◎表中の☆の部品は、BAS-341F, 342F (プログラム式電子ミシン)と共通です。
SA1645-019 SA1752-016
SA3257-101
S42843-001
SA4815-101
SA3416-101
S20681-000
S42844-001
107415-016
SA1645-025
145646-025
145646-019
SA4146-101

72
Ga . / Gauge parts list
72
BAS-342G-Ga
2.5
5
55
510
5
BB
φ4
φ2.5 φ4
φ4
φ5.5
φ2
φ3φ6
φ10
φ3
φ2.5
φ1.6 φ2φ2
φ3φ4
φ2.5
φ4
φ2.5
φ4
φ2.5
5
φ5.5
7
φ4
φ2.4
2.9
φ6
φ3
2.9
φ2.2
3.0
φ1.6
3.0
φ3
5
φ5.5
A /
E /
A-CUT / B-L / XA /
B /
F /
C /
G /
D /
J /
H /
2.4 C0.4 / 2.2 / 1.6 /3.0 C1.5 /
押え足 / Presser foot
The *symbol is for Standard parts.
*印の部品は、標準部品です。
針穴板 / Needle hole plate
*
*
S42843-001
S42847-001
S40214-001 S49448-001 S42849-101
S42844-001
157237-001
S42845-001
158592-001
S42846-001
S42848-001
SA4811-001
SA3336-101 SA5221-001 SA7191-001SA5222-101

78
78
MEMO

73
PARTS BOOK
http://www.brother.co.jp/
467-8561 15 1 TEL : 0120-33-2392
BROTHER INDUSTRIES, LTD. http://www.brother.com/
15-1, Naeshiro-cho, Mizuho-ku, Nagoya 467-8561, Japan. Phone : 81-52-824-2177
©2007 Brother Industries, Ltd. All Rights Reserved. BAS-342G
SA8778-001.J/E
2007.06.B (1)
1535 University Drive
Auburn, GA 30011
Tele: (678) 425-0990
Fax: (678) 425-0811