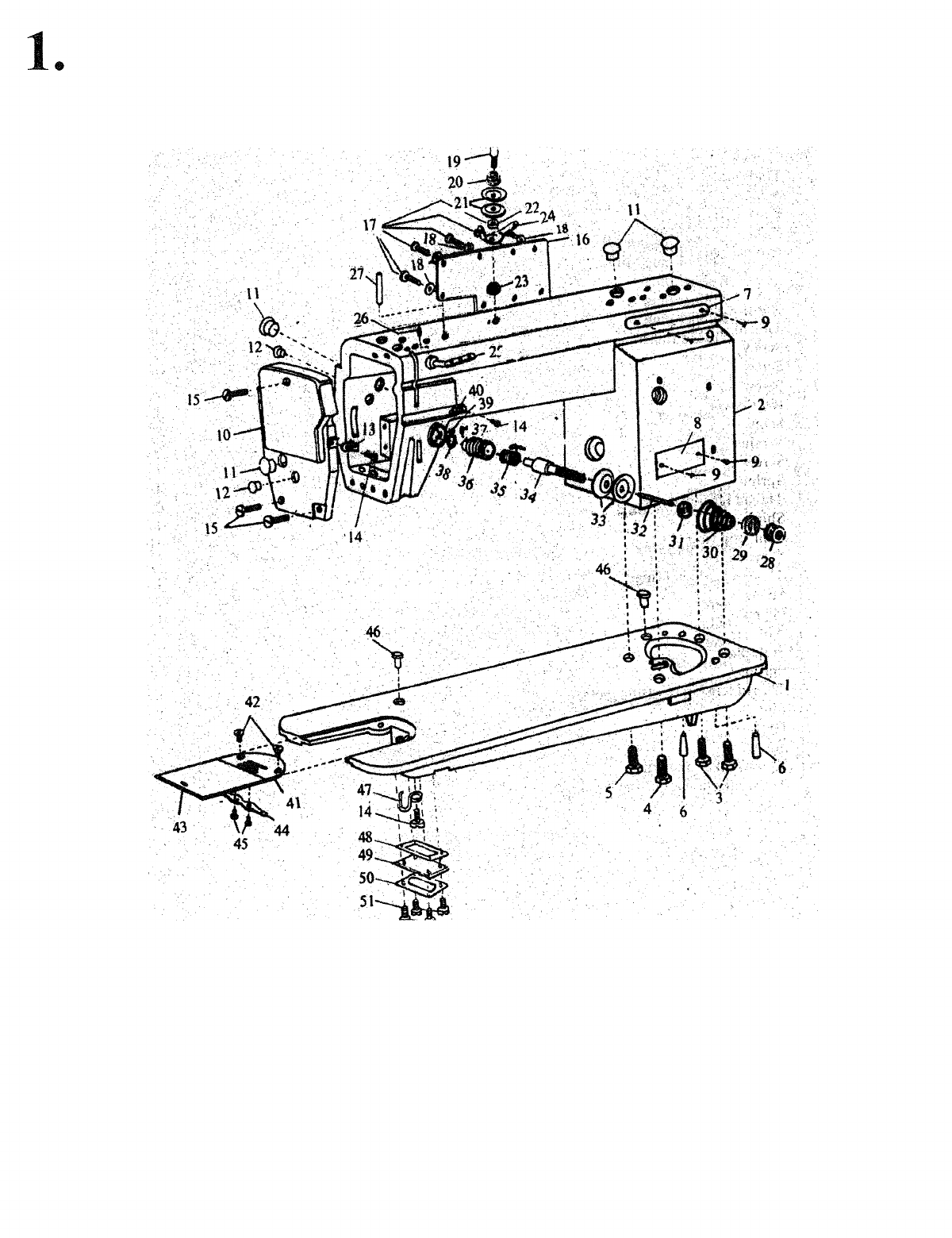
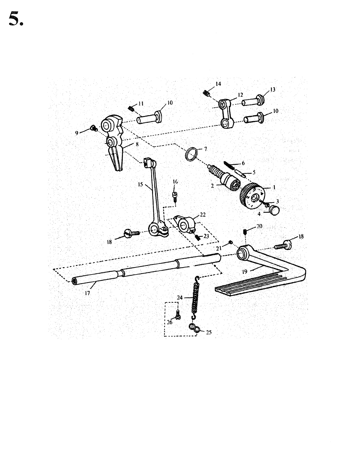
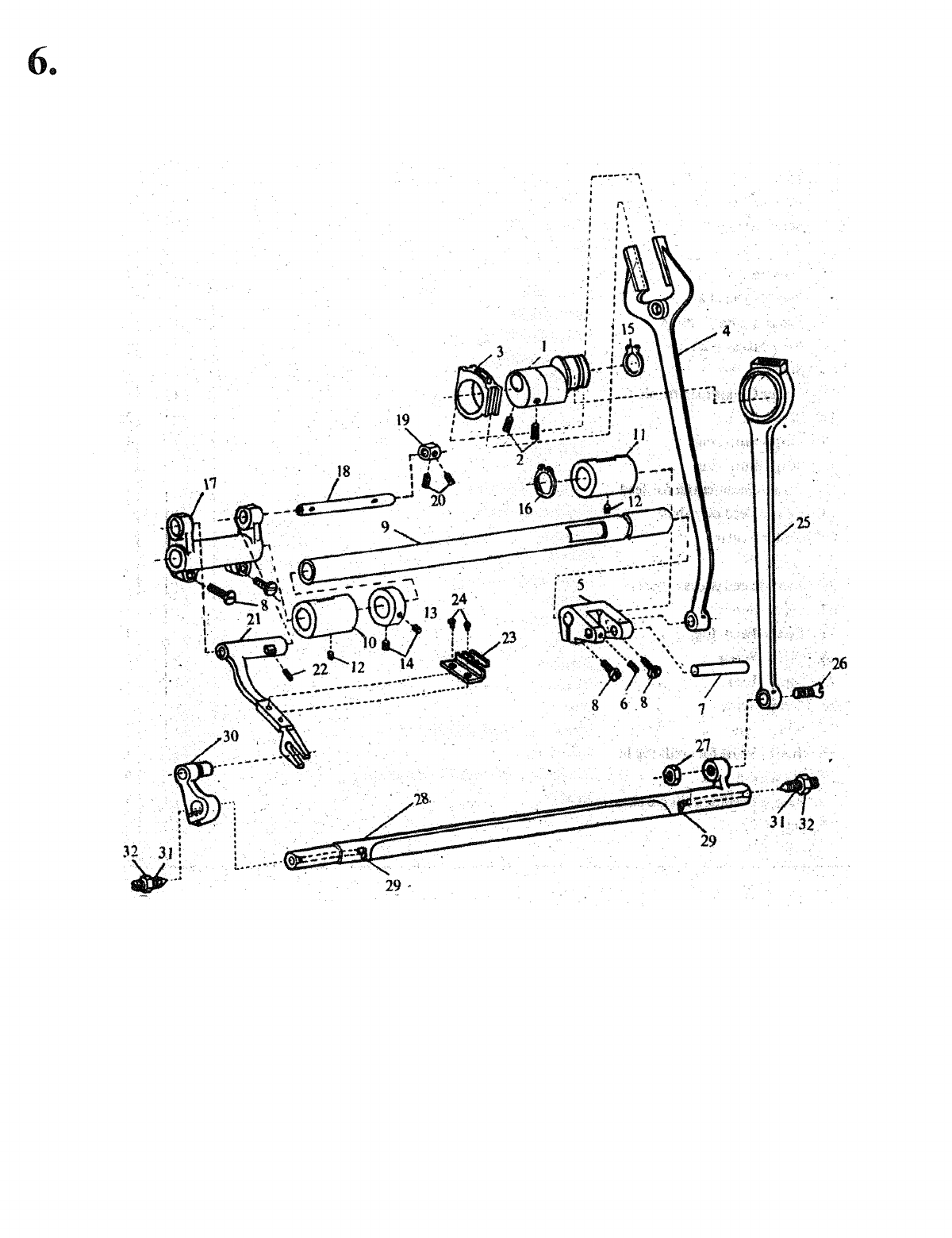
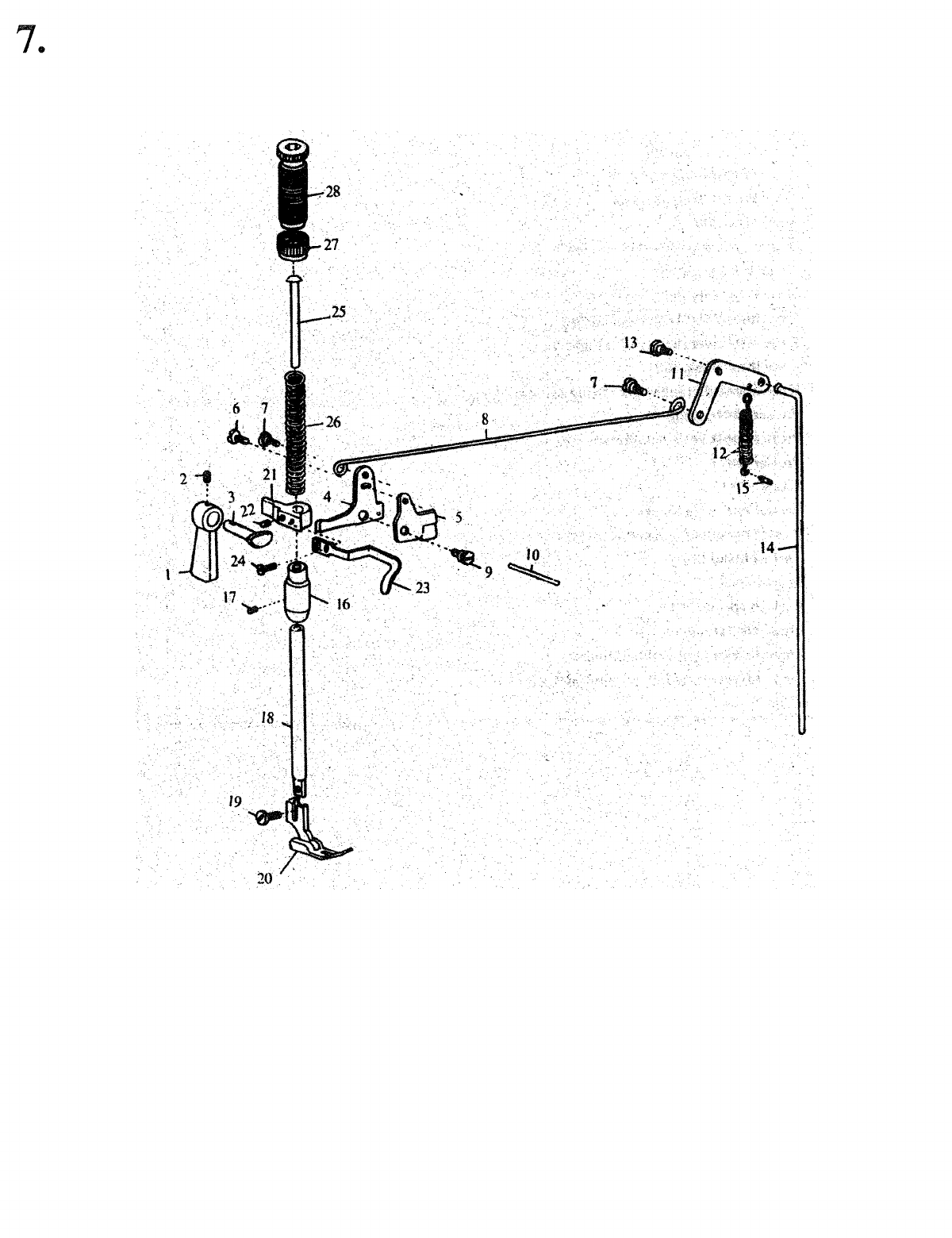
ACE&EASTMAN Consew 106R Parts Book User Manual
Consew 106R Intruction Manual CONSEW 106R INTRUCTION MANUAL CONSEW 106R INTRUCTION MANUAL CONSEW NEW CONSEW PDF a.teamworksales.com
2016-09-22
User Manual: ACE&EASTMAN Consew 106R Parts Book
Open the PDF directly: View PDF
.
Page Count: 50

















































