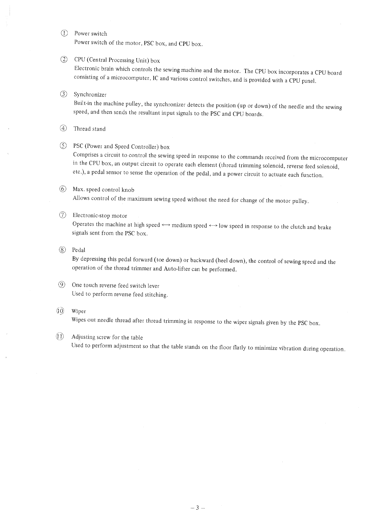
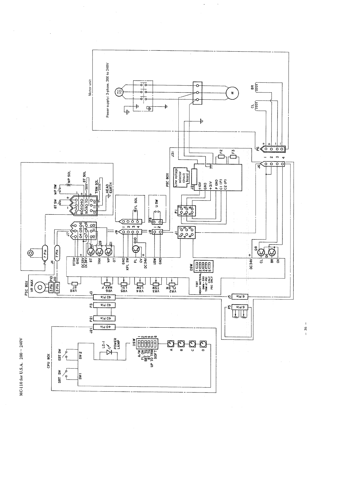
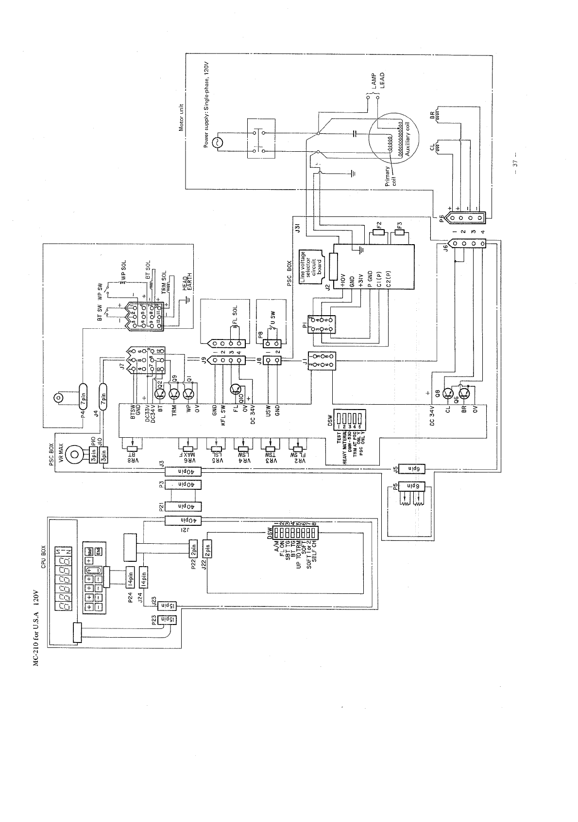
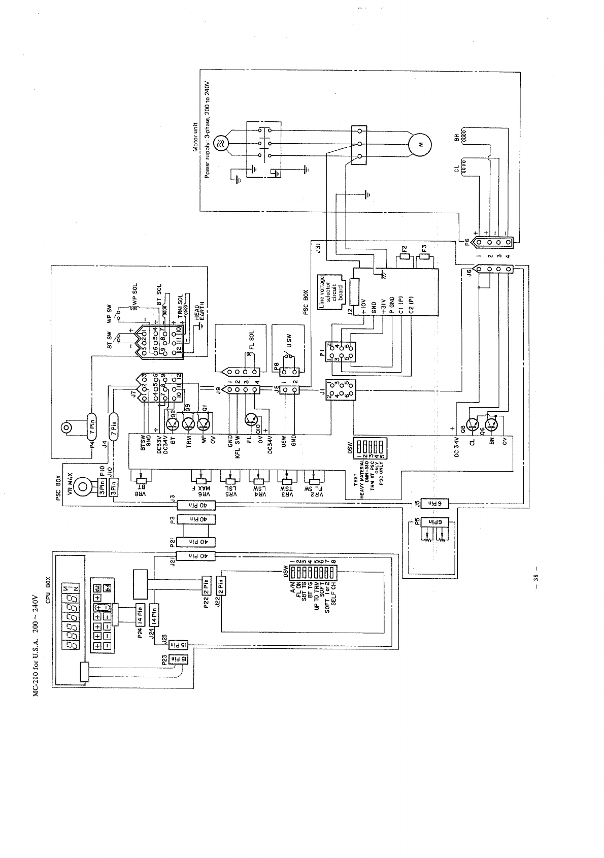
ACE&EASTMAN Mc 110 & 210 Engineer Manual English[1] User
2016-09-16
User Manual: ACE&EASTMAN Mc-110 & Mc-210 Engineer Manual English[1]
Open the PDF directly: View PDF
.
Page Count: 43











































User Manual: ACE&EASTMAN Mc-110 & Mc-210 Engineer Manual English[1]
Open the PDF directly: View PDF
.
Page Count: 43