裏表紙 MITSUBISHI PLK G2516R Parts Book
2016-11-24
: ACE&EASTMAN Mitsubishi Plk-G2516R Parts Book MITSUBISHI PLK-G2516R Parts Book MITSUBISHI PARTS
Open the PDF directly: View PDF
.
Page Count: 44

MITSUBISHI
三菱工業用ミシン部品カタログ
Industrial Sewing Machine Parts Catalog
Model PLK‐G2516R
目 次 CONTENTS Page
A 本体構成 Construction ················································································ 1
B 本体関係 (1) Arm bed & it’s accessories (1) ······················································ 2
C 本体関係 (2) Arm bed & it’s accessories (2) ······················································ 4
D 本体関係 (3) Arm bed & it’s accessories (3) ······················································ 6
E 縫い機構 (1) Sewing mechanism (1) ······························································· 8
F 縫い機構 (2) Sewing mechanism (2) ······························································· 10
G 中 押 え 機 構 (1) Presser bar lifting mechanism (1) ················································· 12
H 中 押 え 機 構 (2) Presser bar lifting mechanism (2) ·················································· 14
J 糸切り機構 Thread trimming mechanism ·························································· 16
K X-Yテーブル機 構 X-Y table mechanism····································································· 18
L 外押え機構 (1) Work holder mechanism (1) ························································· 20
M 外押え機構 (2) Work holder mechanism (2) ························································· 22
N ワイパー機構 Wiper mechanism ········································································ 24
P 給油機構 Oil lubrication mechanism ······························································ 26
Q 配線・配管関係 Cable component & Pneumatic control unit ······································ 28
R テーブル関係 Table & Stand ··············································································
·
30
S 付属品 (1) Accessories (1) ·········································································· 32
T 付属品 (2) Accessories (2) ·········································································· 34
U オプションパーツ Option parts ················································································· 36
索引 Index ·························································································· 38
P – 247 200903

部品コードの採番形式
MITSUBISHI SPARE PARTS No. Designation system
1. 部品コードについて CONCERNING PARTS CODE.
部品をご注文される場合は、部品コードをお知らせください。
Please inform the part number, when these parts are ordered.
品名
Description
品名
Description
Top cover
トップカバー
ナベネジ
Screw(Pan head screw)
Standard Parts
一般品
共通小物部品
Common Parts
( )
( )
M4
Screw size M4
ネジ形
(2)(1)
M9
M H
(3) (4)
0 4
2 7
screw 6
Length of
ネジ長さ 6 P
(6)
0
2
(5)
1
A
(7)
0
6
Example
[ ]
例
( )
一般品
Standard Parts
Common Parts
共通小物部品
( )
Specification(1)
PLK-G2516R
PLK-G
PLK-G Series
系列
共通小物部品
Common parts
Sewing machine parts
ミシン部品
仕様(1)
Standard
標準
(2)
Specification(2)
仕様
Model No.
Sewing machine model
※
M
9
M
(1) (2) (3) (4)
機種系列
型名
※
(6)(5) (7)
Specification
仕様
Sewing machine parts
ミシン部品
(9)(8)
37
0 0
(8) (9)
2. 変更マークについて CONCERNING MODIFICATION MARK.
変更マーク欄に*記号のある部品は、形状、寸法などの変更履歴がありますので、ご注文の際にはご使用の製品の
製造番号と合わせてご覧ください。
The parts marked with * in the modification column has been changed the shape or size etc. So when these
modified parts are ordered please inform the serial number of the sewing machine.
注:一般品についての機種型名は、その部品が最初に使用された機種型名を示します。
従って長期にわたる場合は、機種の改廃が行われるため、当初の機種以外の機種で
使用されている場合があります。
Sewing machine Models, of Standard Parts are Indicated model of these parts
are registered firstly. Parts are used for not only the indicated model, but also
another models, in reason of New development, improvement after.

注1 : Fig.No.の採番していない部品は単体で支給することはできません。セットにて支給いたします。
Remarks 1) The parts which Fig.No. are not marked are not available individually.
It can be supplied with the whole component.
Cotton stand
糸立て台
操作パネル
Operation panel
Table & stand
テーブル
Control box
制御盤
ミシン頭部
Sewing Machine head
Foot switch
フットスイッチ
ガススプリング
Gas spring
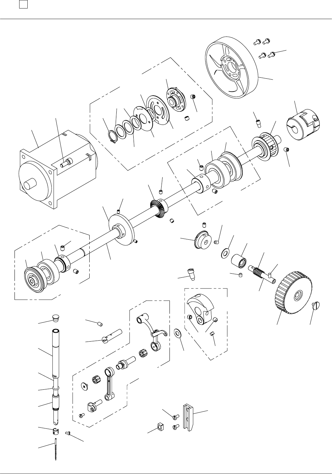
CONSTRUCTION
全体構成A
1
PLK-G2516R

ARM BED & IT'S ACCESSORIES
本体関係(1)B
2
107
104
137 138
(103)
105
(111)
108
109
(103)
111
106
(114) 140
(103)
(103)
(103)
(102)
139
135,136
119 121
129
(120)
125
123
124
128
127
122
126
(111)
115 116
145
102
113
112
101
120
114
141
110
148
147
(101)
144
103
(103)
142
143
117
(139)
146
150
149
132
131
130
133
134
118
(106)

[B]本体関係(1)
ARM BED & IT'S ACCESSORIES(1)
Fig 変更 部品コード 品 名 Description 数量
no. Mod. Parts no. Amt. Req.
B 101 M96002017 セフティソケット M6X12・・・・・・・・・・・・・・・・・・・・・・・・
・
Safety socket bolt M6X12・・・・・・・・・・・・・・ 4
☆ B 102 MB61A0601 トリツケイタ・・・・・・・・・・・・・・・・・・・・・・・・・・・・・・・・・・ Mounting plate・・・・・・・・・・・・・・・・・・・・・・・・・ 2
B 103 M91054004 SW-PWプラマイナベネジ M4X8・・・・・・・・・・・・・・・
・
Screw M4X8・・・・・・・・・・・・・・・・・・・・・・・・・・・ 26
B 104 MH10A0742 フタ・・・・・・・・・・・・・・・・・・・・・・・・・・・・・・・・・・・・・・・ Cover・・・・・・・・・・・・・・・・・・・・・・・・・・・・・・・・・
・
1
B 105 M91304080 ゴムセン φ13・・・・・・・・・・・・・・・・・・・・・・・・・・・・・・
・
Rubber plug φ13・・・・・・・・・・・・・・・・・・・・・・
・
1
B 106 M90883080 ゴムセン φ8.8・・・・・・・・・・・・・・・・・・・・・・・・・・・・・・ Rubber plug φ8.8・・・・・・・・・・・・・・・・・・・・・・ 3
B 107 MH27A0339 アームジョウブカバー・・・・・・・・・・・・・・・・・・・・・・・・・・ Cover・・・・・・・・・・・・・・・・・・・・・・・・・・・・・・・・・
・
1
B 108 MH27A0849 X-Yモータカバー・・・・・・・・・・・・・・・・・・・・・・・・・・・・・ X-Y Motor cover・・・・・・・・・・・・・・・・・・・・・・・ 1
B 109 M91071004 SW-MWプラマイナベネジ M4X8・・・・・・・・・・・・・・・ Screw M4X8・・・・・・・・・・・・・・・・・・・・・・・・・・・ 6
B 110 MH27A4339 アームソクメンカバー・・・・・・・・・・・・・・・・・・・・・・・・・・・
・
Cover・・・・・・・・・・・・・・・・・・・・・・・・・・・・・・・・・
・
1
B 111 M91182080 ゴムセン φ11.8・・・・・・・・・・・・・・・・・・・・・・・・・・・・・Rubber plug φ11.8・・・・・・・・・・・・・・・・・・・・・ 4
B 112 MH10A0691 ガスケット・・・・・・・・・・・・・・・・・・・・・・・・・・・・・・・・・・・ Gasket・・・・・・・・・・・・・・・・・・・・・・・・・・・・・・・・
・
1
B 113 MH10A0830 メンイタ・・・・・・・・・・・・・・・・・・・・・・・・・・・・・・・・・・・・・ Face cover・・・・・・・・・・・・・・・・・・・・・・・・・・・・
・
1
B 114 M91333004 SW-PWプラマイナベネジ M5X16・・・・・・・・・・・・・・
・
Screw M5X16・・・・・・・・・・・・・・・・・・・・・・・・・・ 7
B 115 M90908003 マルヒラネジ 9/64(40)X6・・・・・・・・・・・・・・・・・・・・・ Screw 9/64(40)X6・・・・・・・・・・・・・・・・・・・・・
・
1
☆ B 116 MG43A1181 イトアンナイ・・・・・・・・・・・・・・・・・・・・・・・・・・・・・・・・・・ Thread guide・・・・・・・・・・・・・・・・・・・・・・・・・・・ 1
B 117 M91011004 プラマイナベネジ M4X6・・・・・・・・・・・・・・・・・・・・・・・ Screw M4X6・・・・・・・・・・・・・・・・・・・・・・・・・・・ 1
B 118 M91910080 ゴムセン φ19・・・・・・・・・・・・・・・・・・・・・・・・・・・・・・
・
Rubber plug φ19・・・・・・・・・・・・・・・・・・・・・・
・
3
B 119 M95005017 セフティソケット M5X10・・・・・・・・・・・・・・・・・・・・・・・・
・
Safety socket bolt M5X10・・・・・・・・・・・・・・ 4
B 120 MH27A0359 カバーガイド・・・・・・・・・・・・・・・・・・・・・・・・・・・・・・・・ Cover guide・・・・・・・・・・・・・・・・・・・・・・・・・・・・ 2
B 121 ME20A0352 セットカラー・・・・・・・・・・・・・・・・・・・・・・・・・・・・・・・・・・ Set collar・・・・・・・・・・・・・・・・・・・・・・・・・・・・・・ 2
B 122 MH27A0361 カケガネ・・・・・・・・・・・・・・・・・・・・・・・・・・・・・・・・・・・・Latch・・・・・・・・・・・・・・・・・・・・・・・・・・・・・・・・・・ 1
B 123 MH27A0420 コテイイタ・・・・・・・・・・・・・・・・・・・・・・・・・・・・・・・・・・・
・
Plate・・・・・・・・・・・・・・・・・・・・・・・・・・・・・・・・・・
・
1
B 124 M96008017 セフティソケット M6X10・・・・・・・・・・・・・・・・・・・・・・・・
・
Safety socket bolt M6X10・・・・・・・・・・・・・・ 1
B 125 MH27A0650 ローレットノブ・・・・・・・・・・・・・・・・・・・・・・・・・・・・・・・・
・
Knurled knobs・・・・・・・・・・・・・・・・・・・・・・・・・・ 1
B 126 M90906003 マルヒラネジ 9/64(40)X3.2・・・・・・・・・・・・・・・・・・・
・
Screw 9/64(40)X3.2・・・・・・・・・・・・・・・・・・・・ 2
B 127 MH27A2339 カマカバー・・・・・・・・・・・・・・・・・・・・・・・・・・・・・・・・・・ Hook cover・・・・・・・・・・・・・・・・・・・・・・・・・・・・ 1
B 128 M90511065 Eガタトメワ 6・・・・・・・・・・・・・・・・・・・・・・・・・・・・・・・・ E-type retaining ring 6・・・・・・・・・・・・・・・・・
・
2
B 129 MH27A0454 ジク・・・・・・・・・・・・・・・・・・・・・・・・・・・・・・・・・・・・・・
・
Shaft・・・・・・・・・・・・・・・・・・・・・・・・・・・・・・・・・・ 1
B 130 MH27A1650 ローレットノブ・・・・・・・・・・・・・・・・・・・・・・・・・・・・・・・・
・
Knurled knobs・・・・・・・・・・・・・・・・・・・・・・・・・・ 1
B 131 M90856004 プラマイナベネジ M3X6・・・・・・・・・・・・・・・・・・・・・・・ Screw M3X6・・・・・・・・・・・・・・・・・・・・・・・・・・・ 1
☆ B 132 MS02A1101 ハリアナイタ・・・・・・・・・・・・・・・・・・・・・・・・・・・・・・・・・
・
Needle plate・・・・・・・・・・・・・・・・・・・・・・・・・・・ 1
☆ B 133 M90605010 サラネジ 3/32(56)X2.8・・・・・・・・・・・・・・・・・・・・・・ Screw 3/32(56)X2.8・・・・・・・・・・・・・・・・・・・・ 2
☆ B 134 M90990002 ヒラネジ M4X8・・・・・・・・・・・・・・・・・・・・・・・・・・・・・・Screw M4X8・・・・・・・・・・・・・・・・・・・・・・・・・・・ 10
B 135 MH27A0470 スベリイタ・・・・・・・・・・・・・・・・・・・・・・・・・・・・・・・・・・
・
Slide plate・・・・・・・・・・・・・・・・・・・・・・・・・・・・・ 1
☆ B 136 MB62A0797 ホゴフィルム・・・・・・・・・・・・・・・・・・・・・・・・・・・・・・・・・ Film sheet・・・・・・・・・・・・・・・・・・・・・・・・・・・・・
・
1
B 137 M95002017 セフティソケット M5X12・・・・・・・・・・・・・・・・・・・・・・・・
・
Safety socket bolt M5X12・・・・・・・・・・・・・・ 6
B 138 M90511050 ミガキザガネ 5・・・・・・・・・・・・・・・・・・・・・・・・・・・・・・ Washer 5・・・・・・・・・・・・・・・・・・・・・・・・・・・・・・
・
6
☆ B 139 MB25A0426 ササエカナグ・・・・・・・・・・・・・・・・・・・・・・・・・・・・・・・・・Bracket・・・・・・・・・・・・・・・・・・・・・・・・・・・・・・・・ 2
B 140 MH27A1849 シュジクモータカバー・・・・・・・・・・・・・・・・・・・・・・・・・・・ Main shaft motor cover・・・・・・・・・・・・・・・・・ 1
B 141 MH27A0776 Yジクベルトカバー・・・・・・・・・・・・・・・・・・・・・・・・・・・・ Cover・・・・・・・・・・・・・・・・・・・・・・・・・・・・・・・・・
・
1
B 142 MH27A3339 Yクドウジクカバー・・・・・・・・・・・・・・・・・・・・・・・・・・・・ Cover・・・・・・・・・・・・・・・・・・・・・・・・・・・・・・・・・
・
1
B 143 MH27A1339 カバー・・・・・・・・・・・・・・・・・・・・・・・・・・・・・・・・・・・・・ Cover・・・・・・・・・・・・・・・・・・・・・・・・・・・・・・・・・
・
1
B 144 MH27A0551 ヨアツチョウセツイタ・・・・・・・・・・・・・・・・・・・・・・・・・・・・
・
Adjustment plate・・・・・・・・・・・・・・・・・・・・・・・ 1
B 145 M91382045 ナット M5・・・・・・・・・・・・・・・・・・・・・・・・・・・・・・・・・・
・
Nut M5・・・・・・・・・・・・・・・・・・・・・・・・・・・・・・・・
・
1
B 146 M95012020 ロッカクアナツキトメネジ M5X20・・・・・・・・・・・・・・・・・・ Screw M5X20・・・・・・・・・・・・・・・・・・・・・・・・・・ 1
B 147 M95003021 ロッカクアナツキボルト M5X12・・・・・・・・・・・・・・・・・・・ Socket bolt M5X12・・・・・・・・・・・・・・・・・・・・・ 2
B 148 MH27A5339 Yジクウケブカバー・・・・・・・・・・・・・・・・・・・・・・・・・・・・Cover・・・・・・・・・・・・・・・・・・・・・・・・・・・・・・・・・
・
1
B 149 MH27A0742 フタ・・・・・・・・・・・・・・・・・・・・・・・・・・・・・・・・・・・・・・・ Cover・・・・・・・・・・・・・・・・・・・・・・・・・・・・・・・・・
・
1
B 150 M94005022 ロッカクアナツキボタンボルト M4X8・・・・・・・・・・・・・・・
・
Bolt M4X8・・・・・・・・・・・・・・・・・・・・・・・・・・・・・ 4
☆印はPLK-E2516R共通部品を示します。
☆ indicates PLK-E2516R common parts. 3 PLK-G2516R

112
127
120
125
109
901
118
114 128
111
117
(105)
110
116
115
107
106
104
103
102
101
108
121
122
113
123
126
119
124
105
902
本体関係(2)
ARM BED & IT'S ACCESSORIES(2)
C
4
150
141
(132)
137
140
138
142
(121)
148
139
133
136
143
132
135
130
129
134
145
131
(132)
146
903
144
149
(124)
147
(124)
(117)
904

[C]本体関係(2)
ARM BED & IT'S ACCESSORIES(2)
Fig 変更 部品コード 部品名 Description 数量
no. Mod. Parts no. Amt. Req.
C 101 M90920002 ヒラネジ 9/64(40)X6.5・・・・・・・・・・・・・・・・・・・・・・
・
Screw 9/64(40)X6.5・・・・・・・・・・・・・・・・・・・・ 1
C 102 MF13A0551 チョウセツイタ・・・・・・・・・・・・・・・・・・・・・・・・・・・・・・・・
・
Adjustment plate・・・・・・・・・・・・・・・・・・・・・・・ 1
C 103 MF13A0950 レバー・・・・・・・・・・・・・・・・・・・・・・・・・・・・・・・・・・・・・ Lever・・・・・・・・・・・・・・・・・・・・・・・・・・・・・・・・・・ 1
C 104 M90939002 ヒラネジ 9/64(40)X11・・・・・・・・・・・・・・・・・・・・・・・ Screw 9/64(40)X11・・・・・・・・・・・・・・・・・・・・
・
1
C 105 M70535065 Eガタトメワ 5・・・・・・・・・・・・・・・・・・・・・・・・・・・・・・・・ E-type stop ring 5・・・・・・・・・・・・・・・・・・・・・・ 2
C 106 MF13A0750 ブッシュ・・・・・・・・・・・・・・・・・・・・・・・・・・・・・・・・・・・・ Spacer・・・・・・・・・・・・・・・・・・・・・・・・・・・・・・・・
・
1
C 107 MH10A0348 カムジク・・・・・・・・・・・・・・・・・・・・・・・・・・・・・・・・・・・・ Cam shaft・・・・・・・・・・・・・・・・・・・・・・・・・・・・・
・
1
C 108 MF13A0793 ボビンザ・・・・・・・・・・・・・・・・・・・・・・・・・・・・・・・・・・
・
Bobbin cushion・・・・・・・・・・・・・・・・・・・・・・・・
・
1
C 109 MH27A0191 イトマキジク・・・・・・・・・・・・・・・・・・・・・・・・・・・・・・・・・
・
Bobbin winder shaft・・・・・・・・・・・・・・・・・・・・ 1
C 110 MF13A2191 イトマキダイクミタテ・・・・・・・・・・・・・・・・・・・・・・・・・・・・
・
Bobbin winder base assy・・・・・・・・・・・・・・・
・
1
C 111 MF13A0192 イタバネ・・・・・・・・・・・・・・・・・・・・・・・・・・・・・・・・・・・・Leaf spring・・・・・・・・・・・・・・・・・・・・・・・・・・・・・ 1
C 112 MF13A0572 ツルマキバネ・・・・・・・・・・・・・・・・・・・・・・・・・・・・・・・・
・
Spring・・・・・・・・・・・・・・・・・・・・・・・・・・・・・・・・・
・
1
C 113 MF13A0191 イトマキウデクミタテ・・・・・・・・・・・・・・・・・・・・・・・・・・・・ Bobbin winder shaft holder assy・・・・・・・・
・
1
C 114 MF13A0350 イトマキカム・・・・・・・・・・・・・・・・・・・・・・・・・・・・・・・・・・Bobbin winder cam・・・・・・・・・・・・・・・・・・・・・ 1
C 115 M95002020 ロッカクアナツキトメネジ M5X6・・・・・・・・・・・・・・・・・・・ Screw M5X6・・・・・・・・・・・・・・・・・・・・・・・・・・・ 1
C 116 MH10A0194 イトマキグルマ・・・・・・・・・・・・・・・・・・・・・・・・・・・・・・・・ Bobbin winder wheel・・・・・・・・・・・・・・・・・・・
・
1
C 117 M91053020 ロッカクアナツキトメネジ M4X6・・・・・・・・・・・・・・・・・・・ Screw M4X6・・・・・・・・・・・・・・・・・・・・・・・・・・・ 3
C 118 MH10A0417 ゴムワ・・・・・・・・・・・・・・・・・・・・・・・・・・・・・・・・・・・・・ Rubber ring・・・・・・・・・・・・・・・・・・・・・・・・・・・・ 1
C 119 M91150003 マルヒラネジ 11/64(40)X8・・・・・・・・・・・・・・・・・・・・ Screw 11/64(40)X8・・・・・・・・・・・・・・・・・・・・
・
3
C 120 MH27A0600 トップカバー・・・・・・・・・・・・・・・・・・・・・・・・・・・・・・・・・ Top cover・・・・・・・・・・・・・・・・・・・・・・・・・・・・・
・
1
☆ C 121 M91602046 ツマミナット・・・・・・・・・・・・・・・・・・・・・・・・・・・・・・・・・・ Thumb nut・・・・・・・・・・・・・・・・・・・・・・・・・・・・・ 2
☆ C 122 MM11A0702 バネアンナイ・・・・・・・・・・・・・・・・・・・・・・・・・・・・・・・・・Spring guide・・・・・・・・・・・・・・・・・・・・・・・・・・・
・
1
☆ C 123 MM11A0245 エンスイバネ・・・・・・・・・・・・・・・・・・・・・・・・・・・・・・・・・ Thread tension spring・・・・・・・・・・・・・・・・・・
・
1
☆ C 124 MF10A0555 チョウシザラ・・・・・・・・・・・・・・・・・・・・・・・・・・・・・・・・・ Thread tension discs・・・・・・・・・・・・・・・・・・・ 6
☆ C 125 MS14A0553 チョウシボウ・・・・・・・・・・・・・・・・・・・・・・・・・・・・・・・・・ Thread tension stud・・・・・・・・・・・・・・・・・・・・ 1
☆ C 126 MS14A1180 イトアンナイ・・・・・・・・・・・・・・・・・・・・・・・・・・・・・・・・・・ Thread guide・・・・・・・・・・・・・・・・・・・・・・・・・・・ 1
☆ C 127 MG75A1476 スペーサ・・・・・・・・・・・・・・・・・・・・・・・・・・・・・・・・・・・ Spacer・・・・・・・・・・・・・・・・・・・・・・・・・・・・・・・・
・
1
C 128 M91331004 SW-PWプラマイナベネジ M5X12・・・・・・・・・・・・・・
・
Screw M5X12・・・・・・・・・・・・・・・・・・・・・・・・・・ 6
C 129 M91054004 SW-PWプラマイナベネジ M4X8・・・・・・・・・・・・・・・
・
Screw M4X8・・・・・・・・・・・・・・・・・・・・・・・・・・・ 1
C 130 MH10A0584 テンビンカバー・・・・・・・・・・・・・・・・・・・・・・・・・・・・・・・ Thread take-up lever guard・・・・・・・・・・・・・ 1
☆ C 131 MF10A0181 イトアンナイ・・・・・・・・・・・・・・・・・・・・・・・・・・・・・・・・・・ Thread guide・・・・・・・・・・・・・・・・・・・・・・・・・・・ 1
C 132 M91011004 プラマイナベネジ M4X6・・・・・・・・・・・・・・・・・・・・・・・ Screw M4X6・・・・・・・・・・・・・・・・・・・・・・・・・・・ 4
☆ C 133 MF70A1180 イトアンナイ・・・・・・・・・・・・・・・・・・・・・・・・・・・・・・・・・・ Thread guide・・・・・・・・・・・・・・・・・・・・・・・・・・・ 1
C 134 M95004020 ロッカクアナツキトメネジ M5X8・・・・・・・・・・・・・・・・・・・ Screw M5X8・・・・・・・・・・・・・・・・・・・・・・・・・・・ 1
☆ C 135 M90204060 ピン・・・・・・・・・・・・・・・・・・・・・・・・・・・・・・・・・・・・・・・ Pin・・・・・・・・・・・・・・・・・・・・・・・・・・・・・・・・・・・・ 1
C 136 M90901002 ヒラネジ 9/64(40)X4・・・・・・・・・・・・・・・・・・・・・・・・ Screw 9/64(40)X4・・・・・・・・・・・・・・・・・・・・・
・
1
☆ C 137 MF10A0709 ブッシュ・・・・・・・・・・・・・・・・・・・・・・・・・・・・・・・・・・・・ Regulator casing・・・・・・・・・・・・・・・・・・・・・・・ 1
C 138 M91501085 Oリング・・・・・・・・・・・・・・・・・・・・・・・・・・・・・・・・・・・・ O-ring・・・・・・・・・・・・・・・・・・・・・・・・・・・・・・・・・ 1
☆ C 139 MF10A0187 イトトリバネ・・・・・・・・・・・・・・・・・・・・・・・・・・・・・・・・・
・
Thread take-up spring・・・・・・・・・・・・・・・・・・ 1
☆ C 140 MF10A0553 チョウシボウ・・・・・・・・・・・・・・・・・・・・・・・・・・・・・・・・・ Thread tension stud・・・・・・・・・・・・・・・・・・・・ 1
☆ C 141 MM11A0556 チョウシザラオサエ・・・・・・・・・・・・・・・・・・・・・・・・・・・・・Disc retaining plate・・・・・・・・・・・・・・・・・・・・・ 1
☆ C 142 MN52A1245 エンスイバネ・・・・・・・・・・・・・・・・・・・・・・・・・・・・・・・・・ Thread tension spring・・・・・・・・・・・・・・・・・・
・
1
☆ C 143 MT60A0802 マワリドメ・・・・・・・・・・・・・・・・・・・・・・・・・・・・・・・・・・・ Thumb nut revolution stopper・・・・・・・・・・
・
1
☆ C 144 M91610046 ツマミナット・・・・・・・・・・・・・・・・・・・・・・・・・・・・・・・・・・ Thumb nut・・・・・・・・・・・・・・・・・・・・・・・・・・・・・ 1
☆ C 145 MG43A0181 イトアンナイ・・・・・・・・・・・・・・・・・・・・・・・・・・・・・・・・・・ Thread guide・・・・・・・・・・・・・・・・・・・・・・・・・・・ 1
C 146 M91084004 プラマイナベネジ M4X6・・・・・・・・・・・・・・・・・・・・・・・ Screw M4X6・・・・・・・・・・・・・・・・・・・・・・・・・・・ 1
C 147 MH10A0553 チョウシボウ・・・・・・・・・・・・・・・・・・・・・・・・・・・・・・・・・ Thread tension stud・・・・・・・・・・・・・・・・・・・・ 1
C 148 MH10A0245 エンスイバネ・・・・・・・・・・・・・・・・・・・・・・・・・・・・・・・・・Thread tension spring・・・・・・・・・・・・・・・・・・
・
1
C 149 MH10A2181 イトアンナイ・・・・・・・・・・・・・・・・・・・・・・・・・・・・・・・・・・ Thread guide・・・・・・・・・・・・・・・・・・・・・・・・・・・ 1
C 150 MH10A3181 イトアンナイ・・・・・・・・・・・・・・・・・・・・・・・・・・・・・・・・・・ Thread guide・・・・・・・・・・・・・・・・・・・・・・・・・・・ 1
C 901 MH27E0190 イトマキソウチクミタテ・・・・・・・・・・・・・・・・・・・・・・・・・・・
・
Bobbin winder complete・・・・・・・・・・・・・・・・ 1
☆ C 902 MS14E0180 チョウセツキクミタテ・・・・・・・・・・・・・・・・・・・・・・・・・・・・・Thread tension Regulator assy・・・・・・・・・・ 1
C 903 MH10E0210 チョウセツキクミタテ・・・・・・・・・・・・・・・・・・・・・・・・・・・・・Thread tension Regulator assy・・・・・・・・・・ 1
C 904 MH27E0550 イトチョウセツキクミタテ・・・・・・・・・・・・・・・・・・・・・・・・・・ Thread tension Regulator assy・・・・・・・・・・ 1
☆印はPLK-E2516R共通部品を示します。
☆ indicates PLK-E2516R common parts. 5 PLK-G2516R

106
(106)
102
108
101
107
103
105
104
(102)
116
115
110
111
117
114
(109)
(115)
109
119
120
113
(116)
118
112
(111)
本体関係(3)
ARM BED & IT'S ACCESSORIES(3)
D
6

[D]本体関係(3)
ARM BED & IT'S ACCESSORIES(3)
Fig 変更 部品コード 品 名 Description 数量
no. Mod. Parts no. Amt. Req.
D 101 MH27A0226 ジャバラガイド・・・・・・・・・・・・・・・・・・・・・・・・・・・・・・
・
Shutter guide・・・・・・・・・・・・・・・・・・・・・・・・・・ 1
D 102 MH27A0606 ネジイタ・・・・・・・・・・・・・・・・・・・・・・・・・・・・・・・・・・・・ Plate・・・・・・・・・・・・・・・・・・・・・・・・・・・・・・・・・・
・
2
☆ D 103 MA20A0458 ジャバラ・・・・・・・・・・・・・・・・・・・・・・・・・・・・・・・・・・・ Shutter・・・・・・・・・・・・・・・・・・・・・・・・・・・・・・・・ 1
D 104 M91058004 SW-PWプラマイナベネジ M4X6・・・・・・・・・・・・・・・
・
Screw M4X6・・・・・・・・・・・・・・・・・・・・・・・・・・・ 2
D 105 MH27A0601 ジャバラトリツケイタ・・・・・・・・・・・・・・・・・・・・・・・・・・・・Shutter adapter・・・・・・・・・・・・・・・・・・・・・・・・ 1
D 106 M90853002 ヒラネジ 1/8(40)X4・・・・・・・・・・・・・・・・・・・・・・・・・ Screw 1/8(40)X4・・・・・・・・・・・・・・・・・・・・・・・ 4
D 107 MH27A0476 スペーサ・・・・・・・・・・・・・・・・・・・・・・・・・・・・・・・・・・・ Spacer・・・・・・・・・・・・・・・・・・・・・・・・・・・・・・・・
・
2
D 108 M90862004 Pサラネジ M3X12・・・・・・・・・・・・・・・・・・・・・・・・・・
・
Screw M3X12・・・・・・・・・・・・・・・・・・・・・・・・・・ 4
D 109 MH27A6339 Xイドウカバークミタテ・・・・・・・・・・・・・・・・・・・・・・・・・・ X-movable plate assy・・・・・・・・・・・・・・・・・・
・
2
D 110 MH27A7339 Xカバーイタクミタテ (ヒダリ)・・・・・・・・・・・・・・・・・・・・・・ X-cover plate assy (L)・・・・・・・・・・・・・・・・・
・
1
D 111 M90971004 SW-PWプラマイナベネジ M3X10・・・・・・・・・・・・・・
・
Screw M3X10・・・・・・・・・・・・・・・・・・・・・・・・・・ 6
D 112 MH27A1359 カバーガイドクミタテ (ウシロ)・・・・・・・・・・・・・・・・・・・・・ Cover guide assy (rear)・・・・・・・・・・・・・・・・・ 1
D 113 MH27A1476 スペーサ・・・・・・・・・・・・・・・・・・・・・・・・・・・・・・・・・・・ Spacer・・・・・・・・・・・・・・・・・・・・・・・・・・・・・・・・
・
1
D 114 MH27A8339 Xカバーイタクミタテ (ミギ)・・・・・・・・・・・・・・・・・・・・・・・ X-cover plate assy (R)・・・・・・・・・・・・・・・・・
・
1
☆ D 115 M90990002 ヒラネジ M4X8・・・・・・・・・・・・・・・・・・・・・・・・・・・・・・Screw M4X8・・・・・・・・・・・・・・・・・・・・・・・・・・・ 8
D 116 MH27A9339 X-Yカバー・・・・・・・・・・・・・・・・・・・・・・・・・・・・・・・・・ X-Y cover・・・・・・・・・・・・・・・・・・・・・・・・・・・・・ 2
D 117 MH27A2476 スペーサクミタテ (ヒダリ)・・・・・・・・・・・・・・・・・・・・・・・・ Spacer assy (L)・・・・・・・・・・・・・・・・・・・・・・・・ 1
D 118 MH27A3476 スペーサ・・・・・・・・・・・・・・・・・・・・・・・・・・・・・・・・・・・ Spacer・・・・・・・・・・・・・・・・・・・・・・・・・・・・・・・・
・
2
D 119 MH27A4476 スペーサクミタテ (ミギ)・・・・・・・・・・・・・・・・・・・・・・・・・ Spacer assy (R)・・・・・・・・・・・・・・・・・・・・・・・・ 1
D 120 M91400010 Pサラネジ M4X8・・・・・・・・・・・・・・・・・・・・・・・・・・・・ Screw M4X8・・・・・・・・・・・・・・・・・・・・・・・・・・・ 4
☆印はPLK-E2516R共通部品を示します。
☆ indicates PLK-E2516R common parts. 7 PLK-G2516R

縫い機構(1)
SEWING MECHANISM(1)
E
8
131
905
117
108
109
110
111
120
112
123
125
126
128
(116)
124
122
145 146
(136)
147
149
139
151
904
150
152
136
144
143
142
134
135
133
130
132
129
113
115
114
118
119
141
103
105
106
107
140
116
148
121
(116)
(121)
101
102
127
901
902
903
137
104
138

[E]縫い機構(1)
SEWING MECHANISM(1)
Fig 変更 部品コード 品 名 Description 数量
no. Mod. Parts no. Amt. Req.
E 101 MH10E2848 シュジクモータ・・・・・・・・・・・・・・・・・・・・・・・・・・・・・・ Main shaft motor・・・・・・・・・・・・・・・・・・・・・ 1
E 102 M96001017 セフティソケット M6X16・・・・・・・・・・・・・・・・・・・・・・
・
Safety socket bolt M6X16・・・・・・・・・・・・・ 8
E 103 M90337065 Cガタトメワ 18・・・・・・・・・・・・・・・・・・・・・・・・・・・・
・
C-type retaining ring 18・・・・・・・・・・・・・・・ 1
E 104 MF17A1476 スペーサ B・・・・・・・・・・・・・・・・・・・・・・・・・・・・・・・ Spacer B・・・・・・・・・・・・・・・・・・・・・・・・・・・・
・
2
E 105 M93016050 ナミワッシャ・・・・・・・・・・・・・・・・・・・・・・・・・・・・・・・・ Wave washer・・・・・・・・・・・・・・・・・・・・・・・・・ 1
E 106 MH10A1694 ハンシャバン (ウエ)・・・・・・・・・・・・・・・・・・・・・・・・・・ Command disk (up)・・・・・・・・・・・・・・・・・・・ 1
E 107 MF17A2476 スペーサ A・・・・・・・・・・・・・・・・・・・・・・・・・・・・・・・ Spacer A・・・・・・・・・・・・・・・・・・・・・・・・・・・・
・
1
E 108 MH10A0694 ハンシャバン (シタ)・・・・・・・・・・・・・・・・・・・・・・・・・・
・
Command disk (down)・・・・・・・・・・・・・・・・
・
1
E 109 MH10A0750 ブッシュクミ・・・・・・・・・・・・・・・・・・・・・・・・・・・・・・・・ Bushing assy・・・・・・・・・・・・・・・・・・・・・・・・・ 1
E 110 M91609020 ロッカクアナツキトメネジ 1/4(40)X5.5・・・・・・・・・・・・Screw 1/4(40)X5.5・・・・・・・・・・・・・・・・・・・
・
2
E 111 MH10A0682 プーリ・・・・・・・・・・・・・・・・・・・・・・・・・・・・・・・・・・・ Pulley・・・・・・・・・・・・・・・・・・・・・・・・・・・・・・・
・
1
E 112 M90409037 SW-PW Pナベネジ M4X10・・・・・・・・・・・・・・・・ Screw M4X10・・・・・・・・・・・・・・・・・・・・・・・・ 4
E 113 MH10A1456 ジクウケ・・・・・・・・・・・・・・・・・・・・・・・・・・・・・・・・・
・
Ball bearing・・・・・・・・・・・・・・・・・・・・・・・・・・ 1
E 114 MH10A0456 ジクウケ・・・・・・・・・・・・・・・・・・・・・・・・・・・・・・・・・
・
Ball bearing・・・・・・・・・・・・・・・・・・・・・・・・・・ 1
E 115 MH10A1750 ブッシュ・・・・・・・・・・・・・・・・・・・・・・・・・・・・・・・・・・ Bushing・・・・・・・・・・・・・・・・・・・・・・・・・・・・・・ 1
E 116 M91650020 ロッカクアナツキトメネジ M6X8・・・・・・・・・・・・・・・・・
・
Screw M6X8・・・・・・・・・・・・・・・・・・・・・・・・・ 5
E 117 MH27A0230 ウワジク・・・・・・・・・・・・・・・・・・・・・・・・・・・・・・・・・
・
Upper shaft・・・・・・・・・・・・・・・・・・・・・・・・・・ 1
☆ E 118 MS14A0682 プーリ・・・・・・・・・・・・・・・・・・・・・・・・・・・・・・・・・・・ Pulley・・・・・・・・・・・・・・・・・・・・・・・・・・・・・・・
・
1
E 119 M91053020 ロッカクアナツキトメネジ M4X6・・・・・・・・・・・・・・・・・
・
Screw M4X6・・・・・・・・・・・・・・・・・・・・・・・・・ 2
E 120 MH10A1722 ウワジクマイタギヤ・・・・・・・・・・・・・・・・・・・・・・・・・・ Gear・・・・・・・・・・・・・・・・・・・・・・・・・・・・・・・・・ 1
E 121 M95002020 ロッカクアナツキトメネジ M5X6・・・・・・・・・・・・・・・・・
・
Screw M5X6・・・・・・・・・・・・・・・・・・・・・・・・・ 3
E 122 MH27A2750 ブッシュ・・・・・・・・・・・・・・・・・・・・・・・・・・・・・・・・・・ Bushing・・・・・・・・・・・・・・・・・・・・・・・・・・・・・・ 1
E 123 MH27A0456 ジクウケ・・・・・・・・・・・・・・・・・・・・・・・・・・・・・・・・・
・
Ball bearing・・・・・・・・・・・・・・・・・・・・・・・・・・ 1
E 124 MN10A1456 ジクウケ・・・・・・・・・・・・・・・・・・・・・・・・・・・・・・・・・
・
Ball bearing・・・・・・・・・・・・・・・・・・・・・・・・・・ 1
E 125 M96001005 ロッカクアナツキトメネジボウサキ M6X6・・・・・・・・・・・ Screw M6X6・・・・・・・・・・・・・・・・・・・・・・・・・ 1
E 126 MF13A0767 タイミングベルトグルマウエ・・・・・・・・・・・・・・・・・・・・・ Belt pulley (upper)・・・・・・・・・・・・・・・・・・・・ 1
E 127 MH10A0364 カップリング・・・・・・・・・・・・・・・・・・・・・・・・・・・・・・・ Coupling・・・・・・・・・・・・・・・・・・・・・・・・・・・・・ 1
E 128 M90883080 ゴムセン φ8.8・・・・・・・・・・・・・・・・・・・・・・・・・・・・Rubber plug φ8.8・・・・・・・・・・・・・・・・・・・・ 1
E 129 MH10A0663 ハリボウメタル (ウエ)・・・・・・・・・・・・・・・・・・・・・・・・・Needle bar bushing (upper)・・・・・・・・・・・・ 1
E 130 MH27A0660 ハリボウ・・・・・・・・・・・・・・・・・・・・・・・・・・・・・・・・・
・
Needle bar ・・・・・・・・・・・・・・・・・・・・・・・・・・
・
1
E 131 M90500085 Oリング・・・・・・・・・・・・・・・・・・・・・・・・・・・・・・・・・・O-ring・・・・・・・・・・・・・・・・・・・・・・・・・・・・・・・ 1
E 132 MH27A0664 ハリボウメタル (シタ)・・・・・・・・・・・・・・・・・・・・・・・・・ Needle bar bushing (lower)・・・・・・・・・・・・ 1
☆ E 133 MG42A0181 イトアンナイ・・・・・・・・・・・・・・・・・・・・・・・・・・・・・・・・Thread guide・・・・・・・・・・・・・・・・・・・・・・・・・ 1
☆ E 134 M90815002 ヒラネジ 1/8(44)X4.5・・・・・・・・・・・・・・・・・・・・・・ Screw 1/8(44)X4.5・・・・・・・・・・・・・・・・・・・
・
1
☆ E 135 MS02A0128 ミシンハリ DPX17#18・・・・・・・・・・・・・・・・・・・・・・・ Needle DPX17#18・・・・・・・・・・・・・・・・・・・・ 1
E 136 M95004020 ロッカクアナツキトメネジ M5X8・・・・・・・・・・・・・・・・・
・
Screw M5X8・・・・・・・・・・・・・・・・・・・・・・・・・ 3
E 137 MH10A0530 ダンツキジククミタテ・・・・・・・・・・・・・・・・・・・・・・・・・・Stepped shaft assy・・・・・・・・・・・・・・・・・・・ 1
E 138 M90836050 ワッシャ・・・・・・・・・・・・・・・・・・・・・・・・・・・・・・・・・・
・
Washer・・・・・・・・・・・・・・・・・・・・・・・・・・・・・・ 1
E 139 M91802006 ヒラネジボウサキ 9/32(28)・・・・・・・・・・・・・・・・・・
・
Set screw 9/32(28)・・・・・・・・・・・・・・・・・・・ 1
E 140 M91602001 トメネジ 1/4(40)X4・・・・・・・・・・・・・・・・・・・・・・・・Screw 1/4(40)X4・・・・・・・・・・・・・・・・・・・・・ 1
E 141 M91606001 トメネジ 1/4(40)X6・・・・・・・・・・・・・・・・・・・・・・・・Screw 1/4(40)X6・・・・・・・・・・・・・・・・・・・・・ 2
☆ E 142 M90990002 ヒラネジ M4X8・・・・・・・・・・・・・・・・・・・・・・・・・・・・Screw M4X8・・・・・・・・・・・・・・・・・・・・・・・・・ 2
E 143 MF10A0325 カクコマ・・・・・・・・・・・・・・・・・・・・・・・・・・・・・・・・・・
・
Square block・・・・・・・・・・・・・・・・・・・・・・・・・ 1
E 144 MS01A0155 アンナイダイ・・・・・・・・・・・・・・・・・・・・・・・・・・・・・・・ Guide bracket・・・・・・・・・・・・・・・・・・・・・・・・ 1
E 145 MH10A0722 マイタギヤ・・・・・・・・・・・・・・・・・・・・・・・・・・・・・・・・ Gear・・・・・・・・・・・・・・・・・・・・・・・・・・・・・・・・・ 1
E 146 MH10A0416 カンショウゴム・・・・・・・・・・・・・・・・・・・・・・・・・・・・・・ Rubber cushion・・・・・・・・・・・・・・・・・・・・・・・ 1
E 147 MH27A0833 メタル・・・・・・・・・・・・・・・・・・・・・・・・・・・・・・・・・・・
・
Bushing・・・・・・・・・・・・・・・・・・・・・・・・・・・・・・ 1
E 148 MH10A0572 ツルマキバネ・・・・・・・・・・・・・・・・・・・・・・・・・・・・・・ Spring・・・・・・・・・・・・・・・・・・・・・・・・・・・・・・・ 1
E 149 MH27A1454 ジク・・・・・・・・・・・・・・・・・・・・・・・・・・・・・・・・・・・・ Shaft・・・・・・・・・・・・・・・・・・・・・・・・・・・・・・・・ 1
☆ E 150 M90406064 スプリングピン φ4X14・・・・・・・・・・・・・・・・・・・・・
・
Spring pin φ4X14・・・・・・・・・・・・・・・・・・・・ 1
☆ E 151 ME25A0682 プーリ・・・・・・・・・・・・・・・・・・・・・・・・・・・・・・・・・・・ Pulley・・・・・・・・・・・・・・・・・・・・・・・・・・・・・・・
・
1
☆ E 152 M91119002 ヒラネジ 11/64(40)X6.8・・・・・・・・・・・・・・・・・・・
・
Screw 11/64(40)X6.8・・・・・・・・・・・・・・・・・ 1
E 901 MH10A4750 ブッシュクミタテ・・・・・・・・・・・・・・・・・・・・・・・・・・・・・ Bushing assy・・・・・・・・・・・・・・・・・・・・・・・・・ 1
E 902 MH10E0456 ジクウケクミタテ (マエ)・・・・・・・・・・・・・・・・・・・・・・・・ Ball bearing assy (front)・・・・・・・・・・・・・・・ 1
E 903 MH27A2456 ジクウケクミタテ (ウシロ)・・・・・・・・・・・・・・・・・・・・・・・Ball bearing assy (rear)・・・・・・・・・・・・・・・
・
1
E 904 MH27E0580 テンビンハリククミタテ・・・・・・・・・・・・・・・・・・・・・・・・・ Thread take-up lever assy・・・・・・・・・・・・
・
1
E 905 MH27E0383 クランククミタテ・・・・・・・・・・・・・・・・・・・・・・・・・・・・・・ Crank assy・・・・・・・・・・・・・・・・・・・・・・・・・・・ 1
☆印はPLK-E2516R共通部品を示します。
☆ indicates PLK-E2516R common parts. 9 PLK-G2516R

SEWING MECHANISM(2)
縫い機構(2)F
10
122
126
112
111
131
(102)
121
902
109
115
120
901
102
117
118
113
116
125
904
(104)
(102)
101
(102)
105
130
124
133
104
127
128
129
135
134
103
119
123
107
108
106
110
114
132
903

[F]縫い機構(2)
SEWING MECHANISM(2)
Fig 変更 部品コード 品 名 Description 数量
no. Mod. Parts no. Amt. Req.
F 101 MF13A9750 ブッシュ・・・・・・・・・・・・・・・・・・・・・・・・・・・・・・・・・・・・ Bushinng・・・・・・・・・・・・・・・・・・・・・・・・・・・・・・
・
1
F 102 M91606001 トメネジ 1/4(40)X5・・・・・・・・・・・・・・・・・・・・・・・・・
・
Screw 1/4(40)X5・・・・・・・・・・・・・・・・・・・・・・・ 8
F 103 MF13A0456 ジクウケ・・・・・・・・・・・・・・・・・・・・・・・・・・・・・・・・・・・・Ball bearing・・・・・・・・・・・・・・・・・・・・・・・・・・・・ 1
F 104 M91200086 オイルシール・・・・・・・・・・・・・・・・・・・・・・・・・・・・・・・・・ Oil seal・・・・・・・・・・・・・・・・・・・・・・・・・・・・・・・・ 2
F 105 MH27A4750 ブッシュ・・・・・・・・・・・・・・・・・・・・・・・・・・・・・・・・・・・・ Bushinng・・・・・・・・・・・・・・・・・・・・・・・・・・・・・・
・
1
F 106 MH27A1450 シタジク (ヒダリ)・・・・・・・・・・・・・・・・・・・・・・・・・・・・・・ Lower shaft (L)・・・・・・・・・・・・・・・・・・・・・・・・
・
1
F 107 MF13A1683 ハスバハグルマダイ・・・・・・・・・・・・・・・・・・・・・・・・・・・
・
Gear (large)・・・・・・・・・・・・・・・・・・・・・・・・・・・・ 1
F 108 MF13A4750 ブッシュ・・・・・・・・・・・・・・・・・・・・・・・・・・・・・・・・・・・・ Bushinng・・・・・・・・・・・・・・・・・・・・・・・・・・・・・・
・
1
F 109 MN70A2456 ジクウケ・・・・・・・・・・・・・・・・・・・・・・・・・・・・・・・・・・・・ Ball bearing・・・・・・・・・・・・・・・・・・・・・・・・・・・・ 1
F 110 M91650020 ロッカクアナツキトメネジ M6X8・・・・・・・・・・・・・・・・・・・ Screw M6X8・・・・・・・・・・・・・・・・・・・・・・・・・・・ 2
F 111 MF13A2767 タイミングベルトグルマシタ・・・・・・・・・・・・・・・・・・・・・・・ Belt pulley (lower)・・・・・・・・・・・・・・・・・・・・・・ 1
F 112 MH27A0523 タイミングベルト・・・・・・・・・・・・・・・・・・・・・・・・・・・・・・
・
Timing belt・・・・・・・・・・・・・・・・・・・・・・・・・・・・
・
1
F 113 MH27A2454 テンショナーシャフト・・・・・・・・・・・・・・・・・・・・・・・・・・・・・ Shaft・・・・・・・・・・・・・・・・・・・・・・・・・・・・・・・・・・ 1
F 114 MH27A3456 ジクウケ・・・・・・・・・・・・・・・・・・・・・・・・・・・・・・・・・・・・ Ball bearing・・・・・・・・・・・・・・・・・・・・・・・・・・・・ 2
F 115 M90604065 Eガタトメワ 8・・・・・・・・・・・・・・・・・・・・・・・・・・・・・・・・ E-type retaining ring 8・・・・・・・・・・・・・・・・・
・
2
F 116 M96008017 セフティソケット M6X10・・・・・・・・・・・・・・・・・・・・・・・・
・
Safety socket bolt M6X10・・・・・・・・・・・・・・ 2
F 117 M95002017 セフティソケット M5X12・・・・・・・・・・・・・・・・・・・・・・・・
・
Safety socket bolt M5X12・・・・・・・・・・・・・・ 2
F 118 M90512050 コザガネ 5・・・・・・・・・・・・・・・・・・・・・・・・・・・・・・・・・ Washer 5・・・・・・・・・・・・・・・・・・・・・・・・・・・・・・
・
2
F 119 MH27A0770 テンショナーベース・・・・・・・・・・・・・・・・・・・・・・・・・・・・・Base・・・・・・・・・・・・・・・・・・・・・・・・・・・・・・・・・・
・
1
☆ F 120 MF20A0229 ウチガマドメ・・・・・・・・・・・・・・・・・・・・・・・・・・・・・・・・・ Hook positioner・・・・・・・・・・・・・・・・・・・・・・・・ 1
☆ F 121 M91118002 ヒラネジ 11/64(40)X10・・・・・・・・・・・・・・・・・・・・・・Screw 11/64(40)X10・・・・・・・・・・・・・・・・・・・ 1
☆ F 122 MG44E0125 ボビンケース・・・・・・・・・・・・・・・・・・・・・・・・・・・・・・・・ Bobbin case・・・・・・・・・・・・・・・・・・・・・・・・・・・
・
1
☆ F 123 MF25B0123 ボビン・・・・・・・・・・・・・・・・・・・・・・・・・・・・・・・・・・・・・Bobbin・・・・・・・・・・・・・・・・・・・・・・・・・・・・・・・・・ 1
☆ F 124 ME20A0120 カマクミタテ・・・・・・・・・・・・・・・・・・・・・・・・・・・・・・・・・・ Hook complete・・・・・・・・・・・・・・・・・・・・・・・・・ 1
☆ F 125 M90800086 オイルシール・・・・・・・・・・・・・・・・・・・・・・・・・・・・・・・・・ Oil seal・・・・・・・・・・・・・・・・・・・・・・・・・・・・・・・・ 1
☆ F 126 MS10A0451 シタジクメタル (ヒダリ)・・・・・・・・・・・・・・・・・・・・・・・・・・ Hook shaft bushing (L)・・・・・・・・・・・・・・・・・
・
1
☆ F 127 M91602020 ロッカクアナツキトメネジ 1/4(40)X10・・・・・・・・・・・・・
・
Screw 1/4(40)X10・・・・・・・・・・・・・・・・・・・・・
・
2
F 128 MH27A0450 シタジク・・・・・・・・・・・・・・・・・・・・・・・・・・・・・・・・・・・・ Lower shaft・・・・・・・・・・・・・・・・・・・・・・・・・・・・ 1
F 129 MH27A0453 シタジクメタル (ナカ) クミタテ・・・・・・・・・・・・・・・・・・・・・
・
Hook shaft bushing (M) assy・・・・・・・・・・・・ 1
F 130 MH27A5750 ブッシュ・・・・・・・・・・・・・・・・・・・・・・・・・・・・・・・・・・・・ Bushinng・・・・・・・・・・・・・・・・・・・・・・・・・・・・・・
・
1
F 131 MF13A1456 ジクウケ・・・・・・・・・・・・・・・・・・・・・・・・・・・・・・・・・・・・Ball bearing・・・・・・・・・・・・・・・・・・・・・・・・・・・・ 1
F 132 M90804086 オイルシール・・・・・・・・・・・・・・・・・・・・・・・・・・・・・・・・・ Oil seal・・・・・・・・・・・・・・・・・・・・・・・・・・・・・・・・ 1
F 133 MF13A0452 シタジクメタル (ミギ)・・・・・・・・・・・・・・・・・・・・・・・・・・・ Hook shaft bushing (R)・・・・・・・・・・・・・・・・・
・
1
F 134 M95004020 ロッカクアナツキトメネジ M5X8・・・・・・・・・・・・・・・・・・・ Screw M5X8・・・・・・・・・・・・・・・・・・・・・・・・・・・ 1
F 135 MF13A0683 ハスバハグルマショウ・・・・・・・・・・・・・・・・・・・・・・・・・・・Gear (small)・・・・・・・・・・・・・・・・・・・・・・・・・・・・ 1
F 901 MF13E6456 ジクウケクミタテ・・・・・・・・・・・・・・・・・・・・・・・・・・・・・・・ Ball bearing assy・・・・・・・・・・・・・・・・・・・・・・・ 1
F 902 MF13E1767 タイミングベルトグルマシタクミタテ・・・・・・・・・・・・・・・・・・ Belt pulley (lower) assy・・・・・・・・・・・・・・・・・ 1
☆ F 903 MF01E0350 イトキリカム・・・・・・・・・・・・・・・・・・・・・・・・・・・・・・・・・・ Thread trimmer cam・・・・・・・・・・・・・・・・・・・・ 1
F 904 MH27A4456 ジクウケクミタテ・・・・・・・・・・・・・・・・・・・・・・・・・・・・・・・ Hook shaft bushing (R) assy・・・・・・・・・・・・
・
1
☆印はPLK-E2516R共通部品を示します。
☆ indicates PLK-E2516R common parts. 11 PLK-G2516R

PRESSER BAR LIFTING MECHANISM
中押え機構(1)G
12
128
121
130
132 127
123
124
135
136
133
131
129
134
122
138
139
137
125
126
113
102
112
120
111
119
108
107
115
110
101
116
118
106
105
104
117
114
103 109

[G]中押え機構(1)
PRESSER BAR LIFTING MECHANISM
Fig 変更 部品コード 品 名 Description 数量
no. Mod. Parts no. Amt. Req.
G 101 M90301036 Pトラスネジ M3X12・・・・・・・・・・・・・・・・・・・・・・・・・・Screw M3X12・・・・・・・・・・・・・・・・・・・・・・・・・・ 1
G 102 MH27E0484 キンセツスイッチ・・・・・・・・・・・・・・・・・・・・・・・・・・・・・・・Detector・・・・・・・・・・・・・・・・・・・・・・・・・・・・・・・ 1
G 103 MH27A0603 センサトリツケダイ・・・・・・・・・・・・・・・・・・・・・・・・・・・・・ Detector bracket ・・・・・・・・・・・・・・・・・・・・・・ 1
G 104 MH27A3454 ジク・・・・・・・・・・・・・・・・・・・・・・・・・・・・・・・・・・・・・・
・
Shaft・・・・・・・・・・・・・・・・・・・・・・・・・・・・・・・・・・ 1
G 105 M93003021 ロッカクアナツキボルト M3X6・・・・・・・・・・・・・・・・・・・・ Screw M3X6・・・・・・・・・・・・・・・・・・・・・・・・・・・ 1
G 106 MH27A0407 ケンシュツバン・・・・・・・・・・・・・・・・・・・・・・・・・・・・・・・・Detector plate・・・・・・・・・・・・・・・・・・・・・・・・・ 1
G 107 M90511065 Eガタトメワ 6・・・・・・・・・・・・・・・・・・・・・・・・・・・・・・・・ E-type retaining ring 6・・・・・・・・・・・・・・・・・
・
1
G 108 MH10A2722 ヒラハグルマ・・・・・・・・・・・・・・・・・・・・・・・・・・・・・・・・・ Gear・・・・・・・・・・・・・・・・・・・・・・・・・・・・・・・・・・・ 1
G 109 M94001001 ナイロックトメネジ M5X6・・・・・・・・・・・・・・・・・・・・・・・
・
Screw M5X6・・・・・・・・・・・・・・・・・・・・・・・・・・・ 2
G 110 M90511050 ミガキザガネ 5・・・・・・・・・・・・・・・・・・・・・・・・・・・・・・ Washer 5・・・・・・・・・・・・・・・・・・・・・・・・・・・・・・
・
4
G 111 M95014017 セフティソケット M5X14・・・・・・・・・・・・・・・・・・・・・・・・
・
Safety socket bolt M5X14・・・・・・・・・・・・・・ 4
G 112 M95003021 ロッカクアナツキボルト M5X12・・・・・・・・・・・・・・・・・・・ Socket bolt M5X12・・・・・・・・・・・・・・・・・・・・・ 3
G 113 MH27A0850 モータダイトリツケイタ・・・・・・・・・・・・・・・・・・・・・・・・・・・ Presser foot motor adapter・・・・・・・・・・・・・ 1
G 114 MH27A1603 ナカオサエモータトリツケダイ・・・・・・・・・・・・・・・・・・・・・・ Presser foot motor bracket・・・・・・・・・・・・・ 1
G 115 MB60A0601 ナイロンクリップ FGC-8・・・・・・・・・・・・・・・・・・・・・・・
・
Nylon clip FGC-8・・・・・・・・・・・・・・・・・・・・・・
・
1
G 116 M90409037 SW-PW Pナベネジ M4X10・・・・・・・・・・・・・・・・・・ Screw M4X10・・・・・・・・・・・・・・・・・・・・・・・・・・ 1
G 117 M95018021 ロッカクアナツキボルト M4X8・・・・・・・・・・・・・・・・・・・・ Socket bolt M4X8・・・・・・・・・・・・・・・・・・・・・・ 2
G 118 MH10A1848 ステッピングモータ・・・・・・・・・・・・・・・・・・・・・・・・・・・・・Stepping motor・・・・・・・・・・・・・・・・・・・・・・・・・ 1
G 119 MH27A0508 ケーブル (PFモータ)・・・・・・・・・・・・・・・・・・・・・・・・・・
・
Cable (PF motor)・・・・・・・・・・・・・・・・・・・・・・・ 1
G 120 M94040021 ロッカクアナツキボルト M4X14・・・・・・・・・・・・・・・・・・・ Socket bolt M4X14・・・・・・・・・・・・・・・・・・・・・ 4
G 121 M95004020 ロッカクアナツキトメネジ M5X8・・・・・・・・・・・・・・・・・・・ Screw M5X8・・・・・・・・・・・・・・・・・・・・・・・・・・・ 2
G 122 MH10A1683 オウギハグルマ・・・・・・・・・・・・・・・・・・・・・・・・・・・・・・
・
Sector gear・・・・・・・・・・・・・・・・・・・・・・・・・・・・ 1
G 123 MH27A1833 ナカオサエメタル (ウシロ)・・・・・・・・・・・・・・・・・・・・・・・・
・
Presser foot bushing (rear)・・・・・・・・・・・・・ 1
G 124 MH10A1352 セットカラー・・・・・・・・・・・・・・・・・・・・・・・・・・・・・・・・・・ Set collar・・・・・・・・・・・・・・・・・・・・・・・・・・・・・・ 1
G 125 M91055020 ロッカクアナツキトメネジ M4X4・・・・・・・・・・・・・・・・・・・ Screw M4X4・・・・・・・・・・・・・・・・・・・・・・・・・・・ 2
G 126 MH27A0390 ナカオサエクドウジク・・・・・・・・・・・・・・・・・・・・・・・・・・・ Presser foot driving shaft・・・・・・・・・・・・・・・ 1
G 127 MH27A2833 ナカオサエメタル (マエ) クミタテ・・・・・・・・・・・・・・・・・・・・ Presser foot bushing (front) assy・・・・・・・
・
1
G 128 MH10A1252 ナカオサエアゲレバー B・・・・・・・・・・・・・・・・・・・・・・・・ Presser foot lifting lever B・・・・・・・・・・・・・・ 1
G 129 MH10A1740 フェルト・・・・・・・・・・・・・・・・・・・・・・・・・・・・・・・・・・・・・ Felt・・・・・・・・・・・・・・・・・・・・・・・・・・・・・・・・・・・・ 1
☆ G 130 MN70A1780 ホルダ・・・・・・・・・・・・・・・・・・・・・・・・・・・・・・・・・・・・・ Holder・・・・・・・・・・・・・・・・・・・・・・・・・・・・・・・・・ 1
☆ G 131 M90908003 マルヒラネジ 9/64(40)X6・・・・・・・・・・・・・・・・・・・・・ Screw 9/64(40)X6・・・・・・・・・・・・・・・・・・・・・
・
1
G 132 M91651020 ロッカクアナツキトメネジ M6X16・・・・・・・・・・・・・・・・・・ Screw M6X16・・・・・・・・・・・・・・・・・・・・・・・・・・ 1
G 133 MH10A0252 ナカオサエアゲレバー A・・・・・・・・・・・・・・・・・・・・・・・・ Presser foot lifting lever A・・・・・・・・・・・・・・ 1
G 134 M96001020 ロッカクアナツキトメネジ M6X6・・・・・・・・・・・・・・・・・・・ Screw M6X6・・・・・・・・・・・・・・・・・・・・・・・・・・・ 1
G 135 M91127015 ヒラネジダンツキ 11/64(40)X5・・・・・・・・・・・・・・・・・ Screw 11/64(40)X5・・・・・・・・・・・・・・・・・・・・
・
1
G 136 M94001017 セフティソケット M4X10・・・・・・・・・・・・・・・・・・・・・・・・ Safety socket bolt M4X10・・・・・・・・・・・・・・ 1
G 137 M90421050 ミガキザガネ 4・・・・・・・・・・・・・・・・・・・・・・・・・・・・・・ Washer 4・・・・・・・・・・・・・・・・・・・・・・・・・・・・・・
・
2
G 138 MH10A2708 バネカケ・・・・・・・・・・・・・・・・・・・・・・・・・・・・・・・・・・・
・
Hook plate・・・・・・・・・・・・・・・・・・・・・・・・・・・・・ 1
G 139 MH10A4572 ツルマキバネ・・・・・・・・・・・・・・・・・・・・・・・・・・・・・・・・
・
Spring・・・・・・・・・・・・・・・・・・・・・・・・・・・・・・・・・
・
1
☆印はPLK-E2516R共通部品を示します。
☆ indicates PLK-E2516R common parts. 13 PLK-G2516R

中押え機構(2)
PRESSER BAR LIFTING MECHANISM(2)
H
14
141
143
142
134
133
144
139
138
137
136
135
132
131
140
902
122
120
123
118
124
128
127
125
126
116
117
109
110
111
106
112
113
121
107
105
104
103
102
101
115
(114)
119
114
901
130
(114)
129
108

[H]中押え機構(2)
PRESSER BAR LIFTING MECHANISM
Fig 変更 部品コード 品 名 Description 数量
no. Mod. Parts no. Amt. Req.
☆ H 101 M93220035 ツマミネジ 1/2(28)X43・・・・・・・・・・・・・・・・・・・・・・・Thumb screw 1/2(28)X43・・・・・・・・・・・・・・・ 1
☆ H 102 M93202047 ナット 1/2(28)・・・・・・・・・・・・・・・・・・・・・・・・・・・・・・ Nut 1/2(28)・・・・・・・・・・・・・・・・・・・・・・・・・・・・ 1
☆ H 103 MS03A0703 アンナイボウ・・・・・・・・・・・・・・・・・・・・・・・・・・・・・・・・・ Presser bar guide・・・・・・・・・・・・・・・・・・・・・・
・
1
H 104 M90632050 コザガネ 6・・・・・・・・・・・・・・・・・・・・・・・・・・・・・・・・・ Washer 6・・・・・・・・・・・・・・・・・・・・・・・・・・・・・・
・
1
☆ H 105 MS03A1572 ツルマキバネ・・・・・・・・・・・・・・・・・・・・・・・・・・・・・・・・
・
Spring・・・・・・・・・・・・・・・・・・・・・・・・・・・・・・・・・
・
1
☆ H 106 MG75A0265 オサエボウダキ・・・・・・・・・・・・・・・・・・・・・・・・・・・・・・
・
Presser bar holder・・・・・・・・・・・・・・・・・・・・・
・
1
☆ H 107 M91506001 トメネジ 15/64(28)X7・・・・・・・・・・・・・・・・・・・・・・・ Screw 15/64(28)X7・・・・・・・・・・・・・・・・・・・・
・
1
H 108 M90600085 Oリング・・・・・・・・・・・・・・・・・・・・・・・・・・・・・・・・・・・・ O-ring・・・・・・・・・・・・・・・・・・・・・・・・・・・・・・・・・ 1
H 109 MH10A0267 オサエボウメタル・・・・・・・・・・・・・・・・・・・・・・・・・・・・・・ Presser bar bushing・・・・・・・・・・・・・・・・・・・・ 1
☆ H 110 MS03A0262 オサエボウ・・・・・・・・・・・・・・・・・・・・・・・・・・・・・・・・・・ Presser bar・・・・・・・・・・・・・・・・・・・・・・・・・・・・ 1
☆ H 111 MV30A0256 オサエ φ3・・・・・・・・・・・・・・・・・・・・・・・・・・・・・・・・・ Presser foot φ3・・・・・・・・・・・・・・・・・・・・・・・ 1
H 112 MH10A0626 ニードルガード・・・・・・・・・・・・・・・・・・・・・・・・・・・・・・・Needle guard・・・・・・・・・・・・・・・・・・・・・・・・・・・ 1
☆ H 113 M90922002 ヒラネジ 9/64(40)X8・・・・・・・・・・・・・・・・・・・・・・・・ Screw 9/64(40)X8・・・・・・・・・・・・・・・・・・・・・
・
1
H 114 M91690015 ヒラネジダンツキ 1/4(40)X4・・・・・・・・・・・・・・・・・・・ Screw 1/4(40)X4・・・・・・・・・・・・・・・・・・・・・・・ 3
H 115 MH10A5910 リンク・・・・・・・・・・・・・・・・・・・・・・・・・・・・・・・・・・・・・・ Link・・・・・・・・・・・・・・・・・・・・・・・・・・・・・・・・・・・
・
1
H 116 MH10A0763 ベルクランク・・・・・・・・・・・・・・・・・・・・・・・・・・・・・・・・・ Bell crank・・・・・・・・・・・・・・・・・・・・・・・・・・・・・・ 1
H 117 M91553015 ダンツキネジ 1/4(40)X4・・・・・・・・・・・・・・・・・・・・・・ Screw 1/4(40)X4・・・・・・・・・・・・・・・・・・・・・・・ 1
H 118 MF10A0325 カクコマ・・・・・・・・・・・・・・・・・・・・・・・・・・・・・・・・・・・・・Square block・・・・・・・・・・・・・・・・・・・・・・・・・・・ 1
H 119 M90505065 Eガタトメワ 5・・・・・・・・・・・・・・・・・・・・・・・・・・・・・・・・ E-type retaining ring 5・・・・・・・・・・・・・・・・・
・
1
H 120 MH10A0283 ツバツキジク・・・・・・・・・・・・・・・・・・・・・・・・・・・・・・・・ Stepped pin・・・・・・・・・・・・・・・・・・・・・・・・・・・・ 1
H 121 M95004020 ロッカクアナツキトメネジ M5X8・・・・・・・・・・・・・・・・・・・ Screw M5X8・・・・・・・・・・・・・・・・・・・・・・・・・・・ 1
☆ H 122 M90908003 マルヒラネジ 9/64(40)X6・・・・・・・・・・・・・・・・・・・・・ Screw 9/64(40)X6・・・・・・・・・・・・・・・・・・・・・
・
1
☆ H 123 MN70A1780 ホルダ・・・・・・・・・・・・・・・・・・・・・・・・・・・・・・・・・・・・・ Holder・・・・・・・・・・・・・・・・・・・・・・・・・・・・・・・・・ 1
☆ H 124 MG30A0740 フェルト・・・・・・・・・・・・・・・・・・・・・・・・・・・・・・・・・・・・・ Felt・・・・・・・・・・・・・・・・・・・・・・・・・・・・・・・・・・・・ 1
H 125 M91691015 ヒラネジダンツキ 1/4(40)X7・・・・・・・・・・・・・・・・・・・ Screw 1/4(40)X7・・・・・・・・・・・・・・・・・・・・・・・ 1
H 126 ME10A7910 リンク・・・・・・・・・・・・・・・・・・・・・・・・・・・・・・・・・・・・・・ Link・・・・・・・・・・・・・・・・・・・・・・・・・・・・・・・・・・・
・
1
H 127 MH10A1956 レンセツカン・・・・・・・・・・・・・・・・・・・・・・・・・・・・・・・・・・Link・・・・・・・・・・・・・・・・・・・・・・・・・・・・・・・・・・・
・
1
H 128 MH27A0228 ウデクミタテ・・・・・・・・・・・・・・・・・・・・・・・・・・・・・・・・・
・
Arm shaft assy・・・・・・・・・・・・・・・・・・・・・・・・・ 1
H 129 M91053020 ロッカクアナツキトメネジ M4X6・・・・・・・・・・・・・・・・・・・ Screw M4X6・・・・・・・・・・・・・・・・・・・・・・・・・・・ 2
H 130 MS10A1740 フェルト・・・・・・・・・・・・・・・・・・・・・・・・・・・・・・・・・・・・・ Felt・・・・・・・・・・・・・・・・・・・・・・・・・・・・・・・・・・・・ 2
☆ H 131 M91603003 マルヒラネジ 1/4(24)X16・・・・・・・・・・・・・・・・・・・・・ Screw 1/4(24)X16・・・・・・・・・・・・・・・・・・・・・
・
1
H 132 M91572045 Uナット M6X0.75・・・・・・・・・・・・・・・・・・・・・・・・・・・
・
U-nut M6X0.75・・・・・・・・・・・・・・・・・・・・・・・・
・
1
H 133 M90631050 ミガキザガネ 6・・・・・・・・・・・・・・・・・・・・・・・・・・・・・・ Washer 6・・・・・・・・・・・・・・・・・・・・・・・・・・・・・・
・
1
H 134 M96011017 ダンツキボルト M6・・・・・・・・・・・・・・・・・・・・・・・・・・・
・
Bolt M6・・・・・・・・・・・・・・・・・・・・・・・・・・・・・・・・ 1
H 135 M90902011 マルヒラネジ 9/64(40)X7・・・・・・・・・・・・・・・・・・・・・ Screw 9/64(40)X7・・・・・・・・・・・・・・・・・・・・・
・
3
H 136 M98016050 ザガネ・・・・・・・・・・・・・・・・・・・・・・・・・・・・・・・・・・・・ Washer・・・・・・・・・・・・・・・・・・・・・・・・・・・・・・・・
・
1
H 137 MN35A0628 ニードルベアリング・・・・・・・・・・・・・・・・・・・・・・・・・・・・ Needle bearing・・・・・・・・・・・・・・・・・・・・・・・・・ 1
H 138 M90859004 SW-PWプラマイナベネジ M3X6・・・・・・・・・・・・・・・
・
Screw M3X6・・・・・・・・・・・・・・・・・・・・・・・・・・・ 2
H 139 MH10A2956 レンセツカン・・・・・・・・・・・・・・・・・・・・・・・・・・・・・・・・・・Link・・・・・・・・・・・・・・・・・・・・・・・・・・・・・・・・・・・
・
1
H 140 MH10A2740 フェルト・・・・・・・・・・・・・・・・・・・・・・・・・・・・・・・・・・・・・ Felt・・・・・・・・・・・・・・・・・・・・・・・・・・・・・・・・・・・・ 1
H 141 MH10A1741 フェルトオサエ・・・・・・・・・・・・・・・・・・・・・・・・・・・・・・・・
・
Felt holder・・・・・・・・・・・・・・・・・・・・・・・・・・・・・ 1
☆ H 142 MF60A0700 センサイクバネ・・・・・・・・・・・・・・・・・・・・・・・・・・・・・・・ Spring・・・・・・・・・・・・・・・・・・・・・・・・・・・・・・・・・
・
1
H 143 MH10A0760 ヘンシンリン・・・・・・・・・・・・・・・・・・・・・・・・・・・・・・・・・・ Eccentric cam・・・・・・・・・・・・・・・・・・・・・・・・・
・
1
☆ H 144 M91606001 トメネジ 1/4(40)X6・・・・・・・・・・・・・・・・・・・・・・・・・
・
Screw 1/4(40)X6・・・・・・・・・・・・・・・・・・・・・・・ 2
H 901 MH10E0285 ジョウブジョウゲメタルクミタテ・・・・・・・・・・・・・・・・・・・・
・
Bushing assy・・・・・・・・・・・・・・・・・・・・・・・・・・・ 2
☆ H 902 MS02A0463 ウデ (ミギ)・・・・・・・・・・・・・・・・・・・・・・・・・・・・・・・・・ Arm (right)・・・・・・・・・・・・・・・・・・・・・・・・・・・・・ 1
☆印はPLK-E2516R共通部品を示します。
☆ indicates PLK-E2516R common parts. 15 PLK-G2516R

糸切り機構
THREAD TRIMMING MECHANISM
J
16
124
(117)
142
126
107
114
130
139
138
132 143
140
115
(118)
129
134
141
125
(107)
112
111
118
128
123
108
106
119
127
110
136
133
122
105
135
101
102
(102)
137
131
121
113
109
(120)
104
103
117
901
116
120
902

[J]糸切り機構
THREAD TRIMMING MECHANISM
Fig 変更 部品コード 品 名 Description 数量
no. Mod. Parts no. Amt. Req.
☆ J 101 MF00A1527 ダイザ・・・・・・・・・・・・・・・・・・・・・・・・・・・・・・・・・・・・
・
Knife holding bracket saddle・・・・・・・・・・・・ 1
☆ J 102 M90990002 ヒラネジ M4X8・・・・・・・・・・・・・・・・・・・・・・・・・・・・・・Screw M4X8・・・・・・・・・・・・・・・・・・・・・・・・・・・ 3
☆ J 103 M91151010 サラネジ 11/64(40)X7・・・・・・・・・・・・・・・・・・・・・・
・
Screw 11/64(40)X7・・・・・・・・・・・・・・・・・・・・
・
2
☆ J 104 MF02A0834 メス (ヒダリ)・・・・・・・・・・・・・・・・・・・・・・・・・・・・・・・・・ Movable knife (left)・・・・・・・・・・・・・・・・・・・・・ 1
☆ J 105 MS07A0782 ホゴイタ・・・・・・・・・・・・・・・・・・・・・・・・・・・・・・・・・・・・ Guard plate・・・・・・・・・・・・・・・・・・・・・・・・・・・・ 1
☆ J 106 MS07A0836 メスダイ (ヒダリ)・・・・・・・・・・・・・・・・・・・・・・・・・・・・・・Knife base (left)・・・・・・・・・・・・・・・・・・・・・・・・ 1
☆ J 107 M91107045 ナット 11/64(40)・・・・・・・・・・・・・・・・・・・・・・・・・・・・Nut 11/64(40)・・・・・・・・・・・・・・・・・・・・・・・・・
・
2
☆ J 108 M94006052 ザガネ・・・・・・・・・・・・・・・・・・・・・・・・・・・・・・・・・・・・ Washer・・・・・・・・・・・・・・・・・・・・・・・・・・・・・・・・
・
1
☆ J 109 M90803010 サラネジ 1/8(44)X6・・・・・・・・・・・・・・・・・・・・・・・・・ Screw 1/8(44)X6・・・・・・・・・・・・・・・・・・・・・・・ 3
☆ J 110 MF00A1392 クドウイタ・・・・・・・・・・・・・・・・・・・・・・・・・・・・・・・・・・・ Knife driving crank・・・・・・・・・・・・・・・・・・・・・
・
1
☆ J 111 M91117002 マルヒラネジ 11/64(40)X11.4・・・・・・・・・・・・・・・・・ Screw 11/64(40)X11.4・・・・・・・・・・・・・・・・・
・
1
☆ J 112 MF00A8910 リンク・・・・・・・・・・・・・・・・・・・・・・・・・・・・・・・・・・・・・・ Link・・・・・・・・・・・・・・・・・・・・・・・・・・・・・・・・・・・
・
1
☆ J 113 M91111015 ヒラネジダンツキ 11/64(40)X6.2・・・・・・・・・・・・・・・ Screw 11/64(40)X6.2・・・・・・・・・・・・・・・・・・・ 2
☆ J 114 MA25A0891 メスヨウドウジク・・・・・・・・・・・・・・・・・・・・・・・・・・・・・・ Knife driving shaft・・・・・・・・・・・・・・・・・・・・・・ 1
☆ J 115 MF00A0750 ブッシュ・・・・・・・・・・・・・・・・・・・・・・・・・・・・・・・・・・・・ Bushing・・・・・・・・・・・・・・・・・・・・・・・・・・・・・・・・ 1
☆ J 116 MA25A0572 ツルマキバネ・・・・・・・・・・・・・・・・・・・・・・・・・・・・・・・・
・
Spring・・・・・・・・・・・・・・・・・・・・・・・・・・・・・・・・・
・
1
☆ J 117 MF01E0411 コロ・コロジククミタテ・・・・・・・・・・・・・・・・・・・・・・・・・・・・Cam follower, Shoulder screw assy・・・・・
・
2
☆ J 118 M91201045 ナット 3/16(28)・・・・・・・・・・・・・・・・・・・・・・・・・・・・・ Nut 3/16(28)・・・・・・・・・・・・・・・・・・・・・・・・・・・ 2
☆ J 119 ME20E0477 ストッパ・・・・・・・・・・・・・・・・・・・・・・・・・・・・・・・・・・・・ Stopper・・・・・・・・・・・・・・・・・・・・・・・・・・・・・・・・ 1
☆ J 120 M91501022 ボルト 15/64(28)X10・・・・・・・・・・・・・・・・・・・・・・・ Bolt 15/64(28)X10・・・・・・・・・・・・・・・・・・・・・ 3
☆ J 121 MF00A1477 ストッパイタ・・・・・・・・・・・・・・・・・・・・・・・・・・・・・・・・・
・
Stopper plate・・・・・・・・・・・・・・・・・・・・・・・・・・
・
1
☆ J 122 M91502045 ナット 15/64(28)・・・・・・・・・・・・・・・・・・・・・・・・・・・・Nut 15/64(28)・・・・・・・・・・・・・・・・・・・・・・・・・
・
1
☆ J 123 M91512022 ボルト 15/64(28)X20・・・・・・・・・・・・・・・・・・・・・・・ Bolt 15/64(28)X20・・・・・・・・・・・・・・・・・・・・・ 1
J 124 M90511050 ミガキザガネ 5・・・・・・・・・・・・・・・・・・・・・・・・・・・・・・ Washer 5・・・・・・・・・・・・・・・・・・・・・・・・・・・・・・
・
2
J 125 M95002017 セフティソケット M5X12・・・・・・・・・・・・・・・・・・・・・・・・
・
Safety socket bolt M5X12・・・・・・・・・・・・・・ 2
☆ J 126 M91110045 ナット 9/64(40)・・・・・・・・・・・・・・・・・・・・・・・・・・・・・ Nut 9/64(40)・・・・・・・・・・・・・・・・・・・・・・・・・・・ 1
☆ J 127 M90913001 トメネジ 9/64(40)X8.5・・・・・・・・・・・・・・・・・・・・・・・Screw 9/64(40)X8.5・・・・・・・・・・・・・・・・・・・・ 1
☆ J 128 MF00A1603 トリツケダイ・・・・・・・・・・・・・・・・・・・・・・・・・・・・・・・・・
・
Bracket for fixed blade・・・・・・・・・・・・・・・・・
・
1
☆ J 129 MS10A0838 コテイメス・・・・・・・・・・・・・・・・・・・・・・・・・・・・・・・・・・・ Fixed blade・・・・・・・・・・・・・・・・・・・・・・・・・・・・
・
1
☆ J 130 M90907010 サラネジ 9/64(40)X5・・・・・・・・・・・・・・・・・・・・・・・・Screw 9/64(40)X5・・・・・・・・・・・・・・・・・・・・・
・
1
☆ J 131 MS07A0180 イトアンナイ・・・・・・・・・・・・・・・・・・・・・・・・・・・・・・・・・・ Thread guide・・・・・・・・・・・・・・・・・・・・・・・・・・・ 1
☆ J 132 M90921002 ヒラネジ 9/64(40)X8・・・・・・・・・・・・・・・・・・・・・・・・ Screw 9/64(40)X8・・・・・・・・・・・・・・・・・・・・・
・
1
☆ J 133 M91202045 ナット 3/16(28)・・・・・・・・・・・・・・・・・・・・・・・・・・・・・ Nut 3/16(28)・・・・・・・・・・・・・・・・・・・・・・・・・・・ 1
☆ J 134 MS07A1603 トリツケイタ・・・・・・・・・・・・・・・・・・・・・・・・・・・・・・・・・・ Adapter・・・・・・・・・・・・・・・・・・・・・・・・・・・・・・・・ 1
J 135 M91056004 SW-PWプラマイナベネジ M4X10・・・・・・・・・・・・・・
・
Screw M4X10・・・・・・・・・・・・・・・・・・・・・・・・・・ 2
☆ J 136 MF00A0391 クドウイタ・・・・・・・・・・・・・・・・・・・・・・・・・・・・・・・・・・・ Thread trimmer driving lever・・・・・・・・・・・・ 1
☆ J 137 ME20A0915 シムリング・・・・・・・・・・・・・・・・・・・・・・・・・・・・・・・・・・
・
Washer・・・・・・・・・・・・・・・・・・・・・・・・・・・・・・・・
・
1
☆ J 138 M91212015 ヒラネジダンツキ 3/16(28)X6.5・・・・・・・・・・・・・・・・
・
Screw 3/16(28)X6.5・・・・・・・・・・・・・・・・・・・・ 1
J 139 M94024017 セフティソケット M4X20・・・・・・・・・・・・・・・・・・・・・・・・
・
Safety socket bolt M4X20・・・・・・・・・・・・・・ 2
☆ J 140 MA20A5571 ワンタッチツギテ・・・・・・・・・・・・・・・・・・・・・・・・・・・・・・
・
Connector・・・・・・・・・・・・・・・・・・・・・・・・・・・・・ 2
☆ J 141 MA16A0621 ナックル・・・・・・・・・・・・・・・・・・・・・・・・・・・・・・・・・・・・
・
Knuckle・・・・・・・・・・・・・・・・・・・・・・・・・・・・・・・・ 1
J 142 M95005017 セフティソケット M5X10・・・・・・・・・・・・・・・・・・・・・・・・
・
Safety socket bolt M5X10・・・・・・・・・・・・・・ 2
J 143 MH27A1601 シリンダトリツケイタ・・・・・・・・・・・・・・・・・・・・・・・・・・・・
・
Cylinder bracket・・・・・・・・・・・・・・・・・・・・・・・
・
1
☆ J 901 MB25E0351 カムツイジュウウデクミタテ・・・・・・・・・・・・・・・・・・・・・・・
・
Cam follower crank assy・・・・・・・・・・・・・・・・ 1
☆ J 902 MB61E0434 エアシリンダクミタテ・・・・・・・・・・・・・・・・・・・・・・・・・・・・
・
Air sylinder assy・・・・・・・・・・・・・・・・・・・・・・・
・
1
☆印はPLK-E2516R共通部品を示します。
☆ indicates PLK-E2516R common parts. 17 PLK-G2516R

113
(102) 112
(117)
118
116
109
111
108
(105)
121
122
120
119
110
107
101
(116)
(106)
103
(106)
105
104
115
102
(102)
(106)
(102)
114
117
(114)
106
(115)
(102)
X-Yテーブル機構
X-Y TABLE MECHANISM
K
18
(132)
150
138
(128)
126
(128)
125
140
147
(125)
142
127
(134)
135
136
128
145
130
131
124
123
(130)
143
(136)
134
139
(128)
146
151
129
(128)
152
133
(124)
148
137
149
(128)
(124)
132
(124)
144
141
(132)
(124)

[K]X-Yテーブル機構
X-Y TABLE MECHANISM
Fig 変更 部品コード 品 名 Description 数量
no. Mod. Parts no. Amt. Req.
K 101 MH27A0957 Yジクイドウレース・・・・・・・・・・・・・・・・・・・・・・・・・・・・
・
Movable race Y・・・・・・・・・・・・・・・・・・・・・・・・
・
1
K 102 M93002021 ロッカクアナツキボルト M3X8・・・・・・・・・・・・・・・・・・・・ Socket bolt M3X8・・・・・・・・・・・・・・・・・・・・・・ 16
K 103 MH27A1770 オクリイタベース・・・・・・・・・・・・・・・・・・・・・・・・・・・・・・ Feed plate base・・・・・・・・・・・・・・・・・・・・・・・・ 2
K 104 MH27A0477 ストッパ・・・・・・・・・・・・・・・・・・・・・・・・・・・・・・・・・・・・ Stopper・・・・・・・・・・・・・・・・・・・・・・・・・・・・・・・・ 1
K 105 M93003021 ロッカクアナツキボルト M3X6・・・・・・・・・・・・・・・・・・・・ Socket bolt M3X6・・・・・・・・・・・・・・・・・・・・・・ 20
K 106 M95013021 ロッカクアナツキボルト M3X10・・・・・・・・・・・・・・・・・・・ Socket bolt M3X10・・・・・・・・・・・・・・・・・・・・・ 28
K 107 MH27A1477 Yジクストッパ (マエ)・・・・・・・・・・・・・・・・・・・・・・・・・・
・
Stopper Y (front)・・・・・・・・・・・・・・・・・・・・・・・ 1
K 108 MH27A0920 リニアウェイ Y・・・・・・・・・・・・・・・・・・・・・・・・・・・・・・・・ Liner way Y・・・・・・・・・・・・・・・・・・・・・・・・・・・・ 2
K 109 MH27A2477 Yジクストッパ (ウシロ)・・・・・・・・・・・・・・・・・・・・・・・・・ Stopper Y (rear)・・・・・・・・・・・・・・・・・・・・・・・・ 1
K 110 MH27A1957 Xジクイドウレース・・・・・・・・・・・・・・・・・・・・・・・・・・・・
・
Movable race X・・・・・・・・・・・・・・・・・・・・・・・・
・
1
K 111 M90814004 プラマイナベネジ M3X5.2・・・・・・・・・・・・・・・・・・・・・ Screw M3X5.2・・・・・・・・・・・・・・・・・・・・・・・・・
・
16
K 112 M95018021 ロッカクアナツキボルト M4X8・・・・・・・・・・・・・・・・・・・・ Socket bolt M4X8・・・・・・・・・・・・・・・・・・・・・・ 4
☆ K 113 MA35A1781 ベルトオサエ・・・・・・・・・・・・・・・・・・・・・・・・・・・・・・・・・Belt clamper・・・・・・・・・・・・・・・・・・・・・・・・・・・ 2
K 114 M93007021 ロッカクアナツキボルト M3X16・・・・・・・・・・・・・・・・・・・ Socket bolt M3X16・・・・・・・・・・・・・・・・・・・・・ 2
K 115 M91002022 SUS304 ボルト M4X10・・・・・・・・・・・・・・・・・・・・・
・
Bolt M4X10・・・・・・・・・・・・・・・・・・・・・・・・・・・・ 2
K 116 MH27A3477 ストッパ X・・・・・・・・・・・・・・・・・・・・・・・・・・・・・・・・・・ Stopper X・・・・・・・・・・・・・・・・・・・・・・・・・・・・・・ 2
K 117 MH27A1920 リニアウェイ X・・・・・・・・・・・・・・・・・・・・・・・・・・・・・・・・ Liner way X・・・・・・・・・・・・・・・・・・・・・・・・・・・・ 2
K 118 MH27A0429 ケンシュツバンササエ (L)・・・・・・・・・・・・・・・・・・・・・・・・ Bracket (left)・・・・・・・・・・・・・・・・・・・・・・・・・・
・
1
K 119 M94008017 セフティソケット M4X6・・・・・・・・・・・・・・・・・・・・・・・・・
・
Safety socket bolt M4X6・・・・・・・・・・・・・・・
・
2
K 120 MH27A1429 ケンシュツバンササエ (R)・・・・・・・・・・・・・・・・・・・・・・・・Bracket (right)・・・・・・・・・・・・・・・・・・・・・・・・・ 1
☆ K 121 MB62A2407 ケンシュツバン X・・・・・・・・・・・・・・・・・・・・・・・・・・・・・・Detector plate X・・・・・・・・・・・・・・・・・・・・・・・ 1
☆ K 122 MB60A2601 ケンシュツバントリツケイタ・・・・・・・・・・・・・・・・・・・・・・・・ Bracket・・・・・・・・・・・・・・・・・・・・・・・・・・・・・・・・ 2
K 123 MH27E0848 ステッピングモータクミタテ (X)・・・・・・・・・・・・・・・・・・・・ Motor complete (X)・・・・・・・・・・・・・・・・・・・・・ 1
K 124 M95004017 セフティソケット M5X16・・・・・・・・・・・・・・・・・・・・・・・・
・
Safety socket bolt M5X16・・・・・・・・・・・・・・ 18
K 125 M96002001 ナイロックトメネジ M6X6・・・・・・・・・・・・・・・・・・・・・・・
・
Screw M6X6・・・・・・・・・・・・・・・・・・・・・・・・・・・ 8
☆ K 126 MB61A0571 ジクツギテ・・・・・・・・・・・・・・・・・・・・・・・・・・・・・・・・・・ Coupring・・・・・・・・・・・・・・・・・・・・・・・・・・・・・・・ 1
K 127 MH27A1390 Xクドウジク・・・・・・・・・・・・・・・・・・・・・・・・・・・・・・・・・ Drive shaft X・・・・・・・・・・・・・・・・・・・・・・・・・・・ 1
K 128 M92012070 シ-ルドボ-ルベアリング・・・・・・・・・・・・・・・・・・・・・・・
・
Ball bearing・・・・・・・・・・・・・・・・・・・・・・・・・・・・ 6
☆ K 129 MB62A0523 タイミングベルト X・・・・・・・・・・・・・・・・・・・・・・・・・・・・
・
Cog belt X・・・・・・・・・・・・・・・・・・・・・・・・・・・・・ 1
K 130 M96001001 ナイロックトメネジ M6X8・・・・・・・・・・・・・・・・・・・・・・・
・
Screw M6X8・・・・・・・・・・・・・・・・・・・・・・・・・・・ 4
☆ K 131 MB45A0767 タイミングプーリ・・・・・・・・・・・・・・・・・・・・・・・・・・・・・・
・
Driving pulley・・・・・・・・・・・・・・・・・・・・・・・・・・
・
1
K 132 M90604065 Eガタトメワ 8・・・・・・・・・・・・・・・・・・・・・・・・・・・・・・・・ E-type retaining ring 8・・・・・・・・・・・・・・・・・
・
3
☆ K 133 MA21P0454 ジク・・・・・・・・・・・・・・・・・・・・・・・・・・・・・・・・・・・・・・
・
Shaft・・・・・・・・・・・・・・・・・・・・・・・・・・・・・・・・・・ 1
☆ K 134 MS02A2456 シ-ルドボ-ルベアリング・・・・・・・・・・・・・・・・・・・・・・・
・
Ball bearing・・・・・・・・・・・・・・・・・・・・・・・・・・・・ 2
☆ K 135 MB62A0767 タイミングプーリ・・・・・・・・・・・・・・・・・・・・・・・・・・・・・・
・
Cog pulley・・・・・・・・・・・・・・・・・・・・・・・・・・・・・ 1
K 136 M90511050 ミガキザガネ 5・・・・・・・・・・・・・・・・・・・・・・・・・・・・・・ Washer 5・・・・・・・・・・・・・・・・・・・・・・・・・・・・・・
・
6
K 137 M91071004 SW-MWプラマイナベネジ M4X8・・・・・・・・・・・・・・・ Screw M4X8・・・・・・・・・・・・・・・・・・・・・・・・・・・ 4
☆ K 138 MA35A6758 ブラケット・・・・・・・・・・・・・・・・・・・・・・・・・・・・・・・・・・・ Bracket・・・・・・・・・・・・・・・・・・・・・・・・・・・・・・・・ 1
K 139 M95001021 ロッカクアナツキボルト M5X20・・・・・・・・・・・・・・・・・・・ Socket bolt M5X20・・・・・・・・・・・・・・・・・・・・・ 1
K 140 MH27E1848 ステッピングモータクミタテ (Y)・・・・・・・・・・・・・・・・・・・・ Motor complete (Y)・・・・・・・・・・・・・・・・・・・・・ 1
K 141 MH27A0571 ジクツギテ・・・・・・・・・・・・・・・・・・・・・・・・・・・・・・・・・・ Coupring・・・・・・・・・・・・・・・・・・・・・・・・・・・・・・・ 1
K 142 MH27A2390 Yクドウジク・・・・・・・・・・・・・・・・・・・・・・・・・・・・・・・・・ Drive shaft Y・・・・・・・・・・・・・・・・・・・・・・・・・・・ 1
K 143 MH27A1523 タイミングベルト Y・・・・・・・・・・・・・・・・・・・・・・・・・・・・
・
Cog belt Y・・・・・・・・・・・・・・・・・・・・・・・・・・・・・ 1
K 144 MH27A0767 タイミングプーリ・・・・・・・・・・・・・・・・・・・・・・・・・・・・・・
・
Cog pulley・・・・・・・・・・・・・・・・・・・・・・・・・・・・・ 1
K 145 MH27A0758 ブラケット・・・・・・・・・・・・・・・・・・・・・・・・・・・・・・・・・・・ Bracket・・・・・・・・・・・・・・・・・・・・・・・・・・・・・・・・ 1
K 146 M90512050 コザガネ 5・・・・・・・・・・・・・・・・・・・・・・・・・・・・・・・・・ Washer 5・・・・・・・・・・・・・・・・・・・・・・・・・・・・・・
・
4
K 147 M91304080 ゴムセン φ13・・・・・・・・・・・・・・・・・・・・・・・・・・・・・・
・
Rubber plug φ13・・・・・・・・・・・・・・・・・・・・・・
・
1
K 148 M95011021 ロッカクアナツキボルト M5X25・・・・・・・・・・・・・・・・・・・ Socket bolt M5X25・・・・・・・・・・・・・・・・・・・・・ 1
K 149 MH27A1758 ブラケット・・・・・・・・・・・・・・・・・・・・・・・・・・・・・・・・・・・ Bracket・・・・・・・・・・・・・・・・・・・・・・・・・・・・・・・・ 1
K 150 MH27A1767 タイミングプーリ・・・・・・・・・・・・・・・・・・・・・・・・・・・・・・
・
Cog pulley・・・・・・・・・・・・・・・・・・・・・・・・・・・・・ 1
K 151 MH27A5454 ジク・・・・・・・・・・・・・・・・・・・・・・・・・・・・・・・・・・・・・・
・
Shaft・・・・・・・・・・・・・・・・・・・・・・・・・・・・・・・・・・ 1
K 152 MH27A0352 セットカラー・・・・・・・・・・・・・・・・・・・・・・・・・・・・・・・・・・ Set collar・・・・・・・・・・・・・・・・・・・・・・・・・・・・・・ 1
☆印はPLK-E2516R共通部品を示します。
☆ indicates PLK-E2516R common parts. 19 PLK-G2516R

WORK HOLDER MECHANISM(1)
外押え機構(1)L
20
117
110
111
109
131
112
115
113
(121)
128
118
124
122
133
123
129
127126
125
120
119
114
(122)
121
901
101
102
104 103
105
108 107
106
132
116
130

[L]外押え機構(1)
WORK HOLDER MECHANISM(1)
Fig 変更 部品コード 品 名 Description 数量
no. Mod. Parts no. Amt. Req.
L 101 M94001037 Pサラネジ M4X12・・・・・・・・・・・・・・・・・・・・・・・・・・・Screw M4X12・・・・・・・・・・・・・・・・・・・・・・・・・・ 2
L 102 MH27A0778 ベルトオサエ・・・・・・・・・・・・・・・・・・・・・・・・・・・・・・・・・ Belt clamper・・・・・・・・・・・・・・・・・・・・・・・・・・・ 1
L 103 M90505037 Pサラネジ M5X12・・・・・・・・・・・・・・・・・・・・・・・・・・・Screw M5X12・・・・・・・・・・・・・・・・・・・・・・・・・・ 1
L 104 M95031021 ロッカクアナツキボタンボルト M5X12・・・・・・・・・・・・・・
・
Bolt M5X12・・・・・・・・・・・・・・・・・・・・・・・・・・・・ 1
L 105 MH27A0781 Yベルトダイ・・・・・・・・・・・・・・・・・・・・・・・・・・・・・・・・・Y-belt holder・・・・・・・・・・・・・・・・・・・・・・・・・・
・
1
☆ L 106 MB62A1921 リニアブッシュ・・・・・・・・・・・・・・・・・・・・・・・・・・・・・・・・ Bearing・・・・・・・・・・・・・・・・・・・・・・・・・・・・・・・・ 1
☆ L 107 ME25A0921 リニアブッシュ・・・・・・・・・・・・・・・・・・・・・・・・・・・・・・・・ Bearing・・・・・・・・・・・・・・・・・・・・・・・・・・・・・・・・ 1
L 108 MH27A3390 Yクドウジク・・・・・・・・・・・・・・・・・・・・・・・・・・・・・・・・・ Y-drive shaft・・・・・・・・・・・・・・・・・・・・・・・・・・
・
1
L 109 M94008045 ロッカクナット M16X1.0・・・・・・・・・・・・・・・・・・・・・・・・ Nut M16X1.0・・・・・・・・・・・・・・・・・・・・・・・・・・・ 1
L 110 MH27A0692 ジクウケハウジング・・・・・・・・・・・・・・・・・・・・・・・・・・・・Bearing housing・・・・・・・・・・・・・・・・・・・・・・・・ 1
☆ L 111 MB62A0921 リニアブッシュ・・・・・・・・・・・・・・・・・・・・・・・・・・・・・・・・ Bearing・・・・・・・・・・・・・・・・・・・・・・・・・・・・・・・・ 1
L 112 MH27A6454 ジク・・・・・・・・・・・・・・・・・・・・・・・・・・・・・・・・・・・・・・
・
Shaft・・・・・・・・・・・・・・・・・・・・・・・・・・・・・・・・・・ 1
L 113 MH27A0455 ジクササエ・・・・・・・・・・・・・・・・・・・・・・・・・・・・・・・・・・ Shaft holder・・・・・・・・・・・・・・・・・・・・・・・・・・・
・
1
L 114 M96002001 ナイロックトメネジ M6X6・・・・・・・・・・・・・・・・・・・・・・・
・
Screw M6X6・・・・・・・・・・・・・・・・・・・・・・・・・・・ 1
L 115 M96001005 ロッカクアナツキトメネジボウサキ M6・・・・・・・・・・・・・・・ Screw M6・・・・・・・・・・・・・・・・・・・・・・・・・・・・・・ 1
L 116 M90421050 ミガキザガネ 4・・・・・・・・・・・・・・・・・・・・・・・・・・・・・・ Washer 4・・・・・・・・・・・・・・・・・・・・・・・・・・・・・・
・
4
L 117 M94006017 セフティソケット M4X16・・・・・・・・・・・・・・・・・・・・・・・・
・
Safety socket bolt M4X16・・・・・・・・・・・・・・ 4
☆ L 118 MB62A0228 オサエウデ・・・・・・・・・・・・・・・・・・・・・・・・・・・・・・・・・・ Clamp adapter・・・・・・・・・・・・・・・・・・・・・・・・・
・
1
☆ L 119 MA20A0650 ナールドノブ・・・・・・・・・・・・・・・・・・・・・・・・・・・・・・・・・ Knurled knob・・・・・・・・・・・・・・・・・・・・・・・・・・・ 1
L 120 MB61A2477 ストッパ・・・・・・・・・・・・・・・・・・・・・・・・・・・・・・・・・・・・ Stopper・・・・・・・・・・・・・・・・・・・・・・・・・・・・・・・・ 1
L 121 M91053020 ロッカクアナツキトメネジ M4X6・・・・・・・・・・・・・・・・・・・ Screw M4X6・・・・・・・・・・・・・・・・・・・・・・・・・・・ 2
☆ L 122 MB62A5454 オサエジク ・・・・・・・・・・・・・・・・・・・・・・・・・・・・・・・・・
・
Clamp stud・・・・・・・・・・・・・・・・・・・・・・・・・・・・
・
2
L 123 M95005017 セフティソケット M5X10・・・・・・・・・・・・・・・・・・・・・・・・
・
Safty socket bolt M5X10・・・・・・・・・・・・・・・
・
4
L 124 ME40A0426 ササエ・・・・・・・・・・・・・・・・・・・・・・・・・・・・・・・・・・・・・ Support・・・・・・・・・・・・・・・・・・・・・・・・・・・・・・・・ 2
L 125 M91056004 SWーPWプラマイナベネジ M4X10・・・・・・・・・・・・・・ Screw M4X10・・・・・・・・・・・・・・・・・・・・・・・・・・ 4
☆ L 126 M90611060 ピン・・・・・・・・・・・・・・・・・・・・・・・・・・・・・・・・・・・・・・・Pin・・・・・・・・・・・・・・・・・・・・・・・・・・・・・・・・・・・・ 2
☆ L 127 MS13A0572 ツルマキバネ・・・・・・・・・・・・・・・・・・・・・・・・・・・・・・・・
・
Spring・・・・・・・・・・・・・・・・・・・・・・・・・・・・・・・・・
・
2
☆ L 128 MS02B0257 オサエイタ・・・・・・・・・・・・・・・・・・・・・・・・・・・・・・・・・・・ Holder plate・・・・・・・・・・・・・・・・・・・・・・・・・・・・ 2
L 129 M90859004 SW-PWプラマイナベネジ M3X6・・・・・・・・・・・・・・・
・
Screw M3X6・・・・・・・・・・・・・・・・・・・・・・・・・・・ 2
☆ L 130 MB25A0105 オサエ・・・・・・・・・・・・・・・・・・・・・・・・・・・・・・・・・・・・・
・
Clamp frame・・・・・・・・・・・・・・・・・・・・・・・・・・・ 1
L 131 M95052021 ロッカクアナツキボルト M5X6・・・・・・・・・・・・・・・・・・・・ Socket bolt M5X6・・・・・・・・・・・・・・・・・・・・・・ 2
L 132 M90511050 ミガキザガネ 5・・・・・・・・・・・・・・・・・・・・・・・・・・・・・・ Washer 5・・・・・・・・・・・・・・・・・・・・・・・・・・・・・・
・
2
L 133 MH27A0272 オクリイタ・・・・・・・・・・・・・・・・・・・・・・・・・・・・・・・・・・・ Feed plate・・・・・・・・・・・・・・・・・・・・・・・・・・・・・ 1
☆ L 901 MB62E4105 ソトオサエクミタテ ・・・・・・・・・・・・・・・・・・・・・・・・・・・・・
・
Clamp frame assy・・・・・・・・・・・・・・・・・・・・・・ 1
☆印はPLK-E2516R共通部品を示します。
☆ indicates PLK-E2516R common parts. 21 PLK-G2516R

WORK HOLDER MECHANISM(2)
外押え機構(2)M
22
107
(118)
113
114
118
(106)
(105)
106
120
112
(119)
119
116
(108)
123
(107)
102
(121)
115
121
105
109
(109)
122
(117)
(101)
110
(107)
101
117
(122)
(102)
(110)
(107)
(118)
(103)
111
104
(121)
108
103
(104)
(110)

[M]外押え機構(2)
WORK HOLDER MECHANISM(2)
Fig 変更 部品コード 品 名 Description 数量
no. Mod. Parts no. Amt. Req.
M 101 M90504065 Eガタトメワ 4・・・・・・・・・・・・・・・・・・・・・・・・・・・・・・・・ E-type retaining ring 5・・・・・・・・・・・・・・・・・
・
2
☆ M 102 MB62A1434 エアシリンダ (ワンタッチツギテツキ)・・・・・・・・・・・・・・・・・ Air cylinder (with quick joint)・・・・・・・・・・・・ 2
☆ M 103 MB62A0975 ロッドエンド ・・・・・・・・・・・・・・・・・・・・・・・・・・・・・・・・・Connecting link・・・・・・・・・・・・・・・・・・・・・・・・
・
2
M 104 M95037021 ロッカクアナツキボタンボルト M5X16・・・・・・・・・・・・・・
・
Bolt M5X16・・・・・・・・・・・・・・・・・・・・・・・・・・・・ 2
☆ M 105 MB61A3454 ツバツキジク・・・・・・・・・・・・・・・・・・・・・・・・・・・・・・・・ Shaft・・・・・・・・・・・・・・・・・・・・・・・・・・・・・・・・・・ 2
M 106 MH27A0266 オサエレバー・・・・・・・・・・・・・・・・・・・・・・・・・・・・・・・・
・
Pushing lever・・・・・・・・・・・・・・・・・・・・・・・・・・ 2
M 107 M91382045 ナット M5・・・・・・・・・・・・・・・・・・・・・・・・・・・・・・・・・・
・
Nut M5・・・・・・・・・・・・・・・・・・・・・・・・・・・・・・・・
・
4
☆ M 108 MB62A0572 ツルマキバネ・・・・・・・・・・・・・・・・・・・・・・・・・・・・・・・・
・
Spring・・・・・・・・・・・・・・・・・・・・・・・・・・・・・・・・・
・
2
M 109 M95015021 ロッカクアナツキボルト M5X20・・・・・・・・・・・・・・・・・・・ Socket bolt M5X20・・・・・・・・・・・・・・・・・・・・・ 2
M 110 M90511050 ミガキザガネ 5・・・・・・・・・・・・・・・・・・・・・・・・・・・・・・ Washer 5・・・・・・・・・・・・・・・・・・・・・・・・・・・・・・
・
6
M 111 M91055020 ロッカクアナツキトメネジ M4X4・・・・・・・・・・・・・・・・・・・ Screw M4X4・・・・・・・・・・・・・・・・・・・・・・・・・・・ 2
M 112 MH27A0308 オサエダイ・・・・・・・・・・・・・・・・・・・・・・・・・・・・・・・・・・ Clamp bracket・・・・・・・・・・・・・・・・・・・・・・・・・
・
1
☆ M 113 MB62A0707 ハンガー・・・・・・・・・・・・・・・・・・・・・・・・・・・・・・・・・・・
・
Hanger・・・・・・・・・・・・・・・・・・・・・・・・・・・・・・・・
・
1
M 114 M91013004 SW-MWプラマイナベネジ M4X10・・・・・・・・・・・・・・ Screw M4X10・・・・・・・・・・・・・・・・・・・・・・・・・・ 2
M 115 M95002017 セフティソケット M5X12・・・・・・・・・・・・・・・・・・・・・・・・
・
Safety socket bolt M5X12・・・・・・・・・・・・・・ 4
☆ M 116 M90532060 ピン・・・・・・・・・・・・・・・・・・・・・・・・・・・・・・・・・・・・・・・Pin・・・・・・・・・・・・・・・・・・・・・・・・・・・・・・・・・・・・ 1
M 117 M94003017 セフティソケット M3X6・・・・・・・・・・・・・・・・・・・・・・・・・
・
Safety socket bolt M3X6・・・・・・・・・・・・・・・
・
4
☆ M 118 MB62A6477 ストッパ・・・・・・・・・・・・・・・・・・・・・・・・・・・・・・・・・・・・ Stopper・・・・・・・・・・・・・・・・・・・・・・・・・・・・・・・・ 4
☆ M 119 MB62A0957 オサエコテイレース・・・・・・・・・・・・・・・・・・・・・・・・・・・・・ Fixed race・・・・・・・・・・・・・・・・・・・・・・・・・・・・・ 2
☆ M 120 M94008070 ローラーリテーナ・・・・・・・・・・・・・・・・・・・・・・・・・・・・・・
・
Slide bearing・・・・・・・・・・・・・・・・・・・・・・・・・・・ 4
M 121 M94001017 セフティソケット M4X10・・・・・・・・・・・・・・・・・・・・・・・・
・
Safety socket bolt M4X10・・・・・・・・・・・・・・ 6
☆ M 122 MB62A1957 オサエイドウレース・・・・・・・・・・・・・・・・・・・・・・・・・・・・・Movable race・・・・・・・・・・・・・・・・・・・・・・・・・・
・
2
M 123 MH27A2957 オサエコテイレース・・・・・・・・・・・・・・・・・・・・・・・・・・・・・ Fixed race・・・・・・・・・・・・・・・・・・・・・・・・・・・・・ 1
☆印はPLK-E2516R共通部品を示します。
☆ indicates PLK-E2516R common parts. 23 PLK-G2516R

(103)
119
103
104
120
127
128
129
130
131 132
121
136
135
134
133
123
122
125
124
117
116
115
114
113
111
110
109
108
(107)
105
102
(130)
(132)
101
(112)
118
106
126
112
107
WIPER MECHANISM
ワイパー機構N
24

[N]ワイパー機構
WIPER MECHANISM
Fig 変更 部品コード 品 名 Description 数量
no. Mod. Parts no. Amt. Req.
N 101 MH10A0484 オシボタンスイッチクミ・・・・・・・・・・・・・・・・・・・・・・・・・・
・
Stop switch assy・・・・・・・・・・・・・・・・・・・・・・・ 1
N 102 MH10A7339 カバー・・・・・・・・・・・・・・・・・・・・・・・・・・・・・・・・・・・・・ Cover・・・・・・・・・・・・・・・・・・・・・・・・・・・・・・・・・
・
1
N 103 M91054004 SW-PWプラマイナベネジ M4X8・・・・・・・・・・・・・・・
・
Screw M4X8・・・・・・・・・・・・・・・・・・・・・・・・・・・ 3
N 104 MH10E2519 ワイパーソレノイドクミ・・・・・・・・・・・・・・・・・・・・・・・・・・
・
Wiper solenoid assy・・・・・・・・・・・・・・・・・・・・
・
1
N 105 M90865004 SW-PWプラマイナベネジ M3X5・・・・・・・・・・・・・・・
・
Screw M3X5・・・・・・・・・・・・・・・・・・・・・・・・・・・ 4
N 106 MH10A1417 ゴムワ・・・・・・・・・・・・・・・・・・・・・・・・・・・・・・・・・・・・・ Rubber cushion・・・・・・・・・・・・・・・・・・・・・・・・
・
1
N 107 M90631050 ミガキザガネ 6・・・・・・・・・・・・・・・・・・・・・・・・・・・・・・ Washer 6・・・・・・・・・・・・・・・・・・・・・・・・・・・・・・
・
2
N 108 M90634050 ザガネ・・・・・・・・・・・・・・・・・・・・・・・・・・・・・・・・・・・・ Washer・・・・・・・・・・・・・・・・・・・・・・・・・・・・・・・・
・
1
N 109 MH10A0700 バネ・・・・・・・・・・・・・・・・・・・・・・・・・・・・・・・・・・・・・・ Spring・・・・・・・・・・・・・・・・・・・・・・・・・・・・・・・・・
・
1
N 110 MH10A0915 リング・・・・・・・・・・・・・・・・・・・・・・・・・・・・・・・・・・・・・
・
Ring・・・・・・・・・・・・・・・・・・・・・・・・・・・・・・・・・・・ 1
N 111 MH10A5477 ストッパ・・・・・・・・・・・・・・・・・・・・・・・・・・・・・・・・・・・・ Stopper・・・・・・・・・・・・・・・・・・・・・・・・・・・・・・・・ 1
N 112 M90910033 ピンネジ 9/64(40)X4・・・・・・・・・・・・・・・・・・・・・・・
・
Screw 9/64(40)X4・・・・・・・・・・・・・・・・・・・・・
・
3
N 113 MH10A0571 ツギテ・・・・・・・・・・・・・・・・・・・・・・・・・・・・・・・・・・・・・ Connector・・・・・・・・・・・・・・・・・・・・・・・・・・・・・ 1
N 114 M90932015 ヒラネジダンツキ 9/64(40)X9・・・・・・・・・・・・・・・・・・ Screw 9/64(40)X9・・・・・・・・・・・・・・・・・・・・・
・
1
N 115 MH10A6910 リンク・・・・・・・・・・・・・・・・・・・・・・・・・・・・・・・・・・・・・・ Thread wiper connecting rod・・・・・・・・・・・
・
1
N 116 MH10A0981 ワイパーウデ・・・・・・・・・・・・・・・・・・・・・・・・・・・・・・・・ Wiper adapter・・・・・・・・・・・・・・・・・・・・・・・・・・ 1
N 117 M90901045 ナット 9/64(40)・・・・・・・・・・・・・・・・・・・・・・・・・・・・・ Nut 9/64(40)・・・・・・・・・・・・・・・・・・・・・・・・・・・ 1
N 118 MH10A0729 ヒネリバネ・・・・・・・・・・・・・・・・・・・・・・・・・・・・・・・・・・
・
Spring・・・・・・・・・・・・・・・・・・・・・・・・・・・・・・・・・
・
1
N 119 M90908003 マルヒラネジ 9/64(40)X6・・・・・・・・・・・・・・・・・・・・・ Screw 9/64(40)X6・・・・・・・・・・・・・・・・・・・・・
・
2
N 120 MH10A5601 ワイパートリツケイタ・・・・・・・・・・・・・・・・・・・・・・・・・・・・ Wiper setting plate・・・・・・・・・・・・・・・・・・・・・
・
1
N 121 M96008017 セフティソケット M6X10・・・・・・・・・・・・・・・・・・・・・・・・
・
Safety socket bolt M6X10・・・・・・・・・・・・・・ 2
N 122 MH10A1530 ワイパージク・・・・・・・・・・・・・・・・・・・・・・・・・・・・・・・・
・
Wiper shaft・・・・・・・・・・・・・・・・・・・・・・・・・・・・
・
1
N 123 M90505065 Eガタトメワ 5・・・・・・・・・・・・・・・・・・・・・・・・・・・・・・・・ E-type retaining ring 5・・・・・・・・・・・・・・・・・
・
1
N 124 MH10A0980 ワイパー・・・・・・・・・・・・・・・・・・・・・・・・・・・・・・・・・・・
・
Wiper・・・・・・・・・・・・・・・・・・・・・・・・・・・・・・・・・・ 1
N 125 M90806002 ヒラネジ 1/8(44)X6・・・・・・・・・・・・・・・・・・・・・・・・・ Screw 1/8(44)X6・・・・・・・・・・・・・・・・・・・・・・・ 1
N 126 M91305080 ゴムセン φ13・・・・・・・・・・・・・・・・・・・・・・・・・・・・・・
・
Rubber plug φ13・・・・・・・・・・・・・・・・・・・・・・
・
1
N 127 MH10E3519 イトユルメソレノイドクミ・・・・・・・・・・・・・・・・・・・・・・・・・・ Thread release solenoid assy・・・・・・・・・・・ 1
N 128 M90422050 コザガネ 4・・・・・・・・・・・・・・・・・・・・・・・・・・・・・・・・・ Washer 4・・・・・・・・・・・・・・・・・・・・・・・・・・・・・・
・
2
N 129 M90424053 バネザガネ 4・・・・・・・・・・・・・・・・・・・・・・・・・・・・・・・ Spring washer 4・・・・・・・・・・・・・・・・・・・・・・・・ 2
N 130 M91007045 ナット M4・・・・・・・・・・・・・・・・・・・・・・・・・・・・・・・・・・
・
Nut M4・・・・・・・・・・・・・・・・・・・・・・・・・・・・・・・・
・
3
N 131 M96010052 ザガネ・・・・・・・・・・・・・・・・・・・・・・・・・・・・・・・・・・・・ Washer・・・・・・・・・・・・・・・・・・・・・・・・・・・・・・・・
・
1
N 132 M90421050 ミガキザガネ 4・・・・・・・・・・・・・・・・・・・・・・・・・・・・・・ Washer 4・・・・・・・・・・・・・・・・・・・・・・・・・・・・・・
・
2
N 133 M91005022 ロッカクボルト M4X12・・・・・・・・・・・・・・・・・・・・・・・・・ Hexagon head bolt M4X12・・・・・・・・・・・・・・ 1
N 134 M90434060 ピン・・・・・・・・・・・・・・・・・・・・・・・・・・・・・・・・・・・・・・・Pin・・・・・・・・・・・・・・・・・・・・・・・・・・・・・・・・・・・・ 1
N 135 M90512065 Eガタトメワ 3・・・・・・・・・・・・・・・・・・・・・・・・・・・・・・・・ E-type retaining ring 3・・・・・・・・・・・・・・・・・
・
1
N 136 MH10A1701 バネ・・・・・・・・・・・・・・・・・・・・・・・・・・・・・・・・・・・・・・ Spring・・・・・・・・・・・・・・・・・・・・・・・・・・・・・・・・・
・
1
☆印はPLK-E2516R共通部品を示します。
☆ indicates PLK-E2516R common parts. 25 PLK-G2516R

OIL LUBRICATION MECHANISM
給油機構P
26
109
107
108
111
112
132
125
124
118
127
123
128
126
130
(121)
129
(122)
140
(101)
139
138
137
(103)
116
122
115
117
(106)
(103)
(103)
131
(106)
133
135
134
(103)
113
114
136
(131)
(121)
110
119
120
121
(103)
(121)
(120)
901
106
101
102
105
104
103

[P]給油機構
OIL LUBRICATION MECHANISM
Fig 変更 部品コード 品 名 Description 数量
no. Mod. Parts no. Amt. Req.
☆ P 101 MS03A2780 ホルダ・・・・・・・・・・・・・・・・・・・・・・・・・・・・・・・・・・・・・ Holder・・・・・・・・・・・・・・・・・・・・・・・・・・・・・・・・・ 2
P 102 MH27A2780 ホルダ・・・・・・・・・・・・・・・・・・・・・・・・・・・・・・・・・・・・・ Holder・・・・・・・・・・・・・・・・・・・・・・・・・・・・・・・・・ 1
P 103 M91054004 SW-PWプラマイナベネジ M4X8・・・・・・・・・・・・・・・
・
Screw M4X8・・・・・・・・・・・・・・・・・・・・・・・・・・・ 12
P 104 MH10A6740 フェルト・・・・・・・・・・・・・・・・・・・・・・・・・・・・・・・・・・・・・ Felt・・・・・・・・・・・・・・・・・・・・・・・・・・・・・・・・・・・・ 1
P 105 MH10A5740 フェルト・・・・・・・・・・・・・・・・・・・・・・・・・・・・・・・・・・・・・ Felt・・・・・・・・・・・・・・・・・・・・・・・・・・・・・・・・・・・・ 1
☆ P 106 MF80A0780 ホルダ・・・・・・・・・・・・・・・・・・・・・・・・・・・・・・・・・・・・・ Holder・・・・・・・・・・・・・・・・・・・・・・・・・・・・・・・・・ 3
P 107 M90573080 ゴムセン φ5.7・・・・・・・・・・・・・・・・・・・・・・・・・・・・・・ Rubber plug φ5.7・・・・・・・・・・・・・・・・・・・・・・ 2
P 108 MP40A1740 フェルト・・・・・・・・・・・・・・・・・・・・・・・・・・・・・・・・・・・・・ Felt・・・・・・・・・・・・・・・・・・・・・・・・・・・・・・・・・・・・ 2
P 109 MH27E1688 パイプヒモクミ (ナカオサエ)・・・・・・・・・・・・・・・・・・・・・・
・
Oil pipe assy (presser foot)・・・・・・・・・・・・・ 1
P 110 MH27E3688 パイプヒモクミ (カンユ)・・・・・・・・・・・・・・・・・・・・・・・・・
・
Oil pipe assy (circulation)・・・・・・・・・・・・・・・ 1
P 111 MH10A7740 フェルト・・・・・・・・・・・・・・・・・・・・・・・・・・・・・・・・・・・・・ Felt・・・・・・・・・・・・・・・・・・・・・・・・・・・・・・・・・・・・ 1
☆ P 112 MF00A2780 ホルダ・・・・・・・・・・・・・・・・・・・・・・・・・・・・・・・・・・・・・ Holder・・・・・・・・・・・・・・・・・・・・・・・・・・・・・・・・・ 1
P 113 MH27E1148 パイプヒモクミ (ハリボウ)・・・・・・・・・・・・・・・・・・・・・・・
・
Oil pipe assy (needle bar)・・・・・・・・・・・・・・・ 1
P 114 MH27E0688 パイプヒモクミ (ヘンシンリン)・・・・・・・・・・・・・・・・・・・・・・Oil pipe assy (eccentric cam)・・・・・・・・・・・ 1
P 115 MH27E2688 パイプヒモクミ (ナカオサエメタル)・・・・・・・・・・・・・・・・・・
・
Oil pipe assy (presser foot bushing)・・・・・ 1
P 116 MH27A0740 フェルト・・・・・・・・・・・・・・・・・・・・・・・・・・・・・・・・・・・・・ Felt・・・・・・・・・・・・・・・・・・・・・・・・・・・・・・・・・・・・ 1
P 117 MH27A1780 ホルダ・・・・・・・・・・・・・・・・・・・・・・・・・・・・・・・・・・・・・ Holder・・・・・・・・・・・・・・・・・・・・・・・・・・・・・・・・・ 1
P 118 M91071004 SW-MWプラマイナベネジ M4X8・・・・・・・・・・・・・・・ Screw M4X8・・・・・・・・・・・・・・・・・・・・・・・・・・・ 1
P 119 MH27A0780 ホルダ・・・・・・・・・・・・・・・・・・・・・・・・・・・・・・・・・・・・・ Holder・・・・・・・・・・・・・・・・・・・・・・・・・・・・・・・・・ 1
P 120 M94007099 ナイロンクリップ AB-6N・・・・・・・・・・・・・・・・・・・・・・・
・
Nylon clip AB-6N・・・・・・・・・・・・・・・・・・・・・・
・
2
P 121 M91056004 SW-PWプラマイナベネジ M4X10・・・・・・・・・・・・・・
・
Screw M4X10・・・・・・・・・・・・・・・・・・・・・・・・・・ 5
P 122 MN10A0135 アブラマド・・・・・・・・・・・・・・・・・・・・・・・・・・・・・・・・・・ Oil gauge・・・・・・・・・・・・・・・・・・・・・・・・・・・・・・
・
2
P 123 MH27A0500 ゴムセン φ25・・・・・・・・・・・・・・・・・・・・・・・・・・・・・・
・
Rubber plug φ25・・・・・・・・・・・・・・・・・・・・・・
・
1
P 124 MF13A0135 アブラマド・・・・・・・・・・・・・・・・・・・・・・・・・・・・・・・・・・ Oil gauge・・・・・・・・・・・・・・・・・・・・・・・・・・・・・・
・
1
P 125 MH27A0225 ウキコクミタテ・・・・・・・・・・・・・・・・・・・・・・・・・・・・・・・・・Floater・・・・・・・・・・・・・・・・・・・・・・・・・・・・・・・・
・
1
P 126 MH27A0691 ソコフタガスケット・・・・・・・・・・・・・・・・・・・・・・・・・・・・・・Gasket for bottom cover・・・・・・・・・・・・・・・
・
1
P 127 MH27A0516 ソコフタ・・・・・・・・・・・・・・・・・・・・・・・・・・・・・・・・・・・・・ Bottom cover・・・・・・・・・・・・・・・・・・・・・・・・・・ 1
P 128 M91101085 Oリング・・・・・・・・・・・・・・・・・・・・・・・・・・・・・・・・・・・・ O-ring・・・・・・・・・・・・・・・・・・・・・・・・・・・・・・・・・ 1
P 129 M92004002 ヒラネジ 5/16(24)X8・・・・・・・・・・・・・・・・・・・・・・・・ Screw 5/16(24)X8・・・・・・・・・・・・・・・・・・・・・
・
1
P 130 M94003021 ロッカクアナツキボルト M4X12・・・・・・・・・・・・・・・・・・・ Socket bolt M4X12・・・・・・・・・・・・・・・・・・・・・ 10
P 131 MN60A0620 ナイロンクリップ AB-5N・・・・・・・・・・・・・・・・・・・・・・・
・
Nylon clip AB-5N・・・・・・・・・・・・・・・・・・・・・・
・
3
P 132 MH27E4688 パイプヒモクミ (カンユ)・・・・・・・・・・・・・・・・・・・・・・・・・
・
Oil pipe assy (circulation)・・・・・・・・・・・・・・・ 1
P 133 MH27A0148 ヒモ・・・・・・・・・・・・・・・・・・・・・・・・・・・・・・・・・・・・・・・ Oil braid・・・・・・・・・・・・・・・・・・・・・・・・・・・・・・・
・
1
☆ P 134 MG30A0700 ツルマキバネ・・・・・・・・・・・・・・・・・・・・・・・・・・・・・・・・
・
Spring・・・・・・・・・・・・・・・・・・・・・・・・・・・・・・・・・
・
1
P 135 M91008035 ユリョウチョウセツネジ・・・・・・・・・・・・・・・・・・・・・・・・・・
・
Oil adjusting screw・・・・・・・・・・・・・・・・・・・・・ 1
P 136 MH27E5688 パイプフェルトクミタテ・・・・・・・・・・・・・・・・・・・・・・・・・・・ Oil pipe complete・・・・・・・・・・・・・・・・・・・・・・
・
1
☆ P 137 MS10A1691 ガスケット・・・・・・・・・・・・・・・・・・・・・・・・・・・・・・・・・・・ Gasket・・・・・・・・・・・・・・・・・・・・・・・・・・・・・・・・
・
1
☆ P 138 MS10A1742 アブラブタ・・・・・・・・・・・・・・・・・・・・・・・・・・・・・・・・・・ Cap・・・・・・・・・・・・・・・・・・・・・・・・・・・・・・・・・・・
・
1
P 139 MH27A0797 ボウユフィルムヒダリ・・・・・・・・・・・・・・・・・・・・・・・・・・・
・
Oil cover film (L)・・・・・・・・・・・・・・・・・・・・・・・ 1
P 140 MH27A1797 ボウユフィルムミギ・・・・・・・・・・・・・・・・・・・・・・・・・・・・
・
Oil cover film (R)・・・・・・・・・・・・・・・・・・・・・・・ 1
P 901 MH27B4339 オイルカバークミタテ・・・・・・・・・・・・・・・・・・・・・・・・・・・・Oil cover assy・・・・・・・・・・・・・・・・・・・・・・・・・
・
1
☆印はPLK-E2516R共通部品を示します。
☆ indicates PLK-E2516R common parts. 27 PLK-G2516R

102
105
101
(102)104
103
106
(111)
118
117
(111)
116
115
(111)
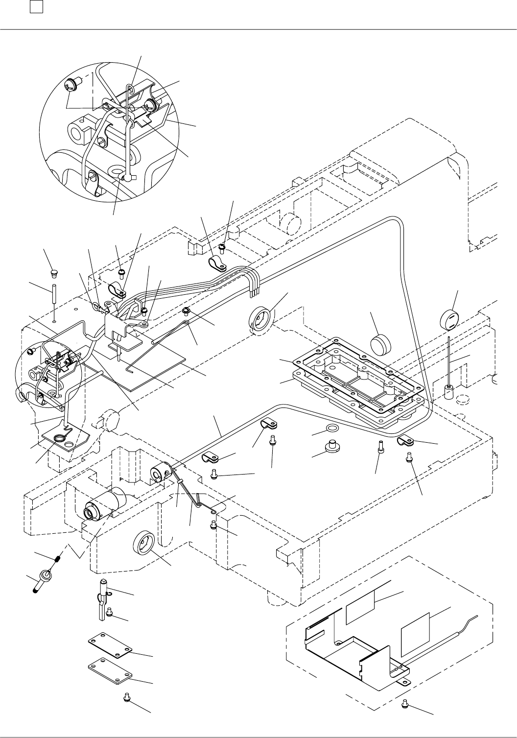
CABLE COMPONENT & PNEUMATIC CONTROL UNIT
配線・配管関係Q
28
108
(102)
110
(105)
109
107
(103)
(105)
(106)
(102)
113 114
112 111
127
134
135
131
137
129
133
901
132
130
128
136
126
124125
122
120
119
123
121

[Q]配線・配管関係
CABLE COMPONENT & PNEUMATIC CONTROL UNIT
Fig 変更 部品コード 品 名 Description 数量
no. Mod. Parts no. Amt. Req.
☆ Q 101 ME10A0408 ケンシュツダイ X・・・・・・・・・・・・・・・・・・・・・・・・・・・・・・ Detector bracket X・・・・・・・・・・・・・・・・・・・・・ 1
Q 102 M91054004 SW-PWプラマイナベネジ M4X8・・・・・・・・・・・・・・・
・
Screw M4X8・・・・・・・・・・・・・・・・・・・・・・・・・・・ 8
Q 103 MH10A0602 トリツケカナグ・・・・・・・・・・・・・・・・・・・・・・・・・・・・・・・・ Holder・・・・・・・・・・・・・・・・・・・・・・・・・・・・・・・・・ 2
Q 104 MH27E1484 キンセツスイッチ X・・・・・・・・・・・・・・・・・・・・・・・・・・・・・Detector X・・・・・・・・・・・・・・・・・・・・・・・・・・・・・ 1
Q 105 M90971004 SW-PWプラマイナベネジ M3X10・・・・・・・・・・・・・・
・
Screw M3X10・・・・・・・・・・・・・・・・・・・・・・・・・・ 4
Q 106 M94003099 ナイロンクリップ AB-3N・・・・・・・・・・・・・・・・・・・・・・・
・
Nylon clip AB-3N・・・・・・・・・・・・・・・・・・・・・・
・
2
Q 107 MH27B0339 Yセンサカバー・・・・・・・・・・・・・・・・・・・・・・・・・・・・・・・ Detector cover Y・・・・・・・・・・・・・・・・・・・・・・
・
1
Q 108 MH27A2603 Yセンサトリツケダイ・・・・・・・・・・・・・・・・・・・・・・・・・・・・ Detector bracket Y・・・・・・・・・・・・・・・・・・・・・ 1
Q 109 MH27E2484 キンセツスイッチ Y・・・・・・・・・・・・・・・・・・・・・・・・・・・・・Detector Y・・・・・・・・・・・・・・・・・・・・・・・・・・・・・ 1
Q 110 M90316050 ミガキザガネ 3・・・・・・・・・・・・・・・・・・・・・・・・・・・・・・ Washer 3・・・・・・・・・・・・・・・・・・・・・・・・・・・・・・
・
2
Q 111 M91071004 SW-MWプラマイナベネジ M4X8・・・・・・・・・・・・・・・ Screw M4X8・・・・・・・・・・・・・・・・・・・・・・・・・・・ 9
Q 112 MH10A9601 スイッチトリツケイタ・・・・・・・・・・・・・・・・・・・・・・・・・・・・・Micro switch bracket・・・・・・・・・・・・・・・・・・・ 1
Q 113 M90864004 SW-PWプラマイナベネジ M3X14・・・・・・・・・・・・・・
・
Screw M3X14・・・・・・・・・・・・・・・・・・・・・・・・・・ 2
Q 114 MH27E3484 マイクロスイッチクミタテ・・・・・・・・・・・・・・・・・・・・・・・・・・ Micro switch assy・・・・・・・・・・・・・・・・・・・・・・ 1
Q 115 MH27B1339 Pバンカバー・・・・・・・・・・・・・・・・・・・・・・・・・・・・・・・・ Print circuit board cover・・・・・・・・・・・・・・・
・
1
Q 116 MH27A2601 コネクタトリツケイタ・・・・・・・・・・・・・・・・・・・・・・・・・・・・・ Connector panel・・・・・・・・・・・・・・・・・・・・・・・ 1
Q 117 MH10B2339 ダスターカバー・・・・・・・・・・・・・・・・・・・・・・・・・・・・・・・ Duster cover・・・・・・・・・・・・・・・・・・・・・・・・・・・ 1
Q 118 MH10B1339 ダスターカバー・・・・・・・・・・・・・・・・・・・・・・・・・・・・・・・ Duster cover・・・・・・・・・・・・・・・・・・・・・・・・・・・ 1
Q 119 M91057004 SW-PWプラマイナベネジ M4X20・・・・・・・・・・・・・・
・
Screw M4X20・・・・・・・・・・・・・・・・・・・・・・・・・・ 5
☆ Q 120 MB60A0366 ワンタッチブッシュ・・・・・・・・・・・・・・・・・・・・・・・・・・・・・・Nyion bush・・・・・・・・・・・・・・・・・・・・・・・・・・・・・ 5
Q 121 M90409037 SW-PW Pナベネジ M4X10・・・・・・・・・・・・・・・・・・ Screw M4X10・・・・・・・・・・・・・・・・・・・・・・・・・・ 1
☆ Q 122 MB60A2352 ワンタッチブッシュ・・・・・・・・・・・・・・・・・・・・・・・・・・・・・・Nyion bush・・・・・・・・・・・・・・・・・・・・・・・・・・・・・ 5
Q 123 M800G2SOL ソレノイドキバン PLK-G2-SOL・・・・・・・・・・・・・・・・ Print circuit board PLK-G2-SOL・・・・・・・
・
1
Q 124 MH10A3508 セツゾクデンセンクミタテ 15P・・・・・・・・・・・・・・・・・・・・ Connecting cable assy 15P・・・・・・・・・・・・・ 1
Q 125 MH10A4508 セツゾクデンセンクミタテ 12P・・・・・・・・・・・・・・・・・・・・ Connecting cable assy 12P・・・・・・・・・・・・・ 1
Q 126 K14M19400102 フェライトコア・・・・・・・・・・・・・・・・・・・・・・・・・・・・・・・・・ Ferritic core・・・・・・・・・・・・・・・・・・・・・・・・・・・ 1
☆ Q 127 MB62A0757 プラグ・・・・・・・・・・・・・・・・・・・・・・・・・・・・・・・・・・・・・ Plug・・・・・・・・・・・・・・・・・・・・・・・・・・・・・・・・・・・ 1
Q 128 MA30A0964 レジューサ・・・・・・・・・・・・・・・・・・・・・・・・・・・・・・・・・・ Reducer・・・・・・・・・・・・・・・・・・・・・・・・・・・・・・・ 2
Q 129 M91276004 SW-PWプラマイナベネジ M4X30・・・・・・・・・・・・・・
・
Screw M4X30・・・・・・・・・・・・・・・・・・・・・・・・・・ 4
Q 130 MH27A0567 チューブ・・・・・・・・・・・・・・・・・・・・・・・・・・・・・・・・・・・・ Tube・・・・・・・・・・・・・・・・・・・・・・・・・・・・・・・・・・
・
1
☆ Q 131 MA16A0495 スピードコントローラ・・・・・・・・・・・・・・・・・・・・・・・・・・・・Speed controler・・・・・・・・・・・・・・・・・・・・・・・・ 1
Q 132 MH27A1567 チューブ・・・・・・・・・・・・・・・・・・・・・・・・・・・・・・・・・・・・ Tube・・・・・・・・・・・・・・・・・・・・・・・・・・・・・・・・・・
・
1
☆ Q 133 MA20A6571 イケイユニオン Y・・・・・・・・・・・・・・・・・・・・・・・・・・・・・・ Connector・・・・・・・・・・・・・・・・・・・・・・・・・・・・・ 1
Q 134 MH27A2567 チューブ・・・・・・・・・・・・・・・・・・・・・・・・・・・・・・・・・・・・ Tube・・・・・・・・・・・・・・・・・・・・・・・・・・・・・・・・・・
・
1
Q 135 MH27A3567 チューブ・・・・・・・・・・・・・・・・・・・・・・・・・・・・・・・・・・・・ Tube・・・・・・・・・・・・・・・・・・・・・・・・・・・・・・・・・・
・
1
Q 136 MH27A4567 チューブ・・・・・・・・・・・・・・・・・・・・・・・・・・・・・・・・・・・・ Tube・・・・・・・・・・・・・・・・・・・・・・・・・・・・・・・・・・
・
1
Q 137 MH27A5567 チューブ・・・・・・・・・・・・・・・・・・・・・・・・・・・・・・・・・・・・ Tube・・・・・・・・・・・・・・・・・・・・・・・・・・・・・・・・・・
・
1
Q 901 MH27E0599 デンジベンクミタテ・・・・・・・・・・・・・・・・・・・・・・・・・・・・
・
Solenoid valve complete・・・・・・・・・・・・・・・・ 1
☆印はPLK-E2516R共通部品を示します。
☆ indicates PLK-E2516R common parts. 29 PLK-G2516R

TABLE & STAND
テーブル関係R
30
108
901
101
105
104
102
103
106
107
109
(116)
112
113
117
128
125
(114)
124
123
114
126
122
111
119
120
127
115
121
(121)
118
110
(125)
116

[R]テーブル関係
TABLE & STAND
Fig 変更 部品コード 品 名 Description 数量
no. Mod. Parts no. Amt. Req.
R 101 MH27A0595 テンイタ・・・・・・・・・・・・・・・・・・・・・・・・・・・・・・・・・・・・
・
Table top・・・・・・・・・・・・・・・・・・・・・・・・・・・・・・ 1
☆ R 102 MB60A3957 レール・・・・・・・・・・・・・・・・・・・・・・・・・・・・・・・・・・・・・
・
Rail・・・・・・・・・・・・・・・・・・・・・・・・・・・・・・・・・・・・ 2
☆ R 103 M90406040 Pサラモクネジ φ4.5X38・・・・・・・・・・・・・・・・・・・・・・Wooden screw φ4.5X38・・・・・・・・・・・・・・・・ 4
☆ R 104 MB60A0719 ヒキダシ・・・・・・・・・・・・・・・・・・・・・・・・・・・・・・・・・・・・ Drawer・・・・・・・・・・・・・・・・・・・・・・・・・・・・・・・・
・
1
☆ R 105 MB60A1368 キャスター・・・・・・・・・・・・・・・・・・・・・・・・・・・・・・・・・・・ Caster・・・・・・・・・・・・・・・・・・・・・・・・・・・・・・・・・ 4
☆ R 106 K14M90451401 トリツケボルト M8X60・・・・・・・・・・・・・・・・・・・・・・・・・ Mounting bolt M8X60・・・・・・・・・・・・・・・・・・・ 4
☆ R 107 M90710050 トクシュザガネ 8・・・・・・・・・・・・・・・・・・・・・・・・・・・・・
・
Special washer 8・・・・・・・・・・・・・・・・・・・・・・・ 4
R 108 M90802053 バネザガネ 8・・・・・・・・・・・・・・・・・・・・・・・・・・・・・・・ Spring washer 8・・・・・・・・・・・・・・・・・・・・・・・・ 4
R 109 M92008045 ナット M8・・・・・・・・・・・・・・・・・・・・・・・・・・・・・・・・・・
・
Nut M8・・・・・・・・・・・・・・・・・・・・・・・・・・・・・・・・
・
4
R 110 MH27B5339 カバー・・・・・・・・・・・・・・・・・・・・・・・・・・・・・・・・・・・・・ Cover・・・・・・・・・・・・・・・・・・・・・・・・・・・・・・・・・
・
1
R 111 M94008017 セフティソケット M4X6・・・・・・・・・・・・・・・・・・・・・・・・・
・
Safety socket bolt M4X6・・・・・・・・・・・・・・・
・
6
R 112 MH27A0165 1ヤマクレビス・・・・・・・・・・・・・・・・・・・・・・・・・・・・・・・・ Single clevis・・・・・・・・・・・・・・・・・・・・・・・・・・・
・
1
R 113 M98004017 セフティソケット M8X20・・・・・・・・・・・・・・・・・・・・・・・・
・
Safety socket bolt M8X20・・・・・・・・・・・・・・ 2
R 114 M90511065 Eガタトメワ 6・・・・・・・・・・・・・・・・・・・・・・・・・・・・・・・・ E-type retaining ring 6・・・・・・・・・・・・・・・・・
・
3
R 115 MH27A7454 ジク・・・・・・・・・・・・・・・・・・・・・・・・・・・・・・・・・・・・・・
・
Shaft・・・・・・・・・・・・・・・・・・・・・・・・・・・・・・・・・・ 1
R 116 M90823050 ミガキザガネ 8・・・・・・・・・・・・・・・・・・・・・・・・・・・・・・ Washer 8・・・・・・・・・・・・・・・・・・・・・・・・・・・・・・
・
3
R 117 M90810060 スナップピン R8・・・・・・・・・・・・・・・・・・・・・・・・・・・・・
・
Snap pin R8・・・・・・・・・・・・・・・・・・・・・・・・・・・・ 1
R 118 M98087021 ロッカクアナツキボルト M8X55・・・・・・・・・・・・・・・・・・・ Socket bolt M8X55・・・・・・・・・・・・・・・・・・・・・ 2
R 119 M90835050 ワッシャ・・・・・・・・・・・・・・・・・・・・・・・・・・・・・・・・・・・・・Washer・・・・・・・・・・・・・・・・・・・・・・・・・・・・・・・・
・
2
R 120 M92075045 ナット M8・・・・・・・・・・・・・・・・・・・・・・・・・・・・・・・・・・
・
Nut M8・・・・・・・・・・・・・・・・・・・・・・・・・・・・・・・・
・
2
R 121 MH27A3601 トリツケイタ・・・・・・・・・・・・・・・・・・・・・・・・・・・・・・・・・・ Bracket・・・・・・・・・・・・・・・・・・・・・・・・・・・・・・・・ 2
R 122 MH27A8454 ジク・・・・・・・・・・・・・・・・・・・・・・・・・・・・・・・・・・・・・・
・
Shaft・・・・・・・・・・・・・・・・・・・・・・・・・・・・・・・・・・ 1
R 123 M91576045 ナット M6・・・・・・・・・・・・・・・・・・・・・・・・・・・・・・・・・・
・
Nut M6・・・・・・・・・・・・・・・・・・・・・・・・・・・・・・・・
・
1
R 124 M90624053 バネザガネ 6・・・・・・・・・・・・・・・・・・・・・・・・・・・・・・・ Spring washer 6・・・・・・・・・・・・・・・・・・・・・・・・ 1
R 125 MH27A1352 カラー・・・・・・・・・・・・・・・・・・・・・・・・・・・・・・・・・・・・・・Collar・・・・・・・・・・・・・・・・・・・・・・・・・・・・・・・・・・ 2
R 126 MH27A5476 スペーサ・・・・・・・・・・・・・・・・・・・・・・・・・・・・・・・・・・・ Spacer・・・・・・・・・・・・・・・・・・・・・・・・・・・・・・・・
・
1
R 127 M96020021 ロッカクアナツキボルト M6X55・・・・・・・・・・・・・・・・・・・ Socket bolt M6X55・・・・・・・・・・・・・・・・・・・・・ 1
R 128 MH27A0315 ガススプリング・・・・・・・・・・・・・・・・・・・・・・・・・・・・・・・ Gas spring units・・・・・・・・・・・・・・・・・・・・・・・・ 1
R 901 MH27E0150 キャククミタテ・・・・・・・・・・・・・・・・・・・・・・・・・・・・・・・・・ Leg assy・・・・・・・・・・・・・・・・・・・・・・・・・・・・・・・ 1
☆印はPLK-E2516R共通部品を示します。
☆ indicates PLK-E2516R common parts. 31 PLK-G2516R

122,123,124,125
131
126
104,105
103
134
133
107
108
135 136
137
132
128 129
130
110
111
109
(110)
120
119
106
121
101
付属品(1)
ACCESSORIES(1)
S
32
901
127
112
113
114
115
116
117
102
118

[S]付属品(1)
ACCESSORIES(1)
Fig 変更 部品コード 品 名 Description 数量
no. Mod. Parts no. Amt. Req.
☆ S 101 MS02A0128 ミシンハリ DPX17#18・・・・・・・・・・・・・・・・・・・・・・・・
・
Needle DPX17#18・・・・・・・・・・・・・・・・・・・・・・ 4
☆ S 102 MF25B0123 ボビン・・・・・・・・・・・・・・・・・・・・・・・・・・・・・・・・・・・・・Bobbin・・・・・・・・・・・・・・・・・・・・・・・・・・・・・・・・・ 3
S 103 MH10A0419 ボウシンゴム・・・・・・・・・・・・・・・・・・・・・・・・・・・・・・・・
・
Rubber cushion・・・・・・・・・・・・・・・・・・・・・・・・
・
6
S 104 MH10A3FUS ヒューズ 2.5A・・・・・・・・・・・・・・・・・・・・・・・・・・・・・・・ Fuse 2.5A・・・・・・・・・・・・・・・・・・・・・・・・・・・・・・ 1
S 105 MH10A2FUS ヒューズ 20A・・・・・・・・・・・・・・・・・・・・・・・・・・・・・・・
・
Fuse 20A・・・・・・・・・・・・・・・・・・・・・・・・・・・・・・ 1
S 106 MF17A0565 カクドチョウセイグ・・・・・・・・・・・・・・・・・・・・・・・・・・・・・ Speed command disk adjusting plate・・・・
・
1
S 107 MH27A0613 トウブササエ・・・・・・・・・・・・・・・・・・・・・・・・・・・・・・・・・ Head rest・・・・・・・・・・・・・・・・・・・・・・・・・・・・・・ 1
S 108 M95005017 セフティソケット M5X10・・・・・・・・・・・・・・・・・・・・・・・・
・
Safety socket bolt M5X10・・・・・・・・・・・・・・ 4
☆ S 109 MB60A2620 ナイロンクリップ AB-10N・・・・・・・・・・・・・・・・・・・・・・ Nylon clip AB-10N・・・・・・・・・・・・・・・・・・・・・ 1
S 110 M91056004 SW-PWプラマイナベネジ M4X10・・・・・・・・・・・・・・
・
Screw M4X10・・・・・・・・・・・・・・・・・・・・・・・・・・ 2
☆ S 111 MB60A1620 ナイロンクリップ AB-8N・・・・・・・・・・・・・・・・・・・・・・・
・
Nylon clip AB-8N・・・・・・・・・・・・・・・・・・・・・・
・
1
☆ S 112 MS05A1976 ロッカクボウレンチ 6・・・・・・・・・・・・・・・・・・・・・・・・・・・
・
Hexagonal wrench 6・・・・・・・・・・・・・・・・・・・・ 1
☆ S 113 MS05A0976 ロッカクボウレンチ 5・・・・・・・・・・・・・・・・・・・・・・・・・・・
・
Hexagonal wrench 5・・・・・・・・・・・・・・・・・・・・ 1
☆ S 114 MS01A1976 ロッカクボウレンチ 4・・・・・・・・・・・・・・・・・・・・・・・・・・・
・
Hexagonal wrench 4・・・・・・・・・・・・・・・・・・・・ 1
☆ S 115 MS02A2976 ロッカクボウレンチ 3・・・・・・・・・・・・・・・・・・・・・・・・・・・
・
Hexagonal wrench 3・・・・・・・・・・・・・・・・・・・・ 1
☆ S 116 MS02A1976 ロッカクボウレンチ 2.5・・・・・・・・・・・・・・・・・・・・・・・・・・Hexagonal wrench 2.5・・・・・・・・・・・・・・・・・・ 1
☆ S 117 MS02A0976 ロッカクボウレンチ 2・・・・・・・・・・・・・・・・・・・・・・・・・・・
・
Hexagonal wrench 2・・・・・・・・・・・・・・・・・・・・ 1
S 118 MH10E0193 イトタテダイクミタテ・・・・・・・・・・・・・・・・・・・・・・・・・・・・・Cotton stand assy・・・・・・・・・・・・・・・・・・・・・
・
1
☆ S 119 MB02A1608 ドライバー (ショウ)・・・・・・・・・・・・・・・・・・・・・・・・・・・・ Screw driver (small)・・・・・・・・・・・・・・・・・・・・ 1
☆ S 120 MB02A0608 ドライバー (チュウ)・・・・・・・・・・・・・・・・・・・・・・・・・・・・ Screw driver (middle)・・・・・・・・・・・・・・・・・・・ 1
☆ S 121 MF00A0608 ドライバー (ダイ)・・・・・・・・・・・・・・・・・・・・・・・・・・・・・ Screw driver (large)・・・・・・・・・・・・・・・・・・・・
・
1
☆ S 122 MS02A0479 スパナ13-17・・・・・・・・・・・・・・・・・・・・・・・・・・・・・・・ Spanner 13-17・・・・・・・・・・・・・・・・・・・・・・・・・ 1
☆ S 123 MM11A1479 スパナ10-14・・・・・・・・・・・・・・・・・・・・・・・・・・・・・・・ Spanner 10-14・・・・・・・・・・・・・・・・・・・・・・・・・ 1
☆ S 124 MS10A1976 スパナ8-9・・・・・・・・・・・・・・・・・・・・・・・・・・・・・・・・・ Spanner 8-9・・・・・・・・・・・・・・・・・・・・・・・・・・・ 1
☆ S 125 MS10A2976 スパナ6-7・・・・・・・・・・・・・・・・・・・・・・・・・・・・・・・・・ Spanner 6-7・・・・・・・・・・・・・・・・・・・・・・・・・・・ 1
☆ S 126 MF10A0149 アブラサシ・・・・・・・・・・・・・・・・・・・・・・・・・・・・・・・・・・ Oiler・・・・・・・・・・・・・・・・・・・・・・・・・・・・・・・・・・・ 1
☆ S 127 MF06A1620 インシュロックタイ・・・・・・・・・・・・・・・・・・・・・・・・・・・・・・ Cord tie・・・・・・・・・・・・・・・・・・・・・・・・・・・・・・・
・
1
☆ S 128 MB60A0201 インシュロックタイ・・・・・・・・・・・・・・・・・・・・・・・・・・・・・・ Cord tie・・・・・・・・・・・・・・・・・・・・・・・・・・・・・・・
・
3
☆ S 129 M90306041 マルモクネジ 3.1X16・・・・・・・・・・・・・・・・・・・・・・・・・
・
Wooden screw 3.1X16・・・・・・・・・・・・・・・・・・ 6
☆ S 130 MB60A0420 コテイグ・・・・・・・・・・・・・・・・・・・・・・・・・・・・・・・・・・・・ Tie holder・・・・・・・・・・・・・・・・・・・・・・・・・・・・・・ 3
S 131 MH27A0409 ウワイチゲージ・・・・・・・・・・・・・・・・・・・・・・・・・・・・・・・ Up position gauge・・・・・・・・・・・・・・・・・・・・・・ 1
S 132 MH27A6476 スペーサ・・・・・・・・・・・・・・・・・・・・・・・・・・・・・・・・・・・ Spacer・・・・・・・・・・・・・・・・・・・・・・・・・・・・・・・・
・
1
☆ S 133 M90001043 ステップル・・・・・・・・・・・・・・・・・・・・・・・・・・・・・・・・・・
・
Staple・・・・・・・・・・・・・・・・・・・・・・・・・・・・・・・・・ 6
S 134 M90409037 SW-PW Pナベネジ M4X10・・・・・・・・・・・・・・・・・・ Screw M4X10・・・・・・・・・・・・・・・・・・・・・・・・・・ 1
☆ S 135 M91010089 ロッカクソケット・・・・・・・・・・・・・・・・・・・・・・・・・・・・・・・・Socket・・・・・・・・・・・・・・・・・・・・・・・・・・・・・・・・
・
1
☆ S 136 MA30A0571 ワンタッチツギテ・・・・・・・・・・・・・・・・・・・・・・・・・・・・・・
・
Quickjoint・・・・・・・・・・・・・・・・・・・・・・・・・・・・・・ 1
☆ S 137 MS06A0567 エアチューブ・・・・・・・・・・・・・・・・・・・・・・・・・・・・・・・・・ Air tube・・・・・・・・・・・・・・・・・・・・・・・・・・・・・・・・ 1
☆ S 901 ME25E0691 パッキンセット・・・・・・・・・・・・・・・・・・・・・・・・・・・・・・・・ Clamp pad set・・・・・・・・・・・・・・・・・・・・・・・・・
・
1
☆印はPLK-E2516R共通部品を示します。
☆ indicates PLK-E2516R common parts. 33 PLK-G2516R

117
127,128
125
121
122
124
123
126
101
ACCESSORIES(2)
付属品(2)T
34
129
119
118
120
104
106
107
108
103 105
102
902
116
115
112
113
114
111
109
110
901

[T]付属品(2)
ACCESSORIES(2)
Fig 変更 部品コード 品 名 Description 数量
no. Mod. Parts no. Amt. Req.
☆ T 101 M860A0FSW フットスイッチ・・・・・・・・・・・・・・・・・・・・・・・・・・・・・・・・・ Foot switch・・・・・・・・・・・・・・・・・・・・・・・・・・・・ 1
T 102 M90806002 ヒラネジ 1/8(44)X6・・・・・・・・・・・・・・・・・・・・・・・・・ Screw 1/8(44)X6・・・・・・・・・・・・・・・・・・・・・・・ 2
T 103 M90317050 コザガネ 3・・・・・・・・・・・・・・・・・・・・・・・・・・・・・・・・・ Washer 3・・・・・・・・・・・・・・・・・・・・・・・・・・・・・・
・
2
T 104 MH10A0160 アイガード・・・・・・・・・・・・・・・・・・・・・・・・・・・・・・・・・・ Eye guard・・・・・・・・・・・・・・・・・・・・・・・・・・・・・・ 1
T 105 M91071004 SW-MWプラマイナベネジ M4X8・・・・・・・・・・・・・・・ Screw M4X8・・・・・・・・・・・・・・・・・・・・・・・・・・・ 3
T 106 MH10A7601 アイガードトリツケイタ・・・・・・・・・・・・・・・・・・・・・・・・・・
・
Eye guard bracket・・・・・・・・・・・・・・・・・・・・・・ 1
T 107 MH10A8601 トリツケイタ・・・・・・・・・・・・・・・・・・・・・・・・・・・・・・・・・・ Mounting plate・・・・・・・・・・・・・・・・・・・・・・・・・ 1
T 108 M91054004 SW-PWプラマイナベネジ M4X8・・・・・・・・・・・・・・・
・
Screw M4X8・・・・・・・・・・・・・・・・・・・・・・・・・・・ 2
T 109 MH10A0435 シジイタ・・・・・・・・・・・・・・・・・・・・・・・・・・・・・・・・・・・・ Support plate・・・・・・・・・・・・・・・・・・・・・・・・・・
・
2
T 110 MH10A0418 ヒンジゴム・・・・・・・・・・・・・・・・・・・・・・・・・・・・・・・・・・ Hinge rubber・・・・・・・・・・・・・・・・・・・・・・・・・・・ 2
T 111 MH10A0770 ヒンジベース・・・・・・・・・・・・・・・・・・・・・・・・・・・・・・・・
・
Hinge base・・・・・・・・・・・・・・・・・・・・・・・・・・・・・ 2
T 112 M95002020 ロッカクアナツキトメネジ M5X6・・・・・・・・・・・・・・・・・・・ Screw M5X6・・・・・・・・・・・・・・・・・・・・・・・・・・・ 2
T 113 MH10A7454 ヒンジジク・・・・・・・・・・・・・・・・・・・・・・・・・・・・・・・・・・ Hinge shaft・・・・・・・・・・・・・・・・・・・・・・・・・・・・
・
2
T 114 M90835050 ワッシャ・・・・・・・・・・・・・・・・・・・・・・・・・・・・・・・・・・・・・Washer・・・・・・・・・・・・・・・・・・・・・・・・・・・・・・・・
・
4
T 115 M98087021 ロッカクアナツキボルト M8X55・・・・・・・・・・・・・・・・・・・ Socket bolt M8X55・・・・・・・・・・・・・・・・・・・・・ 4
☆ T 116 MA20A0734 ビニルカバー・・・・・・・・・・・・・・・・・・・・・・・・・・・・・・・・ Polyethylene cover・・・・・・・・・・・・・・・・・・・・
・
1
☆ T 117 M90001043 ステップル・・・・・・・・・・・・・・・・・・・・・・・・・・・・・・・・・・
・
Staple・・・・・・・・・・・・・・・・・・・・・・・・・・・・・・・・・ 4
T 118 MH27A0131 アブラウケ・・・・・・・・・・・・・・・・・・・・・・・・・・・・・・・・・・
・
Oil pan・・・・・・・・・・・・・・・・・・・・・・・・・・・・・・・・・ 1
☆ T 119 MF20A0130 アブラビン・・・・・・・・・・・・・・・・・・・・・・・・・・・・・・・・・・ Oil bottle・・・・・・・・・・・・・・・・・・・・・・・・・・・・・・
・
1
☆ T 120 MB62A0797 ホゴフィルム・・・・・・・・・・・・・・・・・・・・・・・・・・・・・・・・・ Film sheet・・・・・・・・・・・・・・・・・・・・・・・・・・・・・
・
1
☆ T 121 MB61A5601 レギュレータトリツケイタ・・・・・・・・・・・・・・・・・・・・・・・・・
・
Filter regulater adapter・・・・・・・・・・・・・・・・・ 1
☆ T 122 M90409041 マルモクネジ 4.5X20・・・・・・・・・・・・・・・・・・・・・・・・・
・
Screw 4.5X20・・・・・・・・・・・・・・・・・・・・・・・・・・ 2
☆ T 123 ME40A0963 フィルタレギュレータ (ステーツキ)・・・・・・・・・・・・・・・・・・・ Filter regulator・・・・・・・・・・・・・・・・・・・・・・・・・ 1
T 124 M90511050 ミガキザガネ 5・・・・・・・・・・・・・・・・・・・・・・・・・・・・・・ Washer 5・・・・・・・・・・・・・・・・・・・・・・・・・・・・・・
・
2
T 125 M95003017 セフティソケット M5X8・・・・・・・・・・・・・・・・・・・・・・・・・
・
Safety socket bolt M5X8・・・・・・・・・・・・・・・
・
2
☆ T 126 MA20A8571 Lガタツギテ・・・・・・・・・・・・・・・・・・・・・・・・・・・・・・・・
・
L-type quick joint・・・・・・・・・・・・・・・・・・・・・・ 1
T 127 MH10A2508 ケーブル (SOLキバンデンゲン)・・・・・・・・・・・・・・・・・・ Cable (SOL power)・・・・・・・・・・・・・・・・・・・・・ *
T 128 MH27A1508 ケーブル (SOLキバンデンゲン) CEヨウ・・・・・・・・・・・
・
Cable (SOL power) for CE・・・・・・・・・・・・・・ *
☆ T 129 M97320099 ケーブル (SOLキバンシンゴウ)・・・・・・・・・・・・・・・・・・
・
Cable (SOL signal pulse)・・・・・・・・・・・・・・・・ 1
T 901 MH10E5508 XYエンコーダケーブルセット・・・・・・・・・・・・・・・・・・・・・・ XY encoder cable set・・・・・・・・・・・・・・・・・・
・
1
T 902 MH27E2508 XYモータケーブルセット・・・・・・・・・・・・・・・・・・・・・・・・・ XY motor cable set・・・・・・・・・・・・・・・・・・・・・ 1
注) パーツナンバーT127、T128は、ご利用地域により付属形態が異なります。
Remarks) For part No.T127 and T128, an attached form is different according to the region.
ご利用地域 EC諸国を除く地域 EC諸国
Region xcept EC EC nations
T127 1 -
T128 - 1
☆印はPLK-E2516R共通部品を示します。
☆ indicates PLK-E2516R common parts. 35 PLK-G2516R

120
119 121
122
103
4.5
106,107,108
6.5
109,110
8.5
129
127,128
101
1.6
126
125124
123
113
111
4
112
6
114,115,116,117
OPTION PARTS
オプションパーツU
36
104,105
4.5
118
102
2.6

[U]オプションパーツ
OPTION PARTS
Fig 変更 部品コード 品 名 Description 数量
no. Mod. Parts no. Amt. Req.
☆ U 101 MS02A0101 ハリイタ φ1.6・・・・・・・・・・・・・・・・・・・・・・・・・・・・・・・Needle plate φ1.6・・・・・・・・・・・・・・・・・・・・・
・
1
☆ U 102 MS02A2101 ハリイタ φ2.6・・・・・・・・・・・・・・・・・・・・・・・・・・・・・・・Needle plate φ2.6・・・・・・・・・・・・・・・・・・・・・
・
1
☆ U 103 MV35A0106 サラオサエ φ3・・・・・・・・・・・・・・・・・・・・・・・・・・・・・・ Presser foot φ3・・・・・・・・・・・・・・・・・・・・・・・ 1
U 104 MV30A0256 ナカオサエ φ3・・・・・・・・・・・・・・・・・・・・・・・・・・・・・・
・
Presser foot φ3・・・・・・・・・・・・・・・・・・・・・・・ 1
U 105 MV30A1256 ナカオサエ φ2・・・・・・・・・・・・・・・・・・・・・・・・・・・・・・
・
Presser foot φ2・・・・・・・・・・・・・・・・・・・・・・・ 1
U 106 MB10M0256 ナカオサエ φ3.3・・・・・・・・・・・・・・・・・・・・・・・・・・・・・Presser foot φ3.3・・・・・・・・・・・・・・・・・・・・・
・
1
☆ U 107 MS03A0256 ナカオサエ φ3・・・・・・・・・・・・・・・・・・・・・・・・・・・・・・
・
Presser foot φ3・・・・・・・・・・・・・・・・・・・・・・・ 1
☆ U 108 MS03A1256 ナカオサエ φ2・・・・・・・・・・・・・・・・・・・・・・・・・・・・・・
・
Presser foot φ2・・・・・・・・・・・・・・・・・・・・・・・ 1
☆ U 109 MA35A0256 ナカオサエ φ3・・・・・・・・・・・・・・・・・・・・・・・・・・・・・・
・
Presser foot φ3・・・・・・・・・・・・・・・・・・・・・・・ 1
☆ U 110 MA35A1256 ナカオサエ φ2・・・・・・・・・・・・・・・・・・・・・・・・・・・・・・
・
Presser foot φ2・・・・・・・・・・・・・・・・・・・・・・・ 1
U 111 MA21A0256 ナカオサエ φ2.5・・・・・・・・・・・・・・・・・・・・・・・・・・・・・Presser foot φ2.5・・・・・・・・・・・・・・・・・・・・・
・
1
U 112 MA21A1256 ナカオサエ φ2.5・・・・・・・・・・・・・・・・・・・・・・・・・・・・・Presser foot φ2.5・・・・・・・・・・・・・・・・・・・・・
・
1
U 113 MG42A0181 イトアンナイ (アツモノヨウ)・・・・・・・・・・・・・・・・・・・・・・・・Thread guide (for heavy)・・・・・・・・・・・・・・・・ 1
☆ U 114 MN10A3245 エンスイバネ φ1X11・・・・・・・・・・・・・・・・・・・・・・・・・ Spring φ1X11・・・・・・・・・・・・・・・・・・・・・・・・・
・
1
U 115 MF23C0245 エンスイバネ φ1.6X11・・・・・・・・・・・・・・・・・・・・・・・ Spring φ1.6X11・・・・・・・・・・・・・・・・・・・・・・・・ 1
U 116 MN52A1245 エンスイバネ φ1.2X13・・・・・・・・・・・・・・・・・・・・・・・ Spring φ1.2X13・・・・・・・・・・・・・・・・・・・・・・・・ 1
U 117 MS10A0245 エンスイバネ φ1X13.5・・・・・・・・・・・・・・・・・・・・・・・ Spring φ1X13.5・・・・・・・・・・・・・・・・・・・・・・・・ 1
U 118 MH10E1210 チョウセツキクミタテ・・・・・・・・・・・・・・・・・・・・・・・・・・・・・Thread tension regulator assy・・・・・・・・・・
・
1
☆ U 119 MS03A0181 イトアンナイ・・・・・・・・・・・・・・・・・・・・・・・・・・・・・・・・・・ Thread guide・・・・・・・・・・・・・・・・・・・・・・・・・・・ 1
☆ U 120 MS10A0180 イトアンナイ・・・・・・・・・・・・・・・・・・・・・・・・・・・・・・・・・・ Thread guide・・・・・・・・・・・・・・・・・・・・・・・・・・・ 1
U 121 K14M94319012 コネクタ 12P・・・・・・・・・・・・・・・・・・・・・・・・・・・・・・・・ Connecter 12P・・・・・・・・・・・・・・・・・・・・・・・・
・
1
U 122 K14M96821809 ナイロンキャップ 12P・・・・・・・・・・・・・・・・・・・・・・・・・・ Nylon cap 12P・・・・・・・・・・・・・・・・・・・・・・・・・ 1
U 123 K14M94319015 コネクタ 15P・・・・・・・・・・・・・・・・・・・・・・・・・・・・・・・・ Connector 15P・・・・・・・・・・・・・・・・・・・・・・・・
・
1
U 124 K14M96822602 ナイロンキャップ 15P・・・・・・・・・・・・・・・・・・・・・・・・・・ Nylon cap 15P・・・・・・・・・・・・・・・・・・・・・・・・・ 1
U 125 K14M77014710 ターミナル・・・・・・・・・・・・・・・・・・・・・・・・・・・・・・・・・・・ Terminal・・・・・・・・・・・・・・・・・・・・・・・・・・・・・・・ 1
U 126 MB62E3105 ソトオサエクミタテ (アナナシ)・・・・・・・・・・・・・・・・・・・・・・ Clamp frame complete (blank)・・・・・・・・・・
・
1
☆ U 127 MB62A0762 ナカオサエイタ (2T,ケガキセンアリ)・・・・・・・・・・・・・・・・
・
Clamp plate (with line)・・・・・・・・・・・・・・・・・・ 1
☆ U 128 MB62A1762 ナカオサエイタ (2T,ケガキセンナシ)・・・・・・・・・・・・・・・・
・
Clamp plate・・・・・・・・・・・・・・・・・・・・・・・・・・・・ 1
U 129 MH27A1272 オクリイタ (アナナシ)・・・・・・・・・・・・・・・・・・・・・・・・・・・
・
Feed plate (blank)・・・・・・・・・・・・・・・・・・・・・・ 1
☆印はPLK-E2516R共通部品を示します。
☆ indicates PLK-E2516R common parts. 37 PLK-G2516R

索引
INDEX-1
部品コード ページ Fig 部品コード ページ Fig 部品コード ページ Fig 部品コード ページ Fig
Parts No. Page No. Parts No. Page No. Parts No. Page No. Parts No. Page No.
K14M19400102 *** P29 *** Q 126 M90611060 *** P21 *** L 126 M91010089 *** P33 *** S 135 M91506001 *** P15 *** H 107
K14M77014710 *** P37 *** U 125 M90624053 *** P31 *** R 124 M91011004 *** P3 *** B 117 M91512022 *** P17 *** J 123
K14M90451401 *** P31 *** R 106 M90631050 *** P15 *** H 133 ↑ *** P5 *** C 132 M91553015 *** P15 *** H 117
K14M94319012 *** P37 *** U 121 ↑ *** P25 *** N 107 M91013004 *** P23 *** M 114 M91572045 *** P15 *** H 132
K14M94319015 *** P37 *** U 123 M90632050 *** P15 *** H 104 M91053020 *** P5 *** C 117 M91576045 *** P31 *** R 123
K14M96821809 *** P37 *** U 122 M90634050 *** P25 *** N 108 ↑ *** P9 *** E 119 M91602001 *** P9 *** E 140
K14M96822602 *** P37 *** U 124 M90710050 *** P31 *** R 107 ↑ *** P15 *** H 129 M91602020 *** P11 *** F 127
M70535065 *** P5 *** C 105 M90800086 *** P11 *** F 125 ↑ *** P21 *** L 121 M91602046 *** P5 *** C 121
M800G2SOL *** P29 *** Q 123 M90802053 *** P31 *** R 108 M91054004 *** P3 *** B 103 M91603003 *** P15 *** H 131
M860A0FSW *** P35 *** T 101 M90803010 *** P17 *** J 109 ↑ *** P5 *** C 129 M91606001 *** P9 *** E 141
M90001043 *** P33 *** S 133 M90804086 *** P11 *** F 132 ↑ *** P25 *** N 103 ↑ *** P11 *** F 102
↑*** P35 *** T 117 M90806002 *** P25 *** N 125 ↑ *** P27 *** P 103 ↑ *** P15 *** H 144
M90204060 *** P5 *** C 135 ↑ *** P35 *** T 102 ↑ *** P29 *** Q 102 M91609020 *** P9 *** E 110
M90301036 *** P13 *** G 101 M90810060 *** P31 *** R 117 ↑ *** P35 *** T 108 M91610046 *** P5 *** C 144
M90306041 *** P33 *** S 129 M90814004 *** P19 *** K 111 M91055020 *** P13 *** G 125 M91650020 *** P9 *** E 116
M90316050 *** P29 *** Q 110 M90815002 *** P9 *** E 134 ↑ *** P23 *** M 111 ↑ *** P11 *** F 110
M90317050 *** P35 *** T 103 M90823050 *** P31 *** R 116 M91056004 *** P17 *** J 135 M91651020 *** P13 *** G 132
M90337065 *** P9 *** E 103 M90835050 *** P31 *** R 119 ↑ *** P21 *** L 125 M91690015 *** P15 *** H 114
M90406040 *** P31 *** R 103 ↑ *** P35 *** T 114 ↑ *** P27 *** P 121 M91691015 *** P15 *** H 125
M90406064 *** P9 *** E 150 M90836050 *** P9 *** E 138 ↑ *** P33 *** S 110 M91802006 *** P9 *** E 139
M90409037 *** P9 *** E 112 M90853002 *** P7 *** D 106 M91057004 *** P29 *** Q 119 M91910080 *** P3 *** B 118
↑*** P13 *** G 116 M90856004 *** P3 *** B 131 M91058004 *** P7 *** D 104 M92004002 *** P27 *** P 129
↑*** P29 *** Q 121 M90859004 *** P15 *** H 138 M91071004 *** P3 *** B 109 M92008045 *** P31 *** R 109
↑*** P33 *** S 134 ↑ *** P21 *** L 129 ↑ *** P19 *** K 137 M92012070 *** P19 *** K 128
M90409041 *** P35 *** T 122 M90862004 *** P7 *** D 108 ↑ *** P27 *** P 118 M92075045 *** P31 *** R 120
M90421050 *** P13 *** G 137 M90864004 *** P29 *** Q 113 ↑ *** P29 *** Q 111 M93002021 *** P19 *** K 102
↑*** P21 *** L 116 M90865004 *** P25 *** N 105 ↑ *** P35 *** T 105 M93003021 *** P13 *** G 105
↑*** P25 *** N 132 M90883080 *** P3 *** B 106 M91084004 *** P5 *** C 146 ↑ *** P19 *** K 105
M90422050 *** P25 *** N 128 ↑ *** P9 *** E 128 M91101085 *** P27 *** P 128 M93007021 *** P19 *** K 114
M90424053 *** P25 *** N 129 M90901002 *** P5 *** C 136 M91107045 *** P17 *** J 107 M93016050 *** P9 *** E 105
M90434060 *** P25 *** N 134 M90901045 *** P25 *** N 117 M91110045 *** P17 *** J 126 M93202047 *** P15 *** H 102
M90500085 *** P9 *** E 131 M90902011 *** P15 *** H 135 M91111015 *** P17 *** J 113 M93220035 *** P15 *** H 101
M90504065 *** P23 *** M 101 M90906003 *** P3 *** B 126 M91117002 *** P17 *** J 111 M94001001 *** P13 *** G 109
M90505037 *** P21 *** L 103 M90907010 *** P17 *** J 130 M91118002 *** P11 *** F 121 M94001017 *** P13 *** G 136
M90505065 *** P15 *** H 119 M90908003 *** P3 *** B 115 M91119002 *** P9 *** E 152 ↑ *** P23 *** M 121
↑*** P25 *** N 123 ↑ *** P13 *** G 131 M91127015 *** P13 *** G 135 M94001037 *** P21 *** L 101
M90511050 *** P3 *** B 138 ↑ *** P15 *** H 122 M91150003 *** P5 *** C 119 M94003017 *** P23 *** M 117
↑*** P13 *** G 110 ↑ *** P25 *** N 119 M91151010 *** P17 *** J 103 M94003021 *** P27 *** P 130
↑*** P17 *** J 124 M90910033 *** P25 *** N 112 M91182080 *** P3 *** B 111 M94003099 *** P29 *** Q 106
↑*** P19 *** K 136 M90913001 *** P17 *** J 127 M91200086 *** P11 *** F 104 M94005022 *** P3 *** B 150
↑*** P21 *** L 132 M90920002 *** P5 *** C 101 M91201045 *** P17 *** J 118 M94006017 *** P21 *** L 117
↑*** P23 *** M 110 M90921002 *** P17 *** J 132 M91202045 *** P17 *** J 133 M94006052 *** P17 *** J 108
↑*** P35 *** T 124 M90922002 *** P15 *** H 113 M91212015 *** P17 *** J 138 M94007099 *** P27 *** P 120
M90511065 *** P3 *** B 128 M90932015 *** P25 *** N 114 M91276004 *** P29 *** Q 129 M94008017 *** P19 *** K 119
↑*** P13 *** G 107 M90939002 *** P5 *** C 104 M91304080 *** P3 *** B 105 ↑ *** P31 *** R 111
↑*** P31 *** R 114 M90971004 *** P7 *** D 111 ↑ *** P19 *** K 147 M94008045 *** P21 *** L 109
M90512050 *** P11 *** F 118 ↑ *** P29 *** Q 105 M91305080 *** P25 *** N 126 M94008070 *** P23 *** M 120
↑*** P19 *** K 146 M90990002 *** P3 *** B 134 M91331004 *** P5 *** C 128 M94024017 *** P17 *** J 139
M90512065 *** P25 *** N 135 ↑ *** P7 *** D 115 M91333004 *** P3 *** B 114 M94040021 *** P13 *** G 120
M90532060 *** P23 *** M 116 ↑ *** P9 *** E 142 M91382045 *** P3 *** B 145 M95001021 *** P19 *** K 139
M90573080 *** P27 *** P 107 ↑ *** P17 *** J 102 ↑ *** P23 *** M 107 M95002017 *** P3 *** B 137
M90600085 *** P15 *** H 108 M91002022 *** P19 *** K 115 M91400010 *** P7 *** D 120 ↑ *** P11 *** F 117
M90604065 *** P11 *** F 115 M91005022 *** P25 *** N 133 M91501022 *** P17 *** J 120 ↑ *** P17 *** J 125
↑*** P19 *** K 132 M91007045 *** P25 *** N 130 M91501085 *** P5 *** C 138 ↑ *** P23 *** M 115
M90605010 *** P3 *** B 133 M91008035 *** P27 *** P 135 M91502045 *** P17 *** J 122 M95002020 *** P5 *** C 115
38

索引
INDEX-2
部品コード ページ Fig 部品コード ページ Fig 部品コード ページ Fig 部品コード ページ Fig
Parts No. Page No. Parts No. Page No. Parts No. Page No. Parts No. Page No.
M95002020 *** P9 *** E 121 MA25A0572 *** P17 *** J 116 ME20A0120 *** P11 *** F 124 MF20A0229 *** P11 *** F 120
↑*** P35 *** T 112 MA25A0891 *** P17 *** J 114 ME20A0352 *** P3 *** B 121 MF23C0245 *** P37 *** U 115
M95003017 *** P35 *** T 125 MA30A0571 *** P33 *** S 136 ME20A0915 *** P17 *** J 137 MF25B0123 *** P11 *** F 123
M95003021 *** P3 *** B 147 MA30A0964 *** P29 *** Q 128 ME20E0477 *** P17 *** J 119 ↑ *** P33 *** S 102
↑*** P13 *** G 112 MA35A0256 *** P37 *** U 109 ME25A0682 *** P9 *** E 151 MF60A0700 *** P15 *** H 142
M95004017 *** P19 *** K 124 MA35A1256 *** P37 *** U 110 ME25A0921 *** P21 *** L 107 MF70A1180 *** P5 *** C 133
M95004020 *** P5 *** C 134 MA35A1781 *** P19 *** K 113 ME25E0691 *** P33 *** S 901 MF80A0780 *** P27 *** P 106
↑*** P9 *** E 136 MA35A6758 *** P19 *** K 138 ME40A0426 *** P21 *** L 124 MG30A0700 *** P27 *** P 134
↑*** P11 *** F 134 MB02A0608 *** P33 *** S 120 ME40A0963 *** P35 *** T 123 MG30A0740 *** P15 *** H 124
↑*** P13 *** G 121 MB02A1608 *** P33 *** S 119 MF00A0391 *** P17 *** J 136 MG42A0181 *** P9 *** E 133
↑*** P15 *** H 121 MB10M0256 *** P37 *** U 106 MF00A0608 *** P33 *** S 121 ↑ *** P37 *** U 113
M95005017 *** P3 *** B 119 MB25A0105 *** P21 *** L 130 MF00A0750 *** P17 *** J 115 MG43A0181 *** P5 *** C 145
↑*** P17 *** J 142 MB25A0426 *** P3 *** B 139 MF00A1392 *** P17 *** J 110 MG43A1181 *** P3 *** B 116
↑*** P21 *** L 123 MB25E0351 *** P17 *** J 901 MF00A1477 *** P17 *** J 121 MG44E0125 *** P11 *** F 122
↑*** P33 *** S 108 MB45A0767 *** P19 *** K 131 MF00A1527 *** P17 *** J 101 MG75A0265 *** P15 *** H 106
M95011021 *** P19 *** K 148 MB60A0201 *** P33 *** S 128 MF00A1603 *** P17 *** J 128 MG75A1476 *** P5 *** C 127
M95012020 *** P3 *** B 146 MB60A0366 *** P29 *** Q 120 MF00A2780 *** P27 *** P 112 MH10A0160 *** P35 *** T 104
M95013021 *** P19 *** K 106 MB60A0420 *** P33 *** S 130 MF00A8910 *** P17 *** J 112 MH10A0194 *** P5 *** C 116
M95014017 *** P13 *** G 111 MB60A0601 *** P13 *** G 115 MF01E0350 *** P11 *** F 903 MH10A0245 *** P5 *** C 148
M95015021 *** P23 *** M 109 MB60A0719 *** P31 *** R 104 MF01E0411 *** P17 *** J 117 MH10A0252 *** P13 *** G 133
M95018021 *** P13 *** G 117 MB60A1368 *** P31 *** R 105 MF02A0834 *** P17 *** J 104 MH10A0267 *** P15 *** H 109
↑*** P19 *** K 112 MB60A1620 *** P33 *** S 111 MF06A1620 *** P33 *** S 127 MH10A0283 *** P15 *** H 120
M95031021 *** P21 *** L 104 MB60A2352 *** P29 *** Q 122 MF10A0149 *** P33 *** S 126 MH10A0348 *** P5 *** C 107
M95037021 *** P23 *** M 104 MB60A2601 *** P19 *** K 122 MF10A0181 *** P5 *** C 131 MH10A0364 *** P9 *** E 127
M95052021 *** P21 *** L 131 MB60A2620 *** P33 *** S 109 MF10A0187 *** P5 *** C 139 MH10A0416 *** P9 *** E 146
M96001001 *** P19 *** K 130 MB60A3957 *** P31 *** R 102 MF10A0325 *** P9 *** E 143 MH10A0417 *** P5 *** C 118
M96001005 *** P9 *** E 125 MB61A0571 *** P19 *** K 126 ↑ *** P15 *** H 118 MH10A0418 *** P35 *** T 110
↑*** P21 *** L 115 MB61A0601 *** P3 *** B 102 MF10A0553 *** P5 *** C 140 MH10A0419 *** P33 *** S 103
M96001017 *** P9 *** E 102 MB61A2477 *** P21 *** L 120 MF10A0555 *** P5 *** C 124 MH10A0435 *** P35 *** T 109
M96001020 *** P13 *** G 134 MB61A3454 *** P23 *** M 105 MF10A0709 *** P5 *** C 137 MH10A0456 *** P9 *** E 114
M96002001 *** P19 *** K 125 MB61A5601 *** P35 *** T 121 MF13A0135 *** P27 *** P 124 MH10A0484 *** P25 *** N 101
↑*** P21 *** L 114 MB61E0434 *** P17 *** J 902 MF13A0191 *** P5 *** C 113 MH10A0530 *** P9 *** E 137
M96002017 *** P3 *** B 101 MB62A0228 *** P21 *** L 118 MF13A0192 *** P5 *** C 111 MH10A0553 *** P5 *** C 147
M96008017 *** P3 *** B 124 MB62A0523 *** P19 *** K 129 MF13A0350 *** P5 *** C 114 MH10A0571 *** P25 *** N 113
↑*** P11 *** F 116 MB62A0572 *** P23 *** M 108 MF13A0452 *** P11 *** F 133 MH10A0572 *** P9 *** E 148
↑*** P25 *** N 121 MB62A0707 *** P23 *** M 113 MF13A0456 *** P11 *** F 103 MH10A0584 *** P5 *** C 130
M96010052 *** P25 *** N 131 MB62A0757 *** P29 *** Q 127 MF13A0551 *** P5 *** C 102 MH10A0602 *** P29 *** Q 103
M96011017 *** P15 *** H 134 MB62A0762 *** P37 *** U 127 MF13A0572 *** P5 *** C 112 MH10A0626 *** P15 *** H 112
M96020021 *** P31 *** R 127 MB62A0767 *** P19 *** K 135 MF13A0683 *** P11 *** F 135 MH10A0663 *** P9 *** E 129
M97320099 *** P35 *** T 129 MB62A0797 *** P3 *** B 136 MF13A0750 *** P5 *** C 106 MH10A0682 *** P9 *** E 111
M98004017 *** P31 *** R 113 MB62A0797 *** P35 *** T 120 MF13A0767 *** P9 *** E 126 MH10A0691 *** P3 *** B 112
M98016050 *** P15 *** H 136 MB62A0921 *** P21 *** L 111 MF13A0793 *** P5 *** C 108 MH10A0694 *** P9 *** E 108
M98087021 *** P31 *** R 118 MB62A0957 *** P23 *** M 119 MF13A0950 *** P5 *** C 103 MH10A0700 *** P25 *** N 109
↑*** P35 *** T 115 MB62A0975 *** P23 *** M 103 MF13A1456 *** P11 *** F 131 MH10A0722 *** P9 *** E 145
MA16A0495 *** P29 *** Q 131 MB62A1434 *** P23 *** M 102 MF13A1683 *** P11 *** F 107 MH10A0729 *** P25 *** N 118
MA16A0621 *** P17 *** J 141 MB62A1762 *** P37 *** U 128 MF13A2191 *** P5 *** C 110 MH10A0742 *** P3 *** B 104
MA20A0458 *** P7 *** D 103 MB62A1921 *** P21 *** L 106 MF13A2767 *** P11 *** F 111 MH10A0750 *** P9 *** E 109
MA20A0650 *** P21 *** L 119 MB62A1957 *** P23 *** M 122 MF13A4750 *** P11 *** F 108 MH10A0760 *** P15 *** H 143
MA20A0734 *** P35 *** T 116 MB62A2407 *** P19 *** K 121 MF13A9750 *** P11 *** F 101 MH10A0763 *** P15 *** H 116
MA20A5571 *** P17 *** J 140 MB62A5454 *** P21 *** L 122 MF13E1767 *** P11 *** F 902 MH10A0770 *** P35 *** T 111
MA20A6571 *** P29 *** Q 133 MB62A6477 *** P23 *** M 118 MF13E6456 *** P11 *** F 901 MH10A0830 *** P3 *** B 113
MA20A8571 *** P35 *** T 126 MB62E3105 *** P37 *** U 126 MF17A0565 *** P33 *** S 106 MH10A0915 *** P25 *** N 110
MA21A0256 *** P37 *** U 111 MB62E4105 *** P21 *** L 901 MF17A1476 *** P9 *** E 104 MH10A0980 *** P25 *** N 124
MA21A1256 *** P37 *** U 112 ME10A0408 *** P29 *** Q 101 MF17A2476 *** P9 *** E 107 MH10A0981 *** P25 *** N 116
MA21P0454 *** P19 *** K 133 ME10A7910 *** P15 *** H 126 MF20A0130 *** P35 *** T 119 MH10A1252 *** P13 *** G 128
39 PLK-G2516R

索引
INDEX-3
部品コード ページ Fig 部品コード ページ Fig 部品コード ページ Fig 部品コード ページ Fig
Parts No. Page No. Parts No. Page No. Parts No. Page No. Parts No. Page No.
MH10A1352 *** P13 *** G 124 MH27A0228 *** P15 *** H 128 MH27A0957 *** P19 *** K 101 MH27A5567 *** P29 *** Q 137
MH10A1417 *** P25 *** N 106 MH27A0230 *** P9 *** E 117 MH27A1272 *** P37 *** U 129 MH27A5750 *** P11 *** F 130
MH10A1456 *** P9 *** E 113 MH27A0266 *** P23 *** M 106 MH27A1339 *** P3 *** B 143 MH27A6339 *** P7 *** D 109
MH10A1530 *** P25 *** N 122 MH27A0272 *** P21 *** L 133 MH27A1352 *** P31 *** R 125 MH27A6454 *** P21 *** L 112
MH10A1683 *** P13 *** G 122 MH27A0308 *** P23 *** M 112 MH27A1359 *** P7 *** D 112 MH27A6476 *** P33 *** S 132
MH10A1694 *** P9 *** E 106 MH27A0315 *** P31 *** R 128 MH27A1390 *** P19 *** K 127 MH27A7339 *** P7 *** D 110
MH10A1701 *** P25 *** N 136 MH27A0339 *** P3 *** B 107 MH27A1429 *** P19 *** K 120 MH27A7454 *** P31 *** R 115
MH10A1722 *** P9 *** E 120 MH27A0352 *** P19 *** K 152 MH27A1450 *** P11 *** F 106 MH27A8339 *** P7 *** D 114
MH10A1740 *** P13 *** G 129 MH27A0359 *** P3 *** B 120 MH27A1454 *** P9 *** E 149 MH27A8454 *** P31 *** R 122
MH10A1741 *** P15 *** H 141 MH27A0361 *** P3 *** B 122 MH27A1476 *** P7 *** D 113 MH27A9339 *** P7 *** D 116
MH10A1750 *** P9 *** E 115 MH27A0390 *** P13 *** G 126 MH27A1477 *** P19 *** K 107 MH27B0339 *** P29 *** Q 107
MH10A1848 *** P13 *** G 118 MH27A0407 *** P13 *** G 106 MH27A1508 *** P35 *** T 128 MH27B1339 *** P29 *** Q 115
MH10A1956 *** P15 *** H 127 MH27A0409 *** P33 *** S 131 MH27A1523 *** P19 *** K 143 MH27B4339 *** P27 *** P 901
MH10A2181 *** P5 *** C 149 MH27A0420 *** P3 *** B 123 MH27A1567 *** P29 *** Q 132 MH27B5339 *** P31 *** R 110
MH10A2508 *** P35 *** T 127 MH27A0429 *** P19 *** K 118 MH27A1601 *** P17 *** J 143 MH27E0150 *** P31 *** R 901
MH10A2708 *** P13 *** G 138 MH27A0450 *** P11 *** F 128 MH27A1603 *** P13 *** G 114 MH27E0190 *** P5 *** C 901
MH10A2722 *** P13 *** G 108 MH27A0453 *** P11 *** F 129 MH27A1650 *** P3 *** B 130 MH27E0383 *** P9 *** E 905
MH10A2740 *** P15 *** H 140 MH27A0454 *** P3 *** B 129 MH27A1758 *** P19 *** K 149 MH27E0484 *** P13 *** G 102
MH10A2956 *** P15 *** H 139 MH27A0455 *** P21 *** L 113 MH27A1767 *** P19 *** K 150 MH27E0550 *** P5 *** C 904
MH10A2FUS *** P33 *** S 105 MH27A0456 *** P9 *** E 123 MH27A1770 *** P19 *** K 103 MH27E0580 *** P9 *** E 904
MH10A3181 *** P5 *** C 150 MH27A0470 *** P3 *** B 135 MH27A1780 *** P27 *** P 117 MH27E0599 *** P29 *** Q 901
MH10A3508 *** P29 *** Q 124 MH27A0476 *** P7 *** D 107 MH27A1797 *** P27 *** P 140 MH27E0688 *** P27 *** P 114
MH10A3FUS *** P33 *** S 104 MH27A0477 *** P19 *** K 104 MH27A1833 *** P13 *** G 123 MH27E0848 *** P19 *** K 123
MH10A4508 *** P29 *** Q 125 MH27A0500 *** P27 *** P 123 MH27A1849 *** P3 *** B 140 MH27E1148 *** P27 *** P 113
MH10A4572 *** P13 *** G 139 MH27A0508 *** P13 *** G 119 MH27A1920 *** P19 *** K 117 MH27E1484 *** P29 *** Q 104
MH10A4750 *** P9 *** E 901 MH27A0516 *** P27 *** P 127 MH27A1957 *** P19 *** K 110 MH27E1688 *** P27 *** P 109
MH10A5477 *** P25 *** N 111 MH27A0523 *** P11 *** F 112 MH27A2339 *** P3 *** B 127 MH27E1848 *** P19 *** K 140
MH10A5601 *** P25 *** N 120 MH27A0551 *** P3 *** B 144 MH27A2390 *** P19 *** K 142 MH27E2484 *** P29 *** Q 109
MH10A5740 *** P27 *** P 105 MH27A0567 *** P29 *** Q 130 MH27A2454 *** P11 *** F 113 MH27E2508 *** P35 *** T 902
MH10A5910 *** P15 *** H 115 MH27A0571 *** P19 *** K 141 MH27A2456 *** P9 *** E 903 MH27E2688 *** P27 *** P 115
MH10A6740 *** P27 *** P 104 MH27A0595 *** P31 *** R 101 MH27A2476 *** P7 *** D 117 MH27E3484 *** P29 *** Q 114
MH10A6910 *** P25 *** N 115 MH27A0600 *** P5 *** C 120 MH27A2477 *** P19 *** K 109 MH27E3688 *** P27 *** P 110
MH10A7339 *** P25 *** N 102 MH27A0601 *** P7 *** D 105 MH27A2567 *** P29 *** Q 134 MH27E4688 *** P27 *** P 132
MH10A7454 *** P35 *** T 113 MH27A0603 *** P13 *** G 103 MH27A2601 *** P29 *** Q 116 MH27E5688 *** P27 *** P 136
MH10A7601 *** P35 *** T 106 MH27A0606 *** P7 *** D 102 MH27A2603 *** P29 *** Q 108 MM11A0245 *** P5 *** C 123
MH10A7740 *** P27 *** P 111 MH27A0613 *** P33 *** S 107 MH27A2750 *** P9 *** E 122 MM11A0556 *** P5 *** C 141
MH10A8601 *** P35 *** T 107 MH27A0650 *** P3 *** B 125 MH27A2780 *** P27 *** P 102 MM11A0702 *** P5 *** C 122
MH10A9601 *** P29 *** Q 112 MH27A0660 *** P9 *** E 130 MH27A2833 *** P13 *** G 127 MM11A1479 *** P33 *** S 123
MH10B1339 *** P29 *** Q 118 MH27A0664 *** P9 *** E 132 MH27A2957 *** P23 *** M 123 MN10A0135 *** P27 *** P 122
MH10B2339 *** P29 *** Q 117 MH27A0691 *** P27 *** P 126 MH27A3339 *** P3 *** B 142 MN10A1456 *** P9 *** E 124
MH10E0193 *** P33 *** S 118 MH27A0692 *** P21 *** L 110 MH27A3390 *** P21 *** L 108 MN10A3245 *** P37 *** U 114
MH10E0210 *** P5 *** C 903 MH27A0740 *** P27 *** P 116 MH27A3454 *** P13 *** G 104 MN35A0628 *** P15 *** H 137
MH10E0285 *** P15 *** H 901 MH27A0742 *** P3 *** B 149 MH27A3456 *** P11 *** F 114 MN52A1245 *** P5 *** C 142
MH10E0456 *** P9 *** E 902 MH27A0758 *** P19 *** K 145 MH27A3476 *** P7 *** D 118 ↑ *** P37 *** U 116
MH10E1210 *** P37 *** U 118 MH27A0767 *** P19 *** K 144 MH27A3477 *** P19 *** K 116 MN60A0620 *** P27 *** P 131
MH10E2519 *** P25 *** N 104 MH27A0770 *** P11 *** F 119 MH27A3567 *** P29 *** Q 135 MN70A1780 *** P13 *** G 130
MH10E2848 *** P9 *** E 101 MH27A0776 *** P3 *** B 141 MH27A3601 *** P31 *** R 121 ↑ *** P15 *** H 123
MH10E3519 *** P25 *** N 127 MH27A0778 *** P21 *** L 102 MH27A4339 *** P3 *** B 110 MN70A2456 *** P11 *** F 109
MH10E5508 *** P35 *** T 901 MH27A0780 *** P27 *** P 119 MH27A4456 *** P11 *** F 904 MP40A1740 *** P27 *** P 108
MH27A0131 *** P35 *** T 118 MH27A0781 *** P21 *** L 105 MH27A4476 *** P7 *** D 119 MS01A0155 *** P9 *** E 144
MH27A0148 *** P27 *** P 133 MH27A0797 *** P27 *** P 139 MH27A4567 *** P29 *** Q 136 MS01A1976 *** P33 *** S 114
MH27A0165 *** P31 *** R 112 MH27A0833 *** P9 *** E 147 MH27A4750 *** P11 *** F 105 MS02A0101 *** P37 *** U 101
MH27A0191 *** P5 *** C 109 MH27A0849 *** P3 *** B 108 MH27A5339 *** P3 *** B 148 MS02A0128 *** P9 *** E 135
MH27A0225 *** P27 *** P 125 MH27A0850 *** P13 *** G 113 MH27A5454 *** P19 *** K 151 ↑ *** P33 *** S 101
MH27A0226 *** P7 *** D 101 MH27A0920 *** P19 *** K 108 MH27A5476 *** P31 *** R 126 MS02A0463 *** P15 *** H 902
40

索引
INDEX-4
部品コード ページ Fig 部品コード ページ Fig 部品コード ページ Fig 部品コード ページ Fig
Parts No. Page No. Parts No. Page No. Parts No. Page No. Parts No. Page No.
MS02A0479 *** P33 *** S 122
MS02A0976 *** P33 *** S 117
MS02A1101 *** P3 *** B 132
MS02A1976 *** P33 *** S 116
MS02A2101 *** P37 *** U 102
MS02A2456 *** P19 *** K 134
MS02A2976 *** P33 *** S 115
MS02B0257 *** P21 *** L 128
MS03A0181 *** P37 *** U 119
MS03A0256 *** P37 *** U 107
MS03A0262 *** P15 *** H 110
MS03A0703 *** P15 *** H 103
MS03A1256 *** P37 *** U 108
MS03A1572 *** P15 *** H 105
MS03A2780 *** P27 *** P 101
MS05A0976 *** P33 *** S 113
MS05A1976 *** P33 *** S 112
MS06A0567 *** P33 *** S 137
MS07A0180 *** P17 *** J 131
MS07A0782 *** P17 *** J 105
MS07A0836 *** P17 *** J 106
MS07A1603 *** P17 *** J 134
MS10A0180 *** P37 *** U 120
MS10A0245 *** P37 *** U 117
MS10A0451 *** P11 *** F 126
MS10A0838 *** P17 *** J 129
MS10A1691 *** P27 *** P 137
MS10A1740 *** P15 *** H 130
MS10A1742 *** P27 *** P 138
MS10A1976 *** P33 *** S 124
MS10A2976 *** P33 *** S 125
MS13A0572 *** P21 *** L 127
MS14A0553 *** P5 *** C 125
MS14A0682 *** P9 *** E 118
MS14A1180 *** P5 *** C 126
MS14E0180 *** P5 *** C 902
MT60A0802 *** P5 *** C 143
MV30A0256 *** P15 *** H 111
↑*** P37 *** U 104
MV30A1256 *** P37 *** U 105
MV35A0106 *** P37 *** U 103
41 PLK-G2516R

お問い合わせは下記へどうぞ
FAシステム事業本部 機器計画部 駆動機器グループ 〒100-8310 東京都千代田区丸の内 2-7-3 (東京ビル)
代表電話番号 (03)3218-6631 代表FAX番号 (03)3218-6823
FACTORY AUTOMATION SYSTEM GROUP
2-7-3, Marunouchi Chiyoda-ku Tokyo 100-8310, Japan
Fax : +81-3-3218-6821
この印刷物は、2009 年 03 月発行です。 なお、お断りなしに仕様を変更することがありますのでご了承ください。 2009 年 03 月 作成