PEG E51PRTS
Peg-E51Prts PEG-E51PRTS
2016-12-01
: ACE&EASTMAN Peg-E51Prts PEG-E51PRTS PEG PARTS PEGASUS
Open the PDF directly: View PDF
.
Page Count: 60
- TABLE OF CONTENTS
- MACHINE BED FRAME(1)
- MACHINE BED FRAME(2)
- COVERS
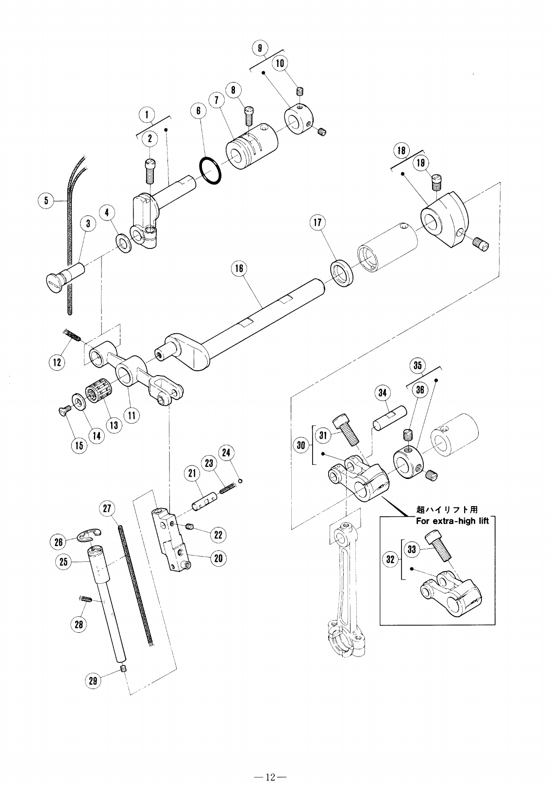
- CRANKSHAFT DRIVE MECHANISM(1)
- CRANKSHAFT DRIVE MECHANISM(2)
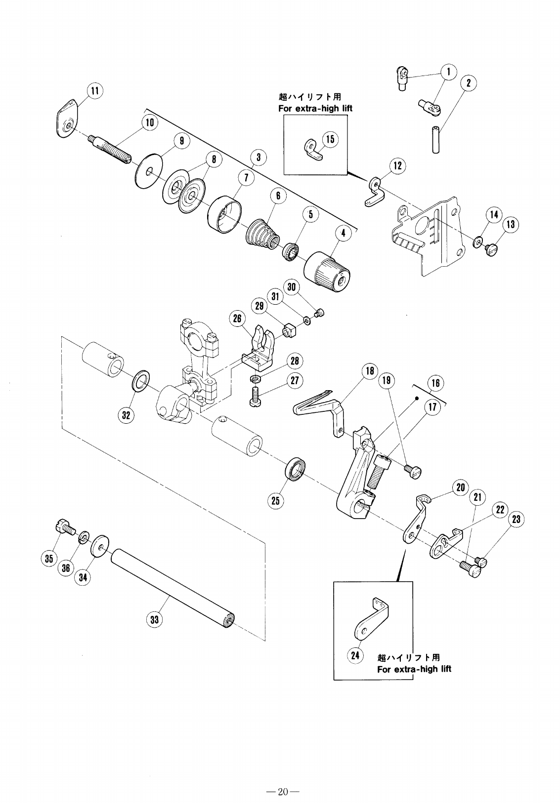
- NEEDLE DRIVE MECHANISM(1)
- NEEDLE DRIVE MECHANISM(2)
- UPPER LOOPER DRIVE MECHANISM(1)
- UPPER LOOPER DRIVE MECHANISM(2)
- LOWER LOOPER DRIVE MECHANISM
- FEED MECHANISM(1)
- FEED MECHANISM(2)
- KNIFE DRIVE MECHANISM
- PRESSER FOOT MECHANISM
- LUBRICATING MECHANISM
- HR DEVICE/BLINDSTITCH HEMMING
- SPECIFIC PARTS FOR E51-137
- PARTS FOR SEMI-SUBMARGED INSTALLATION ACCESORIES
- THREAD STAND
- GAUGE PARTS CONSTRUCTION CHART(1)-1
- GAUGE PARTS CONSTRUCTION CHART(2)
- GAUGE PARTS CONSTRUCTION CHART(3)
- GAUGE PARTS LIST(1)



























































