Pfaff 418
2012-12-27
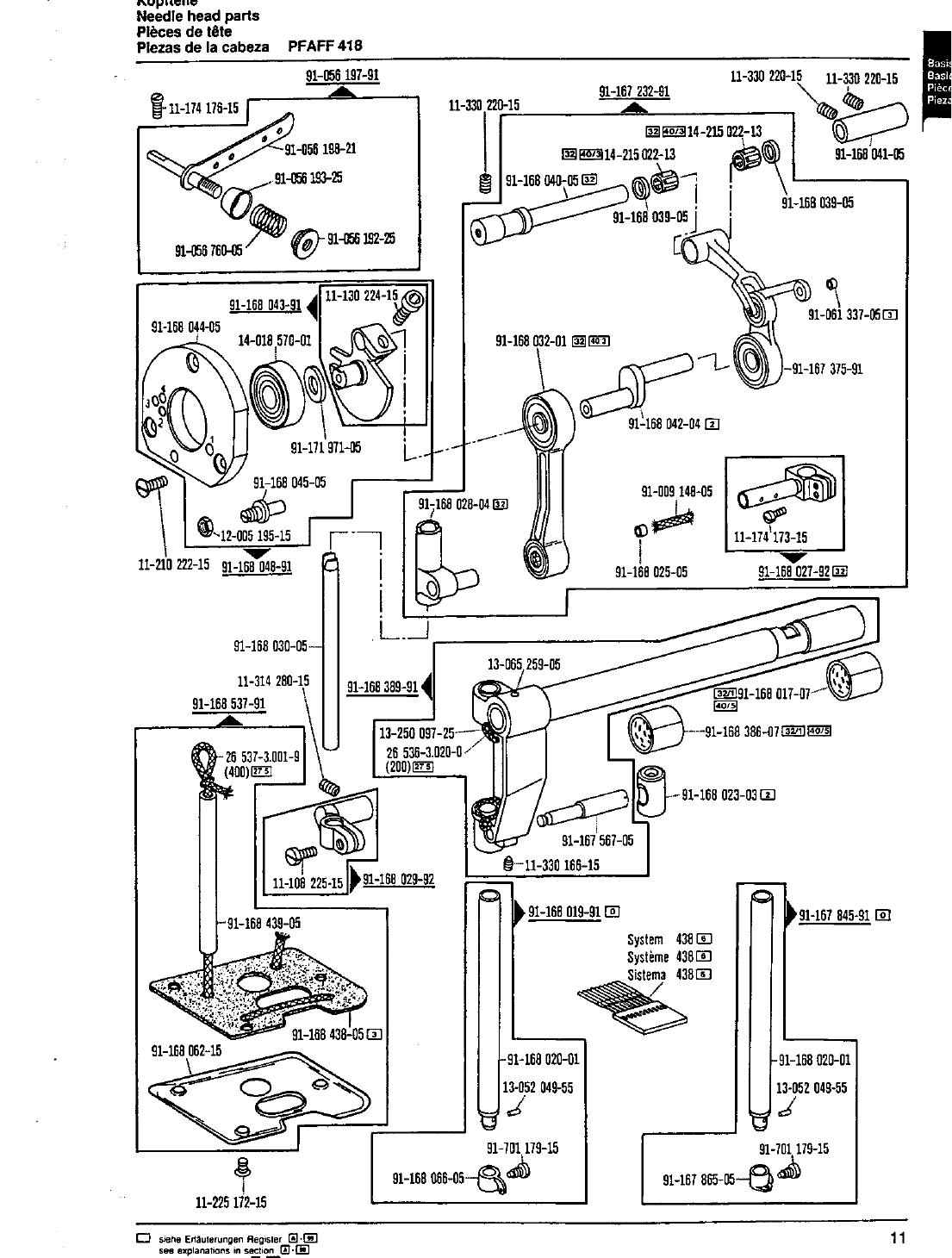
: ACE&EASTMAN Pfaff 418 Pfaff 418 Pfaff Parts Charts
Open the PDF directly: View PDF
.
Page Count: 80
Pfaff 418

-
PFAFF
418
Teileliste
Parts list
Liste de
pikes
Lista
de piezas














































































: ACE&EASTMAN Pfaff 418 Pfaff 418 Pfaff Parts Charts
Open the PDF directly: View PDF
.
Page Count: 80