ACE&EASTMAN S 7000Dd Parts Book User Manual
2016-10-16
User Manual: ACE&EASTMAN S-7000Dd Parts Book
Open the PDF directly: View PDF
.
Page Count: 52
- Cover
- Description of model plate
- Notes for using this parts book
- A. Machine body
- B. Needle bar and thread take-up mechanism
- C. Presser foot mechanism
- D. Feed mechanism
- E. Knee lifter mechanism
- F. Quick reverse mechanism
- G. Rotary hook mechanism
- H. Lubrication
- J. Threading mechanism
- K. Bobbin winder mechanism
- L. Thread trimmer mechanism
- M. Tension release mechanism
- N. Thread wiper mechanism (-40[] or option parts)
- P1. Control box
- P2. Control box
- Q. Quick reverse switch mechanism
- R. Power supply equipment
- S. Motor mechanism and operation panel
- Z. Accessories
- Wa. Warning labels
- Ga. Gauge parts list
- Index
- Back Cover

(Parts Navigation) http://partsbook.brother.co.jp/partsnavi/chn/
The latest parts information, refer to the Parts Navigation. http://partsbook.brother.co.jp/partsnavi/eng/
S-7000DD
�
SINGLE NEEDLE DIRECT DRIVE STRAIGHT LOCK STITCHER
WITH THREAD TRIMMER
PARTS BOOK

S-6200DD- 0 S-7000DD- 0
3A.
5.
3
.
4.
3.

Heavy-weight materials
Light-weight and Medium-weight materials
Medium-weight materials
Description of model plate
S-6200DD- 0 S-7000DD- 0
Quick Reverse + Thread Wiper
Quick Reverse
3A.
5.
4.
3.
3
.

1. 20135
2.
3.
4.
A. 1
B.
3
C. 5
D. 7
E.
11
F. 13
G. 15
H.
17
J. 19
K. 21
L. 23
M. 25
N. (-40)
27
P1. 29
P2. 31
Q.
33
R. 35
S.
37
Z. 39
Wa. 41
Ga.
43
44
(REF.NO)“+”

1. This book was prepared based on information available in May 2013.
2. Parts are subject to changes in design without prior notice.
3. Parts supplied as complete assemblies are circled by a dotted line.
4.
A. Machine body .............................................................. 1
B. Needle bar and thread take-up mechanism ................ 3
C. Presser foot mechanism .............................................
.
5
D. Feed mechanism ........................................................
.
7
E. Knee lifter mechanism ................................................
.
11
F. Quick reverse mechanism ..........................................
.
13
G. Rotary hook mechanism .............................................
.
15
H. Lubrication ..................................................................
.
17
J. Threading mechanism ................................................
.
19
K. Bobbin winder mechanism .......................................... 21
L. Thread trimmer mechanism ........................................ 23
M. Tension release mechanism ....................................... 25
N. Thread wiper mechanism (-40[]�or option parts) ......... 27
P1. Control box .................................................................. 29
P2. Control box .................................................................. 31
Q. Quick reverse switch mechanism ...............................
.
33
R. Power supply equipment ............................................. 35
S. Motor mechanism and operation panel ....................... 37
Z.
A
ccessories ................................................................. 39
Wa. Warning labels ............................................................
.
41
Ga. Gauge parts list ........................................................... 43
Index ...........................................................................
.
44
Notes for using this parts book
The part which has the symbol "+" on its number (REF.NO) in the figure differs
depending on the specification. For details, refer to the parts list.
CONTENTS

1
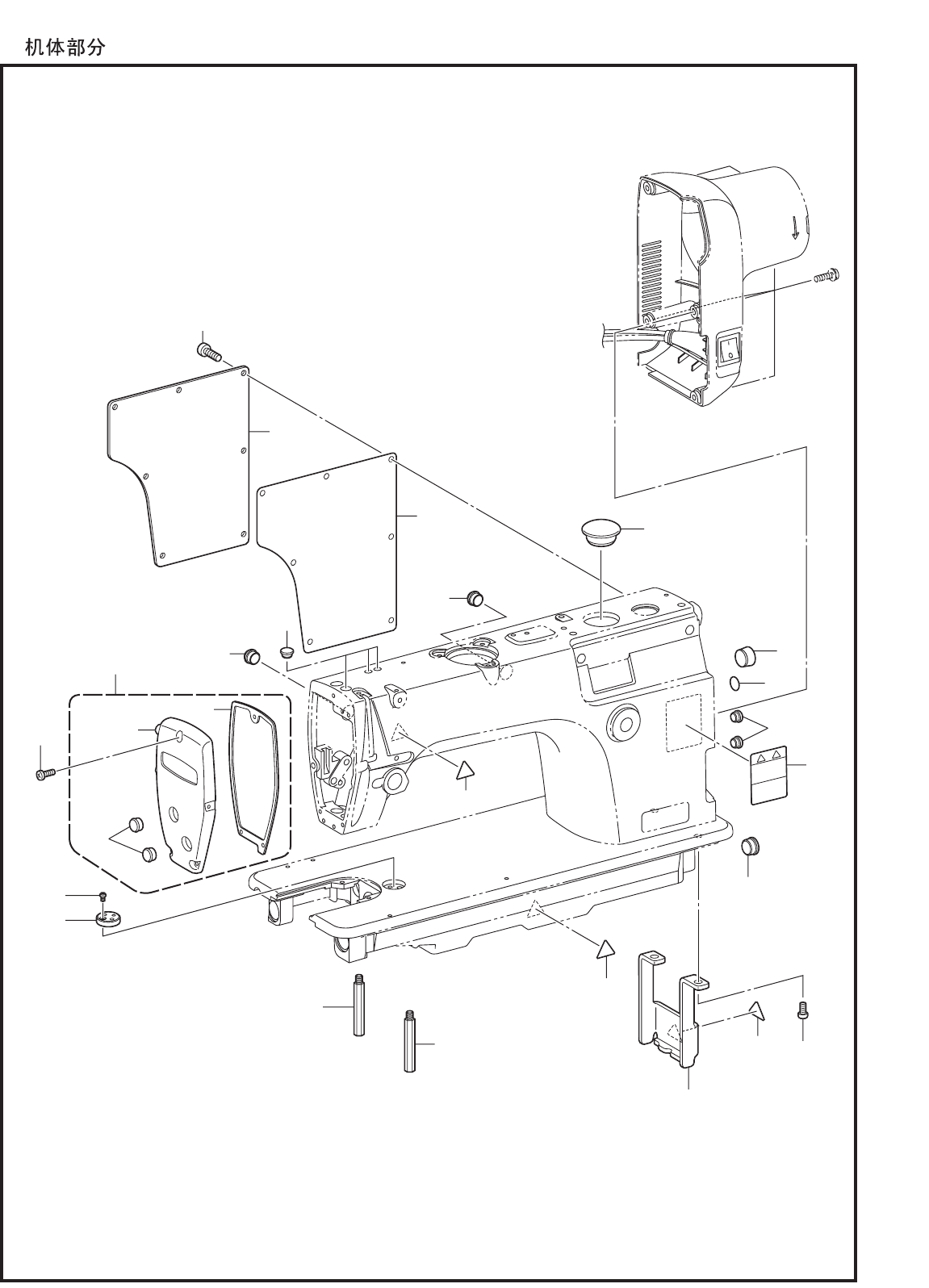
A. / Machine body
NAME OF PARTS RM
1 SB3440001 2
LSTAND L
2 SB3441001 1
RSTAND R
3 062061016 2
M6X10 SCREW PAN M6X10
4 SB3433001 1 SIDE PLATE
5 SB3434001 1 REAR COVER PACKING
6 062501216 7
M5X12 SCREW PAN M5X12
7 104449001 2 15.5 RUBBER CAP, 15.5
8 104450101 3 8 RUBBER CAP, 8
9 108520001 1 19.8 RUBBER CAP, 19.8
10 SB3986001 1 17.9 RUBBER CAP 17.9
11 SB3442001 1 37.8 RUBBER CAP 37.8
12 SB3850001 1 RULER PLATE
13 062400616 1
M4X6 SCREW PAN M4X6
14 104450101 2 8 RUBBER CAP, 8
15 SB3435001 1 FACE PLATE ASS
Y
16 SB3436001 1 FACE PLATE
17 SB3437001 1 FACE PLATE PACKING
18 104449001 2 15.5 RUBBER CAP, 15.5
19 062671212 3
SM3.57-40X12 SCREW PAN SM3.57-40X12
20 SA9826001 1 LABEL CAUTION
21 S37060021 1
LABEL, GROUNDING
22 SA9957001 2
INJURY MAR
K
23 SA9957002 1
INJURY MAR
K
S-7000DD-050
2
A. / Machine body
1
S-7000DD-050
9
21
14
10
11
23
3
2
22
22
20
1
7
8
18
19
15
13
12
1
17
16
5
4
6
7

2
A. / Machine body
NAME OF PARTS RM
1 SB3440001 2
LSTAND L
2 SB3441001 1
RSTAND R
3 062061016 2
M6X10 SCREW PAN M6X10
4 SB3433001 1 SIDE PLATE
5 SB3434001 1 REAR COVER PACKING
6 062501216 7
M5X12 SCREW PAN M5X12
7 104449001 2 15.5 RUBBER CAP, 15.5
8 104450101 3 8 RUBBER CAP, 8
9 108520001 1 19.8 RUBBER CAP, 19.8
10 SB3986001 1 17.9 RUBBER CAP 17.9
11 SB3442001 1 37.8 RUBBER CAP 37.8
12 SB3850001 1 RULER PLATE
13 062400616 1
M4X6 SCREW PAN M4X6
14 104450101 2 8 RUBBER CAP, 8
15 SB3435001 1 FACE PLATE ASS
Y
16 SB3436001 1 FACE PLATE
17 SB3437001 1 FACE PLATE PACKING
18 104449001 2 15.5 RUBBER CAP, 15.5
19 062671212 3
SM3.57-40X12 SCREW PAN SM3.57-40X12
20 SA9826001 1 LABEL CAUTION
21 S37060021 1
LABEL, GROUNDING
22 SA9957001 2
INJURY MAR
K
23 SA9957002 1
INJURY MAR
K
S-7000DD-050
2

3
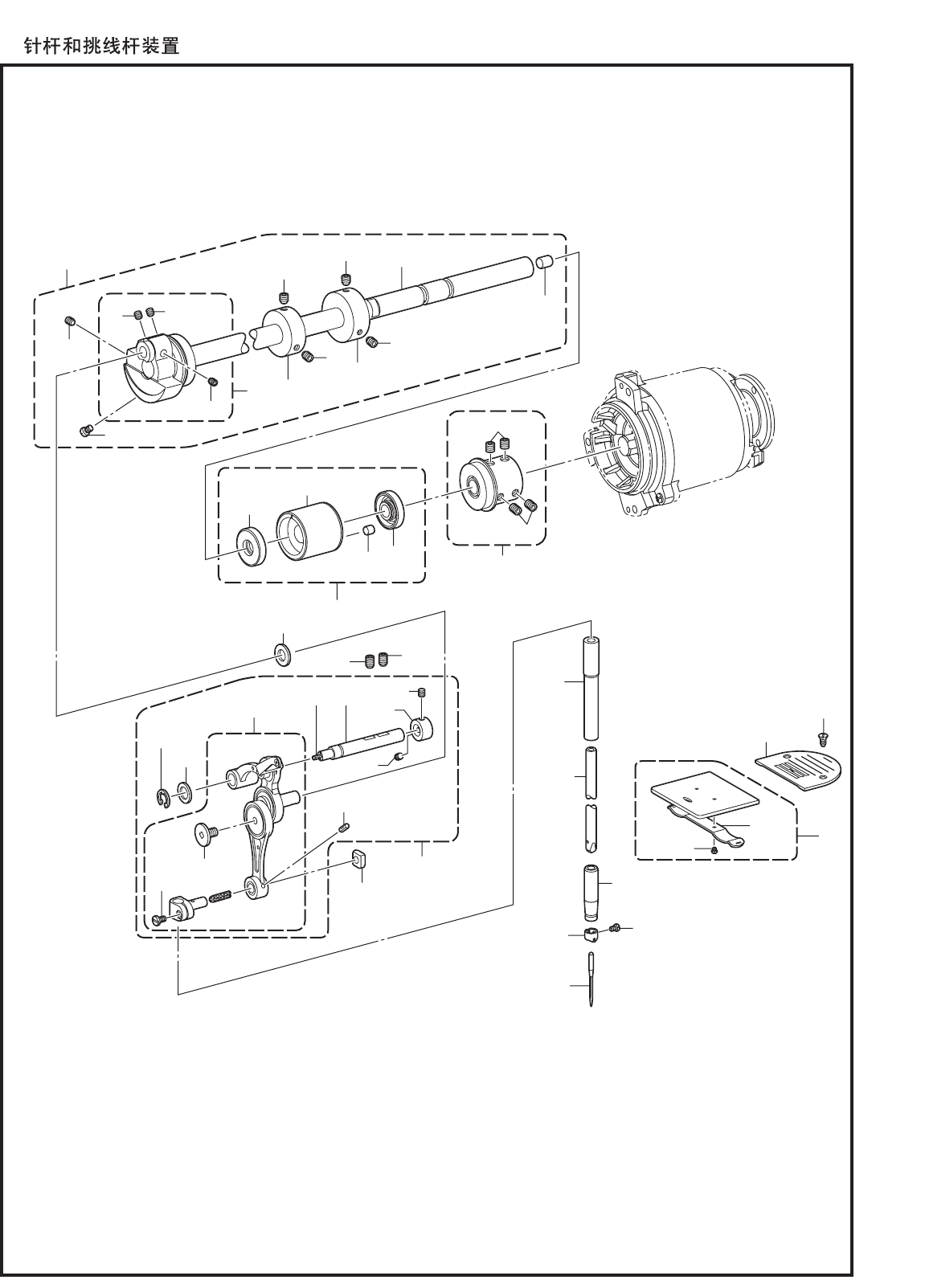
B. / Needle bar and thread take-up mechanism
NAME OF PARTS RM
<
-
03
,
-
03A> <For -[]03, -[]03A>
1+ SB3445001 1
UPPER SHAFT ASS
Y
2+ SB3447001 1
THREAD TAKE-UP CRANK ASS
Y
3+ SB3770001 1
NEEDLE BAR CONNECTING ROD UNI
T
4+ SB3771001 1
NEEDLE BAR CONNECTING ROD ASS
Y
5+ SB3783001 1
D NEEDLE BAR BUSH D
6+ SB3912001 1
DB <
DB
>NEEDLE BAR DB <FOR DB NEEDLE>
6+ SB4084001 1
DP <
DP
>NEEDLE BAR DP <FOR DP NEEDLE>
<
-
><For -[]05>
1+ SB4074001 1
UPPER SHAFT ASS
Y
2+ SB4039001 1
THREAD TAKE-UP CRANK ASS
Y
3+ SB3777001 1
NEEDLE BAR CONNECTING ROD UNI
T
4+ SB3778001 1
NEEDLE BAR CONNECTING ROD ASS
Y
5+ SB3784001 1
D NEEDLE BAR BUSH D
6+ SB3913001 1
NEEDLE BA
R
7 SB3446201 1
UPPER SHAF
T
8 SB2407001 1
6.4 RUBBER CAP 6.4
9 014770632 3
SM6.35-40X6 SET SCREW SOCKET SM6.35-40X6
10 SB3769001 1
SM7.14-28 SCREW SM7.14-28
11 014771032 1
SM6.35-40X10 SET SCREW SOCKET SM6.35-40X10
12 SB3449001 1
BOBBIN WINDER DRIVING WHEE
L
13 014771032 4
SM6.35-40X10 SET SCREW SOCKET SM6.35-40X10
14 SA8145001 1
WASHE
R
15 SB4492001 1
UPPER SHAFT WHEEL
16 140004001 1
SM3.57-40X7 SCREW, SM3.57-40X7
17 SA2422001 1
SM3.57-40X6L SCREW, SM3.57L
18 SB3775001 1
THREAD TAKE-UP SUPPORT SHAF
T
19 SB3776001 1
SET SCREW COLLA
R
20 012400536 2
M4X5 SET SCREW SOCKET (FT) M4X5
21 SA2161001 1
WASHE
R
22 048060342 1
E6 RETAINING RING E6
23 S32958000 1
WIC
K
24 SA8436001 1
FELT
25 012060636 2
M6X6 SET SCREW SOCKET (FT) M6X6
26 SB3851201 1
M
UPPER SHAFT BUSH M ASS
Y
27 SB3455201 1
MUPPER SHAFT BUSH M
28 142274101 1
4.2 RUBBER CAP, 4.2
29 101487000 2
OIL SEAL
30 SB3782001 1
U NEEDLE BAR BUSH U
31 140553102 1
SM3.18 SET SCREW, SM3.18
32 SB3458001 1
NEEDLE BAR GUIDE SLIDE BLOC
K
33 151594001 1
NEEDL BAR THREAD GUIDE
<
-
><For -[]03>
34+ 111859301 1
E18 NEEDLE PLATE E18
<
-
><For -[]03 Europe, -[]03A>
34+ 145971101 1
B18 NEEDLE PLATE B18
<
-
><For -[]05>
34+ 150792101 1
H26 NEEDLE PLATE H26
35 SB4190001 2
SM4.37-40X8 SCREW FLAT SM4.37-40X8
36 180018151 1
SLIDE PLATE ASS
Y
37 114561001 1
SPRING, PLATE
38 SA9523001 2
SM2.38 SCREW SM2.38
39 SB3977001 1
JOINT ASS
Y
40 S23651001 4
M6X6 SET SCREW SOCKET (FT) M6X6
<
-
03
,
-
03A> <For -[]03, -[]03A>
41+ 1
DBX1…
(
#11
)
NEEDLE DBX1…(#11)
41+ 1
DBX1…
(
#14
)
NEEDLE DBX1…(#14)
41+ 1
DPX5…
(
#11
)
NEEDLE DPX5…(#11)
<
-
><For -[]05>
41+ 1
DBX1…
(
#22
)
NEEDLE DBX1…(#22)
41+ 1
DPX5…
(
#22
)
NEEDLE DPX5…(#22)
S-7000DD-101
4
S-7000DD-101
3
B. / Needle bar and thread take-up mechanism
37 36
9
25
2+
9
26
39
8
40
25
40
6+
9
11
5+
33
38
34+
35
31
1+7
13
13
27
29
14
32
3+
20
19
21
22
16
20
23 18
24
30
17
10
4+
41+
12
15
13
13
29
28

4
B. / Needle bar and thread take-up mechanism
NAME OF PARTS RM
<
-
03
,
-
03A> <For -[]03, -[]03A>
1+ SB3445001 1
UPPER SHAFT ASS
Y
2+ SB3447001 1
THREAD TAKE-UP CRANK ASS
Y
3+ SB3770001 1
NEEDLE BAR CONNECTING ROD UNI
T
4+ SB3771001 1
NEEDLE BAR CONNECTING ROD ASS
Y
5+ SB3783001 1
D NEEDLE BAR BUSH D
6+ SB3912001 1
DB <
DB
>NEEDLE BAR DB <FOR DB NEEDLE>
6+ SB4084001 1
DP <
DP
>NEEDLE BAR DP <FOR DP NEEDLE>
<
-
><For -[]05>
1+ SB4074001 1
UPPER SHAFT ASS
Y
2+ SB4039001 1
THREAD TAKE-UP CRANK ASS
Y
3+ SB3777001 1
NEEDLE BAR CONNECTING ROD UNI
T
4+ SB3778001 1
NEEDLE BAR CONNECTING ROD ASS
Y
5+ SB3784001 1
D NEEDLE BAR BUSH D
6+ SB3913001 1
NEEDLE BA
R
7 SB3446201 1
UPPER SHAF
T
8 SB2407001 1
6.4 RUBBER CAP 6.4
9 014770632 3
SM6.35-40X6 SET SCREW SOCKET SM6.35-40X6
10 SB3769001 1
SM7.14-28 SCREW SM7.14-28
11 014771032 1
SM6.35-40X10 SET SCREW SOCKET SM6.35-40X10
12 SB3449001 1
BOBBIN WINDER DRIVING WHEE
L
13 014771032 4
SM6.35-40X10 SET SCREW SOCKET SM6.35-40X10
14 SA8145001 1
WASHE
R
15 SB4492001 1
UPPER SHAFT WHEEL
16 140004001 1
SM3.57-40X7 SCREW, SM3.57-40X7
17 SA2422001 1
SM3.57-40X6L SCREW, SM3.57L
18 SB3775001 1
THREAD TAKE-UP SUPPORT SHAF
T
19 SB3776001 1
SET SCREW COLLA
R
20 012400536 2
M4X5 SET SCREW SOCKET (FT) M4X5
21 SA2161001 1
WASHE
R
22 048060342 1
E6 RETAINING RING E6
23 S32958000 1
WIC
K
24 SA8436001 1
FELT
25 012060636 2
M6X6 SET SCREW SOCKET (FT) M6X6
26 SB3851201 1
M
UPPER SHAFT BUSH M ASS
Y
27 SB3455201 1
MUPPER SHAFT BUSH M
28 142274101 1
4.2 RUBBER CAP, 4.2
29 101487000 2
OIL SEAL
30 SB3782001 1
U NEEDLE BAR BUSH U
31 140553102 1
SM3.18 SET SCREW, SM3.18
32 SB3458001 1
NEEDLE BAR GUIDE SLIDE BLOC
K
33 151594001 1
NEEDL BAR THREAD GUIDE
<
-
><For -[]03>
34+ 111859301 1
E18 NEEDLE PLATE E18
<
-
><For -[]03 Europe, -[]03A>
34+ 145971101 1
B18 NEEDLE PLATE B18
<
-
><For -[]05>
34+ 150792101 1
H26 NEEDLE PLATE H26
35 SB4190001 2
SM4.37-40X8 SCREW FLAT SM4.37-40X8
36 180018151 1
SLIDE PLATE ASS
Y
37 114561001 1
SPRING, PLATE
38 SA9523001 2
SM2.38 SCREW SM2.38
39 SB3977001 1
JOINT ASS
Y
40 S23651001 4
M6X6 SET SCREW SOCKET (FT) M6X6
<
-
03
,
-
03A> <For -[]03, -[]03A>
41+ 1
DBX1…
(
#11
)
NEEDLE DBX1…(#11)
41+ 1
DBX1…
(
#14
)
NEEDLE DBX1…(#14)
41+ 1
DPX5…
(
#11
)
NEEDLE DPX5…(#11)
<
-
><For -[]05>
41+ 1
DBX1…
(
#22
)
NEEDLE DBX1…(#22)
41+ 1
DPX5…
(
#22
)
NEEDLE DPX5…(#22)
S-7000DD-101
4

5
C. / Presser foot mechanism
NAME OF PARTS RM
1 111466121 1
PRESSER BA
R
2 SB3785001 1
PRESSER BAR BUSH
3 SB2267002 1
PESSER ADJUSTING SCREW ASS
Y
4 SB3786001 1
SPRING GUIDE
5 141728001 1
PRESSER BAR SPRING
6 140407021 1
WASHE
R
<
><Finger guard screwed type>
<-
><For -[]03>
7+ 153037221 1 PRESSER FOOT ASS
Y
<-
><For -[]05>
7+ 150789121 1 PRESSER FOOT ASS
Y
9 150384101 1
FINGER GUARD
11 025350132 1
S3.5 WASHER PLAIN S 3.5
<
><Finger guard integral type>
<-
03
,
-
03A> <For -[]03, -[]03A>
8+ S36902001 1 PRESSER FOOT ASSY W/F-G
<-
><For -[]05>
8+ S36903001 1 PRESSER FOOT ASSY W/F-G
10 S13385001 1
SM3.57-40X10 SCREW, SM3.57-40X10
12 145580001 1
LIFTER LEVER P-BA
R
13 109763022 1
WASHE
R
14 SA8152001 1
PRESSER BAR LIFTER SHAF
T
15 012500536 1
M5X5 SET SCREW SOCKET (FT) M5X5
16 S02546402 1
TENSION RELEASE PLATE
17 S46736001 1
W-CLAMP LIFTER LEVER SPRING
18 048040342 2
E4 RETAINING RING E4
19 SB3463001 1
KNEE LIFTER CONNECTING ROD
20 SB3878001 3
SM4.76 SHOULDER SCREW SOCKET SM4.76
21 SB3461001 1
KNEE LIFTER LEVE
R
22 145480121 1
SM6.35 SHOULDER SCREW, SM6.35
23 SB3460001 1
KNEE LIFTER BA
R
24 SB4016001 1
6
A
DJUSTING SCREW 6
25 021060306 1
M6 NUT 3 M6
26 S31006002 1
LIFTING LEVER
27 S39051001 1
(
)
M3.5X12 SCREW, PAN (S/P W) M3.5X12
28 S31952021 1
PRESSER BAR LIFTER CRAN
K
29 SB4285001 1
PRESSER BAR GUIDE BRACKE
T
30 142403001 1
SM5.95-28X10 BOLT, (CP) SM5.95-28X10
S-7000DD-201
6
C. / Presser foot mechanism
5
S-7000DD-201
12
28
26
10 1011 9
17
18
18
13
30
29
1
2
3
27
4
1415
20
16
20 2321
20
22
19
5
6
7+8+
24
25

6
C. / Presser foot mechanism
NAME OF PARTS RM
1 111466121 1
PRESSER BA
R
2 SB3785001 1
PRESSER BAR BUSH
3 SB2267002 1
PESSER ADJUSTING SCREW ASS
Y
4 SB3786001 1
SPRING GUIDE
5 141728001 1
PRESSER BAR SPRING
6 140407021 1
WASHE
R
<
><Finger guard screwed type>
<-
><For -[]03>
7+ 153037221 1 PRESSER FOOT ASS
Y
<-
><For -[]05>
7+ 150789121 1 PRESSER FOOT ASS
Y
9 150384101 1
FINGER GUARD
11 025350132 1
S3.5 WASHER PLAIN S 3.5
<
><Finger guard integral type>
<-
03
,
-
03A> <For -[]03, -[]03A>
8+ S36902001 1 PRESSER FOOT ASSY W/F-G
<-
><For -[]05>
8+ S36903001 1 PRESSER FOOT ASSY W/F-G
10 S13385001 1
SM3.57-40X10 SCREW, SM3.57-40X10
12 145580001 1
LIFTER LEVER P-BA
R
13 109763022 1
WASHE
R
14 SA8152001 1
PRESSER BAR LIFTER SHAF
T
15 012500536 1
M5X5 SET SCREW SOCKET (FT) M5X5
16 S02546402 1
TENSION RELEASE PLATE
17 S46736001 1
W-CLAMP LIFTER LEVER SPRING
18 048040342 2
E4 RETAINING RING E4
19 SB3463001 1
KNEE LIFTER CONNECTING ROD
20 SB3878001 3
SM4.76 SHOULDER SCREW SOCKET SM4.76
21 SB3461001 1
KNEE LIFTER LEVE
R
22 145480121 1
SM6.35 SHOULDER SCREW, SM6.35
23 SB3460001 1
KNEE LIFTER BA
R
24 SB4016001 1
6
A
DJUSTING SCREW 6
25 021060306 1
M6 NUT 3 M6
26 S31006002 1
LIFTING LEVER
27 S39051001 1
(
)
M3.5X12 SCREW, PAN (S/P W) M3.5X12
28 S31952021 1
PRESSER BAR LIFTER CRAN
K
29 SB4285001 1
PRESSER BAR GUIDE BRACKE
T
30 142403001 1
SM5.95-28X10 BOLT, (CP) SM5.95-28X10
S-7000DD-201
6

7
D. / Feed mechanism
NAME OF PARTS RM
<-
><For -[]03>
1+ SB3465001 1
3ECCENTRIC WHEEL W/S 3
2+ SB3472001 1 3STITCH LENGTH DIAL ASSY 3
3+ S02558201 1
EXTENSION SPRING
<-
><For -[]03A, -[]05>
1+ SB3467001 1
5ECCENTRIC WHEEL W/S 5
2+ SB3475001 1 5STITCH LENGTH DIAL ASSY 5
3+ S03818101 1
HEXTENSION SPRING, H
4 180322021 1 FEED LIFTING ARM ASS
Y
5 014771032 2
SM6.35-40X10 SET SCREW SOCKET SM6.35-40X10
6 SA4494001 1
SM4.76 SCREW SM4.76
7 108549001 1 O
O RING
8 S02554021 1
LEVEL FEED CONNECTING ROD
9 156948021 1
HOLDER
10 108960002 2
SM3.57 SCREW, FLAT SM3.57
11 SB3469001 1
C21 RETAINING RING EXTERNAL C21
12 SB2314001 1
21.5X31.5 WASHER 21.5X31.5
13 SB3787001 1
LEVEL FEED REGULATOR ASS
Y
14 SB3788001 1
LEVEL FEED REGULATO
R
15 156951021 2
FEED LINK STUD
16 014680632 2
SM4.37-40X6 SET SCREW SOCKET SM4.37-40X6
17 156952021 1
FEED ROCKER LINK ASS
Y
18 156955021 2
FEED ROCKER ARM LIN
K
19 156956021 1
LINK SHAFT
20 144458001 1
SM3.57-40X4.5 SET SCREW SM3.57-40X4.5
21 156957120 1
FEED ROCKER ARM
22 062711412 1
SM4.76-32X14 SCREW PAN SM4.76-32X14
23 156958021 1
FEED ROCK ARM SHAFT
24 014680632 1
SM4.37-40X6 SET SCREW SOCKET SM4.37-40X6
25 158021122 1
F-REGULATOR CONNECT. ROD ASS
Y
26 156966121 1 PIN
27 048060342 1
E6 RETAINING RING E6
28 120990001 1
SM4.37-40X8 SET SCREW, (CP) SM4.37-40X8
29 SB3789001 1
L FEED REGULATOR SHAFT L
30 SB3790001 1
FEED REGULATOR SHAFT
31 118735002 1
WASHE
R
32 012060636 2
M6X6 SET SCREW SOCKET (FT) M6X6
33 156969121 1 FEED REGULATOR
34 SB3791001 1
FEED REGULATOR SHAFT
35 S02556021 1
WASHE
R
36 048070342 1
E7 RETAINING RING E7
37 012060636 1
M6X6 SET SCREW SOCKET (FT) M6X6
38 SB3792001 1
12.5 STUD 12.5
39 S47264001 1
SM4.37-40X4 SET SCREW, SOCKET (CP) SM4.37
40 S02557120 1
LEVE
R
41 S07959001 1
SM4.76-32X14 BOLT, SOCKET SM4.76-32X14
42 SB3792001 1
12.5 STUD 12.5
43 S47264001 1
SM4.37-40X4 SET SCREW, SOCKET (CP) SM4.37
44 SA8186002 1
REVERSE STITCHING LEVER ASS
Y
45 S02561021 1
SPRING HOOK PIN
46 SB3793001 1
SHAFT R-LEVER
47 147504221 1
SPACE
R
48 025100132 1
S10 WASHER PLAIN S 10
49 048080342 1
E8 RETAINING RING E8
50 S33680001 1 O
O RING
51 062670712 3
SM3.57-40X7 SCREW PAN SM3.57-40X7
52 S02562021 1
SPRING HOO
K
53 S02563001 1
SPRING, EXTENSION
54 153132020 1
L=13.5 NYLON TUBE L=13.5
55 145502021 1 POSITIONING PIN
56 100328001 1
NOTCH SPRING
S-7000DD-202
8
D. / Feed mechanism
S-7000DD-202
7
1
2
3
4
45
4
22
24
51
44
76
71
77 74
63
68
49 48
47 52 53
58
72
62
57
66
59
79
21 23
75
46
50
16
28
20
80
55
56
13
25
8
1+
29
32
83
15
14
15
31 30
12
11
81
54
82
18
17
40 78
42
39 33 37 34 35 36
26
27
32
19
9 10
16
43
41
38
2+
7
6
3+
5
84
69+
70
64 67
65
60
61
86
73
85

8
D. / Feed mechanism
NAME OF PARTS RM
<-
><For -[]03>
1+ SB3465001 1
3ECCENTRIC WHEEL W/S 3
2+ SB3472001 1 3STITCH LENGTH DIAL ASSY 3
3+ S02558201 1
EXTENSION SPRING
<-
><For -[]03A, -[]05>
1+ SB3467001 1
5ECCENTRIC WHEEL W/S 5
2+ SB3475001 1 5STITCH LENGTH DIAL ASSY 5
3+ S03818101 1
HEXTENSION SPRING, H
4 180322021 1 FEED LIFTING ARM ASS
Y
5 014771032 2
SM6.35-40X10 SET SCREW SOCKET SM6.35-40X10
6 SA4494001 1
SM4.76 SCREW SM4.76
7 108549001 1 O
O RING
8 S02554021 1
LEVEL FEED CONNECTING ROD
9 156948021 1
HOLDER
10 108960002 2
SM3.57 SCREW, FLAT SM3.57
11 SB3469001 1
C21 RETAINING RING EXTERNAL C21
12 SB2314001 1
21.5X31.5 WASHER 21.5X31.5
13 SB3787001 1
LEVEL FEED REGULATOR ASS
Y
14 SB3788001 1
LEVEL FEED REGULATO
R
15 156951021 2
FEED LINK STUD
16 014680632 2
SM4.37-40X6 SET SCREW SOCKET SM4.37-40X6
17 156952021 1
FEED ROCKER LINK ASS
Y
18 156955021 2
FEED ROCKER ARM LIN
K
19 156956021 1
LINK SHAFT
20 144458001 1
SM3.57-40X4.5 SET SCREW SM3.57-40X4.5
21 156957120 1
FEED ROCKER ARM
22 062711412 1
SM4.76-32X14 SCREW PAN SM4.76-32X14
23 156958021 1
FEED ROCK ARM SHAFT
24 014680632 1
SM4.37-40X6 SET SCREW SOCKET SM4.37-40X6
25 158021122 1
F-REGULATOR CONNECT. ROD ASS
Y
26 156966121 1 PIN
27 048060342 1
E6 RETAINING RING E6
28 120990001 1
SM4.37-40X8 SET SCREW, (CP) SM4.37-40X8
29 SB3789001 1
L FEED REGULATOR SHAFT L
30 SB3790001 1
FEED REGULATOR SHAFT
31 118735002 1
WASHE
R
32 012060636 2
M6X6 SET SCREW SOCKET (FT) M6X6
33 156969121 1 FEED REGULATOR
34 SB3791001 1
FEED REGULATOR SHAFT
35 S02556021 1
WASHE
R
36 048070342 1
E7 RETAINING RING E7
37 012060636 1
M6X6 SET SCREW SOCKET (FT) M6X6
38 SB3792001 1
12.5 STUD 12.5
39 S47264001 1
SM4.37-40X4 SET SCREW, SOCKET (CP) SM4.37
40 S02557120 1
LEVE
R
41 S07959001 1
SM4.76-32X14 BOLT, SOCKET SM4.76-32X14
42 SB3792001 1
12.5 STUD 12.5
43 S47264001 1
SM4.37-40X4 SET SCREW, SOCKET (CP) SM4.37
44 SA8186002 1
REVERSE STITCHING LEVER ASS
Y
45 S02561021 1
SPRING HOOK PIN
46 SB3793001 1
SHAFT R-LEVER
47 147504221 1
SPACE
R
48 025100132 1
S10 WASHER PLAIN S 10
49 048080342 1
E8 RETAINING RING E8
50 S33680001 1 O
O RING
51 062670712 3
SM3.57-40X7 SCREW PAN SM3.57-40X7
52 S02562021 1
SPRING HOO
K
53 S02563001 1
SPRING, EXTENSION
54 153132020 1
L=13.5 NYLON TUBE L=13.5
55 145502021 1 POSITIONING PIN
56 100328001 1
NOTCH SPRING
S-7000DD-202
8

9
D. / Feed mechanism
NAME OF PARTS RM
57 SB3477101 1
FEED ROCKER SHAF
T
58 S31014020 1
19.3 BUSH 19.3
59 048150142 1
C15 RETAINING RING EXTERNAL C15
60 SB3870001 1
SET SCREW COLLAR ASS
Y
61 014770632 2
SM6.35-40X6 SET SCREW SOCKET SM6.35-40X6
62 156244020 1
FEED ROCKER BRACKET ARM
63 062681212 2
SM4.37-40X12 SCREW PAN SM4.37-40X12
64 SB3794001 1
FEED BAR ASS
Y
65 S02573020 1
WASHE
R
66 SB3464001 1 FEED BAR STUD
67 158722021 1
4.2 WASHER PLAIN 4.2
68 120990001 2
SM4.37-40X8 SET SCREW, (CP) SM4.37-40X8
<-
><For -[]03>
69+ 111860121 1
FEED DOG
<-
><For -[]03 Europe, -[]03A>
69+ S02742001 1
FEED DOG
<-
><For -[]05>
69+ 150793021 1
FEED DOG
70 100080004 2
SM3.18-44X6.5 SCREW, SM3.18-44X6.5
71 SB3478101 1
FEED LIFTING ROCKER SHAFT
72 S31014020 1
19.3 BUSH 19.3
73 048150142 1
C15 RETAINING RING EXTERNAL C15
74 SB3870001 1
SET SCREW COLLAR ASS
Y
75 014770632 2
SM6.35-40X6 SET SCREW SOCKET SM6.35-40X6
76 S02575020 1
F-LIFTING ROCK SHAFT CRANK
77 062711212 1
SM4.76-32X12 SCREW PAN SM4.76-32X12
78 147509021 1
SM7.14 SHOULDER SCREW SM7.14
79 104689002 1
SM7.14 NUT 7.14
80 118758021 1
CONNECTING ROD, V-FEEDING
81 S02578121 1
REVERSE STITCHING LEVER PLATE
82 100511123 1
SM4.76 SCREW SM4.76
83 S04228001 1
SPRING HOO
K
84 062681412 1
SM4.37-40X14 SCREW PAN SM4.37-40X14
85 156243021 1
THRUST RING
86 156243021 1
THRUST RING
S-7000DD-202
10
D. / Feed mechanism
S-7000DD-202
9
1
2
3
4
45
4
22
24
51
44
76
71
77 74
63
68
49 48
47 52 53
58
72
62
57
66
59
79
21 23
75
46
50
16
28
20
80
55
56
13
25
8
1+
29
32
83
15
14
15
31 30
12
11
81
54
82
18
17
40 78
42
39 33 37 34 35 36
26
27
32
19
9 10
16
43
41
38
2+
7
6
3+
5
84
69+
70
64 67
65
60
61
86
73
85

10
D. / Feed mechanism
NAME OF PARTS RM
57 SB3477101 1
FEED ROCKER SHAF
T
58 S31014020 1
19.3 BUSH 19.3
59 048150142 1
C15 RETAINING RING EXTERNAL C15
60 SB3870001 1
SET SCREW COLLAR ASS
Y
61 014770632 2
SM6.35-40X6 SET SCREW SOCKET SM6.35-40X6
62 156244020 1
FEED ROCKER BRACKET ARM
63 062681212 2
SM4.37-40X12 SCREW PAN SM4.37-40X12
64 SB3794001 1
FEED BAR ASS
Y
65 S02573020 1
WASHE
R
66 SB3464001 1 FEED BAR STUD
67 158722021 1
4.2 WASHER PLAIN 4.2
68 120990001 2
SM4.37-40X8 SET SCREW, (CP) SM4.37-40X8
<-
><For -[]03>
69+ 111860121 1
FEED DOG
<-
><For -[]03 Europe, -[]03A>
69+ S02742001 1
FEED DOG
<-
><For -[]05>
69+ 150793021 1
FEED DOG
70 100080004 2
SM3.18-44X6.5 SCREW, SM3.18-44X6.5
71 SB3478101 1
FEED LIFTING ROCKER SHAFT
72 S31014020 1
19.3 BUSH 19.3
73 048150142 1
C15 RETAINING RING EXTERNAL C15
74 SB3870001 1
SET SCREW COLLAR ASS
Y
75 014770632 2
SM6.35-40X6 SET SCREW SOCKET SM6.35-40X6
76 S02575020 1
F-LIFTING ROCK SHAFT CRANK
77 062711212 1
SM4.76-32X12 SCREW PAN SM4.76-32X12
78 147509021 1
SM7.14 SHOULDER SCREW SM7.14
79 104689002 1
SM7.14 NUT 7.14
80 118758021 1
CONNECTING ROD, V-FEEDING
81 S02578121 1
REVERSE STITCHING LEVER PLATE
82 100511123 1
SM4.76 SCREW SM4.76
83 S04228001 1
SPRING HOO
K
84 062681412 1
SM4.37-40X14 SCREW PAN SM4.37-40X14
85 156243021 1
THRUST RING
86 156243021 1
THRUST RING
S-7000DD-202
10

11
E. / Knee lifter mechanism
NAME OF PARTS RM
1 SB3854001 1
KNEE LIFTER ASS
Y
2 SB1603001 1
KNEE LIFTER BRACKE
T
3 SB1604001 1
M6X15 BOLT 6X15
4 SB1605001 1
M6X24 BOLT 6X24
5 SB3480001 1
KNEE LIFTER BA
R
6 SB1607001 1
KNEE LIFTER PLATE
7 SB1609001 1 KNEE LIFTER PLATE STOPPE
R
8 SB1610001 1
M6X12 BOLT 6X12
9 SB1611001 1
KNEE LIFTER PLATE COVE
R
S-7000DD-203
12
E. / Knee lifter mechanism
S-7000DD-203
11
1
2
4
8
7
9
6
3
5

12
E. / Knee lifter mechanism
NAME OF PARTS RM
1 SB3854001 1
KNEE LIFTER ASS
Y
2 SB1603001 1
KNEE LIFTER BRACKE
T
3 SB1604001 1
M6X15 BOLT 6X15
4 SB1605001 1
M6X24 BOLT 6X24
5 SB3480001 1
KNEE LIFTER BA
R
6 SB1607001 1
KNEE LIFTER PLATE
7 SB1609001 1 KNEE LIFTER PLATE STOPPE
R
8 SB1610001 1
M6X12 BOLT 6X12
9 SB1611001 1
KNEE LIFTER PLATE COVE
R
S-7000DD-203
12

13
F. / Quick reverse mechanism
NAME OF PARTS RM
1 SB4022001 1
QUICK REVERSE SOLENOID
2 S02600100 1
SOLENOID LEVE
R
3 S07959001 1
SM4.76-32X14 BOLT, SOCKET SM4.76-32X14
4 062401216 3
M4X12 SCREW PAN M4X12
5 SB3993001 1
HARNESS HOLDE
R
6 062400616 1
M4X6 SCREW PAN M4X6
S-7000DD-205
14
F.
/ Quick reverse mechanism
S-7000DD-205
13
4
2
3
1
6
5

14
F. / Quick reverse mechanism
NAME OF PARTS RM
1 SB4022001 1
QUICK REVERSE SOLENOID
2 S02600100 1
SOLENOID LEVE
R
3 S07959001 1
SM4.76-32X14 BOLT, SOCKET SM4.76-32X14
4 062401216 3
M4X12 SCREW PAN M4X12
5 SB3993001 1
HARNESS HOLDE
R
6 062400616 1
M4X6 SCREW PAN M4X6
S-7000DD-205
14

15
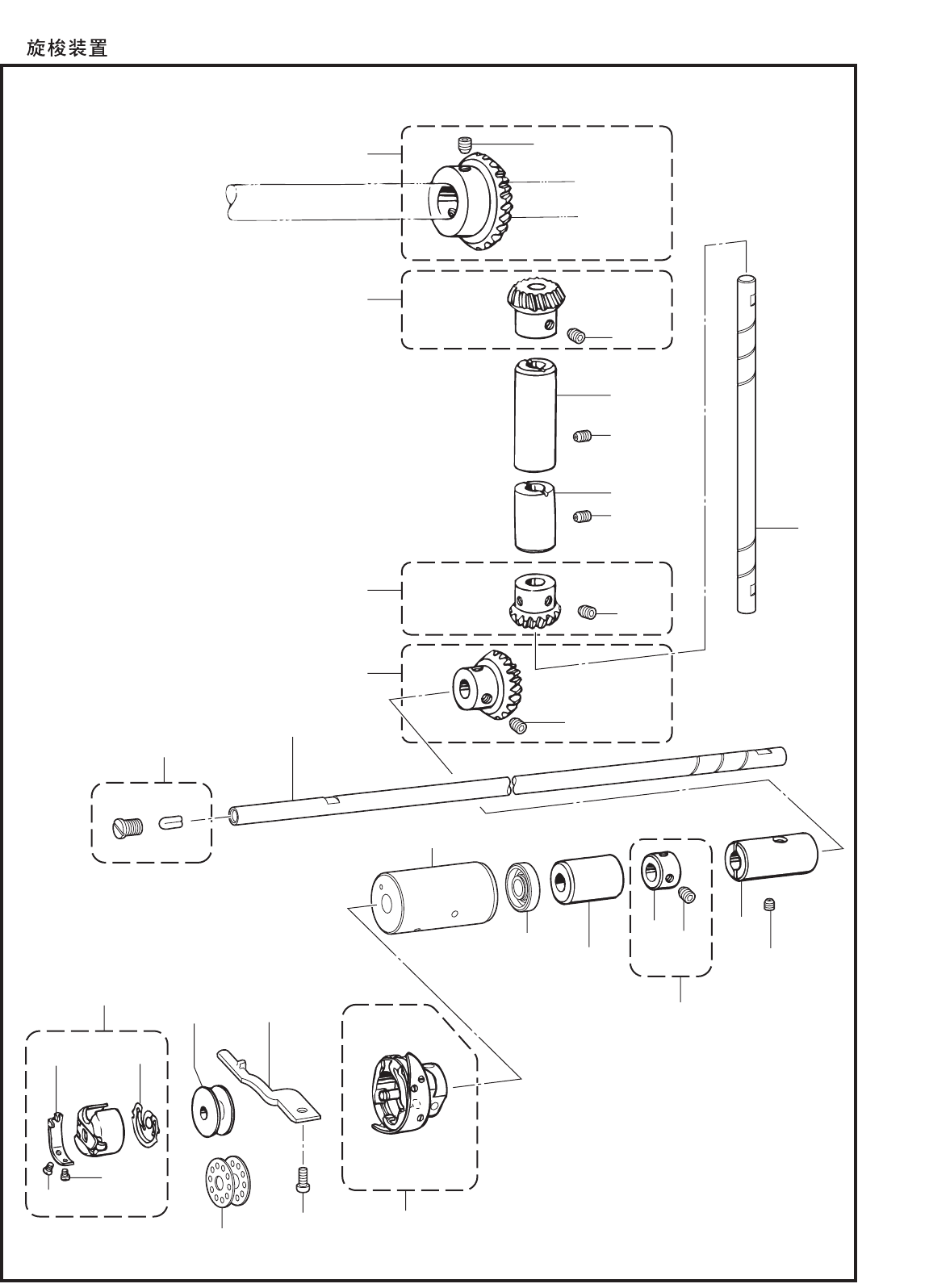
G. / Rotary hook mechanism
NAME OF PARTS RM
1 SA8159001 1
UPPER SHAFT BEVEL GEAR ASS
Y
2 014770632 2
SM6.35-40X6 SET SCREW SOCKET SM6.35-40X6
3 SA8160001 1
UVERTICAL BEVEL GEAR ASSY U
4 014770632 2
SM6.35-40X6 SET SCREW SOCKET SM6.35-40X6
5 SA8161001 1
DVERTICAL BEVEL GEAR ASSY
D
6 014770632 2
SM6.35-40X6 SET SCREW SOCKET SM6.35-40X6
7 SA8162001 1
LOWER SHAFT BEVEL GEAR ASS
Y
8 014770632 2
SM6.35-40X6 SET SCREW SOCKET SM6.35-40X6
9 SB3490101 1
VERTICAL SHAFT
10 142708120 1
VERTICAL SHAFT BUSH, U
11 012060636 2
M6X6 SET SCREW SOCKET (FT) M6X6
12 SB3856001 1
VERTICAL SHAFT BUSH D
13 SB3491001 1
ROTARY HOOK SHAFT
14 SA9945201 1
SCREW CAP W/HOLE ASS
Y
15 SB3493001 1
PUMP BUSH
16 SA9684001 1 OIL SEAL
17 104520020 1
LOWER SHAFT BUSH,
R
18 012060636 1
M6X6 SET SCREW SOCKET (FT) M6X6
19 SB3796001 1
SET SCREW COLLAR ASS
Y
20 SB3797001 1
SET SCREW COLLA
R
21 014770632 2
SM6.35-40X6 SET SCREW SOCKET SM6.35-40X6
<-
03
,
-
03A> <For -[]03, -[]03A>
22+ S02602021 1
HOOK STOPPE
R
23+ SB1305001 1
SB3338 ROTARY HOOK ASSY W/BOX SB333
8
24 146290021 1
BOBBIN
<-
><For -[]05>
22+ 159324021 1
HOOK STOPPE
R
23+ SB1677001 1
SB1678 ROTARY HOOK ASSY W/BOX SB167
8
25 117132001 1
BOBBIN
26 SA8903001 1
M4X12 SCREW M4X12
27 S06573001 1
BOBBIN CASE ASSEMBL
Y
28 183388001 1
TENSION SPRING
29 183389001 1
A
DJUSTING SCRE
W
30 183390001 1
SET SCRE
W
31 S06594001 1
SPRING, ANTI-SPIN
32 S31027020 1
LOWER SHAFT BUSH, M
S-7000DD-301
16
G. / Rotary hook mechanism
S-7000DD-301
15
10
11
11
12
9
30
25
26
29
32
16 18
17
21
20
19
27
14
24 22+
28 31
23+
13
15
2
1
3
5
7
4
8
6

16
G. / Rotary hook mechanism
NAME OF PARTS RM
1 SA8159001 1
UPPER SHAFT BEVEL GEAR ASS
Y
2 014770632 2
SM6.35-40X6 SET SCREW SOCKET SM6.35-40X6
3 SA8160001 1
UVERTICAL BEVEL GEAR ASSY U
4 014770632 2
SM6.35-40X6 SET SCREW SOCKET SM6.35-40X6
5 SA8161001 1
DVERTICAL BEVEL GEAR ASSY
D
6 014770632 2
SM6.35-40X6 SET SCREW SOCKET SM6.35-40X6
7 SA8162001 1
LOWER SHAFT BEVEL GEAR ASS
Y
8 014770632 2
SM6.35-40X6 SET SCREW SOCKET SM6.35-40X6
9 SB3490101 1
VERTICAL SHAFT
10 142708120 1
VERTICAL SHAFT BUSH, U
11 012060636 2
M6X6 SET SCREW SOCKET (FT) M6X6
12 SB3856001 1
VERTICAL SHAFT BUSH D
13 SB3491001 1
ROTARY HOOK SHAFT
14 SA9945201 1
SCREW CAP W/HOLE ASS
Y
15 SB3493001 1
PUMP BUSH
16 SA9684001 1 OIL SEAL
17 104520020 1
LOWER SHAFT BUSH,
R
18 012060636 1
M6X6 SET SCREW SOCKET (FT) M6X6
19 SB3796001 1
SET SCREW COLLAR ASS
Y
20 SB3797001 1
SET SCREW COLLA
R
21 014770632 2
SM6.35-40X6 SET SCREW SOCKET SM6.35-40X6
<-
03
,
-
03A> <For -[]03, -[]03A>
22+ S02602021 1
HOOK STOPPE
R
23+ SB1305001 1
SB3338 ROTARY HOOK ASSY W/BOX SB333
8
24 146290021 1
BOBBIN
<-
><For -[]05>
22+ 159324021 1
HOOK STOPPE
R
23+ SB1677001 1
SB1678 ROTARY HOOK ASSY W/BOX SB167
8
25 117132001 1
BOBBIN
26 SA8903001 1
M4X12 SCREW M4X12
27 S06573001 1
BOBBIN CASE ASSEMBL
Y
28 183388001 1
TENSION SPRING
29 183389001 1
A
DJUSTING SCRE
W
30 183390001 1
SET SCRE
W
31 S06594001 1
SPRING, ANTI-SPIN
32 S31027020 1
LOWER SHAFT BUSH, M
S-7000DD-301
16

17
H. / Lubrication
NAME OF PARTS RM
1 S02606020 1 OIL GAUGE WINDO
W
2 081014670 1 O
PW14 O RING PW14
3 SB3524001 1 UWICK HOLDER U ASS
Y
4 SB3500001 1 2X2 WICK 2X2
5 062670616 2
SM3.57-40X6 SCREW PAN SM3.57-40X6
6 SA8167101 1 DWICK HOLDER D ASS
Y
7 SA8169001 1 2X2 WIC
K
8 SB3501001 1
TUBE ASS
Y
9 SB3502001 1 2X2 WICK 2X2
10 SB3857001 1
L=95 VINYL TUBE L=95
11 SB3503001 1 OIL STOPPER PLATE
12 SB3504001 1
OIL STOPPER PLATE SUPPOR
T
13 062401616 2
M4X16 SCREW PAN M4X16
14 SB4015001 1 OIL SEAL
15 SB4527101 1
A
DJUSTING SCRE
W
16 081004870 1 O
S4 O RING S4
17 107155001 1 FELT
18 SB3505001 1 WIC
K
19 S40016001 1
2X25 OIL TUBE 2X25
20 SB3507001 1
VINYL TUBE
21 SB3992001 1
TUBE GUIDE
22 S25382001 1
OIL FEEDING PIPE
23 S38769000 1 FELT
24 SB3512001 1 WIC
K
25 SB3511001 1
VINYL TUBE
26 145737021 1
FELT SUPPORT
27 081004070 1 O
P4 O RING P4
28 S43669000 1 8L=320 WICK, 8 L=320
29 SB3514001 1 4X4 WICK 4X4
30 144875001 2
PLUNGE
R
31 SB3496001 1
CAP SCREW PUMP ASS
Y
32 SB3985001 1
CAP SCREW PUMP
33 S52764001 1
SPRING COMPRESSION
34 SB3522001 1
PUMP CAP SCREW ASS
Y
35 SB3523001 1
CAP SCREW PUMP
36 S52764001 1
SPRING COMPRESSION
37 104821001 1 10.5 RUBBER CAP, 10.5
38 SB2407001 1 6.4 RUBBER CAP 6.4
39 S25382001 2
OIL FEEDING PIPE
40 SB3554201 1 OIL COVER ASS
Y
41 SB3515001 1 OIL COVER
42 SB4447101 1
12.2 OIL FEEDING PIPE 12.2
43 SB3517001 1
KNEE LIFTER BAR RUBBER CA
P
44 SB3526101 1
OIL TANK UNIT
45 S25382001 1
OIL FEEDING PIPE
46 SA8989001 2
OIL FEEDING PIPE
47 081006670 1 O
PW6 O RING PW6
48 SA8987001 1
FILTER
49 SB4447101 1
12.2 OIL FEEDING PIPE 12.2
50 SA1303101 1
8SCREW M8
51 081008070 1 O
P8 O RING P8
52 SA8991001 1 35-12 RUBBER CAP 35-12
53 SB3508001 1
VINYL TUBE
54 SB3509001 1
VINYL TUBE
55 SB4037001 1
VINYL TUBE
56 104450101 1 8 RUBBER CAP, 8
57 0A4501206 5
(
)
M5X12DA SCREW PAN (S/P WASHER) M5X12
58 SB4448101 1 OIL COVER PACKING
S-7000DD-350
18
H. / Lubrication
S-7000DD-350
17
4
21
19
27
57
57 57
41
58
49 53
56
46
1
2
34
57
48
7
36
35
15 16
14
6
8
9
28
18
3
5
13
38
30
17
29
50
40
43
25
24
45
51
22
10
39
54
26
23
39
55
44
52
12
11
20
47
42
37
32
33
30
31

18
H. / Lubrication
NAME OF PARTS RM
1 S02606020 1 OIL GAUGE WINDO
W
2 081014670 1 O
PW14 O RING PW14
3 SB3524001 1 UWICK HOLDER U ASS
Y
4 SB3500001 1 2X2 WICK 2X2
5 062670616 2
SM3.57-40X6 SCREW PAN SM3.57-40X6
6 SA8167101 1 DWICK HOLDER D ASS
Y
7 SA8169001 1 2X2 WIC
K
8 SB3501001 1
TUBE ASS
Y
9 SB3502001 1 2X2 WICK 2X2
10 SB3857001 1
L=95 VINYL TUBE L=95
11 SB3503001 1 OIL STOPPER PLATE
12 SB3504001 1
OIL STOPPER PLATE SUPPOR
T
13 062401616 2
M4X16 SCREW PAN M4X16
14 SB4015001 1 OIL SEAL
15 SB4527101 1
A
DJUSTING SCRE
W
16 081004870 1 O
S4 O RING S4
17 107155001 1 FELT
18 SB3505001 1 WIC
K
19 S40016001 1
2X25 OIL TUBE 2X25
20 SB3507001 1
VINYL TUBE
21 SB3992001 1
TUBE GUIDE
22 S25382001 1
OIL FEEDING PIPE
23 S38769000 1 FELT
24 SB3512001 1 WIC
K
25 SB3511001 1
VINYL TUBE
26 145737021 1
FELT SUPPORT
27 081004070 1 O
P4 O RING P4
28 S43669000 1 8L=320 WICK, 8 L=320
29 SB3514001 1 4X4 WICK 4X4
30 144875001 2
PLUNGE
R
31 SB3496001 1
CAP SCREW PUMP ASS
Y
32 SB3985001 1
CAP SCREW PUMP
33 S52764001 1
SPRING COMPRESSION
34 SB3522001 1
PUMP CAP SCREW ASS
Y
35 SB3523001 1
CAP SCREW PUMP
36 S52764001 1
SPRING COMPRESSION
37 104821001 1 10.5 RUBBER CAP, 10.5
38 SB2407001 1 6.4 RUBBER CAP 6.4
39 S25382001 2
OIL FEEDING PIPE
40 SB3554201 1 OIL COVER ASS
Y
41 SB3515001 1 OIL COVER
42 SB4447101 1
12.2 OIL FEEDING PIPE 12.2
43 SB3517001 1
KNEE LIFTER BAR RUBBER CA
P
44 SB3526101 1
OIL TANK UNIT
45 S25382001 1
OIL FEEDING PIPE
46 SA8989001 2
OIL FEEDING PIPE
47 081006670 1 O
PW6 O RING PW6
48 SA8987001 1
FILTER
49 SB4447101 1
12.2 OIL FEEDING PIPE 12.2
50 SA1303101 1
8SCREW M8
51 081008070 1 O
P8 O RING P8
52 SA8991001 1 35-12 RUBBER CAP 35-12
53 SB3508001 1
VINYL TUBE
54 SB3509001 1
VINYL TUBE
55 SB4037001 1
VINYL TUBE
56 104450101 1 8 RUBBER CAP, 8
57 0A4501206 5
(
)
M5X12DA SCREW PAN (S/P WASHER) M5X12
58 SB4448101 1 OIL COVER PACKING
S-7000DD-350
18

19
J. / Threading mechanism
NAME OF PARTS RM
1 SB3483001 1 PRE-TENSION ASS
Y
2 012500536 1
M5X5 SET SCREW SOCKET (FT) M5X5
3 SB3595001 1
SPOOL PIN
4 SA8178001 1
TENSION RELEASE STUD
5 SB3530001 1
A
RM THREAD GUIDE
6 012500536 1
M5X5 SET SCREW SOCKET (FT) M5X5
7 SA1345001 1
R
A
RM THREAD GUIDE,
R
8 060500616 1
M5X6 SCREW BIND M5X6
9 SA9854001 1
THREAD TAKE-UP LEVER COVE
R
10 SB0544001 1
WASHE
R
11 062500816 1
M5X8 SCREW PAN M5X8
12 S02617001 1
FACE PLATE THREAD GUIDE
13 060350616 1
M3.5X6 SCREW BIND M3.5X6
14 SB3798001 1
THREAD GUIDE D
<-
03
,
-
03A> <For -[]03, -[]03A>
15+ SB3572001 1 THREAD TENSION BRACKET ASS
Y
16+ 104525102 1
TENSION SPRING
<-
><For -[]05>
15+ SB3574001 1 THREAD TENSION BRACKET ASS
Y
16+ S04632102 1
TENSION SPRING
17 116922101 1
TENSION STUD
18 145446021 2 DISC TENSION
19 SB3618001 1
TENSION DISC PRESSE
R
20 SB4216001 1
WASHE
R
21 SB4038001 1
TENSION NUT
22 SB1600001 1 THREAD TENSION BRACKE
T
23 100402004 1
SM3.57 SET SCREW SM3.57
24 S02620401 1
THREAD TAKE-UP SPRING
25 SA1229101 1
M6X6 SET SCREW (FT) M6X6
26 150551020 1
TENSION RELEASE PIN
S-7000DD-401
20
J. / Threading mechanism
S-7000DD-401
19
1
18
17
19 16+
20
21
24
22
26
25
4
5
14
6
11
9
10
3
2
12
13
15+
7 8
23

20
J. / Threading mechanism
NAME OF PARTS RM
1 SB3483001 1 PRE-TENSION ASS
Y
2 012500536 1
M5X5 SET SCREW SOCKET (FT) M5X5
3 SB3595001 1
SPOOL PIN
4 SA8178001 1
TENSION RELEASE STUD
5 SB3530001 1
A
RM THREAD GUIDE
6 012500536 1
M5X5 SET SCREW SOCKET (FT) M5X5
7 SA1345001 1
R
A
RM THREAD GUIDE,
R
8 060500616 1
M5X6 SCREW BIND M5X6
9 SA9854001 1
THREAD TAKE-UP LEVER COVE
R
10 SB0544001 1
WASHE
R
11 062500816 1
M5X8 SCREW PAN M5X8
12 S02617001 1
FACE PLATE THREAD GUIDE
13 060350616 1
M3.5X6 SCREW BIND M3.5X6
14 SB3798001 1
THREAD GUIDE D
<-
03
,
-
03A> <For -[]03, -[]03A>
15+ SB3572001 1 THREAD TENSION BRACKET ASS
Y
16+ 104525102 1
TENSION SPRING
<-
><For -[]05>
15+ SB3574001 1 THREAD TENSION BRACKET ASS
Y
16+ S04632102 1
TENSION SPRING
17 116922101 1
TENSION STUD
18 145446021 2 DISC TENSION
19 SB3618001 1
TENSION DISC PRESSE
R
20 SB4216001 1
WASHE
R
21 SB4038001 1
TENSION NUT
22 SB1600001 1 THREAD TENSION BRACKE
T
23 100402004 1
SM3.57 SET SCREW SM3.57
24 S02620401 1
THREAD TAKE-UP SPRING
25 SA1229101 1
M6X6 SET SCREW (FT) M6X6
26 150551020 1
TENSION RELEASE PIN
S-7000DD-401
20

21
K. / Bobbin winder mechanism
NAME OF PARTS RM
1 SB3529101 1 BOBBIN WINDER UNI
T
2 SB3571101 1 BOBBIN WINDER TENSION ASS
Y
3 SA1360101 1 KNIFE
4 062500616 1
M5X6 SCREW PAN M5X6
5 SB3619001 1
BOBBIN WINDER FIXED SCRE
W
S-7000DD-402
22
K. / Bobbin winder mechanism
S-7000DD-402
21
1
2
4
5
3

22
K. / Bobbin winder mechanism
NAME OF PARTS RM
1 SB3529101 1 BOBBIN WINDER UNI
T
2 SB3571101 1 BOBBIN WINDER TENSION ASS
Y
3 SA1360101 1 KNIFE
4 062500616 1
M5X6 SCREW PAN M5X6
5 SB3619001 1
BOBBIN WINDER FIXED SCRE
W
S-7000DD-402
22

23
L. / Thread trimmer mechanism
NAME OF PARTS RM
1 S00337021 1
THREAD TRIMMER CAM
2 014771032 2
SM6.35-40X10 SET SCREW SOCKET SM6.35-40X10
3 S02637101 1 FIXED KNIFE
4 102843004 1
SM3.57 SCREW, FLAT SM3.57
5 S02643001 1 LOWER THREAD FINGE
R
6 100645003 1
WASHE
R
7 062400616 1
M4X6 SCREW PAN M4X6
8 SB3556001 1 MOVABLE KNIFE HOLDE
R
9 SB3799001 1 KNIFE HOLDER PRESSER ASS
Y
10 100645003 2
WASHE
R
11 060401216 2
M4X12 SCREW BIND M4X12
12 S02645001 1 MOVABLE KNIFE
13 148537101 2
SM4.37 SCREW, FLAT (W/SOCKET) SM4.37
14 SB3557001 1
THREAD TRIMMER CONNECTING ROD
15 151987022 2
SM4.37 SHOULDER SCREW, SM4.37
16 105234003 1
SM4.37 NUT SM4.37
17 SB3558001 1
THREAD TRIMMER LEVE
R
18 SA7285101 1
LEVER STOPPE
R
19 062501416 1
M5X14 SCREW PAN M5X14
20 SB3559001 1
SPRING EXTENSION
21 SB3802001 1
FORKED SHAFT
22 S02648021 1
COLLAR
23 SB3803001 1
FORKED SHAFT BUSH
24 SB3852001 1
THREAD TRIMMER CAM LEVER UNIT
25 SB3853001 1
THREAD TRIMMER CAM LEVER ASS
Y
26 012060636 1
M6X6 SET SCREW SOCKET (FT) M6X6
27 154593321 1
THREAD TRIMMER CAM LEVER SHAF
T
28 154594020 1
COLLAR
29 S25434000 1
RUBBER CUSHION
30 154595001 1
SPRING, EXTENSION
31 154596000 1
CUSHION
32 110367001 1
8 WASHER, PLAIN SPECIAL
8
33 048060342 1
E6 RETAINING RING E6
34 SB3563001 1
THREAD TRIMMER SOLENOID ASS
Y
35 SB3568001 1
THREAD TRIMMER SOLENOID
36 SB3569001 1
SOLENOID BASE
37 062400816 4
M4X8 SCREW PAN M4X8
38 026050136 1
S5 WASHER PLAIN S 5
39 SB3564001 1
SOLENOID LEVE
R
40 SA9716001 1 PIN
41 048050142 1
C5 RETAINING RING EXTERNAL C5
42 062501016 2
M5X10 SCREW PAN M5X10
43 SB3565001 1
SOLENOID STOPPE
R
44 062400616 2
M4X6 SCREW PAN M4X6
45 SB3566001 1
M6 SHOULDER SCREW M6
46 155559021 1
WASHER PLAIN
47 SB3567001 1 25.5 RUBBER CAP 25.5
48 SA1388101 1 CORD HOLDER
49
A
10369001 1
5557-12R CONNECTOR 5557-12R
50 SB4490001 1
SOLENOID CONNECTOR CAP
51 060400616 1
M4X6 SCREW BIND M4X6
52 S04159000 3 1M BAND 1M
53 SB3804001 1
C ROLLER SHAFT C
54 SB3805001 1
ROLLER
55 105234003 1
SM4.37 NUT SM4.37
S-7000DD-403
24
L. / Thread trimmer mechanism
S-7000DD-403
23
1
6
7
42
43
44
45
19
18 2
48
49
52
26
33 32 31
15
29 28
27
30
16
14
4
38
46
41
37
24
5
51
50
9
8
10
12 13
3
17
25
35
40
34
36
39
23
21
22
11
20
47
15
5453
55

24
L. / Thread trimmer mechanism
NAME OF PARTS RM
1 S00337021 1
THREAD TRIMMER CAM
2 014771032 2
SM6.35-40X10 SET SCREW SOCKET SM6.35-40X10
3 S02637101 1 FIXED KNIFE
4 102843004 1
SM3.57 SCREW, FLAT SM3.57
5 S02643001 1 LOWER THREAD FINGE
R
6 100645003 1
WASHE
R
7 062400616 1
M4X6 SCREW PAN M4X6
8 SB3556001 1 MOVABLE KNIFE HOLDE
R
9 SB3799001 1 KNIFE HOLDER PRESSER ASS
Y
10 100645003 2
WASHE
R
11 060401216 2
M4X12 SCREW BIND M4X12
12 S02645001 1 MOVABLE KNIFE
13 148537101 2
SM4.37 SCREW, FLAT (W/SOCKET) SM4.37
14 SB3557001 1
THREAD TRIMMER CONNECTING ROD
15 151987022 2
SM4.37 SHOULDER SCREW, SM4.37
16 105234003 1
SM4.37 NUT SM4.37
17 SB3558001 1
THREAD TRIMMER LEVE
R
18 SA7285101 1
LEVER STOPPE
R
19 062501416 1
M5X14 SCREW PAN M5X14
20 SB3559001 1
SPRING EXTENSION
21 SB3802001 1
FORKED SHAFT
22 S02648021 1
COLLAR
23 SB3803001 1
FORKED SHAFT BUSH
24 SB3852001 1
THREAD TRIMMER CAM LEVER UNIT
25 SB3853001 1
THREAD TRIMMER CAM LEVER ASS
Y
26 012060636 1
M6X6 SET SCREW SOCKET (FT) M6X6
27 154593321 1
THREAD TRIMMER CAM LEVER SHAF
T
28 154594020 1
COLLAR
29 S25434000 1
RUBBER CUSHION
30 154595001 1
SPRING, EXTENSION
31 154596000 1
CUSHION
32 110367001 1
8 WASHER, PLAIN SPECIAL
8
33 048060342 1
E6 RETAINING RING E6
34 SB3563001 1
THREAD TRIMMER SOLENOID ASS
Y
35 SB3568001 1
THREAD TRIMMER SOLENOID
36 SB3569001 1
SOLENOID BASE
37 062400816 4
M4X8 SCREW PAN M4X8
38 026050136 1
S5 WASHER PLAIN S 5
39 SB3564001 1
SOLENOID LEVE
R
40 SA9716001 1 PIN
41 048050142 1
C5 RETAINING RING EXTERNAL C5
42 062501016 2
M5X10 SCREW PAN M5X10
43 SB3565001 1
SOLENOID STOPPE
R
44 062400616 2
M4X6 SCREW PAN M4X6
45 SB3566001 1
M6 SHOULDER SCREW M6
46 155559021 1
WASHER PLAIN
47 SB3567001 1 25.5 RUBBER CAP 25.5
48 SA1388101 1 CORD HOLDER
49
A
10369001 1
5557-12R CONNECTOR 5557-12R
50 SB4490001 1
SOLENOID CONNECTOR CAP
51 060400616 1
M4X6 SCREW BIND M4X6
52 S04159000 3 1M BAND 1M
53 SB3804001 1
C ROLLER SHAFT C
54 SB3805001 1
ROLLER
55 105234003 1
SM4.37 NUT SM4.37
S-7000DD-403
24

25
M. / Tension release mechanism
NAME OF PARTS RM
1 SB3576001 1
TENSION RELEASE WIRE
2 SB3877001 2
SM4.76 NUT SM4.76
3 SB3999101 1
WIRE HOLDE
R
4 062400616 1
M4X6 SCREW PAN M4X6
5 SB3575001 1
WIRE HOLDE
R
6 062400616 4
M4X6 SCREW PAN M4X6
S-7000DD-404
26
S-7000DD-404
25
M. / Tension release mechanism
3
4
1
5
2
6

26
M. / Tension release mechanism
NAME OF PARTS RM
1 SB3576001 1
TENSION RELEASE WIRE
2 SB3877001 2
SM4.76 NUT SM4.76
3 SB3999101 1
WIRE HOLDE
R
4 062400616 1
M4X6 SCREW PAN M4X6
5 SB3575001 1
WIRE HOLDE
R
6 062400616 4
M4X6 SCREW PAN M4X6
S-7000DD-404
26

27
N. (-40) / Thread wiper mechanism (-40[] or option parts)
NAME OF PARTS RM
1 SB4310001 1
THREAD WIPER DEVICE ASS
Y
2 SB4201001 1
THREAD WIPER SOLENOID
3 SA9771001 1
THREAD WIPER SPRING
4 S41205001 1
WASHER, PLAIN
5 SB0609001 1
SOLENOID SETTING PLATE
6 062301016 2
M3X10 SCREW PAN M3X10
7 140647121 1 CORD HOLDER
8 062300616 1
M3X6 SCREW PAN M3X6
9 S33610122 1
SOLENOID COVE
R
10 060400616 1
M4X6 SCREW BIND M4X6
11 S25456021 2
PLUNGER PIN
12 SB0611001 2
SPACE
R
13 SB0610001 1
SOLENOID SETTING BASE
14 062681012 2
SM4.37-40X10 SCREW PAN SM4.37-40X10
15 062400616 2
M4X6 SCREW PAN M4X6
16 026040236 2
M4 WASHER PLAIN M 4
17 S02672022 1
THREAD WIPER SUPPOR
T
18 S25452021 1
THREAD WIPER CRANK ASS
Y
19 048040342 1
E4 RETAINING RING E4
20 S25454021 1
SET SCREW COLLA
R
21 S25279101 1
M3.5-5 SET SCREW (CP) M3.5-5
22 S02678001 1
WIPER SPRING
23 SA8189001 1
THREAD WIPER LIN
K
24 110735022 1
WASHE
R
25 048030342 1
E3 RETAINING RING E3
26 S59890001 2
SM4.37-40X8 BOLT, SOCKET SM4.37-40X8
27 S02681101 1
THREAD WIPE
R
28 060400516 1
M4X5 SCREW BIND M4X5
29 146288021 1
THREAD WIPER STUD COLLA
R
30 025750132 1
S 5.56 WASHER PLAIN S SM5.56
31 S41207000 1
SPACER RUBBE
R
32 149097000 1 SILENT SHEET
S-7000DD-405
28
N. / Thread wiper mechanism (-40 or option parts)
S-7000DD-405
27
13
5
28
29
30
14
16
12
11
18
19
15
16
15
1
7
8
3
4
31
25
24
23
27
26
17
202232 21
10
2
9
14
6
11

28
N. (-40) / Thread wiper mechanism (-40[] or option parts)
NAME OF PARTS RM
1 SB4310001 1
THREAD WIPER DEVICE ASS
Y
2 SB4201001 1
THREAD WIPER SOLENOID
3 SA9771001 1
THREAD WIPER SPRING
4 S41205001 1
WASHER, PLAIN
5 SB0609001 1
SOLENOID SETTING PLATE
6 062301016 2
M3X10 SCREW PAN M3X10
7 140647121 1 CORD HOLDER
8 062300616 1
M3X6 SCREW PAN M3X6
9 S33610122 1
SOLENOID COVE
R
10 060400616 1
M4X6 SCREW BIND M4X6
11 S25456021 2
PLUNGER PIN
12 SB0611001 2
SPACE
R
13 SB0610001 1
SOLENOID SETTING BASE
14 062681012 2
SM4.37-40X10 SCREW PAN SM4.37-40X10
15 062400616 2
M4X6 SCREW PAN M4X6
16 026040236 2
M4 WASHER PLAIN M 4
17 S02672022 1
THREAD WIPER SUPPOR
T
18 S25452021 1
THREAD WIPER CRANK ASS
Y
19 048040342 1
E4 RETAINING RING E4
20 S25454021 1
SET SCREW COLLA
R
21 S25279101 1
M3.5-5 SET SCREW (CP) M3.5-5
22 S02678001 1
WIPER SPRING
23 SA8189001 1
THREAD WIPER LIN
K
24 110735022 1
WASHE
R
25 048030342 1
E3 RETAINING RING E3
26 S59890001 2
SM4.37-40X8 BOLT, SOCKET SM4.37-40X8
27 S02681101 1
THREAD WIPE
R
28 060400516 1
M4X5 SCREW BIND M4X5
29 146288021 1
THREAD WIPER STUD COLLA
R
30 025750132 1
S 5.56 WASHER PLAIN S SM5.56
31 S41207000 1
SPACER RUBBE
R
32 149097000 1 SILENT SHEET
S-7000DD-405
28

29
P1. / Control box
NAME OF PARTS RM
<
><For China>
1 SB4580001 1 7000DD
CN 7000DD BOX ASSY CN SUPPL
Y
<
><For General>
2 SB4581001 1 7000DD
EX 7000DD BOX ASSY EX SUPPL
Y
<
><For the Americas>
3 SB4582001 1 7000DD
US 7000DD BOX ASSY US SUPPL
Y
<
><For Europe>
4 SB4583001 1 7000DD
CE 7000DD BOX ASSY CE SUPPL
Y
<
><For China>
5+ SB4584001 1 CN MAIN PCB ASSY CN SUPPL
Y
<
><Except for China>
5+ SB4585001 1 EX MAIN PCB ASSY EX SUPPL
Y
6 149578020 2
BUSH
7 SB3584001 1
KNEE LIFTER
8 SB3585001 1
KNEE LIFTER SHAFT
9 SB3586001 1
SM5.95 BOLT SM5.95
10 SB3587001 1
SM5.95 SET SCREW SM5.95
11 100022004 1
SM5.95 NUT SM5.95
12 SB3588001 1
TWIST SPRING
13 146293001 1
E10 RETAINING RING E10
14 0A4400806 2
(
)
M4X8D
A
SCREW PAN (S/P WASHER) M4X
8
15 0A4400806 2
(
)
M4X8D
A
SCREW PAN (S/P WASHER) M4X
8
16 0A4400806 1
(
)
M4X8D
A
SCREW PAN (S/P WASHER) M4X
8
<
><For China>
17+ SB3816101 1
CN TREADLE UNIT CN
<
><For General>
17+ SB3817201 1
EX TREADLE UNIT EX
<
><For the Americas and Europe>
17+ SB4587101 1
US TREADLE UNIT US
18 0A5501206 4
(
)
M5X12 SCREW PAN (S/P WASHER) M5X12
19 0A5501206 4
(
)
M5X12 SCREW PAN (S/P WASHER) M5X12
20 SB3589001 1 BOX COVE
R
21 0A4400806 1
(
)
M4X8D
A
SCREW PAN (S/P WASHER) M4X
8
22 S37060001 1
LABEL, GROUNDING
23 SA9725001 1 36 X 150 LABEL ELECTRICAL SHOCK 36X150
24 SB3872001 1 BOX COVER PIN
25 SB4155001 1 BAND
26 SB0827001 1
HIGH TEMP LABEL
<
><For Europe>
27 SA9564001 1 CE
CE FILTER CASE
28 SA9565001 1 CE
CE FILTER PCB ASS
Y
29 032461606 4
M4.5X16 WOOD SCREW ROUND 2 M4.5X16
30 200190001 5 U STAPLE 10X20
31 S52164000 2
NFC-28 CORE: NFC-28
32 0A5401605 2
(
)
M4X16 SCREW PAN (S/P WASHER) M4X16
33 025040236 2
M4 WASHER PLAIN M 4
34 021400106 2
M4 NUT 1 M4
35 SA9559001 1 CE
CE FILTER BOX ASS
Y
S-7000DD-502
30
P1. / Control box
S-7000DD-502
29
< / For Europe >
10
28
33
31
32
34
6
22
14
23
26
24
11
12
20
6 7
27
8
5+
21
16
13
17+
9
15
18
35
14
19
25
29
30
1, 2, 3, 4

30
P1. / Control box
NAME OF PARTS RM
<
><For China>
1 SB4580001 1 7000DD
CN 7000DD BOX ASSY CN SUPPL
Y
<
><For General>
2 SB4581001 1 7000DD
EX 7000DD BOX ASSY EX SUPPL
Y
<
><For the Americas>
3 SB4582001 1 7000DD
US 7000DD BOX ASSY US SUPPL
Y
<
><For Europe>
4 SB4583001 1 7000DD
CE 7000DD BOX ASSY CE SUPPL
Y
<
><For China>
5+ SB4584001 1 CN MAIN PCB ASSY CN SUPPL
Y
<
><Except for China>
5+ SB4585001 1 EX MAIN PCB ASSY EX SUPPL
Y
6 149578020 2
BUSH
7 SB3584001 1
KNEE LIFTER
8 SB3585001 1
KNEE LIFTER SHAFT
9 SB3586001 1
SM5.95 BOLT SM5.95
10 SB3587001 1
SM5.95 SET SCREW SM5.95
11 100022004 1
SM5.95 NUT SM5.95
12 SB3588001 1
TWIST SPRING
13 146293001 1
E10 RETAINING RING E10
14 0A4400806 2
(
)
M4X8D
A
SCREW PAN (S/P WASHER) M4X
8
15 0A4400806 2
(
)
M4X8D
A
SCREW PAN (S/P WASHER) M4X
8
16 0A4400806 1
(
)
M4X8D
A
SCREW PAN (S/P WASHER) M4X
8
<
><For China>
17+ SB3816101 1
CN TREADLE UNIT CN
<
><For General>
17+ SB3817201 1
EX TREADLE UNIT EX
<
><For the Americas and Europe>
17+ SB4587101 1
US TREADLE UNIT US
18 0A5501206 4
(
)
M5X12 SCREW PAN (S/P WASHER) M5X12
19 0A5501206 4
(
)
M5X12 SCREW PAN (S/P WASHER) M5X12
20 SB3589001 1 BOX COVE
R
21 0A4400806 1
(
)
M4X8D
A
SCREW PAN (S/P WASHER) M4X
8
22 S37060001 1
LABEL, GROUNDING
23 SA9725001 1 36 X 150 LABEL ELECTRICAL SHOCK 36X150
24 SB3872001 1 BOX COVER PIN
25 SB4155001 1 BAND
26 SB0827001 1
HIGH TEMP LABEL
<
><For Europe>
27 SA9564001 1 CE
CE FILTER CASE
28 SA9565001 1 CE
CE FILTER PCB ASS
Y
29 032461606 4
M4.5X16 WOOD SCREW ROUND 2 M4.5X16
30 200190001 5 U STAPLE 10X20
31 S52164000 2
NFC-28 CORE: NFC-28
32 0A5401605 2
(
)
M4X16 SCREW PAN (S/P WASHER) M4X16
33 025040236 2
M4 WASHER PLAIN M 4
34 021400106 2
M4 NUT 1 M4
35 SA9559001 1 CE
CE FILTER BOX ASS
Y
S-7000DD-502
30

31
P2. / Control box
NAME OF PARTS RM
<100V> <For 100V>
1+ BMP3010-0000000-AST1 1 TRANSFORMER BOX
<110V> <For 110V>
1+ BMP3010-0000000-2ST1 1 TRANSFORMER BOX
<380V> <For 380V>
2+ BMP3010-0000000-3ST4 1 TRANSFORMER BOX
<400V> <For 400V>
2+ BMP3010-0000000-4ST4 1 TRANSFORMER BOX
< 100V/110V> <For Single phase 100V/110V>
3 SA9923001 1 100/110/220V TRANSFORMER 100/110/220V
< 380V/400V> <For Three phase 380V/400V>
4 SA9901001 1 400/230V TRANSFORMER 400/230V
5 SA9896001 1 TR BOX COVE
R
6 SA9914001 1 25 X 28 LABEL ELECTRICAL SHOCK 25X28
<
><For the Americas>
7 SA9831001 1
SJT#2 POWER SWITCH ASSY SJT#2
8 032461606 2
M4.5X16 WOOD SCREW ROUND 2 M4.5X16
9 200190001 5 U STAPLE 10X20
S-7000DD-502
32
P2. / Control box
S-7000DD-502
31
OFF ON
OFF ON
OFF ON
OFF ON
OFFON
OFFON
OFFON
OFFON
OFFON
OFFON
OFFON
OFFON
< / For the Americas >
< 100V / 110V
For Single phase 100V / 110V >
< 380V / 400V
For Three phase 380V / 400V >
6
1+
2+
7
3
4
9
8
8
9
9
8
5
6
5

32
P2. / Control box
NAME OF PARTS RM
<100V> <For 100V>
1+ BMP3010-0000000-AST1 1 TRANSFORMER BOX
<110V> <For 110V>
1+ BMP3010-0000000-2ST1 1 TRANSFORMER BOX
<380V> <For 380V>
2+ BMP3010-0000000-3ST4 1 TRANSFORMER BOX
<400V> <For 400V>
2+ BMP3010-0000000-4ST4 1 TRANSFORMER BOX
< 100V/110V> <For Single phase 100V/110V>
3 SA9923001 1 100/110/220V TRANSFORMER 100/110/220V
< 380V/400V> <For Three phase 380V/400V>
4 SA9901001 1 400/230V TRANSFORMER 400/230V
5 SA9896001 1 TR BOX COVE
R
6 SA9914001 1 25 X 28 LABEL ELECTRICAL SHOCK 25X28
<
><For the Americas>
7 SA9831001 1
SJT#2 POWER SWITCH ASSY SJT#2
8 032461606 2
M4.5X16 WOOD SCREW ROUND 2 M4.5X16
9 200190001 5 U STAPLE 10X20
S-7000DD-502
32

33
Q. / Quick reverse switch mechanism
NAME OF PARTS RM
1 SB4086001 1 LED
LED REVERSE SW ASS
Y
2 062670612 2
SM3.57-40X6 SCREW PAN SM3.57-40X6
3 SA8193001 2 U2 CORD HOLDER U2
4 062670612 2
SM3.57-40X6 SCREW PAN SM3.57-40X6
5 SB2408101 2 CORD HOLDER
S-7000DD-508
34
S-7000DD-508
33
Q. / Quick reverse switch mechanism
5
5
1
2
4
3
3
4

34
Q. / Quick reverse switch mechanism
NAME OF PARTS RM
1 SB4086001 1 LED
LED REVERSE SW ASS
Y
2 062670612 2
SM3.57-40X6 SCREW PAN SM3.57-40X6
3 SA8193001 2 U2 CORD HOLDER U2
4 062670612 2
SM3.57-40X6 SCREW PAN SM3.57-40X6
5 SB2408101 2 CORD HOLDER
S-7000DD-508
34

35
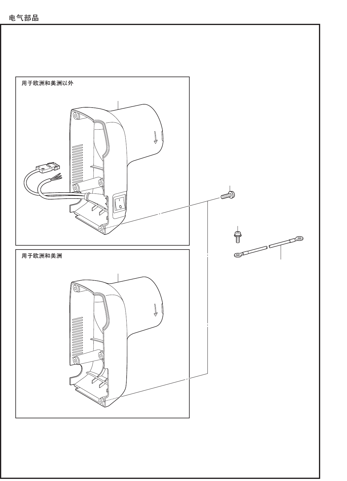
R. / Power supply equipment
NAME OF PARTS RM
<
><Except for Europe and the Americas>
1 SB3834001 1 MOTOR COVER ASS
Y
<
><For Europe and the Americas>
2 SB3620001 1 EX MOTOR COVER EX
3 SB3621001 1
GROUND WIRE
4 0A4400806 1
(
)
M4X8D
A
SCREW PAN (S/P WASHER) M4X
8
5 0A4501606 4
(
)
M5X16DA SCREW PAN (S/P WASHER) M5X16
S-7000DD-515
36
S-7000DD-515
35
R. / Power supply equipment
< / For Europe and the Americas >
< / Except for Europe and the Americas >
3
4
5
1
2

36
R. / Power supply equipment
NAME OF PARTS RM
<
><Except for Europe and the Americas>
1 SB3834001 1 MOTOR COVER ASS
Y
<
><For Europe and the Americas>
2 SB3620001 1 EX MOTOR COVER EX
3 SB3621001 1
GROUND WIRE
4 0A4400806 1
(
)
M4X8D
A
SCREW PAN (S/P WASHER) M4X
8
5 0A4501606 4
(
)
M5X16DA SCREW PAN (S/P WASHER) M5X16
S-7000DD-515
36

37
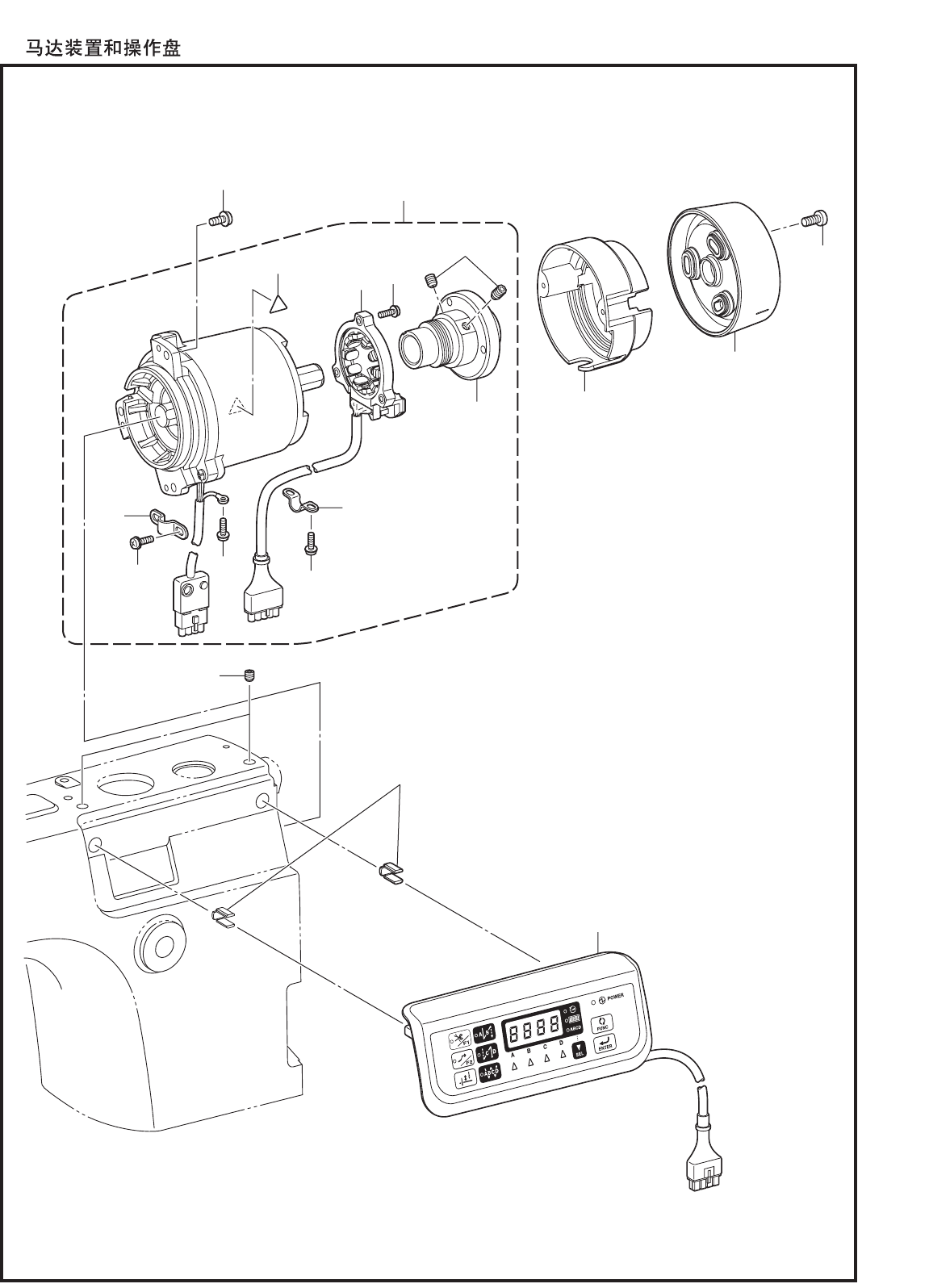
S. / Motor mechanism and operation panel
NAME OF PARTS RM
1 SB4311001 1
(
7000DD
)
MOTOR 7000DD SUPPLY
2 SB3609001 1
RESOLVER STATOR ASS
Y
3 0A4301206 3
(
)
M3X12DA SCREW PAN (S/P WASHER) M3X12
4 SB2315001 1 PULLEY HOLDER ASS
Y
5 012501032 2
M5X10 SET SCREW SOCKET (FT) M5X10
6 SB2317001 2 CORD HOLDER
7 0A4400806 1
(
)
M4X8D
A
SCREW PAN (S/P WASHER) M4X
8
8 SB0827001 1
HIGH TEMP LABEL
9 SB3247001 1
RESOLVER COVE
R
10 0A4501606 3
(
)
M5X16DA SCREW PAN (S/P WASHER) M5X16
11 SB4154001 1 PULLE
Y
12 060501016 3
M5X10 SCREW BIND M5X10
13 SB3652201 1 PANEL ASS
Y
14 SB3655001 2
PANEL SUPPOR
T
15 012500536 2
M5X5 SET SCREW SOCKET (FT) M5X5
16 0A4300806 4
(
)
M3X8D
A
SCREW PAN (S/P WASHER) M3X
8
S-7000DD-650
38
S. / Motor mechanism and operation panel
S-7000DD-650
37
16
9
11
14
12
6
7
16
6
15
8
10
13
1
23
5
4

38
S. / Motor mechanism and operation panel
NAME OF PARTS RM
1 SB4311001 1
(
7000DD
)
MOTOR 7000DD SUPPLY
2 SB3609001 1
RESOLVER STATOR ASS
Y
3 0A4301206 3
(
)
M3X12DA SCREW PAN (S/P WASHER) M3X12
4 SB2315001 1 PULLEY HOLDER ASS
Y
5 012501032 2
M5X10 SET SCREW SOCKET (FT) M5X10
6 SB2317001 2 CORD HOLDER
7 0A4400806 1
(
)
M4X8D
A
SCREW PAN (S/P WASHER) M4X
8
8 SB0827001 1
HIGH TEMP LABEL
9 SB3247001 1
RESOLVER COVE
R
10 0A4501606 3
(
)
M5X16DA SCREW PAN (S/P WASHER) M5X16
11 SB4154001 1 PULLE
Y
12 060501016 3
M5X10 SCREW BIND M5X10
13 SB3652201 1 PANEL ASS
Y
14 SB3655001 2
PANEL SUPPOR
T
15 012500536 2
M5X5 SET SCREW SOCKET (FT) M5X5
16 0A4300806 4
(
)
M3X8D
A
SCREW PAN (S/P WASHER) M3X
8
S-7000DD-650
38

39
Z. / Accessories
NAME OF PARTS RM
<-
03
,
-
03A> <For -[]03, -[]03A>
1 146290021 1
BOBBIN
<-
><For -[]05>
2 117132001 1
BOBBIN
3 SB3622001 1
RUBBER HINGE ASS
Y
4 SB3627001 2
HEAD HINGE
5 SB3628001 2
RUBBER CUSHION
6 SB3623101 2
HEAD CUSHION
7 109714020 4 NAIL
8 SB4018101 2
HEAD CUSHION
9 SB3629001 1
S HEAD REST S
10 SA8239201 1 OIL TANK ASS
Y
11 SB1270001 1
OIL WARNING LABEL EN
12 SB1271001 1
OIL WARNING LABEL JP
13 SB3876001 1
HEAD COVE
R
14 SB3928001 1 2DR COTTON STAND ASSY 2D
R
15 S51283001 2
SPOOL STAND BASE
16 SB4114001 2 SPOOL MAT
17 S51282101 2
SPOOL CUSHION
18 150179023 2
B SPOOL SHAFT B
19 SB4117001 2
2-5 WASHER SPRING 2-5
20 SB4119001 2
M5 NUT 2 M5
21 SA6607001 2
2 SPOOL HOLDER 2
22 150183000 2
THREAD HANGER BASE
23 142990001 2
THREAD BUSH
24 SA6609001 2
SPOOL HOLDER SUPPORTE
R
25 062061603 2
M6X16 SCREW PAN M6X16
26 S02747101 1
SPRING
27 SB3625001 1
BOLT SQUARE ASS
Y
28 SB3626001 4
M8X46 BOLT M8X46
29 SB4243001 4
L8 WASHER PLAIN L 8
30 028080242 4
2-8 WASHER SPRING 2-8
31 021080202 4
M8 NUT 2 M8
<
><Option parts>
32 S40765001 1
CONNECTING ROD ASS
Y
33 021060106 2
M6 NUT 1 M6
34 017081606 2
M8X16 BOLT M8X16
35 021080106 2
M8 NUT 1 M8
36 S36119021 2
M6 NUT 1 M6
37 S36121021 2
2-6 WASHER SPRING 2-6
S-7000DD-910
40
Z. / Accessories
S-7000DD-910
39
< / Option parts >
1 2
5
7
13
4
3
8
6
14
21
15
17
20
31
30
29
28
18
19
21
26
23
22
24
25
24
16
25
9
10
11
12
27
32 36
37
36
37
34
33
33
35

40
Z. / Accessories
NAME OF PARTS RM
<-
03
,
-
03A> <For -[]03, -[]03A>
1 146290021 1
BOBBIN
<-
><For -[]05>
2 117132001 1
BOBBIN
3 SB3622001 1
RUBBER HINGE ASS
Y
4 SB3627001 2
HEAD HINGE
5 SB3628001 2
RUBBER CUSHION
6 SB3623101 2
HEAD CUSHION
7 109714020 4 NAIL
8 SB4018101 2
HEAD CUSHION
9 SB3629001 1
S HEAD REST S
10 SA8239201 1 OIL TANK ASS
Y
11 SB1270001 1
OIL WARNING LABEL EN
12 SB1271001 1
OIL WARNING LABEL JP
13 SB3876001 1
HEAD COVE
R
14 SB3928001 1 2DR COTTON STAND ASSY 2D
R
15 S51283001 2
SPOOL STAND BASE
16 SB4114001 2 SPOOL MAT
17 S51282101 2
SPOOL CUSHION
18 150179023 2
B SPOOL SHAFT B
19 SB4117001 2
2-5 WASHER SPRING 2-5
20 SB4119001 2
M5 NUT 2 M5
21 SA6607001 2
2 SPOOL HOLDER 2
22 150183000 2
THREAD HANGER BASE
23 142990001 2
THREAD BUSH
24 SA6609001 2
SPOOL HOLDER SUPPORTE
R
25 062061603 2
M6X16 SCREW PAN M6X16
26 S02747101 1
SPRING
27 SB3625001 1
BOLT SQUARE ASS
Y
28 SB3626001 4
M8X46 BOLT M8X46
29 SB4243001 4
L8 WASHER PLAIN L 8
30 028080242 4
2-8 WASHER SPRING 2-8
31 021080202 4
M8 NUT 2 M8
<
><Option parts>
32 S40765001 1
CONNECTING ROD ASS
Y
33 021060106 2
M6 NUT 1 M6
34 017081606 2
M8X16 BOLT M8X16
35 021080106 2
M8 NUT 1 M8
36 S36119021 2
M6 NUT 1 M6
37 S36121021 2
2-6 WASHER SPRING 2-6
S-7000DD-910
40

41
41
S-7000DD-Wa
Wa. / Warning labels
56 X 43
12
L=16
L=28.4
L
L
L=25
L=16
LHigh temp label
36 X 150
L
Label caution
Label electrical shock
36 X 150
Label electrical shock
25 X 28
36 X 150
25 X 28
Injury mark
Injury mark
Label, grounding
/ Warning labels /
Size(mm)
/ Name of parts /
Code
SA9826-001
SA9957-002
SA9957-001
SB0827-001
S37060-001
SA9725-001
SA9914-001

42
42
S-7000DD-Wa
Wa. / Warning labels
68 X 30
68 X 30
/ Warning labels /
Size(mm)
/ Name of parts /
Code
Oil warning label JP
Oil warning label EN
SB1271-001
SB1270-001

43
Ga. / Gauge parts list
/
Mark
,, /
For General export,
the Americas & China
E18 111859301 111860121 153037221
/
For Europe
B18
145971101 S02742001 S36902001
-03A /
For China
B18
145971101 S02742001 S36902001
,, /
For General export,
the Americas & China
H26 150792101 150793021 150789121
/
For Europe H26 150792101 150793021 S36903001
S-7000DD-Ga
43
-03
-05
/
Feed dog
/
Presser foot assy
/
Needle plate
/
Specification
/
Destination

44
/ Index
CODE Page CODE Page CODE Page CODE Page
012060636 B - 25 4 062400616 A - 13 2 105234003 L - 55 24 153132020 D - 54 8
012060636 D - 32 8 062400616 F - 6 14 107155001 H - 17 18 154593321 L - 27 24
012060636 D - 37 8 062400616 L - 7 24 108520001 A - 9 2 154594020 L - 28 24
012060636 G - 11 16 062400616 L - 44 24 108549001 D - 7 8 154595001 L - 30 24
012060636 G - 18 16 062400616 M - 4 26 108960002 D - 10 8 154596000 L - 31 24
012060636 L - 26 24 062400616 M - 6 26 109714020 Z - 7 40 155559021 L - 46 24
012400536 B - 20 4 062400616 N - 15 28 109763022 C - 13 6 156243021 D - 85 10
012500536 C - 15 6 062400816 L - 37 24 110367001 L - 32 24 156243021 D - 86 10
012500536 J - 2 20 062401216 F - 4 14 110735022 N - 24 28 156244020 D - 62 10
012500536 J - 6 20 062401616 H - 13 18 111466121 C - 1 6 156948021 D - 9 8
012500536 S - 15 38 062500616 K - 4 22 111859301 B - 34+ 4 156951021 D - 15 8
012501032 S - 5 38 062500816 J - 11 20 111859301 Ga 43 156952021 D - 17 8
014680632 D - 16 8 062501016 L - 42 24 111860121 D - 69+ 10 156955021 D - 18 8
014680632 D - 24 8 062501216 A - 6 2 111860121 Ga 43 156956021 D - 19 8
014770632 B - 9 4 062501416 L - 19 24 114561001 B - 37 4 156957120 D - 21 8
014770632 D - 61 10 062670612 Q - 2 34 116922101 J - 17 20 156958021 D - 23 8
014770632 D - 75 10 062670612 Q - 4 34 117132001 G - 25 16 156966121 D - 26 8
014770632 G - 2 16 062670616 H - 5 18 117132001 Z - 2 40 156969121 D - 33 8
014770632 G - 4 16 062670712 D - 51 8 118735002 D - 31 8 158021122 D - 25 8
014770632 G - 6 16 062671212 A - 19 2 118758021 D - 80 10 158722021 D - 67 10
014770632 G - 8 16 062681012 N - 14 28 120990001 D - 28 8 159324021 G - 22+ 16
014770632 G - 21 16 062681212 D - 63 10 120990001 D - 68 10 180018151 B - 36 4
014771032 B - 11 4 062681412 D - 84 10 140004001 B - 16 4 180322021 D - 4 8
014771032 B - 13 4 062711212 D - 77 10 140407021 C - 6 6 183388001 G - 28 16
014771032 D - 5 8 062711412 D - 22 8 140553102 B - 31 4 183389001 G - 29 16
014771032 L - 2 24 081004070 H - 27 18 140647121 N - 7 28 183390001 G - 30 16
017081606 Z - 34 40 081004870 H - 16 18 141728001 C - 5 6 200190001 P1 - 30 30
021060106 Z - 33 40 081006670 H - 47 18 142274101 B - 28 4 200190001 P2 - 9 32
021060306 C - 25 6 081008070 H - 51 18 142403001 C - 30 6 A10369001 L - 49 24
021080106 Z - 35 40 081014670 H - 2 18 142708120 G - 10 16 BMP3010-0000000-2ST1
021080202 Z - 31 40 0A4300806 S - 16 38 142990001 Z - 23 40 P2 - 1+ 32
021400106 P1 - 34 30 0A4301206 S - 3 38 144458001 D - 20 8 BMP3010-0000000-3ST4
025040236 P1 - 33 30 0A4400806 P1 - 14 30 144875001 H - 30 18 P2 - 2+ 32
025100132 D - 48 8 0A4400806 P1 - 15 30 145446021 J - 18 20 BMP3010-0000000-4ST4
025350132 C - 11 6 0A4400806 P1 - 16 30 145480121 C - 22 6 P2 - 2+ 32
025750132 N - 30 28 0A4400806 P1 - 21 30 145502021 D - 55 8 BMP3010-0000000-AST1
026040236 N - 16 28 0A4400806 R - 4 36 145580001 C - 12 6 P2 - 1+ 32
026050136 L - 38 24 0A4400806 S - 7 38 145737021 H - 26 18 S00337021 L - 1 24
028080242 Z - 30 40 0A4501206 H - 57 18 145971101 B - 34+ 4 S02546402 C - 16 6
032461606 P1 - 29 30 0A4501606 R - 5 36 145971101 Ga 43 S02554021 D - 8 8
032461606 P2 - 8 32 0A4501606 S - 10 38 146288021 N - 29 28 S02556021 D - 35 8
048030342 N - 25 28 0A5401605 P1 - 32 30 146290021 G - 24 16 S02557120 D - 40 8
048040342 C - 18 6 0A5501206 P1 - 18 30 146290021 Z - 1 40 S02558201 D - 3+ 8
048040342 N - 19 28 0A5501206 P1 - 19 30 146293001 P1 - 13 30 S02561021 D - 45 8
048050142 L - 41 24 100022004 P1 - 11 30 147504221 D - 47 8 S02562021 D - 52 8
048060342 B - 22 4 100080004 D - 70 10 147509021 D - 78 10 S02563001 D - 53 8
048060342 D - 27 8 100328001 D - 56 8 148537101 L - 13 24 S02573020 D - 65 10
048060342 L - 33 24 100402004 J - 23 20 149097000 N - 32 28 S02575020 D - 76 10
048070342 D - 36 8 100511123 D - 82 10 149578020 P1 - 6 30 S02578121 D - 81 10
048080342 D - 49 8 100645003 L - 6 24 150179023 Z - 18 40 S02600100 F - 2 14
048150142 D - 59 10 100645003 L - 10 24 150183000 Z - 22 40 S02602021 G - 22+ 16
048150142 D - 73 10 101487000 B - 29 4 150384101 C - 9 6 S02606020 H - 1 18
060350616 J - 13 20 102843004 L - 4 24 150551020 J - 26 20 S02617001 J - 12 20
060400516 N - 28 28 104449001 A - 7 2 150789121 C - 7+ 6 S02620401 J - 24 20
060400616 L - 51 24 104449001 A - 18 2 150789121 Ga 43 S02637101 L - 3 24
060400616 N - 10 28 104450101 A - 8 2 150792101 B - 34+ 4 S02643001 L - 5 24
060401216 L - 11 24 104450101 A - 14 2 150792101 Ga 43 S02645001 L - 12 24
060500616 J - 8 20 104450101 H - 56 18 150793021 D - 69+ 10 S02648021 L - 22 24
060501016 S - 12 38 104520020 G - 17 16 150793021 Ga 43 S02672022 N - 17 28
062061016 A - 3 2 104525102 J - 16+ 20 151594001 B - 33 4 S02678001 N - 22 28
062061603 Z - 25 40 104689002 D - 79 10 151987022 L - 15 24 S02681101 N - 27 28
062300616 N - 8 28 104821001 H - 37 18 153037221 C - 7+ 6 S02742001 D - 69+ 10
062301016 N - 6 28 105234003 L - 16 24 153037221 Ga 43 S02742001 Ga 43
44
REF.NO REF.NO REF.NO REF.NO

45
/ Index
CODE Page CODE Page CODE Page CODE Page
S02747101 Z - 26 40 SA8145001 B - 14 4 SB2314001 D - 12 8 SB3563001 L - 34 24
S03818101 D - 3+ 8 SA8152001 C - 14 6 SB2315001 S - 4 38 SB3564001 L - 39 24
S04159000 L - 52 24 SA8159001 G - 1 16 SB2317001 S - 6 38 SB3565001 L - 43 24
S04228001 D - 83 10 SA8160001 G - 3 16 SB2407001 B - 8 4 SB3566001 L - 45 24
S04632102 J - 16+ 20 SA8161001 G - 5 16 SB2407001 H - 38 18 SB3567001 L - 47 24
S06573001 G - 27 16 SA8162001 G - 7 16 SB2408101 Q - 5 34 SB3568001 L - 35 24
S06594001 G - 31 16 SA8167101 H - 6 18 SB3247001 S - 9 38 SB3569001 L - 36 24
S07959001 D - 41 8 SA8169001 H - 7 18 SB3433001 A - 4 2 SB3571101 K - 2 22
S07959001 F - 3 14 SA8178001 J - 4 20 SB3434001 A - 5 2 SB3572001 J - 15+ 20
S13385001 C - 10 6 SA8186002 D - 44 8 SB3435001 A - 15 2 SB3574001 J - 15+ 20
S23651001 B - 40 4 SA8189001 N - 23 28 SB3436001 A - 16 2 SB3575001 M - 5 26
S25279101 N - 21 28 SA8193001 Q - 3 34 SB3437001 A - 17 2 SB3576001 M - 1 26
S25382001 H - 22 18 SA8239201 Z - 10 40 SB3440001 A - 1 2 SB3584001 P1 - 7 30
S25382001 H - 39 18 SA8436001 B - 24 4 SB3441001 A - 2 2 SB3585001 P1 - 8 30
S25382001 H - 45 18 SA8903001 G - 26 16 SB3442001 A - 11 2 SB3586001 P1 - 9 30
S25434000 L - 29 24 SA8987001 H - 48 18 SB3445001 B - 1+ 4 SB3587001 P1 - 10 30
S25452021 N - 18 28 SA8989001 H - 46 18 SB3446201 B - 7 4 SB3588001 P1 - 12 30
S25454021 N - 20 28 SA8991001 H - 52 18 SB3447001 B - 2+ 4 SB3589001 P1 - 20 30
S25456021 N - 11 28 SA9523001 B - 38 4 SB3449001 B - 12 4 SB3595001 J - 3 20
S31006002 C - 26 6 SA9559001 P1 - 35 30 SB3455201 B - 27 4 SB3609001 S - 2 38
S31014020 D - 58 10 SA9564001 P1 - 27 30 SB3458001 B - 32 4 SB3618001 J - 19 20
S31014020 D - 72 10 SA9565001 P1 - 28 30 SB3460001 C - 23 6 SB3619001 K - 5 22
S31027020 G - 32 16 SA9684001 G - 16 16 SB3461001 C - 21 6 SB3620001 R - 2 36
S31952021 C - 28 6 SA9716001 L - 40 24 SB3463001 C - 19 6 SB3621001 R - 3 36
S32958000 B - 23 4 SA9725001 P1 - 23 30 SB3464001 D - 66 10 SB3622001 Z - 3 40
S33610122 N - 9 28 SA9725001 Wa 41 SB3465001 D - 1+ 8 SB3623101 Z - 6 40
S33680001 D - 50 8 SA9771001 N - 3 28 SB3467001 D - 1+ 8 SB3625001 Z - 27 40
S36119021 Z - 36 40 SA9826001 A - 20 2 SB3469001 D - 11 8 SB3626001 Z - 28 40
S36121021 Z - 37 40 SA9826001 Wa 41 SB3472001 D - 2+ 8 SB3627001 Z - 4 40
S36902001 C - 8+ 6 SA9831001 P2 - 7 32 SB3475001 D - 2+ 8 SB3628001 Z - 5 40
S36902001 Ga 43 SA9854001 J - 9 20 SB3477101 D - 57 10 SB3629001 Z - 9 40
S36903001 C - 8+ 6 SA9896001 P2 - 5 32 SB3478101 D - 71 10 SB3652201 S - 13 38
S36903001 Ga 43 SA9901001 P2 - 4 32 SB3480001 E - 5 12 SB3655001 S - 14 38
S37060001 P1 - 22 30 SA9914001 P2 - 6 32 SB3483001 J - 1 20 SB3769001 B - 10 4
S37060001 Wa 41 SA9914001 Wa 41 SB3490101 G - 9 16 SB3770001 B - 3+ 4
S37060021 A - 21 2 SA9923001 P2 - 3 32 SB3491001 G - 13 16 SB3771001 B - 4+ 4
S38769000 H - 23 18 SA9945201 G - 14 16 SB3493001 G - 15 16 SB3775001 B - 18 4
S39051001 C - 27 6 SA9957001 A - 22 2 SB3496001 H - 31 18 SB3776001 B - 19 4
S40016001 H - 19 18 SA9957001 Wa 41 SB3500001 H - 4 18 SB3777001 B - 3+ 4
S40765001 Z - 32 40 SA9957002 A - 23 2 SB3501001 H - 8 18 SB3778001 B - 4+ 4
S41205001 N - 4 28 SA9957002 Wa 41 SB3502001 H - 9 18 SB3782001 B - 30 4
S41207000 N - 31 28 SB0544001 J - 10 20 SB3503001 H - 11 18 SB3783001 B - 5+ 4
S43669000 H - 28 18 SB0609001 N - 5 28 SB3504001 H - 12 18 SB3784001 B - 5+ 4
S46736001 C - 17 6 SB0610001 N - 13 28 SB3505001 H - 18 18 SB3785001 C - 2 6
S47264001 D - 39 8 SB0611001 N - 12 28 SB3507001 H - 20 18 SB3786001 C - 4 6
S47264001 D - 43 8 SB0827001 P1 - 26 30 SB3508001 H - 53 18 SB3787001 D - 13 8
S51282101 Z - 17 40 SB0827001 S - 8 38 SB3509001 H - 54 18 SB3788001 D - 14 8
S51283001 Z - 15 40 SB0827001 Wa 41 SB3511001 H - 25 18 SB3789001 D - 29 8
S52164000 P1 - 31 30 SB1270001 Z - 11 40 SB3512001 H - 24 18 SB3790001 D - 30 8
S52764001 H - 33 18 SB1270001 Wa 42 SB3514001 H - 29 18 SB3791001 D - 34 8
S52764001 H - 36 18 SB1271001 Z - 12 40 SB3515001 H - 41 18 SB3792001 D - 38 8
S59890001 N - 26 28 SB1271001 Wa 42 SB3517001 H - 43 18 SB3792001 D - 42 8
SA1229101 J - 25 20 SB1305001 G - 23+ 16 SB3522001 H - 34 18 SB3793001 D - 46 8
SA1303101 H - 50 18 SB1600001 J - 22 20 SB3523001 H - 35 18 SB3794001 D - 64 10
SA1345001 J - 7 20 SB1603001 E - 2 12 SB3524001 H - 3 18 SB3796001 G - 19 16
SA1360101 K - 3 22 SB1604001 E - 3 12 SB3526101 H - 44 18 SB3797001 G - 20 16
SA1388101 L - 48 24 SB1605001 E - 4 12 SB3529101 K - 1 22 SB3798001 J - 14 20
SA2161001 B - 21 4 SB1607001 E - 6 12 SB3530001 J - 5 20 SB3799001 L - 9 24
SA2422001 B - 17 4 SB1609001 E - 7 12 SB3554201 H - 40 18 SB3802001 L - 21 24
SA4494001 D - 6 8 SB1610001 E - 8 12 SB3556001 L - 8 24 SB3803001 L - 23 24
SA6607001 Z - 21 40 SB1611001 E - 9 12 SB3557001 L - 14 24 SB3804001 L - 53 24
SA6609001 Z - 24 40 SB1677001 G - 23+ 16 SB3558001 L - 17 24 SB3805001 L - 54 24
SA7285101 L - 18 24 SB2267002 C - 3 6 SB3559001 L - 20 24 SB3816101 P1 - 17+ 30
45
REF.NO REF.NO REF.NO REF.NO

46
/ Index
CODE Page CODE Page CODE Page CODE Page
SB3817201 P1 - 17+ 30
SB3834001 R - 1 36
SB3850001 A - 12 2
SB3851201 B - 26 4
SB3852001 L - 24 24
SB3853001 L - 25 24
SB3854001 E - 1 12
SB3856001 G - 12 16
SB3857001 H - 10 18
SB3870001 D - 60 10
SB3870001 D - 74 10
SB3872001 P1 - 24 30
SB3876001 Z - 13 40
SB3877001 M - 2 26
SB3878001 C - 20 6
SB3912001 B - 6+ 4
SB3913001 B - 6+ 4
SB3928001 Z - 14 40
SB3977001 B - 39 4
SB3985001 H - 32 18
SB3986001 A - 10 2
SB3992001 H - 21 18
SB3993001 F - 5 14
SB3999101 M - 3 26
SB4015001 H - 14 18
SB4016001 C - 24 6
SB4018101 Z - 8 40
SB4022001 F - 1 14
SB4037001 H - 55 18
SB4038001 J - 21 20
SB4039001 B - 2+ 4
SB4074001 B - 1+ 4
SB4084001 B - 6+ 4
SB4086001 Q - 1 34
SB4114001 Z - 16 40
SB4117001 Z - 19 40
SB4119001 Z - 20 40
SB4154001 S - 11 38
SB4155001 P1 - 25 30
SB4190001 B - 35 4
SB4201001 N - 2 28
SB4216001 J - 20 20
SB4243001 Z - 29 40
SB4285001 C - 29 6
SB4310001 N - 1 28
SB4311001 S - 1 38
SB4447101 H - 42 18
SB4447101 H - 49 18
SB4448101 H - 58 18
SB4490001 L - 50 24
SB4492001 B - 15 4
SB4527101 H - 15 18
SB4580001 P1 - 1 30
SB4581001 P1 - 2 30
SB4582001 P1 - 3 30
SB4583001 P1 - 4 30
SB4584001 P1 - 5+ 30
SB4585001 P1 - 5+ 30
SB4587101 P1 - 17+ 30
46
REF.NO REF.NO REF.NO REF.NO

47
PARTS BOOK
S-7000DD
SB4302-001.C/E
2013.05.B (1)
© 2013 Brother Industries, Ltd. All Rights Reserved.