YAMATO AZ6500G A PARTS BOOK
Yamato Az 6500G-A Instruction Manual YAMATO AZ 6500G-A INSTRUCTION MANUAL
2016-10-19
: ACE&EASTMAN Yamato Az6500G-A Parts Book YAMATO AZ6500G-A PARTS BOOK NEW YAMATO YAMATO
Open the PDF directly: View PDF .
Page Count: 52



CONTENTS
El&
MISCELLANEOUS COVERS(1)
*jJ/<-BB(l)
1
It
JI
(2).
It
(2) 2
II
(3).
II
(3)......
3
MISCELLANEOUS THREAD EYELETS
.*a/gJs.........
4
MISCELLANEOUS CRANKSHAFT
&
BUSHINGS
*3aRU3Y91B&*
5
NEEDLE BAR DRIVING MECHANISM
&###*
6
KNIFE DRIVING MECHANISM.
%X##-
7
PRESSER
FOOT
MECHANISM
.#I##.........
8
UPPER LOOPER DRIVING MECHANISM
*+~b-/Ca#*
9
LOWER
&
DOUBLE CHAINING LOOPER DRIVING MECHANISM
T
.
2
Bkm~b-/C##
10
FEED DRIVING CONTROL MECHANISM
9
*m%lJSB&#*
11
FEED DRIVING MECHANISM
.gIJ##.
12
LUBRICATING MECHANISM.
.Sj@##.
13
EXCLUSIVE PARTS
for
UPPER KNIFE(Angled Type),
~~6500~5.
fVABW€?b#MM
14
AZ6500G-A4-52 EXCLUSIVE PARTS
VI€T",baHBkR
15
'K1"DEVlCE. 'K1
"siep.
16
'C"DEVlCE
'c"sm
17
MISCELLANEOUS SUPPORTING BOARD
W+&BB
18
THREAD STAND 19
WARNING LABEL.
#=T&)b.
20
LIST
of
MAIN SPARE PARTS
*%SBfilJXI-*
21
INDEX.
eSij1.
22
...............
......
...............
.......
.......
....................
.....................
.......
......................
........
.....................
........
....................
......
.......................
.........

30
AZ6500G

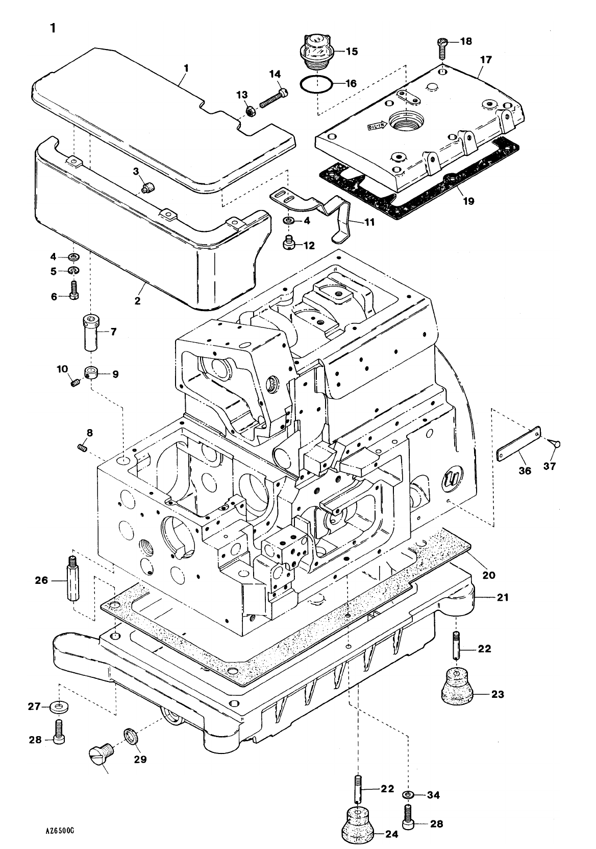
MISCELLANEOUS COVERS(1)
Ref. Parts
A
A-MS
(1
1
Amt
.
&
1
2
3
4
5
6
7
8
9
10
11
12
13
14
15
16
17
18
19
20
21
22
23
24
25
26
27
28
29
30
Na
2100006
2150210
2100014
001123
000644
11
0045
2100011
160001
2100012
003637
2150015
110012
100001
110031
0020004
0020005
2100053
110016
2150026
2500864
2100863
006816
0032879
0033627
2100875
300004
120017
0020137
005075
........
.........
.........
Oil
Reservoir.
a%+.
-1
Screw(1/4-24x8)
k+9.
-4
Oil
Reservoir Rubber
Cushion(Black-colored)l$Bi3=1'A
(%&)
3
Oil
Reservoir Rubber
Cushion(Green-colored)IR7@=1"
(a&)
1
Oil
Reservoir Positioning Bar
j@i%+@FZ#
-4
Washer
.7\p-;/y..
-4
Screw(M5-0.8x15)
k*?2.
-6
Drain Hole Seal
I<
y
+
2
-1
Drain Hole Screw(3/8-24X8)
#I&++V
*1
........
.........
................................
............
.......
........
.........
.
.........
31
.........................................
32
.........................................
33
.........................................
34 300043 Washer
.7y.;/y..
02
35
.........................................
36 2049401 Serial Number Plate
.&&?V-b.......
-1
37 000726 Rivet..
-2
............
.......
...........
.........
A26500C

2
l4
I
15
AZ6500G

MISCELLANEOUS COVERS
(2)
Ref. Parts
Parts No.
Threading Chart
,
Mode 1
s
A26
50
OG
390670
Na
Na
1
2150016
--
2
3
4
5
6
7
8
9
10
11
12
13
14
15
16
17
18
19
20
21
22
23
24
25
26
27
28
29
30
110013
110001
2150018
170032
000010
2150125
110076
000444
2150023
110012
2 15 0024
190015
2150025
110106
390177
390098
390097
2100538
0024446
001203
0020016
003637
2 10 0024
0024095
2 10 08
55
2100703
110003
2129423
----
31 2100856 Front Cover Latch
mm+$A-yyF
1
32 110054 Screw(M3-0.5~3.5)
.k$9.
-2
33 390513 Threading Chart (Left)
3&B?m(&)
*1
......
.........
~~~~~~*~~~~~~45(~-9~~,
I.f%%E$itP)
?2shb*Tsb’o
Note
:
Order for Model Plate must
be
accompanied by model designation(inc1uding
symbols of gauge and devices).
65OOG
-
52 390670
AZ6500C

3
1
2
7
\
AZ6500G

MISCELLANEOUS COVERS
(3)
Ref. Parts
Na
Na
1
2100035
--
Description
a”a
4
Req.
Feed Mechanism Cover
z!lk&A-
*1
2
2100921 Feed Mechanism Cover Gasket
*%!lk&~<--/<~+>
1
3
110048 Screw(M4-0.7x10)
k$~2.
*5
4 2100047 Rubber Cushion
-H%EE(+)
*I
5 2110027 O-ring(p52)
.
. .
.
.
01)
~7’.
.
.
.
.
.
*1
6 2110026 Ball Bearing Holder
4711
>Y@s
*1
7 110013 Screw(M4-0.7x8)
.k*C2.
-7
........
.........
.
.........
g
.........................................
10
150004 Screw(M4-0.7x6)
k;fc-y.
-1
........
.........
11
12
13
14
15
16
17
18
19
20
........
2150022
2100861
0033024
00685 17
330008
330000
2150017
110064
2100918
..........
........
21 2100037 Tailcover
.gap<-.
*1
22 0036518 Seal Plug.
.%@...........
*1
23 2100960
Ball
Bearing Housing
*np9>9’*
*1
Ball Bearing Housing Gasket
np9>9’1<y+>
1
25 130003 Screw(M4-0.7x7.3)
.
k*?J.
03
24 2100874
26 0093528 Looper Thread Pipe Stay
%a1<-4?3=
‘1
27 0021735 Looper Thread Pipe
.&jjp<dy.
.......
-1
..........
.........
AZ6500G

4
AZ6500G
18

MISCELLANEOUS THREAD EYELETS
Ref. Parts
*aaR
4
Amt
.
&
1
2
3
4
5
6
7
8
9
10
11
12
13
14
15
16
17
18
19
Na
2100063
110013
0024084
0024083
0024157
0020118
000178
0031111
000177
190016
0032962
0032952
0030255
0024156
2150116
002 22 15
2100404
110009
........
Description
El
25
Recl.
Thread Guide Plate
&%fi@ii-
‘1
Tension Disc Eyelet
%%+$%z
.
3
Tension Spring(Upper Looper Thread)kiL-)q%a+)-.;’$
1
Tension Spring(Doub1e Chain Thread)
j2i-%S+)q$(2%3S)
1
Tension Spring(Need1e Thread)
*&&Z+A$
‘1
Tension Disc
Eyelet
for
Needle Thread
6&&3Ej++&Z
1
Looper Thread Pipe
&Z){dY
‘2
Double Chaining Looper Thread Eyelet(Rear)
2lj&b-$@(#)
1
Screw(M4-0.7x8)
.&+y.
-3
.......
.........
................................
20
.........................................
21
.........................................
22
.........................................
23
24
25
26
27
28
29
30
31
32
33
34
35
36
37
38
39
40
........
2150124
110001
2150115
006035
000644
000322
2150167
2150162
11
0002
2150131
2150173
130026
2150160
11
0041
000653
2150165
110008
*
Ref.
No.
41
to
68
*****
See the following page.
AZ6500C

MISCELLANEOUS THREAD EYELETS
Ref. Parts
%ZMR
4
Amt
.
--
Na
Na
Description
&
%
Res.
41 2150151 Thread Eyelet Stopper
IX~ZX
b
.=/if
-1
42
43
44
45
46
47
48
49
50
51
52
53
54
55
56
57
58
59
60
61
62
63
64
65
66
67
68
110091
0020123
190002
0020124
0020125
0020126
000182
0020167
009853
0020165
000010
190000
0020166
2150111
2150112
2150132
17 0049
2150027
0093303
2100229
2150119
110035
2150123
2150120
2150121
000014
110026
.......
Thread Eyelet Bracket
IX,*Z*.
-1
Conical Spring Washer
*llIl.A$9.=/Y+
-1
Screw(M4-0.7~7)
k$:>.
-1
Thread Retaining Finger
%%Pp
-1
Thread Retainer Plate Support
/J~#T#Z.
-1
Thread Retainer Plate
/J\ZRI+DI.*
'1
Thread Retainer Spring
*/]\%J~IUlA;iC
-1
Screw(M2-0.4x4)
k$?>.
-1
Looper Holder Cover
]b-A+J*A-
......
-1
........
.........
........
.........
Looper Driving Shaft Oil Seal
ib-A@%41bY-ib
1
Looper Holder Cover Spacer(Rubber)
ib--ifik?*A-z4--%
1
Looper Thread Eyelet(Left)
ib--A*Z(E)
-1
Screw(M4-0.7~10)
........
k$:>
..........
-3
Thread Eyelet Support
&$jj$@+j-#j
-1
Lower Looper Thread Eyelet
-Fib-~<%a
*1
Upper Looper Thread Eyelet
-tib-iq&B
-1
Washer
.7y-;/~.
*2
Screw(M3-0.5x6)
........
k*~>.
.........
-2
............
........
*
Ref.
No.
1
to
40
*****
See the preceding page.
AZ6500G

5
AZ6500G

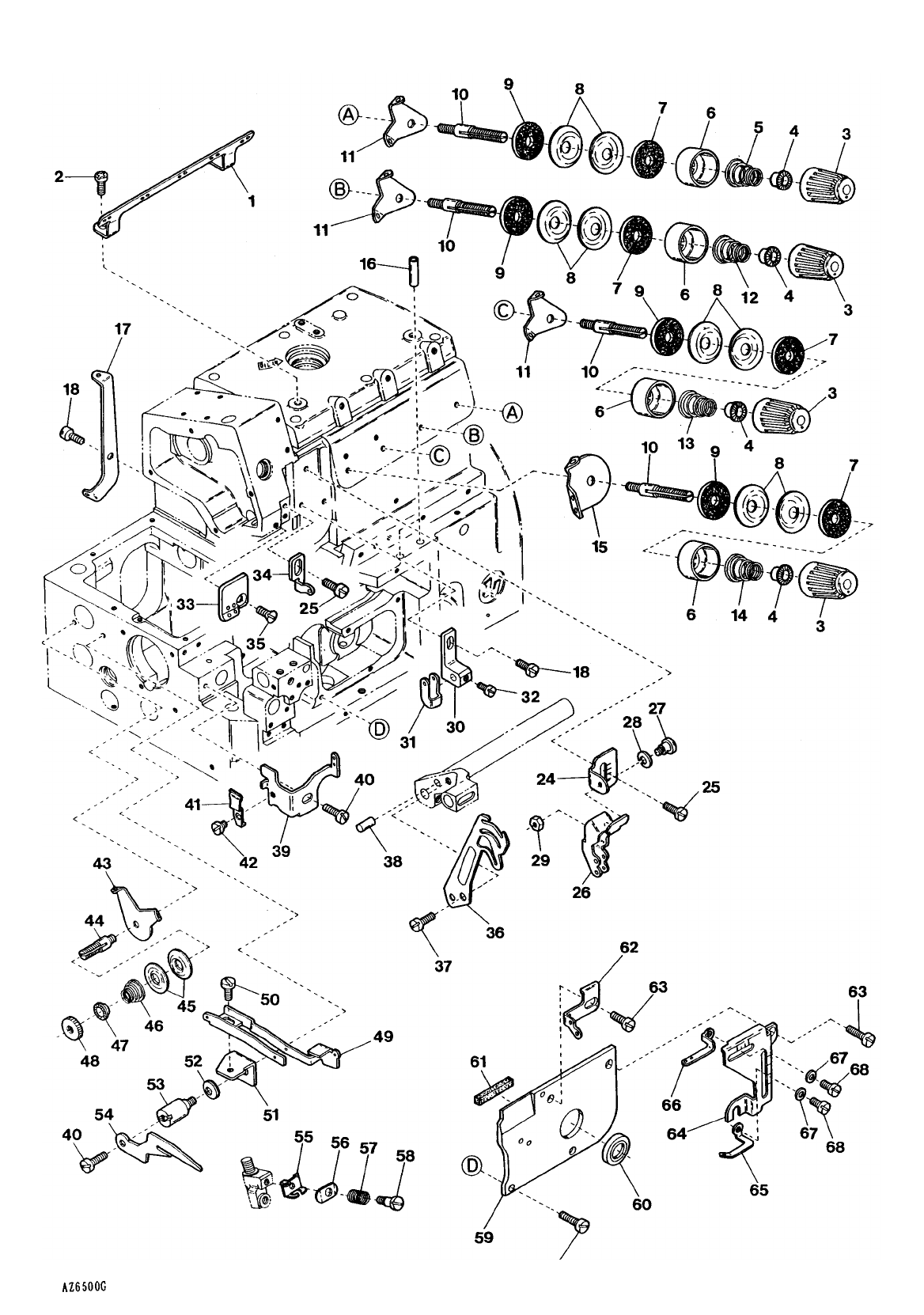
MISCELLANEOUS CRANKSHAFT
&
BUSH
I
NGS
Ref. Parts
&
1
2
3
4
5
6
7
8
9
10
Na
2 1502 14
160007
2100625
160001
211 0184
2110183
009
3090
3100129
2150096
2150038
12
.........................................
13
.........
14
160027
15 2100872
16 2120537
17 2100410
18
2150039
19 2100105
20 2150043
21
22
23
24
25
26
27
28
29
30
2100117
2
150049
2
150048
003636
000526
2150040
310109
2150041
2150046
2
150047
31 2100272
32 2150044
33 2150045
34 0077301
35 2100412
36 2100413
37 2150042
38 2150069
39 2100414
40 2100417
................................
........
.........
Screw(M3-0.5~3)
%$?>.
-5
Crankshaft Ball Bearing(Left)
zK-1~479
>?(&)
1
Double Chaining Looper Thread Take-up&3iJ+kA
*1
Thread Take
-
up Pin
-%3iJ+AAlzo> -1
Crankshaft Bushing
/JA~.~>z
*1
Upper Knife Driving Shaft Bushing(Right)k%
X@y.y>=~(&)
1
Upper KnifeOFeed Bar Driving Shaft Bushing
kjX@*i$Y#?~h
2
Upper Knife Driving Shaft Oil Seal
k%
X&&4ib>-ib
1
Needle
Bar
Driving Shaft Bushing(Right)
##3%3@?yYz(&)
1
Needle
Bar Driving Shaft Bushing(Left)
$l#??~S@?yYz(&>
1
Cap
Screw(5/16-32x3.5)
-S$9
-1
Gasket
/qy*y
-1
Needle
Bar
Bushing(Upper)
&I-$$Yy>=(k)
-1
Oilwick
.i$x...........
-1
Needle Bar Bushing(Lower)
&I-@?’y>=(T)
*1
Upper Looper Driving Shaft Bushing(Front)
W*?yYz(bl)
1
Upper
Looper
Driving Shaft Bushing(Rear)
b-j(#t?yYa(#)
1
............
.
.........
...........
Looper Driving Shaft Oil Seal
ib-)q&$411,>-1~
1
Lower
Looper
Driving Shaft Bushing(Front1
7;W%?y’Jt(bl)
1
Lower
Looper Driving Shaft Bushing(Rear)
7;il/-Avy~~(#)
1
Looper Shaft Oil Seal
~~-A~$~Iv>-II,
1
Double Chaining
Looper
Shaft
Bushing(Front)Zf~-/~@~Y’Ji(~)
1
Double Chaining Looper Shaft Bushing(Rear)
Zf&-A@?y’Jz(#)
1
Feed Bar Driving Shaft Bushing(Left)
g!l@Yy>=(&)
.
1
Looper Rocker Shaft Bushing
i~--,qm@@ly..:,v=
.
2
Seal Plug
...........
.$&.
..........
*1
Seal Plug
...........
.$&.
..........
*1
41 2100098
Control Lever Shaft Bushing
%!J@lm~A-@y.y>=~
1
42 2150050
Needle
Bar
&
Needle
Bar
Bushing, C. Set
j%t.$$*’yY.=~(#fi)l
43 2100642
Needle Bar
..........
.#+$$.
..........
*1
AZ6500G

6
16
1
AZ6500G

NEEDLE BAR DR
I
V
I
NG MECHAN
I
SM
Ref. Parts
6
Amt
.
&
1
2
3
4
5
6
7
8
9
10
11
12
13
14
15
16
17
18
19
20
21
22
23
24
25
26
27
28
29
30
31
32
33
34
35
36
37
38
39
40
Na
2150105
120049
2
100144
160002
2100899
120006
2100137
160003
2150510
2150500
2100136
300008
140003
2100138
2100176
31 0089
2150051
110006
160016
2
100642
21591
11
003637
2150057
2150058
000035
110009
2100502
110001
2108050
005345
2100145
110011
0032604
2109211
110002
2150035
3100370
2100152
310005
Description
Dil
U
43
Req.
Needle
Bar
Driving Connecting Rod&$$m
Y
F
-1
*
Ref.
No.
41
to
53
*****
See the following page.
AZ6500G

NEEDLE
BAR
DR
I
V
I
NG MECHAN
ISM
Ref. Parts
steam
6
Amt
.
5
41
42
43
44
45
46
47
49
50
48
Na
2100533
310001
2100535
2100536
000393
110013
000567
2150150
2109212
320008
Description
&
43
Req,
HR
Felt Holder
*HR7=1kb9+*
-1
........
.........
51 007627 Screw(M4-0.7x6)
k*,y.
-2
52 2109210 Needle Guard(Front) (Overlock Stitch)
&---.."&&+(r3;s)
1
53 110027 Screw(M2.5-0.45x3.5)
ok-9
-2
Ile
Ref. No.
1
to 40
*****
See the preceding page.
bZ6500G

30099zv
L

KNIFE DRIVING MECHANISM
%
x#3pt
7
Ref. Parts
Amt
.
--
Na
Na
Description
a"p
$5
Req.
1
2100160 Upper Knife Driving Connecting Rodk%Xm
Y
F
-1
2
120049 Screw(M4-0.7x16)
k*22.
-2
3 2100173 Driving Lever Pin
-t%
X@jj$jtoY
*1
4 160002 Screw(M4-0.7~5)
k$Q.
*1
5 2100162
Upper
Knife Driving Lever
1%X$&@i*
*1
6 120006 Screw(M6-lx12)
k;3::2
-1
7
2100161 Collar(lOx19x9mm)~
*&?-*
*I
8
160003 Screw(M5-0.8~5)
k$c2.
'2
9 2150060 Upper Knife Driving Shaft
1%X@
*1
10 2100165 Upper Knife Holder Positioner
k%XzbibY'k'Y
-1
........
.........
........
.........
.........
..........
........
.........
11
12
13
14
15
16
17
18
19
20
21
22
23
24
25
26
27
28
29
30
2 100418
110035
0020496
000532
110004
009 3864
2150020
110012
2100174
2150019
110001
2100009
2150021
00329 19
2 100419
110046
000688
2100167
2100168
140014
AZ6500C

8
AZ6500G

PRESSER
FOOT
MECHAN
ISM
#=&I#
8
Ref. Parts
Amt
.
-
-
Na
Na
Description
a"p
45
Req.
1
190080 Adjusting Screw(M10-0.75X30)
*i$J@$9
*I
2
100073 LockNut
p.73-f.yb.
-1
3 2100181 Presser Spring
#=/$*.
'1
4 2150145 PresserBar..
.#S#.
*1
5 2100580 Presser
Arm
Positioning Guide Pin#sE%BIs"Y
*I
6 000482 Spring Pin
~yg
'/y'ko~.
*1
7 2150146 Presser
Arm
Stop
*#=EX
byA
*1
8
110012 Screw(M4-0.7~5)
k$c>.
'1
9
2150147 Presser Foot Release Lever
+BY
'1
10 2150148 Presser Foot Release Lever Spring+%YA$
-1
............
......
.........
........
........
.........
...........
.....
........
.........
........
.........
11
17 0045 Screw(M4-0.7~5)
k$g.
*1
12 180001 Screw(M4-0.7X4.5)
A$#+$Q
-1
13 2100193 Presser Foot Lifter Lever
*#s%Yk~q-
-1
14
.........................................
15 170047 Screw(M8-1.25xlO)
k$c>
-1
16 2150138 Presser Foot Lifter Lever Stop
#s#jYbA-X
b
yiq
1
17 120010 Screw(M6-lxlO)
k$-y
*1
18 2100197 Presser Foot Lifter Lever Link
#s#jYb1<-9>9
1
19 2100518 Presser Foot Shaft Collar
fls#J;tly-
*I
20
120017 Screw(M5-0.8~15)
k$c2
*I
.......
..........
.........
..........
........
..........
21
22
23
24
25
26
21
28
29
30
31
32
33
34
35
36
37
38
39
40
2100192
11
0065
100001
2150139
2100099
160007
2 150140
2100189
2150141
2100199
160001
2157310
2157300
110004
2157305
110002
2107409
004136
0022156
004141
41 0025035
42
006093
43 0033529
44 000216
45 000747
46 2107104
47 2107163
48 005036
Intermediate Lever
#s#Jbiq-
'1
Stop Screw(M4-0.7x12)
x
b
y?$9
-1
LockNut
p.y3-f.yb.
*1
Presser Foot Lifter Lever Spring
#s#jFkA-iq$
1
Presser Foot Shaft Bushing
*#s@5f'y-;/a
'1
Screw(M6-1x6)
k+c>.
*1
Presser
Arm,
Complete Set
#sE(#H)
*1
Presser Foot Shaft
+is@..........
*I
Presser
Arm.
0#4@..........
-1
Presser
Arm
Hinge Pin
#=Et
>Vto>
*1
............
......
.........
.........
AZ6500G

9
10
37
=@
27
\.
,
28
25
-
19
'.
!
26
3
11
36
AZ6500G

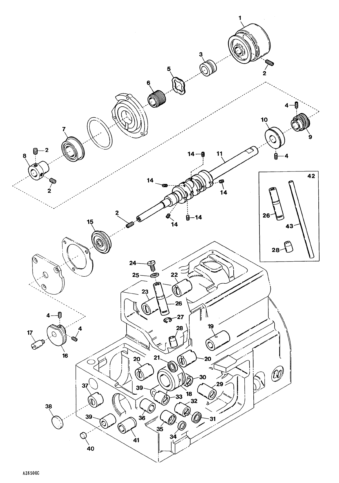
UPPER LOOPER DR
I
V
I
NG
MECHAN
ISM
Ref. Parts
1
2
3
4
5
6
7
8
9
10
11
12
13
14
15
16
17
18
19
20
21
22
23
24
25
26
27
28
29
30
31
32
33
34
35
36
37
NQ
2100900
120049
2100088
2
150071
120006
2150070
2150072
2150075
2100161
160001
2150130
11
0009
2150515
2150084
2100227
130001
110071
2100884
2100221
300008
140004
2100903
160002
310089
2100667
000629
2100892
31 0065
2109320
210009
000779
120013
2 10 0854
2150117
000014
110002
2100890
Description
a"a
45
Req.
Looper Driving Lever Connecting Rodib--,<my
F
-1
Screw(M4-0.7x16)
k$.y.
-4
Connecting Rod Swing
-
proof
%bk%
-2
Upper Looper Driving Lever
kib--,<$&E
-1
Screw(M(j-lx12)
k$-y
-1
Looper Driving Shaft
k]b-)<#@.
-1
Driving Shaft Thrust Ring
X9-X
b
!J
29'.
-1
Driving Shaft Thrust Ring
XYX
b
!I
>Py.
-1
Collar(lOx19x9mm)
ay-
*1
Screw(M4-0.7~4)
k$:>.
'2
........
.........
.........
..........
. .......
........
.........
Upper Looper Thread Pull
-
off
kib--,q&&!J
-1
Screw(M4-0.7x8)
........
.........
-2
Upper Looper
Bar
Crank
Arm,
C.
Setkib--,<3
529
($H)
1
Upper Looper
Bar
Guide Bushing
ib-i<@m%
Pib
*1
Upper Looper
Bar
Guide Cover
it-.+$$n&
0
-1
Screw(M2.5-0.45x6)
.......
k$Q.
.........
-1
Screw(M2.5-0.45x6)
.......
k$:2.
.........
-1
Upper Looper
Bar
Guide, Complete Setib--,<sB(@)
-1
Upper
Looper
Bar
Crank
Arm
kib-A3
723
'1
washer
.7.y.>~.
-1
............
........
AZ6500G

10
AZ6500G

LOWER & DOUBLE CHA
I
NI NG LOOPER DR
I
V
I
NG MECHAN
ISM
~;~L-/<&ZE:=S~)L-/<@#
1
0
Ref. Parts
Amt
.
&
1
2
3
4
5
6
7
8
9
10
11
12
13
14
15
16
17
18
19
20
21
22
23
24
25
26
27
28
29
30
Na
2100215
120049
2100088
2150166
120024
2100902
2100161
160003
2150170
2
1002
11
300008
140002
2150118
110009
2109347
2109201
11
0036
180014
2150169
2100249
300000
140001
2150168
120006
2100433
160001
2 10 0436
2100438
120018
2 100437
Description
un
i3
$5
Req.
Looper Driving Lever Connecting Rod
iL--,ftly
F
*1
Screw(M4-0.7x16) '4
Connecting Rod Swing
-
proof
@L_Lt:%
-1
Lower Looper Driving Lever
-F&-I~$$@G
-1
Screw(M4-0.7x14)
k+;J
-2
Driving Shaft Thrust Ring
Xx.SX
b?V-
b
9
*1
Collar(lOx19x9mm)*
*Ay--.
-1
Screw(M5-0.8x5)
k*:J.
-4
Looper Driving Shaft
*iL-A$$*
*1
Lower Looper Holder
Arm
-FIL-I~+
-1
........
..........
........
..........
........
.........
31
.........................................
32 2150550 Double Chaining Looper Driving Shaft
2T3&3ib--,q$$
1
33 2100441 Double Chaining Looper Holder
Arrn2SZ&b-1f+
-1
34 2109302 Double Chaining Looper
2TJ3@1L-A
-1
35 000035 Positioning Pin.
.~~~$~'~.
*1
36 300032 washer
.7y:~+.
*1
.......
......
............
........
AZ6500G

11
43
AZ6500G

FEED DR
IV
I
NG CONTROL MECHAN
I
SM
Ref. Parts
&
1
2
3
4
5
6
7
8
9
10
11
12
13
14
15
16
17
18
19
20
21
22
23
24
25
26
27
28
29
30
31
32
33
34
35
36
37
38
39
40
41
42
43
44
45
Na
2150064
120006
2100251
300000
100002
000669
2150075
0095027
2 10 0248
2100249
140001
2100266
2100242
2100241
2100243
2100244
140000
2150065
2150066
2100288
160007
2100671
2100672
2100673
2100674
110033
2100269
2100252
0068202
2100253
2100262
2100267
160001
000690
2100256
0020538
2100263
000528
000561
100000
190001
2100271
110016
002 03 50
110017
AZ6500G

12
AZ6500G

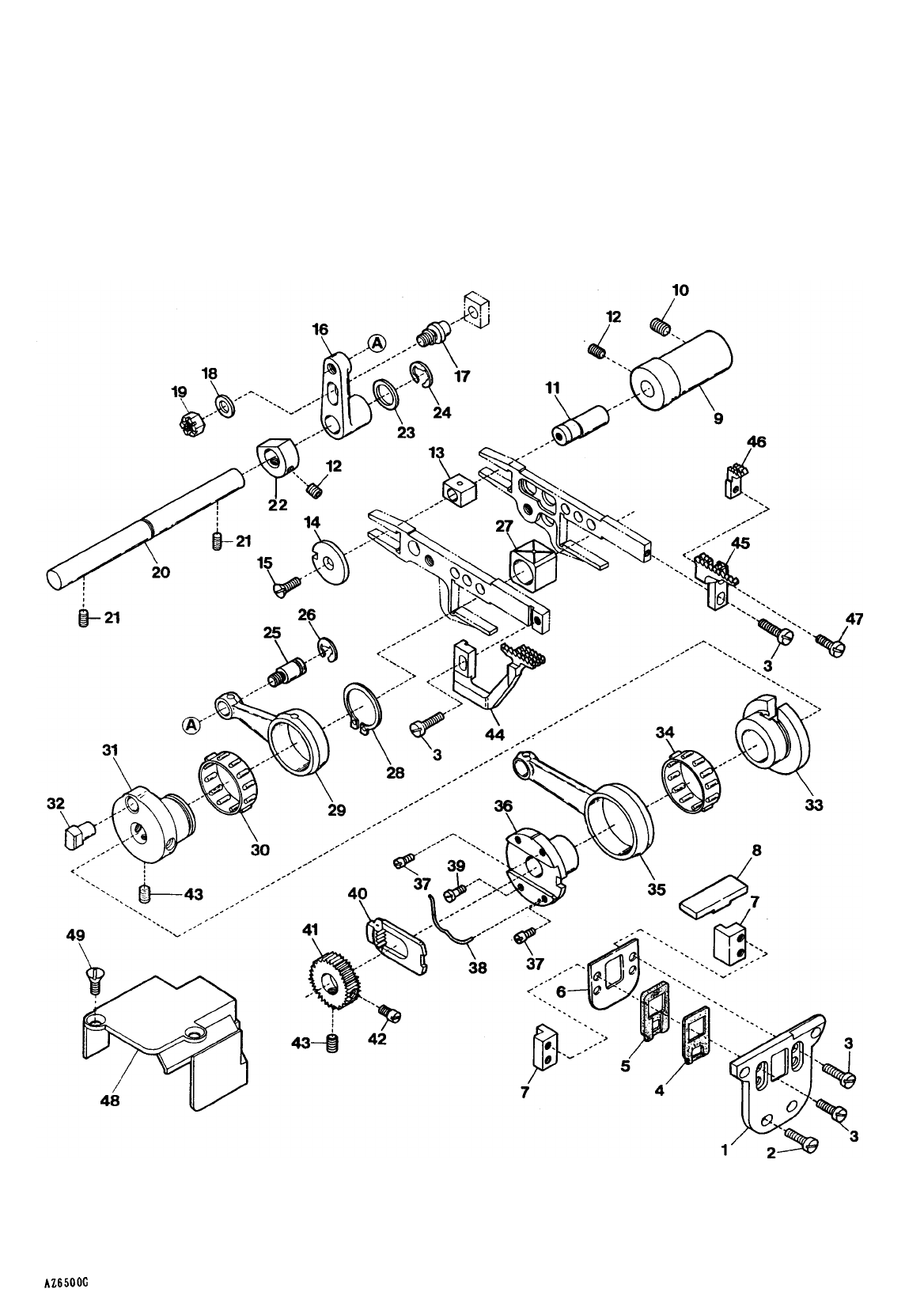
FEED DR
I
V
1
NG
MECHAN
I
SM
8
'J
##
12
Ref. Parts
Amt
.
-
-
Na
Na
Description
&
45
1
2100865 Feed
Bar
Guide Support
%!I
334
F98-
b
1
2
11
0064 Screw(M4-0.7~8)
k-~y.
-4
3 110004 Screw(M3.5-0.6x8)
k*-y.
-6
4 2100866 Feed Bar Shield(Front)
*%!I~~V-IL(B)
*1
5 2100867 Feed Bar Shield(Rear)
*%!I.f;.Y--/L(@$)
1
6 2100869 Feed
Bar
Shield Guide
%!I
&Y-IL~'~
I;'
1
7 2100870 Feed Bar Guide
.sy&jj,fr.
-2
8
2100868 Feed Bar Shield(Upper)
%!I$?V-I~(~)
1
9 2150063 Feed Bar Guide Bushing
8
!I
334
FYY~=
9
1
10 160007 Screw(MG-lx6)
k*.y.
-1
........
.........
.......
.........
........
......
.........
.........
11
2100602
12
160001
13 2100283
14 2100281
15 130002
16 2100434
17 2100251
18 300000
19 100072
20 2100442
21
22
23
24
25
26
27
28
29
30
31
32
33
34
35
36
37
38
39
40
41
42
43
44
45
46
47
48
49
003655
2
10 0443
300001
0013208
2 100435
2
10 0444
2100280
2 10 045
1
2100452
0068 146
2100450
0
02 040
1
2100277
2100278
2 10 027 5
2100276
180002
2100289
110070
0023473
2100279
180003
160003
2109050
2109051
2109052
110026
2150067
130003
-1
OA/f
Looper Rocker Eccentric
IL-l\Hij&=+-kY
*
Feed Dog Eccentric Pin
*%!l~+-kYt"Y
'1
Feed
Dog
Eccentric
*%!Jz+-kY
*1
Roller Bearing
Z-FILd7l)
29'.
'1
Feed Dog Driving Connicting Rod
%!I
P
Y
F
-1
Screw(M3-0.5~4)
.k*;J.
-2
Sc-ew(M3-0.5x6.3)
k*t2.
*I
Feed Dog Regulating Plate
%l)%@?V-
b
-
*1
..
...
Feed
Dog
Regulating Eccentric
%!Isaxq-kY
-
1
Feed Dog Regulating Plate Spring
z!IZJ$lBY'V-
bl$*
1
.......
.........
.......
.........
AZ6500G

.46
36
f
3
J
I,
37
46
e-3
,
,
___-
-J
_-
_
-
-
I-B
AZ6500G

LUBR
I
CAT
I
NG MECHAN
I
SM
Ref. Parts
Na Na
1
2100935
2
2100363
3 160001
4 110016
5 001820
6 000567
7 2150201
8 3100370
9 0031831
10
2150206
--
11
320008
12
2100958
13 3100371
14 2100369
15 2100957
16 2100926
17
2100927
18 2100928
19 2100929
20
310073
21 2150202
22
2150207
23 320009
24 2150095
25 2150094
26 0080503
27 0030748
28 2150097
29 006861
30 000419
31 3100060
32
11
0045
33 3100061
34 3100345
35 3100329
36 2150055
37 2150056
38 310081
39 2100896
40 2100895
41 000456
42 310090
43 2100032
44 0020538
45 110053
46 320010
Description
&
45
Req.
Oil
Pump, Complete Set
S>?(#H)
-1
Oi 1 Tube Fitting Stud(M6-1)
B&+?f;lb
b
-2
Suction Tube,
C.
Set
*PBA&(y(#g)
-1
Oil Tube Fitting Two
Way
=jfijU@@+.
-
-1
Oil
Tube(4.6X6.4X36.5mm)
*%j@A4Y
-1
Oil
Filter
'1
Suction Pipe(Upper),
C.
Set
@AA-fY(k)(#g)
-1
Suction Tube(4X6X18mm)
*@AY<~Y-
-1
Suction Tube(2.5X4X60mm)
-@AI~~Y*
'1
Suction Pipe(Upper)
*PBA1<4Y(J-)
-1
Felt
.7rlbb.
*1
..........
.........
.............
........
Oil Tube, Complete Set
*@j@AfY($H)
*1
Oil Tube(4.6X6.4X32Omm)
*%j@A4Y*
-1
Oi 1 Tube Fitting Stud(Long) (M6-1)@@+?32'1b
b
(s)
'1
Oil Pressure Regulating Valve,
C.
Set
SjXX(#H)
*1
Oil Pressure Regulating Valve
*I
Oil Pressure Regulating Ball
SJX$--/b#p
-1
Guide Pin.
.s*/fFko>.
-1
Spring
.I<$.
-1
Adjusting Screw(1/4-4Ox5)
*%f&$9
*1
Nut.
.-f.;,b..
*I
..........
.......
............
..........
.............
........
AZ6500G

14
UPPER
KN
FE
(Ang
I
ed
Type)
5
I
AZ6500G-C5
27
AZ6500C

EXCLUSIVE PARTS
for
UPPER KNIFE (Angled
Type),
B%IcxRrzE
14
AZ6
5
0
0645
Ref.
Parts
Amt
.
v
3€3L*HB&
Na
1
2
3
4
5
6
7
8
9
10
11
12
13
14
15
16
17
18
19
20
21
22
23
24
25
26
27
28
29
30
Na
2100425
0020491
2101435
2
100354
140013
2
10 0349
2
10 03 53
110038
000665
2157315
2157301
110004
004136
2
10741
2
2107105
2107163
005036
0020501
004141
0025035
006093
0033529
000216
000747
2159112
2108076
2109055
2109056
2157305
110002
Description
p”a
45
Req.
Upper
Knife Holder
k%x*Ity(fi)
1
UpperKnife.
-1%~.
-1
Upper
Knife
Clamp
*k%~fli*
*1
Upper Knife Chip Guard
QJMRY
*I
Screw(M4-0.7~24)
k+;J.
-1
Upper Knife
Clamp
Plate
k%
Xfl~9e
-1
Upper Knife Stop
.k>XXf-y,Z.
*1
Screw(M2.5-0.45x4.5)
-k$t-;;:
-1
Washer
.7y.)~.
*1
Presser Foot,
C.
Set(C5)
)Cas(#fi)
-1
.........
.........
........
.........
.
.....
............
........
AZ6500G

1
5
AZ6 5
0
OG
-
A4
-
5
2
1
3
i4
AZ6500C

AZ6500G-A4-52
EXCLUSIVE
PARTS
Ref. Parts
&
1
2
3
4
5
6
7
8
9
10
11
12
13
14
15
16
17
18
Na
2 157324
2 15 73
00
110004
004136
2 107409
2107104
2
1071 63
005036
0022156
004141
0025035
006093
0
03 3 5 29
000216
000747
2 157305
110002
2108079
AZ6500G

16
‘Kl”
DEVICE
I
9
6
28
AZ6500G

‘K1
”
DEVICE
Ref. Parts
Na
Na
1
2159900
--
‘K1
“#%E
16
Amt
.
2
2101167
3 004314
4 001230
5 2101163
6
110068
7
2101151
8
2101152
9 2101155
10 005112
11
000240
12
2101160
13 2101161
14 004139
15 2101156
16
11
0036
17
160001
18 2101157
19 2101158
20 2101164
21
170010
22 2101159
23 2101166
24 2101165
25 001196
26 310011
27 007623
28 2151001
Description
r%
43
Res.
“Kl” Device, Complete Set
“Kl”!&~($d.)
-1
AZ6500G

17
‘C“
DEVICE
3
3
.’
I
:
31
30
2
AZ6500G

‘C” DEVICE
Ref. Parts
17
Amt
.
Na
Na
1
2109932
2 0033939
3 1094011
4 1097000
5 009960
6 000669
7 000600
8
000009
9 1097001
10
006905
--
11
0010263
12 1096000
13 1298000
14 0033938
15 005040
16 0033937
17 0033936
18 0033935
19 000334
20
005505
21 1090133
22 0010052
23 000623
24 0010112
25 0010290
26 0010310
27
0033940
28
1096004
29 1096005
30 0011987
31 009814
Descr ip
t
i on
UR
I3
$5
Req.
. .......
“C” Device, Complete Set
*1
Connector(ECG-PT1/8)
~$39
-1
Nylon Hose(4X6X2000m)
-)-~DY&--X
-1
Air Valve, Complete Set
s7Ai~7’(#H)
-1
Screw(11/64-40X8.5)
-k$9
-5
Return Spring
*X~A~~?’#~J$?JA$.
-1
Air
Valve Holder
~71qi~77@f+i9
*1
Air Valve Stop
s7A]byX
yA
*1
Nut.
j-.y
b.
*1
Adjusting Screw(l1/64-4OX16)
-ZEl@$9
1
Collar(6.4x13X9mm)
s7Aib7.#jI$!vq*$.7-
1
.............
.
.........
Wood Screw(@3.lx20)
**$9
-3
AZ6500G

18
Sem
i
-s
u bme r ge
d
On
I
y
24
L
Ful ly
-
submerged Setting
\
15
16
EXTRA PARTS
27
26
29
I
8
-
30
I
AZ6500C

MISCELLANEOUS SUPPORT
I
NG
BOARD
Ref. Parts
1
2
3
4
5
6
7
8
9
10
11
11
12
12
13
14
15
16
17
18
19
20
21
22
23
24
25
26
27
28
29
30
Nil
2 100381
110015
2100382
110013
2100339
000070
009861
2101450
2101451
0020064
000162
000162
000016
000016
2 100375
005624
2100337
2100338
009864
009871
0020057
0020045
2 10 0336
000538
140011
2 100374
350007
0020078
0020077
009992
0020076
009995
Description
a”a
43
Req.
.......
Belt
Cover
.dip
1.
213-
*1
Screw(M4-0.7~25)
k+.2.
*2
Supplementary Belt Cover
dikb#f@1&13-
-1
Screw(M4-0.7~8)
&$.2.
-2
Supporting
Board
*g++fi
*1
Hanging Nut
@l)-J-y
b.
-4
Hanging
Bolt
(Semi
-
submerged only)@
l)
ZKib
1.
(FEX;Cn&)
4
Spacer(l5mm)
*g++fi~&-+j-
04
Spacer(5mm) (See the below)
52+&x~-+j-(-Fi%!~~)
4
Supporting Board Rubber Cushion
52+&=I‘A@
08
........
.........
........
.........
.
.......
Washer(Semi-submerged)
77V.;/(Y$X)
-4
11
(Full
-
submerged)
77V.;/(&t&)
20
Nut (Semi
-
submerged)
9-7
b
(+%%I
-8
Nut (Full
-
submerged)
3-y
1.
(*E%)
20
kL-1.(k)l@f+@i*
*1
.
k$9.
‘4
Chute(Upper) Support
Screw(M4-O.7XlO)
.
.)=-
b(k).
.......
‘1
Chute(Lower)
-2zL-
1.
(7;)
-1
Chute(Upper)
Hanging
Bolt
(Full
-
submerged only)@
l)
$ib
1.
(43%!39&)
4
Bolt
(Full
-
submerged only)
$ib
1.
(42$kCa&)
-
-4
Supporting Board Connector (Full
-
submerged
only)
%fE?M($tif~M)
2
Supporting
Board
Sleeve
(Full
-
submerged only)
5!!djDF-?($$$O&)
2
.........
.......
(&I
.7-77”i~~@S45mm0>ff$t371;Z!0
Note
:
Not
necessary when the thickness
of
Table
is 45mm.
AZ6500C

19
AZ6500G

THREAD
STAND
Ref. Parts
Na Na
1
9620695
2
9620631
3 9620670
4 9620689
5 91 1002
6 911001
7 910001
8 9620673
9 911006
10 910000
--
11
9620675
12
930052
13 930053
14 910003
15 9620702
16 9620703
17 9620700
18 9620688
19 911060
20
9620691
21 9620690
22 9620665
23 9620678
24 9620679
25 9620680
26 9620681
27 930055
19
Amt
.
Description
&
4
Req.
Thread Stand,
C.
Set(5 Spools Type)%itB(#H)(5*%R)
1
AZ6500C

20
WARNING
LABEL
==~AJL
LABEL
3
4
IL
Do
not operate without
eye
guard
and safety devices.
Before
threading, changing
needle,
cleaning etc. switch
off
main switch.
To
open
this
cover.
supply
and
wait
more
than
5
minutes
,
Parts
No
a”aS
390140
390143
390144
390145
390146
390147
390 148
Description
a”a
4
CAUTION
I
N OPERATION
DANGER
:
WARNING
OF
ELECTRIC SHOCK BY
HI GH
-
VOLT AGE
“Be
sure
to
connect earth line.”
7-XY41b
ROTATING
-
DI RECTION
SYMBOL
:
CHECK CORRECT ROTATING
DIRECT1 ON
EYE GUARD
:
TAKE CARE NOT CAUSE INJURY
TO EYES
BELT COVER
:
DO NOT INSERT FINGERS
CAUTION FOR HIGH TEMPERATURE
:
DO NOT TOUCH STEPPING MOTOR AND
SOLENOID

LIST
of
MAIN
SPARE
PARTS

21
Main Parts
Models
I
AZ6500G-A4
I
2159111
I
C5
I2159112
A4
-
52 I2159111
Thread
Cha
i
n
Guide
Stitch
Tongue
Presser Presser Presser
Foot
Foot
Foot
(Front
C.Set
Hinge Rear) Unit
R=(*H)
R=
lz
Y9
#wii*%)
(1)
R=a>rn
@E%.-4
F
2157310 2157300 2107409 2107 104 0022156
2157315 2157301 2107412 2107105 0020501
2157324 2157300 2107409 2107104 0022156

21
Stitch
Plate
Di
f f
er-
ent
ial
Feed Dog
Main
Feed Dog
Lower
Looper
Auxi
1
iary
Feed Dog
~~
-
2108050 I2109050
2108076 I2109055
2109051 I2103p52
2109056
-
2108079
~~
I
2109050 2109051
I
JJ
I
JJ
JJ
Doub
1
e
Chaining
Looper
2109302
JJ
JJ

A
Zt3
5
<>
0
G
Parts Page Ref. Weightl
.
N
O
.
No.
No.
(El
I
000009
17
8
000010
0000
10
000014
000014
000016
000035
000035
000070
000162
000177
000178
000182
000216
000216
000216
000240
000322
000334
000393
000419
000444
000456
000482
000526
000528
000532
000538
000561
000567
000567
000600
000623
000629
000644
000644
000653
000665
000669
000669
000688
000690
000726
000747
000747
00074
7
000779
001123
001196
001203
001230
001820
003636
26
4
52
4 67
9
35
18
12
6 26
10
35
18 6
18
11
49
47
4 48
8 44
14
23
15
14
16
11
4 29
17
19
6 45
13
30
29
13 41
86
5
25
11
38
7
14
18
22
11
39
6 48
13 6
17
7
17
23
9 26
15
4 28
4 38
14
9
11
6
17
6
7
27
11
34
1
37
8 45
14 24
15
15
9
31
14
,16
25
2 21
16 4
13
5
5
24
I
I
I
I
I
I
I
I
I
I
I
I
I
I
I
I
I
I
I
1
I
I
I
I
I
I
I
I
I
I
I
I
I
I
I
I
I
I
I
I
I
I
I
I
I
I
I
I
I
I
I
I
I
I
INDEX
PAGE
=
1
Parts Page Ref. Weightl Parts Page Ref. Weight
003637
1
10
I
0020005
1
16
No.
No.
No.
(a)
I
No.
No.
No.
(Ft)
003637
003637
003655
004136
004136
004136
004139
004141
004141
004141
004314
005036
005036
005036
005040
005075
005112
005345
005505
005624
006035
006093
006093
006093
006816
006861
006905
007623
007627
009814
009853
009861
009864
009871
009960
009992
009995
0010052
0010112
0010263
0010290
00
103 10
0011987
0013208
2
23
6
23
12 21
8 38
14
13
15
4
16 14
8 40
14 19
15
10
16
3
8 48
14
17
15
8
17.
15
1
30
16 10
6
31
17 20
18 14
4 27
8 42
14
21
15
12
1
22
13
29
17 10
16 27
6
51
17
31
4
50
18
7
18
17
18 18
17 5
18 28
18 30
17
22
17
24
17
11
17
25
17
26
17
30
12 24
I
0020004
1
15
I
0020016
I
0020045
I
0020057
I
0020064
I
0020076
I
0020077
I
0020078
I
0020118
I
0020123
I
0020124
I
0020125
I
0020126
I
0020137
I
0020165
I
0020166
I
0020167
I
0020350
2 22
18 20
18 19
18 10
18 29
18 27
18 26
46
4 43
4 45
4 46
4 47
1
29
4
51
4 54
4 49
11
44
0020401
12
32
0020491 14
2
0020496
7
13
0020501 14 18
0020538
11
36
0020538
13
44
0021735
3
27
I
I
0022156
I
0022156
I
0022215
I
I
0023473
I
I
0024083
I
0024084
I
0024095
I
0024156
I
0024157
I
0024446
I
I
0025035
I
0025035
I
0025035
I
I
0030255
I
0030748
I
I
0031111
I
0031831
I
I
0032604
I
0032879
I
0032919
I
0032952
I
0032962
8 39
15
9
4 16
12
40
44
43
2
25
4 14
45
2 20
8 41
14 20
15
11
4
13
13
27
48
13
9
6 34
1
23
7
24
4
12
4
11

XNDEX
Page
=
2
,Parts Page
Ref.
Weightl
No.
No.
No.
(a)
I
0033024
0033529
0033529
0033529
0033627
0033935
0033936
0033937
0033938
0033939
0033940
0036518
0068146
0068202
0068517
0077301
0080503
0093090
0093303
0093528
0093864
0095027
100000
100001
100001
100002
100072
100073
110001
110001
110001
110001
110002
110002
110002
110002
110002
110002
110003
110004
110004
110004
110004
1
10004
110006
3 14
8 43
14 22
15 13
1
24
17
18
17
17
17 16
17 14
17 2
17 27
3 22
12 30
11
29
3 15
5
34
13 26
57
4 60
3 26
7 16
11
8
11
40
1
13
8 23
11
5
12 19
82
23
4 25
6 29
7 21
4 32
6 36
8 36
9 36
14 30
15 17
2 28
7 15
8 34
12 3
14 12
15 3
6 18
110008 4
40
I
I
I
I
I
I
I
I
I
I
I
I
I
I
I
I
I
I
I
I
I
I
I
I
I
I
I
I
I
I
I
I
I
I
I
I
I
I
I
I
I
I
I
I
I
1
I
I
I
I
I
I
I
I
I
Parts Page
Ref.
Weightl
No. No.
No.
(a)
I
110009
110009
110009
110009
110011
110012
110012
110012
110012
110013
110013
110013
110013
110013
110015
110016
110016
110016
110017
110026
110026
110027
110031
110033
110035
110035
110036
110036
110038
110041
110045
110045
110046
110048
110053
110054
110064
110064
110065
110068
110070
110071
110076
110091
110106
120006
120006
120006
120006
120006
120010
120013
120017
4 18
6 27
9 12
10
14
6 33
1
12
2
11
7 18
88
22
37
42
6 46
18 4
18 2
1
18
11'
43
13
4
11
45
4 68
12 47
6
53
1
14
11
26
4 63
7 12
10
17
16 16
14 8
4 37
16
13 32
7 26
33
13 45
2
32
3 19
12 2
8 22
16 6
12 39
9 17
28
4 42
2 15
66
76
95
10 24
11
2
8 17
9 32
1
28
120017 8 20
I
I
I
I
I
I
I
I
I
I
I
I
I
I
I
I
I
I
I
I
I
I
I
I
I
I
I
I
I
I
I
I
I
I
I
I
I
I
I
I
I
I
I
I
I
I
I
I
I
I
I
I
I
I
I
Parts Page
Ref.
Weight
No. No.
No.
(n)
120018
120024
120049
120049
120049
120049
130001
130002
130003
130003
130026
140000
140001
140001
140002
140003
140004
140011
140013
140014
150004
160001
160001
160001
160001
160001
160001
16000
1
160001
160001
160002
160002
160002
160003
160003
160003
160003
160007
160007
160007
160007
160016
160027
170010
170032
170045
170047
170049
10
10
6
7
9
10
9
12
3
12
4
11
10
11
10
6
9
18
14
7
3
1
5
8
9
10
11
12
13
16
6
7
9
6
7
10
12
5
8
11
12
6
5
16
2
8
8
4
29
5
2
2
2
2
16
15
25
49
35
17
22
11
12
13
21
23
5
30
10
8
4
31
10
26
33
12
3
17
4
4
23
8
8
8
43
2
26
21
10
19
14
21
5
11
15
58
180001 8 12

Parts Page Ref. Weightl
No.
No. No.
(n)
I
180002
180003
180014
190000
190001
190002
190015
190016
190080
210009
300000
300000
300000
300001
300004
300008
300008
300008
300032
300043
310001
310005
310011
310065
310073
310081
310089
310089
310090
310109
320008
320008
320009
320010
330000
330008
350007
390097
390098
390140
390143
390144
390145
390146
390147
390148
390177
12
37
12
42
10
18
4
53
11
41
4 44
2
13
4
10
81
9 30
10
21
11
4
12 18
12 23
1
27
6 12
9 20
10
11
10
36
1
34
6 42
6 40
16 26
9 28
13
20
13
38
6 16
9 24
13 42
5
27
6 47
13
11
13
23
13
46
3
17
3
16
18
25
2
18
2
17
20
1
20
2
20 3
20 4
20
5
20
6
20
7
2
16
I
I
I
I
I
I
I
I
I
I
I
I
I
I
I
I
I
I
I
I
I
I
I
I
I
I
I
I
I
I
I
I
I
I
I
I
I
I
I
I
I
I
I
I
I
I
I
I
I
I
I
I
I
I
I
INDEX
Page
=
3
390513
910000
910001
910003
911001
911002
911006
911060
930052
930053
930055
1090133
i094a~i
1096000
1096004
1096005
1097000
1097001
1298000
2049401
2100006
2100009
2100011
2100012
2 1000 14
2100024
2100032
2100035
2100037
2100047
2100053
2100063
2100088
2100088
2100098
2100099
2100105
21 001
17
2100136
2100137
2
1001 38
2100144
2100145
2100152
2100160
2
33
19 10
19
7
19 14
19 6
19
5
19 9
19 19
19
12
19
13
19 27
17
21
17
3
17
12
17
28
17
29
17
4
17 9
17
13
1
36
11
7
22
17
19
13
2
24
13
43
31
3
21
34
1
17
41
93
10
3
5
41
8
25
5
19
5
21
6
11
67
6 14
63
6
32
6 39
71
Parts Page Ref. Weightl Parts Page Ref. Weight
No. No.
No.
(n)
I
No.
No.
No.
(I?)
I
2100161 7 7
I
2100161
I
2100161
I
2100162
I
2100165
I
2100167
I
2100168
I
2100173
I
2100174
I
2100176
I
2100181
I
2100189
I
2100192
I
2100193
I
2100197
I
2100199
I
2100211
I
2100215
I
2100221
I
2100227
I
2100229
I
2100241
I
2100242
I
2100243
I
2100244
I
2100248
I
2100249
I
2100249
I
2100251
I
2100251
I
2100252
I
2100253
I
2100256
I
2100262
I
2100263
I
2100266
I
2100267
I
2100269
I
2100271
I
2100272
I
2100275
I
2100276
I
2100277
I
2100278
I
2100279
I
2100280
I
2100281
I
2100283
I
2100288
I
2100289
I
2100336
I
2100337
I
2100338
I
2100339
I
2100349
99
10
7
75
7
10
7 28
7
29
73
7 19
6
15
83
8 28
8
21
8
13
8 18
8 30
10 10
10
1
9 19
9 15
4 61
11
14
11
13
11
15
11
16
11
9
10
20
11
10
11
3
12
17
11
28
11
30
11
35
11
31
11
37
11
12
11
32
11
27
11
42
5
31
12
35
12 36
12
33
12
34
12
41
12
27
12
14
12
13
11
20
12 38
18 21
18
15
18 16
18
5
14 6

INDEX
Page
=
4
Parts Page Ref. Weightl Parts Page Ref. Weightl Parts Page
Ref.
Weight
No.
No.
No.
(a)
I
No.
No.
No.
(a)
I
No. No.
No.
(g)
2 100353
2100354
2100363
2100369
2100374
2100375
2100381
2100382
2100404
21 00410
2 1004 12
2100413
2100414
2100417
2100418
2100419
2100425
2100433
2100434
2100435
2100436
2 100437
2100438
2 10044 1
2100442
2100443
2100444
2100450
2100451
2100452
2100502
2100518
2 1005 3 3
2100535
2100536
2100538
2 100580
2100602
2100625
2100642
2100642
2100667
210067 1
2100672
2100673
2100674
2 100703
2100854
2100855
2100856
2
10086
1
2100863
2100864
2100865
2100866
14 7
14
4
13 2
13
14
18 24
18
13
18 1
18
3
4
17
5
17
5
35
5
36
5
39
5
40
7
11
7 25
14 1
10 25
12 16
12
25
10 27
10 30
10
28
10 33
12
20
12 22
12
26
12
31
12
28
12
29
6
28
8
19
6
41
6
43
6
44
2
19
85
12
11
53
5
43
6
20
9
25
11 22
11 23
11
24
11 25
2
27
9
33
2
26
2 31
3 13
1
21
1
20
12 1
12
4
I
2100867
I
2100868
I
2100869
I
2100870
I
2100872
1
2100874
I
2100875
I
2100884
I
2100890
I
2100892
I
2100895
I
2100896
I
2100899
I
2100900
I
2100902
I
2100903
I
2100918
I
2100921
I
2100926
1
2100927
I
2100928
I
2100929
I
2100935
I
2100957
I
2100958
I
2100960
I
I
2101151
I
2101152
I
2101155
I
2101156
I
2101157
I
2101158
I
2101159
I
2101160
I
2101161
I
2101163
I
2101164
I
2101165
1
2101166
I
2101167
I
2101435
I
2101450
I
2101451
I
I
2107104
I
2107104
I
2107105
I
2107163
I
2107163
I
2107163
I
2107409
I
2107409
I
2107412
I
12
5
12
8
12
6
12 7
5
15
3 24
1
26
9
18
9
37
9
27
13
40
13 39
65
91
10
6
9
22
3
20
32
13 16
13 17
13
18
13 19
13 1
13 15
13 12
3 23
16
7
16
8
16
9
16 15
16 18
16 19
16 22
16
12
16
13
16
5
16 20
16
24
16
23
16 2
14
3
18
8
18
9
8
46
15
6
14 15
8
47
14
16
15 7
8
37
15
5
14 14
I
2108050
I
I
I
I
I
I
I
I
I
I
I
I
I
I
I
I
I
I
I
I
I
I
I
I
I
I
I
I
I
I
I
I
I
I
I
I
I
1
I
I
I
I
I
I
I
I
I
I
I
I
I
I
I
I
2108076
2108079
2109050
2109051
2109052
2109055
2109056
2109201
2109210
2109211
2109212
2109302
2109320
2109347
2109932
2110026
2110027
2110183
2110184
2120537
2129423
2150015
2 1500 16
2150017
2150018
2150019
2150020
2150021
2150022
2150023
2150024
2150025
2150026
2150027
2150035
2150038
2150039
2150040
2150041
2150042
2150043
2150044
2150045
2150046
2150047
2150048
2150049
2150050
2150051
6
30
14 26
15
18
12
44
12 45
12
46
14 27
14
28
10
16
6
52
6
35
6
50
10 34
9
29
10
15
17
1
36
35
56
55
5
16
2 29
1 11
21
3
18
24
7 20
7
17
7 23
3 12
2 10
2 12
2
14
1
19
4
59
6
37
5
10
5
18
5
26
5
28
5
37
5
20
5
32
5
33
5
29
5
30
5
23
5
22
5
42
6
17

INDEX
Page
=
5
Parts Page
No.
No.
2150055
13
2150056
13
2150057 6
2150058 6
2150060
7
2150063
12
2150064
11
2150065
11
2150066
11
2150067
12
2150069
5
2150070 9
2150071 9
2150072 9
2150075 9
2150075
11
2150084 9
2150094
13
2150095
13
2150096
5
2150097
13
2150105 6
2150111 4
2150112 4
2150115
4
2150116 4
2150117 9
2150118
10
2150119 4
2150120 4
2150121
4
2150123 4
2150124 4
2150125
2
2150130 9
2150131 4
2150132 4
2150138 8
2150139 8
2150140 8
2150141
8
2150145 8
2150146 8
2150147
8
2150148 8
2150150 6
2150151 4
2150160 4
2150162 4
2150165 4
2150166 10
2150167 4
2150168 10
2150169
10
2150170 10
Ref.
Weight1 Parts Page
~
No.
(n)
I
No.
NO.
36
I
2150173 4
37
24
25
9
9
1
18
19
48
38
6
4
7
8
7
14
25
24
9
28
1
55
56
26
15
34
13
62
65
66
64
24
7
11
33
57
16
24
27
29
4
7
9
10
49
41
36
31
39
4
30
23
19
9
I
I
I
I
I
I
I
I
I
I
I
I
I
I
I
I
I
I
I
I
I
I
I
I
I
I
I
I
I
I
I
I
I
I
I
I
I
I
I
I
I
I
I
I
I
I
I
I
I
I
I
I
I
I
2150180
2150201
2150202
2150206
2150207
2150210
2150214
2150500
2150510
2150515
2150550
2151001
2157300
2157300
2157301
2157305
2157305
2157305
2157310
2157315
2157324
2159111
2159112
2159900
3100060
3100061
3100129
3100329
3100345
3100370
3100370
3100371
9620631
9 6 2
0
6 6
5
9620670
9620673
9620675
9620678
9620679
9620680
9620681
9620688
9620689
9620690
9620691
9620695
9620700
9620702
9620503
5
13
13
13
13
1
5
6
6
9
10
16
8
15
14
8
14
15
8
14
15
6
14
16
13
13
5
13
13
6
13
13
19
19
19
19
19
19
19
19
19
19
19
19
19
19
19
19
19
Ref.
Weight
No.
(a)
34
11
7
21
10
22
2
1
10
9
13
32
28
33
2
11
35
29
16
32
10
1
21
25
1
31
33
8
35
34
38
8
13
2
22
3
8
11
23
24
25
26
18
4
21
20
1
17
15
16
I
Parts Page
Ref.
Weight
I
No.
No.
No.
(S?l
I
I
I
I
I
I
I
I
I
I
I
I
I
I
I
I
I
I
I
I
I
I
I
I
I
I
I
I
I
I
I
I
I
1
I
I
I
I
I
I
I
I
I
I
I
I
I
I
I
I
I
I
I
I
I