YAMATO DV 100 To 109 PARTS BOOK
Yamato Dv-100 To 109 Parts Book Yamato DV-100 to 109 PARTS BOOK
2016-10-19
: ACE&EASTMAN Yamato Dv-100 To 109 Parts Book YAMATO DV-100 to 109 PARTS BOOK NEW YAMATO YAMATO
Open the PDF directly: View PDF
.
Page Count: 54

S]NIH3VIAI
HJ1I1S
O]]IS
HHH
NO.1
a
—03d
—
an”oo
3NIH3WJ
ONIM3S
ONON
OL-MO
OOL-AfJ
FOL-AO
tiOL-MO
80L-IiO
COL-MO
90L-AO
LOL-AG
SOOL-MO
coL-AO
SOOL-AO
001-MO
1701-hO
OOL-hiO
1]OOIAI
.
.
NIVH
)IJO1H]INI
1511
SlilUd
]NVdS
O]IIIVNISA11I

0
0
e
.

CONTENTS
MISCELLANEOUS
COVER
MISCELLANEOUS
COVER
&
BASE
THREAD
EYELET
&
FOOT
LIFTER
MAIN
DRIVING
SHAFT
MECHANISM
NEEDLE BAR
MECHANISM
LOOPER
DRIVING
MECHANISM
FEED
DRIVING
MECHANISM
PRESSER
FOOT
LIFTER
MECHANISM
MISCELLANEOUS
BUSHING
OIL
LUBRICATING
SYSTEM
SUBCLASS
ORGANIZATION
PARTS
(1)
SUBCLASS
ORGANIZATION
PARTS
(2)
DV.
DW-100S
EXCLUSIVE
PARTS
DV-1O1,
-102
EXCLUSIVE
PARTS
DV.
BW-103,
-1114
EXCLUSIVE
PARTS
DV.
DW-104
CUTTING
DEVICE
DV-106,-108
EXCLUSIVE
PARTS
DV.
DW-1O,
-109
EXCLUSIVE
PARTS
DV.
DW-105,
-109
EXCLUSIVE
PARTS
DV.
OW-lOG
EXCLUSIVE
PARTS
(1)
DV.
0W-lOG
EXCLUSIVE
PARTS
(2)
PEC
“DEVICE”
ACCESSORE
INDEX
P1
caso
a
ways
nontion
our
parts
nuniher
when
placing
your
orders.
1
•
2
•
3
T7rf
4
5
6
7
8
g
,s’
.-I,
11
12
13
14
15
16
17
18
19
20
21
PEC
22
Y7ttH)—
23
24
PERSPECTIVE
“-7
(1)
(2)

.
0
0
0
Q
01
L

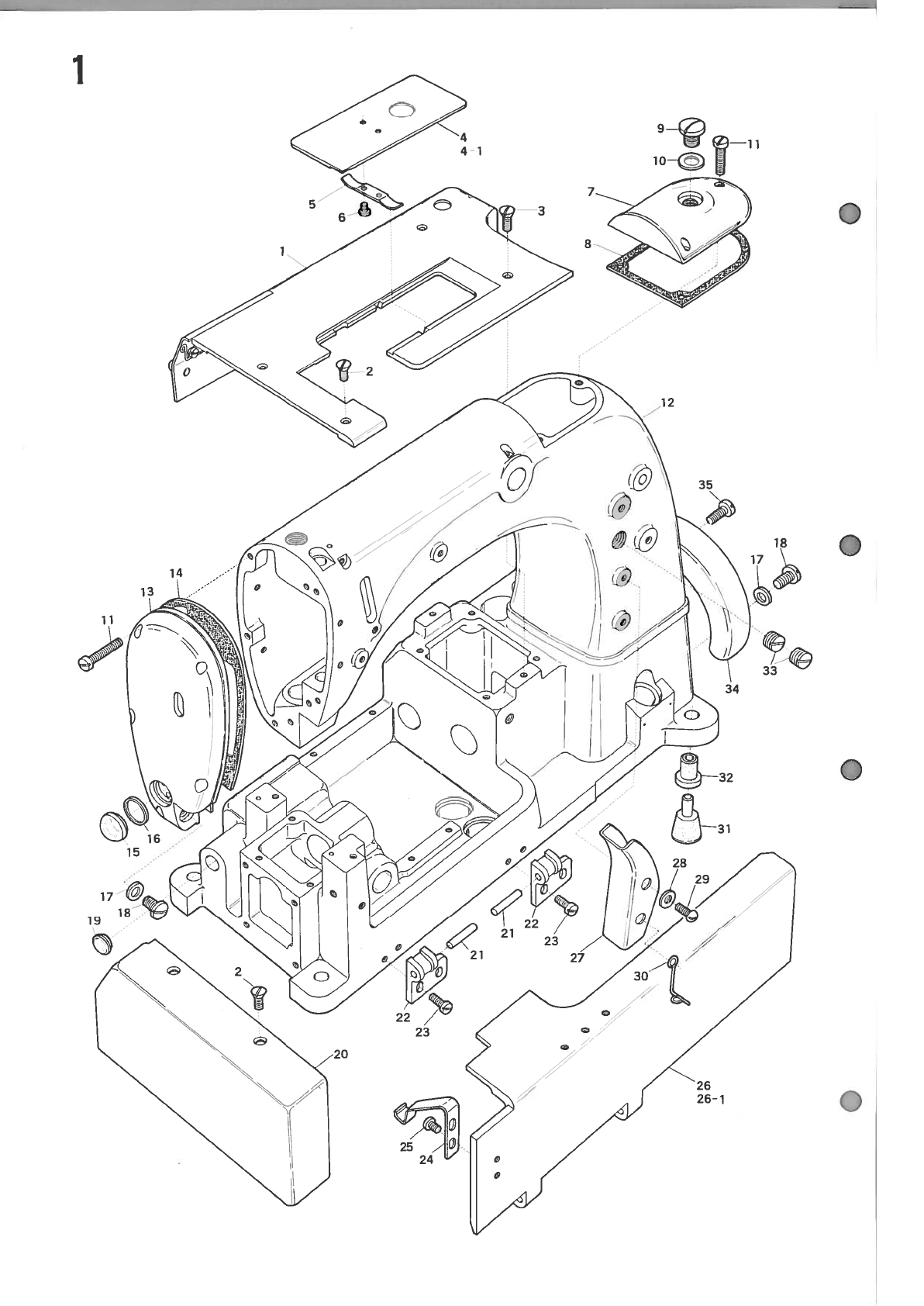
MISCELLANEOUS
COVER
________
1
Amt.
Req.
Cloth
Plate
Complete
Set
1
Screw
for
90109,90112
4
Screw
for
90109
2
Cloth
Plate
Slide
Cover(C,D)
(needle
distance
4.8mm,5.6mm)
;)(c
DrIi)
1
Cloth
Plate
Slide
Cover(E)
(needle
distance
6.4mm)
;)&(E
ni)
1
Slide
Cover
Spring
1
Screw
for
90139 2
Top
Cover
1
Top
Cover
Gasket
1
Oil
Hole
Screw
1
Seal
for
5075
jj
1
Screw
for
90107,90105
jj
8
Machine
Frame
—
j
‘:
.
.
(fl)
1
Head
Cover
1
Head
Cover Gasket
jc)
1
Oil
Gauge
1
Oil
Gauge
Gasket
1
Drain
Hole
Seal
Q
IJ
j
1
Drain
Hole
Screw
2
Seal
Plug
for
Machine
Arm
1
Side
Cover
1
Front
Cover
Hinge
Pin
2
Front
Cover
Hinge
iiii
,..
2
Screw
for
90116
4
Front
Cover
Latch
Spring
ri1c—.s
1
Screw
for
90114 2
Front Cover(C,D)(needle
distance
4.8mm,5.6mm)
-iJ(C
iii
Drt])
1
Front
Cover(E)(needle
distance
6.4mm)
jjjic—(Ei)
1
Looper
Thread
Guard
1
Washer
for
90171
1
Screw
for
90171,90186
i.E
i
2
Looper
Thread
Eyelet(Right)
)_j%()
1
Base
Rubber
Cushion(
Lower)
Base
Rubber
Cushion(
Uer)
1
Screw
for
90099
2
Belt
Guard
1
Screw
for
90137
2
Description
I=1
fin
Ref.
Parts
No.
No.
1
90109
.
2
5343
3
1732
4
90138
4-1
90161
5
90139
6
4237
7
90107
8
90152
9
5075
10
525
11
9106
12
90099
13
90105
14
90151
15
30753
16
30754
17
578
(18
19
20
21
22
23
24
25
26
26-1
7678
90189
90112
90118
90116
9150
90114
4358
90113
90160
27
90171
28
547
(
29
5163
30
90186
31
30185
32
90145
33
9154
34
90137
35
1156

r\j
-‘
w
.
/
.
00
0

MISCELLANEOUS
COVER
&
BASE
11
12
13
14
15
16
17
18
19
2O
90955
90956
4440
90153
9121
90124
90130
90180
9853
90133
90134
90924
90925
1202
90131
90132
90135
90136
90932
90933
b
2
31
90140
Dust
Proof
Cover
1
(
.2
2308
Screw
for
90140
1
Ref.
Parts
No. No.
Amt.
Description
Req..
Oil
Filter
Cover
;
1
Oil
Filter
Cover
Gasket
1
Screw
for
90955,
90124,
90133,
90131,90135,90608
i.E
19
Feed
Bar
Oil
Shield
1
Screw
for
90153
i’-
2
Thread
Eyelet
Plate
1
Thread
Eyelet
Plate
Gasket
1
Arm
Oil
Shield
1
Screw
for
90180
:ElyjE
)
2
Crank
Chamber
Cover
.jjj)
1
Crank
Chamber Cover
Gasket
Hj’)
1
Felt
(Large)
1
Felt
(
Small)
..
(jj)
1
Screw
for
90924,90925
71
)Ljj
4
Tail
Cover
,.
,y
1
Tail
Cover Gasket
1
Side Cover
,.<.,
..4
1
Side
Cover
Gasket
,\.
y
.
1
Base
Stay
Rubber
Cushion
—;]tjL\I
4
Base
Stay
Washer
_r
4
Flat
Head
Screw
4
Base
,‘—.z
1
Base
Gasket
1
Feed
Dog
Driving
Rod
Front
Cover
j
2
1
Feed
Dog
Adjust
Cover
I
Screw
for
90608
1
Washer
for
90608
1
Nut
1
Looper
Eyelet (Long)
1
Screw
for
90853
JJjj
5.
1
21
91200
22
90931
23
90127
24
90608
25
90638
26
6035
27
644
28
335
29
90853
30
4358

(D
N
—
/7’
/11”
—
cj/
zz_——
—
0
00
(N
L()
Cr,
C,
C
C-..
(N
J
-
Co
C

THREAD
EYELET
&
FOOT
LIFTER
1
4
5
6
7
8
9
10
11
12
13
14
15
16
17
18
19
.20
(
31
2
33
34
35
36
37
38
39
40
41
42
43
44
45
46
47
48
49
90803
90824
90801
1156
90701
7650
90820
4440
90856
90812
9840
31111
90847
56
90816
533
9322
90855
90826
9825
1892
90844
1092
90830
4358
90819
9533
90814
9838
90804
90857
90805
90807
813
90850
4438
90848
531
5133
90838
3
Ref.
Parts
No.
No.
Amt.
Req.
Description
Tension
Release
Lever
Shaft
1
Swing
Proof
Spring
1
Tension
Release
Lever
1
Screw
for
90801
IE
)
1
Foot
Lifter
Lever
1
Screw
for
90701
2
Ornamental
Thread
Take-up Support
1
Screw
for
90820
‘JJ±iL
)
2
Tension
Disc
Eyelet
4
Tension
Post
Ferrule
5
Tension
Post
1
Tension
Disc
J.LrjJ1
10
Needle
Thread
Tension
Spring
2
Lock
Nut
5
Needle
Thread
Eyelet
1
Washer for
90816
I
Screw
for
90816,90817,90818
3
Needle
Bar
Thread
Eyelet
Guide
1
Supplementary Tension
Guide
1
S
crew
for
90826, 90855
1
21
37108
Tension
Disc
2
22
90846
Supplementery Tension
Spring
2
23
9827
Screw
for
90846
‘j)i±i
1
24
90818
Needle
Bar
Thread
Eyelet
1
25
90330
Needle
Clamp
Thread
Guard
1
26
1228
Screw
for
90330
j4
1
y-jj
5
1
27
90817
Needle
Thread
Take-up
1
28
90840
Needle
Bar
Thread
Retainer
Bracket
1
29
3357
Screw
for
90840
1
30
90828
Ornamental
Thread Eyelet
1
Screw
for
90828
..)
1
Needle
Bar
Thread
Retainer
Plate
+Jj\jL(.ffl1
1
Screw
for
90844
)
1
Ornamental
Thread
Guide
1
Screw
for
90830 2
Needle
Thread
Guide
1
Screw
for
90819
i’--
1
Looper
Thread
Tension
Spring
3
Tension
Post
4
Tension
Disc
Separator
1
Tension
Disc Eyelet
for
Looper
Thread
T>llL
1
Tension
Post
Support
1
Thread
Lead-in
Guide
4
Nut
for
90805
j-.
,
2
Retaining
Finger
Support
Bracket
1
S
crew
for
90850
2
Looper
Thread
Take-up
Eyelet
2
Washer for
90848 2
Screw
for
90848 2
Retaining
Finger
),
—/—‘I,1
1
51
90839
Retaining
Finger
Presser
1
52
2308
Screw
for
90839
1
53
90185
Looper
Thread
Eyelet
(Left)
1
54
1202
Screw
for
90185
1

4
21
20
3
31
23
0
0
0
.
7
6
5
9
8
12
13
19
22
30
24
27’
33
32
32
29

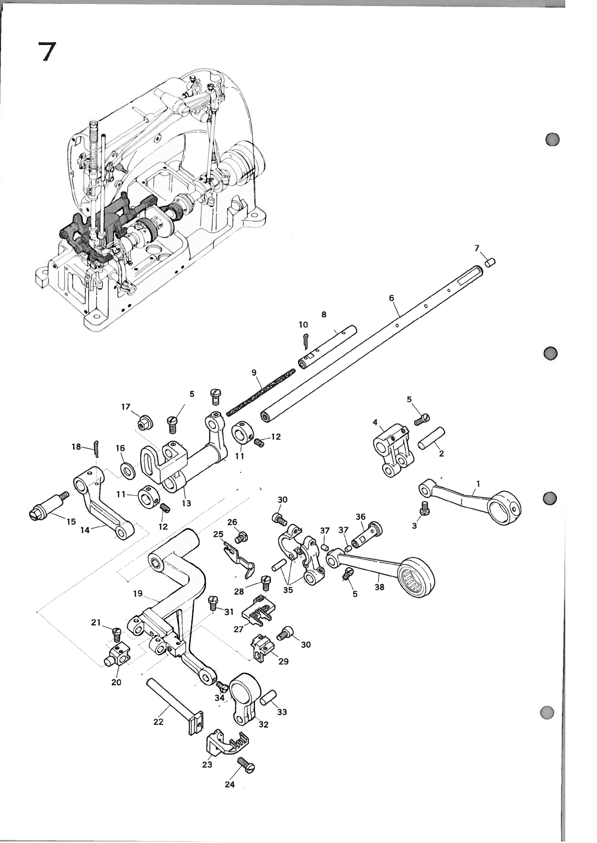
MAIN
DRIVING
SHAFT
MECHANISM
T’7
F-I
4
Ref.
Parts
o.
No.
Description
IZI
i:in
Amt.
Req.
1
90221
2
9202
(
3
9203
4
90222
5
90204
6
1372
7
2368
8
90205
9
90401
10
1448
11
12
13
14
15
16
17
18
19
Cd
90200
9218
560
90213
90212
4440
9503
9502
7645
90873
1457
90604
1
399
90637
90600
9606
9209
5040
90601
7650
90521
3635
933
Pulley
—
1
Screw
for
90221
—‘JiE
1
Screw
for
90221
—U—±
1
Pulley
Washer
J_
I)
_J4
4
1
Crank
Shaft
Housing
1
Screw
for
90204
4
Screw
for
90204
1
Housing
Cap
Gasket
1
Needle
Bar
Driving
Eccentric
1
Screw
for
90401
4jj
2
Crank
Shaft
Complete
Set
1
Screw
for
90200
jJ
1
Seal
for
9218
1
Counter
weight
for
Crank
Shaft
(Small)
i5-
I(’J’)
1
Counter
weight
for
Crank
Shaft
(Large)
Jr’
1
Screw
for
90212,90213
j
4
Screw
for
90200 2
Screwfor90200
2
Screw
for
90200
±
)
2
Looper
Thread
Take-up
1
Screw
for
90873
T
f-ijIih
)
2
Eccentric
Cover
1
Screw
for
90604
2
Roller
Bearing
—
j
,
,
1
Feed
Dog
Regulating
Control
Eccentric
Complete
Set
1
Screw
for
90600
)
1
Screw
for
90600
2
Screw
for
90600
1
Feed
Dog
Driving
Eccentric
±T’)’-V-’
1
Screw
for
90601
±TiUJ
‘1±
2
Looper Driving
Eccentric
Crank
1
Screw
for
90521
2
Screw
for
90521
2

“4
OQ
cii
.
C
0
(71
F)
N)
-
N)
w
(0
(J1
C

NEEDLE
BAR
MECHANISM
—
5
Ref.
Parts
Amt.
No.
No.
Description Req.
1
90300
Needle
Lever
Connecting
Rod
(Small)
Tn
i
H
(Ij\)
1
2
9303
Screw
for
90300
T
H(’J)iE
2
(
90304
Needle
Lever
Connection
(Long)
n
H1(k)
1
4
305
Nut
for
90304
±,
H
1
5
306
Nut
for
90304
ty
H
1
6
90306
Needle
Lever
Connecting
Rod
‘y
H
1
7
7311
Screw
for
90306
j
2
8
37130
Ball
Stud
Guide
1
9
1170
Screw
for
37130
1
10
37132
Ball
Stud
1
11
7121
Screw
for
37132
1
12
90314
Needle
Bar
Driving
Crank
1
13
7006
Screw
for
90314
j/yj
)
1
14
90315
Needle
Bar
Shaft
±..‘
7
H
1
15
90351
Needle
Bar
Shaft
Gasket
‘‘7
H/-
1
16
3632
Screw
for
90351
H±
1
17
90319
Needle
Bar
Shaft
Cap
Gasket
7Hii--’
1
18
90318
Needle
Bar
Shaft
Cap
±-‘
7
H
1
19
1399
Screw
for
90318
±7
HiE
3
70
90321
Needle
Bar
Connection
Link
±*‘)
1
21
90320
Needle
Bar
Connection
Link
Pin
tNJ
-‘
-‘
2
22
9322
Screw
for
90320
t4
1
J
1±
1
23
290
Felt
7I)LH
4
24
282
Oil
Wick
for
90320
2
25
90324
Needle
Bar
Connecting
Bracket
1
26
4437
Screw
for
90324
1
27
4313
Screw
for
90320
t’)±
1
28
90342
Needle
Bar
(C)
Complete
Set
Needle
Distance
(4.8mm)
£t4(C)(*fl)
1
28-1
90344
Needle
Bar
(D)
Complete
Set
(5.6mm)
H(D)(H)
1
28-2
90345
Needle
Bar
(E)
Complete
Set
(6.4mm)
H*(
E
)
(fl)
1
29
1457
Screw
for
90335,90336,90337
4j
2
()
4318
Screw
for
90335,90336,90337
)
1
31
3404
Screw
for
90334
fJj
&)
1
32
Needle
3
33
90165
Throat
Plate
(C)
Needle
Distance
(4.8mm)
1
34
90166
Throat
Plate
(D)
Needle
Distance
(5.6mm)
i-(D)
1
34-1
90167
Throat
Plate
(E)
Needle
Distance
(6.4mm)
1
34-2
9142
Screw
for
90165,90166,90167
2
35
90108
Throat
Plate
Suiporter
1
36
1395
Screw
for
90108 2
37
703
Pin
for
90108
2

6
28
2
0
0
0
.
2
7
11
1o
9
24
23
12
—22
21
15
F
17
14
18
26
25
2
117

L
LOOPER
DRIVING
MECHANISM
i
—
/
‘°
—
6
Ref.
Parts
Amt.
No.
No.
Description
Req.
1
90513
Looper
Oscillating
Lever
)L—)c—)V’
1
2
9508
Screw
for
90513,90529,90524
jj
)
5
.j
90515
Looper
Link
Pin
(Short)
1
4
9517
Screw
for
90515
)L—/c—/()±
1
5
90514
Looper
Link
)—)).J7
1
6
90519
Looper Driving Shaft
Collar
—Jc--.2..7
1
7
7650
Screw
for
90519
——->---iE
‘
1
8
9604
Screw
for
90519
1
9
90516
Looper
Link
Pin
(Long)
j_jIJi()
1
10
9506
Screw
for
90516
.JL—ic—’.
-‘
-‘()iE
)
1
11
90518
Looper
Link
Holder
1
12
90520
Looper Driving Shaft
jL._i$
1
13
90524
Looper
Driving
Lever
1
14
37121
Ball
Stud
1
15
7121
Screw
for
37121
1
16
37311
Looper
Connecting
Rod
Complete
Set
‘jul
.
(ll)
1
17
7311
Screw
for
37311
(fl)ib
-
4
18
37130
Ball
Stud
Guide
1
19
1170
Screw
for
37130
1
90525
Looper
Holder
1
21
703
Looper Adjusting
Pin
1
22
90529
Looper
1
23
90530
Looper
Thread
Guard
*JT
1
24
1228
Screw
for
90530
1
25
9526
Screw
for
90525
2
26
712
Washer
for
90525
1
27
5550
Screw
for
90525
1
28
1892
Screw
for
703
1

.
0
0
0
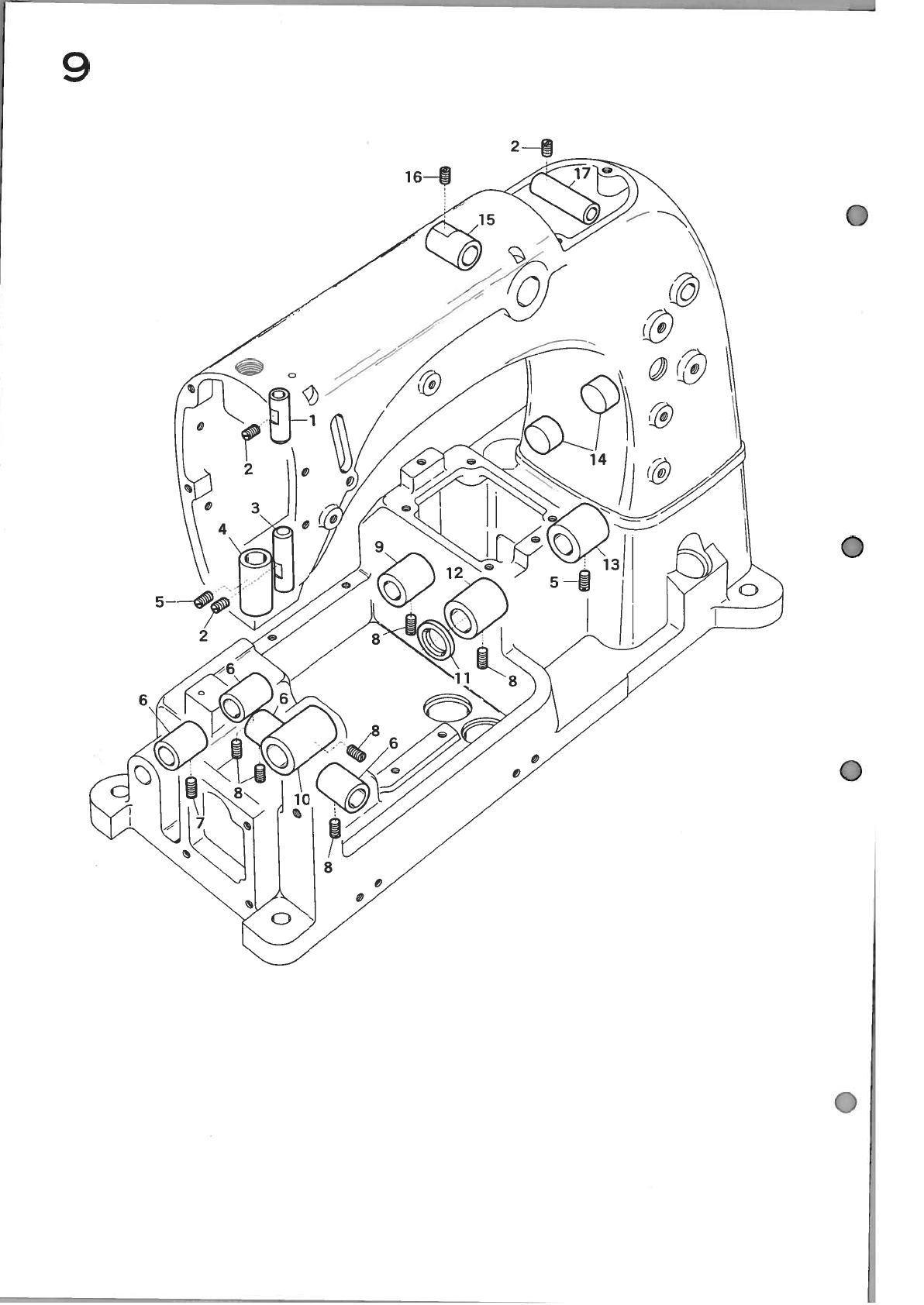
6
tlL
9L
91
81
a
9
£1
9
8
L
L

__--
I
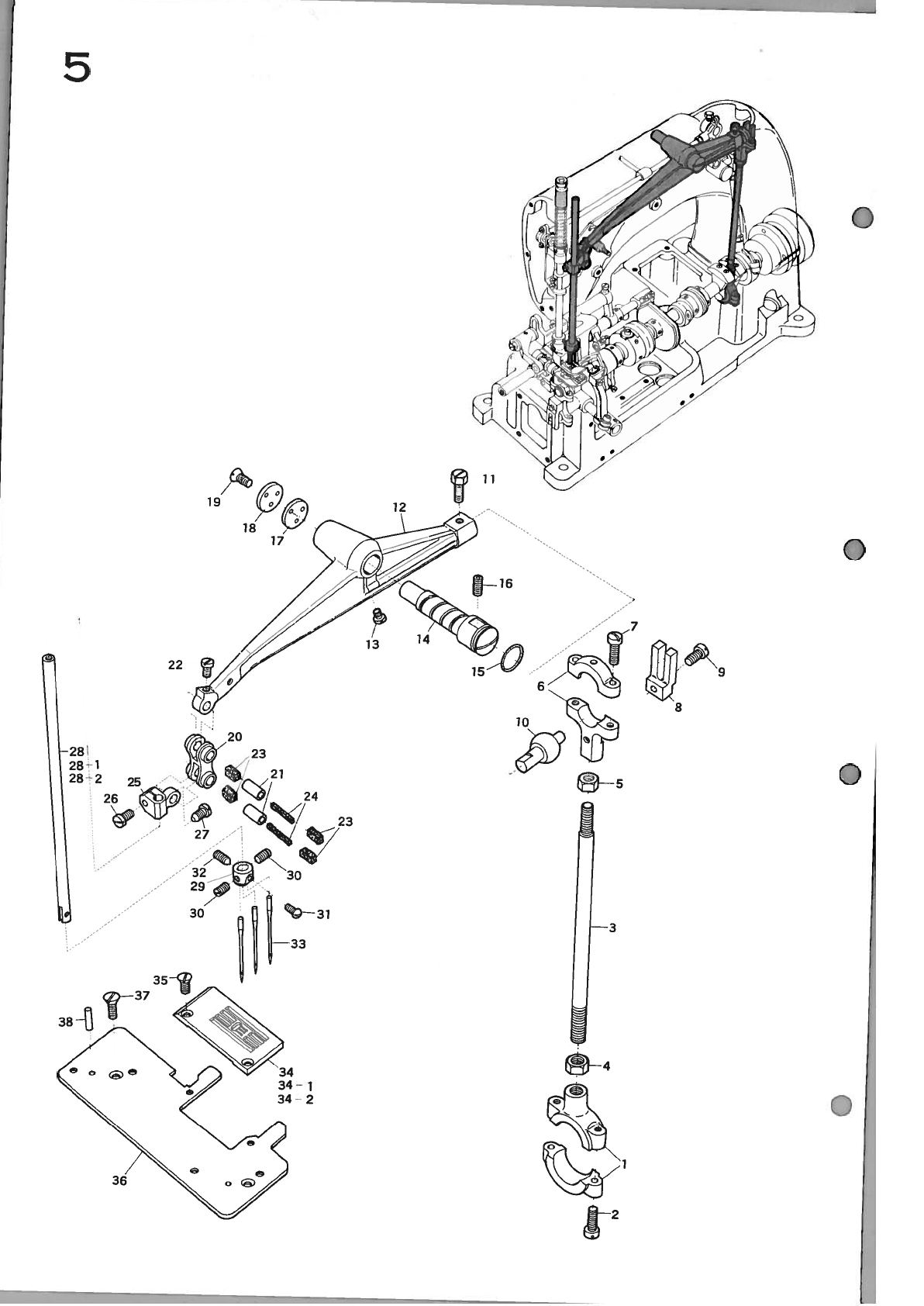
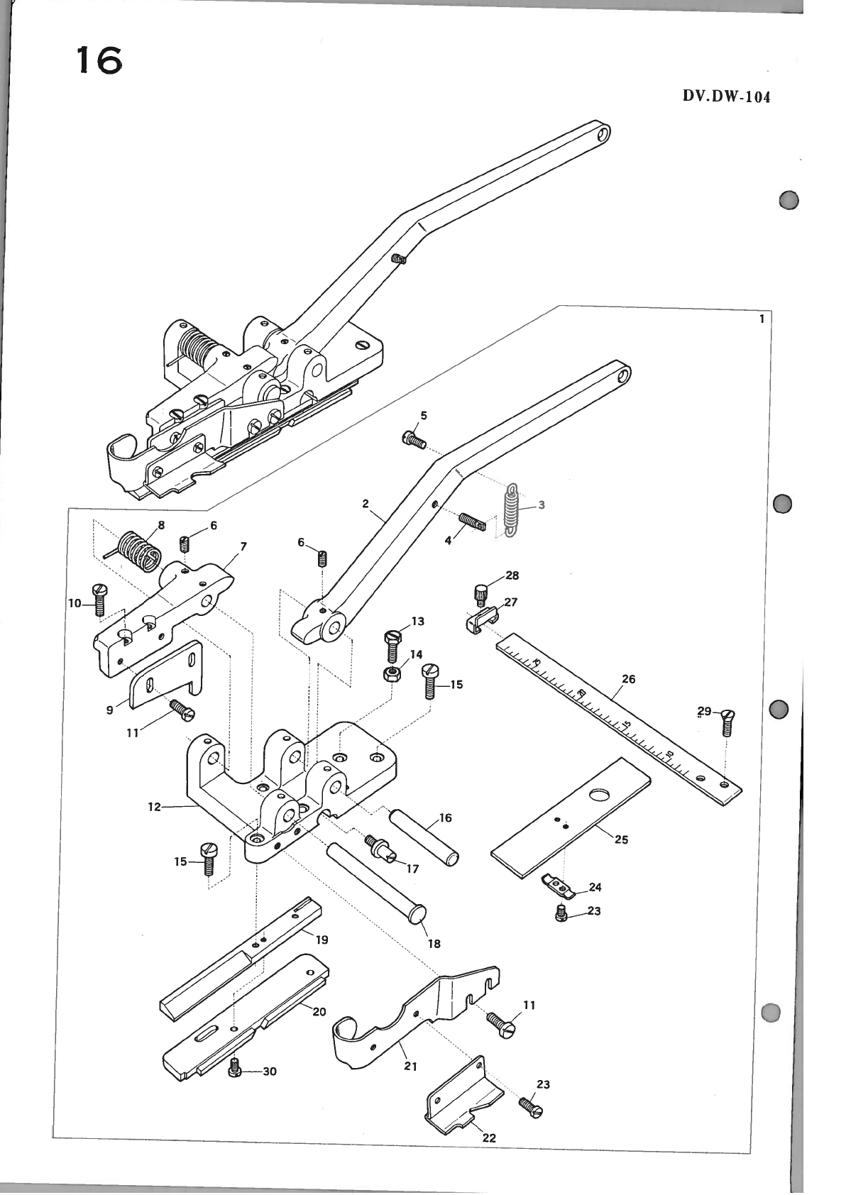
FEED
DRIVING
MECHANISM
7
Ref.
Parts
Amt.
No.
No.
Description
-
Req.
1
90504
Looper
Oscillating
Rod
fly
1
2
90516
Looper
Driving
Lever
Link
Pin
(Long)
)—/c—’)E.J()
1
3
9506
Screw
for
90516
1
4
90507
Looper
Driving
Lever
1
5
9508
Screw
for
90507,
90609
,
90611
5
6
90509
Feed
Bar
Shaft
)
1
7
750
Feed
Bar
Shaft
Plug
.>
y
1
8
90611
Feed
Bar Pin
1
9
90923
Oil
Wick
for
90611
1
10
90710
Cotter
Pin
1
11
90511
Feed
Bar
Shaft
Collar
2
12
1457
Screw
for
90511
jjj
4
13
90610
Feed
Bar
1
14
90617
Differential
Feed
Bar
Connection
Rod
ijj
1
.)fl.y
1
15
9614
Screw
for
90617
)fl.y
[.jf
,
1
16
555
Washer
for
90617
1
17
615
Screw
for
90617
gijx’)o.y
I1I:
1
18
90620
Cotter
Pin
1
19
90613
Feed
Bar
Bracket
1
(‘0
90618
Differential Feed
Bar
Guide
1
21
1222
Screw
for
90619
2
22
90619
Differential
Feed
Bar Pin
j’x
1
23
90625
Differential
Feed
Dog
(C,
D)
(Needle
Distance
4.8,
5.6mm)
)
(C,
D
)
1
23-1
90632
Differential
Feed
Dog
(E)
(Needle
Distance
6.4mm)
i’J(E)
1
24
1175
Screw
for
90625,90632
1
25
90633
Needle
Guard
1
26
5038
Screw
for
90633
2
27
90624
Main
Feed
Dog
(C,
D)
(Needle
Distance
4.
8,
5.
6mm)
.
U
(C,
D
)
1
27-1
90634
Main
Feed
Dog
(E)
(Needle
Distance
6.4mm)
i’J
(E
)
1
28
9624
Screw
for
90624,90634
2
,.-
‘9
90621
Differential
Feed
Dog
Adjusting
Plate
U
1
5550
Screw
for
90621,90627
If
2
31
5631
Screw
for
90624,90634
.
1
32
90626
Feed
Dog
Driving
Lever
1
33
90515
Feed
Dog
Driving
Lever
Link
Pin
(Short)
j.-_j—ij
.i’y
1
34
9506
Screw
for
90515
)
ic_!Ji.
()jj
1
35
90627
Feed
Bar
Lever
1
36
90609
Feed
Dog
Driving
Connecting
Rod
Pin
1
37
730
Plug
for
90609,
90648
2
38
90648
Feed
Dog
Driving
Connecting
Rod
jUfl
-
1

0,
C
‘5,
C,
1’.)
0
C,,
w
Co
CD
P
C)1
)
w
0
ry
/
w
CD
(71
a,
(C,
C
a,
C
Q
C
C

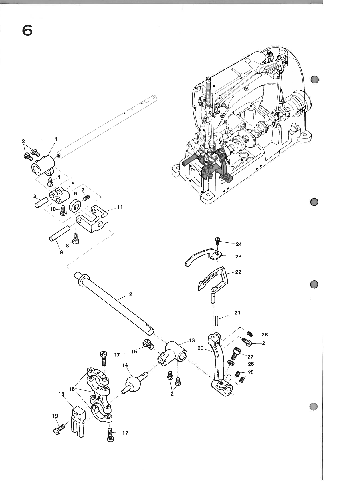
PRESSER
FOO
T
LIFTER
MECHANISM
:‘
8
Ref.
Parts
Amt.
No.
No.
Description
Req.
1
9715
Presser
Spring Regulater
for
9072.5
‘iiL
1
2
90725
Presser
Bar Spring
(Outer)
1
J
90726
Presser
Bar
Spring
(Inner)
I’(*fll)
1
4
90717
Presser
Bar
1
5
90519
Looper
Shaft
Collar
—
i
c
—
-,
—
2
6
1457
Screw
for
90519,90422
j
6
7
90420
Top
Spreader
Roker
And
Presser
Bushing
1
8
90714
Presser
Bar
Connecting
Bracket
1
9
90713
Presser
Bar
Guide
1
10
90732
Presser
Foot
Complete
Set
(Needle
Distance
4.8mm)
iI(ll)Crti
1
10-1
90722
Presser
Foot
Complete
Set
(Needle
Distance
5.6mm)
1I(ll)Drb
1
10—2
90731
Presser
Foot
Complete
Set
(Needle
Distance
6.4mm)
I(ll)
E
11
1
11
9604
Screw
for
90714,90705
j
z)
3
12
90421
Top
Spreader
Bracket
Gasket
IJ—.’c—ic.y--’
1
13
90422
Top
Spreader
Bracket
1
14
1227
Screw
for
90425
I)
)
2
15
9G425
Top
Spreader
ij.I_jc_
1
16
90412
Top
Spreader
Connecting
Rod
(Smal)
H(’J)
2
17
1174
Screw
for
90412
-.(/j\)
4
18
90418
Ball
Stud
1
19
419
Nut
for
90418
H
1
20
306
Nut
for
90413,
90404
.,
3
21
90413
Top
Spreader
Connection
(Long)
.
1
22
90829
Ornamental
Thread
Take-up
Bracket
ffl
I.)
,
I)
1
23
90822
Ornamental
Thread
Take-up
i
‘.J
IJ
1
24
1459
Screw
for
90829
jIJIJJjf
)
1
25
331
Nut
for
90705 2
26
90724
Foot
Lifter
Connection
Adjusting
Pin
1
27
533
Washer for
90724
1
28
90704
Foot
Lifter
Link
Lever
1
29
9508
Screw
for
90704
;_;
2
(0
90696
Foot
Lifter
Shaft
Sparse
Ring
1
31
90695
Foot
Lifter
Shaft
1
32
90705
Foot
Lifter
Connection
1
33
90706
Foot
Lifter
Driving
Lever
Complete
Set
L-Jc—()
1
34
90708
Foot
Lifter
Spring
1
35
9707
Screw
for
90706
)
1
36
90711
Foot
Lifter
Link
4a-rjI.J
1
37
319
Washer
for
90409
1
38
90409
Ball
Stud
(Without
Screw)
Jj\J.j
1
39
7121
Screw
for
90409,37121
2
40
90405
Top
Spreader
Roker
Arm
‘J—ic—’J
1
41
37121
Driving
Lever
Ball
Stud
1
42
90406
Top
Spreader
Driving
Lever
1
43
2043
Screw
for
90406,
90713
3
44
90306
Top
Spreader
Connecting
Rod
(Medium)
.
..
(E)
1
45
7311
Screw
for
90306
2
46
37130
Ball
Stud
Gaide
1
47
1170
Screw
for
37130
1
8
90404 Top
Spreader
Connection
(Short)
2
H
()
1
49
305
Nut
for
90404
H
1
50
90400
Top
Spreader
Connecting
Rod
(Large)
2
H
()
51
9303
Screw
for
90400
TOy
H()
2
52
90408
Oil
Splasher
To
2
1
53
9322
Screw
for
90408
TOy
1
TJE
)
1

0
0
0
6
9
-9
9L

?VIISCELLANEOUS
BUSHING
________
9
Amt.
Needle
Bar
Bushing
(Upper)
y
.
(±)
1
Screw
for
90332,90333,90697
±
;)
3
Needle
Bar
Bushing
(Lower)
2
.
(T)
1
Presser
Bar
Bushing
1
Screw
for
90720,90209
iL
)
2
Feed
Driving
&
Looper
Oscillating
Shaft
Bushing
-‘
‘
7
4
Screw
for
90510
7y’iL
)
1
Screw
for
90510,
90208
6
Feed
Driving Shaft
Bushing
(Right)
7
,
j
()
1
Crank
Shaft
Bushing
(Long)
T
r
7
1
Crank
Shaft
Bushing
Gasket
1
Crank
Shaft
Bushing
(Short)
T
‘
2
‘
(.)
1
Oil
Lubricate
Bushing
7
2
:‘.:i
1
Seal
Plug
2
Upper
Shaft
Bushing
7
1
Screw
for
90317
1
Foot
Lifter
Shaft
Bushing
1
Description
Ref.
No.
1
4
5
6
7
8
9
10
Parts
No.
90332
9209
90333
90720
7650
90510
1435
3434
90512
90208
11
90214
12
90207
13
90209
14
90149
15
90317
16
3632
17
90697

C
00

OIL
L
UBRICA TING
S
YS
TEM
iTi:i
/W
I*J
I’T
10
Ref.
Parts
No.
No.
Description
fin
Amt.
Req.
1
90952
2
90953
(
3
90918
4
90958
5
90951
6
32932
7
90907
8
9930
9
90901
10
1459
11
12
13
14
15
16
17
18
19
20
C
21
22
23
24
25
26
27
28
29
30
90906
567
37669
7668
37675
90944
9909
90941
419
570
90172
9917
90942
90930
90911
90919
90910
90928
9853
9932
Oil
Filter
2
Oil
Filter
Holder
2
Feed
Dog
Oil
Lubricate
Pipe
jiJjc..(
1
Round
Oil
Filter
Screen
(Lower)
2
Round
Oil
Filter
Screen
if1
2
Round
Oil
Filter
Screen
Clamp
2
Oil
Pump
Complete
Set
1
Screw
for
90907
i-J(ll)ib
5
2
Oil
Pump
Driving
Worm
Gear
1.
Screw
for
90901
2
Square
Rubber
1
Seal
for
7668,37669
6
Oil
Tube
Fitting
One
Way
End
3
Oil
Tube
Fitting
Stud
(Short)
2
Oil
Tube
Clamp
10
Oil
Tube
(65mm)
-
-(
ti-’
(65mm)
1
Oil
Tube
Fitting
4
Oil
Tube
(90mm)
-iiJ-i’
(9Omm)
1
Nut
for
9917
.5,
1
Seal
for
9917
,,,
1
Keep
Plate
1
Screw
for
90172
]&jj:
s’
1
Oil
Tube
(160mm)
t-i’.u-i-(
(16Omm)
2
Oil
Relief
Valve
1
Upper
Shaft
Oil
Nozzle
.,
-7
1
Oil
Nozzle
Fitting
Seal
1
Oil
Receiver
1
Oil
Tube
Holder
1
Screw
for
90910
1)
1
Screw
for
90910
J7
1
Screw
for
90911
2
Oil
Sight
Gauge
1
Oil
Tube
(320mm)
(32Qmni)
1
31
9150
2
32942
33
90943

42
(‘)
rr
(N (N
—
c’
c
—(N
CN
C
C
a
.
CC
—
—
(N
—
(N
r’
r-, r-. r-.
C’4(N
CN
—(N
CCC
,.
;
-
L
-l
j)
—
(N
c,
(N(N(N(N(N
/
_(N

SUBCLASS
ORGANIZATION
PARTS(1)
11
Ref.
Parts
Amt.
No.
No.
Description
Req.
1
91131
Presser
Foot
(A)for
needle
distance
(3.2mm)
4€PI(A)(B)
1
1
—1
91132
Presser
Foot
(B)for
(4.0mm)
1
1—2
91133
Presser
Foot
(C)for
(4.8mm)
)i(C)(fl)
1
1—3
91134
Presser
Foot
(D)for
(5.6mm)
4i(D)(ll)
1
1-4
91135
Presser
Foot
(E)for
(6.4mm)
)I(E)(fl)
1
2
91100
Throat
Plate
(A)
for
needle
distance
(3.
2mm)
£±&(A)
1
2
—1
91101
Throat
Plate
(B)
for
(4.
0mm)
&
(B
)
1
2-2
91102
Throat
Plate
(C)for
(4.8mm)
t&(C)
1
2-3
91103
Throat
Plate
(D)
for
(5.
6mm)
±(D
)
1
2-4
91104
Throat
Plate (E)for
(6.4mm)
£±&(E)
1
3
91191
Presser
Foot
(A)for
needle
distance
(3.2mm)
)qi.(A)(fl)
1
3—1
91192
Presser
Foot
(B)for
(4.0mm)
)3i(B)(ll)
1
4
91231
Presser
Foot
(A)for
needle
distance
(3.2mm)
i(A)()
1
4-1
91232
Presser
Foot
(B)for
(4.0mm)
)i(B)(fl)
1
4-2
91233
Presser
Foot
(C)for
(4.8mm)
4I(C)(fl)
1
4—3
91234
Presser
Foot
(D)for
(5.6mm)
4x(D)(fl)
1
4-4
91235
Presser
Foot
(E)for
(6.4mm)
)i(E)(fl)
1
5
91359
Presser
Foot
(C)for
needle
distance
(4.8mm)
i(C)(U)
1
5—1
91361
Presser
Foot
(E)for
(6.4mm)
ji(E)(ll)
1
91283
Throat
Plate
(C)for
needle
distance
(4.8mm)
&(C)
1
6-1
91285
Throat
Plate
(E)
for
(6.
4mm)
E
)
1
7
94215
Presser
Foot
(A)for
needle
distance
(3.2mm)
i(A.)()
1
7-1
94216
Presser
Foot
(B)for
(4.0mm)
)I(B)(fl)
1
7-2
94217
Presser
Foot
(C)for
(4.8mm)
4ii(C)(ll)
1
7—3
94219
Presser
Foot
(E)for
(6.4mm)
)i(E)(fi)
1
8
91675
Throat
Plate
(A)
for
needle
distance
(3.
2mm)
±(A)
1
8
-1
91676
Throat
Plate
(B)
for
(4.
0mm)
±&(
B
)
1
8-2
91677
Throat
Plate
(C)for
(4.8mm)
t(C)
1
8-3
91679
Throat
Plate
(E)for
(6.4mm)
i.±(E)
1
9
91197
Presser
Foot
(D)for
needle
distance
(5.6mm)
qiI(D)(j)
1
9-1
91198
Presser
Foot
(E)for
(6.4mm)
)i(E)()H)
1
90166
Throat
Plate
(D)for
needle
distance
(5.6mm)
±&(D)
1
10—1
90167
Throat
Plate
(E)for
(6.4mm)
t(E)
1
11
94908
Presser
Foot
(D)for
needle
distance
(5.6mm)
qii(D)()
1
11—1
94909
Presser
Foot
(E)for
(6.4mm)
j(E)()
1
1
2
91764
Throat
Plate
(D)
for
needle
distance
(5.
6mm)
D
)
1
12-1
91765
Throat
Plate (E)for
(6.4mm)
(E)
1
13
91991
Presser
Foot
()
1
14
91981
Throat
Plate
1
15
92072
Presser
Foot
eJ-(s)
1
16
92071
Throat
Plate
1
17
91965
Presser
Foot
(A)
for
needle
distance
(3.
2mm)
qii
(A)
()
1
17-1
91966
Presser
Foot
(B)for
(4.0mm)
)f4iI(B)(fi)
1
17—2
91967
Presser
Foot
(C)for
(4.8mm)
ji(C)()
1
18
91941
Throat
Plate
(A)for
needle
distance
(3.2mm)
(A)
1
18-1
91942
Throat
Plate
(B)for
(4.0mm)
r(B)
1
18
-2
91943
Throat
Plate
(C)
for
(4.
8mm)
£t(
)
1
19
92157
Presser
Foot
(C)
for
needle
distance
(4.
8mm)
i(C)
(g)
1
19_i
92158
Presser
Foot
(D)for
(5.6mm)
‘(D)(fi)
1
.9—2
92159
Presser
Foot
(E)for
(6.4mm)
)q3i(E)(fl)
1
20
92151
Throat
Plate
(C)
for
needle
distasce
(4.
8mm)
(C
)
1
20-1
92152
Throat
Plate
(D)for
(5.6mm)
(D)
1
20-2
92153
Throat
Plate (E)for
(6.4mm)
i(E)
1

1)V-l00,100S,101,103,104,105,109
-
-______
--
19
18
20
/
12
I)V-1
00772.
2
:.
I)V-1
00,1
OOS,101
-103,101,105,
.109
114
1141
I
4-2
I
43
4-4
DV-102
DV-108
ioO
Thy-I
06
21
19
1
23,
20
14
0
17
[DV-102,106
-
—
15
-
21
-
-
14
fbi
0

7
8
8-1
9
10
11
12
12
12
91320
91323
91325
91986
92081
62
56
56
56
90814
Tension
Post
Ferrule
for
DV-101
3
Tension
Post
Ferrule
for
Dy-lOS
2
Tension
Disc
Separator
1
Tension
Disc
Eyelet
for
DV-100,100S,103,104,105,109
3
Tension
Disc
Eyelet
for
DV-1O1, 102,
106
2
Tension
Disc
Eyelet
for
DV-108
1
Tension
Disc
Eyelet
for
Looper
Thread
for
DV-102,
106
2
Tension
Disc
Eyelet
for
Looper
Thread
for
D
V-i
00,1CW)S,i
01
,1
03,104,106,108,1
09
F
llfl
1
Tension
Post
Support
-
1
Thread
Lead-in
Guide
for
DV-102,
106
4
Thread
Lead-in
Guide
for
DV-100,IOOS,101,103,104,105,109
--
3
Thread
Lead-in
Guide
for
DV-108
2
Nut
for
DV-102,106
&.,
2
Nut
for
DV-100,IOOS,101,103,104,105,108,109
j
1
Tension
Disc
Separator
1
Tension
Post
Support
1
SUBCLASS
ORGANIZATION
PARTS(2)
-t’-
‘
1
2
F?ef.
No.
1
.2
(3
4
4-1
4-2
4-3
4-4
5
6
Parts
No.
91145
91143
91144
90001
90002
90003
90004
90005
1457
3404
Amt.
Description
Req.
Needle
Bar
Thread
Eyelet
1
Needle
Thread
Eyelet
1
Needle
Thread
Take-up
t4
J
1
Needle
Bar
(A)
Complete
Set
±4(A)(H)
1
Needle
Bar
(B)
Complete
Set
±k4(
B)
(fl)
1
Needle
Bar
(C)
Complete
Set
t1(C)(ll)
I
Needle
Bar
(D)
Complete
Set
t4(
D)
(fl)
1
Needle
Bar
(E)
Complete
Set
+k(E)(fl)
1
Screw
for
Needle
Bar
4j}
2
Screw
for
Needle
Clamp
+ih.’iE
1
Needle
Bar
1
Needle
Clamp
(C)
for
needle
distance
(4.8mm)
£LL
(C)
1
Needle
Clamp
(E)
for
(6.
4mm)
fik
.
(E
)
1
Needle
Clamp
1
Needle
Bar
1
Nut
for
92081
fr
1
Lock
Nut
for
DV-100,
JOOS,
102, 103, 104,
105,
106,109
,,
4
Lock
Nut
for
DV-10i
Dy
1
YJ-y
3
Lock
Nut
for
DV-108
>)y
2
Looper
Thread
Tension
Spring
for
D
V-I
00,1
OOS,101
,102,103,1
04
,1
05,106,1 09
1
J-T-i
()
2
Looper
Thread
Tension
Spring
for
DV-108
()
1
Tension
Disc
for
DV-100,JOOS,102,103,104,105,106,109
....
7
jfjjfl
8
Tension
Disc
for
DV-101
6
Tension
Disc
for
Dy-lOB
4
Tension
Post
for
DV-100,100S,101,103,104,105,109
4
Tension
Post
for
DV-102,
106
3
Tension
Post
for
DV-108
Ji-
2
Needle
Thread
Tension
Spring
for
DV-100,100S,102,1O3,1O4,105,106,109*fi(*)
2
Needle
Thread
Tension
Spring
for
DV-101,
108
()
1
Tension
Post
Ferrule
for
DV-100,100S,102,1
03,1
04,1
05,1
06,1
09
4
13
90814
14
31111
14
31111
14
31111
15
9838
15
9838
15
9838
16
90847
16
90847
17
90812
17
1
18
19
19
19
20
21
22
22
90812
90812
60185
90856
90856
90856
90857
90857
91142
90807
22
90807
22
90807
23
813
23
813
24
90804
25
90805

13
DV,DWI
OOS
0
0
0
3
2
4
5
7
7
10
11
0

D1’DW-1OOS
EXCLUSIVE
RARTS
13
Parts
No.
Description
1
91174
2
91175
1208
4
91177
5
18
66802
7
6806
8
91170
991176
10
544
Tape
(;uide
1-lolder
Plate
Corneplet
Set
-
—
fri
-í
IR
i
t1J
(ll)
1
lape
Guide
Holder
Corn/etc
Set
—-i
‘(ll)
1
Screw
br
91175
—
(D)ib.
2
lape
Guide
(Long)
—
Ij
-
h
(
)
1
Nut
for
91177
-j-
,
1
Sc
re
a’
for
91174
—
-í
V
fly’)
f
-
&jF
2
Nut
for
91174
.y
2
Tape
Guide
Holder
i’late
—
-1’
U
1
Tape
Guide
Complete
Set
—
V
.
i(ll)
1
Washer
for
91176
2
11 4359
Screw
for
91176
-
)U-
y1ll)iE’
2
12
91184
holder
1
Ref.
No.
IZI
ni:’
Amt.
Req.

cp
9
1o
14
()
V
DV-loi
59
V
/
/
/6/
0
0
DV-102
19-s
18
2
)7
24
6
•1
0
.
25
/
35
9
39
J
/1/
40—
1

OV1O1,-102
EXCLUSIVE
PARTS
14
?ef.
Parts
Amt.
LVo.
-
No.
Description
Req.
1
91227
Presser
Bar
Bushing
1
2
91228
Feed
Dog
(A—D)
for
needle
distance
(3.2—5.6mm)
i’
(A—D)
1
(
—1
91229
Feed
Dog
(E)
for
needle
distance
(6.
4mm)
U
(E
)
1
3
1175
Screw
for
91228,
91229,
91342
J
jE
1
4
91201
Seal Pin
1
5
1613
Flat
Head
Screw
1
6
91202
Shaft
Collar
5
j
.7
.,
7
..
5
1
7
1448
Screw
for
91202
ic.)
2
891251
Holder
(A)
for
needle
distance
(3.2mm)
1
8-1
91252
Holder
(B)
for
(4.0mm)
B)
1
8-2
91253
Holder
(C)for
(4.8mm)
1
8-3
91254
Holder
(D)for
(5.6mm)
1
8-4
91255
Holder
(E)for
(6.4mm)
E)
1
9
9852
Screw
for
91251,
91252,
91253, 91254,
91255,
91373,
91375
jJ:
3
10
613
Washer
for
91251,91252,91253,91254,91255,91373,91375ii
3
11
91397
Tape
Guide
5—Jj5(
1
12
90636
Feed
Dog
Driving
Rod
Front
Cover
.
1
13
90831
Looper
Eyelet
(Short)
)—jc—()
1
14
1202
Screw
for
90831,91399
iE
2
1
5
91398
Thread
Eyelet
Plate
1
16
91388
Looper
Thread
Take-up
Eyelet
1
17
92039
Retaining
Finger
1
18
92040
Retaining
Finger
Support
Plate
1
19
9142
Screw
for
92040
)L—/—’J.7-jj
1
20
91399
Looper
Eyelet
i
21
92037
Looper
Thread
Take-up
1
22
1457
Screw
for
92037
TJJLj.L
,
2
23
91987
Looper
Driving
Eccentric
Crank
Iz-j’75-”7
1
24
9533
Screw
for
91987
I-kz-75}7IE
5
2
25
3635
Screw
for
91987
2
26
91293
Looper
(Rear)
(C)
for
needle
distance
(4.8mm)
—i—)C)
1
(
—i
91295
Looper
(Rear)(E)
for
(6.4mm)
n—J—()(E)
1
27
91290
Looper (Front)
i—i’—()
1
28
91329
Looper Holder
1
29
7650
Screw
for
91290,
91293,
91295
j—i—
)
2
30
5550
Screw
for
91329,
91303, 91305,
91340
-)
3
31
712
Washer
for
91329
1
32
9526
Screw
for
91329
)j.L±
i’-7
2
33
91303
Feed
Dog
(C)
for
needle
distance
(4.8mm)
‘J(C)
1
33-1
91305
Feed
Dog
(E)for
(6.4mm)
1
34
5631
Screw
for 91303,91305,91228,91229
i’.)3jE
1
35
91340
Needle
Guard
Driving
Guide
1
36
1222
Screw
for
91341
-j
2
37
9650
Screw
for
91341
1
38
91341
Needle
Guard
Driving
Pin
1
39
91342
Needle
Guard
-
1
40
91373
Holder
(C)for
needle
distance
(4.8mm)
C)
1
40-1
91375
Holder
(E)for
(6.4mm)
E)
1
41
7678
Screw
for
91397
—7j-
1

91
9LJ
9LI
91
LV
17
1--
.
0
0
EL
6
E
I’
ch;z
a
9
/
9
rrT
Ti
I
0
[01-’
01
M
(F
A
(1

9VDW-103,-104
EXCLUSIVE
PARTS
Wffl
15
Amt.
Req.
1
91381
2
91700
(
91704
4
91729
5
9624
6
5631
7
91728
8
1175
9
91706
10
4440
11
12
13
14
15
16
17
18
19
20
b
41
22
23
24
25
26
27
547
340
91708
91709
91707
1457
91702
91784
613
9852
91
731
91736
5554
9932
91735
562
5553
Clot!
1
Plate
Slide
Cover
(DV,
DW-103,
Only)
;*
‘j
1
Choth
Plate
1
Throat
Plate
Supporter
WJ
I)
1
Main
Feed
Dog
(A—D)
for
needle
distance
3.2---5.
6mm
•jiJ
(A-D)
1
Screw
for
91729
jJjE
)
2
Screw
for
91729
‘.
±
.
;
1
Differential
Feed
Dog
(A—D)
for
needle
distance
3.2—5.6mm
iii.’.J(A-.D)
1
Screw
for
91728
;•
1
Tape
Guide
Holder
1
Screw
for
91706
2
Note;
Please
Indicate
The
Following
Folder
Type
and
Size,
When
You
Place
Order
ttTL’
Type
-
P
Q
j
RJ_J
s
Available
folder
sizes.
(in
finished
size)
i
z
e
1/,
¼
1/2,
/8,
:1/4,
7/4,
1,
1
¼
1
1/,
inch
?ef.
Vo.
Parts
No.
Description
Washer
for
91706
jj
2
iVul
for
91708
-j-,
2
Tape
Guide
(Long)
j’
()
2
Tape
Guide
(Short)
()
2
Tape
Guide
Adjuster
2
Screw
for
91707,
91709
i.E
4
Front
Cover
1
Edge
Guide
1
Washer
for
91784
1
Screw
for
91784
1
Folder
(See
Below
The
Note)
1
Folder
Clamp
1
Screw
for
91736
IJ
1
±
1
Screw
for
91731
2
Folder
Support
Bracket
1
Washer
for
91735 2
Screw
for
91735
J’-±
2

(ii
w
N)
(71
.
N)
CD
Q
0
C

-I
DVDW-104
CUTTING
DEVICE
-i-
16
Ref.
Parts
Amt.
N
No.
Description
____
Rej.
1
91844
Cutting
Device
Complete
Set
—
.
—
1
2
91840
Cutting
Knife
Lever
,,
1
3
91842
Cutting
Knife
Lever
Spring
1
4
6638
Screw
for
91842
ii-±
1
5
4446
Screw
for
91842
tJIq
:
1
6
7650
Screw
for
91840, 91834
3
7
91834
Cutting
Knife
Holder
1
8
91838
Cutting
Knife
Spring
1
9
91833
Cutting
Knife
(Upper)
.y
—Lh)
1
10
9150
Screw
for
91833
—(jjJJ
)
2
11
4440
Screw
for
91833
—‘—(±JiE
)
2
12
91832
Cutting
Device
Holder
——
j
1
13
2308
Screw
for
91840
1
14
340 Nut
for
91840
1
15
1156
Screw
for
91832,91839
j
4
16
91841
Cutting
Knife
Lever
Pin
1
17
6245
Screw
for
91839
—
—
(fl
‘.
1
18
91835
Cutting
Knife
Holder
Pin
1
19
91839
Cutting
Knife
(Lower)
—‘
—(T)
1
-‘0
91852
Cloth
Plate
Slide
Cover
Guide
Plate
;‘Ji
1
(
21
91837
Cutting
Knife
Guide
Holder
1
22
91836
Cutting
Knife
Guide
‘1
—T)
1
23
4237
Screw
for
91836,91853
i.E
)
4
24
91853
Cloth
Plate
Slide
Cover
Spring
1
25
91851
Cloth
Plate
Slide
Cover
1
26
91845
Measuring
Gauge
1
27
91846
Slide
Gauge
1
28
6436
Screw
for
91846
1
29
5343
Screw
for
91845
)
2
30
1175
Screw
for
91852
2p
2

01
0
0
LI
L
L
Li
6
8
LI
Sc-.
61
8E
N,
N
LL1
H
&LE
•
0
801
A
U
6
9
61
IL
P1
OL
P
£
(\
f
tO
:
901-AU

)V-106,-108
EXCLUSIVE
PARTS
‘1
7
Description
______
--
Needle
Thread
Guide
1
Screw
for
92041,91987
±
7)
3
Needle
Bar
Bushing
1
Thread
Eyelet
Plate
1
Screw
for
92040
)1—J
‘)
1
Retaining
Finger
Support
Plate
—,c—12’vt-
1
Retaining
Finger
_i_*]
1
Looper
Thread
Take-up
Eyelet
1
Seal Pin
1
Dish
Screw
±
)
1
Shaft
Collar
-.‘Fi5—
1
Screw
for
91202
F—iE
)
2
Looper Eyelet
_j
1
Looper
Thread
Take-up
TJ1JL
1
Screw
for
92037
TJ
hLk±
)
2
Looper
Driving
Eccentric
Crank
1
Screw
for
91987
2
Differential Feed
Dog
1
Screw
for
91984,
92079
ij
I
Main
Feed
Dog
ki
U
1
Screw
for
91985,91329
ib
2
Needle Guard
1
Screw
for
91990,92084
‘TJL
2
Looper Holder
_i_
1
Looper
(Front)
)L—i(ij)
1
Looper
(Rear)
1
Screw
for
91988,91989
)L’—1—j}
2
Washer
for
91329
1
Screw
for
91329
c_-j
)
2
Feed
Dog
Driving
Rod
Front
Cover
i
U
D
.
j.
1
Looper
Eyelet (Short)
1
Screw
for
90831,91399
)i—j
)
2
Screw
for
92080
I)±
1
Differential
Feed
Dog
1
Main
Feed
Dog
I
1
Screw
for
92080
j4
I)
j}
2
Needle
Guard
1
Looper
),—Ic—
1
Screw
for
92082
I
ef.
Parts
No.
1
92041
2
9533
91277
4
91398
5
9142
6
92040
7
92039
8
91388
9
91201
10
1613
Amt.
Req.
11
12
13
14
15
16
17
18
19
20
hi
22
23
24
25
26
27
28
29
30
91202
1448
91399
92037
1457
91987
3635
91984
1175
91985
5550
91990
5038
91329
91988
91989
7650
712
9526
90636
31
90831
1202
33
5631
34
92079
35
92080
36
9624
37
92084
38
92082
39
9508

0
0
0
4
t7Z
9Z
91
6L
9
81
01
tL
EL
\
81’
8
fi()
1’()
[M(1A(I

9VDW-105,-109
EXCLUSIVE
PARTS(1)
1
8
?ef.
Parts
Amt.
Vo.
No.
Description Req.
1
91905
Needle
Bar
Shaft
1
2
32906
Needle
Bar
Shaft
Oil
Seal
..
7
..
1
3
91978
Needle
Bar
Shaft
Bushing
(Front)
1
4
91904
Needle
Bar
Driving
Crank
£77-’
1
5
7121
Screw
iF
1
6
3635
Screw
for
91904
75’7Jj
)
2
7
9322
Screw
1
8
91907
Needle
Bar
Shaft
Bushing
(Rear)
.
-
,
()
1
9
32650
Needle
Bar
Driving
Crank Bushing
Plug)
1
10
91933 Tape
Holder
(Upper)
1
11
91939
Tube
1
12
6802
Screw
for
91933
1
13
554
Washer
for
91933
2
14
451
Nut
for
91933
-,y
1
15
1092
Screw
for
37109
‘jJiF
.7
1
16
37109
Ornamental
Thread
Retainer
Spring
‘i.J-T’
1
17
37108
Ornamental
Thread
Retainer
Disc
‘j\j1-+ffl1
2
18
92137
Ornamental
Thread
Retainer
Bracket
1
19
90830
Ornamental
Thread
Guide
Plate
j
j
1
4358
Screw
for
90830
UI
i&iL
i’7
2
21
91934
Clutch
Cover
Ay
1
22
37611
Clutch Cover
Knob
77.iyis—yv
1
23
340
Nut
for
91934,92138
2
24
1174
Screw
for
91936
75.yi—-’
1
25
533
Washer
for
91143
2
26
91143
Needle
Thread
Eyelet
2
27
91936
Clutch
Cover
Hinge
77.jic—.)
1
28
91938
Clutch
Cover
Pin
7.jJI—
1
29
335
Nut
for
ty
1
30
9121
Screw
for
91936,91143
j}
)
2
-1
91935
Clutch Cover
Plate
77y;’1—•L--—
1
4440
Screw
for
91935
7j
)
3
33
91951
Clutch
Cover
Spring
Washer
7
7
.,
1
34
91937
Clutch
Cover
Spring
7
,
1
35
1175
Screw
for
91937
2
36
247
Adjusting
Ball
Stop
Nut
‘iE
1
37
91964
Graduation
Showing
Plate
1
38
91908
Meatering
Lever
1
39
5550
Screw
for
91908
1
40
91909
Adjusting
Ball
1
41
94588
Upper Knife Connecting
Rod
(Small)
j(ij)
1
42
4357
Screw
for
94588,
94589
.,
4
43
91963
Adjusting
Ball
Lever
1
44
1330
Screw
for
91963
$L.1S—iL
1
45
92138
Clutch
Rod
Connection
1
46
343
Nut
for
92138
-.,
1
47
94589
Upper
Knife Connecting
Rod
(Large)
h()
I
48
32612
Seal Plug
2

9E
.
0
0
0
LI.
/%
/
9L
9L
8
Ut
oi
6L
I.
fiOI’cOJ-AjiJAu
6L

DV.DW-105,-109
EXCLUSIVE
PARTS(2)
‘19
Amt.
-
Req.
Clutch
Lever
1
Ball
Stud
(Long)
‘iJ-U.)
1
Was/icr
for
38034
j
1
Nut
for
38034
-
H
1
Screw
for
91911
.
1
Clutch
Shaft
Collar
5
S
7
[
5
1
Screw
for
32646
5H5—iL
)
2
Clutch
Shaft
5Y57H
1
Clutch
Frame
Bushing
(Right)
1
Clutch
Frame
ly
.
,
1
Screw
for
91914
55y+iJ’
/i(t)±
5
1
Screw
for
91931
fl
1
j--J-,,
1
Spring
Latch
Nut
j--j-,,
F
1
Link
Shaft
Spring
‘)‘-‘757HI
1
Tape
Holder
(Lower)
—IT(T)
1
Washer for
92135
1
Screw
for
92135
—fT(T)jb
1
Screw
for
92133
—-j
.
1
Nut
for
92133
t
,,
1
Break
Spring
1
Break
Holder
5_._Js
1
Screw
for
91961
1
Break
Shoe
5L-—-)
1
Screw
for
91912
5
5
y
Jj
5
1
Screw
for
91913
5
5
1
Washer for
91913
3
Clutch
Frame Holder
5
5
,
-J.51y
1
Screw
for
91913
55.)jf.
5
1
Nut
for
91913
F
1
Clutch
Frame
Bushing (Left)
,,
1
Clutch
Lock
Shaft
55.O.55.7H
1
Link
Shaft
S
S
7
H
1
Screw
for
91918
57h
i.
Clutch
Frame
Bushing
(Center)
,
S
(c)
1
Tension
Roller
(Large)
Complete
Set
E
—5—
() ()
1
Tension
Roller
(Small)
u5—(/j\)
1
Tension
Roller
Clutch
_
_
5
,
4
Tape
Guide
Wire
-i’
H
r-y
.‘
—
1
Tension
Roller
Link
E
5
I,)
,
52
Screw
for
91928,
91922
j
4
Tape
Guide
Chip
—5
‘
H
.
2
Screw
for
91940 2
Ref.
No.
Parts
No.
Description
1
91911
2
38034
511
4
18
5
5550
6
32646
7
3434
8
91917
9
91914
10
91912
I=1
11
12
13
14
15
16
17
18
19
c
3433
2237
91931
91932
92135
547
9853
3560
144
92134
91961
7609
92133
9930
6802
554
91913
2308
451
91916
:i
91918
(j
91922
33
9209
34
91915
35
91977
36
91920
37
91962
38
91928
39
91921
40
9322
41
91940
42
1459

0
0
0
0
co
I-Mci
A0
8
,
£
60
IM(1AU

WDW-1O9
EXCLUSIVE
PARTS(1)
20
?ef.
Parts
?Vo.
No.
1
91894
2
92249
i
91968
4
1732
5
5343
6
92145
7
9624
8
5631
9
92146
10
1175
11
12
13
14
15
16
17
18
19
20
92257
92258
91975
92252
9852
613
92129
1228
92256
92268
Description
Amt.
Req.
Machine
Frame
(DV,
DW-105)
—
i.
‘<
y
(U)
1
Machine
Frame
(DV,
DW-109)
—
,j
.
(fl)
1
Cloth
Plate
Complele
Set
1
Screw
for
91968
çIc—()
2
Screw
for
91968,
92257,
92258,
91975
‘
;.
7
Main
Feed
Dog
1
Screw
for
92145
2
Screw
for
92145
I,)
j
1
Differential Feed
Dog
iji.’J
1
Screu’
for
92146
jjXIJjJ
)
1
Side
Cover
N’—
1
Top
Cover
±J)’—
1
Throat
Plate
Supporter
1
Edge
Guide
1
Screw
for
92252,
92254
ib
3
Washer
for
92252
1
Needle Guard
±
1
r
1
Screw
for
92129
1
Feed
Dog
Driving
Rod
Front
Cover
i.
D
2
1
Washer
for
Feed
Dog
Driving
Rod
Front
Cover
ia’)
c
.
i
bi’—)
1
21
4440
Screw
for
92256
i
2
1
22
92254
Chip
Guard
(Lower)
1

0
0
9
LL
OL
CL
a
6
8
L
9
0
C
60
IM(I
AU

)V.DW-109
EXCLUSIVE
PARTS(2)
21
Description
Crank
Shaft
Complete
Set
5-’’’
(ll)
1
Upper
Knife
Driving
Eccentric
1
Upper
Knife
Connecting
Rod
(Large)
L(c)
1
Screw
for
92266
±..-u.,
H()jb
2
Nut
for
94587
fr-
1
Upper
Knife
Connection
L
.y
1
Nut
for
94587
-
H
1
Upper
Knife
Connecting
Rod
1
S
crew
for
94589
3
3.
y
2
Rod
Oil
Receiver
1
Screw for
92255
,
:-j
4)
2
Chip
Guard
(Upper)
]Ir(J)
1
Screw
for
92253
IJfr
(1:)jE
2
Upper
Knife
Connecting
Ball(
Long)
±J
1
Upper
Knife
Holder
Arm
L.
2.i3
1
Screw
for
94574
3.’ji
)
1
Screw
for
94573, 94574 3
Screw
for
94576
..E32.iL
)
1
Upper
Knife
±32
1
Lower
Knife
Clamp
1
Lower
Knife
Holder
T3
X’
1
Lower
Knife
T
3
3
1
S
crew
for
94581
T
-
3.
TiE
1
Lower
Knife
Holder
Bracket
T3
X55i
H
1
Screw
for
94579
T32.ji.
-
1
Lower
Knife
Holder
Locking
Plate
T5
2..’J±
1
Screw
for
94582
T32.JiE3iE
2
Screw
for
92267
T32.5
Hib
i’--’
2
Pin
for
92267
T
3
2.
S’r
H
3
2
Upper Knife
Holder
Pin
±3
7.
1
Upper
Knife
Hoder
Pin
Collar
±3
2.
5—
2
Screwfor94562
±33.5—f
4
Upper Knife
Spring
±32./
1
Amt.
Req.
ef.
Parts
Vo.
No.
1
91972
-,
92264
(iP
92266
4
2043
5
340
6
94587
7
343
8
94589
94357
10
92255
11
4401
12
92253
13
9121
14
94573
15
92265
16
3646
17
1457
18
1175
19
94576
2(P.
94581
21
94579
22
94580
23
100
24
92267
25
3635
26
94582
27
4440
28
7763
29
703
30
94574
31
94562
3,
3637
33
94577

0
C
0
N
N

EC
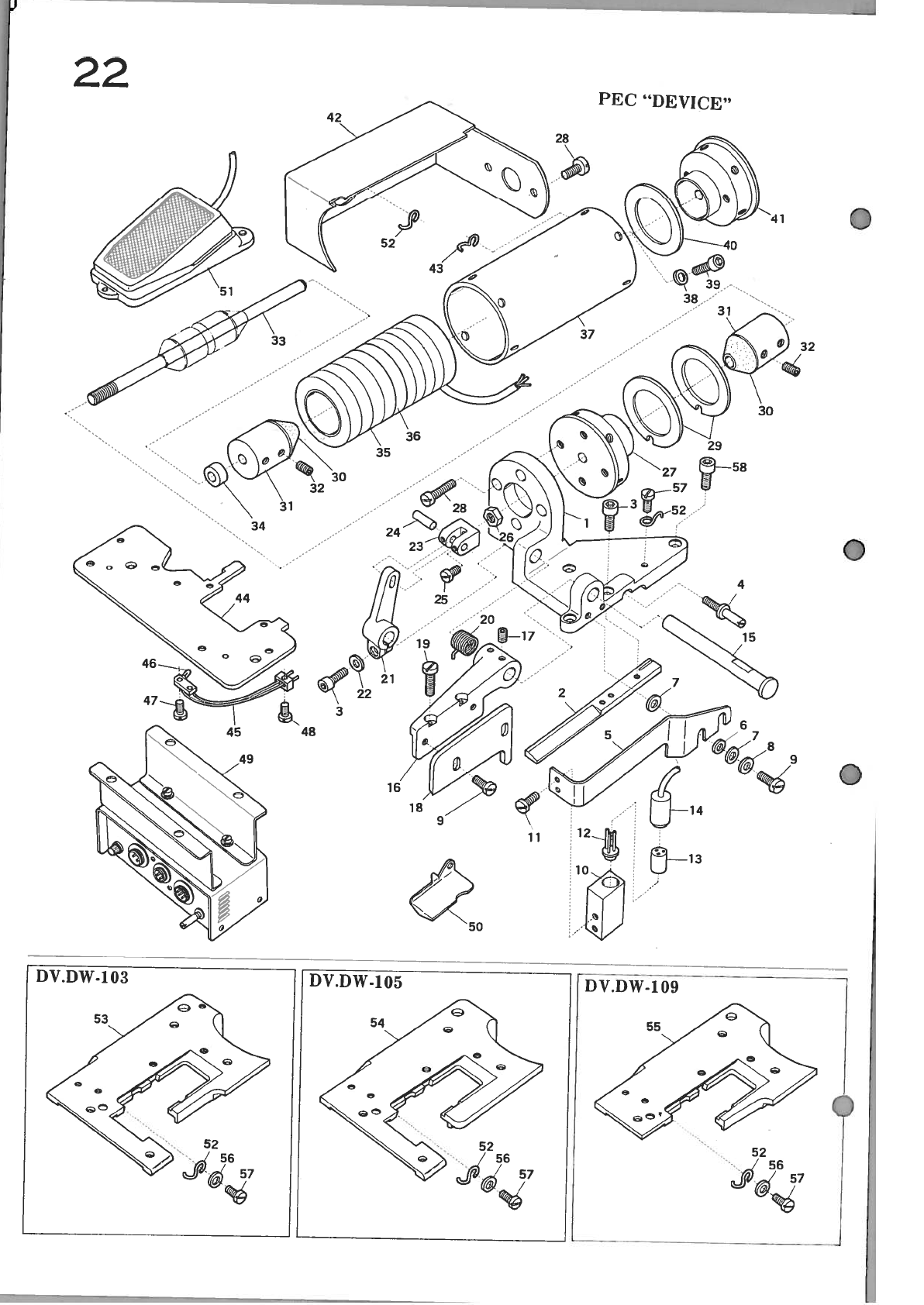
“DEVICE’
P
E
c
22
ef.
Parts
Qro.
No.
Description
PEC
(Photo
Electoric
Cutting
Device)
Holder
I
Cutting
Knife
1
Screw
for
91839,
92206
.‘
3
Screw
for
91839
—
(T)j1
-
1
Cover
for
91839
;J.y—7J\_—
1
Space
Ring
for
92201
..
4
Space
Ring
for
92201
“—2.
‘.)
-‘
2
Washer
for
92201
2
Screw
for
92201, 91883
-2
4
Photo-transistor
Case
P
Tr—2
1
Screw
for
92219
P
%
2
Photo-transistor
1
Photo-transistor
Holder
P
T$f
2
Bushing
for
Cord
1
Shaft
for
92203
_4
1
Cutting
Knife
Holder
1
Screw
for
92203
—(±jt)1’--iL
2
Cutting
Knife
(Upper)
1
Screw
for
91883
Ij’y—(±jib
1
Spring
for
92203
—i
1
Lever
for
92204
1
Spring
Washer
for
92206
1
Joint
--j-
1
Pin
for
92206
y.—+i—V
1
Screw
for
92208
2
Nut
y-
1
Frange
(Front)
1
Screw
for
92214
4
Seal
for
92214
;5—12-;i--
2
Shock
Absorbed
Seal
2
Pinger
2
Screw
for
92237
4
Plunger
Rod
for
92237
1
Space
Ring
for
92238
‘-‘
—
.
j
1
Solenoid
Coil
‘‘L-)I
h1’)1
1
Space
Ring for
92220
<—.‘-‘i
1
Solenoid
Case
1-)-I
1
y-
1
Spring
Washers
8
Screw
for
92209
‘-ii’
---x±
;-)
8
Shock
Absorbed
Seal
1
Frange
(Rear)
1
Metal
Consent
Holder
1
Cord
Supporter
(Large)
:3—
fr()
1
Thoat
Plate
Supporter
1
Light
Complete
Set
1
Light
for
92236
1
Screw
for
92236
*()ih
)
1
Screw
for
92236
)j
)
1
Control
Box
Complete
Set
1
Tape
Guide
5r.
—
1
Pedal
Switch
Complete
Set
)L.-c
1
Cord
Supporter
(Small)
—
hT(’j\)
7
Cloth
Plate
for
DV,
DW-1O3PEC
1
Cloth
Plate
for
DV,
DW-1O5PEC
*.iJJ—
1
Cloth
Plate
for
DV,
DW-1O9PEC
1
Washer
for
37677
1
Screw
for
37677
—
J)iE
.%
7
Screw
for
92200
‘y—±
)
2
Ij
fin
Amt.
Req.
1
92200
‘
91839
(...
5550
4
6245
5
92201
6
550
7
620
8
538
9
4440
10
92219
11
5036
12
11610
13
92224
14
92225
15
92204
16
92203
17
3635
18
91833
19
9150
92205
21
92206
22
644
23
92207
24
92208
25
1227
26
18
27
92214
28
5083
29
92213
30
92211
31
33
34
35
36
37
38
39
40
92237
3632
92238
92239
92220
92212
92209
644
5038
92235
41
92216
42
92215
43
92226
44
94251
45
92236
46
11663
47
4351
48
7405
()
11685
j
92202
51
11682
52
37677
53
92241
54
91889
55
92163
56
535
57
4358
58
5525

8
o
P!
41L
8L
9L
il
L
E
L—L

ACCESSORY
2
-t
-
‘.‘
—
i
23
Ref.
Parts
Amt.
No.
No.
Description Req.
Exp’t
I1p1
1
99003
Thread
Stand
5
Spool
Type
Complete
Set
51(ll)
1
•
1
‘
—1
99004
Thread
Stand
6
Spool
Type
Complete
Set
6(D)
1
•
1
(
2
99000
Thread
Stand
2
Spool
Type
Complete
Set
1
1
2
30064
Knited
Tape
Stand
for
DV,
DW-103,
104
—
-jz.
1
1
3
94304
Elastic
Tape
Stand
for
DV, DW-105,
109
iL-—
1X
-‘
I-
1
•
1
4
Oil
(0.35)
-i’n-(O35)
1
•
1
5
37909
Thread
Tweezers
11
6
37932
Oiler
1
1
7
37911
Pedal
Complete
Set
•n(ll)
1
8
37907
Pedal
Complete
Set
‘:j(ifl)
1
9
37937
Machine
Cover
1
1
10
Wood
Screu
2
•
2
1 1
37913
A
ttachment Box
f).i
1
1
12
Needle (Schmetz
UY
128
GAS Organ
DVX1)
ii,
‘uY8
GAS,
‘.iDVX1)
55
1
3
37916 Hexagon
Wrench
Key
(Medium)
(3.
18)
—
L-
s-’
(3.18)
1
1
14
37915
Wrench
(Medium)
(7.
14’X7.
14)
1Zit(7.14X7.14)
1
1
15
37945
Wrench
(Large)
(7.
14X7.
94)
E’-(7.14X7.94)
1
•
1
16
37910
Monkey
Wrench
_
1
•
1
17
37903
Screw
Driver
(Small)
71’’5—(’j\)
1
1
37902
Screw
Driver
(Medium)
h’5-1iS—()
1
•
1
19
37901
Screw
Driver
(Large)
f’—(-k)
1
1
20
99013
CuIm
Cap
1
1
21
99011
Cuim
Pipe
22
22
99021
Thread
Hanger
(2
Spool
Type)
Complete
Set
.
11
22-1
99022
Thread
Hanger
(2
Spool
Type)
t—
J\—(2fl)
1
1
23
99026
Thread
Hanger
(3
Spool
Type)
Complete
Set
.
—(3:])(Gj•••
1
1
23-1
99027
Thread
Hanger
(3
Spool
Type)
Jj—(3ç))
1
•
1
24
99023
Thread
Bushing
XL
[‘5
5
5
25
99012
CuIm
Socket
1
1
26
99030
Thread
Guide
Bar
1
1
27
99028
Thread
Guide
Holder
Complete
Set
i—(I)
1
1
(,L_1
99029
Thread
Guide
Holder
1
1
28
99031
Thread
Guide
Bar
Bracket
1
1
29
99032
Thread
Guide
1
1
30
99014
Spool
Holder
(2
Spool
Type)
Complete
Set
—
,t
—(2cS)h)
(H)
1
1
30-1
99015
Spool
Holder
(2
Spool
Type)
—(2*’J1)
1
•
1
31
99024
Spool
Holder
(3
Spool
Type)
Complete
Set
—ti—(3s)()
1
•
1
31-1
99025
Spool
Holder
(3
Spool
Type)
_j—(3:)
1
•
1
32
99017
Spool
Pin
-J—j
5
.
5
33
99020
Spool
Cushion
f—j,5y
,
5
5
34
99018
Spool
Mat
5.
5
35
99019
Spool
Seat
Disc
5
5
36
99010
Thread
Stand
Base
1 1
37
99016
Name
Plate
——
H
1
1

24
INDEX
I
‘arts
I
Igi’
I
L
I
‘arts
j)
R(’f.
I
art
5
1
age
I{
I
parts
i
Jf
No. No. No. No. No.
No. No. No.
No.
No.
No.
No.
18
13
5
644
2
27
1457
86
4437
5
26
18
19
4
(544
22
22
1457
12 5
4438
3
46
18
22 26
(544
22 38
1457
14
22
4440
2
56
3
14
703
5
37
1457
15 16
4440
3
9
56
12 12
703
6
21
1457
17 15
4440
4
16
62
12
11
703
21
29
1457
21
17
4440
15
10
100 21 23
712
6
26
1459
8
24
4440
16 11
144
19 19
712
14
31
1459
10
10
4440
18
32
247
18
36
712
17
28
1459
19
42
4440
20
21
282
5
24
730
7
37
1613
14
5
4440
21 27
29()
5
23
750
77
1613
17 10
4440
22
9
305
5
4
813
3
44
1732
1
3
4446
16
5
305
8
49
813
12
23
1732
20
4
5036
22
11
:306
55
1092
3
33
1892
3
31
5038
7
26
306
8
20
1092
18 15
1892
6
28
5038
17
23
319
8
37
1156
1
35
2043
8
43
5038
22 39
335
8
25
1156
3
4
2043
21
4
5040
4
28
335
2
28
1156
16
15
2237
19 12
5075
1
9
335
18
29
1170
5
9
2308
2
32
5083
22
28
340
15 12
1170
619
2308
3
52
5133
3
0
340
16
14
1170
8
47
2308
16
13
5163
1
29
340
18
2:3
1174
8
17
2:308
19
28
5343
1
2
340
21
5
1174
18
24
2368
4
7
5343
16
29
:343
18
46
1175
7
24
3357
3
29
5343
20
5
343
21
7
1175
14
3
3404
5
31
5525
22
58
419
8
19
1175
15
8
3404
12 6
5550
6
27
419
10
19
1175
17 19
3433
19
11
5550
7
30
451
18 14
1175
18
35
3434
9
8
5550
14
30
451
19
29
1175
20
10
3434
19
7
5550
17
21
511
19 3
1175
21
18
3560
19 18
5550
18
39
525
1
10
1186
8
56
3632
5
16
5550
19
531
3
48
1202
2
14
3632
9
16
5550
22
533
316
1202
3
54
3632
22 32
5553
15
27
533
8
27
1202
14 14
3635
4
32
5554
15
2:3
533
18
25
1202
17
32
3635
14
25
5631
7
31
535
22 56
1208
13
3
3635
17 17
5631
14
31
538
22
8
1222
7
21
3635
18
6
J
5631
15 6
544
13 10
1222
14
36
36:35
21 25
56:31
17
33
547
1
28
1227
8
14
:3635
22
17
5631
20
8
547
15
11
1227
12
25
3637
21 32
6035
2
26
547
19 16
1228
:3
26
3646
21
16
(5245 16 17
550
22
6
1228
6
24
I
4237
1
6
6235
22
4
554
18 13
1228
20
18
4237
16
23
6136
16
28
554
19
26
1330
18
44
I
4313
5
27
6608
16
4
555
7
16
1372
4
6
4:318
5
:30
(5802 13
6
560
4
13
1395
5
:36
4351
22
17 6802
18 12
562
15
26
1399
4
23
4357
18
42 6802
19
25
567
10
12
1:399
519
4357
21
9
(5806
13
570
10
20
1435
97
435%
1
25
702(5
5
0
1.
578
1
17
1448
4
10
1:358
2
:o
7121
511
(513
14 10
1448
14
74:35%
3
:35
7121
(;
15
613
15 19
1448
17
12
4:358
18
20
7121
8
39
613
20
16
1457
4
21
1358
22
57
7121
18
5
(515
7
17
1457
5
29
4359
13
11
7:311
57
620
22
7
1457
7
12
4401
21
11
7311
(3
17

INDEX
24
Paris
I
age
Ref.
I
aits
Page
Ref.
Parts
Page
Ref.
Parts
Page
Ref.
No.
No. No. No.
No. No. No. No.
-
No.
No. No.
No.
7311
H
45
9533
14
24
37132
5
10
90161
1
7405
22
‘18
953:-I
17
2
37311
616
90165
5
33
7609
19
22
9604
16 8
37611
18
22
90166
5
33
-i
7645
4
19
9604
18
11
37669
10 13
90166
11
10
7650
36
9606
4
26
37675
10 15
90167
5
-2
7650
4
31)
9614
7
15
37677
22
52
90167
11
10_i
7650
6
7
9624
7
28
37901
23
19
90171
1
27
7650
9
5
9624
15 5
37902
23
18
90172
10
21
7650
14
29
9624
17
36
37903
23
17
90180
2
8
7650
16
6
9624
20
7
37907
23
8
90185
3
53
7650
17
27
9650
14
37
37909
23
5
90186
1
30
7668
10
14
9707
8
35
37910
23
16
90189
1
19
7678
1
18
9715
8
1
37911
23
7
90200
411
7678
14
41
9730
8
54
37913
23
11
90204
4
5
7763
21 28
9825
3
20
37915
23
14
90205
4
8
9106
1
11
9827
3
23
:37916 23
13
90207
9
12
9121
2
5
9838
3
39
37932
23
6
90208
9
10
9121
18
30
9838
12 15
37937
23
9
90209
9
13
9121
21
13
984()
311
37945
23
15
90212
4
15
(
9142
5
34
9852
14
9
38034
19
2
90213
4
14
9142
14
19
9852
15
20
60185
12 18
90214
9
11
9142
17 5
9852
20
15
90001
12
4
90221
4
1
9150
1
23
9853
2
19
90002
12
4-1
90222
41
9150
10
31
9853
10
29
90003
12
4-2
90300
5
1
9150
16 10
9853
19
17
90004
12
4-3
90304
53
9150
22
19
9909
10
17
90005
12
4-4
90306
56
9151
1
33
9917
10
22
90099
1
12
90306
8
41
9202
42
9930
10
8
90105
1
13
90314
5
12
9203
4
3
9930
19
24
90107
1
7
90315
5
14
9209
4
27
9932
10
30
90108
5
35
90317
9
15
9209
92
9932
15
24
90109
11
90318
5
18
‘9209
19
33
11610
22
12
90112
1
20
90319
5
17
9218
4
12
11663
22
46
90113
1
26
90320
5
21
9303
5
2
11682
22
51
90114
1
24
90321
5
20
9303
8
51
11685
22
49
90116
1
22
90324
5
25
9322
3
17
30061
23
2
90118
1
21
90330
3
25
9322
5
22
30185
1
31
90124
26
90332
9
1
9322
8
53
30753
1
15
90127
2
23
90333
9
3
9322
18
7
30754
1
16
90130
27
90342
5
28
9322
19
-10
31111
3
12
90131
215
90344
5
28_i
9502
1
18
31111
12 11
90132
2
16
90:315
5
28-2
9503
4
17
:32612
18
48
90133
210
90351
5
15
9506
610
3264(3
19
6
90134
211
90400
8
50
9506
73
32650
18
9
90135
217
90401
4
9
9506
7
34 :32906
18
2
901:36
218
90404
8
48
9508
62
32932
10
6
90137
1
31
90405
8
40
9508
75
:32912
10
32
90138
14
90406
8
42
.
9508
6
29
:37108
3
21
90139
1
5
90408
6
52
9508
17
39
37108
18
17
901
10
2
31
90409
8
38
9517
6
-1
37109
18
16
90145
1
:12
90412
8
16
9526
(3
25
37121
(3
14
90149
9
II
90413
8
21
9526
14
:32
:37121
8
41
90151
1
11
90418
8
18
j
952(5
17
29 :37130
58
90152
1
8
90420
87
953:3
3
:37
:37130
(3
18
90153
2
4
90421
8
12
9533
4
33
371:30
8
[6
901(50
1
2(5-1
90422
8
13

I
N
D
E
X
:
1
a
r
t
s
1
age
He
1.
1
a
rI
s
1
agt’
Ref.
Parts
1
age
Ref.
Par
Is
Page
Ref.
No.
No.
No. No.
No.
No.
No. No. No.
No.
No.
No.
90425
8
15
90710
710
90901
10
9
91227
14
1
90504
7
1
90711
8
36
90906
10 11
91228
14 2
90507
7
4
90713
8
9
90907
10
7
91229
14
2-0
90509
7
6
90714
88
90910
10
27
91231
11
4
90510
9
(5
90717
8
4
90911
10
25
91232
11
4-1
90511
711
9072()
9
4
90918
10 3
91233
11
4—2
90512
9
9
90722
8
10—1
90919
10
26
91234
11
4-3
90513
6
1
90723
8
55
90923
79
91235
11
4-4
90515
(5
5
90724
8
26
90924
2
12
91251
14
8
90515
(5
3
90725
8
2
90925
2
13
91252
14
8—1
90516
7
33
90726
83
90928
10
28
91253
14
8-2
90516
6
9
90731
8
10-1
9093()
10
24
91254
14
8-3
90518
7
2
90732
810
90931
2
22
91255
14
8-4
90519
6
11
90801
33
909:32
2
19
91277
17
3
90519
6
(5
90803
3
1
90933
2
20
91283
11
6
90510
8
5
90804
3
40
90941
10 18
91285
11
6—1
9052()
612
90804
12
24
90942
10
23
91290
14
27
90521
4
31
90805
3
42
90943
10
33
91293
14
26
90524
6
13
90805
12
25
90944
10 16
91295
14
26-1
90525
6
20
90807
3
43
90951
10
5
91303
14
30
90529
6
22
90807
12
22
90952
10
1
91305
14
33-1
90530
6
23
90812
3
10
90953
10
2
91320
12
7
90600
4
25
90812
12
17
90955
2
1
91323
12
8
90601
4
29
90814
3
38
90956
2
2
91325
12
8-1
90604
4
22
90814
12 13
90958
10
4
91329
14
28
90608
2
24
90816
3
15
91100
11
2
91339
17
24
90609
7
36
90817
3
27
91101
11
2-1
91340
14
35
90610
7
13
90818
3
24
91102
11
2-2
91341
14
38
90611
78
90819
3
36
91103
11
2-:3
91342
14
39
90613
7
19
90820
37
91104
11
2-4
91359
11
5
90617
714
90822
8
23
91131
11
1
91361
11
5-Q
90618
7
20
90824
3
2
91132
11
1-1 91373
14
40
90619
7
22
90826
3
19
9113:3
11
1-2
91375
14
40-1
90620
7
18
90828
3
30
91134
11
1-3
91381
15
1
90621
7
29
90829
8
22
91135
11
1-4
91388
14
90624
7
27
90830
3
34
91142
12
21
91388
17 8
90625
7
23
90830
18 19
91143
12
2
91:397
14
11
90626
7
32
90831
14
13
91143
18
26
91398
14 15
90627
7
35
90831
17
31
91144
12
3
91398
17
4
90632
7
23-1
90838
3
50
91145
12
1
91399
14
20
90633
7
25
90839
3
51
91170
13
8
91399
17 13
90634
7
27-1
90840
3
28
91174
13
1
91675
11
90636
14
12
90844
3
32
91175
13
2
91676
11
8-1
90636
17
30
90846
:3
22
91176
1:3
9
91677
11
8-2
90637
4
24
90847
3
13
91177
13
4
91679
11
8-:3
906:38
2
25
90847
12 16
91184
1:3
5
91700
15
2
90648
7
38
90848
3
17
91191
11
:3
91702
15 17
90695
8
31
90850
3
45
91192
11
:3-1
91704
15
90696
8
30
90853
2
29
91197
11
9
91706
15
9
90697
9
17
90855
:3
18
91198
11
9-1
91707
15
15
90701
35
90856
3
9
91200
2
21
91708
15 13
90704
8
28
90656
12
19
91201
14
4
91709
15
14
90705
8
32
90857
:3
41
91201
17
9
91728
15 7
9070(5
8
3:3
90857
12
20
91202
14
(5
91721)
15
4
90708
8
:34
9087:3
4
20
91202
17
11
91731
15
21

TI’
xxczii;
T037.(;
1-81
11
71/611;
9T7
L-IOH;
I
77
00(
xl
it
117616
93
17
3801-6
00 77
1:9176
Ti-
;i
07 17
180[6
7—61
Ii
60176
ii
xi
68611;
77
17
0101’6
1-61
II
8017(5
83
xl
88616
T7
I
7.
6L01’6
61
IL
LZi76
TI;
xi
L8616
81:
17
LLOJ’6
7—07
II
1:017.6
L7
xi
98616
(IT
17
9L0fr6
1—07
11
136
18
xl
08(311;
08
17
JzLOI’6
07
IT
10176
13
I
1/1:616
Ti
T
7
%L0113
6
07
9117.6
01
xi
8861(3
1%
T7 390176
¶1
07
01/176
11
(31
78616
8
87
[0811;
01’
xi
x$17(;
81
(it
18611;
H-
!
81
xi
Lt76
xl:
(ii
87(311;
%—L
Ii
617.1-6
01
61
o$13(;
7
61
77(31(3
7—L
TI
Li
7,
T’U
07
61
1$i
76
(58
61
1761
6
I
—L
Ii
91
71’6
87
61
88176
98
61
0361
6
L
TI
01
716
LI
07
67176
1
161
xi
616
07 07
89336
L%
LI
Txo76
8
61
LT61G
17
13
L9736
8$
Li
7xo7(;
01:
61
91(316
.
8
17
99776
01
71
1
x076
178
(31
01
6i
6
01
17
09776
08
LI
08036
6
(31
11
616
;
7
17
J’9776
17$
Li
6L076
L7
(31
$T616
71
07
80376
01
Ii
7L076
01
(31
31616
ii
03
L0376
91
TI
1L076
I
(31
1161(3
61
03
90376
1
LI
1T’076
01
xi
60616
$7
780(3(3
01
17
00376
9
Li
01’076
8%
xt
80616
$7
18066
73
03
T073(3
xi
TI
OT’076
8
xi
L0616
87
08066
7i
i7
$0376
L
LI
61:076
i
xi
00(31(3
87
67066
1-1
07
30776
i
LI
Ii
68076
i
xi
10616
83
83066
7
03
(31’37(3
171
LI
LI:076
1
07
16816
1:7
L3066
80
37.
11-37,6
13
11
L%076
10
77
(5881(3
87
93066
1’%
37
68376
1:1
Ii
I
6616
17
91
80816
$7
03066
88
33
xi:736
77
LI
06616
07
91
70816
87
173066
18
37
L$736
93
LI
68616
07
91
10816
87
83066
01’
73
98736
¶23
Li
xx6I(;
L7
9i
91’x16
D
83
33066
01’
33
08376
91
LI
L86i6
97
91
0[x16
87
13066
1:1’
33
93376
87
II
L86i6
I
91
frI’HiG
87
03066
TI
37
07736
(3
71
98616
8
91
71’8i6
87
61066
81
77
1’7336
07
LI
08616
91
91
1
(816
83
81066
08 77
07376’
HI
LI
1/xhih
7
91
01816
$3
Li
066
01
77
61 731;
Ii
I
I
I
861
6
7
77
(;%x1
6
83
91066
II’
77
9137(3
01:
61
LL6I
6
61
91
(3881
6
87
01066
71’
77
01776
8
Xl
8L61;
H
¶31
81:816
$3
jiQ(3(3
L3
33
T’1336
81
03
OL(;16
(7
91
L%816
$3
8i066
63
77
81376
1
17
7L616
77
91
98816
83
3i066
9%
77.
7177.6
8
07
89616
Xl 91
08816
$3
i1066
0%
73
1137(1
7-LI
II
L961
(5
L
91
(‘8816
83
01066
L%
77
(3077(3
1
—LI
II
99616
7!
91
78816
83
00066
1’?,
7,7
80776
LI
I
I
00616
Hi
77
1:1:816
87
1/0066
87 77
L0776
LI:
81
1’961
66
91
%IXT
6
$7
$0066
13
77
90776
I
%J’
XI
$9616
XI
01
T’XLi6
I
TI
6061/6
07
77
00776
LI:
(31
79616
1
—71
II
¶29L16
11
8061/6
01
33
T’0776
17
61 19(31(1
71
I
I
lOLl
6
13
680176
91
37
80776
81:
xl
10(31(1
77
¶21
9%L16
81
6801/6
00
77
70776
7-81
11
%T’616
¶27
01
J%LT6
°N
•°
N
°N
>
NN N
>
N
N
(
NN
S(J•Uci
)‘‘I
•JI
h
01
.1
I(
‘J’O’(
.)1U(1
SIJUCT
67
87
97
I-L7
L7
1-87
87
1
—iIi
1$
1’7
1-77
77
1:1:
0%
11:
71:
L7
1-08
(
8—:
i
3)7
¶27
17
¶
)1:
7—I
1—I
I
1—11
11
H
LI’
I7
X
U
N
I

.
0
0
0