YAMATO DV 1200, 1203, 1204, 1205, 1208, 1209, 1211, 1212, 1213 And 1214 PARTS BOOK
Yamato Dv-1200, 1203, 1204, 1205, 1208, 1209, 1211, 1212, 1213 And 1214 Parts Book Yamato DV-1200, 1203, 1204, 1205, 1208, 1209, 1211, 1212, 1213 and 1214 PARTS BOOK
2016-10-19
: ACE&EASTMAN Yamato Dv-1200, 1203, 1204, 1205, 1208, 1209, 1211, 1212, 1213 And 1214 Parts Book YAMATO DV-1200, 1203, 1204, 1205, 1208, 1209, 1211, 1212, 1213 and 1214 PARTS BOOK NEW YAMATO YAMATO
Open the PDF directly: View PDF
.
Page Count: 59

l,a;iz
ate
INDUSTRIAL
SEWING
MACHINE
-
—-
-—
--
—
.
ILLUSTRATRED
SPARE
PARTS
LIST
FOR
HIGH
SPEED
INTERLOCK
CHAIN
STITCH
MACHINES
MODEL
DV-1
200
DV-1
203
DV-1
204
DV-1
205
DV-1
208
DV-1
209
DV-12I1
DV-1212
DV-1213
OV-1214
OW-I
300
OW-i
303
0W-i
304
0W-I
305
OW-i
309
KONDO
SEWING
MACHINE
CO.,LTD.
11
.
0W-i
321
—PEG-—

MISCELLANEOUS
COVER
&
BASE
THREAD
EYELET
MAIN
DRIVING
SHAFT
MECHANISM
UPPER
SHAFT
NEEDLE
BAR
MECHANISM
LOOPER
DRIVING
MECHANISM
FEED DRIVING
MECHANISM
PRESSER
FOOT
AND
LIFTER
MECH
ANISM
MISCELLANEOUS
BUSHING
AND
SP.
UNIT
OIL
LUBRICATING
SYSTEM
SUBCLASS
ORGANIZATION
PARTS
OV-1203,-1
204,-i
21
4,
OW-13D3,-1304
EXCLUSIVE
PARTS
DV-1213,-1214
EXCLUSIVE
PARTS
DV-1209,
DW-13O9
EXCLUSIVE
PARTS
(1)
DV-i
209,
OW-13O9
EXCLUSIVE
PARTS
(2)
DV-12O5,-12O9, OW-i
305-1309
EXCLUSIVE
PARTS
(3)
DV-12O8
EXCLUSIVE
PARTS
OV-1211,-1212
EXCLUSIVE
PARTS
OW-1321
EXCLUSIVE
PARTS
DV-1203,-12O9,
DW-1303,-13O9
PEC
‘OEVICE’
ACCESSORY
(1)
ACCESSORY
(2)
75/\
‘\—xr
1
2
TH:2Ir
3
5
6
f1W
.7
8
i±flj
10
EIj
11
12
13
14
.J.7’)
:,
1
5
J•7
1
6
1j
•7
5,
Jflf3r
1
7
jj
:2
1
J4]
1
PEC
1
I)
—
L’i
I)
-
21
1
.1
y.
iii
ii
Ii
((II
W1C:I
y(lII
‘G’)
Iii>
.
,I
Ift
3
C
‘‘
.
.
PERSPECTIVE
CONTENTS
8
9
20

.
0
.
.
L

MISCELLANEOUS
COVER
&
BASE
1
Ref.
Parts
No.
No.
1
93016
2
93015
3
5080
4
32924
5
32930
6
1333
7
93034
8
93033
9
9121
10 93005
11
9150
12
334
13
93030
14
3410
15
93010
16
7609
17 93039
18
93018
19
93017
20
1156
21
5490
22
93011
23
5343
24
93013
25
9526
26
93012
27
93014
28
4438
29
340
30
38221
31
698
32
93006
.
33
93037
34
93038
35
4358
36
93009
37 93007
38
4437
39
93008
40
9526
41
93004
42
93003
43
570
44
6260
45
93035
46
32421
47
5076
48
93036
49
6910
50
93045
51
•52
53
54
55
56
57
58
59
60
93029
5163
93046
9121
93032
5043
93052
7128
93140
3646
Top
Cover Gasket
±JC—,cv-’
1
Top
Cover
1
Screws
for
93015
Cj
4
5
Oil
Sight
Top
Window
Seal
1
Oil
Sight
Top
Window
-
‘
1
Screws
for
32930
1
Ornamental
Thread
Take-up
Cover
Gaskets
—
.
2
Ornamental
Thread
Take-up
Cover
7’—
L
t
1
Screws
for
93033
2
Cloth
Plat
*,c_
1
Screws
for
93005,
93014
±--
.
4
Nut
for
93005
*
v
1
Cloth
Plate
Slide
Cover
I)
1
Stop Screw
for
93030
,‘JPx
.
.ic—
1
Front
Cover
Latch
)j
j
1
Screws
for
93010
2
Seal
Plugs
for
Pvjachine
Arm
4
Head
Cover Gasket
wir•..’
4
1
Head
Core
1
Sc?
.‘ws
foi
93017
2
S
crew
for
93017
fii
.C.
ii:
1
Side
Cover
1
Screws
for
93011
hiC—iL
.-;.)
2
Side
Cover
Hinge
Pin
J—L.’
;v-i
1
Screw for
93013
hi
-
‘>t-i}
>
I
Side
Opening
Cove?
h
,
1
Side
Opening
Cover
Let
c/i
Spring
J4
.h
i
..
1
Screw for
93014
1
Nuts
for
93005,93014
..,
I
2
Rubber
Cushions
CC
V
2
Side
Opening
Cover
Latch
Pin
.
J,
JS
7
..,
‘I
1
Front
Cove?
hr
1
Front
Cover
Stoppe
[
‘iC
1
Front
Cover
Stopper
Clamp
y
/
..qi
i:
1
Screws
for
93038,93009
‘.
.-
‘
A1
4
Front
Cover
Latch
Spring
Ji
/
/
1
Front
Cover
Hinge
s!ICI
\
hi
t:
r,
1
Screws
for
93007
ii
iC
-
‘
i.,
2
Front
Cover
Hinge
Pin
);
.\
)j
I
Screws
for
93008
jfI
;‘Vii
(.
2
Base
Gasket
,
.
ilas
.,‘
C
1
Seals
for
93003
c..,
4
Screws
for
93003
<
]
‘.
)
4
J
3
ase
Rubbe
r
Cushions
I
1S)’
4
I)
rain
Holi
S
eel
C)
)
‘
‘
1
Drain
Ho/c
Screw
1
Rubber
Cushion
Holder
I’lai
‘
‘
1
Wood
Screws
[or
93036
.,
2
Base
i’d!
‘—
C
1
Description
I1
Amt.
Req.
Looper
Thread Guard
,‘)
Iii
1
Screws
for
93029
‘ii’
ii
2
Fool
Li]
tcr
Chain
Guid
J.
t.
__
,
1
.
1
Screws
for
93046
I
—
I)
‘
2
1k/i
Cite
rd
17/
1
Screws
[or
93032
—1iijh
•tC
2
Toil
Otiver
Gasket
::
1
.S’creu’
s
for
91052
I
2
Hand
W
Ii
t’t’
/
,
‘
C-’
;[.
i
i
2
,Sirtu
br
931W
‘C’
II
—>
2
61
989
Hand
Wheel
Marl,
I
C’
I
1
‘1
1
62
93000
Machine
Frani
1’—?
-
I
(ill)
1

E
0
.
.
p
9
£
9
C
8

THREAD
EYELET
2
_____
Description
______
Looper
Thread
Eyelet
1
Screw
for
33206
1
Tension
Disc
Eyelets
3
Tension
Post
Ferrules
4
Tension
Post
Tension
Discs
8
I’
c/is
for
01111
4
Thread
Tension
Spring
Retainers
(T)
4
Needle
Thread
Tension
Springs
2
Thread
Tension
Spring
Caps
.
.,
4
Ornamental
Thread
Take-up
Eyelet
1
Washers
for
93533,
935.31,
93620
4
Screws
for
93533,93531,93571,93620
7
Ornamental
Thread
Eyelet
1
Screw
for
90831
‘.i()iE
1
Oil
Filter
Cover
Gasket
.y
1
Oil
Filter
Cover
1
Needle
Thread
Guide
(Right)
i)
1
Needle
Thread
Guide
(Left)
£t’T
()
1
Screws
for
93537,93544
t,.’rj1:
2
Needle
Thread
Eyelet
1
Nut
for
91142
1
Thread
Lead-in
Guides
3
Tension
Post
Support
1
Tension
Disc
Eyelet for
Looper
Thread
F.J1
(1ffl
1
Tension
Disc
Separator
1
Tension
Posts
3
Looper
lhread
Tension
Springs
I
i\
2
Top
Cover
Thread
Eyelet
I
i
/
.‘‘i
I
Nut
for
93529
)j
/
3
..,
F
1
I
Amt.
Rj.
Ret:
Parts
No.
No.
1
33206
2
9932
3
90856
4
90812
5
9845
6
01111
7
286
8
93549
9
90847
10
93547
11
93533
12
538
13
4440
14
90831
15
1202
16
93572
17
93571
18
93544
19
93537
20
5O36
21
93534
22
4353
23
93535
24
37108
25
90846
26
9827
27
93537
28
9142
29
93620
30
93051
31
93531
32
813
33
90807
34
91142
35
90857
36
91141
37 9844
38
90814
39
93529
40
340
Ornamental
Thread
Guide
1
Screws
for
93534
J[iL
2
Supplementary
Thread
Guid
1
Supplementary
Tension
Discs
2
Supplementary
Tension
Spring
1
Supplementary
Tension
Stup
for
9.3535
7
--
.‘
1
Needle Thread
Guide
1
Screw
for
93537
l”IH
Fi
1
Oil
Pump
Setting
Plat
,jj
iaq
1
Looper Thread
Guide
Tube
)L
-/,4T1A]
1

20
2
3
7
8
02
10
0
12
42
0
44
43
c
33
34
\
6
46
47
35
37
39
38
36
48
7
_z
7
11
12
0
7
,z’
20
V
14
14
2’
-
24
23
22
25
27
30

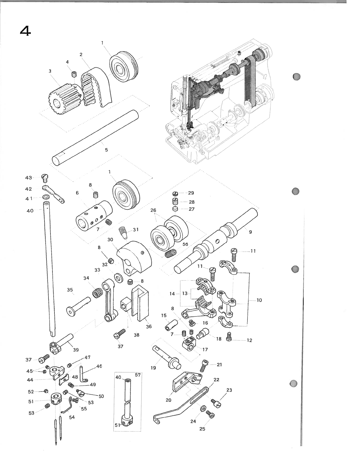
MAIN
DRIVING
SHAFT
MEHAMSM
T
‘
-
7
i
iw
3
______
Description
______
Pulley
1
Screws
for
93078,93084,93085,93151,93082
ç-
5
Screwfor
93078
jj
1
Main
Shaft
Ball
Bearing
(Right)
Y
i14;i—
Jt-’z7’
3
5
1
Main
Shaft
Sprocket
F_
I)
_(fl)
I
Screws
for
93082,
93084,
93085,
93151
5
Main
Shaft
Ball
Bearing
(Middle)
)i—)t-’7’
I)
5
1
130/1
Bearing
Holder
1
Oil
Pump
Driving
Worm
5
—
1
Screws
for
93573
r)_i
2
Main
S/taft
1
Main
Shaft
Connection
1
Looper Thread
Take-up
TJJ-h
J
1
Screws for
93195,93543
4
Eccentric
for
93198
1
Connecting
Rod
for
93198
1
Screw
for
32799
it-—’c—
5j5
5
1
Main
S/taft
Ball Bearing
(Left)
*—)t-’T
3
1
Looper
Osci/ating Eccentric
it-—J—
I{
1
Main S/taft
(Left)
5
5
5
.
1
Feed
Driving
Eccentric
Key
i.
U
I
t
—
1
Main
Shaft
Needle
Bearing
)L’7’U
JJ
1
Connecting
Rod
Pin
for
93198
)t---J—55-’
1
Oil
Wick
for
32799
;w
1
Needle
Gugrd
Driving
S/taft
Arm
-
1
Screw for
93197
1
Needle
Guard
Bracket
5-zr
y
H
1
Fastener Pins
for
93194
t’r
S
H
2
Screws
for
93194
V--.r
.1,’5
Hth
2
Ned/c
Guard
Driving
Shaft
1
Needle
Guard
1
Screw
for
93198
ih
1
J
jf
1
Cast-off
Support
Plate
1
Screws
for
93539,93021,90831
};-;)
7
Retaining
Finger
Support
Bracket
1
Screw
for
93540
T[JfN1
1
Retaining
Finger
it-
—
,c._
)
1
Washer
for
93541
jt,-jc
I
i--
1
Screw
for
93541
it-—)\
--rci(i)I
1
Looper
Thread
Take-up
Eyelets
2
Washers
for
90848
J.jt’
h
i’j-H
.
2
Screws
for
90848
HI
ii
1xi’
i-
‘
2
Cast-off
Wire
)I---R
iAi(
H)
1
Screw
for
93542
)t-
)j
1
Looper Thread
Eyelet
il
i
(H,.)
I
Crank
Chamber
Cover
,.
1
Crank Chamber
Cover Gasket
‘\
..‘
[-
.1
1
48
93081
Mum
Shaft
ComJ)/((e
5
5
[
,
)
1
.
Ref
Part.s
No.
No.
1
93078
•
2
3649
3
3646
4
93089
5
93085
6
3647
7
93090
8
93151
9
93573
10
3433
Amt.
Retj.
11
12
13
14
15
16
17
18
19
20
93082
93084
93543
3433
93195
93196
3311
93091
93315
93079
21
34096
22
93092
23
32799
24
286
25
93197
26
5550
27
93194
28
703
29
4437
30
93193
31
93198
32
4358
33
93539
34
1175
35
93540
36
4358
37
93541
38
531
39
7605
40
90848
41
531
42
5133
43
93542
44
5131
45
90831
46
93021
47
93022

4
2
4
3
0
5
8
6
29
28
0
27
26
43
42\
41
4o\
30
8
9
33
34
0
.
0
I
11
2
14
1
8
15
10
36
37;
47
38
18 12
.46
45:
44
52
51
53
21
22
/
53
55
40
E
1
L4
54
23
25

UPPER
SHAFT
NEEDLE
BAR
MECHANISM
±77i—J-
4
Ref.
Parts
No.
No.
1
93090
2
93088
3
93141
4
3635
5
93143
6
93144
7
3646
8
3647
9
93142
10
93189
11
5070
12
1174
13
93450
14
32819
15
32921
16
9508
17
93457
18
93190
19
93191
20
93192
21
5550
22 93532
23
3410
24
532
25
1202
26
93154
27
926
28
2022
29
7645
30
93155
Aint.
________
________
Req,.
Upper
S/taft
Ball
Bearings
2
Upper
Shaft
Driving
Belt
‘cii
1
Upper
Shaft
Driving
Sprocket
‘<it-
—
(±)
1
Screwstor
93141
‘<p,
..
-7_iJ
_.f
2
Upper
Shaft
(Right)
I
Upper
Shaft
Connection
1
Screws
for
93144
*jE
)
2
Screws for
93144,
93157,93457
5
Upper
Shaft
(Left)
7
7
-‘
7
1
Needle Thread
Take-up
Connecting
Rod
1
Screws
for
93189,
93450
4
Screws
for
93189
‘Jcy
Fj.L
2
Top
Spreader
Connecting
Rod
J—Jc--
•
t
1
Top
Spreader
Connecting
Rod
Roller
Bearing
—
IJt-’-<7’U
-‘7
1
Top
Spreader
Connecting
Rod
Pin
3.C
,
1
Screw
for
32921
ViE
1
Ball
Stud
)j\j.J
1
Needle Thread
Take-up
Connection
7
7-.7
1
Needle
Thread
Take-up
Driving
Shaft
1
Needle
Thread
Take-up
Bracket
)
1
Screw
for
93192
w,ijJ
1
Needle Thread
Take-up
L
oJ
HIi
1
Stop
Screw for
93532
1
Washer
for
93532
1
Screw
for
93532
JijJ
7
1
Upper
Shaft
Ball
Bearings
_it-.
)
7
2
Rubber
Seat
for
93154
1
Screw for
93154
1
Sub
Screw
for
93154
.)t-’<7
I)
‘i7j.
1
Counterweight
for
Crankshaft
‘
‘“
.7
H
I
0
31
to
57
Se’
Following
Page
Description
JI

2
‘1
5
4
42
41
40
1
8
0
29
o
28
o
27
30
8
9
32
33
0
0
0
0
34
38
37
37
45.
44
52
i
50
53
55
22
23
53
54 24

31
3792
32
93188
33
93156
34
93158
35
93157
36
93185
37
4437
38
93186
39
93184
40
93160
93161
93162
93163
93164
41
548
42
93530
43
4358
•
44
93536
45
3563
46
90828
47
1892
48
90844
49
90846
50
1092
51
93187
52
3404
53
3433
54
90330
55
1228
•
56
3793
57
92995
92996
92997
92998
92999
Screw
for
93155
1
‘
i
1
Neeble
Bar
Connecting
Rod
Ring
3
1
Needle
Bar
Connecting
Rod
£tD
.
1
Needle
Bar
Connecting
Rod
RollerBearing
.
I)
‘j.7
1
Needle
Bar
Connecting
Rod
Pin
1
Needle
Bar
Guide
Screws
for
93185,93184
2
Needle
Bar
Slide
Block
1
Needle
Bar
Connection
1
Needle Bar(A)
for
Needle
Distance(3.2rnm)
£t(A)
1
Needle
Bar(B)
for
(4.0mm)
(B
)
1
Needle
Bar(C)
for
(4.8mm)
±1(C)
1
Needle
Bar(D)
for
(5.
6mm)
(D
)
1
Needle
Bar(E)
for
(6.4mm)
£tø(E
)
1
Washer
for
93530
I
Needle
Bar
Thread
Eyelet
1
Screw
for
93530
£t*±
‘
1
Needle
Bar
Thread
Retainer
Bracket
1
Screws
for
9355
1j\Jjj-
2
Ornamental
Thread
Eyelet
1
Screw
for
90828
1
Needle
Bar
Thread
Retainer
Plate
1
Needle
Bar
Thread
Retainer
Spring
1
Screw
for
90844
51i\HffniE
1
Needle
Clamp
tiE.
1
Screw
for
93187
1
Screws
for
Needle
-..,
2
Needle
Clamp
Thread
Guard
1
Screw
for
90330
W-tE
1
Screw
for
93155
/\
)
I))
)(
/
1
Bar
(A)
Complete
Set
A
(,Il)
1
Bar
(B)
Complete
Set
(ll)
1
Bar
(C)
Complete
Set
‘HiC
(.:H)
1
Bar
(D)
Complete
.Set
[Ø
t)
931)
I
Bar
(B)
Complete
Set
lW
1
(,)
1
•
UPPER
SHAFT
NEEDLE
BAR
MECHANISM
Ref
Parts
No.
No.
Description
1
to
30
See
Preceding
Page
Am
Re
Needle
Needle
Needi
‘
Needle
Needle

c’J
/
/
\,
;s
/5
\
‘
v
:‘
/
‘
C
m
C
C,
aD
0
C,
C,
aD
(?)
‘4,
0
c.y,
/
/
aD
aD
C”
N
S

LOOPER
DRIVING
MECHANISM
Ref.
Parts
No.
No.
1
33104
2
93316
3
5070
4
32799
5
286
6
3311
7
93317
8
5550
9
93314
10
93299
11
32819
12
93318
13
33074
14
9604
15
93319
16
93321
17
93320
18
1175
19
34102
20
34103
21 340
22
34100
23
4431
24
32786
25 3404
26
93307
27
93308
28
93305
29
93300
30
93304
31
3646
32
93309
33
9526
34
712
35 703
36
1892
37
93311
38
1228
Am
Description
Req
Looper
Oscillating
Shaft
Collar
‘3
+
iJ
5
—
1
Looper
Oscillating
Connecting
Rod
—
/
hD
.i
1
Screws
for
93316
4
Looper
Oscillating
Rod
JJ
)L
5
S
I
Oil
Wick
for
32799
1
Screw
for
32799
ic—S
57iE
1
Looper
Oscillating
Shaft
—
I
Screw
for
33104,93305,
93309,
93317, 93318
.3
5
Looper
Oscillating
Shaft
I
I
Looper
Driving
Lever
Connect
ing
Rod
JL.—P—D
.
1
Looper
Driving
Lever
Connecting
Rod
Roller
Bearing
JV7V
I)
7
1
Looper
Oscillating
Leve
4
I_
3
1
Looper
Slide
Block
Pin
I
Screw
for
33074
)_J
jfvijj
‘7
I
Looper
Slide
Block
JL.—ic.j
1
Looper
Oscillating
Shaft
End
Cap
Gasket
)—Ic—
l):)c
4
1
Looper
Oscillating
Shaft
End
Cap
—ic—i+,
1
Screws
for
93320
j—ic—,
,.
3
Ball
Stud
1
Looper
Driving Lever
Link
Pin
1
Nuts
for
34103
ti’}3
p.
.
2
Looper
Driving
Lever
Link
4—Ic—
‘t
7
1
Screws
for
34100
•-
i—
3
7
ii
7
2
Loope
Driving
Lever
Link
Pin
n-
R-’J
7
V
1
S
crew
for
32786
—
I
—
U
S
V
ij
.
1
Looper
Driving
Shaft
End
Cap
..I,
1
Looper
Driving
Shaft
End
Cap
Gasket
4R
\
1
Looper
Driving
Shaft
Collar
4
Ic
idllh
7
1
Looper
Driving
Shaft
11,—ic
1
Looper
Driving
Lever
/
+kIi’
1
Screws for
93304
)1
I
.
/
2
Looper
Holder
)1,
I\—f
1
Abjust
ing
Screws
93309
%c
2
Washer
for
93309
1
Looper
Ajust
ing
Pin
ii.
ic
1
Screw
for
703
t
.‘fl
‘.
7
1
Looper
Needle
Guard
Screw
for
93311
7
1
I
39
93310
Looper
Ic
1

6
2
(1
5
4.
0
3
11
12
2
38
37
43,-/,
33
42
F
33
35
19
21
31
0
32
-
20
33
14
36
34
24
30-

FEED
DRIVING
MECHANISM
Ref.
Parts
Amt
No.
No.
Description Req
1
93384
Feed Bar
Guide
(Right)
IU-iii’
V(5)
1
2
5038
Screws
for
93384
)]
2
3
34134
Feed Bar
Guide
(Rear)
jIJJ...j
1
’
()
1
4
3646
Screw
for
34134
jIjJsjj(
(jj
)
1
5
3635
Screw
for
32866
I4-’iE
7)
1
6
32867
Feed
Bar
Guide
Block
1
7
32866
Feed
Adjusting
Pin
I4i2’.’R
1
8
32864
Feed
Bar Driving Stud
(Short)
14U
)
-‘
.i()
1
9
722
Cotters
for
32864,34138
4’)
I)iJ.-i
2
10
34138
Feed
Bar.Driving
Stud
(Long)
I)I)i()
1
11
93381
Differential
Feed
Bar
)
1
12
93380
Main
Feed
Bar
5j
I)
1
13
93382
Feed
Lift
Block
1
14
93383
Feed
Lift
Block
Bearing
__
I)
1
15
93387
Out
Retaining
Ring
for
93382
(*)—.‘)-
1
16
34141
Feed
Driving
Eccentric
Roller
Bearings
._
U
2
17
Feed
Driving
Eccentrics
(See
Below
The
Table)
j)
j)’
4
.
2
18
34133
Differential
Feed
Bar
Driving
Connection
I)
)
1
19
32853
Differential
Feed Bar
Driving
Connection
Bushing
j
)
U
1
(‘‘
20
451
Nuts
for
34137,
32853
4
I)
I)
j
,
,
,,
2
Feed
Driving
Eccentrics
table
PARTS
No.
STITCKES
PER
INCH
34147
—
7
34148
.
..
.
-
..
8
34149
.
9
34150
-
___________——
10
34
1
5
1
—
——--——-------
1 1
34152
——
——----——
12
34153
—
——-—-
13
34.
1
54
1
4
34155
15
34156
—
16
34157
-—
17
34158
—
18
34159
19
34
1
60
——
——
-——---
—----
20
21
to
44Sr’
Following
Page

oV
r’
L
:
0
0
2
11
C
6
12
7
9
38
37
V
33
33.
42
35
21
N
19
31
20
0
33
15
20
36
16
34
27
22
23
N
24 26

FEED
DRIWNG
MECHANISM
Re!.
Parts
No. No.
21
34137
22
34132
23
605
24
20
25
93385
26
9150
27
93028
28
7006
29
93027
30
4440
31
93024
32
93023
33
1175
34
93025
35
93026
36
93050
37
93031
38
5043
39
745
40
93170
93171
93172
93173
93174
41 9142
42
93395
93397
43
93394
93396
J*’scription
Amt.
Req.
Main
Feed
Bar
Driving
Connection
Bushing
di
‘1’)
I
Main
Feed
Bar
Driving
Connect
ion
ki3:
‘.)
‘.1
-)
1
Thrut
Washer
for
34141
14
1
No.1
for
Feed
Driving
Eccentric
I
Fc’cd
Bar
Guide
(Left)
()
1
Screws
for
93385
j4
F
(E)1E
1
bred
Bar
Front
Cover
j
IJ
.
j
—
1
Screws
for
93028
‘t
2
Feed
Bar Side
Cover
Spring
i.)
1
Screws
for
93027
tJ
I)
2
Feed
Bar
S
inc
Cover Hinge Gasket
.
.
1
Feed
Bar
Side
Cover
Hinge
,c
.,
1
Screws
for
93023,
93391,93390
5
Feed
Bar Side
Cover
U
I)
j
/
\
—
1
Feed
Bar
Side
Cover
Hinge
Pin
j
I))
j7
jj/S—
j
1
Feed Bar
Oil
Shield
j
I))
<7
J\_
(j)
1
Throat
Plate
Supporter
1
Screws
for
93031
2
Throat
Plate
Supporter
Fastener
Pins
)
.,
2
Throat
Plate(A)
for
Weedle
Dislance(,3.2mm)
,j4)(A)
1
Throat
Plate(B)
for
(4.0mm)
(B)
1
Throat
Plate(C) for(4.8mm
:IIU(C)
1
Throat
Plate
(D)
for
(5.6mm)
(0
)
1
Throat
Plate(E
for
(6.4mm)
±h
(F
)
1
Screws
for
Throat
Platr
.f1iL
2
Main
Feed
Dog(A
D)(U,ce
for
needle
d,stonce3.
2mm-
5.6mm)
U
(A
0
)
1
Main
Feed
Dog(E,)
(Use
for
needle
distance
6.
4mm)
I)
(E
)
1
Differential
Feed
Dog(A-D)
(Use
for
needle
distance
3.m-5.6inm
6iX
U
(AD
)
1
Differential
Feed
Dog(E
(Use
for
needle
distance
6.4mm)
Fi
U
(F
)
1
to
20
See
Preceding
Page
.

7
56M
55
54
53
50
49
4,.
52
28
35
34
45
28
29
31
30
33
27
26
32
30
o
29
36
0
0
0
(
18
17
43
57
3
2
1
8
11
10

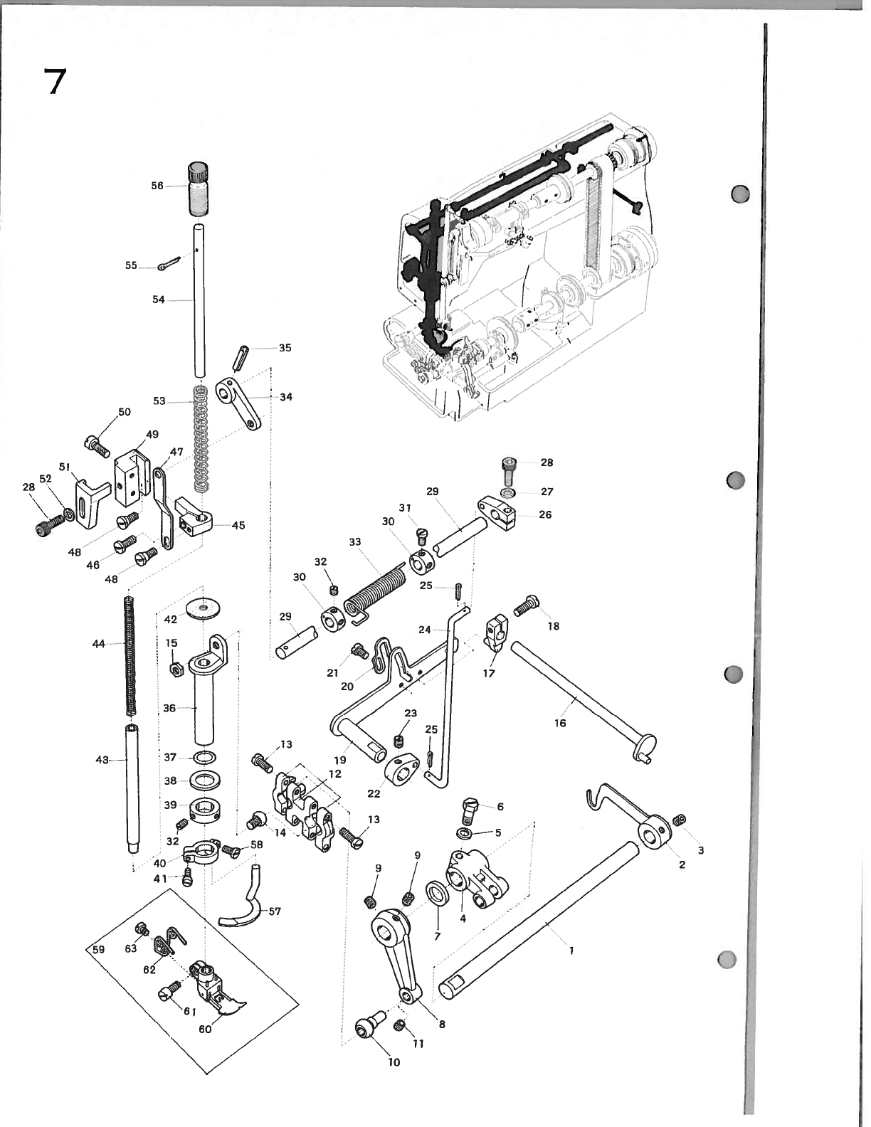
PRESSER
FOOT
AND
FOOT
LIFTER
MECHANISM
.x
..
7
Ref.
Parts
No.
No.
1
93452
2
93463
3
3647
4
93451
5
520
6
5500
7
93462
8
93455
9
3646
10
93457
11
3647
12
93456
13
1174
14
90418
15
419
16
93545
17
90801
18
1156
19
93496
20
93499
21
4358
22
93494
23
1448
24
93493
25
32715
26
93492
27
530
28
5550
29
93489
30
93491
Description
Am
Req
Top
Spreader
Driving Shaft
1
Ornamental
Thread
Take-up
jIJ
lJ
(fl)
I
Screw
for
93463
it
I) I)
(ffijf
‘
I
Top
Spreader
Driving
S/jail
Lever
I
Washer
for
934.51
I
Screw
for
93451
I))_Jj
1
Ring
for
93451
ffi
U
4
—
i
—
1
Top
Spreader
Rocker
Arm
1
Screws
for
93455
2
Ball
Stud
(Without
Screw)
‘i(?-
1
Screw
for
93457
lj\4Jj
.L
1
Top
Spreader
Connecting
Rod
.,
1
Screws
for
93456
[J
4
Ball
Stud
(With
Screw)
1
Nut
for
90418
‘]L1±
t
.
1
Tension
Release
Lever
Shaft
(fl)
1
Tens
ion
Release
Lever
1
Screw
for
90801
1
Foot
Lifter
Lever
1
Stopper
for
93496
J
3
3)f
1
Screws
for
93499
2
Foot
Lifter
Lever
(Inner)
1
Screw
for
X3494
1
Fxjt
Lifter
Lever
Connecting
Rod
1
Cotter
Pins
2
Foot
Lifter
Shaft
Lever
Is
(,)
1
Washer
for
93492
j
4
1
Screw
for
93492,93495
PItrt-J\--(’i\)il
)
1
Foot
Lifter
Shaft
1
Foot
Lifter
Shaft
Collar.s
2
31
to
63
See
Following
Page

7
5Grj
36
37
©
38©
39
55
54
53
50
49
34
47
51
52
28
C)
0
45
28
29
31
30
27
26
29
—
c_,4
33
48
\JT
,
46
-
32
48
-.
30
0
44
43
18
57
3
11

-
-
U
.._t_
_.___;___..____._—-—
PRESSER
FOOT
AND
FOOT
LIFTER
MECHANISM
7
Screws
for
93491
iiYJi7—±
‘-C’
2
Screws
for
93491,93459
I-i
1
kb5—±
4
Foot
Lifter
Spring
1
Foot
Lifter
Link
Lever
9L-’J--Uc)
1
Fastener
Pin
for
93488
1
Top
Spreader
Rocker
And
Presser
Bushing
—i’—i
U
1
Oil
Ring
0
‘J
-‘
1
Ring
for
93458
1
Collar
for
93458
i1—JH,H
U
i
.
—
1
Top
Spreader
Bracket
1
Screw for
93461
)—1—’th
1
Oil
Protecting
Rint,
;
ui
.-‘
I
1
Presser
Bar
1
Presser
Bar Spring
(Inner)
I’(ffl)
1
Presser
Bar
Connecting
Bracket
1
Screw
for
93482
Ik
1
Foot
Lifter
Link
PiMU
1
Screws
for
93487
1PI
U
U
±
2
Presser
Bar
Guide
1
Screws
for
93483
ti±
2
Presser
Bar
Stoppc
H
.yJ’—
1
Washer for
93495
1
Presser
Bar Spring
(Outer)
1Ii()
1
Presser
Spring
Guide
UI
i1PI-t4
1
Cotter
Pin
1
Presser
Spring
Regulator
for
93484
)I’±
1
Top
Spreader
)tiUt-—ic
1
Screw
for
90425
J
-ti
-
1
Presser
Foot Complete
Set
(A)(3.
2mm)
Needle
Distance
iT
I
(H)
(A
)
1
Presser
Foot
Complete
Set
(B)(4.Omm)
it)i(,11)(F)
I
Presser
Foot
Coniplete
Set
(C)(4.8mm)
HP’
(ll)
(C)
1
Presser
Foot
Complete
Set
(D)(5.
6mm)
Pi.
(.[i)
(0)
1
Presser
Foot
Complete
Set
(E)(6.4mm
ilpi
(iii)
(1)
1
Bottom
for
91131
i’PI(T)
1
Bottom
for
91132
HPI(F)
1
Bottom
for
91133
PHi
()
1
Bottom
for
91134
.pi
(
p)
1
Bottom
for
91135
pp:T:
(
fl
1
Screw
for
Bottom
HP
1
(
)j)
-
---
1
Spring
for
Yielding
Sect
ion
/i\11P
1.
‘
‘
1
63
9730
Screw
for
90723 ‘PH
Ii
.
1
-(
C
I
.
Ref.
Parts
No.
No.
Description
1
to
30
See
Preceding
Page
IZI
Amt.
Req,.
31
9604
32
3433
33
93490
34
93488
35
690
36
93458
37
90421
38
93460
39
93459
40
93461
41
7609
42
93611
43
93480
44
93485
45
93482
46
4440
47
93487
48
6038
49
93483
50
4441
51
93495
52
538
53
93484
54
93486
55
90620
56
720
57
90425
58
1227
59
91131
91132
91133
91134
91135
60
91136
91137
91138
91139
91140
61
1186
62
90723

Ui
f
00
“3
N)
,1
N)
N)
(0
03

MISCELLANEOUS
BUSHING
AND
SP.
UNIT
;“•SP
8
Re[
Parts
No.
No.
1
93596
2
93597
3
93594
4
9852
5
93598
6
93590
7
4358
8
5075
9
525
10
93454
11
93453
12
32684
13
93498
14
93201
15
30291
16
93181
17
93183
18
93182
19
93607
20
1175
21 533
22
93603
23
93481
24
93302
25
93301
26
93303
27
93313
28
93312
29
3433
30
93096
31
93094
32
93095
33
538
Amt.
Description
Req.
Cup
for
Silicone
Oil
L’h.yI
1
Cap
for
93596
)jy::’v
,J
1
Holder
for
93596
1
Screw
for
93594
ij.;,I±
)
1
Oil
Tube
for
Silicone
Oil
3If
1(S
P
Efl)
I
Silicone
Oil
Supplying
Unit
SP(a)
1
Screws
for
93590,
93596
S
P
1)i1
.
2
Oil
Hole
Screw
1
Seal
for
5075
1
Top
Spreader
Driving
Shaft
Bushing
(Left)
1
Top
Spreader
Driving
Shaft
Bushing
(Right)
J
/()
1
Oil
Seal
for
93453
1
Foot
Lifter
LeverBushing
1
Needle
Thread
Tuke-up
Bushing
1
Oil
Seal
for
32794
J;)
1
Needle
Bar
Bushing
(Upper)
.
(1)
1
Needle
Bar
Bushing
Cap
‘
1
Needle
Bar
Bushing
(Lower)
f4A,
.y
(T)
1
Felt
(Large)
71
)L.h
1
Screws for
93607
i)ji
2
Washers
for
93607
2
Felt
?x)t.
1
Presser
Bar
Bushing
(Lower)
1
Looper
Driving
Shaft
Bushing (Rear)
,
•:
()
1
Looper
Driving
Shaft
Bushing
(Front)
p.
jç_
.,
.
()
1
Oil
Seal
for
93301
1
Looper
Rocker
Shaft
Bushing
(Left)
1
Looper
Rocker
Shaft
Bushing
(Right)
)
—)
.
.,
(j)
1
Screw
for
9.3312
1
Crank
Shaft
Cap
.5
.‘y
.
j
4
.
.
J
1
Oil
Seal
for
Crank
Shaft
(Large)
1
Oil Seal
for
Crank
Shaft
(Small)
4.(
)
fl(’)
1
Washer
for
93596
-
iii,
,
1
ii

9
‘1
6
‘15
44
39
()
0
5

—I
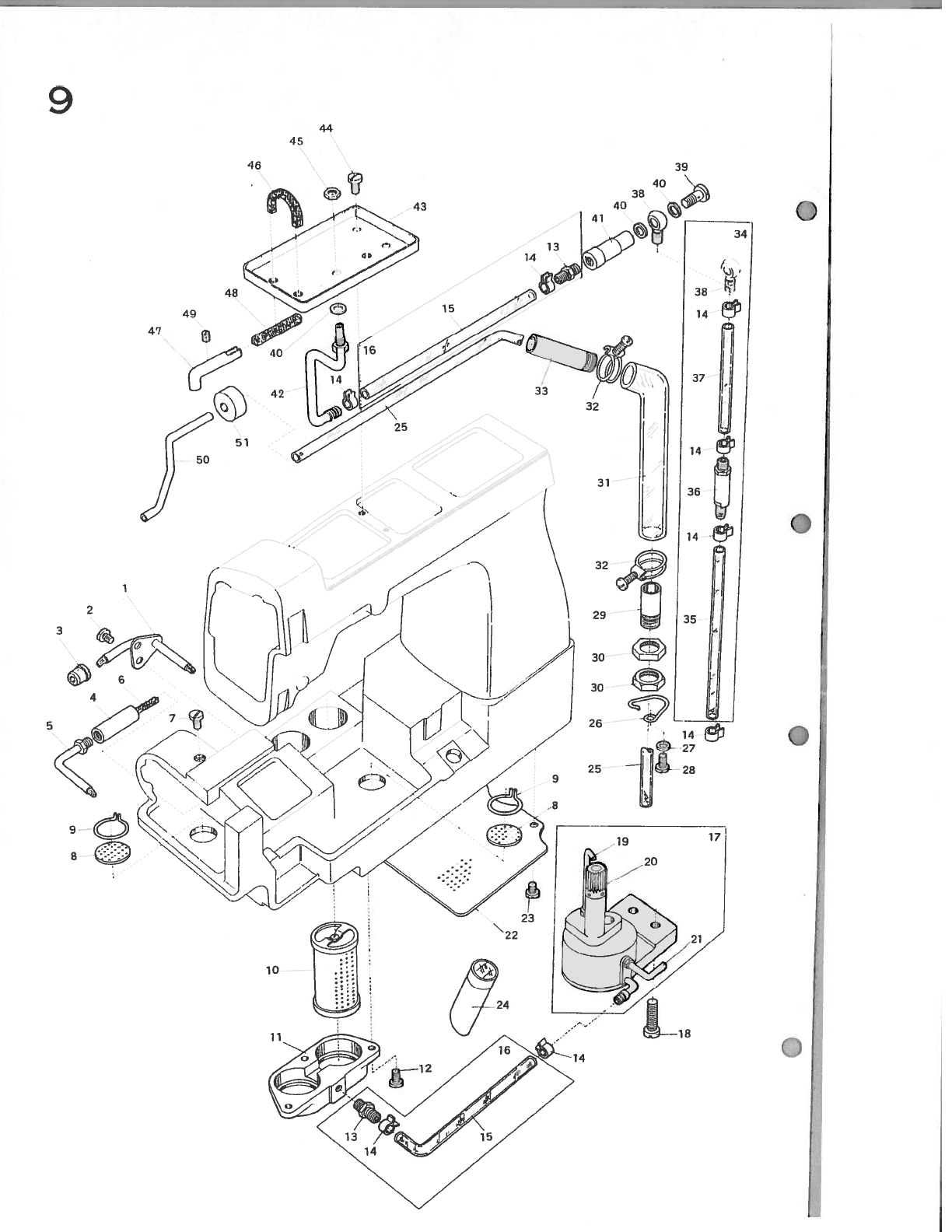
OIL
L
UBRICA TING
S
YS
TEM
‘S
Ref.
Parts
No.
No.
1
93615
2
9853
•
3
93616
4
93609
5
93587
6
385
7
9209
8
90951
9
32932
10
90952
1
1
93570
12
1175
13
9909
14
37675
15
93622
16
93600
17
93565
18
9933
19
93587
20
90901
21
90918
22
93621
23 7302
24
32942
25
93599
26
93589
27
538
28
4440
29
93586
30
430
31
93588
c:
32
93583
33
93576
34
93602
35
93618
36
90930
37
93619
38
37669
39
7668
40
567
41
93575
42
93578
43
93574
44
4358
45
419
46
384
47
93581
48
380
49
9526
(
50
93577
51
93617
Description
_____
Needle
Guard
Connecting
Rod
Oil
Pipe
f5.&TD
‘
I’idii(
(t0)
1
Screws
for
93615
Q.,
,
2
Oil
Nozzle
Fitting
Seal
&-I.
J
1
Feed
Bar
Driving
Connection.
Oil
Pipe
j
I)
)
i
1
Oil
Nozzle
for
93609
)J
1’(
.1)
7’)L
I
Oil
Wick
for
93609
1
Screw for
93609
j)
I)
jj
1
Round
Oil
Filler
Screen.’,
ii
2
Round
Oil
Filter
Screen
Clamps
;.rpI
2
Oil
Filters
2
Oil
Filter
Holder
;‘r
1
Screws
for
93570
3
Oil
Tube
Fittings
2
Oil
Tube
Clamps
8
Oil
Tube
(100mm)
-
)L’Ji’
(1OOiim)
2
Oil
Tube
Complete
Set
Ai’Jt’R-(
(fl>
2
Oil
Pump
Complete
Set
1
Screws
for
93565
.-._Ib
,
2
Oil
Nozzle
for
Pump
Gear
iJ
).-‘iii)
31t
1
Oil
Pomp
Driving
Worm
Gear
——
1
Oil
Nozzle
for
Worm
Gear
j)
I)
d)
JL
1
Oil
Filter
Screen
1
Screws
93621
3
Oil
Sight
Gauge
i1
)
1
Oil
Tube
(500mm)
t
-
.ni-t’
f
(50Cm)
1
Oil
Tube
Holder
I\’(
i
1
Washers
for
93589,
93590
2
Screw
for
93589
j(
iiE
.
1
Draining
Tube
Holder
(Lower)
fr)
1
Nut
for
93586
jc
.
-
,
2
Draining
Tube
-j”-i
1
Oil
Tube
Clamps
for
93588
2
Draining
Tude
Holder
(Upper)
‘i’
t4(f)
1
Oil
Tube
Complete
Set
i’
1)
1
Oil
Tube
(150mm)
-
jt,jc-
i
(50mrn)
1
Oil
Relief
Valve
1
Oil
Tube
(70mm)
-4
-
)i-i’
i
(10mm)
1
Oil
Tube
Fitting
One
Way
End
)[Wi
1
Oil
Tube
Fitting
Stud
(Short)
1
Seals
for
7668,
93578,
37669
..,
4
,
3
Oil
Sujiplying
Tube
Holder
I
1
Oil
Sight
Top
Nozzle
/
.)(fl)
1
Oil
Receiver
5
1
Screws
for
9357)
),/,
Hfl
1
2
Nut
for
9,3,574
di
C
lU
I
.,
I
1
Oil
Wick
for
93574
,tji,
i
Needle
Bar
Coniu’cI
ing
Rod
Oil
Pipe
tI4
UI
-,
I-.t,rlIi(
/
1
Oil
Wick
for
93581
.i)i’I
1
Screw
for
93581
iI4
I]
..,
.U.,t,c
I
,il
-
1
Suction
Pipe
i
-
ij;H,’(
I
1
Suction
Piju’
B-ushiug
I’
I
.
A
‘\
I
1
Amt
Req.
(

9S
608[AtU
Li!-_-
—
it.
(T’8FTA
U
G14/OO1Y
VJ4IOO1
-AU
i/pal
il{IWWO)
UI
pa.f)
8OZTAU
Uhl1OOF?
VJVO(PT[AU
wim
U0WWOJ
11!
pdI/)
OS
9
pog[’80t-AU
t08
1
‘808
1A4
U
liar-AU
--
SE SE
-
-
I
____
____
008
1At
U
C
91
/
SI-
oo
I
-i44
U
El-
OL
01

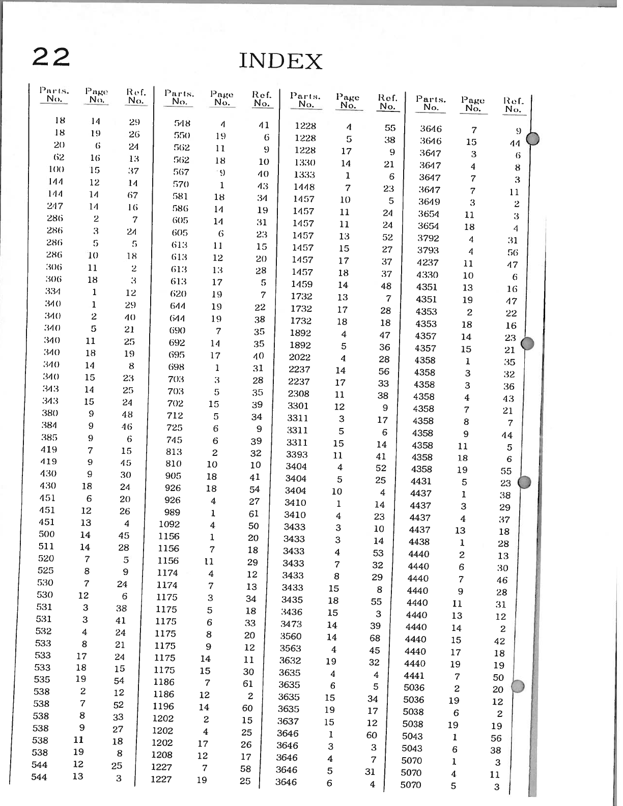
SUBCLASS
ORGANIZA
TION
PARTS
ic
Re!.
Paris
No.
No.
Description
ni:i
Am
Req
1
94997
94998
94999
2
94810
9481
1
94812
3
93187
4
3404
5
1457
6
4330
7
94820
8
94822
9
94821
10
813
11
90807
12
90805
13
90856
14
90812
15
90804
16
9844
17
01111
18 286
19
93549
20
90814
21
93547
22
90722
90731
90732
23
94800
94801
Needle
Bar(C)
Complete
Set
£tt4C
(ll)
1
Needle
J3ar(D)
Complete
Set
D
(fl)
1
Needle
I3ar(E.)
Complete
Set
£±
E
()
1
Needle
J3ar(C)
for
Needle Distance(4.8mm)
H+C
1
Needle
Ba’r(D)
(5.6mm)
ilØ
D
1
Needle
Bar(E)
(6.1mm)
E
1
Needle Clami
tiI:
1
Screw
for
93187
iE
-
1
Screws
for
Needir
Uji:
2
Screw
for
Needle
i±j.b
U.
1
Needle
Bar
Thread
Eyelet
Needle
Thread
Take-Up
F
U
Needle
Thread
Eyelet
Nuts
for
90805
4J
/jJ
,
[..
Thread
Lead-in
Guides
Tension
Post
Support
Tension
Post
Eyelets
for
Needle
Thread
Tension
Post
Ferrule
1JHA
4
?
Tension
Disc
Separato
.(
Tension
Post
Tension
Discs
10
Felts
for
Tension
Disc
yj
j
5
Thread
Tension
Spring
Retainer
ih(
RU.
.
(T)
1
Needle
Thread Tension
Spring
1
Thread
Tension
Spring
Caps
YjU
r
](j)
5
Presser
Foot(D)
for
Needle
Distance
(4.8mm)
qI
CD
)
((ill)
1
Presser
Foot(E)
for
(5.6mm)
)q1
(
)
(Jj)
1
Presser
Foot(C)
for
(6.4mm)
1i
(C)
(H)
1
Throat
Plate(C)
for
Needle
Distance
(4.8mm)
(
)
I
Throat
Plate(D)
for
(5.6mm)
it&
(D)
1
1
1
1
2
4
1
3
5
94802
Throat
Plate(E)
for
(6.4mm)
£t&
(
E)
I
24
94215
Presser
Foot(.4)
for
Needle
Distance(3.2mmn)
(A)
(fl)
1
94216
Presser
Foot(B,)
for
(4.0mm)
)ii
(B)
(l)
1
94217
Presser
Foot(C)
for
(4.8mm)
(Lvi
(C)(1l)
1
94218
Presser
Foot(D)
for
5.
6mm)
(B)
(()
1
94219
Presser
Foot(E)
for
(6.4mm)
f
1
(
)(‘çJ])
1
25
to
42
See
Following
Page

11
_____
________
-.
13W-i
300
7
/
I
0
l2
2
14
15
16
6
5
4
c
5
3
13
0
19
20
21
DW-130!)
33
1.
22
26
34
37
27—
DV-1203,1204
24
25—
N
/
D
V-1205
29
——
NN
Nc.v
-
(bed
117
(Urn
in
on
with
‘-7
38
0
0
0
DV-
1200314
&-1200M11
DV-1208
23ç
(ised
in
corn
in
on
in,
fit
1)V-
1200414
&-120041D
-
D1213,i21’:
Dw-ijn
L
_

SUBCLASS
ORGANIZA
TION
PARTS
1(
Ret
Parts
No. No.
_____________
1
to
24
See
Preceding
Page
25
94210
9421
1
94212
94213
94214
26
94908
94909
27
94901
94902
28
91191
91192
29
93170
93171
30
91197
91198
31
94500
32
94507
33
91965
91966
34
91941
91942
35
92158
92159
36
92152
92153
37
94630
94631
94632
94633
94634
38
94610
94611
94612
94613
94614
39
94701
40
94708
41
95035
42
95030
Throat
Plaie(A)
Throat
Plate(B)
Throat
Plate(C)
Throat
Plaic(D)
Throat
Plate(E
Presser
Foo/(D)
Presser
Foot
(E)
Throat
Plaje(D)
Throat
Piate(E,(
Presser
Foot(A)
for
Needle
Distance
(.3.2mm)
for
(4.0mm)
for
(4.8mm)
for
(5.6mm)
for
(6.4mm)
for
Needle
Distance(5.Smnz)
for
(6.4mm)
for
Needle
Distance
(5.6mm)
for
(6.4mm)
for
Needle
Distance
(3.2mm)
)tpi
(A)
1
(B)
1
(C)
1
(D)
1
(E)
1
(D)(Ii)
1
1
(D)
1
(F)
1
1
(B)
1
(D(
I
(F)
1
(D)
1
(F)
1
(A)
()g)
1
(i3)(H)
1
(C)
(j)
I)
)
(i1)
1
(I H)H)
1
(A)
[
(IF)
1
(C)
1
(I))
(F)
1
(D)(.lI)
J
(B)
1
(
F))
(.6!)
I
(0)
1
Description.
fin
An
Re
Presser
Foot(B)
for
(4.0mm)
i
(B)()
1
Throat
Plate(A)
fo#
Ncedle
Distance
(3.2mm)
Lt)5
(A)
I
Throat
Plate(B)
for
(4.0mm)
(B
)
1
Presser
Foot(D)
for
Needle
Distance
(5.6mm)
)i
(D)()
1
Presser
Foot(E)
for
(6.4mm)
)4I
(F
)
()
1
Presser
Foot
Complete
Set
))1i
(fl)
1
Throat
Plate
1
Presser
Foot(A)
for
Needle
Distnce
(3.2mm)
i
(A)
()
1
Presser
Foot(B)
for
(4.0mm)
‘))I
(B)(5)1)
1
Throat
Plate
(A)
:L)J
(A)
1
.
Throat
Plate(B
Presser
Foot(D)
for
Needle
Distance
(5.6mm)
)I
Presser
Foot(E)
for
(
6
.4mmn)
Throat
Plate(D7
for
Needle
Distance
(5.6mm)
Throat
Plate(E
for
(6.4mm)
Presser
Foot(A)
for
Needle
Distance
(3.2mm)
Press€r
Foot(B)
for
(4.0mm)
.111.
Presser
Foot(C)
for
(4.8mm)
Presser
Foot(D)
for
(5.6mm)
)q)r
Pi(’sse?
Foot
(E)
for
(6.4mm)
)q)
Throat
Jlate(A)
for
Needle
Distance
(3.2mm)
Throat
Plot
e(
B)
for
(4.0mm)
4j
Throat
Plate(C)
for(4.8mm)
Throat
Plate(D)
for
(5.6mm.)
Throat
Plate(E)
for
(6.4mm)
Presser
Foot(D)
for
Needle
J)
stance
(5.6mm)
)i
4
j
Throat
I
lat
(‘(D)
Jar
(5.6mm)
Presser
Foot(J))
for
Needle
Di
stance
(5.6mm)
)(
.1
Throat
Plate(I)j
for
(5.6mm;

2
1f
55
1)
V-1203,
1204
D)413O3,
1304
DV-1204,1214
D
W-
1304
48
ii
8
/
7
6
I
5
16
10
-9
27
20
22
21
11:
54
25
24
0
0
0
Cutting
Device
35 34
36
32
33
28
250
___
I!
30
42.
__
4
43
44
31
/
/
/
52
-.
I
40

Di2O3,-12O4,-1214DW-13O3,-13O4
EXCLUSIVE
PARTS
1
1
Description
______________
_______
Front
Cover
J
‘
—
1
Stopper
Screw
Nut
for
94200
2
,,
J.9)
-j-,
I
Stopper
Screw
for
94200
.
9
1
1
Front
Cover
Latch
Spring
i3j
.
j.,
—,
I
Screw
for
94201
iJ
I\—I’LE
Front
Cover
Lat
ci
iiiU
/
—
/
:‘.
}L
I
1
Screws
for
94202
2
Folder
Support
Bracke’t
1
Washers
for
91735
2
Screws for
91735
ijj
9
2
Folder
Clamp
I
ipt
1
Screw
for
91736
9
1
Screws
for
Folder
2
Edge
Guide
1
Washers
for
91784
2
Screws
for
91784
‘jj
2
Tape Guide
Holder
yl1&
1
Washers
for
94235
2
Screws
for
94235
_
2
Tape Guide
Tube
1
Tape
Guides
(Long)
([)
2
Tape
Guides
(Short)
()
2
Tape
Guide
Adjusters
—1I
.i>i
2
Scewsfor917Q7
4
Nut
for
91708,
91840
—
I
V
(1)
3
Differential
Feed
Dog
5jji)
(AD)
1
Differential
Feed
Dog
diiI
I)
(E
)
1
Main Feed
Dog
I)
(AD
)
I
Main
Feed
Dog
I)
(E
)
1
Cutting
Device
Holder
9
1
Screws
for
91832,91839
4
Cutting
Knife
(Upper)
—
j
.t,
.
)
1
Screws
for
91833,
91837
l
.
9
4
Screws
for
91833
.
(U
iF%
2
Cutting
Knife
Holder
...
.
9
..
)‘
1
Screws
Jor
91834
Jh
,y
1N•(1th
r’9
2
Cutting
Knife
Spring
--
.
9
..J
1
Cult
ing
Knite
Lever
Pin
.
1
..,
ii
.
1
/
1
Cutting
Knife
Lever
-
j
i7
.
/
1
Screw
for
91840
-lh...9
1
Cutting
Knife
Lever
Spring
.
..
9
•-
9/S
-
/
1
Screws
for
91842,
94.371
,.
,
2
Screw
for
91842
,c.mr±
/
1
Cutting
Knife
(Low
ci)
I
.
9
(
.
)
1
S
crew
for
91839
.‘
—
‘
(
F)
ii:
1
Culling
Knife
Holder
Pin
‘
Ii
..i
9
—
(
Li
i11
I
9
1
Guide
Holder
for
91836
J
J
.,
)
1
Cutting
Knife
Guide
fr--
Iii
.,
9
1
Screws
for
91836
‘Ii
..i
2
Measuring
Guug
1
S
crews
for
91845
5
9
—
2
Slide
Gauge
Ut
1
Screw
jor
9181
itiL
1
lYlachinc
From
P
.
/
.
;
.
(fl)
1
(.lotIi
Phil
I
1
(utlu,g
l)ei’ice
(
‘uiiip/cle
.‘l
r
i
I’’uldrr
(Sc(
ic/oii’
‘liii
Ni,/c)
,j
All
(dl)
I
Plot
u
;
Please
Indicate
The
Follou’
log
l’oldcr
t
.
•,
),
‘/
U)PL.I
“.
.‘
.1.
.1
1$
Tigie
(tid
S
ire,
Whey
)‘oii
Plac’
()
ide
r.
A
).fl
‘
.
Al
F
-
I?
e1
Parts
No.
No.
1
94200
.
2
306
3
3654
4
94201
5
4358
6
94202
7
7609
8
91735
9
562
IC)
5553
fin
A
rnt.
Req.
11
12
13
14
15
16
17
18
19
20
91736
5554
9932
91784
613
9852
94235
538
5163
94236
21
91708
22
91709
23
91707
24
1457
25
340
26
94230
94232
27
94231
94233
28 91832
29
1156
30
91833
31
4440
32
9150
33
91834
34
7650
35
91838
36
91841
37
91840
38
2308
39
91842
40
6638
41 3393
42
91839
43
6245
44
91835
45
91837
46
91836
47
4237
4
91845
49
5343
50
91846
51
6436
52
94270
53
94272
54
91844
55
91731

12
12
13
14
14
DV-1213.
1214
0
.
8
/
30
-7
29
27
21
----20
19
C-)
28
0

DV-1213,-1214
EXCLUSIVE
PARTS
12
Ref.
Parts
No.
No.
1
94683
•
2
1186
3
94686
4
94687
5
94694
6
530
7
7006
8
94695
9
3301
10
94689
11
94690
12
94696
13
94697
14
144
15
94698
16
94699
17
1208
18
94712
19
94700
20
613
21
9852
22
94626
23
93391
24
6799
25
544
26
451
27
94603
28
94606
29
94604
30
94605
.
Description
Tape
Guide
Holder
Complete
Set
]1I&
(fl)
1
Screw
for
94683
i
Tape
Guide
Coniplete
Set
(ll)
1
Tape Guide
.
1
Adjusting
Plate for
Width
of
Tape
—
1
Washer
for
94694
I
Screw
for
94694
_
c)
1
Lock
Nut
for
94691
,
1
Screw
for
94695
1
Tape
Hold
—
qj
1
Tape
Holder
Pin
I
Tape
Guide
Complete
Set
(Upper)
—
()
()
1
Tape Guide
(Upper)
—
;j:f
-i’
F
1
Nuts
for
94697
—
()
t
2
Tape
Guide
Pin
1
Adjusting
Collars
for
Width
of
Tapc
J1fi
5—
2
Screws
for
94699
—
.Aih5—iE
i’
2
Front
Cove
1
Edge
Guide
I
Washers
for
94700
2
Screws
for
94700
2
Differential
Feed
Dog
1
Main
Feed
Dog
0
I)
1
Screw
for
I-lead
Corn
‘.;
1
Washers
for
6799
2
Nut
for
6799
..‘
F
1
Back
Closing
Cover
?
[
li/S
1
Presser
Bar
Bushing
9
I
4t
)
‘
-‘
1
Seal
Plug
(Left)
41’
1
Seal
Plug
(Right)
1’
1
()

0
0
0
60H
1
4t
(I
6O’l
A(I
6L
It
t7I
6
L
I,

DV-1209,DW1309
EXCLUSIVE
PARTS(1)
‘i
1
3
Ref
Parts
Am
No.
No.
Description
___________
Reç
1
94533
Tape
Holder
—
1
2
6799
Screw
for
Head
Cover
1
3
544
Washers
for
6799,
6800
4
4
451
Nuts
for
6799,6800
2
5
6800
Screw
for
Top
Cover
L’±g./
1
6
94523
Cloth
Plate
1
7
1732
Screw
for
94523
1
8
94528
Front
Cover
Latch
1
9
9508
Sc
reu’
s
for
94528
Y
.y
i.E
.
.-
2
10
94524
Front
Cover
jj
1
11
94527
Front
Cover
Latch
Spring
7
.y
1
12
4440
Screws
for
94527,
94653
3
13
94537
Front
Cover
Accessory
Plate
rii
jj
1
14
9121
Screws
for
94537
3
15
94530
Oil
Shild
I
16
4351
Screws
for
94530
jIy-
2
17
94525
Front
Cover
Hinge
j
Jj
7
)\—
18
4437
Screws
for
94525
)
3
19
94666
Front
Cover
Hinge
Spring
1
20
94526
Front
Cover
Hinge
1
Jjfl
1
21
9526
Screws
for
94526
JjJ\—
:_)
Vit}
.
2
22
94520
Machine
Frame
—
(.ll)
1
23
94653
Side
Cover
Bracket
j—j-
24
94652
S
idu
Cove
j
1
25
5343
Screws
for
94652
r;j,i.
..
4
26 94529
Side
Opening
Cover
.fl
1
27 94535
Edge
(uui
1
28
613
Washer
for
94535
j.
1
29
9852
Screw
for
94535
1
30
94592
Differnliol
l’c(d
Do
IX
I)
1
31
94593
Main
Feed
Dog
1
32
38221
Rubber
Cushions
3

14
39
I)V-
1209
1)W-130,9
2
5
‘3
2/
2
4
9
/
10
23
•11
22
7
29
8
6
30
32
31
£
—24
34
38
26
25 33
3340
35
/
36
37
33
39
49
42
53
2
54
/
57
56
55

D
V-
1209,
D
Wi
309
EXCL
1JSI
VE
PAR
TS(2)
-±
1
5
-
W
14
Ref
PaTts
No.
No.
.
1
94532
2
4440
3
91936
4
9121
5
91938
6
91934
7
37611
8
340
9
91951
10
91937
11
1175
12
32795
13
94540
14
94541
15
5550
16 247
17
91964
18
91909
-
19
586
20
91963
21
1330
22
94588
4357
24
92138
25
343
26
94589
27
38034
28
511
29
18
30
9852
A
nit.
_____________
_____________
I?
eq..
Clutch
Cover
Holder
Plate
77
v
I
Screws
for
94532,94554
.
4
Clutch
Cover
Hinge
7
7
v
1
Screws
for
91936
77,-fric-->E
2
Clutch
Cover
Hinge
75
,
I
Clutch
Covc
7
7
1
fr
1
Clutch
Cover
Anoh
7
5
y
j
j—
v
1
Nuts
for
91934,92138
75.>.
-y
,—yv
1
.t.>.
[-
2
Washer
for
91937
75
.>
1
c;luich
Cover
Spring
7
5
.
-1.—-L;.
1
Screws
for
919.37
77>.’j77
2
Needle
Thread
Take-up
Driving
Shaft
Bushing
7
I
Needle
Thread
Take-up
Driving
Shaft
I)
1
Meat
ering
Lever
—7—’):-’
7
L-—
1
Screw
for
94541
....7
I)
j
jç.--7
1
Adjusting Boll Stop
Nut
I
1
Graduation
Showing
P/ate
1
Adjusting
Boll
It’j
1
Washer
for
91909
1
Adjusting
Boll
Lever
L-R
1
Screw
for
9196.3
I.
ISL
1
Upper
Knife Connecting
Rod
(Small)
.
(4k)
1
Screws
for
94588,
94589
-
.c
.,
F
4
Clutch
Rod
Connection
7
fr
Li
j
Nut
for
92138
1
Upper
Knife Connecting
Rod
(Large)
1
.
[]
>.
-
(k)
1
Boil
Stud
(Long)
,j
(i:-)
1
Washer
for
.380.34
,j
(
)
1
Nut
for
380.34
[
fr
,>
1
Screwfor94732
U->.
(JiH
1
(..‘
31
Ia
68
See
Following
Page
0
I
1)escription
yin

C
Q
LI)
0
N
U-)
N
N
CD
)V)
N
N
—
0
C’)
D,_—
C’)
N
C’)
C’)
CD
C’)
LI)
C’)
U

)j7
DV-1209,DW1309
EXCLUSIVE
PARTS(2,)
-ii-
7
14
Ref
/lmt.
No.
Descrtpiion
Req..
31
605
32
94728
33
7621
34
94625
35
692
36
94733
37
94735
38
94727
39
3473
1
40
94726
41
94729
1
42
94730
1
94732
44
94550
1
500
1
46
5083
1
94731
12
48
1459
49
94551
2
50
9209
2
2
51
94547
2
52
1457
2
53
94548
2
5
91932
2
55
94549
2
56
2237
2
57 94546
58
94554
59
94556
60
1196
3
61 94553
62
94557
63
92133
64
94552
3
65
7609
66
92134
3
67
144
4
68
3560
4
1
4
4
4
I
to
.3(1
S
(‘C
Precedtng
l-’uge
ii
Washer
for
947.32
o
—5—
(A)
5i
1
Clutch
Rocke
S
5
‘
L&
(;)
1
Screws
for
94726, 94728,
94729
11-
5
9
C/ut
chcs
55
2
Pins
for
94725
1
2
Clutch
Spring.s
5
5
.,
12
Clutch
Rollers
5
7
D
5
12
Clutch
Sleeve
Coil
5
-
.i
5
)
—
57—
1
Screws
for
947Z7
,
‘J—1iEh—iE
2
Clutch
Sleevr
ij
—
I
Clutch
Check
55
,
()
1
Clutch
Frame
Bushing
(Right)
5
5
.7
5
5.7
.5
()
1
Tension
Roller
(Large)
—5—
()
1
Clutch
Frame
5
5
,
1
Washer
for
94550
55,7JJ
1
S
crew
for
94550
S
.
s
iiL
S
1
Clutch
Check
Pin
55
,
1
Screw
for
94731
55
7
1
Clutch
Frame
Bushing
(Left)
5
.,
-5
()
1
Screw
fo’r
94551
55.
72
()
th5Y
1
Tension Link
c—5—’J.’5
2
Screws
for
94547
Q5_IJ
5
2
Tension
Link
Shaft
_5JJ55
1
Tension
Link
Shaft
Sprint
55
5
i..
j;
1
Tension Relieve
Lever
fl—S—I)
55
)
1
Screw
for
94549
5_ij
1
Tension
Roller
(Small)
LI
—5—
(‘J)
1
Tape Guide
(Lower)
55
(T)
1
Washers
for
94553
4
Screws
for
94556
—
S
S
-i
-
(F)
j.
4
Tape
Guide (Upper)
(±)
1
Nuts
for
94553
—
5
51’
(j)
J
,
2
Break
Shoe
SL-—4-
1
Break
Holder
55_5-
1
Screw
for
)4552
55_4Jj
1
Break
Spring
—i5
1
Nut
for
92133
S
1—
—
y
1
Screw
for
92133
1

1
DV-1205,1209
DW-1305,130.9
0
3
V
5
4
3
0
0
2
16
S
0j
32-
20
‘9
23
31
22
24
35
21
/
0
27
12
33
0
41
11
40

DV-1205,-1209,DW1305,-1309
EXCLUSIVE
PARTS(3)
-
1
5
Ref.
Parts
No.
No.
1
94595
•
2
94563
3
3436
4
94564
5
94565
6
94566
7
94558
8
3433
9
94560
10
5550
11
94562
12
3637
13
94559
14
3311
15
94567
16
94561
17
94568
18
7006
19
94569
(20
94588
21
4357
22
94587
23
340
24
343
25
94589
26
94573
27
1457
28
94575
29
94576
30
1175
(
31
94531
32
9121
33
94579
34
3653
35
94580
36 94581
37 100
38
94578
39
703
40
7763
41
94582
42
4440
43 94574
41
3646
15
94577
Description
Arni.
Re
(j.
Cast-off
Support
Plate
ii
1
Upper
Knife
Eccentric
Exi-’
1
Screws
for
94563
2
Needle
Roller
Bearing
I
Connecting
Rod
for
Upper
Knife
I
Snap
Ring
for
94565
O.,
1
Eccentric
for
Needle Guard
1
Screws
for
94558
--
3
Needle
Guard
Driving
Shaft
Arm
1
Screw
for
94560
-jJ-
1
Collar
94560,
94574
3
Screws
for
94562
6
Connecting
Rod
for
N(’edle
Guard
.
F-
I
Screw
for
94560
Upper
Knife
Connection
.
1
‘Veedle
Guard
Driving
Shaft
+P5-*t
1
Upper
Knite
Connection
Pin
1
Screws
for
94568,
94569
3
Upper
Knife
Connecting
Bull (Short)
(yr)
1
Upper
Kni/e
Connecting
Rod
(Small)
_E.
E
‘2
F-
(‘]‘)
I
Screws
faA
94571,
91572
7
F-ih.-
v
4
Upper
Knife
Connecting
Rod
Connection
i
F-
1
Nut
for
94587
[j
,
F-
F-
Nut
for
94587
0
,
F-
2
.
F-
1
Upper
Knife
Connecting
Rod
(Large)
F-
.
F-
(k)
1
Upper
Knife
Connecting
Ball
(Long)
±
.
4
t
(
F..
)
1
Screws
for
94573, 94574
p.
.
.
4
Upper
Knife
Holder
Arm
±
z
1
Upper
Knif
I
Screw
for
94576
4
1
Chip Guard
1
Sc
rca’s
for
9453?
Vi
rFr
if
-
)
2
Lower
Knife
IJo/di’r
4
I
Screw
for
94579
Lower
Knife
1
Lower
Knife
Clamp
F
A
4
1
1
Screw
for
94581
F.’
1
tI
rj
I
Knife
Holder
Broc’ki’t
1-
_4
)
‘
F-
1
Washers
for
94578
2
,Sercu’’
for
9.1578
F-
‘1
.
-j-
,
2
Lower
Knife
Ilolde
r
Lock
tig
/
Vol
A
A
)
Screws
for
94582
(
2
(Jpiwr
.1ni/e
Hodi’
r
Vii
1
S
L’
I
Screw
for
9i57L
E
‘1
4
1
1
(Jpp
r
Km
Ii’
Spring
j
.4
1
\
.
1

0
[L
0
I
EI
9
9
0
0
91

DV-1208
EXCLUSIVE
PARTS
16
Ref
Paris
No.
No.
1
94604
2
94605
3
94603
4.
94514
5
94506
6
94606
7
94513
8
94511
9
94512
10 94510
11
94508
12
94509
13
62
14
94515
Description
it
nit.
R
(‘Q.
Seal
Plug (Left)
1
Seal Plug
(Right)
1
Back
Closing
Cover
5.
.
Needle
Thread
Eyelet
(Lowcr)
t
(T)
1
Needle
Bar
1
Presser
Bar
Bushing
5
.,
1
Main
Shaft
5
5
S
1
Needle
Guard
1
Looper
Thread
Take-Up
1
Looper
)L.—ic_
1
Deffreni
ial
Feed
Dog
4jj.
)
1
Main
Feed
Dog
1
Nut
for
94506
.
1
Main
Shaft
Complete
set
T
‘
({)
1
(

17
I)
V-
121
1
12
0
:.,
:
—
\
I,
-
\
/
2
12
Th6
391
11
7
40
DV-1212
,o29N:’33434
0
33
41
24
1

1W1211,-1212
EXCLUSIVE
PARTS
17
Description
III
fin
1
94601
2
94600
3
94602
94616
5
613
6
9852
7
94603
8
94615
9
1228
10
94606
11
94604
12
94605
13
94628
94629
14 94650
15
94652
16
5343
17
94653
18 4440
19
94654
20
94656
21
94657
22
7405
23
94658
24
533
25
94659
26
1202
27
94661
28
1732
29
94660
30
9142
31
94662
32 94663
33
2237
34
94664
35
94665
36
94680
37
1457
38
94667
39
94668
.
40
695
41
94666
42
93008
4)
94675
‘14
94669
45
6510
-16
95027
S
ide
Opening
Cover
(Special
Order)
41(1
4
h
/
—
1
S
ide
Cover
(Special
Order)
1
Front
Cover
(Special
Order)
-
—
1
Edge
Guide
(Set
on
f/ic
front
Cover)
1
Washers
for
94.616
2
Screws
for
94616
i)((iL
2
Back
Closing
Cover
S
-
/—
1
Edge
Guide
(Set
on
tim
throat
Plate)
T
1
Screw
for
94615
7
1
Presser
Bar
l3ushini,
5iI
$1’
,.,
.‘
1
.Seai
Plug
(Left)
C
1
S
cal
Plug
(Right)
.g
1
I.)
tue
rencjal
Peed
Dog
(A
1))
(Use
.fo r
Needle
Dist
aice
3.
2n
m-
5.6mm
.4
i
‘I
1
DiJferencial
Feed
Dog
(E)
(Use
.for
Needle
Distance
6.4mm)
1ii1’
1•
1
Machine
Frame
—
..\
.,
F-
(fl)
1
Side
Cover
1
Screws
for
94652
,c—
.‘.
-
4
Bracket
for
94652
.$
ç_.:A
1
1
Screws
for
94653
f’j/
ili
2
Side
Opening
Cover
i
I
1
Front
Cover
his
1
Fabric
Guard
(Large)
?i
(
14
1.
Screws
for
94657,
94658
2
Fabric
Guard
(Small)
(
4
1
Washer
for
91658
1
Edge Guide
Lj
,
1
S
crete
s
Jo
r
94659
4]
fi
5
2
Heinmiig
Guide
Plate
,)5(
1L
-
1
Screws
for
94661
.1
1
.11.-
1
-
5
2
Hemming
Guide
I
Screw
for
94660
5
1
Holder
for
94660
.-
.
I
1
Hemming
Guide
Shaft
(Long)
4
,
F-
,
i
(
f
)
1
Screws
for
94663,94664,94665
3
Collars
for
94663
.1
-
‘
2
Hemnz
ing
Guide
Fork
I
1
Hemming
Guide
Sleeve
Camp/el
e
Set
iiJ
I
.
-
(
)
1
Screws
for
94680
1
.p
()
-
2
Hi-mm
i
iu.
Cut
dv
S/ecve
.
.
I
1
Ru/Icr
for
9.1.667
9$
.
1
Pin
for
94668
..
I
1
lie
mm?
ag
Guide
Spring
‘9$
/
‘
I
Hemming
Guide
Shaft
(Short)
1
(
.
Hem
tot
ag
Gui
dv
Le
iv
r
Spring
‘F-
I.
/
/\
1
him-in
iag
Guide
Levi’
.
/
Servo’
Jar
9466$)
..
,\
1
Snap
Ring
t-
“It
2
Re!:
Parts
No. No.
Amt
Req.

r’)
(C
cJ
‘\
\
(C (C
(‘3
(31.
0
•
(‘3
/
(77
r’z
OD
“3
()
01
c.
NJ
(31
C)
“3
C

DW-1321
EXCLUSIVE
PARTS
ie
Ref
Parts
No.
No.
1
95000
2
95001
3
306
4
3654
5
94201
6
4358
7
94202
8
7609
9
95002
10
562
11
5553
12
95003
13
5345
14
95004
15
533
16
4353
17
95005
18
1732
19 340
20
95007
21
95006
22
95008
23 7616
24
430
25
95009
26
5550
27
95010
28
95011
29
6211
30
95015
31
95012
32
9621
33
95014
34
581
35
95027
36
95013
37
1457
38
95021
39
6910
40
95022
41
900
42
9900
43
95023
44
9852
45
95024
46
9901
4.7
95025
48
95017
49
7678
50
95019
51
95026
52
95018
53
95020
54
925
55
3435
56
95016
57
95032
Ami
Description
Ieq
Basc
.c—A
I
Front
Cover
i
1
Stopper
Screw
Nut
for
95001
A
S
U
.
.
1
Stopper
Screw
for
95001
A
.,
A
S
1
Front
Cover
Latch
Spring
1
Screw
for
94201
5
1
Front
Cover
Latch
iiitil4
:bJS—/flVr
1
Screws
for
94202
I
Ii.flLrjh
2
Cloth
Plate
Holder
5
.
1
Washers
for
95002
2
Screws
for
95002
2
Cloth
Plate
J5.y
i—L
1
Screws
for
95003
jc—i.jJz
k5
2
Cloth
Plate
Sealci
15
.y
—
L
S
—it,
1
Washers
for
95004,
95007
5
5
Screws
for
95004,
95007
ib
S
5
Cloth
Plate
End
5
,
_J.
1
Screws
for
95005
j5
—LI.’jj
2
Nuts
for
95005,95019
.
3
Edge Guide
(Front)
1
Edge
Guide
(Rear)
(0)
1
Gage
Guide
Poul
ijf
.
,J
1
Screw
for
95008
j’
-j-’t,
)
1
Nuts
for
95008
—s-r
1—)ti
2
Gage
Guide
Arm
S
—
1
Screws
for
95009,95010
.
2
Gage
Guide
Holder
‘—Si’
Fi1’—
1
Gage
Guide
Hook
—
5j-(
.,
1
P
in
for
95011
1,’
—
5
f
-
7
.,
5
V
1
Gage
Guide
Hook
Spring
‘—s.j-i
y
1
Gage
Guide
Hanger
.‘j’_>ç
i’’j
1
Screw
for
95012
5Yi’
J:/If--
[F
*5
1
Gage
Guide
Spring
.-
.,.
jj
-(
Jj
j
5
1
Cushion
for
Gage
Guide
Hanger
5
_5j’
.
5
1
Snap
Ring
“j
1
Gage
Guide
ii
.
1
Screws
for
95013
5’_5)J
2
Roller
Holder
(Rear)
u
.1
,.
t,
(i)
1
Wood
Screws
for
95021
,
.
3
Roller
Shaft
(Rear)
.
j
-
.>
1
Washer
for
95022
1+
1
Nut
for
95022
.ç]
-_j.)[.)”,
1
Roller
(Rcar)
.
,
.
...
1
Screw
for
95023
(
.;
i.
Roller
Ring
(Small)
,
‘1
()
1
Wood
Screws
[or
95021,
950Z5
.
‘j
‘/
,
-,
6
Roller
Ring
(Large)
.i.i
-
)
.j
5
(
,I)
1
Roller
Ilate
f.I
ii)
.
I
Screws
for
95017,95016
H
5
‘i-’
-.
1
tS
4
Roller
Shaft
(Froni)
S
—
-
5
7
1
Boll
Bearing
it
i’
U
‘1
2
Rot
le
r
(Front)
-j
1
Roller
Ring
(Ft-oil)
Si[1
1
S
cal
for
95020
F
—
,
‘i
/
ç
,
1
Scr’w
for
95020
.
)
.‘.5
I
Roller
Bracket
.
)
.
p
.‘
..
)j
I
D
ifft’rcnl
jot
Feed
Dog
Si
‘I
Q

99
99
99
i6O1-AU
EL
o2
61’
6
8L
91
9
61
£1’
o
6
I
L
0
8
L
9
It,
S
91’
1’t’
I’S
OS
1’
19
6L

Ref
Parts
No. No.
1
92200
2
91839
3
5550
4
6245
5
92201
6
550
7
620
8538
9
4440
10
92219
11
5036
12
11610
13
92224
14
92225
15
92204
16
92203
17
3635
18
91833
19
9150
•
20
92205
21
92206
22
644
23
92207
24
92208
25
1227
26
18
27
92214
28
5083
29
92213
30
92211
.
31
92237
32
3632
33
92238
34
92239
35
92220
36
92212
37
92209
38
644
39
5038
40
92235
41
92216
42
92215
43
92226
44
94251
45 92236
46
11663
47
4351
48
7405
.
49
11685
50
92202
51
11682
52
94250
53
37677
54
535
55
4358
56
94583
57
PEC
(Photo
Electoric
Cutting
Device)
Holder
s
1
Cutting
Knife
()
1
Screws
for
91839,
92206
3
Screws
for
91839
(Ti
±
1
Cover
for
91839
1
Space
Rings
for
92201
4
Space
Rings
for
92201
2
Washers
for
92201
2
Screws
for
92201,91883
i.E
4
Photo-transistor
Case
“P
1
Screws
for
92219
PT5-—.±
2
Photo-transistor
y-
.
1
Photo-transistor
Holder
P
Tf
2
Bushing
for
Cord
1
Shaft
for
92203
j
_.
1
Cutting
Knife
Holder
—
(Ti
1)L’—
1
Screws
for
92203
)i--
(Ti
4)t—LF
2
Cutting
Knife
(Upper)
.
—
(J-)
1
Screws
for
91883
(Ti
11-
.
1
Spring
for
92203
h
1
Lever
for
92204
h
‘
1
Spring
Washer
for
92206
1
Joint
.
1
Pin
for
92206
ii
.
-
-
‘I
1
Screws
for
92208
I
V
.itl
2
Nut
I
Frange
(Front)
J
-‘
1
(ili)
1
Screws
for
92214
1
•‘‘
)
(f)
fi.
4
Seals for
92214
1
i
;
2
Shock
Absorbed
Seals
,
2
Plnger
2
Screws
for
92237
4
Plunger
Rod
[or
92237
(j
..,
1
Space
Ring
for
92238
.
.
1
Solenoid Coil
I
J
.‘
)
1
Space
Ring
for
92220
1
Solenoid
Case
(.lIj
1
Spring
Washers
.
8
Screw
for
92209
I
I
r
iF
8
Shock
Absorbed
Seal
i4’r
i/>
-
1
Frange
(Rear)
.
(.)
1
Metal
Consent
Holder
M(:
J)
(-“
I
Cord
Supporter
(
Lurge)
I.
i
(A)
1
Thoat
Plate
Supporter
jjf,)/q
I
I.
ighi
Comply?
e
S
(
11)
1
Light
fur
PZ?.Pi
1)
1
S
srew
fur
92236
I
(
•)
ii
1
:creu
fur
92236
()
1
(:m,ni
rol
hue
(Soup/elm
Sri
.
(.3
1
Jomm
C
tim
(I
,.
.
I
l’t’tlmi/
,iiiltlt
(S,inp/elr
Smi
Il
I
.
)
(.)
1
(:luih
I
‘lute
for
III’.
129$1’S(
.
l’W
.
13/Hi
‘SC
k
.
I
Sm
rd
S
ummmm
i/er
(
S
,,mu//
I
-
!
I.
(
)
7
V
/
,
/7677
.
I
.‘,cimit’/viIiI’i7
jj(
7
(/oih
I’ltjlm
Jr
1)1’—
/;)9I’5(
/)11
.
/3p)/’/l(
1
Sereirs
fur
92201)
tu
)4/mI
2
PEG
“DEVICE”
Description
P
EC
19
Amt.
Retj.

tiL
.
0
.
8
W))J
I
J]
6
E
cJ
zi
.

ACCESSOR
Y(1)
777
lz
tt’)
—
Ref.
Parts
No.
No.
1
37937
3
4
5
37901
6
37902
7
37903
8
37946
9
37947
10
37909
11
37913
12
13
37945
14
85964
15
37916
16
37919
17
37943
18
93550
Amt.
R
‘q.
Exp’i.
E
M
(ichHle
(oiw
r
Z
)1.
.5
—
1
1
Needles
(Schmetz
UY128
GAS)
J49
.i
,
7U
Y
1286A
S)
5
5
(j/
(11)
-(
E
(
)
1
1
01
(0.351)
‘1
)L
(0
359)
11
Screw
Driver
(Large)
S
5’Ii\—
(-,5)
1
1
Screw
Driver
(Medium)
i5
-I’
1
(5)
1
1
Screw
Driver
(Smell)
b
-
1’
i—
(,J)
1
1
Socket
Wrench
(9.52
‘_1
,
S
L—’--’
(952)
I
Feed
Driving
Eccent
nc
Lxi
rector
3
I
5
5
).5
1
1
Thread
Tweezer:,
,,
5
1
1
Alt
achment
Box
5)
1
1
Feed
Driving
Eccentric
.
j
4i.
.
t
2
2
W
reich
(7.14><
7.94)
dj
LI
7’
1
.5
(1
4
X
7
94)
1
1
Hexagon
Wrench
Key
(Large)
(3.97)
(3
9/)
1
1
Hexagon
Wrench
Key
(Medium)(3.18)
.5
i.
(3
8)
1
1
Hc
ta,on
W,enc/z
key
(Srnu/1)(1
56)
(J
‘iji,
/
)
1—
.J
(I
)6)(
,
)1
1
funnel
.
.
1
1
Thread
1-look
1
1
i)cs
crli)i
(On
1:1
9

I
I
0
0
0
0
8
01
6
L
9
6L
91
-8t
L-8L
El
I
EL
Z
VI
I
‘1

21
ACCESSORY
(2)
77
7
-tz
i-
‘)
—
Ref
Paris
N
0
.
No.
1
99003
99004
2
37907
3
37911
4
5
6
7
8
30064
9
94304
•
25
99018
26
99019
27
99010
28
99016
Thread
Guide
Holder
Complete
Set
‘7i1.iL
7
(71)
1
1
Thread
Guith’
Holder
If’’[Ai
j
1
1
Thread
Guide
Bar
Bracket
I4N’7
1
1
Thread
Guide
2’j]
1
Spool
Holder
(2
Spool
Type)
Complete
Set
2
}
1-
I’lL
—(2
4.,)
(ifl)1
1
Spool
Holder
(2
Spool
Type)
i
)[,,j,),
(7
Jo)
11
Spool
Holder
(3
Spool
Type)
Complete
Set
7
H
7
‘‘,J)
(j)
1
•
1
Spool
Holder
(3
Spool
Type)
J
)(,7fl
(‘
4
)
1
•
1
Spool
Pu
.
I
5
•
5
Spool Cushion
).)
./
5.5
Spool
Mat
.
)
n
‘.,
5
.
5
Spool
Seat
Disc
.
1
j
5
.
5
Thread
Stand
Base
‘
1
1
Name
Plate
j
11
jim
t.
Description
______________
Exp’t
l1
Thread
Stand
5
Spool
Type
Complete
Set
5
,,f,
().fl)
I
1
Thread
Stand
6
Spool
Type
Co:mp/etc
Set
6
()
I
1
Pedal
Complete
Set
‘‘:7
J
([J)
Pedal
Complete
Set
7
it,
(71)
1
Suj,poiting
Board
.
11
1
Bolts
for
Supporting
]3oord
..
u’)
1
‘.1
7JL’
1
4
W
ashcr,
C
.
4
Nuts 4
Knitted
Tape
Stand
for
DV-1203,
-1204,
-DW-130,
-1301
‘1
-I’.r
-—
7
‘
V
1
1
Elastic
7
ape
Stand
for
DV-1205,
-1209
iLs27
j
1
1
-1213,
-1214,
-DW-1305,
-1.309)
Knee
Lever
Complete
Set
for
DV-1212
Only)
±7
(D
V—12!20).hi
I
1
Culimi
Cap
.
.
7
I
1
Cu/rn
Pipe
.1
5l/-
i
22
Thread
Hanger
(2
Spool
Type)
Complete
Set
.,
ri’
h
-(2..,T1)(71)-1
.
I
Thread
Hanger
(2
Spool
Type)
1-
h
—(2:;’.7O)
1
•
1
Thread
Hanger
(3
Spool
Type)
Complete
Set
.
i
,j
(3)
(71)
1
•
1
Thread
Hanger
(3
Spool
Type)
J\’.7
.
(37.j(()
I
1
Thread
Bushing
7.
t,..
,,
)
,.,
.,,
_
5
.
5
Cu/in
Socket
D
5]
.)
7
,
I-
1
1
Thread
Guide
Ba
.
1
•
1
10
11
12
13-1
13-2
14-1
14-2
15
16
17
18-1
18-2
19
20
21-1
21-2
22—i
22-2
23
24
94681
99013
99011
99021
99022
99026
99027
99023
99012
99030
99028
99029
99031
99032
99014
99015
99024
99025
99017
99020
•

22
INDEX
I
.
I
‘agi
f.
I
Si
i.
I
II
‘I.
15i
S.
I
k)(
I1f.
I
‘nit
s.
Pago
II
ol.
No.
No. No.
No.
No.
No.
N
0
.
N
0
.
No.
No
No.
No.
18
II
12)
5)8
4
ii
1228
4
55
3646
7
1)
8
1)
550
I
0
(5
1228
5
38
36)6
15
)
20
6
III
562
I
I
1220
17
9
3647
3
(5
62
1(3
13
562
18
1))
1330
14
21
3647
4
8
100
IS
37
567
9
40
1333
1
6
3647
73
12
Ii
570
I
43
1448
7
23
3647
7
11
II)
14
67
581
18
34
1457
10
5
3649
3
2
217
II
16
586
I
4
[9
17)57
11
24
3654
11
3
286
27
(505
14
31
.1.457
11
24
3654
18
4
386
3
:11
(305
6
23
1457
13
52
3792
4
31
286
55
613
ii
15
[457
15
27
3793
4
286
10
18
613
12
20
1457
17
37
4237
11
47
306
11 2
613
il
28 1457
18
37
4330
10
6
306
18
3
6)3
17
5
1459
14
48
4351
13
16
33’I
1
12
620
19
7
1732
13
7
4351
19
17
340
1
29
(544
19
22
1732
17
28
4353
2
22
340
2
40
(544
19
38
1732
18
18
4353
18
16
:140 5
21
(390
7
35
[$92
4
47
4357
14
23
340
11
25
(592
14
35
1892
5
36
4357
15 21
34))
18
19
(595
17
40 2022
4
28
4358
1
35
340
14
8
(598
1
31
2237
14
56
4358
3
32
:140
15
23
703
3
28
2237
17
33
4358
3
36
343
14
25
703
5
35
2308
11
38
4358
4
43
343
15
24
702
15
39
3301
12
9
4358
7
21
380
9
48
712
5
34
3311
3
17
4358
8
7
:184
9
46 725
69
3311
5
6
4358
9
44
385
9
(5
745
6
39
3311
15
14
4358
11 5
4.19
7
15
813
2
32
3393
11
41
4358
18
6
419
9
45
810
10
10
3404
4
52
4358
19
55
430
9
30
905
18
41
3404
5
25
4431
5
23
430
18
24
926
18
54
3404
10
4
4437
1
38
451
6
20
926
4
27
3410
1
14
4437
3
29
451
12
26
989
1
61
3410
4
23
4437
4
37
451
13
4
1092
4
50
3433
3
10
4437
13
18
500
14
45
1156
1
20
3433
3
14
4438
1
28
511
14
28
1156
7
18
3433
4
53
4440
2
13
520
7
5
1156
ii
29
3433
7
32
4440
6
30
525
89
1174
4
12
:1433
8
29
4440
7
4(5
5:10 7
24
1174
7
13
34.33
15
8
4440
9
28
5:-:o
12
6
1175
3
34
3435
18
55
4440
11
31
531
3
38
1175
5
18 :1436
15
3
4440
13
12
531
3
41
1175
6
33
3473
14
39
4440
14
2
532
4
24
1175
8
20
:1560
14
68
4440
15
42
533
8
2.1
1175
9
12
:1563
4
45
4.440
17
18
533
17
24
1175
14
11
:16:12
19
32
4440
19 19
533
18
15
1175
15
30
3635
4
4
4441
7
50
535
19
54
1186
7
61
11635 65
5036
2
20
)
538
2
12
1186
12
2
3635
15
34
5036
19
12
538
7
52
1196
14
60
:16:35
19
17
5038
(5
2
538
8
3
1202
2
15
3637
15
12
5038
19
19
538
9
27 1202
4
25
3646
1
60
504:1
1
5f5
538
11
18
1202
17
26
3646
3
3
5043
6
36
538
19 8
1208
12
17
3646
4
7
5070
1
3
544
12
25 1227
7
58
3646
5
31
5070
4
11
544
13
3
1227
19
25
3646
6
4
5070
5
3

INDEX
22
(‘arts.
Pa6
hcf.
IaiIs.
Page
Ref.
1-arts.
1—age
Ref.
Paris.
Page
13r1.
No.
No.
No.
No.
No. No. No.
No. No. No.
No.
5075
88
76’lS
4
29
3006I
21
8
:38221
1
:9)
‘
507(5
17
765))
1
1
31
30291
8
15
859(54
20
14
508:3
14
(6
7668
i)
:o
:32421
1
46
90:3:30
4
54
506:3
19
28
7678
18
40
32684
8
12
90418
7
14
51:31
3
14
776:3
1.5
‘10
52715
7
25
90’121
7
:37
si.:;:3
3
42 9121
1
9
:32786
5
24
90425
7
57
5(6:3
1
52
9121
1
54
:32795
14
12
90620
7
55
5163
ii
19
9121
13
11
52799
3
23
90722
10
22
5:1/Is
1
23
9121
14
4
:12799
5
4
90723
7
(32
5:34:3
11
(9
9121
15
:32
:32819
4
14
007:31
10
22
s::
1:3
25
9142
2
2%
:32819
5
11
907:32
10
22
5:34:3
17
16
9142
(5
41
:3285%
6
19
90801
7
17
53’I5
18
1%
9142
17
:30
:32864
6
$
90804
10
15
5190
1
21
9150
1
11
:32866
6
7
90805
10
12
5500
76
9150
6
26
:32867
(3
6
90807
2
25
5550
3
26
9150
11
:32
:32921.
4
15
90801
10
11
5550
421
9150
19 19
:32821
1
.1
90812
2
4
(
555))
5
6
9209
97
3293))
1
5
90812
10
14
5550
7
28
0209
1.1
50
:329:32
1)
0
9061
2
:38
5550
14
IS
9508
1
16
529’)2
1)
24
90811
4
20
5550
15
10
9508
1:3
5507)
5
13
00828
2
46
555))
18
26
9526
1
25
:3:3101
5
1
90851
3
14
55.5i)
[9
3
9526
1
Ii)
:35180
21
1
90851
1
45
5553
11
10
052(5
5
:;s
:53206
2
1
903;
2
48
5553
1%
11
9526
¶1
(9
5)1)96
.3
21
908)6
1
25
555%
11
12
952(5 13
21
3(100
5
22
9061(5
1
5581)
1
3
0601
5
1)
1)102
5
19
908)7
2
0
50.18 7
1$
0601
7
:•;i
silo:;
20
006(8
:s
0
6211
16
28 0621
18
32
5
1:32
(5
20
90856
2
:3
62)5
11
IS
0720
7
56
31153
6
1%
¶10856
10
15
j),)5
11)
.1
¶175))
7
o:;
:3.11::.)
:s
00657
2
:35
6260
1
II
0627
2
26
%l
157
(3
21
900)11
0
20
61%)S 11
51
¶)%(
I
2
:7
156
(3
10
0001%
¶1
21
6511)
17
15
061)
it)
16
5.
I
Il
1
(3
16
00050
0
56
(6:6
1
1
(0
0615
25
:7106
2
24
9()’)(]
56
);700
12
2.1
¶1852
$
1
(7611
II
7
00052
0
IS
I
100
13
2
¶1852
11
SI(S)
¶1
.18
¶11151
7
59
t;%oo
13
5
¶1852
12
21
¶1
II
SI.
152
7
5)
iS))))
1
10
¶1652
is
so
(7677
10
s:-;
011:;::
5’)
((0(1)
1%
:;o
o%:,2
il
so
:700)
20
5
01
IS)
7
5)
500(3
(5
2%
¶1852
17
(3
57002
si
6
oi
155
7
50
,t)t)(,
12
7
¶)%,2
I
6
.1.1
.700:;
5)
7
0
I
15)5
(30
loot;
15
I
%
¶165::
1%
2
:17007
:1
2
01
1%7
7
to
..
I
::
1
5%
¶05(t)
IK
IS
:5000
so
10 01
(56
t;o
7stt:’
¶1
;
ooi
1%
it;
570
I
II
3
c)(
(:1
.
(()
rn:
17
:s:
0000
¶1
I.;
55%
‘1)
I
I
¶11
I
IS
‘1
(0
rn
1%
os
55)
It
0)
(.
¶1
I
I
II
2
itos
:
st
oo:s
1
1:;
S1’)I
S
.1
I
(
0
I
((2
::
.
:1
,too
1
it;
ot:
¶1
8
(7055,
:5)
1
¶1
I
Is
I
10
5500
7
1
1
01
I
I
2
(3
570
IS
si
17
¶11
is::
Ii)
2$
5
t,t5i
1
1
7
Ol
1
1
I
It)
:5i
I!
:0
:;
01
(01
0
:5)
(0)
1.1
(35
I
110
IS
12
50
t
:1
5
i
0%
10
V)))
J
%
6
1
I
tfl:.
It
it
::‘io
‘7
si
‘‘t;It;
1%
:3:’
lIt3::
)
.1
‘7t3)t
l
I
/t(s)
II
.;:;
1h5
0
Is
:s;ii.;I II
2

22
INDEX
I
tt
s.
‘a’
Ii
I
‘arts.
I
Si
I
r
F.
I
‘ails.
I
‘a
IS
(1.
1
Sins.
I
‘ai
IS
.
Na.
N.
N
Na.
Na.
N,s
No.
No
N
No.
N(L
917(17
s:s
92214
19
27
93039
1
17
93192
4
20
1(1700
II
21
92215
19
LI
9:sois
I
50
1)3193
:s
1)1700
11
22
9221(5
11) .11
9300
1
53
93194
3
27
91731
II
55
92219
19
11)
93050
(5
36
93194
3
15
91735
I
I
0
92221)
19
35
9.;oSi
2
30
9319(5
:s
16
91730
1
Ii
9222,1
19 LI
93052
1
57
93190
3
25
91701
11
lI
92225
19
14
93070
:s
1
93198
:s
31
910:12
II
20
92226
19
43
93079
3
20
93201
814
91033
11
so
92227
19
I5
93001
3
413
93299
5
10
(9
113
92235
19
II>
93002
3
11
9330C
5
29
910:54
Il
33
9223(;
19
45
93002
3
12
93301
8
25
911335
11
II
922:57
19
.11
9308’)
:s
5
93.502
8
24
9)836
11
.16
922:57
19
33
93005
4
2
93303
8
26
910:17
11
45
92239
19
34
93088
3
4
93304
5
30
91030
11
:s5
92995
4
57
93099
3
7
93305
5
20
01839
11
42
92996
‘1
57
93090
4
1
93307
5
26
910:59
Ii
2
92997
4
57
93090
3
18
93:508
5
27
91840
11
:37
92990
4
57
93091
3
2.2
93:509
5
32
918’)
1
Ii
36
92999
4
57
93092
8
31
93310
5
so
91042
11
:19
93000
1
62
93094
8
32
93311
5
38
918’I4
11
54
93003
1
42
93095
8
30
93312
8
28
91845
11
48
03004
1
41
93146
1
59
9331:3
8
27
91846
11
50
93005
1
10
93141)
43
93314
59
01909
14
18
9:500(5
1
:12
93141
4
9
93315
3
19
91932
14
54
93007
1
37
93142
45
93316
52
91934
14
6
93008
1
39
93143
4
6
93317
5
7
91936
14
:s
93009
17
42
93151
3
8
93318
5
12
919:17
14
10
93009
1
:16
93151
4
26
93319
5
15
91938
14
5
93010
1
15
93154
4
30
93320
5
17
91941
10
34
93011
1
22
93155
4
33
93321
5
16
91942
10
31
9:5012
1
26
93156
4
35
93:380
6
12
91951
14 9
9301:3
1
21
93157
4
34
93381
6
12
91963
14
20 93014
1
27
93168
4
40
93382
6
91964
14
17
93015
1
2
93160
4
40
93383
614
91965
10
:53
93(116
1
1
03161
4
40
93384
6
1
91966
10
33
93017
1
19
93162
4
40
93385
6
25
92133
14
63
93018
1
18
93163
4
40
93387
6
15
92134
14
66
93021
3
46
93174
6
40
93391
12
23
92138
10
24
93022
3
17
93170
10
29
93394
6
43
92152
10
36
9:so2:s
:;2
93171
6
40
93395
15
42
9215:1 10
36
93Q25
6
31
93171
10
29
9:539(5
6
43
92158
10
35
93025
(3
34
93172
6
40
01197
6
42
92159
19
35
9302(5
6
35
93171
6
40
93450
4
13
9220))
19
1
93027
6
93174
6
40
03451
7
4
92201
11)
5
‘(108
(5
97
93101
816
934.52
7
1
92202
19
50
1
51
93182
1-1
18
03453
13
11
(
)
9220:5
19 16
93103
8
17
93454
8
10
02204
19
15
93030
1
93184
4
:39
93455
78
92205
1.9
20
93031
6
9:1185
4
36
9:3456
7
12
92206
19 21
J30,.
1
.‘
93186
4
38
93457
17
9’207
19
93
9:303:5
1
8
93187
4
51
93457
7
10
92200
19
24
93(134
1
7
93187
10
3
93456
7
so
92200
19
37
930:3s
1
‘
9:3188
4
32
93459
7
so
92211
19
30
93036
1
48
93189
4
10
934(50
7
38
92212
19
36
93037
1
33
93100
4
1’
9:5461
7
40
92213
19
29
93038
1
34
9
91
4
19
c(34
1
-2
7
.7

INDEX
22
Parts.
ltgt
1?ef.
I-arts.
Pago
Ref.
[‘arts.
Pane
Ref.
Parts.
Page
Ref.
No.
No.
No.
No.
No. No.
No.
No. No.
No.
No.
No.
93463
7
2
93567
1)
5
94510
16 10
94587
15
22
‘9:3180
7
43
93587
9
19
91511
16
8
94588
14
22
93481
8
23
93588
9
31
94512
16
9
94588
15
20
93482
7
45
93589
9
26
)4513
16
7
94589
15
25
9348:3
7
49
93590
86
)45I4
16
4
94589
14
26
93-184
7
53
93594
8
3
5
16
14
94595
15
1
93485
7
44
93596
8
1
94520
33
22
94600
17
2
93486
7
54
93597
8
2
9452:3
13
6
94601
17
1
93487
7
47
93598
8
5
94525
13 17
94602
17
3
93488
7
:34
93599
9
25
94526
13
20
94603
12
27
93489
7
29
93600
9
16
94527
13
11
94603
16
3
93490
7
33
93602
9
34
94528
13
8
94603
17
7
93491
7
:30
93603
8
22
94528
13
26
94604
12
29
93492
7
26
93607
8
[9
94530
13
15
94604
16
1
93493
7
24
93609
9
4
94533
15
31
94604
17
11
93494
7
22 9361
1
7
42
94532
14
1
94605
12
30
9:3495
7
51
93615
9
1
94533
13
1
94605
16
2
,93496
7
19
93616
9
3
94535
13 27
94605
17 12
93196
8
13
93617
9
51
94537
13 13
94606
12
28
9:34199
7
20
93618
9
35
94540
l’l 13
94606
16
6
93529
2
39
93619
9
37
94541
11
14
94606
17 10
9:35:30
4
42
93620
2
29
94521
13
10
94610
10
38
93531
2
31
93621
9
22
94546
14
57
94611
10
38
93532
4
22
93622
9
15
94547
14 51
9.’1612
10
:313
935:33
2
11
94200
11
1
01546
14
53
9461:3
10
:38
93534
2
21
94201
11
-
94549
14
55
94614
10
:38
93535
2
23
94201
18
5
94550
14
44
94615
17
8
93536
4
44
94202
11
6
94551
14
41)
9’lGlG
17
935:37
2
19
94202
18
6
94552
14
04
94626
12
22
‘93537
2
27
94210
10
25
94553
14
61
94628
17
13
93539
3
33
94211
10
25
94554
14
58
94629
17
13
9:3540
3
:35
94212
10
25
94556
14
59
94630
10
:37
93541
3
:37
9421:3
10
25
94557
14
(52
9’I63]
10
:37
93542
3
43
94214
10
25
94558
15
7
94632
10
37
9:354:1 3
13
94215
10
24
94559
15 13
94033
10
:37
93544
2
16
94216
10 24
94560
15
9
04634
10
37
9:35-15
7
16
94217
10 24
94561
15
1(3
94050
17
14
9:35)7
2
10
94216
10 24
94562
15
11
94652
13
24
93547
10
21
94219
10
24 O150:1
15
2
9)(352
17 15
93549
2
6
9’1230
11
26
9-1
564
15
.1
9’0)53
1:3
23
935-lI)
10 19
94231
11
27
94565
15
5
94953
17 17
9:3550
20
113
94232
11
26
945(3(3
15
6
94(354
17
11)
9:3565
9
17
942:3:1
11
27
045(37
15
15
o-)os(s
17
20
93570
1)
11
94235
11
17
94568
15 17
94657
17
21
93571
2
17
91235
11
20
945(39
15
19
0-1(15%
17
23
93572
2
16
04250
19
52
9)57:1
15
39
91659
I?
25
9:3573
3
1)
91251
19
-14
0157-)
15
43
946(4)
17
29
9357)
1)
‘13
0/127(1
11
52
‘4)575
15
2%
9-16(1
17
27
93575
9
41
94272
11
53
1)4570
15
21)
9)602
17
:31
93570
1)
33 94304
21
1)
‘4457);
15
45
9l63
17
:32
9:3577
1)
130
01500
10
(1
1)1576
15
36
9-1661
7
:3)
9:1976
1)
42
1)450(3
16
11
941379
15
.61
9-1009
Il
9356!
9
47
1(4507
10
32
9-1380
15
35
9-1666
1:3
II)
9:3136:4
1)
32
04508
16
II
945%!
15
so
¶(.I(96
7
i
935%);
1)
29
04501)
19
12
941162
15
-I
1
9)097
17
18
9456:1
19
C9
946(1%
I
V

22
INDEX
l’iii..
I’t)
N.
N.
¶)I););1)
I
‘1
II
¶1501(1
¶(•l01!
17
1)5(111
¶)02)
1
‘
3;
01)11
2
¶(1;
I
1
II)
¶)!0
Ill
()).
12
1(50
Ill
()1;
I
:1
1)!,))
i
9I0K7
I
—
1
(5010
¶).H;$1)
12 I))
osol
1)1(1(0
12
II
1)5016
l;1
25
¶)50
II)
1)1(1)5
12
—
95020
1(.(l;H;
12 12
1)5021
91(1)7
I
2
I
2
1)5022
¶1.1(1(2
12
1
91
010)
12
i
9170))
12
I
9
950211
9(701
10
39
1)5020
9170)1
10
10
1)5027
91712
12
12
95027
9(
7)5
I
95
9’l
720
14
0)
95012
1)l727
14
:; 950
9472)1
11
12
900%
94
729
14
4
99004
94
730
14
4)
99010
94731
14
47
99(111
1H732
14
43
99012
91733
il
;
99013
91735
14
7
99014
94800
10
23
991)15
94201
10
23
99010
94802
1))
23
99017
9481(1
10
2
99018
94611
10
2
99019
91212
10
2
99020
94820
10
7
99021
94821
10
9
99022
94822
10
8
99023
94901
10
27
99024
94902
10
27
99025
94908
10
26
99026
1)4909
10
26
99027
94997
10
99028
9491)8 10
99029
941)1)9
10
1
99030
95000
18
1
99031
95001
18
2
99032
1)5002
18
9
1)5003 18 12
95004
18
14
95005
18 17
95006
18 21
95007
18
20
95008
18
22
95000
18
25
Ii
I.
I5)s.
IS)))
0)).
ISil>.
I’)
I)).
N.
N
N
.
N
.
NiL Ni’.
N.
N.
16
cI
12
56
12
(6
16
52
19
50
16
55
16
38
16
40
16
12
16
‘15
18
17
19
11
17
16
I
0
16
35
10
42
18
57
10 41
21
1
21
1
21
27
21
12
21
16
21
11
21
21-i
21
21-2
21
28
21
23
21
26
21
25
21 24
21
13—i
21
13—2
21
iS
21
22-1
21
22-2
21
14—i
21
14-2
21
18-1
21
18-2
21
17
21 19
21
20