ACS 434TR1 Transceiver Module User Manual Technische Dokumentation

ABITRON Control Systems GmbH Transceiver Module Technische Dokumentation

integration manual

© by ABITRON Control Systems GmbH IntegrationManualSynthesizer Transceiver Transmitter CSxxxTRT-1with Feedback function KH66983xxx61 Version Date Name Comment 1.00 21.11.2014 ORDInitial release documentation 1.00 02.02.2015 FRM Frequency Allocation CS458TRT-1 changed (CH24&25) ABITRON Control Systems GmbH Wiesnerstraße 20 A-4950 Altheim End users may not be provided with this module installation instructions
created:modified:„Synthesizer Transceiver Transmitter CSxxxTRT-1“Name:ORDFRM „with Feedback function“Date:21.11.2014 02.02.2015 Item.-No KH66983xxx61 page 1 of 1401 Description The CSxxxTRT-1 is a transceiver RF-Module, wich has multiple functions. The RF-Module can be used as following: 1.  Transmitter or Receiver half duplex (Use the TX/RX Inpt to change the Mode Transmitter/Receiver) 2.  Feedback Master (Decoder) or Feedback Slave (Encoder) for 3 LED-FB configuration. The functions can be selected with the SIP.Switches for the frequency allocation and with the solder jumpers for the Transmitter/Receiver or feedback slave selection. The counterpart of this module is the TRR (CSxxxTRR-1) with a receiver mounting and is more suitable to be used in a receiver-system. This module has a ISP(In System Programming) Port, wich makes it flexible for later firmware changes. The CSxxxTRT can work with serial data of 2400 to 9600 baud. The CSxxxTRT can work with serial data of 2400 to 19200 baud.The CSxxxTRT can work with serial data of 2400 to 9600 baud.Integration instructions: - This module may only used with the antenna listed in this document - This module can only be used for devices not "body worn" and the   separation distance between the user and the device must be greater   than 20 cm.FCC § 15.105  Note: This equipment has been tested and found to comply with the limits for a Class A digital device,  pursuant to part 15 of the FCC Rules. These limits are designed to provide reasonable protection against harmful interference when the equipment is  operated in a commercial environment. This equipment generates, uses, and can radiate radio frequency energy and,  if not installed and used in accordance with the instruction manual, may cause harmful interference to radio  communications. Operation of this equipment in a residential area is likely to cause harmful interference in which  case the user will be required to correct the interference at his own expense. . ICES-003 This Class A digital apparatus complies with Canadian ICES-003. Cet appareil numérique de la classe A est conforme à la norme NMB-003 du Canada.
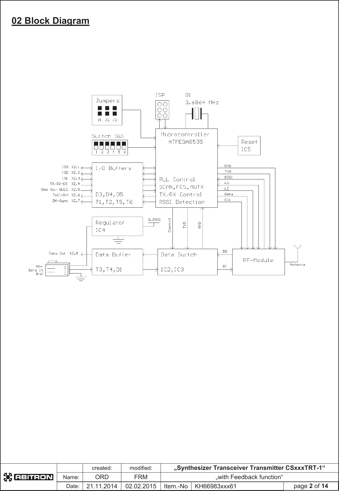
created:modified:„Synthesizer Transceiver Transmitter CSxxxTRT-1“Name:ORDFRM „with Feedback function“Date:21.11.2014 02.02.2015 Item.-No KH66983xxx61 page 2 of 1402 Block Diagram
created:modified:„Synthesizer Transceiver Transmitter CSxxxTRT-1“Name:ORDFRM „with Feedback function“Date:21.11.2014 02.02.2015 Item.-No KH66983xxx61 page 3 of 1403 Technical Data Supply Voltage: 3,4-12 VDC  (empfohlen 3.4-5VDC) Current drain: <50 mA Outputs: TTL Data Output (Open drain with 4.7K pull up) DK-Sync Output (Open drain with 4.7K pull up) Telegram Out (Open drain with 10K pull up) 3xIO can be connected directly with LED‘sAntenna (connect with 50 Ohm antenna) Inputs:3xIO can be used as FB-Input 0-5V, for higher voltage use a seriel resistor Dekrement/Green LED Input (0-12V) TX/RX Input (0-12V) antenna (connect with 50 Ohm antenna) TTL Data Input (0-5V) 2400-19200 Temperature range: -20oC  to  70oCChange TimeTX to RX or RX to TX 10mS for temperature –10 to 50 C 20mS for temperature –20 to 70 C Modulation FSK Narrow
created:modified:„Synthesizer Transceiver Transmitter CSxxxTRT-1“Name:ORDFRM „with Feedback function“Date:21.11.2014 02.02.2015 Item.-No KH66983xxx61 page 4 of 1404 Connection Diagram 04.1 Standard Connection 04.2 Modi 04.2.1 Connecting as Transmitter or Receiver CSxxxTRT-1 as Transmitter CSxxxTRT-1 as Reciever There is a delay of 2s fo the decremental-switch to prevent an accidental channel change and to make sure that the coder has enough time to transmitt the ESTOP command.
created:modified:„Synthesizer Transceiver Transmitter CSxxxTRT-1“Name:ORDFRM „with Feedback function“Date:21.11.2014 02.02.2015 Item.-No KH66983xxx61 page 5 of 1404.2.2 Connecting as Feedback Master (Control side) 04.2.3 Connecting as Feedback Slave (Machine side) Set the decoder baud rate on 4800, if the intern Feedback Feature is used. There is a delay of 2s fo the decremental-switch to prevent an accidental channel change and to make sure that the coder has enough time to transmitt the ESTOP command.
created:modified:„Synthesizer Transceiver Transmitter CSxxxTRT-1“Name:ORDFRM „with Feedback function“Date:21.11.2014 02.02.2015 Item.-No KH66983xxx61 page 6 of 1404.3 Jumper Configuration Standard Einstellung J3 = reserved  SW1 is the channel changing input (Manueller Kanal, AUTX/ FCS/ SCAN) 04.4 Installation-/Application Note If the used RF-Module  has a FCC/IC approval number, the number must be visible outside on the housing. Warning: [Any] changes or modifications not expressly approved by the party responsible for compliance could void the user’s authority to operate the equipment.J1 J2 J3 Function Offen OffenOffenNormal Closed Open Open FB-Master Closed Closed Open FB-Slave
created:modified:„Synthesizer Transceiver Transmitter CSxxxTRT-1“Name:ORDFRM „with Feedback function“Date:21.11.2014 02.02.2015 Item.-No KH66983xxx61 page 7 of 1404.5 Frequency Allocation 04.5.1 CS220TRT-1 Manuel Settings Automatic Settings D1 = 0 D1 = 1 D2 D3 D4 D5 D6 FreqCHGr.Nr. D4 D5 D6 Channels00000223.1000 010005, 4, 3, 2, 1, 0 00001223.7000 1200100010233.9750 2301000011224.6000 300100225.0250 4D2= 1 = FCS (Free Channel Search TX) und SCAN RX 00101225.3250 5D3= 1 = AUTX ( Auto Channel Change TX) und SCAN-RX
created:modified:„Synthesizer Transceiver Transmitter CSxxxTRT-1“Name:ORDFRM „with Feedback function“Date:21.11.2014 02.02.2015 Item.-No KH66983xxx61 page 8 of 1404.5.2 CS419TRT-1 Manuel Settings Automatic Settings D1 = 0 D1 = 1 D2 D3 D4 D5 D6 FreqCHGr.Nr. D4 D5 D6 Channels00000418.9500 9000021, 19, 15, 10 00001418.9750 10100118, 14, 11, 9 00010419.0000 11201021, 19, 18, 17, 16, 15,14, 13, 12, 11, 10, 9 00011419.0250 12301128, 26, 23, 19, 13, 5 00100419.0500 13410025, 23, 20 16, 10, 2 00101419.0750 14510124, 22, 19, 15, 9, 1 00110419.1000 15611027, 21, 13, 11, 8, 4 00111419.1250 16711126, 18, 14, 12, 6, 3 01000419.1500 1701001419.1750 18D2= 1 = FCS (Free Channel Search TX) und SCAN RX 01010419.2000 19D3= 1 = AUTX ( Auto Channel Change TX) und SCAN-RX 01011419.2500 2101100419.2250 2001101418.7250 001110418.7500 101111418.7750 210000418.8000 310001418.8250 410010418.8500 510011418.8750 610100418.9000 710101418.9250 810110419.2750 2210111419.3000 2311000419.3250 2411001419.3500 2511010419.3750 2611011419.4000 2711100419.4250 2811101418.7250 011110418.7500 111111418.7750 2Frequency for China
created:modified:„Synthesizer Transceiver Transmitter CSxxxTRT-1“Name:ORDFRM „with Feedback function“Date:21.11.2014 02.02.2015 Item.-No KH66983xxx61 page 9 of 1404.5.3 CS429TRT-1 Manuel Settings Automatic SettingsD4, D5, D6 = 0D1 D2 D3 D4 D5 D6 FreqCHGr.Nr. D1 D2 D3 Channels111000429.2500 700007,15,27,43,11,19,31,23,35,39 000100429.2625 811008,16,28,44,12,20,32,24,36,40 100100429.2750 920109,17,29,45,13,21,33,25,37,41 010100429.2875 10311010,18,30,46,14,22,34,26,38,42 110100429.3000 114001no Function 001100429.3125 125101no Function 101100429.3250 136011Scan all channels 011100429.3375 14111100429.3500 15000010429.3625 16100010429.3750 17010010429.3875 18110010429.4000 19001010429.4125 20101010429.4250 21011010429.4375 22111010429.4500 23000110429.4625 24100110429.4750 25010110429.4875 26110110429.5000 27001110429.5125 28101110429.5250 29011110429.5375 30111110429.5500 31000001429.5625 32100001429.5750 33010001429.5875 34110001429.6000 35001001429.6125 36101001429.6250 37011001429.6375 38111001429.6500 39000101429.6625 40100101429.6750 41010101429.6875 42110101429.7000 43001101429.7125 44101101429.7250 45011101429.7375 46
created:modified:„Synthesizer Transceiver Transmitter CSxxxTRT-1“Name:ORDFRM „with Feedback function“Date:21.11.2014 02.02.2015 Item.-No KH66983xxx61 page 10 of 1404.5.4 CS434TRT-1 Channel Set A Manuel Settings Automatic Settings D1 = 0 D1 = 1 D2 D3 D4 D5 D6 FreqCHGr.Nr. D4 D5 D6 Channels00000433.0750 1000032, 22, 18, 16, 13, 5 00001433.1000 2100131, 23, 19, 17, 11, 8 00010433.1250 3201030, 28, 25, 21, 15, 7 00011433.1500 4301129, 27, 24, 20, 14, 6 00100433.1750 54100no Function 00101433.2000 65101no Function 00110433.2250 76110no Function 00111433.2500 87111no Function 01000433.2750 901001433.3000 10D2= 1 = FCS (Free Channel Search TX) und SCAN RX 01010433.3250 11D3= 1 = AUTX ( Auto Channel Change TX) und SCAN-RX 01011433.3500 1201100433.3750 1301101433.4000 1401110433.4250 1501111433.4500 1610000433.4750 1710001433.5000 1810010433.5250 1910011433.5500 2010100433.5750 2110101433.6000 2210110433.6250 2310111433.6500 2411000433.6750 2511001433.7000 2611010433.7250 2711011433.7500 2811100433.7750 2911101433.8000 3011110433.8250 3101111433.8500 32Max. Power 10mW ERP, 100% allowed Duty Cycle in Europe Max. Power 1mW ERP, 100% allowed Duty Cycle in Europe Approval-Numbers USA FCC-ID: 2AC8P-434TR1 Candada IC-ID: 12310A-434TR1
created:modified:„Synthesizer Transceiver Transmitter CSxxxTRT-1“Name:ORDFRM „with Feedback function“Date:21.11.2014 02.02.2015 Item.-No KH66983xxx61 page 11 of 1404.5.5 CS434TRT-1 Channel Set BManuel Settings Automatic Settings D1 = 0 D1 = 1 D2 D3 D4 D5 D6 FreqCHGr.Nr. D4 D5 D6 Channels00000433.1000 2000068, 58, 54, 52, 49, 41 00001433.5500 20100167, 59, 55, 53, 47, 44 00010434.0500 40201066, 64, 61, 57, 51, 43 00011434.0750 41301165, 63, 60, 56, 50, 42 00100434.1000 42410038, 32, 28, 18, 10, 8, 5 00101434.1250 43510137, 29, 25, 23, 17, 14, 4 00110434.1500 44611036, 34, 31, 27, 21, 13, 3 00111434.1750 45711135, 33, 30, 26, 20, 12, 2 01000434.2000 4601001434.2250 47D2= 1 = FCS (Free Channel Search TX) und SCAN RX 01010434.2500 48D3= 1 = AUTX ( Auto Channel Change TX) und SCAN-RX 01011434.2750 4901100434.3000 5001101434.3250 5101110434.3500 5201111434.3750 5310000434.4000 5410001434.4250 5510010434.4500 5610011434.4750 5710100434.5000 5810101434.5250 5910110434.5500 6010111434.5750 6111000434.6000 6211001434.6250 6311010434.6500 6411011434.6750 6511100434.7000 6611101434.7250 6711110434.7500 6811111434.7750 69Max. Power 10mW ERP, 100% allowed Duty Cycle in Europe Max. Power 1mW ERP, 100% allowed Duty Cycle in Europe Approval-Numbers USA FCC-ID: 2AC8P-434TR1 Candada IC-ID: 12310A-434TR1
created:modified:„Synthesizer Transceiver Transmitter CSxxxTRT-1“Name:ORDFRM „with Feedback function“Date:21.11.2014 02.02.2015 Item.-No KH66983xxx61 page 12 of 1404.5.6 CS434TRT-1CS Manuel Settings Automatic Settings D1 = 0 D1 = 1 D2 D3 D4 D5 D6 FreqCHCS-CH Gr.NrD4 D5 D6 Channels00000433,8750 33A1 000061, 57, 53, 49, 45, 41, 37, 33 00001433,9000 34B1 100162, 58, 54, 50, 46, 42, 38, 34 00010433,9250 35A2 201063, 59, 55, 51, 47, 43, 39, 35 00011433,9500 36B2 301164, 60, 65, 52, 48, 44, 40, 36 00100433,9750 37A3 410063, 61, 59, 57, 55, 53, 51, 49, 47, 45, 43, 41, 39, 37, 35, 33 00101434,0000 38B3 00110434,0250 39A4 510164, 62, 60, 58, 56, 54, 52, 50, 48, 46, 44, 42, 40, 38, 36, 34 00111434,0500 40B4 01000434,0750 41A5 6110no Function 01001434,1000 42B57111no Function 01010434,1250 43A6 01011434,1500 44B6 D2= 1 = FCS (Free Channel Search TX) und SCAN RX 01100434,1750 45A7 D3= 1 = AUTX ( Auto Channel Change TX) und SCAN-RX 01101434,2000 46B7 Comparision to CS434 01110434,2250 47A8 Gr.Nr J1J2J3Description 01111434,2500 48B8 0OOC8 Channel uneven A 10000434,2750 49A9 1OOO8 Channel uneven B 10001434,3000 50B9 2OCC8 Channel even A 10010434,3250 51A10 3OCO8 Channel even B 10011434,3500 52B10 4COC16 Channel A 10100434,3750 53A11 5COO16  B 10101434,4000 54B11 10110434,4250 55A12 10111434,4500 56B12 11000434,4750 57A13 11001434,5000 58B13 11010434,5250 59A14 11011434,5500 60B14 11100434,5750 61A15 11101434,6000 62B15 11110434,6250 63A16 11111434,6500 64B16 Max. Power 10mW ERP, 100% allowed Duty Cycle in Europe Max. Power 1mW ERP, 100% allowed Duty Cycle in Europe Approval-NumbersUSA FCC-ID: 2AC8P-434TR1 Candada IC-ID: 12310A-434TR1
created:modified:„Synthesizer Transceiver Transmitter CSxxxTRT-1“Name:ORDFRM „with Feedback function“Date:21.11.2014 02.02.2015 Item.-No KH66983xxx61 page 13 of 1404.5.7 CS458TRT-1 Manuel Settings Automatic Settings D1 = 0 D1 = 1 D2 D3 D4 D5 D6 FreqKanal Gr.Nr. D4 D5 D6 Channels00000458.5000 0100018, 15, 10, 3, 1 00001458.5250 1200117, 14, 9, 2, 0 00010458.5500 2301018, 12, 8, 5, 3 00011458.5750 3401117, 11, 7, 4, 2 00100458.6000 4510027, 19, 16, 14, 10, 0 00101458.6250 5610124, 15, 13, 9, 6, 1 00110458.6500 6711026, 18, 12, 8, 5, 3 00111458.6750 7811125, 17, 11, 7, 4, 2 01000458.7000 801001458.7250 9D2= 1 = FCS (Free Channel Search TX) und SCAN RX 01010458.7500 10D3= 1 = AUTX ( Auto Channel Change TX) und SCAN-RX 01011458.7750 1101100458.8000 1201101458.8250 1301110458.8500 1401111458.8750 1510000458.9000 1610001458.9250 1710010458.9500 1810011458.9750 1910100459.0000 2010101459.0250 2110110459.0500 2210111459.0750 2311000459.1000 2411001459.1250 2511010459.1500 2611011459.1750 2711100459.2000 2811101458.5000 011110458.5250 111111458.5500 2UK Kanäle Approval-NumbersUSA FCC-ID: 2AC8P-458TR1 Candada IC-ID: 12310A-458TR1
created:modified:„Synthesizer Transceiver Transmitter CSxxxTRT-1“Name:ORDFRM „with Feedback function“Date:21.11.2014 02.02.2015 Item.-No KH66983xxx61 page 14 of 1404.5.8 CS869TRT-1 Manuel Settings Automatic Settings D1 = 0 D1 = 1 D2 D3 D4 D5 D6 FreqChGr.Nr. D4 D5 D6 Channels00000869.3000 52100175, 71, 68, 54, 52 00001869.3250 53200076, 72, 69, 55, 53 00010869.3500 54301179, 77, 73, 70, 56 00011869.3750 55401078, 76, 73, 69, 55 00100869.4000 56510166, 62, 59, 57 00101869.7000 68610067, 63, 60, 58 00110869.7250 69711124, 19, 16, 7, 3, 1 00111869.7500 70811023, 18, 15, 6, 2, 0 01000869.7750 7101001869.8000 72D2= 1 = FCS (Free Channel Search TX) und SCAN RX 01010869.8250 73D3= 1 = AUTX ( Auto Channel Change TX) und SCAN-RX 01011869.8500 7401100869.8750 7501101869.9000 7601110869.9250 7701111869.9500 7810000869.9750 7910001870.0000 8010010869.4250 5710011869.4500 5810100869.4750 5910101869.5000 6010110869.5250 6110111869.5500 6211000869.5750 6311001869.6000 6411010869.6250 6511011869.6500 6611100869.6750 6711101868.0000 011110868.2500 1011111868.5000 20Erlaubter Duty Cycle 100% Erlaubter Duty Cycle 1% Erlaubter Duty Cycle 0.1% Erlaubter Duty Cycle 10%

Navigation menu