AQUATIC AV AQSWA86BT2 Active Subwoofer with Bluetooth User Manual
AQUATIC AV Active Subwoofer with Bluetooth
User Manual

USER MANAUL
AQ-SWA8-6BT-2
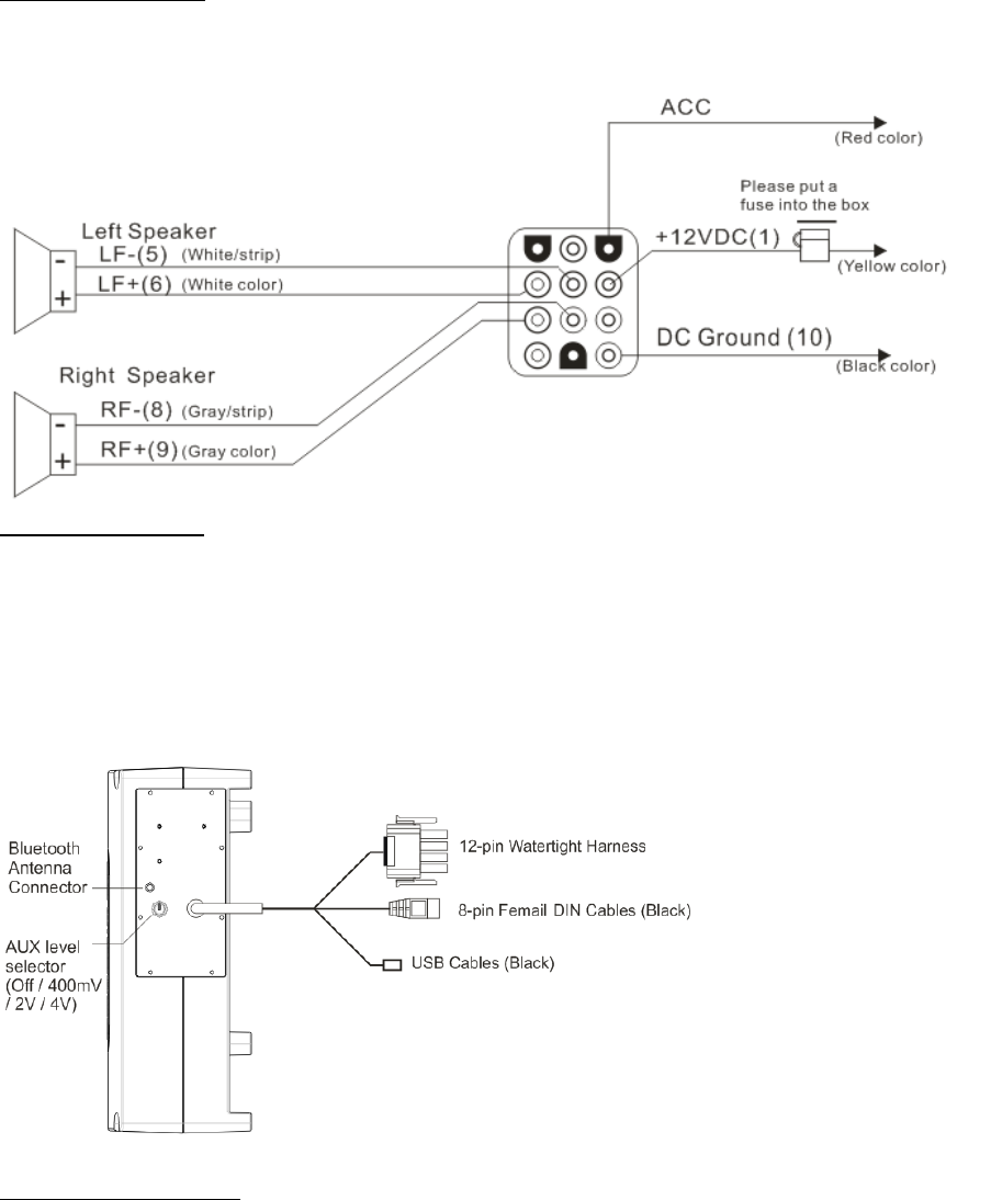
Harness Connections
The ACC will need a 12V constant power to turn the unit ON. The yellow and the black will be
connected to a 12V dc supply.
Locations of controls
1. Use AUX level selector to set the AUX input.
2. Connect your player to the Subwoofer with Bluetooth or using the AUX input.
3. A 8-pin DIN connector is used to connected to a remote dongle (not included) so that you
can control the subwoofer remotely.
4. A SMA connector is used to connect to an Antenna for extended range
5. The USB cable provide a 5V voltage @2.1A
Connecting to Bluetooth
The default mode of SWA8-6BT is Bluetooth mode. If there is no device connected to the Bluetooth,
you can use the AUX input. Bluetooth will always be at higher priority than AUX input. AUX will only
be playing music if no bluetooth is playing.
NOTE: This equipment has been tested and found to comply with the limits for a
Class B digital device, pursuant to part 15 of the FCC Rules. These limits are
designed to provide reasonable protection against harmful interference in a
residential installation. This equipment generates uses and can radiate radio
frequency energy and, if not installed and used in accordance with the instructions,
may cause harmful interference to radio communications. However, there is no
guarantee that interference will not occur in a particular installation. If this
equipment does cause harmful interference to radio or television reception, which
can be determined by turning the equipment off and on, the user is encouraged to
try to correct the interference by one or more of the following measures:
- Reorient or relocate the receiving antenna.
- Increase the separation between the equipment and receiver.
-Connect the equipment into an outlet on a circuit different from that to which the
receiver is connected.
-Consult the dealer or an experienced radio/TV technician for help
Changes or modifications not expressly approved by the party responsible for compliance
could void the user's authority to operate the equipment. This device complies with Part
15 of the FCC Rules. Operation is subject to the following two conditions:
(1) this device may not cause harmful interference, and
(2) this device must accept any interference received, including interference that may
cause undesired operation.