Aclara Technologies Y84024-1 (Synergize RF I-210+ Endpoint) User Manual
Aclara Technologies LLC (Synergize RF I-210+ Endpoint)
User Manual

Synergize® RF Network (SRFN)
I-210+ Field Installation Instructions
Y20461- TUM
Revision D
www.Aclara.com
DRAFT 8-17-17
DRAFT 8-17-17

SRFN I-210+ Field Installation Instructions
Proprietary Notice
This document contains information that is private to Aclara Technologies LLC, an Ohio limited
liability company, and/or that is private to Aclara Meters LLC, a Delaware limited liability
company (individually or collectively “Aclara”). This information may not be published,
reproduced, or otherwise disseminated without the express written authorization of Aclara.
Any software or firmware described in this document is furnished under a license and may be
used or copied only in accordance with the terms of such license.
Disclaimer
The information in this document is subject to change without notice and should not be construed
as a commitment by Aclara. Aclara assumes no responsibility for any errors that may appear in
this document.
No responsibility is assumed for the use or reliability of software on equipment that is not
supplied by Aclara.
Metrum Cellular, STAR, Synergize, and TWACS are registered trademarks of Aclara
Technologies LLC.
Aclara Technologies LLC
Confidential and Proprietary
Copyright 2017. All Rights Reserved.
DRAFT 8-17-17
DRAFT 8-17-17

SRFN I-210+ Field Installation Instructions 1
Warnings, Cautions, and Notes
Always consult and adhere to all local and national safety codes, regulations, and
standards.WARNING, CAUTION and Note statements are used throughout this
manual to emphasize important and critical information to help you ensure safety
and prevent product damage.These statements are defined below.
W
ARNING
indicates a potentially hazardous situation which, if not avoided, could result in
death or serious physical injury.
C
AUTION
indicates a situation, which, if not avoided, could result in damage to
equipment, damage to software, loss of data or invalid results.
N
OTE
indicates important supplemental information.
FCC/IC Compliance
This equipment has been tested and found to comply with the limits for a Class B
digital device, pursuant to part 15 of the FCC Rules. These limits are designed to
provide reasonable protection against harmful interference in a residential
installation. This equipment generates, uses and can radiate radio frequency
energy and, if not installed and used in accordance with the instructions, may
cause harmful interference to radio communications. However, there is no
guarantee that interference will not occur in a particular installation. If this
equipment does cause harmful interference to radio or television reception, which
can be determined by turning the equipment off and on, the user is encouraged to
try to correct the interference by one or more of the following measures:
• Reorient or relocate the receiving antenna.
• Increase the separation between the equipment and receiver.
• Connect the equipment into an outlet on a circuit different from that to which
the receiver is connected.
• Consult the dealer or an experienced radio/TV technician for help.
C
AUTION
Any changes or modification made to this device without the expressed,
written approval of Aclara Technologies LLC may void the user's authority to
operate this device.
DRAFT 8-17-17

2SRFN I-210+ Field Installation Instructions
FCC/IC Compliance
Antennas
Only the antenna provided with this meter is authorized to be used without
approval from Aclara, the FCC, and ISED.
FCC/IC RF Exposure Guide
Aclara Technologies LLC low power RF devices and their antennas must be
fixed-mounted on indoor or outdoor permanent structure(s) providing a separation
distance of at least 20 cm from all persons during normal operation. This device is
not designed to operate in conjunction with any other antennas or transmitters. No
other operating instructions for satisfying RF exposure compliance are needed.
Field Calibration Procedure
Aclara Technologies LLC low power RF devices have passed through extensive
testing and calibration procedures while in the factory. Therefore, no additional
calibration or adjustment is required in the field.
DRAFT 8-17-17

SRFN I-210+ Field Installation Instructions 3
Avertissements, mises en garde et remarques
Toujours consulter et respecter les codes, règlements et normes de sécurité locaux
et nationaux. Des AVERTISSEMENTS, MISES EN GARDE et remarques sont
utilisés tout au long de ce guide pour souligner l'information importante et critique
qui vous aidera à assurer la sécurité et à prévenir les dommages au produit. Ces
énoncés sont définis ci-dessous.
A
VERTISSEMENT
indique une situation potentiellement dangereuse qui, si elle n'était pas évitée,
pourrait entraîner la mort ou des blessures graves.
M
ISE
E
N
G
ARDE
indique une situation qui, si elle n'était pas évitée, pourrait entraîner des
dommages à l'équipement, des dommages au logiciel, des pertes de données ou
des résultats invalides.
R
EMARQUE
indique des informations supplémentaires importantes.
Conformité FCC/IC
Cet équipement a été testé et il est conforme aux limites pour un appareil
numérique de Classe B, en vertu de l'article 15 des règlements de la FCC. Ces
limites sont conçues pour offrir une protection raisonnable contre l'interférence
nuisible dans une installation résidentielle. Cet équipement génère, utilise et peut
émettre de l'énergie de fréquences radio et, s'il n'est pas installé ou utilisé
conformément aux instructions, il peut causer une interférence nuisible aux
communications radio. Il n'existe toutefois aucune garantie que de telles
interférences ne se produiront pas dans une installation particulière. Si cet appareil
cause des interférences nuisibles à la réception des signaux de radio ou de
télévision, ce qui peut être détecté en mettant l'appareil sous et hors tension,
l'utilisateur peut tenter de neutraliser l'interférence de l'une ou l'autre des façons
suivantes :
• Réorienter ou repositionner l'antenne de réception.
• Augmenter la distance séparant l'équipement du récepteur.
• Brancher l'appareil dans une prise sur un circuit électrique différent de celui
sur lequel le récepteur est branché.
• Consulter le fournisseur ou un technicien radio ou télévision expérimenté.
MISE EN
GARDE Tout changement ou toute modification à cet appareil sans l'approbation
écrite expresse d'Aclara Technologies LLC peut annuler l'autorisation de
l'utilisateur d'utiliser cet appareil.
DRAFT 8-17-17

4SRFN I-210+ Field Installation Instructions
Conformité FCC/IC
Antennes
L'antenne fournie avec ce compteur est la seule qui puisse être utilisé sans
l'approbation d' Aclara, the FCC et l' ISED.
Guide d'exposition aux RF FCC/IC
Les appareils RF à faible puissance Aclara Technologies LLC ainsi que leurs
antennes doivent être montés de manière fixe sur des structures intérieures ou
extérieures permanentes qui se trouvent à au moins 20 cm des personnes pendant
le fonctionnement normal. Cet appareil n'est pas conçu (et il n'a aucun
branchement externe) pour être utilisé en association avec toute autre antenne ou
tout transmetteur. Aucune autre instruction d'utilisation n'est requise pour assurer
la conformité aux règles d'exposition aux RF.
Procédure de calibration sur place
Les appareils RF à faible puissance Aclara Technologies LLC ont été soumis à des
tests étendus et multi-tâches et à des procédures de calibration complexes en usine.
Par conséquent, ils ne requièrent pas de calibration ni d'ajustement supplémentaire
sur place. Les appareils RF à faible puissance Aclara Technologies LLC sont
expédiés au client dans des boîtiers scellés. Aucun ajustement ne peut donc être
effectué sur place sans briser le boîtier scellé en usine.
DRAFT 8-17-17

SRFN I-210+ Field Installation Instructions 5
Installation Notes
The I210+ meter integrated with the Synergize RF module is a plug-for-plug meter
replacement designed to be inserted into a number of standard socket meter bases.
To install the integrated meter, simply remove the existing meter and insert the
integrated meter in its place. Record the final reading of the replaced meter as per
standard utility practices.
The blue LED is set to flash on the meter to provide a visual indication that the
meter has powered on.
If a time set command is received from at least one DCU with a matching Network
ID within 5 minutes of powering up, the blue LED light stops flashing and remains
solid for 2 minutes, and then turns off.
However, if the valid time set command is NOT received within 5 minutes, the
flashing blue LED turns off. If this occurs, note that the Synergize RF module did
not make a valid network connection. Try to install another meter at this location.
If the condition persists with the second meter record the meter number, and note
that the meter was left with a flashing blue LED. Also note if you are unable to
successfully install a meter at this location. If you have questions, please contact
Aclara Support at support@aclara.com or call 1-800-892-9008.
N
OTE
You will see the blue LED flashing on the left side of the meter underneath the
meter nameplate.
Upon verification of normal operation, record all appropriate information,
including digital register reading, before completing installation.
DRAFT 8-17-17

6SRFN I-210+ Field Installation Instructions
Installation Instructions
Installation Instructions
When installing the Synergize RF module, enter the following information into the
system:
1. Record the GPS coordinates of the meter face to the sixth (6) decimal place.
2. Record the current date and time.
3. Scan the bar codes to enter the meter number, and MAC ID.
4. Take a zoomed-in picture of the meter face.
5. Take a zoomed-out picture of the meter face, including surrounding
features.
6. Turn 90 degrees to your right, and take a picture.
7. Turn 90 degrees to your right, and take another picture.
8. Turn 90 degrees to your right, and take one more picture.
9. With your back to the meter face, document the compass direction the meter
face is pointing. Record the direction in whole degrees, keeping in mind
that north is 0°, east is 90°, south is 180°, and west is 270°.
C
AUTIONS
In order to avoid damage to the equipment, correct meter-socket wiring
should always be verified when installing the meter.
From the meter nameplate, verify that the type, class, voltage, and form are
compatible with the installation.
N
OTE
These instructions assume that an in-range DCU has already been installed,
and properly configured with a valid time.
DRAFT 8-17-17

SRFN I-210+ Field Installation Instructions 7
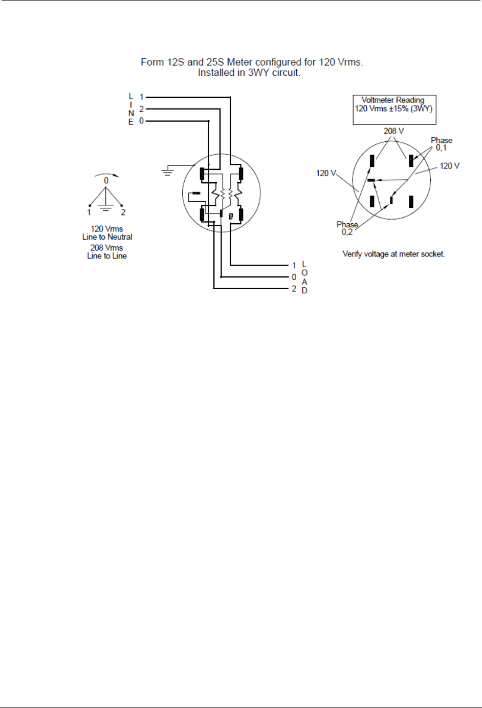
Find the wiring diagram from the following pages that corresponds to the meter
being installed. Verify that this wiring diagram matches the meter-socket wiring.
Supported Field Installations
Form 1S
DRAFT 8-17-17

8SRFN I-210+ Field Installation Instructions
Supported Field Installations
Form 2S
Form 3S (120V)
DRAFT 8-17-17

SRFN I-210+ Field Installation Instructions 9
Form 3S (240V)
Form 4S
DRAFT 8-17-17

10 SRFN I-210+ Field Installation Instructions
Supported Field Installations
Form 12S/25S
DRAFT 8-17-17

SRFN I-210+ Field Installation Instructions 11
Support
There are several ways to get help when you have a question, an issue, or would
like to speak with Aclara’s Support personnel.
• Aclara Connect
Aclara's exciting customer portal (https://connect.aclara.com) enables you
to access our frequently-updated knowledge database, easily access product
documentation, submit and track your Support cases and RMAs, access
Aclara University's Online Learning Center (OLC) and learning library,
track your orders, join communities and groups, join in discussions with
other Aclara customers and Aclara personnel, and much more. If you do not
have access to Aclara Connect, email support@aclara.com and request
access.
• Aclara University
Aclara’s on-demand training makes content available to you in a
convenient, cost-effective online environment. The OLC has recordings of
several webinars, streaming educational videos, software simulations, and
short videos which walk you through a specific task. Access the OLC by
going the Training tab of Aclara Connect and clicking the Online Learning
Center link.
• Technical Support
Email support@aclara.com or call 1-800-892-9008 to speak with an Aclara
representative.
DRAFT 8-17-17

12 SRFN I-210+ Field Installation Instructions
Support
DRAFT 8-17-17