Ademco 8DLLYNXPLUS Wireless Control / Communicator User Manual 800 03857 ii
Honeywell International Inc. Wireless Control / Communicator 800 03857 ii
Ademco >
Users Manual

Lynx Plus Series
Security Systems
Installation and Setup Guide
Installation and Setup GuideInstallation and Setup Guide
Installation and Setup Guide
BYPASS
NO DELAY
RECORD
TEST
FUNCTION
STATUS
VOLUME PLAY
CODE
LIGHTS ON
LIGHTS OFF CHIME
ESCAPE
ADD
DELETE
SELECT
OFF STAY
132
AWAY AUX
4 65
ARMED READY
79
8
0
800-03857 9/09 Rev. A
PLEASE GO TO PAGE 73 FOR
FCC & IC STATEMENTS OR GO
TO THE BOOKMARKS

- 2 -
RECOMMENDATIONS FOR PROPER PROTECTION
The Following Recommendations for the Location of Fire and Burglary Detection Devices Help
Provide Proper Coverage for the Protected Premises.
Recommendations for Smoke and Heat Detectors
With regard to the number and placement of smoke/heat detectors, we subscribe to the
recommendations contained in the National Fire Protection Association's (NFPA) Standard #72
noted below.
• Early warning fire detection is best achieved by the installation of fire detection equipment in all rooms and
areas of the household as follows: For minimum protection a smoke detector should be installed outside of each
separate sleeping area, and on each additional floor of a multi-floor family living unit, including basements. The
installation of smoke detectors in kitchens, attics (finished or unfinished), or in garages is not normally
recommended.
• For additional protection the NFPA recommends that you install heat or smoke detectors in the living room,
dining room, bedroom(s), kitchen, hallway(s), attic, furnace room, utility and storage rooms, basements and
attached garages.
In addition, we recommend the following:
• Install a smoke detector inside every bedroom where a smoker sleeps.
• Install a smoke detector inside every bedroom where someone sleeps with the door partly or completely
closed. Smoke could be blocked by the closed door. Also, an alarm in the hallway outside may not wake up the
sleeper if the door is closed.
• Install a smoke detector inside bedrooms where electrical appliances (such as portable heaters, air
conditioners or humidifiers) are used.
• Install a smoke detector at both ends of a hallway if the hallway is more than 40 feet (12 meters) long.
• Install smoke detectors in any room where an alarm control is located, or in any room where alarm control
connections to an AC source or phone lines are made. If detectors are not so located, a fire within the room could
prevent the control from reporting a fire or an intrusion.
THIS CONTROL COMPLIES WITH NFPA REQUIREMENTS FOR TEMPORAL PULSE
SOUNDING OF FIRE NOTIFICATION APPLIANCES.
DINING
KITCHEN
BEDROOM
BEDROOM
BEDROOM
BEDROOM
LIVING ROOM
BEDROOM
BDRM
DINING
LIVING ROOM
TV ROOM KITCHEN
BEDROOM BEDROOM
TO
BR
LVNG RM
BASEMENT
KTCHN
.
CLOSED
DOOR
GARAGE
Smoke Detectors for Minimum Protection
Smoke Detectors for Additional Protection
Heat-Activated Detectors
BDRM
floor_plan-001-V1
Recommendations For Proper Intrusion Protection
• For proper intrusion coverage, sensors should be located at every possible point of entry to a home or
premises. This would include any skylights that may be present, and the upper windows in a multi-level
building.
• In addition, we recommend that radio backup be used in a security system. This will ensure that alarm
signals can be sent to the alarm monitoring station in the event that the telephone lines are out of order (alarm
signals are normally sent over the phone lines, if connected to an alarm monitoring station).
-3-
Table of Contents
SYSTEM FEATURES ..................................................................................................................................5
MOUNTING THE CONTROL.....................................................................................................................6
WIRING CONNECTIONS...........................................................................................................................7
CONNECTING/CONFIGURING COMMUNICATIONS DEVICES ........................................................9
AC POWER AND BACKUP BATTERY....................................................................................................11
INSTALLING WIRELESS ZONES...........................................................................................................13
MECHANICS OF PROGRAMMING ........................................................................................................16
ZONE RESPONSE TYPE DEFINITIONS ...............................................................................................18
DATA FIELD DESCRIPTIONS ................................................................................................................20
✻56 ENHANCED ZONE PROGRAMMING MODE ................................................................................38
✻80 DEVICE PROGRAMMING MENU MODE ......................................................................................43
✻81 ZONE LIST MENU MODE................................................................................................................47
✻83 ENHANCED SEQUENTIAL MODE ................................................................................................49
✻84 ASSIGN ZONE VOICE DESCRIPTORS ..........................................................................................52
✻85 RECORD CUSTOM VOICE DESCRIPTORS...................................................................................54
REMOTE PROGRAMMING/CONTROL (DOWNLOADING) ................................................................55
SYSTEM OPERATION..............................................................................................................................56
TESTING THE SYSTEM ..........................................................................................................................62
SYSTEM COMMUNICATION ..................................................................................................................63
TROUBLESHOOTING GUIDE ................................................................................................................65
PROGRAMMING DEFAULT TABLES....................................................................................................67
LYNX PLUS CONTROL DEFAULTS................................................................................................67
LYNXSIA PLUS CONTROL DEFAULTS .........................................................................................69
REGULATORY AGENCY STATEMENTS ..............................................................................................73
LIMITATIONS OF THIS SYSTEM STATEMENT..................................................................................75
UL NOTICES..............................................................................................................................................75
SIA QUICK REFERENCE GUDE ............................................................................................................75
SPECIFICATIONS.....................................................................................................................................76
CONTACTING TECHNICAL SUPPORT.................................................................................................76
WARRANTY INFORMATION .................................................................................................................76
INDEX.........................................................................................................................................................77
SUMMARY OF CONNECTIONS DIAGRAM ...........................................................................Rear Cover

Lynx Plus Series Installation and Setup Guide
- 5 -
System Features
The Lynx Plus Series control is a self-contained, rechargeable wireless control/communicator that features
easy installation and usage. A built-in speaker provides voice annunciation of system status along with voice
descriptors of each zone. An internal module (if provided) allows the Lynx Plus Series to communicate with
the Central Station via the Internet.
UL
ULUL
UL
Lynx Plus Series is not intended for UL985 Household Fire applications unless a 24-hour backup battery
(P/N LYNXRCHKIT-HC or LYNXRCHKIT-SHA) is installed.
Powerline Carrier Devices have not been evaluated by UL.
Features
System Features
• Real-time clock display and 2 line by 16
character alpha display
• Message center (for user recorded messages)
• Voice announcement of system and zone status
• Voice chime
• Alarm clock
• Reminder
• X10 scheduling
• Latch key reports
• Automatic stay arming
• Remote phone control
• Speaker phone operation
• “Follow me” reminder and system announcements
• 8 User Codes (Installer, Master, 5 Secondary,
Duress)
• 3 Panic Functions
Zones and Devices
• 1 Hardwire zone
• Up to 24 Wireless zones (5800 Series
transmitters)
• Up to 16 Wireless button zones
• Up to 8 Powerline carrier devices
• Supports wireless keypads
Communication
• Ademco Low Speed
• Sescoa/Radionics
• Ademco Express
• Ademco Contact ID
• Internet central station communication
• GSM cellular central station communication
• Two-way voice communication Supports
AlarmNet remote services
Alarm Output
• Built-in sounder
• Piezo output (30mA max.)
• Bell output (120mA max.)
• Steady output for burglary/panic
• Temporal pulse output for fire and carbon
monoxide alarms
• Long range radio/audio alarm verification
Programming
• Options stored in EEROM
• Can be uploaded, downloaded or controlled via
IBM-compatible computer using Compass
downloader software and specified HAYES
modem or via capable GSM or IP
communications module
• Voice prompt programming mode
Other Features
• Exit error feature (detects difference between an
actual alarm and exit alarm caused by leaving a
door open after the exit delay expires)
• Event log stores up to 84 events
• Macro/ 1-button paging
• RF jam detection
• Compatible with encrypted (high-security)
devices
System Power
• Primary Power: K10145WH or K10145X10 plug-
in transformer, 110VAC to 9VAC, 25VA output
(K10145CN in Canada)
• Backup battery: Rechargeable nickel-metal
hydride battery pack rated at 7.7Vdc.
Mounting the Control

Lynx Plus Series Installation and Setup Guide
- 6 -
Wall Mounting
1. Release the front assembly from the
back case by depressing the two
locking tabs at the top of the unit
with the blade of a medium size
screwdriver.
2. Separate the front and back case
assemblies by rotating the front case
so that it is perpendicular to the
back case and unsnapping
(releasing) the two hooks from the
back case.
3. Feed the field wiring through the
appropriate openings in the back
case. Use tie-wraps to secure the
wiring to the built-in wire loops as
needed.
4. Mount the back case to a sturdy
wall.
5. Attach the front and back cases by
connecting the hooks on the front
case to the attachments on the rear
case. Once attached, the hooks will
support the front case and allow you
to make the wiring connections.
6. After all wiring connections have
been made, snap the front case and
back case closed and ensure that
the control is secured by the locking
tabs.
BACK
CASE
FRONT
CASE
1000-300-009-V1
ROTATE
FRONT CASE
UPWARD
TO RELEASE
HOOKS
MOUNTING
HOOKS
LOCKING TABS
Desktop Mounting
For desktop mounting, the optional
mounting base (model LYNXPLUS-
DM, purchased separately) must be
used.
1. Slide the control panel onto the
mounting base locking tabs.
2. Bring all wiring through the bottom
of the mounting base, using one of
the wire entry locations, before
making connections to the control
panel.
3. Use tie-wraps to secure the wiring to
the built-in wire loops as needed.
4. Use the supplied screws to secure
the control panel to the mounting
base.
BYPASS
NO DELAY
RECORD
TEST
FUNCTION
STATUS
VOLUME PLAY
CODE
LIGHTS ON
LIGHTS OFF CHIME
ESCAPE
ADD
DELETE
SELECT
OFF STAY
132
AWAY AUX
46
5
ARMED READY
79
8
0
1000-300-016-V0

Lynx Plus Series Installation and Setup Guide
- 7 -
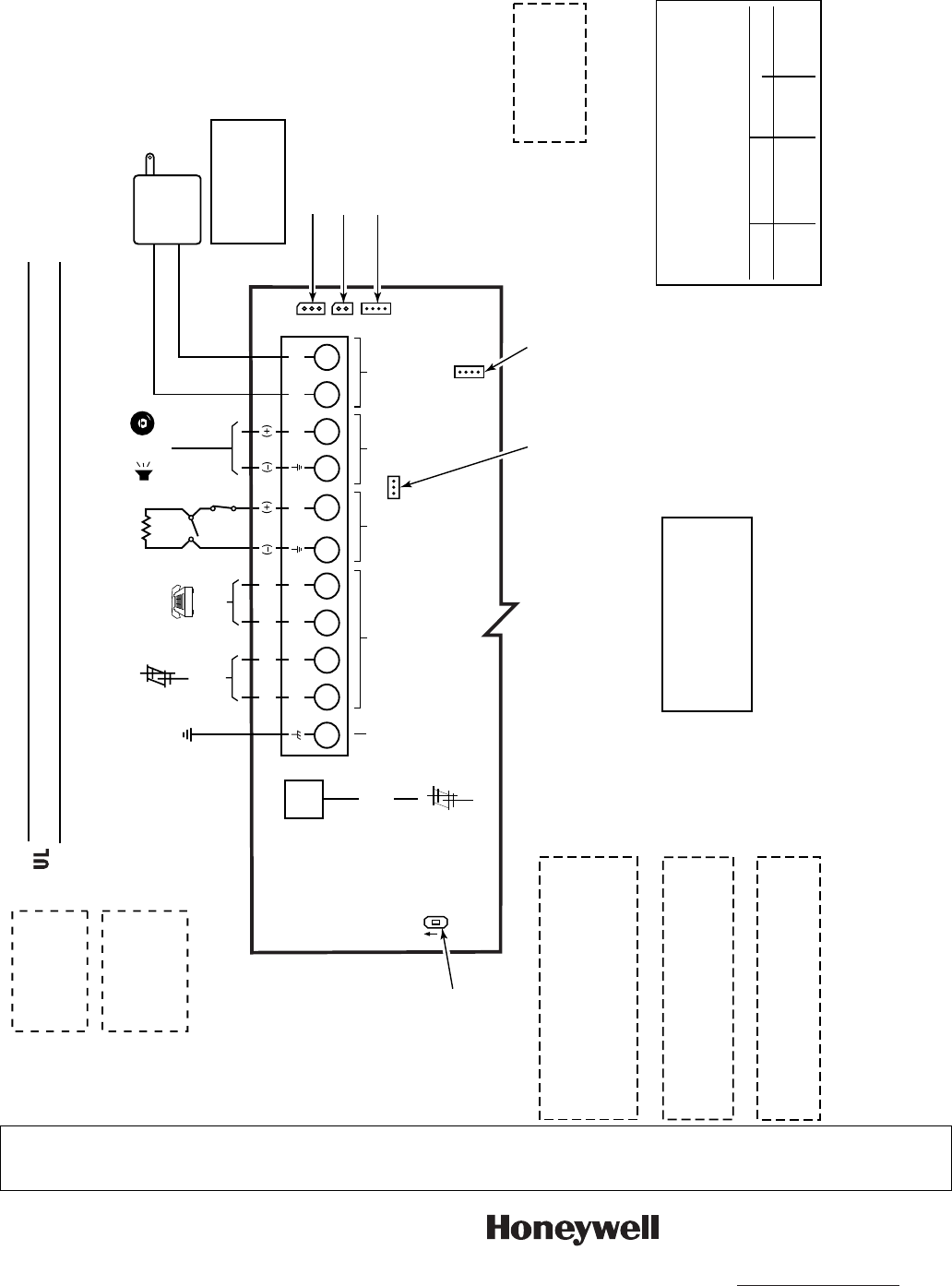
Wiring Connections
Wiring Overview
The following summarizes the connections required. Refer to the Wiring Connections paragraph and the
Summary of Connections diagram on the inside back cover when making connections.
1000-300-006-V1
POWERLINE CARRIER
DEVICE CONNECTOR
SUPER HIGH-CAPACITY
BATTERY CONNECTOR
GSML/GSMVL
COMMUNICATIONS PORT
GSMVL AUDIO
CABLE CONNECTOR
STANDARD/HIGH-CAPACITY
BATTERY CONNECTOR
TERMINAL
STRIP
TELEPHONE
CONNECTION
Wiring Connections
1. Make Earth Ground Connection - The designated earth ground terminal (1) must be terminated in a good earth ground
for the lightning transient protective devices in this product to be effective. The following are examples of good earth
grounds available at most installations:
Metal Cold Water Pipe - Secure a non-corrosive metal strap (copper is recommended) to the pipe that is electrically
connected and secured to which the ground lead is electrically connected and secured.
AC Power Outlet Ground - Available from 3-prong, 120VAC power outlets only. To test the integrity of the ground
terminal, use a three-wire circuit tester with neon lamp indicators, such as the UL Listed Ideal Model 61–035, or
equivalent, available at most electrical supply stores.
a. Connect terminal 1 to a good earth ground.
2. Make Phone Line Connections - For local or full line seizure follow the appropriate steps below.
Local Seizure
a. Connect the incoming phone line to either the 8-position jack or terminals 2 (TIP) and 3 (RING) on the Lynx Plus.
b. Connect the handset phone lines to terminals 4 (TIP) and 5 (RING).
Full Line Seizure: The control must be placed in series with the incoming phone line. Plugging the Direct Connect Cord
directly into the RJ31X jack, allows the control to seize the phone line when an alarm occurs and normal phone line
usage by the premises phones if the plug needs to be removed.
c. Cut the incoming RING and TIP phone lines (typically red and green, respectively) and connect them to RJ31X
terminals 4 (red) and 5 (green).
d. Connect the premises end of the cut RING and TIP wires to RJ31X terminals 1 (grey) and 8 (brown) respectively.
e. Wire the flying leads of a Direct Connect Cord to the control’s phone terminals as shown in the diagram or plug into
the 8-position jack.
f. Plug the Direct Connect Cord into the RJ31X jack.

Lynx Plus Series Installation and Setup Guide
- 8 -
Wiring Connections
RJ31X
1
2
3
45
6
7
8
RING
TIP
INCOMING
PHONE LINE
TO
PREMISES PHONES
TIP RING TIP RING
BROWN
GREY
RED
GREEN
INCOMING
PHONE LINE
TO
PREMISES
PHONES
}
}
GREENRED
GREY BROWN
RING
TIP
DIRECT
CONNECT
CORD
OR
OR
8-POSITION
JACK
01000-008-V0
Full Line Seizure Connections
UL
ULUL
UL
The local sounder disable switch must be set to “ON” position.
External sounders and powerline carrier devices have not been evaluated by UL
LOCAL SOUNDER DISABLE: The Master Keypad’s built-in piezo sounder can be disabled by setting the
sounder disable switch to OFF. If disabled, however, no sounding will occur upon AC loss, since the
external sounder does not operate when AC power is lost.
HARDWIRED ZONE: If the EOLR is not at the end of the loop, the zone will not be properly supervised, and the
system may not respond to an open circuit on the zone.
3. Hardwired Zone Connections
Zone 1 is an EOLR supervised zone that supports both open circuit and closed circuit devices and has a response
time of 350msec. Maximum zone resistance: 300 ohms, plus EOLR
Note: The hardwire zone cannot be used as a fire zone.
a. Connect sensors/contacts to the hardwired zone terminals 6 (-) and 7 (+). Refer to the Summary of Connections
diagram.
b. Connect closed circuit devices in series in the high (+) side of the loop. The EOL resistor must be connected in
series with the devices, following the last device.
c. Connect open circuit devices in parallel across the loop. The 2000-ohm EOLR must be connected across the loop
at the last device.
4. Make External Sounder Connections - The control panel supports either a 6-14VDC piezo sounder (30mA max.) or
6-14VDC bell (120mA max.; e.g. ADEMCO WAVE2EX).
a. Connect a piezo sounder or a bell to terminals 8 (-) and 9 (+).
5. Disable Local Sounder Option - If required the Master Keypad’s built-in piezo sounder can be disabled.
a. Set the Local Sounder Disable Switch to OFF.
6. Make Powerline Carrier Device Connections - The control panel supports up to 8 Powerline Carrier Devices. If using
these devices, they must be connected to control via a PL513 Powerline Interface Module.
a. Connect the com/data/sync/ lines from the PL513 Powerline Interface Module to the Powerline Carrier Device
Connector using the provided cable.
Refer to the ✻
✻✻
✻80 Device Programming Menu Mode section to program the Powerline Carrier Devices.

Lynx Plus Series Installation and Setup Guide
- 9 -
Connecting/Configuring Communication Modules
General
This Lynx Plus Series control supports central station reporting via the internet using wireless (GSM) and
hardwire (IP) communications modules. It also supports upload/download programming capability via the
Internet or a Private local area network (Intranet). This allows site maintenance independent of central
station monitoring, and modification to sites globally via the Internet or through a private LAN. Refer to the
instructions provided with the LRR/IP Communications Device being installed for additional information
regarding its installation, programming, and registration. The control is compatible with the following
AlarmNet Communications Modules:
• 7847i-L Internet Communications Module
• GSMVLP GSM Communications Module with 2-Way Voice
Connecting Long Range Radio and Internet Communication Devices
Connect and configure the communications device (refer to the Installation Instructions for device that you
are installing for additional information).
LRR/IP Communications Device 24-Hour Standby Power
If you are installing the AlarmNet 7847i-L, and require 24-hour standby, you must install the Super High
Capacity battery P/N WALYNX-RCHB-SHA in the control.
Configuring Long Range Radio and Internet Communication Devices
1. Enable the communications device in programming field ✼55 and configure alarm reporting and module
supervision in programming field ✼77.
2. Program the device as required using the 7720P programmer (refer to the Installation Instruction for the
device that you are installing). Note that the device address must be set to 3.
The device must be registered before downloading or alarm reporting can take place.
LRR Communications Device Diagnostic Mode
This mode provides a method to verify the LRR signal strength.
1. Enter the Installer Code (4112) + 899. The system will initially display “Entering programming mode”.
2. The LRR Communications Module’s Signal Level (Primary Site Received Signal Strength Indication
[PriRSSI]) will be displayed in dBm. The system will also display GPRS connection and registration
indications (refer to the example that follows).
3. If “FAIL” or “POOR” signal levels are displayed during the test, the control should be relocated to find a
location that provides better signal strength.
If a ‘searching for coverage’ message is displayed or the radio is not connected and no signal indication
is displayed, the installer should check radio programming, panel programming, etc., before entering this
mode again.
Signal strength may vary
4. The Lynx Plus will automatically exit this mode after approximately 1-minute or if any key is pressed.
The system will display “Exiting programming mode” when the test is complete.

Lynx Plus Series Installation and Setup Guide
- 10 -
Connecting/Configuring Communication Modules
Example:
SIGNAL GPRS REG
-86 GOOD Y H
Diagnostic Mode Definitions
SIGNAL = Communications Module’s Signal Level (RSSI) will be displayed in dBm, where:
-01 to -93 GOOD = Good signal level
-94 to -95 POOR = Poor signal level, move unit for better signal level
-96 (and lower) FAIL = Fail signal level, do not install, move unit for better signal level. If “FAIL” condition persists, do
not install
0 or “Searching for Coverage” = Waiting for signal. Try again in a few minutes. If no signal persists, move unit for better
signal level, check all connections and SIM activation.
GPRS = GPRS Service availability where:
Y = GPRS is available
N = GPRS is Not available
REG = Registration status from radio module where
N = Not Registered (contact AlarmNet)
H = Registered Home (functioning normally)
S = Searching (wait or move unit to another location)*
D = Registration Denied (contact AlarmNet)
R = Registered Roaming (no problem)
? = Unknown Registration State (wait or move unit to another location)*
* If the unit is in an area of known cellular coverage for 3 – 5 min and these conditions do not clear contact AlarmNet for
assistance.

Lynx Plus Series Installation and Setup Guide
- 11 -
AC Power and Backup Battery
The system is powered by a 9VAC, 25VA Plug-in Transformer, K10145WH or K10145X10 (K10145CN in
Canada). Refer to the wiring table below for wire gauge and length.
Distance between
Transformer and Control Wire Gauge
Up to 75 feet #20
75 to 150 feet #18
150 to 300 feet #16
Use only the provided ADEMCO K10145WH/K10145X10 or K10145CN Transformer. Wiring to the AC
Transformer must not exceed 300 feet using 16-gauge wire. The voltage reading between terminals 10 and
11 of the control must not fall below 9.00VAC.
Do not plug the transformer into the AC outlet until after all wiring connections have been made. Ensure the
cover is snapped closed prior to applying AC power
Backup battery
In the event of an AC power loss, the system is supported by a long life backup battery that is supervised for
connection and for low voltage conditions. If the battery is missing, or a low battery condition is detected, a
“low battery” message is displayed and a report is sent to the central station. In addition, the system will beep
once every 45 seconds to audibly indicate a low battery condition (press any key to stop the beeping).
AC Power and Rechargeable Backup Battery
Connecting AC Power and backup battery
1. Connect wires from the K10145WH or K10145X10 (K10145CN in Canada) AC Transformer to terminals 10 and 11 as
shown on the summary of connections diagram.
2. Remove battery retainer.
3. Insert battery pack into back plate.
4. Install battery retainer.
5. Secure battery retainer with the provided screw.
6. Connect battery pack connector to the receptacle on the PC board.
7. After all wiring connections have been made, snap the case closed and plug the transformer into a 24-hour, 110VAC
unswitched outlet.
Note: Rechargeable batteries may take up to 48-hours to fully charge. The “LOW BAT” message should clear within four
hours or by entering Test Mode.
1000-300-027-V0
LYNXRCHKIT-SC
BATTERY PACK
NOTE
WALYNXRCHKIT-SC
BATTERY PACK SHOWN
RETAINER
SCREW

Lynx Plus Series Installation and Setup Guide
- 12 -
AC Power and Backup Battery
AC Power and Rechargeable Backup Battery
The Lynx Plus Series is equipped with an integral, replaceable, rechargeable battery pack rated at 7.7Vdc.
Select the appropriate battery pack, based on the installation’s requirement, and install the battery pack.
Battery Part Number Battery StandbyTime Low Battery Notification
LYNXRCHKIT-SC 4-hours (minimum) Approximately 1-hour before battery depletion
LYNXRCHKIT-HC 24-hours (minimum) At least 1-hour before battery depletion
LYNXRCHKIT-SHA 24-hours (minimum) At least 1-hour before battery depletion
Replacing the Rechargeable Battery
1. When battery replacement is required, unplug the transformer from the wall outlet, and open the control panel cover.
2. Remove the screw that secures the battery retainer.
3. Remove the battery retainer and disconnect the battery pack connector from the receptacle on the PC board.
4. Remove the battery pack from the back plate.
5. Install a replacement battery pack (P/N LYNXRCHKIT-SC, LYNXRCHKIT-HC or LYNXRCHKIT-SHA) into the back plate.
6. Install the battery retainer.
7. Secure battery retainer with the provided screw as shown below.
8. Connect the battery connector to the appropriate receptacle on the PC board.
9. After the wiring connection has been made, snap the front assembly and the back plate closed.
10. Plug the transformer into a 24-hour, 110VAC unswitched outlet.
11. Rechargeable batteries may take up to 48-hours to fully charge. The “LOW BAT” message should clear within four
hours or by entering Test Mode.
1000-300-010-V0
OR
LYNXRCHKIT-SHA/
LYNXRCHKIT-HC
RETAINER RETAINER
SCREW SCREW
LYNXRCHKIT-SC
Ensure the control panel assembly is snapped closed prior to applying AC power.

Lynx Plus Series Installation and Setup Guide
- 13 -
Installing Wireless Zones
General Information
Zones: The control supports up to 24 wireless zones using 5800 Series transmitters, and up to 16 wireless
buttons.
Range: The built-in RF receiver can detect signals from wireless transmitters within a nominal range of
200 feet.
Transmitters: 5800 Series transmitters have built-in serial numbers that must be entered into the
system using the ✻56 or ✻83 interactive mode, or input to the control via the downloader. 5800 Series
transmitters (except the 5800RL, which is described separately) do not have DIP switches. Each
transmitter's zone number is programmed into the system in ✻56 mode. Some transmitters, such as the
5816 and 5817, can support more than one "zone" (referred to as loops or inputs). On the 5816, for
example, the wire connection terminal block is loop 1; the reed contact is loop 2. Each loop must be
assigned a different zone number.
UL
ULUL
UL
The 5816 and 5817 Transmitters do not have EOL supervision of their loop wiring and the loop wiring must
not exceed 3 feet.
The 5800RL, 5802MN, 5802MN2, 5804, 5804BD, 5804BDV, 5804E, 5814, 5816TEMP, 5819, 5819S(WHS &
BRS), 5828/5828V and 5850(GBD) transmitters have not been evaluated by UL.
For button transmitters (RF "keys") such as the 5804 and 5801, you must assign a unique zone number to
each individual button used on the transmitter. Each button on the transmitter also has a pre-designated
loop or input number, which is automatically displayed.
House Identification
If you are using a 5804BD/5804BDV Wireless Keypad with the system, you must program a House ID
Code (01–31) in field ✻24 to establish proper communication, and the keypad must be set to the same ID.
House ID 00 disables all wireless keypads. An RF House ID is not necessary for other 5800 Series
transmitters; the entry should be left at “00” (default) in those cases.
Transmitter Supervision
Except for some transmitters/keypads that may be carried off-premises (5804, 5804BD, 5804BDV, and
5804E), each transmitter is supervised by a check-in signal that is sent to the receiver at 70–90 minute
intervals. If at least one check-in is not received from each supervised transmitter within a 12-hour period,
the "missing" transmitter number(s) and "FAULT" will be displayed. The supervision for a particular
transmitter in the system that may also be carried off the premises (5801, 5802MN) may be turned off by
entering it as a "UR" (unsupervised RF) type, as described in the ✻56 Enhanced Zone Programming Mode
section. 5800 Series transmitters have built-in tamper protection and will annunciate as a fault condition
if covers are removed.
Transmitter Input Types
Each of the following transmitters has one or more unique factory-assigned input (loop) ID codes. Each of
the inputs requires a programming zone (e.g., a 5804's four inputs require four button zones). Transmitters can
be entered as one of the following types (see transmitter’s instructions for appropriate input type):
Type Description
"RF" (Supervised RF) Sends periodic check-in signals, as well as fault, restore, and low battery signals.
The transmitter must remain within the receiver's range.
"UR" (Unsupervised RF) Sends all the signals that the "RF" type does, but the control does not supervise the
check-in signals. The transmitter may therefore be carried off-premises.
"BR" (Unsupervised Button RF) These only send fault signals. They do not send low battery signals until they are
activated. The transmitter may be carried off-premises.
Transmitter Battery Life
• Batteries in the wireless transmitters may last from 4–7 years, depending on the environment, usage,
and the specific wireless device being used. Factors such as humidity, high or low temperatures, as well
as large swings in temperature may all reduce the actual battery life in a given installation. The wireless
system can identify a true low battery situation, thus allowing the dealer or user of the system time to
arrange a change of battery and maintain protection for that point within the system.

Lynx Plus Series Installation and Setup Guide
- 14 -
Installing Wireless Zones
• Button-type transmitters should be periodically tested for battery life. The 5801, 5802MN, 5802MN2,
5804, 5804BD, 5804BDV, and 5804E button transmitters have replaceable batteries.
Using the Transmitter Sniffer Mode
Use this mode after all transmitters have been entered to check that all transmitters have been properly
programmed.
1. Enter Installer code (4112) + [#] + 3.
Note: If the communicator is in the process of sending a report to the central station, the system will not go into the Sniffer
mode. If so, wait a few minutes and try again.
2. The keypad will display all zone numbers, which have a non-zero Zone Type (even if serial numbers
were not learned yet). Fault each transmitter in turn, causing each one to send a signal. As the system
receives a signal from each of the transmitters, the zone number of that transmitter will disappear
from the display. The transmitters may be checked upon installation, or in an installed system.
3. When all transmitters have been checked, exit Sniffer mode. Enter Installer Code (4112) + OFF.
Notes: (1) Sniffer mode does not automatically expire. You must manually exit (Installer Code + OFF) Sniffer
mode to return to normal operation.
(2) All BR-type units must physically be activated to clear the display, since they do not automatically send
check-in signals.
(3) When one button of a transmitter (RF, UR, or BR) is activated, all zones assigned to other buttons on that
transmitter are cleared. This also applies to 5816 and 5817 transmitters that have multiple loops (zones).
(4) Any transmitter that is not “entered” will not turn off its zone number.
(5) For SIA installations, the following devices may be used as specified for panic (24-hour) alarm response:
• wireless keys which have two-button panic pairs available (e.g., 5804BDV), on which only the two-button
panic pairs may be programmed for any 24-hour alarm response
• wireless keypads (e.g., 5828/5828V) keypads that have a two-second delay on the special function keys, or
two-button panic pairs
• built-in keypad’s two-button panic pairs
Go/No Go Test Mode
5804E encrypted (High-Security) devices must be activated while the system is in Go/No Go Test Mode.
Refer to the transmitter’s installation instructions for complete details. The system will confirm
enrollment of the encrypted device by beeping two times
The Go/No Go tests will verify adequate RF signal strength from the proposed transmitter location, and
allow you to reorient or relocate transmitters if necessary, before mounting the transmitters permanently.
This mode is similar to the transmitter Test mode, except that the wireless receiver gain is reduced. This
will enable you to make sure that the RF signal from each transmitter is received with sufficient signal
amplitude when the system is in the normal operating mode.
1. Enter Installer Code (4112) + [#] + 8.
2. Once you have placed transmitters in their desired locations and the approximate length of wire to be
run to sensors is connected to the transmitter's screw terminals (if used), fault each transmitter.
Conducting this test with your hand wrapped around the transmitter will cause inaccurate results.
On button type transmitters that have been programmed to set ARM AWAY, ARM STAY, or DISARM, press-
ing a button will take the system out of the Go/No Go Test mode causing the programmed action to occur.
Note: On button type transmitters that have been programmed to set ARM AWAY, ARM STAY, or
DISARM, pressing a button will take the system out of the Go/No Go Test mode and cause the
programmed action to occur.
a. The keypad will beep three times indicating signal reception and will display the appropriate zone
number.
b. If the keypad does not beep, reorient or move the transmitter to another location. Usually a few
inches in either direction is all that is required.
3. If each transmitter produces the proper keypad response when it is faulted, you can then permanently
mount each of the transmitters according to the instructions provided with them.
4. Exit the Go/No Go Test mode by entering: Installer Code (4112) + OFF.

Lynx Plus Series Installation and Setup Guide
- 15 -
Installing Wireless Zones
5800 Series Transmitter Loop Numbers (Refer to this information when programming transmitters)
The following illustration shows the compatible transmitters, their associated input types and loop
designations.
LOOP 1
5806/5806W3/5807
5808/5808LST/5808W3
ENROLL AS
"RF"
LOOP 1
5809
ENROLL AS
"RF"
5818
ENROLL AS
"RF"
LOOP 1
LOOP 1
5814
ENROLL
AS
"RF"
5800-002-V0
LOOP 1
(MOTION)
5897
ENROLL AS
"RF"
5890/5890PI
ENROLL AS
"RF"
LOOP 1LOOP 1
5802MN
ENROLL AS
"UR" OR "RF"
5805-6
ENROLL AS
"BR"
5804BD/5804BDV
ENROLL AS
"BR"
PROGRAM HOUSE ID
LOOP 4
YOU MUST
ENROLL
THIS BUTTON
LOOP
3LOOP 1
LOOP 2
•
•
••
•
•
•
•
•
•
•
•
•
•
•
•
•••
5804/5804E
ENROLL AS "BR"
5816TEMP
ENROLL AS
"RF"
LOOP 1
(TEMP
SENSOR)
5817
ENROLL AS
"RF"
LOOP 2
(AUX.
CENTER)
LOOP 1
(PRIMARY)
LOOP 3
(AUX.
RIGHT)
5816
ENROLL AS
"RF"
LOOP 1
(TERMINALS)
LOOP 2
(REED)
5816MN
ENROLL AS
"RF"
LOOP 1
(TERMINALS)
ALTERNATE
POSITION
FOR LOOP 2
LOOP 2
(REED)
LOOP 3
(TERMINALS)
5828/5828V
PROGRAM
HOUSE ID
5821
ENROLL AS
"RF"
5820/5820L
ENROLL AS
"RF"
5819S (WHS & BRS)
ENROLL AS
"RF"
LOOP 1
(INTERNAL
SHOCK
SENSOR
LOOP 2
(REED)
5819
ENROLL AS
"RF"
LOOP 2
(REED)
LOOP 3
(TERMINALS)
LOOP 1
(TERMINALS)
5800WAVE
PROGRAM
HOUSE ID
5800PIR-OD
ENROLL AS "RF"
5800PIR/
5800PIR-COM
ENROLL AS "RF"
5811
ENROLL AS "RF"
5800PIR-RES
ENROLL AS "RF"
5800Micra
ENROLL AS "RF"
5800CO
ENROLL AS "RF"
5801
ENROLL AS
"UR OR"RF"
5800SS1
ENROLL AS "RF"
5800RL
SET
HOUSE ID
LOOP 3
LOOP 1
LOOP 1
(LOW
SENSITIVITY
LOOP 2
(HIGH
SENSITIVITY)
LOOP 3 (TEMP)
LOOP 4 (TAMPER)
LOOP 1
(HIGH
SECURITY)
LOOP 2
(STANDARD
SECURITY)
LOOP 3 (TILT MODE)
LOOP 4 (TAMPER)
LOOP 1
(LOW
SENSITIVITY
LOOP 2
(HIGH
SENSITIVITY)
LOOP 3 (TEMP)
LOOP 4 (TAMPER)
LOOP 1
LOOP 2
LOOP 4
YOU MUST
ENROLL
THIS
BUTTON
5849
ENROLL AS
"RF"
5894PI
ENROLL AS
"RF"
LOOP 1
(SOUND)
5802MN2
ENROLL AS
"UR" OR "RF"
LOOP
1
5878
ENROLL AS
"BR"
5870API
ENROLL AS
"RF"
5853
ENROLL AS
"RF"
5850 (GBD)
ENROLL AS
"RF"
(Green)
(Red)
(Yellow)
ARMED
READY
4
3
2
1
OFF
ON
LOOP 4
YOU MUST
ENROLL
THIS
BUTTON
LOOP 1
LOOP 2
LOOP 3
SERIAL #1
LOOP 3
SERIAL #1
LOOP 4
SERIAL #2
LOOP 3
SERIAL #1
LOOP 2
SERIAL #1
LOOP 1
SERIAL #2
LOOP 2
3
AWAY STAY
12
4
OFF
ON
Notes: (1) Loop 4 must be enrolled on the 5801, 5804, 5804BD, 5804BDV and 5804E transmitters, whether or not the
loop is used.
(2) 5804E encrypted (High-Security) devices must be activated while the system is in Go/No Go Test Mode. Refer
to the transmitter’s installation instructions for complete details. The system will confirm enrollment of the
encrypted device by beeping two times.
(3) The 5806 smoke detector must be used in SIA applications.
UL
ULUL
UL The 5800PIR, 5800PIR-RES, 5800PIR-COM, 5800PIR-OD, 5800RL, 5802MN, 5802MN2, 5804, 5804BD, 5804BDV,
5804E, 5811, 5814, 5816TEMP, 5819, 5819S(WHS & BRS), 5828/5828V, 5850(GBD) and 5870APIwireless
transmitters have not been evaluated by UL.

Lynx Plus Series Installation and Setup Guide
- 16 -
Mechanics of Programming
General Programming Information
Programming options are stored in non-removable, electrically erasable, nonvolatile EEROM memory. The
system can be programmed at any time, even at the installer's premises prior to the actual installation.
Simply apply power temporarily to the Control and then program the unit as desired. There are four
programming modes:
• Data field programming (used for setting various system options).
• Interactive menu mode programming (used for programming zone information, programming
Powerline Carrier Devices, and for entering transmitter serial numbers).
• Voice Prompt programming (used for setting various system options).
The system can also be programmed remotely, using an IBM PC compatible Personal Computer, and
Compass Downloader and modem or via capable GSM or IP communications modules. See the Remote
Programming/Control (Downloading) section.
Note: You may find it convenient to adjust the volume setting before entering the Program Mode. This will allow you to
clearly hear the feedback announcements or system beeps in the Programming Mode, of the system’s built-in
speaker. To adjust the volume, press FUNCTION + VOLUME+ [3] or [6]. Upon exiting the Program Mode, the
system will reset the volume to the default value (mid level).
Entering Program Mode
Use one of the following methods to enter Programming Mode:
1. Press both the [✻] and [#] keys at the same time, within 50 seconds after power is applied to the
Control or from exiting Programming mode, OR
2. After power-up, enter the Installer Code (4112) + 800 to enter Expert Programming mode OR
enter Installer Code (4112) + 888 to enter Voice Prompt Programming mode. This method is
disabled if Program mode is exited using ✻98.
If a different Installer Code has been programmed, use that code to enter the Programming mode.
3. Upon entering programming mode, the control will initially display “Entering Programming Mode”.
4. Once you have entered the Program mode, data field “20 INSTALLER CODE” (the first data field in
the system) will be displayed and both keypad LEDs will flash. If you have entered the Voice Prompt
Programming mode. “Pro” will be displayed and the system will announce “Programming, use arrows
to scroll choices. Press select to accept, press escape to quit”.
Programming a Data Field
1. Press [✻] + Field No. (for example, ✻21), followed by the required entry.
2. When you have completely programmed a data field, the keypad will “beep” three times and then
automatically display the next data field in sequence. To go to a different field, press [✻] plus the
desired field number.
3. If the number of digits that will be entered in a data field is less than the maximum number of digits
available (e.g. phone number field), enter the desired data, then press [✻] to advance to the next data
field.
4. If a nonexistent field has been entered, the keypad will display “EE Invalid Entry”. Simply re-enter [✻]
plus a valid field number.
Viewing a data field (without making changes):
Enter [#] + Field No. The system will beep three times and data programmed for that field will be displayed to the
right of the field number. The system will scroll through the data for longer numbers and a beep will sound after
each number is displayed or three times after the final digit is displayed.
Deleting an entry in a field
Enter [✻] + Field No. + [✻]. (Applies only to fields ✻40–✻44, ✻88 and ✻94).

Lynx Plus Series Installation and Setup Guide
- 17 -
Mechanics of Programming
Interactive Menu Mode Programming (✻56, ✻80, ✻81, ✻83, ✻84, ✻85)
Press [✻] + interactive mode No. (i.e., ✻56). The keypad will display the first of a series of prompts. A detailed
procedure (with displays of prompts) is provided in later sections of this manual.
✻56 Enhanced Zone Programming Mode
Interactive menu mode used for programming zone attributes and report codes. Refer to the ✻56
Enhanced Zone Programming Mode section for procedure.
✻80 Device Programming Menu Mode
Interactive menu mode for programming Powerline Carrier Devices. Refer to the ✻80 Device
Programming Menu Mode section for detailed procedure.
✻81 Zone Lists Menu Mode
Interactive menu mode for programming zone lists for Powerline Carrier Devices. Refer to the ✻81
Zone List Menu Mode section for detailed procedure.
✻83 Enhanced Sequential Mode
Interactive menu mode used to enter RF transmitter serial numbers. Refer to the ✻83 Enhanced
Sequential Mode section for detailed procedure.
✻84 Assign Zone Voice Descriptors
Interactive menu mode used to assign descriptors to each zone. These descriptors will be announced
whenever the system announces an event involving a zone.
✻85 Record Custom Voice Descriptors
Interactive menu mode used to record custom descriptors for use with each zone.
✻96 Initialize Download ID and Subscriber Account Number for Downloading
Entering
✻96 resets all subscriber account numbers and CSID in preparation for an initial download.
Loading Factory Defaults
✻97 To load the factory defaults, enter ✻97, then press number 1, 2, 3, or 4 to select from default tables 1-4,
or press “0” if you are not selecting a default table. Refer to the Programming Default Tables section of this
manual to view the tables.
If a default table is loaded, any data that has already been programmed into the system will be changed
according to the default table selected!
Exiting Program Mode
✻98 Exits program mode and inhibits re-entry into the Expert or Voice Prompt Programming modes using
the Installer Code.
✻99 Exits program mode but allows re-entry into the Expert Program mode using Installer Code (4112) +
800 or into the Voice Prompt Programming mode using Installer Code (4112) + 888.
Note: After exiting program mode (or upon power-up), the system takes up to a minute to reset. To bypass the reset
delay, press [#] + [0].

Lynx Plus Series Installation and Setup Guide
- 18 -
Zone Response Type Definitions
General Information
During programming, you must assign a zone type to each zone, which defines the way in which the system
responds to faults in that zone. Zone types are defined below.
Type 00
Zone Not Used
Zone type 00 is used to program a zone that is not used.
Type 01
Entry/Exit
Burglary #1
Zone type 01 is usually assigned to sensors or contacts on primary entry and exit doors.
Zone Characteristics:
• Entry delay #1 is programmable (field ✻35).
• Exit delay is independently programmable (field ✻34).
• Exit and entry delays when armed in AWAY or STAY mode.
• No entry delay when armed in STAY NO DELAY or AWAY NO DELAY mode.
• Exit delay regardless of the arming mode selected.
Type 02
Entry/Exit
Burglary #2
Zone type 02 is usually assigned to sensors or contacts on secondary entry and exit doors that
might be further from the keypad (typically used for a garage, loading dock, or basement door).
Zone Characteristics:
• Entry delay #2 is programmable from (field ✻36).
• Exit delay is independently programmable from (field ✻34).
• Secondary entry delay, if armed in the AWAY or STAY mode.
• No entry delay when armed in the STAY NO DELAY or AWAY NO DELAY mode.
• Exit delay begins regardless of the arming mode selected.
Type 03
Perimeter
Burglary
Zone type 03 is usually assigned to all sensors or contacts on exterior doors and windows.
Zone Characteristics:
• Instant alarm, when armed in AWAY, STAY, STAY NO DELAY, or AWAY NO DELAY mode.
Type 04
Interior,
Follower
Zone type 04 is usually assigned to a zone covering an entry area (i.e.: foyer, lobby, or hallway)
that one must pass upon entry (after faulting the entry/exit zone) to reach the keypad. It provides
an instant alarm if the entry/exit zone is not violated first, and protects an area in the event an
intruder has hidden on the premises before the system is armed, or gains access to the premises
through an unprotected area.
Zone Characteristics:
• Delayed alarm (using the programmed entry/exit time) if entry/exit (types 01 or 02) or interior-
with-delay (type 10) zone is faulted first.
• Instant alarm in all other situations.
• Active when armed in AWAY or AWAY NO DELAY mode.
• Bypassed automatically when armed in STAY or STAY NO DELAY mode.
Type 05
Trouble by Day/
Alarm by Night
Zone type 05 is usually assigned to a zone that contains foil-protected doors or windows or covers a
sensitive area (i.e.: stock room, drug supply room, etc.) It can also be used on a sensor or contact in
an area where immediate notification of an entry is desired.
Zone Characteristics:
• Instant alarm, when armed in AWAY, STAY, STAY NO DELAY, or AWAY NO DELAY (night)
mode.
• Provides a latched trouble sounding from the keypad and, if desired, a central station report
during the disarmed state (day).
Type 06
24-hour
Silent Alarm
Zone type 06 is usually assigned to a zone containing an Emergency button (silent emergency).
Zone Characteristics:
• Sends a report to the central station but provides no keypad display or sounding.
Type 07
24-hour
Audible Alarm
Zone type 07 is usually assigned to a zone containing an Emergency button (audible emergency).
Zone Characteristics:
• Sends a report to the central station, and provides alarm sounds externally and at the keypad.
Type 08
24-hour
Auxiliary Alarm
Zone type 08 is usually assigned to a zone containing a button for use in personal emergencies
or to a zone containing monitoring devices (i.e.: water or temperature sensors, etc.).
Zone Characteristics:
• Sends a report to the central station and provides an alarm sound at the keypad. (No bell
output is provided and there is no keypad timeout.)

Lynx Plus Series Installation and Setup Guide
- 19 -
Zone Response Type Definitions
Type 09
Supervised Fire
Zone type 09 can be assigned to any wireless zone used as a fire zone. This zone type
is always active and cannot be bypassed.
Zone Characteristics:
• Bell output will pulse when this zone type is alarmed.
Type 10
Interior with
Delay
Zone type 10 is bypassed when the panel is armed in the STAY or STAY NO DELAY mode.
Zone Characteristics:
• Entry delay #1 (with programmed entry time) when armed in the AWAY mode.
• Entry delay begins whenever sensors in this zone are violated, regardless of whether an
entry/exit delay zone was tripped first.
• No entry delay when armed in the AWAY NO DELAY mode.
• Exit delay regardless of the arming mode selected.
Type 14
24-hour Carbon
Monoxide
Monitor
Zone type 14 can be assigned to any wireless zone with a carbon monoxide detector. This zone type
is always active and cannot be bypassed.
Zone Characteristics:
Local keypad and detector will sound when this zone type is alarmed.
ZT16 is only available on the LynxSIA Plus version of the control panel.
Type 16
Supervised Fire
with Verification
Zone type 16 can be assigned to any wireless zone. It can not be used with heat detectors,
combination heat/smoke detectors, wireless sensors or fire pull stations. This zone type is always
active and can not be bypassed.
Zone Characteristics:
• Provides a fire alarm when zone is alarmed, but only after the alarm has been verified.
• System verifies alarm by delaying reporting and control panel alarm sounding for 30 seconds
after alarm is detected. If the zone remains faulted after 30 seconds a fire alarm is provided. If
any other fire zone is faulted during the 30 second delay window a fire alarm is immediately
provided for that zone. An alarm for original fire zone will also be provided if that zone is still
faulted afterward. If there are no fire alarms after the 30 second delay expires, the system will
open a 60 second window. If any fire zone is faulted during that window a fire alarm will
immediately be provided for that zone.
• Bell output will pulse following alarm verification
Type 20
Arm–Stay
Zone type 20 is a special-purpose zone type used with 5800 Series wireless pushbutton units.
Zone Characteristics:
• Exit delay regardless of the arming mode selected.
• System is armed in the STAY mode when the zone is activated.
• Zone number is sent to the central station as a user number when arming or disarming.
Type 21
Arm–Away
Zone type 21 is a special-purpose zone type used with 5800 Series wireless pushbutton units.
Zone Characteristics:
• System is armed in the AWAY mode when the zone is activated.
• Zone number is sent to the central station as a user number when arming or disarming.
Type 22
Disarm
Zone type 22 is a special-purpose zone type used with 5800 series wireless pushbutton.
Zone Characteristics:
• Disarms the system when the zone is activated.
Type 23
No Alarm
Response
Zone type 23 can be used on a zone when a Powerline Carrier Device (e.g., X10) action is desired,
but with no accompanying alarm (e.g., front door light).
Type 24
Silent Burglary
Zone type 24 is usually assigned sensors or contacts on exterior doors and windows where bells
and/or sirens are NOT desired.
Zone Characteristics:
• Instant alarm, with NO audible indication when is armed in the AWAY, STAY, STAY NO
DELAY, or AWAY NO DELAY mode.
• Report sent to the central station.
Note: The Keypad beeps if the zone is faulted when system is disarmed and Chime mode is on.

Lynx Plus Series Installation and Setup Guide
- 20 -
Data Field Descriptions
The following pages list all data fields in this Control (in numerical order). Use the blank programming form
to record the data for this installation. Specific fields include options for programming that are unique to
the LynxSIA Plus version. Note that both keypad LEDs flash while in Programming mode. The LynxSIA
Plus version validates the data entry for the Fields listed below. If data entered is not within valid range,
the control will emit a long beep indicating that entry is rejected and will substitute the default value for the
invalid entry. The default value will be displayed on the keypad, and the control advance to the next field.
Field Name Default Value Valid Range
*34 Exit Delay 60 45-97
*35 Entry Delay 01 30 30-99
*36 Entry Delay 02 30 30-99
*50 Burglary Dial Delay 2 1-3
*57 False Alarm Options 7 0-7
*59 Exit Error Report Code 1 1-F
*64 Test Report Code 10 10-FF
*68 Cancel Report Code 10 10-FF
*69 Recent Closing Report Code 1 1-F
*76 Test Restore Report 10 10-FF
*92 Swinger Shutdown 1 1-2
Note: Entering a number other than the one specified will give unpredictable results.
20
2020
20
INSTALLER
INSTALLER INSTALLER
INSTALLER
CODE
CODECODE
CODE
Installer Code
The Installer Code is used to enter the 4-digit Master Security Code. See "Master Code"
in the System Operation section for procedure.
Note: LynxSIA Plus does not allow duplication of Installer code. If a duplicate code is
entered the entry is rejected and LYNX issues single long beep indicating rejection.
The old installer code remains unchanged.
SELECTIONS
Enter 4 digits (0-9)
21
2121
21
QUICK
QUICK QUICK
QUICK
ARM
ARMARM
ARM
ENABLE
ENABLEENABLE
ENABLE
Quick Arm Enable
If enabled, security code is not required to arm the system. The user simply presses and
holds down the AWAY or STAY key to arm.
SELECTIONS
0 = do not allow quick arm
1 = allow quick arm
22
22 22
22
K
KK
KEY
EYEY
EYP
PP
PA
AA
AD
DD
D
B
BB
BACKLI
ACKLIACKLI
ACKLIGHT
GHTGHT
GHT
Keypad Backlight Timeout
This option allows the choice of either always backlighting the keypad or turning the
backlighting off after 10 seconds of keypad inactivity.
SELECTIONS
0 = no timeout; always backlight keys
1 = turn backlighting off after inactivity
2
22
23
33
3
FORCED
FORCED FORCED
FORCED
BYPASS
BYPASS BYPASS
BYPASS
Forced Bypass
All zones bypassed by this function will be displayed after the bypass is initiated.
UL installations: must be 0 (no forced bypass)
SELECTIONS
0 = no forced bypass
1 = provide automatic bypass of all open (faulted) zones
24
2424
24
RF
RF RF
RF
HOUSE
HOUSEHOUSE
HOUSE
ID
ID ID
ID
CODE
CODE CODE
CODE
RF House ID Code
The House ID identifies receivers and wireless keypads. If a 5804BD/5804BDV
Transmitter is to be used, a House ID Code MUST be entered, and the keypad should
be set to the same ID.
SELECTIONS
00 = disable all wireless keypad usage
01-31 = House ID

Lynx Plus Series Installation and Setup Guide
- 21 -
Data Field Descriptions
25
2525
25
X10
X10X10
X10
HOUSE
HOUSE HOUSE
HOUSE
CODE
CODE CODE
CODE
Powerline Carrier Device (X10) House ID
Powerline Carrier Devices require a House ID. This field identifies this House ID to the
Control. The Powerline Carrier Devices are programmed in field ✻80.
SELECTIONS
0 = A 3 = D 6 = G 9 = J # + 12 = M # + 15 = P
1 = B 4 = E 7 = H # + 10 = K # + 13 = N
2 = C 5 = F 8 = I # + 11 = L # + 14 = O
26
2626
26
CHIME
CHIME CHIME
CHIME
BY
BY BY
BY
ZONE
ZONEZONE
ZONE
Chime by Zone
This option allows the installer to define the specific zones intended to chime when
faulted while the system is in Chime mode. If enabled, these zones are defined in zone
list 3 (see ✻81 Zone List Menu Mode).
SELECTIONS
0 = no (chimes on fault of any entry/exit or perimeter zone when Chime mode is activated)
1 = yes (chimes on fault of those zones assigned to Zone List 3 when Chime mode on)
27
2727
27
CLOCK
CLOCK CLOCK
CLOCK
DISPLAY
DISPLAYDISPLAY
DISPLAY
Real Time Clock Display
Refer to the User’s Manual for setting the clock time and date.
SELECTIONS
0 = do not display the time
1 = display the time
29
2929
29
DST
DST DST
DST
MNTH
MNTH MNTH
MNTH
STR
STRSTR
STR/END
ENDEND
END
Daylight Savings Time Start/End Month
Enter # + 10 for 10, # + 11 for 11, and # + 12 for 12.
SELECTIONS
0 = do not display the time
1 = display the time
30
3030
30
DST
DST DST
DST
WEEK
WEEK WEEK
WEEK
STR
STRSTR
STR/END
ENDEND
END
Daylight Savings Time Start/End Month
Enter the appropriate start and end weekend of the month.
SELECTIONS
0 = disable 4 = fourth weekend
1 = first weekend of month 5 = last weekend
2 = second weekend 6 = next to last
3 = third weekend 7 = 3rd from last
31
3131
31
SINGLE
SINGLE SINGLE
SINGLE
ALARM
ALARM ALARM
ALARM
SND
SNDSND
SND
Single Alarm sounding Per Zone (per armed period)
This field applies only to burglary zones (zone response types 1-5, 10), and affects long
range radio reporting but does not affect central station reporting. It applies only to the
bell and does not affect keypad sounds.
UL installations: must be 0 (no limit)
Lynx Plus SELECTIONS
0 = no limit on alarm sounding per zone
1 = limit alarm sounding to once per arming period for a given zone
LynxSIA Plus SELECTIONS
0 = alarm sounding per zone will be the same as Swinger Shutdown set in field ✻92
1 = limit alarm sounding to once per arming period for a given zone
32
3232
32
FIRE
FIREFIRE
FIRE
SND
SND SND
SND
T
TT
TIMEOUT
IMEOUTIMEOUT
IMEOUT
Sounder Timeout
This Control complies with NFPA requirements for temporal pulse sounding of fire and
carbon monoxide (CO) notification appliances. Temporal pulse sounding for a fire alarm
consists of the following:
3 pulses – pause – 3 pulses – pause – 3 pulses. . .
Temporal pulse sounding for a CO alarm consists of the following:
4 pulses – pause – 4 pulses – pause – 4 pulses –pause. . .
SELECTIONS
0 = yes, sounder timeout after time programmed in field ✻33
1 = no sounder timeout; continue sounding until manually turned off

Lynx Plus Series Installation and Setup Guide
- 22 -
Data Field Descriptions
33
3333
33
ALRM
ALRM ALRM
ALRM
SND
SND SND
SND
TIMEOUT
TIMEOUTTIMEOUT
TIMEOUT
Alarm Bell Timeout
This field determines whether the external sounder will shut off after a selected time, or
allowed to continue until manually turned off.
UL installations: must be set for a minimum of 4 min (option 1)
SELECTIONS
0 = No timeout 2 = 8 minutes 4 = 16 minutes
1 = 4 minutes 3 = 12 minutes
Fields ✻34–✻36: Fields *34, *35 and *36 are used to program different options in the Lynx Plus and LynxSIA Plus
controls. Please be sure that you use the correct field for the control being installed.
Note: The LynxSIA Plus control validates the data entered in fields *34 - *36. If the selection is not valid the control will emit a
single long beep indicating that the selection has been rejected. The control replaces the selection with the default
value which is displayed on the keypad and advances to the next field.
34
34 34
34
EXIT
EXIT EXIT
EXIT
DELAY
DELAYDELAY
DELAY
TIME
TIMETIME
TIME
Exit Delay
The system will wait the time entered before sounding an alarm if the exit door is left
open after the system has been armed.
UL installations: Exit Delay must be set for a maximum of 60 seconds
SIA: Exit Delay must be set to a minimum of 45 seconds.
Lynx Plus SELECTIONS LynxSIA Plus SELECTIONS (Entries from 45-97)
00-99 = exit delay in seconds Entered Value Exit Delay in Seconds
45-96
97
45-96
120
35
3535
35
ENTRY
ENTRY ENTRY
ENTRY
DELAY
DELAYDELAY
DELAY
1
111
Entry Delay 01
The system will wait the time entered before sounding alarm upon entering if system is
not disarmed.
UL installations: The Entry Delay must be set for a maximum of 45 seconds
SIA The Entry delay must be set to a minimum of 30 seconds. The sum of entry delay 1,
entered in Field ✻35, and the burglary abort window, entered in Field ✻50, should
not exceed 1 minute.
Lynx Plus SELECTIONS LynxSIA Plus SELECTIONS (Entries from 30-99)
00-99 = entry delay in seconds Entered Value Entry Delay in Seconds
30-96
97
98
99
30-96
120
180
240
36
36 36
36
ENTRY
ENTRY ENTRY
ENTRY
DELAY
DELAY DELAY
DELAY
2
22
2
Entry Delay 02
The system will wait the time entered before sounding alarm upon entering if the
system is not disarmed.
UL installations: must be set for a maximum of 45 seconds
SIA The Entry delay must be set to a minimum of 30 seconds. The sum of entry delay 2
entered in Field ✻36 and the burglary abort window entered in ✻50 should not
exceed 1 minute.
Lynx Plus SELECTIONS LynxSIA Plus SELECTIONS (Entries from 30-99)
00-99 = entry delay in seconds Entered Value Entry Delay in Seconds
30-96
97
98
99
30-96
120
180
240

Lynx Plus Series Installation and Setup Guide
- 23 -
Data Field Descriptions
Field ✻37-✻39: Field ✻37 is not available on the LynxSIA Plus control. Fields ✻38 and ✻39 are used to program
different features in the Lynx Plus and LynxSIA Plus controls. Please be sure that you use the correct field
for the control being installed.
37
3737
37
EX
EXEX
EXI
IIIT
T T
T
SND
SNDSND
SND/
//
/Q
QQ
QK
K K
K
EXIT
EXITEXIT
EXIT
Audible Exit Warning/Quick Exit
Audible Exit Warning: Sound consists of slow continuous beeps until last 5 seconds,
when it changes to fast beeps. The warning sound will end at the termination of exit
delay.
Quick Exit: If enabled, the user can restart the exit delay time after arming in STAY
mode by entering the User Code and pressing the STAY key, or by pressing the STAY
key if Quick Arm is enabled. This avoids having the user disarm then re-arm the
system after allowing someone to enter or exit.
SELECTIONS
Exit Warning Quick Exit
0 = no exit warning sound 0 = no quick exit
1 = provide exit warning sound when armed AWAY 1 = allow quick exit
38
38 38
38
CONF
CONF CONF
CONF
ARM
ARMARM
ARMING
INGING
ING
DING
DINGDING
DING
Confirmation of Arming Ding
Lynx Plus - Confirmation of arming is provided by a 1/2 second external sounder “ding”
that sounds when closing report is sent, or at the end of exit delay. If Option 2 is selected
the external sounder “ding” occurs immediately after the system receives the RF
transmission.
LynxSIA Plus - Confirmation of arming is provided by a 1/2 second external sounder
“ding”. The ding only sounds when control is Armed Away or disarmed after being Armed
Away.
If Option 1 is selected, confirmation of arming is provided by a 1/2 second sounder
“ding” that sounds when closing report is sent, or at the end of exit delay. If Option 2 is
selected the external sounder “ding” occurs immediately after arming from an RF
keypad.
Note: If LynxSIA Plus is armed by RF button (key fob), a confirmation ding occurs
immediately after arming regardless of field *38 settings. If control is disarmed by RF
button, an additional disarming confirmation ding is provided. The ding occurs
immediately after disarming and is longer than arming confirmation ding.
Lynx Plus SELECTIONS
0 = no ding
1 = confirmation ding after arming
system
2 = confirmation ding after arming from
RF button or RF keypad only
LynxSIA Plus SELECTIONS
0 = no arming confirmation ding after arming
system by Lynx Plus keypad or RF
keypad
1 = arming confirmation ding after arming
system by Lynx Plus keypad or RF
keypad
2 = arming confirmation ding after arming
from RF keypad only
39
39 39
39
PWR
PWR PWR
PWR
UP
UP UP
UP
PRV
PRV PRV
PRV
STATE
STATESTATE
STATE
(This field applies only to the
Lynx Plus control)
Power Up In Previous State (This field applies only to the Lynx Plus control)
When the system powers up armed, an alarm will occur 1 minute after arming if a zone
is faulted, and any bypassed zones will be unbypassed.
Note: If the previous state was Armed Away or Stay, the system will not respond to sensor
changes for 1 minute. This allows time for sensors such as PIRs to stabilize.
UL installations: must be 1 (power up in previous state)
Lynx Plus SELECTIONS
0 = always power up in a disarmed state
1 = assume the system status prior to power-down

Lynx Plus Series Installation and Setup Guide
- 24 -
Data Field Descriptions
39
3939
39
CROSS
CROSS CROSS
CROSS
ZONE
ZONE ZONE
ZONE
TIMER
TIMERTIMER
TIMER
(This field applies only to the
LynxSIA Plus control)
Cross Zone Timer (This field applies only to the LynxSIA Plus control)
Sets the maximum amount of time in which two cross zones must be tripped in an
armed system to send an alarm message to the Central Station. If only one cross zone is
tripped during this time, a trouble message (CID code 380) for that zone is sent to the
Central Station. Program Zone list 2 (using *81 Zone List Menu Mode) with the two
zones that are to be cross zoned.
Notes: (1) If option ✻39 is set to “0” (no cross zoning), Zone List 2 can be used for other
purposes.
(2) Cross zoning will be disabled during entry and exit delays, if one or both of the 2
cross zones is bypassed and there is already an alarm in the system.
If one of the 2 cross zones faults and remains faulted after the cross zone time
interval, the second cross zone can go into alarm immediately, even after the
cross zone time. This is to detect scenarios involving multiple break-ins of a
premises.
UL This option is not for use in UL installations.
LynxSIA Plus SELECTIONS
Value Time Window Value Time Window
0 = No Cross Zoning 8 = 2 minutes
1 = 15 seconds 9 = 2 minute, 15 seconds
2 = 30 seconds # + 10 = 2 minute, 30 seconds
3 = 45 seconds # + 11 = 2 minute, 45 seconds
4 = 60 seconds # + 12 = 3 minutes
5 = 1 minute, 15 seconds # + 13 = 3 minute, 15 seconds
6 = 1 minute, 30 seconds # + 14 = 3 minute, 30 seconds
7 = 1 minute, 45 seconds # + 15 = 3 minute, 45 seconds
DIALER PROGRAMMING (✻40–✻50)
Fields ✻40, ✻41, ✻42: Enter up to the number of digits shown. Enter 0–9, # + 11 for ‘✻’; # + 12 for ‘#’; # + 13
for a pause (2 seconds). Field ✻40 is used to program different features in the Lynx Plus and LynxSIA Plus
controls. Please be sure that you use the correct field for the control being installed.
Notes: Whenever AAV is used, primary (Field ✻41) and secondary (Field ✻42) phone numbers should be preceded with the
call waiting disable command. Otherwise, there is the possibility of connection of the third party to Lynx Plus Series
during AAV mode. The PABX phone number entered in field ✻40 is not dialed on GSM/IP (Digital Communication
with AAV). However, it is used for dialing on Telco Line.
40
40 40
40
PABX
PABX PABX
PABX
ACCESS
ACCESS ACCESS
ACCESS
CODE
CODECODE
CODE
(This field applies only to
the Lynx Plus control)
PABX Access Code (This field applies only to the Lynx Plus control.)
If fewer than 6 digits will be entered, exit by pressing [✻]. To clear entries, press ✻40✻.
Lynx Plus SELECTIONS
PABX Access Code
Enter up to 6 digits if PABX is needed to access an outside line.
40
4040
40
PABX
PABX PABX
PABX ACCESS CODE
ACCESS CODE ACCESS CODE
ACCESS CODE
(This field applies only to
the LynxSIA Plus control)
PABX Access Code/Call Waiting Disable (This field applies only to the LynxSIA Plus
control)
If fewer than 6 digits need to be entered, exit by pressing [✻]. To clear entries from
field, press ✻40✻. If the subscriber does not have “call waiting” and is not using PABX,
make no entry in this field.
Call Waiting: If the subscriber’s phone service has “call waiting” (and is not using
PABX), enter the touch-tone sequence“✻70” (or similar depending on the phone service).
By programming “# + 11 + 7 + 0” as the PABX entry to disable “call waiting” during
control panel calls. You must also enable the Call Waiting Cancel option in field ✻47.
Important Note: If Call Wait Cancel is disabled in Field ✻47, and Call Wait Disable
command is entered in Field ✻40, this will prevent successful communication to the central
station when used on a non-call waiting line.
Note: PABX number and operation of the control panel with a PBX system cannot be used
if the Call Waiting Cancel Disable option has been enabled in Field ✻47.
LynxSIA Plus SELECTIONS
PABX Access Code/Call Waiting Disable
Enter up to 6 digits if PABX is needed to access an outside line. OR
Enter“# + 11+ 7+ 0” to program touch-tone sequence “✻70” and cancel call waiting.

Lynx Plus Series Installation and Setup Guide
- 25 -
Data Field Descriptions
If the LRR/IP (Digital Communication with AAV) feature is used (options 5 in ✻55), there may be restrictions when dialing
the numbers entered in ✻41, ✻42 and ✻46 (i.e.; #, ✻, pause may not be allowed, or phone number extensions may not
be dialed, etc) depending on the service provider.
41
41 41
41
PRIMARY
PRIMARY PRIMARY
PRIMARY
TEL
TEL TEL
TEL
NUM
NUM NUM
NUM
Primary Phone Number
Enter the Primary Phone Number
If fewer than 20 digits entered, exit by pressing [✻]. To clear entries from field, press
✻41✻.
Note: Backup reporting (8 attempts are made to the secondary phone number if no kissoff
is received after 8 attempts to the primary number) is automatic only if there is a
secondary phone number (field ✻42).
SELECTIONS
Enter up to 20 digits.
42
42 42
42
SECOND
SECOND SECOND
SECOND
TEL
TEL TEL
TEL
NUM
NUMNUM
NUM
Secondary Phone Number
Enter the Primary Phone Number
If fewer than 24 digits entered, exit by pressing [✻]. To clear entries from field, press
✻42✻. See backup reporting note for field ✻41.
SELECTIONS
Enter up to 24 digits.
All four digits of the Subscriber Account number must be entered in Fields ✻43 and ✻44. If ten-digit format is
selected in ✻48 (option 5), all ten digits of the Subscriber Account number must be entered.
Fields ✻43 and ✻44:
Enter [✻] as the fourth digit if a 3-digit account number (for 3+1 dialer reporting format) is used. Enter 0 as
the first digit of a 4-digit account number for Nos. 0000–0999. Enter [✻] as the fifth digit if a 4-digit account
number (for 4+1, 4+2 CID®) is used. Exit field by pressing [✻] if only 3 digits are used. See blank
Programming Form for examples of account number entries. Enter digits 0–9; # +11=B; # +12=C; # +13=D; #
+14=E; or # +15=F.
43
4343
43
PRIMARY
PRIMARYPRIMARY
PRIMARY
ACC
ACCACC
ACCOUN
OUNOUN
OUNT
TT
T#
Primary Subscriber Account Number
Enter the primary subscriber account number. To clear entries from field, press ✻43✻.
SELECTIONS
Enter a 4 or 10- digit account number
44
44 44
44
SECNDRY
SECNDRY SECNDRY
SECNDRY
ACCOUNT
ACCOUNTACCOUNT
ACCOUNT#
Secondary Subscriber Account Number
Enter the primary subscriber account number. To clear entries from field, press ✻44✻.
SELECTIONS
Enter a 4 or 10- digit account number
Field ✻46: Enter up to 24 digits. Do not fill unused spaces. Enter 0-9, #+11 for ‘✻’; #+12 for’#’; #+13 for a
pause (2 seconds).
46
46 46
46
FOLLOW
FOLLOWFOLLOW
FOLLOW
ME
ME ME
ME
PHONE
PHONEPHONE
PHONE#
“Follow Me Reminder” Phone Number
This option allows the user to schedule a time driven message. When activated the
system will dial the phone number programmed and deliver a voice message (custom
words 72, 73 and 74). This option is only supported when the follow me feature is
enabled in field ✻49 (option 6-9 or 10-13).
If using the Follow Me Reminder feature, enter the phone number here. If fewer than
24 digits are entered, exit by pressing [✻]. To clear entries from the field press ✻46✻.
The telephone message can be terminated (acknowledged) by pressing any key on the
telephone keypad. Pressing any key on the local Lynx Plus Series keypad will terminate
(acknowledge) both the follow me and the local reminder announcements.
Note: The follow me reminder announcement will be terminated if any other event requires
the system to dial out or if an audible alarm has occurred.
SELECTIONS
Enter up to 24 digits.

Lynx Plus Series Installation and Setup Guide
- 26 -
Data Field Descriptions
Fields ✻47: Field ✻47 is used to program different options in the Lynx Plus and LynxSIA Plus controls.
Please be sure that you use the correct field for the control being installed.
47
4747
47
PHONE
PHONE PHONE
PHONE
SYS
SYS SYS
SYS
SEL
SELSEL
SELECT
ECTECT
ECT
Phone System Select
This option is used to enter the correct type of phone dialing (pulse or tone), and to
select the correct WATS line option for the Central Station. This option is used to
activate the Speaker Phone option. For the LynxSIA Plus it is also used to disable call
waiting.
Note: If using pulse dialing, you must enter the numbers slowly in order to allow the pulse
dialer time to operate.
LynxSIA Plus ONLY
Call waiting warning tones can interfere with Central stations reporting. The Call
Waiting Cancel option should be selected if the reporting phone line has call waiting
service. The Call Waiting Cancel command must also be programmed in Field ✻40. If
the Call Waiting Cancel feature is enabled, make sure to enter Call Waiting Cancel
command in Field ✻40. The command depends on a telephone service provider.
Important Note: If Call Wait Cancel is disabled in Field ✻47, and Call Waiting Disable
command is entered in Field ✻40, this will prevent successful communication to the central
station when used on a non-call waiting line.
Note: PABX number and operation of the control panel with a PBX system cannot be used
if the Call Waiting Cancel option has been enabled in Field ✻47.
Lynx Plus SELECTIONS
Central Dialing Mode
Station Pulse Tone Pulse Tone
No WATS 0 = No Speaker
Phone
1 = No Speaker
Phone
4 = Speaker
Phone
5 = Speaker
Phone
WATS 2 = No Speaker
Phone
3 = No Speaker
Phone
6 = Speaker
Phone
7 = Speaker
Phone
LynxSIA Plus SELECTIONS
Central Dialing Mode
Station Pulse Tone Pulse Tone
No WATS 0 = No Speaker
Phone/Call Wait
Cancel Disabled
1 = No Speaker
Phone/Call Wait
Cancel Disabled
4 = Speaker
Phone/Call Wait
Cancel Disabled
5 = Speaker
Phone/Call Wait
Cancel Disabled
WATS 2 = No Speaker
Phone/Call Wait
Cancel Disabled
3 = No Speaker
Phone/Call Wait
Cancel Disabled
6 = Speaker
Phone/Call Wait
Cancel Disabled
7 = Speaker
Phone/Call Wait
Cancel Disabled
No WATS 8 = No Speaker
Phone/Call Wait
Cancel Enabled
9 = No Speaker
Phone/Call Wait
Cancel Enabled
12 = with
Speaker Phone
Call Wait Cancel
Enabled
13 = Speaker
Phone/Call Wait
Cancel Enabled
WATS 10 = No Speaker
Phone/Call Wait
Cancel Enabled
11 = No Speaker
Phone/Call Wait
Cancel Enabled
14 = Speaker
Phone/Call Wait
Cancel Enabled
15 = Speaker
Phone/Call Wait
Cancel Enabled

Lynx Plus Series Installation and Setup Guide
- 27 -
Data Field Descriptions
48
4848
48
REP
REP REP
REP
FRMT
FRMT FRMT
FRMT PRI
PRI PRI
PRI/SEC
/SEC/SEC
/SEC
Report Format for Primary/Secondary
This field is used to select the Primary and Secondary Report Format. (For an
explanation of these formats, see the System Communication section of this manual).
Notes: (1) The maximum number of alarm and alarm restore reports during one armed
period is determined by field ✻92.
(2) If 3+1 dialer reporting is to be used, Enter ✻ as the 4th digit of ✻43 through ✻44.
(3) If Option 5 is selected a 10-digit account number must be entered in Fields ✻43
or ✻44.
(4) Option 5 or 7 (ADEMCO Contact ID® Reporting) must be selected for AAV.
SELECTIONS
Primary Secondary
See choices below See choices below
0 = 3+1; 4+1 ADEMCO Low Speed Standard
1 = 3+1; 4+1 Radionics Standard
2 = 4+2 ADEMCO Low Speed Standard
3 = 4+2 Radionics Standard
5 = ADEMCO Contact ID® Reporting with 10-digit subscriber account number
6 = 4+2 ADEMCO Express
7 = ADEMCO Contact ID® Reporting with 4-digit subscriber account number
8 = 3+1; 4+1 ADEMCO Low Speed Expanded
9 = 3+1; 4+1 Radionics Expanded
49
49 49
49
SPLIT/DUAL
SPLIT/DUALSPLIT/DUAL
SPLIT/DUAL
REP
REP REP
REP
Split/Dual Reporting
This field is used to select a reporting option as follows:
Enter: 0 - 5 when reporting to telephone receivers.
6 - 9 when reporting to a pager is desired
10 - 13 when reporting to an aux telephone receiver.
Note: If you are installing a communications module that has voice communications
capability (i.e.; GSMVL), refer to Field ✻55 notes for additional information.
Pager Report Format
Options 6-9 send reports to the primary phone number, in a format defined in Field
✻48, and send reports to a pager, which has its phone number entered as the secondary
phone number in Field ✻42. The pager report is a 7-digit code, with optional 16-digit
prefix. For an explanation of the pager format, refer to the User Guide.
Follow Me System Report Format
Options 10-13 send reports to the primary phone number, in a format defined in Field
✻48, and sends voice message to the secondary phone number entered in Field ✻42.
The message is a repeatable system status announcement. If the manual paging option
has been programmed in Field ✻87, the message will repeat “system, system…..”. The
message can be terminated by pressing any key on the telephone keypad.
To Primary To Secondary
0 = All reports None, unless primary fails, then all
1 = Alarms, Restore, Cancel* Others
2 = All except Open/Close, Test Open/Close, Test
3 = Alarms, Restore, Cancel All
4 = All except Open/Close, Test All
5 = All reports All
To Primary To Paging Number
6= All reports except Open/Close Alarms, Open/Close ‡, Troubles
7= All reports Alarms, Troubles
8= All reports Alarms, Open/Close ‡, Troubles
9= All reports except Open/Close Open/Close ‡,
To Primary To Follow Me System Phone Number
10= All reports except Open/Close Alarms, Open/Close ‡, Troubles
11 = All reports Alarms, Troubles
12= All reports Alarms, Open/Close ‡, Troubles
13= All reports except Open/Close Open/Close ‡
*Recent close report is sent to primary number (LynxSIA Plus only)
‡ Will report Users 0, 5-8, and, if using wireless button-type devices, will report the zone number of the
arm or disarm button 26-33. All other zones and users are not reported.

Lynx Plus Series Installation and Setup Guide
- 28 -
Data Field Descriptions
Field ✻50: Field *50 is used to program different features in the Lynx Plus and LynxSIA Plus controls.
Please be sure that you use the correct field for the control being installed.
50
5050
50
15
15 15
15
SEC
SEC SEC
SEC
DIAL
DIAL DIAL
DIAL
DLY
DLYDLY
DLY
(This field applies only to
the Lynx Plus control)
15-Second Dialer Delay (Burglary) (This field applies only to the Lynx Plus control)
If enabled, provides delay of burglary report to the central station, and allows time for
the subscriber to avoid a false alarm transmission. The delay applies only to zone type 3
and 5 alarms and not to zone type 24 alarms (silent burglary) or to 24-hour zone types
6, 7, and 8 (silent panic, audible alarm, auxiliary alarm), which are always sent as soon
as they occur.
UL installations: must be 0 (no delay)
Lynx Plus SELECTIONS
0 = no dialer delay
1 = provide 15-second delay of burglary alarm report when armed away
50
5050
50
ABORT
ABORT ABORT
ABORT
WINDOW
WINDOWWINDOW
WINDOW
(This field applies only to
the LynxSIA Plus control)
Burglary Abort Window (This field applies only to the LynxSIA Plus control)
This field provides the option for an Abort Window for Burglary zone types that report
to the central station. This feature allows time for the subscriber to avoid a false alarm
transmission. This feature does not apply to zone type 9 or 16 alarms (Supervised Fire)
or to 24-hour zone types 6, 7, and 8 (silent panic, audible alarm, auxiliary alarm), which
are always sent as soon as they occur.
SIA The burglary abort window must be set to a minimum of 15 seconds. The sum of the
burglary abort window entered in ✻50 and the entry delays entered in either Field ✻35
or ✻36 should not exceed 1 minute.
Note: The LynxSIA Plus control validates the data entered in this field. If the selection is not
valid the control will emit a single long beep indicating that the selection has been
rejected. The control replaces the selection with the default value “2”, which is
displayed on the keypad, and advances to the next field.
LynxSIA Plus SELECTIONS
1 = 15-second abort window
2 = 30-second abort window
3 = 45-second abort window
51
5151
51
PERIOD
PERIOD PERIOD
PERIOD
TEST
TEST TEST
TEST
R
RR
RE
EE
EP
PP
P
Periodic Test Report
Test report code entered in field ✻64 is sent.
SELECTIONS
0 = no test report
1 = once every 24 hrs
2 = weekly
3 = once every 30 days
52
52 52
52
TEST
TESTTEST
TEST
REP
REP REP
REP
OFFSET
OFFSETOFFSET
OFFSET
First Test Report Offset
Select the time for the first report following pwer-up/programming or downloading.
SELECTIONS
0 = 24 hrs after exit program mode or download
1 = 6 hours after exit program mode or download
2 = 12 hrs after exit program mode or download
3 = 18 hrs after exit program mode or download
53
53 53
53
SESCOA
SESCOASESCOA
SESCOA/RADIONICS
RADIONICSRADIONICS
RADIONICS
Sescoa/Radionics Select
If disabled, selects Radionics, which uses hexadecimal 0-9, B-F reporting.
If enabled, selects Sescoa, which uses only numeric reporting (0-9). Select 0 for all other
formats.
SELECTIONS
0 = Radionics (0–9, B–F reporting)
1 = SESCOA (0–9 only reporting)

Lynx Plus Series Installation and Setup Guide
- 29 -
Data Field Descriptions
54
54 54
54
LACK
LACK LACK
LACK
OF
OF OF
OF
USAGE
USAGEUSAGE
USAGE
Lack of Usage Notification
If enabled, notifies the central station if an end user is not operating their security
system by sending a System Inactivity report 654. The report will be sent only to the
Primary phone number and only if Contact ID® format was selected.
Note: The report will follow the ✻49 = 0 rules, no matter which selection was made in ✻49.
SELECTIONS
0 = Disabled
1 = 1 day
2 = 7 days
3 = 27 days
4 = 90 days
5 = 180 days
6 = 365 days
Note: There is no local annunciation indicating that this report has been sent to the Central
Station.
Field ✻55: If AAV is enabled in ✻91, depending on Communication Channels programmed in ✻55, only the Reporting
options from the table below are available. They should be programmed as described in Dynamic Signaling (field ✻77). If
AAV is disabled in field ✻91, reporting option 5 is not available.
If Follow Me System of Pager features are selected, AAV will not be available even if enabled in ✻91 UNLESS
option 5 is selected in ✻55 (Radio only). If option 5 is selected in ✻55, AAV will be established on the primary
channel because Follow me System and Pager are not available on the radio’s audio channel.
The following table shows the only valid combinations of communication channels and reporting options. It is the
responsibility of the installer to ensure that a valid combination is programmed.
Reporting Option
AAV
Enabled? ✻55 Communication Channel
Primary Phone only Y/N 0 = Telco Line only (no radio) (see Note 1)
Redundant reports to both channels Y/N 1 = LRR/IP (Digital Communication only) and Telco Line (see Note 1)
Primary Phone is the preferred channel Y/N 1 = LRR/IP (Digital Communication only) and Telco Line (see Note 1)
LRR/IP is the preferred channel Y/N 1 = LRR/IP (Digital Communication only) and Telco Line (see Note 1)
LRR/IP Only N 3 = LRR/IP (Digital Communication only) (no Telco Line) (see Notes 2 & 3)
Y 5 = LRR/IP (Digital Communication w/AAV) (Telco Line connections for 2-way
voice session only, if applicable) (see Notes 2, 3, 4)
NOTES
1. AAV mode can be established only on Telco Line.
2. Follow me System and Follow me Reminder and Pager features are not supported. These features will not work if
selected in ✻49.
3. Speaker Phone and Remote Phone Access are not available. These features should be disabled in ✻47 and ✻91.
Download over the Phone Line feature is also unavailable.
4. AAV mode can be established only on LRR/IP (Digital Communication with AAV Capabilities)
Legend
LRR/IP (Digital Communication only) = Digital GSM Communication Channel
LRR/IP (Digital Communication with AAV) = GSM Communication Channel with voice capabilities (a radio with voice capabilities is required
to use the voice capabilities)
Telco Line = Land Phone Line
55
55 55
55
REPORT
REPORT REPORT
REPORT
CHANNELS
CHANNELSCHANNELS
CHANNELS
Reporting Channels
This option is used to enable/disable Central Station reporting via the LRR/IP
Communications Device (See Field ✻77). Upload/ download via the Internet IP module
is not affected by this entry. The option specifies the channel that the control will use
when sending reports to the Central Station (Follow Me Phone and Pager). Select some
or all channels as required.
IMPORTANT NOTE: Make sure that selected channels are physically available and
functional.
SELECTIONS
0 = Telco Line (no Radio)
1 = LRR/IP(Digital Communication only) and Telco Line
3 = LRR/IP (Digital Communication only) (no Telco Line)
5 = LRR/IP (Digital Communication with AAV) (Telco Line Connections for 2-way voice
session only, if applicable)

Lynx Plus Series Installation and Setup Guide
- 30 -
Data Field Descriptions
Field ✻57: Field *57 only applies to the LynxSIA Plus control. The control validates the data entered in this field. If
the selection is not valid the control will emit a single long beep indicating that the selection has been rejected. The
control replaces the selection with the default value, which is displayed on the keypad, and advances to the next field.
57
57 57
57
FALSE
FALSE FALSE
FALSE
ALRM
ALRM ALRM
ALRM
OPTS
OPTSOPTS
OPTS
(This field applies only to the
LynxSIA Plus control)
False Alarm Options (This field applies only to the LynxSIA Plus control)
Cancel Alarm Display
This option enables the display of aborted and cancelled alarms on the LynxSIA Plus
keypad. “CA” will be displayed.
Notes: (1) An abort occurs if the alarm panel is disarmed before it dials the alarm report to
the central station.
(2) A cancel occurs if the alarm panel is disarmed after the alarm is reported.
(3) Zone types 5, 6 and 7 (panic zone types) and 24 (silent burglary) cannot be
cancelled.
Auto Stay Arming
If this feature is enabled and the control panel has been armed “Armed Away” at the
Lynx Plus keypad or RF keypad, the system will switch to the “Armed Stay” mode if the
Exit Time has expired and no exit has been made.
Exit Time Restart-Exit Delay Restart/Reset
This option allows the control to restart the exit delay time
after arming in STAY mode by entering the User Code and pressing the STAY key (if
quick arming is disabled) or by pressing the STAY key (if quick arming is enabled).
This option also enables automatic exit delay reset, which resets exit delay if the
entry/exit door is re-opened and closed before exit delay time expires after arming.
Notes: (1) This avoids the need to disarm and then re-arm the system after allowing
someone to enter or exit.
(2) Automatic Exit Delay Reset occurs only once during an armed period.
LynxSIA Plus SELECTIONS
Value
Cancel
Alarm Display
Auto Stay
Arming
Exit Time
Restart/Reset
0 = Disabled Disabled Disabled
1 = Disabled Disabled Enabled
2 = Disabled Enabled Disabled
3 = Disabled Enabled Enabled
4 = Enabled Disabled Disabled
5 = Enabled Disabled Enabled
6 = Enabled Enabled Disabled
7 = Enabled Enabled Enabled
58
5858
58
RF
RF RF
RF
JAM
JAM JAM
JAM
DETECT
DETECTDETECT
DETECTION
IONION
ION
RF Jam Detection
For Event Logging, Option 2 must be selected. If the control detects an RF Jam
condition, a “FAULT” message appears for zone 90. The Contact ID® code for RF Jam is
344.
SELECTIONS
0 = no jam detection
1 = RF jam detection with event logging, but no central station report
2 = RF jam detection with event logging and with central station report (if trouble/restore
report is enabled in fields ✻60, ✻71)
SYSTEM STATUS AND RESTORE REPORT CODES PROGRAMMING (✻59 – ✻76, & ✻89)
Report Codes can be programmed using the interactive ✻56 Enhanced Zone Programming Mode, or entered in data
fields ✻59-✻76 and ✻89. Use the following guidelines when programming report codes. The actual report code digits
entered depend upon the particular installation, and should be in agreement with you and the Central Station that will
receive the signals. Field ✻59 is used to program different features in the Lynx Plus and LynxSIA Plus controls. Field
✻69 applies only to LynxSIA Plus controls. Please be sure that you use the correct field for the control being
installed.
With a 3+1 or 4+1 Standard Format: Enter a code in the first box: 1–9, A, B, C, D, E, or F. Enter "#+10" for A
(reports a “0” on some receivers), "#+11" for B, "#+12" for C, "#+13" for D, "#+14" for E, "#+15" for F. Entering "0" in the
first box will disable a report. Entering "0" in the second box results in automatic advance to the next field.
With an Expanded or 4+2 Format: Enter codes in both boxes (1st and 2nd digits) for 1–9, or A–F, as described above.
Entering "0" in the first box will disable a report. Entering "0" in the second box will eliminate the expanded message for
that report.

Lynx Plus Series Installation and Setup Guide
- 31 -
Data Field Descriptions
With ADEMCO Contact ID® Reporting: Enter a digit in the first box to enable the zone to report. Use a different
digit for each zone until you have used up available digits. If the number of zones exceeds the number of available
digits, begin with digit 1 again. This is an "enabling" code only and is not the actual code sent to the central station
office. Entries in the second boxes will be ignored. For system status (non-alarm) codes, enter a “1” in the first box for all
the system conditions you want to send to the central station. A "0" in the first box disables the report.
For the LynxSIA Plus control, the ✻
✻✻
✻59 Exit Error Report Code and ✻
✻✻
✻68 Cancel Report Code options are
always enabled. A report code can be entered if reporting formats other than Contact ID ® are used.
SYSTEM STATUS REPORT CODES (✻59–✻68)
59
59 59
59
EXIT
EXIT EXIT
EXIT
ERROR
ERROR ERROR
ERROR
REP
REPREP
REP
Exit Error Report Code (See notes above)
Lynx Plus ONLY
If the system is armed and an entry/exit or interior zone is still open after the exit delay
time has expired, an alarm will sound at the keypad and external sounder. If the system
is disarmed before the end of the entry delay that immediately follows, the alarm
sounding will stop and no message will be sent to the central station. The keypad will
display “CA Canceled Alarm”.
If an Exit Error report code is selected in this field and the system is not disarmed before
the end of the entry delay, and an entry/exit or interior zone is still open, an “exit alarm”
message will be sent to the central station. The keypad will display “EA Exit Error”, and
the alarm sounding will continue until the system is disarmed (or timeout occurs).
An Exit Alarm condition will also result if a fault occurs in an exit or interior zone within
2 minutes following the end of the exit delay, and an “Exit Alarm” message will be sent
to the central station.
If Contact ID® format has been programmed, the message will contain the zone number
and error code 374 (Trouble–Exit Error). If 4+2 format is used, the digit entered in this
field will be sent followed by the second digit of the programmed alarm code for that
zone.
If 3+1 or 4+1 format is used, only the digit entered in this field will be sent. This message
will go to the Primary Phone Number. No restore message will be sent under any of
these conditions,.
If “0” is entered in this field, no special message will be sent, only the regular alarm and
alarm restore code for the zone.
LynxSIA Plus ONLY
Always enabled however, a report code can be entered if reporting formats other than
Contact ID ® are used.
Note: The LynxSIA Plus control validates the data entered in this field. If the selection is not
valid the control will emit a single long beep indicating that the selection has been
rejected. The control replaces the selection with the default value “1”, which is
displayed on the keypad, and advances to the next field.
If the system is armed and an entry/exit or interior zone is still open, after the exit delay
time has expired, an alarm will sound at the keypad and external sounder, the keypad
will display “EA Exit Error” and the entry delay begins. If the system is disarmed before
the end of the entry delay that immediately follows, the alarm sounding will stop and no
message will be sent to the central station. Additionally, if the cancel display option was
enabled in field ✻57, the keypad will display “CA Canceled Alarm”.
If the system is not disarmed before the end of the entry delay, and an entry/exit or
interior zone is still open, an “Exit Error” message and a “Zone Alarm” message will be
sent to the central station. The keypad will display “EA Exit Error”, and the alarm
sounding will continue until the system is disarmed (or timeout occurs).
If Contact ID® format has been programmed, the message will contain the zone number
and error code 374 (Alarm–Exit Error).
6
66
60
00
0
TROUBLE
TROUBLE TROUBLE
TROUBLE
REP
REP REP
REP
CODE
CODECODE
CODE
Trouble Report Code (See notes above)
A Trouble Report will be sent if a zone goes into trouble.

Lynx Plus Series Installation and Setup Guide
- 32 -
Data Field Descriptions
61
6161
61
BYPASS
BYPASS BYPASS
BYPASS
REP
REP REP
REP
COD
CODCOD
CODE
EE
E
Bypass Report Code (See notes above)
A Bypass Report will be sent when a zone is manually bypassed.
62
62 62
62
AC
AC AC
AC
LOSS
LOSS LOSS
LOSS
REP
REP REP
REP
CODE
CODECODE
CODE
AC Loss Report Code (See notes above)
Timing of the AC Loss Report is random with up to a 4-hour delay. If AC restores before
the report goes out, there is no AC restore report.
63
63 63
63
LOW
LOW LOW
LOW
BAT
BAT BAT
BAT
REP
REPREP
REP
CODE
CODE CODE
CODE
Low Battery Report Code (See notes above)
Low Battery Report will be sent when a low battery condition exists in the system’s
standby battery.
64
64 64
64
TEST
TEST TEST
TEST
REP
REPREP
REPORT
ORTORT
ORT
CODE
CODE CODE
CODE
Test Report Code (See notes above)
Test Report is sent periodically to test that the communicator and phone lines are
operational (frequency of report is selected in field ✻51).
Note: The LynxSIA Plus control validates the data entered in this field. If the selection is not
valid the control will emit a single long beep indicating that the selection has been
rejected. The control replaces the selection with the default value “10”, which is
displayed on the keypad, and advances to the next field.
65
6565
65
OPEN
OPEN OPEN
OPEN
REP
REPREP
REPORT
ORTORT
ORT
CODE
CODECODE
CODE
Opening Report Code (See notes above)
This report is sent upon disarming of the system. If expanded or 4+2 reporting is
selected, the 2nd digit = user number.
66
6666
66
AWAY
AWAYAWAY
AWAY/STAY
STAY STAY
STAY
REP
REP REP
REP ORT
ORTORT
ORT
Arm Away Report Code (See notes above)
This option allows for independent programming of Away and Stay reports. If expanded
or 4+2 reporting is selected, the 2nd digit = user number.
Note: OPEN reports are not sent if the associated closing report is not enabled.
67
67 67
67
RF
RF RF
RF
TRANS
TRANS TRANS
TRANS
LB
LB LB
LB
REP
REPREP
REP
RF Transmitter Low Battery Report Code (See notes above)
This report is sent in the event that a wireless transmitter low battery condition exists.
Field ✻68-69: LynxSIA Plus Only - The control validates the data entered in fields ✻68-69. If the selection is not
valid the control will emit a single long beep indicating that the selection has been rejected. The control replaces the
selection with the default value, which is displayed on the keypad, and advances to the next field. Field ✻68 & ✻69 are
always enabled however, a report code can be entered if reporting formats other than Contact ID ® are used
68
68 68
68
CANCEL
CANCEL CANCEL
CANCEL
REP
REP REP
REP
CODE
CODECODE
CODE
Cancel Report Code (See notes above)
This report is sent upon disarming of the system after an alarm condition was reported.
69
6969
69
RECENT
RECENT RECENT
RECENT
CLOS
CLOS CLOS
CLOS
REP
REPREP
REP
(This field applies only to the
LynxSIA Plus control)
Recent Closing Report Code (This field applies only to the LynxSIA Plus control)
Recent Closing Report is sent when an alarm occurs within two minutes after exit
delay expires. Disarming the system within the two minutes stops the alarm sound and
the keypad displays the faulted zone number and “CA” if the cancel display option was
enabled in field *57. No messages are sent to the Central Station.
If the system is not disarmed within two minutes, the alarm sound continues and a
“Recent Closing” and a “Zone Alarm” message are sent to the Central Station (after dial
delay expires).
RESTORE REPORT CODES (✻70–✻76)
70
7070
70
ALARM
ALARM ALARM
ALARM
RES
RES RES
RES
REPORT
REPORTREPORT
REPORT
Alarm Restore Report Code (See notes above)
1st digit is sent when the zone that caused an alarm is restored to its non-faulted
condition. If expanded or 4+2 reporting is selected, 2nd digit is automatically sent as
the 2nd digit of the zone alarm report code programmed in field ✻56.
71
7171
71
TROUBLE
TROUBLE TROUBLE
TROUBLE
RES
RES RES
RES
REP
REPREP
REP
Trouble Restore Report Code (See notes above)
Report is sent when a trouble in a zone is restored.
72
7272
72
BYPASS
BYPASS BYPASS
BYPASS
RES
RES RES
RES
REP
REPREP
REP
Bypass Restore Report Code (See notes above)
Report is sent when a zone that has been bypassed is unbypassed.

Lynx Plus Series Installation and Setup Guide
- 33 -
Data Field Descriptions
73
7373
73
AC
AC AC
AC
RESTORE
RESTORE RESTORE
RESTORE
REP
REPREP
REP
AC Restore Report Code (See notes above)
Report is sent when AC power has been restored after an AC power outage.
74
7474
74
LO
LO LO
LO
BAT
BAT BAT
BAT
RES
RES RES
RES
REP
REPREP
REP
Low Battery Restore Report Code (See notes above)
Report is sent when a system low battery condition is restored to normal.
75
7575
75
RF
RFRF
RF
LO
LO LO
LOB
BB
BAT
AT AT
AT
R
RR
RES
ESES
ES
REP
REPREP
REP
RF Transmitter Low Battery Restore Report Code (See notes above)
Report is sent when a transmitter that previously sent in a “low battery” message has
sent a message indicating it no longer has a low battery condition.
76
7676
76
TEST
TEST TEST
TEST
R
RR
RES
ES ES
ES
RE
RERE
REPORT
PORTPORT
PORT
Test Restore Report Code (See notes above)
Report is sent when the test mode is exited. A restore code entered here will cause a
restore message to be sent when Test mode is exited.
Note: The LynxSIA Plus validates the data entered in this field. If the selection is not valid
the control will emit a single long beep indicating that the selection has been
rejected. The control replaces the selection with the default value, which is
displayed on the keypad, and advances to the next field.
To ensure that the Lynx Plus Series properly transmits its reports to the Central Station via the proper channel you must
program a Primary Phone Number in Field ✻41 and/or activate/deactivate the LRR/IP Communications Module in Field ✻55.
The 15-Second Dialer Delay (Burglary), programmed in Field in ✻50 is independent of the delay selected in Field ✻77 and
applies to both telephone and communications device.
DYNAMIC SIGNALING DELAY/DYNAMIC SIGNALING PRIORITY FIELD ✻77
Two report channels are used by the Lynx Plus Series to support the LRR/IP communications device and
dynamic signaling. For the primary channel the device can communicate via AlarmNet GSM/IP or Cellular
communications devices. Secondary phone is not affected by dynamic signaling scheme. Two programming
options are used to define dynamic signaling behavior. Field ✻55 is used to enable/disable the LRR/IP
communications device and allows it to supervise the communications module. The two-digit option
programmed in Field ✻77 defines how dynamic signaling will function. The Dynamic signaling options are
shown as follows:
Reporting Option
Enable/Disable
Device (Field ✻55)
Dynamic Signaling Delay/Dynamic Signaling
(Field ✻77)
Primary Phone only
Report is sent to Primary phone with No Dynamic Signaling
Delay
0 = Disable 1st Entry
* = Enter any digit
2nd Entry
* = Enter any digit except “2” as the second entry
LRR/IP only
Report sent to communications device with No Delay
1 = Enable) 1st Entry
* = enter any non zero digit as a first entry
2nd Entry
2 = LRR/IP reporting only
Redundant reports to both channels
Report independently goes to the Primary phone and LRR/IP
communications device with No Delay
1 = Enable 1st Entry
0 = Redundant reporting on dialer and
communication device
2nd Entry
* = enter any number as a second entry
Primary Phone is the preferred channel
First report is sent to the primary phone. If primary phone
fails to deliver report within the delay window defined in *77
all following reports go to both primary phone and
communications device with no delay. When report goes
through the primary phone, the control stops reporting to
communications device.
Note: The delay must be set to at least 30 seconds if Remote
Phone Control and/or AAV is enabled.
1 = Enable 1st Entry
* = Enter a delay for the first entry
2nd Entry
0 = Primary Dialer is the preferred channel
LRR/IP is the preferred channel
First report is sent to the communications device. If device
fails to deliver report within to deliver report within the time
window defined in *77 all following reports go to both LRR/IP
device and primary phone with no delay. When report goes
through the LRR/IP device, the control stops reporting to
primary phone.
1 = Enable 1st Entry
* = Enter any delay for the first entry
2nd Entry
1 = LRR/IP is the preferred channel

Lynx Plus Series Installation and Setup Guide
- 34 -
Data Field Descriptions
1. If the LRR/IP communications device is selected as the preferred channel option and the control detects a
communication failure or supervision failure, reports will be sent to the Primary Phone without any delay.
2. If AAV is selected and LRR/IP communications device is enabled, you must enter "0" (primary dialer preferred
channel) as the second entry in Field ✻77.
77
77 77
77
DYN
DYNDYN
DYNAMIC
AMICAMIC
AMIC
SIG
SIGSIG
SIG
OPTS
OPTSOPTS
OPTS
Dynamic Signaling Delay/ Dynamic Signaling Priority
Intended for use with LRR/IP communication device reporting.
1st Entry
Enables Dynamic Signaling Delay and allows you select the time-out period the panel
will wait for acknowledgment from the first reporting destination (preferred channel)
before it attempts to send a message to the second destination. This delay is per
message. Delays can be selected from 0 to 225 seconds, in 15-second increments. If 0 is
entered, the control panel will send redundant reports to both Primary Dialer and the
LRR/IP communications device.
2nd Entry
The second entry determines the alternate Central Station communication path that
will be initiated after the time-out period. It allows you to select the (Dynamic
Signaling Priority) preferred reporting channel.
Notes: (1) You must also enable/disable LRR/IP Device in field ✻55.
(2) If Remote Phone Access is enabled, and Primary Phone is used as a Preferred
Channel, Dynamic Signaling Delay should be at least 30 sec in order to prevent
duplicate reports.
(3) For UL installations Dynamic Signaling Delay cannot exceed 15 sec. If Primary
Phone is used as a Preferred Channel, duplicate reports may sent.
SELECTIONS
1st Entry (delay before switching Central Station reporting path)
0 = Redundant reporting
on dialer and LRR/IP
communications
device
1 = 15 seconds
2 = 30 seconds
2 = 30 seconds
3 = 45 seconds
4 = 60 seconds
5 = 75 seconds
6 = 90 seconds
7 = 105 seconds
8 = 120 seconds
9 = 135 seconds
#10 = 150 seconds
#11 = 165 seconds
#12 = 180 seconds
#13 = 195 seconds
#14 = 210 seconds
#15 = 225 seconds
2nd Entry
0 = Primary Dialer Preferred Channel
1 = LRR/IP Preferred Channel
2 = LRR/IP reporting only
7
77
78
88
8
PR
PRPR
PRO
OO
OG
G G
G
TONE
TONE TONE
TONE
GEN
GEN GEN
GEN
TM
TMTM
TM
Programmable Tone Generation Time
This field is used to set the time delay between when a connection is established on a
Radio (digital communication with voice capabilities) session to when the 2100 Hz
“training” tone is terminated. Enter any digit between 00 and 99.
Note: This field only applies when a GSMVL radio is installed in the control. Otherwise, enter “00” to
disable.
SELECTIONS
00 = Disabled
01-09 = 100-900 ms
10-99 = 1.0 – 9.9 secs.
86
8686
86
MULTI
MULTIMULTI
MULTI-
--
-MODE
MODE MODE
MODE
EMAIL
EMAIL EMAIL
EMAIL
Multi-mode (E-mail notification)
Enable if using AlarmNet Remote Services e-mail notification (multi-mode) feature.
The address(es) used must also be enabled in the AlarmNet communication device. For
more information refer to the instructions provided with the communications device
being installed.
SELECTIONS
0 = Disable multi-mode devices
1 = Enable multi-mode device address #6 only
2 = Enable multi-mode device address #7 only
3 = Enable multi-mode addresses #6 & #7

Lynx Plus Series Installation and Setup Guide
- 35 -
Data Field Descriptions
87
8787
87
AUX
AUX AUX
AUX
FUNC
FUNCFUNC
FUNC
1
111BTN
BTN BTN
BTN
PG
PGPG
PG
AUX Function/1-Button Paging
If “0” is entered, user can define a macro function for the AUX key. See user manual for
description of the use of this key.
If “1” is entered, you must also select an option in field ✻49. The options are 6-9 for the
pager or 10-13 for the follow me system announcement. The actual pager message is
999-9999. Note that the hyphen may not be displayed, depending on the pager service.
The manual follow me system announcement is a repeatable “System, System…..”.
Note: A macro cannot be run from the Test mode.
SELECTIONS
0 = Aux key performs defined function (macro)
1 = Aux key sends a voice message to Follow Me system phone number
8
88
88
88
8
PAGER CHARACTERS
PAGER CHARACTERSPAGER CHARACTERS
PAGER CHARACTERS
Pager Characters
If entered, these digits will appear in front of the 7-digit pager message sent by the
control (either upon a system event or upon pressing the AUX key, if programmed for
paging), and during latch key report (if enabled during scheduling). These digits can
consist of a PIN number, account number, pauses or special digits needed by the pager
(these types of characters are not displayed), or any other characters the user chooses
that will be displayed (e.g., using a character code to distinguish between control panel
messages and other pager messages).
You do not need to fill all 16 digits. Press [✻] + next field number to exit the field. To
clear the field, press ✻88✻.
Notes: 1. The AUX key Paging feature is enabled in field ✻87. For an explanation of the
pager format, refer to the User Guide.
2. Verify that the pager supports [*] and [#] characters before using them. Some
pagers require an additional delay [pause] in order to receive the entire
message.
SELECTIONS
Enter up to 16 digits that will appear in front of the 7-digit pager message.
Enter [#] + [11] for “*”
Enter [#] + [12] for “#”
Enter [#] + [13] for 2-second pause
89
8989
89
EVNT
EVNTEVNT
EVNT
LOG
LOG LOG
LOG
80
8080
80%
% %
%
REP
REPREP
REP
Event Log 80% Full Report Code (See notes above)
If an Event Logging selection is made in field ✻90, a message can be sent to the central
station receiver when the log is 80% full. If the log becomes full, a new message will
overwrite the oldest message in the log.
Note: All control and readout from the log, aside from the selection made by the installer in
field ✻90, is accomplished via the downloader.
90
9090
90
EV
EVEV
EVNT
NT NT
NT
LOG
LOG LOG
LOG
OPT
OPTOPT
OPTION
IONION
IONS
SS
S
Event Logging Options
The system has the ability to record various events in a history log (84-event capacity).
The types of events to be logged can be selected as indicated. At any time, the
downloader operator can then upload the log and view or print out all or selected
categories of the log. The log can also be cleared by the download operator.
The display/printout at the central station will show the date, time, event, and
description of the occurrences.
Note: System messages are logged when any non-zero selection is made.
Example: To select “Alarm/Alarm Restore” and “Open/Close,” enter 9 (1 + 8); to select
all events, enter #15.
Default “3” = alarm/alarm restore (1) plus trouble/trouble restore (2).
SELECTIONS
0 = No event logging
1 = log Alarm/Alarm Restore
2 = log Trouble/Trouble Restore
4 = log Bypass/Bypass Restore
8 = log Open/Close
x = log combination of events (add value of
entries)

Lynx Plus Series Installation and Setup Guide
- 36 -
Data Field Descriptions
91
9191
91
AAV/REM
AAV/REM AAV/REM
AAV/REM
PHN
PHN PHN
PHN
CTRL
CTRLCTRL
CTRL
Audio Alarm Verification (AAV)/ Remote Phone Control
This option is used to enable the Audio Alarm Verification and/or the Remote Phone
Control features.
Notes: (1) In order to activate the Remote Phone Control feature and defeat an answering
machine, ensure that the correct ring detection count (“15”) has been
programmed in field ✻95.
(2) Remote phone session will be terminated if a report must be sent.
(3) Alarm Audio Verification will only function when Contact ID® is selected. AAV
cannot be used for UL installations.
(4) If an alarm will be reported to primary and secondary phone numbers, AAV
can only function via the secondary number.
(5) If an alarm will be reported to a pager (6-8 in field ✻49), or to a follow me
phone number (10-12 in field ✻49) AAV cannot be used.
(6) If AAV is selected and LRR/IP communications device is enabled, you must
enter "0" (primary dialer preferred channel) as the second entry in Field ✻77.
(7) AAV and Remote Phone Control features can only be used if the central
station or remote phone supports DTMF commands.
SELECTIONS
0 = none
1 = AAV and remote phone control
2 = remote phone control only
4 = AAV only
Field ✻92: Field *92 is used to program different features in the Lynx Plus and LynxSIA Plus controls. Please be sure
that you use the correct field for the control being installed.
92
9292
92
#
REPS
REPSREPS
REPS
ARM
ARMARM
ARMED
EDED
ED
PER
PERPER
PER
(This field applies only to
the Lynx Plus control)
Number of Reports In Armed Period (This field applies only to the Lynx Plus control)
This option can be used to limit the number of messages (alarm & alarm restore
reports) sent by the Lynx Plus to the central station in an armed period.
UL installations: must be 1 (unlimited reports)
Lynx Plus SELECTIONS
0 = reports limited to a total of 10
1 = unlimited number of reports
92
9292
92
SWINGER
SWINGER SWINGER
SWINGER
SHUTDOWN
SHUTDOWNSHUTDOWN
SHUTDOWN
(This field applies only to
the LynxSIA Plus control)
Swinger Shutdown (This field applies only to the LynxSIA Plus control)
This option is used to define number of alarm reports sent for non-fire zones, after
which the LynxSIA Plus ignores subsequent alarms of the zone during the same armed
period. The zone swinger counter is reset after the zone alarm is erased from alarm
memory (after two CODE + OFF).
Note: The LynxSIA Plus control validates the data entered in this field. If the selection is not
valid the control will emit a single long beep indicating that the selection has been
rejected. The control replaces the selection with the default value, which is displayed
on the keypad, and advances to the next field.
LynxSIA Plus SELECTIONS
1 = shutdown after one alarm
2 = shutdown after two alarms

Lynx Plus Series Installation and Setup Guide
- 37 -
Data Field Descriptions
93
9393
93
FLEXBLE
FLEXBLE FLEXBLE
FLEXBLE
CALLBACK
CALLBACKCALLBACK
CALLBACK
Flexible Callback
Note: This feature only applies to telephone downloading
If enabled, the control will ignore the last 1, 2, or 3 digits of the programmed callback
number (field ✻94) during a single download session. This allows the download operator
to temporarily change the callback phone number by the number of digits selected,
which allows the control to call back similar, but different numbers during a single
session. For example, if downloading to a large number of controls, the operator can
command the controls to call back phone numbers 555-1111, 555-1112, 555-1113, etc.,
thus spreading the communications among several computers.
SELECTIONS
0 = no flexible callback
1 = last digit flexible
2 = last 2 digits flexible
3 = last 3 digits flexible
DOWNLOAD INFORMATION (✻94, ✻95)
94
9494
94
DOWNLOAD
DOWNLOAD DOWNLOAD
DOWNLOAD
PHONE
PHONE PHONE
PHONE #
Download Call Back Phone Number
This is the phone number the control will use to call back the downloading computer.
Do not fill unused spaces. End field by pressing ✻. To clear entries from field, press
✻94✻.
SELECTIONS
Enter up to 20 digits as follows: 0–9, # +11 for “*”, # + 12 for “#”, # + 13 for a pause.
95
9595
95
RING
RING RING
RING
DET
DETDET
DET
C
CC
COU
OUOU
OUNT
NTNT
NT
Ring Detection Count for Downloading/Remote Phone Control Mode
Enter “15” to select defeat answering machine mode. If an answering machine is on the
premises, you need to dial the premises and hang up on the first ring. Wait at least five
(5) seconds (but no more than 22 seconds) and dial the premises phone number again.
The control will pick up and announce “SYSTEM ENTER CODE” every three seconds.
Note: To enter a number higher than 9 you must first press the [#] key.
SELECTIONS
0 = disable station initiated download and remote phone
1-14 = number of rings before control picks up phone line
15 = defeat answering machine

Lynx Plus Series Installation and Setup Guide
- 38 -
✻56 Enhanced Zone Programming Mode
This is an interactive menu mode that is used to program zone numbers, zone types, alarm and report codes,
and to identify the type of loop input device. This mode can also be used for entering 5800 Series transmitter
serial numbers.
Note: There are two methods for entering transmitter serial numbers. The first method is by using ✻56 Enhanced Zone
Programming Mode (described below). The second method is by using ✻83 Enhanced Sequential Mode. Note that the
✻83 Enhanced Sequential Mode requires that all zone information first be entered using ✻56 Enhanced Zone
Programming mode.
While in Program mode, press ✻56 to enter Zone Programming Menu Mode. The following explains the ✻56
prompts in detail. The left column identifies the prompts and the right column provides an explanation of
the entries and lists the available entries.
1. ZT16 is only available on the LynxSIA Plus version of the control panel.
2. Prompts d, E, F, 1A, 1b, 1C, 1d, 1E, AND 1F do not apply to Zones 92, 95, 96 or 99.
3. Prompts d, E, F, 1A and 1b do not apply to Zone 1 (hardwire zone).
A
AA
A01
0101
01
ZONE
ZONE ZONE
ZONE
NUMBER
NUMBERNUMBER
NUMBER
Zone Number
Enter the 2-digit zone number to be programmed and the Voice Descriptor for the selected
zone number will be announced, if it is programmed. Press [✻] to advance to the next
field. Pressing 00 exits mode, upon which the prompt “56” blinks, indicating the mode is
inactive. Press [✻] + any field number to go to that field.
SELECTIONS
00 = Exit Zone Programming
01 = Hardwire Zone
02-25 = RF zones (only)
26-41 = Button zones (only)
92 = Duress
95, 96, 99 = Panic zones
b
ZONE
ZONE ZONE
ZONE
TYPE
TYPETYPE
TYPE
Zone Type
Each zone must be assigned to a 2-digit zone type, which defines the way in which the
system responds to faults in that zone. Press [✻] to advance to the next field or [#] to
return to previous prompt.
Notes: (1) ZT16 is only available on the LynxSIA Plus version
(2) ZT16 is not for use with manually actuated devices including fire, keypad or key
fob zones, or fire pull stations, or for heat detectors.
(3) If 00 is accepted as a zone type, save the 00 zone type and advance to the
confirm delete prompt (F).
SIA ZT 16 must be used in SIA fire applications.
SELECTIONS
00 = Not Used 09 = Fire without verification
01 = Entry/Exit #1 10 = Interior w/Delay
02 = Entry/Exit #2 14 = Carbon Monoxide
03 = Perimeter 16 = Fire with verification
04 = Interior Follower 20 = Arm–Stay
05 = Trouble Day/Alarm Night 21 = Arm–Away
06 = 24 Hr Silent 22 = Disarm
07 = 24 Hr Audible 23 = No Alarm Response
08 = 24 Hr Aux 24 = Silent Burglary
-
C
CC
C
REPORT
REPORT REPORT
REPORT
CODE
CODECODE
CODE
Report Code
Enter the report code for this zone. The report code consists of 2 hexadecimal digits, each
in turn consisting of 2 numerical digits. For example, for a report code of "3C", enter
[0][3] for "3" and [1][2] for "C". If this is Zone 95, 96 or 99, the system skips to the VOICE
DESCRIPTOR prompt (1C). Press [✻] to advance to the next field or [#] to return to
previous prompt.
Note: If “00” is entered as the first digit, there will be no report for that zone.
SELECTIONS
00-09 = 0-9
10 = A
11 = B
12 = C
13 = D
14 = E
15 = F

Lynx Plus Series Installation and Setup Guide
- 39 -
✻56 Enhanced Zone Programming Mode
d
INPUT
INPUT INPUT
INPUT
TYPE
TYPETYPE
TYPE
Input Type
Enter the input type for the transmitter assigned to this zone. Refer to the transmitter’s
instructions for input types of each transmitter. Press [✻] to advance to the next field or
[#] to return to previous prompt.
Notes: (1) RF type transmitters must remain within range of the receiver, otherwise a
supervision failure signal will occur.
(2) UR and BR type transmitters may be carried off premises (out of range without
causing a supervision failure.
(3) Zones 2-25 should be assigned Input Type 3 or 4. Zones 26-41 should be
assigned Input Type 5 only.
SELECTIONS
3 =RF (supervised RF) – sends periodic check-in signals, faults, restore and low battery
signals
4 = UR (unsupervised RF) – sends same as “RF” type, but control does not supervise the
check-in signals
5 = BR (button type) – sends only fault and low battery signals; does not send restores or
check-in signals
E
EE
E
LOOP
LOOP LOOP
LOOP#/AUTO
AUTO AUTO
AUTO L
LL
LEARN
EARNEARN
EARN
Loop Number or Loop and Serial Number
This prompt can be used to enroll the transmitter loop number and serial number via
RF transmission (if using RF Learning) or the loop number can be enrolled manually.
If using the RF Learning Mode, there is no need to manually enter a loop number.
Proceed directly to RF Learning
Notes: (1) BR type devices cannot be enrolled by using UR or RF type. Likewise, UR or RF
type devices cannot be enrolled by using a BR type device. There is a 52-
second time-out for RF enrolling. At the end of the time-out, the system returns
to the INPUT TYPE prompt (d). If enrolled, the loop number and “LEARNED”
are displayed.
(2) Once encrypted (high-security) devices have been enrolled they must be
activated. Refer to the device’s Installation Instructions to activate the High-
Security Mode.
RF Learning - For BR type devices (device type 5), 2 transmissions (2 key depressions)
at least 5 seconds apart will be required. Two beeps will sound after the second
transmission, confirming that the loop number and serial number have been learned.
For all other device types, four (4) transmissions are required (fault, restore and fault,
restore). A single beep will sound after the second transmission confirming that the loop
and serial number have been captured. Following the fourth transmission, the system
will confirm that the loop number and serial number have been learned and announce
the Voice Descriptor for the zone, if it is programmed, followed by two beeps. Press [✻]
to continue.
Manual Entry - Enter the desired loop number and press [✻] to continue (see the
transmitter’s Installation Instructions for specific loop designations).
Note: The loop number can be changed even if the zone has already been entered. Care
should be taken when using this feature as it has the capability to make zones
inoperable by creating a mismatch of a working serial number/loop number
combination. This should be re-confirmed if the loop number is changed.
“LEARNED” indicates that the zone’s serial number has already been enrolled.
SELECTIONS
1-4 = loop number for the zone of the transmitter being entered.
0 + [✻] = continue to DELETE ZONE PARAMETERS CONFIRMATION prompt (F)
[✻] = continue to the ENROLL MODE prompt (1A) if not entered, or VOICE DESCRIPTOR
prompt if already entered
[#] = return to previous prompt

Lynx Plus Series Installation and Setup Guide
- 40 -
✻56 Enhanced Zone Programming Mode
F
FF
F
DELETE
DELETE DELETE
DELETE
ZONE
ZONEZONE
ZONE
Delete Zone Parameters Confirmation
This function deletes either the serial number or all zone information that is
programmed for the zone.
If “00” was entered in the zone type, the confirmation of the delete request will delete
all information associated with the zone currently being programmed.
If “0” was entered in the loop number, the confirmation of the delete request will delete
the serial number of the zone currently being programmed.
SELECTIONS
0 = discard the delete request
1 = confirm requested delete
Note: If 00 was entered as a zone type in prompt (b), 00 will be retained and system will
advance to prompt (1C).
IA
IA IA
IA
ENROLL
ENROLL ENROLL
ENROLL
MODE
MODEMODE
MODE
Enroll Mode
This prompt can be used to confirm or enter a serial number. If “L” is displayed
following “1A”, the serial number for this transmitter has already been entered. It may,
however, still be viewed, confirmed (only if in listen mode), or deleted. If “L” is not
displayed following “1A”, the serial number for this transmitter has not been previously
entered. You may enter the serial number manually, copy the previous serial number,
return to Prompt (E) or enter the serial number later using the ✻83 Enhanced
Sequential Mode.
Confirm serial number - The serial number/loop number combination can be
confirmed after one transmission from a BR type device or two transmissions (fault and
restore) from a UR or RF type device. If a transmission is received that matches the
serial number and loop number entered, the system will confirm the reception by
announcing the Voice Descriptor for the zone, (if programmed), followed by three beeps,
and a “C” will appear on the display indicating the received serial number and loop
number have been confirmed. No further transmissions will be received.
Delete serial number - The serial number can be deleted by entering “9”.
Manual entry - Enter "1" to advance to Serial number prompt (1b).
Copy the previous serial number - Enter “2” to copy the previous serial number
entered.
Return to Prompt (E) - Enter “#” to return to Loop Number prompt (E).
Enter transmitter later - Enter “0” or “✻” if you wish to enter the transmitter later,
using the ✻83 Enhanced Sequential Mode described later in this manual.
Notes: (1) Option 1 is not applicable if the serial number is already present.
(2) If Option 2 is entered and this is the 1st zone, no serial will be in the buffer and
the panel will emit a long beep. Not valid if serial number is already present.
(3) Options 3 and 9 are only valid if “L” is displayed. If “L” is not displayed, panel
will emit a long beep.
(4) The panel will listen only when it is in the idle loop waiting for key entry and a
serial number has been entered. If a key is entered, the function must be
completed and the panel will listen again.
(5) A long beep indicates illegal entry or duplicate serial number/loop entry.
SELECTIONS
0 = advance to the VOICE DESCRIPTOR prompt (1C) and save all zone parameters.
1 = enter now and proceed to SERIAL NUMBER prompt (1b).
2 = copy the last serial number entered into local ram.
9 = advance to F; delete existing serial number.
[✻] = advance to the VOICE DESCRIPTOR prompt (1C). This will save all zone parameters.
[#] = return to the LOOP NUMBER prompt (E).

Lynx Plus Series Installation and Setup Guide
- 41 -
✻56 Enhanced Zone Programming Mode
I
IIIb
SERIAL
SERIAL SERIAL
SERIAL
NUMBER
NUMBERNUMBER
NUMBER
Serial Number
This prompt can be used only to manually enroll a serial number. RF enrollment will be
rejected and the current zone descriptor will be announced, followed by a single long
beep and the system will return to prompt (1A).
Enter the 7-digit serial number printed on the transmitter. If an incorrect digit is
entered, press the [#] key to backup to prompt (1A) and start over. When all 7 digits are
entered, press the [✻] key.
If 52 seconds passes and no entry has been made, the system returns to prompt (1A).
Notes: (1) If the serial and loop number combination is already present the keypad will
emit a single long beep and the system will return to the (1A) prompt and “L” will
be displayed.
(2) If less than 7 digits have been entered, the keypad will emit a single long beep
and return to the (1A) prompt without displaying the “L”.
(3) If more than 7 digits have been entered, the first 6 digits will be saved along with
the last digit that was entered (entering 123456789 yields the serial number
1234569).
SELECTIONS
Enter the transmitter’s 7-digit serial number.
[✻] = return to prompt 1A, (if a valid serial number has been entered, the "L" is displayed
and the serial number will be copied into EEROM from the last serial entered into the
buffer.)
[#] = return to prompt 1A and reject any serial numbers entries that have been made.
IC
ICIC
IC
ZONE
ZONEZONE
ZONE
DECRIPTOR
DECRIPTORDECRIPTOR
DECRIPTOR
Voice Descriptor
This prompt is used to select a voice descriptor. Each zone can have a voice descriptor of
up to 3 words that will be announced whenever the system announces status for that
zone.
SELECTIONS
0 = skip to next zone (A)
1 = enter descriptor mode; existing descriptor for this zone will be announced
I
IIId
Note: System displays 2-
digit selection &
alpha descriptor OR
99 “No selection”
Descriptor 1
This prompt is used to enter a Voice Descriptor. Enter [#] + 2-digit vocabulary index
number † of first descriptor word for this zone. Use the [6] or [8] key to advance to
descriptor 2 or to next zone. To change the entered index number before pressing [6] or
[8], simply press [#] + desired 2-digit vocabulary index number. If descriptor 1 is not
desired, enter [#] + 99 (blank), then press [8] to return to zone number prompt.
† see ✻84 Assign Zone Voice Descriptors section for vocabulary index
SELECTIONS
Enter [#] + 2-digit vocabulary index number † of first descriptor word for this zone.
6 = accept word and advance to descriptor 2 (descriptor 2 will be announced)
8 = accept word and advance to next zone (prompt A) – entire zone descriptor will be announced
Press any other key to repeat the selected word
IE
IEIE
IE
Note: System displays 2-
digit selection &
alpha descriptor OR
99 “No selection”
Descriptor 2
This prompt is used to enter a Voice Descriptor. Enter [#] + 2-digit vocabulary index
number † of second descriptor word for this zone. Use the [6] or [8] key to advance to
descriptor 2 or to next zone. To change the entered index number before pressing [6] or
[8], simply press [#] + desired 2-digit vocabulary index number. If descriptor 2 is not
desired, enter [#] + 99 (blank), then press [8] to return to zone number prompt.
† see ✻84 Assign Zone Voice Descriptors section for vocabulary index
SELECTIONS
Enter [#] + 2-digit vocabulary index number † of first descriptor word for this zone.
6 = accept word and advance to descriptor 2 (descriptor 2 will be announced)
8 = accept word and advance to next zone (prompt A) – entire zone descriptor will be announced
Press any other key to repeat the selected word

Lynx Plus Series Installation and Setup Guide
- 42 -
✻56 Enhanced Zone Programming Mode
IF
IFIF
IF
Note: System displays 2-
digit selection &
alpha descriptor OR
99 “No selection”
Descriptor 3
This prompt is used to enter a Voice Descriptor. Enter [#] + 2-digit vocabulary index
number † of third descriptor word for this zone. Use the [6] or [8] key to advance to
descriptor 2 or to next zone. To change the entered index number before pressing [6] or
[8], simply press [#] + desired 2-digit vocabulary index number. If descriptor 2 is not
desired, enter [#] + 99 (blank), then press [8] to return to zone number prompt.
† see ✻84 Assign Zone Voice Descriptors section for vocabulary index
SELECTIONS
Enter [#] + 2-digit vocabulary index number † of first descriptor word for this zone.
6 = accept word and advance to descriptor 2 (descriptor 2 will be announced)
8 = accept word and advance to next zone (prompt A) – entire zone descriptor will be announced
Press any other key to repeat the selected word

Lynx Plus Series Installation and Setup Guide
- 43 -
✻80 Device Programming Menu Mode
Powerline Carrier Devices (e.g.; X10 brand devices) are programmable switches that can be used to perform
many different functions, such as turning lights on and off, controlling sounders, or for status indications.
In this system, each device must be programmed to perform a function (ACTION), when to activate
(START), and when to deactivate (STOP). Each function is described below. Signals from the control panel
are sent via the K10145X10 transformer or the PL513 Powerline Interface Module through the premises AC
wiring to the Powerline Carrier Devices (which are plugged into AC outlets). Devices plugged into Powerline
Carrier Devices can then be made to perform various functions in response to commands entered at the
keypads in the security system. The control supports a total of 8 output devices. This mode is also used to
program Remote Services Multi-mode (e-mail) event triggers.
UL
ULUL
UL Powerline Carrier Devices have not been evaluated by UL.
Programming Options Defined
The following will help you understand the programming of output devices when using ✻80 and ✻81 modes.
ACTION – The “ACTION” programming determines how the device will respond when it is activated by the
“START” programming. There are four different choices of actions:
• ACTIVATE for 2 SECONDS and then reset.
• ACTIVATE and REMAIN ACTIVATED until stopped by some other event.
• PULSE ON and OFF until stopped by some other event.
• NOT USED when the device is not used.
START - The “START” programming determines when and under what conditions the device will be
activated. The following “START” options are available:
Start by Event - An event is the condition (alarm, fault, trouble) that must occur to a zone or group of zones
(zone list) in order to activate the device. These conditions apply only when a zone list is used. The different
choices for “EVENT” are listed below and in the “Programming Powerline Carrier Devices” paragraph that
follows.
• ALARM - Device activates upon any alarm in an assigned zone in the zone list.
• FAULT - Device activates upon any opening or short in an assigned zone in the zone list.
• TROUBLE - Device activates upon any trouble condition in an assigned zone in the zone list.
• NOT USED - Device action is not dependent upon one of the above events.
A zone list is a group of zones to which the “EVENT” applies in order to activate a particular device. There
are a total of 3 output device-related zone lists that can be programmed in ✻81 menu mode. When the
selected EVENT (alarm, fault or trouble) occurs in any zone in the selected “Start” ZONE LIST (1, 2, or 3),
activation of the selected device will START.
Start by Zone Type or System Operation
If a system operation, such as “DISARMING” or “ANY FIRE ALARM,” is to activate the device, the
appropriate choice would also be entered under the “ZONE TYPE” option. “ZONE TYPE” is used
independently of the “EVENT/ZONE LIST” combination.
If a “ZONE TYPE” is chosen, any zone of that response type going into alarm, trouble, or fault will cause the
device to activate as selected in “ACTION.” If the same “ZONE TYPE” is also chosen for the STOP
programming, any zone of that type that restores will de-activate the device.
If a “SYSTEM OPERATION” is chosen (e.g., End of Exit Time), that operation will cause the device to
activate as selected in “ACTION”. The different choices for “ZONE TYPE” and “SYSTEM OPERATION” are
listed in the “Start zone type” paragraphs later in this section, and in the Programming Form.
STOP - The “STOP” programming determines when and under what conditions the device will be deacti-
vated. The following options are available:
Upon Restore of a Zone List - Restore Zone List: If a “ZONE LIST” is used as the “Stop” event, the device
will de-activate when all the zones in that list restore from a previous fault, trouble, or alarm condition.
This will occur regardless of what is programmed to "START" the device; therefore, a “RESTORE ZONE
LIST” would normally only be used when a “ZONE LIST” is used to start the device.

Lynx Plus Series Installation and Setup Guide
- 44 -
✻80 Device Programming Menu Mode
Upon a Zone Type or System Operation - Zone Type/System Operation: Instead of using a “RESTORE
ZONE LIST”, a specific zone (response) type or system operation action can be selected to de-activate the
device.
If a specific “ZONE TYPE” is chosen, any zone of that response type that restores from a previous alarm,
trouble, or fault condition will cause the device to de-activate.
If a “SYSTEM OPERATION” is chosen, that operation will cause the device to de-activate.
During normal system operation, any devices may be:
• Manually started by keypad entry of: Code* + [#] + 4 + “nn;” OR
• Manually stopped by keypad entry of: Code* + [#] + 7 + “nn,” where “nn” = the 2-digit device
number to be controlled.
* Code is required for devices 07 and 08. For devices 01-06, code is not required. See User Manual for more
information.
Programming Powerline Carrier Devices
While in Program mode, press ✻80 to enter Device Programming Menu Mode. This mode is used to
program all output devices used in the system. Refer to the output device table for ✻80 on the
separate programming form when programming output devices.
Note: The House ID of the Powerline Carrier Devices must be entered in data field ✻25.
The following explains these prompts in detail. The left two columns identify the prompts and list the
available entries. The right-most column provides a further explanation of the entries.
Note: Entering a number other than one specified will give unpredictable results.
ZT16 is only available on the LynxSIA Plus version of the control panel.
80
8080
80
DEVICE
DEVICE DEVICE
DEVICE
PROG
PROG PROG
PROG
MENU
MENUMENU
MENU
Powerline Carrier Device Programming
Entering “0” exits mode, upon which this prompt blinks, indicating that the mode is
inactive. Entering “1” advances to the next prompt below.
SELECTIONS
0 = exit mode
1 = enter mode
A01
A01A01
A01
DEVICE
DEVICE DEVICE
DEVICE
NUMBER
NUMBERNUMBER
NUMBER
Device Number
Enter the 2-digit device number to be programmed.
SELECTIONS
01-08 = X10 device number to be programmed
09-16 = Multi-mode (e-mail) event triggers
[✻] = continue
00 = exit Device Programming mode
b
DEVICE
DEVICE DEVICE
DEVICE
ACTION
ACTIONACTION
ACTION
Device Action
Enter the 1-digit device action (0-3) for the device being programmed (current action is
displayed).
Notes: (1) If “3” is entered (pulse), only up to 3 different devices can be pulsed if one of
the devices is a siren/horn (X10 Powerhouse Security model SH10A). In
addition, the siren/horn cannot be manually activated using the lights on/lights
off keypad commands.
(2) If using an X10 Powerhouse Security SH10A siren, you must use device action
“3” and change the device action default to “3” (if using default table 2 or 4).
SELECTIONS
0= No response
1 = Close for 2 seconds
2 = Close and Stay Closed
3 = Continuous Pulse on & off (1 sec ON, 1 sec OFF)
[✻] = continue
[#] = return to previous prompt

Lynx Plus Series Installation and Setup Guide
- 45 -
✻80 Device Programming Menu Mode
C
CC
C
START
START START
START
EVENT
EVENT EVENT
EVENT
TYPE
TYPETYPE
TYPE
Start Event Type
Enter the 1-digit start event type (0-3) to activate the device being programmed. A zone
list must be used in conjunction with an event. If a zone type/system operation is to be
used instead of an event, enter “0”.
SELECTIONS
0 = Not used
1 = Alarm
2 = Fault
3 = Trouble
[✻] = continue
[#] = return to previous prompt
d
STAR
STARSTAR
START
T T
T
ZONE
ZONE ZONE
ZONE
LIST
LISTLIST
LIST
Start Zone List
If a zone list will be used to start the device action, enter the 1-digit zone list number for
the device being programmed.
SELECTIONS
1-3 = zone list number (to be programmed in field ✱81)
0 = zone list not used for this device
[✻] = continue
[#] = return to previous prompt
E
EE
E
START
STARTSTART
START
ZONE
ZONE ZONE
ZONE
TYPE
TYPETYPE
TYPE
Start Zone Type
If a zone type or system operation will be used to start the device action, enter the
appropriate 2-digit code for the device being programmed (see table that follows).
Choices for zone types
00 = Not Used 07 = 24 Hr Audible
01 = Entry/Exit #1 08 = 24 Hr Aux
02 = Entry/Exit #2 09 = Fire without verification
03 = Perimeter 10 = Interior w/Delay
04 = Interior Follower 14 = Carbon Monoxide
05 = Trouble Day/Alarm Night 16 = Fire with verification (SIA Only)
06 = 24 Hr Silent 24 = Silent Burglary
Choices for system operation
20 = Arming–Stay 38 = Chime
21 = Arming–Away 52 = Kissoff
22 = Disarm. (Code + OFF) 39 = Any Fire Alarm
31 = End of Exit Time 40 = Bypassing
32 = Start of Entry Time 42 = System Battery Low
33 = Any Alarm (except ZT 08, 09, 14 or 16) 43 = Communications Failure
36 = At Bell Timeout** 58 = Duress
** Or at Disarming (which ever occurs earlier)
SIA ZT 16 must be used in SIA fire applications.
SELECTIONS
01-58 = zone type to start this device action (select only those that are applicable
00 = zone type not used for this device
[✻] = continue
[#] = return to previous prompt
F
FF
F
STOP
STOP STOP
STOP
ZONE
ZONE ZONE
ZONE LIST
LIST LIST
LIST
Stop Zone List
If a zone list will be used to STOP, or restore, the device action, enter the zone list
number 1, 2, or 3 (to be programmed in ✻81 mode). If not used, enter “0”.
SELECTIONS
1-3 = zone list to stop this device action
0 = zone list not used
[✻] = continue
[#] = return to previous prompt

Lynx Plus Series Installation and Setup Guide
- 46 -
✻80 Device Programming Menu Mode
1A
1A1A
1A
STOP
STOP STOP
STOP
ZONE
ZONE ZONE
ZONE
TYPE
TYPETYPE
TYPE
Stop Zone Type
If a zone type or system operation will be used to STOP the device action, enter the
appropriate 2-digit code (see the "ZT" choices listed above). If not, enter 00. The display
then returns to the DEVICE NUMBER prompt (A) so that you can enter the next device
number to be programmed, or enter [0][0] to end device programming.
SELECTIONS
01-58 = zone type to stop this device action (select only those that are applicable
00 = zone type not used for this device
[✻] = continue
[#] = return to previous prompt

Lynx Plus Series Installation and Setup Guide
- 47 -
✻81 Zone List Menu Mode
While in Program mode, press ✻81 to enter Zone List Menu Mode. This mode is used to program zone lists
for output devices (programmed in ✻80 Device Programming Menu Mode) or Chime-by-Zone in Zone List 3.
The following explains these prompts in detail. The left two columns identify the prompts and list the
available entries. The right-most column provides a further explanation of the entries.
Notes: (1) Any list may include any or all of the systems zone numbers
(2) A zone list can be assigned to more than one Powerline Carrier Device
(3) Entering a number other than one specified will give unpredictable results.
(4) Do not assign zones with zone types 20, 21 or 22 to a zone list.
(5) LynxSIA Plus ONLY
Zone List 2 should be used for Cross Zoning. When creating zone list 2 for cross zoning, include only 2
zones assigned to zone types 3, 4, or 5. If interior zones (zone type 4) are cross zoned, then both
zones in zone list 2 must be interior zones. Do not cross zone more than 2 zones, or zone types that
have delays (entry/exit zones, interior w/delay), or 24-hour zones, as these choices may produce
unpredictable operation and may not function as intended. If cross zoning is used, zone list 2 should
not be used for other purposes, such as triggering powerline carrier devices. If field ✻39 has been set
to “0” (no cross zoning), then Zone List 2 can be used for other purposes.
81
8181
81
ZONE
ZONE ZONE
ZONE
LISTS
LISTS LISTS
LISTS
MENU
MENUMENU
MENU
Zone List Programming
Entering “1” advances to the next prompt below. Entering “0” exits mode, upon which
this prompt blinks, indicating the mode is inactive.
SELECTIONS
0 = exit mode
1 = enter mode
A01
A01A01
A01
ZO
ZOZO
ZONE
NENE
NE
LIST
LIST LIST
LIST
NUMBER
NUMBERNUMBER
NUMBER
Zone List Number
Enter the Zone List Number 01, 02, or 03 to program (or 00 if no zone lists are used).
Note: Use Zone List 3 for Chime by Zone feature.
SELECTIONS
01-03 = zone list number to be programmed
00 = exit Zone List mode
[✻] = continue
b
ZN
ZN ZN
ZN
ENTRY
ENTRYENTRY
ENTRY
TO
TO TO
TO
LIST
LIST LIST
LIST
Zone entry to list
Enter the 2-digit zone number for each zone number to add to the zone list by first
entering the zone number, then the [✻] key (for example, 01✻ 02✻ 03✻). The system will
announce the Voice Descriptor for the selected zone, if it is programmed. After all
desired zones are enrolled, enter “00” to advance.
SELECTIONS
01-41, 95, 96, 99 = zone numbers to add to zone list
[✻] = accept zone number and enter the next zone number
00 = accept zone number(s) and continue to next prompt
C
CC
C
DEL
DEL DEL
DEL
WHOLE
WHOLEWHOLE
WHOLE
ZN
ZN ZN
ZN
LST
LSTLST
LST
Delete Entire Zone List
Enter “1” to delete the zone list. All zones in the zone list will be deleted automatically
and programming will return to the ZONE LIST NUMBER prompt. Enter “0” to save the
zone list or delete specific zones from the list.
SELECTIONS
0 = don’t delete; continue to next prompt
1 = delete the current zone list
d
DEL
DELDEL
DEL
1 ZN
1 ZN 1 ZN
1 ZN
FRM
FRM FRM
FRM
LST
LST LST
LST
Delete Zones from List?
Enter “0” to save the entire zone list. Programming will return to the ZONE LIST
NUMBER prompt. Enter “1” to delete a zone or zones in a zone list.
SELECTIONS
1 = continue to delete zones prompt
0 = don’t delete; continue to next zone list number prompt (A01)
[#] = return to zone list number prompt (A01)

Lynx Plus Series Installation and Setup Guide
- 48 -
✻81 Zone List Menu Mode
E
EE
E
DELETE
DELETE DELETE
DELETE
ZONES
ZONESZONES
ZONES
Delete Zones
Enter each 2-digit zone number to be deleted from the current zone list, followed by the
[✻] key. When deleting a zone(s) from the zone list, if the selected zone has a Voice
Descriptor programmed, upon deletion it will be announced as a confirmation that it has
been deleted. After all zones to be deleted are entered, enter “00” to return to the ZONE
LIST NUMBER prompt so that another list can be programmed, if desired.
SELECTIONS
[✻] = delete zone and enter next zone to be deleted
00 = delete zone and return to next zone list number prompt (A01) desired)

Lynx Plus Series Installation and Setup Guide
- 49 -
✻83 Enhanced Sequential Mode
By using this mode, you can add, delete, or change the serial number of a transmitter in a zone, but retain
all other existing data that has been programmed for that zone. Note that the ✻83 Enhanced Sequential
mode requires that all zone information must first be entered using the ✻56 Enhanced Zone Programming
mode for all zones below zone number 26 (4 button key area).
Certain button-type transmitters have more than one button (e.g., 5804). Note that each button must be
assigned to a different zone. Similarly, the 5816 Transmitter has contact terminals and a reed switch for use
with a magnet. If using both, each must also be assigned to a different zone.
This means that the procedures that follow must be repeated for each button-type zone below zone number
26 or contact on the transmitter. Four zone button-type devices are held in zones 26 and above. They will be
started on boundaries of zones 26, 30, 34, and 38. These four zone button-type devices will have the option to
have all information entered in this field. One entry will set the loop number, report code, zone type, and
input device type for all 4 buttons, and a second entry will enter one serial number into four zones.
The following explains these prompts in detail. The left column identifies the prompts and lists the available
entries. The right column provides a further explanation of the entries.
Notes: (1) Use this mode only after all other zone information has been programmed, including transmitter loop numbers
except for button-type zones over zone number 26. The panel will stop at zones 26, 30, 34 and 38 and zone data
can be entered as a default here
(2) Any zone which already has a serial number learned in will not be accessible in ✻83 Enhanced Sequential mode.
(3) Entry of a number other than one specified will give unpredictable results.
(4) In Enhanced Sequential Mode, 4 button type keys will always be enrolled simultaneously. They will be stopped at
the 4 button boundaries of 26, 30, 34 and 38, provided the zone is free of a serial number. If the first zone of the
key has a serial number enrolled, the remaining keys cannot be programmed in sequential mode. In addition, if
the zone has not been set up (duplicate loop, missing zone type, etc.) only entries 0 (skip to the next zone) and 4
(copy the key template) will be allowed.
(5) You may find it convenient to adjust the volume setting before entering the Programming Mode. This will allow
you to clearly hear feedback announcements or system beeps.
A0
A0A0
A02
22
2
ZONE
ZONE ZONE
ZONE
NUMBER
NUMBERNUMBER
NUMBER
Zone Number
Enter the 2-digit zone number of the first transmitter to have its serial number entered.
The system will announce the Voice Descriptor for the selected zone number, if it is
programmed.
Press [✻] to continue. Starting with this zone number, the system will search for the first
transmitter that has all of the following attributes pre-programmed in ✻56 ENHANCED
ZONE PROGRAMMING:
a) The appropriate input type was selected in ✻56 (RF, UR, or BR programmed)
b) The appropriate loop number was selected in ✻56.
c) No serial number has been programmed
d) Zone type
If the first zone number entered does not have one or more of the above attributes, the
system will search its database for the first zone that does, and will display it at the
enroll SERIAL NUMBER prompt (1b).
Enter 00 to exit. Prompt “83” blinks, indicating the mode is inactive.
Note: Two exceptions to the requirement above exist for keys. Four zone button type
devices (zone numbers 26, 30, 34, and 38) will be stopped only if there are no serial
numbers enrolled in all 4 zones of the key, regardless of the attributes that have been
entered. In addition, zone types are not required to be present. In this case, 1A,
Option 4 must be selected prior to “Learn”.
SELECTIONS
Enter 2-digit zone number.
[✻] = continue; system searches for zones not yet entered (for zones 2 through 25 a zone
type must be entered), then advances to ENROLL SERIAL NUMBER prompt “1b”
00 = exit Sequential mode

Lynx Plus Series Installation and Setup Guide
- 50 -
✻83 Enhanced Sequential Mode
IA
IAIA
IA
ENROLL
ENROLL ENROLL
ENROLL
MODE
MODEMODE
MODE
Enroll Mode
This prompt is used to enter, view or confirm a serial number. If “L” is displayed, the
serial number for this transmitter has already been entered; however, it may still be
confirmed, viewed or deleted.
Enter serial number - If the transmitter’s serial number has not been previously
entered, you may enter the enroll serial number mode (1A) by entering “1”.
Copy serial number - Enter “2” to copy the last serial number that was entered. A
serial number must be entered in order to be copied. If no serial is stored in the buffer
and a copy is attempted the panel will emit a long beep indicating an invalid operation.
View serial number - If the transmitter’s serial number has been previously entered,
you may, view the present serial number by entering “3”. If view is selected each digit
will be re-displayed, and the keypad will beep once for digits 1-6, and three times for the
last digit. Once the serial number has been entered by either selecting a “1” or a “2”, you
will return to this prompt with the “L” on the display. The serial number/loop number
combination that was entered can be confirmed by getting two transmissions (fault and
restore) from the RF or UR device or one transmission from the BR device. If a
transmission is received that matches the serial number and loop number entered, the
system will announce the Voice Descriptor for the loop followed by three beeps, and a “C”
will be displayed indicating that the received serial number and loop number trans-
mission has been confirmed to match. No further transmissions will be received. When
confirming a 4 button key, only the serial number is confirmed, since it assumed that all
loops are used. Pressing any key will allow a confirmation.
*Long beep indicates illegal entries, or duplicate serial number/loop entry*
When the last zone has been entered, the display will remain on that zone. To exit this
mode and return to data field program mode, enter 00 at the ZONE NUMBER prompt.
When all zones have been programmed, test each zone using the system’s Test mode. Do
not use the Transmitter ID Sniffer mode for this, since it will only check for transmission
of one zone on a particular transmitter, and not the zones assigned to each additional
loop.
For Zones 26-29, 30-33, 34-37, and 38-41 any loop can be used for RF enrollment. If
enrolling via RF, it will be confirmed without additional transmissions.
Notes:
(1) A valid template or key has 4 existing zones, each with a zone type, unique loop
number.
(2) Option 2 is not applicable for 4 button key zones 26-29, 30-33, 34-37, & 38-41.
(3) If the display automatically returns to "1A" rather than "1b" the configuration of the key is
not valid. At that point copy template, skip, or return are the only legal entries.
(4) If option 3 or 9 is selected, the serial number can be viewed or deleted but only if “L” is
displayed. If the “L” is not displayed the panel will emit a long beep.
(5) If option 4 is selected template acceptance is indicated by two beeps after copying. A
single long beep, emitted when copying indicates the template is not valid.
SELECTIONS
0 = advance to next zone to be enrolled
1 = enter now and proceed to SERIAL NUMBER prompt (1b). For 4 button keys (zones 26-
29, 30-33, 34-37, & 38-41) the serial number will be enrolled to all four buttons. If enrolling a
key, the panel will emit a long beep when entering a 1 to indicate that the present key set up
is invalid.
2 = copy the previous serial number entry from the buffer.
3 = view existing serial number.
4 = copy the 4 button key template that has been set in zone numbers 26-29 (all zone
parameters except serial numbers). (Only valid on zones 30-33, 34-37, & 38-41 that do not
have serial numbers enrolled.)
9 = delete existing serial. Go to the (1A) prompt. For 4-button key, zones 26-29, 30-33, 34-
37, & 38-41 have serial numbers. Delete all four at one time.
[✻] = advance to next zone to be enrolled
[#] = return to previous prompt (A)

Lynx Plus Series Installation and Setup Guide
- 51 -
✻83 Enhanced Sequential Mode
I
IIIb
SERIAL
SERIAL SERIAL
SERIAL
NUMBER
NUMBERNUMBER
NUMBER
Serial Number
This prompt can be used to enroll the transmitter serial number via RF transmission or
manually. If using the RF Learning Mode there is no need to manually enter a serial
number. Proceed directly to RF Learning. Upon entering the Serial Number mode, the
Zone Descriptors will be announced.
Note: BR type devices can be enrolled only by transmission from BR devices. Likewise, UR
and RF devices can only be enrolled by transmission from a UR or RF device
RF Learning
Two (2) transmissions (2 key depressions) at least five seconds apart, will be required for
BR type or four (4) transmissions (fault, restore and fault, restore) for UR or RF type. If
the learned serial number has a different loop number than that entered in ✻56 the
system will announce the Voice Descriptor, if it is programmed, followed by two beeps
and will return to Prompt (1A) and “L” will be displayed.
If the loop number captured by RF transmission and that entered in ✻56 mode match,
the system will announce the Voice Descriptor, if it is programmed, followed by three
beeps and return to Prompt (1A) and “LC” will be displayed. No additional
transmissions are needed for confirmation.
Manual Entry
Enter the 7-digit serial number printed on the transmitter. If you enter an incorrect
digit, press the [#] key to backup to prompt (1A) and start over. When all 7 digits are
entered, press the [✻] key. If less than 7 digits are entered, the keypad will emit a single
long beep and return to the (1A) prompt without displaying the “L”.
If more than 7 digits have been entered, the first 6 digits will be saved along with the
last digit that was entered (entering 123456789 yields the serial number 1234569).
Note: The system will return to prompt (1A) if an entry is not made within 52 seconds.
SELECTIONS
Enter transmitter’s 7- digit serial number via RF learning or manually.
[#] = return to (1A) prompt and reject whatever serial number entries have been made.
[✻] = return to (1A) prompt (if a valid serial number has been enrolled, “L” is displayed and
the serial number will be copied into EEROM and the last serial entered buffer.
Note: For zones 26, 30, 34 and 38 only BR type devices can be used.
F
FF
F
DELETE
DELETE DELETE
DELETE
ZONE
ZONEZONE
ZONE
CONF
CONF CONF
CONF
Delete Serial Number
This function deletes only the serial number. Entering a “9” at prompt (1A).
Confirmation of the delete request will cause deletion of the serial number pertaining to
the zone being programmed.
Note: Entering a “9” at prompt (1A) will cause the panel to return to prompt (1A) regardless
of the confirmation answer.
SELECTIONS
0 = discard the delete request
1 = confirm requested delete
Note: In Enhanced Sequential Learn Mode, 4 button type keys will always be learned simultaneously. They will be stopped at
the 4 button boundaries of 26, 30, 34 and 38, provided the zone is free of a serial number. If the first zone of the key
has a serial number learned, the remaining keys cannot be programmed in sequential learn mode. In addition, if the
zone has not been set up (duplicate loop, missing zone type, etc.) only entries 0 (skip to the next zone) and 4 (copy
the key template) will be allowed.

Lynx Plus Series Installation and Setup Guide
- 52 -
✻84 Assign Zone Voice Descriptors
Use this mode to assign voice descriptors for each zone. These are the descriptors that are announced
when the system announces any event involving a zone number. Each descriptor can consist of up to
3 words. To access this mode, Enter ✻84 while in Programming mode. The following explains these
prompts in detail. The left column identifies the prompts and lists the available entries. The right
column provides a further explanation of the entries.
Note: Entering a number other than the one specified will give unpredictable results.
84
8484
84
ZONE
ZONEZONE
ZONE
VOICE
VOICE VOICE
VOICE
DESC
DESCDESC
DESC
Assign Zone Voice Descriptors
Entering “1” advances to the next prompt below. Entering “0” exits mode, upon which
prompt “84” blinks, indicating the mode is inactive.
SELECTIONS
0 = exit mode
1 = enter mode
A
AA
A
ZONE
ZONE ZONE
ZONE
NUMBER
NUMBERNUMBER
NUMBER
Zone Number
Enter the 2-digit zone number for which this descriptor is being assigned, then press [✻].
The Voice Descriptor for the selected zone will be announced, if it is programmed.
SELECTIONS
[✻] = continue to next prompt (any existing descriptors will be announced, then descriptor
1 will be repeated)
00 = exit voice descriptor mode
b
DESCRIPTOR 1
DESCRIPTOR 1DESCRIPTOR 1
DESCRIPTOR 1
.
Descriptor 1
Enter the first word of the descriptor for the selected zone. Use the [6] or [8] key to
advance as described. To change the entered index number before pressing [6] or [8],
simply press [#] + desired 2-digit vocabulary index number. If descriptor 1 is not
desired, enter [#] + 99 (blank), then press [8] to return to zone number prompt.
SELECTIONS
Enter [#] + 2-digit vocabulary index number of first descriptor word for this zone.
6 = accept word and advance to descriptor 2 (descriptor 2 will be announced)
8 = accept word and advance to prompt (A) for next zone. Press any other key to repeat the
selected word.
C
CC
C
DESCRIPTOR 2
DESCRIPTOR 2DESCRIPTOR 2
DESCRIPTOR 2
Descriptor 2
Enter the second word of the descriptor for the selected zone. Use the [6] or [8] key to
advance as described. To change the entered index number before pressing [6] or [8],
simply press [#] + desired 2-digit vocabulary index number. If descriptor 1 is not desired,
enter [#] + 99 (blank), then press [8] to return to zone number prompt.
SELECTIONS
Enter [#] + 2-digit vocabulary index number of second descriptor word for this zone.
6 = accept word and advance to descriptor 3 (descriptor 3 will be announced)
8 = accept word and advance to prompt (A) for next zone. Press any other key to repeat the
selected word.
d
DESCRIPTOR 3
DESCRIPTOR 3DESCRIPTOR 3
DESCRIPTOR 3
Descriptor 3
Enter the last word of the descriptor for the selected zone. Use the [6] or [8] key to
advance as described. To change the entered index number before pressing [6] or [8],
simply press [#] + desired 2-digit vocabulary index number. If descriptor 3 is not desired,
enter [#] + 99 (blank), then press [8] to return to zone number prompt.
SELECTIONS
Enter [#] + 2-digit vocabulary index number of third descriptor word for this zone.
6 or 8 = accept word and advance to prompt (A) for next zone. Zone descriptor will be announced.
Press any other key to repeat the selected word.

Lynx Plus Series Installation and Setup Guide
- 53 -
✻84 Assign Zone Voice Descriptor
VOICE VOCABULARY INDEX
00 ½ second pause
A
82 ALARM
32 ATTIC
B
01 BABY
33 BACK
34 BASEMENT
35 BATHROOM
36 BEDROOM
C
83 CHECK
D
37 DELAY DOOR
38 DEN
02 DETECTOR
03 DINING
39 DINING ROOM
04 DOOR
40 DOWNSTAIRS
05 DRIVEWAY
E
06 EAST
41 EIGHT
42 EMERGENCY
F
43 FAMILY ROOM
87 FIRE
44 FIRE DETECTION
07 FIRST FLOOR
45 FIVE
08 FLOOR
46 FOUR
47 FRONT
G
48 GARAGE
49 GUEST ROOM
09 GUN
H
50 HALL
I
10 INSIDE
K
51 KITCHEN
L
11 LAUNDRY
52 LAUNDRY ROOM
12 LIBRARY
13 LIVING
53 LIVING ROOM
M
14 MAIN
15 MASTER
54 MASTER
BEDROOM
55 MEDICAL
84 MESSAGE
56 MOTION
DETECTOR
N
57 NINE
16 NORTH
58 NURSERY
O
59 OFFICE
60 ONE
17 OUTSIDE
P
61 PATIO
62 POLICE
18 POOL
R
63 REAR
19 ROOM
S
64 SECOND FLOOR
65 SEVEN
20 SHED
21 SHOP
66 SIDE
67 SILENT POLICE
68 SIX
69 SLIDING
22 SMOKE
23 SOUTH
24 STORAGE
85 SYSTEM
T
25 THIRD FLOOR
75 THREE
76 TRANSMITTER
77 TWO
U
78 UPSTAIRS
26 UTILITY
79 UTILITY ROOM
W
27 WEST
80 WINDOW
Y
28 YARD
Z
81 ZERO
86 ZONES
29 1st
30 2nd
31 3rd
70 Custom Word #1
71 Custom Word #2
72 Custom Word #3
73 Custom Word #4
74 Custom Word #5
99 Blank
(for erasing a previously
programmed word)
SYSTEM WORDS
AC LOSS
ARMED
AWAY
BYPASSED
CARBON MONOXIDE
CHIME
DISARMED
DISARM SYSTEM
NOW
EXIT NOW
FAULT
INSTANT
LOW BATTERY
NOT
READY TO ARM
STAY
Notes: (1) If button type device is used to Arm Away, Arm Stay, and disarm the system it is recommended to assign
“Check” and “Zones” voice descriptors to each of the three zones. This will allow the system to announce
“Check Zones” “Low Battery” if the button device has a low battery.
(2) If a Wireless Keypad is being installed along with this system, not all the voice descriptors shown on this list can
be announced by keypad. (Refer to the Wireless Keypad documentation for further information).

Lynx Plus Series Installation and Setup Guide
- 54 -
✻85 Record Custom Voice Descriptors
Use this mode to record up to 5 custom voice descriptors. To enter this mode, enter ✻85 while in
Programming mode.
Note: Entering a number other than one specified will give unpredictable results.
85
8585
85
REC
REC REC
REC
VOICE
VOICE VOICE
VOICE
DESCR
DESCRDESCR
DESCR
Assign Custom Voice Descriptors
Entering “1” advances to the next prompt below. Entering “0” exits mode, upon which
“85” prompt blinks, indicating the mode is inactive.
SELECTIONS
0 = exit mode
1 = enter mode
A
AA
A
CUSTOM
CUSTOM CUSTOM
CUSTOM
DESC
DESCDESC
DESC
#
Custom Descriptor Number
Record up to 5 custom words. Enter 7 + d + [✻]
Note: d = 0-4, each representing custom word 70, 71, 72, 73, or 74, respectively. Any
existing word will be announced
Press [#] to start recorder. Begin speaking immediately after the third beep. Speak the
desired word clearly near the microphone. Recording stops after 1.5 seconds.
SELECTIONS
0 = exit mode
1 = enter mode
6 = accept word and ready to record next descriptor prompt (A….7d)
[#] = re-record descriptor
00 = exit Record mode after pressing 6 to accept word
Press any key to repeat the recorded word.

Lynx Plus Series Installation and Setup Guide
- 55 -
Remote Programming/Control (Downloading)
General Information
The control panel can be remotely programmed from an IBM-compatible Personal Computer (PC), Compass
Downloader, a HAYES Modem or via a capable GSM or IP communications device.
UL
ULUL
UL Downloading may only be performed if a technician is at the site.
Multiple security levels protect remote programming against compromise by attempts to defeat the system.
1. Security Code Handshake: An 8-digit download ID code must be matched between the Control and
downloader.
2. Site-Initiated Remote Programming: The installer or subscriber initiates the call from the subscriber
premises by entering the Installer Code + # + 1, while the system is disarmed. All parameters can then be
downloaded via the phone lines using a personal computer.
3. Station-Initiated Remote Programming: The operator calls the site from your office to initiate the
download call. The Control hangs up and then calls back the PC via the preprogrammed telephone
number. The unit can then be uploaded, downloaded, or controlled from your office.
4. Telco Handoff: The installer or subscriber performs a download session on the call initiated from the
site or from local laptop computer by entering the Installer or Master Code + # + 1 at the control panel.
5. Data Encryption: Data passed between the PC and the Control is encrypted for security so that it is
very difficult for a foreign device tapped into the phone line to take over communication and substitute
system-compromising information.
Equipment required to download to a system at the premises
• An IBM PC compatible computer and appropriate interconnecting cables.
• Either a HAYES brand SMARTMODEM 1200 (Level 1.2 or higher external or Level 1.1 or higher [with 4
position DIP switch] internal style), a HAYES brand Optima 336 external, a HAYES brand Optima 24
Plus FAX96, or an Ademco CIA Modem or via a capable GSM or IP communications device.
• Compass Downloader for Windows (at revision level supporting Lynx Plus Series).
Initial Download: Enter Installer Code + # + 5. This sets field ✻95 to 4 rings, and system to “no call-back”
option. The download computer can then call the subscriber, make connection, and download all
programming data.
Flexible Callback: If enabled in field ✻93, the download operator can temporarily change the last 1, 2, or 3
digits (depending on selection) of the call back number. This allows the control to call back a computer other
than the one programmed, which may be helpful at times of high computer traffic. Refer to 93 Flexible
Callback programming field for additional information.
Remote Programming Information
If using Remote Programming, the Lynx Plus Series must be connected to the telephone line or to the
Internet, as applicable.
The downloading system can perform many functions when in communication with the Control. Besides
uploading and downloading, the status of the system can be observed and various commands can be
initiated, as follows:
• Arm the system in the away mode; disarm the system.
• Bypass a zone.
• Force the system to accept a new program download.
• Shut down communication functions (for nonpayment of monitoring fees in an owned system).
• Shut down all security system functions (for nonpayment for a leased system).
• Inhibit local keypad programming (prevents account takeover).
• Command the system to upload a copy of its resident program to the office.
• Set the time
• View/Modify
• X10/ Scheduling

Lynx Plus Series Installation and Setup Guide
- 56 -
Remote Programming/Control (Downloading)
• Read: arming status, AC power status, lists of faulted zones, bypassed zones, zones currently in alarm,
zones currently in trouble, and RF sensors with low battery conditions; read control’s time.
Notes: (1) After the control and the PC have established valid communication, the keypad will become inactive and will
display “CC Modem Comm.”
(2) The keypad will become active after the download communication is terminated.
(3) The detailed operation of the download functions is covered in the installation instructions for the Compass
Downloader for Windows.
Remote Programming Advisory Notes
• Keypad entries are ignored during the time interval stated above.
• A copy of the program downloaded may be printed using the IBM PC-compatible computer’s internal
report generator, when an optional printer is connected (consult your PC manual for proper printer and
connections).
• Program upload or download time is approximately one minute, fifteen seconds for a complete program.

Lynx Plus Series Installation and Setup Guide
- 57 -
System Operation
Keypad Operation
The keypad allows the user to arm and disarm the system, and perform other system functions, such as
bypassing zones. Zone and system conditions (ALARM, trouble, bypass) are displayed on the keypad. When
an alarm occurs, keypad sounding and external sounding will occur, and the zone(s) in alarm will be
displayed on the keypad. Pressing any key will silence the keypad sounder for 10 seconds (only once).
Disarming the system will silence both keypad and external sounders. When the system is disarmed, any
zones that were in an alarm condition during the armed period will be displayed (memory of alarm). To
clear this display, simply repeat the disarm sequence by entering the Security Code and pressing the OFF
key. The keypad also features chime annunciation, and 3 panic key pairs for silent, audible, fire or personal
emergency alarms. These keys can notify the central station of an alarm condition, if that service is
connected.
Panic Keys
There are three panic key pairs that, if programmed, can be used to manually initiate alarms and send a
report to the central station. Each can be individually programmed for 24-hour silent, audible, personal or
fire emergency responses. The panic function is activated when both keys of the appropriate key pair are
pressed at the same time. The panic functions are identified by the system as follows:
Keys Displayed as Zone
[1] & [✻] 95
[✻] & [#] 99
[3] & [#] 96
Important: For the silent panic functions
to be of practical value, the system must be
connected to a central station.
Security Codes
Installer Code
The installer programs the 4-digit Installer Code initially as part of the programming procedure. The
factory default Installer Code is 4-1-1-2, but may be changed in field ✻20. The Installer Code is the
only code that allows entry into Programming mode and also, in normal operation mode, is used to
enter the Master Code, which allows access to the normal functions of the system.
Master Code
In normal operation mode, the Installer Code is used to enter the 4-digit Master Security Code.
Enter/change the Master code by installer.
At the keypad enter: Installer Code + [CODE key] + [02] + desired 4-digit Master Code
Change the Master code by master user.
At the keypad enter: Current Master Code + [CODE key] + [02] + new Master Code + new Master Code
again
Secondary User Codes
In normal operation mode, the Master Security Code can be used to assign up to 6 secondary 4-digit security
codes, including a Babysitter Code and a Duress Code. The Master Code can also be used to remove
secondary codes from the system (individually).
Assign (or change) a secondary security code.
At the keypad enter: Master Code + [CODE key] + User # (03–08) + desired Secondary Code
The system will emit a single beep when each secondary code has been successfully entered.
Delete a secondary security code.
At the keypad enter: Master Code + [CODE key] + User # (03–08)

Lynx Plus Series Installation and Setup Guide
- 58 -
System Operation
Security Code Notes
• The Master and Secondary security codes permit access to the system for arming, disarming, etc.
• The Installer Code can disarm the system only if it was used to arm it. In addition, the Installer Code cannot
disarm the system if it was armed by pressing and holding a Quick-Arm button.
• The Babysitter Code (User Code No. 7) can disarm the system only if it was used to arm it. In addition, the
Babysitter Code cannot disarm the system if it was armed by pressing and holding a Quick-Arm button.
• Duress code (User Code No. 8) sends a special code to the monitoring station when used to perform any system
operation. Instruct users to be careful not to use this code for normal usage. If the duress code is programmed, you
must enter a report code for Zone 92 (duress).
• If a secondary code is inadvertently repeated for different users, the lower user number will take priority.
• Opening/closing reports are sent for the Installer Code as No. 01, with the appropriate subscriber number. Master
Code and set of secondary user codes are sent as Nos. 02 and 03–08, respectively, in Contact ID® format (with the
appropriate user number); in 4 + 2, it is 1–8. Quick arming (and open/close executed by downloader) is reported as
user 00.
“Follow Me” Reminder Feature
This feature allows the user to schedule a time driven message. When activated, the system will dial a phone
number that the installer programs in Field ✻46, and deliver a voice message (custom words 72, 73, and 74).
The Lynx Plus Series will immediately begin transmitting the voice message and will repeat the message for
45 seconds. Pressing any touch-tone key on the answering phone will acknowledge the message ending the
session and preventing the system from redialing the programmed number. Delivery of a reminder message
on the local Lynx Plus Series keypad will continue. If the message has timed out the system will redial the
programmed number a maximum of seven additional times or until it is acknowledged. Pressing any key on
the Lynx Plus Series keypad will terminate (acknowledge) both the follow me reminder and the local
reminder announcements.
Notes: (1) This feature is only supported if programmed in field ✻49.
(2) The follow me reminder will be terminated if any other event requires the system to dial out, or if an audible
alarm has occurred, however, delivery of the local schedule reminder message will continue.
“Follow Me” System Announcement Feature
This feature allows the Lynx Plus Series to deliver a voice system message to the secondary phone number
programmed by the installer. The Lynx Plus Series will first transmit reports to the Central Station and
after receiving its kiss-off the system will dial the secondary phone number and begin transmitting the voice
message. This message is a repeatable system status announcement. Like the Follow Me reminder, pressing
any key on the answering telephone or the local Lynx Plus Series keypad will terminate (acknowledge) the
message. The system will dial the secondary phone number a maximum of eight times. The Follow Me alarm
functions may be triggered by a variety of events depending upon the selections made during programming
in field ✻49.
Note: The follow me system announcement will be terminated if any other event requires the system to dial out or if an
audible alarm has occurred.
Remote Phone Control Feature
The remote phone control feature, which must be enabled in field ✻91, allows the user to access the security
system from any off-site touch-tone telephone. The control will pick up the incoming call, based on the ring
count specified in field ✻95, and will announce “SYSTEM ENTER CODE” every three (3) seconds for the
next eight (8) seconds. During this period the panel will wait for a valid User Code to be entered. If a valid
User Code is not entered or the eight (8) second period expires a modem tone will be generated for remote
programming (Compass Downloading). If a valid User Code has been entered, the control will announce the
current system status and/or beeping sounds. Refer to the User Guide for additional information regarding
this feature.

Lynx Plus Series Installation and Setup Guide
- 59 -
System Operation
Exit Error Alarm Displays
The system will display the following if programmed in Field *59. Entering a second Code + OFF sequence will
clear the display.
Display Meaning
CA
Alarm Cancelled
Appears along with a zone indication if an exit or interior zone contained a fault during
closing at the time the exit delay ended (e.g., exit door left open), but the system was
disarmed during the entry delay time. The alarm sounder and keypad sound
continuously, but stop when the system is disarmed. No message will be transmitted to the
central station.
EA
Exit Error
Appears along with a zone indication if an exit or interior zone contained a fault during
closing when the exit delay ended, but the system was NOT disarmed during the entry
delay time. The alarm sounder and keypad sound continuously until the system is disarmed
(or timeout occurs). An Exit Alarm message is sent to the central station. OR if an alarm
from an exit or interior zone occurs within two minutes after the end of an exit delay
System Displays
Display Meaning
PC
Remote Phone
Remote Phone Control feature is active (Appears in place of the clock).
PH
Speakerphone
System Speaker Phone mode is active (Appears in place of the clock).
EE
Invalid Entry
Displayed when an invalid entry is made.
Phn
Follow Me Phone#
Displayed when programming a Follow Me Phone Number.
EE
Invalid Entry
Data entry error (invalid field number entered while programming. Re-enter a valid field
number).
System Trouble Displays
Display Meaning
CC
Modem Comm
Appears when the system is communicating with the central station for change of function or
status verification.
d1
StandBy
Displayed approximately 4 seconds after power-up. After approximately 1 minute* the green
“READY” LED should light and the real-time clock will appear. If the “d1” remains displayed
for more than 1 minute, the system is disabled.
*To bypass the 1-minute delay, press [#] + [0].
Important: Do not try to bypass 1minute delay before “d1” is displayed!
FC
Comm Fail
Appears when a communication failure has occurred. This message clears only when the
system is subsequently armed.
90
RF Jam
Appears when the system has detected an RF jamming condition or excessive interference.
00
RF Keypad
Indicates a problem with an RF keypad (i.e.; keypad low battery).
No display If there is no keypad display at all, and the LED indicators are not lit, operating power for
the system has stopped and the system is inoperative.
If the display is lit and the AC display is off, the system is operating on battery power only.
During an AC power loss, the backlighting will turn off and the indicators will flicker slightly
to minimize deep discharge of the battery.

Lynx Plus Series Installation and Setup Guide
- 60 -
System Operation
The following words or phrases define conditions on specific zones or individually displayed system status
conditions.
Display Meaning
Fault A malfunction is discovered in the system; or an open is detected in a fire zone; or a fault
in a day/night burglary zone is discovered during a disarmed period. Accompanied by a
display of the zone number in trouble. The fault condition may also be caused by some
change in the environment that prevents the built-in receiver from receiving signals from
a particular wireless sensor.
After correcting the problem, the display can be cleared by entering the security code plus
the OFF key twice.
Fault 103 Indicates one of the following:
• control panel lost communication with the communications module
• communications module tamper detected (cover removed)
• primary communications path failure
• radio is not registered; account not activated
• primary power loss
• secondary communications path failure
• battery charger failure
• low battery
ALARM System is armed and an intrusion has been detected (also appears during a Fire Alarm or
audible emergency alarm). Accompanied by the protection zone that is in alarm.
FIRE A Fire Alarm or Fire Fault is present. Accompanied by a display of the zone that
is in alarm
CO Displayed when a Carbon Monoxide Alarm or Fault is present.
No AC AC power is not present. If displayed, the system is operating on backup battery power.
Stay Perimeter Burglary zones, such as protected windows and doors, are armed
Away All burglary zones, interior and perimeter, are armed.
StayInst or AwayInst Entry delay is turned off.
Bypass One or more burglary protection zones have been bypassed.
Chime Chime feature is active (displayed only when the system is disarmed)
Lowbat Displayed with no zone number indicates that the system’s backup battery is weak.
Displayed with a zone number and a once-per-45 seconds “beeping” at the keypad indicates
that a low battery condition exists in the wireless sensor displayed (zone “00” indicates a
wireless button/keypad). If the battery is not replaced within 30 days, a “FAULT” display
may occur.
Msg A message has been recorded and has not yet been played back.
Rec The system is in Recording mode.
Test in Progress System is in Test mode.
4 Hr End of Test LynxSIA Plus Only – Displayed during the final five minutes of the system test.
Ready or NotReady System status displayed only when the system is disarmed
Exit Now System has been armed and the exit delay is active
bF Indicates Communications Module failure (displayed on RF Keypad only)

Lynx Plus Series Installation and Setup Guide
- 61 -
System Operation
UL
ULUL
UL
Audio alarm verification has not been evaluated by UL.
Audio Alarm Verification (Two-Way Voice Feature)
This feature allows the central station operator to listen, talk to or conduct a two-way conversation with an
individual(s) at the premises. It also assists the operator in gathering information about the nature and
location of the alarm that may be helpful in responding to police and fire departments. All Lynx Plus Series
control panels are capable of supporting the Two-Way Voice feature. The Lynx Plus Series does not make
system announcements when the Two-Way voice feature is active.
Activation
Fire and CO alarms will not trigger an AAV session. A new Fire or CO alarm will end an AAV session that is
in progress.
The Lynx Plus Series sends the “alarm message” followed by a “Listen-in-to-Follow message” (Contact ID®
code 606) to the Central Station. The Listen-in-to-Follow message causes the Central Station’s digital
receiver to temporarily hold the phone line for approximately 1-minute. When the Lynx Plus Series receives
the “kissoff” from the central station, indicating that the alarm message has been received, the Two-Way
Voice (AAV) feature is activated in the (default) “Listen Mode” and sirens and keypad sounds are
discontinued. The Lynx Plus Series transmits a beep acknowledgment to the Central Station, once per
second. The beep alternates between two tones and indicates that the Lynx Plus Series is waiting for a
session command from the Central Station operator. Once a command is issued the beep acknowledgement
is discontinued, however, if a command is not issued within two minutes the system will “time out” and the
call will be terminated.
Operator Commands
The Central Station operator begins the session, which last 5 minutes, by entering one of the valid AAV
commands shown in the table below. The session may be extended 5 minutes, without changing the
operating mode, by pressing the [7] key on the touch-tone phone. Selecting another operating mode also
resets the session an additional 5 minutes. During the last minute of the 5 minute, session, the Lynx Plus
Series generates two beeps every 30 seconds to alert the Central Station operator that the session is about to
time out. The Central Station operator may then extend the session by pressing the [7] key on the touch-tone
phone. If the session is not extended the phone line is disconnected, and the session is ended. Sessions may
be ended at any time by pressing the [9] key on the touch-tone phone. The AAV modes are described as
follows:
Note: When entering AAV commands make sure the Central Station receiver has been disconnected from the
phone line, otherwise AAV commands may not go through.
Key Function
1 Talk Mode: Pressing the [1] key on the touch tone phone, enables one-way voice communication from the
central station to the violated premises, and allows the operator to talk communicate through the Lynx Plus
Series speaker. In this mode the ARMED (red) and READY (green) LEDs blink alternately.
2 VOX (Voice) Mode: Pressing the [2] key on the touch-tone phone, enables two-way voice communications
between the central station and the violated premises. In this mode the ARMED (red) and READY (green)
LEDs blink alternately.
3 Listen Mode: Pressing the [3] key on the touch-tone phone, enables one-way audio from the violated premises
to the central station. The Listen Mode is the start up default mode of the voice feature and allows the
operator to listen through the Lynx Plus Series microphone. This mode does not affect the existing LED
pattern.
7 Extends the session 5 minutes without changing its operating mode.
9 Ends the session and disconnects the phone line.

Lynx Plus Series Installation and Setup Guide
- 62 -
Testing the System
Test Mode
After installation is completed, the security system should be carefully tested, as follows.
1. With the system in the disarmed state, check that all zones are intact. If the READY LED is not lit,
press the [ ✻] key to display the faulted zone(s). Restore faulted zone(s), if necessary, so that the
READY LED lights. Fault and restore every sensor individually to assure that it is being monitored by
the system.
2. Enter the security code and press the TEST key. The outside sounder will sound for 1 second. “Test
in Progress” will subsequently be displayed on the keypad. The control announces the zone’s voice
descriptor (if programmed) followed by 3 beeps, each time a contact is faulted. A test report should be
transmitted (if programmed) to the central station immediately. If the backup battery is discharged or
missing, the sounder may not turn on and a LOW BATTERY report will be transmitted with a TEST
report. The keypad will beep once every 45 seconds as a reminder that the system is in the Test mode.
3. To turn off the Test mode enter security code and press the OFF key.
Notes: (1) Triggering a zone set to Arm AWAY, Arm STAY, or Disarm will take the system out of Test and cause that
action.
(2) BR type transmitters do not display during Test mode (keypad beeps only)
(3) Macros cannot be run from the Test mode.
(4) Test mode automatically ends after 4 hours.
LynxSIA Plus ONLY
(5) During the final 5 minutes (after 3 hours 55 minutes of Test mode), “4 Hr End of Test” is displayed on the
keypad indicating that the end of Test mode is nearing.
(6) Upon termination of a test mode all faulted 24-hour zones are treated as a trouble zones.
(7) Fire verification is disabled when the system is in Test mode.
Armed System Test
Alarm messages will be sent to the central station during the following tests 1 and 2. Notify
them in advance that tests will be in progress.
1. Arm the system and fault one or more zones. After 15 seconds (if optional dialer delay is selected),
silence alarm sounder(s) by entering the code and pressing OFF. Check entry/exit delay zones.
2. Check the keypad-initiated alarms that are in the system by pressing the Panic key pairs. If the system
has been programmed for audible emergency, the keypad will emit a steady alarm sound, and
“ALARM” and zone number will be displayed. For Lynx Plus, silence the alarm by entering the
security code and pressing OFF. For LynxSIA Plus, silence the alarm by entering the security code.
If the system has been programmed for silent emergency, there will be no audible alarms or displays,
but a report will be sent to the central station.
3. If Powerline Carrier Devices have been installed, test their programmed action.
4. Notify the central station when all tests are finished, and verify results with them.
5. To test the wireless part of the system and the RF receiver, perform the two additional tests described
in the Installing Wireless Zones section: Sniffer mode and Go/No Go Test.
Note: System Test mode (installer/master code + test) and Go/No Go Test (installer code + # + 8) will be
automatically terminated after 3-1/2 to 4 hours if the installer or user does not manually terminate it. This
ensures that fire and panic zones will not remain disabled. However, Sniffer mode (installer code + # + 3) does
not automatically expire. You must manually exit (Installer/User Code + OFF) Sniffer mode to
return to normal operation.
TO THE INSTALLER
Regular maintenance and inspection (at least annually) by the installer and frequent testing by the user are vital to continuous satisfactory
operation of any alarm system.
The installer should assume the responsibility of developing and offering a regular maintenance program to the user as well as
acquainting the user with the proper operation and limitations of the alarm system and its component parts. Recommendations must be
included for a specific program of frequent testing (at least weekly) to ensure the system’s proper operation at all times.

Lynx Plus Series Installation and Setup Guide
- 63 -
System Communication
This section provides an explanation of formats this system accommodates for reporting alarms and other
system conditions to the central station. The process of a successful transmission consists of both the
method of communication between the control panel and the central station receiver, and the actual way the
information is sent and displayed at the central station.
Communication Overview
When the panel calls the central station receiver, it waits to hear a “handshake” frequency from the receiver
to confirm that the receiver is on-line and ready to receive its message. Once the panel hears the handshake
it is programmed to listen for, it sends its message. The panel then waits for a “kissoff” frequency from the
receiver acknowledging that the message was received and understood.
If the handshake frequency is not given or is not understood by the panel, the panel will not send its
message. Once the handshake frequency is received and understood by the panel, the panel will send its
message. If there is an error in the transmission (the receiver does not receive a “valid” message), the kissoff
frequency will not be given by the central station receiver.
The panel will make eight attempts to the primary telephone number and eight attempts to the secondary
telephone number (if programmed) to get a valid message through. If the panel is not successful after its
numerous attempts, the keypad will display “FC Comm Failure.” If the secondary number is a pager, “FC
Comm Failure” displays after the first 8 attempts to the primary number.
The following chart defines the (handshake/kissoff) frequencies that the panel supports, and the different
formats that can be sent for each.
FORMAT HANDSHAKE TRANSMITS DATA KISSOFF TRANSMIT TIME
Low Speed
3+1, 4+1, 4+2
1400Hz 1900Hz (10PPS)
(Standard report)
1400Hz Under 15 seconds
Sescoa/Radionics
3+1, 4+1, 4+2
2300Hz 1900Hz (20PPS)
(Standard report)
2300Hz Under 10 seconds
Express
4+2
1400–2300Hz DTMF (10 cps) 1400Hz Under 3 seconds
Contact ID® 1400–2300Hz DTMF (10 cps) 1400Hz Under 3 seconds
Report Code Formats
3+1 and 4+1 Standard Formats Comprise a 3- (or 4-) digit subscriber number and a single digit report code (e.g.
alarm, trouble, restore, open, close, etc).
3+1 and 4+1 Expanded Formats Comprise a 3- (or 4-) digit subscriber number, and a 2-digit report code. The first
digit is displayed on the first line, followed by a second line where the first digit is
repeated 3 (or 4) times and followed by the second digit. This is the “expanded”
digit.
4+2 Format Comprises a 4-digit subscriber number and 2-digit report code.
ADEMCO Contact ID® Comprises a 4-digit subscriber number, 1-digit event qualifier
Reporting Format (“new” or “restore”), 3-digit event code, and 3-digit zone number, user number,
or system status number (see the following page)
The following table shows the message formats for 3+1, 4+1 and 4+2 reports, where:
SSS or SSSS = Subscriber ID C = Close Code (1st Digit)
A = Alarm Code (1st digit) U = User Number (in hex)
Z = Typically Zone Number* (2nd digit) Gg = Test Code (1st & 2nd digits)
Tt = Trouble Code (1st & 2nd digits) R = Alarm Restore Code
Bb = Bypass Code (1st & 2nd digits) RTt = Trouble Restore Code (1st & 2nd digits)
EAC = AC Loss Code (1st & 2nd digits) RBb = Bypass Restore Code (1st & 2nd digits)
LLB = Low Battery Code (1st & 2nd digits) RAAC
= AC Restore Code (1st & 2nd digits)
O = Open Code (1st Digit) RLLB = Battery Restore Code (1st & 2nd digits)
*Zone numbers for: [*] & [#] = 99; [1] + [*] = 95; [3] + [#] = 96; Duress = 92

Lynx Plus Series Installation and Setup Guide
- 64 -
System Communication
.
Report 3+1/4+1 Standard 3+1/4+1 Expanded 4+2
Alarm SSS(S) A SSS(S) A
AAA(A) Z
SSSS AZ
Trouble SSS(S) T SSS(S) T
TTT(T) t
SSSS Tt
Bypass SSS(S) B SSS(S) B
BBB(B) b
SSSS Bb
AC Loss SSS(S) E SSS(S) E
EEE(E) AC
SSSS EAC
Low Battery SSS(S) L SSS(S) L
LLL(L) LB
SSSS LLB
Open SSS(S) O SSS(S) O
OOO(O) U
SSSS OU
Close SSS(S) C SSS(S) C
CCC(C) U
SSSS CU
Test SSS(S) G SSS(S) G
GGG(G)g
SSSS Gg
Restore Alarm SSS(S) R SSS(S) R
RRR(R) Z
SSSS RZ
AC Restore SSS(S) RA SSS(S) RA
RARARA(RA)Ac
SSSSRA Ac
Low Battery Restore SSS(S) RL SSS(S) RL
RLRLRL(RL)LB
SSSS RLLB
Trouble Restore SSS(S) RT SSS(S) RT
RTRTRT (RT)t
SSSS RTt
Bypass Restore SSS(S) RB SSS(S) RB
RBRBRB (RB)b
SSSS RBb
ADEMCO Contact ID® Reporting takes the following format: CCCC Q EEE GG ZZZ where:
CCCC = Customer (subscriber) ID
Q = Event qualifier, where: E = new event, and R = restore
EEE = Event code (3 hex digits) (for a complete list of event codes, refer to the central office receiver manual)
GG = Always “00”
ZZZ = Zone/Contact ID® number reporting the alarm, or user number for open/close reports. System status
messages (AC Loss, Walk Test, etc.) contain zeroes in the ZZZ location.
CONTACT ID® EVENT CODES
Code Definition
110 Fire Alarm
121 Duress
122 Alarm, 24-hour Silent
123 Alarm, 24-hour Audible
131 Alarm, Perimeter
132 Alarm, Interior
134 Alarm, Entry/Exit
135 Alarm, Day/Night
146 Silent Burglary
150 Alarm, 24-Hour Auxiliary
162 Alarm, Carbon Monoxide Detector
301 AC Power
302 Low System Battery/Battery Test Fail
344 RF Jam Detected
353 ECP Communication/Supervision failure, case
tamper or low battery
373 Fire Loop Trouble
374 Exit Error Alarm
Code Definition
380 Global Trouble, Trouble Day/Night
381 RF Supervision Trouble
383 RF Sensor Tamper (Trouble)
384 RF Sensor Low Battery
401 Disarmed, Armed AWAY (NO DELAY), Armed AWAY
403 Scheduled Auto Arm
406 Cancel by User
407 Remote Arm/Disarm (Downloading)
408 Quick Arm AWAY/NO DELAY
441 Disarmed/Armed Stay/No Delay, Quick Arm Stay/No
Delay
459 Recent Close
570 Bypass
602 Periodic Test
606 AAV to follow
607 System Test
623 Event Log 80% Full
654 System Inactivity
Notes: (1) The following codes are logged in the event log upon occurrence, but are not reported:
305 = System Reset
627 = Keypad Program Mode Entry
(2) LRR/IP Communications Module Low Battery and Low Battery restore reports are sent real time. LRR/IP Communications
Module trouble restore report is sent after two CODE + OFF (only if physically restored).

Lynx Plus Series Installation and Setup Guide
- 65 -
Troubleshooting Guide
Trouble Conditions
The word “Fault” on the keypad’s display, accompanied by a rapid “beeping” at the keypad, indicates that
there is a trouble condition in the system. Pressing any key can silence the audible warning sound. Instruct
users to call for service immediately upon seeing any “Fault” messages.
System (including Wireless)
SYMPTOM POSSIBLE CAUSE REMEDY
1. Transmitter signal
not received at
control.
1a. Transmitter not properly powered.
1b. Transmitter is located too far from RF
receiver.
1c. There is metal shielding between
transmitter and RF receiver.
1d. Transmitter is malfunctioning.
1e. Transmitter No. (zone) is not
programmed.
1a Check or change transmitter's battery.
1b. Move transmitter or RF receiver.
1c. Check for large metal obstructions, then relocate
transmitter if necessary.
1d. Verify by activating control with another,
similar transmitter. If O.K. now, return
defective transmitter.
1e. Verify programming.
2. Transmitter zone
number appears
during Transmitter
Sniffer mode, but
does not clear.
2a. Transmitter zone type (ZT) is set to 00
(Not Used).
2b. Transmitter battery not installed.
2c. 5800 System transmitter not "enrolled"
in system.
2a. Set ZT to a valid active zone type in field ✻56.
2b. Install proper battery.
2c. "Enter" unit in field ✻56 or ✻83.
3. Low battery message
on keypad.
3a. "Low Bat" (no zone Nos.)
3b. "Low Bat" + "00".
3c. "Low Bat" + "nn".
3a. System battery is low or missing.
3b. Remote RF keypad/button battery is low.
3c. Transmitter for zone “nn” has a low
battery.
3d. Standard- or High-Capacity battery
connected to wrong receptacle.
3a. Replace system battery.
3b. Replace battery in the RF keypad.
3c. Replace the battery in the displayed
transmitter.
3d. Ensure that battery is properly connected.
4. Periodic beep(s) from
keypad.
4a. System is in Test mode.
4b. A transmitter low battery has occurred
and is displayed.
4c. A supervision fault has occurred.
4d. System low battery
4a. Enter Code + OFF to exit Test mode.
4b. Enter Code + OFF and replace the battery.
4c. Check the transmitter indicated. Restore
communication to the receiver to cancel the
condition.
4d. Replace system battery
5. There is no response
to a transmitter in
normal operation,
although zone
number clears during
Transmitter Sniffer
mode.
Put control in Test mode. If zone does not
respond, try operating the tamper switch or
another input to the transmitter.
5a. If another input causes the zone to be
displayed, the wrong input was "entered"
when programming.
5b. If no response at all from this
transmitter, this physical transmitter
has not been entered by the system.
Transmitter Sniffer display is being
cleared by another unit programmed for
this zone.
5a. Delete input's serial number (not the zone), and
enter the proper input (see field ✻56).
5b. Determine which transmitter is programmed for
this zone and reprogram as necessary.
6. Nuisance or phantom
alarm.
6a. Sensors not properly installed, wired, or
monitored.
6b. Universal transmitter (5817)
programmed wrong.
6a. Check installation to see if in accordance with
established procedure.
6b. Check programming switches on transmitter.
7. Intrusion alarm for
no apparent reason.
7a. Protected door or window opened while
system armed.
7b. Improper user operation of exit/entry
delays.
7c. Magnets located too far from switches,
and/or doors and windows not properly
aligned.
7a. Check with all occupants of protected home.
7b. Check setting of entry and exit delays.
7c. Check all openings for proper switch and
magnet orientation.

Lynx Plus Series Installation and Setup Guide
- 66 -
Troubleshooting Guide
Control
SYMPTOM POSSIBLE CAUSE REMEDY
1. “No AC” is displayed. 1a. Interrupted AC power supply. 1a. Check transformer connection and
powerline circuit breaker.
2. Digital communicator
message not being
received.
2a. System in Test mode.
2b. Telephone connection not secure.
2c. Digital communicator malfunctioning.
2d. Telephone number in program needs
prefix or access code.
2e. Telephone call to central monitoring
station requires operator assistance.
2a. Remove from Test mode.
2b. Check all connections.
2c. Check with a different CONTROL PANEL.
2d. Program prefix or access code into the
CONTROL PANEL.
2e. System cannot work in this situation.
3. Does not arm
properly. READY light
not on.
3a. Open or faulted zone(s) 3a. Check for faulted zones and make intact, or
use Bypass arming, if desired.
4. System doesn't
respond to keystrokes
on keypad.
4a. "CC" displayed.
4b. "d1" displayed.
4a. System is in communication with
downloader at central station.
4b. System has just been powered and is in
its one minute initialization.
4a. Wait until download session is finished.
4b. Wait for initialization to finish, or bypass
this time by pressing '#' + '0.'
Smoke Detectors
SYMPTOM POSSIBLE CAUSE REMEDY
1. Detector alarms, no
apparent reason.
1a. Dust, dirt in sensing chamber.
1b. Improper location.
1c. Unit malfunctioning.
1a. Clean unit's sensing chamber with vacuum
cleaner per unit's instructions.
1b. See unit's instructions for locations to avoid.
Relocate as necessary.
1c. Replace detector.
2. Detector's siren
sounds.
2a. Unit not receiving required power.
2b. Unit malfunctioning.
2a. Check for proper installation of battery. Try new
battery.
2b. Replace detector.

Lynx Plus Series Installation and Setup Guide
- 67 -
Programming Default Tables
Lynx Plus Control Defaults
(boldface indicates defaults that differ between tables)
Function Table 1 Table 2 Table 3 Table 4
*20 Installer code 4112 4112 4112 4112
*21 Quick arm enable 1 1 1 1
*22 Keypad backlight timeout 0 0 0 0
*23 Forced bypass 0 0 0 0
*24 RF house ID code 0,0 0,0 0,0 0,0
*25 Powerline carrier device house code 0 0 0 0
*26 Chime-by-zone 0 0 0 0
*27 Real-time clock display 1 1 1 1
*29 Daylight saving time start/end month 3,11 3,11 3,11 3,11
*30 Daylight saving time start/end weekend 2,1 2,1 2,1 2, 1
*31 Single alarm sounding per zone 0 0 0 0
*32 Sounder timeout 0 0 0 0
*33 Alarm bell timeout 1 1 1 1
*34 Exit delay 7,0 6,0 7,0 7,0
*35 Entry delay 1 (zone type 01) 3,0 4,5 3,0 3,0
*36 Entry delay 2 (zone type 02) 6,0 6,0 6,0 6,0
*37 Audible exit warning/quick exit 1,1 0,1 1,1 1,1
*38 Confirmation of arming ding 0 0 0 0
*39 Power up in previous state 1 1 1 1
*40 PABX access code --- --- --- ---
*41 Primary phone number --- --- --- ---
*42 Secondary phone number --- --- --- ---
*43 Primary subscriber account number 15,15,15,15 15,15,15,15 15,15,15,15 15,15,15,15
*44 Secondary subscriber account number 15,15,15,15 15,15,15,15 15,15,15,15 15,15,15,15
*46 “Follow Me Reminder” Phone Number --- --- --- ---
*47 Phone system select 5 5 5 5
*48 Report format 7,7 7,7 7,7 7,7
*49 Split/dual reporting 0 0 0 9
*50 15 second dialer delay (burglary) 0 1 0 0
*51 Periodic test report 0 3 0 0
*52 First test report offset 2 2 2 2
*53 Sescoa/radionics select 0 0 0 0
*54 Lack of usage notification 0 0 0 0
*55 Reporting Channels 0 0 0 0
*56 Enhanced Zone programming See *56 table See *56 table See *56 table See *56 table
*58 RF jam detection 0 0 0 0
*59 Exit error report code 1 0 1 1
*60 Trouble report code 1,0 1,0 1,0 1,0
*61 Bypass report code 0,0 0,0 0,0 0,0
*62 AC loss report code 0,0 0,0 0,0 0,0
*63 Low battery Report code 1,0 1,0 1,0 1,0
*64 Test report code 1,0 1,0 1,0 1,0
*65 Open report code 0 0 0 0
*66 Arm away/stay report code 0,0 0,0 0,0 0,0
*67 RF transmitter low battery report code 1,0 1,0 1,0 1,0
*68 Cancel report code 1,0 1,0 1,0 1,0
*70 Alarm restore codes 1 1 1 1
*71 Trouble restore report code 1,0 1,0 1,0 1,0
*72 Bypass restore report code 0,0 0,0 0,0 0,0
*73 AC restore report code 0,0 0,0 0,0 0,0
*74 Low battery restore report code 1,0 1,0 1,0 1,0
*75 RF transmitter low battery restore report code 1,0 1,0 1,0 1,0
*76 Test restore report code 0,0 1,0 0,0 0,0
*77 Dynamic Signaling Delay/ Dynamic Signaling Priority 0,0 0,0 0,0 0,0
*78 Programmable Tone Generation Time 0,0 0,0 0,0 0,0
*80 Powerline Carrier Devices See *80 table See *80 table --- See *80 table
*81 Zone lists for devices See *81 table See *81 table See *81 table See *81 table
*84 Assign zone voice descriptors Refer to *84 Programming
*86 Multi-mode (E-mail notification) 0 0 0 0

Lynx Plus Series Installation and Setup Guide
- 68 -
Programming Default Tables
Lynx Plus Control Defaults
(boldface indicates defaults that differ between tables)
Function Table 1 Table 2 Table 3 Table 4
*87 Auxiliary Function/ 1-button paging 0 1 0 1
*88 Pager characters --- --- --- ---
*89 Event log 80% full report code 0,0 0,0 0,0 0,0
*90 Event logging 3 15 3 3
*91 Alarm audio verification/remote phone control 2 2 2 2
*92 Number of reports in armed period 0 0 0 0
*93 Flexible call back 0 0 0 0
*94 Download phone number --- --- --- ---
*95 Ring detect count for downloading/remote phone control 15 15 15 15
Default Master Code 1,2,3,4 1,2,3,4 1,2,3,4 1,2,3,4
Default Duress Code --- --- --- ---
By activating *96, Field 43, and 44 will be changed to 15, 15, 15, 15.

Lynx Plus Series Installation and Setup Guide
- 69 -
Programming Default Tables
LynxSIA Plus Control Defaults
(boldface indicates defaults that differ between tables)
Function Table 1 Table 2 Table 3 Table 4
*20 Installer code 4112 4112 4112 4112
*21 Quick arm enable 1 1 1 1
*22 Keypad backlight timeout 0 0 0 0
*23 Forced bypass 0 0 0 0
*24 RF house ID code 0,0 0,0 0,0 0,0
*25 Powerline carrier device house code 0 0 0 0
*26 Chime-by-zone 0 0 0 0
*27 Real-time clock display 1 1 1 1
*29 Daylight saving time start/end month 3,11 3,11 3,11 3,11
*30 Daylight saving time start/end weekend 2,1 2,1 2,1 2,1
*31 Single alarm sounding per zone 0 0 0 0
*32 Fire sounder timeout 0 0 0 0
*33 Alarm bell timeout 1 1 1 1
*34 Exit delay 6,0 6,0 6,0 7,0
*35 Entry delay 1 (zone type 01) 3,0 3,0 3,0 3,0
*36 Entry delay 2 (zone type 02) 3,0 3,0 3,0 3,0
*37 Audible exit warning/quick exit 1,1 0,1 1,1 1,1
*38 Confirmation of arming ding 0 0 0 0
*39 Cross zone timer 0 0 0 0
*40 PABX access code/Call waiting disable --- --- --- ---
*41 Primary phone number --- --- --- ---
*42 Secondary phone number --- --- --- ---
*43 Primary subscriber account number 15,15,15,15 15,15,15,15 15,15,15,15 15,15,15,15
*44 Secondary subscriber account number 15,15,15,15 15,15,15,15 15,15,15,15 15,15,15,15
*46 “Follow Me Reminder” Phone Number --- --- --- ---
*47 Phone system select 5 5 5 5
*48 Report format for primary/secondary 7,7 7,7 7,7 7,7
*49 Split/dual reporting 0 0 0 9
*50 Burglary abort window 2 2 2 2
*51 Periodic test report 0 3 0 0
*52 First test report offset 2 2 2 2
*53 Sescoa/radionics select 0 0 0 0
*54 Lack of usage notification 0 0 0 0
*55 Reporting channels 0 0 0 0
*56 Enhanced zone programming See *56 table See *56 table See *56 table See *56 table
*57 False alarm options 7 7 7 7
*58 RF jam detection 0 0 0 0
*59 Exit error report code 1 1 1 1
*60 Trouble report code 1,0 1,0 1,0 1,0
*61 Bypass report code 0,0 0,0 0,0 0,0
*62 AC loss report code 0,0 0,0 0,0 0,0
*63 Low battery Report code 1,0 1,0 1,0 1,0
*64 Test report code 1,0 1,0 1,0 1,0
*65 Open report code 0 0 0 0
*66 Arm away/stay report code 0,0 0,0 0,0 0,0
*67 RF transmitter low battery report code 1,0 1,0 1,0 1,0
*68 Cancel report code 1,0 1,0 1,0 1,0
*69 Recent close report code 1 1 1 1
*70 Alarm restore codes 1 1 1 1
*71 Trouble restore report code 1,0 1,0 1,0 1,0
*72 Bypass restore report code 0,0 0,0 0,0 0,0
*73 AC restore report code 0,0 0,0 0,0 0,0
*74 Low battery restore report code 1,0 1,0 1,0 1,0
*75 RF transmitter low battery restore report code 1,0 1,0 1,0 1,0
*76 Test restore report code 1,0 1,0 1,0 1,0
*77 Dynamic Signaling Delay/ Dynamic Signaling Priority 0,0 0,0 0,0 0,0
*78 Programmable Tone Generation Time 0,0 0,0 0,0 0,0
*80 Powerline Carrier Devices See *80 table See *80 table --- See *80 table
*81 Zone lists for devices See *81 table See *81 table See *81 table See *81 table

Lynx Plus Series Installation and Setup Guide
- 70 -
Programming Default Tables
LynxSIA Plus Control Defaults
(boldface indicates defaults that differ between tables)
Function Table 1 Table 2 Table 3 Table 4
*84 Assign zone voice descriptors Refer to *84 Programming
*86 Multi-mode (E-mail notification) 0 0 0 0
*87 Auxiliary Function/ 1-button paging 0 1 0 1
*88 Pager characters --- --- --- ---
*89 Event log 80% full report code 0,0 0,0 0,0 0,0
*90 Event logging 3 15 3 3
*91 Alarm audio verification/remote phone control 2 2 2 2
*92 Swinger shutdown 1 1 1 1
*93 Flexible call back 0 0 0 0
*94 Download phone number --- --- --- ---
*95 Ring detect count for downloading/remote phone control 15 15 15 15
Default Master Code 1,2,3,4 1,2,3,4 1,2,3,4 1,2,3,4
Default Duress Code --- --- --- ---
By activating *96, Field 43, and 44 will be changed to 15, 15, 15, 15.

Lynx Plus Series Installation and Setup Guide
- 71 -
Programming Default Tables
✻56 ZONE ASSIGNMENT/ALARM REPORT CODES FOR TABLE 1
Zone No. Zone Type Alarm Code Input Type Loop Number Zone Descriptor
1 00 0,0 --- ---
2 01 1,0 3 (RF) 2 47, 04 (FRONT DOOR)
3 01 1,0 3 (RF) 2 33, 04 (BACK DOOR)
4 03 1,0 3 (RF) 2 80 (WINDOW)
5 10 1,0 3 (RF) 1 56 (MOTION DETECTOR)
26 21 1,0 5 (BR) 3
27 22 1,0 5 (BR) 2
28 20 1,0 5 (BR) 4
29 23 0,0 5 (BR) 1
30 21 1,0 5 (BR) 3
31 22 1,0 5 (BR) 2
32 20 1,0 5 (BR) 4
33 23 0,0 5 (BR) 1
92 --- 1,0 --- ---
99 06 1,0 --- ---
NOTE: Zone 1 is a hardwire zone; Zone 2 to 41 are RF zones; Zone 92 is Duress; Zone 99 is keypad panic
✻56 ZONE ASSIGNMENT/ALARM REPORT CODES FOR TABLE 2
Zone No. Zone Type Alarm Code Input Type Loop Number Zone Descriptor
1 00 0,0 --- ---
2 01 1,0 3 (RF) 2 47, 04 (FRONT DOOR)
3 01 1,0 3 (RF) 2 33, 04 (BACK DOOR)
4 01 1,0 3 (RF) 2 48, 04 (GARAGE DOOR))
5 04 1,0 3 (RF) 1 56 (MOTION DETECTOR)
6 09 1,0 3 (RF) 1 22, 02 (SMOKE DETECTOR)
26 21 1,0 5 (BR) 3
27 22 1,0 5 (BR) 2
28 20 1,0 5 (BR) 4
29 23 0,0 5 (BR) 1
30 21 1,0 5 (BR) 3
31 22 1,0 5 (BR) 2
32 20 1,0 5 (BR) 4
33 23 0,0 5 (BR) 1
92 --- 1,0 --- ---
95 08 1,0 --- ---
96 09 1,0 --- ---
99 07 1,0 --- ---
NOTE: Zone 1 is a hardwire zone; Zone 2 to 41 are RF zones; Zone 92 is
Duress; Zones 95, 96 and 99 are keypad panics
✻56 ZONE ASSIGNMENT/ALARM REPORT CODES FOR TABLES 3 & 4
Zone No. Zone Type Alarm Code Input Type Loop Number Zone Descriptor
1 00 0,0 --- ---
2 01 1,0 3 (RF) 2 47, 04 (FRONT DOOR)
3 01 1,0 3 (RF) 2 33, 04 (BACK DOOR)
4 03 1,0 3 (RF) 2 80 (WINDOW)
5 03 1,0 3 (RF) 2 80 (WINDOW)
6 03 1,0 3 (RF) 2 80 (WINDOW)
7 03 1,0 3 (RF) 2 80 (WINDOW)
8 10 1,0 3 (RF) 1 56 (MOTION DETECTOR)
9 09 1,0 3 (RF) 1 22, 02 (SMOKE DETECTOR)
26 21 1,0 5 (BR) 3
27 22 1,0 5 (BR) 2
28 23 0,0 5 (BR) 4
29 23 0,0 5 (BR) 1
30 21 1,0 5 (BR) 3
31 22 1,0 5 (BR) 2
32 23 0,0 5 (BR) 4
33 23 0,0 5 (BR) 1
92 --- 1,0 --- ---
99 06 1,0 --- ---
NOTE: Zone 1 is a hardwire zone; Zone 2 to 41 are RF zones; Zone 92 is Duress; Zone 99 is keypad panic

Lynx Plus Series Installation and Setup Guide
- 72 -
Programming Default Tables
✻80 DEFAULT TABLE: Applies to Default Tables 1 and 2
(devices 01-07 have no default values, devices 09-15 have all default values set to 00)
Start Stop
Device Number
Action
Event
Zone List
Zone Type
System Operation
Restore of
Zone List
Zone type
System operation
08** 2 33 36
16 2 33 36
✻80 DEFAULT TABLE: Applies to Default Table 4
(devices 02-07 have no default values, devices 10-15 have all default values set to 00)
Start Stop
Device Number
Action
Event
Zone List
Zone Type
System Operation
Restore of
Zone List
Zone type
System operation
01 2 2 1 2
08** 2 33 36
09 2 2 1 2
16 2 33 36
** NOTE: If using an X10 Powerhouse Security SH10A siren as device 08, you must change the device action default to “3”.
✻81 DEFAULT TABLE: Applies to Default Tables 1 - 4
ZONE LIST FOR OUTPUT DEVICES
Zone List 1 28, 32
Zone List 2 29, 33
Zone List 3 2, 3


Lynx Plus Series Installation and Setup Guide
- 74 -
WARNING
THE LIMITATIONS OF THIS ALARM SYSTEM
While this System is an advanced design security system, it does not offer guaranteed protection against burglary, fire or
other emergency. Any alarm system, whether commercial or residential, is subject to compromise or failure to warn for a
variety of reasons. For example:
• Intruders may gain access through unprotected openings or have the technical sophistication to bypass an alarm sensor or
disconnect an alarm warning device.
• Intrusion detectors (e.g., passive infrared detectors), smoke detectors, and many other sensing devices will not work
without power. Battery-operated devices will not work without batteries, with dead batteries, or if the batteries are not put
in properly. Devices powered solely by AC will not work if their AC power supply is cut off for any reason, however briefly.
• Signals sent by wireless transmitters may be blocked or reflected by metal before they reach the alarm receiver. Even if the
signal path has been recently checked during a weekly test, blockage can occur if a metal object is moved into the path.
• A user may not be able to reach a panic or emergency button quickly enough.
• While smoke detectors have played a key role in reducing residential fire deaths in the United States, they may not
activate or provide early warning for a variety of reasons in as many as 35% of all fires, according to data published by the
Federal Emergency Management Agency. Some of the reasons smoke detectors used in conjunction with this System may
not work are as follows. Smoke detectors may have been improperly installed and positioned. Smoke detectors may not
sense fires that start where smoke cannot reach the detectors, such as in chimneys, in walls, or roofs, or on the other side of
closed doors. Smoke detectors also may not sense a fire on another level of a residence or building. A second floor detector,
for example, may not sense a first floor or basement fire. Finally, smoke detectors have sensing limitations. No smoke
detector can sense every kind of fire every time. In general, detectors may not always warn about fires caused by
carelessness and safety hazards like smoking in bed, violent explosions, escaping gas, improper storage of flammable
materials, overloaded electrical circuits, children playing with matches, or arson. Depending on the nature of the fire
and/or location of the smoke detectors, the detector, even if it operates as anticipated, may not provide sufficient warning to
allow all occupants to escape in time to prevent injury or death.
• Passive Infrared Motion Detectors can only detect intrusion within the designed ranges as diagrammed in their
installation manual. Passive Infrared Detectors do not provide volumetric area protection. They do create multiple beams
of protection, and intrusion can only be detected in unobstructed areas covered by those beams. They cannot detect motion
or intrusion that takes place behind walls, ceilings, floors, closed doors, glass partitions, glass doors, or windows.
Mechanical tampering, masking, painting or spraying of any material on the mirrors, windows or any part of the optical
system can reduce their detection ability. Passive Infrared Detectors sense changes in temperature; however, as the
ambient temperature of the protected area approaches the temperature range of 90° to 105°F (32° to 40°C), the detection
performance can decrease.
• Alarm warning devices such as sirens, bells or horns may not alert people or wake up sleepers if they are located on the
other side of closed or partly open doors. If warning devices are located on a different level of the residence from the
bedrooms, then they are less likely to waken or alert people inside the bedrooms. Even persons who are awake may not
hear the warning if the alarm is muffled by noise from a stereo, radio, air conditioner or other appliance, or by passing
traffic. Finally, alarm warning devices, however loud, may not warn hearing-impaired people.
• Telephone lines needed to transmit alarm signals from a premises to a central monitoring station may be out of service or
temporarily out of service. Telephone lines are also subject to compromise by sophisticated intruders.
• Even if the system responds to the emergency as intended, however, occupants may have insufficient time to protect
themselves from the emergency situation. In the case of a monitored alarm system, authorities may not respond
appropriately.
• This equipment, like other electrical devices, is subject to component failure. Even though this equipment is designed to
last as long as 10 years, the electronic components could fail at any time.
The most common cause of an alarm system not functioning when an intrusion or fire occurs is inadequate maintenance. This
alarm system should be tested weekly to make sure all sensors and transmitters are working properly. The security keypad
(and remote keypad) should be tested as well.
Wireless transmitters (used in some systems) are designed to provide long battery life under normal operating conditions.
Longevity of batteries may be as much as 4 to 7 years, depending on the environment, usage, and the specific wireless device
being used. External factors such as humidity, high or low temperatures, as well as large swings in temperature, may all reduce
the actual battery life in a given installation. This wireless system, however, can identify a true low battery situation, thus
allowing time to arrange a change of battery to maintain protection for that given point within the system.
Installing an alarm system may make the owner eligible for a lower insurance rate, but an alarm system is not a substitute for
insurance. Homeowners, property owners and renters should continue to act prudently in protecting themselves and continue to
insure their lives and property.
We continue to develop new and improved protection devices. Users of alarm systems owe it to themselves and their loved ones
to learn about these developments.

Lynx Plus Series Installation and Setup Guide
- 75 -
UL NOTICES
1. For UL Residential Burglar Alarm installations with line security, total exit delay time must
not exceed 60 seconds. For UL Burglar Alarm installations without line security, total exit
delay time must not exceed 120 seconds.
2. Periodic testing (see scheduling mode) must be at least every 24 hours.
3. Alarm Sounder plus Auxiliary Power currents must not exceed 600mA total for UL
installations (Aux power 500mA max.).
4. Remote downloading without an alarm company technician on-site (unattended
downloading) is not permissible for UL installations.
5. Auto-disarming is not a UL Listed feature.
6. As SIA limits for delay of alarm reporting and sounding can exceed UL limits for commercial
and residential applications, the following UL requirements per UL681 are provided:
The maximum time that a control unit shall be programmed to delay the transmission of a
signal to a remote monitoring location, or to delay the energizing of a local alarm sounding
device to permit the alarm system user to enter and disarm the system, or to arm the system
and exit shall not exceed:
a) 60 seconds for a system with standard line security or encrypted line security,
b) 120 seconds for a system without standard line security or encrypted line security, or
c) 120 seconds for a system that does not transmit an alarm signal to a remote monitoring
location.
SIA Quick Reference Guide
1. *31 Single Alarm Sounding per Zone: If “0” selected, “alarm sounding per zone” will be the
same as the “number of reports in armed period” set in field *92 (1 if 1 report, 2 if 2 reports).
2. *34 Exit Delay: Options include 45-96 and 120 seconds. Minimum exit delay is 45 seconds.
3. *35/*36 Entry Delay 1 and 2: Options include 30-96, 120, 180, and 240 seconds. Minimum
entry delay is 30 seconds. When added together the entry delay plus the dialer delay should
not exceed 1 minute.
4. *39 Cross Zone Timer: Options include No cross zoning or selections between 15 seconds and
3 minutes, 45 seconds (in 15 second increments). Default is “0” no cross zoning
5. *40 PABX Access Code/Call Waiting Disable: If call waiting is used, call waiting cancel
option in field *47 must be set.
6. *47 Phone system Select: If call waiting is used, Call Waiting Disable must be enabled.
7. *50 Burglary Abort Window: Options include 15, 30 and 45 seconds. Delay must be a
minimum of 15 seconds.
8. *57 False Alarm Options: Default is “7” cancel alarm display, auto stay arming and exit time
restart/reset enabled.
9. *59 Exit Error Alarm Report Code: Always enabled.
10 *68 Cancel Report Code: Default is “code enabled.”
11. *69 Recent Closing Report Code: Always enabled.
12. *92 Swinger Shutdown: Default is “1” shutdown after one trip.

Lynx Plus Series Installation and Setup Guide
- 76 -
Specifications
Lynx Plus Series Security Controls
1. Physical: 8-3/4” W x 6-3/4” H x 1-3/4” D
2. Electrical:
VOLTAGE INPUT: 9VAC from plug-in 25VA transformer.
RECHARGEABLE BACKUP BATTERY: Nickel-metal hydride battery pack rated at 7.7Vdc.
ALARM SOUNDER: Piezo = 6-14VDC, 30mA max/ Bell = 6-14VDC, 120mA max (e.g., ADEMCO’s
WAVE2EX).
3. Communication:
FORMATS SUPPORTED:
ADEMCO Express, 10 characters/sec, DTMF (TouchTone) Data Tones, 1400/2300Hz ACK, 1400Hz
KISSOFF.
ADEMCO Contact ID® Reporting, 10 characters/sec., DTMF (TouchTone) Data Tones, 1400/2300Hz
ACK, 1400Hz KISSOFF.
ADEMCO Low Speed, 10 pulses/sec, 1900Hz Data Tone,
1400Hz ACK/KISSOFF.
Radionics/SESCOA, 20 pulses/sec, 1800Hz Data Tone, 2300Hz ACK/KISSOFF. Can report 0–9, B–F.
Line Seize: Double Pole
Ringer Equivalence: 0.6B
FCC Registration No.: 5GBUSA-25623-AL-E
Contacting Technical Support
PLEASE, before you call Technical Support, be sure you:
• READ THE INSTRUCTIONS!
• Check all wiring connections.
• Determine that the power supply and/or backup battery are supplying proper
voltages.
• Verify your programming information where applicable.
• Note the proper model number of this product, and the version level (if known) along
with any documentation that came with the product.
• Note your Honeywell customer number and/or company name.
Having this information handy will make it easier for us to serve you quickly and
effectively.
Technical Support: ....................................................................1-800-645-7492 (8 a.m.-10 p.m. E.S.T.)
FAX FAXBACK Automated Fax Retrieval System:.........................1-800-573-0153
World Wide Web Address: .........................................................http://www.honeywell.com/security
WARRANTY INFORMATION
Fort the latest warranty information, please go to:
www.honeywell.com/security/hsc/resources/wa

Lynx Plus Series Installation and Setup Guide
- 77 -
– Index –
*56 Enhanced zone programming mode...............13, 17, 38
*80 Device programming menu mode ...................... 17, 43
*81 Zone list menu mode ........................................... 17, 47
*83 Enhanced sequential mode ......................17, 38, 40, 49
*84 Assign zone voice descriptors.............17, 41, 42, 52, 53
*85 Record custom voice descriptors ......................... 17, 54
*96 Initialize download ID and subscriber account
number for downloading.............................................. 17
15 Second dialer delay ..........................................28, 30, 67
24-Hour audible alarm..................................................... 18
24-Hour carbon monoxide monitor .................................. 19
24-Hour silent alarm ................................................. 18, 57
5800 Series transmitters ................................................. 13
5800RL............................................................................. 13
5801.................................................................................. 13
5802MN...................................................................... 13, 14
5802MN2.......................................................................... 14
5804............................................................................ 13, 14
5804BD..................................................................13, 14, 20
5804BDV ...............................................................13, 14, 20
5804E ......................................................................... 13, 14
5806.................................................................................. 15
5816.................................................................................. 13
5817.................................................................................. 13
5827.................................................................................. 13
A
AC loss report code ............................................................ 67, 69
AC power............................................................................ 11, 12
AC power and rechargeable backup battery ........................... 12
AC power loss........................................................................... 11
AC restore report code ....................................................... 67, 69
Ademco express.................................................................. 27, 76
Ademco low speed .............................................................. 27, 76
Alarm bell timeout............................................................. 67, 69
Alarm restore codes ........................................................... 67, 69
Alarm sounder ......................................................................... 76
Arm away/stay report code ................................................ 67, 69
Arm–away................................................................................ 19
Armed system test ................................................................... 62
Arm–stay.................................................................................. 19
Assign (or change) a secondary security code.......................... 57
Assign zone voice descriptors ...................................... 52, 67, 70
Audible exit warning/quick exit......................................... 67, 69
Audio alarm verification (two-way voice feature) ................... 61
Aux function/1-button paging............................................ 68, 70
Aux key .................................................................................... 35
B
Babysitter code ........................................................................ 57
Backlighting............................................................................. 20
Backup battery................................................................... 11, 12
Backup reporting ..................................................................... 25
Battery life ............................................................................... 13
Bell ........................................................................................... 76
BR....................................................................................... 13, 39
Burglary zones......................................................................... 21
Busy-standby ........................................................................... 59
Button transmitters........................................................... 13, 14
Button type .............................................................................. 39
Bypass...................................................................................... 60
Bypass report code............................................................. 67, 69
Bypass restore report code................................................. 67, 69
C
Call waiting disable ................................................................. 24
Callback number...................................................................... 37
Cancel report code.............................................................. 67, 69
Canceled alarm ........................................................................ 31
Change the master code ...........................................................57
Chime mode..............................................................................21
Chime-by-zone ....................................................................67, 69
Closing report ...........................................................................23
Communication overview.........................................................63
Confirmation of arming ding..............................................67, 69
Connecting/configuring communication modules ................9, 10
Contact ID event codes.............................................................64
Contact ID format.....................................................................31
Contact ID reporting ..........................................................64, 76
Contacting technical support ...................................................76
Custom voice descriptors....................................................17, 54
D
Data encryption........................................................................55
Data field..................................................................................16
Data field descriptions .............................................................20
Daylight savings time start/end.........................................67, 69
Default master code............................................................68, 70
Delete a secondary security code..............................................57
Delete zone parameters confirmation ......................................40
Desktop mounting ......................................................................6
Dip switches .............................................................................13
Disable local sounder..................................................................8
Disarm ......................................................................................19
Download phone number....................................................68, 70
Download, initial ......................................................................55
Downloader...............................................................................35
Duress code...............................................................................57
Dynamic signaling delay ....................................................33, 34
Dynamic signaling priority ......................................................33
E
Encrypted (high-security) devices................................14, 15, 39
Enter/change the master code..................................................57
Entering program mode ...........................................................16
Entry delay .........................................................................67, 69
Entry/exit burglary...................................................................18
Error code 374 ..........................................................................31
Event log 80% full report code ...........................................68, 70
Event logging................................................................35, 68, 70
Exit alarm.................................................................................31
Exit delay......................................................................23, 67, 69
Exit door ...................................................................................22
Exit error alarm displays .........................................................59
Exit error report code .........................................................67, 69
Exit warning.............................................................................23
Exiting program mode..............................................................17
Expert programming ................................................................16
External sounder......................................................................22
External sounder connections ....................................................8
Fault ...................................................................................60, 65
F
FC .............................................................................................63
FCC statement .........................................................................73
Features......................................................................................5
Fire sounder timeout..........................................................67, 69
First test report offset ........................................................67, 69
Flexible callback...........................................................55, 68, 70
Follow me reminder feature.....................................................58
Follow me system announcement ............................................58
Forced bypass .....................................................................67, 69
Full line seizure..........................................................................7
G
General programming information..........................................16
Go/no go test .............................................................................14

Lynx Plus Series Installation and Setup Guide
- 78 -
H
Handshake frequency.............................................................. 63
Hardwired zone connections...................................................... 8
Hayes ....................................................................................... 55
House ID .................................................................................. 20
House identification................................................................. 13
I
Input type .......................................................................... 13, 39
Installer code ................................................................57, 67, 69
Interactive menu mode programming..................................... 17
Interior with delay................................................................... 19
K
K10145WH/K10145X10........................................................... 11
K10145CN................................................................................ 11
Keypad backlight timeout ................................................. 67, 69
Keypad operation..................................................................... 57
Keys ......................................................................................... 13
Kissoff frequency ..................................................................... 63
L
Loading factory defaults.......................................................... 17
Local seizure .............................................................................. 7
Long range radio and internet communication devices............ 9
Loop and serial number........................................................... 39
Loop number............................................................................ 39
Low battery report code..................................................... 67, 69
Low battery restore report code ........................................ 67, 69
LYNXRCHKIT-HC .................................................................. 12
LYNXRCHKIT-SC................................................................... 12
LYNXRCHKIT-SHA................................................................ 12
M
Macro function......................................................................... 35
Master code.............................................................................. 57
Master security code................................................................ 20
Memory of alarm ..................................................................... 57
Message.................................................................................... 60
N
No alarm response................................................................... 19
Number of reports in armed period......................................... 68
O
Open report code................................................................ 67, 69
Operator commands ................................................................ 61
Optima 24 plus fax96 modem.................................................. 55
P
PABX access code .........................................................24, 67, 69
Pager characters................................................................ 68, 70
Pager message ......................................................................... 35
Pager report format................................................................. 27
Paging feature ......................................................................... 35
Panic keys................................................................................ 57
Perimeter burglary .................................................................. 18
Periodic test report ............................................................ 67, 69
Phone system select........................................................... 67, 69
Piezo......................................................................................... 76
Plug-in transformer ................................................................. 11
Power up in previous state ................................................ 67, 69
Powerline carrier device .........................................21, 43, 67, 69
Powerline carrier device connections ........................................ 8
Powerline carrier device house code.................................. 67, 69
Powerline carrier device programming................................... 44
Primary phone number ..................................................... 67, 69
Primary subscriber account number................................. 67, 69
Programming default tables.............................................. 67, 69
Q
Quick arm enable ............................................................... 67, 69
Quick exit .................................................................................23
R
Radionics ..................................................................................27
Radionics/sescoa.......................................................................76
Range........................................................................................13
Real-time clock display ......................................................67, 69
Rec ............................................................................................60
Redundant reporting/dynamic signaling delay .................67, 69
Remote phone control...............................................................58
Remote programming...............................................................55
Remote programming/control ..................................................55
Replacing the rechargeable battery .........................................12
Report code formats .................................................................63
Report codes .............................................................................30
Report format .....................................................................67, 69
RF .............................................................................................39
RF (supervised RF) ..................................................................13
RF house ID code................................................................67, 69
RF transmitter low battery report code............................. 67, 69
RF transmitter low battery restore....................................67, 69
Ring detect count for downloading.....................................68, 70
S
Scheduling................................................................................55
Secondary phone number................................................... 67, 69
Secondary subscriber account number ..............................67, 69
Secondary user codes ...............................................................57
Security code handshake..........................................................55
Security codes.....................................................................20, 57
Serial number............................................................... 17, 38, 40
Sescoa/radionics select .......................................................67, 69
SH10A ......................................................................................44
Silent burglary .........................................................................19
Single alarm sounding per zone.........................................67, 69
Siren/horn.................................................................................44
Site-initiated remote programming .........................................55
Smartmodem 1200 ...................................................................55
Sniffer mode ................................................................. 14, 62, 65
Split/dual reporting............................................................ 67, 69
Start by zone type ....................................................................43
Station-initiated remote programming....................................55
Supervised fire .........................................................................19
Supervised fire with verification..............................................19
Supervised RF ....................................................................13, 39
System battery .........................................................................65
System communication ............................................................63
System displays........................................................................59
System features..........................................................................5
System operation.......................................................... 43, 57, 72
System words ...........................................................................53
T
Technical support.....................................................................76
Telco handoff ............................................................................55
Temporal pulse.........................................................................21
Test mode ..................................................................... 62, 65, 66
Test report code..................................................................67, 69
Test restore report code......................................................67, 69
Testing the system ...................................................................62
Transmitter loop numbers .......................................................15
Transmitter supervision ..........................................................13
Transmitters ............................................................................13
Trouble by day/.........................................................................18
Trouble conditions....................................................................65
Trouble report code ............................................................67, 69
Trouble restore report code ................................................67, 69
Troubleshooting guide..............................................................65

Lynx Plus Series Installation and Setup Guide
- 79 -
U
Unsupervised button RF.......................................................... 13
Unsupervised RF ..................................................................... 13
Ur (unsupervised RF) ........................................................ 13, 39
V
Voice descriptor.................................................................. 38, 52
Voice prompt programming mode ........................................... 16
Voltage input............................................................................ 76
W
Wall mounting ........................................................................... 6
WAVE2EX................................................................................ 76
Wireless buttons ...................................................................... 13
Wireless transmitter................................................................ 32
Wireless zones.......................................................................... 13
Wiring connections..................................................................... 7
World wide web address .......................................................... 76
X
X10......................................................................................43, 55
Z
Zone entry to list ......................................................................47
Zone list ..................................................................17, 67, 69, 72
Zone number.............................................................................38
Zone programming .............................................................67, 69
Zone response type ...................................................................18
Zone type ..................................................................................38

85dB
SIREN
DISABLE
SWITCH
UL INSTALLATIONS
THE MINIMUM WIRE
SIZE USED FOR
TELEPHONE
INSTALLATIONS
MUST BE #26 GAGE
WARNING
TO PREVENT RISK OF
SHOCK, DISCONNECT
TELEPHONE LINE
AT TELECOM JACK
BEFORE SERVICING
THIS UNIT
THIS DEVICE COMPLIES WITH PART 15 OF FCC RULES.
OPERATION IS SUBJECT TO THE FOLLOWING TWO
CONDITIONS: (1) THIS DEVICE MAY NOT CAUSE HARMFUL
INTERFERENCE, AND (2) THIS DEVICE MUST ACCEPT ANY
INTERFERENCE RECEIVED, INCLUDING INTERFERENCE
THAT MAY CAUSE UNDESIRED OPERATION.
THIS EQUIPMENT SHOULD BE INSTALLED IN ACCORDANCE
WITH THE NATIONAL FIRE PROTECTION ASSOCIATION
STANDARDS ANSI/NFPA 70 NATONAL ELECTRIC CODE AND
NFPA 72 NATIONAL FIRE ALARM CODE, CHAPTER 2
(NATIONAL FIRE PROTECTION ASSOC., BATTERY MARCH
PARK, QUINCY, MA 02169). PRINTED INFORMATION
DESCRIBING PROPER INSTALLATION, EVACUATION
PLANNING AND REPAIR SERVICE IS TO BE PROVIDED WITH
THIS EQUIPMENT.
LYNX PLUS SERIES ALSO COMPLIES WITH THE FOLLOWING:
CANADIAN STANDARDS ASSOCIATION (CSA) C22.1,
CANADIAN ELECTRICAL CODE, PART 1, SAFETY STANDARD
FOR ELECTRICAL INSTALLATIONS AND CAN/ULC-S540
INSTALLATION OF RESIDENTIAL FIRE WARNING SYSTEMS.
LYNX PLUS SERIES SUMMARY OF CONNECTIONS
THE LYNX PLUS SERIES CONTROLS ARE
COMPATIBLE WITH THE FOLLOWING
INTEGRAL RECHARGEABLE BATTERY PACKS:
REPLACE EVERY FOUR YEARS
P/N LYNXRCHKIT-SC
P/N LYNXRCHKIT-HC
P/N LYNXRCHKIT-SHA
CIRCUIT
(ZONE)
CONTROL UNIT
DELAY-SEC
SMOKE DETECTOR
MODEL DELAY-SEC
THIS UNIT MAY BE PROGRAMMED TO INCLUDE AN ALARM
VERIFICATION FEATURE THAT WILL RESULT IN A DELAY OF THE
SYSTEM ALARM SIGNAL FROM THE INDICATED FIRE CIRCUITS.
THE TOTAL DELAY (CONTROL UNIT PLUS SMOKE DETECTORS)
SHALL NOT EXCEED 60 SECONDS. NO OTHER INITIATING
DEVICES SHALL BE CONNECTED TO THESE CIRCUITS UNLESS
APPROVED BY THE LOCAL AUTHORITY HAVING JURISDICTION.
WARNING
5806 10 seconds30 seconds
02 - 25
ZT16
1000-300-SOC-V1
FCC ID: CFS8DLLYNXPLUS
(LYNX PLUS SERIES)
COMPLIES WITH FCC RULES,
PART 68 FCC REGISTRATION
No. 5GBUSA-25623-AL-E
RINGER EQUIVALENCE: 0.6B
NOTE
USE ONLY THE
K10145WH/K10145X10
OR K10145CN CLASS 2
TRANSFORMERS
PROVIDED
EXTERNAL SOUNDERS AND POWERLINE CARRIER DEVICES HAVE NOT BEEN EVALUATED BY UL.
WEEKLY TESTING IS
REQUIRED TO ENSURE
PROPER OPERATION
OF THIS SYSTEM
POWER SHUTDOWN NOTE: AT 6.0VDC THE SYSTEM WILL NOT OPERATE.
PREMISES
TELEPHONE
INCOMING
TELEPHONE
LINE
PIEZO
6-14VDC
120mA max.
6-14VDC
30mA max.
BELL
HARD
WIRED
ZONE
ALL OUTPUT CIRCUITS ARE POWER LIMITED.
123486
511
710
PHONE ZONE SOUNDERS AC
EARTH
GROUND
EARTH
GROUND
9
SUPER HIGH-CAPACITY
BATTERY CONNECTOR
GSML/GSMVL
COMMUNICATIONS PORT
STANDARD/HIGH-CAPACITY
BATTERY CONNECTOR
TO 24HR 110VAC
UNSWITCHED
OUTLET
K10145WH/K10145X10
OR K10145CN PLUG-IN
TRANSFORMER
9VAC, 25VA
RING
TIP
RING
TIP
INCOMING
PHONE
LINE
8
POS
JACK
POWERLINE
CARRIER
DEVICE
CONNECTOR
GSMVL
AUDIO
CABLE
CONNECTOR
ON
AC AC
SOUND
OUT
HWZ
TR
TR
2k
OHMS
EOLR
Notes: Connection of the fire alarm signal to a fire alarm headquarters or a central station shall be permitted with the
approval of the local authority having jurisdiction. The burglar alarm signal shall not be connected to a police
emergency number. The System must be checked by a qualified technician once every three years
Ê800-03857fŠ
800-03857 9/09 Rev. A
2 Corporate Center Drive, Suite 100
P.O. Box 9040, Melville, NY 11747
Copyright © 2009 Honeywell International Inc.
www.honeywell.com/security