Advance Security R47 Car Alarm Receiver User Manual
Advance Security Inc Car Alarm Receiver Users Manual
Users Manual

JULY/04/2005
ALA225 1
MODEL ALA225
REMOTE CONTROL AUTO ALARM SYSTEM
INSTALLATION & OPERATION INSTRUCTIONS
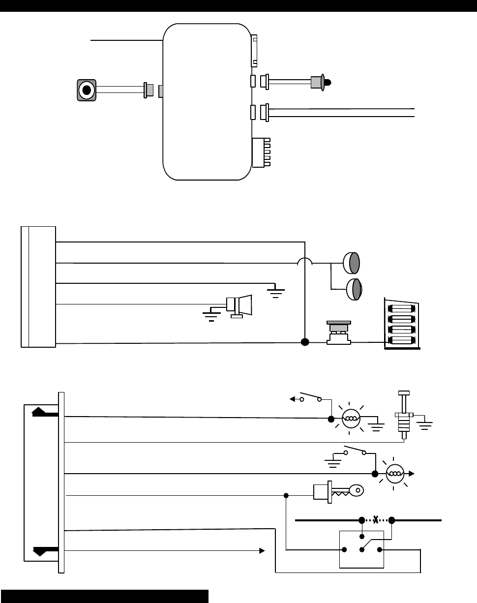
WIRING DIAGRAM
Main 5 Pin White harness
6 Pin White Mini Connector
Black Antenna Wire
LED Indicator
Valet Switch
Blue Wire: (-) 200mA Unlock Pulse
Green Wire: (-) 200mA Lock Pulse
2 Pin
White
2 Pin
Blue
2 Pin
White
5 Pin
White
6 Pin
White
MAIN 5 PIN WIRE HARNESS:
5. Red Wire: +12V To Constant Battery Source
4. Brown Wire: Positive out
p
ut To Siren
3. Black Wire: Ground to Vehicle FRAME
2. White Wire: Parking Light Relay Output
1. Red / White Wire: Parking Light Relay Power Input
15A Fuse
6 PIN MINI CONNECTOR WIRE HARNESS:
6. Gray Wire: (-) 200mA Programmable Output
2. Blue Wire: Instant Trigger Ground Input
1. Violet Wire: Positive Door Pin Switch Input
4. Yellow Wire: To I
g
nition Switched + 12V
5. Orange Wire: 200mA Grounded when armed
3. Green Wire: Negative Door Pin Switch Input
85 86
30
87a
Cut To start solenoidFrom ignition switch
Red wire White wire
Orange
wire
Channel 3 / 2 Step Door Unlock.
12V
12V
Y
ellow wire
A. PROGRAMMING TRANSMITTER:
Note: This mode will only retain the last 4 remote transmitters programmed. If the transmitter memory is
exceeded, the security system will start deleting transmitters from memory in chronological order.
1. Turn the Ignition 'switch ‘OFF/ON’ 3 TIMES and stay in ON position. Within 15 seconds.

JULY/04/2005
ALA225 2
2. Push the Valet switch 3 times and holding in on 3rd push until a long chirp is hearing then release the
valet switch. You are now in the Transmitter programming mode.
3. Press and hold any button of the transmitter until the siren responds with a confirming chirp, indicating the
signal has been stored into memory.
4. If you have additional transmitters (up to 4) that need to be programmed, repeat step 3 for each
transmitter.
Exit: Turn Ignition to 'OFF' position, or leave it for 15 seconds. Three long chirps & Three parking light
flashes to confirm exit.
B. ALARM FEATURES PROGRAMMING:
ALARM FEATURE “I” PRORAMMING:
1. Turn the Ignition 'switch ‘ON/OFF’ 3 TIMES and stay in OFF position.
2. Push the Valet switch 2 times and holding in on 2nd push until one chirp with a long chirp is hearing then
release the valet switch. You are now in the Alarm feature ‘I’ programming mode.
3. Press and release the transmitter button ‘A’ corresponding to the feature ‘A’ you want to change.
a. The siren chirps and LED pause will indicate newly setting.
b. The system would advance to [2] LED flash, [2] chirp. (The factory default setting is always [1] LED
flash, [1] chirp.)
4. Depress the transmitter button ‘A’ again to change the feature again. Simple keep re-depressing the
transmitter button ‘A’ again until the module advances to your desired setting.
5. Depress the transmitter button ‘B’ corresponding to the feature ‘B’ you want to program.
Press
Transmitter
Button
One Chirp /
LED one pulse
Factory Default Setting
Two Chirps /
LED two pulse
1 Chirps on Chirps off
2 Automatic Rearm On Automatic Rearm Off
3 + Instantly Door Ajar Warning. 45 seconds Delay Door Ajar error chirp.
Exit: Turn Ignition to 'ON' position, or leave it for 15 seconds. Three long chirps to confirm exit.
ALARM FEATURE “II” PRORAMMING:
1. Turn the Ignition 'switch ‘ON/OFF’ 3 TIMES and stay in OFF position.
2. Push the Valet switch 4 times and holding in on the 4th push until two chirps with a long chirp is hearing
then release the valet switch. You are now in the Alarm feature ‘II’ programming mode.
3. Press and release the transmitter button ‘A’ corresponding to the feature ‘A’ you want to program.
Press
Transmitter
Button
One Chirp /
LED one pulse
Factory Default Setting
Two Chirps /
LED two pulse
Three Chirps /
LED three pulse
1 0.9-second Door lock
pulses. 3.0-second Door lock pulse. Double pulse unlock
2 Active arming Passive arming without
passive door locking Passive arming with passive
door locking.
3 + Ignition controlled door locks
& unlocks Without ignition controlled
door locks & unlocks
Exit: Turn Ignition to 'ON' position, or leave it for 15 seconds. Three long chirps to confirm exit.
ALARM FEATURE “III” PRORAMMING:
1. Turn the Ignition 'switch ‘ON/OFF’ 3 TIMES and stay in OFF position.
2. Push the Valet switch 6 times and holding in on the 6th push until three chirps with a long chirp is hearing
then release the valet switch. You are now in the Alarm feature ‘III’ programming mode.
3. Press and release the transmitter button ‘A’ corresponding to the feature ‘A’ you want to program.
Press
Transmitter
Button
One Chirp /
LED one pulse
Factory Default Setting
Two Chirps /
LED two pulse
1 Shock Sensor Program Mode
2 Gray Wire = Trunk (Channel 3) Output Gray Wire = Two Step Door Unlock Output
3 + Car Jacking Off Car Jacking On
Exit: Turn Ignition to 'ON' position, or leave it for 15 seconds. Three long chirps to confirm exit.
ADJEST AND TEST THE SENSITIVITY LEVEL OF THE SHOCK SENSOR

JULY/04/2005
ALA225 3
1. Turn the Ignition 'switch ‘ON/OFF’ 3 TIMES and stay in OFF position.
2. Push the Valet switch 6 times and holding in on the 6th push until three chirps with a long chirp is hearing
then release the valet switch. You are now in the Alarm feature ‘Shock Sensor’ programming mode.
3. Press and hold button for 2 seconds. One long siren chirp to indicates the unit is ready to accept
adjustments of the shock sensor.
4. Press button on the transmitter once will decrease sensitivity level by one, each time an decrease is
made the siren chirp will respond with [1] chirp, while 2 chirp indicates the minimum of sensitivity.
5. Press button on the transmitter once will increase sensitivity level by one, each time an increase is
made the siren/horn chirp will respond with [1] chirp, while 2 chirp indicates the maximum of sensitivity.
6. Hit the bumper or strong metal part of the vehicle to test the threshold level of the sensor.
a). Activate the warn-away (first stage the shock sensor), the siren will emit a short chirp.
b). Activate the full alarm (second stage the shock sensor), the siren will emit a long chirp.
7. When you are satisfied with the setting, press and buttons at the same time. One long siren chirp
to indicates the unit is lock in the adjustment.
Note: If 20 seconds of inactivity expire, or turn on the ignition during of above steps, the unit will exit the
program mode and return to the disarmed mode. Three long chirps to confirm exit.
OPERATION MANUAL
TRANSMITTER OPERATION:
Transmitter Button System Function Remark
Arm & Lock door
- Arm & Delete The Shock Sensor Press twice within 3 seconds.
Car Locator Upon Armed.
(3 seconds) Panic function Press and hold for 3 seconds
Disarm & Unlock Door
- Disarm &Two Steps Door Unlock Press twice within 3 seconds.
(2 seconds) Disarm & Pop Trunk Release Press and Hold for 2 seconds
+ Silent Arm / Disarm Upon Ignition off
+ (2 seconds) Activate Car-Jacking Upon Ignition on
LED INDICATORS:
LED Function LED Function
Off Disarmed 2 flashes... pause Trigger on trunk/hood
Slow flash Armed 3 flashes... pause Trigger on door switch
Fast flash Passive arming 4 flashes... pause Trigger on Dual Zone Shock Sensor
On (solid) Valet mode 5 flashes... pause Trigger on Ignition switch
CHIRP INDICATORS: PARKING LIGHT:
Chirp Function Parking light Function
1 chirp Arm 1 flash Arm
2 chirps Disarm 2 flashes Disarm
3 chirps Ajar Warning 3 flashes Disarm / Intrusion
4 chirps Disarm / Intrusion 12 flashes Car Locator
6 chirps Car Locator
ACTIVE ARMING – LOCK & ARM:
1. Press button on transmitter.
2. The siren will chirp once and parking light will flash once indicating that the system is now armed. The
vehicle doors will lock upon arming when interfaced with the security system.
Ajar Warning: If the siren sounds 3 chirps, then you have left a door, trunk, or hood lid ajar.
Silent Arming / Disarming: Press the and buttons at same time will arm or disarm your security
system, No chirp sound will be heard, arm / disarm confirmation will be through the vehicles parking lights
only.
Shock Sensor By-Pass: Press the button twice within 3 seconds will arm the security system, by-pass
the shock sensor. The system will chirp one additional time to confirm the sensor bypass mode was
activated. The sensor bypass feature is programmed to activate for one arming cycle only. The security
system will return to normal operation during the next arming cycle.
PASSIVE ARMING:

JULY/04/2005
ALA225 4
Active arming / disarming is controlling your security system via the remote transmitter. This security system
is equipped with an optional Passive Arming feature, which allows the security system to arm 30 seconds
after the last door is closed. Operation is as follows.
1. Turn the ignition to the “OFF” position and exit the vehicle.
2. After all entrances are closed, the security system LED will flash fast for 30 seconds. If you reopen any
door / hood / trunk, the security system LED will stop flashing. It will begin flashing again once the vehicle
all entrances are closed.
3. After 30-second timer has elapsed, the security system will automatically “ARM”. The siren will chirp [1]
time and the parking lights will flash [1] time.
PASSIVE DOOR LOCKING:
The vehicle doors will automatically lock after passive arming cycle has been completed.
ACTIVE DISARMING – UNLOCK & DISARM:
1. Press button on the transmitter.
2. The siren will chirp twice and parking light will flash twice to indicating that the security system is now
disarmed. The vehicle doors will unlock disarming when interfaced with the security system.
Tamper Disarm: If alarm triggered, upon disarm the system, siren chirp 4 times, parking light flash 3 times.
Two Step Door Unlock: This feature will independently unlock the drives door only when disarming the
security system. Pushing the button on the transmitter a second time within 3 seconds will unlock the
entire vehicle.
Automatic Re-Arm: If this feature is selected, the security system will automatically re-arm itself 60 seconds
after disarming with remote transmitter. Automatic rearm will cancel if any door is opened before the 60
seconds timer has elapsed.
DISARMING WITHOUT A TRANSMITTER
The Override function may be used if the remote transmitter is lost or inoperative.
1. Enter the vehicle and turn the ignition switch to 'ON’ position. (Alarm will sound.)
2. Within 10 seconds push and release the valet switch
The alarm will stop sounding and enter the disarm mode. You can now start and operate the vehicle
normally.
VALET MODE:
The valet switch allows you to temporarily bypass all alarm function, eliminating the need to hand your
transmitter to parking attendants or garage mechanics. When the system is in valet mode, all alarm function
is bypassed, however the remote panic feature and remote door locks will remain operational.
Enter Valet Mode: 1. Turn the ignition to “ON” position.
2. Push and hold valet switch for 2 seconds until the LED turns on. The LED wills
remain on as long as the system is in 'valet mode'.
Exit Valet Mode: 1. Return to normal operation, turn ignition 'ON'.
2. Push and hold valet switch for 2 seconds, The LED wills turns off indicate the
system are exiting the valet mode.
PANIC FUNCTION:
The transmitter can be used as a remote panic switch to manually trigger the alarm in case emergency.
1. Press and hold button on the transmitter for 3 seconds. The alarm will immediately sound.
2. To stop the alarming press and hold button on the transmitter for 3 seconds.
3. If the button is not pressed, the alarm will automatically stop after 30 seconds.
TRIGGER THE SYSTEM
When armed, your vehicle is protected as follows:
1. Light impacts will trigger the warn-away signal. A long chirp from siren/horn.
2. Heavy impacts / Doors open / Hood open / Trunk open / Turns on the ignition switch will trigger the
programmed sequence.
The starter disable relay (if installed) prevents the vehicle’s starter from cranking. The siren and parking
lights will turn on to alerting of an intrusion for 30 seconds. Then it will stop and automatic reset and re-arm.
If the one of sensors or detectors still active, the alarm system will sound a maximum of 6 times of 30
seconds cycles.
ANTI CAR - JACKING
Warning: If you don't need the car jacking function in this alarm system, be sure to set car jacking feature
“OFF”. This system is default setting car jacking “OFF”.
Active Anti Car Jacking:
1. Upon ignition is “On”, press and hold the transmitter and buttons at the same time for 2 seconds.
The parking lights will turns on for 1.5 seconds to indicate the system enters the car-jacking mode.
2. Once the system in car-jacking mode, If you are forced from the vehicle, the system will be trigger when
the door is opened and closed while the ignition is “ON”.
Trigger The Car Jack Mode:

JULY/04/2005
ALA225 5
a). 50 seconds after the system has been triggered. The siren will start chirping for 15 seconds.
b). During this 15 seconds period of chirping, you will be alerting to push the valet switch once to turn off the
car-jacking feature. If not, it will enter second timer car jacking.
c). 65 seconds after the system has beer triggered. The siren starts alarming and the parking light starts
flashing.
d). 90 seconds after the system has beer triggered
1. The siren still alarming and the parking light flashing, and
2. The starter disable will activate to prevent the vehicle from starting.
3. It will remain active until the vehicle's battery power exhausted.
Override The System To Turn Off Car Jacking: Turn the ignition switch from OFF to ON, and within 10
seconds push valet switch, the siren will stop and the system disarmed
CAR LOCATOR:
Upon armed, press button on the transmitter to active car locator function. The siren will chirp 6 times.
The parking light will flash 12 times, for you to easily locate your car.
TRUNK RELEASE..
Press and hold button on transmitter for two seconds to remote control the trunk release or other electric
devices.
This device complies with part 15 of the FCC rules. Operation is subject to the following two
conditions.
(1)This device may not cause harmful interference, and
(2)This device must accept any interference received, including interference that may cause
undesired operation.
Per FCC 15.21, you are cautioned that changes or modifications not expressly approved by the part
responsible for compliance could void the user’s authority to operate the equipment.