Advanced Digital Broadcast B36-ADBA Set Top Box User Manual PFS Model DLNA Client
Advanced Digital Broadcast SA Set Top Box PFS Model DLNA Client
user manual

Document Type :
Document Name:
Filename : ADB-1750WM
PRODUCT FUNCTIONAL SPECIFICATION
Product Functional Specification – Set top box
.
6HW7RS%R[$'%:0
RF exposure warning
This equipment must be installed and operated in accordance with provided
instructions and the antenna(s) used for this transmitter must be installed to
provide a separation distance of at least 20 cm from all persons and must
not be co-located or operating in conjunction with any other antenna or
transmitter. End-users and installers must be provide with antenna
installation instructions and transmitter operating conditions for satisfying RF
exposure compliance.

Document Type :
Document Name:
PRODUCT FUNCTIONAL SPECIFICATION
Product Functional Specification –Set top box
Filename : ADB1750WM
1.0 INTRODUCTION
This Product Functional Specification defines all known and relevant functional specifications related to
new ADB-1750WM Platform Product. Additional specifications or requirements may be added in
subsequent revisions should it become obvious from interactive discussions between ADB and the ODM
partner that such additions may be needed (for clarity, for compliance).
The ODM partner shall guarantee full compliance to each requirement and shall provide relevant details
(where applicable) as to how the proposed solution will satisfy the requirement.
All answers, comments, any relevant information, or assumptions shall be provided as w ell as the
completion of the spreadsheet table included in RFQ documentation package.
Within this document, the following formal terms are used to indicate the nature of the particular
requirement:
• A “Requirement“, abbreviated “R” - indicates a mandatory requirement, a requirement that
must be supported. The ODM partner shall indicate full, partial, or not compliant, and i n the
case of partial or not complaint, shall also provide supplementary explanations.
• An “Option“, abbreviated “O” - indicates a requirement that may be supported optionally.
Any optional requirement shall be quoted separately (as indicated in the costing matrix provided
in the RFQ package). Obviously, supporting optional requirements positively influences the
assessment of the reply to the RFQ package.
• An “Information“, abbreviated “I” - indicates additional information that ADB is requesting for
the purpose of gaining a deeper understanding of the proposed solution. The ODM partner shall
provide the required information within its reply to the RFQ package and i s encouraged to
provide additional documentation, drawings, or other such materials as m ay be needed to
enrich the answer.
Additionally it has to be understood that ADB-1750WM Platform is a Platform. This means that it
is expected that a number of products will be spawned from the same design by leveraging the
modular design to configure products specific to the needs of specific customers without re-
designing the product. Those mutually exclusive products differences are marked as ‘Variant’.

Document Type :
Document Name:
Filename :
PRODUCT FUNCTIONAL SPECIFICATION
Product Functional Specification – Set Top Box
ADBA1750WM
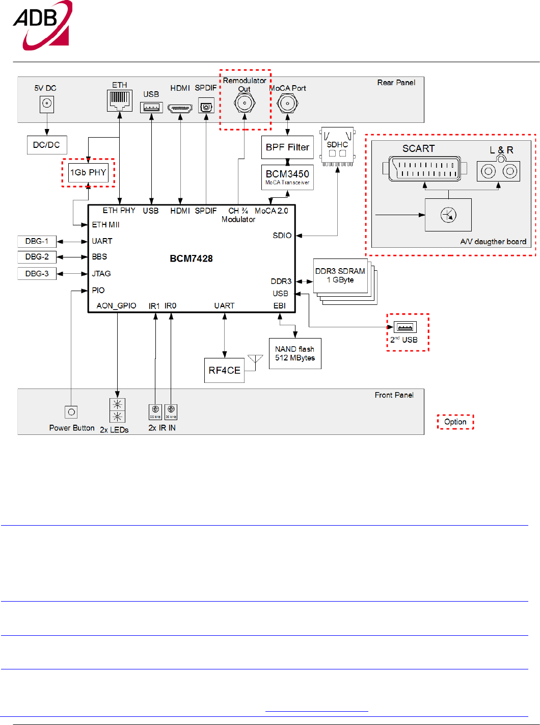
2.0 HARDWARE ARCHITECTURE REQUIREMENTS
Table 1: Platform System Architecture
R [1] Core SoC The ADB-1750WM Platform must be designed to accommodate
the BCM7428 SoC.
R [2] Random Access
Memory
The ADB-1750WM Platform shall be designed to support DDR3
1866MHz memory.
• Variant01: Memory size is 1Gbyte – default,
•
Variant02: Memory size is 512Mbyte.
R [3] NAND Flash
The ADB-1750WM Platform shall be designed to support NAND
Flash memory in a BGA package.
• Variant01: Memory size is 512Mbyte - default,
•
Variant02: Memory size is 256Mbyte.
R [4] Flash content
integrity
The ADB-1750WM Platform shall include a protection
mechanism to avoid Flash corruption due to power spikes, power
loss or brownout conditions.
R [5] Local Storage The ADB-1750WM Platform shall have a standard-form factor,
high-speed SDHC card slot.
R [6] Broadcast
Environment
The ADB-1750WM Platform shall have a MoCA 2.0 (MoCA-M/P-
SPEC-V2.0-20120405) compliant interface. The device shall bridge
all MoCA and Ethernet traffic over home network interfaces.
R [7] Remote Control
The ADB-1750WM Platform shall support IR Protocols
compliant with the Cisco and Motorola implementation; see R [111]
and R [112].
R [8] Remote Control The ADB-1750WM Platform shall include an RF4CE transceiver.
R [9] Power Supply
An external power supply unit shall power the ECHO DLNA-Client
Platform.
R [10] Fan The ADB-1750WM Platform shall not be equipped with any
type of fan.

Document Type :
Document Name:
Filename :
PRODUCT FUNCTIONAL SPECIFICATION
Product Functional Specification – Set Top Box
ADB-1750WM
Figure 1: Example of ADB-1750WM Platform architecture
Table 2: Rear Panel Requirements
R [11]
Base-band Audio
Video
The ADB-1750WM Platform shall include base-band
audio/video connectors.
• Variant01: No base-band audio video connectors – default
• Variant02: left and right audio outputs on RCA and SCART
audio-video connectors present.
R [12]
HDMI The ADB-1750WM Platform shall have an HDMI 1.4a compliant
port.
R [13]
S/PDIF The ADB-1750WM Platform shall include an optical S/PDIF
audio output port compliant to IEC 60958 -1.
R [14]
USB
The ADB-1750WM Platform shall include a single USB 2.0 port
compliant to Universal Serial Bus Revision 2.0 Specification
available on the http://www.usb.org website.

Document Type :
Document Name:
Filename : ADB-1750WM
PRODUCT FUNCTIONAL SPECIFICATION
Product Functional Specification – Set Top Box
R [15]
2nd USB
The ADB-1750WM Platform shall include a second USB 2.0 port
on the side of the enclosure.
• Variant01: No 2nd USB connector – default,
• Variant02: 2nd USB connector present.
R [16]
Ethernet
The ADB-1750WM Platform shall include an RJ-45 port
• Variant01: 10/100BASE-TX Ethernet compliant with IEEE
802.3- 2008 – default,
• Variant02: 1000BASE-T Ethernet port compliant with
IEEE802.3 –2008. The Gigabit Ethernet port shall be
backwards compatible with 10/100BASE-TX Ethernet
specifications.
R [17]
F-Connector The ADB-1750WM Platform shall include an F-Connector for
MoCA signal input and output.
R [18]
Remodulator
The ADB-1750WM Platform shall include a Channel 3/4 RF
remodulating on F-Connector.
• Variant01: RF remodulator present – default,
•
Variant02: No RF remodulator.
R [19]
SDHC slot
The ADB-1750WM Platform shall have an SDHC card slot as
defined in R [5] and Table 18. Electrical interface shall be
compliant with: SD Specifications Part 1 Physical Layer
Specification Version 3.01 May 18, 2010
R [20]
Power Jack The ADB-1750WM Platform shall include a jack as power
supply receptacle described later in R [124].
R [21]
Other connectors The ADB-1750WM Platform shall not include other connectors
or interfaces not mentioned in Table 2.
Table 3: Front Panel Requirements
R [22]
LED indicators
The ADB-1750WM Platform shall include two dual colour
(Red/Green) LED indicators located on front panel and controlled
by software.
R [23]
LED indicators
One LED shall be labelled Power/Standby and light green in Full
Power Mode. Red light is active in Standby Mode.
R [24]
LED indicators
One LED shall be labelled “Network” and light green while MoCA
link active.
R [25]
Power Button
The ADB-1750WM Platform shall implement one power button
on the front panel. Its function shall be ‘Standby’. This button shall
be a mechanical, momentary switch. The requirements for
‘Standby Mode’ are detailed in “Table 5: Power Consumption
Requirements”

Document Type :
Document Name:
Filename : ADB-1750WM
PRODUCT FUNCTIONAL SPECIFICATION
Product Functional Specification – Set Top Box
R [26]
Other The ADB-1750WM Platform shall not include any other devices
or indicators not specified in Table 3.
Table 4: Requirements for Conditional Access, Digital Rights Management and Copy Protection.
R [27] CA Design Rules
The printed circuit board shall be designed in such a manner that it
will ensure compliance with all the most recent requirements of
the CA vendors listed below:
• PlayReady
• Marlin
• SecureMedia
The ODM partner will shall guarantee compliance to all of the
above CA vendors.
R [28] Macrovision Copy
Protection
The ADB-1750WM Platform design shall support
Macrovision/Rovi copy protection on RF Re-modulator video
output.
R [29] HDCP DRM
Content transmitted over the HDMI interface shall be protected
with HDCP Specification Rev 1.4 (July, 2009).
Table 5: Power Consumption Requirements
R [30]
Power
Consumption
Control
The ADB-1750WM Platform shall support the following power
states fully managed by software:
• Full Power
• Standby
•
Off
R [31]
Power Up The ADB-1750WM Platform shall power up in standby mode.
R [32]
Standby Mode
The ADB-1750WM Platform shall enter Standby mode upon
user input (power button or remote control unit) or command
received over its Ethernet and MoCA ports.
R [33]
Standby Mode The ADB-1750WM Platform shall disable all video and audio
outputs in Standby Mode.
R [34]
Standby Mode The ADB-1750WM Platform shall power down all non-volatile
local storage in Standby Mode.
R [35]
Standby Mode
The ADB-1750WM Platform shall enter Full Power Mode upon
user input (power button or remote control unit) or command
received over its Ethernet and MoCA ports while in Standby Mode.

Safety First
IMPORTANT SAFETY INSTRUCTIONS
1) Read these instructions.
2) Keep these instructions.
3) Heed all warnings.
4) Follow all instructions.
5) Do not use this apparatus near water.
6) Clean only with dry cloth.
7) Do not block any ventilation openings.
Install in accordance with the manu-
facturer’s instructions.
8) Do not install near any heat sources
such as radiators, heat registers, stoves,
or other apparatus (including amplifiers)
that produce heat.
9) Do not defeat the safety purpose of
the polarized or grounding-type plug.
A polarized plug has two blades with
one wider than the other. A grounding
type plug has two blades and a third
grounding prong. The wide blade or the
third prong are provided for your safety.
If the provided plug does not fit into
your outlet, consult an electrician for
replacement of the obsolete outlet.
10) Protect the power cord from being
walked on or pinched particularly at
plugs, convenience receptacles, and
the point where they exit from the
apparatus.
11) Only use attachments/accessories spe-
cified by the manufacturer.
12) Use only with the cart, stand, tripod,
bracket, or table specified by the manu-
facturer, or sold with the apparatus.
When a cart is used, use caution when
moving the cart/apparatus combination
to avoid injury from tip-over.
13) Unplug this apparatus during lightning
storms or when unused for long periods
of time.
14) Refer all servicing to qualified service
personnel. Servicing is required when
the apparatus has been damaged in any
way, such as power-supply cord or plug
is damaged, liquid has been spilled or
objects have fallen into the apparatus,
the apparatus has been exposed to rain
or moisture, does not operate normally,
or has been dropped.
ADDITIONAL SAFETY INSTRUCTIONS
15) Power sources
This decoder operates with an external
power indicated on the marking label.
Use a standard AC wall outlet; a
DC power source cannot be used.
Remember that contact with a 110-240
Volt AC power supply can be lethal.
16) Overloading
Do not overload wall outlets and exten-
sion cords as this can result in a risk of
fire or electrical shock.
17) Objects and liquid
Do not push objects of any kind into the
decoder through any openings as it may
cause a short circuit and damage the
decoder or even cause fire. Do not spill
any liquid on the decoder. Be extremely
careful if this unit comes into contact
with water. Immediately disconnect the
power supply if possible.
WARNING
DO NOT EXPOSE THIS APPLIANCE TO RAIN OR MOISTURE TO PREVENT FIRE OR
SHOCK HAZARD
CAUTION
TO PREVENT ELECTRICAL SHOCK, NEVER USE THIS PLUG WITH AN EXTENSION
CORD, RECEPTACLE, OR OTHER OUTLET UNLESS THE BLADES CAN BE FULLY
INSERTED AND NOT EXPOSED.
To prevent electrical shock, do not disassemble. No serviceable parts inside, refer servicing to
qualified service personnel. This unit is for indoor use only.
The exclamation point within an equilateral triangle is intended
to alert the user to the presence of important operating and
maintenance (servicing) instructions in the literature accompanying
the appliance.
The lighting flash with arrowhead symbol, within an equilateral
triangle, is intended to alert the user to the presence of uninsulated
”dangerous voltage” within the product’s enclosure that may be of
sufficient magnitude to constitute a risk of electric shock to persons.
This digital decoder has been manufactured to meet international safety standards. However,
safety precautions must be followed to ensure the safe and reliable operation of the decoder.
Please take note of the following guidelines.
REPAIRS
If the unit needs repair, contact your operator for repair or replacement.
NOTE TO CATV SYSTEM INSTALLER
This reminder is provided to call the CATV System Installer’s attention to Article 820-93 of the
NEC that gives guidelines for grounding. NEC Article 820-93 specifies that the cable ground
shall be connected to the grounding system of the building at a point closest to the cable entry
as practical.

18) Servicing
Never attempt to repair or reconstruct
the decoder yourself. A serious electric
shock may occur if this decoder is
repaired, disassembled or reconstructed
by an unauthorized person. Refer all
servicing to qualified service personnel.
19) Safety check
Upon completion of any service or
repairs to this decoder, ask the service
technician to perform safety checks to
determine that the decoder is in proper
operational condition.
20) Outdoor Antenna Grounding
If an outside antenna or cable system is
connected to the decoder, be sure the
antenna or cable system is grounded.
Article 810 of the National Electric Code,
ANSI/NFPA 70, provides information with
regard to proper grounding of the mast
and supporting structure and others.
See figure below.
21) Servicing
Never attempt to repair or reconstruct
the decoder yourself. A serious electric
shock may occur if this decoder is
repaired, disassembled or reconstructed
by an unauthorized person. Refer all
servicing to qualified service personnel.
22) Replacement parts
When replacement parts are required,
be sure the service technician has
used replacement parts specified by
the manufacturer or ones that have the
same characteristics as the original
ones. Unauthorized substitutions may
result in fire, electric shock, or other
hazards.
23) Battery usage
Notwithstanding any information provided
by the manufacturer in this manual
regarding the use of batteries, the end
user assumes all responsibility and
liability to use and dispose of batteries
in accordance with all applicable laws,
rules and regulations. The manufacturer
will not be liable to anyone for the end
user’s failure to use and/or dispose of
batteries in the proper manner and in
accordance with such laws, rules and
regulations, or for any defect contained
in batteries, which may cause injury
damage to persons or property.
Regulatory Information
This device has been tested and found to comply with the limits for a Class B digital device,
pursuant to Part 15 of the FCC rules. These limits are designed to provide reasonable protection
against harmful interference in a residential installation. This equipment generates, uses and
can radiate radio frequency energy and, if not installed and used in accordance with the
instructions, may cause harmful interference to radio or television reception. However, there is
no guarantee that interference will not occur in a particular installation. If this equipment does
cause interference to radio and television reception, which can be determined by turning the
equipment off and on, the user is encouraged to try to correct the interference by one or more
of the following measures:
yReorient or relocate the receiving antenna
yIncrease the separation between the equipment and decoder
yConnect the equipment into an outlet on a circuit different from that to which the decoder
is connected
yConsult the dealer or an experienced radio/TV technician for help
yChanges or modification not expressly approved by the party responsible for compliance
could void the user’s authority to operate the equipment.
This device complies with Part 15 of the FCC Rules. Operation is subject to the following two
conditions: (1) this device may not cause harmful interference, and (2) this device must accept
any interference received, including interference that may cause undesired operation.

This item incorporates copy protection technology that is protected by U.S. patents and other
intellectual property rights of Rovi Corporation. Reverse engineering and disassembly are
prohibited.
Manufactured under license from Dolby Laboratories. “Dolby” and the double-D symbol are
trademarks of Dolby Laboratories.
HDMI, the HDMI Logo and High-Definition Multimedia Interface are trademarks or registered
trademarks of HDMI Licensing LLC.
ADB, the ADB Logo are registered trademarks of ADVANCED DIGITAL BROADCAST S.A.
All other product or service names are the property of their respective owners.
Copyright © 2012 ADB, S.A.
All rights reserved. No part of this publication may be reproduced in any form or by any means
or used to make any derivative work (such as translation, transformation or adaptation) without
written permission from ADB, S.A..
ADB, S.A. reserves the right to revise this publication and to make changes in content from
time to time without obligation on the part of ADB, S.A. to provide notification of such revision or
change. ADB, S.A. provides this guide without warranty of any kind, either implied or expressed,
including but not limited to, the implied warranties of merchantability and fitness for a particular
purpose. ADB, S.A. may make improvements or changes in the product(s) described in this
manual at any time.
Declaration of Conformity
According to 47 CFR, Parts 2 and 15 for Class B Personal Computers and Peripherals; and/or
CPU Boards and Power Supplies used with Class B Personal Computers, ADB, S.A., declares
under sole responsibility that the product identifies with 47 CFR Part 2 and 15 of the FCC
Rules as a Class B digital device. Each product marketed is identical to the representative unit
tested and found to be compliant with the standards. Records maintained continue to reflect the
equipment being produced can be expected to be within the variation accepted, due to quantity
production and testing on a statistical basis as required by 47 CFR 2.909. Operation is subject to
the following condition: This device must accept any interference received, including interference
that may cause undesired operation. The above named party is responsible for ensuring that the
equipment complies with the standards of 47 CFR, Paragraphs 15.101 to 15.109.