Afimilkricultural Cooperative AFIID AFI Identification System User Manual IDealCE 02
SAE Afikim AFI Identification System IDealCE 02
Contents
- 1. DoC
- 2. Users Manual
Users Manual

IDeal
Afi Identification
System
Product number 4022900H/L
Installation Manual
¬
http
Kibbutz Afikim, 15148, ISRAEL
+972-4-675-4811
+972-4-675-1862
market@afimilk.co.il
WWW.afimilk.co.il
September 14, 2003 this manual, P/N 9040380
TM

ii IDeal Installation Manual P/N 9040380

September 14, 2003 IDeal Installation Manual iii
Certificate of Approval
This is to certify that the Quality Management System of
S.A.E. - COMPUTERIZE DAIRY SYSTEMS.
has been audited by SII and found to comply with
the Quality Management Standard: SI ISO 9002
The Certificate is granted in accordance with SII’s Rules for the Certification of Quality Systems
(SII procedure-002) which requires the continuous maintenance of the Quality System to
the above Standard, as testified by the periodic audits conducted by SII.
scope: MANUFACTURE OF COMPUTERIZED DAIRY
SYSTEMS FOR: DAIRY MANAGEMENT, INDIVIDUAL
FEEDING, HEAT DETECTION, HEALTH
MONITORING, WEIGHING AND AUTOMATIC
IDENTIFICATION.

iv IDeal Installation Manual P/N 9040380

September 14, 2003 IDeal Installation Manual v
Approvals and Declarations
European Standards:
CE COMPLIANCE
IDeal System 4022900H/L
The above product passed tests which comply to the following European Community
standards:
* Radio, SRD:
EN-300 330-2 V1.1.1,
ERC/REC 70-03E:05/03 Annex 9
* Electromagnetic Compatibility:
• EMC for radio: EN 301 489-3V 1.31 (SRD).
• Industrial immunity: EN 61000-6-2:01
* Product Safety:
EN 60950:00
Compliance with these standards is on condition that the system is installed in
accordance with the formations in which the product passed the standards tests, and the
declarations given to the authorities. Any changes or combination made in the system,
other than those defined, will not be approved by the standards and will be referred to
accordingly.
In order to qualify the standard EN 60950:00, the transformer
(230VAC/24VAC) should be VDE standard or equivalent to the local standard
in EEC.
For any further information contact an S.A.E. representative.
Warning This product was tested at a transmission level of
30 VDC. Do not adjust the Tx Voltage higher than
this level.

vi IDeal Installation Manual P/N 9040380
WARNINGS
USE OF THE IDeal SYSTEM SHOULD BE
UNDER THESE CONDITIONS:
1. OPERATING THE SYSTEM WILL COMPLY
WITH THE DECLARATION OF
CONFORMITY, THE T.C.F. AND THE TEST
REPORTS IN THESE DOCUMENTS.
2. The 230/24 VAC 50Hz (OR 120/24 VAC 60 Hz)
SUPPLY TRANSFORMER FOR IDeal
SYSTEM MUST COMPLY WITH EITHER VDE
& CE (89/366/EC) OR UL DIRECTIVES.

September 14, 2003 IDeal Installation Manual vii
USA Standards:
FCC COMPLIANCE
The responsible party for this device compliance is:
Company name: S.A.E. Afikim USA Inc.
Address: 6520 Platt Ave. #804 West Hills CA
91307-3218 USA
This device (IDeal, model number 4022900H/L) complies with part 15 of FCC Rules.
Operation is subject to the following two conditions: (1) This device may not cause
harmful interference, and (2) this device must accept any interference received,
including interference that may cause undesired operation.
This device passed tests which comply to the following FCC standards:
* Radio, SRD: 47CFR P15 Sub C, § 15.209
* Electromagnetic Compatibility: Emissions – 47CFR, P15 Sub B:01
Note: This equipment has been tested and found to comply with limits for Class B digital
device, pursuant to part 15 of the FCC Rules.
These limits are designed to provide reasonable protection against harmful interference
in a residential installation. This equipment generates, uses and can radiate radio
frequency energy and, if not installed and used in accordance with the instructions,
may cause harmful interference to radio communications. However, there is no
guarantee that interference will not occur in a particular installation.
If this equipment does cause harmful interference to radio or television reception,
which can be determined by turning the equipment off and on, the user is encouraged
to try to correct the interference by one or more of the following measures:
- Reorient or relocate the receiving antenna.
- Increase the separation between the equipment and receiver.
- Connect the equipment into an outlet on a circuit different from that to which the
receiver is connected.
- Consult the dealer or an experience radio/TV technician for help.
Warning:
Changes or modification to this unit not expressly approved by the party responsible for
compliance could void the user authority to operate the equipment.

viii IDeal Installation Manual P/N 9040380
WARNING
High voltage transients, surges, and other power irregularities can cause
extensive damage. It is the user's responsibility to provide a power
protection system.
It is the user's responsibility to install, operate, and maintain the system
in accordance with all applicable codes, regulations, and safety
measures.
CAUTION
The device is intended for indoor installation only.
A readily accessible disconnect device shall be incorporated in the
building installation wiring.
The device is intended for connections to indoor communication lines
only, with maximum length 30 meters.
TRADEMARKS
AND PATENTS
Without prior notice and without obligation, the contents of this manual
may be revised to incorporate changes and improvements.
Every effort has been made to ensure that the information is complete
and accurate at the time of publication. Nevertheless, S.A.E. cannot be
held responsible for errors or omissions.
Trademarks, patents, and copyrights apply.

September 14, 2003 IDeal Installation Manual ix
Specifications
Working temperature 0-400C
Power input voltage range 24 ±2.4 VAC

x IDeal Installation Manual P/N 9040380
Table of Contents
Introduction ...................................................................................................................1
Chapter 1: IDeal Components......................................................................................3
IDeal Controller.........................................................................................................4
The IDeal PCB ......................................................................................................6
Settings of the IDeal Controller ............................................................................8
Connectors of the IDeal PCB..............................................................................12
Test Points ...........................................................................................................13
The IDeal Display Panel .........................................................................................14
The IDeal Box .....................................................................................................15
The Antenna Switching Box ...................................................................................16
The Switching Box PCB .....................................................................................16
Connectors of the Switching Board.....................................................................17
Chapter 2: System Configurations..............................................................................19
Chapter 3: Mounting the IDeal Box...........................................................................23
Location of the IDeal Box...................................................................................23
Mounting the IDeal box ......................................................................................24
Chapter 4: Laying Cables ...........................................................................................25
Chapter 5: Wiring.......................................................................................................29
Inserting Cables into the IDeal Box........................................................................29
Wiring Cables to Connectors...................................................................................31
Communication Cable.........................................................................................31
Antenna Cables....................................................................................................32
Tx and Rx Cables (only in systems with switching boxes).................................33
Antenna Select Cables (only in systems with switching boxes) .........................33
Gate Switches ......................................................................................................33
Power Supply.......................................................................................................34
Chapter 6: Testing ......................................................................................................35
The IDeal Self-test Mode ........................................................................................35
Testing and Adjusting Effective Antenna Ranges...................................................36
Adding a Resistor to Reduce Antenna Range .........................................................38
Locating a Faulty Antenna ......................................................................................38

September 14, 2003 IDeal Installation Manual 1
Introduction
The “IDeal” controller is the unit responsible for active identification sequence in Afi
systems such as “AfiAct”, “AfiMilk”, “AfiSort”, and other dairy systems from S.A.E.
Afikim.
The “IDeal” interfaces between the AFI system in which it is installed and the
identification system’s sensors - the antennas.
The main operations of this unit are:
• Receiving an identification request from the computer.
• Selecting the appropriate antenna to activate.
• Sending power and frequency signals to activate the antenna.
• Receiving the identification response from the cow tag.
• Translating the analog data to a digital sequence.
• Sending the identification data to the computer.
In some configurations (such as in the “AFIMILK” system for Herringbone parlors) the
IDeal unit sends gate status to the computer.

2 IDeal Installation Manual P/N 9040380

September 14, 2003 IDeal Installation Manual 3
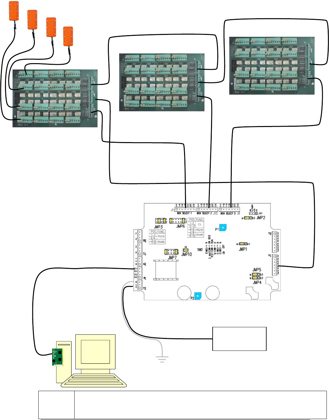
Chapter 1: IDeal Components
The “IDeal” identification system consists of an IDeal box (the controller box) and
antenna input to the box. The system is connected to a computer, through an AfiCom1
or AfiCom communication card, to AfiFarm herd management software. Antenna input
may consist of:
• One or two antennas connected directly to the IDeal box (a “2 Antenna” system).
• If three or more antennas are used in the system, antennas are
connected to the IDeal box by way of one or more antenna
switching boxes (a “Switching box” system). Each antenna
switching box may be connected to up to 16 antennas. Up to 3
switching boxes may be connected to each IDeal box.

4 IDeal Installation Manual P/N 9040380
IDeal Controller
The IDeal controller unit is a plastic box containing a printed
circuit board (PCB). A display panel is on the front cover of the
box, as pictured. Box dimensions are:
• Width: 28 cm (11”) long.
• Height: 19 cm (7½”).
Including hinges and grommets height is 22 cm (8¾”),
• Depth: 8.5 cm (3½”) thick.
• Net weight: 1.7 Kg. (3 lb. 12 oz.)
Shipping weight: 2.7 Kg. (5 lb. 15 oz.)
The IDeal controller (P/N 4022900H/L)* consists of:
• A plastic enclosure (P/N 7000070).
Top (P/N 7000011).
Back (P/N 7000012).
7 grommets. Each grommet has 3 inlets.
21 cable inlets are in grommets as follows:
o 5 grommets for 6.5 mm (¼”) cables
(P/N5001764).
o 1 grommet for 7.0 mm (¼”) cables
(P/N5001763).
o 1 grommet for 5.0 mm (3/16 ”) cables
(P/N5001762).
7 Grommet nuts (P/N 9020726).
• A PCB (P/N 4022800H/L).
The seven-segment display
is on the back side of the
PCB.
• 2 mounting plates (P/N 4088016), 4 Allen bolts (M6)
and 8 nuts.
• A “P3” communication cable (P/N 4088435), for
connecting the IDeal box to the computer.
An open IDeal box, with mounting plates attached.

September 14, 2003 IDeal Installation Manual 5
* IDeal systems operate on one of two frequencies throughout the
world: HI or LOW. The part number reflects the frequency setting
of the IDeal when shipped. 4022900H designates an IDeal shipped
at a high frequency. 4022900L designates an IDeal shipped at a
low frequency. (Low frequency systems [blue antennas and tags]
are used in Western Europe. High frequency systems [orange
antennas and tags] are used in the U.S.A. and other countries.)
Cable Requirements
This section describes the cables that are needed for the installation of the IDeal system.
Communication Cable
A 4-wire shielded cable 22 AWG (0.3 mm²) carries the communication signal between
the IDeal box and the computer.
Note: The device is intended for connection to indoor
communication lines only, with maximum length 30 meters.
Power Cable
A 3-wire, 18 AWG (0.75 mm²) cable is required to supply power to the IDeal box.
Antenna Select Cables (only in systems with switching boxes)
A 7-wire, 22 AWG (0.3 mm²) cable carries antenna select signals between the IDeal
main board and antenna switching boxes. This cable also carries a 5 V DC power
supply to the antenna. Wire colors of this cable are red, white, black, brown, green,
orange, and yellow. Maximum length of this cable is 15 meters.
Tx and Rx Antenna Signal Cables (only in systems with switching boxes)
A 6-wire shielded cable 22 AWG (0.3 mm²) carries Tx and Rx antenna signals between
the IDeal box and switching boxes. This cable extends from the IDeal, cascading to the
switching units (connecting one switching unit to the next).
The drawing on page 3 depicts connections between the IDeal box and switching boxes.
Antenna Cables
Antennas are provided with cables attached. The Tx and Rx antenna signal cable,
described above, can be used to extend antenna cables.

6 IDeal Installation Manual P/N 9040380
The IDeal PCB
This section describes the printed circuit board (PCB) of the IDeal controller, and
The printed circuit board consists of three electrical circuits - a power supply circuit, a
micro-controller circuit and an RF transmission/reception unit.
The power supply circuit is fed by 24 ±2.4 VAC, supplying 5 and 12 volts for the
micro-controller circuit, as well as by Tx (Transmission) power and frequency. The Tx
power level determines the effective identification range of the system. Tx power can
be adjusted by a potentiometer on the PCB (P2). Voltages can be measured at test
points on the PCB.
The micro-controller circuit directs the digital data flowing between the antenna and the
computer. It is connected to the controller by a four-wire communication cable, and
sends data in response to the controller’s request. The micro-controller activates the
antenna that needs to transmit an identification request. It also temporarily stores some
digital data (the identification and step counter of the I.D. tag), until communication is
initiated by the computer.
The RF transmission/reception circuit is the direct connection between the micro-
controller and the antenna. It converts digital data into an analog signal sent to the
antenna and vice versa.
A few means of adjustments (DIP switches, jumpers and potentiometers), as well as some
connectors (to which cables are connected), are on the board. The drawing below displays
the PCB’s main components, connectors and means of adjustments. Verify that settings meet
requirements of the system you are installing.

September 14, 2003 IDeal Installation Manual 7
The following variables must be defined in each IDeal controller:
• Type of system:
– “2 Antenna” (only one or two antennas are connected directly to the IDeal),
– “Switch Boxes” (three or more antennas are connected
indirectly, through one two or three switching boxes. Up to 16
antennas can be connected to each switching box.)
• Frequency settings – The IDeal box can be set to operate in a
high frequency or in a low frequency. Frequency setting
depends on the location of installation. (Low frequency systems
[blue antennas and tags] are used in Western Europe. High
frequency systems [orange antennas and tags] are used in the
U.S.A. and other countries.)
• Communication type – The IDeal box supports Current Loop
communication as well as RS232 communication. C.L. is the
communication type used in Afi systems.
• Communication protocol – Digital communication is in one of
two “languages:” the “old” communication protocol, or the
“new” communication protocol (also referred to as protocol
C2000). The new protocol supports tag numbers up to 65,536.
(The old protocol is limited to a highest tag number of 4095.)
• Antenna transmission range – Antenna transmission is
determined by adjusting a potentiometer.
These settings are explained on the following pages.
Settings of the IDeal Controller
The next page is an illustration of the IDeal PCB, displaying jumpers, the dipswitch
panel and connectors. The page following the illustration is a table of adjustable
components of the PCB.

8 IDeal Installation Manual P/N 9040380
IDeal printed circuit board: layout of set up components, connectors, and test points
Settings of the IDeal Controller

September 14, 2003 IDeal Installation Manual 9
Adjustable Components of the IDeal PCB
Jumpers and connection points
JMP1 Hi or Low frequency
JMP2 Hi or Low frequency
JMP3 Communication type
JMP4 Hi or Low frequency
JMP5 Hi or Low frequency
JMP6 Communication type
JMP7 C.L. communication type with “P3” connector
JMP10 Hi or Low frequency
J12 Not used, must remain OPEN.
JMP13 Not used, must remain OPEN.
JMP14 Not used, must remain OPEN.
JPT1 Used for testing
Dipswitch panel SW2
Switch #1 Old or New communication protocol
Switch #2 Old or New communication protocol
Switch #3 Old or New communication protocol
Switch #4 Test mode or Work mode
Switch #5 Type of system: 2 Antenna, or Switching Box
Switch #6 Old or New communication protocol
Potentiometers
P1 DO NOT CHANGE. Adjusts reception sensitivity.
P2 Determines transmission voltages of all antennas.
Connectors
J1 Antenna #1 in a 2 Antenna system, or to switch box #1
J2 Antenna #2 in a 2 Antenna system
J3 Power supply
J4 Communication connector for Current Loop communication type
J5 Communication connector for RS232 communication type
J7 Connector for gate switches on side A of parlor.
J8 Connector for gate switches on side B of parlor.
J9 Antenna select cable from switching box #3
J10 Antenna select cable from switching box #2
J11 Antenna select cable from switching box #1

10 IDeal Installation Manual P/N 9040380
N
N
N
N
O
O
O
O
SW2
Settings of the IDeal PCB
Variable Setting on PCB
Switch number 5 on dipswitch panel SW2 (near the center of the board):
(Dipswitch panel SW2 is located near the center of the PCB.)
Type of system
• “2 Antenna”
system; if one or
two antennas are
connected directly
to the IDeal, set
switch 5 of SW2
to 2 ANT.
(Default setting)
• “Switching Box”
system; if
antennas are
connected to the
IDeal indirectly,
by way of
switching box(es),
set switch 5 of
SW2 to SW.
BOX.
Test/Run mode Switch number 4 on dipswitch panel SW2 (illustrated above):
During normal operation, switch 4 is set at RUN. During tests, switch four is at TEST.
Dipswitch panel SW2 is also used to determine the communication protocol. Four
switches, labeled O and N, on their sides, determine the communication protocol:
Communication
protocol
• When these switches are set
to O, then the IDeal is set
to operate in the “Old”
communication protocol,
as illustrated.
• When these switches are set
to N, then the IDeal is set
to operate in the “New”
communication protocol
(also referred to as
protocol C2000), as
illustrated.
Communication
type Jumper JMP6 determines communication type.
(Jumper JMP6 is in the upper left corner of the board.)
• C.L. communication type:
When pins 1-2 and 11-12 of Jumper
JMP6 are plugged, the IDeal is set
SW2
SW. BOX
2 ANT
SW2
N
O
O
O
N
N
N
O
SW2
SW. BOX
2 ANT
RUN
TEST

September 14, 2003 IDeal Installation Manual 11
to operate in the Current Loop
communication type. (JMP3 is not
utilized.)
• RS232 communication type
(optional comm. type):
To set the IDeal to operate on
RS232 communication, set jumpers
as illustrated:
* On Jumper JMP6, plug pins 3-4 and 7-8.
* Ensure that on Jumper JMP3, pins 1-2 and
5-6 are plugged. (Jumper JMP3 is preset to this
position.)
• RS485 will be available in the
future.
Jumper JMP7 Ensure that pins 1-2 and 9-10 of jumper JMP7 are plugged.
Variable Setting on PCB
5 jumpers on the PCB are used to determine IDeal frequency:
(Jumpers JMP1, JMP2, JMP4, JMP5, and JMP10)
Frequency
• To set
the
IDeal
to
operat
e in a
high
freque
ncy,
jumper
the left
two
pins of
jumper
s
JMP1,
JMP2,
JMP4,
and
JMP5,
and
plug
jumper
JMP1
0, as
illustra
ted.

12 IDeal Installation Manual P/N 9040380
• To set the
IDeal to
operate in
a low
frequency,
jumper the
right two
pins of
jumpers
JMP1,
JMP2,
JMP4,
and
JMP5,
and
unplug
jumper
JMP10,
as
illustrated.
Antenna reception
Warning!
Potentiometers
must be adjusted
gently. Using too
much force with the
adjusting screw
may break the
device.
Two regulation potentiometers influence working ranges
of antennas:
• P1, located near the center of the
board, is used to adjust reception
sensitivity. The IDeal’s reception
circuit is calibrated before leaving
the factory, so P1 should not be
touched. In any case, it is not
recommended to change P1
calibration without the company’s
guidance.
• P2, located on the bottom edge of
the board, determines the
antennas’ transmission voltages.
The transmission voltage
determines the antenna’s effective
working range, and should be
adjusted according to the
installation requirements. Turning
P2 counter clock-wise raises
transmission power and enhances
reception.
Note: Common Market standards allow maximum Voltage of 30 VDC
Connectors
Connectors are the interface between the IDeal controller and peripheral devices
connected to it. Below is a list of the connectors and their functions.

September 14, 2003 IDeal Installation Manual 13
J1, J2 Antenna connectors: These 7-pin connectors are located along the right edge of
the PCB. These connectors are used for direct connection of antennas to the board,
in systems where only one or two antennas are required.
Connector J1 supports antenna number 1 and J2 supports antenna number 2. When
the system is set to operate in a “Switching Box” configuration (antennas are
connected by way of switching boxes) by means of Dip switch setting, the antenna
signal to the switch boxes should be connected to the J1 connector.
J3, Power input: The IDeal system is powered by a 24 VAC from an external source (Do
NOT use the same power supply used for the milkmeters). J3 is, located at the
lower left corner of the board.
Warning !
When inserting the terminal block into connector J3, ensure that the
ground wire connects to pin GND. Incorrect wiring may damage the
PCB.
J4, Communication: Current loop communication connector. Junction J4 is the CL
connector to the AFI system’s main controller (AfiCom1 or AfiCom communication
board, in the computer). J4 is located along the left edge of the PCB.
J5, Communication: RS232 communication connector. This is an optional
communication type used only in specific situations. This connector is located
along the left edge of the PCB.
J7, J8, Gate inputs: In some configurations, the IDeal controller supports gate switch
inputs. (When a gate is closed, its respective LED glows.) These gate inputs are
connected to J7 - J8. Connectors J7 - J8 are located along the left edge of the P.C.B.
Wiring of these connectors is explained in the following chapter. Connectors J7-J8
are dry contacts (no power is supplied through these connectors).
J9, J10, J11, Antenna select: When the system is configured for a “Switching box”
system (using switching boxes), the IDeal sends an antenna select signal to the
switching boxes. The antenna select signal dictates which antenna to activate.
• Connector J11 (Box select 1) is connected to the first switching
box (supporting antennas 1 - 16).
• Connector J10 (Box select 2) is connected to the second
switching box (supporting antennas 17 - 32).
• Connector J9 (Box select 3) is connected to the third switching
box (supporting antennas 33 – 48).
These three connectors are located along the top edge of the PCB.
These connectors are active only when dipswitch SW2 is set to SW. BOX, as described
in the previous section.
24V AC GND
J3

14 IDeal Installation Manual P/N 9040380
Test Points
Four test points are located at the upper right corner of the PCB, at JPT1. These test
points are used for testing the power supply circuit in cases of malfunction and/or for
adjustment purposes.
• GND - Ground signal for all other test points.
• TX_Power This is the transmission power supply level for the
antennas. The level of this power determines the identification
range. Therefore this voltage level is checked whenever an
adjustment is required. (The power supply VTx can be adjusted
by potentiometer P2). The allowed voltage range is 8VDC to
30VDC.
• +12 VDC. Allowed voltage range is 11.8 VDC - 12.2 VDC.
• +5 VDC supply for the micro-controller’s circuit. The allowed
voltage range is 4.9 VDC - 5.1VDC.
TX_Power
GND
JTP1
+12 V
+5 V

14 IDeal Installation Manual P/N 9040380
The IDeal Display Panel
A display panel is on the back side of the IDeal PCB.
A 7 segment display, and eight LED indicators are visible through the clear front cover
of the IDeal box.
IDeal Box case
The main display indicates the antenna
number currently activated (transmitting a
signal).
Two pairs of gate indicators (Left entry and
exit gates; right entry and exit gates) glow
whenever the corresponding gate is closed.
Entry and exit #1 should correspond to the
gates on the left side of the parlor. The left
side of the parlor should be the lower number
milk meters, as illustrated.
The Com fault indicator is above the Side II
gate indicators. The Com fault LED
indicates a faulty communication with the
computer, and it must be off when a milking
session is in process.

September 14, 2003 IDeal Installation Manual 15
The Tx indicator (above the Rx Data gates indicators) reflects the IDeal’s transmission
sequence. The Tx indicator blinks when identification request is sent. This indicator is
a red LED.
The Rx Data indicator reflects the IDeal’s reception status. When there is a positive
reception of an identification signal, this indicator blinks brightly. A weak flicker
indicates interference from an external source. As well, flickering or glowing of this
LED when there is no identification activity in the parlor indicates external interference.
This indicator is a green LED.
The IDeal Box
When power supply is on, the main display appears as -An internal fuse is on the
IDeal PCB. If the circuit is overloaded, the fuse temporarily opens the power circuit to
block power supply to the board. After the short circuit has been repaired, the circuit is
closed and the power supply reconnected.
Cable inlets (grommets) are on the lower side of the IDeal box. Different size cables
are inserted through grommets
of appropriate sizes. Each color
grommet represents a cable
size. This is detailed in the
following chapter.
Open the box by pressing two snap locks on the front corners.
When closing the box:
• Ensure that the cover is to the left edge of the hinges.
• Verify that the locks on the corners snap shut, to ensure a tight
seal.
• Screws are provided in the cover, near the snap locks, to seal the
box. When finished wiring the IDeal, tighten these screws to
seal the box.
Snap
lock
Snap
lock

16 IDeal Installation Manual P/N 9040380
The Antenna Switching Box
Each IDeal box can support as many as 48 antennas. In systems using more than two
antennas, antenna switching boxes are required.
An antenna switching box is a connection board, with a switching relay for each
antenna. One box can support up to 16 antennas, and up to three boxes may be
cascaded into the IDeal controller.
Switching Box Board
The switching box board, contains antenna connectors and serves as a buffered interface
between the IDeal and antennas.
PCB of Switching Box
J1
Antenna
select
cable
1
J3
2
4
3
5
6
7
8
9
10
11
12
13
14
15
16
J2
Antenna
signal
cable
J3
Antenna
signal
cable

September 14, 2003 IDeal Installation Manual 17
Switching Board Connectors
The switching board contains four types of interface connectors:
• Connector J1 receives the antenna select signal from the IDeal
card.
• Connectors J2 and J3 carry the antenna transmission and
reception signals from/to the IDeal main board. Switching
units are connected in parallel. The cable entering J2 may exit
via J3, carrying signals to the next switching box.
• Connectors 1 to 16 are the antenna connectors. Antennas must
be connected to these connectors in the proper order:
• In switching box #1, antenna #1 is wired to connector #1,
antenna #2 is wired to connector #2, and so forth.
• In switching box #2, antenna #17 is wired to connector #1,
antenna #18 is wired to connector #2, and so forth.
• In switching box #3, antenna #33 is wired to connector #1,
antenna #34 is wired to connector #2, and so forth.
• If more than one IDeal box is in the system, continue antenna
connections in the same manner. (Antenna #49 is wired to
connector #1 of switching box #1, of the second IDeal box.)

18 IDeal Installation Manual P/N 9040380

September 14, 2003 IDeal Installation Manual 19
Chapter 2: System Configurations
This chapter illustrates, in more detail, configurations of the IDeal identification system.
Two configurations are illustrated on the following pages.

20 IDeal Installation Manual P/N 9040380
Configuration
The IDeal controller supports two working modes:
• A “2 Antenna” mode uses only one or two antennas. Switching
boxes are not required for this mode. This mode is used in
systems such as “AFIACT,” “AFISORT” and “Entrance
Identification” systems.
• A “Switching Box” mode; where three or more antennas are
connected to one or more switching boxes.
The drawing below depicts a “2 Antenna” IDeal system in a milking parlor. This
drawing depicts a basic configuration of AFIACT with walkover antennas, installed at
the parlor’s entry door.
In the drawing below, two antennas are connected directly to the IDeal.
In this situation, the IDeal is set to work in a 2 Antenna mode. (Switch No. 5 of dip
switch array SW2 is set to 2 ANT). The two antennas are connected to J1 and J2
connectors on the IDeal board.
“2 Antenna” system in a milking parlor
AfiCom 1 or AfiCom
communication card

September 14, 2003 IDeal Installation Manual 21

22 IDeal Installation Manual P/N 9040380
The drawing below shows a “Switching Box” IDeal system in a herringbone parlor. In
this configuration the antennas are connected to a switching box. (Switch No. 5 of dip
switch array SW2 is set to SW. BOX).
“Switching Box” system in a parlor
AfiCom 1 or AfiCom
communication card

September 14, 2003 IDeal Installation Manual 23

September 14, 2003 IDeal Installation Manual 23
Chapter 3: Mounting the IDeal Box
and Switching Boxes
This chapter explains the mounting of the IDeal box.
Location of the IDeal Box
Mount the IDeal box in a location that meets the following criterion:
• Mount the IDeal box on a wall or at any location from which it
can be seen from everywhere in the parlor, (or other facility
where it is used, such as a sort weigh system).
• Maximum length of the cable running between the switching
units and the IDeal is 15 meters. This means that, in some
cases, the switching units will be installed halfway through the
milking parlor, above the middle milking stall.
Note: The device is intended for connection to indoor
communication lines only, with maximum length 30 meters.
• We highly recommend installation of the IDeal close to
antennas, so that the cable between antennas and the IDeal is as
short as possible.
Warning
Ensure that there is a very limited amount of electrical
interference in the environment, especially from AC
controllers (variators) and AC motors.

24 IDeal Installation Manual P/N 9040380
Mounting the IDeal box
Each Ideal box is provided with two support plates on its back, as illustrated. The box
can hang from the support plates. Or, the support plates can be attached to the box
“upside-down”, and the plates can support the box above the point of attachment to the
wall or beam. The latter method is advantageous in mounting the box on a beam with
little overhead clearance. The support plates protrude 6.5 cm (25/8”) from the edge of
the box. A M6 bolt is used to secure the support plates to the wall or beam.
After the proper location is determined, install the IDeal box.
1. Attach the support plates to the box, in the desired
position, as illustrated below:
2. Bolt the IDeal box firmly to the wall or beam.
Screw
Wall of
IDeal box
Nut Lock
washer
Nut
Mounting
Plate
25.8 cm
(10 3/8”)

September 14, 2003 IDeal Installation Manual 25
Chapter 4: Laying Cables
This chapter describes the cable layout and wire connections of the IDeal identification
system.
Lay cables as illustrated and described on the following pages.

26 IDeal Installation Manual P/N 9040380
Laying Cables
Lay cables as described below, and as illustrated on the following pages.
• Communication Cable
[4-wire, shielded, 22AWG (0.3 mm²)]
Lay the communication cable between the IDeal box and the
computer.
• Antenna Select Cables (only in systems with switching boxes)
[7-wire, 22AWG (0.3 mm²), shielded]
Lay antenna select cables between the IDeal and antenna
switching boxes.
• Tx and Rx Antenna Signal Cables (only in systems with
switching boxes)
[6-wire, 22 AWG (0.3 mm²), shielded]
Lay antenna signal cables between the IDeal box and antenna
switching boxes, as pictured on the following page.
• Antenna Cables
[6-wire, 22 AWG (0.3 mm²), shielded]
Antennas are provided with cables attached. The Tx and Rx
antenna signal cable, described above, can be used to extend
antenna cables. Lay antenna cables from antennas to the IDeal
box, or antenna switching boxes.
• Power Cable
[3-wire, 18AWG (0.75 mm²)]
Lay a power supply cable to the IDeal box.
Note: Maximum length of the Antenna Select cable is 15 meters.
Note: Make antenna cables as short as possible.

September 14, 2003 IDeal Installation Manual 27
The drawing below depicts connections of a “Switching Box” IDeal system (supporting up to
48 antennas).
Note: Power supply to this unit must be 24±2.4 VAC1 75VA, from
an isolating transformer.
AfiCom1 or
AfiCom
communication
card
24 VAC
Transformer
IDeal box
Switching box #2
Communication cable
4 X 0.3 mm² (22 AWG)
Antenna select cable
7 X 0.3 mm² (22 AWG)
15 meter max. length
Antenna select cable
7 X 0.3 mm² (22 AWG)
15 meter max. length
Antenna select cable
7 X 0.3 mm² (22 AWG)
15 meter max. length
Tx Rx antenna signal cable
6 X 0.3 mm² (22 AWG)
Tx Rx antenna signal cable
6 X 0.3 mm² (22 AWG)
Tx Rx antenna signal cable
6 X 0.3 mm² (22 AWG)
Antenna cables
6 X 0.3 mm²
(22 AWG)
Power cable
3 X 0.75 mm²
(18 AWG)
Antenna 1 Antenna 2
Ground the IDeal box
to a metal structure.
Switching box #1
Switching box #3

28 IDeal Installation Manual P/N 9040380
The drawing below depicts connections of a “2 Antenna” IDeal system (supporting one or two
antennas).
Note: Power supply to this unit must be 24 ±2.4 VAC1 75VA, from
an isolating transformer.
24 V AC
Transformer
IDeal box
Communication cable
4 X 0.3 mm² (22 AWG)
Antenna cables
6 X 0.3 mm²
(22 AWG)
Power cable
3 X 0.75 mm²
(18 AWG)
Antenna 1 Antenna 2
AfiCom1 or
AfiCom
communication
card
Ground the IDeal box
to a metal structure.

September 14, 2003 IDeal Installation Manual 29
Chapter 5: Wiring
This chapter details wiring of the IDeal identification system.
Inserting Cables into the IDeal Box
After laying cables, insert them into the IDeal box. IDeal boxes, and antenna switching
boxes, are provided with color-coded grommets. Each cable is inserted through its
appropriate grommet.
Insert cables as described on the following page.
Green grommets – Antenna cables
6.5 mm (¼”) diameter (P/N 5001764)
Red Grommet – Communication cable
5.0 mm (3/16”) diameter (P/N 5001762)
Blue grommet – Power cable
7.0 mm (¼”) diameter (P/N 5001763)
Grommet nut (P/N 9020726)

30 IDeal Installation Manual P/N 9040380
Insert cables as follows:
1. Using a small screwdriver, or any pointed
object, puncture a hole on a side of the
desired plugs. Pull loosened plugs from
the grommet.
2. Unscrew the nut and remove grommets.
3. Insert cables through the nut, and
then insert cables through
grommet holes. Allow slack for
wiring inside the box.
4. Insert the grommet correctly into the
socket. Ensure that three small slots on
the grommet are in correct position.
This prevents the grommet from
rotating when tightening the nut.
Screw the nut one revolution on the
threads, so that it is loosely held in
position.
After inserting cables, connect wires to connectors, as described in the following
section.
Warning
Remove plugs only where a cable will replace it. If grommet holes
are left open, the box will not be waterproof, and components may
be damaged.
1
2

September 14, 2003 IDeal Installation Manual 31
Wiring Cables to Connectors
Wire cables as described in this section.
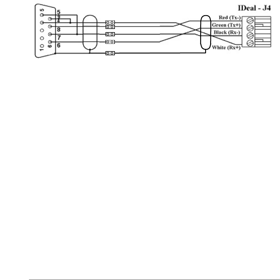
Connecting the Communication Cable
Connect the communication cable as described below. See the AfiCom 1 or AfiCom
communication card installation manual for more details on connections to the AfiCom 1
or AfiCom card.
In most situations, the Current Loop communication type is used. If using C.L. connect
a “P3” communication cable to Connector J4, on the left edge of the IDeal board.
Connect red, green, black and white wires to the connector as illustrated below. (Ensure
that jumper pins on the IDeal are properly set, as described on page 11.)
AfiCom1 Card (P3) to IDeal communication cable
AfiCom 1
Port 3, 4,
5, or 6

32 IDeal Installation Manual P/N 9040380
Connecting Antenna Cables
Each antenna is connected individually to the IDeal, or to the switching box in a
“Switching Box” system. In the IDeal box, wire colors are printed next to each
connector. In switching boxes, one pattern of color connections is printed on the board.
16 antenna connectors are in each switching box. See illustrations on pages 27 and 28.
In normal operation:
• The brown and white wires are connected together, to the
“Wht/Brn” pin.
• The blue and the black are connected together to the “Blk” pin.
• Connect antenna cables in this manner, to their respective
connectors.
Note : The "GND" Pin (labeled above “Not Used”) remains free.
Connecting Tx and Rx Antenna Signal Cables (in systems with
switching boxes)
Connect antenna signal cables as described below, and as illustrated on page 27:
• Connect J1, in the IDeal box, to J2 in switching box #1.
• Connect J3, in switching box #1 to J2 in switching box #2.
• Connect J3, in switching box #2 to J2 in switching box #3.
(optional)

September 14, 2003 IDeal Installation Manual 33
Connect Antenna Select Cables (in systems with switching
boxes)
Connect antenna select cables as described below, and as illustrated on page 28 (On the
switching box PCBs, wire colors are printed at connectors):
• Connect J11 (Box select 1) in the IDeal box to J1 of Switching
box No. 1.
• Connect J10 (Box select 2) in the IDeal box to J1 of Switching
box No. 2.
• Connect J9 (Box select 3) in the IDeal box to J1 of Switching
box No. 3.
Connecting the Gate Switches
Connect gate switches to J7 and J8 in the IDeal. These switches must supply a floating
contact signal and should be connected as illustrated below, and as printed on the P.C.B.
next to J7 and J8.
J8
J7
Ri
g
ht
Ri
g
ht
Side
II
Side
I

34 IDeal Installation Manual P/N 9040380
Connecting the Power Supply
After all other lines are connected, connect the power supply to the IDeal box. The
IDeal unit is powered by a 24 ±2.4 VAC. The power line coming from the transformer
is a three-wire cable, connected to connector J3.
Do NOT connect the IDeal to the same power supply that is used for the milk meters.
When finished connecting wires to connectors, adjust cables to an appropriate length
inside the box, then tighten grommet nuts, and close the box.
Warnings:
The ground of the main power supply must NOT be connected
to the IDeal box.
Assure that the point to which this wire is connected is a good
grounding, whether it is the metallic frame of the building, or a
special grounding electrode mounted in the ground.
When inserting the terminal block into connector J3, ensure
that the ground wire connects to pin GND. Incorrect wiring may
damage the PCB.
24V AC GND
J3

September 14, 2003 IDeal Installation Manual 35
Chapter 6: Testing
After the installation and/or when an identification fault occurs, test for identification
range. There is more than one way to carry out this procedure, but the sequence of
actions is always the same:
• Initiate an identification request in the antenna.
• Test antenna range with a test tag.
• If necessary, adjust the Tx voltage, or replace the faulty antenna.
To initiate an identification request of an antenna, you may use an “AFI” program (i.e.
start a milking session), an “AFITEST” program, or the self-test mode of the IDeal.
Testing and Adjusting Effective Antenna Ranges
• To start the IDeal self-test mode, the fourth dip switch at SW2
must be set to TEST.
A special test tag is needed for adjusting antenna ranges.
a test tag
(high frequency P/N 4086388, low frequency P/N 4087388)
Antenna ranges can be adjusted by:
• Increasing power to all antennas, to increase ranges in all
antennas. This is done by adjusting potentiometer P2, as
described on page 11.
• Reception at individual antennas can be reduced by adding a
resistor, as described on page 39.
When in the self-test mode, the IDeal operation will be determined according to gate
switch positions. The table on page 37 describes the relationship between gate positions
and the operation of the test sequence.
Indicator light

36 IDeal Installation Manual P/N 9040380
Because of the mechanism described in the note above, two normal tags are needed to
advance the IDeal search from one stall to another. Testing of ranges is done with the
test tag. The three tags are referred to as: Tag 1, Tag 2 and Test Tag.
When adjusting effective Tx range of antennas, check the transmission field around the
antenna. Ensure that the field covers the entire area in which the cow’s tag carrying leg
may be placed, when the cow is being milked. As well, check that the field does not
overlap into the field of neighboring antennas.
Test antenna ranges as follows:
1. Set the IDeal to Test mode:
a. Turn off power to the IDeal box.
b. At dipswitch SW2 on the IDeal PCB, set the switch #4 to
TEST.
c. Turn on power to the IDeal box.
2. Open or close gates for the required test mode, according to the table on
the opposite page.
3. Test the antenna’s transmitting range.
a. Set the test tag to the non transmitting mode (both switches
OFF).
b. Place the test tag about 1 meter (3’ 3”) away from the first antenna. Slowly
move it towards the antenna until the indicator on the test tag box starts to
blink. This is the antenna’s transmitting range. Mark it on the floor.
4. Test the antenna’s receiving range.
a. Set the test tag to the transmitting mode (both switches ON).
b. Place the test tag about 1 meter (3’ 3”) away from the first antenna.
Carefully observe the antenna number and Rx LED on the main display of
the IDeal. Slowly move the test tag towards the antenna until the Rx LED
flickers and the antenna number advances to the next antenna. This
indicates that the IDeal has received the signal. This is the antenna’s
receiving range. The transmitting range should be the same as the receiving
range. The Rx LED should flicker strongly only once; if not, check for
interference in the parlor. (When there is no identification activity, check
that the Rx Data LED does not flicker or glow.)
5. Place Tag 1 beside the antenna you have just checked. This causes:
• Tag 1 to be the “identified cow” at the antenna,
• The IDeal signal request to advance to the next antenna,
Note
The IDeal identification system has a mechanism to prevent the same cow
from being identified at two stalls:
If a cow is identified by an antenna,
And then the same cow is identified in the next stall,
Then the IDeal signal request returns to the original stall where the cow
was first identified.

September 14, 2003 IDeal Installation Manual 37
• At the next antenna, the IDeal will receive the test tag signal (withot
returning to the previous antenna).
6. Repeat the mapping procedure for antenna 2 (as described in steps 3 and
4).
7. Use Tag 2 to advance the I.D. request to antenna 3.
8. Repeat the same procedure for all antennas, using Tag 1 to advance I.D.
request from odd to even stalls, and Tag 2 to advance from even to odd
stalls.
9. Return the IDeal to normal operation mode:
a. Turn off power to the IDeal box.
b. At dipswitch SW2 on the IDeal PCB, set the switch #4 to RUN.
c. Turn on power to the IDeal box.
GATE POSITIONS
Left
Entry
Gate
Position
Left
Exit
Gate
Position
Right
Entry
Gate
Position
Right
Exit
Gate
Position
IDeal Function
1 Open Open Open Open The I.D. request is initiated at stall
(antenna) No.1, advancing from one
stall to the next, when a tag answer is
received.
The I.D. requests advance from stall 1
to 48, and back to stall No.1.
2 Open Closed Open Open The same sequence as in 1, though for
stalls 1-16 only. After the I.D. request
arrives at stall 16, the I.D. request
advances to stall 1 as a tag response is
received.
3 Open Open Open Closed The test is at stalls 17 to 32 (second
switching unit), starting at stall 17, and
returning to 17 after a tag reply is
received at stall 32.
4 Open Closed Open Closed The I.D. request is initiated at stalls 1
and 17 together, advancing in two
separate channels (as in 2 and 3).
5 Closed Open Open Open The I.D. request advances from stall 1
to 16, and back to 1 again without any
tag response, scanning the antennas.
Note
If you want to recheck the previous stall, then the IDeal signal request must
be returned to the previous stall. In order to return the signal request to the
previous stall, place the same tag you used to advance the signal request
beside the next antenna.

38 IDeal Installation Manual P/N 9040380
6 Open Open Closed Open Same as 5, though for stalls 17 to 32.
7 Closed Open Closed Open Scanning stalls 1 thru 16 and 17 thru 32
simultaneously.
8 Closed Closed Closed Closed Scanning antennas 1 thru 48 and
returning to 1 again.
Adding a Resistor to Reduce Transmission Range
If a reduction of transmission range is required, a resistor may be added at the connector
of each antenna. Connect resistors as follows:
1. Separate the black and the blue wires.
2. Connect the black wire to the Blk pin.
3. Connect the blue wire to the BL pin, next to the Blk pin.
4. Connect the resistor between the Blk and BL pins, as printed on the
PCB.
For a Tx range reduction a ½ Watt 10 - 400Ω resistor is used, depending on the required
amount of Tx range reduction.
Note : The "GND" Pin (labeled above “Not Used”) remains free.
Locating a Faulty Antenna
To test a specific antenna, suspected of having faulty operation, follow these steps:
1. Set the IDeal to test mode.
2. Advance the identification request to the desired antenna (using two tags - 1
& 2).
3. Test the antenna’s effective range as described in step 4 on page 36.
4. If the antenna is defective, replace it.

September 14, 2003 IDeal Installation Manual 39