Aga Ranges Eins513307 Users Manual ELECTRIC RANGE (EC LM 2 OVEN & EE 4 OVEN) OWNERS
EINS513307 to the manual eb81c5b8-5399-463e-86c2-77aef67edf05
2015-02-05
: Aga-Ranges Aga-Ranges-Eins513307-Users-Manual-505491 aga-ranges-eins513307-users-manual-505491 aga-ranges pdf
Open the PDF directly: View PDF
.
Page Count: 18

AGA ELECTRIC RANGE (EC LM - 2 OVEN & EE LM - 4 OVEN) - OWNERS MANUAL
06/05 EINS 513307
AGA ELECTRIC RANGE
(EC LM - 2 OVEN & EE LM - 4 OVEN) -
OWNERS MANUAL
Comprising
Installation
&
Users Instructions
Remember, when replacing a part on this appliance, use only spare parts that you can be assured conform to
file:///D:/System/DATA/Dx/ds1/Us/iss1/EINS513307/EINS513307.htm (1 of 18)8/16/2006 9:18:22 AM

AGA ELECTRIC RANGE (EC LM - 2 OVEN & EE LM - 4 OVEN) - OWNERS MANUAL
the safety and performance specification that we require. Do not use reconditioned or copy parts that have not
been clearly authorised by AGA-RANGES.
PLEASE READ THESE INSTRUCTIONS BEFORE USING THIS APPLIANCE
IMPORTANT : SAVE OWNERS MANUAL FOR THE LOCAL INSPECTORS USE
CUSTOMER: KEEP THESE INSTRUCTIONS FOR FUTURE REFERENCE
FOR USE IN USA/CANADA
CONTENTS
SECTION
INSTALLATION
GENERAL NOTES
INSTALLATION
APPLIANCE DIMENSIONS
ELECTRICAL
INSTRUCTIONS
ELECTRICAL TEST PROCEDURE
WIRING DIAGRAM
USERS GUIDE
SAFETY PRECAUTIONS
RANGE ACCESSORIES
HEAT INDICATOR
THERMOSTAT CONTROL
SERVICING
OPERATING YOUR AGA
FITTING OF OVEN SHELVES
REMOVAL OF OVEN SHELVES
CLEANING & CARING FOR YOUR AGA
GUIDE TO AGA COOKING
file:///D:/System/DATA/Dx/ds1/Us/iss1/EINS513307/EINS513307.htm (2 of 18)8/16/2006 9:18:22 AM
AGA ELECTRIC RANGE (EC LM - 2 OVEN & EE LM - 4 OVEN) - OWNERS MANUAL
Installation Section
Remember, when replacing a part on this appliance, use only spare parts that you can be assured conform to
the safety and performance specification that we require. Do not use reconditioned or copy parts that have not
been clearly authorised by AGA-RANGES.
CAUTION: THIS UNIT IS HEAVY, PROPER EQUIPMENT AND ADEQUATE MANPOWER MUST BE USED IN
MOVING THE RANGE TO AVOID DAMAGE TO THE UNIT OR THE FLOOR
GENERAL NOTES
NOTE: THESE INSTALLATION INSTRUCTIONS SHOULD BE LEFT WITH THE APPLIANCE AND THE USER
TO RETAIN FOR FUTURE REFERENCE.
The Aga range is delivered unassembled. Before installation can be made, the site is inspected for suitability by
an authorised Aga distributor and corrected where necessary to conform with local installation codes or in the
absence of local codes with:
NATIONAL ELECTRICAL CODES ANSI/NFPA70
Assembly is undertaken on site by the same Aga distributor to ensure correct performance and safety.
INSTALLATION
THE INSTALLATION OF THIS APPLIANCE MUST NOT BE LESS THAN 12mm FROM ANY SURFACE.
With specific exceptions, the installing of any type of Aga Range is subject to the respective directions contained
in current issue of the local Building Regulations. In addition, planning permission may need to be obtained,
which should be applied for separately.
The complete range is floor-mounted and the space in which the appliance is to be fitted must have the following
minimum dimensions:-
A minimum clearance of 60mm is required above the raised insulating cover handle.
Side clearance zero unless range is fitted against a wall, where 116mm is required at the right hand side for oven
access.
In addition a minimum clearance of 1000mm must be available at the front of the cooker to enable the cooker to
be serviced.
To eliminate the risk of burns or fire by reaching over heated surface units, cabinet storage space located above
the surface units should be avoided. If cabinet storage is to be provided, the risk can be reduced by installing a
range hood that projects horizontally, a minimum of 5" beyond the bottom of the cabinets.
NOTE: AGA RANGES ARE DELIVERED EX-WORKS UNASSEMBLED. ASSEMBLY IS UNDERTAKEN BY
file:///D:/System/DATA/Dx/ds1/Us/iss1/EINS513307/EINS513307.htm (3 of 18)8/16/2006 9:18:22 AM
AGA ELECTRIC RANGE (EC LM - 2 OVEN & EE LM - 4 OVEN) - OWNERS MANUAL
THE AUTHORISED AGA DISTRIBUTOR/SPECIALIST.
Range Base or Hearth
It is essential that the base or hearth on which the range stands should be level and be capable of supporting the
total weight of the range.
Model EC-LM - 406 Kg
Model EE-LM - 584 Kg
The top of the hearth must be of non-combustible material for a minimum thickness of 12mm. The wall behind
the range must be of non-combustible material for a minimum thickness of 25mm.
Tiling
When the range is to stand in a recess, or against a wall which is to be tiled, in no circumstances should the tiles
overlap the cooker top plate.
Installation Requirements
The installation of the range must be in accordance with the relevant requirements of the local wiring and
building regulations.
It should be in accordance also with any relevant requirements of the local authority.
In your own interest, and that of safety to comply with the law, all appliances should be installed by an authorised
Aga distributor, in accordance with the relevant regulations.
file:///D:/System/DATA/Dx/ds1/Us/iss1/EINS513307/EINS513307.htm (4 of 18)8/16/2006 9:18:22 AM

AGA ELECTRIC RANGE (EC LM - 2 OVEN & EE LM - 4 OVEN) - OWNERS MANUAL
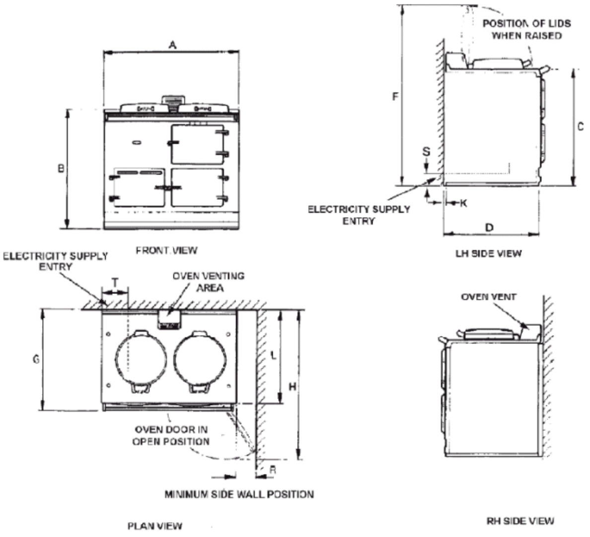
A B C D F G H K L R S T
mm 987 889 851 679 1330 756 1125 12 698 116 55 114
Fig. 1 DESN 513309
file:///D:/System/DATA/Dx/ds1/Us/iss1/EINS513307/EINS513307.htm (5 of 18)8/16/2006 9:18:22 AM

AGA ELECTRIC RANGE (EC LM - 2 OVEN & EE LM - 4 OVEN) - OWNERS MANUAL
A B C D F G H K L R S T
mm 987 889 851 679 1330 756 1125 12 698 116 55 114
Fig. 1A DESN 514005
file:///D:/System/DATA/Dx/ds1/Us/iss1/EINS513307/EINS513307.htm (6 of 18)8/16/2006 9:18:22 AM

AGA ELECTRIC RANGE (EC LM - 2 OVEN & EE LM - 4 OVEN) - OWNERS MANUAL
Fig. 1B DESN 513501
ELECTRICAL CONNECTION
An electrical socket must be provided within 6 feet of the LH side of the appliance and easily accessible to the
user to disconnect. Do not position socket above the appliance.
Electric Shock Hazard
Electrical Grounding is required on this appliance.
Do Not connect to the electrical supply until the appliance is permanently grounded. Disconnect the
power to the junction box before making the electrical connection.
file:///D:/System/DATA/Dx/ds1/Us/iss1/EINS513307/EINS513307.htm (7 of 18)8/16/2006 9:18:22 AM

AGA ELECTRIC RANGE (EC LM - 2 OVEN & EE LM - 4 OVEN) - OWNERS MANUAL
This appliance must be connected to a grounded, metallic, permanent supply or a grounding connector
should be connected to the grounding terminal or wire lead on the appliance.
Failure to follow these instructions could result in death or serious injury.
● A four-wire single phase 240-volt, 60-Hz, AC-only electrical supply is required on a separate, 30-amperes
circuit, fused on both sides of the line. (See Fig. 2A - for wiring details).
● A time-delay fuse or circuit breaker is required.
● Local codes permit the use of a U.L. listed, 250-volt, 30-amperes power cord. This cord contains four
No.10 copper wires and matches a four-wire receptacle of type 14-50P.
Wire sizes (COPPER WIRE ONLY) and connections must conform with the rating of the range (30-amperes).
● The wiring diagram is located on the back of the L.H. door.
THIS APPLIANCE MUST HAVE THE FACILITY OF BEING COMPLETELY ISOLATED FROM THE
ELECTRICITY SUPPLY.
THE APPLIANCE MUST BE COMPLETELY ISOLATED FROM THE ELECTRICITY SUPPLY BEFORE
SERVICING.
WARNING
Electrical Grounding Instructions
This appliance is equipped with a grounding pin for your protection against a shock hazard and should be
plugged directly
INSTRUCTIONS
Hand this Owners Manual to the user for retention and instruct in the safe operation of the appliance.
Also advise the user that, for continued efficient and safe operation of the appliance that servicing is carried out
at intervals recommended by the Aga distributor.
ELECTRICAL TEST PROCEDURE
Final Electrical Test - Electric Voltage - Withstand Test
Procedure:
(Earth Appliance Test Simulation)
1. Select 1200 volts Flash Test on test equipment.
2. Plug in supply plug into the test equipment.
3. Depress the ‘Test Button' for 1 second.
4. A 'Pass' light will illuminate.
5. If the appliance fails this test, re-check all circuits and correct the fault and retest the range.
6. Disconnect from the test equipment and connect range to its permanent supply.
7. A full load test will be performed using a clamp meter connected to the incoming supply.
NOTE: The test results 10.5 -11 amps normal operation.
file:///D:/System/DATA/Dx/ds1/Us/iss1/EINS513307/EINS513307.htm (8 of 18)8/16/2006 9:18:22 AM

AGA ELECTRIC RANGE (EC LM - 2 OVEN & EE LM - 4 OVEN) - OWNERS MANUAL
8. Make note of results and disconnect all leads.
Fig. 2A DESN 513533
file:///D:/System/DATA/Dx/ds1/Us/iss1/EINS513307/EINS513307.htm (9 of 18)8/16/2006 9:18:22 AM

AGA ELECTRIC RANGE (EC LM - 2 OVEN & EE LM - 4 OVEN) - OWNERS MANUAL
Fig. 2B
Users Guide
SAFETY PRECAUTIONS
Electric Shock Hazard
Electrical Grounding is required on this appliance.
Do Not connect to the electrical supply until the appliance is permanently grounded.
Disconnect the power to the junction box before making the electrical connection.
This appliance must be connected to a grounded, metallic, permanent supply or a grounding connector
should be connected to the grounding terminal or wire lead on the appliance.
Failure to follow these instructions could result in death or serious injury.
This booklet has been prepared in the interest of providing you with basic information on the safe and correct use
of your Aga Range.
Instructions are provided on the operation and maintenance after-care of the Aga range and we would
recommend that you read this Owners Manual before you begin cooking.
NOTE: READ ALL INSTRUCTIONS BEFORE USING THIS RANGE.
USER SERVICING
Do not repair or replace any part of the appliance unless specifically recommended in this manual. All other
servicing should be referred to a qualified technician.
VENTILATING HOODS (WHERE APPLICABLE)
● Clean ventilating hoods frequently - grease should not be allowed to accumulate on the hood or filter.
● When flaming foods under the hood, turn the fan on.
BASIC RANGE SAFETY PRECAUTIONS
file:///D:/System/DATA/Dx/ds1/Us/iss1/EINS513307/EINS513307.htm (10 of 18)8/16/2006 9:18:22 AM
AGA ELECTRIC RANGE (EC LM - 2 OVEN & EE LM - 4 OVEN) - OWNERS MANUAL
● Materials such as gasoline, vapors and liquids which can catch fire and explode must not be stored in,
above or near a range.
● Make sure that nothing is allowed to prevent the flow of air to the electric control compartment.
● Ensure space storage cabinets are capable of supporting the heavy weight of cooking utensils of the
range.
● The maximum depth of any cabinets installed above the top of the range must not exceed 330mm (13in).
CHILD SAFETY
Children are more sensitive to heat than adults, therefore they MUST be made aware of the following safety
precautions:
1. Do not leave children alone or unsupervised near the range and discourage them from this area.
2. Children should not be allowed to mount any part of the range.
3. Children MUST be taught that the range and its utensils can be hot.
4. Children should be taught that the range is not a toy. They should be forbidden to play with the range
electric controls behind the outer burner door or any other range parts.
5. Let the heavy, hot utensils cool in a safe place but out of reach of small children.
CAUTION: AVOID STORING ITEMS OF INTEREST TO CHILDREN IN ANY CABINETS INSTALLED ABOVE
THE RANGE TO PREVENT THE RANGE BEING USED TO OBTAIN ACCESS AND POSSIBLE SERIOUS
INJURY.
DO NOT TOUCH SURFACE UNITS OR AREAS NEAR UNITS - SURFACES MAY BE HOT. Areas near
surfaces units may become hot enough to cause burns, do not touch, or let clothing or other flammable materials
contact surface units or areas near units.
GREASE
WARNING: HOT GREASE IS FLAMMABLE.
Wipe off any grease deposits on the range top and front. Do not leave containers of cooking fat around the
range. In the event of a grease fire, do not remove the pan, cover the pan to extinguish the flame.
WARNING: DO NOT DOUSE FLAME WITH WATER
Use a dry chemical type fire extinguisher if available, or sprinkle heavily with baking soda.
RANGE COOKING SAFETY PRECAUTIONS AND HINTS
Never reach directly into a hot oven to add or remove cooking utensils. Instead pull the grid shelf out of its
maximum projection and load or remove utensils.
Oven gloves will be necessary on utensils removal.
NEVER WEAR LOOSE FITTING OR HANGING GARMENTS WHILST USING THE RANGE.
USE ONLY DRY POTHOLDERS - Moist or damp potholders on hot surfaces may result in burns from steam. Do
not let potholder touch hot heating elements. Do not use a towel or other bukly cloth.
Although the range itself provides gentle radiation and convected warm air currents, it MUST NOT be used to
increase space heating by leaving the insulating covers permanently raised or the oven doors left open. This
file:///D:/System/DATA/Dx/ds1/Us/iss1/EINS513307/EINS513307.htm (11 of 18)8/16/2006 9:18:22 AM

AGA ELECTRIC RANGE (EC LM - 2 OVEN & EE LM - 4 OVEN) - OWNERS MANUAL
instruction is based on safety considerations where accidents occur, as does the use of ovens for storage space.
WARNING: DO NOT HEAT A CLOSED GLASS OR METAL CONTAINER IN THE OVEN.
Pressure build-up in the container may cause it to burst and result in injury.
Use care when opening oven door - Let hot air or steam escape before removing or replacing food. Keep oven
ducts unobstructed.
General Safety Precautions and Hints for cooking utensils
1. 1. Ensure utensils have flat machined bases to obtain perfect contact with the hotplate.
2. 2. Ensure the correct size utensil is chosen to prevent food boil-over.
3. 3. Always turn utensil handles away from the front of the range and out of reach of small children.
RANGE ACCESSORIES
The following accessories are provided with the range:
1 Large meat tin with grill rack
1 Half size meat tin with grill rack
1 Plain oven shelf
1 Toaster
2 Grid oven shelves
1 Wire brush
THE HEAT INDICATOR
The heat indicator is above the roasting oven door and has three sections: black, silver and red. When the
indicator is on or about the black line in the silver section, the range is at the correct working temperature. The
purpose of the heat indicator is to show whether the range contains the full amount of stored heat and it should,
therefore, only be referred to first thing in the morning or after a period of several hours during which no cooking
has been done.
NOTE: IT DOES NOT INDICATE THE OVEN TEMPERATURE.
THERMOSTAT CONTROL
file:///D:/System/DATA/Dx/ds1/Us/iss1/EINS513307/EINS513307.htm (12 of 18)8/16/2006 9:18:22 AM

AGA ELECTRIC RANGE (EC LM - 2 OVEN & EE LM - 4 OVEN) - OWNERS MANUAL
To turn the range off, switch off the electricity supply at the wall.
When the range is in use, the control knob should be in the upper section of the numbered band (See Fig. 3),
with the indicator on or about the black line in the silver section of the heat indicator (see above). It may be
necessary to adjust the control knob slightly to achieve this.
Once the correct setting has been confirmed, the control will operate automatically to maintain the range at the
correct temperature and need not be adjusted.
Fig. 3 DESN 513468
SERVICING
For continued efficient and safe operation of the appliance, it is important that servicing checks are carried out at
service intervals recommended by your authorised Aga specialist.
OPERATING YOUR AGA
The following points are intended to help you during the period of change-over from your previous range to the
Aga way of life. You will also find that the Aga Book provides a very useful introduction to the range.
After your Aga has been assembled
When first used, your Aga will emit an odour for a short while. Do not worry, this is simply due to protective oil
burning off the hotplates. If the inside of the hotplate lids are wiped whilst the Aga is heating up it will avoid a film
of this oil being deposited on the inside of the lids.
file:///D:/System/DATA/Dx/ds1/Us/iss1/EINS513307/EINS513307.htm (13 of 18)8/16/2006 9:18:22 AM

AGA ELECTRIC RANGE (EC LM - 2 OVEN & EE LM - 4 OVEN) - OWNERS MANUAL
Also, condensation may occur on the top plate and front plate whilst the Aga is heating up. This should be wiped
away as soon as possible.
Beginning to cook on your Aga.
Try to cook as much as possible in the ovens - without changing your menus. This not only conserves heat but
also reduces cooking smells and condensation in the kitchen.
The roasting oven can also be used for broiling (at the top) and shallow frying (on the bottom).
Keep the insulated covers down when the hotplates are not in use so that the heat stored in the cooker is
conserved. For optimum cooking performance, use Aga cookware. They will have thick bases which give the
best contact with the hotplates.
Most Aga pans can be stacked in the simmering oven. This is especially useful for steaming vegetables and
simmering sauces.
Store the plain shelf out of the Aga. Use it cold in the roasting oven to deflect the heat from the top of the oven,
creating a more moderate oven temperature. It can also be used as a baking sheet.
The Aga Cake Baker can be used in the Aga for cakes needing over 45 minutes cooking.
A guide to Aga cooking is given on the page 14. Ask your Aga specialist for an invitation to an Aga
demonstration.
FITTING OF OVEN SHELVES
If this is the first time you have used this type of oven shelf, go through the procedure of changing it with the aid
of Figs. 4 to 7.
file:///D:/System/DATA/Dx/ds1/Us/iss1/EINS513307/EINS513307.htm (14 of 18)8/16/2006 9:18:22 AM

AGA ELECTRIC RANGE (EC LM - 2 OVEN & EE LM - 4 OVEN) - OWNERS MANUAL
Fig. 4 DESN 512403
Fig. 5 DESN 512404
REMOVAL OF OVEN SHELVES
file:///D:/System/DATA/Dx/ds1/Us/iss1/EINS513307/EINS513307.htm (15 of 18)8/16/2006 9:18:22 AM

AGA ELECTRIC RANGE (EC LM - 2 OVEN & EE LM - 4 OVEN) - OWNERS MANUAL
Fig. 6 DESN 512405
Fig. 7 DESN 512406
CLEANING AND CARING FOR YOUR AGA
REMEMBER: BE CAREFUL OF THE HOT APPLIANCE.
DO NOT USE A STEAM CLEANER TO CLEAN THIS COOKER.
DO NOT USE ABRASIVE PADS OR OVEN CLEANER.
Top Plate and Front plate
file:///D:/System/DATA/Dx/ds1/Us/iss1/EINS513307/EINS513307.htm (16 of 18)8/16/2006 9:18:22 AM
AGA ELECTRIC RANGE (EC LM - 2 OVEN & EE LM - 4 OVEN) - OWNERS MANUAL
The easiest way to clean the Aga top plate and front plate is to mop up spills as they happen. Baked-on food is
more difficult to clean but can usually be removed with proprietary vitreous enamel cleaners or mild cream
cleaners using a cloth, or, if necessary, a nylon scouring pad. If milk or fruit juice or anything containing acid, is
spilt on the Aga, wipe it up immediately.
Also clean off any condensation streaks on the front-plate around the oven doors or the vitreous enamel may be
permanently discoloured.
All that is usually needed to keep the vitreous enamelled surfaces of your Aga bright and clean is a daily rub over
with a damp soapy cloth followed immediately with a clean, dry cloth to avoid streaks.
Remember the top-plate and the stainless covers will scratch if pans or utensils are dragged across them.
Insulating Covers and Oven Doors
The linings of the insulating covers and oven doors may be cleaned with a cream cleanser or a soap
impregnated pad. Open the covers and lift off the oven doors to allow them to cool a little before cleaning. Do
not, however, immerse the doors in water as they are packed with insulating material which will be damaged by
excessive moisture.
Refer also to the Cleaning Section in the Aga Book.
Oven and Hotplates
The cast iron ovens help to keep themselves clean; they merely need to be brushed out occasionally with a long-
handled stiff brush. The simmering oven may be cleaned with a damp soapy cloth.
The wire brush is provided for cleaning the hotplates and any burnt-on spills in the cast iron ovens.
DO NOT USE ANY OVEN CLEANERS.
Roasting Tins
The roasting tins should be cleaned in hot soapy water, soaking if necessary. A nylon scouring pad can also be
used. DO NOT place in the dishwasher or use other caustic cleaners.
GUIDE TO AGA COOKING
As the Aga Cooker is heated differently from an ordinary cooker, exact conversions are not possible. Look in the
Aga Book for a similar recipe. Below is a quick guide to oven usage.
OVEN TEMPERATURE 2=TWO OVEN AGA =4=FOUR OVEN AGA
HIGH ROASTING OVEN ROASTING OVEN
GRILLING
SCONES
PASTRIES
BREAD
YORKSHIRE PUDDING
ROASTS
SHALLOW FRYING
Top - Grilling;
2nd runner - Scones, Small Pastries;
3rd runner - Bread Rolls, Yorkshire
Pudding;
4th runner - Roasts, Poultry, Small Cakes
in cases in the large meat tin.
Grid shelf on oven floor - Loaves.
Oven floor - Shallow frying. Quiche.
Top - Grilling;
2nd runner - Scones, Small Pastries;
3rd runner - Bread Rolls, Yorkshire
Pudding;
4th Runner - Roasts, Poultry.
Grid shelf on oven floor - Loaves
Oven floor - Shallow frying, Quiche.
MODERATE ROASTING/SIMMERING OVEN BAKING OVEN
file:///D:/System/DATA/Dx/ds1/Us/iss1/EINS513307/EINS513307.htm (17 of 18)8/16/2006 9:18:22 AM

AGA ELECTRIC RANGE (EC LM - 2 OVEN & EE LM - 4 OVEN) - OWNERS MANUAL
CAKES
BISCUITS
FISH
SOUFFLÉS
SHORTBREAD
CHEESECAKES
Place grid shelf on floor of Roasting
Oven.
Protect food with the cold plain shelf slid
on second or third runners. For cakes that
require over 45 mins use the Cake Baker.
Alternatively with fish, cheesecake, start
off in Roasting Oven, finish in
Simmering Oven.
Towards top - Whisked Sponges,
Some Biscuits, Small Cakes
Middle - Fish, Soufflés.
Grid shelf on oven floor - Victoria
Sandwiches, Shortbread and Cheesecake
LOW SIMMERING OVEN SIMMERING OVEN
CASSEROLES
STOCK
MILK PUDDINGS
MERINGUES
RICH FRUIT CAKE
For Casseroles, Stock, Milk Puddings,
bring to heat elsewhere on the Aga then
transfer to Simmering Oven. (One
exception is Meringues). Rich Fruit
Cakes can be cooked for a long time here
For Casseroles, Stock, Milk Puddings,
bring to heat elsewhere on the Aga then
transfer to Simmering Oven. (One
exception is Meringues). Rich Fruit
Cakes can be cooked for a long time here.
For further advice or information please
contact your local distributor/stockist
With Aga-Rayburn’s policy of continuous product
improvement, the Company reserves the right to
change specifications and make modifications to
the appliance described at any time.
110 Woodcrest Road
Cherry Hill
NJ 08003
800.633.9200
www.aga-ranges.com
file:///D:/System/DATA/Dx/ds1/Us/iss1/EINS513307/EINS513307.htm (18 of 18)8/16/2006 9:18:22 AM