Agrident ASR500 Proximity Reader User Manual ASR500 man e 2
AGRIDENT GmbH Proximity Reader ASR500 man e 2
Agrident >
Contents
- 1. User Manual
- 2. User Manual rev I
User Manual

Agrident GmbH, Steinklippenstr. 10, D-30890 Barsinghausen
Phone +49 5105 520614 - Fax +49 5105 520616
ASR500
Reader Operation
Manual
V29/05/07

29.05.2007 Page 2 of 59
ASR500 Reader Operation
© Copyright 2007 by Agrident GmbH
All rights reserved. No part of this publication may be reproduced, stored in a retrieval system,
or transmitted, in any form or by any means, electronic, mechanical, photocopying, recording or
otherwise, without prior written permission of Agrident GmbH.
Agrident GmbH reserves the right to make changes to any and all parts of this documentation
without obligation to notify any person or entity of such changes.
May 2007 (BUS/JR)
Agrident GmbH
Steinklippenstr. 10
30890 Barsinghausen
Germany
Phone +49 (0) 51 05 520614
Fax +49 (0) 51 05 520616
E-Mail: mail@agrident.com
www.agrident.com

29.05.2007 Page 3 of 59
ASR500 Reader Operation
Contents
1. Introduction.......................................................................................................... 6
1.1 Definition of terms ........................................................................................ 6
2. ASR500 Hardware .............................................................................................. 7
2.1 Application.................................................................................................... 7
2.1.1 Description ............................................................................................ 7
2.1.2 Contact less identification with RFID..................................................... 7
2.1.3 Transponder types supported ............................................................... 7
2.2 Installing and connecting the ASR500 and antenna..................................... 8
2.2.1 Installing the housing ............................................................................ 8
2.2.2 Fitting the antenna ................................................................................ 9
2.2.3 Electrical connection ........................................................................... 10
2.2.4 Auto tuning.......................................................................................... 15
2.3 Operation ................................................................................................... 23
2.3.1 Basic settings ...................................................................................... 23
2.3.2 First-time use of the ASR500 – an example........................................ 23
2.3.3 Read function ...................................................................................... 23
2.3.4 Displaying the read function................................................................ 23
2.3.5 Output of the transponder data ........................................................... 24
2.3.6 Connecting the reader to a control computer ...................................... 25
3. Operating modes............................................................................................... 26
3.1 Operating in slave request mode (Cfg_mode register 0x02) ...................... 26
3.2 Operating in slave continuous mode (Cfg_mode register 0x01)................. 27
3.3 Operating in master mode (Cfg_mode register 0x00) ................................ 28
4. Configuration of the ASR500 reader ................................................................. 29
4.1 Factory configuration.................................................................................. 29
4.2 Configuration possibilities........................................................................... 29
4.3 Description of the individual registers......................................................... 31
4.3.1 Cfg_Delaytime..................................................................................... 31
4.3.2 Cfg_Format ......................................................................................... 31
4.3.3 Cfg_Mode............................................................................................ 31
4.3.4 Cfg_Node............................................................................................ 31
4.3.5 Cfg_RF................................................................................................ 31
4.3.6 Cfg_Timeout........................................................................................ 32
5. Protocol description........................................................................................... 32

29.05.2007 Page 4 of 59
ASR500 Reader Operation
5.1 Interface parameter .................................................................................... 32
5.2 Frame......................................................................................................... 32
5.3 Control codes ............................................................................................. 32
5.4 Escape sequence....................................................................................... 32
5.5 Addresses .................................................................................................. 33
5.5.1 Destination address DST .................................................................... 33
5.5.2 Source address SRC .......................................................................... 33
5.5.3 Address ranges ................................................................................... 33
5.5.4 Device type addresses........................................................................ 33
5.6 Message commands and acknowledgements............................................ 34
5.7 Description of the individual messages ...................................................... 35
5.7.1 Connect_RQ ....................................................................................... 35
5.7.2 Get_Amplitude .................................................................................... 35
5.7.3 Get_Config.......................................................................................... 35
5.7.4 Get_HDX_Sample............................................................................... 35
5.7.5 Get_Last_ID........................................................................................ 36
5.7.6 Get_Phase .......................................................................................... 36
5.7.7 Get_PhaseAmplitude .......................................................................... 37
5.7.8 Get_RSSI............................................................................................ 37
5.7.9 Get_Single_ID..................................................................................... 37
5.7.10 Get_SNR............................................................................................. 37
5.7.11 Get_TuningResult ............................................................................... 38
5.7.12 Get_Tuning ......................................................................................... 39
5.7.13 Get_Version ........................................................................................ 39
5.7.14 Reset_All............................................................................................. 40
5.7.15 Retransmit_Request ........................................................................... 40
5.7.16 Save_Config........................................................................................ 40
5.7.17 Set_Config .......................................................................................... 41
5.7.18 Set_TuningData .................................................................................. 41
5.7.19 Start_AutoTuning ................................................................................ 42
5.8 Description of the acknowledgements........................................................ 42
5.8.1 ACK..................................................................................................... 42
5.8.2 NAK..................................................................................................... 42
5.9 ID-Format ................................................................................................... 43
5.9.1 Format of ID ........................................................................................ 43
5.9.2 ID-without time stamp ......................................................................... 43
5.9.3 ID- with time stamp ............................................................................. 43

29.05.2007 Page 5 of 59
ASR500 Reader Operation
5.9.4 Example ID- without time stamp Format ASCII................................... 44
5.9.5 Example ID- without time stamp Format ASCII and SCP format......... 44
5.9.6 Example ID- without time stamp Format ASCII short format............... 44
5.9.7 Example ID- without time stamp Format ASCII short format 16.......... 45
5.10 CRC Calculation......................................................................................... 46
5.10.1 CRC-Algorithm .................................................................................... 46
6. Clock synchronisation of ASR 400 readers ....................................................... 47
6.1 Installation .................................................................................................. 47
6.2 Setting at the ASR500................................................................................ 47
7. Synchronisation H4002 ..................................................................................... 49
7.1 Clock synchronisation of ASR 400 readers ................................................ 49
7.2 Installation .................................................................................................. 49
7.3 Setting at the ASR500................................................................................ 49
7.4 Connection table ........................................................................................ 50
8. Technical data ................................................................................................... 51
9. Influence of noise, Interference and metal objects on the reading range .......... 52
9.1 Computer monitors..................................................................................... 52
9.2 Other electronic equipment ........................................................................ 52
9.3 Data cables ................................................................................................ 52
9.4 Mains cables .............................................................................................. 52
9.5 Fluorescent and Low Voltage Lighting ....................................................... 53
9.6 Other readers ............................................................................................. 53
9.7 Effects of metal near readers ..................................................................... 53
10. FCC digital device limitations ......................................................................... 54
11. CE MARKING ................................................................................................ 54
12. Safety and care.............................................................................................. 54
13. Warranty ........................................................................................................ 55
14. Appendix........................................................................................................ 56
14.1 RF synchronisation..................................................................................... 56
14.2 Description of commands and acknowledgements .................................... 56
14.3 Description of the registers......................................................................... 57
14.4 Factory configuration.................................................................................. 58
15. Trouble shooting ............................................................................................ 59

29.05.2007 Page 6 of 59
ASR500 Reader Operation
1. Introduction
Before attempting to use the product for the first time read through the user manual carefully.
The functional description of the ASR500 reader will help you make best use of the full capabili-
ties of the system. The protocol description in chapter 5 provides you with all the information
you need to integrate the reader into your own application software.
1.1 Definition of terms
Explanation of abbreviations used in this user manual
RF: Radio Frequency (in this case the long-wave band)
RFID: Radio Frequency Identification. Method to transmit data without contact us-
ing transponders.
Reader: A device which is able to communicate with transponders using an internal
or external antenna. The reader generates a high frequency field in order to
get the data of a transponder. The received data is transmitted by an inter-
face to an external controller (e.g. PC etc.).
Transponder: Data carrier for RFID applications, available in various models and types.
Raw data: Complete data contents of a transponder, that means ID and additional in-
formation (for example header or trailer).
ID: Identification number of a transponder.
ISO 11784/85: International standard regarding the use of RFID technology in the identifica-
tion of animals; it defines the transponder types to be supported and the ID
notation.
FDX: Transponder type, which transmits its data while the HF field, is on (full du-
plex).
FDX-B: FDX transponder with 128 bits of raw data, ID notation in compliance with
ISO 11784/85.
H4002: FDX transponder with 64 bits of raw data.
HDX: Transponder type, which transmits its data directly after HF field, goes off
(half duplex). 104 bits of raw data, ID notation in compliance with ISO
11784/85.
Master mode: Read mode in which the reader works as master. The reader makes field on
and off permanently and transmits received transponder data automatically.
Slave request: Read mode in which the field is normally off. The reader makes field on and
off only after a request by the controller. If a transponder was read during
activation time the ID is transmitted to the controller.
Slave continuous: Read mode in which the reader makes field on and off permanently. The
reader transmits received transponder data only after a request from an ex-
ternal controller.

29.05.2007 Page 7 of 59
ASR500 Reader Operation
2. ASR500 Hardware
2.1 Application
2.1.1 Description
The ASR500 is a stationary reader, which is used for contact less identification in combination
with passive transponders.
It has been developed for stationary use. Combined with one of our antennas it provides a flexi-
ble and universal RFID system.
Antennas with various dimensions and read ranges are available to closely match individual re-
quirements.
The ASR500 reader is compatible with the ISO 11784/5 standard and can read HDX- or FDX-B
compatible transponders. In addition, H4002 transponders are also supported. The transpond-
ers are registered within an extremely short time and over a wide detection area. Individual pa-
rameters of the read function can be configured.
It can be run using a computer, but application software is then required to drive the reader and
to further process the transponder data supplied.
The message format of the transmitted transponder data is configurable. For description of the
data protocol see chapter 5.
2.1.2 Contact less identification with RFID
How RF identification works.
The items to be identified are fitted with passive transponders, which contain the identification
data. A reader is required for communication with the transponders. The reader generates a
high frequency field using an antenna. This high frequency field activates each transponder,
which is inside the reading range. The high frequency field is used for supplying the trans-
ponder with energy and for transmitting the transponder data to the reader. From the received
data, the reader generates a data block (ID message). This ID message is sent out by an inter-
face to a controller for further processing.
The reading range depends on the antenna and the environment.
The following things may influence the reading range (see also chapter 9):
• Mounting antenna on or near metal
• Noisy environment (for example electrical machines, screens etc.)
• Antenna mistuned (see chapter 2.2.4 auto tuning for details)
The demonstration software ASR500.exe includes tools for checking the tuning state of the an-
tenna and the noise of the environment.
2.1.3 Transponder types supported
The ASR500 reader is compatible with the ISO 11784/5 standard and can read HDX- or FDX-B
compatible transponders. In addition, H4002 transponders are also supported.

29.05.2007 Page 8 of 59
ASR500 Reader Operation
2.2 Installing and connecting the ASR500 and antenna
2.2.1 Installing the housing
A mounting hole is provided at each of the four corners of the bottom part of the housing to al-
low installation of the ASR500 reader. The holes are accessible after removal of the housing
cover. Four suitable screws are needed to mount the unit at the place of installation. We rec-
ommend flat head screws.
Figure 1: Installing the housing

29.05.2007 Page 9 of 59
ASR500 Reader Operation
2.2.2 Fitting the antenna
If at all possible the antenna should not be permanently exposed to direct sunlight; installing the
device in an area sheltered from ultraviolet light will extend its service life.
Installing in the immediate vicinity of metallic objects may lead to detuning of the antenna. For
this reason do not tune the antenna before the antenna has been installed. Avoid fitting to me-
tallic surfaces since this may result in severe reduction of the reading distance.
To fasten the antenna to the base, use flat head screws with a thread diameter not greater than
5 mm as well as suitable washers. Do not use dish-head screws for this purpose as this could
lead to the plastic frame being damaged.
The connecting cable to the reader should be fastened in place with cable clips or similar in
such a way that the cable does not project and thus become a potential danger.
Important! For advice regarding choosing a suitable antenna, contact the ASR500 dealer.
Under no circumstances is it permitted, for functional reasons or in connection with equipment
approvals, to lengthen the cable of the antenna.
For information on tuning see chapter 2.2.4.
Figure 2: Antenna

29.05.2007 Page 10 of 59
ASR500 Reader Operation
2.2.3 Electrical connection
The electrical connections for the power supply, the communication interfaces with the control-
ler (RS232 or RS485), and for connecting the antenna are made via terminal strips st3 and st4
on the printed circuit board.
The corresponding cables are routed through the watertight screwed conduit cable entries. We
recommended that the interface cable be routed through the screwed conduit entry PG3, the
power supply cable through PG4 and the antenna cable through PG5.
Connections for synchronization should be routed through PG1 and PG2.
Improtant! Please close the unused screwed conduit entries with the enclosed blind plugs.
Please use only round cables, otherwise the protection class cannot be guaranteed.
To ensure the water tightness thoroughly tightens the screwed conduit entries.
ST1 Additional tuning capacitors
ST3 Antenna
ST4 Power supply, communication interface and synchronization
ST5,ST6 LED's D3,D6 and D9 and tuning switch
LED3,6,9 Tuning indicators power on and good read
J3,4,5 Communication interface selection
Their function is described in the next sections.
ST3
ST1
ST4
ST5
ST6
PG5 PG4 PG3 PG2 PG1
J1
J
5,3,4
3
LED 9
6

29.05.2007 Page 11 of 59
ASR500 Reader Operation
Communication interfaces
To select and activate the required communication interface the jumpers J3, J4 and J5 must be
set as follows:
Figure 3: Jumper settings for RS232
Interface connection RS232
Terminal block ST4 Meaning J3 J4 J5
3 TxD
4 RxD
5 GND
See Figure 3
An RS232 interface needs three wires (TxD, RxD and GND)
TxD: Where a device transmits data
RxD: Where a device receives data
GND: Ground
To use the RS232 interface, connect TxD of the PC to RxD of the ASR500/454, RxD of the PC
to TxD of the ASR500/454 and both Ground signals.
ASR500/454 ST4 Connection PC SUB-D 9 pole
Pin 3 TxD Pin 2 RxD
Pin 4 RxD Pin 3 TxD
Pin 5 GND
Pin 5 GND
To detect TxD and RxD disconnect the data lines (TxD and RxD).
Do Voltage measurement between Ground and one of the lines.
The TxD line should be approximately –12V (could be less)
The RxD line should be approximately 0V.
RxD GND
TxD

29.05.2007 Page 12 of 59
ASR500 Reader Operation
Figure 4: Jumper settings for RS485
Interface connection RS485
Terminal block ST4 Meaning J3 J4 J5
3 A / T+ / R+
4 B / T- / R-
5 GND
See Figure 4
B GND
A

29.05.2007 Page 13 of 59
ASR500 Reader Operation
Power supply
Connecting terminals 1 (+) and 2 (-) are available on terminal block ST4.
A linear regulated power supply of 12 to 24 V is required. A minimum of 14 Volt is recom-
mended. Maximum current is 500mA. Typical current is 320mA.
Power supply
Terminal block ST4 Meaning
1 Power supply +12V
2 Power supply -
After connecting the power supply to the ASR500, the yellow LED lights, indicating the ASR500
is ready for work. The green LED is on after a transponder was read. If the red LED is on, a tun-
ing procedure for the antenna is necessary.
During the tuning process the LED's have different meanings (see chapter 2.2.4).
Important! The chassis ground (GND) of the reader must be connected to the protective condu-
cor of the supply network.
If the antenna is integrated into a metal structure this structure should also be connected to the
protective conductor of the supply network.
External signals and auto tuning
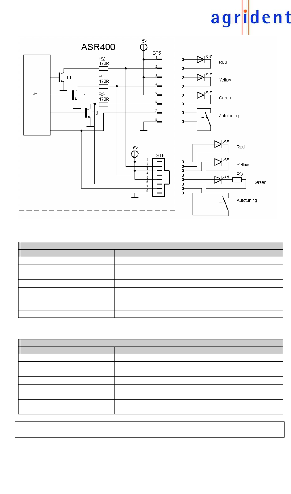
The following schematic figures show how to connect external LEDs and the auto-tuning switch.
Figure 5: Connection diagram ASR500/ASR454
-ve
+ve
Pin1

29.05.2007 Page 14 of 59
ASR500 Reader Operation
Figure 6: Connection diagram for LEDs and auto tuning switch
LEDs and auto tuning switch
Terminal block ST5 Meaning
1 +5V
2 Output Red LED (open collector with R = 470Ω)
3 +5V
4 Output Yellow LED (open collector with R = 470Ω)
5 +5V
6 Output Green LED (open collector with R = 470Ω)
7 Input for auto tuning switch
8 GND
LEDs and auto tuning switch
Terminal block ST6 Meaning
1 +5V
2 Output Red LED (open collector with R = 470Ω)
3 +5V
4 Output Yellow LED (open collector with R = 470Ω)
5 +5V
6 Output Green LED (open collector without R)
7 Input for auto tuning switch
8 GND
Important! If using terminal block ST6 (RJ45 connector), there is no built in resistor on the open
collector output pin 6. An external resistor (RV) has to be connected.

29.05.2007 Page 15 of 59
ASR500 Reader Operation
Antennas
The antenna is connected to terminal block ST3.
Antenna connection
Terminal block ST3 Meaning
1 Antenna A1 (transparent white)
2 Antenna A2 (transparent pink)
3 Shield G
2.2.4 Auto tuning
Every individual antenna will have an inductivity, which deviates slightly from the reference va-
lue. Another important tuning criteria is the environment of the mounting place (metal near the
antenna, temperature drift etc.).
The inductance and the Q factor of the antenna will be influenced by the environment. For ex-
ample metal near the antenna reduces the Q factor and the inductance of the antenna.
The inductivity of the externally connected antenna together with the capacitors on the board
forms a resonant circuit. It should be tuned to the nominal frequency of 134 kHz.
The inductance of the delivered antennas is 300µH ± 5% with a Q factor ≈ 140.
A higher Q factor leads to higher a voltage on the antenna, which can possibly destroy the ca-
pacitors of the reader.
To get the optimum reading range it's necessary to adapt the capacitor to the antenna.
To find the optimal tuning for each antenna and each environment, an auto tuning function is
implemented in the ASR500.
Auto tuning means to automatically get the optimal tuning (which means the optimal reading
range) for the combination of reader, antenna and environment.
If one of the parameters changes (for example the antenna is mounted in another place), a new
auto tuning procedure has to be done, in order to adapt the reader antenna combination to the
new environment.
Auto tuning is done by a few switch able capacitors on board the ASR500. The auto tuning
works only in a certain area (fine tuning). If the maximum peak is outside this area, there are
two additional capacitors which can be switch on or off by setting or removing the jumpers on
ST1.
For to start the auto tuning function it's necessary to connect pin 7 and pin 8 of terminal block
ST5 or ST6 or send an auto tuning command from the controller to the ASR500 (see chapter
5.7.19).

29.05.2007 Page 16 of 59
ASR500 Reader Operation
Activating the Tune button on the front of the reader starts auto tuning.
After starting the auto tuning the yellow LED and the red LED are on.
The reader now measures the voltage of the antenna for all capacitor combinations.
After measuring the tuning cycle is represented optically. All LED's switch off. The optical repre-
sentation starts with the yellow LED, followed by the green LED and finishes with the red LED.
The final result of the auto tuning procedure is shown by one or two of the LED's are flashing:
Signalisation Meaning
Red LED is flashing Capacitance to low, set one of the jumpers on
terminal block ST1 and repeat auto tuning
Red and green LED's are flashing Capacitance a bit to low, set one of the jumpers
on terminal block ST1 and repeat auto tuning
Green LED is flashing Auto tuning successful
Yellow and green LED's are flashing Capacitance a bit too high, remove one of the
jumpers on terminal block ST1 and repeat auto
tuning
Yellow LED is flashing Capacitance too high, remove one of the jumpers
on terminal block ST1 and repeat auto tuning
Table 1: LED meaning of auto tuning result
Important! Do not hold a transponder into the antenna field during the auto tuning process or
during the request of tuning status.
The auto tuning procedure should be repeated until only the green LED is flashing.
If necessary, remove or set one of the jumpers on terminal block ST1 (see Table 1).
If it is not possible, the inductance of the antenna used might be too low or too high.
After auto tuning is finished, the yellow LED is on and the red LED is off.
If the red LED is on, there were some changes in the environment (e.g.: temperature drift or
metal is placed near the antenna etc.). In this case a new auto tuning procedure is recom-
mended to get the optimum reading range.
Note: The red LED does not mean, that the reader is not able to read transponders. The red
LED only means, that the combination of reader, antenna and environment is not optimally
tuned.
The green LED represents the top of the tuning curve (see the following examples). The yellow
LED represents the area left from the top of the tuning curve and the red LED represents the
area right from the top of the tuning curve.
That means if the yellow LED is on for approximately the same time as the red LED, the top of
the tuning curve is in the middle, which is optimal.

29.05.2007 Page 17 of 59
ASR500 Reader Operation
Example: Optimal tuning curve
In this example only the green LED is flashing.
The time of the yellow LED is approximately the same time of the red LED.
Figure 7: Example of optimal tuning curve
Example: Tuning curve ok
In this example as a result only the green LED is flashing.
The time of the yellow LED is longer than the time of the red LED, that means the top of the tun-
ing curve is on the right (too much capacitance) but still ok.
Figure 8: Example of tuning curve ok

29.05.2007 Page 18 of 59
ASR500 Reader Operation
Example: Top of tuning curve on right border
In this example the green LED and the red LED are flashing.
The time of the yellow LED is much longer than the time of the red LED (the red LED might not
be visible), that means the top of the tuning curve is on the right border (too much capacitance).
In this case it is recommended to remove one of the jumpers on ST1 and repeat the auto tuning
procedure.
Figure 9: Example of top of tuning curve on right border

29.05.2007 Page 19 of 59
ASR500 Reader Operation
Example: Top of tuning curve outside the right border
In this example the red LED is flashing.
The time of the yellow LED is much longer than the time of the red LED (the red LED might not
be visible), that means the top of the tuning curve is outside of the right border (too much ca-
pacitance).
In this case it is recommended to remove one of the jumpers on ST1 and repeat the auto tuning
procedure. If there are no jumpers to remove on ST1, the inductance of the used antenna is too
low.
Figure 10: Example of top of tuning curve outside the right border

29.05.2007 Page 20 of 59
ASR500 Reader Operation
Example: Top of tuning curve on left border
In this example as a result the green LED and the yellow LED are flashing.
The time of the yellow LED is much shorter than the time of the red LED (the yellow LED might
not be visible), that means the top of the tuning curve is on the left border (too little capaci-
tance).
In this case it is recommended to set one of the jumpers on ST1 and repeat the auto tuning pro-
cedure.
Figure 11: Example of top of tuning curve on left border

29.05.2007 Page 21 of 59
ASR500 Reader Operation
Example: Top of tuning curve outside the left border
In this example as a result the yellow LED is flashing.
The time of the yellow LED is much shorter than the time of the red LED (the yellow LED might
not be visible), that means the top of the tuning curve is outside of the left border (too little ca-
pacitance).
In this case it is recommended to set one of the jumpers on ST1 and repeat the auto tuning pro-
cedure. If there are no more jumpers to set on ST1, the inductance of the used antenna is too
high.
Figure 12: Example of top of tuning curve outside the left border
Auto tuning tools
All tuning curves are taken by using the auto tuning tools of the demo software ASR500.exe:
Figure 13: Auto tuning tool
For getting the tuning curve of an antenna, press "Tuning Data" and wait until the progress bar
has finished. After the progress bar has finished, press "Show". The dialog "Antenna Tuning
Data" appears with the tuning curve of the antenna.
It's also possible to get the tuning state of the reader by pressing the "Get" button.
If the result is 0x00, the combination of reader, antenna and environment is optimal; otherwise
(0xFE, 0xFF, 0x01 or 0x02) the combination of reader, antenna and environment is not optimal.
For starting an auto tuning procedure, press "Start".
Saving and sending tuning data
It's possible to store the tuning curve in a file named "*.dat".
This can be done by pressing the "Save" button in the "Antenna Tuning Data" dialog.

29.05.2007 Page 22 of 59
ASR500 Reader Operation
Figure 14: Example of tuning curve
Using third-party antennas
Antennas with an inductivity of 300µH ±5%, which have a quality factor equal to 140 at 134
KHz, can be tuned to the ASR500 reader.
A Q factor greater than 140 may destroy the reader. A Q factor less than 140 may reduce read-
ing range.
At a frequency of 134 KHz the AC voltage may be as much as 500V peak to peak.
The environment influences the Q factor and the inductance of the antenna.
Please note that connection of a third party antenna means that the radio approval is automati-
cally void.

29.05.2007 Page 23 of 59
ASR500 Reader Operation
2.3 Operation
2.3.1 Basic settings
The ASR500 reader comes preset with a factory configuration. Following installation of the
reader and an antenna, and the reader has been tuned; the reader is ready for operation in
combination with suitable application software.
2.3.2 First-time use of the ASR500 – an example
Requirements:
• The power supply is connected
• The RS232 interface is selected
• An antenna has been connected and tuned
Objective:
To set the so-called master mode. This is a read mode in which the RF field is permanently ac-
tivated. As soon as a transponder is detected, an ID message is put out by the specified inter-
face.
Start–up:
Once the RS232 interface has been connected to one of the serial interfaces of the computer
(COM1, COM2,…), start the demo software ASR500.exe, which should already be installed on
the computer.
For more detailed information on ASR500.exe please refer to the corresponding manual.
2.3.3 Read function
Once the read function has been activated (different operating modes) a transponder brought
into the detection area is quickly registered.
Note that the following factors may reduce the reading range:
• Alignment of the transponder to the antenna: the transponder axis (disk transponder: central
axis standing vertically on the plane of the circular face; glass transponder: longitudinal axis
corresponds to the central axis) is parallel to the antenna axis (corresponds to the central
axis standing vertically on the antenna surface); the larger the angel between transponder
and antenna axis, the shorter the range will be.
• Temperature range / environmental conditions: best results will be achieved within the tem-
perature range approved for operation and the environmental conditions described in chap-
ter 7.
• Installing the transponder on metal surfaces can have a negative effect on the read distance.
• Size of the transponder: the larger the transponder the larger the read distance with the sa-
me reader.
• Running multiple RFID systems simultaneously: these can be sources of interference for
each other.
Important! Please note that there should be no more than one transponder of the same type in
the detection area of the reader at any time since multiple transponders of the same type can
under certain circumstances make reliable detection impossible. Also avoid the simultaneous
presence of two different transponders in off mode (see chapter 1, register Cfg_Format) since
this could lead to problems with processing the transponder data.
2.3.4 Displaying the read function
The ASR500 confirms when a transponder has been read successfully by giving a visual signal:
the green LED (Read LED, see chapter 2.2.1) on the top of the housing lights up for a short
time.

29.05.2007 Page 24 of 59
ASR500 Reader Operation
2.3.5 Output of the transponder data
The transponder data, which are read in by the ASR500, can be made sent in various data for-
mats as ID messages to the communication interface.
The ID message data formats can be selected during configuration (for example: ASCII or bi-
nary) and this means that the user can have optimum integration into an application. For exam-
ple the advantage of ASCII is its good legibility although displaying it requires a large number of
characters; while binary means a short and effective display, but one, which is difficult to read.
The contents of the raw data and the ID message will vary according to the transponder type.
The raw data is displayed as follows:
Transponder type Raw data without checksum
HDX as per ISO 11784/85 13 bytes (104 bits, without 16 prebits / 8-bit header)
FDX-B as per ISO 11784/85 16 bytes (128 bits)
H4002 and compatible 8 bytes (64 bits)
This raw data can now be output as follows:
Transponder
type
ID message
ASCII*
ID message
Binary*
(Compact coding)
ID message
Transponder byte
structure*
ID message
Raw data*
HDX as per
ISO 11784/85
16 characters
(decimal, as per
ISO)
8 bytes 13 bytes 13 bytes
FDX-B as per
ISO 11784/85
16 characters
(decimal, as per
ISO)
8 bytes 13 bytes 16 bytes
H4002 and
compatible
10 characters
(hexadecimal)
5 bytes 5 bytes 8 bytes
*For the complete frame structure see chapter 5.

29.05.2007 Page 25 of 59
ASR500 Reader Operation
2.3.6 Connecting the reader to a control computer
Point-to-point connection
This structure is particularly suited to applications with just a few (or even a single) readers.
Each reader is connected to the control computer by its own interface. To reduce sensitivity to
interference and to increase the possible length of the line, the RS485 interface can also be
used instead of the RS232.
Each reader can be addressed by the control computer using suitable addresses (broadcast
addresses, individually assigned network or device addresses) and by its own interface (for ex-
ample, the COM port in PCs: Reader 1 = COM1, Reader 2 = COM2,…).
Single master bus system
This structure is particularly suited to applications with several readers (a maximum of 32 per
control computer interface).
An RS485 bus interface is used as interface and this networks multiple readers with the control
computer by a 2-wire bus. It allows a network to be set up at no great expense.
Each reader can be addressed by the control computer of the shared bus interface using the
individually assigned network or equipment address. This can be done, for example, by an
RS232/RS485 converter at a COM port of a PC.
In order to organize access to the bus the control computer is declared sole master (single
master network). Each reader connected to the bus must have its own individual network ad-
dress.
Before installing a reader in a bus structure, the reader must be assigned as a yet unassigned
network address by point-to-point connection. Configuration of the network address is effected
using, for example, the ASR500 demo software.
Control
Computer
Reader
Reader
Reader
Reader
Reader
Reader Reader Reader Reader Reader
Host

29.05.2007 Page 26 of 59
ASR500 Reader Operation
3. Operating modes
The ASR500 supports three operating modes, which can be configured.
If changing the operation mode, the reader will not accept a mode change command until it has
finished processing/transmitting a response, (see chapter 5) any command it has already re-
ceived. Using bus systems (see chapter 2.3.6) avoid changing from slave modes (see chapter
3.1, 3.2) into master mode (see chapter 3.3) since this could result in data collisions on the
lines.
The data buffers are cleared when there is a change of operating mode.
3.1 Operating in slave request mode (Cfg_mode register 0x02)
In slave request mode the read function is not activated until reception of a command
('Get_Single_ID'; for description see chapter 5.7.9) - in other words a request. The user soft-
ware on the control computer can look after controlling the read function. The ID message of an
acquired transponder is transmitted once in the appropriate format at the interface. After the de-
tection of a transponder and the transmission of the ID message – or after a timeout has
elapsed – the read function terminates. If a transponder is not detected before the timeout
elapses a blank ID message will be transmitted. Switching the RF field on and off is handled
automatically by the ASR500.
A fresh transmission of the 'Get_Single_ID' command causes the read procedure to be re-
peated.
When 'Get_Last_ID' is transmitted (see chapter 5.7.5) a new read cycle is not started but in-
stead the last registered transponder ID is transmitted.
In this mode the interface protocol is bi-directional. The control computer here functions as a
command transmitter and the reader as the responding partner. The receiver confirms com-
mands.
Note: In the case of a bus set-up using RS485 connection, data collision is possible on the bus
if several readers are addressed simultaneously with 'Get_Single_ID' or 'Get_Last_ID'.
Possible applications
Point-to-point connection with RS232/RS485: only one reader is connected by computer serial
interface.
Bus system with RS485: several readers are connected to a computer, configured with different
network addresses and are interrogated in sequence by the computer; for example,
PC
"Get
_
Sin
g
le
_
ID"
A
SR400
Read function activated
Trans
p
onder detected
Read function deactivated
"ID-Messa
g
e"

29.05.2007 Page 27 of 59
ASR500 Reader Operation
'Get_Single_ID' to reader 1, reply from reader 1, 'Get_Single_ID' to reader 2, reply from reader
2, and so on.
3.2 Operating in slave continuous mode (Cfg_mode register 0x01)
In slave continuous mode the read function or the RF field is continuously activated. It autono-
mously detects a transponder, which is present and sends the transponder data to an internal
ring buffer memory (two IDs in size). Repeated addition of the same ID entry to the buffer can
be blocked with the aid of the configurable 'Delay time'. Every time an ID is added to the buffer
the 'Delay time' is restarted. The contents of the buffer can be read out (output of the oldest ID)
by the control computer with the command 'Get_Last_ID'. The response comes after max. 120
ms. If the buffer memory is empty a blank ID message will be transmitted. Repetition of the
command is a way of emptying the buffer.
Interrogation by 'Get_Single_ID' starts a new read cycle.
After a request with 'Get_Single_ID', if a transponder is detected within the configured time-out
period, the ID will be transmitted (a blank ID in the case of failure to pick up a transponder).
Note: In the case of a bus set-up using RS485 connection, data collision is possible on the bus
if several readers are addressed simultaneously with 'Get_Single_ID' or 'Get_Last_ID'.
Possible applications
Point-to-point connection with RS232/RS485: only one reader is connected by computer serial
interface.
Bus system with RS485: several readers are connected to a computer, configured with different
network addresses and are interrogated in sequence by the computer; for example,
'Get_Last_ID' to reader 1, reply from reader 1, 'Get_Last_ID' to reader 2, reply from reader 2,
and so on.
PC
"Get Last ID"
ASR400
Buffer 3 IDs
Maximum 3 Ids in buffer
Oldest ID is transmitted
"ID-Messa
g
e"

29.05.2007 Page 28 of 59
ASR500 Reader Operation
3.3 Operating in master mode (Cfg_mode register 0x00)
In master mode the read function or the RF field is continuously activated. After a transponder
was detected, it's transponder data are transmitted as ID message at the serial interface. Be-
fore transmitting, the transponder data are prepared in compliance with the chosen output for-
mat. Repeated output of the same ID can be configured with the 'Cfg_Delaytime' register..
Communication is unidirectional from the reader to the control computer; no response is re-
quired. The complete protocol (see chapter 5) of the reader doesn't need to be implemented in
the user software if only master mode is used.
It only makes sense to use master mode in conjunction with point-to-point communication
(see chapter 2.3.6) since data collisions at the bus interface could result.
Possible applications
Point-to-point connection with RS232/RS485: only one reader is connected by computer serial
interface.
PC
A
SR400
Read function activated
Trans
p
onder detected
"ID-Messa
g
e"
Trans
p
onder detected
"ID-Messa
g
e"

29.05.2007 Page 29 of 59
ASR500 Reader Operation
4. Configuration of the ASR500 reader
For information on programming the configuration described below, please refer to the corre-
sponding parts of chapter 5.
Note on notation of addresses, data and commands:
Single quotation marks designate ASCII values, for example '0' (zero).
If a date is preceded by the designation '0x', this indicates that the date is in hexadecimal nota-
tion; for example, 0x30 (hex notation of the ASCII zero).
Binary data are shown as bit patterns consisting of '0' and '1'; for example, 00110000 (binary
notation of the ASCII zero).
4.1 Factory configuration
The ASR500 reader comes preset with a factory configuration.
Parameter Setting
Mode (Cfg_Mode*) Master mode (0x00)
Data output format (Cfg_Format*) ASCII output of the ID (0x02)
Transponder types (Cfg_RF*) All transponder types (0x0E)
Time out (Cfg_Timeout*) 100ms (0x01)
Delay time (Cfg_Delaytime*) 50ms (0x01)
Network address (Cfg_Node*) 0x01
Interface (fixed) 9600 Baud, 1 Start bit, 8 Date bits, No Parity, 1 Stop bit
*For register details see the following chapters
4.2 Configuration possibilities
The ASR500 reader can be configured on the application-specific basis by means of configura-
tion commands. Here special registers – listed in the following table – are addressed.
Register Cfg_
Adr
Bits to
Set
Hex value
of
Settings
Significance of the registers or their configuration
Cfg_
Delay time
0x35 0x01* Time interval for repeated ID message.
Repetition blockage for time 't' of an already trans-
mitted/saved ID message:
Time 't' = register value * approx. 50 ms (0x00 re-
sults in no repetition)
0x01* Format of the ID message
0 0x01 ASCII notation
1 0x02 Transponder byte structure
0,1 0x03 Compact coding
1,2 0x06 Output of raw data without CRC
0,1,2 0x07 ASCII short format without leading zero
4 0x10 Transmit leading zero if ASCII short format is used
(software version 2.10 or higher)
Cfg_
Format
0x32
5** 0x20 Use SCP format
0x00* Operation mode
0x01 Slave continuons mode
0x02 Slave request mode
Cfg_Mode 0x31
0x00 Master mode
Cfg_Node 0x36 0x01* Individual network address of a reader; range of
values: 0x00 to 0xEF, except 0x02,0x03,0x10
0x0E* Configuration of the RF interface
1 0x02 FDX-B reception activated
2 0x04 HDX reception activated
0x06 FDX-B and HDX activated
3 0x08 H4002 reception activated
0x0A FDX-B and H4002 activated
Cfg_RF 0x33
0x0C HDX and H4002 activated

29.05.2007 Page 30 of 59
ASR500 Reader Operation
Register Cfg_
Adr
Bits to
Set
Hex value
of
Settings
Significance of the registers or their configuration
0x0E FDX-B, HDX and H4002 activated
5 0bxx1x100x Use 125 kHz (this option is possible if only H4002
transponders activated) available at version 1.61 or
later
Cfg_
Time-out
0x34 0x01* Time in which the field is active.
After the time-out period the field activated with
Get_single_ID is switched off unless a transponder
is detected within the time interval (after this the field
is switched off immediately);
Time = register value x approx. 100 ms
(value 0x00 also yields approx. 100 ms)
* Default values specified.
** Combinations with other mentioned bit combinations for Cfg_Format are possible.
Note: Configuration of bits not described above will not be accepted and this results in the re-
sponse 'NAK'.
Following a 'Save_Cfg' command the configuration data are saved in the EEPROM where they
will be retained even in the absence of the power supply.
Important! If no 'Save_Cfg' command is given the new configuration data will be lost when the
power supply is switched off and will have to be redone after switching on again.

29.05.2007 Page 31 of 59
ASR500 Reader Operation
4.3 Description of the individual registers
4.3.1 Cfg_Delaytime
The repeat rate of the ID message of the same transponder can be defined by using the con-
figuration register Cfg_Delaytime. It can be set to any interval between 50ms and 13 seconds. If
the transponder is read again after this time (Delay time), in master mode the ID will be output
once more at the serial interface, independent of how often it is detected within the time interval.
In slave continuous mode, renewed addition to the internal buffer will not take place until the de-
lay time has elapsed, independent of how often it is detected within the time interval. In slave
request mode the delay time is ignored.
4.3.2 Cfg_Format
ID message:
The configuration register Cfg_Format is used for setting the output format of the transponder
ID. The transponder data decoded as per ISO 11784 can be displayed in ASCII format directly
on simple output terminals. For special application two further ASCII formats are available
which are transmitted without any checksum. They are both finished by CR LF. With the raw
data format however the complete transponder data, including control and back-up data, are
provided with CRC or parity check components. In addition, intermediate steps during data con-
version can also be selected, such as the 'transponder byte structure' or the binary notation for
transponder data decoded as specified in ISO 11784. For a detailed description of ID message,
see chapter 5.9.
In slave request mode an ID is always output only at the moment of detection, not at the time
when the transponder leaves the detection area.
4.3.3 Cfg_Mode
Configuration register Cfg_Mode defines the operating mode.
Operating
Mode
Register
Value
Data output by
Command from host
RF field
Slave re-
quest
Mode
0x02 'Get_Single_ID'
New ID* is send to host
'Get_Last_ID'
The ID* last registered is sent to
the host
Is switched on only by command
'Get_Single_ID' and switched off
after time-out or transponder de-
tection
Slave
continuons
mode
0x01 'Get_Last_ID'
Oldest ID* is sent to the host
'Get_Single_ID'
New ID* is send to host
Is activated at all times
Master
mode
0x00 Reader transmit autonomously
with valid new ID
'Get_Single_ID'
New ID* is send to host
'Get_Last_ID'
The ID* last registered is sent to
the host
Is activated at all times
*ID can mean either a blank ID or a read transponder number
4.3.4 Cfg_Node
If the reader is used in a network with several readers, it is possible to give the reader an indi-
vidual network address by using the Cfg_Node register.
4.3.5 Cfg_RF
In applications where for example only one transponder type is used, the configuration register
Cfg_RF can be used to hide other types supported by the reader (FDX-B, HDX, H4002) and
thus speed up acquisition.

29.05.2007 Page 32 of 59
ASR500 Reader Operation
4.3.6 Cfg_Timeout
The switch off time of the RF field for a single read cycle in slave request mode can be defined
with the configuration register Cfg_Timeout. Once the time-out period has elapsed and no
transponder has been registered, the read cycle is terminated and a blank ID sent to the control
computer.
The configuration data stored in the EEPROM become effective at switch-on. The command
'Set_Config' causes the configuration to be changed temporarily in RAM. With the
'Save_Config' command the modified configuration data are saved in the EEPROM where they
remain, even when the power supply is off.
The default values can be restored with the 'Reset_All' command.
Important! Following 'Reset_All' the host program must be able to communicate with the default
values (network address: 0x01)
Note: If a 'Set_Config' command accesses an undefined register, 'NAK' will be returned.
The reader can be configured and individual functions demonstrated with the ASR500.exe
demo program, which is supplied as standard. This program has its own user manual.
5. Protocol description
5.1 Interface parameter
9600 Baud
1 Start bit
8 Date bits
No Parity
1 Stop bit
5.2 Frame
STX DST SRC Message CRC ETX
0x02 0xFF 0xF0 n Bytes Data 8 Bit CRC 0x03
STX Start of a frame
DST Destination address (Example Broadcast).
SRC Source address (Example 0xF0 = HOST address)
Message n Byte Data (see also ID-Output in section 1.6)
CRC 8 Bit CRC concerning CCITT (x8+x4+x3+x2+1)
ETX End of frame
5.3 Control codes
Name Value Description
STX 0x02 Start of frame
ETX 0x03 End of frame
DLE 0x10 ESCAPE: the control code after the ESCAPE character will be
interpreted as data and not as control code
5.4 Escape sequence
If in a data frame a character or codes is equivalent a control code it will be replaced by:
Sequence Replace
DLE-STX STX
DLE-ETX ETX
DLE-DLE DLE
In the frame of the ASR500 a CRC comes always behind a DLE!

29.05.2007 Page 33 of 59
ASR500 Reader Operation
5.5 Addresses
5.5.1 Destination address DST
The destination address denotes the receiver of a message frame. There are individual ad-
dresses and broadcast addresses available. The broadcast address is useful to send a mes-
sage to several readers at the same time or to communicate with a reader where the individual
address is not known.
5.5.2 Source address SRC
The destination address denotes the transmitter of a message frame.
The ASR responds with its individual network address, independent if the request was a broad-
cast request or not.
5.5.3 Address ranges
A broadcast address allows each and every reader to be addressed irrespective of the device
type or individual address. Avoid broadcast addresses on bus systems because of the possible
data collision during the response. If the individual address of the reader is unknown use a
point-to-point connection and configure the individual network address with a broadcast request
(Set_Config) or get the individual network address (Get_Config).
Each reader type has an individual device specific address.
Therefore, on a bus system with different device types it is possible to address them by using
the device type address.
In point-to-point connection all address types can be used without restriction.
In bus systems it's recommended to use an individual network address for each reader.
The 8-bit address field allows 256 addresses.
The control characters (STX, ETX and DLE) are not allowed.
The valid addresses are shown in the following table:
Address Description
0x00 Reserved for future address expansion
0x01 Default address as shipped
0x04…0x0F Network addresses (device addresses)
0x11…0xEF Network addresses (device addresses)
0xF0 Computer address (host address)
0xF1…0xFE Fixed device type addresses
0xFF Broadcast address
5.5.4 Device type addresses
Device type address Description
0xF1…0xF2 Reserved
0xF3 Mobile reader
0xF4 ASR reader (stationary reader)
0xF5…0xFE Reserved

29.05.2007 Page 34 of 59
ASR500 Reader Operation
5.6 Message commands and acknowledgements
The reader supports the following commands
Command /
Request
Cod.
Hex
Addnl.
Data
Description
Connect_RQ 0x01 - Interrogate connection status
Get_Amplitude 0x83 - Output the amplitude of the antenna
Get_Config 0x29 Address Output the current configuration
Get_HDX_Sample 0x91 - Output 512 byte RSSI after field of approximately
over the length of a HDX transponder telegram
Get_Last_ID 0x24 - Interrogate the oldest ID in the buffer
Get_Phase 0x82 Frequency Output phase difference of antenna
Get_PhaseAmplitud
e
0x86 C-pattern,
Frequency
Output phase difference and amplitude of the
antenna
Get_RSSI 0x85 - Output RSSI after field off is transmitted
Get_Single_ID 0x22 - Start a read cycle, field is switched on before and
off after acquisition
Get_SNR 0x0A - Output the reader serial number
Get_TuningResult 0x89 - Output result of last auto trim
Get_Tuning 0x43 - Interrogation of the state of antenna tuning (cor-
responds to what is displayed by the antenna
tuning LEDs), see chapter 2.2.4
Get_Version 0x09 - Output of the reader and software version
Reset_All 0x18 - Copy default configuration from ROM to RAM
Retransmit_
Request
0x30 - Repetition of the last output
Save_Config 0x2A - Copy configuration from RAM into EEPROM
Set_Config 0x28 Address,
cfg_new
Set new configuration temporarily (RAM)
Set_TuningData 0x8A trim data Set temporarily trim data
Start_AutoTuning 0x87 - Starts auto tuning process
Response/
Acknowledgements
Cod.
Hex
Addnl.
Data
Description
ACK 0x06 cmd,
data
Last command has been executed, following data
NAK 0x15 cmd Last command has not been executed
Output Cod.
Hex
Addnl.
Data
Description
ID_message 0x23 ID,… Transponder ID

29.05.2007 Page 35 of 59
ASR500 Reader Operation
5.7 Description of the individual messages
5.7.1 Connect_RQ
The reader sends an acknowledgement when it is operationally ready.
Request:
STX DST SRC CMD CRC 8 ETX
0x02 0xFF 0xF0 0x01 0xFB 0x03
Answer:
STX DST SRC ACK CMD DLE CRC 8 ETX
0x02 0xF0 0x01 0x06 0x01 0x10 0x16 0x03
5.7.2 Get_Amplitude
Request:
STX DST SRC CMD CRC 8 ETX
0x02 0x01 0xF0 0x83 0xFB 0x03
Answer:
STX DST SRC ACK CMD RES AMP DLE CRC 8 ETX
0x02 0xF0 0x01 0x06 0x83 0x00 0x66 0x10 0x40 0x03
RES: Reserved for future use
AMP: Amplitude value of the antenna (in this example 0x66)
5.7.3 Get_Config
The content of the selected configuration register (RAM) is output.
Request:
STX DST SRC CMD ADR CRC 8 ETX
0x02 0x01 0xF0 0x29 0x31 0x63 0x03
ADR: Address to read (in this example 0x31 = mode register)
Answer:
STX DST SRC ACK CMD CNT DLE CRC 8 ETX
0x02 0xF0 0x01 0x06 0x29 0x02 0x10 0xD3 0x03
CNT: Contents of selected configuration register (in this example 0x02)
5.7.4 Get_HDX_Sample
The reader outputs 512 Bytes RSSI data after field of approximately over the length of a HDX
transponder telegram.
Request:
STX DST SRC CMD CRC 8 ETX
0x02 0x01 0xF0 0x91 0x24 0x03
Answer:
STX DST SRC ACK CMD D511 … D0 DLE CRC 8 ETX
0x02 0xF0 0x01 0x06 0x91 xx … xx 0x10 xx 0x03
D5111…D0: 512 Byte RSSI data.

29.05.2007 Page 36 of 59
ASR500 Reader Operation
5.7.5 Get_Last_ID
In slave continuous mode a 'Get_Last_ID' command transmits the oldest ID from the buffer. The
ID message is transmitted immediately. If the buffer memory is empty, a blank ID will be trans-
mitted at once. The RF field remains switched on.
In slave request and in master mode the ID last registered is transmitted.
Request:
STX DST SRC CMD CRC 8 ETX
0x02 0xFF 0xF0 0x24 0x53 0x03
Answer: ID message
5.7.6 Get_Phase
The phase shift of the antenna is transmitted.
Requeté:
STX DST SRC CMD RES CRC 8 ETX
0x02 0x01 0xF0 0x82 0x3A 0x13 0x03
RES: Reserved for future use, must be set to 0x3A
Answer:
STX DST SRC ACK CMD PHI DLE CRC 8 ETX
0x02 0xF0 0x01 0x06 0x82 0x17 0x10 0xB7 0x03
PHI: Phase shift of the antenna (in this example 0x17)

29.05.2007 Page 37 of 59
ASR500 Reader Operation
5.7.7 Get_PhaseAmplitude
The phase shift and the amplitude of the antenna are transmitted.
Request:
STX DST SRC CMD CP RES CRC 8 ETX
0x02 0x01 0xF0 0x86 0x3F 0x3A 0xC8 0x03
CP: Capacitor pattern used for measurement (in this example 0x3F)
RES: Reserved for future use, must be set to 0x3A
Answer:
STX DST SRC ACK CMD PHI RES AMP DLE CRC 8 ETX
0x02 0xF0 0x01 0x06 0x86 0x17 0x00 0x67 0x10 0xD5 0x03
PHI: Phase shift of the antenna (in this example 0x17)
RES: Reserved for future use
AMP: Amplitude value of the antenna (in this example 0x67)
5.7.8 Get_RSSI
The RSSI after field off is transmitted.
Request:
STX DST SRC CMD CRC 8 ETX
0x02 0xFF 0xF0 0x85 0xA1 0x03
Answer:
STX DST SRC ACK CMD RSSI DLE CRC 8 ETX
0x02 0xF0 0x01 0x06 0x29 0x02 0x10 0xD3 0x03
RSSI: Value of the RSSI (in this example 0x02)
5.7.9 Get_Single_ID
Starts a single read cycle by activating the RF field. The response with the ID message will not
be given, until a transponder has been registered. If a transponder is not detected within the
configured time-out period, a blank ID will be returned.
In the slave request mode after detection of a transponder - or after a time-out has elapsed –
the read function terminates and the RF field is switched off. In the other modes the ASR500 re-
turns to its previous state.
Request:
STX DST SRC CMD CRC 8 ETX
0x02 0xFF 0xF0 0x22 0x7A 0x03
Answer: ID message
5.7.10 Get_SNR
Returns the reader serial number.
Request:
STX DST SRC CMD CRC 8 ETX
0x02 0xFF 0xF0 0x0A 0xE7 0x03

29.05.2007 Page 38 of 59
ASR500 Reader Operation
Answer:
STX DST SRC ACK CMD SNR5 SNR4
0x02 0xF0 0x01 0x06 0x94 0x30 0x30
SNR3 SNR2 SNR1 SNR0 DLE CRC 8 ETX
0x30 0x31 0x30 0x31 0x10 0x68 0x03
SNR5…SNR0: Six byte serial number in ASCII notation (in this example '000101')
5.7.11 Get_TuningResult
Returns the result of last auto trim.
Request:
STX DST SRC CMD CRC 8 ETX
0x02 0xFF 0xF0 0x89 0xF3 0x03
Answer:
STX DST SRC ACK CMD CP1 CP0 PHI DLE CRC 8 ETX
0x02 0xF0 0x01 0x06 0x89 0x43 0x5C 0x16 0x10 0x13 0x03
CP1: Capacitor pattern 1 (in this example 0x43)
CP0: Capacitor pattern 0 (in this example 0x5C)
PHI: Phase shift of the antenna (in this example 0x16)

29.05.2007 Page 39 of 59
ASR500 Reader Operation
5.7.12 Get_Tuning
The tuning status is automatically measured on a cyclical basis – every time the RF field is
switched on. The Get_Tuning request does not initiate measurement of the tuning status but
simply delivers an already measured (frozen) status.
Request:
STX DST SRC CMD CRC 8 ETX
0x02 0xFF 0xF0 0x43 0x6C 0x03
Answer:
STX DST SRC ACK CMD STATUS PHI DLE CRC 8 ETX
0x02 0xF0 0x01 0x06 0x43 0x00 0x1A 0x10 0x69 0x03
Status: Tuning status (in this example 0x00)
PHI: Phase shift of the antenna (in this example 0x1A)
A status unequal 0x00 means a new auto tuning should be initiated.
5.7.13 Get_Version
Returns the reader and software version.
Request:
STX DST SRC CMD CRC 8 ETX
0x02 0xFF 0xF0 0x09 0x4B 0x03
Answer:
STX DST SRC ACK CMD VER11 VER10 VER9 VER8 VER7
0x02 0xF0 0x01 0x06 0x43 0x41 0x53 0x52 0x34 0x30
VER6 VER5 VER4 VER3 VER2 VER1 VER0 DLE CRC 8 ETX
0x30 0x56 0x31 0x2E 0x35 0x35 0x00 0x10 0x 0x03
VER11…VER0: Eleven-byte version string terminated with 0x00 (in this example
'ASR500V1.55').

29.05.2007 Page 40 of 59
ASR500 Reader Operation
5.7.14 Reset_All
This restores the default configuration (factory-set values in ROM) by overwriting all of the con-
figuration registers in RAM.
The network address is set to 0x01.
Request:
STX DST SRC CMD CRC 8 ETX
0x02 0xFF 0xF0 0x18 0x38 0x03
Answer:
STX DST SRC ACK CMD DLE CRC 8 ETX
0x02 0xF0 0x01 0x06 0x18 0x10 0xF2 0x03
5.7.15 Retransmit_Request
The reader returns the last output (ID message, version, serial number, ACK, NAK etc.).
Request:
STX DST SRC CMD CRC 8 ETX
0x02 0xFF 0xF0 0x30 0xA5 0x03
Answer: Last output
5.7.16 Save_Config
Saves the current configuration from RAM to the EEPROM. The user configuration saved in the
EEPROM is copied to RAM after Power on.
Request:
STX DST SRC CMD CRC 8 ETX
0x02 0xFF 0xF0 0x2A 0xC9 0x03
Answer:
STX DST SRC ACK CMD DLE CRC 8 ETX
0x02 0xF0 0x01 0x06 0x2A 0x10 0x4B 0x03

29.05.2007 Page 41 of 59
ASR500 Reader Operation
5.7.17 Set_Config
The 'Set_Config' request programs a configuration register (in RAM) with the following new val-
ues. The corresponding configuration determines how the device will currently work. When the
device is switched off, the changes made with 'Set_Config' will be lost unless they are saved
with 'Save_Config'.
If the configuration address is not found, or the format of the following configuration value is in-
valid or a configuration is not supported, a NAK will be sent.
Request:
STX DST SRC CMD ADR CFG CRC 8 ETX
0x02 0xFF 0xF0 0x28 0x31 0x00 0xEE 0x03
ADR: Address of the configuration register (in this example 0x31 => mode)
CFG: Configuration data to program into selected configuration register (in this example
0x00)
Answer:
STX DST SRC ACK CMD DLE CRC 8 ETX
0x02 0xF0 0x01 0x06 0x28 0x10 0x1C 0x03
5.7.18 Set_TuningData
This command is used to set temporarily the tuning data.
Example: The antenna was moved quickly between two reading positions or the environment
changes between two states (metal present or not). For both situations an auto tuning could be
done by ' Start_AutoTuning' and the result could be got using 'Get_TuningResult'.
For each situation the optimal tuning parameters could be set with 'Set_TuningData'.
Request:
STX DST SRC CMD CP1 CP0 PHI CRC 8 ETX
0x02 0xFF 0xF0 0x8A 0x47 0x5F 0x1B 0x24 0x03
CP1: Capacitor pattern 1 (in this example 0x47)
CP0: Capacitor pattern 0 (in this example 0x5F)
PHI: Phase shift of the antenna (in this example 0x1B)
Answer:
STX DST SRC ACK CMD DLE CRC 8 ETX
0x02 0xF0 0x01 0x06 0x8A 0x10 0xCD 0x03

29.05.2007 Page 42 of 59
ASR500 Reader Operation
5.7.19 Start_AutoTuning
Starts the auto tuning process (see chapter 2.2.4)
The auto tuning will take about 10.5 seconds. After it is done, the ASR500 sends the Telegram
for receipt.
Request:
STX DST SRC CMD CRC 8 ETX
0x02 0xFF 0xF0 0x87 0x69 0x03
Answer:
STX DST SRC ACK CMD DLE CRC 8 ETX
0x02 0xF0 0x01 0x06 0x87 0x10 0xDD 0x03
5.8 Description of the acknowledgements
5.8.1 ACK
Correctly received data and executed commands are acknowledged with an ACK.
Answer:
STX DST SRC ACK CMD DATn … DAT0 DLE CRC 8 ETX
0x02 0xF0 0x01 0x06 0x87 xx xx xx 0x10 xx 0x03
DATn…DAT0: Possible further data.
5.8.2 NAK
If the frame is valid, unrecognised commands or commands which cannot be executed because
of wrong data, will be acknowledged with NAK.
Answer:
STX DST SRC ACK CMD DLE CRC 8 ETX
0x02 0xF0 0x01 0x15 xx 0x10 xx 0x03

29.05.2007 Page 43 of 59
ASR500 Reader Operation
5.9 ID-Format
5.9.1 Format of ID
Name Position Description
0x23 0 Identification of ID-output
Ptr1 1 Length of ID-Field incl. Ptr1
ID-Field 2 n Bytes ID
Ptr2 2+n Length of Type-Field incl. Ptr2
Type-Field 3+n m Byte Transpondertyp
Ptr3 3+n+m Length of time field
Timestamp 4+n+m Time stamp: hh.mm.ss.aa (optional)
0x00 5+n+m+p 0-Ptr Stop Character (time field only)
Table 1: Format of ID
5.9.2 ID-without time stamp
0x23 Ptr1 ID 0...n Ptr2 Type 0...m 0x00
Table 2: ID-without time stamp
5.9.3 ID- with time stamp
0x23 Ptr1 ID 0...n Ptr2 Type 0...m Ptr3 Time 0...p 0x00
Table 3: ID- with time stamp

29.05.2007 Page 44 of 59
ASR500 Reader Operation
5.9.4 Example ID- without time stamp Format ASCII
Examples of an ID- telegram without time stamp.
STX DST SRC Id_Out Ptr1 ID0 ID1 ID2 ID3 ID4
0x02 0xF0 0x01 0x23 0x11 ‘0’ ‘9’ ‘8’ ‘4’ ‘0’
ID5 ID6 ID7 ID8 ID9 ID10 ID11 ID12 ID13 ID14
‘1’ ‘0’ ‘9’ ‘0’ ‘0’ '3' ‘1’ ‘6’ ‘3’ ‘6’
ID15 DLE Ptr2 Typ0 Typ1 Ptr3 DLE CRC 8 ETX
‘0’ 0x10 0x03 ‘0’ ‘5’ 0x00 0x10 0xA0 0x03
STX Start of Text => Start of Telegram
DST 0xF0 => HOST
SRC Source = 0x01 => Node address of connected ASR500
Code 0x23 => ID-Output
Ptr1 0x11 => 1 Byte Length + 16 Byte ID
ID0...ID15 ‘0984010900316360’
DLE 0x10
Ptr2 0x03 => 1 Byte Length + 2 Byte Transpondertyp
Typ0...Typ1 ‘05’ => FDX Transponder regarding ISO
Ptr3 0x00 => No time stamp (Identification of STOP)
DLE 0x10 => Before CRC always DLE
CRC 0xA0
ETX 0x03 => End of Telegram
5.9.5 Example ID- without time stamp Format ASCII and SCP format
ID0 ID1 ID2 ID3 ID4 ID5 ID6 ID7 ID8 ID9
‘0’ ‘9’ ‘0’ ‘0’ ‘3’ ‘1’ ‘6’ ‘3’ ‘6’ ‘0’
CR LF
0x0D 0x0A
ID0...ID15 ‘0900316360’
CR 0x0D
LF 0x0A
If in addition to the ID format the Format Option Short is activated (see chapter 4.3.2), the data
will be transmitted without frame. The last characters of the telegram will be <CR> (0x0D) <LF>
(0x0A).
5.9.6 Example ID- without time stamp Format ASCII short format
ID0 ID1 ID2 ID3 ID4 ID5 ID6 ID7 ID8 ID9
‘9’ ‘8’ ‘4’ ‘0’ ‘1’ ‘0’ ‘9’ ‘0’ ‘0’ '3'
ID10 ID11 ID12 ID13 ID14 CR LF
‘1’ ‘6’ ‘3’ ‘6’ ‘0’ 0x0D 0x0A
ID0...ID15 ‘984010900316360’
CR 0x0D
LF 0x0A
If Short ASCII is activated (see chapter 4.3.2), 15 data bytes will be transmitted in ASCII nota-
tion without frame. The leading zero is not transmitted. The last characters of the telegram will
be <CR> (0x0D) <LF> (0x0A).

29.05.2007 Page 45 of 59
ASR500 Reader Operation
5.9.7 Example ID- without time stamp Format ASCII short format 16
ID0 ID1 ID2 ID3 ID4 ID5 ID6 ID7 ID8 ID9
‘0’ ‘9’ ‘8’ ‘4’ ‘0’ ‘1’ ‘0’ ‘9’ ‘0’ ‘0’
ID10 ID11 ID12 ID13 ID14 ID15 CR LF
‘3’ ‘1’ ‘6’ ‘3’ ‘6’ ‘0’ 0x0D 0x0A
ID0...ID15 ‘0984010900316360’
CR 0x0D
LF 0x0A
If Short ASCII 16 is activated (see chapter 4.3.2), 16 data bytes will be transmitted in ASCII no-
tation without frame. The leading zero is transmitted. The last characters of the telegram will be
<CR> (0x0D) <LF> (0x0A).

29.05.2007 Page 46 of 59
ASR500 Reader Operation
5.10 CRC Calculation
The 8 Bit CRC will be calculated with the CCITT-CRC-8 Polygon x8+x4+x3+x2+1 with all Bytes
including STX without the Checksum itself. An ESCAPE before the checksum has to be calcu-
lated as well.
A frame from the ASR500 to the Host always has a DLE in front of a CRC.
5.10.1 CRC-Algorithm
CRC-Algorithm
char CalcCRC8 (char CRC, char byte)
{
unsigned char count;
for (count = 0; count < 8; ++count)
{
if (((CRC & 0x01) ^ (byte & 0x01)) != 0)
{
CRC ^= 0x70;
CRC >>= 1;
CRC |= 0x80;
}
else
{
CRC >>= 1;
CRC &= 0x7F;
}
byte >>= 1;
}
return (CRC);
}

29.05.2007 Page 47 of 59
ASR500 Reader Operation
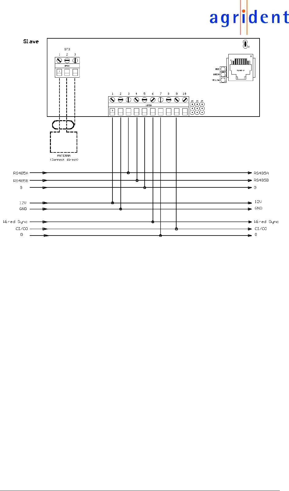
6. Clock synchronisation of ASR 400 readers
When two or more antenna fields are overlapping there might be some interferences with FDX
transponders. This is due to the very small differences of the frequency generated by the oscil-
lator (clock) of the readers.
To prevent this interference it is possible to synchronize the readers, this means that the clock
generated by the oscillator of one reader is used for the additional readers. The reader, which
generates the oscillator clock, is called clock master and the readers that receive the oscillator
clock are called clock slave.
6.1 Installation
• The total length of the cables for the synchronization should not exceed 4 meters.
• Recommended types of cable for the connection are shielded twisted pair or coaxial cable
RG58 resp. coaxial cable RG174.
A connection between –UB (ST4 pin2) and G (e.g. ST4 pin5 or ST4 pin7) influences and may
improve the reading range.
If the Agrident power supply is used, it’s possible to connect earth and ground of the power sup-
ply (fuse, F2), which also influences the reading range of the devices.
6.2 Setting at the ASR500
Clock master Jumper 1 open, that means to use the reader’s own oscillator for generating the
frequency.
Clock slave Jumper 1 closed, that means use the clock coming in at ST4 pin 9 (Clock In). If
the connection (from ST4 pin 8 Clock Out of the master) is not made, the slave will not work.
Figure 15: Connection diagram ASR500 as master

29.05.2007 Page 48 of 59
ASR500 Reader Operation
Figure 16: Connection diagram ASR500 as slave

29.05.2007 Page 49 of 59
ASR500 Reader Operation
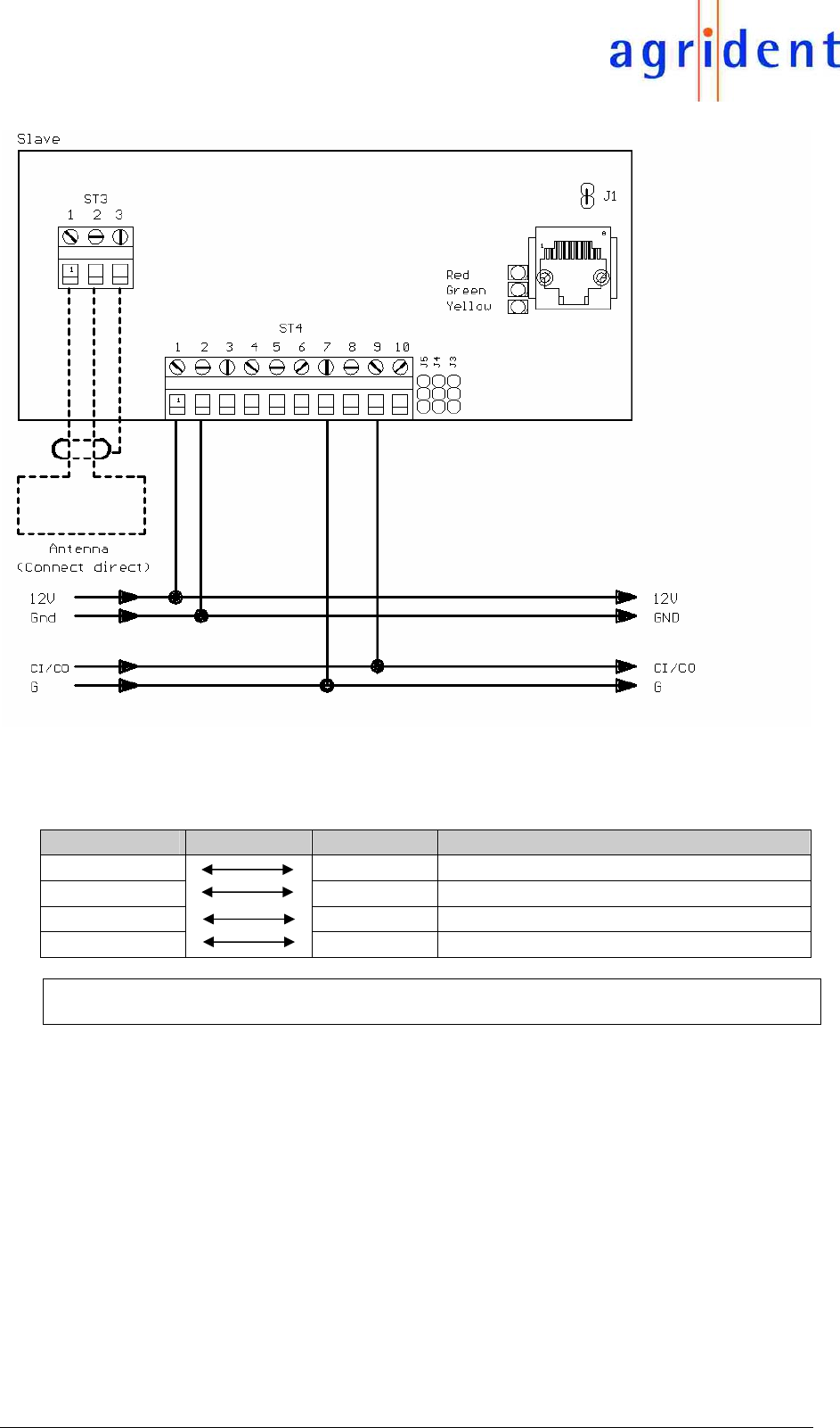
7. Synchronisation H4002
7.1 Clock synchronisation of ASR 400 readers
When two or more antenna fields are overlapping there might be some interference for FDX
transponders. This is due to the very small differences of the frequency generated by the oscil-
lator (clock) of the readers.
To prevent this interference it is possible to synchronize the readers, that mean that the clock
generated by the oscillator of one reader is used for the additional readers. The reader, which
generates the oscillator clock, is called clock master and the readers that receive the oscillator
clock are called clock slave.
7.2 Installation
• The total length of the cables for the synchronization should not exceed 4 meter.
• Recommended types of cable for the connection are shielded twisted pair or coaxial cable
RG58 or coaxial cable RG174.
A connection between –UB (ST4 pin1) and G (e.g. ST4 pin5 or ST4 pin7) influences and may
improve the reading range.
If the Agrident power supply is used, it’s possible to connect earth and ground of the power sup-
ply (fuse, F2), which also influences the reading range of the devices.
7.3 Setting at the ASR500
Clock master Jumper 1 open, that means to use the reader’s own oscillator for generating the
frequency.
Clock slave Jumper 1 closed, that means use the clock coming in at ST4 pin 9 (Clock In). If
the connection (from ST4 pin 8 Clock Out of the master) is not be made, the slave will not work.
Figure 17: Connection diagram ASR500 as master

29.05.2007 Page 50 of 59
ASR500 Reader Operation
Figure 18: Connection diagram ASR500 as slave
7.4 Connection table
Master Connection Slaves Meaning
Pin 1 Pin1 * Power supply +12V
Pin 2 Pin 2 * Power supply GND
Pin 7 Pin 7 GND
Pin 8
Pin 9 Clock in / clock out
* Important: The amount of ASR500 readers, which can be driven by one power, supply de-
pends on the maximum current of the power supply used.

29.05.2007 Page 51 of 59
ASR500 Reader Operation
8. Technical data
Frequency of the RF carrier generated 134,2 KHz
Transponder types supported -HDX-compatible (ISO 11784/5)
-FDX-B-compatible (ISO 11784/5)
-H4002 + compatible
Environmental conditions Operation: 0 - 60 °C
Storage: -25° to 80 °C
Air humidity: 5 – 90 % (non-condensing)
Dimensions L x B x H:
ASR554: 170x 160 x 85 mm
Safety class ASR500: -
ASR554: IP54
Power supply 12V DC, max. 500mA, typical 320mA
Interface RS232, RS485
Configuration: 9600 baud, 8, N, 1
Weight ASR500: appr. 310 g
ASR554: appr. 750 g

29.05.2007 Page 52 of 59
ASR500 Reader Operation
9. Influence of noise, Interference and metal objects on the reading range1
Most of what affects ISO RFID readers is actually electrical interference, although it is often
more commonly referred as "noise".
Tag reading is a 2-way process, but most interference problems affect the much weaker trans-
missions from tag to reader. The tag to reader transmission is at a frequency of 134,2 kHz.
There are many interference sources that have been identified. Some are rarely seen, but as a
result are not easily diagnosed. Anything that can produce magnetic fields at around 100 kHz is
a potential source of interference. The effect of noise and interference increases over propor-
tionally. Therefore these effects are much more severe on stationary readers with larger anten-
nas.
9.1 Computer monitors
All computer monitors produce magnetic fields from their scan coils. By far the worst are those
whose line scan frequency has a harmonic around 100 kHz. Modern monitors often change
their scan frequency depending on how they are being used. The other variable is how well
screened the monitor is.
Some monitors will reduce the reading range of a stationary reader at a distance of 3 meters
(10 feet) or more. Others make no difference at a distance of 1 meter. When we quote dis-
tances in such cases, they are taken from the centre of the reader's antenna.
We advise that users are warned that any computer monitor may have a serious effect, and if
necessary you should do a Site Survey. If you get the result that a monitor isn't making a lot of
difference, ask them to take it through all the video modes they might use. For instance operate
under DOS and Windows, and if any high-resolution graphics packages are used, get the user
to load them. Only after all of this can you be reasonably confident.
Other CRT (cathode-ray tube) products such as televisions and oscilloscopes can also produce
interference, but they rarely present a real problem.
9.2 Other electronic equipment
All electronic equipment should be suspect, although very rarely does it cause significant inter-
ference. (The tendency towards better control of EMC should help, but few standards limit unin-
tentional emission at 134.2 kHz.)
9.3 Data cables
There are cases where computer data cables can cause interference, which affects readers.
This is unusual, and most network cables are very good. However, you should nevertheless be
aware of the possibility.
As with so many interference sources, data cables don't create interference until the building is
fully functional. Beware of doing a Site Survey on an empty building.
9.4 Mains cables
It is more common to see some interference from mains cables. The most usual situation is
close to the main distribution board for a building. The reason for this is that this may be where
there is a separate earth connection, for instance to ground gas and water pipes. Normally the
interference currents in the mains conductors are balanced. The current flows along one core of
the cable and back down another, giving only a small net current to create interference. The
other connections at a distribution board destroy the balance, hence the problem.
It is best to avoid putting readers close to high power cables, sub-stations etc. unless you are
sure. This is another case where the interference will go up once the building is occupied.
1 Identec Ltd. – Cryptag Census Site Manual

29.05.2007 Page 53 of 59
ASR500 Reader Operation
9.5 Fluorescent and Low Voltage Lighting
Both types of lighting can on rare occasions produce interference.
Some fluorescent lights generate radio frequencies, but the emission levels are generally small.
We have come across Low Voltage lighting systems that generate high emission levels in their
"transformer" module, which actually contains a switch-mode converter. These do not meet cur-
rent EMC regulations, but may have been legal when installed.
9.6 Other readers
One potential source of interference that is easily overlooked is other readers, and other prod-
ucts that use the same frequency band. Low power products are restricted to a few frequency
bands, so there may be cases where two legitimate products are trying to use the same band.
An ISO HDX tag will not read properly if it is picking up transmissions from two different ISO
readers that are not synchronised. Nearly always it won't respond at all, but if it has started re-
sponding to one it may give peculiar responses to both.
(ISO tags do not respond to signals from tagging systems such as shop-door systems, but the
reading range my be affected by their signals.)
9.7 Effects of metal near readers
Usually metal near the antenna of a reader which reduces performance, but it is possible to use
the effects of metal to advantage.
Metal close to an aerial loop can act as a short circuit, sucking energy out of the reader. It will
affect the tuning of the antenna, but even if the antenna is returned there could still be a loss of
range. The reading zone will change its shape, with the range behind the metal reduced.
The effect on the reading range is greater when the metal is closer to the antenna loop. Many
factors affect the range, but typically a complete sheet of metal, 100 mm (4 inches) behind the
antenna loop, reduces the reading range by about 25%. (If the metal is ferrous, it will have
slightly more effect.) This is after the antenna loop has been retuned.
When the metal is only close to part of the loop, the effect is reduced. If the metal is only close
to one side of the loop the effect is minimal.
As metal affects tuning, metal doors can pose a problem. If the antenna loop is too close, it’s
tuning will change when the doors are open. If the tuning is optimised when the doors are open,
the range will drop when the doors close (or vice versa).
Ferrous metal (e.g. steel) introduces new considerations. A sheet of ferrous metal reduces the
reading range by more than non-ferrous metal. It also acts as a better screen, with the range
behind the metal reduced to around 50% of the range in front. The shape of the reading zone
behind the metal is distorted, making the region where tags will be read less predictable.
Ferrous metal (of any shape) can concentrate magnetic fields, and this has been known to give
an unexpected increase in range. On the other hand, it can also concentrate interference sig-
nals towards a reader. What you should be on the lookout for is a situation where a relatively
long and thin ferrous metal structure has one end close to the antenna loop.

29.05.2007 Page 54 of 59
ASR500 Reader Operation
10. FCC digital device limitations
Radio and Television Interference
This equipment has been tested and found to comply with the limits for a digital device, pursu-
ant to Part 15 of the FCC rules. These limits are designed to provide reasonable protection
against harmful interference when the equipment is operated in a commercial environment. This
equipment generates, uses, and can radiate radio frequency energy and, if not installed and
used in accordance with the instruction manual, may cause harmful interference to radio com-
munications. Operation of this equipment in a residential area is likely to cause harmful interfer-
ence, in which case the user will be required to correct the interference at his own expense.
This device complies with Part 15 of the FCC rules. Operation is subject to the following two
conditions: (1) This device may not cause harmful interference, and (2) this device must accept
any interference received, including interference that may cause undesired operation.
In order to maintain compliance with FCC regulations, shielded cables must be used with this
equipment. Operation with non-approved equipment or unshielded cables is likely to result in in-
terference to radio and television reception.
Caution! Changes or modifications not expressly approved by the manufacturer could void the
user’s authority to operate this equipment.
11. CE MARKING
Hereby, Agrident BV declares that this equipment, if used according to the instructions, is in
compliance with the essential requirements and other relevant provisions of the RTTE Directive
1999/5/EC. For use in all countries of the EU.
To obtain a copy, contact Agrident BV and request the “Declaration of Conformity” document for
Multi-technology readers.
Agrident BV
mail@agrident.com
In case of alteration of the product, not agreed to by us, this declaration will lose its validity.
This symbol indicates proof of conformity to applicable European
Economic Community Council directives and harmonized standards
published in the official journal of the European Communities.
12. Safety and care
The manufacturer accepts no liability for damage resulting from improper use or use not consis-
tent with that described in these operating instructions.
• The ASR500 reader contains no parts that can be repaired by the user. For this reason the
Reader may only be repaired by authorised customer service personnel.
• In both operation and storage of the reader please ensure compliance with the environment
conditions specified in the technical data.
• Clean the ASR500 reader only with a damp cloth. Use only water and any commercially
available cleaning agent.
Any modification to the ASR500 reader will render the warranty null and void.

29.05.2007 Page 55 of 59
ASR500 Reader Operation
13. Warranty
The manufacturer of the ASR500 reader Electronic will provide a warranty of
12 months
From the day the device is shipped and subject to the following conditions:
a. Without submission of proof of purchase no warranty can be given.
b. In the event that defects are detected the manufacturer is entitled to choose between up to
two attempts at repair or a one time replacement of the faulty device. The warranty period for
the repaired item or replacement item is 3 months, but will always extend to the end of the
original warranty period. No further claims can be entertained, especially claims for compen-
sation for consequential losses. This exclusion of liability does not apply to claims made on
the basis of the Product Liability Act.
c. Warranty claims cannot be entertained unless the Agrident system was installed properly
and used properly and for the purpose intended.
No warranty obligations exist in particular when:
1. Damage is attributable to improper use of the device, to an incorrect connection or incorrect
operator action;
2. The device was not cared for and maintained in accordance with the manufacturer's recom-
mendations and this is the cause of the damage;
3. The damage is due to any modification to the device;
4. The damage is due to force majeure, for example, lightning strike;
5. The damage is due to wear resulting from overstressing mechanical parts.

29.05.2007 Page 56 of 59
ASR500 Reader Operation
14. Appendix
14.1 RF synchronisation
If only one reader is to be accessed at any one time by the control computer – in other words,
only that reader's RF field is activated – then wire-based synchronisation will not be necessary.
If several readers are operated in the immediate vicinity of each other (in other words, closer
together than 3 m) and the readers have been configured for HDX acquisition, it is possible that
the corresponding synchronisation will be necessary. This is described in chapter 6.
14.2 Description of commands and acknowledgements
Command /
Request
Cod.
Hex
Addnl.
Data
Description
Connect_RQ 0x01 - Interrogate connection status
Get_Amplitude 0x83 - Output the amplitude of the antenna
Get_Config 0x29 Address Output the current configuration
Get_HDX_Sample 0x91 - Output 512 byte RSSI after field of approximately over
the length of a HDX transponder telegram
Get_Last_ID 0x24 - Interrogate the oldest ID in the buffer
Get_Phase 0x82 Frequency Output phase difference of antenna
Get_PhaseAmplitude 0x86 C-pattern,
Frequency
Output phase difference and amplitude of the antenna
Get_RSSI 0x85 - Output RSSI after field off is transmitted
Get_Single_ID 0x22 - Start a read cycle, field is switched on before and off
after acquisition
Get_SNR 0x0A - Output the reader serial number
Get_TuningResult 0x89 - Output result of last auto trim
Get_Tuning 0x43 - Interrogation of the state of antenna tuning (corresponds
to what is displayed by the antenna tuning LEDs), see
chapter 2.2.4
Get_Version 0x09 - Output of the reader and software version
Reset_All 0x18 - Copy default configuration from ROM to RAM
Retransmit_
Request
0x30 - Repetition of the last output
Save_Config 0x2A - Copy configuration from RAM into EEPROM
Set_Config 0x28 Address,
cfg_new
Set new configuration temporarily (RAM)
Set_TuningData 0x8A trim data Set temporarily trim data
Start_AutoTuning 0x87 - Starts auto tuning process
Response/
Acknowledge-
ments
Cod.
Hex
Addnl.
Data
Description
ACK 0x06 cmd,
data
Last command has been executed, following data
NAK 0x15 cmd Last command has not been executed
Output Cod.
Hex
Addnl.
Data
Description
ID_message 0x23 ID,… Transponder ID

29.05.2007 Page 57 of 59
ASR500 Reader Operation
14.3 Description of the registers
Register Cfg_
Adr
Bits to
Set
Hex value
of
Settings
Significance of the registers or their configuration
Cfg_
Delaytime
0x35 0x01* Time interval for repeated ID message
Repetition blockage for time 't' of an already transmit-
ted/saved ID message:
Time 't' = register value * approx. 50 ms (0x00 results in
no repetition)
0x01* Format of the ID message
0 0x01 ASCII notation
1 0x02 Transponder byte structure
0,1 0x03 Compact coding
1,2 0x06 Output of raw data without CRC
0,1,2 0x07 ASCII short format
Cfg_
Format
0x32
5** 0x20 Use SCP format
0x00* Operation mode
0x01 Slave continuous mode
0x02 Slave request mode
Cfg_Mode 0x31
0x00 Master mode
Cfg_Node 0x36 0x01* Individual network address of a reader; Range of values:
0x00 to 0xEF, except 0x02,0x03,0x10
0x0E* Configuration of the RF interface
1 0x02 FDX-B reception activated
2 0x04 HDX reception activated
0x06 FDX-B and HDX activated
3 0x08 H4002 reception activated
0x0A FDX-B and H4002 activated
0x0C HDX and H4002 activated
0x0E FDX-B, HDX and H4002 activated
Cfg_RF 0x33
5 0bxx1x100x Use 125 kHz (this option is possible if only H4002 trans-
ponders activated) available at version 1.61 or later
Cfg_
Time-out
0x34 0x01* Time in which the field is active
After the time-out period the field activated with
Get_single_ID is switched off unless a transponder is
detected within the time interval (after this the field is
switched off immediately);
Time = register value x approx. 100 ms
(Value 0x00 also yields approx. 100 ms)
* Default values specified.
** Combinations with other mentioned bit combinations for Cfg_Format are possible.

29.05.2007 Page 58 of 59
ASR500 Reader Operation
14.4 Factory configuration
Parameter Setting
Mode (Cfg_Mode*) Master mode (0x00)
Data output format (Cfg_Format*) ASCII output of the ID (0x02)
Transponder types (Cfg_RF*) All transponder types (0x0E)
Time out (Cfg_Timeout*) 100ms (0x01)
Delay time (Cfg_Delaytime*) 50ms (0x01)
Network address (Cfg_Node*) 0x01
Interface (fixed) 9600 Baud,1 Start bit, 8 Date bits, No Parity, 1 Stop bit

29.05.2007 Page 59 of 59
ASR500 Reader Operation
15. Trouble shooting
For any undescribed problem please contact us:
Agrident GmbH
Steinklippenstr. 10
30890 Barsinghausen
Germany
Telephone +49 5105 520614
FAX +49 5105 520616
e-mail mail@agrident.com