Aiphone JP 4MED_IM_14.08.01 4MED Hands Free Color Video Intercom Master Station Instructions Installation ENGLISH
JP-4MED JP-4MED
User Manual: Aiphone JP-4MED Hands-Free Color Video Intercom Master Station Instructions Instructions
Open the PDF directly: View PDF
.
Page Count: 20

Thank you for selecting Aiphone for your communication and security needs. Please read this manual carefully before installation,
and keep it in a safe place for future reference. Also read the installation manuals for the other devices included in your system.
Please note that the illustrations in this manual may differ from the actual product.
JP-4MED
HANDS-FREE COLOR VIDEO INTERCOM MASTER STATION
JPW-BA
LONG DISTANCE ADAPTOR
JP-8Z
DISTRIBUTION ADAPTOR
INSTALLATION MANUAL
JP-4MED
JPW-BA
JP-8Z

2
CONTENTS
PRECAUTIONS ................................ 3
WARNING ........................................... 3
CAUTION ............................................ 3
GENERAL PRECAUTIONS ............... 3
NOTICES ............................................ 3
PACKAGE CONTENTS ................... 4
CONNECTIONS ............................... 4
Notes about handling cables .......... 4
Wiring distance ................................ 5
Selecting power supply method ..... 6
Basic system connection ................ 8
Expanding the system ................... 10
Connecting external devices
(using the option connectors) ...... 12
MOUNTING ................................... 13
Mounting locations ......................... 13
Mounting procedure ....................... 14
SETTINGS AFTER
INSTALLATION ............................. 16
Setting list ........................................ 16
[INSTALL] menu .............................. 16
Setting for inputs and outputs ....... 17
Door release settings
[SET DOOR RELEASE] ................... 18
Initializing station [INITIALIZE] ..... 19
Identifying software version
[SOFTWARE VERSION] ................. 19
TECHNICAL DATA AND
PRECAUTIONS .............................. 19
WARRANTY .................... Back cover
Term defi nition
This manual uses "residential station" as the
common term for "master station" and "sub master
station".

3
PRECAUTIONS
Prohibited
Do not dismantle unit
Keep unit away from water
General precautions
WARNING
Negligence could result in death or serious injury.
1. Do not dismantle or alter the unit. Fire or electric shock could
result.
2. Keep the unit away from water or any other liquid.
Fire or electric shock could result.
3. High voltage is present internally. Do not open the case.
Electric shock could result.
4. Do not connect any non-specifi ed power source to the +, -
terminals. Also, do not install two power supplies in parallel to a
single input. Fire or damage to the unit could result.
5. Do not connect any terminal on the unit to an AC power line.
Fire or electric shock could result.
6. Do not use power supply with a voltage other than specifi ed.
Fire or electric shock could result.
7. Keep AC cord from being marred or crushed. If the AC cord is
damaged, fi re or electric shock could result.
8.
Do not plug or unplug unit with wet hands. Electric shock could
result.
9. Insert AC plug completely and securely into AC outlet.
Otherwise, fi re or electric shock could result.
10.
Periodically check for and remove dust on the power plug. If
dust is left, it could cause the power plug to heat up, resulting in
fi re.
11.
Do not put any metal or fl ammable material into the unit through
the openings. Fire, electric shock, or unit trouble could result.
CAUTION
Negligence could result in injury or damage to property.
1.
Do not install or make any wire terminations while power supply
is plugged in. It can cause electrical shock or damage to the unit.
2. When mounting the unit on a wall, install the unit in a
convenient location, but not where it could be jarred or
bumped. Injury could result.
3. Before turning on power, make sure wires are not crossed or
shorted. Fire or electric shock could result.
4.
Do not install the unit in locations subject to frequent vibration or
impact. It may fall or tip over, resulting in damage to the unit or
personal injury.
5. For power supply, use Aiphone power supply model specifi ed
for use with system. If non-specifi ed product is used, fi re or
malfunction could result.
6. Do not apply high pressure on the screen. If fractured, injury
could result.
7. If LCD is punctured, do not touch the liquid crystal inside.
Infl ammation could result. If contact should occur, fl ush or rinse
area with water thoroughly and consult your doctor.
8. Do not put anything on the unit or cover the unit with cloth, etc.
Fire or unit trouble could result.
9. Do not install the unit in any of the following locations. Fire,
electric shock, or unit trouble could result.
Places under direct sunlight or near heating equipment that *
varies in temperature.
Places subject to dust, oil, chemicals, hydrogen sulfi de (hot *
spring).
Places subject to moisture and humidity extremes, such as *
bathrooms, cellars, greenhouses, etc.
Places where the temperature is quite low, such as inside a *
refrigerated area or in front of an air conditioner.
Places subject to steam or smoke (near heating or cooking *
surfaces).
Where noise generating devices such as dimmer switches or *
inverter electrical appliances are closeby.
10. Be sure to perform a call test or check the volume with the
handset on the hook. If you operate the hook switch with the
handset on your ear, a sudden call etc. may arrive causing
damage to your ear.
11. The unit must be installed and wired by a qualifi ed technician.
GENERAL PRECAUTIONS
1. Keep the unit more than 1 m (3.3') away from radio or TV sets.
2. Keep the intercom wires more than 30cm (12'') away from AC
100-240V wiring. AC induced noise and/or unit malfunction could
result.
3. Comply with all third party manufacturing specifi cations that will be
used with this system (sensors, door releases, etc.).
4. If it is used close to a cellular phone, the unit may malfunction.
5. The unit can be damaged if dropped. Handle with care.
6. The unit will not work during power failure.
7. In areas where broadcasting station antennas are close by, the
intercom system may be affected by radio frequency interference.
8. All the units, except for door stations, are designed for indoor use
only. Do not use at outdoor locations.
9. This product, providing door release, should not be used as a
crime prevention device.
10. Please note the LCD panel, though manufactured with very high
precision techniques, inevitably will have a very small portion of its
image elements always lit or not lit at all. This is not considered a
unit malfunction.
11. Environmental sound around the unit may hinder smooth
communication, but this is not a malfunction.
12. The unit has audio monitoring function between residential
stations. When using this function for baby monitoring, never
install the unit within reach of children to prevent strangulation with
coil cord or wires.
NOTICES
We will under no conditions be liable for damage occurring due
•
to the inability to communicate due to malfunctions, problems, or
operational errors in this product.
We will under no conditions be liable for any damages or losses
•
resulting from this product's contents or specifi cations.
This manual was created by Aiphone Co., Ltd., all rights reserved.
•
Copying, in part or in whole, this manual without prior permission
from Aiphone Co., Ltd. is strictly forbidden.
Please note that images and illustrations depicted in this manual
•
may differ from the actual ones.
Please note that this manual may be revised or changed without
•
prior notice.
Please note that product specifi cations may be changed for the sake
•
of improvement without prior notice.
This system is not intended for life support or crime prevention. It is
•
a supplementary means of conveying information. Aiphone will under
no conditions be liable for loss of life or property which occurs while
the system is being operated.

4
PACKAGE CONTENTS
Verify that the following parts are included.
JP-4MED
The unit 12-pin option connector 4-pin option connector Installation Manual/Operation Manual
JPW-BA JP-8Z
The unit The unit
CONNECTIONS
Notes about handling cables
Cables and connectors are not included with the products.
*
Notes on cables (for door stations, etc.)
Use PE (polyethylene)-insulated PVC jacket cable.
•
Parallel or jacketed 2-conductor, mid-capacitance, non-shielded
cable is recommended.
Never use individual conductors, twisted pair cable, or coaxial cable.
•
Pair4
Pair3
12345678 12345678
Pair2
Pair1
T568A
Pair4
Pair2
Pair3
Pair1
T568B
Notes on CAT5e cables (for residential stations)
Do not bend the cables to an extent where the radius is
•
less than 25 mm (1”). Communication failure could result.
Do not remove the CAT5e cable jacket more than
•
necessary.
This unit is not a computer peripheral. Do not connect it
•
to a LAN network.
CAT5e cable
25mm (1") or more
Less than 25mm (1")
CAT5e cable
Arrange the color code of the RJ45 connections in accordance
•
with EIA/TIA-568A or 568B.
Be sure to check the condition of cable connections with a
•
LAN checker before connecting with a LAN cable.
An RJ45 connector with a cover cannot be connected to the port
•
for CAT5e. Use a cable without a cover.
Do not pull or put excess strain on CAT5e cables.
•
Use a straight-through cable for connecting units.
•

5
Wiring distance
The wiring distance between the power supply and each unit differs depending on the power supply method. (
* →P. 6)
PS24
PS24
PS24PS24
PS24
PS24
::
::
[A]
[J] = Ja + Jb + Jc + --- + Jh
Ja
Jb
Jc
Jh
[H] [F]
[I]
[B]
[E]
[D]
[D]
[J]
[C]
[B]
[G]
[E]
[C]
Wiring distance between each device
Coaxial CAT5e
(24AWG)
Wire diameter
Ø0.65 mm
(22 AWG)
Ø0.8 mm
(20 AWG)
Ø1.0 mm
(18 AWG)
Ø1.2 mm
(16 AWG)
[A] Door station - master station - - 50 m (165') 100 m (330') 100 m (330') 100 m (330')
[B] Door station - long distance adaptor - - 100 m (330') 150 m (490') 200 m (650') 200 m (650')
[C] Long distance adaptor - master station - - 50 m (165') 75 m (245') 100 m (330') 100 m (330')
[D] Master station - power supply - - 5 m (16') 5 m (16') 10 m (33') 10 m (33')
[E] Long distance adaptor - power supply - - 50 m (165') 75 m (245') 100 m (330') 100 m (330')
[F] Master station - external display 3 m (10') - -
[G] Long distance adaptor - CCTV camera 15 m (50') - -
[H] Master station - multiple door release adaptor - - 50 m (165') 75 m (245') 100 m (330') 100 m (330')
[I] Master station - optional call extension speaker - - 75 m (245') 100 m (330') 150 m (490') 150 m (490')
[J] Total wiring distance of residential stations - 300 m (980') -
Home-run wiring
Refer to "Selecting power supply method". (→P. 6)
Master station Sub master station
Refer to "Selecting power supply method". (→P. 6)
or
or
CAT5e (non-shielded) Power supply
Station-to-station (daisy-chained) wiring

6
Selecting power supply method
The system allows you to select from the following methods for supplying power to the system. The maximum wiring distance differs
depending on the power supply method. You can also mix-and-match the methods 1 to 4.
1 Supplying power directly to each unit from a single power supply
CAUTION
Be sure to distribute the output of the power supply close to the power supply.
PS24 PS24
DP
DP
DP
:
The following chart indicates how many units can be powered by a single power supply.
Combination of units Master station Sub master station Long distance adaptor
Master and sub master stations 1 4 -
Master and sub master stations with long distance adaptors 1 3 4
Sub master stations only - 6 -
2 Supplying power to sub master stations via wiring with the master station
PS24 PS24PS24
The following chart indicates how many units can be powered by a single power supply.
Combination of units Master station Sub master station Long distance adaptor
Master and sub master stations 1 2 -
Master and sub master stations with long distance adaptors 1 2 4
Sub master stations only - 3 -
3 Connecting a power supply to the master and each sub master station individually
PS24 PS24PS24PS24 PS24 PS24 PS24 PS24
[A] [J]
[I] [I]
[B]
[A] [H] [H]
[E] [F] [G]
[A]
[B]
[D][C]
Distribution point
::
Master station Sub master station
[B]

7
4 Supplying power to sub master stations via a distribution adaptor
* The total wiring distance of residential stations is 300 m (980').
PS24
PS24
PS24
*1
*2
*1: The master station needs a power supply.
*2: Up to four sub master stations can be supplied with one power supply. Use two power supplies for 5 - 7 sub master stations.
5 Mix-and-match methods
* The total wiring distance of residential stations is 300 m (980').
PS24 PS24
Wiring distance
CAT5e
(24AWG)
Wire diameter
Notes
Ø0.65 mm
(22 AWG)
Ø0.8 mm
(20 AWG)
Ø1.0 mm
(18 AWG)
Ø1.2 mm
(16 AWG)
[A] - 5 m (16') 5 m (16') 10 m (33') 10 m (33') -
[B] 300 m (980') - -
[C] - 150 m (490') 200 m (650') 300 m (980') 300 m (980') When powering up to one master station and four sub master
stations
[D] - 150 m (490') 200 m (650') 300 m (980') 300 m (980') When powering up to six sub master stations
[E] 30 m (98') - Up to 50 m (165') when powering master and one sub master
stations
[F] 30 m (98') - When powering up to three sub master stations
[G] 50 m (165') - When powering up to two sub master stations
[H] - 5 m (16') 5 m (16') 10 m (33') 10 m (33') When powering up to three sub master stations
[I] 200 m (650') - -
[J] - 150 m (490') 200 m (650') 300 m (980') 300 m (980') -
[K] 50 m (165') - -
[L] - 5 m (16') 10 m (33') 10 m (33') 10 m (33') -
[A] [K]
[L]
[I]
JP-8Z
[A] [K]
[E][E]
JP-8Z
[L]

8
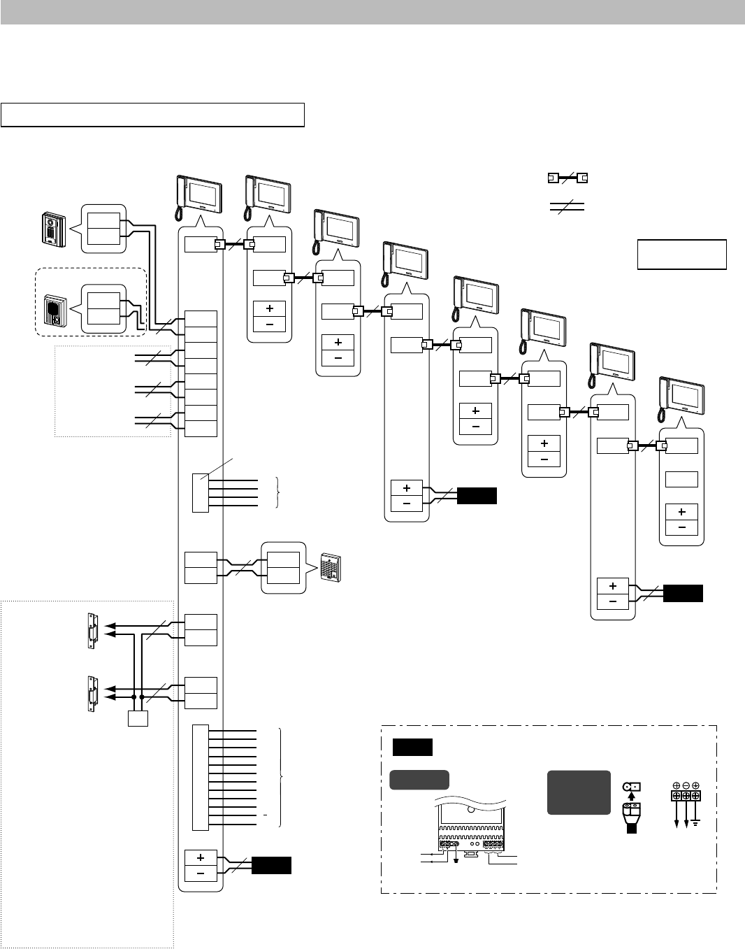
Basic system connection
This system allows 2 types of connection methods, "Station-to-station wiring" and "Home-run wiring". Select the method suitable for
the application and usage of the system. Both connection methods can be combined.
Station-to-station (daisy-chained) wiring
PS24
P
2
PS24
P
2
PS24
P
2
2
A1
M (OUT)
M (IN)
A2
1A1
M (OUT)
1A2
2A1
2A2
A1
A2
S
S
L1
L1
PT
3A1
3A2
4A1
4A2
NP
2
NP
2
NP
2
NP
2
NP
2
2
NP
L2
L2
2
NP
b4
b3
b2
b1
V+
V
SW
SW
S1
S1E
S2
S2E
S3
S3E
PS24
+
-
100V - 240V
AC
50/60 Hz
24V
DC2A
PS-2420
PS-2420S
PS-2420UL
PS-2420D
M (IN)
M (OUT)
M (IN)
M (OUT)
M (IN)
M (OUT)
M (IN)
M (OUT)
M (IN)
M (OUT)
M (IN)
M (OUT)
:
:
N
L
-
+
230 V AC 50/60 Hz 24 V DC2A
1
2
NP: Non-polarized
P: Polarized
CAT5e (non-shielded)
Ø1.0mm, 18AWG 2 conductor cable
Master station
(ID = 1)
JP-4MED
Door station 1
JP-DA
JP-DV
JP-DVF
JP-DVF-L
Door station 2
Door station 3
Optional call
extension speaker
IER-2
P. 12
P. 12
12-pin option connector
4-pin option connector
Electric door
strike
EL-12S
Electric door
strike
EL-12S
Sub master station 1 (ID = 2)
JP-4HD
Sub master station 2 (ID = 3)
JP-4HD
Sub master station 3 (ID = 4)
JP-4HD
Sub master station 4 (ID = 5)
JP-4HD
Sub master station 5 (ID = 6)
JP-4HD
Sub master station 6 (ID = 7)
JP-4HD
Sub master station 7
(ID = 8)
JP-4HD
AC transformer
: Power supply
An EL-12S (AC 12 V 0.125 A, DC 12
V 0.2 A) or equivalent electric door
strike and a separate AC transformer
are required.
Run separate cables for audio/
*
video and door release.
Door release contact: AC/DC 24 V,
*
0.5 A (Minimum Contact : 100 mV
DC, 0.1 mA)
(N/O dry closure contact L1, L2).
To enable door release for door 3
*
and 4, see page 11.
Door release
GT-D
Door station 4
or
Same as door station 1.
*

9
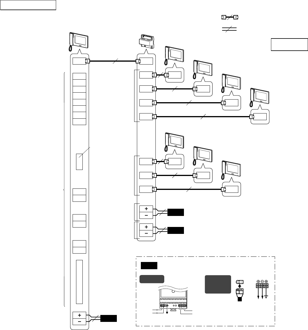
Home-run wiring
PS24
PS24
P
2
PS24
P
2
P
2
2
M (IN)
M (IN)
M (IN)
M (IN)
M (IN)
1A1
M (O UT )
M (O UT )
1A2
2A1
2A2
S
S
L1
L1
3A1
3A2
4A1
4A2
L2
L2
M (O UT )
M (O UT )
M (IN)
M (IN)
M (IN)
M (O UT )
M (O UT )
M (O UT )
M (O UT )
*1
:
:
PS24
+
-
100V - 240V
AC
50/60 Hz
24V
DC2A
PS-2420
PS-2420S
PS-2420UL
PS-2420D
N
L
-
+
230 V AC 50/60 Hz 24 V DC2A
NOTES:
The power supply method shown in the above fi gures is an example. You can select a power supply method suitable for this system from various
•
methods. (→P. 6)
If a message "WIRING MALFUNCTION CHECK FOR SHORT BETWEEN A1 - A2." is displayed, a short exists within the door station wires
•
and the unit will not operate. Check the wires.
Do not use the unused terminals and ports for other purposes.
•
In order to prevent miswiring, label both ends of each cable with the unit and terminal names to which they are to be connected.
•
For connecting other manufacturers’ products, refer to the instruction manuals for those products.
•
The positions of the terminals on the above illustrations differ from the actual product. This is to simplify the diagram.
•
This unit is not a computer peripheral. Do not connect it to a LAN network.
•
CAT5e (non-shielded)
Ø1.0mm, 18AWG 2 conductor cable
Distribution adaptor
JP-8Z
Sub master station 3 (ID = 4)
JP-4HD
Sub master station 4 (ID = 5)
JP-4HD
Sub master station 5 (ID = 6)
JP-4HD
Sub master station 6 (ID = 7)
JP-4HD
Sub master station 7 (ID = 8)
JP-4HD
NP: Non-polarized
P: Polarized
Master station (ID = 1)
JP-4MED
12-pin option connector
to Group 1to Group 2
Power supply
for Group 1
DC24V
Power supply
for Group 2
DC24V
4-pin option connector
Sub master station 1 (ID = 2)
JP-4HD
Sub master station 2 (ID = 3)
JP-4HD
: Power supply
Connections to these
terminals are the same as
"Station-to-station wiring".
*1: Up to four sub master stations can be
supplied with one power supply. Use
two power supplies for 5 - 7 sub master
stations.

10
Expanding the system
The following are examples of additional connections to expand the system.
■ Extending the distance between the master station and a door station
Connect a door station to the master station via JPW-BA, a long distance adaptor.
PS24
A1
A2
NP
2
1
2
1A1
1A2
2A1
NP
2
B1
B2
A1
VIDEO
INPUT
VIDEO
INPUT
VIDEO
OUTPUT
A2
PA L
OFF
ON
NTSC
Door Station
PA L
NTSC
Door Station
1
2
A1
A2
NP
Coax
2
P
2
P
2
Master station
JP-4MED
Long distance adaptor
JPW-BA
Set this switch to "Door Station"
when using a video door station.
Set this switch to "NTSC" or "PAL"
when using a CCTV camera.
Connecting a third-party CCTV camera and an audio door station in place of
a video door station
or
Video door station
JP-DA
JP-DV
JP-DVF
JP-DVF-L
NOTES
An optional audio door station installed with a CCTV camera provides door call-in, audio monitoring, and
•
communication with visitors.
Video input: 1 Vp-p/75
• Ω
When a PAL camera is used, the display range gets narrower than the imaging range.
•
Turn on the units in the following order: the CCTV camera, the long distance adaptor, and the master station.
•
If they are turned on in the wrong order, the CCTV camera may not be recognized in the system.
Use a BNC connector 16 mm or less in diameter for connecting to the VIDEO INPUT terminal of JPW-BA.
•
16 mm or less
Audio door station
GT-D
CCTV camera
Audio door station
GT-D
or
When this switch is set to either "NTSC"
or "PAL", the Zoom/Wide and Pan&Tilt
functions are disabled.
Set this switch to "ON" to turn on the
power.

11
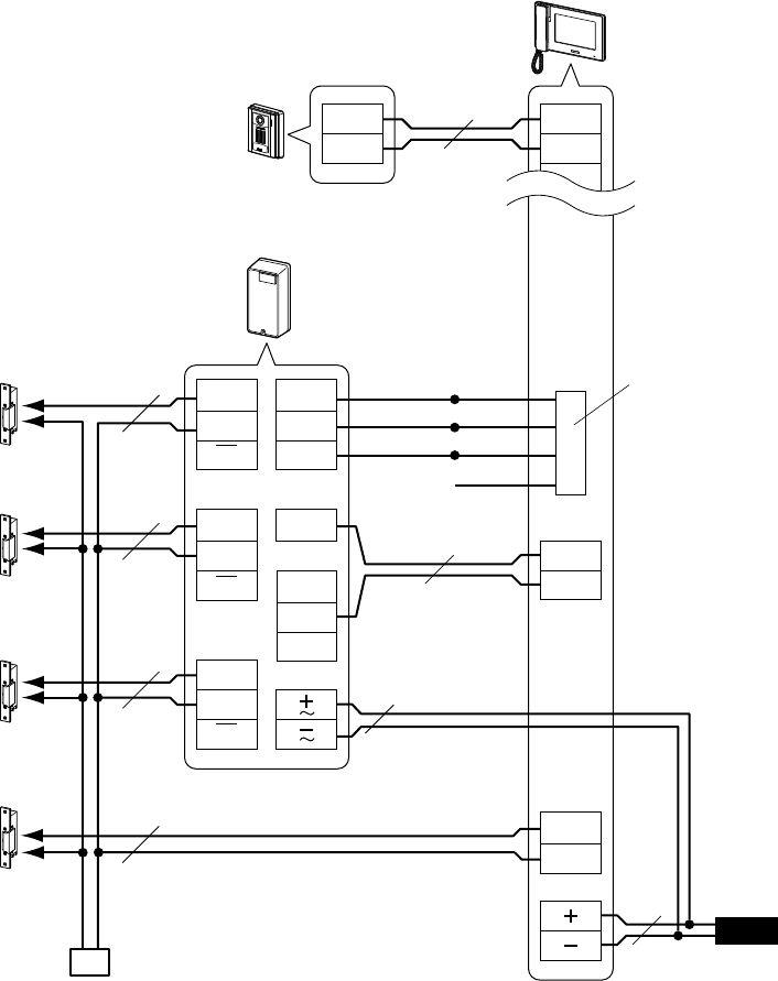
■ Adding selective door release to the system
Connect four door release devices to the master station via RY-3DL, a multiple door release adaptor.
Electric door strike 1 - 3 contacts release the door where communication is established.
PS24
A1
A2
L1
L1
PT
NP
2
NP
2
2
NP
2
NP
2
NP
2
NP
L2
L2
1A1
1A2
2A1
b1L1
b2C1
b3
L
L1
L3
C3
L3
L2
C2
L2 D1
E
D2
P
2
P
2
Master station
JP-4MED
Door station 1
JP-DA etc.
Electric door strike 1
EL-12S
Electric door strike 2
EL-12S
Electric door strike 3
EL-12S
Electric door strike 4
EL-12S
4-pin option connector
4 pin option connector identifi es active
door.
b1 is brown lead, active with door 1.
b2 is red lead, active with door 2.
b3 is orange lead, active with door 3.
b4 is yellow lead, active with door 4.
Brown
Red
Orange
Yellow
Multiple door
release adaptor
RY-3DL
AC transformer

12
Connecting external devices (using the option connectors)
The option connectors of this station can be used with the following external devices. After connecting, program setting to control the
devices with this station. (→P. 16)
CAUTION
To prevent shorts, cut unused lead wires at insulation.
•
Be sure to perform an operation check after the connection to check for miswiring.
•
b1
b2
b3
b4
V+
V
SW
SW
S1
S1E
S2
S2E
S3
S3E
1 Security/utility input 1,
Request to exit 1 (External door release input 1)
Connect a security sensor, call button, door release button,
etc. to these inputs.
Input method N/O or N/C dry closure contact (start
signal only detection method)
Detection
confi rmation time
100 mS or more
Contact resistance During N/O dry closure: Less than 700 Ω
During N/C dry closure: At least 15 kΩ
Terminal short current Less than 10 mA
Voltage between
terminals
Less than 5 V DC (when open between
terminals)
2
Security/utility input 2,
Request to exit 2 (External door release input 2)
Same as 1.
3 Security/utility input 3, External talk input
Same as 1 except below.
A foot switch can be connected to operate the
• TALK or
END function hands-free.
A door release button cannot be connected t
• o these
inputs.
4 Option output
Connect an alarm sensor, light, etc. to these outputs.
Contact capacity:
Maximum overload: AC/DC 24 V, 1 A,
N/O dry closure contact
Minimum overload: DC 5 V, 100 mA
5 Video out
Outputs video signals to an external monitor, DVR, etc.
NTSC/PAL, 1 Vp-p/75 Ω
•
Wiring distance: 3 m (10 feet)
•
NOTES:
A video signal is output while receiving a call from,
•
communicating with, or monitoring a door station.
(A playing image will not be output.)
When a video signal is output, this station may produce a noise,
•
depending on the installation environment.
When the image on the screen is adjusted by touching
•
ADJUST (see page 21 of "OPERATION MANUAL"), the
video signal output from this connector is also adjusted.
When a video door station or camera is connected to this station
•
via a long distance adaptor, the format of video signals output
from this connector differs depending on the connected video
door station or camera as follows. Connect a device compatible
with the format of video signals output from this connector.
Aiphone video door station: NTSC
•
NTSC camera: NTSC
•
PAL camera: PAL
•
6 Door station selecting signal output
Connect the RY-3DL multiple door release adaptor to these
outputs to add a selective door release system.
Refer to page 11 for connection method.
*
Brown
Red
Blue
White
Gray
Black
Orange
Black
Yellow
Black
Purple
Black
Yellow
Orange
Red
Brown
12-pin option connector
4-pin option connector
5 Video out
4 Option output
1 Security/utility input 1, Request to exit 1 (External door release input 1)
2 Security/utility input 2, Request to exit 2 (External door release input 2)
3 Security/utility input 3, External talk input
6 Door station selecting signal output
(Unused)
To 12-pin
connector
To 4-pin
connector

13
MOUNTING
Mounting locations
Install this station in a place where the screen is not exposed
•
to direct sunlight.
Allow at least 15 cm (6") above and 25 cm (9") below center
•
of the mounting bracket for installation of the station.
15 cm (6") or more
25 cm (9") or more

14
Mounting procedure
■ JP-4MED
<Back wiring>
Mounting bracket
(pre-attached by factory)
3-gang box
The unit
Mounting screw × 4 (not included)
Screw shaft: Ø4.1 or less
Slotted head: Ø8.2 or less, 3.0mm or less in height
Wires
83.5mm (3-5/16")
Connect the CAT5e cable and wires to the unit.
2
Mount the unit on the
3 mounting bracket.
How to connect or disconnect wires
Insert the
• wire into one of the coupling terminals.
To ensure that the wire will not bend, press the
•
release button while inserting into terminal.
Opening/closing the terminal cover
To open:
Slide the cover to the right until it clicks, and then open.
To close:
Close the cover, and then slide it to the left until it clicks.
Make sure the cover is locked.
*
Release
button
8mm
(3/8")
Terminal cover
Close Open
Fasten the mounting
1 bracket to the wall.
CAT5e cable

15
<Surface wiring>
When the wiring is not coming through the wall, the cable and wires can be routed through the top or bottom of the cable inlet.
Remove cable inlet plate on the upper part of the unit to allow passage of the wiring into the unit.
■ JPW-BA
Mount the unit directly on the wall using wood mounting screws.
■ JP-8Z
Mount the unit directly on the wall using wood mounting screws.
Cable inlet plate
Mounting bracket
(pre-attached by factory)
The unit
The unit
The unit
Wood mounting screw × 4 (not included)
Screw shaft: Ø4.1 or less
Slotted head: Ø8.2 or less, 3.0mm or less in height
Wood mounting screw × 2 (not included)
Screw shaft: Ø4.1 or less
Slotted head: Ø8.2 or less
Wood mounting screw × 2 (not included)
Screw shaft: Ø4.1 or less
Slotted head: Ø8.2 or less
Wires
CAT5e cable
83.5mm (3-5/16")
59.5mm (2-3/8")
59.5mm (2-3/8")
104.5mm
(4-1/8")
104.5mm
(4-1/8")
92mm (3-5/8")

16
[INSTALL] menu
First display the [INSTALL] menu window to start making your
settings.
The screen will turn off if approx. one minute elapses with no
*
operation during the setting. When this occures, display the
[INSTALL] menu window again.
If screen is off, press the [HOME] button, or touch
1 screen to turn it on.
When the message "SET CURRENT DATE AND
2 TIME." is displayed, touch HOME .
HOME window is displayed.
Press and hold the [HOME] button, then
3 touch
SETTINGS → INSTALL .
If the [HOME] button is released before this step has
*
been performed, the display returns to HOME window.
A notice message is displayed. You can release the [HOME]
button.
Touch
4 ENTER to continue the setting.
SETTINGS AFTER INSTALLATION
After installation, program the initial settings to activate the connected external devices.
NOTES:
These settings should be made by the installer before the system is used.
•
It is recommended to set the display language for the screen to the language needed. (Default language: English)
•
Refer to the "Operation manual" for setting the language.
Setting list
Item Sub item Setting range Default
INSTALL
SECURITY SENSOR
INPUTS
(Usage of the inputs 1 - 3) DISABLE/UTILITY/SECURITY/
REQUEST TO EXIT (Inputs 1 and 2 only)/
EXT. TALK INPUT (Inputs 3 only)
DISABLE (for each)
(Detection method for the inputs 1 - 3) N/O, N/C N/O (for each)
OPTION OUTPUT EVENT ACTIVATION DISABLE/ENABLE DISABLE
DURATION MOMENTARY, 1, 3, 5, 10, 15, 20, 25, 30, 60 sec. MOMENTARY
TRIGGER EVENT DOOR CALL/ROOM CALL/ALARM ON/VIDEO OUT (All are selected.)
SET DOOR RELEASE LOCK1/
LOCK2
OUTPUT METHOD N/O, N/C N/O
REFERENCE DOOR
(for DOOR1 - 4)
SHOW/HIDE SHOW (for each)
DOOR RELEASE
DURATION
MOMENTARY, 1, 3, 5, 10, 15, 20, 25, 30, 60 sec. MOMENTARY
INITIALIZE - YES/NO -
SOFTWARE VERSION - - -
or

17
The [INSTALL] menu window is displayed.
Program the settings for each item as needed.
If you wish to return to the previous window, touch
*
BACK .
Setting for inputs and outputs
Adjust the settings for inputs 1, 2, 3 and option outputs.
■ Settings for the usage of the inputs 1, 2 and/
or 3 [SECURITY SENSOR INPUTS]
From th
1 e [INSTALL] menu window, touch
SECURITY SENSOR INPUTS .
The [SECURITY SENSOR INPUTS] window is displayed.
Change the settings for the inputs 1 (SENSOR 1).
2 1 Touch this repeatedly to select the usage of the inputs.
2 Touch this to change the input detection method
between "N/O" (Normally Open) and "N/C" (Normally
Closed).
Usage list
Usage Description
DISABLE Select this when no connection is made to the
inputs.
UTILITY Select this when a sensor, etc. is connected to
the inputs for triggering the alarm.
SECURITY Select this when a sensor is connected to the
inputs for using the security function of this
system.
REQUEST TO
EXIT
(Inputs 1 and 2 only):
Select this when a door release button is
connected to the inputs.
EXT. TALK
INPUT
(Inputs 3 only):
Select this when a foot switch is connected to
the inputs.
Repeat for the inputs 2 (SENSOR 2) and/or 3
3 (SENSOR 3).
When fi nished programming, touch
4 ENTER .
21

18
■ Settings for the usage of the option outputs
[OPTION OUTPUT]
From th
1 e [INSTALL] menu window, touch
OPTION OUTPUT .
The [OPTION OUTPUT] window is displayed.
Change the settings by touching the items
2 1 - 3 as
in the table below.
Item Description
1
EVENT
ACTIVATION
Set to "ENABLE" so that it is highlighted
to make this station transfer alarm to the
connected external device.
Also select the action that triggers this station
to transfer the alarm at 3.
When set to "ENABLE", * OPTION is
grayed out and disabled.
Set to "DISABLE" to make this station output
signals when OPTION is touched in the
HOME window.
2DURATION Touch this repeatedly to select the duration
time of outputting signals.
Setting range:
MOMENTARY, 1, 3, 5, 10, 15, 20, 25, 30,
60 sec. (seconds)
3TRIGGER
EVENT
(When [EVENT ACTIVATION] is set to
"ENABLE" only):
Select the action that triggers this station to
transfer the alarm.
DOOR CALL ... Receiving a call from a
door station
ROOM CALL .. Calling a single or all
sub master stations, or
receiving a call from a sub
master station
ALARM ON ..... Triggering an alarm for
UTILITY or SECURITY
setting
VIDEO OUT .... Outputting video signals
while receiving a call from,
communicating with, or
monitoring a door station
Procedure:
Touch the preferred action so that it is
highlighted. Up to four actions can be
selected.
When fi nished adjusting the settings, touch
3 ENTER .
Door release settings
[SET DOOR RELEASE]
Adjust the settings for controlling the door release devices
connected to the "L1" and "L2" terminals.
From th
1 e [INSTALL] menu window, touch
SET DOOR RELEASE .
The [SET DOOR RELEASE] window is displayed.
Touch
2 LOCK1 to change the settings for "L1".
Set for "L1" and "L2" respectively.
*
Change the settings for "L1" by touching the items
3 1
- 3 as in the table below.
Item Description
1OUTPUT
METHOD
Touch this, and then select the output
method "N/O" or "N/C" so it is highlighted.
2
REFERENCE
DOOR (for
DOOR1 - 4)
Touch this to change for active (SHOW) or
not (HIDE) to release the door lock for "L1"
when communicating with the door station 1
- 4.
* Adjust the setting for "DOOR1" to
"DOOR4" respectively.
e.g.)
If "DOOR1" is set to "SHOW", when
receiving a call from or monitoring the door
station 1, 1 is displayed on the screen.
Touching it activates the door release device
connected to "L1".
If it is set to "HIDE", 1 is grayed out
and disabled.
3DOOR
RELEASE
DURATION
Touch this, and then select the desired door
release time so that it is highlighted.
Setting range:
MOMENTARY, 1, 3, 5, 10, 15, 20, 25, 30,
60 sec.
* If this is set to "MOMENTARY", the door
release is activated while 1 is
touched and held.
Adjust "L2" using the same directions as "L1".
4
1
1
2
2
3
3

19
TECHNICAL DATA AND PRECAUTIONS
Technical data
JP-4MED
•
Operating temperature 0 - 40°C (+32°F - +104°F)
Dimensions 255 (W) x 145 (H) x 30 (D) mm
10-1/16" (W) x 5-3/4" (H) x 1-3/16" (D)
Mass Approx. 790g (1.74 lbs.)
JPW-BA
•
Operating temperature 0 - 40°C (+32°F - +104°F)
Dimensions 123 (W) x 109 (H) x 61 (D) mm
4-7/8" (W) x 4-5/16" (H) x 2-7/16" (D)
Mass Approx. 200g (0.44 lbs.)
JP-8Z
•
Operating temperature 0 - 40°C (+32°F - +104°F)
Dimensions 123 (W) x 109 (H) x 61 (D) mm
4-7/8" (W) x 4-5/16" (H) x 2-7/16" (D)
Mass Approx. 210g (0.46 lbs.)
Technical precautions
Cleaning: Clean the units with a soft cloth and gentle cleaner. Do not spray cleaner directly on unit. Do not use an abrasive cleaner
•
or cloth.
Initializing station [INITIALIZE]
By initializing this station, all settings return to default.
Recorded images on the SD (or SDHC) card are not be
*
erased.
From th
1 e [INSTALL] menu window, touch
INITIALIZE .
A notice message is displayed.
Touch
2 YES to continue initializing.
To cancel initializing, touch NO .
When "INITIALIZATION COMPLETE" is displayed,
initializing is complete.
Identifying software version
[SOFTWARE VERSION]
You can identify the software version of the door stations,
master station and/or sub master stations connected to this
system. Use this item when doing maintenance etc.
From the [INSTALL] menu window, touch
SOFTWARE VERSION .
The name of the door stations, master station, and/or sub
master stations connected to this system and their software
versions are displayed.

WARRANTY
Aiphone warrants its products to be free from defects of material and workmanship under normal use and service for
a period of two years after delivery to the ultimate user and will repair free of charge or replace at no charge, should it
become defective upon which examination shall disclose to be defective and under warranty. Aiphone reserves unto
itself the sole right to make the fi nal decision whether there is a defect in materials and/or workmanship; and whether or
not the product is within the warranty. This warranty shall not apply to any Aiphone product which has been subject to
misuse, neglect, accident, power surge, or to use in violation of instructions furnished, nor extended to units which have
been repaired or altered outside of the factory. This warranty does not cover batteries or damage caused by batteries
used in connection with the unit. This warranty covers bench repairs only, and any repairs must be made at the shop
or place designated in writing by Aiphone. This warranty is limited to the standard specifi cations listed in the operation
manual. This warranty does not cover any supplementary function of a third party product that is added by users or
suppliers. Please note that any damage or other issues caused by failure of function or interconnection with Aiphone
products is also not covered by this warranty. Aiphone will not be responsible for any costs incurred involving on site
service calls. Aiphone will not provide compensation for any loss or damage incurred by the breakdown or malfunction of
its products during use, or for any consequent inconvenience or losses that may result.
The object area of is the EU.
FCC
This device complies with Part 15 of the FCC Rules. Operation is subject to the following two conditions: (1) this device may not cause
harmful interference, and (2) this device must accept any interference received, including interference that may cause undesired
operation.
This equipment has been tested and found to comply with the limits for a Class B digital device, pursuant to Part 15 of the FCC Rules.
These limits are designed to provide reasonable protection against harmful interference in a residential installation. This equipment
generates, uses, and can radiate radio frequency energy, and if not installed and used in accordance with the instructions, may
cause harmful interference to radio communications. However, there is no guarantee that interference will not occur in a particular
installation. If this equipment does cause harmful interference to radio or television reception, which can be determined by turning the
equipment off and on, the user is encouraged to try to correct the interference by one or more of the following measures:
Reorient or relocate the receiving antenna
•
Connect the equipment to an outlet on a circuit different from that to which the receiver is connected. Increase the separation
•
between the equipment and receiver.
Consult the dealer or an experienced radio/TV technician for help.
•
AIPHONE CO., LTD., NAGOYA, JAPAN
http://www.aiphone.net/
Printed in Thailand
Issue Date: Oct. 2014
FK2084 A P1014 AZ 56124