Airwave Technologies AWD60XT 2.4GHz Wireless Digital Audio Transmitter Module User Manual Users manual
Airwave Technologies Inc 2.4GHz Wireless Digital Audio Transmitter Module Users manual
Users manual

Page 1 of 12 Rev0.1
AIRWAVE TECHNOLOGIES INC.
3F, No.9 Industry E. 9th RD., Science-Based Industrial Park, Hsinchu, Taiwan, R.O.C. TEL : 886-3-5778099 Fax 886-3-5778199
Copyright 2000 by Airwave Technologies Inc. All Specification are subject to change without notice.
AWD60XT,AWD605
R
2.4GHz GFSK RF Module
Preliminary Rev0.1 2006/8/28
Features
• Proprietary audio
compression/decompression(LDAP) for
wireless transmission
• Low audio latency(~3.8ms in total)
• Highly Robust Forward Error Correction
(FEC)
• 8 frequency channels
• RF channel data rate:1.152 Mbps
• 16-Bit ID codes to provide TX / RX pairing
• Auto channel scanning mechanism
provided
• Optimized auto muting mechanism for
received corrupted data by the receiver
• High Sensitivity of typically –85dBm
• High Output Power of typically +8.5dBm
• RoHs Compliant
• Stereo ΔΣADC
• 48kHz Audio Sampling rate
• High S/N ratio of typically 82 dB
• Both S/PIDF Data and Analog Audio Input
Formats
Applications
• Low Cost/High Performance Wireless
Audio
Wireless Surround Rear Speakers
High Performance Digital Audio Link
Wireless Headphone/Earphone
Wireless USB Transmitter
Wireless Skype phone
• FCC CFR47,Part 15,ETSI EN 300 328,EN
300 440 and ARIB STD-T-66 Compliant
Radio
General Description
The RF module transmitter employed GFSK
modulation to deliver high-speed data rate up
to 1.152Mbps.
The RF module receiver with –85dBm or better
sensitivity allows system to achieve at least 300
feet transmission for line-of-sight application in
open site.

Page 2 of 12 Rev0.1
AIRWAVE TECHNOLOGIES INC.
3F, No.9 Industry E. 9th RD., Science-Based Industrial Park, Hsinchu, Taiwan, R.O.C. TEL : 886-3-5778099 Fax 886-3-5778199
Copyright 2000 by Airwave Technologies Inc. All Specification are subject to change without notice.
AWD60XT,AWD605
R
2.4GHz GFSK RF Module
Tx Module Absolute Maximum Ratings
Parameter Condition Min. Typ Max Units
Supply voltage Vs 3.0 3.3 3.6 V
Storage temperature Tstg -40 25 +125
℃
Operating temperature To 0 25 +55
℃
Rx Module Absolute Maximum Ratings
Parameter Condition Min. Typ Max Units
Supply voltage Vs 3.0 3.3 3.6 V
Storage temperature Tstg -40 25 +125
℃
Operating temperature To 0 25 +55
℃
Input RF level Prf +10
dBm
Genernal
Parameter Condition Min. Typ Max Units
Audio latency 3.8
ms
Tx,Rx pairing ID Code 16 bit
S/N ratio 82
dB
Tx Module
Parameter Condition Min. Typ Max Units
Supply voltage Vs 3.0 3.3 3.6 V
Supply current 89
mA
Operating Frequency 2400 2483.5
MHz
Transmission Power 8 8.5 9.5
dBm
Modulation Type GFSK
Channel Frequency Peak power position
under no Data in.
-0.1
2401.920
2412.288
2422.656
2433.024
2448.576
2458.944
2469.312
+0.1 MHz

Page 3 of 12 Rev0.1
AIRWAVE TECHNOLOGIES INC.
3F, No.9 Industry E. 9th RD., Science-Based Industrial Park, Hsinchu, Taiwan, R.O.C. TEL : 886-3-5778099 Fax 886-3-5778199
Copyright 2000 by Airwave Technologies Inc. All Specification are subject to change without notice.
AWD60XT,AWD605
R
2.4GHz GFSK RF Module
2479.680
Channel Spacing 10.368 MHz
Frequency Deviation +/-0.1 MHz
Audio Input Level peak to peak value 2.0 V
Audio Input
Impedance
20k
Ohm
Data Rate 1.152
Mbps
Audio Sampling Rate 48
KHz
Pairing LED voltage Pull High Resistor
Tx/Rx Pairing setting tact switch 3.3 V
Reset pin tact switch

Page 4 of 12 Rev0.1
AIRWAVE TECHNOLOGIES INC.
3F, No.9 Industry E. 9th RD., Science-Based Industrial Park, Hsinchu, Taiwan, R.O.C. TEL : 886-3-5778099 Fax 886-3-5778199
Copyright 2000 by Airwave Technologies Inc. All Specification are subject to change without notice.
AWD60XT,AWD605
R
2.4GHz GFSK RF Module
Rx Module
Parameter Condition Min. Typ Max Units
Supply voltage Vs 3.0 3.3 3.6 V
Supply current 99 mA
Operating Frequency 2400 2483.5
MHz
Rx Sensitivity BER=1e-3 when
1.152Mbps input
-85 dBm
Image Rejection Relative to 2.4-
2.4835GHz power
47 dBc
Audio Output Level 2.6 Vpp
Audio Output Impedance 16 Ohm
Audio frequency
response
3dB bandwidth 20 20k
Hz
Data Rate 1.152 Mbps
Adjacent channel
rejection
+/- 5MHz offset the
central frequency
>45
dB
Tx/Rx Pairing setting tact switch

Page 5 of 12 Rev0.1
AIRWAVE TECHNOLOGIES INC.
3F, No.9 Industry E. 9th RD., Science-Based Industrial Park, Hsinchu, Taiwan, R.O.C. TEL : 886-3-5778099 Fax 886-3-5778199
Copyright 2000 by Airwave Technologies Inc. All Specification are subject to change without notice.
AWD60XT,AWD605
R
2.4GHz GFSK RF Module
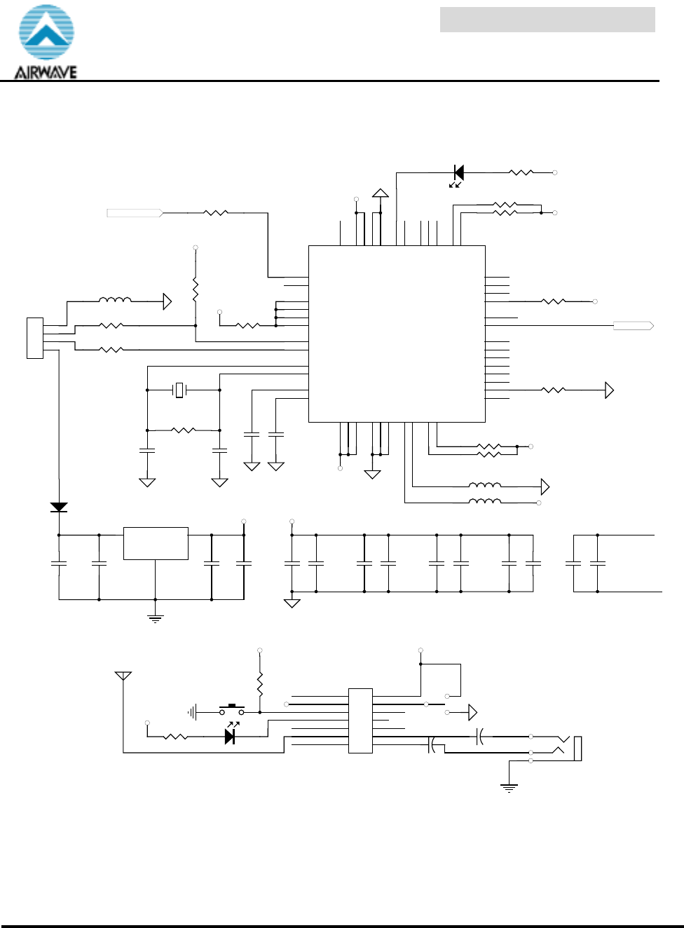
AWD60XT Module Reference Design
for USB or Analog Audio application
C54
0.1uF
C53
0.1uf
Vin
3
Gnd
1
Vout 2
U52
FS8853-33CC
1
2
3
4
J4
USB Jack
R6 22
R1
1.5K
R8 22
L1 1.0uH
3.3V
GND
GNDIO
3.3V
3.3V
ADAT
Y1
6 MHz
C1
39pF C2
39pF
R9 1M
GND GND
GNDIO
C6
0.1uF
3.3V
3.3V
3.3V
3.3V
GND GND
GND
FREQSEL 37
HIDMUTER 38
MUTER
39 SPDIFO 40
LEDN 41
XSDIN 42
PDSW 43
MUTEP
44
GPIO2 45
VDD
46
LFB
47
VSS
48
SDA 30
GPIO1 29
FREQMODE0 24
XMCLK1 23
XSDO1 22
XLRCK1 21
XSCLK1 20
GPIO3 19
RECORD 18
XCSN 17
VOLUP
16
VOLDN
15
RSTN
14
XRSTN
13
XCDCLK 28
VSS
27
LFA
26
VDD
25
VDD
36
VSS
35
XIUSB
34
XOUSB
33
FREQMODE1 32
SCL 31
SPDIFI 1
DIGIEN
2
DR(EEPROM_DO) 3
DW(EEPROM_DI) 4
SK(EEPROM_SK) 5
CS(EEPROM_CS) 6
TAVSS
12
USBDM
11 USBDP
10
TAVDD
9
CODECSEL
8
XCDOUT 7
U1
SN11122ARF
R10
4.7K
3.3V
R11 4.7K
3.3V
R12 4.7K
R13
4.7K
R5
4.7K
R3 4.7K
R4 4.7K
C4
0.1uF
C3
0.1uF
GND GND
RESETN R2
0
BEAD2
BEAD1
TAVSS
TAVDD
C8
0.1uF
C10
0.1uF
C12
0.1uF
TAVDD
TAVSS
GND
PAIRING
PAIR_LED
GND
ANT
GND
S1
Channel Change Buttom
R18
4.7K
ASS
RESETN
ADAT
GND
Pre-AIL
Pre-AIR
3.3V 3.3V
3.3V
USBLED R22
330 3.3V
RESETN
R7
330 D3 LED_G
D1
1N4148
C14
0.1uF
D2
LED_R
C63
10uf
C5
10uF
C7
10uF
C9
10uF
C13
10uF
C11
10uF
C64
10uF
ADAT
1
2
3
4
5
6
714
13
12
11
10
9
8
U6
AWD607TB
3.3V
3.3V
3.3V 3.3V S2
AUDIO SOURCE SELECTION
C1 220UF/16V
C2
220UF/16V
J2
PHONEJACK STEREO
3.3V for USB, GND for Analog input
Antenna

Page 6 of 12 Rev0.1
AIRWAVE TECHNOLOGIES INC.
3F, No.9 Industry E. 9th RD., Science-Based Industrial Park, Hsinchu, Taiwan, R.O.C. TEL : 886-3-5778099 Fax 886-3-5778199
Copyright 2000 by Airwave Technologies Inc. All Specification are subject to change without notice.
AWD60XT,AWD605
R
2.4GHz GFSK RF Module
AWD605R Module Reference Design
C63
0.1uF
C62
0.1uF
VDDA
R12
47K
PAIRING
VDDA
VDDA
R2
470R
GND
GND
GND GND
GND
RESETN
GND
ANT
GND
PAIRING
GND
VDDA
GND
Pre-AOL
Pre-AOR
ADAT
GND
GND
GND
GND
Vin
3
Gnd
1
Vout 2
U52
FS8853-33CC
C60
10uF
C61
10uF
D2
LED_2.54M
M
12
S1
Tact-SW
C1 220UF/16V
C2
220UF/16V
J2
PHONEJACK STEREO
J1
DC JK
GND
GND
GND
GND
G1
RESETN 2
V3
G4
AOR 5
AOL 6
ADAT 7
G8
G
9INT_EXT DAC
10 PAIRING
11 G
12 ANT
13 G
14 G
15 G
16
G
21 G
22 G18
G17
G
23 G
24
G20
G19
U1
AWD605RP

Page 7 of 12 Rev0.1
AIRWAVE TECHNOLOGIES INC.
3F, No.9 Industry E. 9th RD., Science-Based Industrial Park, Hsinchu, Taiwan, R.O.C. TEL : 886-3-5778099 Fax 886-3-5778199
Copyright 2000 by Airwave Technologies Inc. All Specification are subject to change without notice.
AWD60XT,AWD605
R
2.4GHz GFSK RF Module
TX / RX Pairing

Page 8 of 12 Rev0.1
AIRWAVE TECHNOLOGIES INC.
3F, No.9 Industry E. 9th RD., Science-Based Industrial Park, Hsinchu, Taiwan, R.O.C. TEL : 886-3-5778099 Fax 886-3-5778199
Copyright 2000 by Airwave Technologies Inc. All Specification are subject to change without notice.
AWD60XT,AWD605
R
2.4GHz GFSK RF Module
TX Module Pin Assignment
單位:mm 公差:± 0.2
Pin
No Name Functional
Grouping IO Type Description
1 GND Ground NA Ground
2 3.3V Power Input 3.3V Power Supply
3
Pairing
Control Input pull-low continuously for over 3 seconds to enter
into PAIRING mode and AWD605RP can
perform the PAIRING process within 6 seconds.
4 Pairing LED Signal Output PAIRING state indicate
5 GND Ground NA Ground
6 ANT RF Output 2.4GHz antenna
7 GND Ground NA Ground
8 3.3V Power Input 3.3V Power Supply
9 ASS Control Input Audio Source Selection: 3.3V for USB, GND for
Analog input
10 RESET Control Input Reset
11 ADAT Signal Input SPDIF audio data input
12 GND Ground NA Ground
13 AIL Signal Input Lch Analog Input Pin
14 AIR Signal Input Rch Analog Input Pin
Unit : mm Tolerance : +/- 0.2 mm

Page 9 of 12 Rev0.1
AIRWAVE TECHNOLOGIES INC.
3F, No.9 Industry E. 9th RD., Science-Based Industrial Park, Hsinchu, Taiwan, R.O.C. TEL : 886-3-5778099 Fax 886-3-5778199
Copyright 2000 by Airwave Technologies Inc. All Specification are subject to change without notice.
AWD60XT,AWD605
R
2.4GHz GFSK RF Module
單位:mm 公差:± 0.2
Tolerance : +/- 0.2 mm
Unit : mm

Page 10 of 12 Rev0.1
AIRWAVE TECHNOLOGIES INC.
3F, No.9 Industry E. 9th RD., Science-Based Industrial Park, Hsinchu, Taiwan, R.O.C. TEL : 886-3-5778099 Fax 886-3-5778199
Copyright 2000 by Airwave Technologies Inc. All Specification are subject to change without notice.
AWD60XT,AWD605
R
2.4GHz GFSK RF Module
RX Module Pin Assignment
Unit:mm Tolerance:± 0.2

Page 11 of 12 Rev0.1
AIRWAVE TECHNOLOGIES INC.
3F, No.9 Industry E. 9th RD., Science-Based Industrial Park, Hsinchu, Taiwan, R.O.C. TEL : 886-3-5778099 Fax 886-3-5778199
Copyright 2000 by Airwave Technologies Inc. All Specification are subject to change without notice.
AWD60XT,AWD605
R
2.4GHz GFSK RF Module
Pin
No Name Functional
Grouping IO Type Description
1 GND Ground NA Ground
2 RESETN Control Input Reset
3 3.3V Power Input 3.3V Power Supply
4 GND Ground NA Ground
5 AOR Signal Output Rch Analog Output Pin
6 AOL Signal Output Lch Analog Output Pin
7 NC NA NA
8 GND Ground NA Ground
9 GND Ground NA Ground
10 GND Ground NA Ground
11
Pairing
Control Input After continuously pulling-low for over 3
seconds on AWD607TP, AWD605RP enters into
PAIRING mode and the PAIRING process can
be performed for the next 6 seconds.
12 GND Ground NA Ground
13 ANT RF Input 2.4GHz antenna
14 GND Ground NA Ground
15 RSSI Signal Output Received signal strength indicator output
16 GND Ground NA Ground

Page 12 of 12 Rev0.1
AIRWAVE TECHNOLOGIES INC.
3F, No.9 Industry E. 9th RD., Science-Based Industrial Park, Hsinchu, Taiwan, R.O.C. TEL : 886-3-5778099 Fax 886-3-5778199
Copyright 2000 by Airwave Technologies Inc. All Specification are subject to change without notice.
AWD60XT,AWD605
R
2.4GHz GFSK RF Module
Unit:mm Tolerance:± 0.2
Federal Communication Commission Interference Statement
This equipment has been tested and found to comply with the limits for a Class B digital device, pursuant
to Part 15 of the FCC Rules. These limits are designed to provide reasonable protection against harmful
interference in a residential installation. This equipment generates, uses
and can radiate radio frequency energy and, if not installed and used in accordance with the instructions,
may cause harmful interference
to radio communications. However, there is no guarantee that interference
will not occur in a particular installation. If this equipment does cause harmful interference to radio or
television reception, which can be determined by turning the equipment off and on, the user is
encouraged
to try to correct the interference by one of the following measures:
• Reorient or relocate the receiving antenna.
• Increase the separation between the equipment and receiver.
• Connect the equipment into an outlet on a circuit different from that to which the receiver is connected.
• Consult the dealer or an experienced radio/TV technician for help.
This device complies with Part 15 of the FCC Rules. Operation is subject to the following two conditions: (1)
This device may not cause harmful
interference, and (2) this device must accept any interference received,
including interference that may cause undesired operation.
FCC Caution: Any changes or modifications not expressly approved by the party responsible for
compliance could void the user's authority
to operate this equipment.
IMPORTANT NOTE:
FCC Radiation Exposure Statement:
This equipment complies with FCC radiation exposure limits set forth for an uncontrolled environment. This
equipment should be installed
and operated with minimum distance 20cm between the radiator & your body.
This transmitter must not be co-located or operating in conjunction with any other antenna or transmitter.
" This equipment must be installed and operated in accordance with provided instructions and the
antenna(s) used for this transmitter must be installed to provide a separation distance of at least 20 cm
from all persons and must not be co-located or operating in conjunction with any other antenna or
transmitter. End-users and installers must be provide with antenna installation instructions and transmitter
operating conditions for satisfying RF exposure compliance. "