Alesis S4 Users Manual S5/S4
qss4ownersmanual Synthesizer Manuals
Alesis Quadra Synth S4 Reference Manual qss4ownersmanual Alesis - Quadra Synth S4 - Reference Manual
S4 to the manual ee1384fe-44d1-45ac-8382-b10e644c060e
Alesis Quadra Synth S4 Reference Manual qss4ownersmanual Alesis - Quadra Synth S4 - Reference Manual
2015-01-05
: Alesis Alesis-S4-Users-Manual-163378 alesis-s4-users-manual-163378 alesis pdf
Open the PDF directly: View PDF
.
Page Count: 134 [warning: Documents this large are best viewed by clicking the View PDF Link!]
ALESIS
QuadraSynth
S4 QuadraSynth
Reference Manual

QuadraSynth Reference Manual 1
Introduction
Thank you for purchasing the Alesis QuadraSynth 64 Voice / 76 Key Master
Keyboard or S4 QuadraSynth 64 Voice Sound Module. To take full advantage of the
QuadraSynthÕs functions, and to enjoy long and trouble-free use, please read this
userÕs manual carefully.
How To Use This Manual
This manual is divided into the following sections describing the various modes of
the QuadraSynth. Though we recommend you take time to read through the entire
manual once carefully, those having general knowledge about synthesizers should
use the table of contents and index to reference specific functions while using the
instrument.
Chapter 1: Setting Up. Deals with the necessary preparation before playing,
including connections to external devices.
Chapter 2: Your First Session with the QuadraSynth. This section provides a brief
tour of the QuadraSynth, shows you how to audition the various sounds of the
QuadraSynth, and points out the various performance features.
Chapter 3: Connections. Details rear panel connections (like MIDI, footpedals and
the optical digital interface), proper hook-up procedures, plus application examples.
Chapter 4: Overview. Covers the structure of sound sources within the
QuadraSynth, how to read and navigate through the LCD display pages, how to edit
parameters, and how to store edited Programs, Mixes and Effects.
Chapter 5: Mix Mode. Explains how to create and edit Mixes.
Chapter 6: Editing Programs. How to create and edit Programs.
Chapter 7: Editing Effects. How to create and edit Effects Patches.
Chapter 8: Global Settings. Describes all global functions, such as Master Tuning,
Display Contrast, Keyboard Mode, Edit Mode and 48 kHz Clock In.
Chapter 9: MIDI Transfer and Storage Operations. Discusses MIDI functions and
how to store sounds either to a MIDI device or to a RAM card.
Appendices. MIDI basics, trouble-shooting, maintenance and service information,
MIDI Implementation Chart and an Index.
Conventions
The buttons, knobs, and rear panel connectors are referred to in this manual just as
their names appear on the QuadraSynth, using all capital letters and in brackets
(Example: [PROGRAM] button, MIDI [¬] and [®] buttons, Quad Knob [1], etc.).
When text from the QuadraSynthÕs display is quoted, it is indicated by a set of
quotation marks (Example: ÒEDITING: SOUND 4Ó) .
When something important appears in the manual, an icon (like the one on the left) will
appear in the left margin. This symbol indicates that this information is vital when operating
the QuadraSynth.
✪

2 QuadraSynth Reference Manual

Contents
QuadraSynth Reference Manual 3
CONTENTS
1: Setting Up..................................................................................7
Unpacking and Inspection.......................................................................................7
AC Power ..............................................................................................................7
Line Conditioners and Protectors.................................................................8
About Audio Cables ...............................................................................................9
Basic Audio Hookup...............................................................................................9
2: Your First Session With The QuadraSynth ..............................11
Powering Up..........................................................................................................11
The Quad Knobs.........................................................................................11
Adjusting the Display Contrast....................................................................12
Playing the Demo Sequence.........................................................................12
Playing the QuadraSynth ........................................................................................13
Program Mode and Mix Mode .....................................................................13
Auditioning Internal Programs....................................................................14
Auditioning Programs on the S4 Sound Module ...........................................14
Selecting the MIDI Channel.........................................................................15
Realtime Performance Functions..................................................................15
Auditioning Mix Mode ...............................................................................16
Editing a Mix..............................................................................................17
Auditioning Effects.....................................................................................18
Setting the Effects Level ..............................................................................19
3: Connections ...............................................................................21
Basic MIDI Hookup ................................................................................................21
Typical Application 1: MIDI Keyboard/Master Controller for Live Use......................22
Using the S4 in Live Performance.................................................................22
Typical Application 2: Using the QuadraSynth with an External Sequencer ................23
About the Keyboard Mode ..........................................................................24
Using the S4 with a Sequencer .....................................................................24
Pedal and Footswitch Hookup.................................................................................24
Digital Audio/Optical Hookup ...............................................................................25
Recording Digital Audio .............................................................................25
48 kHz Clock In......................................................................................................25
4: Overview ...................................................................................27
Basic Architecture ...................................................................................................27
QuadraSynth Polyphony.........................................................................................27
Modes....................................................................................................................28
Program Mode ...........................................................................................28
Mix Mode ..................................................................................................28
Program Edit Mode ....................................................................................28
Mix Edit Mode ...........................................................................................29
Effects Edit Mode .......................................................................................29
Global Edit Mode .......................................................................................29
Store Mode.................................................................................................29
Compare Mode...........................................................................................29
The User Interface: Display, Functions, Pages, and Parameters ..................................30
About the Display.......................................................................................30
MIDI Buttons .............................................................................................31
Quad Knob Editing .....................................................................................31

Contents
4 QuadraSynth Reference Manual
Parameter Editing.......................................................................................31
Editing Program Parameters........................................................................32
Edit 4 and Edit 1 Modes ..............................................................................33
Resetting a Parameter Value........................................................................34
Comparing Edited and Stored Versions....................................................................34
Preset Memory and User Memory ...........................................................................35
Storing...................................................................................................................35
Store a Program ..........................................................................................36
Store an Effect ............................................................................................36
Store a Mix.................................................................................................36
To Audition Programs Before Storing...........................................................37
5: Mix Mode ..................................................................................39
What Mix Mode Does .............................................................................................39
Mix Edit Mode .......................................................................................................39
Understanding the Edit Buffers ...............................................................................40
Program Assign for each MIDI Channel ...................................................................41
Level Setting for Each Program................................................................................41
Pitch ......................................................................................................................41
Setting the Range and MIDI.....................................................................................42
Effects in Mix Mode................................................................................................43
Effect Level ................................................................................................43
Effect .........................................................................................................44
Naming a Mix ........................................................................................................44
Polyphony in Mix Mode..........................................................................................45
Using the QuadraSynth as a Master Keyboard..........................................................45
Setting MIDI Out Channels for Mix (QuadraSynth Keyboard only) ............................45
6: Editing Programs......................................................................47
Overview ...............................................................................................................47
The ÒNormalizedÓ Synth Voice................................................................................47
How the QuadraSynth Generates Sound ..................................................................48
Program Sound Layers............................................................................................48
QuadraSynth Signal Flow........................................................................................49
The Four Sounds of a Program ....................................................................49
Voice .........................................................................................................50
Lowpass Filter............................................................................................50
Amp ..........................................................................................................51
About Modulation ..................................................................................................51
LFO ...........................................................................................................51
Envelopes ..................................................................................................52
About Signal Processing..........................................................................................52
Drum Mode ...........................................................................................................53
Program Edit Functions ..........................................................................................54
Assign Voice ..............................................................................................54
Level..........................................................................................................55
Effect Level ................................................................................................56
Effect .........................................................................................................56
Pitch ..........................................................................................................57
Filter ..........................................................................................................59
Amp ..........................................................................................................61
Range ........................................................................................................62
Mod...........................................................................................................64
Pitch LFO...................................................................................................67

Contents
QuadraSynth Reference Manual 5
Filter LFO...................................................................................................69
Amp LFO ...................................................................................................70
Pitch Envelope............................................................................................71
Filter Envelope ...........................................................................................73
Amp Envelope ...........................................................................................76
Name .........................................................................................................79
Misc. ..........................................................................................................79
Programming Drum Sounds....................................................................................80
Assign Voice ..............................................................................................80
Level..........................................................................................................80
Effects Level...............................................................................................81
Pitch ..........................................................................................................81
Filter ..........................................................................................................81
Amp ..........................................................................................................81
Range ........................................................................................................82
Amp Envelope ...........................................................................................82
Copying Sounds .....................................................................................................83
Initializing Programs ..............................................................................................83
7: Editing Effects...........................................................................85
About Signal Processing..........................................................................................85
Selecting an Effects Patch ........................................................................................86
Clip .......................................................................................................................87
Editing Effects ........................................................................................................87
Storing Effects Patches ............................................................................................88
Configurations .......................................................................................................88
Reverb ...................................................................................................................95
Delay .....................................................................................................................100
Pitch ......................................................................................................................101
Mod.......................................................................................................................104
Name .....................................................................................................................105
Mix........................................................................................................................106
8: Global Settings..........................................................................107
Editing Global Parameters.......................................................................................107
LCD Contrast .........................................................................................................107
Master Pitch and Master Tuning..............................................................................107
Keyboard Sensitivity .....(QuadraSynth only) ............................................................108
Keyboard Curve ...........(QuadraSynth only) ............................................................108
Keyboard Transpose .....(QuadraSynth only) ............................................................108
Keyboard Mode............(QuadraSynth only) ............................................................108
Mix Group Channel ......(S4 Sound Module only) ......................................................109
Controller A Ñ D ...................................................................................................109
Pedal 1 and 2 Assignment .......................................................................................109
MIDI Program Select...............................................................................................110
Edit Mode ..............................................................................................................110
48 KHz Clock Input ................................................................................................110
9: MIDI Transfer And Storage Operations...................................111
Saving to External Card ..........................................................................................111
Loading from External Card....................................................................................111
Saving Programs via MIDI Sys Ex ............................................................................112

Contents
6 QuadraSynth Reference Manual
APPENDIX A: Trouble-Shooting ..................................................115
Trouble-Shooting Index...........................................................................................115
Re-initializing.........................................................................................................115
Checking Software Version .....................................................................................116
Maintenance/Service ..............................................................................................116
Cleaning ....................................................................................................116
Maintenance...............................................................................................116
Warranty Information.................................................................................116
Obtaining Repair Service.............................................................................116
APPENDIX B: MIDI Supplement...................................................119
MIDI Basics............................................................................................................119
MIDI Hardware......................................................................................................119
MIDI Message Basics ..............................................................................................120
Channel Messages: Mode Messages .............................................................120
Channel Messages: Voice Messages .............................................................120
System Common Messages .........................................................................122
MIDI Implementation Chart....................................................................................123
APPENDIX C: Parameters Index ..................................................124
Program Parameters ...............................................................................................124
Mix Parameters ......................................................................................................126
INDEX ............................................................................................127

Setting Up
QuadraSynth Reference Manual 7
CHAPTER 1
SETTING UP
Unpacking and Inspection
Your QuadraSynth was packed carefully at the factory, and the shipping carton was
designed to protect the unit during shipping. Please retain this container in the
highly unlikely event that you need to return the QuadraSynth for servicing.
Upon receiving the QuadraSynth, carefully examine the shipping carton and its
contents for any sign of physical damage that may have occurred in transit. If you
detect any damage, do not destroy any of the packing material or the carton, and
immediately notify the carrier of a possible claim for damage. Damage claims must
be made by you. Contact your Alesis dealer.
The shipping carton should contain the following items:
¥ This instruction manual, plus lists of Mixes and Programs
¥ Alesis QuadraSynth with the same serial number as shown on shipping carton
¥ Sustain pedal (keyboard only)
¥ AC Power Cable (keyboard only) or power supply (S4)
¥ Alesis warranty card
It is important to register your purchase; if you have not already filled out your warranty
card and mailed it back to Alesis, please take the time to do so now.
AC Power Hookup
The QuadraSynth works with the voltage of the country it is shipped to (either 110 or
220V, 50 or 60 Hz), and comes with a line cord or power supply suitable for the
destination to which the keyboard is shipped.
S4 Sound Module owners: Check the label on the AC adapter to ensure that the
Òinput voltageÓ is correct for your area. Insert the AC adapter's smaller plug into the
9V AC Power jack on the S4Õs rear panel. Then plug the AC adapter itself into a
source of AC power, preferably a power strip with its own on/off switch. Alesis
recommends turning off power to the supply or unplugging it when the S4 is not in
use, to prolong its life. Use only the AC adapter supplied with the S4; use of any
other adapter will void your warranty.
QuadraSynth owners: With the QuadraSynth off, plug the female (jack) end of the
AC cord into QuadraSynthÕs AC socket and the male (plug) end into a source of AC
power. ItÕs good practice to not turn the QuadraSynth on until all other cables are
hooked up.
The IEC-spec AC cord included with the QuadraSynth (do not substitute any other
AC cord) is designed to connect to an outlet that includes three pins, with the third,
round pin connected to ground. The ground connection is an important safety
feature designed to keep the chassis of electronic devices such as the QuadraSynth at
ground potential. Unfortunately, the presence of a third pin does not always indicate
that it is properly grounded. Use an AC line tester to determine this. If the outlet is
not grounded, consult with a licensed electrician.
✪

Setting Up
8 QuadraSynth Reference Manual
Do not operate any electrical equipment with ungrounded outlets. Plugging the
QuadraSynth into an ungrounded outlet, or ÒliftingÓ the unit off ground with a three-to-two
wire adapter, can create a hazardous condition.
Alesis cannot be responsible for problems caused by using the QuadraSynth or any associated
equipment with improper AC wiring.
Line Conditioners and Protectors
Although the QuadraSynth is designed to tolerate typical voltage variations, in
todayÕs world the voltage coming from the AC line may contain spikes or transients
that can possibly stress your gear and, over time, cause a failure. There are three
main ways to protect against this, listed in ascending order of cost and complexity:
¥ Line spike/surge protectors. Relatively inexpensive, these are designed to
protect against strong surges and spikes, acting somewhat like fuses in that they
need to be replaced if theyÕve been hit by an extremely strong spike.
¥ Line filters. These generally combine spike/surge protection with filters that
remove some line noise (dimmer hash, transients from other appliances, etc.).
¥ Uninterruptible power supply (UPS). This is the most sophisticated option. A
UPS provides power even if the AC power line fails completely. Intended for
computer applications, a UPS allows you to complete an orderly shutdown of a
computer system in the event of a power outage, and the isolation it provides
from the power line minimizes all forms of interferenceÑspikes, noise, etc.
PHONESL - MAIN - RL - AUX - R
DIGITAL
OUT
48 KHZ IN POWER INPUT ON/OFFINTHRUOUT
MIDI
PEDAL 2
FOOT PEDALS
PEDAL 1SUSTAIN
Pedal Switch
Expression Pedal
Stereo Amp
Stereo Headphones
AC Receptacle
1/4" Audio Cables
THRU OUT
✪
✪

Setting Up
QuadraSynth Reference Manual 9
About Audio Cables
The connections between the QuadraSynth and your studio are your musicÕs lifeline,
so use only high quality cables. These should be low-capacitance shielded cables with
a stranded (not solid) internal conductor and a low-resistance shield. Although
quality cables cost more, they do make a difference. Route cables to the QuadraSynth
correctly by observing the following precautions:
¥ Do not bundle audio cables with AC power cords.
¥ Avoid running audio cables near sources of electromagnetic interference such as
transformers, monitors, computers, etc.
¥ Do not place cables where they can be stepped on. Stepping on a cable may not
cause immediate damage, but it can compress the insulation between the center
conductor and shield (degrading performance) or reduce the cableÕs reliability.
¥ Avoid twisting the cable or having it make sharp, right angle turns.
¥ Never unplug a cable by pulling on the wire itself. Always unplug by firmly
grasping the body of the plug and pulling directly outward.
¥ Although Alesis does not endorse any specific product, chemicals such as Tweek
and Cramolin, when applied to electrical connectors, are claimed to improve the
electrical contact between connectors.
Basic Audio Hookup
When connecting audio cables and/or turning power on and off, make sure that all devices in
your system are turned off and the volume controls are turned down.
Because the QuadraSynth includes extensive signal processing as well as a full
complement of sounds, you can make great sounds with nothing more than an
amplifier or a set of headphones.
The QuadraSynth has two Main and two Aux audio outputs. These can provide an
amplification system or mixer with several different audio hookup options:
¥ Mono. Connect a mono cord from the [MAINÐL] Audio Output to a mono
amplification system or individual mixer input.
¥ Stereo. Connect two mono cords from the [MAINÐL] and [MAINÐR] Audio
Outputs to a stereo amplification system or two mixer inputs.
¥ Dual Stereo/Four Individual Outs. Connect two mono cords from the [MAINÐL]
and [MAINÐR] Audio Outputs and two mono cords from the [AUXÐL] and
[AUXÐR] Outputs to a dual stereo amplification system, or four mixer inputs.
¥ Stereo Headphones. Plug a set of high-quality stereo headphones into the rear
panel [PHONES] jack.
✪

Setting Up
10 QuadraSynth Reference Manual

Your First Session with the QuadraSynth
QuadraSynth Reference Manual 11
CHAPTER 2
YOUR FIRST SESSION WITH
THE QUADRASYNTH
Powering Up
After making your connections, turn on the systemÕs power using this procedure:
➀Before turning on the QuadraSynthÕs power, check the following items:
¥ Have all connections been made correctly?
¥ Are the volume controls of the amplifier or mixer turned down?
¥ Is the volume of the QuadraSynth turned down?
➁Turn on the [ON/OFF] (power) switch on the rear panel of the QuadraSynth.
Upon power-up, the QuadraSynth will display the last selected Program or Mix. If this
Program/Mix has been edited, the display will indicate this by showing the word
ÒEDITEDÓ below either the word ÒMIXÓ or ÒPROGRAM.Ó
➂Turn the QuadraSynthÕs master [VOLUME] control to maximum.
The best signal-to-noise ratio is achieved when [VOLUME] is set to maximum. This is a
digital volume control, and lower settings have lower resolution.
➃Turn on the power of the amplifier/mixer, and adjust the volume.
The Quad Knobs
To the right of the display are four knobs referred to as Quad Knobs, [1]Ñ[4], each
with its own button. These four knobs are linked to the parameters that appear in the
right side of the display. The lower line of the alphanumeric display will show the
abbreviated name of each parameter, with a bar graph below it representing the
current setting of the parameter.
MIDI
CHAN
PROG
1
EFFECT
"PianoRodes"
NUMBER TYPE
PRESET PRESET
1234
MIDI
VALUE
By turning Quad Knob [1], you adjust the setting of the first parameter on the left.
Turning Quad Knob [2] adjusts the next parameter, and so on. Once a Quad Knob
has been turned, or its button has been pressed, the top line of the display will
immediately show the parameterÕs name and current setting. At this point, the
parameter will have a thick underline beneath its bargraph, indicating that you can
now use the VALUE [¯] and [-] buttons to adjust the parameterÕs setting.
The parameters in the display change depending on which function and page are
selected. Not all four Quad Knobs are active in all windows; there are many pages
that have only one active Quad Knob.

Your First Session with the QuadraSynth
12 QuadraSynth Reference Manual
Adjusting the Display Contrast
Occasionally, the characters in the LCD display may be difficult to read, depending
on the viewing angle and existing lighting conditions. In such a situation, adjust the
contrast of the LCD display using the following procedure.
➀Press [GLOBAL].
The display will change to the Global Page.
➁Adjust the contrast by turning Quad Knob [1], or use the VALUE [¯] and [-]
buttons.
The contrast and its value in the display will change.
MIDI
CHAN
PROG
1
EFFECT LCD DISPLAY: 062
CONTRAST PITCH TUNE
PRESET PRESET
1
VALUE
123456PAGE: GLOBAL
Playing the Demo Sequence
The QuadraSynth has a built-in demo sequence which demonstrates the wide variety
of sounds this amazing instrument is capable of generating. In order to get the full
effect of the demo, we recommend that you connect both the LEFT and RIGHT
outputs to your sound system, or listen on headphones.
To play the demo sequence:
➀Hold the [GLOBAL] button, and press [MIX].
The upper-right display will read ÒPlaying Demo. Press MIX to stop.Ó
➁Press [MIX] to stop the demo.
The demo was composed specially for the QuadraSynth by Stephen Kay. There will
be no MIDI OUT messages during the demo, and the keyboard will be disabled.

Your First Session with the QuadraSynth
QuadraSynth Reference Manual 13
Playing the QuadraSynth
The QuadraSynth is shipped from the factory with a full bank of 128 Preset Programs
(sounds) and 128 User Programs. Additionally, there are 100 Preset Mixes and 100
User Mixes, 128 Preset Effects Patches, and 128 User Effects Patches.
Program Mode and Mix Mode
The QuadraSynth is always in one of two main modes: Program Mode or Mix Mode.
If you ever get lost, press either the [PROGRAM] button or the [MIX] button to get back to
their respective modes.
¥ Press the [PROGRAM] button to select Program Mode.
In Program Mode, the QuadraSynth plays a single Program. The display will look
like this:
MIDI
CHAN
PROG
1
EFFECT
"QuadraTime"
NUMBER TYPE
PRESET PRESET
The current PROGram and EFFECT number are displayed, and the ProgramÕs name
appears in the top-right. The current MIDI channel is shown at left.
¥ Press the [MIX] button to select Mix Mode.
In Mix Mode, the QuadraSynth can combine up to 16 Programs for stacking sounds
together, splitting the keyboard into different regions, or working with a MIDI
sequencer. The display will look like this:
MIDI
CHAN
MIX PROG
12345678910111213141516
EFFECT
PRESET PRESET PRESET
"QuadraZone"
NUMBER TYPE
All MIDI channels that are active in the current Mix are shown at the top left, to
indicate multitimbral operation. The current MIX and EFFECT numbers are
displayed, along with the MixÕs name. The PROGram number display shows the
program assigned to the underlined MIDI channel.
✪

Your First Session with the QuadraSynth
14 QuadraSynth Reference Manual
Auditioning Internal Programs
➀Press the [PROGRAM] button.
You can now play the QuadraSynth keyboard; the Program will be whatever was selected
when last in Program mode (Program number 00 Ñ 127).
➁Select a Program in any of three ways:
¥ Rotate Quad Knob [1].
¥ Press Quad Button [1] and then use the VALUE [¯] or [-] button.
¥ Use the MIX/PROGRAM SELECT [1]Ñ[0] buttons for direct entry.
Leading zeroes must be entered for Programs 0 Ñ 19. Example: Press [0] then [0]
then [5] for Program 5; press [0] then [1] then [3] for Program 13. Only begin with
[1] if you are selecting a Program from 100 Ñ 127. If you start entering a number
and change your mind, wait a few seconds and the QuadraSynth will revert to the
previous Program number.
1
VALUE
12345
67890
OR OR
➂You can switch between User and Preset programs with Quad Knob [3].
By either pressing Quad Button [3] and then pressing VALUE [-], or by turning
Quad Knob [3] all the way to the right, the top line of the display will change to read
ÒPROG TYPE: P RESETÓ
After switching between the Preset and User banks, press Quad Button [1] to see the name of
the Program in the display again.User memory and Preset memory are described in detail in
Chapter 4.
Auditioning Programs on the S4 Sound Module
To hear Programs on the S4, set your MIDI controller to transmit on a particular
MIDI channel. Then, set the S4 to receive on the same channel (see next section).
In Mix Mode, the S4 can receive on up to 16 channels at once, with a different
program on each channel. However, many Mixes were created with layering in
mind, not just for multitimbral use. To emulate the operation of the QuadraSynth
keyboard, the S4 has a special Mix Group Channel parameter (on page 2 of the
Global menu).
For multitimbral operation from a sequencer, set this parameter to OFF. To play all
the mix layers from a single MIDI channel, set it to the same channel as your
controller (1-16).
✪

Your First Session with the QuadraSynth
QuadraSynth Reference Manual 15

Your First Session with the QuadraSynth
16 QuadraSynth Reference Manual
Selecting the MIDI Channel
While in Program Mode, the QuadraSynth can transmit and receive information on
any single MIDI channel of the 16 available channels. The currently selected channel
appears at the top left of the display.
MIDI
CHAN
PROG
1
EFFECT
"QuadraTime"
NUMBER TYPE
PRESET PRESET
MIDI
➀Use the MIDI [¬] and [®] buttons to select a MIDI channel from 1 Ñ 16.
The display will change to indicate the currently selected MIDI channel.
Realtime Performance Functions
The QuadraSynth provides various controls for altering the sound as you are
playing. Try out some of these functions while playing the keyboard. The sound of
the effects can also be affected by using the same controllers. The effect of these
realtime controllers varies from Program to Program; in some they may not be active,
and in others they may have a dramatic effect.
¥Velocity. The volume and tonal quality of the sound will change according to
how hard you play the keyboard.
¥Aftertouch. The action of pressing a key down after playing it is called
ÒaftertouchÓ (it is also sometimes referred to as ÒPressureÓ since it corresponds
to the amount of pressure being applied to the keyboard). Pitch, tone and volume
(among other things) can be changed using aftertouch.
¥Pitch Bend Wheel. While playing a note, you can move the PITCH BEND
WHEEL up to raise the pitch, or down to lower the pitch. The amount of pitch
bend available can be different for each Program.
¥Modulation Wheel. Adjacent to the PITCH BEND WHEEL is the
MODULATION WHEEL. By raising the wheel, you can add expressive
modulation effects (such as vibrato or tremolo) while you play. The type of
modulation effect can be different for each Program.
Further expressive control is available with a pedal switch (included) or expression
pedal (optional, see page 25). By connecting a pedal switch to the SUSTAIN jack on
the rear panel, you can have the sound sustain even after you release the keys. By
connecting an expression pedal to one of the pedal jacks (PEDAL 1 or PEDAL 2), you
can use the pedal to change the volume or tone (or some other quality such as reverb
depth or vibrato speed) of the sound, if the Program is edited to use the pedal(s).

Your First Session with the QuadraSynth
QuadraSynth Reference Manual 17
Auditioning Mix Mode
Mix Mode allows you to assign a Program to each of the 16 MIDI channels. This
makes it easy to create multitimbral setups for use with an external MIDI sequencer.
Additionally, a MIX can be used to ÒlayerÓ sounds together, or ÒsplitÓ the keyboard
in a number of ways, or any combination of these. There are many different ways to
program a Mix. For more about Mix Mode, refer to Chapter 5. For more about
connecting the QuadraSynth to a MIDI sequencer, see Chapter 3.
➀Press the [MIX] button.
The display will change to Mix Mode.
➁Select a Mix from 00Ñ99 using one of these three methods:
¥ Rotate Quad Knob [1].
¥ Press the VALUE [¯] or [-] button.
This assumes that Quad Knob [1] is active, as shown by a heavy underline beneath
the NUMBER indicator. If the underline does not appear, press Quad Button [1]
before using the VALUE buttons.
¥ Use the MIX/PROGRAM SELECT [1]Ñ[0] buttons for direct entry.
Leading zeroes must be entered for Mixes 0 Ñ 9. Example: Press [0] then [5] for
Mix 5. If you start entering a number and change your mind, wait a few seconds and
the QuadraSynth will revert to the previous Mix number.
➂You can switch between User and Preset Mixes with Quad Knob [3].
By either pressing Quad Button [3] and then pressing VALUE [-], or by turning
Quad Knob [3] all the way to the right, the top line of the display will change to read
ÒMIX TYPE: P RESETÓ
After switching between the Preset and User banks, press Quad Button [1] to see the name of
the Mix in the display again.
User memory and Preset memory are described in detail in Chapter 4.
✪

Your First Session with the QuadraSynth
18 QuadraSynth Reference Manual
Editing a Mix
In this section, we will assign Programs to and set volume levels for the 16 MIDI
channels in a Mix, for playing back tracks from a MIDI sequencer. However, there is
much more about a Mix that may be edited. Refer to Chapter 5 for more about Mix
editing.
➀Press [MIX] and select a Mix using one of the three methods described above.
➁Press [SELECT].
The top line of the LCDÕs function list will read ÒEDITING: MIXÓ.
➂Simultaneously press both the FUNCTION [¬] and [®] buttons.
PROG EFFECT
PRESET PRESET
EDITING: MIX
PAGE: 1
"Mystic5ths"
NUMBER TYPE ENABLE
PITCH RANGE EFFECT NAME
MIDI
CHAN
MIX
PRESET
12345678910111213141516
PROGRAM – ASSIGN LEVEL EFFECT–LEVEL
➃Use the MIDI [ ¬] and [®] buttons to select a MIDI channel for editing.
The MIDI monitor and selection strip will indicate the selected MIDI channel with an
underline . These buttons Òwrap aroundÓ (e.g., if youÕre on channel 16 and press MIDI
[®], youÕll select channel 1. If channel 1 is selected and you press MIDI [¬], youÕll
select channel 16).
➄Use Quad Knob [3] to choose between Preset and User Programs.
➅Use Quad Knob [1] to select a Program for the selected Channel.
DonÕt use the MIX/PROGRAM SELECT [1]Ñ[0] buttons while in any edit mode. If you
do, you will be kicked out of Mix Edit mode and will select another Mix, losing your changes.
➆Use Quad Knob [4] to enable or disable the Program on the selected Channel.
When enabled, the Channel number will appear in the top left of the display. When
disabled, the Channel number will not appear (unless selected for editing using the MIDI
[¬] and [®] buttons, in which case it is underlined
).
➇To set the ProgramÕs level, press the FUNCTION [®] button once so that
ÒLEVELÓ is underlined in the display. Use Quad Knob [1] to adjust the level.
➈Repeat steps ➂ Ñ ➇ until all desired Programs are assigned to all desired MIDI
channels, and have the appropriate levels.
Changes to Mix parameters are temporary and will be lost if another Mix is selected. To make
changes permanent, you must store the Mix into the User bank. Refer to Chapter 4 for
information about storing changes.
✪
✪

Your First Session with the QuadraSynth
QuadraSynth Reference Manual 19
Auditioning Effects
Each Program and Mix uses one of the 256 Effects Patches to enhance the sound. You
select which Effect you wish to use from Program Edit or Mix Edit mode. While the
Program remembers which Effect Patch to use, and how much sound to send to it
(and to which of the four effects buses), all Effects Patch editing is done outside of the
Program in Effects Edit Mode (see Chapter 6).
In a Mix, you can combine several Programs, and use one of the Effects Patches. All
the Programs can use this one Effects Patch (or bypass it). Also, each Program in the
Mix can either retain its own effects settings (send level and bus), or you can override
and reroute them with the Mix Mode effects settings. In this section, we will audition
the various preset Effects patches from PROGRAM mode.
➀Press [PROGRAM] and select a Program using the VALUE [¯] and [-] buttons.
The display will change to Program Mode.
➁Press [SELECT].
The display will change to Program Edit mode. The last function and page selected will
be shown in the display. To get back to the first function, simultaneously press both
FUNCTION [¬] and [®].
➂Press FUNCTION [®] eight times, or until the word ÒEFFECTÓ is underlined.
MIDI
CHAN
PROG
1
EFFECT
PRESET PRESET
EDITING: PROGRAM SOUND 1
PAGE: 1
"Ch
®
Dly
®
Rev1"
NUMBER TYPE
PITCH FILTER AMP RANGE MOD EFFECT NAME
PLFO FLFO ALFO PENV FENV AENV TRACK
MISC.
ASSIGN – VOICE LEVEL EFFECT–LEVEL
➃Use Quad Knob [1] to select an Effect Patch from 00Ñ127.
The display will change to indicate the currently selected EffectÕs number and name.
Changes to Program parameters are temporary and will be lost if another Program is selected.
To make changes permanent, you must store the Program into the User bank. Refer to
Chapter 4 for information about storing changes.
✪

Your First Session with the QuadraSynth
20 QuadraSynth Reference Manual
Setting the Effects Level
Each Program can use up to four sounds, for either layering or splitting the
keyboard. Each of these sounds has its own effects , as well as effects bus assignment.
Many of the Programs in the QuadraSynth use only one or two sound layers, while
others may use all four sounds. You can adjust the effect send amount for each sound
independently, or you can view/edit all four sounds simultaneously.
➀While still in Program Edit mode, press the FUNCTION [¬] button six times
(from the ÒEFFECTÓ Function), or until the words ÒEFFECT - LEVELÓ are
underlined in the display.
This is where you determine how much level will be sent from the current Program
sound layer to the effects processor, and on which of the four busses.
MIDI
CHAN
PROG
1
EFFECT
PRESET PRESET
EDITING: PROGRAM SOUND 1
PAGE: 1
EFFECT LEVEL: 99
LEVEL BUSS
PITCH FILTER AMP RANGE MOD EFFECT NAME
PLFO FLFO ALFO PENV FENV AENV TRACK
MISC.
ASSIGN – VOICE LEVEL EFFECT–LEVEL
➁Turn Quad Knob [1] to adjust the effect send level of the selected sound (1Ñ4).
For the most dramatic effect, set this to 99.
➂Press the [EDIT 1] button to select another sound to adjust.
The display will indicate ÒSOUND 1Ó or ÒSOUND 2,Ó etc., to indicate which of the
four sounds is being edited.
➃Press the [EDIT 4] button to display the effect send levels of all four sounds
simultaneously; use Quad Knobs [1] Ñ [4] to adjust each soundÕs effect level.
The display will indicate ÒSOUND 1 2 3 4.Ó
MIDI
CHAN
PROG
1
EFFECT
PRESET PRESET
EDITING: PROGRAM SOUND 1
PAGE: 1
EFFECT LEVEL: 99
SND1 SND2 SND3 SND4
PITCH FILTER AMP RANGE MOD EFFECT NAME
PLFO FLFO ALFO PENV FENV AENV TRACK
MISC.
ASSIGN – VOICE LEVEL EFFECT–LEVEL
234
2
Note: If a sound is not enabled in a Program, its title will be shown in lowercase (Òsnd4Ó),
and turning that control will have no effect on the sound until the sound is enabled. To enable
a sound, hold down its respective Quad Button (i.e., [3] for Sound #3) and press VALUE
[-].

Your First Session with the QuadraSynth
QuadraSynth Reference Manual 21

Connections
QuadraSynth Reference Manual 23
CHAPTER 3
CONNECTIONS
Basic MIDI Hookup
MIDI is an internationally-accepted protocol that allows musical-related data to be
conveyed from one device to another. See the MIDI Supplement in Appendix B if
you are not familiar with how MIDI works.
The MIDI connections provide three different functions. To trigger the QuadraSynth
from a MIDI control device (keyboard, drum pad, guitar or bass controller,
sequencer, etc.), connect the control deviceÕs MIDI OUT to the QuadraSynthÕs MIDI
IN.
MIDI
OUT
MIDI
IN
The MIDI jack carries a replica (or echo) of the signal appearing at the QuadraSynthÕs
MIDI , allowing you to trigger other devices from the same controller which is
feeding the QuadraSynth. Simply connect the QuadraSynth MIDI THRU to the other
deviceÕs MIDI IN. Note that the MIDI THRU jack will not send messages from the
QuadraSynthÕs keyboard itself.
MIDI
OUT
MIDI
IN
MIDI
THRU MIDI
IN
The MIDI sends MIDI data from the QuadraSynthÕs keyboard to other MIDI devices,
but can also send data (see the MIDI supplement) to a storage device such as the
Alesis DataDisk for later recall.

Connections
24 QuadraSynth Reference Manual
Typical Application 1: MIDI
Keyboard/Master Controller for Live Use
Most live applications use the QuadraSynth to generate sounds, with (possibly) the
MIDI output driving other MIDI devices, such as a QuadraSynth S4 rack unit,
QuadraVerb Plus, and other keyboards and sound modules, etc.
MIDI
OUT
MIDI
IN
MIDI
THRU
MIDI
IN
To drive MIDI controlled devices from the QuadraSynth, patch the QuadraSynthÕs
MIDI OUT to the MIDI deviceÕs MIDI IN. If there is more than one MIDI device,
patch the first deviceÕs MIDI THRU to the second deviceÕs MIDI IN, the second
deviceÕs MIDI THRU to the third deviceÕs MIDI IN, etc.
In Program mode, the keyboard sends and receives MIDI information on only one
MIDI channel at a time. In Mix mode, however, the keyboard can transmit on as
many as 16 MIDI channels, each with its own keyboard range (for more information
on Program mode and Mix mode, see Chapter 4).
When using the QuadraSynth as a master keyboard to play other MIDI devices, be
sure the Keyboard Mode is set to ÒFRM MIX.Ó The Keyboard Mode parameter is
found on Page 2 of Global mode (for more information, see Chapter 8).
Caution: Do not attempt to connect more than three or four units together using thru
connections as this may impede the MIDI data flow to the connected devices.
Instead, insert a MIDI patch-bay to the QuadraSynthÕs MIDI OUT so that all devices
receive its MIDI information simultaneously.
Using the S4 in Live Performance
Depending on the capabilities of your MIDI controller keyboard, you have two
different options available for how the S4 will respond when it is in Mix mode:
If your controller can only issue commands on one or two MIDI channels
simultaneously, you may want to set the S4Õs ÒMix Group ChannelÓ parameter (on
page 2 of the Global display) to a channel between 1 and 16, so that your controller
can play a mix of several S4 programs in response to a single channel of MIDI.

Connections
QuadraSynth Reference Manual 25
If you have a master controller or QuadraSynth which can send on multiple MIDI
channels, you may want to set ÒMix Group ChannelÓ to off. To create layers or
stacks, your controller must send multiple MIDI messages to the S4 simultaneously.
This offers you the added control of changing the sound from the controller by
sending Program Change commands on individual channels within a mix. A
disadvantage of this approach is that the controller must send many channels of
duplicate MIDI messages simultaneously.
Note that in Program mode, the Mix Group Channel parameter has no effect.
Typical Application 2: Using the
QuadraSynth with an External Sequencer
The QuadraSynth can generate MIDI signals that are recorded by a sequencer. On
playback, the sequencer sends this data back into the QuadraSynth, which then
serves as a multitimbral sound module (Mix mode). The sequencer can generate data
over several channels; in Mix mode, the QuadraSynth can be programmed so that
individual Programs play sequenced data on specific channels.
Example: If the sequencer transmits a piano part over channel 1, a bass part over
channel 2, and a drum part over channel 10, you could set up a QuadraSynth Mix so
that a piano sound plays only the MIDI data assigned to channel 1, a bass sound
plays only the MIDI data assigned to channel 2, and drums play only the MIDI data
assigned to channel 10. The QuadraSynth can store up to 100 User Mixes.
Connect the sequencerÕs MIDI Out to the QuadraSynthÕs MIDI IN, and the
QuadraSynthÕs MIDI OUT to the sequencerÕs MIDI In. This allows the QuadraSynth
to send data to the sequencer for recording, and play back data from the sequencer.

Connections
26 QuadraSynth Reference Manual
MIDI
OUT
MIDI
IN MIDI
OUT
MIDI
IN
COMPUTER
MIDI
INTERFACE
If you are driving other MIDI gear (such as an expander module or MIDI-responsive
signal processor), youÕll usually drive these from the sequencer if it has additional
MIDI outputs. However, you can also use the QuadraSynthÕs MIDI THRU connector
to drive other modules since the Thru carries a replica of what appears at the
QuadraSynthÕs MIDI IN, which is the same as the sequencerÕs MIDI OUT.
About the Keyboard Mode
In a Mix, the QuadraSynthÕs keyboard may be set up in several ways using the
Keyboard Mode parameter found on Page 2 of Global mode. You need to determine
which way is best for your application. The Keyboard Mode parameter determines
how the keyboard will function with regard to MIDI in Mix mode:
¥ The keyboard sends on only one MIDI channel and the sequencer is used to set
the MIDI channel of each track (Keyboard Mode = OUT 1 Ñ OUT 16).
¥ Or, the keyboard is split or layered, sending on many MIDI channels at once, and
the sequencer records each channel onto a different track (FRM MIX).

Connections
QuadraSynth Reference Manual 27
¥ Or, the keyboard only sends on one MIDI channel, but you change the channel
on the QuadraSynth for each separate track on the sequencer (CH SOLO).
In OUT 1 Ñ OUT 16 mode, you will not hear the QuadraSynth unless your
sequencer echoes the MIDI data back to the QuadraSynthÕs MIDI IN. This is a way of
verifying that the sequencer is set to receive properly. Depending on the capabilities
of your sequencer, it may Òauto-channelizeÓ the echoed MIDI back to the
QuadraSynth on a different MIDI channel (usually, the MIDI channel that the
selected record track is assigned to). In FRM MIX or CH SOLO mode, the
QuadraSynth sounds are internally played from the QuadraSynth keyboard, so any
echo features of the sequencer should be turned off.
When using the QuadraSynth with a MIDI sequencer, the usual choice for the
Keyboard Mode is ÒOUT 1.Ó This is equivalent to turning the QuadraSynthÕs local
control off. For more information, see page 45
Using the S4 with a Sequencer
For most sequencer applications, the S4Õs ÒMix Group ChannelÓ parameter (on page
2 of the Global display) should be set to OFF. See page 109 for more information.
Pedal and Footswitch Hookup
The QuadraSynth keyboard has two PEDAL jacks that accept a Roland model EV-5
(or equivalent) volume control pedal, or a standard switch pedal. Each pedal can be
assigned to independent modulation functions within a program. Example: One pedal
could control volume, and the other vibrato depth.
The SUSTAIN footswitch jack accepts a momentary footswitch unit, included with
the unit (it is packed in the center of the end caps). This provides the same function
as the sustain (or damper) pedal on a standard keyboard. You can use either a
normally closed or normally open momentary contact footswitch. Plug it into the
rear panel SUSTAIN footswitch jack before powering up the QuadraSynth; on power
up, it will automatically sense the footswitch polarity and calibrate itself accordingly.
If your footswitch seems to respond backwards (notes sustain unless the footswitch is
pressed), turn off the QuadraSynth, make sure the footswitch plug is fully inserted into the
footswitch jack, then turn the power back on.
✪

Connections
28 QuadraSynth Reference Manual
Digital Audio/Optical Hookup
The QuadraSynth can send digital audio directly into ADAT, which provides better
fidelity than using the analog inputs and outputs.
The digital I/O connector follows a proprietary Alesis format that carries all four
audio outputs on a single fiber optic cable. Either pair of outputs can be converted
into standard AES/EBU or S/PDIF stereo digital audio format by using the Alesis
AI-1 interface. Fiber optic cables of various lengths are available from your Alesis
dealer. The shorter the cable, the better. The model OC cable is 5 meters long and is
the maximum length recommended.
To hook up the optical cable:
➀Remove the two pieces of clear plastic, tubular sleeving (if present) that protect
the tips of the optical cable plug.
➁Insert one cable end into the QuadraSynth DIGITAL OUT and the other end into
the ADAT or AI-1 DIGITAL IN.
To test the cable and QuadraSynth digital output, plug one cable end into the
QuadraSynth. The other end should emit a soft red light (it is not dangerous to look
directly at this light).
Recording Digital Audio
Once the fiber optic connection is made between the QuadraSynth and ADAT or an
AI-1, the QuadraSynth will output audio on the first four channels of the digital bus
(the bus is capable of handling eight channels of digital audio). The Main Left and
Right outputs are routed to channels 1 and 2, while the Aux Left and Right outputs
are routed to channels 3 and 4. Note that the volume knob controls the level of all
analog and digital output channels simultaneously. Set the volume to maximum for
most applications.
48 kHz Clock In
If your ADAT system has an Alesis BRC Remote Controller, the QuadraSynthÕs
digital clock must be synchronized to the clock coming from the BRC. Connect a
BNC-to-BNC cable (such as the Alesis BN cable) between the BRCÕs 48 kHz CLOCK
OUT and the QuadraSynthÕs 48 kHz CLOCK IN. For more information about using
the 48 kHz clock, see page 110 in Chapter 8. When using only one ADAT without the
BRC, it is not necessary to connect the 48 kHz Clock.
DIGITAL
OUT 48 KHZ
IN
48 KHZ
OUT
DIGITAL
IN SYNC
OUT
SYNC
IN
BRC
ADAT
#3
ADAT
#1
ADAT
#2

Connections
QuadraSynth Reference Manual 29

Overview
QuadraSynth Reference Manual 31
CHAPTER 4
OVERVIEW
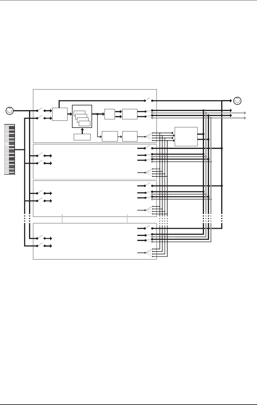
Basic Architecture
The QuadraSynth contains digitized acoustic and electronic samples, organized into
16 banks of sound groups. The banks are:
Piano Waves Woodwind Voice
Or
g
an Bass Strin
g
Sound FX
Ke
y
board Guitar Ensemble Drums
S
y
nth Brass Ethnic Percussion
Several functions (filter, amplitude envelope, pitch envelope, LFO, multiple
modulation sources, signal processors, etc.) can be used to process a sample. A
Sound is the combination of a sample with its associated processing.
A Program consists of up to four sounds. These sounds can be layered, split over
specific keyboard ranges, or selectively overlapped. The QuadraSynth has 128 User
Programs that you can modify and 128 Preset Programs that are permanently
installed in the QuadraSynth at the factory (although the Preset Programs can be
edited, they must be stored into the User bank to permanently retain your changes).
A Program can also be processed by any of 256 different Effects Patches (such as
chorus, reverb, and EQ), arranged in 128 Preset and 128 User Effects Patches. Each
Program can have its own Effect Patch, or several Programs may use the same Effect
Patch. Note that each Effects Patch has its own memory location, apart from the
Programs and Mixes. This location can have the same number as the Program being
effected, or the Program can select an Effect Patch in a different location. Example:
Suppose Effect Patch location 001 holds a nice, clean room reverb sound that you
want to use on several different Programs. Assign Effect Patch 001 (using the
ProgramÕs effect parameter) to each Program that should use this Effect Patch.
Because Effects Patches have their own memory locations, they must be saved
independentlyÑif you call up a Program and edit the Effect Patch, saving the
Program will not save the Effect Patch edits. The Effect Patch itself must be saved.
A Mix consists of up to 16 Programs, each assigned to a specific MIDI channel and
one Effect Patch. The QuadraSynth has 100 User Mixes plus 100 Preset mixes. This is
extremely useful for multitimbral setups where the QuadraSynth plays back different
sounds on different MIDI channels. Because of the 64 voices and built-in effects, the
QuadraSynth is often the only sound generator needed.
QuadraSynth Polyphony
The QuadraSynth provides 64-voice polyphony (i.e., how many notes can play at
once). If a program uses one sound, up to 64 notes can play at once. Layering two
sounds allows for 32-note polyphony and layering four sounds, 16-note polyphony.
Layering is a powerful technique that allows you to build up complex timbres. This
is crucial because acoustic instruments have extremely complex, evolving sounds

Overview
32 QuadraSynth Reference Manual
and by comparison, many synths sound static. Being able to layer up to four sounds
allows for creating large ensembles (e.g., brass section consisting of alto & tenor sax,
trumpet, and trombone) or extremely realistic versions of single instruments. When
creating layered Programs, keep polyphony in mind. If all Programs in a Mix use all
four available sounds, the QuadraSynth will quickly run out of voices.
Modes
The QuadraSynth is always in one of two main modes: Program mode or Mix mode.
Pressing [PROGRAM] selects Program mode, while pressing [MIX] selects Mix
mode. While in Program mode, you can use [SELECT] to access Program Edit mode
and Effects Edit mode. While in Mix Mode, pressing [SELECT] alternates between
Mix Edit mode, Program Edit mode and Effects Edit mode. Pressing [GLOBAL]
accesses Global Edit mode, pressing [COMPARE] accesses Compare mode, and
pressing [STORE] accesses Store mode. Here are descriptions of these modes:
Program Mode
Program mode lets you play the QuadraSynthÕs various Programs one at a time.
The QuadraSynth contains 128 Preset and 128 User Programs (i.e., the sounds of
various instruments, effects, ensembles, etc.) that show off just how cool this
instrument really is. Initially, both the Preset and the User Programs contain data
loaded in at the factory. The User Programs can be edited or replaced with your own
Programs. However, you cannot replace the Preset Programs, because these are
stored in ROM (permanent memory). Each Program can select any one of the 256
Effect Patches (Large Hall, Chorus, etc.). In some cases, the Program is heavily
dependent on its effect; in others, the effect is more subtle. In Program Mode, the
QuadraSynth responds to or generates messages on a single MIDI channel.
Mix Mode
Mix mode lets you audition the QuadraSynthÕs various Mixes, and use it as a MIDI
master controller. The QuadraSynth contains 100 Preset Mixes and 100 User Mixes. A
Mix can combine up to 16 different Programs, and the keyboard can generate up to
16 channels of MIDI data at once. Therefore, much thicker and richly textured sounds
can be created. In Mix mode, the QuadraSynth can be used in a wide range of
applications. It can be used for live performance, in which sounds are layered or
assigned to sections of the keyboard. It can also be used as a multitimbral sound
source for desktop music and home studio applications. Each Mix can select any one
of the 256 Effects Patches (Large Hall, Chorus, etc.). Even though there may be 16
Programs in a Mix, there can only be one Effects Patch per Mix. In Mix Mode, the
QuadraSynth can respond to messages on up to 16 MIDI channels simultaneously;
different channels are available depending on which Mix is selected.
Program Edit Mode
In Program Edit mode, you can change the various settings which determine the
sound of an individual Program, or create an entirely new Program from scratch. In
Program Edit mode you can:
¥ select which sample waveform from the 16 megabytes of onboard sample ROM
will be used, in each of the 4 sounds;
¥ change the tone, level, attack and decay characteristics, modulation inputs, and
pitch of each layer;

Overview
QuadraSynth Reference Manual 33
¥ select which Effect Patch will be used by the Program, set the effect level for each
sound layer, and set which of the four effect sends each layer will use for signal
processing (such as reverb, delay, and chorusÑor any combination of these).
Mix Edit Mode
Mix Edit mode lets you change the parameters of an existing Mix. Up to 16 Programs
can be active in each Mix, and Mix Edit mode sets up how each will be played. Mix
Edit mode allows you to:
¥ select which Programs will be played by the different MIDI channels and by the
keyboard in multiple layers or splits;
¥ set the output level, effects level, and pan of each Program in the Mix;
¥ select which Effects Patch will be used by the Mix.
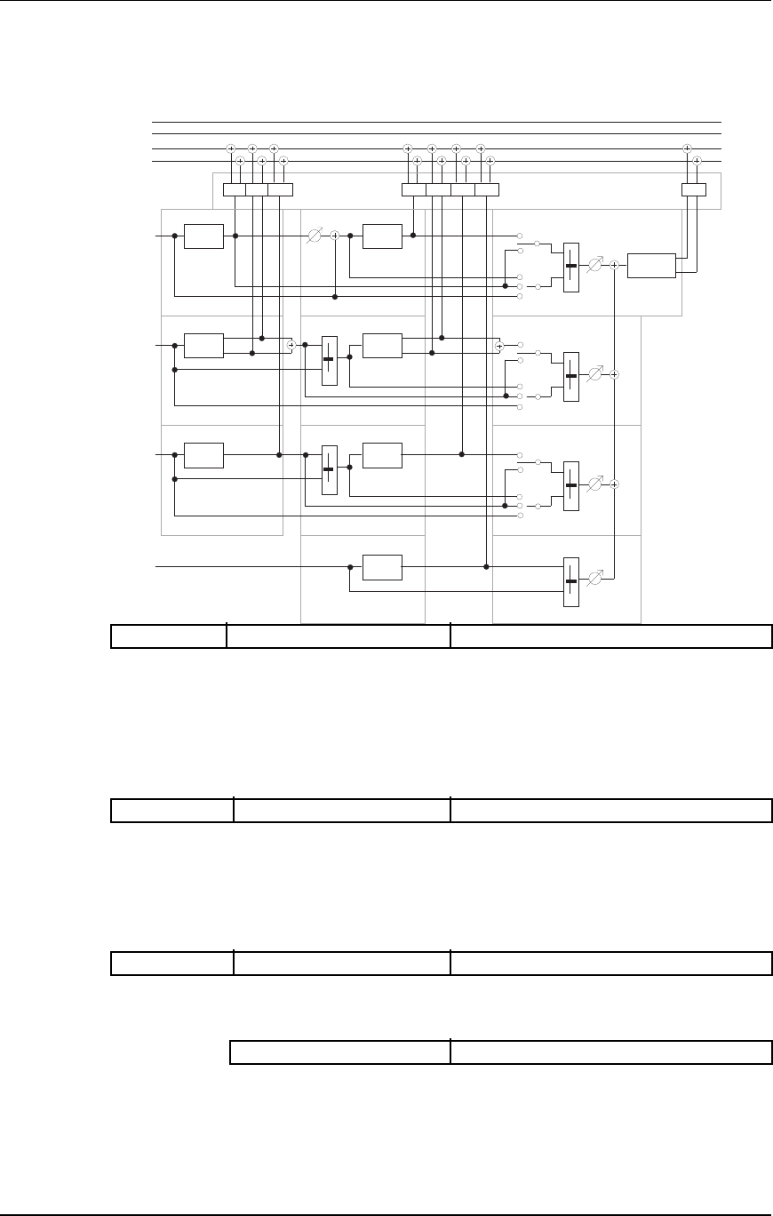
Effects Edit Mode
Effects Edit mode is used for setting up the Digital Signal Processing effects. Each
Effect Patch has 4 effect bus inputs, and an internal configuration of multiple effects
such as reverb, delay, and pitch-related effects (chorus, flange, etc.). You can
determine what kinds of effects are used on each bus, change parameters (such as
reverb decay time or chorus speed) of effects, set modulation (such as having the
modulation wheel change the delay time), and set the effects mix (how much reverb,
delay and chorus on the output of each effect bus).
Global Edit Mode
Use Global Edit mode to set various parameters which effect the entire instrument,
such as overall master tuning, display contrast, MIDI controller settings, keyboard
sensitivity, and how the unit will respond to or generate messages during Mix mode.
Store Mode
Store mode is used for storing changes of Programs, Mixes and/or Effects into the
User memory bank. It is also used for transmitting the QuadraSynthÕs parameters
over MIDI for data storage purposes, and for loading banks to or from a QuadraCard
PCMCIA memory card accessory.
Compare Mode
Once a Program has been edited in Program Edit mode, or an Effects Patch has been
edited in Effects Edit mode, or a Mix has been edited in Mix Edit mode, the word
ÒEDITEDÓ will appear in the display next to the Mix/Program/Effect number. If
[COMPARE] is pressed, the word ÒCOMPAREÓ will appear in the display, and you
will temporarily be hearing (and seeing) the original version of the
Mix/Program/Effect. If you are editing a Mix and press [COMPARE], the original
unedited MIX is temporarily recalled. Likewise, if you are editing a Program or
Effects Patch and press [COMPARE], the original Program or Effect will be
temporarily recalled. Pressing [COMPARE] again switches back to the edited
version, and the word ÒCOMPAREÓ disappears from the display.

Overview
34 QuadraSynth Reference Manual
The User Interface: Display, Functions,
Pages, and Parameters
The key to the QuadraSynth user interface is the combination of the Display and four
Quad Knobs/Buttons [1] Ñ [4] located toward the right of the front panel. The
Display constantly informs you of the QuadraSynthÕs status.
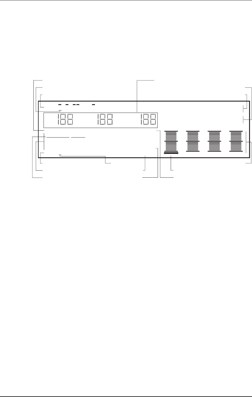
About the Display
MIDI
CHAN
MIX PROG
12345678910111213141516
EFFECT
PRESET
EDITED PRESET
EDITED PRESET
EDITED
EDITING: MIX PROGRAM SOUND 1234 EFFECT CLIP
PROGRAM – ASSIGN – VOICE LEVEL EFFECT–LEVEL
PITCH FILTER AMP RANGE MOD EFFECT NAME
PLFO FLFO ALFO PENV FENV AENV TRACK
CONFIG REVERB DELAY MIX MISC. GLOBAL
PAGE: 12345678910 11 12 13 14 15 16 COMPARE
"MixPrgName"
NUMBER TYPE
MIDI Monitor/Selection Strip
Current Mix, Program and Effect Strip
Function List
Page Number Strip
Mix/Program/Effect/Parameter Name Strip
Quad Knob/Button Label Strip
Quad Knob bar-graph meters
Compare indicator Clip indicator
Global indicator
Editing Status
Quad Knob Cursor
Page Cursor
MIDI Channel Cursor
Function Cursor
Note: This illustration shows all display flags turned on at once. Actual displays show only
some of these at any time.
The display has eight main sections:
¥MIDI monitor and selection strip. Selects different MIDI channels for the
programs in mix mode (a thick underline indicates the selected channel),
monitors keyboard and incoming MIDI activity (thick lines above active channel
numbers indicates activity either from the keyboard or MIDI In), and chooses the
basic MIDI channel in Program mode.
¥Current Mix, Program and Effect strip. Shows the currently selected Mix and/or
Program and its associated Effect.
¥Editing Status. Indicates what you are editing (either Mix Edit, Program Edit, or
Effects Edit), after pressing [SELECT]. Ò1 2 3 4Ó indicates which sound (1Ñ4) is
selected for editing when in Program Edit mode; or, which effect send (1Ñ4) is
selected for editing when in Effects Edit mode. Press [EDIT 1] to cycle through
the four sounds/sends. When Edit 4 mode is selected (press [EDIT 4]), all four
numbers appear, to indicate that all four sounds are available for simultaneous
editing (Edit 4 mode is available in Program Edit mode only).
¥Functions list. Displays the various editing functions available in a particular
editing mode. Use the FUNCTION [¬] and [®] buttons to select a function, as
indicated by the small line (cursor) underneath one of the words in the list. When
a function is chosen, the page number strip and right-hand side of the display
will show values related to that function. Only the functions used by the current
edit mode will be displayed and selectable.

Overview
QuadraSynth Reference Manual 35
¥Page number strip. Some functions have too many options to fit on a single
screen. These functions use multiple screens, with each screen considered a page.
This strip shows which page is selected by underlining the page number. The
PAGE [ ¬] and [®] buttons allow you to select a page.
¥Name strip. When in Mix mode, the name of the currently selected Mix will
appear here. Likewise, when in Program mode, the name of the currently
selected Program will appear here. In any Edit mode or Store mode, the name of
the currently selected parameter will appear here indicating it is selected for
editing using the VALUE [-] and [¯] buttons.
¥Quad Knob/Button Label strip. This line is used to show the labels of the bar
graph meters, which determine the functions of the four Quad Knobs and
Buttons. These labels change depending on which function and page is currently
selected. The labels are abbreviations of the parameters; the complete name (and
value) of a selected parameter will appear in the Name strip.
¥Quad Knob bar graph meters. When a Quad Knob controls a functionÕs
parameter, an associated bar graph appears which reflects the KnobÕs setting.
Note: Not all four Quad Knobs are active in all pages.
MIDI Buttons
The MIDI [¬] and [®] buttons serve two purposes. In Program mode, they select the
basic MIDI channel the QuadraSynth will receive and transmit MIDI messages on. In
Mix mode, they are used to select one of the 16 Programs for viewing and editing.
Quad Knob Editing
The Quad Knobs have two editing modes: Immediate and Pass-thru. When using the
Quad Knobs to adjust parameter values, you may prefer using one mode over the
other. When set to Immediate, parameter values jump immediately to the Quad
KnobÕs exact position the moment it is moved. When set to Pass-thru, the Quad Knob
must be turned beyond the parameterÕs current setting before it becomes ÒliveÓ and
begins adjusting the parameterÕs value.
The editing mode is set in Global Edit mode, Page 2, using Quad Knob [3]. For more
information about selecting the Quad KnobsÕ editing mode, see Chapter 8.
Parameter Editing
All parameter editing involves the same general procedure, with minor variations:
➀Select the type of parameters you want to edit with the corresponding button:
[MIX], [PROGRAM], or [GLOBAL].
Mix parameters edit a Mix. Program parameters edit a Program. Effects parameters can
be edited from within a Mix or a Program (see below). Global parameters edit general
characteristics that affect the entire instrument.
➁Select an Edit Mode with the [SELECT] button.
Example: If you pressed [PROGRAM], the [SELECT] button switches between two
groups of functionsÑone for editing the ProgramÕs sound (Program Edit mode), and the
other for editing the associated Effect (Effects Edit mode). If youÕre editing a Mix, the

Overview
36 QuadraSynth Reference Manual
[SELECT] button switches between three groups of functionsÑone for editing the MixÕs
parameters (Mix Edit mode), one for editing the Programs in the Mix (Program Edit
mode), and the last for editing the associated Effect (Effects Edit mode).
➂Use the FUNCTION [¬] and [®] buttons to select a function (level, pitch, etc.).
Press FUNCTION [®] to move toward the end of the list, and FUNCTION [¬] to
move back toward the beginning. The selected function will be underlined in the display.
Press both FUNCTION [¬] and [®] simultaneously to get back to the first function in
the list.
➃If a function has multiple pages, select the appropriate page by using the PAGE
[¬] and [®] buttons.
The LCDÕs page number strip shows the number of pages in a function; an underline
shows the currently selected page (e.g., if the display shows Ò1
2
3Ó then page two is
selected).
Press the PAGE [®] button to select the next higher-numbered page, and PAGE [¬] to
select the next lower-numbered page. Press both PAGE [¬] and [ ®] simultaneously to
get back to the first page of the selected function.
➄Select a parameter on the page for editing.
There can be up to four editable parameters on a page. The right side of the display shows
these parameters with both text and bar graph meters to give instant visual feedback
concerning a parameterÕs value. Each of the four columns has an associated Quad Knob
and Button: the leftmost column monitors Quad Knob/Button[1], the second from left
column monitors Quad Knob/Button [2], etc. Turning a Quad Knob or pressing its
Button selects the associated parameter for editing. The currently selected parameter is
indicated by a thick line at the bottom of one of the four bar graph meters.
➅Change the parameter value.
You can edit the value either by turning the associated Quad Knob (for large value
changes) or pressing the VALUE [¯] and [-] buttons (for smaller changes).
Each bar graph indicates a parameterÕs approximate valueÑincreasing a value
increases the column height. With bipolar values that can go positive or negative,
turning a knob clockwise increases the column height upward from the midpoint,
and turning a knob counterclockwise increases the column height downward (more
negative value) from the midpoint.
Always refer to the parameter name strip in the display above the bargraphs for the
current parameter label and value.
Editing Program Parameters
Here is an example of how to use the QuadraSynthÕs editing features to change
Program parameters. Feel free to make changes and twist dials; these will not be
made permanent unless you store the Program (described later). Simply selecting
another Program cancels the results of any edits youÕve made unless youÕve stored
the Program.
➀Press the [PROGRAM] button.
This selects Program mode.

Overview
QuadraSynth Reference Manual 37
➁Select a Program using either Quad Knob [1], the VALUE [¯] and [-] buttons, or
the MIX/PROGRAM SELECT [1]Ñ[0] buttons.
The currently selected Program will appear in the upper right of the display.
➂Press the [SELECT] button.
Pressing this button toggles between Program Edit mode and Effects Edit mode. The
displayÕs editing status line will indicate either ÒEditing: ProgramÓ or ÒEditing: Effect.Ó
To change edit status, press the [SELECT] button again. For now, select ÒEditing:
Program.Ó
➃Select the desired function by using the FUNCTION [¬] and [®] buttons to step
through the various options in the function list (Assign Voice, Level, Effect Level,
Pitch, Filter, Amp, etc.).
Pressing FUNCTION [®] advances to the next function, and FUNCTION [¬]
returns to the previous function. As you select the different edit Functions, the page
number strip shows how many pages exist for that function, and the right part of the
display will show the parameters on the current page.
➄Some functions have more parameters than will fit on a single display page, and
therefore will have multiple pages, as indicated in the lower left corner of the
display. To select a page within a particular edit function, use the PAGE [¬] and
[®] buttons.
Press the PAGE [®] button to advance to the next higher-numbered page or PAGE [¬]
to return to the next lower-numbered page.
➅To adjust a parameter on a page, either:
¥ Turn the associated Quad Knob [1] Ñ [4].
¥ Press the associated Quad Button [1] Ñ [4] to select a parameter in the
display, then adjust its setting with the VALUE [¯] and [-] buttons.
Edit 4 and Edit 1 Modes
A Program is made up of four sounds. Sometimes, you need to edit four variables of
a single Program sound (for example, the attack/decay/sustain/release parameters
of an envelope). Other times, you may want to edit one variable in all four layers (for
example, the attack parameter of each layer). These two different methods of editing
a Program are available under the [EDIT 1] and [EDIT 4] buttons. The only difference
between the two modes is what variables will appear in the display at the same time.
You can switch between Edit 1 and Edit 4 modes at any time.
Note: There is no Edit 4 mode for Mixes or Effects.
➀Press [EDIT 1] repeatedly to select a sound for editing.
The status line in the display will indicate ÓSOUND 1,Ó or ÒSOUND 2,Ó etc., as you
continue to press [EDIT 1].
➁To view and edit parameters for all four sounds at once, press [EDIT 4].
The status line in the display will indicate ÒSOUND 1 2 3 4.Ó
In Edit 4 mode, the four Quad Knobs represents the four sound layers of a Program.
The currently selected parameterÕs name will appear at the top right of the display,

Overview
38 QuadraSynth Reference Manual
while above each bargraph are the words ÒSND1 SND2 SND3 SND4.Ó If a sound is
disabled, the display will show the soundÕs name in lower case (Òsnd1Ó means that
sound 1 is disabled). If a sound is in Drum mode, the soundÕs name will read
ÒdrmX,Ó where X is the sound number (1Ñ4).
Notice that the assignments of the Quad Knobs and the number of pages in a
function change between Edit 1 and Edit 4 mode. For example, in Edit 1 mode the
LEVEL function has only one page which shows the Volume, Pan and Output of a
single sound. In Edit 4 mode, the Level function has three pages: all four sound
volumes are page 1, all pans are on page 2, and all outputs are on page 3.
Resetting a Parameter Value
ItÕs often convenient while editing to return a parameter to its default setting
(usually, but not always, 0). This normally involves turning a Quad Knob or
repeatedly pressing the VALUE [¯] and [-] buttons, but hereÕs a quicker way:
To reset a parameter to its default setting:
➀Select the parameter you wish to reset using the methods described earlier.
➁Simultaneously press both the VALUE [¯] and [-] buttons.
Comparing Edited and Stored Versions
When you edit a Program or Mix, you are actually editing a copy which is in a
temporary edit buffer. Therefore, to retain the results of your edit, you must save it to
a particular memory location (see the next section on Storing). If you change memory
locations before saving, the buffer will be replaced and your edits lost.
Because the original Program/Mix remains undisturbed, you can compare the edited
version to the original by using the Compare function. You can only select Compare
mode when either Mix Edit, Program Edit or Effects Edit is selected, and the word
ÒEDITEDÓ appears in the display below either ÒMIX,Ó ÒPROGÓ or ÒEFFECT.Ó
➀Press [COMPARE].
The word ÒCOMPAREÓ will appear in the display, while the word ÒEDITEDÓ will
disappear.
➁Press [COMPARE] again to exit Compare mode and return to the edited version.
The word ÒCOMPAREÓ will disappear from the display, and the word ÒEDITEDÓ will
reappear. Pressing [MIX], [PROGRAM], [GLOBAL], [STORE] or the
MIX/PROGRAM SELECT [1]Ñ[0] buttons will also exit Compare mode.
While Compare mode is selected, you can move around to view the various parameters, but
you will not be able to edit anything. This is because you are seeing what is in memory, not
what is in the edit buffer.
✪

Overview
QuadraSynth Reference Manual 39
Preset Memory and User Memory
The QuadraSynth has two internal memory banks for Mixes, Programs and Effects
Patches: and . The Preset bank is kept in ROM (Read Only Memory), and therefore
cannot be altered. However, the User bank is stored in RAM (Random Access
Memory). Anytime you want to keep an edited version of a Mix, Program or Effects
Patch, you will store it into the User bank. If you want to permanently change a Mix,
Program or Effect Patch that is in the Preset bank, you can store the edited version
into the User bank (in either the same number location or a different number
location). However, this requires that you Òstore over,Ó losing whatever was
previously in that location. If you donÕt want to lose any of the sounds in the User
bank, you should back-up the entire bank to either an external SRAM PCMCIA card,
or (via MIDI System Exclusive) into a data storage device like the Alesis DataDisk or
a MIDI sequencer. See Chapter 9 for more information on external storage
operations.
Storing
The [STORE] button selects Store mode. Store mode has 7 pages which you can scroll
through by using the PAGE [¬] and [ ®] buttons. Each page in Store mode provides
a different type of storage, copy or data transfer function. When storing edited Mixes,
Programs or Effects into the User bank, you will use the first page of Store mode (for
more information about the other pages of Store mode, see Chapter 9). If you press
[STORE] while in Mix mode, the display will look like this:
MIDI
CHAN
MIX PROG
12345678910111213141516
EFFECT
PRESET
EDITED PRESET PRESET
PAGE: 1234567
STORE MIX AT 00?
NUMBER (Press STORE)
Once you have edited a Mix, a Program, or an Effect, the word ÒEDITEDÓ will
appear in the display. If this word appears next to the Mix Number, the Mix has been
edited; if it appears next to the Program Number, the Program has been edited; if it
appears next to the Effect Number, the Effect has been edited.
Each edit mode type requires its own store operation. For example, if while making a
new Mix you also make changes within one of the Programs (such as lowering the
filter level) and make changes within the Effect (such as increasing the reverb decay
time), you must press [STORE] three different times (from Mix Edit, Program Edit
and Effect Edit modes) in order to save your work.
If you select a different Mix while in Mix Edit mode, or a different Program in
Program Edit mode, you will lose all changes you have made, unless you perform a
store first.
You can only store Mixes, Programs, and Effects into their respective User banks. The Preset
banks are permanently stored in ROM and cannot be saved over.
✪

Overview
40 QuadraSynth Reference Manual
Store a Program
➀While in either Program mode or Program Edit mode, after making your edits
press the [STORE] button.
➁Select the memory location to which you want to store the Program using Quad
Knob [1] or the VALUE [ ¯] and [-] buttons.
DonÕt use the MIX/PROGRAM SELECT [1]Ñ[0] buttons. Doing so will result in
recalling a different Program and you will lose your changes.
➂Press [STORE] again to complete the operation.
Store an Effect
➀While in Effects Edit mode, after making your edits press the [STORE] button.
➁Select the memory location to which you want to store the Effects Patch using
Quad Knob [1] or the VALUE [¯] and [-] buttons.
➂Press [STORE] again to complete the operation.
Store a Mix
➀While in either Mix mode or Mix Edit mode, after making your edits press the
[STORE] button.
➁Select the memory location to which you want to store the Mix using Quad Knob
[1] or the VALUE [¯] and [-] buttons.
Do not use the MIX/PROGRAM SELECT [1]Ñ[0] buttons. Doing so will result in
recalling a different Mix and you will lose your changes.
➂Press [STORE] again to complete the operation.
Storing a Mix only stores the Mix parameters, not the individual Programs or Effect Patch
used in the Mix. If you have edited any of the Programs in the Mix or the Effects Patch, you
must store them separately.
✪
✪
✪

Overview
QuadraSynth Reference Manual 41
To Audition Programs Before Storing
To look for an available memory location to permanently store your Program or
Effects Patch data, you can always go from Program mode to Mix mode, or vice
versa, without losing your changes. ThatÕs because Program mode has a Program
edit buffer and an Effects edit buffer, and Mix mode has its own Mix edit buffer
along with 16 Program edit buffers and its own Effects edit buffer. These buffers are
retained when going back and forth between Program mode and Mix mode, thus
making it easy to search for a suitable location to store your newly created Program
or Effects Patch. Example: While in Program Edit mode, go to Mix mode and scroll
through the Program list on one of the Channels; while editing a Program from Mix
mode, go to Program mode to scroll through the Program list.
The way to tell the difference between a program edited in Program mode and one
edited from Mix mode is simple: in Program mode, the MIX number does not appear
in the display.
You will lose your changes if you remain in the same mode and recall a different
Mix/Program by pressing the MIX/PROGRAM SELECT [1]Ñ[0] buttons.
To audition Programs before overwriting them with STORE
Éwhen editing a Program in Program mode:
➀While in Program Edit mode, press [MIX].
This selects Mix mode, but retains your changes to the Program in an edit buffer.
➁Using MIX/PROGRAM SELECT [1]Ñ[0], or Quad Knob [1], select Mix 90.
➂Press [SELECT] to enter Mix Edit mode, and press both MIDI [¬] and [®]
buttons simultaneously to select Channel 1.
➃Press both FUNCTION [¬] and [®] buttons simultaneously so the words
ÒPROGRAM Ð ASSIGNÓ are underlined.
➄Turn Quad Knob [3] to the right so that ÒPROGRAM TYPE: USERÓ appears in
the top right of the display.
➅Turn Quad Knob [1] to scroll through the Programs until you find one you wish
to overwrite with the new edited Program. Take a note of the number.
➆Press [PROGRAM] to enter Program mode.
This recalls the edit buffer in Program mode, which is your edited Program.
➇Press [STORE].
The top right of the display will read ÒSTORE PRG AT XXX?Ó where XXX is a User
Program number from 000Ñ127.
➈Use Quad Knob [1] to enter the Program number you noted in step 6.
➉Press [STORE] again.
The Program is now stored.
✪

Overview
42 QuadraSynth Reference Manual
To audition Programs before overwriting them with STORE
Éwhen editing a Program in Mix mode:
➀While in Mix Program Edit mode, press [PROGRAM].
This selects Program mode, but retains your changes to the Program in Mix Edit.
➁Turn Quad Knob [3] to the right so that ÒPROGRAM TYPE: USERÓ appears on
the top line of the display.
➂Use Quad Knob [1] to scroll through the Programs until you find one you wish to
overwrite with the new edited program. Take a note of the number.
➃Press [MIX].
This recalls the edit buffer in Mix mode, which contains your edited Program.
➄Press [SELECT] twice, until ÒEDITING: PROGRAMÓ appears under the MIX
number in the display.
➅Press [STORE].
The top line of the display will read ÒSTORE PRG AT XXX?Ó where XXX is a User
Program number from 000Ñ127.
➆Use Quad Knob [1] to enter the Program number you noted in step 3.
➇Press [STORE] again.
The Program is now stored.
At this point your edited Program is stored, however the Mix your were auditioning
before storing the Program still has the old Program number assigned (if the edited
Program was saved to a different Program number location). Therefore, you need to
re-select the new Program number from within Mix Edit mode.
➈Press [MIX], then [SELECT] to access Mix Edit mode.
➉Use the MIDI [¬] and [®] buttons to select the MIDI channel you want, and use
the VALUE [-] and [¯] buttons or Quad Knob [1] to select the Program number.

Mix Mode
QuadraSynth Reference Manual 43
CHAPTER 5
MIX MODE
What Mix Mode Does
Mix Mode is one of the most powerful features of the QuadraSynth. While in
Program Mode you can play only one Program at a time, in Mix Mode you can play
up to 16 Programs at once, either from the keyboard (as layers or splits) or from an
external sequencer (via 16 MIDI channels) or a combination of both.
With Mix Mode, you can do the following:
¥ Combine ("stack" or "layer") different Programs so they can be played
simultaneously from the keyboard. For example, stack a piano on top of a brass
patch and a string patch, adjusting the volume of each for a desirable mix. (Note
that the stacking of Programs in Mix Mode is in addition to any sounds that may
be stacked in the four sound layers of each Program.)
¥ Split the keyboard into different zones--for example, the classic bass guitar on the
left-hand side of the keyboard and synth or piano on the right. You can split the
keyboard into as many as 16 zones (as is demonstrated on Preset Mix 00).
¥ Transmit on different MIDI channels simultaneously.
¥ Receive up to 16 MIDI channels from an external sequencer, with each channel
representing a different instrument--bass on Ch. 1, piano on Ch. 2, drums on Ch.
10, trumpet on Ch. 16. Mix Mode is the multitimbral mode of the QuadraSynth.
¥ Set the relative level, panning, and effect send of each MIDI channel (hence, "Mix
Mode").
Mix Edit Mode
To edit a Mix you must select Mix Edit mode. Press [SELECT] from Mix Mode.
"Editing: Mix" should appear in the edit status section of the display:
PROG EFFECT
PRESET PRESET
EDITING: MIX
PAGE: 1
"Mystic5ths"
NUMBER TYPE ENABLE
PITCH RANGE EFFECT NAME
MIDI
CHAN
MIX
PRESET
12345678910111213141516
PROGRAM – ASSIGN LEVEL EFFECT–LEVEL
Note: This illustration shows a Mix with all 16 MIDI channels enabled. If a channel is not
enabled, its number will not show in the display unless the MIDI cursor is under the number.
Editing a Mix begins with using the MIDI [¬] and [®] buttons to select the MIDI
channel you want, and assigning a Program number for the channels you want to

Mix Mode
44 QuadraSynth Reference Manual
use. Each channel may be enabled or disabled, without changing any of its parameter
settings. When a channel is disabled, its number will not appear in the upper left
display, except when it is selected for editing. You can set levels, effect levels and bus
assignments, pitch transposition, keyboard ranges (if making a split or layer), and
MIDI parameters for each individual channel. Each function is selected using the
FUNCTION [¬] and [®] buttons and (if necessary) the PAGE [¬] and [ ®] buttons.
A Mix also includes an Effects Patch, which can be any of the 256 Effects Patches, or
you can link the Mix to use an Effect associated with one of its 16 Programs.
Here is a simplified diagram of the signal path in Mix mode.
Program
Range
Channel 1
Channel 2
Channel 3
Channel 16
MIDI
Input
Pan Output
Sends
1—4
Main L
Effects
Level Effects
Buss
Main R Aux L
Aux R
Effects
Processor
(reverb, delay,
chorus, etc.)
Pitch
MIDI
Output
Keyboard
Mode =
FRM MIX
MIDI
Out
MIDI
In
Keyboard
Sound 1
Sound 2
Sound 3
Sound 4
Understanding the Edit Buffers
In Mix mode, there are 16 edit buffers (one for each channel), plus another buffer for
the Mix parameters (Level, Pitch, Range, etc.), and yet another buffer for the Effects
Processor. When you select a Mix from memory, it is copied into the Mix Edit buffer,
the 16 Programs of that Mix are copied into the 16 edit buffers, and the MixÕs Effect
Patch is copied into the Effects buffer. If you make changes to the Mix, they are only
temporarily kept in the edit buffer until a new Mix is selected from memory.
Therefore, you MUST store your edited Mix if you want to keep it.
If in the course of making a Mix, you enter Program Edit mode (by pressing
[SELECT]) and edit one or more Programs in the Mix, the edits you make are entered
into a separate buffer. Note, however, that you DO have to STORE each edited
Program in the User bank (in the same or different Program number location) before
selecting a different Mix, or your changes will be lost. The same goes for editing the
Effects patch. If you select another Mix before storing, your changes will be lost.

Mix Mode
QuadraSynth Reference Manual 45
Program Assign for each MIDI Channel
The first function of Mix Edit is Program Assign.
Program Number (000 to 127)
This determines the Program Number (000Ñ127) for the selected MIDI channel.
Program Type (Preset or User)
This determines whether the selected Program is from the Preset bank or User bank.
Enable (On or Off)
This determines whether the selected channel is enabled or disabled. When disabled,
no sound will be heard. The Channel number in the display for a disabled channel
will not appear except when selected for editing.
Even if a channel is enabled here, it will not play unless the proper settings in the RANGE
function (MIDI IN and/or KEYBOARD On/Off and LOW/HIGH) are made.
Level Setting for Each Program
The second function of Mix Edit is .
Level (00 to 99)
This parameter sets the overall volume for a sound. Higher numbers give higher
levels.
Pan (<3 to >3, or PG )
This determines the position of the selected channel. When set to PG, the panning
setting will be that of the Program assigned to the selected channel. However, you
can override this setting by selecting a different value, thereby assigning the
channelÕs panning between the left and right outputs of either the MAIN or AUX
outputs (depending on the Output assignment--see below).
Output (MAIN, AUX, OFF, or PROG)
This determines the audio assignment for the selected channel. When set to PROG,
the channel will use the Output assignment of the Program. However, you can
override this assignment by setting this parameter to something different. Selecting
MAIN or AUX will assign the channel to the MAIN or AUX audio outputs. When set
to OFF, the channel will not be sent to either set of outputs (but can still feed an effect
bus).
Pitch
The function lets you transpose a channelÕs Program in either semitone or octave
increments. By using both parameters together, you have a total transposition range
of ±3 octaves.
✪

Mix Mode
46 QuadraSynth Reference Manual
Octave (-2 to +2 octaves)
This sets the ProgramÕs pitch in (12 semitones) steps from -2 (transposed down 2
octaves) to +2 (transposed up two octaves).
Semitone (-12 to +12 semitones)
Sets the oscillator pitch in steps, from -12 (transposed down one octave) to +12
(transposed up one octave).
Setting the Range and MIDI
Each sound can be restricted to a specific range of the keyboard. This is ideal for
creating splits (e.g., bass in the lower octave and a half, piano in the middle three
octaves, and strings in the upper octave).
When you start to setup a MIX, it may be confusing if many of the channels have
their Keyboard parameter turned off. In order to hear anything on a particular
channel, enable Keyboard control and set the Range so that the low note and high
note values are set beyond where you want to play. Look at the MIDI MONITOR
section of the display. A thick line will appear above any active MIDI channels as
you play notes or send notes to the QuadraSynth from a sequencer on those
channels.
Range (Page 1)
Lower Limit (MIDI note 000 to 127/ C-2 to G8)
Specifies the lowest note of the soundÕs keyboard . You can set the lower limit by
holding Quad Switch [1] and tapping the key on the keyboard you want to set as the
lowest note in the range.
High Limit (MIDI note 000 to 127/ C-2 to G8)
Specifies the highest note of the soundÕs keyboard range. You can set the high limit
by holding Quad Switch [2] and tapping the key on the keyboard you want to set as
the highest note in the range.
If the lower limit is set above the high limit, there will be no sound from this program layer.
C-2
0
C-1
12
C0
24
C1
36
C2
48
C3
60
C4
72
C5
84
C6
96
C7
108
C8
120127
QuadraSynth Keyboard Range
Program Sound Range
G8
✪

Mix Mode
QuadraSynth Reference Manual 47
Range (Page 2)
MIDI In (On or Off)
This determines whether or not the selected channel will respond to incoming
messages on the same channel.
MIDI Out (On or Off)
This determines whether or not the selected channel will transmit MIDI messages.
This has no effect on the S4 module; it only applies to the QuadraSynth keyboard.
Keyboard (On or Off) (Keyboard Model only)
This determines whether or not the selected channel will respond to the , pitch-bend
and mod wheels, foot pedals and sustain pedal of the QuadraSynth itself.
MIDI Group (On or Off) (S4 Sound Module only)
This determines whether the selected channel will respond to MIDI messages from
the selected Mix-Group-Channel, when that is enabled on page 2 of the Global menu.
For example, if MIDI Group is set to ON on Mix channels 1, 2, 3 and 4, and Mix-
Group-Channel is set to 16, all four channels will play when a note-on message is
received on MIDI channel 16.
Effects in Mix Mode
In Mix Mode, you can have only one Effect Patch active per Mix. However, the MixÕs
Effect Patch still has 4 independent effect buses, and you can decide the effect send
level and routing from each Program layer to the effects processor.
If you enter Program Edit mode from Mix Mode, you will not be able to change the Effect
Patch of the individual Programs, since this function is overridden by the MixÕs Effect
function. Always select the Effect Patch for a Mix from Mix Edit mode.
The QuadraSynth offers you a choice of what parameters to use for effects:
¥ The Effect Patch can be selected by the Mix itself, or linked to one of the
Programs in the Mix. For example, you can use Effect Patch "127" for the Mix, or
say, "use whatever effect is used by the program on MIDI channel 10."
¥ Similarly, the effect levels and bus assignments can be set directly by the Mix,
or you can use the same levels and buses that were stored in each Program.
Effect Level
The Effect function is where each channel may be given its own Effect-Level and
Effect Bus assignment.
(00 to 99, or PROG)
This determines the amount of signal from the selected channel that will be sent to
the effects, using one of the four effects buses as determined by Quad Knob [2].
✪

Mix Mode
48 QuadraSynth Reference Manual
(1, 2, 3, 4, or PROG)
Quad Knob [2] determines which effect bus the selected channel will be routed to.
When set to PROG, the effect bus assignment will be that stored by the channelÕs
Program. 1, 2, 3 or 4 overrides the ProgramÕs bus assignment, sending all sound
layers of the Program to the chosen bus.
Effect
The Effect function is where you select what Effect Patch will be used by the Mix. Or,
you can link the Effect to one of the Programs in the Mix.
Number (000 to 127)
This determines the Effect Patch number (000Ñ127) for the selected Mix.
Effect Type (Preset or User)
This determines whether the selected Effect is from the Preset bank or User bank.
(On or Off)
This determines whether the MixÕs Effect will be linked to one of the Programs in the
Mix. When Program Link is on, the Channel parameter (Quad Knob [4]) determines
which channelÕs (1Ñ16) Program will select the Effect.
EFX (1 to 16)
When the Link parameter is turned on (see above), the EFX MIDI Channel parameter
determines which channelÕs ProgramÕs Effect Patch will be used for the entire Mix. In
other words, when Link is on and the Channel is set to 3, the Mix will use the Effect
Patch normally used by the Program assigned to channel 3.
When Link is off, the Channel parameter determines which MIDI channel the Effects
Patch will use for MIDI modulation (for example, if a MIDI controller is used to vary
delay time).
Naming a Mix
The function allows you to change the name of the . The Mix name can be up to 10
characters long. Use the PAGE [¬] and [®] buttons to position the cursor. Quad
Knob [1] selects the character. Here is a chart of available characters:
! " #$%&’
(
)
* +, - . / 0123
456789: ; <=>?@ABCDEFG
HI J KLMNOPQRSTUVWXYZ[
¥] ^_` abcdef
g
hi
j
kl mno
p
q
rstuvwx
y
z{ | } ®¬

Mix Mode
QuadraSynth Reference Manual 49
Polyphony in Mix Mode
The QuadraSynth has 64-note polyphony. In Mix Mode, if you have all 16 MIDI
channels assigned to the same keyboard range, and each channel's Program has only
one active Program Sound, youÕll have 4-note polyphony as you play the keyboard
(but a really thick layer...). This is extreme, of course, but should tell you what you
can expect when you really pile on the layers from the keyboard.
Using the QuadraSynth as a Master
Keyboard
Mix Mode gives the QuadraSynth the capabilities of a MIDI master keyboard. You
can layer the QuadraSynthÕs internal sounds with an external synthesizer's sounds
without using up internal polyphony by adjusting the proper parameters in the Mix
Edit mode.
Example: You can have 2 layers (or a split) played directly from the QuadraSynth,
simultaneously playing on external synthesizers using a MIDI channel which has its
internal QuadraSynthÕs sound turned OFF.
Setting MIDI Out Channels for Mix in
Global Mode (QuadraSynth Keyboard only)
The QuadraSynth offers a wide variety of ways to set the MIDI output. It is very
easy in Program Mode; you just use the MIDI [¬] and [®] buttons to set the MIDI
channel for the whole instrument. But when using the QuadraSynth in Mix Mode,
you need to be able to transmit on several MIDI channels at once, and to temporarily
isolate certain channels within a Mix. This is done with the Keyboard Mode
function.
➀From Mix mode, press [GLOBAL].
➁Press PAGE [®] to get to Page 2.
➂Press Quad Button [4].
You will see "KBD MODE: " in the top right of the display.
➃You can use the VALUE [¯] and [-] buttons or Quad Knob [4] to set the
Keyboard Mode.
The options are: FRM MIX, CH SOLO and OUT 1 Ñ OUT 16.
FRM MIX. In this mode, the MIDI channels sent out will correspond to whatever
layers or splits the Mix is set up for. For example, in the Preset Mix bank, there are
several Mixes in which the keyboard is split in two or more ways from left to right;
each of these "zones" is linked to a different set of channels. As you play through
each zone, it will send MIDI messages corresponding to that key range and trigger
the corresponding channels. Note that certain controllers such as pitch bend and
aftertouch will send on all channels at once. The MIDI Monitor indicators in the
display will show which channels are active.

Mix Mode
50 QuadraSynth Reference Manual
CH SOLO. In this mode, the only sounds coming from the QuadraSynth, and the
only MIDI Out messages, will come from the layer or range of the underlined MIDI
channel in the display. This allows you to isolate individual channels in a Mix. So, if
you play in a range of the keyboard that is active on MIDI CH 1, and 1 is underlined,
you'll hear it. All other ranges or layers will not respond to the keyboard (they will
continue to respond to incoming MIDI messages on their respective channels,
however).
Use the MIDI [¬] and [®] buttons to hear each channel in turn.
OUT 1 Ñ OUT 16. The QuadraSynth will generate MIDI messages from the
keyboard, regardless of the Range settings for that channel in the Mix, but it will not
play the internal sound. Use this mode if you're using a MIDI sequencer with an
ECHO feature--the sound will be activated by messages appearing at the MIDI IN
connector after itÕs made the Òround tripÓ through the sequencer. This is the
QuadraSynthÕs equivalent to LOCAL OFF.

Editing Programs
QuadraSynth Reference Manual 51
CHAPTER 6
EDITING PROGRAMS
Overview
Synthesizer programming is the art and science of shaping sounds in a particular
way by altering the parameters of various modules. Like music itself, learning synth
programming is an ongoing process. Although this manual presents information
about synthesizer programming, no manual can offer a complete course in
programming (at least for a price that customers would be willing to pay!).
If youÕre new to synthesizer programming, the best way to learn is to adjust different
parameters as you play to discover how different parameter values affect the sound.
Also, become familiar with the signal and modulation flow within the QuadraSynth
(as shown in the various block diagrams included in this manual) so that you can
understand the many ways in which you can process a signal as it works its way
from oscillator to output.
The “Normalized” Synth Voice
The first synthesizers were comprised of various hardware modules, some of which
generated signals, and some of which processed those signals. These were designed
to be general-purpose devices since nobody was quite sure how they would be
applied; some engineers used them as signal processors, while keyboard players
treated them as musical instruments. Therefore, patch cords connected the inputs and
outputs of the various signal generating and processing modules (which is why
particular synth sounds were called patches). Changing a patch involved manually
repositioning patch cords and adjusting knobs and switches; recreating a patch
required writing down all the patch settings on paper so they could be duplicated
later. Even then, due to the imprecision of analog electronics, the patch might not
sound exactly the same.
Over the years, certain combinations of modules seemed to work better than others,
and since patch cords were troublesome to deal with, eventually these modules were
wired together in a "normalized" configuration. Synthesizers such as the MiniMoog,
Prophet-5, and others eliminated the need for patch cords by containing a
normalized collection of sound modules (including oscillators, filter, envelopes,
LFOs, etc.).
The QuadraSynth offers the best of both worlds. The most commonly-used,
normalized configurations are built-in to every program for ease of programming. In
addition, the QS Modulation Matrix gives back much of the flexibility of a modular
synthesizer, allowing you to map various modulation sources to multiple
destinations for special needs. If youÕre a beginner, all of the normalized pathways
are easy to find; as you gain experience you can explore more advanced features.

Editing Programs
52 QuadraSynth Reference Manual
How the QuadraSynth Generates Sound
The QuadraSynth uses custom integrated circuits, developed by the Alesis
engineering team specifically for the QuadraSynth. These resemble the types of chips
used in computers and other digital devices. In fact, you can think of the
QuadraSynth as a special-purpose computer designed to generate and process audio.
Although the user interface maintains the metaphor of Òmodules,Ó in fact all sounds
are simply a set of numbers reflecting how youÕve programmed the various sound
parameters. For example, when you change the filter cutoff frequency, youÕre not
actually messing with a filter; youÕre telling the computer to simulate the effect of
messing with a filter.
Each "module" is represented by parameters that appear on one or more display
pages. The Quad Knobs and Buttons change these parameters. All "patching" is done
via software, so the only patch cords you need are those that go to your mixer or
amplifier.
You can take a "snapshot" of the QuadraSynthÕs parameters and save this in memory
as a program. The QuadraSynth comes with 128 factory preset programs, and 128
user-editable programs.
Program Sound Layers
The simplest method of programming is to take one voice, process it through the
filter and amp sections, and (if desired) add some effect to it. However, more
elaborate Programs usually consist of 2 to 4 layers, with each layer making its own
distinct contribution to the sound, for example:
¥ An organ program with Program 1 set to a sustained organ waveform, and
Program Sound 2 set to a percussion waveform with a fast decay.
¥ A piano program with one layer tuned normally, and a second layer tuned an
octave higher.
¥ A synthesizer program with one layer set to a sharp attack waveform, a second
layer set to an acoustic waveform, and a third layer with a slow-attack string
waveform.
This may remind you of Mix Mode, where playing the keyboard can sound up to 16
different Programs at once. There are many similarities. In Mix Mode, you can make
the same kind of layered Mix as you can with the four sounds of a Program. But
there are differences:
Use Program Layers:
¥ If you want multiple sounds to respond to a single MIDI channel. For example,
if you need to play a layered synthesizer sound that was assembled in Mix Mode
instead of Program Mode, you must send 3 Note On messages from your
sequencer (one for each channel) for every note; a layered program would need
only one Note On message.

Editing Programs
QuadraSynth Reference Manual 53
¥ When layers of a Program are designed to be used together, and the individual
layers by themselves wouldn't be used alone (for example, the percussion layer
of the organ sound).
Use Mix Mode:
¥ When you want to layer more than four voices. In Mix Mode, it is possible
(though not advisable) to stack all 64 voices onto a single key.
¥ When each sound is likely to be used by itself by other setups. For example, if
you are programming three different keyboard splits, each of which uses the
same left-hand bass patch, it makes sense to use Mix Mode.
¥ When you want different sounds to respond to different MIDI channels.
QuadraSynth Signal Flow
The Four Sounds of a Program
Each Program is made up of at least one to four s. A sound is made up of several
components including a voice (the original sound material) which passes through a
low-pass filter and an amplifier. The voice, filter and amp modules each have direct
modifiers (Pitch LFO, Filter LFO, Amp Envelope) which affect how each will
function in the Program. You can layer these sounds together, or divide them into
regions of the keyboard, or a combination of these things.
The following diagram illustrates the signal flow within each QuadraSynth Program.
Voice Filter
Assignable Modulation Sources
(velocity, aftertouch, modulation wheel, pitch bend, etc.)
Range
Sound 1
Sound 2
Sound 3
Sound 4
MIDI
Input
Pan Output
Sends
1—4
Main L
Effects
Level Effects
Buss
Main R Aux L
Aux R
Effects
Processor
(reverb, delay,
chorus, etc.)
Amp
Pitch
LFO Filter
LFO Amp
LFO
Pitch
Envelope Filter
Envelope Amp
Envelope
LetÕs look at each moduleÕs function in detail.
This digitally-based oscillator provides the actual raw sounds from the 16 Megabyte
library of on-board samples. The oscillator's pitch can be tuned to a fixed frequency
or modulated. Modulation is the process of varying a parameter dynamically over
time; the oscillator pitch can be modulated by envelope, keyboard, pressure, pedal,
LFO, and other control sources (described later).

Editing Programs
54 QuadraSynth Reference Manual
Note that the waveforms in the QuadraSynth are different from those found in
samplers or many sample-playback units. Because the QuadraSynth has its own
filter module and amplitude module for each voice, the pure waveforms are
relatively bright--as bright as the original instrument can be--and have a constant
sustaining amplitude, like an organ. So if you listen to a piano voice without setting
the filter or amp to the correct settings, it won't decay after it is hit, as you might
expect. This gives you the freedom to create the timbre and dynamics you want,
instead of being chained to the parameters of the original sample.
Lowpass Filter
A filter varies a signal's harmonic content by progressively increasing attenuation
above a specified . The higher frequencies are filtered, while the lower frequencies
are allowed to Òpass-thru.Ó When the cutoff frequency is set high, the sound becomes
brighter; when set low, the sound becomes bassier since fewer harmonics are present.
Frequency Response Curve
Cutoff
Frequency
Filter
Amplitude
Frequency
00 99
The cutoff parameter changes the frequency at which the high-
frequency response starts to roll off. Lower values give a lower
cutoff frequency. A value of 00 will cut all sound off.
Static (non-changing) filter settings can be useful, but varying the filter cutoff
dynamically over time often produces more interesting effects. Modulating with
velocity produces brighter sounds with louder dynamics, which produces a more
accurate acoustic instrument simulation. Modulating with an envelope can create a
pre-defined change in harmonic structure, such as having a brighter attack and
bassier decay.
Each voice/filter combination is followed by an amplifier whose level can be
controlled by a variety of modulation sources. This allows for creating sounds with
percussive or slow attacks, particular types of decays, tremolo, etc.
Filter and amp settings can interact. If the filter cutoff is extremely low, then no
signal will get through, no matter how the amp is set. Similarly, setting the amp for a
short decay wonÕt let you hear any filtering set for a longer decay. This is because the
volume will reach zero before the filter decay finishes.

Editing Programs
QuadraSynth Reference Manual 55
About Modulation
modifies some aspect of a sound over time. Since oscillators make static sounds
(unlike acoustic instruments, whose timbre and dynamics changeÑoften radicallyÑ
over the duration of a note), modulation is the key to making rich and expressive
sounds. The vibrato of a flute, the expression pedal of an organ, a wah-wah pedal on
a guitar--all of these are examples of modulation. You're probably familiar with the
mod wheel of a synthesizer, that typically adds vibrato to a Program as it is raised.
But in synthesizer programming, modulation is used to control even the basic
characteristics of a voice: its attack, decay, and release times, for example. Every box
in the signal diagram on page 51 pointing towards the Voice, Filter, or Amp boxes is
a modulation source. The amount of modulation, the time it takes place, and what
controls (such as key velocity, footpedals, aftertouch, mod wheel etc.) affect it are
important parameters in every Program. The QuadraSynth provides the modulation
flexibility of patch cord-based instruments, but with the convenience and ease of use
of digital technology.
With some parameters, the modulation amount can be positive or negative. A
positive control signal increases the value of the parameter being controlled. A
negative control signal decreases the value of the parameter being controlled. Setting
modulation to 00 turns off the modulation source. Example: Keyboard velocity can
either make a sound brighter the harder you play, or make it less bright, or have no
effect on the filter at all. You have the freedom to set modulation any way you want,
even in ways that are the opposite of what they would be on an acoustic instrument.
If a "baseline" setting exists for a parameter, modulation amounts add or subtract
values from the existing setting. However, modulation cannot force a value beyond
its maximum range. For example, if the amp is already at its minimum value (lowest
level), you could apply positive modulation to raise the level. But applying negative
modulation will not affect the amp level, since it's already at its lowest value and
cannot go any lower.
The QuadraSynth lets you assign several modulation sources to one modulation
ÒtargetÓ parameter, which allows for interaction between two modulation signals.
Example: If the amp parameter responds to both the envelope generator and a pedal,
the parameter will follow the general envelope shape but will also be influenced by
the pedal.
(Low Frequency Oscillator)
The pitch, filter, and amp modules each have a dedicated LFO module for
modulation. The term LFO stands for low frequency oscillator, and comes from how
modulation was created in the early synth days (an oscillator set to a low frequency
could modulate some aspect of the sound; routing the LFO to the pitch, for example,
would create vibrato). The LFO creates a cyclic (periodic) modulation; this amount
can be constant and/or varied with a variety of modulation sources (mod wheel is
one of the most popular). Each LFO has a waveform shape and speed, along with
other controls.
Envelopes
generators provide a modulation signal that varies over time, from the time you
strike the key until after you let go. There are three independent envelope generators

Editing Programs
56 QuadraSynth Reference Manual
(for pitch, filter, and amp) in each Program Sound. An envelope generator has
different effects on different modules. Example: The Amp Envelope creates level
changes. Amplitude that decays over time creates percussive effects (plucked strings,
drums, etc.). Amplitude that increases over time gives the effect of brass, woodwind,
and some bowed instruments.
Each envelope generator has the standard attack, decay, sustain, and release
parameters found on most synthesizers, along with delay, sustain decay, and
different triggering options.
TIME
DELAY
L
E
V
E
L
ATTACK
DECAY
SUSTAIN LEVEL
RELEASE
SUSTAIN DECAY
NOTE ON NOTE OFF
About Signal Processing
The signal processing section of the QuadraSynth provides the same kind of power
as the Alesis QuadraVerb. It is a complete digital signal processing unit with four
input buses, simultaneous multiple effects, and flexible signal routing.
Sound
Sends 1—4
Main L
Main R Aux L
Aux R
Effects
Processor
(reverb, delay,
chorus, etc.)
There are 128 different Preset Effects Patches, plus another 128 User Effects Patches
to choose from. The Effects parameters themselves are edited separately from either
the Program or the Mix, using Effects Edit Mode (more in Chapter 6). In Program
Edit Mode, you can select to be used by the Program. Each of the four sounds in the
Program has its own Effect Level control and can be assigned to any one of the four
effect buses. Patch select, Effect Level and Bus information is saved with the Program
when you store it back into memory. When you need to edit the effects themselves
(configuration, reverb type, room size, chorus speed, etc.), those changes are saved
with the Effects Patch when you store it back into memory.
Drum Mode

Editing Programs
QuadraSynth Reference Manual 57
Any one or all of the four sounds in a Program can be put in . The Drum Mode
parameter is found in the Misc. Function (see last section of this chapter).
Note that Drum Mode isnÕt the only way to hear drums or percussion from a
Program. In Standard mode, if you select a kit (such as ÒRock Kit 1Ó) as the voice of a
Program sound, an entire arrangement of preset, pre-mapped drum sounds will be
assigned across the keyboard. If you select a single drum (such as ÒTympaniÓ) as the
voice, that single drum sound will sound across the keyboard range, with a different
pitch on each note (the original sample pitch will appear on C3).
However, Drum Mode changes the nature of the ASSIGN VOICE function, allowing
you to make up your own drum kit from a selection of 82 different samples: 7 kicks, 8
snares, 4 hi-hats, 14 toms, 5 cymbals, 31 percussion, and 13 percussion effects. You
can map any of these samples to any single key of the keyboard that does not already
have a drum assigned to it in that layer. When a sound is in Drum Mode, you can
assign 10 different drum sounds to 10 different keys in that layer. If all four sounds in
a Program are placed in Drum Mode, you could assemble 40 drum sounds. In Drum
mode, individual drums cannot be ÒstretchedÓ across a range of the keyboard -- each
occupies a single key.
Each of the 10 drum sounds has its own set of parameters in each of the functions in
the display (Pitch, Filter, Effects Level, etc.). You can use Quad Knob [4] in each
function page to select one of the 10 drum sounds to edit.
Here is a block diagram of a sound in Drum Mode.
Sound 4
Sound 3
Sound 2
Sound 1
Voice FilterRange
Drum 1
Drum 2
Drum 3
Drum 10
Pan Output
Effects
Level Effects
Buss
Amp
Amp
Envelope
When Drum Mode is enabled, the sound will have fewer parameters for editing.
Consequently, not all Function labels will appear in the LCD display as when Drum
Mode is turned off. Specifically, the LFOs and all Envelopes (with the exception of
the Amp Envelope) are unavailable. In addition, the parameters in most other
functions will differ.
When using Edit 4 mode, sounds using Drum Mode will be unavailable for editing; only
sounds not in Drum Mode will be editable in the bargraph display. If a sound is in Drum
mode, the display will show ÒdrmX,Ó whereby X is the sound number (1Ñ4).
✪

Editing Programs
58 QuadraSynth Reference Manual
If you enable Drum Mode for a sound while in Edit 4 mode, the QuadraSynth will
automatically switch to Edit 1 mode for that layer.
Program Edit Functions
Assign Voice
To edit a Program you must select Program Edit mode, Press [SELECT] from
Program Mode. "Editing: Program " will appear in the displayÕs edit status section:
MIDI
CHAN
PROG
1
EFFECT
PRESET PRESET
EDITING: PROGRAM SOUND 1
PAGE: 1
Piano :GrandPiano
GROUP NAME
PITCH FILTER AMP RANGE MOD EFFECT NAME
PLFO FLFO ALFO PENV FENV AENV TRACK
CONFIG REVERB DELAY MIX MISC. GLOBAL
ASSIGN – VOICE LEVEL EFFECT–LEVEL
The function is the most fundamental part of Program editing. It is where you
choose the particular sample that forms the basis of a sound. To avoid scrolling
through long lists of samples (remember, there are over 16 Megabytes of sounds in
here!), sounds are divided into groups. After selecting the group, you then select the
sample within the group.
Group (16 options)
Choose from among 16 different sample groups (see chart in next section).
Name
Selects one of the available samples by name from the selected group, or OFF (no
sample selected). Each group has a variety of samples from which you can choose,
although some groups (such as waves) have more samples than others.
Here is a chart listing the various samples in their respective groups.
Group
Sample
Piano GrandPiano, Dark Piano, No Hammer, Piano wave, BrtRhdsHrd, BrtRhdsSft,
BrtRhdsVel, MidRhdsHrd, MidRhdsSft, MidRhdsVel, Rhdes Hard, Rhdes Soft,
Rhdes Velo, D
y
naRhds 1, D
y
naRhds 2, FM Piano, Wurlser
Or
g
an FullDrwbar, 3 Drawbars, Jazz Tone, Percus 2nd, Percus 3rd, Mellow,
Drt
y
Church, 60Õs Combo
Ke
y
brd Clavinet, FMClav Hrd, FMClav Sft, FMClav Vel, Har
p
sicord, FM Har
p
si,
Marimba Hd, Marimba Sf, Marimba V, FMMrmba Hd, FMMrmba Sf,
FMMrmba V, MrmbaWave, Vibra
p
hone, VibesWave, Glock, FM Pluck H, FM
Pluck S, FM Pluck V, FMPlukWave
S
y
nth S
y
ncSwee
p
1, S
y
ncSwee
p
2, S
y
ncSwee
p
3, S
y
ncSwee
p
4, S
y
ncSwee
p
5,
SncSwee
p
V1, SncSwee
p
V2, MicroWave1, MicroWave2, MicroWave3,
MicroWave4, MicroWaveV, FiltSwee
p
1, FiltSwee
p
2, FiltSwee
p
3, FiltSwee
p
4,
FiltSwee
p
5, FiltSwee
p
6, FiltSwee
p
7, FltSwee
p
V1, FltSwee
p
V2, Di
g
tlStik1,
Di
g
tlStik2, Di
g
tlStik3, Di
g
tlStikV, Analo
g
S
q
r1, Analo
g
S
q
r2, Analo
g
S
q
r3,
Analo
g
S
q
r4, Analo
g
S
q
rV, S
y
ncLead 1, S
y
ncLead 2, S
y
ncLead 3, S
y
ncLead 4,
S
y
ncLead 5, S
y
ncLead V,MicroPerc1, MicroPerc2, MicroPerc3, MicroPercV,
Perc Filt1, Perc Filt2, Perc FiltV, Analo
g
Buzz1, Analo
g
Buzz2, Analo
g
Buzz3,
Analo
g
Buzz4, Analo
g
Res, FM Bell, Whistle

Editing Programs
QuadraSynth Reference Manual 59
Wave Pure Sine, 10% Pulse, 15% Pulse, 20% Pulse, 25% Pulse, 33% Pulse, 50% Pulse,
Velo Pulse, Mini Saw, Saw Fltr 1, Saw Fltr 2, Saw Fltr 3, Saw Fltr 4, Saw Fltr 5,
Saw Fltr 6, Saw Fltr 7, Velo Saw, MiniS
q
uare, S
q
r Fltr 1, S
q
r Fltr 2, S
q
r Fltr 3,
S
q
r Fltr 4, S
q
r Fltr 5, S
q
r Fltr 6, Velo S
q
r, Mini Peak, Mini Tri, Tri Fltr 1, Tri Fltr
2, Tri Fltr 3, Tri 4, Velo Tri, Rectan
g
lar, Rct Fltr 1, Rct Fltr 2, Rct Fltr 3, Rct Fltr 4,
Rct Fltr 5, Rct Fltr 6, Rct Fltr 7, Velo Rect, Mini Thin, Thn Fltr 1, Thn Fltr 2, Thn
Fltr 3, Velo Thin, HardS
y
nc 1, HardS
y
nc 2, HardS
y
nc 3, HardS
y
nc 4, HardS
y
nc
5, HardS
y
nc 6, HardS
y
nc 7, Velo HS
y
nc, Additive 1, Additive 2, Additive 3,
Additive 4, Additive 5, Di
g
ital 1, Di
g
ital 2, Di
g
ital 3, Di
g
ital 4, Di
g
ital 5, Di
g
ital
6, Di
g
ital 7, Di
g
ital 8, Di
g
ital 9, Science 1, Science 2, Science 3, Science 4, Science
5, Science 6, Noise
Bass Brite Bass, StudioBass, Sla
p
Bass, Velo Bass, Sla
p
w/
p
o
p
, Bass Po
p
s, Fretless,
Stik, Acoustic, Fat S
y
nth, S
y
nAcoustc, FM Bass, FilterBass, Bass Wave1, Bass
Wave2, Bass Wave3
Guitar N
y
lon, N
y
lon Vel, N
y
lon Harm, Acoustic, AcoustcVel, AcoustHarm, 12Str
Elec, 6 Str Elec, 6 Str Velo, 6 Str Harm, Power Gtr
Brass Ensemble, "Pows", Trum
p
et, Mute Trm
p
t, Trm
py
S
p
lit, Trombone, Mute
FHorn, Soft FHorn, Velo FHorn, Tuba Hard, Tuba Soft, Tuba Velo, Tuba Blats
Wdwind Bassoon, Oboe, Clarinet, Flute Vibr, Flute, Bari Sax, Tenor Hard, Tenor Brth,
Tenor Velo, Alto Sax, So
p
rano, Bari Combo, Sax Combo
Strin
g
SoloViolin, Solo Viola, Solo Cello, Violin Ptz, Cello Ptz, Bass Ptz, Har
p
, Elect
Har
p
Ensmbl Strin
g
s, AttkStrin
g
, S
y
nthStrn
g
, Ta
p
eStrin
g
Ethnic Harmonia, FM Harmnca, EuroAccrdn, Elec Ban
j
o, Asian Drum, Water
p
hone
Voice Choir Aahs, Choir Oohs, Voice EFX1, Voice EFX2, Voice EFX3
SndFX Za
p
Attk 1, Za
p
Attk 2, Za
p
Attk 3, Mini Attk, Po
p
, Po
p
Attk, Bottle Hit, Metal
Attk1, Metal Attk2, SambaWhstl
Drums Stndrd Kit, Rock Kit 1, Rock Kit 2, Dance Kit, Stab Kick, Dee
p
Kick, S
p
ike Kick,
Fla
p
Kick, Gara
g
eKick, PillowKick, Elect Kick, Studio Snr, TurboSnare,
PiccoloSnr, Cris
p
Snr, Power Snr, Dance Snr, Rimshot, Side Stick, Power Tom,
Mid Tom, Floor Tom, Slam Tom, Cannon Tom, Closed Hat, Ed
g
e Hat, O
p
en
Hat, FootClosed, C
y
m Ride, C
y
m Bell, C
y
m Crash, C
y
m China, C
y
m S
p
lash
Percus T
y
m
p
ani, TbularBell, Orch Combo, A
g
o
g
o, Bon
g
o, Cabasa, Castanet, Clave,
Con
g
a Hit, Con
g
a Sla
p
, Cowbell, Fin
g
erSna
p
, Guiro Lon
g
, GuiroShort, Hand
Cla
p
, Lo
g
Drum, Maracas, Shaker, ShortWhstl, Tambourine, Timbale, Trian
g
le,
Trian
g
leMt, Vibrasmack, Wood Block
Level
Each sound in a program can have its own level, pan position, and output
assignment. With up to four sounds per program, this allows for a wide variety of
stereo effects and level balances between the sounds.
Volume (00 to 99)
This sets the overall for a sound. Higher numbers give higher levels.
Pan (-3 to +3)
There are 7 available locations in the stereo (two-channel) field: Far left (-3), mid left,
near left, center (0), near right, mid right, and far right (+3). The pan value is
maintained, even if the Output value is changed (see below).
Output (Main, Aux, or Off)
The Output parameter has three settings: Main, Aux, or Off. To send the soundÕs
output to the Main outputs, select Main. To send the soundÕs output to the Aux
outputs, select Aux. To turn off the soundÕs output, set this parameter to Off.
(Note, however, that the sound may still feed an Effect Send).
To send a sound to an individual output, use Output in conjunction with Pan.
Example: Panning a sound full left and selecting the Aux outputs means that the
sound will appear at only the left Aux output.

Editing Programs
60 QuadraSynth Reference Manual
Effect Level
The QuadraSynth isnÕt just a synthesizer; it also has a built-in effects system and
mixer, with four effect buses and sends. This section lets you feed the sound to one of
the effect buses for processing. For more on effect buses, see Chapter 6.
(00 to 99)
Determines how much of the sound feeds the chosen effect bus (see below). Higher
values mean that the sound will be more effected.
(1 to 4)
Selects which of the four buses the sound will feed, thereby determining which
effect(s) will process the sound. Each Effects Patch has its own unique arrangement
of effects. Example: In Effects Patch #12, bus 1 may be a Chorus/Delay/Reverb, while
in Effects Patch #27, bus 1 may just be a Flanger. See Chapter 7 for more information
on editing Effects Patches.
This function allows you to select any of the 256 Effect Patches for use by the
Program. Quad Knob [1] selects the Effect Patch number (0Ñ127) while Quad Knob
[3] switches between the Preset or User banks of Effect Patches. This effect number is
saved with the Program itself. Each time you change between Programs, the effect
number each Program is linked with will be shown in the display. Note that only
one Effect Patch can be selected by a Program; unlike most other program functions,
you can't select Effect #12 on Program Sound 1, Effect #24 on Program Sound 2, etc.
The effect you use can have a dramatic effect on the sound of a Program, and some
Effects Patches are designed specifically for use with a given Program. If you want
to change the characteristics of a particular effect (for example, to make a delay time
longer), you must enter Effects Edit mode and store your changes in the User Effects
bank (see Chapter 7 for more information). If you store an edited Effect into a
different Effect Patch number, the Program will automatically use the new Effect
Patch; i.e. you donÕt have to enter the new number into the Effect parameter.
However, the ÒEDITEDÓ flag will appear in the display next to the PROG number,
indicating that you must store the Program itself if you want it to recall the new
Effects Patch in the future.
If you enter Program Edit mode from Mix Mode, you will not be able to change the Effect
Patch of the individual Programs, since this function is overridden by the MixÕs Effect
function. Always select the Effect Patch for a Mix from Mix Edit mode.
Pitch
(Page 1)
Semitone (-24 to +24 semitones)
Sets the oscillator pitch in semitone steps, from -24 (transposed down two octaves) to
+24 (transposed up two octaves).
Detune (-99 to +99 cents)
✪

Editing Programs
QuadraSynth Reference Manual 61
Sets the oscillator pitch in cents, from -99 (transposed down 99/100 of a semitone) to
+99 (transposed up 99/100 of a semitone).
Detune Type (Normal or Equal)
With Normal selected, the percentage of detuning remains the same over the entire
range of the keyboard, so the effects of detuning sound the same no matter which
key you play. With Equal selected, the absolute amount of detuning remains the same
over the entire keyboard, so any detuning seems less pronounced as you play higher
up on the keyboard.
Pitch (Page 2)
Range (0 to 12 semitones)
Determines the maximum amount of pitch bend when the pitch bend wheel is either
full forward or back. Example: When set to 12, the pitch wheel will bend ±1 octave
(12 semitones).
Depth (-99 to +99)
At +00, aftertouch has no effect on . Applying aftertouch (by pressing harder on the
keyboard, or via MIDI messages) with this parameter set to a positive value raises
the pitch; conversely, applying aftertouch through a negative value lowers the pitch.
The higher the number (either positive or negative), the greater the amount of pitch
change for a given amount of aftertouch.
Tip: Aftertouch is useful for creating keyboard-controlled string bend effects. Low
settings are good for ÒhumanizingÓ synthesized sounds, since aftertouch changes can
give very slight pitch changes, as associated with acoustic instruments.
Depth (-99 to +99)
At +00, the pitch LFO has no effect. Higher positive values increase the amount of
Pitch LFO modulation. Negative values give the same apparent effect, but with
reversed LFO phase (i.e., if the pitch would normally be increasing with depth set to
a positive number, the pitch would instead be decreasing at that same moment had
the depth been set to a negative number). Pitch LFO parameters (such as speed and
wave shape) are programmed within the PLFO Function (see page 70).
Pitch Envelope Depth (-99 to +99)
At +00, the pitch envelope has no effect. Positive values raise the pitch from the
baseline according to the envelope shape, while negative values similarly lower the
pitch. The higher the number (negative or positive), the greater the effect. Pitch
Envelope parameters (such as attack and decay time) are programmed within the
PENV Function (see page 74).

Editing Programs
62 QuadraSynth Reference Manual
TIME
0
+99
-99 TIME
0
+99
-99
Positive Envelope Negative Envelope
Pitch (Page 3)
About portamento: When you play a key and then a second key, normally the sound
jumps instantly from one pitch to another. Portamento provides a sweeping glide
from one note to another over a variable amount of time. A good example of this
type of sound is a steel guitar, where a note slides from one pitch to another.
(Exponential, Linear, 1 Speed)
This provides the sweepÕs Òcurve.Ó
¥ With an exponential curve, the pitch change seems to happen more rapidly at
first, then slows down as it approaches the ending pitch.
¥ A linear curve produces a constant pitch change throughout the glide.
¥ Normally, the greater the interval (the pitch difference between the two notes),
the longer the glide. For example, a glide between two notes a whole step apart
would take much less time than a glide between two notes an octave apart. The 1
Speed curve maintains a constant glide rate regardless of the pitch difference
between notes.
Rate (0 to 99)
Sets the glide duration. Higher numbers give longer glide times. The Rate value is
affected by the Portamento value (see above).
(Mono, Poly, or 1-Pitch)
In Mono mode, you can play only one note at a timeÑjust like vintage monophonic
synthesizers. Poly mode allows you to play polyphonically. Note that portamento
behavior is more predictable in mono mode.
Tip: With a feedback guitar patch that uses one sound for the guitar and one sound
for the feedback, setting the feedback sound to Mono Keyboard Mode insures that
your feedback ÒwhistleÓ will be monophonic, which more accurately mimics what
happens when you play lead guitar.
Use 1-PITCH mode when you want a program sound layer to play a single pitch
throughout the entire keyboard range. In 1-PITCH mode, the QuadraSynth will
play the sample used for note C3 for all notes in the range. 1-PITCH mode is often
used for layering a noise or drum sound behind another sound that is pitched, for
example, to fatten up a bass guitar sound with a hint of kick drum, or to have the
same cymbal hit every time any note is played.

Editing Programs
QuadraSynth Reference Manual 63
Filter
(Page 1)
Frequency (00 to 99)
This sets the filter's initial cutoff frequency. Lower values give a duller sound since
this removes more harmonics; higher values let through more harmonics, which
gives a brighter sound.
Tip: Signals with complex harmonic structures are most affected by the filter.
Examples: A sine wave has virtually no harmonics so you will not hear any significant
changes as long as the filter cutoff is higher than the note pitch. If the filter cutoff is
lower than the note pitch, you will either not hear the note, or it will be very soft. A
harmonically-rich sample (such as brass or white noise) will be greatly affected by
the filter.
If the Filter Frequency is set to maximum, in most cases all other variables in the
Filter function will have no effect. Most other filter functions raise the filter
frequency, and it can't be greater than 99. So if you want to use filter effects, proper
setting of this initial cutoff frequency is crucial. This is the "baseline" from which all
other filter parameters will raise or lower (open or close) the filter.
If the Filter Frequency is set to 00, and no other parameters are set to raise it
dynamically, no sound will pass through the filter at all--there will be silence. If the
Amp settings are wide open and you can't hear anything, check the Filter Frequency
setting.
Since the waveforms in ROM are recorded at the brightest possible setting, in many
cases dynamic filtering is crucial to making a program sound natural.
Keyboard Track (On or Off)
When off, the filter cutoff remains constant across the keyboard. Higher notes will be
more affected than lower notes, since the filter cutoff is comparatively lower for
higher notes than lower ones.
When on, the filter frequency tracks the keyboard pitch. Therefore, if using the filter
creates a particular harmonic structure when you play one key, playing a different
key will shift the filter frequency to maintain the same harmonic structure.
(-99 to +99)
At +00, velocity has no effect on the filter cutoff. With positive values, playing harder
increases the filter cutoff. More positive values drive the cutoff frequency higher for a
given amount of velocity. More negative values drive the cutoff frequency lower for
a given amount of velocity.
Tip: Many acoustic instruments, such as acoustic guitars, sound brighter when you
play them more forcefully. Adding a little positive velocity control over the filter can
simulate more realistic acoustic sounds.
Filter (Page 2)
Depth (-99 to +99)

Editing Programs
64 QuadraSynth Reference Manual
Determines how moving the pitch bend wheel affects the filter cutoff frequency.
Example: With positive settings, bending pitch up raises the filter cutoff frequency
and bending pitch down lowers the filter cutoff frequency. With negative settings,
bending pitch up lowers the filter cutoff frequency and bending pitch down raises
the filter cutoff frequency .
Depth (-99 to +99)
At +00, aftertouch has no effect on the cutoff frequency. Applying aftertouch with
this parameter set to a positive value raises the filter cutoff frequency; conversely,
applying aftertouch with a negative value lowers the filter cutoff frequency. The
higher the number (either positive or negative), the greater the effect for a given
amount of aftertouch.
Tip: Many acoustic instruments sound brighter as you play them more forcefully; in
particular, brass gets brighter as you blow harder. Using aftertouch to increase a
soundÕs brightness can give more control and realism with acoustic instruments.
Depth (-99 to +99)
At +00, the filter LFO has no effect. Higher positive values increase the amount of
filter LFO modulation. Negative values give the same apparent effect, but with
reversed LFO phase (i.e., if the filter cutoff frequency would normally be increasing
with depth set to a positive number, the cutoff would instead be decreasing at that
same moment had the depth been set to a negative number). Filter LFO parameters
(such as speed and wave shape) are programmed from within the FLFO Function
(see page 72).
Tip: Filter LFO is good for giving wah-wah effects at slower LFO speeds, and for
adding ÒshimmeringÓ with higher LFO speeds.
Depth (-99 to +99)
The Filter Envelope is one of the most important settings in making a program.
Many programs will use the Filter Envelope to determine the tonal character of the
sound over time (attack, decay, sustain, and release). At +00, the filter envelope has
no effect. Positive values raise the filter from the baseline cutoff frequency according
to the envelope shape, and negative values similarly lower the cutoff frequency. The
higher the number (negative or positive), the greater the effect. Filter Envelope
parameters (such as attack and decay time) are programmed within the FENV
Function (see page 76).

Editing Programs
QuadraSynth Reference Manual 65
(13 choices)
This selects how the sound will respond to the dynamics of your playing the
keyboard. A LINEAR curve is the norm, whereby the increase in level is equal to the
increase in velocity; the velocity values increase as you play harder. Many of the
Velocity Curves make up sets to be used by 2, 3 or 4 sounds in order to facilitate
velocity crossfading, whereby a different sound is played depending on how hard or
soft the keyboard is played.
As explained earlier, many of the samples to choose from when assigning voices are
already velocity switching. These samples usually have the word ÒVeloÓ or the letter
ÒVÓ in their names, indicating that there is actually more than one sample per note
which can be selected by how hard or soft each note is played. However, the velocity
point at which these sounds change is fixed and cannot be altered. If you want to
create your own velocity crossfading Program, assign the single-sample versions of
the same samples (ÒBrtRhdsVelÓ is made up of ÒBrtRhdsHrdÓ and ÒBrtRhdsSftÓ) to
two or more sounds, then use the appropriate velocity curves for each sound (in a
three-way velocity split, sound 1 would use curve Ò1 of 3,Ó sound 2 would use curve
Ò2 of 3Ó while sound 3 would use Ò3 of 3Ó).
0
99
0 127
L
E
V
E
L
VELOCITY
LINEAR
0
99
0 127
L
E
V
E
L
VELOCITY
INVERTED
0
99
0 127
L
E
V
E
L
VELOCITY
MAXIMUM
0
99
0 127
L
E
V
E
L
VELOCITY
MINIMUM
0
99
0 127
L
E
V
E
L
VELOCITY
1 OF 2
0
99
0 127
L
E
V
E
L
VELOCITY
2 OF 2
0
99
0 127
L
E
V
E
L
VELOCITY
1 OF 3
0
99
0 127
L
E
V
E
L
VELOCITY
2 OF 3
0
99
0 127
L
E
V
E
L
VELOCITY
1 OF 4
0
99
0 127
L
E
V
E
L
VELOCITY
2 OF 4
0
99
0 127
L
E
V
E
L
VELOCITY
3 OF 4
0
99
0 127
L
E
V
E
L
VELOCITY
4 OF 4
0
99
012
7
L
E
V
E
L
VELOCITY
3 OF 3
Depth (-99 to +99)
At +00, aftertouch has no effect on the litude. Applying aftertouch with this
parameter set to a positive value raises the amplitude; conversely, applying
aftertouch with a negative value will make the sound softer the harder you press.
The higher the number (either positive or negative), the greater the effect for a given
amount of aftertouch.
Tip: Use aftertouch to ÒswellÓ the amplitude of brass and horn parts.

Editing Programs
66 QuadraSynth Reference Manual
Amplitude LFO Depth (-99 to +99)
At +00, the has no effect. Higher positive values increase the amount of LFO
modulation. Negative values give the same apparent effect, but with reversed LFO
phase (i.e., if the amplitude would normally be increasing with depth set to a positive
number, the amplitude would instead be decreasing at that same moment had the
depth been set to a negative number). Amplitude LFO parameters (such as speed and
wave shape) are programmed within the ALFO Function (see page 73).
Tip: Amplitude LFO set to a triangle wave gives tremolo effects.
Each sound can be restricted to a specific range of the keyboard. This is ideal for
creating splits (e.g., bass in the lower octave and a half, piano in the middle three
octaves, and strings in the upper octave).
Lower Limit (MIDI note 000 to 127/ C-2 to G8)
Specifies the lowest note of the soundÕs keyboard range. You can set the lower limit
by holding Quad Switch [1] and tapping the key on the keyboard you want to set as
the lowest note in the range.
High Limit (MIDI note 000 to 127/ C-2 to G8)
Specifies the highest note of the soundÕs keyboard range. You can set the high limit
by holding Quad Switch [2] and tapping the key on the keyboard you want to set as
the highest note in the range.
C-2
0
C-1
12
C0
24
C1
36
C2
48
C3
60
C4
72
C5
84
C6
96
C7
108
C8
120127
QuadraSynth Keyboard Range
Program Sound Range
G8
If the lower limit is set above the high limit, there will be no sound from this program layer.
✪

Editing Programs
QuadraSynth Reference Manual 67
(00 to 99)
This determines how many voices can overlap on the same pitch. Example: If you
hold the sustain pedal down and play the same note over and over, Sound Overlap
determines how many voices are available for that note, and thus how many voices
will overlap (play simultaneously).
In the old days, different brands of synthesizers offered different voice allocation
schemes. One brand used a method called Òrotate modeÓ in which each time a note
was struck, a new voice was used. Another brand used a different method called
Òreassign modeÓ whereby if a note is played and then played again, the same voice is
used both times. In other words, a new voice is used each time a new note of a
different pitch is played.
The Sound Overlap value lets you choose a comfortable setting between rotate mode
and reassign mode. When the value equals 99, you are always in rotate mode, using
up polyphony; if the value is 00, you are always in reassign mode, conserving voices.
Set the value anywhere between 00 and 99 and you will get a combination of both,
with partiality toward whichever mode the value is closest to.
A piano sound requires some Sound Overlap, but not a lot; it isnÕt natural to hear too
many voices on the same note. On the other hand, having only one voice per pitch
isnÕt natural either; letÕs say you played a loud note with the sustain pedal held,
followed by a soft note--the second note would abruptly cut-off the first. On a real
piano, the string would still be resonating from the first (loud) note when the second
(soft) note was played; thus the two notes would overlap.
Sound Overlap is especially useful in Drum Mode. In Drum Mode, each drum sound
is designated to one note (or sometimes a group of notes). When playing one note for
a drum sound, such as a snare, and you attempt to play a roll, the Sound Overlap
controls how much of an overlap will exist between each pair of notes. If the Sound
Overlap value is set low, you are more likely to hear old notes getting cut-off.
This function has added value when the ProgramÕs Keyboard Mode parameter is set
to Mono, instead of Poly. When playing monophonically, Sound Overlap controls the
amount of overlap between notes. Normally, even if the sound has a long release
time, playing a new note in Mono Mode will cut-off the previous note. By adjusting
the Sound Overlap value, you can still hear the previous note fading away after the
new note has been played.
It is important to note that Sound Overlap can have a negative effect on polyphony.
If you have Sound Overlap set to 99, hold the sustain pedal and play a series of notes,
you will run through all 64 voices in no time. By adjusting the Sound Overlap to a
lower value, you decrease the number of voices used by each new note, and thereby
ensure there are voices available to play other sounds, if necessary.
✪

Editing Programs
68 QuadraSynth Reference Manual
Mod
About General Purpose
Although there are several dedicated modulators in the QuadraSynth (e.g., the pitch
can always be modulated by the pitch LFO and pitch envelope), sophisticated
synthesizer programming demands the ability to use as many modulation sources as
possible to modulate as many modulation destinations as desired.
The QuadraSynth arranges its modulation source outputs and modulation
destination inputs into a ÒmatrixÓ so that any selected source can connect to any of
several destinations.
There are six general purpose matrix modulators, which allows you to control up to
six parameters with any of several control sources.
Use the MOD functions to setup your own customized control of a program, such as:
¥ Using one or both of the PEDAL inputs to control volume, brightness (filter
cutoff), effect level, LFO speed, etc.
¥ Using velocity to increase or decrease the attack speed of an envelope, so playing
softly makes the sound fade in, while playing hard causes an immediate attack.
¥ Using release velocity to increase/decrease the release time of an envelope, so
quick releases of the keys cut off the end of the sound, while slow key releases
allow the sound to fade away gradually.
The MOD functions give you the freedom to go beyond the standard modulation
sources built-in to other functions.
Selecting the Modulator (1 to 6)
Use the PAGE [¬] and PAGE [®] buttons to select one of the six modulators
(modulator 1 is page 1, modulator 2 is page 2, modulator 3 is page 3, etc.). All
modulators work in the same way, so only one will be described here.
Modulation Source
Quad Knob [1] selects one of several modulation sources:
¥Ê Note # provides a modulation signal that corresponds to the note played on the
keyboard (higher keys give higher values). Example: Use this modulation source
to obtain a different sound in the upper and lower keyboard ranges.
¥Ê Velocity relates to how fast a key goes from the key up (note off) to the key
down (note on) position, and therefore represents the dynamics of your playing.
¥Ê Release velocity relates to how fast a key goes from the key down (note on) to
the key up (note off) position. Example: Use this to affect the level of a soundÕs
release based on how fast you remove your fingers from the keys.

Editing Programs
QuadraSynth Reference Manual 69
¥Ê Aftertouch Pressing on the keys after theyÕre down generates this control signal.
Aftertouch is also called channel pressure, and represents an average of all keys
being pressed. This affects any keys that are held down. The harder you press on
the keys, the greater the degree of modulation.
¥Ê Polyphonic Pressure This is similar to aftertouch, but each key can respond to
individual pressure messages. Although the QuadraSynth keyboard does not
generate poly pressure, the sound generators can respond to poly pressure
signals entering via the MIDI In. Example: Assign poly pressure to the soundÕs
amplitude in a string ensemble patch. You can then increase the level of selected
notes of a held chord to ÒpullÓ some notes out of the chord.
¥Ê Pitch Wheel The two wheels to the left of the keyboard are modulation sources
(see below). The leftmost wheel, Pitch, always controls the oscillator pitch but
can be tied to other parameters as well.
¥Ê Modulation Wheel The rightmost wheel, Modulation, is traditionally assigned
to LFO amount (level) so that rotating the wheel away from you introduces
vibrato. However it is also well-suited to controlling timbre, vibrato speed, and
many other parameters.
¥Ê MIDI Volume MIDI can produce a variety of controller messages (see the MIDI
supplement in the back of this manual). Of these, controller #7, which controls
channel volume, is one of the most frequently used. Example: Assign the filter
cutoff as the destination, and you can have the signal become less bright as it
becomes lower in volume.
¥Ê Sustain Pedal The sustain switch plugged into the sustain pedal jack provides
this modulation signal.
¥Ê Pedal 1 The pedal plugged into the Pedal 1 jack provides this modulation signal.
Typically, this may be mapped to AENV Amp to act as a volume pedal.
¥Ê Pedal 2 The pedal plugged into the Pedal 2 jack provides this modulation signal.
¥Ê Pitch LFO This is the same modulation signal provided by the Pitch LFO. The
Frequency LFO and Amplitude LFO can also be selected as modulation sources.
¥Ê Pitch Envelope This is the same modulation signal provided by the Pitch
Envelope. The Frequency Envelope and Amplitude Envelope can also be
selected as modulation sources.
¥Ê Random This provides a different modulation value every time you hit a key.
Example: With vintage analog synth patches, use pitch as the destination and
apply a very slight amount of random modulation. Each note will have a slightly
different pitch, which simulates the natural tuning instability of analog circuits.
¥Ê Trigrate This is a Trigger Rate Follower, which monitors how fast notes are
being played on the keyboard. For example, if routed to the Effect send of a
Program, you could automatically have more effect when playing slowly, and
less effect when playing quickly.

Editing Programs
70 QuadraSynth Reference Manual
¥Ê MIDI continuous controllers (A, B, C, D) Four incoming MIDI controllers can
be recognized by the QuadraSynth and used as modulation sources. These
controllers are assigned as A, B, C and D within Global Mode (see Chapter 8).
¥Ê Tracking Generator This accepts the output of a signal processed by the
Tracking Generator module (see page 81).
Modulation Destination
Quad Knob [2] selects one of several modulation destinations. You can find out more
about these parameters and how they affect the sound in their respective sections
(e.g., to find out how Pitch Envelope Attack affects the sound, see page 74 on Pitch
Envelopes).
¥ Pitch ¥ Filter Cutoff
¥ Amplitude ¥ Effect Send
¥ Pitch LFO Speed ¥ Pitch LFO Amp
¥ Pitch LFO Delay ¥ Pitch Envelope Delay
¥ Pitch Envelope Attack ¥ Pitch Envelope Decay
¥ Pitch Envelope Sustain Decay ¥ Pitch Envelope Release
¥ Pitch Envelope Amp ¥ Filter LFO Speed
¥ Filter LFO Amp ¥ Filter LFO Delay
¥ Filter Envelope Delay ¥ Filter Envelope Attack
¥ Filter Envelope Decay ¥ Filter Envelope Sustain Decay
¥ Filter Envelope Release ¥ Filter Envelope Amp
¥ Amplitude LFO Speed ¥ Amplitude LFO Amp
¥ Amplitude LFO Delay ¥ Amplitude Envelope Delay
¥ Amplitude Envelope Attack ¥ Amplitude Envelope Decay
¥ Amplitude Envelope Sustain Decay ¥ Amplitude Envelope Release
¥ Amplitude Envelope Amp ¥ Portamento Rate
Modulation Level (-99 to +99)
At +00, the modulation source has no effect on the destination. Higher positive
values increase the amount of modulation. Negative values also increase the amount
of modulation, but with negative phase (i.e., if the modulation would normally be
increasing with depth set to a positive number, the modulation would instead be
decreasing at that same moment had the depth been set to a negative number).
Gate Mode (Off or On)
When Gate Mode is on, the selected Modulator will only be routed while notes are
being played. In other words, you can gate the effect of the Modulator so that it stops
when you are not playing any notes. This can be used on sounds with medium to
long release times, where an interesting effect (like tremolo) is intended to be active
while holding notes down, but deactivated as the sound is fading away after being
released.

Editing Programs
QuadraSynth Reference Manual 71
Pitch LFO (Page 1)
The Pitch LFO is most often used to apply vibrato to a sound.
The following Pitch LFO variables will make a difference in the sound only if the PITCH LFO
DEPTH (on Page 2 of the PITCH function) is set to a value other than 0, or, if the Pitch LFO
is a source in the MOD function.
Wave (7 choices)
The waveform determines the shape of the LFO. Use Quad Knob [1] to select either
Sine, Triangle, Square, Up Saw, Down Saw, Random or Noise.
SINE TRIANGLE SQUARE UP SAW
DOWN SAW RANDOM NOISE
Speed (00 to 99)
Quad Knob [2] controls the speed or rate of the LFO. For fast modulation, increase
this value. For slower modulation, decrease this value.
Delay (00 to 99)
This is the amount of time that is to occur before the LFO kicks in. Sometimes, it is
desirable to have modulation come in a moment or two after a note has been played,
rather than starting instantly. The higher the value, the slower the LFO kicks in.
TIME
0
+99
-99
Trigger (Mono, Poly, Key Mono, or Key Poly)
The Trigger parameter determines how the LFO should be triggered, or started.
There are four possible settings: Mono, Poly, Key Mono and Key Poly. When playing
multiple voices in a single sound, each voice has its own LFO. However, the LFO
Trigger parameter determines whether or not they should be in sync, and whether or
not they can be retriggered independent from one another.
✪

Editing Programs
72 QuadraSynth Reference Manual
Mono. All voicesÕ LFOs are in sync with each other. If you hold a chord and then
play new notes on top of the chord, all voicesÕ LFOs will be moving in the same
direction and at the same speed. Because of this, modulating the LFO Speed using a
voice-specific source (such as velocity or one of the envelopes, for example) will have
no effect (you will be allowed to do this, but you wonÕt hear any difference). This is
because these modulation sources are meant for polyphonic purposes. These include:
Note Number, Velocity, Release Velocity, PLFO, FLFO, ALFO, PENV, FENV, AENV,
Random, Trig Rate and Tracking Generator. However, modulation sources which are
not voice-specific will still have an effect while the LFO Trigger is set to MONO.
These include: Aftertouch, Mod Wheel, Pitch Wheel, MIDI Volume, Sustain Pedal,
Pedal 1, Pedal 2, and Controllers AÑD.
Poly. Each voiceÕs LFO is independent. If you hold a chord, some voicesÕ LFOs will
be moving in one direction while others move in the other direction. If the LFO
Speed is being modulated (by one of the envelopes, for example), the LFOÕs of each
voice may be running at different speeds.
Key Mono. This is identical to MONO, but whenever a new note is played, the LFO
is retriggered, instead of continuing from wherever it may be in its cycle.
Key Poly. This is almost identical to POLY, but whenever a new note is played, the
LFO is retriggered, instead of continuing from wherever it may be in its cycle.
Pitch LFO (Page 2)
Level (00 to 99)
This is the base output level of the Pitch LFO. If you want to have a constant value of
vibrato, even without using the Mod Wheel or Aftertouch, set LEVEL above 00. The
Mod Wheel and Aftertouch will add or subtract from this base level. Example: If
Level is set to 10 and the Mod Wheel parameter is set to 10, there will always be
some vibrato, and raising the Mod Wheel will add more vibrato. On the other hand,
if the Mod Wheel parameter is set to -10, raising the Mod Wheel to the top will cancel
out all vibrato.
Mod Wheel (-99 to 99)
This is the modulation amount of the Mod Wheel over the Pitch LFOÕs Level. A
positive value raises the level when the Mod Wheel is moved up, and lowers the
level when moved down. Negative settings of this parameter will decrease the
output level of the PLFO as the Mod Wheel is raised. Since the output level of the
PLFO cannot be less than zero, a negative setting of the Mod Wheel parameter will
have no effect unless either the Aftertouch or the Level is set to raise the PLFO
output. If both the Level and Aftertouch are set to 00, and the Mod Wheel parameter
is set to -99, the Mod Wheel will have no effect on the vibrato from the PLFO.
Aftertouch (-99 to 99)
This is the modulation amount of Aftertouch over the Pitch LFOÕs Level. A positive
value raises the level as more Aftertouch is applied. A negative value will lower the
amount of PLFO level as more Aftertouch is applied.

Editing Programs
QuadraSynth Reference Manual 73
Filter LFO (Page 1)
The Filter LFO is most often used to apply tremolo-like or "wah-wah" effects to a sound.
The following Filter LFO variables will affect the sound only if the FILTER LFO DEPTH (on
Page 2 of the FILTER function) is set to a value other than 0 , or, if Filter LFO is a source in
the MOD function.
Also note that the Filter LFO may have no effect if some other modulation source or setting
has already pushed the filter cutoff frequency to its maximum.
Wave (7 choices)
The waveform determines the shape of the LFO. Use Quad Knob [1] to select either
Sine, Triangle, Square, Up Sawtooth, Down Sawtooth, Random or Noise. For a
graphic representation of these waveforms, see the diagram in the Wave section of
the PLFO description on page 70.
Speed (00 to 99)
Quad Knob [2] controls the speed or rate of the LFO. For fast modulation, increase
this value. For slower modulation, decrease this value.
Delay (00 to 99)
This is the amount of time that is to occur before the LFO kicks in. Sometimes, it is
desirable to have modulation come in a moment or two after a note has been played,
rather than starting instantly. The higher the value, the slower the LFO kicks in.
Trigger (Mono, Poly, Key Mono, or Key Poly)
The Trigger parameter determines how the LFO should be triggered, or started.
There are four possible settings: Mono, Poly, Key Mono and Key Poly. A description
of these settings is found in the Trigger section of the PLFO description on page 71.
Filter LFO (Page 2)
Level (00 to 99)
This is the base output level of the Filter LFO. If you want to have a constant value of
tremolo to the filter, even without using the Mod Wheel or Aftertouch, set LEVEL
above 00. The Mod Wheel and Aftertouch will add or subtract from this base level.
Example: If Level is set to 10 and the Mod Wheel parameter is set to 10, there will
always be some filter tremolo, and raising the Mod Wheel will add more tremolo. On
the other hand, if the Mod Wheel parameter is set to -10, raising the Mod Wheel to
the top will cancel out all tremolo.
✪

Editing Programs
74 QuadraSynth Reference Manual
Mod Wheel (-99 to 99)
This parameter sets how much the Mod Wheel will increase or decrease the Filter
LFOÕs Level. A positive value raises the level when the Mod Wheel is moved up, and
lowers the level when moved down. Negative settings of this parameter will
decrease the output level of the FLFO as the Mod Wheel is raised. Since the output
level of the FLFO cannot be less than zero, a negative setting of the Mod Wheel
parameter will have no effect unless either the Aftertouch or the Level is set to raise
the FLFO output. If both the Level and Aftertouch are set to 00, and the Mod Wheel
parameter is set to -99, the Mod Wheel will have no effect on the tremolo from the
FLFO.
Aftertouch (-99 to 99)
This is the modulation amount of Aftertouch over the Filter LFOÕs Level. A positive
value raises the level as more Aftertouch is applied. A negative value will lower the
amount of FLFO level as more Aftertouch is applied.
Amp LFO (Page 1)
The Amp LFO is usually used to add tremolo to a sound.
The se Amp LFO variables will have an effect only if the AMP LFO DEPTH (in the AMP
function) is set to a value other than 0 , or, if Amp LFO is a source in the MOD function.
Wave (7 choices)
The waveform determines the shape of the LFO. Use Quad Knob [1] to select either
Sine, Triangle, Square, Up Sawtooth, Down Sawtooth, Random or Noise. See the
diagram in the Wave section of the PLFO description on page 70.
Speed (00 to 99)
Quad Knob [2] controls the speed or rate of the LFO. For fast modulation, increase
this value. For slower modulation, decrease this value.
Delay (00 to 99)
This is the amount of time that is to occur before the LFO kicks in. Sometimes, it is
desirable to have modulation come in a moment or two after a note has been played,
rather than starting instantly. The higher the value, the slower the LFO kicks in.
Trigger (Mono, Poly, Key Mono, Key Poly)
The Trigger parameter determines how the LFO should be triggered, or started. There
are four possible settings: Mono, Poly, Key Mono and Key Poly. A description of these
settings is found in the Trigger section of the PLFO description on page 70.
✪

Editing Programs
QuadraSynth Reference Manual 75
Amp LFO (Page 2)
Level (00 to 99)
This is the base output level of the Amp LFO. If you want to have a constant value of
tremolo, even without using the Mod Wheel or Aftertouch, set LEVEL above 00. The
Mod Wheel and Aftertouch will add or subtract from this base level. Example: If
Level is set to 10 and the Mod Wheel parameter is set to 10, there will always be
some tremolo, and raising the Mod Wheel will add more tremolo. On the other hand,
if the Mod Wheel parameter is set to -10, raising the Mod Wheel to the top will cancel
out all tremolo.
Mod Wheel (-99 to 99)
This is the modulation amount of the Mod Wheel over the Amp LFOÕs Level. A
positive value raises the level when the Mod Wheel is moved up, and lowers the
level when moved down. Negative settings of this parameter will decrease the
output level of the ALFO as the Mod Wheel is raised. Since the output level of the
ALFO cannot be less than zero. A negative setting of the Mod Wheel parameter will
have no effect unless either the Aftertouch or the Level is set to raise the ALFO
output. If both the Level and Aftertouch are set to 00, and the Mod Wheel parameter
is set to -99, the Mod Wheel will have no effect on the tremolo from the ALFO.
Aftertouch (-99 to 99)
This is the modulation amount of Aftertouch over the Amp LFOÕs Level. A positive
value raises the level as more Aftertouch is applied. A negative value will lower the
amount of ALFO level as more Aftertouch is applied.
Pitch Envelope
Pitch Envelope (Page 1)
Pitch Envelope can lead to dramatic effects, since it can cause the pitch of a single key
to change drastically over time. ItÕs typically used in special-effect synthesizer
programs, but it may also be used more subtly in an acoustic program to simulate the
characteristic of some instruments to go sharp on the initial attack, especially when
played hard.
The following Pitch Envelope variables will have an effect only if the PITCH ENVELOPE
DEPTH (on Page 2 of the PITCH function) is set to a value other than 0, or, if Pitch
Envelope is a source in the MOD function.
Attack (00 to 99)
This is the amount of time the envelope will take until it reaches its maximum output
level. Setting the Attack to 0 will make the pitch go to maximum immediately on
hitting the key (if the Delay is also set to 0 in PENV Page 2--see below); a setting of 99
will result in a much slower attack, taking many seconds before the envelope gets to
maximum.
✪

Editing Programs
76 QuadraSynth Reference Manual
Decay & Sustain (00 to 99)
As soon as the attack portion of the envelope finishes (when the level reaches
maximum), the envelope will decay (decrease in level). The level it reaches is set by
the Sustain control; how long it takes to get there is set by the Decay control. In the
special case where the Sustain level is all the way up (99), then there is no decrease
and the Decay time segment is bypassed. Whatever level the sustain is set to is the
level that the decay section of the envelope will head for. Depending on the setting of
the Sustain Decay control (see below), the envelope will either hold at the sustain
level until you release the note on the keyboard, or decay to 0 at the Sustain Decay
rate (which is on page 2 of the envelope). You can create a long "plateau" at the start
of a note by setting the Sustain to 98 and the Decay to 99. This will cause the
envelope to take the maximum amount of time to get from peak level to a level of 98,
before the Sustain Release portion of the envelope begins.
Release (00 to 99)
Eventually, you will let go of the note that youÕve been holding (either by releasing
the note on the keyboard, or releasing the sustain pedal if it was pressed). It is at this
point that the Release portion of the envelope takes effect. The Release is the time
that the envelope takes to get from its current level back down to nothing. Setting the
Release time to 99 will take the envelope a very long time to reach zero level.
Pitch Envelope (Page 2)
Delay (00 to 99)
This is the amount of time that the envelope will wait before doing anything; very
useful if you want to affect one element of a sound sometime after the sound starts.
When the Delay is set to 0, the envelope attacks right away, without any delay. Play
some notes while turning up the delay and see that the time between playing the
note and hearing the effect of the Pitch Envelope gets progressively longer as the
Delay control is turned up.
Sustain Decay (00 to 99)
This is the amount of time that the envelope will take during the sustain stage to
bring the level down to 0. If this is set to 99, the envelope will remain at the Sustain
level until the note is released. When set to 0, the envelopeÕs level will immediately
jump down to 0 upon reaching the sustain stage.
Trigger (Normal, Freerun, Reset, Reset-Freerun)
The Trigger mode determines how the envelope will function. You may select either
Freerun or Reset, or both (Reset-Freerun) or neither (Normal). When set to Normal,
the envelope will always start at its current level (i.e., if another note had been played
which triggered the envelopeÕs cycle, playing another note in the middle would not
interrupt the cycle). Also in Normal mode, the envelope will immediately advance to
its release stage upon releasing the note. When set to Freerun, the envelope will
complete its entire cycle, even if the note is released in the middle. When set to Reset,
the envelope starts at the beginning whenever a new note is played. When set to
Reset-Freerun, the envelope will start at the beginning whenever a new note is
played and will complete its entire cycle, even if the note is released in the middle.

Editing Programs
QuadraSynth Reference Manual 77
Pitch Envelope (Page 3)
Time Tracking (On or Off)
This determines whether or not keyboard position will affect the cycle speed of the
envelope. When turned on, playing toward the higher end of the keyboard will result
in a faster envelope cycle; playing toward the lower end of the keyboard will result
in a slower envelope cycle. However, this does not effect the attack time, but only the
decay, sustain decay and release segments. This feature will result in only a subtle
change. The envelopeÕs timing doubles or halves over a range of two octaves.
Sustain Pedal (On or Off)
This determines whether or not the Sustain Pedal will have an effect on the envelope.
When turned on, holding down the Sustain Pedal while playing short notes is
virtually the equivalent to holding down those notes on the keyboard with some
subtle but important differences. If the Delay and Attack are set to 0 and either the
Decay is 0 or the Sustain is 99, the envelope will immediately jump to the sustain
decay stage (if not already there) when the note is released and the sustain pedal is
held down. If a long attack is set, and the envelope does not reach the end of the
attack segment when the note is released, it will be skipped and the envelope will
jump immediately to the release segment. If a long delay is set, and the envelope has
not reached the attack segment before the note is released, the envelope will remain
at 0. However, if Freerun is turned on, the envelope will continue through the delay,
attack, decay and sustain segments and remain at the sustain decay segment. This is
exactly the same as holding down the note on the keyboard. When the Sustain Pedal
parameter is turned off, the Sustain Pedal will have no effect on the envelope.
Level (00 to 99)
This is the initial output level of the envelope.
Velocity Modulation (00 to 99)
This determines how keyboard dynamics will affect the envelope level. When set to
99, note velocity controls the envelopeÕs output; notes played hard will deliver a
higher envelope output than notes played soft. When set to 0, note velocity will have
no effect on the envelopeÕs output level.
Filter Envelope (Page 1)
Filter Envelope is crucial whenever you want the tonal quality of a note to change
over time, differently from its overall level. Example: When you want the initial attack
of a note to be bright, but want the sustaining part to be filtered.
The following Filter Envelope variables will only have any effect if the FILTER ENVELOPE
DEPTH (on Page 2 of the FILTER function) is set to a value other than 0, or, Filter Envelope
is a source in the MOD function.
Also note that the Filter Envelope may have no effect if some other modulation source, or the
basic setting of the filter, has already pushed the filter cutoff frequency to its maximum.
✪

Editing Programs
78 QuadraSynth Reference Manual
Attack (00 to 99)
This is the amount of time the envelope will take until it reaches its maximum output
level. Setting the Attack to 0 will give a sharp edge to the sound (if the Delay is also
set to 0 in FENV Page 2--see below); a setting of 99 will result in a much slower
attack, taking many seconds before the envelope gets to maximum.
Decay & Sustain (00 to 99)
As soon as the attack portion of the envelope finishes (when the level reaches
maximum), the envelope will decay (decrease in level). The level it reaches is set by
the Sustain control; how long it takes to get there is set by the Decay control. In the
special case where the Sustain level is all the way up (99), then there is no decrease
and the Decay time segment is bypassed. Whatever level the sustain is set to is the
level that the decay section of the envelope will head for. Depending on the setting of
the Sustain Decay control (see below), the envelope will either hold at the sustain
level until you release the note on the keyboard, or decay to 0 at the Sustain Decay
rate (which is on page 2 of the envelope). You can create a long "plateau" at the start
of a note by setting the Sustain to 98 and the Decay to 99. This will cause the
envelope to take the maximum amount of time to get from peak level to a level of 98,
before the Sustain Release portion of the envelope begins.
Release (00 to 99)
Eventually, you will let go of the note that youÕve been holding (either by releasing
the note on the keyboard, or releasing the sustain pedal if it was pressed). It is at this
point that the Release portion of the envelope takes effect. The Release is the time
that the envelope takes to get from the sustain level back down to nothing. Setting
the Release time to 0 is good for playing those short funky riffs that you hear on a
clavinet. Setting the Release time to 99 will take the envelope a very long time to
reach zero level.
Filter Envelope (Page 2)
Delay (00 to 99)
This is the amount of time that the envelope will wait before doing anything; very
useful if you want to affect one element of a sound sometime after the sound starts.
When the Delay is set to 0, the envelope attacks right away, without any delay. Play
some notes while turning up the delay and see that the time between playing the
note and hearing the effect of the Pitch Envelope gets progressively longer as the
Delay control is turned up.
Sustain Decay (00 to 99)
This is the amount of time that the envelope will take during the sustain stage to
bring the level down to 0. If this is set to 99, the envelope will remain at the Sustain
level until the note is released. This is the normal setting for organ-type sounds.
When set to 0, the envelopeÕs level will immediately jump down to 0 upon reaching
the sustain stage.

Editing Programs
QuadraSynth Reference Manual 79
Trigger (Normal, Freerun, Reset, Reset-Freerun)
The Trigger mode determines how the envelope will function. You may select either
Freerun or Reset, or both (Reset-Freerun) or neither (Normal). When set to Normal,
the envelope will always start at its current level (i.e., if another note had been played
which triggered the envelopeÕs cycle, playing another note in the middle would not
interrupt the cycle). Also in Normal mode, the envelope will immediately advance to
its release stage upon releasing the note. When set to Freerun, the envelope will
complete its entire cycle, even if the note is released in the middle. When set to Reset,
the envelope starts at the beginning whenever a new note is played. When set to
Reset-Freerun, the envelope will start at the beginning whenever a new note is
played and will complete its entire cycle, even if the note is released in the middle.
Filter Envelope (Page 3)
Time Tracking (On or Off)
This determines whether or not keyboard position will affect the cycle speed of the
envelope. When turned on, playing toward the higher end of the keyboard will result
in a faster envelope cycle; playing toward the lower end of the keyboard will result
in a slower envelope cycle. However, this does not effect the attack time, but only the
decay, sustain, sustain decay and release segments. This feature will result in only a
subtle change. The envelopeÕs timing doubles or halves over a range of two octaves.
Sustain Pedal (On or Off)
This determines whether or not the Sustain Pedal will have an effect on the envelope.
When turned on, holding down the Sustain Pedal while playing short notes is
virtually the equivalent to holding down those notes on the keyboard with some
subtle but important differences. If the Delay and Attack are set to 0 and either the
Decay is 0 or the Sustain is 99, the envelope will immediately jump to the release
stage (if not already there) when the note is released and the sustain pedal is held
down. If a long attack is set, and the envelope does not reach the end of the attack
segment when the note is released, it will be skipped and the envelope will jump
immediately to the sustain decay segment. If a long delay is set, and the envelope has
not reached the attack segment before the note is released, the envelope will remain
at 0. However, if Freerun is turned on, the envelope will continue through the delay,
attack, decay and sustain segments and remain at the sustain decay segment. This is
exactly the same as holding down the note on the keyboard. When the Sustain Pedal
parameter is turned off, the Sustain Pedal will have no effect on the envelope.
Level (00 to 99)
This is the initial output level of the envelope.
Velocity Modulation (00 to 99)
This determines how keyboard dynamics will affect the envelope level. When set to
99, note velocity controls the envelopeÕs output; notes played hard will deliver a
higher envelope output than notes played soft. When set to 0, note velocity will have
no effect on the envelopeÕs output level.

Editing Programs
80 QuadraSynth Reference Manual
Amp Envelope (Page 1)
The Amp Envelope is crucial for all sounds because it sets the basic characteristics of
the note--whether it attacks quickly or slowly, sustains or decays. Some Programs
may leave the Amp Envelope in a sustaining mode, and provide attack and decay
using the Filter Envelope; the effect is slightly different. Unlike Pitch and Filter
Envelope, the Amp Envelope is always fully active (there is no second-page to the
AMP function adjusting how much envelope is applied to the amp).
Attack (00 to 99)
This is the amount of time the envelope will take until it reaches its maximum output
level. Setting the Attack to 0 will give a sharp edge to the sound (if the Delay is also
set to 0 in AENV Page 2--see below); a setting of 99 will result in a much slower
attack, taking many seconds before the envelope gets to maximum.
Decay & Sustain (00 to 99)
As soon as the attack portion of the envelope finishes (when the level reaches
maximum), the envelope will decay (decrease in level). The level it reaches is set by
the Sustain control; how long it takes to get there is set by the Decay control. In the
special case where the Sustain level is all the way up (99), then there is no decrease
and the Decay time segment is bypassed. Whatever level the sustain is set to is the
level that the decay section of the envelope will head for. Depending on the setting of
the Sustain Decay control (see below), the envelope will either hold at the sustain
level until you release the note on the keyboard, or decay to 0 at the Sustain Decay
rate (which is on page 2 of the envelope). You can create a long "plateau" at the start
of a note by setting the Sustain to 98 and the Decay to 99. This will cause the
envelope to take the maximum amount of time to get from peak level to a level of 98,
before the Sustain Release portion of the envelope begins.
Release (00 to 99)
Eventually, you will let go of the note that youÕve been holding (either by releasing
the note on the keyboard, or releasing the sustain pedal if it was pressed). It is at this
point that the Release portion of the envelope takes effect. The Release is the time
that the envelope takes to get from the sustain level back down to nothing. Setting
the Release time to 0 is good for playing those short funky riffs that you hear on a
clavinet. Setting the Release time to 99 will take the envelope a very long time to
reach zero level.
Amp Envelope (Page 2)
Delay (00 to 99)
This is the amount of time that the envelope will wait before doing anything; very
useful if you want to affect one element of a sound sometime after the sound starts.
When the Delay is set to 0, the envelope attacks right away, without any delay. Play
some notes while turning up the delay and see that the time between playing the
note and hearing the effect of the Pitch Envelope gets progressively longer as the
Delay control is turned up.

Editing Programs
QuadraSynth Reference Manual 81
Sustain Decay (00 to 99)
This is the amount of time that the envelope will take during the sustain stage to
bring the level down to 0. If this is set to 99, the envelope will remain at the Sustain
level until the note is released. When set to 0, the envelopeÕs level will immediately
jump down to 0 upon reaching the sustain stage.
Trigger (Normal, Freerun, Reset, Reset-Freerun)
The Trigger mode determines how the envelope will function. You may select either
Freerun or Reset, or both (Reset-Freerun) or neither (Normal). When set to Normal,
the envelope will always start at its current level (i.e., if another note had been played
which triggered the envelopeÕs cycle, playing another note in the middle would not
interrupt the cycle). Also in Normal mode, the envelope will immediately advance to
its release stage upon releasing the note. When set to Freerun, the envelope will
complete its entire cycle, even if the note is released in the middle. When set to Reset,
the envelope starts at the beginning whenever a new note is played. When set to
Reset-Freerun, the envelope will start at the beginning whenever a new note is
played and will complete its entire cycle, even if the note is released in the middle.
Amp Envelope (Page 3)
Time Tracking (On or Off)
This determines whether or not keyboard position will affect the cycle speed of the
envelope. When turned on, playing toward the higher end of the keyboard will result
in a faster envelope cycle; playing toward the lower end of the keyboard will result
in a slower envelope cycle. However, this does not effect the attack time, but only the
decay, sustain, sustain decay and release segments. This feature will result in only a
subtle change. The envelopeÕs timing doubles or halves over a range of two octaves.
Sustain Pedal (On or Off)
This determines whether or not the Sustain Pedal will have an effect on the envelope.
When turned on, holding down the Sustain Pedal while playing short notes is
virtually the equivalent to holding down those notes on the keyboard with some
subtle but important differences. If the Delay and Attack are set to 0 and either the
Decay is 0 or the Sustain is 99, the envelope will immediately jump to the release
stage (if not already there) when the note is released and the sustain pedal is held
down. If a long attack is set, and the envelope does not reach the end of the attack
segment when the note is released, it will be skipped and the envelope will jump
immediately to the sustain decay segment. If a long delay is set, and the envelope has
not reached the attack segment before the note is released, the envelope will remain
at 0. However, if Freerun is turned on, the envelope will continue through the delay,
attack, decay and sustain segments and remain at the sustain decay segment. This is
exactly the same as holding down the note on the keyboard. When the Sustain Pedal
parameter is turned off, the Sustain Pedal will have no effect on the envelope.
Level (00 to 99)
This is the overall output level of the envelope.

Editing Programs
82 QuadraSynth Reference Manual
Tracking Generator
The Tracking Generator is used to scale a modulation source. For example, normally
you could modulate the Amp (volume) of a sound using velocity; the harder you
play, the louder the sound gets. The amount of change in volume is equal to the
change in velocity; this is called linear control. If instead, however, you set the
Tracking GeneratorÕs input to ÒvelocityÓ, and then routed the Tracking Generator to
the Amp (using the Mod function), you can make your own customized "map" of the
control velocity has over the soundÕs level.
The Tracking Generator divides the range of the input into 11 points (0Ñ10), each of
which can be set between 0 and 100. If you boost the value of one of the lower points,
you make the input more sensitive in its lower register. By creating a non-linear
curve using the velocity example above, you can scale the velocityÕs control over the
soundÕs volume just the way you want.
0
100
POINTS: 01234567891
0
LINEAR
0
100
POINTS: 01234567891
0
NON-LINEAR
Tip: The Tracking Generator can be used to turn a variable control, such as the Mod
Wheel or velocity, into a switch by setting all of the points to 0 except for point 10.
Only near the maximum input will anything other than 0 come out of the Tracking
generator. You can patch the Mod Wheel somewhere else in addition to the Tracking
Generator, giving you gradual control of one function with the full range of the Mod
Wheel, while switching on a second function only at the top of the wheel.
However, the Tracking Generator interpolates between steps; this is sort of like
playing Òconnect the dots.Ó In other words, the Tracking Generator does not step
directly from one point to the next, but ramps from point to point.

Editing Programs
QuadraSynth Reference Manual 83
Input
In Page 1 of the TRACK function, Quad Knob [1] selects the input of the Tracking
Generator:
¥ Note Number ¥ Velocity ¥ Release Velocity
¥ Aftertouch ¥ Poly Pressure ¥ Mod Wheel
¥ Pitch Wheel ¥ MIDI Volume ¥ Sustain Pedal
¥ Pedal 1 ¥ Pedal 2 ¥ PLFO
¥ FLFO ¥ ALFO ¥ PENV
¥ FENV ¥ AENV ¥ Random
¥ Trig Rate ¥ Cont. AÑD
For detailed descriptions of each of these sources, see the section ÒModulation
SourceÓ in the Mod section on pages 67Ñ69.
Points 0 Ñ 10 (00Ñ100)
Quad Knobs [2], [3] and [4] in page 1 of the TRACK function control the levels of
points 0 Ñ2. Points 3Ñ6 are found on page 2, while points 7Ñ10 are on page 3.
The Name Function allows you to change the ProgramÕs name. The name can be up
to 10 characters long. Use the PAGE [¬] and [®] buttons to position the cursor.
Quad Knob [1] selects the character. Here is a chart of available characters:
! " #$%&’
(
)
* +, - . / 0123
456789: ; <=>?@ABCDEFG
HI J KLMNOPQRSTUVWXYZ[
¥] ^_` abcdef
g
hi
j
kl mno
p
q
rstuvwx
y
z{ | } ®¬
Misc.
This enables and disables Drum Mode which allows you to assign individual drum
sounds to individual keys. To Program a sound in Drum Mode, refer to the next
section ÒProgramming Drum Sounds.Ó
This is the master on/off switch for the selected sound (1Ñ4) of the current Program.
To avoid using up polyphony unnecessarily, set Sound Enable to OFF for any
sounds that will not be used in a Program. When using Edit 4 mode, disabled sounds
will have the word ÒsndxÓ (where x is a sound from 1 to 4) appear in lowercase
letters above each bar graph meter in the display. Active sounds will have the word
ÒSNDXÓ appear in uppercase letters. Turning sounds off is a convenient way to
isolate a particular sound you are editing. A quick way to turn a sound on and off
from anywhere within Program Edit mode is to hold the corresponding Quad Button
[1]Ñ[4] and press VALUE [¯] to disable or VALUE [-] to enable. Example: Holding
Quad Button [1] and pressing VALUE [¯] will disable sound 1.

Editing Programs
84 QuadraSynth Reference Manual
Programming Drum Sounds
To program a sound in Drum Mode, you must first enable Drum Mode for that
particular sound in the Misc. Function (see previous section). Quad Knob [4] is
always used to select a Drum (1Ñ10), regardless of which Function or Page is
selected (except Effect, Name and Misc.). For an explanation of the basics of Drum
Mode, see page 56.
When using Edit 4 mode, sounds using Drum Mode will be unavailable for editing; only
sounds not in Drum Mode will be editable in the bargraph display. If a sound is in Drum
mode, the display will show ÒdrmX,Ó whereby X is the sound number (1Ñ4).
If you enable Drum Mode for a sound while in Edit 4 mode, the QuadraSynth will
automatically switch to Edit 1 mode for that layer.
Assign Voice
The Assign Voice function is where you choose the particular sample for the selected
drum (1Ñ10). Similar to the normal Assign Voice function, sounds are divided into
groups. After selecting the group (using Quad Knob [1]), you then select the sample
within the group (using Quad Knob [2]). Here is a chart listing the various drum
samples in their respective groups.
Group
Sample
Kick Stab Kick, Dee
p
Kick, S
p
ike Kick, Fla
p
Kick, Gara
g
eKick, PillowKic, Elect Kick
Snare Studio Snr, TurboSnare, PiccoloSnr, Cris
p
Snr, Power Snr, Dance Snr, Rimshot,
Side Stick
Hi Hat Closed Hat, Ed
g
e Hat, O
p
en Hat, FootClosed
Toms Hi Pwr Tom, Lo Pwr Tom, Hi Mid Tom, Mid Tom, Lo Mid Tom, Hi Flr Tom,
Floor Tom, Lo Flr Tom, Hi Slam Tom, Md Slam Tom, Lo Slam Tom, Hi Cannon,
Mid Cannon, Lo Cannon
Cymbal C
y
m Ride, C
y
m Bell, C
y
m Crash, C
y
m China, C
y
m S
p
lash
Percus T
y
m
p
ani, TbularBell, Asian Drum, Cabasa, Castanet, Clave, Hi
g
h A
g
o
g
o, Low
A
g
o
g
o, Hi
g
h Bon
g
o, Lo Bon
g
, Con
g
a Hi
g
h, Con
g
a Lo, Con
g
a Sla
p
, Cowbell,
Trian
g
le, Trian
g
leMt, Guiro Lon
g
, GuiroShort, Hand Cla
p
, Shaker, Maracas,
Tambourine, Timbale Hi, Timbale Lo, Lo
g
Drum, Vibrasmack, WoodBlk Hi,
WoodBlk Lo, Water
p
hone, SambaWhstl, ShortWhstl
Percus
FX
Za
p
Attk 1, Za
p
Attk 2, Za
p
Attk 3, Mini Attk, Po
p
, Po
p
Attk, Bottle Hit, Metal
Attk1, Metal Attk2, Fin
g
ersna
p
,Voice EFX1, Voice EFX2, Voice EFX3
Level
Each of the 10 drums in a sound can have its own level, pan position, and output
assignment. The function provides these controls. Use Quad Knob [1] to adjust the
selected drumÕs level (00 to 99), Quad Knob [2] to adjust pan position (<3 to >3), and
Quad Knob [3] to select the Output assignment (Main, Aux or Off). Use Quad Knob
[4] to select the drum (1Ñ10) you wish to edit.
To send a drum to an individual output, use Output in conjunction with Pan.
Example: Panning a drum full left and selecting the Aux outputs means that the drum
will appear at only the left Aux output.
✪

Editing Programs
QuadraSynth Reference Manual 85
Effects Level
The function determines how much of the selected drum is being routed to the
effects processor, and on which bus. Quad Knob [1] adjusts the Effect Send level (00
to 99), and Quad Knob [2] selects the Effects Bus (1, 2, 3 or 4). Use Quad Knob [4] to
select the drum (1Ñ10) you wish to edit.
Pitch
Pitch (-12.00 to +12.00)
The function lets you transpose the selected drum up or down one octave in micro-
step (1/4th of a half step) increments, and lets you modulate the drumÕs pitch with
velocity. Quad Knob [1] determines the tuning of the selected drum (±12.00). Use
Quad Knob [2] to select how much you wish velocity to affect the selected drumÕs
tuning (0Ñ7). When this value is set to 7, the drum will be played sharp when the
associated note is played hard; when played soft, the drumÕs tuning will be
unaltered. Use Quad Knob [4] to select the drum (1Ñ10) you wish to edit.
Filter
Velocity>Filter (0 to 3)
The Filter function lets you control the ÒbrightnessÓ of the selected drum by
modulating the filter frequency with . Use Quad Knob [1] to set the Velocity>Filter
parameter (0Ñ3). When set to 3, playing the associated note will result in a brighter
sound (more high frequencies), while playing softer will result in a duller sound (less
high frequencies). When this parameter is set to 0, velocity will have no affect on the
filter. Use Quad Knob [4] to select a drum (1Ñ10) to edit.
Amp
Velocity Curve (13 choices)
Quad Knob [1] in the Amp function lets you select one of 13 velocity curves. This
determines how the drum will respond to the dynamics of your playing the
keyboard. Use Quad Knob [4] to select the drum (1Ñ10) you wish to edit.
A LINEAR curve is the norm, whereby the increase in level is equal to the increase in
velocity; the velocity values increase as you play harder. Many of the Velocity
Curves make up sets to be used by 2, 3 or 4 drums in order to facilitate velocity
crossfading, whereby a different drum is played depending on how hard or soft the
keyboard is played. However, each drum must be in a different sound layer of the
Program in order to be stacked on the same note.
If you want to create your own velocity crossfading Program, assign the related
versions of the same drum samples (ÒConga HighÓ and ÒConga LoÓ) the same key in
different Program Sound layers, then use the appropriate velocity curves for each
drum (in a three-way velocity split, drum 1 would use curve Ò1 of 3,Ó drum 2 would
use curve Ò2 of 3Ó while drum 3 would use Ò3 of 3Ó).
For more details about the 13 velocity curves, see the illustration on page 64.

Editing Programs
86 QuadraSynth Reference Manual
Note (000 to 127/C-2 to G8)
Each drum can be assigned to a single note which will trigger the drum sound when
played. Quad Knob [1] specifies the note assignment of the selected drum (000 to
127/C-2 to G8). You can also set the note assignment by holding Quad Switch [1] and
tapping the key on the keyboard you want to set as the note for the drum. Use Quad
Knob [4] to select the drum (1Ñ10) you wish to edit.
Only one drum can be assigned to a single note within a single Program sound layer. If more
than one drum in a single sound is assigned to the same note number, only the higher number
drum will sound.
Decay (0 to 99)
Quad Knob [1] in the Amp Envelope function lets you adjust the Decay time of the
selected drum (00 to 99). If this is set to 0, only the very beginning of the drum
sample is played; setting this to 99 will cause the entire drum sample to play. Use
Quad Knob [4] to select the drum (1Ñ10) you wish to edit.
Mute Group (Off, 1, 2, or 3)
This is an important feature when using multiple sounds of the same instrument.
Mute Groups allow multiple drums to share a single voice. For example, if you have
assigned a Closed Hat and an Open Hat to two different notes, playing either note
should cut-off the other (if it had recently been played). This creates a more realistic
sound, since an actual Hi Hat is only capable of making one sound at a time.
In the Amp Envelope function, Quad Knob [2] is used to assign the selected drum to
one of the three Mute Groups. In our example above, both Hi Hat drums would be
assigned to the same Mute Group. The additional Mute Groups can be used by other
sounds that you wish to cut-off each other, but do not want to interfere with the Hi
Hat sounds. Use Quad Knob [4] to select the drum (1Ñ10) you wish to edit.
✪

Editing Programs
QuadraSynth Reference Manual 87
Copying Sounds
While editing a Program, it is helpful to be able to copy a sound to another sound in
either the same Program or a different Program, especially if you are building a split
or layered Program. This can be done very easily from within the Store function.
To copy a sound to another sound in the same Program, or to the same sound in a
different Program:
➀From Program Edit mode, press [STORE].
➁Use either PAGE [¬] or [®] to select Page 2 of the Store function.
➂Use Quad Knob [1] to select which sound (1Ñ4) in the currently selected
Program to copy from.
➃Use Quad Knob [2] to select which sound (1Ñ4) in the currently selected
Program to copy to; or to select which Program (0Ñ127) to copy to.
The selected sound will be copied into the same sound location in the selected Program. If
you select to copy sound 2 to Program 45, the sound will be copied into sound 2 of
Program 45.
➄Press [STORE] to copy the sound.
Initializing Programs
If you want to start programming from Òscratch,Ó you can easily reset all parameters
to their default settings by re-initializing the software. Make sure your mod wheel is
all the way down before re-initializing, otherwise the "zero" position of the mod
wheel will be incorrect.
To re-initialize the QuadraSynth:
1Press [PROGRAM] to enter Program mode.
2Turn the unit off.
3While holding down both Quad Buttons [1] and [4], turn on the power.
The QuadraSynth will come on showing Program 00 and Effect 00, with the EDITED
flags showing in the display. These are the edit buffers, set to the default settings.
This will also reset all Global parameters to their default settings, and will initialize
all edit buffers so that all Mix, Program and Effects parameters are reset to their
default settings. However, none of the Programs, Mixes, or Effects are changed when
re-initializing the unit. You can proceed to edit, then [STORE] at any Program or
Effect location you like.

Editing Programs
88 QuadraSynth Reference Manual

Editing Effects
QuadraSynth Reference Manual 89
CHAPTER 7
EDITING EFFECTS
About Signal Processing
The built-in effects processor of the QuadraSynth is similar to that of the Alesis
QuadraVerb, capable of generating multiple, fully digital effects simultaneously. The
QuadraSynth effects processor has four inputs, or effect sends. You might think of
these as the typical post-fader sends found on a mixing console. In a Program, each
of the four Sounds can be assigned to one of the four effect sends. In a Mix, each
Program can use its own effects routing or you may override this and assign the
entire Program (all 4 sounds) to one of the four effect sends. Once you assign a Sound
(in Program Edit) or a Program (in Mix Edit) to an effect send, you can adjust the
Effect Send Level.
To route a Sound/Program only to an effect send, and not the Main or Aux outputs, assign
the Output parameter of the Sound/Program to ÒOFF,Ó assign its Effect Bus to one of the
four effect sends, and adjust the Effects Level.
Outputs
1 SOUND
Main Left
Aux Left
Main Right
Aux Right
1
2
3
4
Effect Sends
Level Pan
Effect
Level
The configuration determines the arrangement of effect functions of each effect send.
Imagine a configuration as an arrangement of multiple effects processors patched
together at the end of each effect send. Example: In one configuration, effect send 3
has its own separate reverb, while in another configuration it has its own delay and a
level control feeding a reverb shared with send 1. When youÕre programming effects,
you will need to refer to the charts on pages 91Ñ95 for the effect configuration youÕre
using, so you know how the paths from different effect functions interact.
The Effect functions consist of: Pitch, Delay and Reverb. Each function has several
types to choose from. For example, the Pitch effect can be either a chorus, a flange, a
resonator, etc. The Reverb can be a large hall, plate, gated, etc. The parameters
available for an effect function depend on the selected effect type. Some effect types
have very few parameters, while others have many. For example, the stereo delay
effect has about twice as many parameters as the mono delay effect (since the stereo
delay has two adjustmentsÐ left and right Ð for several parameters). Consequently,
the more parameters an effect has, additional pages become available for that
function. The number of pages the currently selected function has, and the current
page are always shown in the bottom left of the display.
Each effect has stereo outputs, which may be routed to the Main Left and Right
outputs using the Mix function (the Aux Left and Right outputs do not use the
internal effects processing).
✪

Editing Effects
90 QuadraSynth Reference Manual
Selecting an Effects Patch
To select an Effects Patch from either the User bank or the Preset bank, you must be
in either Program Edit mode (if currently using Program mode) or Mix Edit mode (if
using Mix mode), by pressing the [SELECT] button until the correct display appears.
Use the FUNCTION [¬] and [®] buttons to scroll through the functions in the
display until the word EFFECT is underlined. The display should look like this (from
Program Edit mode):
MIDI
CHAN
PROG
1
EFFECT
PRESET PRESET
EDITING: PROGRAM SOUND 1
PAGE: 1
"Ch
®
Dly
®
Rev1"
NUMBER TYPE
PITCH FILTER AMP RANGE MOD EFFECT NAME
PLFO FLFO ALFO PENV FENV AENV TRACK
MISC.
ASSIGN – VOICE LEVEL EFFECT–LEVEL
Use Quad Knob [1] to select an Effects Patch (0Ñ127) (or use the VALUE [¯] and [-]
buttons). Use Quad Knob [3] to select either the Preset bank or the User bank.
EDITING: MIX
MIDI
CHAN
MIX
PRESET
12345678910111213141516
PROGRAM – ASSIGN LEVEL EFFECT–LEVEL
PROG EFFECT
PRESET PRESET
PAGE: 1
"Ch
®
Dly
®
Rev1"
NUMBER TYPE LINK CHAN
PITCH RANGE EFFECT NAME
In Mix Edit mode, the Effect function has two additional parameters. Quad Knob [3]
turns on and off the Link function. Quad Knob [4] lets you select which Channel (1Ñ
16) of the Mix you wish to link to. If Link is on and you set the Channel to 1, then the
Mix will automatically use the Effects Patch used by the Program on Channel 1.
When the Link function is off, Quad Knob [4] is still used to determine what MIDI
channel the Effects Patch will be set to for receiving MIDI controller information for
the Modulators (see the Mod section later in this chapter for more on real-time MIDI
control).
The number of the Effects Patch you wish to use, the effect send levels and effect bus
assignments are saved as part of a Program or Mix, from Program Edit or Mix Edit
mode. Keep in mind that these are separate from any changes that will be made to
the Effects Patch itself. If you are changing settings in both modes, you will have to
STORE not only the Effect Patch, but the Program and/or Mix, in order to hear your
changes in the future.
The actual arrangement of depth of reverb, delay time, etc., is saved as an Effects
Patch from Effects Edit mode. It is possible for different Programs and Mixes to share
the same Effects Patch. So keep in mind that when you edit an Effects Patch, it may
affect the sound of any other Programs and Mixes that use the same Effects Patch.

Editing Effects
QuadraSynth Reference Manual 91
While routing sounds into the effects processor, the word ÒCLIPÓ will temporarily
appear in the display if the input to the effects is being overloaded. If this should
occur, try reducing the Input Levels for each of the effects devices in the current
configuration, and (if necessary) reduce the Effects Levels in the Mix/Program.
Editing Effects
The Effects Patches themselves are not edited in Program Edit or Mix Edit mode, but
(could you guess it?) Effects Edit mode. You can enter Effects Edit mode by pressing
the [SELECT] button until the display looks something like this:
PROG EFFECT
PRESET
EDITING: 1 EFFECT
PITCH MOD NAME
CONFIG REVERB DELAY MIX
PAGE: 12
Stereo Chorus
TYPE
PRESET
MIDI
CHAN
MIX
PRESET
12345678910111213141516
The basic method of navigating through the displays in Effects Edit mode is similar
to that in Program Edit and Mix Edit modes.
¥ The FUNCTION [¬] and [®] buttons are used to select a function (Pitch, Mod,
Name, Configuration, Reverb, Delay and Mix).
¥ If a function has more than one page, the display will indicate the number of
pages available in the bottom left corner. Use the PAGE [¬] and [®] buttons to
scroll through a functionÕs pages.
¥ Use the [EDIT 1] button to select which of the four effect sends you want to edit
(the [EDIT 4] button will not let you edit multiple sends, but rather will switch
the display back to Program Edit mode and enable Edit 4 mode).
The important thing to understand is the hierarchy of the displays. Think of it as a
three dimensional game of Chess, where you can move among three different axes.
Each function has 1 or more pages. But, the number of pages a function has available
will differ when another effect send is selected (using the [EDIT 1] button). For
example, if you are using Configuration #1 and trying to edit the Reverb parameters,
you would need to have effect send 1 selected, because thatÕs where the Reverb is
located. So, you not only have to be aware of how to select a function and a page, but
how to select the effect send as well.
Not all effects are available in each Configuration. For example, if you were to select
the Pitch function on effect send 4 in Configuration #1, the display would read,
Ò(NOT IN THIS CONFIG).Ó This is because a Pitch module is available on sends 1, 2
and 3 in Configuration #1, but not on send 4Ñas you can see in the chart on page 90.
Storing Effects Patches

Editing Effects
92 QuadraSynth Reference Manual
Once an Effects Patch has been altered, the display will show the word ÒEDITEDÓ
next to the Effects Patch number. This indicates that the current Effects Patch in the
edit buffer is different from what is stored in memory.
While in Effects Edit mode, press [STORE] at any time to go to Store mode. Store
mode has several pages, but the main storing function is found in the first page.
PROG EFFECT
PRESET
EDITING: 1 EFFECT
PITCH MOD NAME
CONFIG REVERB DELAY MIX
PAGE: 12
STORE EFX AT 000?
NUMBER (Press STORE)
PRESET
MIDI
CHAN
MIX
PRESET
12345678910111213141516
To store the edited Effects Patch into the same location it was recalled from, simply
press [STORE] again, and it will be stored. To store the edited Effects Patch into a
different location, use Quad Knob [1] to select a different Effects Patch number
(000Ñ127) to store it to.
Configurations
A is essentially the starting point of any Effects Patch. You must select the
Configuration you are going to use before making any other edits, since all routings
and parameters change to their default settings each time you change the
configuration. Each Configuration is a unique arrangement of multiple effect blocks,
distributed across the four effect sends. Some effect sends may have three different
effects (pitch, delay and reverb) on them. Configurations also determine where the
signal to a block comes from, and where the output of each block goes to -- the main
outputs, the next effect in line, or even to an effect block belonging to another effect
send. The Configuration diagrams on the next six pages provide a crucial Òroad
mapÓ youÕll need to guide you through the many paths that are possible in each
configuration. Refer to them as you program the effect.
The Configuration function is used to select the Configuration for the Effects Patch
you are editing. Use the FUNCTION [¬] and [®] buttons to scroll through the
functions in the display until the word CONFIG is underlined. The display should
look like this (from Mix Edit mode):
PROG EFFECT
PRESET
EDITING: EFFECT
PITCH MOD NAME
CONFIG REVERB DELAY MIX
PAGE: 1
4-SENDS, 1 REVERB
CONFIGURATION
PRESET
MIDI
CHAN
MIX
PRESET
12345678910111213141516
Quad Knob [1] is used to select the Configuration. As you scroll through the various
Configurations, each oneÕs name will appear in the upper right section of the display.

Editing Effects
QuadraSynth Reference Manual 93
Here is a run-down of the various Configurations:
Configuration #1: 4-Sends, 1 Reverb
PITCH 1
FX SEND 1
FX SEND 2
AUX LEFT
AUX RIGHT
MAIN LEFT
MAIN RIGHT
AUX LEFT
AUX RIGHT
MAIN LEFT
MAIN RIGHT
DELAY 1
1
REVERB
FX SEND 3
FX SEND 4
PITCH 2 DELAY 2
AMP
AMP
PITCH 3 DELAY 3
AMP
DELAY 4
AMP
1
2
1
2
1
2
1
2
BAL.
BAL.
BAL.
BAL.
BAL.
BAL.
BAL.
2 3 1 2 3 14 MIX
REVERB 1
REVERB 2
REVERB 3
REVERB 4
DELAY 1
DELAY 2
DELAY 3
DELAY 4
PITCH 1
PITCH 2
PITCH 3
Pitch 1 Delay 1 Reverb 1
Mono chorus Mono delay Plate 1
Stereo chorus Stereo delay Plate 2
Mono flange Ping-pong delay Room
Stereo flange Large
Pitch Detune Gate
Resonator Reverse
Pitch 2 Delay 2 Reverb 2
Mono chorus Mono delay Balance and level to Reverb 1
Stereo chorus Stereo delay
Mono flange Ping-pong delay
Stereo flange
Pitch Detune
Resonator
Pitch 3 Delay 3 Reverb 3
Mono chorus Mono delay Balance and level to Reverb 1
Mono flange
Resonator
Delay 4 Reverb 4
Mono delay Send/delay mix and level to
Reverb 1

Editing Effects
94 QuadraSynth Reference Manual
Think of the diagram as a "road map" showing all possible paths from the starting
points (FX SEND 1 through 4) to the ultimate destinations (MAIN LEFT and MAIN
RIGHT at the top of the page). The dotted lines indicate the divisions between
different functional blocks, and the solid lines indicate signal paths between the
blocks and controls. The diagram is similar to a block diagram for a mixer, with
signal moving generally from the left to the right. The number next to each function
name represents one of the four effect sends. For example, Delay 2 refers to the Delay
effect on effect send 2.
This
Each of the four sends has its own Delay effect, but while the Delay effects on sends 1
and 2 are stereo, the Delay effects on sends 3 and 4 are mono.
Each effect send can be routed through the Reverb. Since there is only one Reverb
effect, it is found in the first effect send (see next section on Reverb). Reverb
parameters that set the sound of the reverb itself (such as high and low decay, reverb
type, predelay, etc.) are found only when "EDITING: 1" is displayed. However, each
of the 4 effect sends has controls for how much dry signal and how much effected
signal are sent to the Reverb effect.For example, the Reverb 2 block allows you to
send signal to the reverb from four different points in the second effects chain: the
send input itself, the output of Pitch 2, the input of Delay 2, or the output of Delay 2.
You can even send a combination of these points to the reverb. But to change any
other reverb parameters, you must return to editing Reverb 1.
Each Pitch, Delay and Reverb module has its own independent Mix output level (i.e.,
how much of their output is routed directly to the Main Left and Right outputs). The
Mix function is where you determine how the effects will actually be heard.
Mix 1, for example, is where you can control the outputs of Pitch 1, Delay 1, and
Reverb 1 to the main outputs. The Mix parameter controls how much an effect block
feeds directly to the main outputs, but doesn't control how much it feeds to any other
blocks that may follow it. For example, when Pitch 1's Mix control is set to 0, it is still
available as an input to Delay 1 and Reverb 1.
Think of the Mix function in the QuadraSynth's effects section as being similar to the
effect return control on a mixing console. For example, if Effect Send 1's Mix Reverb
Output parameter is set to 0, you won't be able to hear reverb regardless of how
much input you feed it from any of the effect buses.

Editing Effects
QuadraSynth Reference Manual 95
Configuration #2: 4-Sends, 2 Reverb
FX SEND 1
FX SEND 2
AUX LEFT
AUX RIGHT
MAIN LEFT
MAIN RIGHT
AUX LEFT
AUX RIGHT
MAIN LEFT
MAIN RIGHT
DELAY REVERB
FX SEND 3
AMP
MIX 1
REVERB 1
REVERB 2
DELAY 1 PITCH 1
AMP
PITCH
AMP
PITCH 3
PITCH REVERB
AMP
REVERB 3
FX SEND 4
REVERB 4
AMP
MIX 3
Delay 1 Pitch 1 Reverb 1
Mono delay Mono chorus Plate 1
Stereo chorus Plate 2
Room
Hall
Large
Gate
Reverse
Reverb 2
Level to Reverb 1
Pitch 3 Reverb 3
Mono chorus Plate 1
Plate 2
Room
Hall
Large
Gate
Reverse
Reverb 4
Reverb 4
Level to Reverb 3

Editing Effects
96 QuadraSynth Reference Manual
This differs from Configuration #1 in many ways. In this Configuration, there is only
one Delay effect, two Pitch effects and two Reverb effects. Effect send 1 is routed
through the mono Delay, then a stereo Pitch effect, and finally a stereo Reverb effect.
Send 2 has no effects of its own, but can be routed to the same Reverb effect as send
1. Send 3 is routed through a mono Pitch effect, and then a stereo Reverb effect. Send
4 has no effects of its own, but can be routed to the same Reverb effect as send 3.
Effect send 1Õs Delay, Pitch, and Reverb can feed the Mix output directly. Unlike the
first configuration, however, Pitch 3 can be routed to the Mix only after passing
through Reverb 3.

Editing Effects
QuadraSynth Reference Manual 97
Configuration #3: 4-Sends, 1 Lezlie
LEZLIE
FX SEND 1
FX SEND 2
AUX LEFT
AUX RIGHT
MAIN LEFT
MAIN RIGHT
AUX LEFT
AUX RIGHT
MAIN LEFT
MAIN RIGHT
DELAY 1
1
REVERB
FX SEND 3
FX SEND 4
PITCH 2 DELAY 2
AMP
AMP
PITCH 3 DELAY 3
AMP
DELAY 4
AMP
1
2
1
2
1
2
1
2
BAL.
BAL.
BAL.
BAL.
BAL.
BAL.
2 3 1 2 3 14 MIX
REVERB 1
REVERB 2
REVERB 3
REVERB 4
DELAY 1
DELAY 2
DELAY 3
DELAY 4
PITCH 1
PITCH 2
PITCH 3
AMP
Pitch 1 Delay 1 Reverb 1
Lezlie Mono delay Plate 1
Plate 2
Hall
Room
Large
Gate
Reverse
Pitch 2 Delay 2 Reverb 2
Mono chorus Mono delay Balance and level to Reverb 1
Stereo chorus Stereo delay
Mono flange Ping-pong delay
Stereo flange
Pitch Detune
Resonator
Pitch 3 Delay 3 Reverb 3
Mono chorus Mono delay Balance and level to Reverb 1
Mono flange
Resonator
Delay 4 Reverb 4
Mono delay Send/delay mix and level to
Reverb 1

Editing Effects
98 QuadraSynth Reference Manual
This is similar to Configuration 1, except it provides a ÒLezlieÓ effect on send 1,
which emulates a rotating speaker effect commonly heard with organ sounds. This is
followed by a Delay effect before going to the single stereo Reverb effect. Sends 2 and
3 have Pitch modules preceding Delay modules, then routed to Reverb 1. Send 4 has
only a Mono Delay effect, which may also be routed to the Reverb.

Editing Effects
QuadraSynth Reference Manual 99
Reverb
can be thought of as a great number of distinct echoes, called reflections, that occur
so fast that our ear hears them blurred together as one. In nature, different sized
spaces give distinctly different sounding reverbs, depending on the size and shape of
the space, and the texture of surfaces that the reflections bounce off of. The various
parameters in the effects processor make it possible to simulate nearly any natural
reverberant space that can be imagined, and a few artificial ones as well.
Reverb (Page 1)
PROG EFFECT
PRESET
EDITING: EFFECT
PITCH MOD NAME
CONFIG REVERB DELAY MIX
PAGE: 1
INPUT1: DELAY OUT
IN-1 IN-2 BALANCE LEVEL
PRESET
MIDI
CHAN
MIX
PRESET
12345678910111213141516
234
1
The Reverb function is used to edit Reverb parameters. In all configurations, page 1
of the Reverb function selects what the reverb is ÒhearingÓ (i.e., where the input of
the reverb is coming from). The source can come directly from the Effect bus, the
output of other effects in the chain before it, or a mix of several of them. Example: In
Configuration #1, page 1 of the Reverb function (shown above) allows you to select
either one or two sources to be routed to the reverbÕs input. You can choose from the
Delay output, the Delay input, the Pitch output and the uneffected send input (dry
signal). You can then adjust a balance between these and set an overall input level.
Input 1
In configurations 1 and 3, there are two inputs to the Reverb. Both Inputs 1 and 2 can
select a signal from several locations in the signal chain. Quad Knob [1] can select
either the Pitch output or the Delay output as Input 1. If the signal is taken from the
Pitch output, the Reverb will be chorused, flanged, detuned or resonating, depending
upon which Pitch type is selected. (Note that the delay signal may already have passed
through the Pitch module, depending on the Input settings of the Delay module.)
Input 2
By using Quad Knob [2], Input 2 can have as its source either the Pitch output, the
Delay output, or the dry effect send signal. If the signal is taken from the Delay
output, the Reverb will be delayed by the amount of delay time set for the Delay. If
the signal is taken from the Pitch output, the Reverb will be chorused, flanged,
detuned or resonating, depending upon which Pitch type is selected. If the signal is
taken from the effect send, the Reverb will receive direct, uneffected signal.
Input Balance
Quad Knob [3] allows you to control the balance between Reverb Inputs 1 and 2 and
therefore control the blend between the various input sources. This makes it possible
to have the signal from the Pitch or Delay sections, or the direct effect send in any
combination or amount.

Editing Effects
100 QuadraSynth Reference Manual
Input level
Quad Knob [4] controls the overall Input Level going into the Reverb.
Chorus Input Level
If Configuration #2 is selected (refer to block diagram of Configuration #2, earlier in
this chapter), the first page of the Reverb function will look like this:
PROG EFFECT
PRESET
EDITING: EFFECT
PITCH MOD NAME
CONFIG REVERB DELAY MIX
PAGE: 1
CHORUS IN LEV: 00
CHORUS-IN
PRESET
MIDI
CHAN
MIX
PRESET
12345678910111213141516
234
1
The Configuration has two Reverbs, one on send 1 (which send 2 can share), the
other on send 3 (which send 4 can share). There is only one parameter in this page:
Chorus Input Level. Quad Knob [1] lets you adjust the level of the signal coming
from the Pitch output going into the Reverb, otherwise the signal comes purely from
the Pitch input.
The other parameters and pages in the Reverb function are identical, regardless of
which Configuration is being used. Only page 1 is different, because of the fewer
input choices the Reverb has in this Configuration.
Send Input Levels
If Configuration #1 is selected and you press [EDIT 1] to advance to effect send 2, the
display will now show you the parameters that represent the signal levels on send 2
going into the Reverb. Note that there is now only 1 page available, since the other
reverb parameters are found back on effect send 1.
Press [EDIT 1] again to advance to send 3, and the display will still look the same, but
now the parameters adjust the signal levels on send 3 going into the Reverb. If you
press [EDIT 1] again and advance to send 4, the display will look like this:
PROG EFFECT
PRESET
EDITING: EFFECT
PITCH MOD NAME
CONFIG REVERB DELAY MIX
PAGE: 1
BAL: SEND4<00>DEL
BALANCE LEVEL
PRESET
MIDI
CHAN
MIX
PRESET
12345678910111213141516
4
There are only two parameters: Balance and Input Level. This is because in
Configuration #1, effect send 4 only has a Delay effect, and not a Pitch effect like the
other effect sends do. Quad Knob [1] controls the Balance between the Delay output
and the dry effect send signal, while Quad Knob [3] controls the overall input level to
the Reverb.

Editing Effects
QuadraSynth Reference Manual 101
If Configuration #2 is selected and you press [EDIT 1] to advance to effect send 2
while the Reverb function is selected, the display will look like this:
PROG EFFECT
PRESET
EDITING: EFFECT
PITCH MOD NAME
CONFIG REVERB DELAY MIX
PAGE: 1
SEND 2 INPUT: 00
SEND2-IN
PRESET
MIDI
CHAN
MIX
PRESET
12345678910111213141516
2
Quad Knob [1] lets you adjust the level of the signal coming from effect send 2 going
into the Reverb. Send 2 in this Configuration has no effects of its own. Therefore,
there are no input or input mix controls in this page, since there is only one possible
signal choice. Send 2 is intended to be used for signals that you want to send to
Reverb 1, but bypass Delay and Pitch 1. In Configuration #2, send 4 is similar to send
2, in that it has no effects of its own but serves as a bypass going directly to Reverb 3.
Reverb (Page 2)
Pressing the PAGE [®] button will advance the display to Page 2 of the Reverb
function. However, you must have the correct effect send selected (1Ñ4) in order to
get at the Reverb parameters (in Config. #1, the Reverb parameters are found only on
effect send 1; in Config. #2, they are found on sends 1 and 3 since there are two
separate Reverbs). Here you will find parameters for selecting the Reverb type,
adjusting Pre-Delay Time and Pre-Delay Mix.
Reverb Type
The QuadraSynth has seven different reverb types, all stereo, each of which
simulates a different space or produce a different ambient effect. Use Quad Knob [1]
to select one. The different Reverb types are:
Plate 1 & 2. The two Plate reverb types simulate an artificial device known as a Plate.
In the early days of recording, Plates were extremely popular because they were
almost the only way to provide any sort of artificial ambiance to a recording. The
sound of a well-tuned Plate has become quite popular over the years especially when
used on vocal or drum sounds.
Room. The Room reverb type simulates not only rooms of different sizes, but rooms
with different surface materials as well. A room with soft surfaces such as carpet will
produce a reverberant sound with much less high end (treble) than a room with hard
surfaces. This reverb type can easily simulate both examples and many, many more.
Hall. Much larger than a room, Halls are characterized by their high ceilings,
irregular shapes, and generally uniform density of reflections.
Large. Much larger than a hall, this reverb type emulates large ambient spaces such
as amphitheaters, gymnasiums, etc.
Gated. Gated Reverb is a very popular effect on drums first found on English records
in the early 1980s. This reverb type can simulate applying a noise gate (a device that

Editing Effects
102 QuadraSynth Reference Manual
automatically decreases the volume once the signal falls below a certain level) across
the output of the reverb thereby causing the initial attack of the reverb to sound very
big, but the tail of the reverb to be cut off very quickly. Although this effect is not
found in nature, it works great for modern drums, percussion, and any quickly
repeated, transient source.
Reverse. The Reverse Reverb type is an inverted reverb in which the volume
envelope is reversed. This means that the signal begins softly but grows louder until
it is cut off, rather than loud to soft as normal.
Pre-Delay Time
Pre-Delay is the slight delaying of the Reverb itself so that the dry signal more easily
stands out from the Reverb. A bit of Pre-Delay can sometimes make certain
instruments (such as snare drums) sound bigger. Use Quad Knob [2] to adjust the
Pre-Delay Time in 10ms intervals, and/or use Quad Knob [3] to adjust the Pre-Delay
Time in 1ms intervals. This Pre-Delay is part of the Reverb itself; donÕt confuse it
with the separate Delay modules available under the Delay function.
Pre-Delay Mix
Quad Knob [4] allows you to mix the amount of Pre-Delay into the Reverb signal
path. This gives you the ability to hear a bit of the Reverb before the loudest part of
the Reverb (the Pre-Delayed Reverb) sounds. This makes for bigger and smoother
sounding Reverb settings.
Reverb (Page 3)
Input Filter
This is a low-pass filter which comes before the Reverb input. Use Quad Knob [1] to
adjust the filter frequency. Lower the Input Filter to remove high frequencies from
the input signal before they go into the Reverb.
Decay
The Reverb Decay determines how long the Reverb will sound before it dies away.
When using the Reverse Reverb type, Reverb Decay controls the Reverse Time.
Low Decay and High Decay
These two parameters allow the Decay Time to be set separately for both the low and
high frequencies of the Reverb. This means that you have control over the tonal
shape of the Reverb itself, being able to make the high frequencies die faster if the
effect is too bright, and being able to make the lows die faster if the effect is too
boomy. This allows you to simulate different surfaces of a room or hall, with softer
surfaces absorbing more high frequencies and smaller rooms having faster low
frequency decay.
If the selected Reverb type is Gate, the Low Decay parameter is unavailable.

Editing Effects
QuadraSynth Reference Manual 103
Reverb (Page 4)
Diffusion
Reverb can be thought of as a great number of distinct echoes, called reflections, that
occur so fast that our ear hears them blurred together as one. Diffusion is the space
between these echoes. On some Reverb programs, you may actually hear the
multiple echoes repeating when the diffusion amount is set to 00. As you increase the
diffusion amount, you will no longer perceive distinct echoes and will observe the
Reverb sounding Òthicker.Ó Therefore, the Reverb Diffusion amount can be thought
of as control over how thick the reverb will be.
DIFFUSION OF 0 DIFFUSION OF 99
L
E
V
E
L
TIME
L
E
V
E
L
TIME
Reflections further apart. Reflections closer together.
Density
In order to explain exactly what density is, we must refer to the previous explanation
of Reverb Diffusion. We already know that reverb consists of distinct echoes, called
reflections. The most important of these, and the loudest, is the First Reflection.
Usually, in nature, there is a space of time between the First Reflection and all of the
other reflections that make up the reverb sound field. If you listen to only the reverb
with the Reverb Density set at 00, you will hear your source sound repeat, a short bit
of silence and then the onset of the reverb. As the Reverb Density is increased, the
time between the First Reflection and the rest of the reverb reflections is decreased
until you can no longer distinguish the First Reflection separately. If you listen to the
Reverb by itself with the Density set to 99, it will seem to ÒexplodeÓ since the First
Reflection will no longer be perceived as a separate echo. This parameter can be quite
useful with highly transient source material such as percussion, where the sound can
sometimes become confused by the First Reflection seemingly causing an additional
Òhit.Ó
DENSITY OF 0 DENSITY OF 99
L
E
V
E
L
TIME
L
E
V
E
L
TIME
1st reflection further apart. 1st reflection closer together.
If the select Reverb type is Large, the Density parameter is unavailable.

Editing Effects
104 QuadraSynth Reference Manual
The Delay function is used to edit Delay parameters.
Delay (Page 1)
The QuadraSynthÕs effects processor has three different Delay types available.
Note: Some delay modules only feature a mono Delay, and therefore the Delay Type
parameter will be unavailable. Instead the parameters normally found on page 2 of
the Delay function are shown in page 1, and there are no other pages (please refer to
next section for a description of those parameters).
Delay Type
Ping-Pong. This is called a ÒPing Pong DelayÕ because the output bounces from side
to side (left to right) in stereo with the speed determined by the delay time. The
maximum delay time is 399 milliseconds.
Stereo Delay. The Stereo Delay is actually two separate delays, which can be
individually varied. The maximum delay time for each delay is 399 ms.
Mono. The Mono Delay has the advantage of twice the available delay time, or 799
ms in Configuration #1, 1199 ms in Configuration #2.
Delay (Pages 2 and 3)
In Page 2 of the Delay Function you will find the remaining parameters for the Delay
function. If the Stereo Delay type is selected, you can press PAGE [®] again to
advance to Page 3. This is because the Stereo Delay type has parameters for both the
Left and Right channels.
Input
Quad Knob [1] is used to balance the Delay Input between the signal coming from
the Pitch effect output (if applicable) and the dry effect send.
Time/Left Time/Right Time
This is the actual Delay time, which determines the amount of time the input signal
will be delayed. Use Quad Knob [2] to adjust the delay time in 10 ms intervals; use
Quad Knob [3] to adjust the delay time in 1 ms intervals.
Feedback/Left Feedback/Right Feedback
Quad Knob [4] is used to adjust the Delay Feedback, which is a portion of the delay
signal output being Òfed backÓ into the input. This results in the delay repeating
itself. The more feedback, the more repeats.

Editing Effects
QuadraSynth Reference Manual 105
The Pitch function is used to edit Pitch parameters.
Pitch (Page 1)
The first page of the Pitch function will look different depending on the selected
Configuration and which effect send you are editing. Normally, there will only be
one parameter: Pitch Type. However, in the case of Configuration #2, a second
parameter (Delay Input) is also available.
Pitch Type
The Pitch Type function allows access to 6 pitch altering modes. The Pitch types
available are: Mono Chorus, Stereo Chorus, Mono Flange, Stereo Flange, Pitch
Detune and Resonator. Although some of these effects can sound similar to one
another depending on the parameter settings, each is achieved differently and can be
quite dramatic under the right circumstances. Pitch effects are achieved by splitting
the signal into two parts, effecting the pitch of one of the parts, then mixing them
back together. This eventual mixing is essential since the overall sound of the effect is
achieved by the actual difference between the normal, uneffected signal and the
effected signal.
So that you can better understand the differences between the Pitch type effects, and
therefore better apply them to your music, here is a brief explanation of each.
Mono Chorus. The Chorus effect is achieved by taking part of the signal, slightly
delaying it, and then slightly detuning it as well. The detuning is further effected by
being modulated by an LFO which causes the detuning to vary. Many variables are
available in this scheme. The LFO depth can be varied, the LFO speed can be varied,
and a portion of the detuned signal can be fed back to the input to increase the effect.
Finally, the waveform shape of the LFO can be changed from a smooth triangle, to a
more abrupt squarewave to make the pitch detuning more pronounced.
LFO
DETUNEDELAY
DRY
SIGNAL CHORUSED
OUTPUT
FEEDBACK
DRY SIGNAL
Stereo Chorus. In the case of a Stereo Chorus, the signal is split into three parts with
a dry signal and a separate Detuning section for both left and right channels. When
the left channel is detuned sharp, the right is detuned flat, and vice versa. Once
again, this causes the effect to become more pronounced and dramatic.

Editing Effects
106 QuadraSynth Reference Manual
LFO
DETUNE
DELAY
DRY
SIGNAL
RIGHT
CHORUSED
OUTPUT
FEEDBACK
DETUNE
FEEDBACK
DRY SIGNAL
DRY SIGNAL
LEFT
CHORUSED
OUTPUT
Mono Flange. First used in the 1960s, ÒFlangingÓ was achieved by the use of two
tape recorders that would record and play back the same program in
synchronization. By alternately slowing down one tape machine, and then the other,
different phase cancellations would occur. Since the slowing down of the tape
machines was done by hand pressure against the flanges of the tape supply reels, the
term ÒFlangingÓ came into being.
The effect of Flanging is achieved by splitting and slightly delaying one part of the
signal, then varying the time delay, again with an LFO. The delayed signal is then
mixed back with the original sound to produce the ÒswishingÓ or ÒtunnelingÓ sound.
LFO
DELAY
DRY
SIGNAL FLANGED
OUTPUT
FEEDBACK
DRY SIGNAL
Many variables are available, from varying the speed and depth of the LFO to
feeding back part of the signal to make the effect stronger.
Stereo Flange. In the case of the Stereo Flange, the signal is split into three parts with
a dry signal and a separate Delay section for both left and right channels with one
channel flanging up while the other channel flanges down. Once again, this causes
the effect to become more pronounced and dramatic.

Editing Effects
QuadraSynth Reference Manual 107
LFO
DELAY
DRY
SIGNAL
RIGHT
FLANGED
OUTPUT
FEEDBACK
DELAY
FEEDBACK
DRY SIGNAL
DRY SIGNAL
LEFT
FLANGED
OUTPUT
Pitch Detune. As the name implies, Pitch Detune takes a part of the signal and
detunes it either sharp or flat. When mixed back with the original dry signal, the
popular Ò12 string guitarÓ effect is produced.
DETUNE
DRY
SIGNAL EFFECTED
SIGNAL
DRY SIGNAL
Resonator. This can be thought of as a highly resonant filter, or a filter that is tuned
to a specific frequency with a lot of emphasis, which will cause the frequency that the
resonator is set at to be highly accentuated.
Delay Input
Quad Knob [2] can adjust the level of the signal coming from the Delay output going
into the Pitch Input. The Delay Input parameter is only available when editing a
effects bus which has the Delay effect ahead of the Pitch effect in the selected
Configuration (Example: Configuration #2, effect send 1).
Pitch (Page 2)
If the Pitch type is Mono Chorus, Stereo Chorus, Mono Flange or Stereo Flange, page
2 of the Pitch function contain the following four parameters:
Waveform Shape
Quad Knob [1] determines the LFOÕs waveform shape. This parameter only appears
when the Mono or Stereo Chorus or Flange are selected. The Waveform Shape of the
LFO can be changed from a sine waveform, which provides a smoother, more even
sound, to a square or triangle waveform, which makes the Chorus or flange effect
more pronounced.

Editing Effects
108 QuadraSynth Reference Manual
Speed
Quad Knob [2] is used to adjust the LFO Speed of all Pitch types, with the exception
of Pitch Detune and Resonator.
Depth
Quad Knob [3] is used to adjust the LFO Depth of all Pitch types, with the exception
of Pitch Detune and Resonator. The LFO Depth, which is the amount of pitch
alteration, can be adjusted to produce the desired effect.
Feedback
Quad Knob [4] is used to adjust the LFO Feedback of all Pitch types, with the
exception of Pitch Detune and Resonator. A portion of the output of the Pitch section
can be Òfed backÓ into the input in order to make the effect more tonal or
pronounced.
Detune
If the Pitch type is Pitch Detune, page 2 will have only this parameter. Use Quad
Knob [1] to adjust the tuning of the Pitch Detune effect.
Resonator Tuning and Decay
If the Pitch type is Resonator, page 2 of the Pitch function will have two parameters.
Use Quad Knob [1] to adjust the Resonator tuning, and Quad Knob [3] to adjust the
Resonator Decay.
Mod
The Mod function lets you control various effects parameters from the various
controls on the QuadraSynth (keyboard, after-touch, pitch-bender, etc.) or from the
MIDI input. This is extremely useful when dynamic or real-time control is required
in a live playing situation. It is possible to control up to 2 parameters simultaneously.
The assignments are saved with the Effects Patch.
DonÕt confuse the Mod function of the Effect with the Mod function used by the
Programs; they are independent destinations, though they can come from the same
source.
Note: Modulating any effect parameter (with the exception of chorus speed) while
audio is passing through it can result in audio artifacts or noises due to
discontinuities in the modulation source.
Selecting the Modulator
The are two Modulators. You can select between these by using the PAGE [¬] and
[®] buttons. Page 1 displays the parameters of Modulator #1, while page 2 displays
the parameters for Modulator #2.

Editing Effects
QuadraSynth Reference Manual 109
Mod Source
The Mod Source parameter selects the MIDI controller which will remotely cause a
change (modulate) in one or two of the parameters in the effects processor. Nearly
every MIDI controller can become a Mod Source (using controllers A-D, set in Global
mode, page 3), with the most common controllers appearing as a direct option in the
display. Quad Knob [1] selects the Mod Source. The options for the Mod Source are:
¥ After Touch ¥ Mod Wheel ¥ Pitch Wheel
¥ MIDI Volume ¥ Sustain Pedal ¥ Pedal 1 and Pedal 2
¥ Controller AÑD
Mod Destination
The Mod Destination is the parameter that will be controlled by the selected Mod
Source. Quad Knob [2] selects the Mod Destination. The possible Destination
parameters are:
¥ Pitch Speed ¥ Pitch Depth ¥ Pitch level
¥ Pitch Balance ¥ Delay Time ¥ Delay Feedback
¥ Delay Level ¥ Reverb Balance ¥ Reverb Input
¥ Reverb Decay ¥ Reverb Low Decay ¥ Reverb High Decay
¥ Reverb Diffusion ¥ Reverb Level
If the selected Configuration has a particular effect on more than one effect send (for
example, Config. #1 has a delay on each send), then some Mod Destination
parameters will be listed more than once. For example, the Delay Time parameter
will appear four times (ÒD1 Time,Ó ÒD2 Time,Ó ÒD3 Time,Ó and ÒD4 TimeÓ). In the
case of Pitch, where you can choose from various pitch effects, different parameters
are available depending on the effect chosen. However, the Mod Destinations retain
their names. Example: If the Resonator is the Pitch effect, the Pitch Speed Modulation
Destination controls the first parameter in the Resonator (Tuning).
Mod Level
The Mod level is the amount that the Destination parameter will be affected by the
Mod Source. Use Quad Knob [3] to affect the Destination parameter by a positive or
negative amount. In other words, if the Reverb Decay was selected as the Destination
with the mod wheel as the Source, the mod wheel could be programmed to cause the
Reverb to increase the decay (positive) or decrease the decay (negative).
Name
The function allows you to change the name of the you are editing. Use the PAGE
[¬] and [®] buttons to move the cursor through each character in the current name.
Use Quad Knob [1] to change the selected character. Here is a chart of available
characters:
! " #$%&’
(
)
* +, - . / 0123
456789: ; <=>?@ABCDEFG
HI J KLMNOPQRSTUVWXYZ[
¥] ^_` abcdef
g
hi
j
kl mno
p
q
rstuvwx
y
z{ | } ®¬

Editing Effects
110 QuadraSynth Reference Manual
Mix
Not to be confused with an actual or Mix mode, the EffectÕs Mix function is where
you can mix the various signal levels of all the effects to the Main Left and Right
outputs of the QuadraSynth. Only effect modules that have access to the Main
outputs will appear on the Mix page. There is a separate Mix page for each of the
four effect busses whose effect modules feed the main output. Note that the Mix page
doesn't control how much the individual effect modules feed to each other; only how
much they feed to the Main outputs.
PROG EFFECT
PRESET
EDITING: EFFECT
PITCH MOD NAME
CONFIG REVERB DELAY MIX
PAGE: 1
DELAY OUTPUT: 50
DELAY PITCH REVERB
PRESET
MIDI
CHAN
MIX
PRESET
12345678910111213141516
1
Depending on the selected Configuration, the order of the effects will differ (for
example: in Configuration #1, the order reads Pitch, Delay, Reverb; but in
Configuration #2, the order is Delay, Pitch, Reverb).
Pitch Level
Adjusting this value will cause the Pitch Output Level to increase or decrease. The
Pitch Output level is the level for the Pitch Section of the QuadraSynthÕs effects
processor to the Main outputs, and should be set as desired.
Even if this parameter is set to 00, the output of the Pitch section is still available
(depending on the bus and configuration) to following Delay and Reverb sections.
Delay Level
Adjusting this value will cause the Delay Output Level to increase or decrease. The
Delay Output level is the level for the Delay Section of the QuadraSynthÕs effects
processor to the Main outputs, and should be set as desired.
Even if this parameter is set to 00, the output of the Delay section is still available
(depending on the bus and configuration) to following Pitch and Reverb sections.
Reverb Level
Adjusting this value will cause the Reverb Output Level to increase or decrease. The
Reverb Output level is the level for the Reverb Section of the QuadraSynthÕs effects
processor to the main outputs, and should be set as desired.

Global Settings
QuadraSynth Reference Manual 111
CHAPTER 8
GLOBAL SETTINGS
Global Edit mode is where you will find several parameters which affect the entire
instrument, such as overall master tuning, display contrast, controller settings,
keyboard mode, edit mode and the 48 kHz input.
Editing Global Parameters
➀Press the [GLOBAL] button.
The display will change to Global Edit mode, page 1 . The total number of pages (six) is
indicated in the lower left corner of the display. The currently selected page number will
be underlined.
➁There are three parameters available for editing in Global Page 1:
¥ Quad Knob [1] controls the display contrast.
¥ Quad Knob [3] controls the transposition, or pitch, of the keyboard.
¥ Quad Knob [4] controls the instrumentÕs overall master tuning.
➂Use the PAGE [¬] and [®] buttons to scroll through the 6 pages of Global Edit
mode.
The following sections describe in detail each of the parameters found in the six
Global Mode pages.
LCD Contrast
In Page 1 of Global Edit mode, Quad Knob [1] adjusts the LCD Display Contrast (00
to 121). Whenever the [GLOBAL] button is pressed, the display will always revert to
Page 1 with the Display Contrast parameter selected. This is so that if the display
contrast is set too high or too low and is unreadable, you can easily adjust it even if
you canÕt see what youÕre doing.
Master Pitch and Master Tuning
In Page 1 of Global Edit mode, Quad Knob [3] adjusts the QuadraSynthÕs overall
pitch (-12 to +12/up or down an octave). Adjust this parameter when you wish to
globally transpose all sounds. Quad Knob [4] adjusts the QuadraSynthÕs overall
Master Tuning (-99 to +99/up or down 1/2 step). Adjust this parameter when tuning
the QuadraSynth to other instruments. These parameters have no effect on drum
sounds, the Range settings, or MIDI Out.
The parameters that appear in Page 2 of Global Edit mode will be different on an S4
than on the QuadraSynth keyboard. The next four parameters are only found on the
QuadraSynth keyboard. They are not accessible on the S4. These are followed by the
single parameter that appears on an S4Õs Global Edit Page 2.

Global Settings
112 QuadraSynth Reference Manual
Keyboard Sensitivity (QuadraSynth only)
In Page 2 of Global Edit mode, Quad Knob [1] adjusts how sensitive the keyboardÕs
velocity will be (00 to 99). When set to 0, the keyboard will not transmit any velocity,
no matter how hard or soft the keys are played; all notes will be treated as having a
velocity of 64 (right in the middle). When set to 99, the keyboard will have maximum
sensitivity, allowing the greatest difference between soft and loud notes in terms of
velocity control. Adjust this value to create the ideal sensitivity for your playing
style. By lowering this value from 99, you limit how loud and soft notes may be
played.
Keyboard Curve (QuadraSynth only)
In Page 2 of Global Edit mode, Quad Knob [2] selects the Keyboard Velocity Curve.
There are three options: Weighted, Plastic and Maximum. When set to weighted, the
keyboard will have the velocity response of a weighted keyboard. This means you
will really have to play hard to get the loudest notes. When set to plastic, the
keyboard will have the velocity response of a typical plastic keyboard. Plastic is not
as sensitive as Weighted, therefore playing soft will not result in the same soft notes
as Weighted mode produces. When set to Maximum, no velocity response is
available, and all notes are given a maximum velocity value of 127. This parameter
only affects the keyboardÕs output to the sounds in the QuadraSynth and MIDI Out.
This is different from the Velocity Curve parameter in Program Edit, which
determines how a sound will respond to incoming velocity information, either from
the keyboard or from MIDI In.
Keyboard Transpose (QuadraSynth only)
In Page 2 of Global Edit mode, Quad Knob [3] controls Keyboard Transposition (-12
to +12/up or down 1 octave). This determines the note number that the keyboard
will transmit to the QuadraSynthÕs sounds and to MIDI Out. If you are using a MIDI
sequencer, use this function when you wish to record notes outside of the keyboardÕs
normal note range (note numbers 28Ñ103). When set to -12, the keyboard range is
note numbers 16 Ñ 91. Likewise, if set to +12, the range would be 40 Ñ 115.
Keyboard Mode (QuadraSynth only)
In Page 2 of Global Edit mode, Quad Knob [4] selects the Keyboard Mode (FRM MIX,
CH SOLO, OUT 1ÑOUT 16). This determines how the keyboard will function when
using Mix Mode only (when using Program mode, use the MIDI [¬] and [®]
buttons to set the MIDI OUT channel for the whole instrument). But when using the
QuadraSynth in Mix Mode, you have the option to transmit on several MIDI
channels at once, or to temporarily isolate certain channels within a Mix.
FRM MIX. The MIDI channels sent out will correspond to whatever layers or splits
the Mix is set up for. For example, in Preset Mix 01 (ÒFour ZonesÓ), the keyboard is
split 4 ways from left to right; each ÒzoneÓ is linked to a different set of four
channels. As you play through each zone, it will send MIDI messages corresponding
to that key range and trigger the corresponding channels. Note that certain
controllers such as pitch bend and aftertouch will send on all channels at once. The
MIDI Monitor indicators in the display will show which channels are active.

Global Settings
QuadraSynth Reference Manual 113
CH SOLO. In this mode, the only sounds coming from the QuadraSynth, and the
only MIDI messages, will come from the layer or range of the underlined MIDI
channel in the display. This allows you to isolate individual channels in a Mix. So, if
you play in a range of the keyboard that is active on MIDI CH 1, and 1 is underlined,
you'll hear it. All other ranges or layers will not respond to the keyboard (they will
continue to respond to incoming MIDI messages on their respective channels).
Use the MIDI [¬] and [®] buttons to hear each channel in turn.
OUT 1 Ñ OUT 16. The QuadraSynth will generate MIDI messages from the
keyboard, regardless of the Range settings for that channel in the Mix, but it will not
play the internal sound. Use this mode if you're using a MIDI sequencer with an
ECHO feature--the sound will be activated by messages appearing at the MIDI IN
connector after itÕs made the Òround tripÓ through the sequencer. This is the
QuadraSynthÕs equivalent to LOCAL OFF.
Mix Group Channel (S4 Sound Module only)
The Mix Group Channel parameter is the only parameter that appears in Global Edit
Page 2 if youÕre using an S4 sound module; it is not found on the QuadraSynth
keyboard version. Quad Knob [2] controls which MIDI channel the ÒkeyboardÓ will
be recognized on (Off, 1Ñ16). This is the channel that will control any of the 16 parts
of a Mix which have their KEYBOARD parameter enabled (in the Range Function). If,
however, this happens to be the same channel that has its MIDI IN parameter
enabled as well, notes will NOT double-trigger (as you might expect). The S4 is
smart enough to know you really donÕt want to waste voices unnecessarily.
Controller A — D Assignment
The QuadraSynth allows you to assign up to four general purpose MIDI controllers.
These MIDI controllers are assigned a letter, AÐD. In Page 3 of Global Edit mode, you
can choose which MIDI controllers (0 to 120) to assign as Controllers A, B, C and D.
For a listing of all MIDI controllers and their designations, see page 123 in the MIDI
Supplement towards the end of this manual.
Pedal 1 and 2 Assignment
Like the MIDI Controllers AÑD, the two footpedal controls (Pedal 1 and Pedal 2) can
be assigned to a MIDI controller. In Page 4 of Global Edit mode, you can assign
which MIDI controllers (0 to 120) that Pedal 1 and Pedal 2 will be transmitted as over
MIDI Out. Simultaneously, if the same MIDI controller is received it will control any
modulations that use either Pedal 1 or Pedal 2. Quad Knob [1] selects the controller
for Pedal 1, while Quad Knob [3] selects the controller for Pedal 2.
When recording into a MIDI sequencer, be careful not to accidentally assign either Pedal 1 or
Pedal 2 to a controller which may already be used by another control (like MIDI
Volume/controller 7, or Mod Wheel/controller 1).
If Pedal 1 is assigned to controller 1 (Mod Wheel) and the pedal is moved, it will only
control those parameters which are programmed to be modulated (controlled) by
Pedal 1. However, if you record the QuadraSynthÕs MIDI Out into a sequencer while
doing this, when the sequencer plays back it will be sending back controller 1
information, which will not only control parameters modulated by Pedal 1 but will
control the Mod Wheel as well.
✪

Global Settings
114 QuadraSynth Reference Manual
MIDI
In Page 5 of Global Edit mode, Quad Knob [1] determines the MIDI Program Select
mode (Off, On, Mix Select Channel 1Ñ16). When set to Off, the QuadraSynth will not
respond to incoming MIDI program change messages, nor will it transmit program
changes.
When turned On, the QuadraSynth will respond to incoming program change
messages, but it will respond differently depending on whether Program mode or
Mix mode is selected.
In Program mode, the MIDI [¬] and [®] buttons determine on which MIDI channel
the QuadraSynth will receive MIDI program change messages (as well as other
messages, like notes, controllers, etc.). The Program recalled will be the same number
as the MIDI program change message that is received, from whichever bank (Preset
or User) is currently selected. When a Program is recalled from the front panel, the
QuadraSynth will transmit the equivalent program change message on this same
MIDI channel.
In Mix mode, when MIDI Program select is on, program changes received on any of
the 16 MIDI channels will be received by the same numbered MIDI channels in the
current Mix. The Mix itself will not respond to program changes.
When set to Mix Select Channel 1Ñ16, the QuadraSynth will change mixes in
response to program change messages received on the same MIDI channel as
selected by this parameter, from whichever bank (Preset or User) is currently
selected. Program change messages received on any other channel (other than the
one selected by this parameter) will change the individual Programs in the Mix on
the same channels the messages are received on.
The Quad Knobs [1]Ñ[4] have two editing modes: Immediate and Pass-thru. When
using the Quad Knobs to adjust parameter values, you may prefer using one mode
over the other.
In Page 5 of Global Edit mode, Quad Knob [3] determines the Edit Mode of the four
Quad Knobs. When set to Immediate, parameter values jump immediately to the
Quad KnobÕs exact position the moment it is moved. When set to Pass-thru, the Quad
Knob must be turned beyond the parameterÕs current setting before it becomes ÒliveÓ
and begins adjusting the parameterÕs value.
48 KHz Clock Input
In Page 6 of Global Edit mode, Quad Knob [1] turns the 48 kHz Clock Input on and
off. When turned off, the QuadraSynth uses its own internal sample clock as a
reference for playing back the sampled sounds that make up a Program or Mix.
However, if you are recording the QuadraSynth to ADAT using the Digital Out fiber
optic cable and also have a BRC Master Remote Controller, the QuadraSynth must
receive a 48 kHz clock signal from the BRC in order to maintain perfect sync with the
ADAT system. This requires that you connect a BNC-to-BNC cable between the
BRCÕs 48 kHz Clock Out to the QuadraSynthÕs 48 kHz Clock In. When you are ready

Global Settings
QuadraSynth Reference Manual 115
to record onto ADAT from the QuadraSynth, be sure to turn on the 48 kHz Clock
Input function. For more on connecting the BNC-to-BNC cable, see page 25.

MIDI Transfer And Storage Operations
QuadraSynth Reference Manual 117
CHAPTER 9
MIDI TRANSFER AND
STORAGE OPERATIONS
Saving to External Card
The entire contents of the QuadraSynthÕs User memory (100 Mixes, 128 Programs,
128 Effects Patches) can be stored to an Alesis QuadraCard RAM card inserted into
the Sound Card slot on the QuadraSynth. Depending on the amount of RAM a
particular card has, up to 8 complete banks can be stored onto it. The QuadraCard is
a type of PCMCIA SRAM card; it has 256K of memory and will store 4 complete
banks. A 512K PCMCIA card can store 8 banks. When saving data to a card that
contains a ROM (READ-ONLY) bank, it will be in bank 1; this means you cannot
save anything into bank 1.
➀Insert the card into the sound card slot on the back panel of the QuadraSynth or
front panel of the S4.
➁Press [STORE].
➂Use either PAGE [¬] or [®] to select Page 6 of the Store function.
This selects the ÒSAVE TO CARDÓ option.
➃Use Quad Knob [1] to select a bank location on the card to store to (1Ñ8).
If the card contains a ROM bank, it will be bank 1. Therefore, you will only be able to
save into bank locations 2Ñ8.
➄Press [STORE] to transfer the data from the QuadraSynth onto the card.
If the display reads "CARD IS WRITE PROTECTED", switch the write-protect switch
on the card to off and repeat the procedure.
Loading from External Card
➀Insert the card into the card slot on the back panel.
➁Press [STORE].
➂Use either PAGE [¬] or [®] to select Page 7 of the Store function.
This selects the ÒLOAD FROM CARDÓ option.
➃Use Quad Knob [1] to select the bank on the card you wish to load (1Ñ9).
➄Press [STORE] to transfer the data from the card into the QuadraSynth.

MIDI Transfer And Storage Operations
118 QuadraSynth Reference Manual
Saving Programs via MIDI Sys Ex
As an alternative to storing data to a card, the QuadraSynth lets you transmit internal
data via MIDI messages. This data can be sent to a storage device, such as the Alesis
DataDisk, or recorded into a MIDI sequencer, or sent to another QuadraSynth. You
have a choice of sending any single Program in the User bank (00 to 127), or what is in
the current Program Edit buffer, or what is in any of the 16 Mix Edit Program buffers,
or the entire User bank (100 Mixes, 128 Programs, 128 Effects Patches) plus Global data.
In the case of sending data to another QuadraSynth, you can send any individual
Program to the same location or any other location in the receiving QuadraSynth,
including any of its 17 Program Edit buffers.
To send the entire User bank via MIDI:
➀Connect a MIDI cable between the QuadraSynthÕs MIDI Out and the MIDI In of a
device capable of receiving the data (DataDisk, another QuadraSynth, etc.).
➁Press [STORE].
➂Use either PAGE [¬] or [®] to select Page 3 of the Store function.
➃Turn Quad Knob [1] to the right until the upper right display reads ÒSEND_ALL
TO MIDI.Ó
➄Press [STORE] to transmit the data out the MIDI Out connector.
To send a single Program via MIDI:
➀Follow steps ➀ through ➂ in the instructions above.
➁Use Quad Knob [1] to select a Program. You may select any Program in the User
bank (0 to 127) or the Program Edit buffer (EDIT) or any of the 16 Mix Edit
buffers (EDm01 to EDm16).
As this value is changed, the second parameter (destination) will be linked. This is
because most often you will want to transmit a Program to the same Program location.
The only time to do otherwise is when sending to another QuadraSynth (see below).
➂Press [STORE] to transmit the data out the MIDI Out connector.
To send a single Program via MIDI to a different Program number:
➀Follow steps ➀ through ➂ in the instructions above.
➁Use Quad Knob [1] to select a Program. You may select any Program in the User
bank (0 to 127) or the Program Edit buffer (EDIT) or any of the 16 Mix Edit
buffers (EDm01 to EDm16).
As this value is changed, the second parameter (destination) will be linked.
➂Use Quad Knob [2] to select a Program number to send the selected Program to.
If this value is turned all the way up, the ÒSEND ALL TO MIDIÓ option will be selected
and the first value will jump all the way up. At this point you will not be able to adjust
the destination value with Quad Knob [2] until you use Quad Knob [1] to re-select the
Program to be transmitted.

MIDI Transfer And Storage Operations
QuadraSynth Reference Manual 119
➃Press [STORE] to transmit the data out the MIDI Out connector.
The procedure is similar for sending Mixes and Effects. Page 4 of the Store function
allows you to send any one of the Mixes, and Effects are sent via Page 5.
To be able to exactly duplicate a Program in the future, make sure that you also store the
Effect Patch that the Program uses, unless youÕre sure the Effect wonÕt ever be changed.
Similarly, if a Mix is stored, you may want to store each of the Programs used in the
Mix, as well as the Effect. The ÒSEND ALL TO MIDIÓ command in the Program Store
function is an easy shortcut to this.
✪

MIDI Transfer And Storage Operations
120 QuadraSynth Reference Manual

APPENDIX A: Troubleshooting
QuadraSynth Reference Manual 121
APPENDIX A
TROUBLE-SHOOTING
Trouble-Shooting Index
If you are experience problems while operating the QuadraSynth, please use the
following table to locate possible causes and solutions before contacting Alesis
customer service for assistance.
Symptom
Cause
Solution
The display does not light
when the ON/OFF switch
is turned on.
No power. Check that the power
cable is plugged in
properly.
Display is blank. Display contrast is set
either too high or low.
A djust t he di spl ay co n tr ast.
(G l ob al , p.1, Q uad Kn ob 1) .
No sound. Bad connections.
Volume is turned down.
Keyboard Mode is set
incorrectly.
Check your audio cables;
if necessary, swap cables.
Turn [VOLUME] knob up.
Set the Keyboard Mode to
ÒFRM MIXÓ (Global, p. 2).
No MIDI input in Mix
mode (cannot control
through MIDI).
Bad connections.
One or more channelsÕ
MIDI IN switch is off.
Keyboard Mode is set
incorrectly.
Check MIDI cables.
Make sure the MIDI IN
parameter is turned on for
the channel(s) you wish to
control via MIDI.
Make sure the Keyboard
Mode (Global p. 2) is set
to FRM MIX.
Notes sustain
continuously.
Sustain pedal was
plugged in after power
was turned on.
Turn off power and turn
on again.
Re-initializing
If your unit behaves erratically or "freezes", the first step is to power down the unit.
and power it back up again. Disconnect any cables connected to the MIDI IN jack,
and make sure that a sequencer or keyboard is not sending messages to the
QuadraSynth that would make it behave erratically (such as a long stream of pitch
bend messages on 16 channels simultaneously). If these steps do not solve the
problem, you must re-initialize the software. Make sure your mod wheel is all the
way down before re-initializing, otherwise the "zero" position of the mod wheel will
be incorrect. To re-initialize the QuadraSynth, hold down both Quad Buttons [1]
and [4] while turning on the power. This will reset all Global parameters to their
default settings, and will initialize all edit buffers so that all Mix, Program and Effects
parameters are reset to their default settings. However, none of the Programs, Mixes,
or Effects are changed when re-initializing the unit.

APPENDIX A: Troubleshooting
122 QuadraSynth Reference Manual
Checking Software Version
The current software version may be determined by holding [GLOBAL] and pressing
[PROGRAM]. The QuadraSynth will indicate the current software version installed
in the upper right display.
Maintenance/Service
Cleaning
Disconnect the AC cord, then use a damp cloth to clean the keyboardÕs metal and
plastic surfaces. For heavy dirt, use a non-abrasive household cleaner such as Formula
409 or Fantastik. DO NOT SPRAY THE CLEANER DIRECTLY ONTO THE FRONT
OF THE UNIT AS IT MAY DESTROY THE LUBRICANTS USED IN THE SWITCHES
AND CONTROLS! Spray onto a cloth, then use the cloth to clean the unit.
Maintenance
Here are some tips for preventive maintenance.
¥ Periodically check the AC cord for signs of fraying or damage.
¥ Make sure the entire bottom part of the keyboard is supported so that the case is
not subjected to unnecessary bending.
¥ Place a dust cover over the QuadraSynth when it is not in use.
Warranty Information
This product is warranted by Alesis to the original purchaser against defects in
material and workmanship for a period of 1 year for parts and 90 days for labor from
the date of purchase. Complete terms of the Limited Warranty are stated on the
Warranty Card packed with the product. Please retain a copy of your dated sales
receipt for proof of warranty status should repairs be necessary.
Refer All Servicing to Alesis
We believe that the QuadraSynth is one of the most reliable keyboards that can be
made using current technology, and should provide years of trouble-free use.
However, should problems occur, DO NOT attempt to service the unit yourself. The
full AC line voltage, as well as high voltage/high current DC voltages, are present at
several points within the chassis. Service on this product should be performed only
by qualified technicians. THERE ARE NO USER-SERVICEABLE PARTS INSIDE.
Obtaining Repair Service
Before contacting Alesis, check over all your connections, and make sure youÕve read
the manual.
Customers in the USA:
If the problem persists, call Alesis USA at 1-800-5-ALESIS and request the Product
Support department. Talk the problem over with one of our technicians; if necessary,
you will be given a return authorization (RA) number and instructions on how to

APPENDIX A: Troubleshooting
QuadraSynth Reference Manual 123
return the unit. All units must be shipped prepaid and COD shipments will not be
accepted.
For prompt service, indicate the RA number on the shipping label. If you do not have
the original packing, ship the QuadraSynth in a sturdy carton, with shock-absorbing
materials such as styrofoam pellets (the kind without CFCs) or Òbubble-packÓ
surrounding the unit. Shipping damage caused by inadequate packing is not covered
by the Alesis warranty.
Tape a note to the top of the unit describing the problem, include your name and a
phone number where Alesis can contact you if necessary, as well as instructions on
where you want the product returned. Alesis will pay for standard one-way shipping
back to you on any repair covered under the terms of this warranty. Next day service
is available for a surcharge.
Field repairs are not normally authorized during the warranty period, and repair
attempts by unqualified personnel may invalidate the warranty.
Service address for customers in the USA:
Alesis Product Support
3630 Holdrege Avenue
Los Angeles, CA 90016
Customers outside the USA:
Contact your local Alesis dealer for warranty assistance. Do not return products to
the factory unless you have been given specific instructions to do so.

APPENDIX A: Troubleshooting
124 QuadraSynth Reference Manual

APPENDIX B: MIDI Supplement
QuadraSynth Reference Manual 125
APPENDIX B
MIDI SUPPLEMENT
MIDI Basics
Most current electronic instruments and signal processors, including the
QuadraSynth, contain an internal computer. Computers and music have been
working together for decades, which is not surprising considering musicÕs
mathematical basis (consider frequencies, harmonics, vibrato rates, tunings, etc.). In
the mid-70s, microcomputers became inexpensive enough to be built into consumer-
priced musical instruments. They were used for everything from sound generation to
storing parameters in memory for later recall.
In 1983, the MIDI (Musical Instrument Digital Interface) specification was introduced
to better exploit the computers inside these new musical instruments, primarily to
ensure compatibility of equipment between manufacturers. MIDI expresses musical
events (notes played, vibrato, dynamics, tempo, etc.) as a common ÒlanguageÓ
consisting of standardized digital data. This data can be understood by MIDI-
compatible computers and computer-based musical instruments.
Before electronics, music was expressed exclusively as written symbols. By
translating musical parameters into digital data, MIDI can express not only the types
of musical events written into sheet music, but other parameters as well (such as
amount of pitch bend or degree of vibrato).
MIDI Hardware
MIDI-compatible devices usually include both MIDI In and MIDI Out jacks, which
terminate in 5-pin DIN-style connectors. The MIDI Out jack transmits MIDI data to
another MIDI device. As you play a MIDI controller such as a keyboard, data
corresponding to what you play exits the MIDI Out jack. Example: If you play
middle C, the MIDI Out transmits a piece of data that says Òmiddle C is down.Ó If
you release that key, the MIDI Out transmits another piece of data that says Òmiddle
C has been released.Ó
If the keyboard responds to the dynamics of your playing, the note data will include
dynamics information too. Moving the modulation wheels and pedals attached to
many synthesizers will also generate data associated with the wheel or pedal being
used.
The MIDI In jack receives data from another MIDI device. In addition to the type of
performance data described above, rhythmically-oriented MIDI devices (e.g., drum
machines) can often transmit and/or receive additional MIDI timing messages that
keep other rhythmically-oriented units in a system synchronized with each other.
An optional MIDI Thru jack provides a duplicate of the signal at the MIDI In jack.
This is handy if you want to route MIDI data appearing at one device to another
device as well.

APPENDIX B: MIDI Supplement
126 QuadraSynth Reference Manual
MIDI Message Basics
The are two main types of MIDI messages. Channel messages, which are channel-
specific, consist of Voice and Mode messages. System messages, which do not have
a channel number and are received by all units in a system, include Common, Real
Time, and Exclusive messages.
Channel Messages: Mode Messages
There are two messages that determine the MIDI mode (i.e., how a device will
receive MIDI data). The ÒOmniÓ message determines how many channels will be
recognized. Omni On means that data from all channels will be received; Omni Off
limits the number of channels, usually to one.
The ÒMono/PolyÓ message deals with voice assignment within the synthesizer. In
Mono mode, only one note at a time plays in response to voice messages; in Poly
mode, as many voices can play notes as are available to play notes.
Channel Messages: Voice Messages
A synthesizerÕs voice is the most basic unit of sound generation. Usually, each voice
plays one note at a time, so the number of notes you can play at one time will be
limited by the available number of voices. MIDI messages that affect voices include:
Note On. Corresponds to a key being pressed down; values range from 000 (lowest
note) to 127 (highest note). Middle C is 60.
Note Off. Corresponds to a key being released; values are the same as note on.
Velocity. Corresponds to dynamics; values range from 001 (minimum velocity) to
127 (maximum velocity). A velocity of 000 is equivalent to a note-off message.
Pressure. Indicates the pressure applied to a keyboard after pressing a key. Mono
pressure (Aftertouch) represents the average amount of pressure applied by all keys.
Poly Pressure produces individual pressure messages for each key.
Program Change. Sending a Program Change command from a sequencer or other
MIDI keyboard can change synth patches automatically. There are 128 Program
Change command numbers.
Also note that not all units number programs consistently. Some number them as
000-127, others as 001-128, and still others arrange programs in banks of 8 programs
(such as A1-A8, B1-B8, C1-C8, etc.).
Pitch Bend. This ÒbendsÓ a note from its standard pitch.
Continuous Controller. Footpedals, breath controllers, and modulation wheels can
vary sounds as you play, thus adding expressiveness. MIDI allows for 64 continuous
controllers (these act like potentiometers in that you can choose one of many
different values) and 58 continuous/switch (these can act like continuous controllers
but some are assumed to choose between two possible states, such as on/off).

APPENDIX B: MIDI Supplement
QuadraSynth Reference Manual 127
Each type of controller is stamped with its own controller identification number. Not
all controller numbers have been standardized for specific functions, but the
following indicates the current list of assigned controllers. Numbers in parenthesis
indicate the controller range.
# Function
1 Modulation Wheel (0-127)
2 Breath Controller (0-127)
3 Early DX7 Aftertouch (0-127)
4 Foot Controller (0-127)
5 Portamento Time (0-127)
6 Data Slider (0-127)
7 Main Volume (0-127)
8 Balance (0-127)
10 Pan (0-127)
11 Expression (0-127)
16 General Purpose #1 (0-127)
17 General Purpose #2 (0-127)
18 General Purpose #3 (0-127)
19 General Purpose #4 (0-127)
32-63 Least Significant Bits, Controllers 0-31 (0-127)
64 Sustain Pedal (0 or 127)
65 Portamento On/Off (0 or 127)
66 Sustenuto Pedal (0 or 127)
67 Soft Pedal (0 or 127)
69 Hold 2 (0 or 127)
80 General Purpose #5 (0 or 127)
81 General Purpose #6 (0 or 127)
82 General Purpose #7 (0 or 127)
83 General Purpose #8 (0 or 127)
92 Tremolo Depth (0-127)
93 Chorus Depth (0-127)
94 Celeste Depth (0-127)
95 Phase Depth (0-127)
96 Data Increment (0 or 127)
97 Data Decrement (0 or 127)
98 Non-Registered Parameter MSB (0-127)
99 Non-Registered Parameter LSB (0-127)
100 Registered Parameter MSB (0-127)
101 Registered Parameter LSB (0-127)
121 Reset All Controllers (0)
122 Local Control On/Off (0 or 127)
123 All Notes Off (0)
124 Omni Off (0)
125 Omni On (0)
126 Mono On (0-16; 0=Omni Off)
127 Poly On (0)

APPENDIX B: MIDI Supplement
128 QuadraSynth Reference Manual
System Common Messages
Intended for all units in a system, some of these MIDI messages are:
Song Position Pointer. This indicates how many ÒMIDI beatsÓ (normally a 16th note)
have elapsed since a piece started (up to 16,384 total beats). It is primarily used to
allow different sequencers and drum machines to auto-locate to each other so that if
you start one sequencer, the other device will automatically jump to the same place
in the song, whereupon both continue on together.
System Exclusive. This message (called Sys-Ex for short) is considered ÒexclusiveÓ
because different manufacturers send and receive data over MIDI which is intended
only for that manufacturerÕs equipment. Example: Sending a QuadraSynth message to
an Alesis D4 Drum Module wonÕt do anything, but the message will be understood
by other QuadraSynths. This data often contains information about individual
instrument programs.
Timing Clock. A master tempo source (such as a sequencer) emits 24 timing
messages (clocks) per quarter note. Each device synchronized to the sequencer
advances by 1/24th of a quarter note when it receives the clock message, thus
keeping units in sync after theyÕve both started at the same time. Many devices
subdivide this clock signal internally for higher resolution (e.g., 96 pulses per quarter
note).
Start. Signals all rhythmically-based units when to start playing.
Stop. Signals all rhythmically-based units when to stop playing.
Continue. Unlike a Start command, which re-starts a sequencer or drum machine
from the beginning of a song each time it occurs, sending a continue message after
stop will re-start units from where they were stopped.
(This appendix is an abridged version of material from Power Sequencing with
Master Tracks Pro/Pro 4 and The Complete Guide to the Alesis HR-16 and MMT-8 ,
copyright 1990 and 1989 respectively by AMSCO Publications, and is adapted with
permission.)

Index
QuadraSynth UserÕs Manual 129
MIDI IMPLEMENTATION CHART
Function
Transmitted
Recognized
Remarks
Basic
Channel
Default
Changed
1 Ñ 16
1 Ñ 16 each
1 Ñ 16
1 Ñ 16 each Memorized
Mode
Default
Messages
Altered
Mode 3
X
* * * * * * * *
Mode 3
X
Note
Number True Voice
0 Ñ 127
* * * * * * * *
0 Ñ 127
0 Ñ 127
Velocity Note On
Note Off
O
OO
O
After
Touch
KeyÕs
ChÕs
O
OO
O
Pitch Bender OO
Control
Change
0 Ñ 120 OO
Prog
Change True #
O1 0 Ñ 127
* * * * * * * *
O1 0 Ñ 127
0 Ñ 127
System Exclusive OO
System
Common
Song Pos
Song Sel
Tune
X
X
X
X
X
X
System
Realtime
Clock
Commands
X
XX
X
Aux
Messages
Local On/Off
All Notes Off
Active Sense
Reset
X
X
X
X
X
X
X
X
Notes
1 O, X is selectable
Mode 1: OMNI ON, POLY Mode 3: OMNI OFF, POLY O: Yes
Mode 1: OMNI ON, MONO Mode 4: OMNI OFF, MONO X: No

Index
130 QuadraSynth UserÕs Manual
APPENDIX C:
PARAMETERS INDEX
Program Parameters
Parameter
Function
Page
Quad
Knob
Page in
Manual
Aftertouch Depth: Amp Amp 1 2 61
Aftertouch Depth: ALFO ALFO 2 3 71
Aftertouch Depth: Filter Filter 2 2 60
Aftertouch Depth: FLFO FLFO 2 3 70
Aftertouch Depth: Pitch Pitch 2 2 57
Aftertouch Depth: PLFO PLFO 2 3 68
AENV Level AENV 3 3 77
AENV Trigger AENV 2 4 77
ALFO Delay ALFO 1 3 70
ALFO Depth Amp 1 3 62
ALFO Level ALFO 2 1 71
ALFO Mod. Wheel Depth ALFO 2 2 71
ALFO Speed ALFO 1 2 70
ALFO Trigger ALFO 1 4 70
ALFO Waveform ALFO 1 1 70
Attack: Amp AENV 1 1 76
Attack: Filter FENV 1 1 74
Attack: Pitch PENV 1 1 71
Decay: Amp AENV 1 2 76
Decay: Filter FENV 1 2 74
Decay: Pitch PENV 1 2 72
Drum Mode Misc. 1 1 79
Effect Bus Effect-Level 1 2 56
Effect Level Effect-Level 1 1 56
Effect Program Effect 1 1 56
Effect Type Effect 1 3 56
FENV Depth Filter 2 4 60
FENV Level FENV 3 3 75
FENV Trigger FENV 2 4 75
FENV Velocity Depth FENV 3 4 75
Filter Frequency Filter 1 1 59
FLFO Delay FLFO 1 3 69
FLFO Depth Filter 2 3 60
FLFO Level FLFO 2 1 69
FLFO Mod. Wheel Level FLFO 2 2 70
FLFO Speed FLFO 1 2 69
FLFO Trigger FLFO 1 4 69
FLFO Waveform FLFO 1 1 69
Keyboard Tracking Filter 1 2 59
Keyboard Mode Pitch 3 4 58

Index
QuadraSynth UserÕs Manual 131
Parameter
Function
Page
Quad
Knob
Page in
Manual
Mod. Wheel Level: ALFO ALFO 2 2 71
Mod. Wheel Level: FLFO FLFO 2 2 70
Modulation Destination Mod 1 2 66
Modulation: Gate Mode Mod 1 4 66
Modulation Level Mod 1 3 66
Modulation Source Mod 1 1 64
Name (Program) Name 1Ñ10 1 79
Output Level 1 3 56
Pan Level 1 2 55
PENV Depth Pitch 2 4 58
PENV Level PENV 3 3 73
PENV Trigger PENV 2 4 72
PENV Velocity Depth PENV 3 4 73
PLFO Delay PLFO 1 3 67
PLFO Depth Pitch 2 3 57
PLFO Level PLFO 2 1 68
PLFO Mod. Wheel Level PLFO 2 2 68
PLFO Speed PLFO 1 2 67
PLFO Trigger PLFO 1 4 67
PLFO Waveform PLFO 1 1 67
Pitch Wheel Range: Filter Filter 2 1 60
Pitch Wheel Range: Pitch Pitch 2 1 57
Portamento Pitch 3 1 58
Portamento Rate Pitch 3 3 58
Range Lower limit Range 1 1 62
Range Upper Limit Range 1 2 62
Release: Amp AENV 1 4 76
Release: Filter FENV 1 4 74
Release: Pitch PENV 1 4 72
Sound Enable Misc. 1 4 79
Sound Overlap Range 1 3 63
Sustain: Amp AENV 1 3 76
Sustain: Filter FENV 1 3 74
Sustain: Pitch PENV 1 3 72
Sustain Decay: Amp AENV 2 2 77
Sustain Decay: Filter FENV 2 2 74
Sustain Decay: Pitch PENV 2 2 73
Sustain Pedal: Amp AENV 3 2 77
Sustain Pedal: Filter FENV 3 2 75
Sustain Pedal: Pitch PENV 3 2 73
Time Track: AENV AENV 3 1 77
Time Track: FENV FENV 3 1 75
Time Track: PENV PENV 3 1 73
Track Input Track 1 1 79
Track Points (0Ñ10) Track 1, 2Ñ3 2Ñ4, 1Ñ4 79
Tuning: Semitone Pitch 1 1 57
Tuning: Detune Pitch 1 3 57

Index
132 QuadraSynth UserÕs Manual
Parameter
Function
Page
Quad
Knob
Page in
Manual
Tuning: Type Pitch 1 4 57
Velocity Filter 1 4 59
Velocity Curve/Crossfade Amp 1 1 61
Voice Select: Group Assign Voice 1 1 54
Voice Select: Sound Name Assign Voice 1 3 54
Volume Level 1 1 55
Mix Parameters
Parameter
Function
Page
Quad
Knob
Page in
Manual
Effect (MIDI) Channel Effect 1 4 44
Effect Link Effect 1 3 44
Effect Number Effect 1 1 44
Effect Type Effect 1 3 44
Keyboard (QS only) Range 2 4 43
MIDI In Range 2 1 43
MIDI Out Range 2 3 43
MIDI Group (S4 only) Range 2 4 43
Name (Mix) Name 1Ñ10 1 44
Program Effect Bus Effect-Level 1 2 44
Program Effect Level Effect-Level 1 1 43
Program Enable Program Assign 1 4 41
Program Output Level 1 3 41
Program Pan Level 1 2 41
Program Volume Level 1 1 41
Program Select: Number Program Assign 1 1 41
Program Select: Type Program Assign 1 3 41
Range Lower limit Range 1 1 42
Range Upper Limit Range 1 2 42
Tuning: Octave Pitch 1 1 42
Tuning: Semitone Pitch 1 3 42

Index
QuadraSynth UserÕs Manual 133
INDEX
48 kHz CLOCK IN 25, 110
ADAT 25
Aftertouch 15
amp 61
filter 60
pitch 57
AI-1 25
COMPARE 29, 34
contrast 12, 107
copy a sound 83
demo 12
digital I/O 25
Drum Mode 53, 79
EDIT 4 30
edit buffer 34, 40
Effect
Clip 87
Configuration 88, 92,
94
Delay 100
Mix 106
Modulation 104
Name 105
Patch 18
Pitch 101
Reverb 95
send level 19
Effects Edit 29, 87
footswitch 24
FUNCTION 30, 32
Global 31
Global Edit 29, 107
Headphones 9
Keyboard
Curve 108
Mode 24, 45, 108
Sensitivity 108
Transpose 108
Local Off 46
Master Pitch and Master
Tuning 107
Memory
Preset 35
User 35
MIDI 21, 22, 23, 31, 119,
120, 122
controllers 120
IN 21
OUT 21, 45
Program Select 110
System Exclusive 21,
112
THRU 21
MIDI channel 15
Mix 31
Mix Edit 17, 29, 39
Effect 44
MIDI Channel 44
Program Link 44
Effect Bus 44
Effect Level 43
keyboard 43
Level 41
MIDI 43
Name 44
output 41
pan 41
Pitch 41
octave 42
semitone 42
range 42
Mix Group Channel 109
Mix Mode 13, 16, 28, 39
Modulation Wheel 15
Name
Effects Patch 105
Mix 44
Program 79
outputs 9
PAGE 31, 32
pedal 24, 109
Pitch Bend 15
polyphony 45, 63
Power 7, 11
Program 31
Program Edit 28, 54, 57
Amp 51, 61
Aftertouch 61
Velocity Curve 61
Amp Envelope 76
Amp LFO 62, 70
Assign Voice 54
Drum Mode 53, 79, 80
Amp Envelope 82
Effects Level 81
Level 80
Pitch 81
Range 82
velocity 81
Effect 56
Bus 56
Level 56
Effects Patch 53
Envelope 52
Filter 59
Aftertouch 60
cutoff frequency 50
lowpass 50
Pitch Wheel 60
Velocity 59
Filter Envelope 60, 73
Filter LFO 60, 69
Keyboard Mode 58
LFO 51
Modulation 51, 64
Name 79
pan 55
Pitch 57
Aftertouch 57
Pitch Wheel 57
Pitch LFO 57, 67
Portamento 58
Range 62
Sound 48, 49
Sound Enable 79
Sound Overlap 63
Tracking Generator 78
Voice 50
volume 55
Program Mode 13, 14, 28
Quad Knob 31
Edit Mode 110
Quad Knobs 11
re-initializing 83, 115
Samples 55-56
Select 31
Software Version 116
Sound Card 35
Store 29, 35Ñ38, 88
VALUE 11, 31Ñ34
Velocity 15