Alpine Ktp 445U Users Manual 500KTP445U
KTP-445U to the manual 8e1288c1-883e-4f07-9ed2-98d879acb2e6
2015-02-05
: Alpine Alpine-Ktp-445U-Users-Manual-355773 alpine-ktp-445u-users-manual-355773 alpine pdf
Open the PDF directly: View PDF
.
Page Count: 18

)
FOR
CAR
USE
ONLY/POUR
APPLICATION AUTOMOBILE
UNIQUEMENT/PARA
USO
EN
AUTOMOVILES
KTP-445U
Head
Unit
Power
Pack
• OWNER'S MANUAL
Please read this manual to maximize your enjoyment
of
the outstanding performance and feature capabilities
of
the equipment, then retain the manual for future
reference.
• MODE D'EMPLOI
Veuillez lire ce mode d'emploi pour tirer pleinement
profit des excellentes performances et fonctions de cet
appareil, et conservez-le pour toute reference future.
• MANUAL DE OPERACION
Lea este manual, por favor, para disfrutar al maximo
de las excepcionales prestaciones y posibilidades
funcionales que ofrece el equipo, luego guarde el manual
para usarlo como referencia en el futuro.
ALPINE
ELECTRONICS
MARKETING,
INC.
1-1-8
Nishi Gotanda,
Shinagawa-ku,
ALPINE
ELECTRONICS
OF
AUSTRALIA
PTY.
LTD.
161-165 Princes Highway, Hallam
Victoria 3803, Australia
ALPINE
ITALIA
S.p.A.
Viale
C.
Colombo 8, 20090
Trezzano Sui Naviglio (MI), Italy
Phone 02-484781 Tokyo 141-0031, Japan
Phone 03-5496-8231
ALPINE
ELECTRONICS
OF
AMERICA,
INC.
19145 Gramercy Place, Torrance,
California 90501, U.S.A.
Phone 1-800-ALPINE-1 (1-800-257-4631)
ALPINE
ELECTRONICS
OF
CANADA,
INC.
777 Supertest Road, Toronto,
Ontario M3J 2M9, Canada
Phone 1-800-ALPINE-1 (1-800-257-4631)
Phone 03-8787-1200
ALPINE
ELECTRONICS
GmbH
Wilhelm-Wagenfeld-Str.
1-3,
80807 MOnchen, Germany
Phone 089-32 42 640
ALPINE
ELECTRONICS
OF
U.K.
LTD.
Alpine House
Fletchamstead Highway,
Coventry CV4 9TW, U.K.
Phone 0870-33 33 763
ALPINE
ELECTRONICS
FRANCE
S.A.R.L.
(RCS PONTOISE B 338
101
280)
98, Rue de Ia Belle Etoile,
Z.l. Paris Nord II, B.P. 50016,
95945 Roissy Charles de Gaulle
Cedex, France
Phone 01-48638989
ALPINE
ELECTRONICS
DE
ESPANA,
S.A.
Portal de Gamarra 36,
Pabell6n,32
01013 Vitoria
(Aiava)-
APDO
133, Spain
Phone 945-283588
ALPINE
ELECTRONICS
(BENELUX)
GmbH
Leuvensesteenweg
51
O-B6,
1930 Zaventem, Belgium
Phone 02-725-13 15

ENGLISH
Introduction:
Please read this OWNER·s MANUAL thoroughly to familiarize yourself with each control and function.
We
at
ALPINE hope that your new KTP-445U will give you many years of listening enjoyment.
In
case of problems when installing your KTP-445U, please contact your authorized ALPINE dealer.
CAUTION:
These
controls
are
for
tuning
your
system. Please
consult
your
authorized
Dealer
for
adjustment.
~WARNING
This symbol means important instructions.
Failure to heed them can result
in
serious injury or death.
~CAUTION
This symbol means important instructions.
Failure to heed them can result
in
injury or property damages.
~WARNING
• DO NOT OPERATE
ANY
FUNCTION THAT TAKES YOUR ATTENTION AWAY FROM SAFELY DRIVING
YOUR VEHICLE. Any function that requires your prolonged attention should only be performed after coming to a
complete stop. Always stop the vehicle in a safe location before performing these functions. Failure to do so may result in
an accident.
• KEEP THE VOLUME AT A LEVEL WHERE YOU CAN STILL HEAR OUTSIDE NOISES WHILE DRIVING.
Excessive volume levels that obscure sounds such as emergency vehicle sirens
or
road warning signals (train crossings,
etc.) can be dangerous and may result in an accident. LISTENING
AT
LOUD VOLUME LEVELS IN A CAR MAY ALSO
CAUSE HEARING DAMAGE.
• DO NOT DISASSEMBLE OR ALTER. Doing so may result
in
an accident, fire or e.lectric shock.
• USE THIS PRODUCT FOR MOBILE 12V APPLICATIONS. Use for other than its designed application may
result
in
fire, electric shock or other injury.
• USE THE CORRECT AMPERE RATING WHEN REPLACING' FUSES. Failure to do so may result
in
fire or
electric shock.
• DO NOT
BLOCK
VENTS OR RADIATOR PANELS. Doing so may cause heat to build up inside and may result
in
fire.
•
MAKE
THE CORRECT CONNECTIONS. Failure to make the proper connections may result
in
fire or product
damage.
• USE ONLY IN CARS WITH A 12 VOLT NEGATIVE GROUND. (Check with your dealer if you are not sure.)
Failure to do so may result
in
fire, etc.
• BEFORE WIRING, DISCONNECT
THE
CABLE
FROM THE NEGATIVE BATTERY TERMINAL. Failure to do so
may result
in
electric shock or injury due to electrical shorts.
• DO NOT ALLOW CABLES TO BECOME ENTANGLED IN SURROUNDING OBJECTS. Arrange wiring and
cables
in
compliance with the manual to prevent obstructions when driving. Cables or wiring that obstruct or
hang up on places such as the steering wheel, gear lever, brake pedals, etc. can be extremely hazardous.
• DO NOT SPLICE INTO ELECTRICAL CABLES. Never cut away cable insulation to supply power to other
equipment. Doing so will exceed the current carrying capacity of the wire and result
in
fire or electric shock.
• DO NOT DAMAGE PIPE OR WIRING WHEN DRILLING HOLES. When drilling holes
in
the chassis for
installation, take precautions so as not to contact, damage or obstruct pipes, fuel lines, tanks or electrical wiring.
Failure to take such precautions may result
in
fire.
• DO NOT USE BOLTS OR NUTS IN THE
BRAKE
OR STEERING SYSTEMS TO
MAKE
GROUND
CONNECTIONS. Bolts or nuts used for the brake or steering systems (or any other safety-related system), or
tanks should NEVER be used for installations or ground connections. Using such parts could disable control of
the vehicle and cause fire etc.
• KEEP
SMALL
OBJECTS SUCH AS BOLTS OR SCREWS OUT OF THE REACH OF CHILDREN. Swallowing
them may result
in
serious injury. If swallowed, consult a physician immediately.

~CAUTION
• HALT USE IMMEDIATELY IF A PROBLEM APPEARS. Failure to do so may cause personal injury or damage
to the product. Return it to your authorized Alpine dealer or the nearest Alpine Service Center for repairing.
• HAVE THE WIRING
AND
INSTALLATION DONE BY EXPERTS. The wiring and installation of this unit requires
special technical skill and experience.
To
ensure safety, always contact the
dealer
where you purchased this
product to have the work done.
• USE SPECIFIED ACCESSORY PARTS
AND
INSTALL THEM SECURELY. Be sure to use only the specified
accessory parts. Use of other than designated parts may damage this unit internal\y or may not securely install
the unit
in
place. This may cause parts to become loose resulting
in
hazards or product failure.
• ARRANGE THE WIRING SO IT IS NOT CRIMPED OR PINCHED BY A SHARP METAL EDGE. Route the
cables and wiring away from moving parts (like the seat rails) or sharp or pointed edges. This will prevent
crimping and damage to the wiring. If wiring passes through a hole
in
metal, use a rubber grommet to prevent
the wire's insulation from being cut by the metal edge of the hole.
• DO NOT INSTALL IN LOCATIONS WITH HIGH MOISTURE OR DUST. Avoid installing the unit
in
locations with
high incidence of moisture or dust. Moisture or dust that penetrates into this unit may result
in
product failure.
SERVICE CARE
+ IMPORTANT NOTICE
This Amplifier has been type tested and found to
comply with the limits for a Class B computing device
in
accordance with the specifications
in
Subpart J of Part
15
of FCC Rules. This equipment generates and uses
radio frequency energy, and it must be installed and
used properly
in
accordance with the manufacturer•s
instructions.
+ For European Customers
Should you have any questions about warranty, please
consult your store of purchase.
+ For Customers in
other
Countries
IMPORTANT NOTICE
Customers who purchase the product with which this
notice is packaged, and who make this purchase
in
countries other than the United States of America and
Canada, please contact your dealer for information
regarding warranty coverage.
SERIAL NUMBER:
INSTALLATION DATE:
INSTALLATION TECHNICIAN:
PLACE OF PURCHASE:
+IMPORTANT
Please record the serial number of your unit
in
the
space provided here and keep it as a permanent
record. The serial number plate is located on the rear
of the unit.

SPECIFICATIONS
Input Sensitivity
Crossover
Dimensions
NOTE:
• For product improvement, specifications and design are subject to change without notice.
ACCESSORIES
• Mounting Bracket ........................................................................................................................................................................... 2
• Self-Tapping Screw (M4 x 12) ........................................................................................................................................................ 4
• Cable Tie ........................................................................................................................................................................................ 2
• Input Wire Harness ........................................................................................................................................................................ 1
• Output/Power Wire Harness .......................................................................................................................................................... 1
INSTALLATION (Fig. 1
and
Fig. 2)
With this amplifier, there are two options for installation. Depending on which is best for your
tarQet
location, refer
to .instructions A or B below.
~CAUTION
+ Caution on connection terminals/parts
• Keep electrically conductive objects away from the unit's terminals/parts (power terminals, fuses, speaker
output terminals, RCA connectors, etc.). Doing so prevents a possible short circuit and damage
to
the unit.
A. Installation with mounting brackets
1.
Remove the two bottom screws on each end panel.
2.
Use these screws to attach the included mounting brackets.
3.
Using the amplifier as a template, mark the four screw locations.
4.
Make sure there are no objects behind the surface that may become damaged during drilling.
5.
Drill the screw holes.
6.
Position the KTP-445U over the screw holes, and secure with four self-tapping screws.
7.
Position the unit over the screw holes you prepared earlier.
8.
Fasten the unit down with the four self-tapping screws (M4 x 12). Refer to Fig.
1.
B.
Installation with chassis mounting loops
1.
Push each of the included cable ties through the two mounting loops near each end on the bottom panel.
2.
Use the cable ties to securely attach the amplifier
to
the vehicle's frame or chassis. Refer to
Fig.
2.
NOTE:
•
To
securely connect the ground lead, use an already installed screw on the metal
part
of
the vehicle
(marked*).
Be
sure this is a
good
ground by checking continuity to the battery (-) terminal.
As
much as possible
connect all equipment to the same ground point. These procedures will help eliminate noise.

CD
Self-Tapping Screw
(M4 X 12)
Vis auto-taraudees/
Tornillos
autorroscantesss
CD
Cable Tie/
Serre-cable/
Atadura
de
cables
(2)
Ground Lead/
Conducteur de mise
a Ia terre/ Cable
de
tierra
(2)
Ground Lead/
Conducteur
de
mise
a Ia terre/
Cable
de
tierra
@ Hole/
Trous/ Agujeros/
@ Mounting Bracket/
Support/
Consola
de montaje
Fig. 1
@ Mounting Loop/
Boucle de support/
Lazo del montaje
Fig. 2

D·
•
Speakers
/
Haut-parleurs
/
Bocinas
,·(·G;e;n)t~;rt)t(v;rde)-
------------------------------,,
(!)~
RearlefV
.
1 :
Gauchearn!re
/
I
(Green/Biack)/(verl/nolr)/(Verde/negro)
I e
Posterior
Izqu
i
erdo
I I
1
(Whlte)/(blanc)/(Bianco)
1
(!)~
Front
lefV
~--~~~~~~~~;;,;;=:::;:;;::::;=============,1
GaucheavanV
(Whlle/Biack)/(blanc/nolr)/(Bianco/negro)
: e
Frontal
Izquierdo
(Grey)/(grls)/(Grls)
:
~
~
r
~:/ena~~~V
(Grey/Biack)/(gris/nolr)/(Grls/negro)
:
8'-J
Frontal
derecha
(VIolel)/(vlolei)/(VIolela)
1
(!)~
Rear
righV
~--~~~~~~~~~~::;:=;;;;::;::;=============::
Droitearri!re
/
,
(VIoleVBiack)
(vlolel/nolr)/(VIolela/negro)
, e
Posterior
derecha
'R"E'MiiiE
riiR"N:o"NiAcr~v~iloN-o~
~
r~~EcoririA;o-EiE;r:E;O",iio-
REMiiro- -ii-
(Biue/While)/(bleu/blanc)/(Azul/blanco)
GNO/TERRE/Tierra
(Biack)/(nolr)/(Negro)
BATTERY/BATTERIE!BATERiA
(Yellow)/(jaune)/(Amarollo)
•
KTP-445U
Left
end
panei/Le
panneau
de
gauche/panel
de
Ia
izquierda
Fig. 3
u w
REMOTE
TURN-ON/ACTIVATION
DE
LA
TELECOMMANDE/ENCENDIDO
REMOlD
•
(Biue/While)/(bleu!blanc)/(Azul!blanco)
KTP-445U
Right
end
panel/panneau
de
droite/panel
de
Ia
derecha
Fig.4
FRONT
IN
/
:~~~~EI
ENTRADA
FRONTAL
REA~N
/
ARRI
RE
ENTRE/
ENTRADA
POSTERIOR
CONNECTIONS (Fig. 3 and Fig. 4)
Before making connections, be sure
to
turn the power off to all
audio components. Connect the yellow battery lead from the
amp directly to the positive(+) terminal of the vehicle's battery.
Do
not connect this lead to the fuse block.
&cAUTION
+ Caution on connection terminals/parts
• Keep electrically conductive objects away from the unit's
terminals/parts (power terminals, fuses, speaker output
terminals, RCA connectors, etc.). Doing so prevents a
possible short circuit and damage to the unit.
To
prevent
external
noise
from
entering
the
audio
system.
Locate the unit and route the leads at least
10
em
(3-
15
/16') away from the car harness.
Keep the battery power leads as far away from other leads
as possible.
Connect the ground lead securely to a bare metal spot
(remove any paint or grease if necessary) of the car
chassis.
Your Alpine dealer knows best about noise prevention
measures so consult your dealer for further information.
0
Output/Power
Connector
•
Input
Connector
• Fuse (15A X 1)
USE ONLY THE CORRECT AMPERE RATING WHEN
REPLACING FUSES.
Failure to do so may result
in
fire or electric shock.
8
Output/Power
Wire
Harness
• Speaker
Output
Wires
Referring to "Cautions on speaker wire connections·;
connect each speaker output wire to the correct
corresponding speaker wire
on
the vehicle side.
Note:
Do not connect speaker leads together or
to
chassis ground.
•
Battery
Lead (Yellow)
There are two options:
a.
Connect battery lead to OEM radio fused circuit
The OEM radio circuit has a fuse to protect your
vehicle's electrical system
in
case of a short circuit. Do
not connect the battery lead to the OEM radio circuit if
the fuse rating
is
less than 15A.
b.
Connect battery lead directly to
BATT+
Be sure to add a 15A fuse (sold separately) as close as
possible to the battery's (
+)
terminal.
8 Remote
Out
Lead {Blue/White)
Use this lead to turn
on
additional amplifiers.
Note:
This is a pass through Remote Turn-On signal from the head
unit.
0
Ground
Lead
(Black)
Connect this lead securely to a clean , bare metal spot
on
the vehicle's chassis. Verify this point to be a true ground
by checking for continuity between that point and the
negative(-) terminal of the vehicle's battery. Ground all
your audio components to the same point
on
the chassis to
prevent ground loops.
•
Input
Wire
Harness
4t
Input
Signal
Wires
There are two options:
a.
RCA Input Jacks (FRONT =Violet sleeve, REAR=Grey
sleeve)
Connect these jacks to the line out leads on your head
unit using RCA extension cables (sold separately).
b.
Speaker Level Inputs
Note:
Cut off the RCA jacks, then connect the correct
corresponding speaker outputs from the head unit
directly to these twisted pair wires.
For the "Speaker Level Input System" setting. connecting the
Remote Turn-On Lead is not required due to the "REMOTE
SENSING"
function
of
this product. However, the "REMOTE
SENSING " function may no/ work depending
on
the signal
source connected. In such a case, connect the Remote Turn-On
Lead
to
an incoming power supply wire (accessory power)
in
the
ACC
position.
8 Remote Turn-On Lead (Blue/White)
Connect this lead to the remote turn-on or power antenna
(positive trigger, (+) 12V only) lead of your head unit.
Note:
• See connection check list in Fig. 7.
for
more details.

Note:
B
la
ck squar
es
indicate
th
e
positio
ns
of
th
e switch
es.
Remarque:
Les c
arr
es noirs indiquent les
positions des se/ecteurs.
Nota:
Los cuadros n
eg
ros indican
l
as
posiciones
de
los
i
nt
errupt ores.
,
______
_
I
I
48
•
or:::::JD
I
I
I
I
I
I
I
~ ~
I .
~
I
·~~P~'r
or:::::JD
\--------·~-----
KTP-445U Bottom panel/panneau inferieur/Panel inferior
Note:
Wh
en
usin
g spea
ke
r l
eve
l
input
s,
b
oth
fro
nt
and
rear
gain c
on
t
rol
s s
houl
d
be be
tw
ee
n mini
mum
an
d 9 o'
cl
o
ck
po
s
iti
on f
or
typi
cal
head
un
it
volum
e
Remarque:
Si
de
s
entr
ees
du
niveau
de
haut-
parleur
sont
uti/i
sees
, /
es
co
n
tr
ol
es
du
g
ain
avant
et
arri
ere do
iv
e
nt
et
re
e
ntr
e l
es
po
s
itions
min
i
mal
es
et 9
he
ur
es
pour Ia
gamm
e de
vol
um
e
typ
iqu
e de /'
unit
e
prin
ci
pal
e.
Nota:
AI
usa
r e
ntrad
as
a
niv
el
de
boci
na
,
am
bos
co
ntrol
es
de g
anancia
debe
rim
es
tar
entr
e
una
pos
i
ciO
n
minima
y
Ia
po
sic
ion
de l
as
9 en
punto
par
a
/og
rar
un
a g
ama
de
volum
en
ti
p
ic
a d
el
am
p
lifi
c
ad
or
principal.
r-----,
r-----,
1 FR
ON
T 1
1
GAIN
1
h0-
l
~~
r
~
:
=:
lWJ
l
~
l
r
~
KTP-445U
Right
end
paneVpanneau
de
droite/panel
de
Ia
derecha
I
Fig.S
Fig.6
~®
KTP-445U
®
@
® - I
(J)
Fig. 7
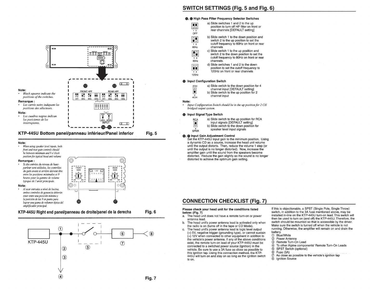
SWITCH SETTINGS (Fig. 5 and Fig. 6)
e.
e High Pass Filter Frequency Selector Switches
12
OFF
~
12
60Hz
12
60Hz
1 2
120Hz
a) Slide switches 1 and 2 to the up
position to turn off HP filter on front
or
rear channels [DEFAULT setting]
b) Slide switch 1 to the down position and
switch 2 to the up position to set the
cutoff frequency to 60Hz on front
or
rear
channels
c) Slide switch 1 to the up position and
switch 2 to the down position to set the
cutoff frequency to 80Hz on front or rear
channels.
d) Slide switches 1 and 2 to the down
position to set the cutoff frequency to
120Hz on front
or
rear channels
e Input Configuration Switch
Note:
2CH
~
5
4CH
a) Slide switch to the down position for 4
channel input [DEFAULT setting]
b)
Slide switch to the up position for 2
channel input
Input Configuration Switch should be
in
the up position for 2 CH
brid
ged
output system.
• Input Signal Type Switch
RCA
~
.
SPKR
a) Slide switch to the up position for RCA
input signals [DEFAULT setting]
b) Slide switch
to
the down position for
speaker level input signals
•·
8 Input Gain Adjustment Control
Set the KTP-445U input gain to the minimum position. Using
a dynamic CD as a source, increase the head unit volume
until the output distorts. Then, reduce the volume 1 step (or
until the output is no longer distorted). Now, increase the
amplifier gain until the sound from the speakers become
distorted. Reduce the gain slightly so the sound is no longer
distorted to achieve the optimum gain setting.
CONNECTION CHECKLIST (Fig. 7)
Please check your head unit for the conditions listed
below: (Fig. 7)
a.
The
head unit does not have a remote turn-on
or
power
antenna lead.
b.
The
head unit's power antenna lead is activated only when
the radio is on (turns off in the tape
or
CD Mode).
c.
The
head unit's power antenna lead is logic level output
(+)
5V, negative trigger (grounding type),
or
cannot sustain
(+) 12V when connected to other equipment in addition to
the vehicle's power antenna. If any
of
the above conditions
exist, the remote turn-on lead of your KTP-445U must be
connected to a switched power source (ignition) in the
vehicle. Be sure to use a 3A fuse as close as possible
to
this ignition tap. Using this connection method, the KTP-
445U will turn on and stay on as long as the ignition switch
is on.
If this is objectionable, a SPST (Single Pole, Single Throw)
switch, in addition to the 3A fuse mentioned above, may be
installed in-line on the KTP-445U turn-on lead. This switch will
then be used
to
turn on (and off) the KTP-445U. Therefore, the
switch should be mounted so that is accessible by the driver.
Make sure the switch is turned off when the vehicle is not
running. Otherwise, the amplifi
er
will remain on and drain the
battery.
(j)
Blue/White
~
Power Antenna
@ Remote Turn-On Lead
®
To
other Alpine components' Remote Turn-On Leads
@ SPST Switch (optional)
@ r=usa(3A) . _ . __
..
__ . . .
...
. .
(/)
As
close as possible to the vehicle's ignition tap
@ Ignition Source

TYPICAL SYSTEM CONNECTIONS/CONNEXIONS TYPIQUES DU SYSTEMEICONEXIONES TIPICAS DEL SISTEMA
[English]
e
Front Left Speaker (sold separately)
e
Front Right Speaker (sold separately)
• Rear Left Speaker (sold separately)
e
Rear Right Speaker (sold separately)
e
RCA Extension Cable (sold separately)
e
Head Unit Speaker Connector
• CD Head Unit
e
RCA to Mini Jack Cable (sold separately)
e
MP3
Player
[Fran~ais]
e
Haut-parleur avant gauche (vendu separement)
e
Haut-parleur avant droit (vendu separement)
e
Haut-parleur arriere gauche (vendu separement)
e
Haut-parleur arriere droit (vendu separement)
• Cable d'extension RCA (vendu separement)
8
Connecteur du haut-parleur de I' unite principale
e
Unite principale
CD
e
Cable pour connecter
RCA
aux mini-prises (vendu separement)
• Lecteur
MP3
[Espanol]
0
Altavoz delantero izquierdo (vendido separadamente)
e
Altavoz delantero derecho (vendido separadamente)
e
Altavoz trasero izquierdo (vendido separadamente)
e
Altavoz trasero derecho (vendido separadamente)
• Cable
de
extension RCA (se vende por separado)
e
Con
ector
de
bocinas
de
amplificador principal
e
Amplificador principal
de
CD
e
Cable RCA a miniconector (se vende
por
separado)
e
Reproductor MP3
RCA
Input System/Systeme d'entree RCA/Sistema de entrada
RCA
Rear
l
eft/Gauche
arriere/Posterio
r
izquierdo
r------------R.-;,-~~~;;;~~--1
I
~--------
-
----------·----------
----
---+-1
! !
r---~-~~~~~~~~!!~~~~---}.J---,
l
J
r-~~-~~~~v~~~-~~!r~~----~i---..l.,
I I I I I I 1
!! !
~··
!•
'
' '
''
'
I 0 I
I I I
I I I
I I I
I I I
I I I
I I I
I I I
''
'
I I I
@
I
@
'
Rear
outputterminaV.
XI
I •
x·
FrontoutputterminaV
j_
[d
.
j_
@o
oflil
Terminal de sortie arriere/ Terminal
de
sort
ie avant/
Terminal
de
salida trasero Terminal
de
salida delantero
Right
end
panaV
Panneau
de
droitel
Panel
de
Ia
derecha
~-------
'
Note:
Input
Configuration
Swit
ch
must
be
up
position
fo
r 2
channel
input.
Remarque:
Le
se
l
ecte
ur
de
configuration
d
'e
ntr
ee
doit
etre
ii
Ia
position
en
haut
pou
r /
'e
ntr
ee
ii 2
ca
naux
.
Nota:
\,
El i
nterrupt
or
de
co
nfiguraci6n
de
en
trada
debe
estar
en
Ia
posicion
supe
rior
para
una
e
ntrad
a
de
dos
canales
.
2CH
~
5
4CH
(l)
(R)
(L)
(R)
• Fig.B
Front left/Gauche avant/Frontal Izquierdo
----Fro-;,t";-ightror;ne-.v;;,tJFront&ide~t.a---"1
r----------------------------------il
I
~
'
'
·x
Front
output
termlnaV
Terminal
de
sortie avant/
Terminal
de
salida
delantero
(R) (l ) (R)
CD
Head
un
it
I
Un
iM
pr
i
ncipa
le
CD
I
Un
idad
priMpa
l
de
CD
•
@a
Right
end
paneV
Pann
eau
de
droite/
Panel
de
Ia derecha
Fig.9
Left
end
paneV
Pan
neau
de
gauche/
Panel
de
II
izquierda
c=J
6
II
II
i i
l~_-_-_-_-_
-
_-_
-
---~--
-_
-
_-_-_
-_-_-_-_-_-_-_-_-_-_-_--~~--~~
-1
I 1 I I
:: . .
::
!!
~~;!
II
<±>SJe
<±>Oe
11
:
:_
______________
!
L
______
J
i
I •
e
I
:
E~:
:
~o,_
:
!
<±>.e
<±>
1e !
L--
--
-----------..1
..
________
,.

Speaker Level lnput/Systeme d'entree de niveau de haut-parleur/Sistema de entrada a nivel de bocina
•
Rear
left/Gauche
arrlereiPosterior
Izquierdo
-------------------------------,
___
_!'_!!_rij~~~!e..'!.~!!!~~~~!.C..!'!_~,
·
---~~~~~~v~~~.!~~.!.1;9~~-.lJ
___
,
Front
right/Drolte
avant/Frontal
derecha
I
1 1
~----------------------------~~--~~,
!
!
I!
@
I
@
I
JD:
[:J
. •
@o
0
.....
I
•
o@
.....
Right
end
paneU
Panneau
de
droite/
Panel
de
Ia
derecha
Left
end
paneU
Panneau
de
gauche/
Panel
de
Ia
izquierda
(ii]
I
0
I
Ill
CO
Head
unit
I
Unite
princirale
CO
I
Unidad
principal
de
CO
! !
l~~--------------~~--~----~--~-:_----~---_-_-_-_-_-_-_~-~
I I I I
L-------
Note: '
I
Input
Configuration
Switch
must
be
up
position
1
for
2
channel
input.
1
I
Remarque:
Le
selecteur
de
configuration
d'entree
doit
etre
a
Ia
position
en
haut
pour
I'
entree
a
2
canaux
.
Nota:
'
El
interruptor
de
conjiguracion
de
entrada
debe
estar
en
Ia
posicion
superior
para
una
entrada
de
dos
canales.
2CH
~
5
4CH
/
''
Fig.
10
Front
left/Gauche
avant/Frontal
Izquierdo
i------------------------,
I
Fr~!~[~!.~_!~!B_!l~~~~~~'!.~,
~
II
• e
II
ii
E
"C7
!!
11
<±>.
e
<±>oe
I·
I L
______________
!
l_
_____
j !
! • • !
!
~E
i
!
<±>9e
@:
e !
L---------------J ·--------•
Left
end
panel/
Panneau
de
gauche/
Panel
de
Ia
izquierda
•
~
@
I
@.
I
Ji:
rdJ
•
.
DiJ
(R)
I
•
•
Right
end
panel/
Panneau
de
droite/
Panel
de
Ia
derecha
Fig.
11
No~:
Rema~ue:
Cut
off
the
RCA
jacks
and
connect
the
•
Decoupez
les
prises
RCA
et
connectez
heaa
unit
speaker
wires
directly
to
the
les
cables
de
haut-parleur
de
I
'unite
KTP.·445U
input
wires.
principale
directement
aux
cables
d'entree
de
Ia
KTP-445U.
I
0
: l
L_
~~~
~~U~!~!!r~~~t~~~~
0
!~~!
t~
:
!
Front
right
(-}IDroite
avant
(-)/Frontal
derecha
(-)
1
I
------------------------------,
! • • !
!Fm~loft(•Y
X X i
1
Gauche avant(+)/
1
:.~':'~t~
~z~~~~
~~
j
1 :
L
____
:
_________________
! L
________
_
Rurlett(-)1
Gauche
arrltre
(-)1
Posterior Izquierdo(·)
Nota:
Desconecte
los
conectores
RCA
y
conecte
los
cables
de
bocina
del
amplificador
principal
directamente
a
los
cables
de
entrada
del
KTP-445U.

/..----1----,
Note:
•
Input
Confibration
Switch
mus~be
up
position
for
2
channtl
input
.
!
Remarque:
1
•
Le
selecteut1,de
configuratitiz
d
'entree
do
it
etre
a
Ia
pojtion
en
haut
pour
l,
entrer
a
2
canaux.
~ot;J
interruptr
de
'
configuraci
,n
de
entrada
debe
estar
la
posicion
superior
pa
,
una
entrada
de
dos
canafes.
2CH
~
5
4CH
Stand Alone System/Systeme autonome/Sistema aut6nomo
Front left/Gauche avant/Frontalizquierdo
r---i=ro-n"irig-hWr-;,it;-a~";.~w~;;~idei'e'C'h;---1
I
,----------------------------------~,
I I I 1
l l
Remote Tum-On/
!
1
l
~
Activation
de
Ia
A
telecommande/
Encendido remoto
r-@~v---------r~--------~@~
·.y
--~-
To
ACC
or
switched
lbjJ
+12V/
Pou~:;;.::~
12
V Right end panel/
Para
el
ACC
0
se
Panneau de drolte/
I@
I cambia do
+12
v PaMI
de~
®-M
•
Fig.
12
Front left/Gauche avant/Frontal Izquierdo
r---Fror."irig-hwr-;,it;-a~";.~w~;.;t;iderec'h;---1
I
,----------------------------------~,
I I I 1
l l
Remote Tum-On/
!
1
l
~
Activation de
Ia
A
telecommande/
Encendido remoto
~~--------~--------~
•
·y
@_.
r±J
_.@
To
ACC+~~~71tched
@o
Pou~:;;.:~
12
V Right end panel/
Para
el
ACC
0
se
Panneau de drolte/
I@
I
~mbla
~
+12
v
Panel de
Ia
®~ha
Fig.
13
•
Left end panel/
Panneau de gauche/
Panel de
Ia
lzquierda
©
@
6
Ill
I I
'---------------------------------
11
l
!.--------------------------------,
! • • !
I
EEl
l l
I I
:
'+'~e
(f) e
I
I
\"!7
1 l I
·---------------~
-------~
•
g
L---------------~
Left end panel/
Panneau de gauche/
Panel de
Ia
lzqulerda
[iJ
I
I
CJ
•
R
(f)l9
t
_______
_
a
1 1
Rear
right
(+)IDrolte
arriere
(+)/Posterior
derecha
(+)
! !
._
___
Fr~trighi(-W~"H;;;a~tf.vf;;nta"id;,;t,~(-)l
l
---------------------------------~
l
l • •
ll
l
ll
l
~~ll
l
Frontlett(+ll
(f)D9
(f)D9
l l
1
Gauche avant(+)/ I l
L'2~~~~~~~~~~~:
l
I
L
___
J l
__________________
j
~----------J
Rearlett(-)1
Gauche arriMe
(-)1
Posterior Izquierdo (·)
I


Thank you for choosing Alpine for your car audio equipment needs.
Our
goal is to
produce the best audio/video/navigation products in the world and hope your
expectations are met.
Please take a moment to protect your purchase by registering your product now at
the following address: www.alpine-usa.com/registration.
You
will be informed of
product and software updates (if applicable), special promotions, and news about
Alpine.
Also, by registering your product, you can enter for a chance to win prizes!
We look forward to continue serving you
in
the future.
Sincerely,
The Alpine Team
French
Nous vous remercions d'avoir porte votre choix sur un
equipement audio automobile Alpine. Notre principal
objectif est de fabriquer les meilleurs produits audio,
video et de navigation au monde afin de repondre aux
exigences de nos clients.
Veuillez prendre quelques instants pour securiser
votre achat en enregistrant votre produit
a
l'adresse
suivante: www.alpine-usa.com/registration. Vous
serez informe(e) des nouveaux produits, mises a
jour
logicielles (le cas echeant), promotions speciales et
informations concernant Alpine.
Lors de !'enregistrement de votre produit, vous
pouvez vous inscrire et obtenir une chance de gagner
des
prix!
Nous esperons que nos produits vous donneront
entiere satisfaction.
Cordialement,
~equipe
Alpine
Spanish
Agradecemos que haya elegido a Alpine como su
proveedor de equipo de audio para su vehfculo.
Nuestro objetivo es fabricar los mejores productos de
audio, video y navegaci6n del mundo y esperamos
poder cumplir con sus expectativas.
Para proteger su compra le pedimos que se tome
unos momentos para registrar su producto en Ia
siguiente direcci6n: www.alpine-usa.com/registration
Recibira informacion sobre novedades del producto,
actualizaciones de software (si su producto lo
requiere), promociones especiales y noticias sobre
Alpine.
Ademas, si registra
su
producto, tendra Ia posibilidad
de entrar a un sorteo para ganar diversos premios.
Esperamos poder tener
Ia
oportunidad de seguir
ofreciendole otros productos en el futuro.
Atentamente,
El equipo de Alpine

KTP-445U
4 CHANNEL POWER AMPLIFIER
AMPLIFICATEUR A 4
CANAUX
45W
RMS
x4
at
40/20,
14.4V,
<1%
THD+N
S/N: 82 dBA
Ref:
1W
Into
40


KTP-445U
4 CHANNEL POWER
AMP
LIFI
ER
AMPLIFICATEUR A 4 CA
NA
UX
45W
RMS
x4
at
40/20,
14.4V, <1
o/
o TH D+N
S/N: 82
dBA
Ref:
1W
Into
40
ALPINE
ELECTRONICS
OF
AMERICA,
INC.
www.alpine-usa.com

KTP-445U
4 CHANNEL POWER AMPLIFIER
AMPLIFICATEUR A 4 CANAUX
45WRMSx4
at
40/20,
14.4V,
<1%
THD+N
S/N: 82 dBA
Ref:
1W
Into
40
4 9 5 8
043
541782
7 9
3276
01191
6
I (
E:
t>
KTP-445U I u KTP-445U

GARANTIE
LIMITEE
Fideles a
leur
engagement
de
ne
fournir
que
des
produits
de
qualite,
ALPINE ELECTRONIQUE DE L' AMERIQUE
INC,
et
ALPINE ELECTRONIQUE DU
CANADA,
INC. (Alpine)
sont
heureuses
de
vous
offrir
cette
garantie.
Nous
vous
suggerons
de
le
lire
attentivement
et
en entier. Si
vous
avez
Ia
moindre
question,
veuillez
contacter
l'un
de
nos
concessionnaires
ou
appeler
directement
Alpine
aux
numeros
listes
ci-dessous.
ePRODUITS
COUVERTS
PAR
LA
GARANTIE:
Cette
garantie
couvre
les
produits
audio/visuel
de
voiture
et
les
accessoires
connexes
("le
produit").
Elle
ne
couvre
les
produits
que
dans
le
pays
ou
ils
ont
ete
achetes.
eDUREE
DE
LA
GARANTIE
Cette garantie
est
en vigueur
pendant
un an a partir
de
Ia
date
du
premier
achat
du
client.
ePERSONNES
PROTEGEES
PAR
LA
GARANTIE
Seul
l'acheteur
original
du
produit,
s'il resisde
aux
Etats-Unis,
a
Porto
Rico
ou
au
Canada,
peut
se
prevaloir
de
Ia garantie.
eCE
QUI
EST
COUVERT
Cette
garantie
couvre
tous
les
defauts
de
materiaux
et
de
fabrication
(pieces
et
main
d'oeuvre)
du
produit.
eCE
QUI
N'EST
PAS
COUVERT
Cette garantie ne couvre pas ce qui suit:
CD
Les
dommages
survenus
durant
le
transport
des
produits
renvoyes
a
Alpine
pour
etre
repares
(les
reclamations
doivent
etre
adressees
au
transporteur);
® Tout
degat
provoque
par
accident,
abus,
negligence,
usage
inapproprie,
mauvais
raccordement,
mauvaise
utilisation
ou
par
le
non-respect
des
instructions
indiquees
dans
le
manuel
de
l'utilisateur.
@
Les
dommages
dus
a Ia
force
majeure,
notamment
aux
tremblements
de
terre,
au
feu,
aux
inondations,
aux
tempetes
ou
aux
autres
cataclysmes
naturals;
@ Les
frais
ou
les
depenses
relatifs a
l'enlevement
ou
a Ia
reinstallation
du
produit;
® Les
services
rendus
par
une
personne,
physique
ou
morale
non
autorisee;
®
Les
produits
dont
le
numero
de
serie
a
ete
efface,
modifie
ou
retire;
(J)
Les
produits
qui
ont
ete
adaptes
ou
modifies
sans
le
consentement
d'
Alpine;
®
Les
produits
qui
ne
sont
pas
distribues
par
Alpine
aux
Etats-Unis, a
Porto
Rico
ou
au
Canada;
®
Les
produits
qui
n'ont
pas
ete
achetes
par
l'entremise
d'un
concessionnaire
Alpine
autorise;
eCOMMENT
SE
PREVALOIR
DE
LA
GARANTIE
CD
II
vous
faut
remettre le
produit
necessitant
des
reparations
a un centre
de
service autorise Alpine
ou
a Alpine
meme
et
en assumer les frais
de
transport. Alpine a le
choix
entre
reparer le
produit
ou
le remplacer
par
un
produit
neuf ou
revise, le
tout
sans frais
pour
vous. Si les reparations
sont
couvertes
par
Ia garantie
et
si le
produit
a
ete
envoye a un
centre
de
service Alpine
ou
a Alpine, le paiement
des
frais
de
reexpedition
du
produit
incombe
Alpine.
® Vous
devez
donner
une
description
detaillee
des
problemas
qui
sont
a
l'origine
~e
votre
demande
de
reparation.
@ Vous
devez
joindre
Ia
preuve
de
votre
achat
du
produit.
@ Vous
devez
emballer
soigneusement
le
produit
pour
eviter
tout
dommage
durant
son
transport.
Pour
eviter
Ia
perte
de
l'envoi,
il
est
conseille
de
choisir
un
transporteur
qui
propose
un
service
de
suivi
des
envois.
eLIMITATION
DES
GARANTIES
TACITES
LA
DUREE DE TOUTES LES GARANTIES TACITES, Y
COMPRIS
LA
GARANTIE D'ADAPTATION A
L'UTILISATION
ET
LA
GARANTIE DE QUALITE LOYALE ET
MARCHANDE,
EST LIMITEE A CELLE DE
LA
GARANTIE EXPRESSE
DETERMINEE CI-DESSUS. PERSONNE
N'EST
AUTORISE
A ENGAGER
AUTREMENT
LA
RESPONSABILITE
D'ALPINE
EN
VERTU DE
LA
VENTE
D'UN
PRODUIT.
eEXCLUSIONS
DE
LA
GARANTIE
ALPINE STIPULE EXPRESSEMENT
QU'ELLE
N'EST
PAS
RESPONSABLE DES DOMMAGES-INTERETS ET
DOMMAGES
INDIRECTS PROVOQUES PAR LE PRODUIT.
LES DOMMAGES-INTERETS
SONT
LES FRAIS DE
TRANSPORT DU PRODUIT VERS UN CENTRE DE
SERVICE ALPINE,
LA
PEATE DE
TEMPS
DE L'ACHETEUR
ORIGINAL,
LA
PEATE D'UTILISATION DU PRODUIT, LES
BILLETS
D'
AUTOBUS,
LA
LOCATION DE VOITURES ET
TOUS LES AUTRES FRAIS LIES A
LA
GARDE DU
PRODUIT.
LES
DOMMAGES
INDIRECTS
SONT
LES FRAIS DE
REPARATION OU DE
REMPLACEMENT
D'AUTRES BIENS
ENDOMMAGES
SUITE
AU
MAUVAIS FONCTIONNEMENT
DU PRODUIT.
LES RECOURS PREVUS PAR LES PRESENTES
EXCLUENT ET
REMPLACENT
TOUTE AUTRE
FORME
DE
RECOURS.
ellEN
ENTRE
LA
GARANTIE
ET
LA
LOI
La
garantie
vous
donne
des
droits
specifiques,
mais
vous
pouvez
aussi
jouir
d'autres
droits,
qui
varient
d'un
etat
ou
d'une
province
a
l'autre.
En outre,
certains
etats
et
certaines
provinces
interdisent
de
limiter
Ia
duree
des
garanties
tacites
ou
d'exclure
les
dommages
accessoires
ou
indirects.
Dans
ce
cas,
les
limites
et
les
exclusions
de
Ia
garantie
peuvent
ne
pas
s'appliquer
a
vous.
eCLAUSE
APPLICABLE
AU
CANADA
SEULEMENT
Pour
que
Ia
garantie
soit
valable, il
faut
qu'un
centre
d'installation
autorise
ait
installe
le
systeme
audio
pour
l'auto
dans
votre
vehicule
et
qu'il
ait
ensuite
appose
son
cachet
sur
Ia
garantie.
eNUMEROS D'
APPEL
DU
SERVICE
A
LA
CLIENTELE
Si
vous
avez
besoin
de
nos
services, veuillez
appeler
Alpine
aux
numeros
ci-dessous
pour
le
centre
de
service
autorise
Alpine
le
plus
proche.
AUDIO DE VOITURE 1-800-ALPINE-1 (1-800-257-4631)
NAVIGATION 1-888-NAV-HELP (1-888-628-4357)
Ou
visitez
notre
site
Web
a
l'adresse
http://www.alpine-
usa.com
ALPINE
ELECTRONIQUE
DE
L'AMERIQUE,
INC., 19145 Gramercy Place, Torrance, California 90501, U.S.A.
ALPINE
ELECTRONIQUE
DU
CANADA,
INC., 777 Supertest Road, Toronto, Ontario
M3J
2M9, Canada
N'envoyez aucun
produit
aces
adresses.
Appelez notre numero gratuit
ou
visitez notre site Web si vous recherchez un centre
de
service.

LIMITED
WARRANTY
ALPINE ELECTRONICS
OF
AMERICA, INC. AND ALPINE
OF
CANADA INC. (
11
Aipine
11
),
are dedicated
to
quality
craftsmanship and are pleased
to
offer this Warranty.
We
suggest that you read
it
thoroughly. Should you have any
questions, please contact your Dealer
or
contact Alpine
at
one
of
the telephone numbers listed below.
ePRODUCTS COVERED:
This Warranty
covers
Car
Audio
Products
and Related
Accessories (
11
the
product
..
).
Products
purchased in
the
Canada are covered
only
in
the
Canada.
Products
purchased in
the
U.S.A. are covered
only
in
the
U.S.A.
eLENGTH OF WARRANTY:
This Warranty is in
effect
for
one
year
from
the
date
of
the
first
consumer
purchase.
eWHO
IS
COVERED:
This Warranty
only
covers
the
original
purchaser
of
the
product,
who
must
reside in
the
United States, Puerto
Rico
or
Canada.
eWHAT
IS
COVERED:
This Warranty covers
defects
in materials
or
workmanship
(parts and labor) in
the
product.
eWHAT
IS
NOT COVERED:
This Warranty
does
not
cover
the
following:
CD
Damage
occurring
during
shipment
of
the
product
to
Alpine
for
repair (claims
must
be
presented
to
the
carrier).
® Damage caused
by
accident
or
abuse, including
burned
voice
coils
caused
by
over-driving
the
speaker
(amplifier level is
turned
up
and
driven
into
distortion
or
clipping). Speaker mechanical failure (e.g.
punctures, tears
or
rips). Cracked
or
damaged
LCD panels.
Dropped
or
damaged
hard drives.
@ Damage caused
by
negligence, misuse,
improper
operation
or
failure
to
follow
instructions
contained
in
the
Owner•s manual.
@ Damage caused
by
act
of
God, including
without
limitation, earthquake, fire, flood,
storms
or
other
acts
of
nature.
Any
cost
or
expense related
to
the
removal
or
reinstallation
of
the
product.
® Service performed
by
an unauthorized person,
company
or
association.
®
Any
product
which
has
the
serial
number
defaced,
altered
or
removed.
(f)
Any
product
which
has been adjusted, altered
or
modified
without
Alpine•s consent.
@
Any
product
not
distributed
by
Alpine
within
the
United
States, Puerto Rico
or
Canada.
®Any
product
not
purchased
from
an Authorized Alpine
Dealer.
eHOW
TO
OBTAIN WARRANTY SERVICE:
CD
You are responsible
for
delivery
of
the
product
to
an
Authorized Alpine Service
Center
or
Alpine
for
repair
and
for
payment
of
any
initial
shipping
charges. Alpine
will,
at
its
option,
repair
or
replace
the
product
with
a
new
or
reconditioned
product
without
charge.
If
the
repairs are covered
by
the
warranty,
and
if
the
product
was
shipped
to
an Authorized Alpine Service
Center
or
Alpine, Alpine will
pay
the
return
shipping
charges.
® You should
provide
a detailed
description
of
the
problem(s)
for
which
service is required.
@ You
must
supply
proof
of
your
purchase
of
the
product.
@ You
must
package
the
product
securely
to
avoid
damage
during
shipment.
To
prevent
lost
packages
it
is
recommended
to
use a carrier
that
provides
a
tracking
service.
eHOW
WE
LIMIT IMPLIED WARRANTIES:
ANY IMPLIED WARRANTIES INCLUDING FITNESS FOR
USE AND MERCHANTABILITY ARE LIMITED IN
DURATION TO THE PERIOD OF THE EXPRESS
WARRANTY SET FORTH ABOVE AND NO PERSON IS
AUTHORIZED TO ASSUME FOR ALPINE ANY OTHER
LIABILITY IN CONNECTION WITH THE SALE OF THE
PRODUCT.
eHOW
WE
EXCLUDE CERTAIN
DAMAGES:
ALPINE EXPRESSLY DISCLAIMS LIABILITY FOR
INCIDENTAL AND CONSEQUENTIAL DAMAGES
CAUSED
BY
THE PRODUCT. THE TERM
..
INCIDENTAL
DAMAGES
..
REFERS TO EXPENSES OF
TRANSPORTING THE PRODUCT TO THE ALPINE
SERVICE CENTER, LOSS OF THE ORIGINAL
PURCHASER•s TIME, LOSS OF THE USE OF THE
PRODUCT, BUS FARES, CAR RENTALS OR OTHERS
COSTS RELATING TO THE CARE AND CUSTODY OF
THE PRODUCT. THE TERM
..
CONSEQUENTIAL
DAMAGES
..
REFERS TO THE COST OF REPAIRING OR
REPLACING OTHER PROPERTY WHICH IS DAMAGED
WHEN THIS PRODUCT DOES NOT WORK PROPERLY.
THE REMEDIES PROVIDED UNDER THIS WARRANTY
ARE EXCLUSIVE AND IN LIEU OF
ALL
OTHERS.
eHOW
STATE/PROVINCIAL LAW
RELATES
TO
THE
WARRANTY:
This Warranty gives
you
specific
legal rights, and
you
may
also have
other
rights
which
vary
from
state
to
state
and province
to
province. In addition,
some
states/
provinces
do
not
allow
limitations on
how
long
an implied
warranty
lasts, and
some
do
not
allow
the
exclusion
or
limitation
of
incidental
or
consequential damages. Accordingly,
limitations as
to
these
matters
contained herein
may
not
apply
to
you.
eiN
CANADA
ONLY:
This Warranty is
not
valid unless
your
Alpine
car
audio
product
has been installed in
your
vehicle
by
an
Authorized Installation Center,
and
this
warranty
stamped
upon
installation
by
the
installation center.
eHOW
TO
CONTACT CUSTOMER SERVICE:
Should
the
product
require service, please call
the
following
number
for
your
nearest Authorized Alpine
Service Center.
CAR AUDIO 1-800-ALPINE-1 (1-800-257-4631)
NAVIGATION
1-888-NAV-HELP (1-888-628-4357)
Or
visit
our
website
at;
http://www.alpine-usa.com
ALPINE ELECTRONICS OF AMERICA, INC., 19145 Gramercy Place, Torrance, California 90501, U.S.A.
ALPINE ELECTRONICS OF CANADA, INC., 777 Supertest Road, Toronto, Ontario
M3J
2M9, Canada
Do
not
send
products
to
these
addresses.
Call
the
toll free telephone
number
or
visit
the
website
to
locate
a service center.