Alpine X009 Fd1 Installation Manual
X009-FD1 - Installation Guide IM_X009-FD1_EN User Guide for Alpine GPS, Free Instruction Manual
2015-03-30
: Alpine Alpine-X009-Fd1-Installation-Manual-677905 alpine-x009-fd1-installation-manual-677905 alpine pdf
Open the PDF directly: View PDF
.
Page Count: 12

Ford F-150
FULL SIZE TRUCK 1/12
FORD F-150
X009-FD1 9”
Installation Manual
Model: Full Size Truck
Model Year: 2009–2014
Introduction
Design and specifications are subject to change without notice for improvement.
To Ensure Safe Use, Always Follow These Precautions
The installation of this product requires specialized skills and experience. We recommend that you have the
product installed by the store that you purchased it from.
Before you use this product, be sure to carefully read this installation manual and the separate user's manual
so that you can use the product correctly. Alpine Electronics bears no responsibility for problems that arise as
a result of failure to follow the instructions in the manuals.
This manual includes a number of symbols that are intended to help you use the product safely, to prevent
harm to you and others, and to protect against damage to property. These symbols and their meanings are
listed below. Make sure you fully understand these symbols before you begin reading the main text.
Explanations of Injury and Damage That May Result from Incorrect Use
Warning Ignoring the content marked by this indication and using the product incorrectly is
expected to lead to death or serious injury.
Caution Ignoring the content marked by this indication and using the product incorrectly is only
expected to lead to injury or property damage.
FORD
Model Year
XL
2009 - 2014
Not compatible with
4.2” LCD screen (My
Ford), 8” LCD touch
screen (My Ford Touch),
or factory navigation
equipped vehicles.
STX
XLT
FX2
FX4
SVT RAPTOR
* The specified vehicles have been tested and have met compatibility specs at the time of testing. Compatibility is
not guaranteed if the manufacturer has made production changes to the listed vehicles above.

Ford F-150
FULL SIZE TRUCK 2/12
Types of Precautions
Forbidden
Indicates actions that are forbidden
(must not be performed)
Mandatory
Indicates actions that are
mandatory (must be performed)
Forbidden
Indicates that disassembly is
forbidden.
Marks content that should receive
your full attention.
Warning
Do not disassemble or modify the product. Doing so could lead to an accident, re,
or electric shock.
Forbidden
Store screws and other small objects where small children cannot reach them. If one of these
small objects is swallowed, consult with a doctor immediately.
When replacing fuses, be sure to use fuses with the specied current rating. Failing to do so could
lead to an accident or re.
Forbidden
Mandatory
Only connect the product to a 12 VDC negative ground car. Failing to do so could lead to
an accident or re.
Mandatory
Before you begin wiring, remove the ground wire from the negative terminal of the battery.
Failing to do so could lead to electric shock or injury.
Do not cut the insulation on a cord and take power from another device. Doing so could
lead to re or electric shock.
Forbidden
Do not install the product in a location where it will obstruct the driver’s forward view;
interfere with the operation of the steering wheel, gearshift, or the like; or pose a
threat to passengers. Doing so could lead to an accident or injury.
Forbidden

Ford F-150
FULL SIZE TRUCK 3/12
When making a hole in the vehicle body, be careful to avoid damaging pipes, the fuel tank,
electrical wiring, and the like. This kind of damage could lead to an accident or re.
When installing and grounding the product, do not use any of the bolts or nuts of the
steering wheel, brakes, fuel tank, or the like. Doing so could make the brakes stop working
or lead to re.
Forbidden
Do not install the product near the passenger-side airbag. Doing so could interfere with the
operation of the airbag and lead to an accident or injury.
Forbidden
Bundle cords so that they don’t interfere with driving. Wrapping cords around the steering
wheel, gearshift, brake pedal, or the like, could lead to an accident or damage equipment.
Caution
Connect the product properly according to the instructions. Failing to do so could lead
to re or an accident.
Forbidden
Do not sandwich cords between the seat railing or allow them to touch protrusions.
Resulting breaks or shorts could lead to electric shock or re.
Do not block vents or heat sinks. Doing so could lead to re or damage equipment.
Use the accessories according to the instructions, and attach them securely.
Failing to do so could lead to an accident or damage equipment.
Forbidden
Do not install the product where it may be exposed to water or in a place with high levels
of humidity or dust. Doing so could lead to re or damage equipment.
Forbidden
The installation and wiring of this product requires specialized skills and experience.
Have the product installed and wired by the store that you purchased it from.

Ford F-150
FULL SIZE TRUCK 4/12
Accessory List
Head Unit Box Parts (X009)
Owner’s Manual Disc X009 Head Unit X009 Camera Harness
AUX/Pre Out Harness GPS Antenna USB Extension Cable
8mm x 8 Screws Quick Reference Guides Registration Cards
QRG
Audio
QRG
Navigation
Alpine
Registration Card
NAVTEQ
Registration Card
iDatalink Maestro Box Parts (ALP-MRR/ALP-HRN-FD1)
Main Harness Antenna Adapter Amplifier Adapter Harness
USB Cable iDatalink Maestro Module

Ford F-150
FULL SIZE TRUCK 5/12
Installation Kit Parts (G-KTX-009-F150)
Headunit Bezel Key harness Mounting Brackets
Key Module Microphone 5mm Screw x 2

Ford F-150
FULL SIZE TRUCK 6/12
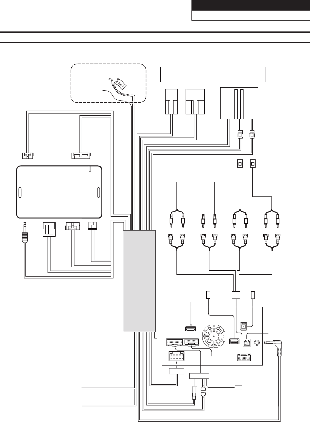
X009-FD1 System Wiring
If factory amplifier
is equipped,
connect adapter
harness on vehicle
side
White
Red
White
Red
White
Red
White
Red
Green
Purple
White
Gray
White
Red
White
Red
Sub In
Aux In
Center/Sub2 In
Front
Rear
Sub
Aux in
X009 Camera
Harness
Camera Input
HDMI Input
USB Extension
Cable
To SXM
Aux/Pre-out
Harness
X009 Head Unit
X009-FD1
Key Panel
GPS Antenna
10-pin Green
Connector
3.5 mm Mini plug
10-pin Black
Connector
18-pin Black
Connector
3-pin Black
Connector
4-pin Data
Connector
Blue Power Antenna
(Not used)
Green/
White
Blue/White Amp Turn-on
3.5 Mini plug
Speed Pulse
4-pin Data Connector
To ODB II
Connector
To SYNC
Harness
See Page 9
#5 in detail
iDatalink MAESTRO Module
To Vehicle Connectors
Use only with aftermarket
amplifiers
X009
Power
Harness
Main Harness

Ford F-150
FULL SIZE TRUCK 7/12
Factory unit disassembly process
1 In the passenger side of the vehicle open the glove
box and push the side tabs towards inside to
release the glove box. Extract 3 X 8 mm (may also
be 3 x 10 mm) bolts to release the airbag.
2 Without disconnecting the Airbag push it out far
enough to expose the copper plated 7 mm screw
on the left side of the airbag and extract it.
3 Remove the instrument cluster panel by extracting
2 x 7 mm screws.
4 Remove both side vent covers by unclipping them
using a panel remover tool.
5 Remove cover below HVAC and extract 7 mm
screw.
6 At the top of the radio bezel remove the rubber
screw cover, extract 2 x 7 mm screws and remove
the radio bezel.
7 Extract 4 x 7 mm screws from the factory radio and
remove it.

Ford F-150
FULL SIZE TRUCK 8/12
Programming the iDatalink Maestro Module
1 INSTALL THE WEBLINK PLUG-IN
Go to:
idatalinkmaestro.com/plugin and follow the installation steps.
Review the System Requirements before installing.
If the plugin is already installed, the caution, “The plugin is already
installed” appears. Please skip to step 2.
2 REGISTER A WEBLINK ACCOUNT
Go to:
idatalinkmaestro.com/register and complete the registration process.
A conrmation email will be sent to you requiring validation.
For existing customers, click log in.
For existing customers, click log in.
3 CONNECT YOUR MAESTRO MODULE
Use the included USB cable to connect your Maestro module to your
PC.
4 LOG INTO WEBLINK
Go to:
idatalinkmaestro.com/login.
Enter your username and password, then click OK.
5 PROGRAM YOUR MODULE
Follow the programming steps for your vehicle.
6 COMPLETE INSTALLATION
Proceed to the next page to complete installation.

Ford F-150
FULL SIZE TRUCK 9/12
Installation Instructions
1 Attach the Maestro module to the X009 main
harness.
2 Using an air Reciprocating Saw trim the marked
gray area above the headunit. (This will allow the
headunit to sit at the adequate height)
3 Connect the factory harness to the main harness
and secure it.
Only use if vehicle is equipped with a factory
subwoofer and harness was plugged into the OEM
headunit.
4 Remove rubber screw cover from the center dash
plate and extract 2 x 7 mm screws. Place GPS
antenna as illustrated and feed the cable down to
the X009. This is where Sync module and the SW2
wire are located. Can bus wires can also be found
at the Sync module. (see step 5 for color code)
5
Access the ODBII connector located under the driver
side dashboard. Connect the YELLOW/BROWN wire
from the Alpine harness to the WHITE wire located
at pin 14 of the OBDII connector. Connect the RED/
BROWN wire from the Alpine harness to the WHITE/
BLUE wire located at pin 6 of the OBDII connector.
Connect the PINK/RED wire to the BLUE/ORANGE
wire at the SYNC harness on the top center dash
under the tray. NOTE: On 2011 thru 2014 models,
connection of PINK/RED wire is not required.
PINK/RED -
SWI 2 (-) INPUT STEERING
WHEEL SIDE
INSULATE
WIRE
SYNC HARNESS
FACTORY RADIO HARNESS
SYNC
MODULE SIDE
WIRES FROM
VEHICLE
YELLOW/BROWN -CAN2L
RED/BROWN - CAN2H
WHITE/BLUE
WHITE

Ford F-150
FULL SIZE TRUCK 10/12
Exploded-View Diagram
Parts assembly diagram for the X009-FD1 kit.
Bracket Assembly Procedure
Attach left & right bracket and key module to the X009 unit using supplied eight M5x8 and two M5x5 screws
Headunit Bezel
X009 AVN Unit
Left bracket
Factory dash bezel
Right bracket
Key Module
Factory HVAC Panel (not supplied)
Left bracket
X009 AVN Unit
M5x8
M5x5
Right bracket

Ford F-150
FULL SIZE TRUCK 11/12
Wiring Installation Procedure
1 Plug in the key connection harness with the “external key unit” label to the key unit. Note the pigtail
connection for the included Bluetooth microphone.
Bluetooth microphone input

Ford F-150
FULL SIZE TRUCK 12/12
Install the radio assembly
1 Attach assembly to the vehicle’s dashboard at these
4 points using the provided screws.
2 Install the HVAC control and Hazard light
switch on to the G-KTX-009-F150 panel.