Amana Air Conditioner Asx 14 Seer Users Manual
ASX 14 SEER to the manual 2c86dc5d-3ffd-477f-80df-441f7676d22e
2015-02-04
: Amana Amana-Amana-Air-Conditioner-Asx-14-Seer-Users-Manual-361083 amana-amana-air-conditioner-asx-14-seer-users-manual-361083 amana pdf
Open the PDF directly: View PDF
.
Page Count: 42

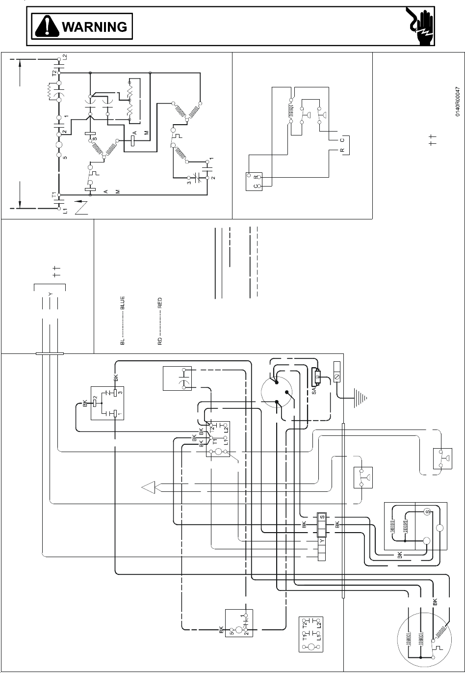
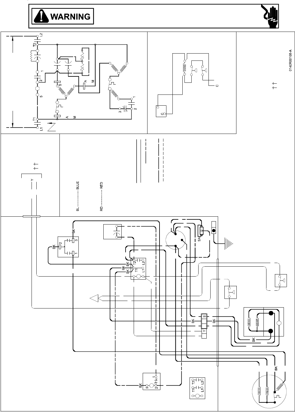
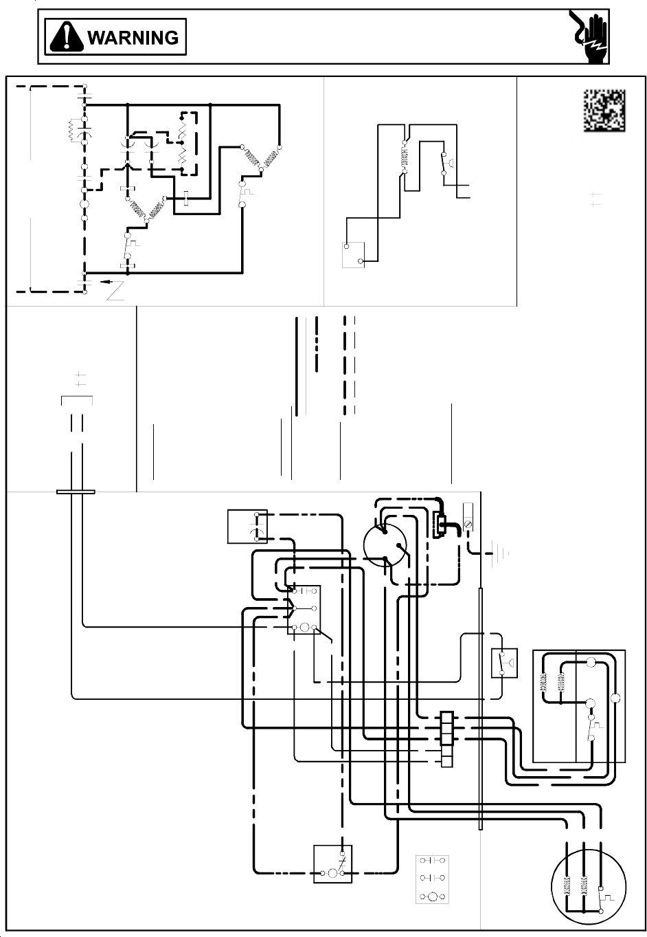
•Refer to Service Manual RS6200006 for installation, operation, and troubleshooting information.
•All safety information must be followed as provided in the Service Manual.
•Refer to the appropriate Parts Catalog for part number information.
•Models listed on page 3.
TECHNICAL MANUTECHNICAL MANU
TECHNICAL MANUTECHNICAL MANU
TECHNICAL MANUALAL
ALAL
AL
ASX 14 SEER
Condensing Units
RT6113004r10
October 2011
This manual is to be used by qualified, professionally trained HVAC technicians only. Goodman does
not assume any responsibility for property damage or personal injury due to improper service
procedures or services performed by an unqualified person.
Copyright © 2006-2011 Goodman Company, L.P.
is a registered trademark of Maytag Corporation or its related companies and is used under
license to Goodman Company, L.P., Houston, TX. All rights reserved.

PRODUCT IDENTIFICATION
2
The model number is used for positive identification of component parts used in manufacturing. Please use this number
when requesting service or parts information.
WARNING
WARNING HIGH VOLTAGE!
Disconnect ALL power before servicing or installing this unit. Multiple power
sources may be present. Failure to do so may cause property damage, personal
injury or death.
Installation and repair of this unit
should be performed ONLY by indi-
viduals meeting (at a minimum) the requirements of an
"entry level technician", at a minimum, as specified by the
Air-Conditioning, Heating, and Refrigeration Institute (AHRI).
Attempting to install or repair this unit without such back-
ground may result in product damage, personal injury or
death.
Goodman will not be responsible
for any injury or property damage
arising from improper service or service procedures. If
you install or perform service on this unit, you assume
responsibility for any personal injury or property damage
which may result. Many jurisdictions require a license to
install or service heating and air conditioning equipment.
WARNING
WARNING WARNING
WARNING
A S X 14 024 1 A A
PRODUCT
FAMILY:
S: Split System
PRODUCT TYPE:
C: Condenser R-22
X: Condenser R-410A
H: Heat Pump R-22
Z: Heat Pump R-410A
SEER:
SEER Rating
BRAND:
A: Amana® Brand
S: Goodman® Brand
(High Feature Set Model)
NOMINAL
CAPACITY
018: 1.5 Tons
024: 2 Tons
030: 2.5 tons
036: 3 Tons
042: 3.5 Tons
048: 4 Tons
060: 5 tons
ELECTRICAL:
1: 208-230v
1ph/60Hz
3: 208-230v
3ph/60Hz
4: 460v
3ph/60Hz
MAJOR REVISION:
A: Initial Release
MINOR REVISION:
A: Initial Release

PRODUCT IDENTIFICATION
3
The model number is used for positive identification of component parts used in manufacturing. Please use this number
when requesting service or parts information.
* Indicates minor revision & is not used for order entry or inventory management
ASX140181A*
ASX140241A*
ASX140301A*
ASX140361A*
ASX140421A*
ASX140481A*
ASX140601A*
ASX140181B*
ASX140241B*
ASX140301B*
ASX140361B*
ASX140421B*
ASX140481B*
ASX140601B
The United States Environmental Protection Agency (“EPA”) has issued various regulations re-
garding the introduction and disposal of refrigerants introduced into this unit. Failure to follow
these regulations may harm the environment and can lead to the imposition of substantial fines.
These regulations may vary by jurisdiction. Should questions arise, contact your local EPA office.
WARNING
WARNING
Do not connect or use any device
that is not design certified by
Goodman for use with this unit.
Serious property damage, personal injury, reduced unit
performance and/or hazardous conditions may result
from the use of such non-approved devices.
WARNING
WARNING To prevent the risk of property
damage, personal injury, or death,
do not store combustible materials or use gasoline or
other flammable liquids or vapors in the vicinity of this
appliance.
WARNING
WARNING
ASX140181C*
ASX140241C*
ASX140301C*
ASX140361C*
ASX140421C*
ASX140481C*
ASX140181D*
ASX140421D*

PRODUCT DESIGN
4
ASX14 models are available in 1 1/2 through 5 ton sizes and
use R-410A refrigerant. They are designed for 208/230 volt
single phase applications.
The condenser air is pulled through the condenser coil by a
direct drive propeller fan. This condenser air is then dis-
charged out of the top of the cabinet.
These units are designed for free air discharge, so no addi-
tional resistance like duct work shall be attached.
The suction and liquid line connections on present models
are of the sweat type for field piping with refrigerant type cop-
per. Front seating valves are factory installed to accept the
field run copper. The total refrigerant charge for a normal in-
stallation is factory installed in the condensing unit. ASX units
are charged for the matching evaporator coil and a 15 foot
refrigerant line set.
Systems should be properly sized by heat gain and loss
calculations made according to methods of the Air Condi-
tioning Contractors Association (ACCA) or equivalent. It is
the contractors responsibility to ensure the system has ad-
equate capacity to heat or cool the conditioned space.
ASX models use the Copeland Scroll "Ultratech" Series com-
pressors which are specifically designed for R-410A refriger-
ant. There are a number of design characteristics which are
different from the traditional reciprocating and/or scroll com-
pressors.
"Ultratech" Series scroll compressors will not have a dis-
charge thermostat, some of the early model scroll compres-
sors required discharge thermostats.
Due to their design Scroll compressors are inherently more
tolerant of small quantities of liquid refrigerant.
NOTE: Even though the compressor section of a Scroll com-
pressor is more tolerant of liquid refrigerant, continued
floodback or flooded start conditions may wash oil from the
bearing surfaces causing premature bearing failure.
"Ultratech" Series scroll compressors use "POE" or
polyolester oil which is NOT compatible with mineral oil based
lubricants like 3GS. "POE" oil must be used if additional oil
is required.
Operating pressures and amp draws may differ from stan-
dard reciprocating and/or scroll compressors. This informa-
tion may be found in the "Cooling Performance Data" sec-
tion.
WARNING
To avoid possible injury, explosion or death, practice
safe handling of refrigerants.
Special consideration must be given to location of the con-
densing unit(s) in regard to structures, obstructions, other
units, and any/all other factors that may interfere with air
circulation. Where possible, the top of the unit should be
completely unobstructed; however, if vertical conditions re-
quire placement beneath an obstruction there should be a
minimum of 60 inches between the top of the unit and
the obstruction(s). The specified dimensions meet require-
ments for air circulation only. Consult all appropriate regula-
tory codes prior to determining final clearances.
Another important consideration in selecting a location for
the unit(s) is the angle to obstructions. Either side adjacent
the valves can be placed toward the structure provided the
side away from the structure maintains minimum service clear-
ance. Corner installations are strongly discouraged.
DO NOT locate the unit:
– Directly under a vent termination for a gas appliance.
– Within 3 feet of a clothes dryer vent.
– Where the refreezing of defrost water would create a
hazard.
– Where water may rise into the unit.
Model Type A B C AA
Residential 10" 10" 18" 20"
Light Commercial 12" 12" 18" 24"
Minimum Airflow Clearance
OK!
OK!
AA AAA
A
CC
CCOK!
OK!
OK!
OK!
NOT
RECOMMENDED
AA
AA AA
AA
AA
B B B
B

PRODUCT DESIGN
5
DIMENSIONS
W
D
H
Model Dimensions - W x D x H Model Dimensions - W x D x H
ASX140181A* 26" x 26" x 32¼" ASX140361A* 29" x 29" x 34¼"
ASX140181B*
ASX140181C* ASX140361B*
ASX140361C* 29" x 29" x 32½"
ASX140181D* ASX140421A* 35½" x 35½" x 38¼"
ASX140241A* 26" x 26" x 32½" ASX140421B* 29" x 29" x 38¼"
ASX140241B*
ASX140241C* 26" x 26" x 32½" ASX140421C*
ASX140421D* 29" x 29" x 36¼"
ASX140301A* 29" x 29" x 32¼" ASX140481A*
A
SX140481B* 35½" x 35½" x 38¼"
ASX140301B*
ASX140301C* 29" x 29" x 32½" ASX140481C* 35½" x 35½" x 36¼"
ASX140601A*
ASX140601B* 35½" x 35½" x 38¼"
26" x 26" x 27½"

CONDENSING UNIT SPECIFICATIONS
6
NOTE: This data is provided as a guide, it is important to electrically connect the unit and properly size fuses/
circuit breakers and wires in accordance with all national and/or local electrical codes. Use copper wire only.
ASX140181A* - ASX140361A*
ASX140421A* - ASX140[48-60]1A* / ASX140[48-60]1B*
* Up to 24' in equivalent line length
(1) Wire size should be determined in accordance with National Electrical Codes; extensive wire runs will require larger wire sizes.
(2) Maximum Overcurrent Protection Device: MUST use Time Delay Fuses or HACR type Circuit Breaker of the same size as noted.
ASX140181A* ASX140241A* ASX140301A* ASX140361A*
Cooling Capacity, BTUH 18,000 24,000 30,000 36,000
Compressor
R.L. Amps 9.00 13.4 12.8 14.1
L.R. Amps 48.0 58.3 64.0 77.0
Low Pressure Switch
Open
Close
22 PSIG
50 PSIG
22 PSIG
50 PSIG
22 PSIG
50 PSIG
22 PSIG
50 PSIG
High Pressure Switch
Open
Close 610 PSIG
420 PSIG
610 PSIG
420 PSIG
610 PSIG
420 PSIG
610 PSIG
420 PSIG
Condenser Fan Motor
Horsepower 1/12 1/12 1/6 1/4
F.L. Amps 0.6 0.6 1.5 1.6
Liquid Line, Inches O.D.* 3/8" 3/8" 3/8" 3/8"
Suction Line, Inches O.D.* 3/4" 3/4" 3/4" 7/8"
Refrigerant Charge 121.0 126.0 131.0 146.0
Power Supply 208/230-60-1 208/230-60-1 208/230-60-1 208/230-60-1
Minimum Circuit Ampacity(1) 11.8 17.4 17.5 19.2
Maximum Overcurrent Device(2) 20 30 30 30
Electrical Conduit Size
Power Supply (Inches) 1/2 or 3/4 1/2 or 3/4 1/2 or 3/4 1/2 or 3/4
Approximate Shipping Weight 178 178 195 199
ASX140421A* ASX140481
AA/AB/AC ASX140481
AD/B
*
ASX140601A*
ASX140601B*
Cooling Capacity, BTUH 42,000 48,000 48,000 60,000
Compressor
R.L. Amps 17.9 19.8 19.8 26.4
L.R. Amps 112.0 109.0 109.0 134.0
Low Pressure Switch
Open
Close
22 PSIG
50 PSIG
22 PSIG
50 PSIG
22 PSIG
50 PSIG
22 PSIG
50 PSIG
High Pressure Switch
Open
Close 610 PSIG
420 PSIG 610 PSIG
420 PSIG 610 PSIG
420 PSIG 610 PSIG
420 PSIG
Condenser Fan Motor
Horsepower 1/4 1/4 1/4 1/4
F.L. Amps 1.6 1.6 1.6 1.6
Liquid Line, Inches O.D.* 3/8" 3/8" 3/8" 3/8"
Suction Line, Inches O.D.* 7/8" 7/8" 7/8" 7/8"
Refrigerant Charge 180.0 186.0 189.0 271.0
Power Supply 208/230-60-1 208/230-60-1 208/230-60-1 208/230-60-1
Minimum Circuit Am
p
acit
y
(1) 24.0 26.4 26.4 34.6
Maximum Overcurrent Device(2) 40 40 40 60
Electrical Conduit Size
Power Supply (Inches) 1/2 or 3/4 1/2 or 3/4 1/2 or 3/4 1/2 or 3/4
Approximate Shipping Weight 207 242 242 280

CONDENSING UNIT SPECIFICATIONS
7
NOTE: This data is provided as a guide, it is important to electrically connect the unit and properly size fuses/
circuit breakers and wires in accordance with all national and/or local electrical codes. Use copper wire only.
ASX140181B* - ASX140361B* / ASX140181C* - ASX140361C*
* Up to 24' in equivalent line length
(1) Wire size should be determined in
accordance with National Electrical
Codes; extensive wire runs will
require larger wire sizes.
(2) Maximum Overcurrent Protection
Device: MUST use Time Delay
Fuses or HACR type Circuit Breaker
of the same size as noted.
ASX140421B* - ASX140421C* / ASX140481C*
ASX140181B*
ASX140181C* ASX140241B*
ASX140241C* ASX140301B*
ASX140301C* ASX140361B*
ASX140361C*
Cooling Capacity, BTUH 18,000 24,000 28,800 34,600
Compressor
R.L. Amps 9.00 13.5 12.8 14.1
L.R. Amps 48.0 58.3 64.0 77.0
Low Pressure Switch
Open
Close
22 PSIG
50 PSIG
22 PSIG
50 PSIG
22 PSIG
50 PSIG
22 PSIG
50 PSIG
High Pressure Switch
Open
Close 610 PSIG
420 PSIG
610 PSIG
420 PSIG
610 PSIG
420 PSIG
610 PSIG
420 PSIG
Condenser Fan Motor
Horsepower 1/6 1/12 1/6 1/6
F.L. Amps 0.9 0.6 0.9 0.9
Liquid Line, Inches O.D.* 3/8" 3/8" 3/8" 3/8"
Suction Line, Inches O.D.* 3/4" 3/4" 3/4" 7/8"
Refrigerant Charge 73.0 91.0 96.0 101.0
Power Supply 208/230-60-1 208/230-60-1 208/230-60-1 208/230-60-1
Minimum Circuit Ampacity(1) 12.2 17.5 16.9 18.5
Maximum Overcurrent Device(2) 20 30 30 30
Electrical Conduit Size
Power Supply (Inches) 1/2 or 3/4 1/2 or 3/4 1/2 or 3/4 1/2 or 3/4
Approximate Shipping Weight 146 156 172 172
ASX140421B* ASX140421C* ASX140481C*
Cooling Capacity, BTUH 40,000 40,000 46,000
Compressor
R.L. Amps 17.9 16.7 19.9
L.R. Amps 112.079.0109.0
Low Pressure Switch
Open
Close
22 PSIG
50 PSIG
22 PSIG
50 PSIG
22 PSIG
50 PSIG
High Pressure Switch
Open
Close
610 PSIG
420 PSIG
610 PSIG
420 PSIG
610 PSIG
420 PSIG
Condenser Fan Motor
Horsepower 1/6 1/6 1/4
F.L. Amps 1.0 0.9 1.5
Liquid Line, Inches O.D.* 3/8" 3/8" 3/8"
Suction Line, Inches O.D.* 7/8" 7/8" 7/8"
Refrigerant Charge 167.0 140.0 147.0
Power Supply 208/230-60-1 208/230-60-1 208/230-60-1
Minimum Circuit Am
p
acit
y
(1) 23.4 21.8 26.4
Maximum Overcurrent Device(2) 40 35 45
Electrical Conduit Size
Power Supply (Inches) 1/2 or 3/4 1/2 or 3/4 1/2 or 3/4
Approximate Shipping Weight 207 184 230

CONDENSING UNIT SPECIFICATIONS
8
NOTE: This data is provided as a guide, it is important to electrically connect the unit and properly size fuses/
circuit breakers and wires in accordance with all national and/or local electrical codes. Use copper wire only.
* Up to 24' in equivalent line length
(1) Wire size should be determined in accordance with National Electrical Codes; extensive wire runs will require larger wire sizes.
(2) Maximum Overcurrent Protection Device: MUST use Time Delay Fuses or HACR type Circuit Breaker of the same size as noted.
ASX140181D* / ASX140421D*
ASX140181D* ASX140421D*
Cooling Capacity, BTUH 18,000 40,000
Compressor
R.L. Amps 9.00 16.7
L.R. Amps 48.0 79.0
Low Pressure Switch
Open
Close
N/A
N/A
22 PSIG
50 PSIG
High Pressure Switch
Open
Close 610 PSIG
420 PSIG
610 PSIG
420 PSIG
Condenser Fan Motor
Horsepower 1/8 1/6
F.L. Amps 0.7 0.9
Liquid Line, Inches O.D.* 3/8" 3/8"
Suction Line, Inches O.D.* 3/4" 7/8"
Refrigerant Charge 73.0 140.0
Power Supply 208/230-60-1 208/230-60-1
Minimum Circuit Ampacity(1 ) 12 21.8
Maximum Overcurrent Device(2) 20 35
Electrical Conduit Size
Power Supply (Inches) 1/2 or 3/4 1/2 or 3/4
Approximate Shipping Weight 146 184

9
COOLING PERFORMANCE DATA ASX140181A*
EXPANDED PERFORMANCE DATA COOLING OPERATION
MODEL: ASX140181A* / CA*F3131B6A* + TXV Outdoor Ambient Temperature
65 75 85 95 105 115
Entering Indoor Wet Bulb Tem perature
IDB*Airflow 59636771596367715963677159 63 67715963677159636771
MBh 17.6 18.3 20.0 - 17.2 17.9 19.6 - 16.8 17.4 19.1 - 16.4 17.0 18.6 - 15.6 16.2 17.7 - 14.4 15.0 16.4 -
S/T 0.71 0.59 0.41 - 0.74 0.62 0.43 - 0.76 0.63 0.44 - 0.78 0.65 0.45 - 0.81 0.68 0.47 - 0.82 0.68 0.47 -
Delta T 17 15 11 - 17 15 11 - 17 15 11 - 17 15 11 - 17 15 11 - 16 14 11 -
676 KW 1.27 1.30 1.33 - 1.36 1.39 1.43 - 1.44 1.47 1.51 - 1.51 1.54 1.59 - 1.57 1.60 1.65 - 1.62 1.65 1.70 -
AMPS 4.4 4.5 4.6 - 4.7 4.8 5.0 - 5.1 5.2 5.4 - 5.5 5.6 5.8 - 5.8 5.9 6.1 - 6.1 6.3 6.5 -
HI PR 226 243 246 - 255 274 278 - 290 312 316 - 330 355 360 - 372 400 405 - 416 448 454 -
LO PR 116 120 131 - 119 123 135 - 124 127 139 - 127 131 143 - 129 133 146 - 133 137 149 -
MBh 17.1 17.7 19.4 - 16.7 17.3 19.0 - 16.3 16.9 18.5 - 15.9 16.5 18.1 - 15.1 15.7 17.2 - 14.0 14.5 15.9 -
S/T 0.68 0.57 0.39 - 0.70 0.59 0.41 - 0.72 0.60 0.42 - 0.74 0.62 0.43 - 0.77 0.65 0.45 - 0.78 0.65 0.45 -
Delta T 18 15 12 - 18 16 12 - 18 16 12 - 18 16 12 - 18 15 12 - 17 14 11 -
70 601 KW 1.26 1.29 1.32 - 1.35 1.38 1.42 - 1.43 1.46 1.50 - 1.50 1.53 1.57 - 1.55 1.59 1.63 - 1.60 1.64 1.69 -
AMPS 4.3 4.4 4.6 - 4.7 4.8 4.9 - 5.1 5.2 5.4 - 5.4 5.5 5.7 - 5.7 5.9 6.1 - 6.1 6.2 6.4 -
HI PR 223 240 244 - 253 272 275 - 287 309 313 - 327 352 357 - 368 396 401 - 412 443 450 -
LO PR 115 119 129 - 118 122 133 - 122 126 138 - 126 130 141 - 128 132 144 - 131 135 148 -
MBh 15.8 16.4 17.9 - 15.4 16.0 17.5 - 15.1 15.6 17.1 - 14.7 15.2 16.7 - 14.0 14.5 15.9 - 12.9 13.4 14.7 -
S/T 0.65 0.55 0.38 - 0.68 0.57 0.39 - 0.70 0.58 0.40 - 0.72 0.60 0.42 - 0.75 0.62 0.43 - 0.75 0.63 0.43 -
Delta T 18 16 12 - 18 16 12 - 18 16 12 - 18 16 12 - 18 16 12 - 17 15 11 -
526 KW 1.25 1.28 1.31 - 1.34 1.37 1.41 - 1.42 1.45 1.49 - 1.49 1.52 1.56 - 1.54 1.57 1.62 - 1.59 1.62 1.67 -
AMPS 4.3 4.4 4.5 - 4.6 4.7 4.9 - 5.0 5.1 5.3 - 5.4 5.5 5.7 - 5.7 5.8 6.0 - 6.0 6.2 6.4 -
HI PR 221 238 241 - 250 269 273 - 284 306 310 - 324 348 353 - 364 392 397 - 408 439 445 -
LO PR 114 117 128 - 117 121 132 - 121 125 136 - 124 128 140 - 127 131 143 - 130 134 146 -
MBh 17.9 18.5 20.0 21.5 17.5 18.0 19.5 21.0 17.1 17.6 19.1 20.5 16.7 17.2 18.6 20.0 15.9 16.3 17.7 19.0 14.7 15.1 16.4 17.6
S/T 0.81 0.72 0.55 0.35 0.84 0.75 0.57 0.37 0.86 0.77 0.58 0.37 0.89 0.79 0.60 0.39 0.92 0.82 0.62 0.40 0.93 0.83 0.63 0.40
Delta T20181510201815102018151020 19 15 10 20 18 15 10 19 17 14 10
676 KW 1.27 1.30 1.33 1.37 1.36 1.39 1.43 1.47 1.44 1.47 1.51 1.56 1.51 1.54 1.59 1.63 1.57 1.60 1.65 1.70 1.62 1.65 1.70 1.76
AMPS 4.4 4.5 4.6 4.8 4.7 4.8 5.0 5.2 5.1 5.2 5.4 5.6 5.5 5.6 5.8 6.0 5.8 5.9 6.1 6.4 6.1 6.3 6.5 6.7
HI PR 226 243 246 252 255 274 278 284 290 312 316 323 330 355 360 368 372 400 405 414 416 448 454 464
LO PR 116 120 131 139 119 123 135 143 124 127 139 148 127 131 143 152 129 133 146 155 133 137 149 159
MBh 17.4 17.9 19.4 20.8 17.0 17.5 19.0 20.3 16.6 17.1 18.5 19.9 16.2 16.7 18.1 19.4 15.4 15.8 17.2 18.4 14.3 14.7 15.9 17.1
S/T 0.77 0.69 0.52 0.34 0.80 0.72 0.54 0.35 0.82 0.73 0.56 0.36 0.85 0.76 0.57 0.37 0.88 0.79 0.59 0.38 0.89 0.79 0.60 0.39
Delta T21191611211916112119161121 19 16 11 21 19 16 11 19 18 15 10
75 601 KW 1.26 1.29 1.32 1.36 1.35 1.38 1.42 1.46 1.43 1.46 1.50 1.55 1.50 1.53 1.57 1.62 1.55 1.59 1.63 1.69 1.60 1.64 1.69 1.74
AMPS 4.3 4.4 4.6 4.7 4.7 4.8 4.9 5.1 5.1 5.2 5.4 5.6 5.4 5.5 5.7 5.9 5.7 5.9 6.1 6.3 6.1 6.2 6.4 6.7
HI PR 223 240 244 249 253 272 275 282 287 309 313 320 327 352 357 365 368 396 401 410 412 443 450 459
LO PR 115 119 129 138 118 122 133 142 122 126 138 147 126 130 141 151 128 132 144 154 131 135 148 157
MBh 16.1 16.5 17.9 19.2 15.7 16.2 17.5 18.8 15.3 15.8 17.1 18.3 15.0 15.4 16.7 17.9 14.2 14.6 15.8 17.0 13.2 13.5 14.7 15.7
S/T 0.74 0.67 0.50 0.32 0.77 0.69 0.52 0.34 0.79 0.71 0.54 0.34 0.82 0.73 0.55 0.36 0.85 0.76 0.57 0.37 0.85 0.76 0.58 0.37
Delta T21191611211916112120161121 20 16 11 21 19 16 11 20 18 15 10
526 KW 1.25 1.28 1.31 1.35 1.34 1.37 1.41 1.45 1.42 1.45 1.49 1.53 1.49 1.52 1.56 1.61 1.54 1.57 1.62 1.67 1.59 1.62 1.67 1.73
AMPS 4.3 4.4 4.5 4.7 4.6 4.7 4.9 5.1 5.0 5.1 5.3 5.5 5.4 5.5 5.7 5.9 5.7 5.8 6.0 6.3 6.0 6.2 6.4 6.6
HI PR 221 238 241 247 250 269 273 279 284 306 310 317 324 348 353 361 364 392 397 406 408 439 445 455
LO PR 114 117 128 136 117 121 132 140 121 125 136 145 124 128 140 149 127 131 143 152 130 134 146 156
* Entering Indoor Dry Bulb Temperature NOTE: Shaded area is ACCA (TVA) conditions

10
COOLING PERFORMANCE DATA ASX140181A*
EXPANDED PERFORMANCE DATA COOLING OPERATION
MODEL: ASX140181A* / CA*F3131B6A* + TXV Outdoor Ambient Temperature
65 75 85 95 105 115
Entering Indoor Wet Bulb Tem perature
IDB*Airflow 59636771596367715963677159 63 67715963677159636771
MBh 18.3 18.7 19.9 21.3 17.8 18.2 19.5 20.8 17.4 17.8 19.0 20.3 17.0 17.4 18.5 19.8 16.1 16.5 17.6 18.8 14.9 15.3 16.3 17.4
S/T 0.89 0.83 0.68 0.51 0.92 0.86 0.70 0.52 0.94 0.88 0.72 0.54 1.00 0.91 0.74 0.56 1.00 0.95 0.77 0.58 1.00 0.96 0.78 0.58
Delta T22211815222119152221191523 22 19152221181520201714
676 KW 1.27 1.30 1.33 1.37 1.36 1.39 1.43 1.47 1.44 1.47 1.51 1.56 1.51 1.54 1.59 1.63 1.57 1.60 1.65 1.70 1.62 1.65 1.70 1.76
AMPS 4.4 4.5 4.6 4.8 4.7 4.8 5.0 5.2 5.1 5.2 5.4 5.6 5.5 5.6 5.8 6.0 5.8 5.9 6.1 6.4 6.1 6.3 6.5 6.7
HI PR 226 243 246 252 255 274 278 284 290 312 316 323 330 355 360 368 372 400 405 414 416 448 454 464
LO PR 116 120 131 139 119 123 135 143 124 127 139 148 127 131 143 152 129 133 146 155 133 137 149 159
MBh 17.7 18.1 19.4 20.7 17.3 17.7 18.9 20.2 16.9 17.3 18.5 19.7 16.5 16.8 18.0 19.215.716.017.118.314.514.815.816.9
S/T 0.85 0.79 0.65 0.48 0.88 0.82 0.67 0.50 0.90 0.84 0.69 0.51 0.93 0.87 0.71 0.53 0.96 0.90 0.74 0.55 0.97 0.91 0.74 0.55
Delta T23221915232219152322191523 22 20 16 23 22 19 15 22 21 18 14
80 601 KW 1.26 1.29 1.32 1.36 1.35 1.38 1.42 1.46 1.43 1.46 1.50 1.55 1.50 1.53 1.57 1.62 1.55 1.59 1.63 1.69 1.60 1.64 1.69 1.74
AMPS 4.3 4.4 4.6 4.7 4.7 4.8 4.9 5.1 5.1 5.2 5.4 5.6 5.4 5.5 5.7 5.9 5.7 5.9 6.1 6.3 6.1 6.2 6.4 6.7
HI PR 223 240 244 249 253 272 275 282 287 309 313 320 327 352 357 365 368 396 401 410 412 443 450 459
LO PR 115 119 129 138 118 122 133 142 122 126 138 147 126 130 141 151 128 132 144 154 131 135 148 157
MBh 16.4 16.7 17.9 19.1 16.0 16.3 17.4 18.6 15.6 15.9 17.0 18.2 15.2 15.6 16.6 17.8 14.5 14.8 15.8 16.9 13.4 13.7 14.6 15.6
S/T 0.82 0.77 0.62 0.47 0.85 0.79 0.65 0.48 0.87 0.81 0.66 0.49 0.90 0.84 0.68 0.51 0.93 0.87 0.71 0.53 0.94 0.88 0.72 0.53
Delta T23221916242320162423201624 23 20162323201622211815
526 KW 1.25 1.28 1.31 1.35 1.34 1.37 1.41 1.45 1.42 1.45 1.49 1.53 1.49 1.52 1.56 1.61 1.54 1.57 1.62 1.67 1.59 1.62 1.67 1.73
AMPS 4.3 4.4 4.5 4.7 4.6 4.7 4.9 5.1 5.0 5.1 5.3 5.5 5.4 5.5 5.7 5.9 5.7 5.8 6.0 6.3 6.0 6.2 6.4 6.6
HI PR 221 238 241 247 250 269 273 279 284 306 310 317 324 348 353 361 364 392 397 406 408 439 445 455
LO PR 114 117 128 136 117 121 132 140 121 125 136 145 124 128 140 149 127 131 143 152 130 134 146 156
MBh 18.6 18.9 19.8 21.2 18.1 18.5 19.4 20.7 17.7 18.1 18.9 20.2 17.3 17.6 18.4 19.7 16.4 16.7 17.5 18.7 15.2 15.5 16.2 17.3
S/T 0.93 0.90 0.81 0.66 0.96 0.93 0.84 0.68 0.99 0.95 0.86 0.70 1.00 0.98 0.89 0.72 1.00 1.00 0.92 0.75 1.00 1.00 0.93 0.75
Delta T24232219242322192423221923 24 22192223221921212118
676 KW 1.27 1.30 1.33 1.37 1.36 1.39 1.43 1.47 1.44 1.47 1.51 1.56 1.51 1.54 1.59 1.63 1.57 1.60 1.65 1.70 1.62 1.65 1.70 1.76
AMPS 4.4 4.5 4.6 4.8 4.7 4.8 5.0 5.2 5.1 5.2 5.4 5.6 5.5 5.6 5.8 6.0 5.8 5.9 6.1 6.4 6.1 6.3 6.5 6.7
HI PR 226 243 246 252 255 274 278 284 290 312 316 323 330 355 360 368 372 400 405 414 416 448 454 464
LO PR 116 120 131 139 119 123 135 143 124 127 139 148 127 131 143 152 129 133 146 155 133 137 149 159
MBh 18.0 18.4 19.3 20.5 17.6 18.0 18.8 20.1 17.2 17.5 18.4 19.6 16.8 17.1 17.9 19.1 15.9 16.2 17.0 18.2 14.8 15.0 15.8 16.8
S/T 0.89 0.86 0.77 0.63 0.92 0.89 0.80 0.65 0.94 0.91 0.82 0.67 0.97 0.94 0.85 0.69 1.00 0.97 0.88 0.71 1.00 0.98 0.89 0.72
Delta T24242320252423202524232025 25 23202424232023232119
85 601 KW 1.26 1.29 1.32 1.36 1.35 1.38 1.42 1.46 1.43 1.46 1.50 1.55 1.50 1.53 1.57 1.62 1.55 1.59 1.63 1.69 1.60 1.64 1.69 1.74
AMPS 4.3 4.4 4.6 4.7 4.7 4.8 4.9 5.1 5.1 5.2 5.4 5.6 5.4 5.5 5.7 5.9 5.7 5.9 6.1 6.3 6.1 6.2 6.4 6.7
HI PR 223 240 244 249 253 272 275 282 287 309 313 320 327 352 357 365 368 396 401 410 412 443 450 459
LO PR 115 119 129 138 118 122 133 142 122 126 138 147 126 130 141 151 128 132 144 154 131 135 148 157
MBh 16.6 17.0 17.8 19.0 16.3 16.6 17.4 18.5 15.9 16.2 16.9 18.1 15.5 15.8 16.5 17.6 14.7 15.0 15.7 16.8 13.6 13.9 14.5 15.5
S/T 0.86 0.83 0.75 0.60 0.89 0.86 0.77 0.63 0.91 0.88 0.79 0.64 0.94 0.91 0.82 0.66 0.97 0.94 0.85 0.69 0.98 0.95 0.86 0.69
Delta T25242320252523202525232025 25 24202525232023232219
526 KW 1.25 1.28 1.31 1.35 1.34 1.37 1.41 1.45 1.42 1.45 1.49 1.53 1.49 1.52 1.56 1.61 1.54 1.57 1.62 1.67 1.59 1.62 1.67 1.73
AMPS 4.3 4.4 4.5 4.7 4.6 4.7 4.9 5.1 5.0 5.1 5.3 5.5 5.4 5.5 5.7 5.9 5.7 5.8 6.0 6.3 6.0 6.2 6.4 6.6
HI PR 221 238 241 247 250 269 273 279 284 306 310 317 324 348 353 361 364 392 397 406 408 439 445 455
LO PR 114 117 128 136 117 121 132 140 121 125 136 145 124 128 140 149 127 131 143 152 130 134 146 156
* Entering Indoor Dry Bulb Temperature NOTE: Shaded area is ARI Rating Conditions

11
COOLING PERFORMANCE DATA ASX140181B* / C* / D*
EXPANDED PERFORMANCE DATA COOLING OPERATION
MODEL: ASX140181B*/CA*F3636*6C* Outdoor Ambient Temperature
65 75 85 95 105 115
Entering Indoor Wet Bulb Temperature
IDB*Airflow 59636771596367715963677159 63 67 715963677159636771
MBh 16.7 17.3 18.9 - 16.3 16.9 18.5 - 15.9 16.5 18.1 - 15.5 16.1 17.6 - 14.7 15.3 16.7 - 13.7 14.2 15.5 -
S/T 0.67 0.56 0.38 - 0.69 0.58 0.40 - 0.71 0.59 0.41 - 0.73 0.61 0.42 - 0.76 0.63 0.44 - 0.76 0.64 0.44 -
Delta T 19 17 13 - 20 17 13 - 20 17 13 - 20 17 13 - 20 17 13 - 18 16 12 -
525 KW 2.00 2.03 2.08 - 2.11 2.14 2.19 - 2.20 2.24 2.29 - 2.29 2.33 2.38 - 2.36 2.40 2.46 - 2.42 2.46 2.53 -
AMPS 4.5 4.6 4.7 - 4.8 4.9 5.1 - 5.2 5.3 5.5 - 5.5 5.7 5.8 - 5.9 6.0 6.2 - 6.2 6.3 6.5 -
HI PR 208 224 237 - 234 252 266 - 266 286 302 - 303 326 344 - 341 367 387 - 377 405 428 -
LO PR 104 111 121 - 110 117 128 - 115 122 133 - 120 128 140 - 126 134 146 - 130 139 151 -
MBh 18.1 18.7 20.5 - 17.7 18.3 20.0 - 17.2 17.9 19.6 - 16.8 17.4 19.1 - 16.0 16.6 18.1 - 14.8 15.3 16.8 -
S/T 0.69 0.58 0.40 - 0.71 0.60 0.41 - 0.73 0.61 0.42 - 0.76 0.63 0.44 - 0.79 0.66 0.45 - 0.79 0.66 0.46 -
Delta T 19 17 13 - 19 17 13 - 19 17 13 - 19 17 13 - 19 17 13 - 18 16 12 -
70 600 KW 2.03 2.07 2.11 - 2.15 2.18 2.23 - 2.25 2.28 2.34 - 2.33 2.37 2.43 - 2.41 2.45 2.51 - 2.47 2.51 2.58 -
AMPS 4.6 4.7 4.8 - 4.9 5.0 5.2 - 5.3 5.4 5.6 - 5.7 5.8 6.0 - 6.0 6.2 6.4 - 6.4 6.5 6.7 -
HI PR 215 231 244 - 241 260 274 - 274 295 312 - 312 336 355 - 351 378 399 - 388 418 441 -
LO PR 108 114 125 - 114 121 132 - 118 126 137 - 124 132 144 - 130 138 151 - 134 143 156 -
MBh 18.6 19.3 21.1 - 18.2 18.8 20.7 - 17.8 18.4 20.2 - 17.3 18.0 19.7 - 16.5 17.1 18.7 - 15.2 15.8 17.3 -
S/T 0.72 0.60 0.42 - 0.75 0.63 0.43 - 0.77 0.64 0.44 - 0.79 0.66 0.46 - 0.82 0.69 0.48 - 0.83 0.69 0.48 -
Delta T 18 16 12 - 19 16 12 - 19 16 12 - 19 16 12 - 18 16 12 - 17 15 11 -
675 KW 2.05 2.08 2.12 - 2.16 2.19 2.25 - 2.26 2.30 2.35 - 2.35 2.39 2.45 - 2.42 2.46 2.53 - 2.49 2.53 2.59 -
AMPS 4.6 4.7 4.9 - 5.0 5.1 5.2 - 5.4 5.5 5.7 - 5.7 5.9 6.0 - 6.1 6.2 6.4 - 6.4 6.6 6.8 -
HI PR 217 234 247 - 244 262 277 - 277 298 315 - 315 340 359 - 355 382 403 - 392 422 446 -
LO PR 109 116 126 - 115 122 133 - 119 127 139 - 125 133 146 - 131 140 152 - 136 144 158 -
MBh 17.0 17.5 18.9 20.3 16.6 17.1 18.5 19.8 16.2 16.7 18.0 19.4 15.8 16.3 17.6 18.9 15.0 15.4 16.7 17.9 13.9 14.3 15.5 16.6
S/T 0.76 0.68 0.51 0.33 0.78 0.70 0.53 0.34 0.80 0.72 0.54 0.35 0.83 0.74 0.56 0.36 0.86 0.77 0.58 0.37 0.87 0.78 0.59 0.38
Delta T22211712232117122321171223 21 17 12 23 21 17 12 21 19 16 11
525 KW 2.01 2.04 2.09 2.14 2.12 2.15 2.20 2.26 2.22 2.25 2.31 2.37 2.30 2.34 2.40 2.46 2.38 2.42 2.48 2.54 2.44 2.48 2.54 2.61
AMPS4.54.64.74.94.84.95.15.35.25.45.55.75.6 5.7 5.9 6.1 5.9 6.1 6.2 6.5 6.3 6.4 6.6 6.8
HI PR 211 227 239 250 236 254 269 280 269 289 305 319 306 329 348 363 344 371 391 408 380 409 432 451
LO PR 105 112 122 130 111 118 129 138 116 123 134 143 122 129 141 150 127 136 148 158 132 140 153 163
MBh 18.4 18.9 20.5 22.0 18.0 18.5 20.0 21.5 17.5 18.0 19.5 21.0 17.1 17.6 19.1 20.5 16.2 16.7 18.1 19.4 15.0 15.5 16.8 18.0
S/T 0.78 0.70 0.53 0.34 0.81 0.73 0.55 0.35 0.83 0.75 0.56 0.36 0.86 0.77 0.58 0.37 0.89 0.80 0.60 0.39 0.90 0.81 0.61 0.39
Delta T22201712222117122221171223 21 17 12 22 20 17 12 21 19 16 11
75 600 KW 2.05 2.08 2.12 2.17 2.16 2.19 2.25 2.30 2.26 2.30 2.35 2.41 2.35 2.39 2.45 2.51 2.42 2.46 2.53 2.59 2.49 2.53 2.60 2.66
AMPS4.64.74.95.05.05.15.25.45.45.55.75.95.7 5.9 6.0 6.3 6.1 6.2 6.4 6.7 6.4 6.6 6.8 7.0
HI PR 217 234 247 257 244 262 277 289 277 298 315 328 316 340 359 374 355 382 403 421 392 422 446 465
LO PR 109 116 126 134 115 122 133 142 119 127 139 148 125 133 146 155 131 140 153 162 136 145 158 168
MBh 18.9 19.5 21.1 22.6 18.5 19.0 20.6 22.1 18.1 18.6 20.1 21.6 17.6 18.1 19.6 21.1 16.7 17.2 18.6 20.0 15.5 16.0 17.3 18.5
S/T 0.82 0.74 0.56 0.36 0.85 0.76 0.58 0.37 0.87 0.78 0.59 0.38 0.90 0.81 0.61 0.39 0.94 0.84 0.63 0.41 0.94 0.84 0.64 0.41
Delta T21201611212016112120161122 20 16 11 21 20 16 11 20 18 15 10
675 KW 2.06 2.09 2.14 2.19 2.17 2.21 2.26 2.31 2.27 2.31 2.37 2.43 2.36 2.40 2.46 2.53 2.44 2.48 2.54 2.61 2.50 2.55 2.61 2.68
AMPS4.74.84.95.15.05.15.35.55.45.55.75.95.8 5.9 6.1 6.3 6.1 6.3 6.5 6.7 6.5 6.6 6.8 7.1
HI PR 219 236 249 260 246 265 280 292 280 301 318 332 319 343 362 378 359 386 407 425 396 426 450 470
LO PR 110 117 127 136 116 123 135 143 120 128 140 149 127 135 147 157 133 141 154 164 137 146 159 170
* Entering Indoor Dry Bulb Temperature NOTE: Shaded area is ACCA (TVA) conditions

12
COOLING PERFORMANCE DATA ASX140181B* / C* / D*
EXPANDED PERFORMANCE DATA COOLING OPERATION
MODEL: ASX140181B*/CA*F3636*6C* Outdoor Ambient Temperature
65 75 85 95 105 115
Entering Indoor Wet Bulb Temperature
IDB*Airflow 59636771596367715963677159 63 67 715963677159636771
MBh 17.3 17.6 18.9 20.2 16.9 17.2 18.4 19.7 16.5 16.8 18.0 19.2 16.1 16.4 17.5 18.7 15.3 15.6 16.7 17.8 14.1 14.4 15.4 16.5
S/T 0.83 0.78 0.63 0.47 0.86 0.81 0.66 0.49 0.88 0.83 0.67 0.50 0.91 0.85 0.69 0.52 0.94 0.89 0.72 0.54 0.95 0.89 0.73 0.54
Delta T25242117252421172524211726 25 21 172524211724232016
525 KW 2.02 2.05 2.10 2.15 2.13 2.17 2.22 2.27 2.23 2.27 2.32 2.38 2.32 2.36 2.41 2.48 2.39 2.43 2.49 2.56 2.45 2.50 2.56 2.63
AMPS 4.5 4.6 4.8 4.9 4.9 5.0 5.1 5.3 5.3 5.4 5.6 5.8 5.6 5.8 5.9 6.2 6.0 6.1 6.3 6.5 6.3 6.5 6.7 6.9
HI PR 213 229 242 252 239 257 271 283 271 292 308 322 309 333 351 366 348 374 395 412 384 414 437 455
LO PR 106 113 124 132 112 120 131 139 117 124 136 145 123 131 143 152 129 137 149 159 133 142 155 165
MBh 18.7 19.1 20.4 21.8 18.3 18.7 20.0 21.3 17.8 18.2 19.5 20.8 17.4 17.8 19.0 20.3 16.5 16.9 18.1 19.3 15.3 15.6 16.7 17.9
S/T 0.86 0.81 0.66 0.49 0.89 0.84 0.68 0.51 0.91 0.86 0.70 0.52 0.94 0.88 0.72 0.540.980.920.750.560.990.930.750.56
Delta T25242116252421172524211725 24 21 17 25 24 21 17 23 22 19 15
80 600 KW 2.06 2.09 2.14 2.19 2.17 2.21 2.26 2.31 2.27 2.31 2.37 2.43 2.36 2.40 2.46 2.532.442.482.542.612.502.552.612.68
AMPS4.74.84.95.15.05.15.35.55.45.55.75.95.8 5.9 6.1 6.3 6.1 6.3 6.5 6.7 6.5 6.6 6.9 7.1
HI PR 219 236 249 260 246 265 280 292 280 301 318 332 319 343 362 378 359 386 407 425 396 426 450 470
LO PR 110 117 127 136 116 123 135 143 120 128 140 149 127 135 147 157 133 141 154 164 137 146 159 170
MBh 19.3 19.7 21.0 22.5 18.8 19.2 20.5 22.0 18.4 18.8 20.1 21.4 17.9 18.3 19.6 20.9 17.0 17.4 18.6 19.9 15.8 16.1 17.2 18.4
S/T 0.90 0.85 0.69 0.51 0.93 0.88 0.71 0.53 0.96 0.90 0.73 0.55 1.00 0.93 0.75 0.56 1.00 0.96 0.78 0.59 1.00 0.97 0.79 0.59
Delta T24232016242320162423201624 23 20 162323201621211915
675 KW 2.07 2.10 2.15 2.20 2.19 2.22 2.27 2.33 2.29 2.32 2.38 2.44 2.38 2.42 2.48 2.54 2.45 2.50 2.56 2.63 2.52 2.56 2.63 2.70
AMPS 4.7 4.8 4.9 5.1 5.1 5.2 5.3 5.5 5.5 5.6 5.8 6.0 5.8 6.0 6.2 6.4 6.2 6.3 6.5 6.8 6.5 6.7 6.9 7.2
HI PR 221 238 252 263 249 267 282 295 283 304 321 335 322 346 366 382 362 390 412 429 400 431 455 474
LO PR 111 118 129 137 117 125 136 145 122 129 141 151 128 136 148 158 134 143 156 166 139 147 161 171
MBh 17.6 17.9 18.8 20.0 17.2 17.5 18.3 19.5 16.8 17.1 17.9 19.1 16.3 16.7 17.4 18.6 15.5 15.8 16.6 17.7 14.4 14.7 15.4 16.4
S/T 0.87 0.84 0.76 0.61 0.90 0.87 0.78 0.64 0.92 0.89 0.80 0.65 0.95 0.92 0.83 0.67 0.99 0.95 0.86 0.70 1.00 0.96 0.87 0.71
Delta T27262522272725222727252227 27 25 222726252225252320
525 KW 2.03 2.06 2.11 2.16 2.15 2.18 2.23 2.29 2.24 2.28 2.34 2.40 2.33 2.37 2.43 2.49 2.41 2.45 2.51 2.57 2.47 2.51 2.58 2.65
AMPS 4.6 4.7 4.8 5.0 4.9 5.0 5.2 5.4 5.3 5.4 5.6 5.8 5.7 5.8 6.0 6.2 6.0 6.2 6.4 6.6 6.4 6.5 6.7 7.0
HI PR 215 231 244 255 241 259 274 286 274 295 312 325 312 336 355 370 351 378 399 416 388 418 441 460
LO PR 108 114 125 133 114 121 132 140 118 126 137 146 124 132 144 153 130 138 151 161 134 143 156 166
MBh 19.0 19.4 20.3 21.7 18.6 19.0 19.9 21.2 18.2 18.5 19.4 20.7 17.7 18.1 18.9 20.2 16.8 17.1 18.0 19.2 15.6 15.9 16.6 17.7
S/T 0.90 0.87 0.79 0.64 0.93 0.90 0.81 0.66 0.96 0.92 0.83 0.68 0.99 0.95 0.86 0.70 1.00 0.99 0.89 0.73 1.00 1.00 0.90 0.73
Delta T26262421272625212726252127 26 25 222626252124242320
85 600 KW 2.07 2.10 2.15 2.20 2.19 2.22 2.27 2.33 2.29 2.32 2.38 2.44 2.38 2.42 2.48 2.54 2.45 2.50 2.56 2.63 2.52 2.56 2.63 2.70
AMPS 4.7 4.8 4.9 5.1 5.1 5.2 5.3 5.5 5.5 5.6 5.8 6.0 5.8 6.0 6.2 6.4 6.2 6.3 6.5 6.8 6.5 6.7 6.9 7.2
HI PR 221 238 252 263 249 267 282 295 283 304 321 335 322 346 366 382 362 390 412 429 400 431 455 474
LO PR 111 118 129 137 117 125 136 145 122 129 141 151 128 136 148 158 134 143 156 166 139 147 161 171
MBh 19.6 20.0 20.9 22.3 19.2 19.5 20.4 21.8 18.7 19.1 20.0 21.3 18.2 18.6 19.5 20.8 17.3 17.7 18.5 19.7 16.1 16.4 17.1 18.3
S/T 0.95 0.91 0.82 0.67 0.98 0.95 0.85 0.69 1.00 0.97 0.87 0.71 1.00 1.00 0.90 0.73 1.00 1.00 0.94 0.76 1.00 1.00 0.94 0.77
Delta T25252320262524212525242125 25 24 212424242022222219
675 KW 2.08 2.11 2.16 2.21 2.20 2.23 2.29 2.34 2.30 2.34 2.40 2.46 2.39 2.43 2.49 2.56 2.47 2.51 2.58 2.64 2.54 2.58 2.65 2.72
AMPS 4.7 4.8 5.0 5.2 5.1 5.2 5.4 5.6 5.5 5.6 5.8 6.0 5.9 6.0 6.2 6.4 6.2 6.4 6.6 6.8 6.6 6.8 7.0 7.2
HI PR 224 241 254 265 251 270 285 298 285 307 324 338 325 350 369 385 366 394 416 434 404 435 459 479
LO PR 112 119 130 138 118 126 137 146 123 131 143 152 129 137 150 160 135 144 157 167 140 149 163 173
* Entering Indoor Dry Bulb Temperature NOTE: Shaded area is AHRI Rating Conditions

13
COOLING PERFORMANCE DATA ASX140241A*
EXPANDED PERFORMANCE DATA COOLING OPERATION
MODEL: ASX140241A* / CA*F3636B6A* / .057 Orifice Outdoor Ambient Temperature
65 75 85 95 105 115
Entering Indoor Wet Bulb Temperature
IDB*Airflow 59636771596367715963677159 63 67715963677159636771
MBh 23.5 24.4 26.7 - 23.0 23.8 26.1 - 22.4 23.2 25.5 - 21.9 22.7 24.8 - 20.8 21.5 23.6 - 19.3 20.0 21.9 -
S/T 0.73 0.61 0.42 - 0.76 0.63 0.44 - 0.78 0.65 0.45 - 0.80 0.67 0.46 - 0.83 0.70 0.48 - 0.84 0.70 0.49 -
Delta T 18 15 12 - 18 15 12 - 18 15 12 - 18 16 12 - 18 15 12 - 17 14 11 -
900 KW 1.63 1.66 1.71 - 1.75 1.78 1.84 - 1.85 1.89 1.95 - 1.94 1.98 2.04 - 2.02 2.06 2.13 - 2.09 2.13 2.20 -
AMPS 5.7 5.8 6.0 - 6.1 6.3 6.5 - 6.7 6.8 7.1 - 7.1 7.3 7.5 - 7.6 7.8 8.0 - 8.0 8.3 8.5 -
HI PR 242 260 264 - 273 294 298 - 311 334 339 - 354 381 386 - 398 428 434 - 446 480 486 -
LO PR 119 123 134 - 123 127 138 - 127 131 143 - 130 135 147 - 133 137 150 - 136 141 154 -
MBh 22.8 23.7 25.9 - 22.3 23.1 25.3 - 21.8 22.6 24.7 - 21.2 22.0 24.1 - 20.2 20.9 22.9 - 18.7 19.4 21.2 -
S/T 0.70 0.58 0.40 - 0.72 0.60 0.42 - 0.74 0.62 0.43 - 0.77 0.64 0.44 - 0.80 0.66 0.46 - 0.80 0.67 0.46 -
Delta T 18 16 12 - 19 16 12 - 19 16 12 - 19 16 12 - 18 16 12 - 17 15 11 -
70 800 KW 1.62 1.65 1.70 - 1.74 1.77 1.82 - 1.84 1.87 1.93 - 1.93 1.97 2.03 - 2.00 2.05 2.11 - 2.07 2.11 2.18 -
AMPS 5.6 5.7 5.9 - 6.1 6.2 6.4 - 6.6 6.8 7.0 - 7.1 7.2 7.5 - 7.5 7.7 8.0 - 8.0 8.2 8.5 -
HI PR 239 257 261 - 271 291 295 - 308 331 336 - 350 377 382 - 394 424 430 - 442 475 482 -
LO PR 118 122 133 - 122 126 137 - 126 130 142 - 129 133 146 - 132 136 148 - 135 139 152 -
MBh 21.1 21.8 23.9 - 20.6 21.3 23.4 - 20.1 20.8 22.8 - 19.6 20.3 22.3 - 18.6 19.3 21.1 - 17.3 17.9 19.6 -
S/T 0.67 0.56 0.39 - 0.70 0.58 0.40 - 0.72 0.60 0.41 - 0.74 0.62 0.43 - 0.77 0.64 0.44 - 0.77 0.65 0.45 -
Delta T 19 16 12 - 19 16 12 - 19 16 12 - 19 16 12 - 19 16 12 - 18 15 12 -
700 KW 1.61 1.64 1.69 - 1.72 1.76 1.81 - 1.82 1.86 1.92 - 1.91 1.95 2.01 - 1.99 2.03 2.09 - 2.05 2.10 2.16 -
AMPS 5.6 5.7 5.9 - 6.0 6.2 6.4 - 6.5 6.7 6.9 - 7.0 7.2 7.4 - 7.5 7.6 7.9 - 7.9 8.1 8.4 -
HI PR 237 255 258 - 268 288 292 - 305 328 332 - 347 373 378 - 390 420 426 - 437 470 477 -
LO PR 117 121 132 - 120 124 136 - 125 129 140 - 128 132 144 - 130 135 147 - 134 138 151 -
MBh 23.9 24.6 26.7 28.6 23.4 24.1 26.0 27.9 22.8 23.5 25.4 27.3 22.2 22.9 24.8 26.6 21.1 21.8 23.6 25.3 19.6 20.2 21.8 23.4
S/T 0.83 0.74 0.56 0.36 0.86 0.77 0.58 0.38 0.88 0.79 0.60 0.39 0.91 0.82 0.62 0.40 0.95 0.85 0.64 0.41 0.96 0.85 0.65 0.42
Delta T20191511211916112119161121 19 16 11 20 19 15 11 19 18 14 10
900 KW 1.63 1.66 1.71 1.76 1.75 1.78 1.84 1.89 1.85 1.89 1.95 2.01 1.94 1.98 2.04 2.11 2.02 2.06 2.13 2.19 2.09 2.13 2.20 2.27
AMPS 5.7 5.8 6.0 6.2 6.1 6.3 6.5 6.7 6.7 6.8 7.1 7.3 7.1 7.3 7.5 7.8 7.6 7.8 8.0 8.4 8.0 8.3 8.5 8.9
HI PR 242 260 264 269 273 294 298 305 311 334 339 346 354 381 386 394 398 428 434 444 446 480 486 497
LO PR 119 123 134 143 123 127 138 147 127 131 143 152 130 135 147 157 133 137 150 160 136 141 154 164
MBh 23.2 23.9 25.9 27.8 22.7 23.4 25.3 27.1 22.1 22.8 24.7 26.5 21.6 22.2 24.1 25.8 20.5 21.1 22.9 24.5 19.0 19.6 21.2 22.7
S/T 0.79 0.71 0.54 0.35 0.82 0.74 0.56 0.36 0.84 0.75 0.57 0.37 0.87 0.78 0.59 0.38 0.90 0.81 0.61 0.39 0.91 0.82 0.62 0.40
Delta T21201611212016112120161122 20 16 11 21 20 16 11 20 18 15 10
75 800 KW 1.62 1.65 1.70 1.75 1.74 1.77 1.82 1.88 1.84 1.87 1.93 1.99 1.93 1.97 2.03 2.09 2.00 2.05 2.11 2.18 2.07 2.11 2.18 2.25
AMPS 5.6 5.7 5.9 6.2 6.1 6.2 6.4 6.7 6.6 6.8 7.0 7.3 7.1 7.2 7.5 7.8 7.5 7.7 8.0 8.3 8.0 8.2 8.5 8.8
HI PR 239 257 261 267 271 291 295 302 308 331 336 343 350 377 382 391 394 424 430 439 442 475 482 492
LO PR 118 122 133 142 122 126 137 146 126 130 142 151 129 133 146 155 132 136 148 158 135 139 152 162
MBh 21.4 22.1 23.9 25.6 20.9 21.6 23.3 25.0 20.4 21.0 22.8 24.4 19.9 20.5 22.2 23.8 18.9 19.5 21.1 22.7 17.5 18.1 19.6 21.0
S/T 0.77 0.68 0.52 0.33 0.79 0.71 0.54 0.35 0.81 0.73 0.55 0.35 0.84 0.75 0.57 0.37 0.87 0.78 0.59 0.38 0.88 0.79 0.59 0.38
Delta T22201611222016112220161122 20 17 11 22 20 16 11 20 19 15 11
700 KW 1.61 1.64 1.69 1.74 1.72 1.76 1.81 1.86 1.82 1.86 1.92 1.98 1.91 1.95 2.01 2.07 1.99 2.03 2.09 2.16 2.05 2.10 2.16 2.23
AMPS 5.6 5.7 5.9 6.1 6.0 6.2 6.4 6.6 6.5 6.7 6.9 7.2 7.0 7.2 7.4 7.7 7.5 7.6 7.9 8.2 7.9 8.1 8.4 8.7
HI PR 237 255 258 264 268 288 292 298 305 328 332 339 347 373 378 387 390 420 426 435 437 470 477 487
LO PR 117 121 132 140 120 124 136 145 125 129 140 149 128 132 144 153 130 135 147 156 134 138 151 160
* Entering Indoor Dry Bulb Temperature NOTE: Shaded area is ACCA (TVA) conditions

14
COOLING PERFORMANCE DATA ASX140241A*
EXPANDED PERFORMANCE DATA COOLING OPERATION
MODEL: ASX140241A* / CA*F3636B6A* / .057 Orifice Outdoor Ambient Tem perature
65 75 85 95 105 115
Entering Indoor Wet Bulb Temperature
IDB*Airflow 59636771596367715963677159 63 67715963677159636771
MBh 24.3 24.9 26.6 28.4 23.8 24.3 26.0 27.7 23.2 23.7 25.3 27.1 22.6 23.1 24.7 26.4 21.5 22.0 23.5 25.1 19.9 20.4 21.8 23.3
S/T 0.91 0.86 0.70 0.52 0.95 0.89 0.72 0.54 0.97 0.91 0.74 0.55 1.00 0.94 0.76 0.57 1.00 1.00 0.79 0.59 1.00 1.00 0.80 0.60
Delta T23221915232219152322191523 22 19152222191520211814
900 KW 1.63 1.66 1.71 1.76 1.75 1.78 1.84 1.89 1.85 1.89 1.95 2.01 1.94 1.98 2.04 2.11 2.02 2.06 2.13 2.19 2.09 2.13 2.20 2.27
AMPS 5.7 5.8 6.0 6.2 6.1 6.3 6.5 6.7 6.7 6.8 7.1 7.3 7.1 7.3 7.5 7.8 7.6 7.8 8.0 8.4 8.0 8.3 8.5 8.9
HI PR 242 260 264 269 273 294 298 305 311 334 339 346 354 381 386 394 398 428 434 444 446 480 486 497
LO PR 119 123 134 143 123 127 138 147 127 131 143 152 130 135 147 157 133 137 150 160 136 141 154 164
MBh 23.6 24.1 25.8 27.6 23.1 23.6 25.2 26.9 22.5 23.0 24.6 26.3 22.0 22.5 24.0 25.7 20.9 21.3 22.8 24.4 19.3 19.8 21.1 22.6
S/T 0.87 0.82 0.66 0.50 0.90 0.85 0.69 0.51 0.93 0.87 0.71 0.53 0.96 0.90 0.73 0.54 0.99 0.93 0.76 0.57 1.00 0.94 0.76 0.57
Delta T24232016242320162423201624 23 20 16 24 23 20 16 22 21 19 15
80 800 KW 1.62 1.65 1.70 1.75 1.74 1.77 1.82 1.88 1.84 1.87 1.93 1.99 1.93 1.97 2.03 2.09 2.00 2.05 2.11 2.18 2.07 2.11 2.18 2.25
AMPS 5.6 5.7 5.9 6.2 6.1 6.2 6.4 6.7 6.6 6.8 7.0 7.3 7.1 7.2 7.5 7.8 7.5 7.7 8.0 8.3 8.0 8.2 8.5 8.8
HI PR 239 257 261 267 271 291 295 302 308 331 336 343 350 377 382 391 394 424 430 439 442 475 482 492
LO PR 118 122 133 142 122 126 137 146 126 130 142 151 129 133 146 155 132 136 148 158 135 139 152 162
MBh 21.8 22.3 23.8 25.5 21.3 21.8 23.3 24.9 20.8 21.3 22.7 24.3 20.3 20.7 22.2 23.7 19.3 19.7 21.0 22.5 17.9 18.2 19.5 20.8
S/T 0.84 0.79 0.64 0.48 0.87 0.82 0.66 0.50 0.89 0.84 0.68 0.51 0.92 0.86 0.70 0.53 0.96 0.90 0.73 0.55 0.96 0.90 0.74 0.55
Delta T24232016242320162423201625 24 20162423201623221915
700 KW 1.61 1.64 1.69 1.74 1.72 1.76 1.81 1.86 1.82 1.86 1.92 1.98 1.91 1.95 2.01 2.07 1.99 2.03 2.09 2.16 2.05 2.10 2.16 2.23
AMPS 5.6 5.7 5.9 6.1 6.0 6.2 6.4 6.6 6.5 6.7 6.9 7.2 7.0 7.2 7.4 7.7 7.5 7.6 7.9 8.2 7.9 8.1 8.4 8.7
HI PR 237 255 258 264 268 288 292 298 305 328 332 339 347 373 378 387 390 420 426 435 437 470 477 487
LO PR 117 121 132 140 120 124 136 145 125 129 140 149 128 132 144 153 130 135 147 156 134 138 151 160
MBh 24.8 25.2 26.4 28.2 24.2 24.7 25.8 27.6 23.6 24.1 25.2 26.9 23.0 23.5 24.6 26.2 21.9 22.3 23.4 24.9 20.3 20.7 21.6 23.1
S/T 0.96 0.92 0.83 0.68 0.99 0.96 0.86 0.70 1.00 0.98 0.89 0.72 1.00 1.00 0.91 0.74 1.00 1.00 0.95 0.77 1.00 1.00 0.96 0.78
Delta T24242319252423202424232024 24 23202223232021212118
900 KW 1.63 1.66 1.71 1.76 1.75 1.78 1.84 1.89 1.85 1.89 1.95 2.01 1.94 1.98 2.04 2.11 2.02 2.06 2.13 2.19 2.09 2.13 2.20 2.27
AMPS 5.7 5.8 6.0 6.2 6.1 6.3 6.5 6.7 6.7 6.8 7.1 7.3 7.1 7.3 7.5 7.8 7.6 7.8 8.0 8.4 8.0 8.3 8.5 8.9
HI PR 242 260 264 269 273 294 298 305 311 334 339 346 354 381 386 394 398 428 434 444 446 480 486 497
LO PR 119 123 134 143 123 127 138 147 127 131 143 152 130 135 147 157 133 137 150 160 136 141 154 164
MBh 24.0 24.5 25.7 27.4 23.5 23.9 25.1 26.8 22.9 23.4 24.5 26.1 22.4 22.8 23.9 25.5 21.2 21.7 22.7 24.2 19.7 20.1 21.0 22.4
S/T 0.91 0.88 0.79 0.64 0.95 0.91 0.82 0.67 0.97 0.94 0.84 0.69 1.00 0.97 0.87 0.71 1.00 1.00 0.90 0.73 1.00 1.00 0.91 0.74
Delta T25252320262524212625242126 25 24212425242023232219
85 800 KW 1.62 1.65 1.70 1.75 1.74 1.77 1.82 1.88 1.84 1.87 1.93 1.99 1.93 1.97 2.03 2.09 2.00 2.05 2.11 2.18 2.07 2.11 2.18 2.25
AMPS 5.6 5.7 5.9 6.2 6.1 6.2 6.4 6.7 6.6 6.8 7.0 7.3 7.1 7.2 7.5 7.8 7.5 7.7 8.0 8.3 8.0 8.2 8.5 8.8
HI PR 239 257 261 267 271 291 295 302 308 331 336 343 350 377 382 391 394 424 430 439 442 475 482 492
LO PR 118 122 133 142 122 126 137 146 126 130 142 151 129 133 146 155 132 136 148 158 135 139 152 162
MBh 22.2 22.6 23.7 25.3 21.7 22.1 23.1 24.7 21.2 21.6 22.6 24.1 20.6 21.0 22.0 23.5 19.6 20.0 20.9 22.3 18.2 18.5 19.4 20.7
S/T 0.88 0.85 0.77 0.62 0.91 0.88 0.79 0.64 0.94 0.90 0.81 0.66 0.97 0.93 0.84 0.68 1.00 0.97 0.87 0.71 1.00 0.98 0.88 0.71
Delta T26252421262624212626242126 26 24212625242124242219
700 KW 1.61 1.64 1.69 1.74 1.72 1.76 1.81 1.86 1.82 1.86 1.92 1.98 1.91 1.95 2.01 2.07 1.99 2.03 2.09 2.16 2.05 2.10 2.16 2.23
AMPS 5.6 5.7 5.9 6.1 6.0 6.2 6.4 6.6 6.5 6.7 6.9 7.2 7.0 7.2 7.4 7.7 7.5 7.6 7.9 8.2 7.9 8.1 8.4 8.7
HI PR 237 255 258 264 268 288 292 298 305 328 332 339 347 373 378 387 390 420 426 435 437 470 477 487
LO PR 117 121 132 140 120 124 136 145 125 129 140 149 128 132 144 153 130 135 147 156 134 138 151 160
* Entering Indoor Dry Bulb Temperature NOTE: Shaded area is ARI Rating Conditions

15
COOLING PERFORMANCE DATA ASX140241B* / C*
EXPANDED PERFORMANCE DATA COOLING OPERATION
MODEL: ASX140241B* / CA*F3636*6C* Outdoor Ambient Temperature
65 75 85 95 105 115
Entering Indoor Wet Bulb Temperature
IDB*Airflow 59636771596367715963677159 63 67 715963677159636771
MBh 23.4 24.2 26.5 - 22.8 23.7 25.9 - 22.3 23.1 25.3 - 21.7 22.5 24.7 - 20.7 21.4 23.5 - 19.1 19.8 21.7 -
S/T 0.65 0.54 0.37 - 0.67 0.56 0.39 - 0.69 0.57 0.40 - 0.71 0.59 0.41 - 0.74 0.61 0.43 - 0.74 0.62 0.43 -
Delta T 20 17 13 - 20 17 13 - 20 17 13 - 20 18 13 - 20 17 13 - 19 16 12 -
700 KW 1.60 1.63 1.68 - 1.72 1.75 1.81 - 1.82 1.86 1.92 - 1.91 1.95 2.02 - 1.99 2.03 2.10 - 2.06 2.10 2.17 -
AMPS 5.8 6.0 6.2 - 6.3 6.5 6.7 - 6.9 7.0 7.3 - 7.3 7.5 7.8 - 7.8 8.0 8.3 - 8.3 8.5 8.8 -
HI PR 233 250 264 - 261 281 297 - 297 320 337 - 338 364 384 - 380 409 432 - 420 452 478 -
LO PR 105 112 122 - 111 118 129 - 115 123 134 - 121 129 141 - 127 135 147 - 131 140 152 -
MBh 23.6 24.5 26.8 - 23.1 23.9 26.2 - 22.5 23.3 25.6 - 22.0 22.8 24.9 - 20.9 21.6 23.7 - 19.3 20.0 21.9 -
S/T 0.65 0.54 0.38 - 0.68 0.56 0.39 - 0.69 0.58 0.40 - 0.72 0.60 0.41 - 0.74 0.62 0.43 - 0.75 0.63 0.43 -
Delta T 20 17 13 - 20 17 13 - 20 17 13 - 20 17 13 - 20 17 13 - 18 16 12 -
70 725 KW 1.62 1.65 1.70 - 1.74 1.77 1.83 - 1.84 1.88 1.94 - 1.93 1.97 2.04 - 2.01 2.06 2.12 - 2.08 2.13 2.19 -
AMPS 5.9 6.1 6.2 - 6.4 6.5 6.8 - 6.9 7.1 7.3 - 7.4 7.6 7.9 - 7.9 8.1 8.4 - 8.4 8.6 8.9 -
HI PR 236 254 268 - 265 285 301 - 301 324 342 - 343 369 389 - 385 415 438 - 426 458 484 -
LO PR 106 113 123 - 112 119 130 - 117 124 136 - 123 130 142 - 128 137 149 - 133 141 154 -
MBh 24.4 25.3 27.7 - 23.9 24.7 27.1 - 23.3 24.1 26.5 - 22.7 23.6 25.8 - 21.6 22.4 24.5 - 20.0 20.7 22.7 -
S/T 0.69 0.58 0.40 - 0.72 0.60 0.42 - 0.74 0.62 0.43 - 0.76 0.64 0.44 - 0.79 0.66 0.46 - 0.80 0.66 0.46 -
Delta T 17 15 11 - 18 15 12 - 18 15 12 - 18 15 12 - 17 15 11 - 16 14 11 -
900 KW 1.64 1.67 1.72 - 1.76 1.80 1.85 - 1.87 1.91 1.97 - 1.96 2.01 2.07 - 2.04 2.09 2.16 - 2.11 2.16 2.23 -
AMPS 6.0 6.2 6.4 - 6.5 6.7 6.9 - 7.1 7.2 7.5 - 7.6 7.7 8.0 - 8.0 8.2 8.5 - 8.5 8.7 9.0 -
HI PR 240 259 273 - 270 290 307 - 307 330 349 - 349 376 397 - 393 423 447 - 434 467 494 -
LO PR 108 115 126 - 115 122 133 - 119 127 138 - 125 133 145 - 131 139 152 - 136 144 157 -
MBh 23.8 24.5 26.5 28.4 23.2 23.9 25.9 27.8 22.7 23.3 25.3 27.1 22.1 22.8 24.6 26.4 21.0 21.6 23.4 25.1 19.5 20.0 21.7 23.3
S/T 0.73 0.66 0.50 0.32 0.76 0.68 0.51 0.33 0.78 0.70 0.53 0.34 0.81 0.72 0.55 0.35 0.84 0.75 0.57 0.36 0.84 0.75 0.57 0.37
Delta T23211712232117122321181223 22 18 12 23 21 17 12 22 20 16 11
700 KW 1.61 1.64 1.69 1.75 1.73 1.77 1.82 1.88 1.84 1.87 1.93 2.00 1.93 1.97 2.03 2.10 2.01 2.05 2.12 2.19 2.08 2.12 2.19 2.26
AMPS5.96.06.26.56.46.56.77.06.97.17.37.67.4 7.6 7.8 8.1 7.9 8.1 8.3 8.7 8.3 8.5 8.8 9.2
HI PR 235 253 267 279 264 284 300 313 300 323 341 356 342 368 388 405 384 414 437 456 425 457 483 503
LO PR 106 113 123 131 112 119 130 139 116 124 135 144 122 130 142 151 128 136 149 158 133 141 154 164
MBh 24.0 24.7 26.8 28.7 23.4 24.1 26.1 28.0 22.9 23.6 25.5 27.4 22.3 23.0 24.9 26.7 21.2 21.8 23.6 25.4 19.6 20.2 21.9 23.5
S/T 0.74 0.66 0.50 0.32 0.77 0.69 0.52 0.33 0.79 0.70 0.53 0.34 0.81 0.73 0.55 0.35 0.84 0.76 0.57 0.37 0.85 0.76 0.58 0.37
Delta T23211712232117122321171223 21 17 12 23 21 17 12 21 20 16 11
75 725 KW 1.63 1.66 1.71 1.77 1.75 1.79 1.84 1.90 1.86 1.89 1.95 2.02 1.95 1.99 2.05 2.12 2.03 2.07 2.14 2.21 2.10 2.14 2.21 2.29
AMPS6.06.16.36.56.46.66.87.17.07.27.47.77.5 7.7 7.9 8.2 8.0 8.2 8.4 8.8 8.4 8.7 8.9 9.3
HI PR 238 256 271 282 267 288 304 317 304 327 345 360 346 372 393 410 389 419 442 462 430 463 489 510
LO PR 107 114 125 133 113 121 132 140 118 125 137 146 124 132 144 153 130 138 151 161 134 143 156 166
MBh 24.8 25.6 27.7 29.7 24.3 25.0 27.0 29.0 23.7 24.4 26.4 28.3 23.1 23.8 25.8 27.6 22.0 22.6 24.5 26.3 20.3 20.9 22.7 24.3
S/T 0.79 0.70 0.53 0.34 0.82 0.73 0.55 0.36 0.84 0.75 0.57 0.36 0.86 0.77 0.59 0.38 0.90 0.80 0.61 0.39 0.90 0.81 0.61 0.39
Delta T20181510201915112019151120 19 15 11 20 19 15 10 19 17 14 10
900 KW 1.65 1.69 1.74 1.79 1.78 1.81 1.87 1.93 1.88 1.92 1.99 2.05 1.98 2.02 2.09 2.16 2.06 2.11 2.17 2.25 2.13 2.18 2.25 2.32
AMPS6.16.26.46.76.66.76.97.27.17.37.57.87.6 7.8 8.1 8.4 8.1 8.3 8.6 8.9 8.6 8.8 9.1 9.5
HI PR 243 261 276 288 273 293 310 323 310 334 352 367 353 380 401 418 397 427 451 471 439 472 499 520
LO PR 110 117 127 135 116 123 134 143 120 128 140 149 126 134 147 156 132 141 154 164 137 146 159 169
* Entering Indoor Dry Bulb Temperature NOTE: Shaded area is ACCA (TVA) conditions

16
COOLING PERFORMANCE DATA ASX140241B* / C*
EXPANDED PERFORMANCE DATA COOLING OPERATION
MODEL: ASX140241B* / CA*F3636*6C*
Outdoor Ambient Temperature
65 75 85 95 105 115
Entering Indoor Wet Bulb Temperature
IDB*Airflow 59636771596367715963677159 63 67 715963677159636771
MBh 24.2 24.7 26.4 28.2 23.6 24.1 25.8 27.6 23.1 23.6 25.2 26.9 22.5 23.0 24.6 26.3 21.4 21.8 23.3 24.9 19.8 20.2 21.6 23.1
S/T 0.81 0.76 0.61 0.46 0.83 0.78 0.64 0.48 0.86 0.80 0.65 0.49 0.88 0.83 0.67 0.50 0.92 0.86 0.70 0.52 0.92 0.87 0.71 0.53
Delta T26252117262522172625221726 25 22 172625211724232016
700 KW 1.62 1.66 1.71 1.76 1.74 1.78 1.84 1.89 1.85 1.89 1.95 2.01 1.94 1.99 2.05 2.12 2.02 2.07 2.13 2.20 2.09 2.14 2.21 2.28
AMPS 5.9 6.1 6.3 6.5 6.4 6.6 6.8 7.1 7.0 7.2 7.4 7.7 7.5 7.6 7.9 8.2 7.9 8.1 8.4 8.7 8.4 8.6 8.9 9.3
HI PR 237 255 270 281 266 287 303 316 303 326 344 359 345 371 392 409 388 418 441 460 429 462 487 508
LO PR 107 114 124 132 113 120 131 140 118 125 137 145 123 131 143 153 129 138 150 160 134 142 155 166
MBh 24.4 25.0 26.7 28.5 23.9 24.4 26.1 27.8 23.3 23.8 25.4 27.2 22.7 23.2 24.8 26.5 21.6 22.1 23.6 25.2 20.0 20.4 21.8 23.3
S/T 0.81 0.76 0.62 0.46 0.84 0.79 0.64 0.48 0.86 0.81 0.66 0.49 0.89 0.84 0.68 0.51 0.93 0.87 0.71 0.53 0.93 0.88 0.71 0.53
Delta T25242117262421172624211726 25 21 17 25 24 21 17 24 23 20 16
80 725 KW 1.64 1.67 1.73 1.78 1.76 1.80 1.86 1.91 1.87 1.91 1.97 2.03 1.96 2.01 2.07 2.14 2.05 2.09 2.16 2.23 2.11 2.16 2.23 2.31
AMPS6.06.26.46.66.56.76.97.17.17.27.57.87.6 7.7 8.0 8.38.08.28.58.88.58.79.09.4
HI PR 241 259 273 285 270 290 307 320 307 330 349 364 350 376 397 414 393 423 447 466 435 468 494 515
LO PR 108 115 126 134 115 122 133 142 119 127 138 147 125 133 145 155 131 139 152 162 136 144 158 168
MBh 25.3 25.8 27.6 29.5 24.7 25.2 27.0 28.8 24.1 24.6 26.3 28.1 23.5 24.0 25.7 27.5 22.3 22.8 24.4 26.1 20.7 21.2 22.6 24.2
S/T 0.86 0.81 0.66 0.49 0.90 0.84 0.68 0.51 0.92 0.86 0.70 0.52 0.95 0.89 0.72 0.54 1.00 0.92 0.75 0.56 1.00 0.93 0.76 0.57
Delta T22211915232219152322191523 22 19 152322191521201714
900 KW 1.67 1.70 1.75 1.81 1.79 1.83 1.88 1.94 1.90 1.94 2.00 2.07 2.00 2.04 2.10 2.17 2.08 2.12 2.19 2.26 2.15 2.20 2.27 2.34
AMPS 6.1 6.3 6.5 6.7 6.6 6.8 7.0 7.3 7.2 7.4 7.6 7.9 7.7 7.9 8.1 8.5 8.2 8.4 8.7 9.0 8.7 8.9 9.2 9.5
HI PR 245 264 279 291 275 296 313 326 313 337 356 371 357 384 405 423 401 432 456 476 443 477 504 525
LO PR 111 118 128 137 117 124 136 145 121 129 141 150 128 136 148 158 134 142 155 165 138 147 161 171
MBh 24.6 25.1 26.3 28.0 24.0 24.5 25.7 27.4 23.5 23.9 25.1 26.7 22.9 23.3 24.4 26.1 21.7 22.2 23.2 24.8 20.1 20.5 21.5 22.9
S/T 0.84 0.81 0.73 0.60 0.87 0.84 0.76 0.62 0.90 0.87 0.78 0.63 0.93 0.89 0.81 0.65 0.96 0.93 0.84 0.68 0.97 0.93 0.84 0.68
Delta T27272522282726222827262228 27 26 222727262226252421
700 KW 1.64 1.67 1.72 1.77 1.76 1.79 1.85 1.91 1.87 1.90 1.96 2.03 1.96 2.00 2.07 2.13 2.04 2.08 2.15 2.22 2.11 2.16 2.23 2.30
AMPS 6.0 6.1 6.3 6.6 6.5 6.6 6.9 7.1 7.0 7.2 7.5 7.7 7.5 7.7 8.0 8.3 8.0 8.2 8.5 8.8 8.5 8.7 9.0 9.3
HI PR 240 258 272 284 269 290 306 319 306 329 348 363 349 375 396 413 392 422 446 465 433 466 492 513
LO PR 108 115 126 134 114 122 133 141 119 126 138 147 125 133 145 154 131 139 152 162 135 144 157 167
MBh 24.9 25.3 26.5 28.3 24.3 24.7 25.9 27.7 23.7 24.2 25.3 27.0 23.1 23.6 24.7 26.3 22.0 22.4 23.5 25.0 20.3 20.7 21.7 23.2
S/T 0.85 0.82 0.74 0.60 0.88 0.85 0.77 0.62 0.91 0.87 0.79 0.64 0.94 0.90 0.81 0.66 0.97 0.94 0.85 0.69 0.98 0.94 0.85 0.69
Delta T27262522272725222727252227 27 25 222727252225252320
85 725 KW 1.65 1.69 1.74 1.79 1.78 1.81 1.87 1.93 1.88 1.92 1.99 2.05 1.98 2.02 2.09 2.16 2.06 2.11 2.17 2.25 2.13 2.18 2.25 2.32
AMPS 6.1 6.2 6.4 6.7 6.6 6.7 6.9 7.2 7.1 7.3 7.6 7.8 7.6 7.8 8.1 8.4 8.1 8.3 8.6 8.9 8.6 8.8 9.1 9.5
HI PR 243 261 276 288 273 293 310 323 310 334 352 367 353 380 401 419 397 428 451 471 439 472 499 520
LO PR 110 117 127 136 116 123 134 143 120 128 140 149 126 134 147 156 132 141 154 164 137 146 159 169
MBh 25.7 26.2 27.5 29.3 25.1 25.6 26.8 28.6 24.5 25.0 26.2 27.9 23.9 24.4 25.5 27.3 22.7 23.2 24.3 25.9 21.1 21.5 22.5 24.0
S/T 0.91 0.87 0.79 0.64 0.94 0.91 0.82 0.66 0.96 0.93 0.84 0.68 0.99 0.96 0.87 0.70 1.00 1.00 0.90 0.73 1.00 1.00 0.91 0.73
Delta T24232219242422192424221924 24 23 202324221922222118
900 KW 1.68 1.71 1.77 1.82 1.80 1.84 1.90 1.96 1.91 1.96 2.02 2.08 2.01 2.06 2.12 2.19 2.10 2.14 2.21 2.28 2.17 2.21 2.29 2.36
AMPS 6.2 6.3 6.5 6.8 6.7 6.8 7.1 7.3 7.3 7.4 7.7 8.0 7.8 8.0 8.2 8.5 8.3 8.5 8.8 9.1 8.8 9.0 9.3 9.6
HI PR 248 267 282 294 278 299 316 330 316 340 359 375 360 388 409 427 405 436 460 480 448 482 509 531
LO PR 112 119 130 138 118 126 137 146 123 131 143 152 129 137 150 159 135 144 157 167 140 149 162 173
* Entering Indoor Dry Bulb Temperature NOTE: Shaded area is AHRI Rating Conditions

17
COOLING PERFORMANCE DATA ASX140301A*
EXPANDED PERFORMANCE DATA COOLING OPERATION
MODEL: ASX140301A* / CA*F3642C6A* / .063 Orifice Outdoor Ambient Temperature
65 75 85 95 105 115
Entering Indoor Wet Bulb Temperature
IDB*Airflow 596367715963677159 63 67715963 67 715963677159636771
MBh 28.2 29.3 32.0 - 27.6 28.6 31.3 - 26.9 27.9 30.6 - 26.3 27.2 29.8 - 24.9 25.8 28.3 - 23.1 23.9 26.2 -
S/T 0.73 0.61 0.42 - 0.76 0.64 0.44 - 0.78 0.65 0.45 - 0.81 0.67 0.47 - 0.84 0.70 0.48 - 0.84 0.70 0.49 -
Delta T 16 14 11 - 16 14 11 - 16 14 11 - 16 14 11 - 16 14 11 - 15 13 10 -
1181 KW 1.93 1.97 2.03 - 2.07 2.11 2.17 - 2.18 2.23 2.29 - 2.29 2.33 2.40 - 2.37 2.42 2.50 - 2.45 2.50 2.58 -
AMPS 6.6 6.8 7.0 - 7.2 7.3 7.6 - 7.8 7.9 8.2 - 8.3 8.5 8.7 - 8.8 9.0 9.3 - 9.3 9.5 9.8 -
HI PR 233 250 254 - 263 283 287 - 299 322 326 - 341 366 372 - 383 412 418 - 429 462 468 -
LO PR 122 126 137 - 125 129 141 - 130 134 146 - 133 137 150 - 136 140 153 - 139 144 157 -
MBh 27.4 28.4 31.1 - 26.8 27.7 30.4 - 26.1 27.1 29.7 - 25.5 26.4 28.9 - 24.2 25.1 27.5 - 22.4 23.2 25.5 -
S/T 0.70 0.58 0.41 - 0.73 0.61 0.42 - 0.74 0.62 0.43 - 0.77 0.64 0.44 - 0.80 0.67 0.46 - 0.80 0.67 0.47 -
Delta T 17 15 11 - 17 15 11 - 17 15 11 - 17 15 11 - 17 15 11 - 16 14 10 -
70 1050 KW 1.92 1.96 2.01 - 2.05 2.09 2.15 - 2.17 2.21 2.27 - 2.27 2.31 2.38 - 2.36 2.40 2.48 - 2.43 2.48 2.56 -
AMPS 6.6 6.7 6.9 - 7.1 7.3 7.5 - 7.7 7.9 8.1 - 8.2 8.4 8.7 - 8.7 8.9 9.2 - 9.2 9.4 9.8 -
HI PR 230 248 251 - 260 280 284 - 296 318 323 - 337 363 368 - 380 408 414 - 425 457 464 -
LO PR 121 124 136 - 124 128 140 - 128 132 145 - 132 136 149 - 135 139 151 - 138 142 155 -
MBh 25.3 26.2 28.7 - 24.7 25.6 28.1 - 24.1 25.0 27.4 - 23.5 24.4 26.7 - 22.3 23.2 25.4 - 20.7 21.5 23.5 -
S/T 0.68 0.56 0.39 - 0.70 0.58 0.40 - 0.72 0.60 0.42 - 0.74 0.62 0.43 - 0.77 0.64 0.44 - 0.78 0.65 0.45 -
Delta T 17 15 11 - 17 15 11 - 17 15 11 - 17 15 11 - 17 15 11 - 16 14 11 -
919 KW 1.91 1.94 2.00 - 2.04 2.08 2.14 - 2.15 2.19 2.26 - 2.25 2.30 2.37 - 2.34 2.39 2.46 - 2.41 2.46 2.54 -
AMPS 6.5 6.7 6.9 - 7.0 7.2 7.4 - 7.6 7.8 8.1 - 8.1 8.3 8.6 - 8.6 8.8 9.1 - 9.1 9.4 9.7 -
HI PR 228 245 249 - 258 277 281 - 293 315 320 - 334 359 364 - 376 404 410 - 421 452 459 -
LO PR 119 123 135 - 123 127 138 - 127 131 143 - 131 135 147 - 133 137 150 - 136 141 154 -
MBh 28.7 29.5 32.0 34.3 28.0 28.9 31.2 33.5 27.4 28.2 30.5 32.7 26.7 27.5 29.8 31.9 25.4 26.1 28.3 30.3 23.5 24.2 26.2 28.1
S/T 0.83 0.75 0.56 0.36 0.86 0.77 0.59 0.38 0.89 0.79 0.60 0.39 0.92 0.82 0.62 0.40 0.95 0.85 0.64 0.41 0.96 0.86 0.65 0.42
Delta T191714101917141019 17 14101918 14 10 19 17 14 10 18 16 13 9
1181 KW 1.93 1.97 2.03 2.08 2.07 2.11 2.17 2.23 2.18 2.23 2.29 2.36 2.29 2.33 2.40 2.48 2.37 2.42 2.50 2.57 2.45 2.50 2.58 2.66
AMPS 6.6 6.8 7.0 7.3 7.2 7.3 7.6 7.8 7.8 7.9 8.2 8.5 8.3 8.5 8.7 9.1 8.8 9.0 9.3 9.6 9.3 9.5 9.8 10.2
HI PR 233 250 254 259 263 283 287 293 299 322 326 333 341 366 372 380 383 412 418 427 429 462 468 478
LO PR 122 126 137 146 125 129 141 150 130 134 146 156 133 137 150 160 136 140 153 163 139 144 157 167
MBh 27.9 28.7 31.1 33.3 27.2 28.0 30.3 32.6 26.6 27.4 29.6 31.8 25.9 26.7 28.9 31.0 24.6 25.4 27.4 29.5 22.8 23.5 25.4 27.3
S/T 0.80 0.71 0.54 0.35 0.82 0.74 0.56 0.36 0.85 0.76 0.57 0.37 0.87 0.78 0.59 0.38 0.91 0.81 0.61 0.39 0.91 0.82 0.62 0.40
Delta T191815102018151020 18 15102018 15 10 20 18 15 10 18 17 14 10
75 1050 KW 1.92 1.96 2.01 2.07 2.05 2.09 2.15 2.21 2.17 2.21 2.27 2.34 2.27 2.31 2.38 2.46 2.36 2.40 2.48 2.55 2.43 2.48 2.56 2.64
AMPS 6.6 6.7 6.9 7.2 7.1 7.3 7.5 7.8 7.7 7.9 8.1 8.4 8.2 8.4 8.7 9.0 8.7 8.9 9.2 9.6 9.2 9.4 9.8 10.1
HI PR 230 248 251 257 260 280 284 290 296 318 323 330 337 363 368 376 380 408 414 423 425 457 464 474
LO PR 121 124 136 145 124 128 140 149 128 132 145 154 132 136 149 158 135 139 151 161 138 142 155 165
MBh 25.7 26.5 28.7 30.8 25.1 25.9 28.0 30.0 24.5 25.2 27.3 29.3 23.9 24.6 26.7 28.6 22.7 23.4 25.3 27.2 21.1 21.7 23.5 25.2
S/T 0.77 0.69 0.52 0.33 0.80 0.71 0.54 0.35 0.82 0.73 0.55 0.36 0.84 0.75 0.57 0.37 0.87 0.78 0.59 0.38 0.88 0.79 0.60 0.38
Delta T201815102018151020 18 15102019 15 10 20 18 15 10 19 17 14 10
919 KW 1.91 1.94 2.00 2.05 2.04 2.08 2.14 2.20 2.15 2.19 2.26 2.33 2.25 2.30 2.37 2.44 2.34 2.39 2.46 2.53 2.41 2.46 2.54 2.62
AMPS 6.5 6.7 6.9 7.1 7.0 7.2 7.4 7.7 7.6 7.8 8.1 8.3 8.1 8.3 8.6 8.9 8.6 8.8 9.1 9.5 9.1 9.4 9.7 10.0
HI PR 228 245 249 254 258 277 281 287 293 315 320 327 334 359 364 372 376 404 410 419 421 452 459 469
LO PR 119 123 135 143 123 127 138 147 127 131 143 153 131 135 147 157 133 137 150 160 136 141 154 164
* Entering Indoor Dry Bulb Temperature NOTE: Shaded area is ACCA (TVA) conditions

18
COOLING PERFORMANCE DATA ASX140301A*
EXPANDED PERFORMANCE DATA COOLING OPERATION
MODEL: ASX140301A* / CA*F3642C6A* / .063 Orifice Outdoor Ambient Temperature
65 75 85 95 105 115
Entering Indoor Wet Bulb Temperature
IDB*Airflow 596367715963677159 63 67715963 67 715963677159636771
MBh 29.2 29.8 31.9 34.1 28.5 29.2 31.1 33.3 27.9 28.5 30.4 32.5 27.2 27.8 29.7 31.7 25.8 26.4 28.2 30.1 23.9 24.4 26.1 27.9
S/T 0.92 0.86 0.70 0.52 0.95 0.89 0.72 0.54 1.00 0.91 0.74 0.55 1.00 0.94 0.77 0.57 1.00 1.00 0.80 0.59 1.00 1.00 0.80 0.60
Delta T212017142120181422 20 18142120 18 142021171419191613
1181 KW 1.93 1.97 2.03 2.08 2.07 2.11 2.17 2.23 2.18 2.23 2.29 2.36 2.29 2.33 2.40 2.48 2.37 2.42 2.50 2.57 2.45 2.50 2.58 2.66
AMPS 6.6 6.8 7.0 7.3 7.2 7.3 7.6 7.8 7.8 7.9 8.2 8.5 8.3 8.5 8.7 9.1 8.8 9.0 9.3 9.6 9.3 9.5 9.8 10.2
HI PR 233 250 254 259 263 283 287 293 299 322 326 333 341 366 372 380 383 412 418 427 429 462 468 478
LO PR 122 126 137 146 125 129 141 150 130 134 146 156 133 137 150 160 136 140 153 163 139 144 157 167
MBh 28.4 29.0 31.0 33.1 27.7 28.3 30.2 32.3 27.0 27.6 29.5 31.6 26.4 27.0 28.8 30.8 25.1 25.6 27.4 29.2 23.2 23.7 25.3 27.1
S/T 0.87 0.82 0.67 0.50 0.90 0.85 0.69 0.52 0.93 0.87 0.71 0.53 0.96 0.90 0.73 0.55 0.99 0.93 0.76 0.57 1.00 0.94 0.77 0.57
Delta T222118142221181522 21 18152221 18 15 22 21 18 15 20 20 17 14
80 1050 KW 1.92 1.96 2.01 2.07 2.05 2.09 2.15 2.21 2.17 2.21 2.27 2.34 2.27 2.31 2.38 2.46 2.36 2.40 2.48 2.55 2.43 2.48 2.56 2.64
AMPS 6.6 6.7 6.9 7.2 7.1 7.3 7.5 7.8 7.7 7.9 8.1 8.4 8.2 8.4 8.7 9.0 8.7 8.9 9.2 9.6 9.2 9.4 9.8 10.1
HI PR 230 248 251 257 260 280 284 290 296 318 323 330 337 363 368 376 380 408 414 423 425 457 464 474
LO PR 121 124 136 145 124 128 140 149 128 132 145 154 132 136 149 158 135 139 151 161 138 142 155 165
MBh 26.2 26.7 28.6 30.5 25.6 26.1 27.9 29.8 25.0 25.5 27.2 29.1 24.3 24.9 26.6 28.4 23.1 23.6 25.3 27.0 21.4 21.9 23.4 25.0
S/T 0.84 0.79 0.64 0.48 0.87 0.82 0.67 0.50 0.89 0.84 0.68 0.51 0.92 0.87 0.70 0.53 0.96 0.90 0.73 0.55 0.97 0.91 0.74 0.55
Delta T222118152221191522 21 19152222 19 152221181521201714
919 KW 1.91 1.94 2.00 2.05 2.04 2.08 2.14 2.20 2.15 2.19 2.26 2.33 2.25 2.30 2.37 2.44 2.34 2.39 2.46 2.53 2.41 2.46 2.54 2.62
AMPS 6.5 6.7 6.9 7.1 7.0 7.2 7.4 7.7 7.6 7.8 8.1 8.3 8.1 8.3 8.6 8.9 8.6 8.8 9.1 9.5 9.1 9.4 9.7 10.0
HI PR 228 245 249 254 258 277 281 287 293 315 320 327 334 359 364 372 376 404 410 419 421 452 459 469
LO PR 119 123 135 143 123 127 138 147 127 131 143 153 131 135 147 157 133 137 150 160 136 141 154 164
MBh 29.7 30.3 31.7 33.9 29.0 29.6 31.0 33.1 28.3 28.9 30.3 32.3 27.6 28.2 29.5 31.5 26.3 26.8 28.0 29.9 24.3 24.8 26.0 27.7
S/T 0.96 0.93 0.84 0.68 0.99 0.96 0.87 0.70 1.00 0.98 0.89 0.72 1.00 1.00 0.92 0.74 1.00 1.00 0.95 0.77 1.00 1.00 0.96 0.78
Delta T222221182222211822 22 21182222 21 182021211819191917
1181 KW 1.93 1.97 2.03 2.08 2.07 2.11 2.17 2.23 2.18 2.23 2.29 2.36 2.29 2.33 2.40 2.48 2.37 2.42 2.50 2.57 2.45 2.50 2.58 2.66
AMPS 6.6 6.8 7.0 7.3 7.2 7.3 7.6 7.8 7.8 7.9 8.2 8.5 8.3 8.5 8.7 9.1 8.8 9.0 9.3 9.6 9.3 9.5 9.8 10.2
HI PR 233 250 254 259 263 283 287 293 299 322 326 333 341 366 372 380 383 412 418 427 429 462 468 478
LO PR 122 126 137 146 125 129 141 150 130 134 146 156 133 137 150 160 136 140 153 163 139 144 157 167
MBh 28.9 29.4 30.8 32.9 28.2 28.7 30.1 32.1 27.5 28.0 29.4 31.3 26.8 27.4 28.7 30.6 25.5 26.0 27.2 29.0 23.6 24.1 25.2 26.9
S/T 0.92 0.88 0.80 0.65 0.95 0.92 0.83 0.67 0.97 0.94 0.85 0.69 1.00 0.97 0.87 0.71 1.00 1.00 0.91 0.74 1.00 1.00 0.91 0.74
Delta T232321192323221923 23 22192423 22 192223221921212017
85 1050 KW 1.92 1.96 2.01 2.07 2.05 2.09 2.15 2.21 2.17 2.21 2.27 2.34 2.27 2.31 2.38 2.46 2.36 2.40 2.48 2.55 2.43 2.48 2.56 2.64
AMPS 6.6 6.7 6.9 7.2 7.1 7.3 7.5 7.8 7.7 7.9 8.1 8.4 8.2 8.4 8.7 9.0 8.7 8.9 9.2 9.6 9.2 9.4 9.8 10.1
HI PR 230 248 251 257 260 280 284 290 296 318 323 330 337 363 368 376 380 408 414 423 425 457 464 474
LO PR 121 124 136 145 124 128 140 149 128 132 145 154 132 136 149 158 135 139 151 161 138 142 155 165
MBh 26.6 27.1 28.4 30.3 26.0 26.5 27.8 29.6 25.4 25.9 27.1 28.9 24.8 25.3 26.4 28.2 23.5 24.0 25.1 26.8 21.8 22.2 23.3 24.8
S/T 0.88 0.85 0.77 0.62 0.91 0.88 0.80 0.65 0.94 0.90 0.82 0.66 0.97 0.93 0.84 0.68 1.00 0.97 0.87 0.71 1.00 0.98 0.88 0.72
Delta T242322192423221924 23 22192424 22 192423221922222118
919 KW 1.91 1.94 2.00 2.05 2.04 2.08 2.14 2.20 2.15 2.19 2.26 2.33 2.25 2.30 2.37 2.44 2.34 2.39 2.46 2.53 2.41 2.46 2.54 2.62
AMPS 6.5 6.7 6.9 7.1 7.0 7.2 7.4 7.7 7.6 7.8 8.1 8.3 8.1 8.3 8.6 8.9 8.6 8.8 9.1 9.5 9.1 9.4 9.7 10.0
HI PR 228 245 249 254 258 277 281 287 293 315 320 327 334 359 364 372 376 404 410 419 421 452 459 469
LO PR 119 123 135 143 123 127 138 147 127 131 143 153 131 135 147 157 133 137 150 160 136 141 154 164
* Entering Indoor Dry Bulb Temperature NOTE: Shaded area is ARI Rating Conditions

19
COOLING PERFORMANCE DATA ASX140301B* / C*
EXPANDED PERFORMANCE DATA COOLING OPERATION
MODEL: ASX140301B*/CA*F3642*6C*
Outdoor Ambient Temperature
65 75 85 95 105 115
Entering Indoor Wet Bulb Temperature
IDB*Airflow 59636771596367715963677159 63 67 715963677159636771
MBh 25.3 26.2 28.7 - 24.7 25.6 28.1 - 24.1 25.0 27.4 - 23.5 24.4 26.7 - 22.3 23.2 25.4 - 20.7 21.5 23.5 -
S/T 0.68 0.57 0.40 - 0.71 0.59 0.41 - 0.73 0.61 0.42 - 0.75 0.63 0.43 - 0.78 0.65 0.45 - 0.79 0.66 0.45 -
Delta T181612 - 181612 - 181612 - 19 16 12 - 181612 - 171511 -
875 KW 1.92 1.96 2.01 - 2.05 2.09 2.15 - 2.17 2.21 2.27 - 2.27 2.31 2.38 - 2.35 2.40 2.47 - 2.43 2.47 2.55 -
AMPS6.86.97.1 - 7.37.57.7 - 7.98.18.3 - 8.4 8.6 8.9 - 8.99.19.4 - 9.49.710.0 -
HI PR 217 234 247 - 244 262 277 - 277 298 315 - 316 340 359 - 355 382 404 - 393 423 446 -
LO PR 105 112 122 - 111 118 129 - 115 123 134 - 121 129 141 - 127 135 148 - 131 140 153 -
MBh 27.4 28.4 31.1 - 26.8 27.7 30.4 - 26.1 27.1 29.7 - 25.5 26.4 28.9 - 24.2 25.1 27.5 - 22.4 23.2 25.5 -
S/T 0.71 0.59 0.41 - 0.74 0.61 0.43 - 0.75 0.63 0.44 - 0.78 0.65 0.45 - 0.81 0.67 0.47 - 0.81 0.68 0.47 -
Delta T181512 - 181612 - 181612 - 18 16 12 - 181612 - 171511 -
70 1000 KW 1.97 2.00 2.06 - 2.10 2.14 2.20 - 2.22 2.26 2.32 - 2.32 2.36 2.43 - 2.41 2.45 2.53 - 2.48 2.53 2.61 -
AMPS7.07.17.3 - 7.57.77.9 - 8.18.38.6 - 8.6 8.8 9.1 - 9.29.49.7 - 9.79.910.3 -
HI PR 224 241 255 - 251 271 286 - 286 308 325 - 326 350 370 - 366 394 416 - 405 436 460 -
LO PR 108 115 126 - 115 122 133 - 119 127 138 - 125 133 145 - 131 139 152 - 136 144 157 -
MBh 28.2 29.3 32.0 - 27.6 28.6 31.3 - 26.9 27.9 30.6 - 26.3 27.2 29.8 - 24.9 25.8 28.3 - 23.1 23.9 26.2 -
S/T 0.74 0.62 0.43 - 0.77 0.64 0.45 - 0.79 0.66 0.46 - 0.82 0.68 0.47 - 0.85 0.71 0.49 - 0.85 0.71 0.49 -
Delta T171511 - 171511 - 171511 - 18 15 12 - 171511 - 161411 -
1125 KW 1.98 2.02 2.07 - 2.11 2.15 2.22 - 2.23 2.28 2.34 - 2.34 2.38 2.45 - 2.42 2.47 2.55 - 2.50 2.55 2.63 -
AMPS 7.0 7.2 7.4 - 7.6 7.7 8.0 - 8.2 8.4 8.6 - 8.7 8.9 9.2 - 9.3 9.5 9.8 - 9.8 10.0 10.4 -
HI PR 226 244 257 - 254 273 289 - 289 311 328 - 329 354 374 - 370 398 420 - 409 440 465 -
LO PR 110 116 127 - 116 123 134 - 120 128 140 - 126 134 147 - 132 141 154 - 137 146 159 -
MBh 25.7 26.5 28.7 30.8 25.1 25.9 28.0 30.0 24.5 25.2 27.3 29.3 23.9 24.6 26.7 28.6 22.7 23.4 25.3 27.2 21.1 21.7 23.5 25.2
S/T 0.78 0.70 0.53 0.34 0.81 0.72 0.55 0.35 0.83 0.74 0.56 0.36 0.85 0.76 0.58 0.37 0.89 0.79 0.60 0.39 0.89 0.80 0.60 0.39
Delta T21191611212016112120161121 20 16 11 21 19 16 11 20 18 15 10
875 KW 1.94 1.97 2.03 2.09 2.07 2.11 2.17 2.23 2.18 2.23 2.29 2.36 2.28 2.33 2.40 2.47 2.37 2.42 2.49 2.57 2.44 2.49 2.57 2.65
AMPS6.87.07.27.57.47.57.88.08.08.28.48.78.5 8.7 9.0 9.3 9.0 9.2 9.5 9.9 9.5 9.8 10.1 10.5
HI PR 220 236 249 260 246 265 280 292 280 301 318 332 319 343 363 378 359 386 408 425 397 427 451 470
LO PR 106 113 123 131 112 119 130 139 117 124 135 144 123 130 142 152 128 137 149 159 133 141 154 164
MBh 27.9 28.7 31.1 33.3 27.2 28.0 30.3 32.6 26.6 27.4 29.6 31.8 25.9 26.7 28.9 31.0 24.6 25.4 27.4 29.5 22.8 23.5 25.4 27.3
S/T 0.81 0.72 0.55 0.35 0.84 0.75 0.57 0.36 0.86 0.77 0.58 0.37 0.89 0.79 0.60 0.39 0.92 0.82 0.62 0.40 0.93 0.83 0.63 0.40
Delta T21191611211916112119161121 19 16 11 21 19 16 11 19 18 15 10
75 1000 KW 1.98 2.02 2.07 2.13 2.11 2.15 2.22 2.28 2.23 2.28 2.34 2.41 2.34 2.38 2.45 2.53 2.43 2.47 2.55 2.63 2.50 2.55 2.63 2.71
AMPS7.07.27.47.77.67.78.08.38.28.48.69.08.7 8.9 9.2 9.6 9.3 9.5 9.8 10.2 9.8 10.0 10.4 10.7
HI PR 226 244 257 268 254 273 289 301 289 311 328 342 329 354 374 390 370 398 421 439 409 440 465 485
LO PR 110 117 127 135 116 123 134 143 120 128 140 149 126 134 147 156 132 141 154 164 137 146 159 169
MBh 28.7 29.5 32.0 34.3 28.0 28.9 31.2 33.5 27.4 28.2 30.5 32.7 26.7 27.5 29.8 31.9 25.4 26.1 28.3 30.3 23.5 24.2 26.2 28.1
S/T 0.85 0.76 0.57 0.37 0.88 0.78 0.59 0.38 0.90 0.80 0.61 0.39 0.93 0.83 0.63 0.40 0.96 0.86 0.65 0.42 0.97 0.87 0.66 0.42
Delta T20181510201815102019151020 19 15 11 20 18 15 10 19 17 14 10
1125 KW 1.99 2.03 2.09 2.15 2.13 2.17 2.23 2.30 2.25 2.29 2.36 2.43 2.35 2.40 2.47 2.55 2.44 2.49 2.57 2.65 2.52 2.57 2.65 2.73
AMPS7.17.27.57.77.67.88.08.38.38.48.79.08.8 9.0 9.3 9.6 9.3 9.6 9.9 10.2 9.9 10.1 10.5 10.8
HI PR 229 246 260 271 257 276 291 304 292 314 331 346 332 358 378 394 374 402 425 443 413 444 469 489
LO PR 111 118 128 137 117 124 136 145 121 129 141 150 128 136 148 158 134 142 155 165 138 147 161 171
* Entering Indoor Dry Bulb Temperature NOTE: Shaded area is ACCA (TVA) conditions

20
COOLING PERFORMANCE DATA ASX140301B* / C*
EXPANDED PERFORMANCE DATA COOLING OPERATION
MODEL: ASX140301B*/CA*F3642*6C*
Outdoor Ambient Temperature
65 75 85 95 105 115
Entering Indoor Wet Bulb Temperature
IDB*Airflow 59636771596367715963677159 63 67 715963677159636771
MBh 26.2 26.7 28.6 30.5 25.6 26.1 27.9 29.8 25.0 25.5 27.2 29.1 24.3 24.9 26.6 28.4 23.1 23.6 25.3 27.0 21.4 21.9 23.4 25.0
S/T 0.85 0.80 0.65 0.49 0.88 0.83 0.68 0.50 0.91 0.85 0.69 0.52 0.94 0.88 0.71 0.53 0.97 0.91 0.74 0.55 0.98 0.92 0.75 0.56
Delta T23222016242320162423201624 23 20 162423201622211815
875 KW 1.95 1.99 2.04 2.10 2.08 2.12 2.18 2.25 2.20 2.24 2.31 2.38 2.30 2.35 2.42 2.49 2.39 2.44 2.51 2.58 2.46 2.51 2.59 2.67
AMPS 6.9 7.1 7.3 7.5 7.4 7.6 7.8 8.1 8.0 8.2 8.5 8.8 8.6 8.8 9.1 9.4 9.1 9.3 9.6 10.0 9.6 9.8 10.2 10.5
HI PR 222 239 252 263 249 268 283 295 283 305 322 335 322 347 366 382 363 390 412 430 401 431 455 475
LO PR 107 114 125 133 113 121 132 140 118 125 137 146 124 132 144 153 130 138 151 160 134 143 156 166
MBh 28.4 29.0 31.0 33.1 27.7 28.3 30.2 32.3 27.0 27.6 29.5 31.6 26.4 27.0 28.8 30.8 25.1 25.6 27.4 29.2 23.2 23.7 25.3 27.1
S/T 0.88 0.83 0.68 0.50 0.92 0.86 0.70 0.52 0.94 0.88 0.72 0.54 0.97 0.91 0.74 0.55 1.00 0.94 0.77 0.57 1.00 0.95 0.78 0.58
Delta T23221915232219162322191624 23 20 16 23 22 19 15 21 21 18 14
80 1000 KW 1.99 2.03 2.09 2.15 2.13 2.17 2.23 2.30 2.25 2.29 2.36 2.43 2.35 2.40 2.47 2.55 2.44 2.49 2.57 2.65 2.52 2.57 2.65 2.73
AMPS7.17.27.57.77.67.88.08.38.38.48.79.08.8 9.0 9.3 9.6 9.3 9.6 9.9 10.2 9.9 10.1 10.5 10.8
HI PR 229 246 260 271 257 276 292 304 292 314 332 346 332 358 378 394 374 402 425 443 413 444 469 490
LO PR 111 118 128 137 117 124 136 145 121 129 141 150 128 136 148 158 134 142 155 165 138 147 161 171
MBh 29.2 29.8 31.9 34.1 28.5 29.2 31.1 33.3 27.9 28.5 30.4 32.5 27.2 27.8 29.7 31.7 25.8 26.4 28.2 30.1 23.9 24.4 26.1 27.9
S/T 0.93 0.87 0.71 0.53 0.96 0.90 0.73 0.55 1.00 0.92 0.75 0.56 1.00 0.95 0.78 0.58 1.00 1.00 0.81 0.60 1.00 1.00 0.81 0.61
Delta T22211815222119152322191522 22 19 152122191520201714
1125 KW 2.01 2.05 2.10 2.16 2.14 2.19 2.25 2.31 2.26 2.31 2.38 2.45 2.37 2.42 2.49 2.57 2.46 2.51 2.59 2.67 2.54 2.59 2.67 2.75
AMPS 7.1 7.3 7.5 7.8 7.7 7.9 8.1 8.4 8.3 8.5 8.8 9.1 8.9 9.1 9.4 9.7 9.4 9.7 10.0 10.3 10.0 10.2 10.5 10.9
HI PR 231 248 262 274 259 279 294 307 295 317 335 349 336 361 381 398 378 406 429 447 417 449 474 494
LO PR 112 119 130 138 118 126 137 146 123 131 142 152 129 137 150 159 135 144 157 167 140 149 162 173
MBh 26.6 27.1 28.4 30.3 26.0 26.5 27.8 29.6 25.4 25.9 27.1 28.9 24.8 25.3 26.4 28.2 23.5 24.0 25.1 26.8 21.8 22.2 23.3 24.8
S/T 0.89 0.86 0.78 0.63 0.93 0.89 0.81 0.65 0.95 0.92 0.83 0.67 0.98 0.95 0.85 0.69 1.00 0.98 0.89 0.72 1.00 0.99 0.89 0.73
Delta T25252320252524202525242026 25 24 212525232023232219
875 KW 1.97 2.00 2.06 2.12 2.10 2.14 2.20 2.26 2.21 2.26 2.32 2.39 2.32 2.36 2.43 2.51 2.41 2.45 2.53 2.60 2.48 2.53 2.61 2.69
AMPS 7.0 7.1 7.3 7.6 7.5 7.7 7.9 8.2 8.1 8.3 8.6 8.9 8.6 8.8 9.1 9.5 9.2 9.4 9.7 10.1 9.7 9.9 10.3 10.6
HI PR 224 241 255 265 251 270 286 298 286 308 325 339 326 350 370 386 366 394 416 434 405 435 460 480
LO PR 108 115 126 134 115 122 133 142 119 127 138 147 125 133 145 155 131 139 152 162 136 144 157 168
MBh 28.9 29.4 30.8 32.9 28.2 28.7 30.1 32.1 27.5 28.0 29.4 31.3 26.8 27.4 28.7 30.6 25.5 26.0 27.2 29.0 23.6 24.1 25.2 26.9
S/T 0.93 0.90 0.81 0.66 0.96 0.93 0.84 0.68 0.99 0.95 0.86 0.70 1.00 0.98 0.89 0.72 1.00 1.00 0.92 0.75 1.00 1.00 0.93 0.75
Delta T25242320252523202525232025 25 23 202324232022222219
85 1000 KW 2.01 2.05 2.10 2.16 2.14 2.19 2.25 2.31 2.26 2.31 2.38 2.45 2.37 2.42 2.49 2.57 2.46 2.51 2.59 2.67 2.54 2.59 2.67 2.75
AMPS 7.1 7.3 7.5 7.8 7.7 7.9 8.1 8.4 8.3 8.5 8.8 9.1 8.9 9.1 9.4 9.7 9.4 9.7 10.0 10.3 10.0 10.2 10.5 10.9
HI PR 231 248 262 274 259 279 294 307 295 317 335 349 336 361 381 398 378 406 429 447 417 449 474 494
LO PR 112 119 130 138 118 126 137 146 123 131 142 152 129 137 150 159 135 144 157 167 140 149 162 173
MBh 29.7 30.3 31.7 33.9 29.0 29.6 31.0 33.1 28.3 28.9 30.3 32.3 27.6 28.2 29.5 31.5 26.3 26.8 28.0 29.9 24.3 24.8 26.0 27.7
S/T 0.97 0.94 0.85 0.69 1.00 0.97 0.88 0.71 1.00 1.00 0.90 0.73 1.00 1.00 0.93 0.75 1.00 1.00 0.96 0.78 1.00 1.00 0.97 0.79
Delta T24232219242422192324221923 23 22 192122221920202118
1125 KW 2.02 2.06 2.12 2.18 2.16 2.20 2.26 2.33 2.28 2.33 2.39 2.47 2.39 2.44 2.51 2.59 2.48 2.53 2.61 2.69 2.56 2.61 2.69 2.78
AMPS 7.2 7.4 7.6 7.9 7.8 7.9 8.2 8.5 8.4 8.6 8.9 9.2 9.0 9.2 9.5 9.8 9.5 9.7 10.1 10.4 10.1 10.3 10.6 11.0
HI PR 233 251 265 276 262 282 297 310 298 320 338 353 339 365 385 402 381 410 433 452 421 453 479 499
LO PR 113 120 131 140 119 127 138 147 124 132 144 153 130 138 151 161 136 145 158 169 141 150 164 175
* Entering Indoor Dry Bulb Temperature NOTE: Shaded area is AHRI Rating Conditions

21
COOLING PERFORMANCE DATA ASX140361A*
EXPANDED PERFORMANCE DATA COOLING OPERATION
MODEL: ASX140361A* / CA*F3642C6A* / .067 Orifice Outdoor Ambient Temperature
65 75 85 95 105 115
Entering Indoor Wet Bulb Temperature
IDB*Airflow 596367715963677159 63 677159 63 67 715963677159636771
MBh 33.9 35.1 38.5 - 33.1 34.3 37.6 - 32.3 33.5 36.7 - 31.5 32.7 35.8 - 30.0 31.1 34.0 - 27.8 28.8 31.5 -
S/T 0.72 0.60 0.41 - 0.74 0.62 0.43 - 0.76 0.64 0.44 - 0.79 0.66 0.46 - 0.82 0.68 0.47 - 0.82 0.69 0.48 -
Delta T 17 15 11 - 17 15 11 - 17 15 11 - 18 15 12 - 17 15 11 - 16 14 11 -
1300 KW 2.40 2.45 2.52 - 2.57 2.62 2.70 - 2.72 2.77 2.85 - 2.85 2.91 2.99 - 2.96 3.02 3.11 - 3.05 3.12 3.22 -
AMPS 8.4 8.6 8.9 - 9.1 9.3 9.6 - 9.9 10.1 10.4 - 10.5 10.8 11.1 - 11.2 11.4 11.8 - 11.8 12.1 12.5 -
HI PR 241 260 263 - 273 293 298 - 310 334 338 - 354 380 386 - 382 411 416 - 453 487 493 -
LO PR 120 124 135 - 123 127 139 - 127 131 144 - 131 135 147 - 133 138 150 - 137 141 154 -
MBh 32.9 34.1 37.4 - 32.2 33.3 36.5 - 31.4 32.5 35.6 - 30.6 31.7 34.8 - 29.1 30.2 33.0 - 26.9 27.9 30.6 -
S/T 0.68 0.57 0.40 - 0.71 0.59 0.41 - 0.73 0.61 0.42 - 0.75 0.63 0.43 - 0.78 0.65 0.45 - 0.79 0.66 0.45 -
Delta T 18 16 12 - 18 16 12 - 18 16 12 - 18 16 12 - 18 16 12 - 17 15 11 -
70 1150 KW 2.38 2.43 2.50 - 2.55 2.60 2.68 - 2.70 2.75 2.83 - 2.83 2.88 2.97 - 2.94 3.00 3.09 - 3.03 3.09 3.19 -
AMPS 8.4 8.6 8.8 - 9.0 9.2 9.5 - 9.8 10.0 10.3 - 10.4 10.7 11.0 - 11.1 11.3 11.7 - 11.7 12.0 12.4 -
HI PR 239 257 261 - 270 291 295 - 307 330 335 - 350 376 382 - 378 406 412 - 448 482 489 -
LO PR 119 122 133 - 122 126 137 - 126 130 142 - 130 134 146 - 132 136 149 - 135 140 152 -
MBh 30.4 31.5 34.5 - 29.7 30.8 33.7 - 29.0 30.0 32.9 - 28.3 29.3 32.1 - 26.9 27.8 30.5 - 24.9 25.8 28.2 -
S/T 0.66 0.55 0.38 - 0.68 0.57 0.40 - 0.70 0.59 0.41 - 0.72 0.60 0.42 - 0.75 0.63 0.43 - 0.76 0.63 0.44 -
Delta T 18 16 12 - 19 16 12 - 19 16 12 - 19 16 12 - 19 16 12 - 17 15 11 -
1000 KW 2.37 2.41 2.48 - 2.53 2.58 2.66 - 2.68 2.73 2.81 - 2.80 2.86 2.95 - 2.91 2.97 3.06 - 3.01 3.07 3.16 -
AMPS 8.3 8.5 8.7 - 8.9 9.1 9.4 - 9.7 9.9 10.2 - 10.3 10.6 10.9 - 11.0 11.2 11.6 - 11.6 11.9 12.3 -
HI PR 237 254 258 - 268 288 292 - 304 327 332 - 347 373 378 - 374 402 408 - 444 477 484 -
LO PR 117 121 132 - 121 125 136 - 125 129 141 - 128 132 144 - 131 135 147 - 134 138 151 -
MBh 34.5 35.5 38.4 41.2 33.7 34.7 37.5 40.3 32.9 33.8 36.6 39.3 32.1 33.0 35.7 38.4 30.5 31.4 34.0 36.4 28.2 29.1 31.5 33.8
S/T 0.81 0.73 0.55 0.35 0.84 0.76 0.57 0.37 0.87 0.77 0.59 0.38 0.89 0.80 0.61 0.39 0.93 0.83 0.63 0.40 0.94 0.84 0.63 0.41
Delta T201815102019151020 19 151020 19 15 11 20 18 15 10 19 17 14 10
1300 KW 2.40 2.45 2.52 2.59 2.57 2.62 2.70 2.78 2.72 2.77 2.85 2.94 2.85 2.91 2.99 3.09 2.96 3.02 3.11 3.21 3.05 3.12 3.22 3.32
AMPS 8.4 8.6 8.9 9.2 9.1 9.3 9.6 9.9 9.9 10.1 10.4 10.8 10.5 10.8 11.1 11.5 11.2 11.4 11.8 12.2 11.8 12.1 12.5 13.0
HI PR 241 260 263 269 273 293 298 304 310 334 338 346 354 380 386 394 382 411 416 426 453 487 493 504
LO PR 120 124 135 144 123 127 139 148 127 131 144 153 131 135 147 157 133 138 150 160 137 141 154 164
MBh 33.5 34.5 37.3 40.0 32.7 33.7 36.4 39.1 31.9 32.9 35.6 38.2 31.1 32.1 34.7 37.2 29.6 30.5 33.0 35.4 27.4 28.2 30.5 32.8
S/T 0.78 0.70 0.53 0.34 0.81 0.72 0.55 0.35 0.83 0.74 0.56 0.36 0.85 0.76 0.58 0.37 0.88 0.79 0.60 0.39 0.89 0.80 0.60 0.39
Delta T211916112119161121 19 161121 20 16 11 21 19 16 11 20 18 15 10
75 1150 KW 2.38 2.43 2.50 2.57 2.55 2.60 2.68 2.76 2.70 2.75 2.83 2.92 2.83 2.88 2.97 3.06 2.94 3.00 3.09 3.19 3.03 3.09 3.19 3.29
AMPS 8.4 8.6 8.8 9.1 9.0 9.2 9.5 9.9 9.8 10.0 10.3 10.7 10.4 10.7 11.0 11.4 11.1 11.3 11.7 12.1 11.7 12.0 12.4 12.8
HI PR 239 257 261 266 270 291 295 301 307 330 335 343 350 376 382 390 378 406 412 421 448 482 489 499
LO PR 119 122 133 142 122 126 137 146 126 130 142 151 130 134 146 155 132 136 149 158 135 140 152 162
MBh 30.9 31.8 34.4 37.0 30.2 31.1 33.6 36.1 29.5 30.3 32.8 35.2 28.7 29.6 32.0 34.4 27.3 28.1 30.4 32.7 25.3 26.0 28.2 30.3
S/T 0.75 0.67 0.51 0.33 0.78 0.69 0.53 0.34 0.80 0.71 0.54 0.35 0.82 0.74 0.56 0.36 0.85 0.76 0.58 0.37 0.86 0.77 0.58 0.37
Delta T212016112220161122 20 161122 20 16 11 21 20 16 11 20 18 15 10
1000 KW 2.37 2.41 2.48 2.55 2.53 2.58 2.66 2.74 2.68 2.73 2.81 2.90 2.80 2.86 2.95 3.04 2.91 2.97 3.06 3.16 3.01 3.07 3.16 3.27
AMPS 8.3 8.5 8.7 9.1 8.9 9.1 9.4 9.8 9.7 9.9 10.2 10.6 10.3 10.6 10.9 11.3 11.0 11.2 11.6 12.0 11.6 11.9 12.3 12.7
HI PR 237 254 258 264 268 288 292 298 304 327 332 339 347 373 378 386 374 402 408 417 444 477 484 494
LO PR 117 121 132 141 121 125 136 145 125 129 141 150 128 132 144 154 131 135 147 157 134 138 151 161
* Entering Indoor Dry Bulb Temperature NOTE: Shaded area is ACCA (TVA) conditions

22
COOLING PERFORMANCE DATA ASX140361A*
EXPANDED PERFORMANCE DATA COOLING OPERATION
MODEL: ASX140361A* / CA*F3642C6A* / .067 Orifice Outdoor Ambient Temperature
65 75 85 95 105 115
Entering Indoor Wet Bulb Temperature
IDB*Airflow 596367715963677159 63 677159 63 67 715963677159636771
MBh 35.1 35.9 38.3 41.0 34.3 35.0 37.4 40.0 33.5 34.2 36.5 39.0 32.6 33.4 35.6 38.1 31.0 31.7 33.9 36.2 28.7 29.4 31.4 33.5
S/T 0.89 0.84 0.68 0.51 0.93 0.87 0.71 0.53 0.95 0.89 0.73 0.54 1.00 0.92 0.75 0.56 1.00 0.95 0.78 0.58 1.00 0.96 0.78 0.59
Delta T222118152222191522 22 191523 22 19 152221191520201714
1300 KW 2.40 2.45 2.52 2.59 2.57 2.62 2.70 2.78 2.72 2.77 2.85 2.94 2.85 2.91 2.99 3.09 2.96 3.02 3.11 3.21 3.05 3.12 3.22 3.32
AMPS 8.4 8.6 8.9 9.2 9.1 9.3 9.6 9.9 9.9 10.1 10.4 10.8 10.5 10.8 11.1 11.5 11.2 11.4 11.8 12.2 11.8 12.1 12.5 13.0
HI PR 241 260 263 269 273 293 298 304 310 334 338 346 354 380 386 394 382 411 416 426 453 487 493 504
LO PR 120 124 135 144 123 127 139 148 127 131 144 153 131 135 147 157 133 138 150 160 137 141 154 164
MBh 34.1 34.8 37.2 39.8 33.3 34.0 36.3 38.8 32.5 33.2 35.5 37.9 31.7 32.4 34.6 37.0 30.1 30.8 32.9 35.1 27.9 28.5 30.4 32.5
S/T 0.85 0.80 0.65 0.49 0.88 0.83 0.67 0.50 0.91 0.85 0.69 0.52 0.94 0.88 0.71 0.53 0.97 0.91 0.74 0.55 0.98 0.92 0.75 0.56
Delta T232219152423201624 23 201624 23 20 16 23 22 19 16 22 21 18 15
80 1150 KW 2.38 2.43 2.50 2.57 2.55 2.60 2.68 2.76 2.70 2.75 2.83 2.92 2.83 2.88 2.97 3.06 2.94 3.00 3.09 3.19 3.03 3.09 3.19 3.29
AMPS 8.4 8.6 8.8 9.1 9.0 9.2 9.5 9.9 9.8 10.0 10.3 10.7 10.4 10.7 11.0 11.4 11.1 11.3 11.7 12.1 11.7 12.0 12.4 12.8
HI PR 239 257 261 266 270 291 295 301 307 330 335 343 350 376 382 390 378 406 412 421 448 482 489 499
LO PR 119 122 133 142 122 126 137 146 126 130 142 151 130 134 146 155 132 136 149 158 135 140 152 162
MBh 31.4 32.1 34.3 36.7 30.7 31.4 33.5 35.8 30.0 30.6 32.7 35.0 29.3 29.9 31.9 34.1 27.8 28.4 30.3 32.4 25.7 26.3 28.1 30.0
S/T 0.82 0.77 0.63 0.47 0.85 0.80 0.65 0.49 0.87 0.82 0.67 0.50 0.90 0.85 0.69 0.51 0.94 0.88 0.71 0.53 0.94 0.89 0.72 0.54
Delta T242320162423201624 23 201624 23 20 162423201622211915
1000 KW 2.37 2.41 2.48 2.55 2.53 2.58 2.66 2.74 2.68 2.73 2.81 2.90 2.80 2.86 2.95 3.04 2.91 2.97 3.06 3.16 3.01 3.07 3.16 3.27
AMPS 8.3 8.5 8.7 9.1 8.9 9.1 9.4 9.8 9.7 9.9 10.2 10.6 10.3 10.6 10.9 11.3 11.0 11.2 11.6 12.0 11.6 11.9 12.3 12.7
HI PR 237 254 258 264 268 288 292 298 304 327 332 339 347 373 378 386 374 402 408 417 444 477 484 494
LO PR 117 121 132 141 121 125 136 145 125 129 141 150 128 132 144 154 131 135 147 157 134 138 151 161
MBh 35.7 36.4 38.1 40.7 34.9 35.6 37.2 39.7 34.0 34.7 36.3 38.8 33.2 33.9 35.5 37.8 31.6 32.2 33.7 35.9 29.2 29.8 31.2 33.3
S/T 0.94 0.90 0.82 0.66 0.97 0.94 0.85 0.69 1.00 0.96 0.87 0.70 1.00 0.99 0.90 0.73 1.00 1.00 0.93 0.75 1.00 1.00 0.94 0.76
Delta T242322192424221924 24 221923 24 22 192223221921212118
1300 KW 2.40 2.45 2.52 2.59 2.57 2.62 2.70 2.78 2.72 2.77 2.85 2.94 2.85 2.91 2.99 3.09 2.96 3.02 3.11 3.21 3.05 3.12 3.22 3.32
AMPS 8.4 8.6 8.9 9.2 9.1 9.3 9.6 9.9 9.9 10.1 10.4 10.8 10.5 10.8 11.1 11.5 11.2 11.4 11.8 12.2 11.8 12.1 12.5 13.0
HI PR 241 260 263 269 273 293 298 304 310 334 338 346 354 380 386 394 382 411 416 426 453 487 493 504
LO PR 120 124 135 144 123 127 139 148 127 131 144 153 131 135 147 157 133 138 150 160 137 141 154 164
MBh 34.7 35.3 37.0 39.5 33.9 34.5 36.1 38.6 33.1 33.7 35.3 37.6 32.2 32.9 34.4 36.7 30.6 31.2 32.7 34.9 28.4 28.9 30.3 32.3
S/T 0.89 0.86 0.78 0.63 0.93 0.89 0.81 0.65 0.95 0.92 0.83 0.67 0.98 0.95 0.85 0.69 1.00 0.98 0.89 0.72 1.00 0.99 0.89 0.72
Delta T252423202525232025 25 232025 25 23 202425232023232219
85 1150 KW 2.38 2.43 2.50 2.57 2.55 2.60 2.68 2.76 2.70 2.75 2.83 2.92 2.83 2.88 2.97 3.06 2.94 3.00 3.09 3.19 3.03 3.09 3.19 3.29
AMPS 8.4 8.6 8.8 9.1 9.0 9.2 9.5 9.9 9.8 10.0 10.3 10.7 10.4 10.7 11.0 11.4 11.1 11.3 11.7 12.1 11.7 12.0 12.4 12.8
HI PR 239 257 261 266 270 291 295 301 307 330 335 343 350 376 382 390 378 406 412 421 448 482 489 499
LO PR 119 122 133 142 122 126 137 146 126 130 142 151 130 134 146 155 132 136 149 158 135 140 152 162
MBh 32.0 32.6 34.2 36.4 31.3 31.9 33.4 35.6 30.5 31.1 32.6 34.7 29.8 30.3 31.8 33.9 28.3 28.8 30.2 32.2 26.2 26.7 28.0 29.8
S/T 0.86 0.83 0.75 0.61 0.89 0.86 0.78 0.63 0.92 0.88 0.80 0.65 0.95 0.91 0.82 0.67 0.98 0.95 0.85 0.69 0.99 0.95 0.86 0.70
Delta T252524202625242126 25 242126 25 24 212625242124232219
1000 KW 2.37 2.41 2.48 2.55 2.53 2.58 2.66 2.74 2.68 2.73 2.81 2.90 2.80 2.86 2.95 3.04 2.91 2.97 3.06 3.16 3.01 3.07 3.16 3.27
AMPS 8.3 8.5 8.7 9.1 8.9 9.1 9.4 9.8 9.7 9.9 10.2 10.6 10.3 10.6 10.9 11.3 11.0 11.2 11.6 12.0 11.6 11.9 12.3 12.7
HI PR 237 254 258 264 268 288 292 298 304 327 332 339 347 373 378 386 374 402 408 417 444 477 484 494
LO PR 117 121 132 141 121 125 136 145 125 129 141 150 128 132 144 154 131 135 147 157 134 138 151 161
* Entering Indoor Dry Bulb Temperature NOTE: Shaded area is ARI Rating Conditions

23
COOLING PERFORMANCE DATA ASX140361B* / C*
EXPANDED PERFORMANCE DATA COOLING OPERATION
MODEL: ASX140361B*/CA*F3642*6C* Outdoor Ambient Temperature
65 75 85 95 105 115
Entering Indoor Wet Bulb Temperature
IDB*Airflow 59636771596367715963677159 63 67 715963677159636771
MBh 30.4 31.5 34.5 - 29.7 30.8 33.7 - 29.0 30.0 32.9 - 28.3 29.3 32.1 - 26.9 27.8 30.5 - 24.9 25.8 28.2 -
S/T 0.68 0.57 0.39 - 0.71 0.59 0.41 - 0.72 0.61 0.42 - 0.75 0.62 0.43 - 0.78 0.65 0.45 - 0.78 0.65 0.45 -
Delta T 18 16 12 - 18 16 12 - 18 16 12 - 19 16 12 - 18 16 12 - 17 15 11 -
1050 KW 2.17 2.21 2.28 - 2.33 2.38 2.46 - 2.48 2.54 2.62 - 2.61 2.67 2.76 - 2.73 2.79 2.88 - 2.82 2.89 2.98 -
AMPS 7.6 7.8 8.0 - 8.2 8.4 8.6 - 8.9 9.1 9.4 - 9.5 9.7 10.0 - 10.1 10.3 10.7 - 10.7 10.9 11.3 -
HI PR 218 235 248 - 245 264 279 - 279 300 317 - 318 342 361 - 357 384 406 - 395 425 449 -
LO PR 103 109 119 - 108 115 126 - 113 120 131 - 118 126 137 - 124 132 144 - 128 136 149 -
MBh 32.9 34.1 37.4 - 32.2 33.3 36.5 - 31.4 32.5 35.6 - 30.6 31.7 34.8 - 29.1 30.2 33.0 - 26.9 27.9 30.6 -
S/T 0.71 0.59 0.41 - 0.73 0.61 0.42 - 0.75 0.63 0.43 - 0.78 0.65 0.45 - 0.80 0.67 0.47 - 0.81 0.68 0.47 -
Delta T 18 15 12 - 18 16 12 - 18 16 12 - 18 16 12 - 18 16 12 - 17 15 11 -
70 1200 KW 2.22 2.27 2.34 - 2.39 2.45 2.53 - 2.55 2.60 2.69 - 2.68 2.74 2.83 - 2.80 2.86 2.96 - 2.90 2.96 3.06 -
AMPS 7.8 8.0 8.2 - 8.4 8.6 8.9 - 9.1 9.3 9.6 - 9.7 10.0 10.3 - 10.4 10.6 11.0 - 11.0 11.2 11.6 -
HI PR 225 242 256 - 253 272 287 - 287 309 327 - 327 352 372 - 368 396 419 - 407 438 462 -
LO PR 106 113 123 - 112 119 130 - 116 124 135 - 122 130 142 - 128 136 149 - 132 141 154 -
MBh 33.9 35.1 38.5 - 33.1 34.3 37.6 - 32.3 33.5 36.7 - 31.5 32.7 35.8 - 30.0 31.1 34.0 - 27.8 28.8 31.5 -
S/T 0.74 0.62 0.43 - 0.77 0.64 0.44 - 0.79 0.66 0.46 - 0.81 0.68 0.47 - 0.84 0.70 0.49 - 0.85 0.71 0.49 -
Delta T 17 15 11 - 17 15 11 - 17 15 11 - 17 15 11 - 17 15 11 - 16 14 11 -
1350 KW 2.24 2.29 2.36 - 2.41 2.47 2.55 - 2.57 2.63 2.71 - 2.70 2.77 2.86 - 2.82 2.89 2.98 - 2.92 2.99 3.09 -
AMPS 7.9 8.0 8.3 - 8.5 8.7 9.0 - 9.2 9.4 9.7 - 9.8 10.1 10.4 - 10.5 10.7 11.1 - 11.1 11.3 11.7 -
HI PR 227 245 259 - 255 275 290 - 290 312 330 - 331 356 376 - 372 400 423 - 411 442 467 -
LO PR 107 114 124 - 113 120 131 - 117 125 136 - 123 131 143 - 129 137 150 - 134 142 155 -
MBh 30.9 31.8 34.4 37.0 30.2 31.1 33.6 36.1 29.5 30.3 32.8 35.2 28.7 29.6 32.0 34.4 27.3 28.1 30.4 32.7 25.3 26.0 28.2 30.3
S/T 0.77 0.69 0.52 0.34 0.80 0.72 0.54 0.35 0.82 0.74 0.56 0.36 0.85 0.76 0.58 0.37 0.88 0.79 0.60 0.38 0.89 0.80 0.60 0.39
Delta T21191611212016112120161121 20 16 11 21 19 16 11 20 18 15 10
1050 KW 2.18 2.23 2.30 2.38 2.35 2.41 2.48 2.57 2.50 2.56 2.64 2.73 2.64 2.70 2.79 2.88 2.75 2.81 2.91 3.01 2.85 2.91 3.01 3.11
AMPS 7.7 7.8 8.1 8.4 8.3 8.5 8.7 9.0 9.0 9.2 9.5 9.8 9.6 9.8 10.1 10.5 10.2 10.4 10.8 11.2 10.8 11.0 11.4 11.8
HI PR 221 238 251 262 248 267 281 294 282 303 320 334 321 345 365 380 361 388 410 428 399 429 453 473
LO PR 104 110 120 128 110 117 127 135 114 121 132 141 120 127 139 148 125 133 146 155 130 138 151 160
MBh 33.5 34.5 37.3 40.0 32.7 33.7 36.4 39.1 31.9 32.9 35.6 38.2 31.1 32.1 34.7 37.2 29.6 30.5 33.0 35.4 27.4 28.2 30.5 32.8
S/T 0.80 0.72 0.54 0.35 0.83 0.74 0.56 0.36 0.85 0.76 0.58 0.37 0.88 0.79 0.60 0.38 0.91 0.82 0.62 0.40 0.92 0.83 0.62 0.40
Delta T21191611211916112119161121 19 16 11 21 19 16 11 19 18 15 10
75 1200 KW 2.24 2.29 2.36 2.44 2.41 2.47 2.55 2.63 2.57 2.63 2.71 2.80 2.71 2.77 2.86 2.96 2.82 2.89 2.98 3.09 2.92 2.99 3.09 3.20
AMPS 7.9 8.0 8.3 8.6 8.5 8.7 9.0 9.3 9.2 9.4 9.7 10.1 9.8 10.1 10.4 10.8 10.5 10.7 11.1 11.5 11.1 11.3 11.7 12.2
HI PR 228 245 259 270 255 275 290 303 290 312 330 344 331 356 376 392 372 400 423 441 411 442 467 487
LO PR 107 114 124 132 113 120 131 140 117 125 136 145 123 131 143 152 129 137 150 160 134 142 155 165
MBh 34.5 35.5 38.4 41.2 33.7 34.7 37.5 40.3 32.9 33.8 36.6 39.3 32.1 33.0 35.7 38.4 30.5 31.4 34.0 36.4 28.2 29.1 31.5 33.8
S/T 0.84 0.75 0.57 0.37 0.87 0.78 0.59 0.38 0.90 0.80 0.61 0.39 0.92 0.83 0.63 0.40 0.96 0.86 0.65 0.42 0.97 0.87 0.65 0.42
Delta T20181510201815102018151020 19 15 11 20 18 15 10 19 17 14 10
1350 KW 2.26 2.30 2.38 2.46 2.43 2.49 2.57 2.65 2.59 2.65 2.74 2.83 2.73 2.79 2.88 2.98 2.85 2.91 3.01 3.11 2.95 3.01 3.12 3.22
AMPS 7.9 8.1 8.4 8.7 8.6 8.8 9.0 9.4 9.3 9.5 9.8 10.2 9.9 10.2 10.5 10.9 10.6 10.8 11.2 11.6 11.2 11.5 11.8 12.3
HI PR 230 247 261 272 258 277 293 306 293 316 333 348 334 359 380 396 376 404 427 445 415 447 472 492
LO PR 108 115 125 134 114 121 132 141 119 126 138 147 124 132 145 154 130 139 152 161 135 144 157 167
* Entering Indoor Dry Bulb Temperature NOTE: Shaded area is ACCA (TVA) conditions KW=Total system pow er AMPS=outdoor unit amps (comp.+fan)

24
COOLING PERFORMANCE DATA ASX140361B* / C*
EXPANDED PERFORMANCE DATA COOLING OPERATION
MODEL: ASX140361B*/CA*F3642*6C* Outdoor Ambient Temperature
65 75 85 95 105 115
Entering Indoor Wet Bulb Temperature
IDB*Airflow 59636771596367715963677159 63 67 715963677159636771
MBh 31.4 32.1 34.3 36.7 30.7 31.4 33.5 35.8 30.0 30.6 32.7 35.0 29.3 29.9 31.9 34.1 27.8 28.4 30.3 32.4 25.7 26.3 28.1 30.0
S/T 0.85 0.80 0.65 0.48 0.88 0.83 0.67 0.50 0.90 0.85 0.69 0.52 0.93 0.87 0.71 0.53 0.97 0.91 0.74 0.55 0.98 0.92 0.74 0.56
Delta T23222016242320162423201624 23 20 162423201622211815
1050 KW 2.20 2.25 2.32 2.40 2.37 2.43 2.50 2.59 2.53 2.58 2.67 2.76 2.66 2.72 2.81 2.90 2.77 2.84 2.93 3.03 2.87 2.94 3.04 3.14
AMPS 7.7 7.9 8.2 8.5 8.3 8.5 8.8 9.1 9.0 9.3 9.6 9.9 9.7 9.9 10.2 10.6 10.3 10.5 10.9 11.3 10.9 11.1 11.5 11.9
HI PR 223 240 253 264 250 269 284 296 284 306 323 337 324 349 368 384 365 392 414 432 403 433 458 477
LO PR 105 111 122 130 111 118 128 137 115 122 134 142 121 128 140 149 127 135 147 157 131 139 152 162
MBh 34.1 34.8 37.2 39.8 33.3 34.0 36.3 38.8 32.5 33.2 35.5 37.9 31.7 32.4 34.6 37.0 30.1 30.8 32.9 35.1 27.9 28.5 30.4 32.5
S/T 0.88 0.83 0.67 0.50 0.91 0.86 0.70 0.52 0.94 0.88 0.71 0.53 0.97 0.91 0.74 0.55 1.00 0.94 0.77 0.57 1.00 0.95 0.77 0.58
Delta T23221915232219162322191623 22 20 16 23 22 19 15 21 21 18 14
80 1200 KW 2.26 2.30 2.38 2.46 2.43 2.49 2.57 2.65 2.59 2.65 2.74 2.83 2.73 2.79 2.88 2.98 2.85 2.91 3.01 3.11 2.95 3.01 3.12 3.22
AMPS 7.9 8.1 8.4 8.7 8.6 8.8 9.1 9.4 9.3 9.5 9.8 10.2 9.9 10.2 10.5 10.9 10.6 10.8 11.2 11.6 11.2 11.5 11.8 12.3
HI PR 230 247 261 272 258 278 293 306 293 316 333 348 334 359 380 396 376 404 427 445 415 447 472 492
LO PR 108 115 125 134 114 121 132 141 119 126 138 147 125 132 145 154 130 139 152 161 135 144 157 167
MBh 35.1 35.9 38.3 41.0 34.3 35.0 37.4 40.0 33.5 34.2 36.5 39.0 32.6 33.4 35.6 38.1 31.0 31.7 33.9 36.2 28.7 29.4 31.4 33.5
S/T 0.92 0.87 0.71 0.53 0.96 0.90 0.73 0.55 1.00 0.92 0.75 0.56 1.00 0.95 0.77 0.58 1.00 1.00 0.80 0.60 1.00 1.00 0.81 0.61
Delta T22211815222119152321191522 22 19 152122191520201714
1350 KW 2.27 2.32 2.40 2.48 2.45 2.51 2.59 2.68 2.61 2.67 2.76 2.85 2.75 2.81 2.91 3.01 2.87 2.94 3.03 3.14 2.97 3.04 3.14 3.25
AMPS 8.0 8.2 8.5 8.8 8.6 8.8 9.1 9.5 9.4 9.6 9.9 10.3 10.0 10.3 10.6 11.0 10.7 10.9 11.3 11.7 11.3 11.6 11.9 12.4
HI PR 232 250 264 275 260 280 296 309 296 319 337 351 337 363 383 400 380 408 431 450 419 451 477 497
LO PR 109 116 127 135 115 123 134 142 120 127 139 148 126 134 146 156 132 140 153 163 136 145 158 169
MBh 32.0 32.6 34.2 36.4 31.3 31.9 33.4 35.6 30.5 31.1 32.6 34.7 29.8 30.3 31.8 33.9 28.3 28.8 30.2 32.2 26.2 26.7 28.0 29.8
S/T 0.89 0.86 0.78 0.63 0.92 0.89 0.80 0.65 0.95 0.91 0.82 0.67 0.98 0.94 0.85 0.69 1.00 0.98 0.88 0.72 1.00 0.99 0.89 0.72
Delta T25252320252523202525242025 25 24 202525232023232219
1050 KW 2.22 2.27 2.34 2.42 2.39 2.45 2.52 2.61 2.55 2.60 2.69 2.78 2.68 2.74 2.83 2.93 2.80 2.86 2.96 3.06 2.90 2.96 3.06 3.17
AMPS 7.8 8.0 8.2 8.5 8.4 8.6 8.9 9.2 9.1 9.3 9.6 10.0 9.7 10.0 10.3 10.7 10.4 10.6 11.0 11.4 11.0 11.2 11.6 12.1
HI PR 225 242 256 267 253 272 287 299 287 309 327 341 327 352 372 388 368 396 418 436 407 438 462 482
LO PR 106 113 123 131 112 119 130 138 116 124 135 144 122 130 142 151 128 136 148 158 132 141 154 164
MBh 34.7 35.3 37.0 39.5 33.9 34.5 36.1 38.6 33.1 33.7 35.3 37.6 32.2 32.9 34.4 36.7 30.6 31.2 32.7 34.9 28.4 28.9 30.3 32.3
S/T 0.92 0.89 0.80 0.65 0.96 0.92 0.83 0.68 0.98 0.95 0.86 0.69 1.00 0.98 0.88 0.72 1.00 1.00 0.92 0.74 1.00 1.00 0.92 0.75
Delta T25242320252423202524232025 25 23 202324232022222119
85 1200 KW 2.27 2.32 2.40 2.48 2.45 2.51 2.59 2.68 2.61 2.67 2.76 2.85 2.75 2.81 2.91 3.01 2.87 2.94 3.03 3.14 2.97 3.04 3.14 3.25
AMPS 8.0 8.2 8.5 8.8 8.6 8.8 9.1 9.5 9.4 9.6 9.9 10.3 10.0 10.3 10.6 11.0 10.7 10.9 11.3 11.7 11.3 11.6 11.9 12.4
HI PR 232 250 264 275 260 280 296 309 296 319 337 351 337 363 383 400 380 408 431 450 419 451 477 497
LO PR 109 116 127 135 115 123 134 142 120 127 139 148 126 134 146 156 132 140 153 163 136 145 158 169
MBh 35.7 36.4 38.1 40.7 34.9 35.6 37.2 39.7 34.0 34.7 36.3 38.8 33.2 33.9 35.5 37.8 31.6 32.2 33.7 35.9 29.2 29.8 31.2 33.3
S/T 0.97 0.93 0.84 0.68 1.00 0.97 0.87 0.71 1.00 0.99 0.90 0.73 1.00 1.00 0.93 0.75 1.00 1.00 0.96 0.78 1.00 1.00 0.97 0.79
Delta T24232219242322192323221923 23 22 192122221920202118
1350 KW 2.29 2.34 2.42 2.50 2.47 2.53 2.61 2.70 2.63 2.69 2.78 2.88 2.77 2.84 2.93 3.03 2.89 2.96 3.06 3.17 3.00 3.07 3.17 3.28
AMPS 8.1 8.3 8.5 8.8 8.7 8.9 9.2 9.6 9.5 9.7 10.0 10.4 10.1 10.4 10.7 11.1 10.7 11.0 11.4 11.8 11.4 11.7 12.1 12.5
HI PR 234 252 266 278 263 283 299 312 299 322 340 355 341 367 387 404 383 413 436 454 424 456 481 502
LO PR 110 117 128 136 116 124 135 144 121 129 140 150 127 135 148 157 133 142 155 165 138 146 160 170
* Entering Indoor Dry Bulb Temperature NOTE: Shaded area is AHRI Rating Conditions KW=Total system pow er AMPS=outdoor unit amps (comp.+fan)

25
COOLING PERFORMANCE DATA ASX140421A*
EXPANDED PERFORMANCE DATA COOLING OPERATION
MODEL: ASX140421A* / CA*F4860C6A* / .074 Orifice Outdoor Ambient Temperature
65 75 85 95 105 115
Entering Indoor Wet Bulb Temperature
IDB*Airflow 596367715963677159 63 677159 63 67 715963677159636771
MBh 39.2 40.6 44.5 - 38.3 39.7 43.5 - 37.4 38.7 42.4 - 36.5 37.8 41.4 - 34.6 35.9 39.3 - 32.1 33.3 36.4 -
S/T 0.71 0.60 0.41 - 0.74 0.62 0.43 - 0.76 0.63 0.44 - 0.78 0.65 0.45 - 0.81 0.68 0.47 - 0.82 0.68 0.47 -
Delta T 18 16 12 - 19 16 12 - 19 16 12 - 19 16 12 - 18 16 12 - 17 15 11 -
1406 KW 2.71 2.77 2.85 - 2.91 2.96 3.05 - 3.07 3.13 3.23 - 3.22 3.29 3.39 - 3.35 3.42 3.52 - 3.46 3.53 3.64 -
AMPS 9.9 10.1 10.4 - 10.6 10.9 11.2 - 11.5 11.8 12.2 - 12.3 12.6 13.0 - 13.0 13.4 13.8 - 13.8 14.1 14.6 -
HI PR 228 245 249 - 258 277 281 - 293 315 320 - 334 359 364 - 375 404 409 - 420 452 459 -
LO PR 118 121 133 - 121 125 137 - 125 129 141 - 129 133 145 - 131 135 148 - 134 139 151 -
MBh 38.1 39.4 43.2 - 37.2 38.5 42.2 - 36.3 37.6 41.2 - 35.4 36.7 40.2 - 33.6 34.9 38.2 - 31.2 32.3 35.4 -
S/T 0.68 0.57 0.39 - 0.71 0.59 0.41 - 0.72 0.60 0.42 - 0.75 0.62 0.43 - 0.78 0.65 0.45 - 0.78 0.65 0.45 -
Delta T 19 16 13 - 19 17 13 - 19 17 13 - 19 17 13 - 19 17 13 - 18 16 12 -
70 1250 KW 2.70 2.75 2.83 - 2.88 2.94 3.03 - 3.05 3.11 3.20 - 3.20 3.26 3.36 - 3.32 3.39 3.49 - 3.43 3.50 3.61 -
AMPS 9.8 10.0 10.3 - 10.5 10.8 11.1 - 11.4 11.7 12.1 - 12.2 12.5 12.9 - 12.9 13.2 13.7 - 13.7 14.0 14.5 -
HI PR 226 243 246 - 255 274 278 - 290 312 316 - 330 355 360 - 372 400 405 - 416 448 454 -
LO PR 117 120 131 - 120 124 135 - 124 128 140 - 127 131 144 - 130 134 146 - 133 137 150 -
MBh 35.1 36.4 39.9 - 34.3 35.6 39.0 - 33.5 34.7 38.0 - 32.7 33.9 37.1 - 31.0 32.2 35.2 - 28.8 29.8 32.7 -
S/T 0.66 0.55 0.38 - 0.68 0.57 0.39 - 0.70 0.58 0.40 - 0.72 0.60 0.42 - 0.75 0.62 0.43 - 0.75 0.63 0.44 -
Delta T 19 17 13 - 20 17 13 - 20 17 13 - 20 17 13 - 19 17 13 - 18 16 12 -
1094 KW 2.68 2.73 2.81 - 2.86 2.92 3.00 - 3.03 3.09 3.18 - 3.17 3.24 3.33 - 3.30 3.36 3.47 - 3.40 3.47 3.58 -
AMPS 9.7 9.9 10.2 - 10.4 10.7 11.0 - 11.3 11.6 11.9 - 12.1 12.3 12.7 - 12.8 13.1 13.5 - 13.6 13.9 14.3 -
HI PR 223 240 244 - 253 272 275 - 287 309 313 - 327 352 357 - 368 396 401 - 412 443 449 -
LO PR 115 119 130 - 119 123 134 - 123 127 138 - 126 130 142 - 129 133 145 - 132 136 148 -
MBh 39.9 41.0 44.4 47.7 38.9 40.1 43.4 46.6 38.0 39.1 42.4 45.5 37.1 38.2 41.3 44.4 35.2 36.3 39.3 42.1 32.6 33.6 36.4 39.0
S/T 0.81 0.73 0.55 0.35 0.84 0.75 0.57 0.37 0.86 0.77 0.58 0.38 0.89 0.80 0.60 0.39 0.92 0.83 0.63 0.40 0.93 0.83 0.63 0.41
Delta T211916112120161121 20 161122 20 16 11 21 20 16 11 20 18 15 10
1406 KW 2.71 2.77 2.85 2.93 2.91 2.96 3.05 3.14 3.07 3.13 3.23 3.33 3.22 3.29 3.39 3.49 3.35 3.42 3.52 3.63 3.46 3.53 3.64 3.75
AMPS 9.9 10.1 10.4 10.8 10.6 10.9 11.2 11.6 11.5 11.8 12.2 12.6 12.3 12.6 13.0 13.5 13.0 13.4 13.8 14.3 13.8 14.1 14.6 15.1
HI PR 228 245 249 254 258 277 281 287 293 315 320 327 334 359 364 372 375 404 409 418 420 452 459 469
LO PR 118 121 133 141 121 125 137 145 125 129 141 150 129 133 145 154 131 135 148 157 134 139 151 161
MBh 38.7 39.8 43.1 46.3 37.8 38.9 42.1 45.2 36.9 38.0 41.1 44.1 36.0 37.1 40.1 43.1 34.2 35.2 38.1 40.9 31.7 32.6 35.3 37.9
S/T 0.77 0.69 0.52 0.34 0.80 0.72 0.54 0.35 0.82 0.74 0.56 0.36 0.85 0.76 0.57 0.37 0.88 0.79 0.60 0.38 0.89 0.79 0.60 0.39
Delta T222017112221171222 21 171222 21 17 12 22 20 17 12 21 19 16 11
75 1250 KW 2.70 2.75 2.83 2.91 2.88 2.94 3.03 3.12 3.05 3.11 3.20 3.30 3.20 3.26 3.36 3.47 3.32 3.39 3.49 3.60 3.43 3.50 3.61 3.72
AMPS 9.8 10.0 10.3 10.7 10.5 10.8 11.1 11.5 11.4 11.7 12.1 12.5 12.2 12.5 12.9 13.3 12.9 13.2 13.7 14.2 13.7 14.0 14.5 15.0
HI PR 226 243 246 251 255 274 278 284 290 312 316 323 330 355 360 368 372 400 405 414 416 448 454 464
LO PR 117 120 131 140 120 124 135 144 124 128 140 149 127 131 144 153 130 134 146 156 133 137 150 160
MBh 35.7 36.8 39.8 42.7 34.9 35.9 38.9 41.7 34.1 35.1 38.0 40.7 33.2 34.2 37.0 39.7 31.6 32.5 35.2 37.8 29.2 30.1 32.6 35.0
S/T 0.75 0.67 0.51 0.32 0.77 0.69 0.52 0.34 0.79 0.71 0.54 0.35 0.82 0.73 0.55 0.36 0.85 0.76 0.58 0.37 0.86 0.77 0.58 0.37
Delta T222117122321171223 21 171223 21 17 12 23 21 17 12 21 19 16 11
1094 KW 2.68 2.73 2.81 2.89 2.86 2.92 3.00 3.09 3.03 3.09 3.18 3.28 3.17 3.24 3.33 3.44 3.30 3.36 3.47 3.58 3.40 3.47 3.58 3.69
AMPS 9.7 9.9 10.2 10.6 10.4 10.7 11.0 11.4 11.3 11.6 11.9 12.4 12.1 12.3 12.7 13.2 12.8 13.1 13.5 14.0 13.6 13.9 14.3 14.9
HI PR 223 240 244 249 253 272 275 281 287 309 313 320 327 352 357 365 368 396 401 410 412 443 449 459
LO PR 115 119 130 138 119 123 134 143 123 127 138 147 126 130 142 151 129 133 145 154 132 136 148 158
* Entering Indoor Dry Bulb Temperature NOTE: Shaded area is ACCA (TVA) conditions

26
COOLING PERFORMANCE DATA ASX140421A*
EXPANDED PERFORMANCE DATA COOLING OPERATION
MODEL: ASX140421A* / CA*F4860C6A* / .074 Orifice Outdoor Ambient Temperature
65 75 85 95 105 115
Entering Indoor Wet Bulb Temperature
IDB*Airflow 596367715963677159 63 677159 63 67 715963677159636771
MBh 40.6 41.5 44.3 47.3 39.6 40.5 43.3 46.2 38.7 39.5 42.2 45.1 37.7 38.6 41.2 44.0 35.9 36.6 39.1 41.8 33.2 33.9 36.3 38.8
S/T 0.89 0.83 0.68 0.51 0.92 0.86 0.70 0.53 0.95 0.89 0.72 0.54 1.00 0.92 0.75 0.56 1.00 0.95 0.77 0.58 1.00 0.96 0.78 0.58
Delta T242320162423201624 23 201625 23 20 162323201622211815
1406 KW 2.71 2.77 2.85 2.93 2.91 2.96 3.05 3.14 3.07 3.13 3.23 3.33 3.22 3.29 3.39 3.49 3.35 3.42 3.52 3.63 3.46 3.53 3.64 3.75
AMPS 9.9 10.1 10.4 10.8 10.6 10.9 11.2 11.6 11.5 11.8 12.2 12.6 12.3 12.6 13.0 13.5 13.0 13.4 13.8 14.3 13.8 14.1 14.6 15.1
HI PR 228 245 249 254 258 277 281 287 293 315 320 327 334 359 364 372 375 404 409 418 420 452 459 469
LO PR 118 121 133 141 121 125 137 145 125 129 141 150 129 133 145 154 131 135 148 157 134 139 151 161
MBh 39.4 40.2 43.0 46.0 38.5 39.3 42.0 44.9 37.6 38.4 41.0 43.8 36.6 37.4 40.0 42.8 34.8 35.6 38.0 40.6 32.2 32.9 35.2 37.6
S/T 0.85 0.80 0.65 0.48 0.88 0.82 0.67 0.50 0.90 0.85 0.69 0.51 0.93 0.87 0.71 0.53 0.97 0.91 0.74 0.55 0.97 0.91 0.74 0.56
Delta T252420162524211725 24 211725 24 21 17 25 24 21 16 23 22 19 15
80 1250 KW 2.70 2.75 2.83 2.91 2.88 2.94 3.03 3.12 3.05 3.11 3.20 3.30 3.20 3.26 3.36 3.47 3.32 3.39 3.49 3.60 3.43 3.50 3.61 3.72
AMPS 9.8 10.0 10.3 10.7 10.5 10.8 11.1 11.5 11.4 11.7 12.1 12.5 12.2 12.5 12.9 13.3 12.9 13.2 13.7 14.2 13.7 14.0 14.5 15.0
HI PR 226 243 246 251 255 274 278 284 290 312 316 323 330 355 360 368 372 400 405 414 416 448 454 464
LO PR 117 120 131 140 120 124 135 144 124 128 140 149 127 131 144 153 130 134 146 156 133 137 150 160
MBh 36.4 37.1 39.7 42.4 35.5 36.3 38.8 41.4 34.7 35.4 37.8 40.5 33.8 34.6 36.9 39.5 32.1 32.8 35.1 37.5 29.8 30.4 32.5 34.7
S/T 0.82 0.77 0.62 0.47 0.85 0.80 0.65 0.48 0.87 0.82 0.66 0.50 0.90 0.84 0.69 0.51 0.93 0.87 0.71 0.53 0.94 0.88 0.72 0.54
Delta T252421172524211725 24 211726 24 21 172524211724232016
1094 KW 2.68 2.73 2.81 2.89 2.86 2.92 3.00 3.09 3.03 3.09 3.18 3.28 3.17 3.24 3.33 3.44 3.30 3.36 3.47 3.58 3.40 3.47 3.58 3.69
AMPS 9.7 9.9 10.2 10.6 10.4 10.7 11.0 11.4 11.3 11.6 11.9 12.4 12.1 12.3 12.7 13.2 12.8 13.1 13.5 14.0 13.6 13.9 14.3 14.9
HI PR 223 240 244 249 253 272 275 281 287 309 313 320 327 352 357 365 368 396 401 410 412 443 449 459
LO PR 115 119 130 138 119 123 134 143 123 127 138 147 126 130 142 151 129 133 145 154 132 136 148 158
MBh 41.3 42.1 44.1 47.0 40.3 41.1 43.0 45.9 39.4 40.1 42.0 44.8 38.4 39.1 41.0 43.7 36.5 37.2 38.9 41.5 33.8 34.4 36.1 38.5
S/T 0.93 0.90 0.81 0.66 0.97 0.93 0.84 0.68 0.99 0.96 0.86 0.70 1.00 0.99 0.89 0.72 1.00 1.00 0.92 0.75 1.00 1.00 0.93 0.76
Delta T252523202525242126 25 242125 25 24 212424242022232219
1406 KW 2.71 2.77 2.85 2.93 2.91 2.96 3.05 3.14 3.07 3.13 3.23 3.33 3.22 3.29 3.39 3.49 3.35 3.42 3.52 3.63 3.46 3.53 3.64 3.75
AMPS 9.9 10.1 10.4 10.8 10.6 10.9 11.2 11.6 11.5 11.8 12.2 12.6 12.3 12.6 13.0 13.5 13.0 13.4 13.8 14.3 13.8 14.1 14.6 15.1
HI PR 228 245 249 254 258 277 281 287 293 315 320 327 334 359 364 372 375 404 409 418 420 452 459 469
LO PR 118 121 133 141 121 125 137 145 125 129 141 150 129 133 145 154 131 135 148 157 134 139 151 161
MBh 40.1 40.9 42.8 45.6 39.1 39.9 41.8 44.6 38.2 39.0 40.8 43.5 37.3 38.0 39.8 42.5 35.4 36.1 37.8 40.3 32.8 33.4 35.0 37.4
S/T 0.89 0.86 0.77 0.63 0.92 0.89 0.80 0.65 0.95 0.91 0.82 0.67 0.98 0.94 0.85 0.69 1.00 0.98 0.88 0.72 1.00 0.99 0.89 0.72
Delta T262624212726252127 26 252127 26 25 222626252124242320
85 1250 KW 2.70 2.75 2.83 2.91 2.88 2.94 3.03 3.12 3.05 3.11 3.20 3.30 3.20 3.26 3.36 3.47 3.32 3.39 3.49 3.60 3.43 3.50 3.61 3.72
AMPS 9.8 10.0 10.3 10.7 10.5 10.8 11.1 11.5 11.4 11.7 12.1 12.5 12.2 12.5 12.9 13.3 12.9 13.2 13.7 14.2 13.7 14.0 14.5 15.0
HI PR 226 243 246 251 255 274 278 284 290 312 316 323 330 355 360 368 372 400 405 414 416 448 454 464
LO PR 117 120 131 140 120 124 135 144 124 128 140 149 127 131 144 153 130 134 146 156 133 137 150 160
MBh 37.0 37.7 39.5 42.1 36.1 36.8 38.6 41.2 35.3 36.0 37.7 40.2 34.4 35.1 36.7 39.2 32.7 33.3 34.9 37.2 30.3 30.9 32.3 34.5
S/T 0.86 0.83 0.75 0.61 0.89 0.86 0.77 0.63 0.91 0.88 0.79 0.64 0.94 0.91 0.82 0.66 0.98 0.94 0.85 0.69 0.98 0.95 0.86 0.70
Delta T272625212727252227 27 252227 27 25 222726252225252320
1094 KW 2.68 2.73 2.81 2.89 2.86 2.92 3.00 3.09 3.03 3.09 3.18 3.28 3.17 3.24 3.33 3.44 3.30 3.36 3.47 3.58 3.40 3.47 3.58 3.69
AMPS 9.7 9.9 10.2 10.6 10.4 10.7 11.0 11.4 11.3 11.6 11.9 12.4 12.1 12.3 12.7 13.2 12.8 13.1 13.5 14.0 13.6 13.9 14.3 14.9
HI PR 223 240 244 249 253 272 275 281 287 309 313 320 327 352 357 365 368 396 401 410 412 443 449 459
LO PR 115 119 130 138 119 123 134 143 123 127 138 147 126 130 142 151 129 133 145 154 132 136 148 158
* Entering Indoor Dry Bulb Temperature NOTE: Shaded area is ARI Rating Conditions

27
COOLING PERFORMANCE DATA ASX140421B*
EXPANDED PERFORMANCE DATA COOLING OPERATION
MODEL: ASX140421B* / CA*F4860C6A* / .074 Orifice Outdoor Ambient Temperature
65 75 85 95 105 115
Entering Indoor Wet Bulb Temperature
IDB*Airflow 596367715963677159 63 677159 63 67 715963677159636771
MBh 39.2 40.6 44.5 - 38.3 39.7 43.5 - 37.4 38.7 42.4 - 36.5 37.8 41.4 - 34.6 35.9 39.3 - 32.1 33.3 36.4 -
S/T 0.71 0.60 0.41 - 0.74 0.62 0.43 - 0.76 0.63 0.44 - 0.78 0.65 0.45 - 0.81 0.68 0.47 - 0.82 0.68 0.47 -
Delta T 18 16 12 - 19 16 12 - 19 16 12 - 19 16 12 - 18 16 12 - 17 15 11 -
1406 KW 2.71 2.77 2.85 - 2.91 2.96 3.05 - 3.07 3.13 3.23 - 3.22 3.29 3.39 - 3.35 3.42 3.52 - 3.46 3.53 3.64 -
AMPS 9.9 10.1 10.4 - 10.6 10.9 11.2 - 11.5 11.8 12.2 - 12.3 12.6 13.0 - 13.0 13.4 13.8 - 13.8 14.1 14.6 -
HI PR 228 245 249 - 258 277 281 - 293 315 320 - 334 359 364 - 375 404 409 - 420 452 459 -
LO PR 118 121 133 - 121 125 137 - 125 129 141 - 129 133 145 - 131 135 148 - 134 139 151 -
MBh 38.1 39.4 43.2 - 37.2 38.5 42.2 - 36.3 37.6 41.2 - 35.4 36.7 40.2 - 33.6 34.9 38.2 - 31.2 32.3 35.4 -
S/T 0.68 0.57 0.39 - 0.71 0.59 0.41 - 0.72 0.60 0.42 - 0.75 0.62 0.43 - 0.78 0.65 0.45 - 0.78 0.65 0.45 -
Delta T 19 16 13 - 19 17 13 - 19 17 13 - 19 17 13 - 19 17 13 - 18 16 12 -
70 1250 KW 2.70 2.75 2.83 - 2.88 2.94 3.03 - 3.05 3.11 3.20 - 3.20 3.26 3.36 - 3.32 3.39 3.49 - 3.43 3.50 3.61 -
AMPS 9.8 10.0 10.3 - 10.5 10.8 11.1 - 11.4 11.7 12.1 - 12.2 12.5 12.9 - 12.9 13.2 13.7 - 13.7 14.0 14.5 -
HI PR 226 243 246 - 255 274 278 - 290 312 316 - 330 355 360 - 372 400 405 - 416 448 454 -
LO PR 117 120 131 - 120 124 135 - 124 128 140 - 127 131 144 - 130 134 146 - 133 137 150 -
MBh 35.1 36.4 39.9 - 34.3 35.6 39.0 - 33.5 34.7 38.0 - 32.7 33.9 37.1 - 31.0 32.2 35.2 - 28.8 29.8 32.7 -
S/T 0.66 0.55 0.38 - 0.68 0.57 0.39 - 0.70 0.58 0.40 - 0.72 0.60 0.42 - 0.75 0.62 0.43 - 0.75 0.63 0.44 -
Delta T 19 17 13 - 20 17 13 - 20 17 13 - 20 17 13 - 19 17 13 - 18 16 12 -
1094 KW 2.68 2.73 2.81 - 2.86 2.92 3.00 - 3.03 3.09 3.18 - 3.17 3.24 3.33 - 3.30 3.36 3.47 - 3.40 3.47 3.58 -
AMPS 9.7 9.9 10.2 - 10.4 10.7 11.0 - 11.3 11.6 11.9 - 12.1 12.3 12.7 - 12.8 13.1 13.5 - 13.6 13.9 14.3 -
HI PR 223 240 244 - 253 272 275 - 287 309 313 - 327 352 357 - 368 396 401 - 412 443 449 -
LO PR 115 119 130 - 119 123 134 - 123 127 138 - 126 130 142 - 129 133 145 - 132 136 148 -
MBh 39.9 41.0 44.4 47.7 38.9 40.1 43.4 46.6 38.0 39.1 42.4 45.5 37.1 38.2 41.3 44.4 35.2 36.3 39.3 42.1 32.6 33.6 36.4 39.0
S/T 0.81 0.73 0.55 0.35 0.84 0.75 0.57 0.37 0.86 0.77 0.58 0.38 0.89 0.80 0.60 0.39 0.92 0.83 0.63 0.40 0.93 0.83 0.63 0.41
Delta T211916112120161121 20 161122 20 16 11 21 20 16 11 20 18 15 10
1406 KW 2.71 2.77 2.85 2.93 2.91 2.96 3.05 3.14 3.07 3.13 3.23 3.33 3.22 3.29 3.39 3.49 3.35 3.42 3.52 3.63 3.46 3.53 3.64 3.75
AMPS 9.9 10.1 10.4 10.8 10.6 10.9 11.2 11.6 11.5 11.8 12.2 12.6 12.3 12.6 13.0 13.5 13.0 13.4 13.8 14.3 13.8 14.1 14.6 15.1
HI PR 228 245 249 254 258 277 281 287 293 315 320 327 334 359 364 372 375 404 409 418 420 452 459 469
LO PR 118 121 133 141 121 125 137 145 125 129 141 150 129 133 145 154 131 135 148 157 134 139 151 161
MBh 38.7 39.8 43.1 46.3 37.8 38.9 42.1 45.2 36.9 38.0 41.1 44.1 36.0 37.1 40.1 43.1 34.2 35.2 38.1 40.9 31.7 32.6 35.3 37.9
S/T 0.77 0.69 0.52 0.34 0.80 0.72 0.54 0.35 0.82 0.74 0.56 0.36 0.85 0.76 0.57 0.37 0.88 0.79 0.60 0.38 0.89 0.79 0.60 0.39
Delta T222017112221171222 21 171222 21 17 12 22 20 17 12 21 19 16 11
75 1250 KW 2.70 2.75 2.83 2.91 2.88 2.94 3.03 3.12 3.05 3.11 3.20 3.30 3.20 3.26 3.36 3.47 3.32 3.39 3.49 3.60 3.43 3.50 3.61 3.72
AMPS 9.8 10.0 10.3 10.7 10.5 10.8 11.1 11.5 11.4 11.7 12.1 12.5 12.2 12.5 12.9 13.3 12.9 13.2 13.7 14.2 13.7 14.0 14.5 15.0
HI PR 226 243 246 251 255 274 278 284 290 312 316 323 330 355 360 368 372 400 405 414 416 448 454 464
LO PR 117 120 131 140 120 124 135 144 124 128 140 149 127 131 144 153 130 134 146 156 133 137 150 160
MBh 35.7 36.8 39.8 42.7 34.9 35.9 38.9 41.7 34.1 35.1 38.0 40.7 33.2 34.2 37.0 39.7 31.6 32.5 35.2 37.8 29.2 30.1 32.6 35.0
S/T 0.75 0.67 0.51 0.32 0.77 0.69 0.52 0.34 0.79 0.71 0.54 0.35 0.82 0.73 0.55 0.36 0.85 0.76 0.58 0.37 0.86 0.77 0.58 0.37
Delta T222117122321171223 21 171223 21 17 12 23 21 17 12 21 19 16 11
1094 KW 2.68 2.73 2.81 2.89 2.86 2.92 3.00 3.09 3.03 3.09 3.18 3.28 3.17 3.24 3.33 3.44 3.30 3.36 3.47 3.58 3.40 3.47 3.58 3.69
AMPS 9.7 9.9 10.2 10.6 10.4 10.7 11.0 11.4 11.3 11.6 11.9 12.4 12.1 12.3 12.7 13.2 12.8 13.1 13.5 14.0 13.6 13.9 14.3 14.9
HI PR 223 240 244 249 253 272 275 281 287 309 313 320 327 352 357 365 368 396 401 410 412 443 449 459
LO PR 115 119 130 138 119 123 134 143 123 127 138 147 126 130 142 151 129 133 145 154 132 136 148 158
* Entering Indoor Dry Bulb Temperature NOTE: Shaded area is ACCA (TVA) conditions

28
COOLING PERFORMANCE DATA ASX140421B*
EXPANDED PERFORMANCE DATA COOLING OPERATION
MODEL: ASX140421B* / CA*F4860C6A* / .074 Orifice Outdoor Ambient Temperature
65 75 85 95 105 115
Entering Indoor Wet Bulb Temperature
IDB*Airflow 596367715963677159 63 677159 63 67 715963677159636771
MBh 40.6 41.5 44.3 47.3 39.6 40.5 43.3 46.2 38.7 39.5 42.2 45.1 37.7 38.6 41.2 44.0 35.9 36.6 39.1 41.8 33.2 33.9 36.3 38.8
S/T 0.89 0.83 0.68 0.51 0.92 0.86 0.70 0.53 0.95 0.89 0.72 0.54 1.00 0.92 0.75 0.56 1.00 0.95 0.77 0.58 1.00 0.96 0.78 0.58
Delta T242320162423201624 23 201625 23 20 162323201622211815
1406 KW 2.71 2.77 2.85 2.93 2.91 2.96 3.05 3.14 3.07 3.13 3.23 3.33 3.22 3.29 3.39 3.49 3.35 3.42 3.52 3.63 3.46 3.53 3.64 3.75
AMPS 9.9 10.1 10.4 10.8 10.6 10.9 11.2 11.6 11.5 11.8 12.2 12.6 12.3 12.6 13.0 13.5 13.0 13.4 13.8 14.3 13.8 14.1 14.6 15.1
HI PR 228 245 249 254 258 277 281 287 293 315 320 327 334 359 364 372 375 404 409 418 420 452 459 469
LO PR 118 121 133 141 121 125 137 145 125 129 141 150 129 133 145 154 131 135 148 157 134 139 151 161
MBh 39.4 40.2 43.0 46.0 38.5 39.3 42.0 44.9 37.6 38.4 41.0 43.8 36.6 37.4 40.0 42.8 34.8 35.6 38.0 40.6 32.2 32.9 35.2 37.6
S/T 0.85 0.80 0.65 0.48 0.88 0.82 0.67 0.50 0.90 0.85 0.69 0.51 0.93 0.87 0.71 0.53 0.97 0.91 0.74 0.55 0.97 0.91 0.74 0.56
Delta T252420162524211725 24 211725 24 21 17 25 24 21 16 23 22 19 15
80 1250 KW 2.70 2.75 2.83 2.91 2.88 2.94 3.03 3.12 3.05 3.11 3.20 3.30 3.20 3.26 3.36 3.47 3.32 3.39 3.49 3.60 3.43 3.50 3.61 3.72
AMPS 9.8 10.0 10.3 10.7 10.5 10.8 11.1 11.5 11.4 11.7 12.1 12.5 12.2 12.5 12.9 13.3 12.9 13.2 13.7 14.2 13.7 14.0 14.5 15.0
HI PR 226 243 246 251 255 274 278 284 290 312 316 323 330 355 360 368 372 400 405 414 416 448 454 464
LO PR 117 120 131 140 120 124 135 144 124 128 140 149 127 131 144 153 130 134 146 156 133 137 150 160
MBh 36.4 37.1 39.7 42.4 35.5 36.3 38.8 41.4 34.7 35.4 37.8 40.5 33.8 34.6 36.9 39.5 32.1 32.8 35.1 37.5 29.8 30.4 32.5 34.7
S/T 0.82 0.77 0.62 0.47 0.85 0.80 0.65 0.48 0.87 0.82 0.66 0.50 0.90 0.84 0.69 0.51 0.93 0.87 0.71 0.53 0.94 0.88 0.72 0.54
Delta T252421172524211725 24 211726 24 21 172524211724232016
1094 KW 2.68 2.73 2.81 2.89 2.86 2.92 3.00 3.09 3.03 3.09 3.18 3.28 3.17 3.24 3.33 3.44 3.30 3.36 3.47 3.58 3.40 3.47 3.58 3.69
AMPS 9.7 9.9 10.2 10.6 10.4 10.7 11.0 11.4 11.3 11.6 11.9 12.4 12.1 12.3 12.7 13.2 12.8 13.1 13.5 14.0 13.6 13.9 14.3 14.9
HI PR 223 240 244 249 253 272 275 281 287 309 313 320 327 352 357 365 368 396 401 410 412 443 449 459
LO PR 115 119 130 138 119 123 134 143 123 127 138 147 126 130 142 151 129 133 145 154 132 136 148 158
MBh 41.3 42.1 44.1 47.0 40.3 41.1 43.0 45.9 39.4 40.1 42.0 44.8 38.4 39.1 41.0 43.7 36.5 37.2 38.9 41.5 33.8 34.4 36.1 38.5
S/T 0.93 0.90 0.81 0.66 0.97 0.93 0.84 0.68 0.99 0.96 0.86 0.70 1.00 0.99 0.89 0.72 1.00 1.00 0.92 0.75 1.00 1.00 0.93 0.76
Delta T252523202525242126 25 242125 25 24 212424242022232219
1406 KW 2.71 2.77 2.85 2.93 2.91 2.96 3.05 3.14 3.07 3.13 3.23 3.33 3.22 3.29 3.39 3.49 3.35 3.42 3.52 3.63 3.46 3.53 3.64 3.75
AMPS 9.9 10.1 10.4 10.8 10.6 10.9 11.2 11.6 11.5 11.8 12.2 12.6 12.3 12.6 13.0 13.5 13.0 13.4 13.8 14.3 13.8 14.1 14.6 15.1
HI PR 228 245 249 254 258 277 281 287 293 315 320 327 334 359 364 372 375 404 409 418 420 452 459 469
LO PR 118 121 133 141 121 125 137 145 125 129 141 150 129 133 145 154 131 135 148 157 134 139 151 161
MBh 40.1 40.9 42.8 45.6 39.1 39.9 41.8 44.6 38.2 39.0 40.8 43.5 37.3 38.0 39.8 42.5 35.4 36.1 37.8 40.3 32.8 33.4 35.0 37.4
S/T 0.89 0.86 0.77 0.63 0.92 0.89 0.80 0.65 0.95 0.91 0.82 0.67 0.98 0.94 0.85 0.69 1.00 0.98 0.88 0.72 1.00 0.99 0.89 0.72
Delta T262624212726252127 26 252127 26 25 222626252124242320
85 1250 KW 2.70 2.75 2.83 2.91 2.88 2.94 3.03 3.12 3.05 3.11 3.20 3.30 3.20 3.26 3.36 3.47 3.32 3.39 3.49 3.60 3.43 3.50 3.61 3.72
AMPS 9.8 10.0 10.3 10.7 10.5 10.8 11.1 11.5 11.4 11.7 12.1 12.5 12.2 12.5 12.9 13.3 12.9 13.2 13.7 14.2 13.7 14.0 14.5 15.0
HI PR 226 243 246 251 255 274 278 284 290 312 316 323 330 355 360 368 372 400 405 414 416 448 454 464
LO PR 117 120 131 140 120 124 135 144 124 128 140 149 127 131 144 153 130 134 146 156 133 137 150 160
MBh 37.0 37.7 39.5 42.1 36.1 36.8 38.6 41.2 35.3 36.0 37.7 40.2 34.4 35.1 36.7 39.2 32.7 33.3 34.9 37.2 30.3 30.9 32.3 34.5
S/T 0.86 0.83 0.75 0.61 0.89 0.86 0.77 0.63 0.91 0.88 0.79 0.64 0.94 0.91 0.82 0.66 0.98 0.94 0.85 0.69 0.98 0.95 0.86 0.70
Delta T272625212727252227 27 252227 27 25 222726252225252320
1094 KW 2.68 2.73 2.81 2.89 2.86 2.92 3.00 3.09 3.03 3.09 3.18 3.28 3.17 3.24 3.33 3.44 3.30 3.36 3.47 3.58 3.40 3.47 3.58 3.69
AMPS 9.7 9.9 10.2 10.6 10.4 10.7 11.0 11.4 11.3 11.6 11.9 12.4 12.1 12.3 12.7 13.2 12.8 13.1 13.5 14.0 13.6 13.9 14.3 14.9
HI PR 223 240 244 249 253 272 275 281 287 309 313 320 327 352 357 365 368 396 401 410 412 443 449 459
LO PR 115 119 130 138 119 123 134 143 123 127 138 147 126 130 142 151 129 133 145 154 132 136 148 158
* Entering Indoor Dry Bulb Temperature NOTE: Shaded area is ARI Rating Conditions

29
COOLING PERFORMANCE DATA ASX140421C* / D*
EXPANDED PERFORMANCE DATA COOLING OPERATION
MODEL: ASX140421C*/CA*F4860*6B* Outdoor Ambient Temperature
65 75 85 95 105 115
Entering Indoor Wet Bulb Temperature
IDB*Airflow 59636771596367715963677159 63 67 715963677159636771
MBh 35.1 36.4 39.9 - 34.3 35.6 39.0 - 33.5 34.7 38.0 - 32.7 33.9 37.1 - 31.0 32.2 35.2 - 28.8 29.8 32.7 -
S/T 0.69 0.58 0.40 - 0.72 0.60 0.41 - 0.73 0.61 0.42 - 0.76 0.63 0.44 - 0.79 0.66 0.46 - 0.79 0.66 0.46 -
Delta T 18 16 12 - 18 16 12 - 18 16 12 - 19 16 12 - 18 16 12 - 17 15 11 -
1225 KW 2.06 2.11 2.18 - 2.23 2.29 2.37 - 2.39 2.45 2.53 - 2.52 2.59 2.68 - 2.64 2.70 2.80 - 2.74 2.81 2.91 -
AMPS 8.8 9.0 9.3 - 9.5 9.7 10.0 - 10.3 10.5 10.9 - 11.0 11.3 11.6 - 11.7 12.0 12.4 - 12.4 12.7 13.1 -
HI PR 224 242 255 - 252 271 286 - 286 308 326 - 326 351 371 - 367 395 417 - 406 436 461 -
LO PR 108 114 125 - 114 121 132 - 118 126 137 - 124 132 144 - 130 138 151 - 134 143 156 -
MBh 38.1 39.4 43.2 - 37.2 38.5 42.2 - 36.3 37.6 41.2 - 35.4 36.7 40.2 - 33.6 34.9 38.2 - 31.2 32.3 35.4 -
S/T 0.72 0.60 0.41 - 0.74 0.62 0.43 - 0.76 0.64 0.44 - 0.79 0.66 0.45 - 0.82 0.68 0.47 - 0.82 0.69 0.48 -
Delta T 17 15 11 - 18 15 11 - 18 15 12 - 18 15 12 - 17 15 11 - 16 14 11 -
70 1450 KW 2.11 2.16 2.24 - 2.29 2.35 2.43 - 2.45 2.51 2.60 - 2.60 2.66 2.75 - 2.71 2.78 2.88 - 2.82 2.89 2.99 -
AMPS 9.0 9.2 9.5 - 9.7 10.0 10.3 - 10.6 10.8 11.2 - 11.3 11.6 12.0 - 12.0 12.3 12.7 - 12.8 13.1 13.5 -
HI PR 231 249 263 - 260 279 295 - 295 318 336 - 336 362 382 - 378 407 430 - 418 450 475 -
LO PR 111 118 129 - 117 125 136 - 122 129 141 - 128 136 148 - 134 143 156 - 139 147 161 -
MBh 38.4 39.8 43.6 - 37.5 38.9 42.6 - 36.6 38.0 41.6 - 35.8 37.1 40.6 - 34.0 35.2 38.6 - 31.5 32.6 35.7 -
S/T 0.73 0.61 0.42 - 0.76 0.63 0.44 - 0.78 0.65 0.45 - 0.80 0.67 0.46 - 0.83 0.69 0.48 - 0.84 0.70 0.49 -
Delta T 16 14 11 - 17 14 11 - 17 14 11 - 17 14 11 - 16 14 11 - 15 13 10 -
1575 KW 2.12 2.17 2.25 - 2.30 2.36 2.44 - 2.46 2.52 2.61 - 2.60 2.67 2.76 - 2.72 2.79 2.89 - 2.83 2.89 3.00 -
AMPS 9.0 9.2 9.6 - 9.8 10.0 10.3 - 10.6 10.9 11.2 - 11.3 11.6 12.0 - 12.1 12.4 12.8 - 12.8 13.1 13.6 -
HI PR 232 250 264 - 260 280 296 - 296 319 337 - 337 363 383 - 380 408 431 - 419 451 476 -
LO PR 111 118 129 - 117 125 136 - 122 130 142 - 128 136 149 - 134 143 156 - 139 148 161 -
MBh 35.7 36.8 39.8 42.7 34.9 35.9 38.9 41.7 34.1 35.1 38.0 40.7 33.2 34.2 37.0 39.7 31.6 32.5 35.2 37.8 29.2 30.1 32.6 35.0
S/T 0.79 0.70 0.53 0.34 0.81 0.73 0.55 0.35 0.83 0.75 0.56 0.36 0.86 0.77 0.58 0.38 0.89 0.80 0.61 0.39 0.90 0.81 0.61 0.39
Delta T21191611212016112120161121 20 16 11 21 20 16 11 20 18 15 10
1225 KW 2.08 2.13 2.20 2.28 2.25 2.31 2.39 2.47 2.41 2.47 2.56 2.65 2.55 2.61 2.70 2.80 2.67 2.73 2.83 2.93 2.77 2.83 2.94 3.04
AMPS 8.8 9.1 9.4 9.7 9.6 9.8 10.1 10.5 10.4 10.6 11.0 11.4 11.1 11.4 11.8 12.2 11.8 12.1 12.5 13.0 12.5 12.8 13.3 13.8
HI PR 227 244 258 269 254 274 289 302 289 311 329 343 330 355 375 391 371 399 421 439 410 441 466 486
LO PR 109 116 126 134 115 122 133 142 119 127 139 148 125 133 145 155 131 140 152 162 136 144 158 168
MBh 38.7 39.8 43.1 46.3 37.8 38.9 42.1 45.2 36.9 38.0 41.1 44.1 36.0 37.1 40.1 43.1 34.2 35.2 38.1 40.9 31.7 32.6 35.3 37.9
S/T 0.81 0.73 0.55 0.35 0.84 0.76 0.57 0.37 0.87 0.77 0.59 0.38 0.89 0.80 0.60 0.39 0.93 0.83 0.63 0.40 0.94 0.84 0.63 0.41
Delta T20181510201915112019151120 19 15 11 20 19 15 10 19 17 14 10
75 1450 KW 2.13 2.18 2.26 2.34 2.32 2.37 2.45 2.54 2.48 2.54 2.63 2.72 2.62 2.68 2.78 2.88 2.74 2.81 2.91 3.01 2.84 2.91 3.02 3.13
AMPS 9.1 9.3 9.6 10.0 9.8 10.1 10.4 10.8 10.7 10.9 11.3 11.7 11.4 11.7 12.1 12.5 12.2 12.5 12.9 13.4 12.9 13.2 13.6 14.2
HI PR 234 252 266 277 262 282 298 311 298 321 339 354 340 366 386 403 382 411 434 453 422 454 480 501
LO PR 112 119 130 138 118 126 137 146 123 131 143 152 129 137 150 160 135 144 157 167 140 149 163 173
MBh 39.1 40.2 43.6 46.8 38.2 39.3 42.5 45.7 37.3 38.4 41.5 44.6 36.4 37.4 40.5 43.5 34.5 35.6 38.5 41.3 32.0 32.9 35.7 38.3
S/T 0.83 0.74 0.56 0.36 0.86 0.77 0.58 0.37 0.88 0.79 0.60 0.38 0.91 0.81 0.62 0.40 0.95 0.85 0.64 0.41 0.95 0.85 0.65 0.42
Delta T19171410191814101918141019 18 15 10 19 18 14 10 18 16 13 9
1575 KW 2.14 2.19 2.27 2.35 2.32 2.38 2.46 2.55 2.48 2.54 2.63 2.73 2.63 2.69 2.79 2.89 2.75 2.81 2.92 3.02 2.85 2.92 3.03 3.14
AMPS 9.1 9.3 9.6 10.0 9.9 10.1 10.4 10.8 10.7 11.0 11.3 11.8 11.4 11.7 12.1 12.6 12.2 12.5 12.9 13.4 12.9 13.2 13.7 14.2
HI PR 234 252 266 278 263 283 299 312 299 322 340 355 341 367 387 404 383 413 436 454 424 456 481 502
LO PR 112 119 130 139 119 126 138 147 123 131 143 153 130 138 150 160 136 144 158 168 140 149 163 174
* Entering Indoor Dry Bulb Temperature NOTE: Shaded area is ACCA (TVA) conditions KW=Total system pow er AMPS=outdoor unit amps (comp.+fan)

30
COOLING PERFORMANCE DATA ASX140421C* / D*
EXPANDED PERFORMANCE DATA COOLING OPERATION
MODEL: ASX140421C*/CA*F4860*6B* Outdoor Ambient Temperature
65 75 85 95 105 115
Entering Indoor Wet Bulb Temperature
IDB*Airflow 59636771596367715963677159 63 67 715963677159636771
MBh 36.4 37.1 39.7 42.4 35.5 36.3 38.8 41.4 34.7 35.4 37.8 40.5 33.8 34.6 36.9 39.5 32.1 32.8 35.1 37.5 29.8 30.4 32.5 34.7
S/T 0.86 0.81 0.66 0.49 0.89 0.84 0.68 0.51 0.92 0.86 0.70 0.52 0.94 0.89 0.72 0.54 0.98 0.92 0.75 0.56 0.99 0.93 0.75 0.56
Delta T24232016242320162423201624 23 20 162423201622211815
1225 KW 2.10 2.14 2.22 2.30 2.27 2.33 2.41 2.50 2.43 2.49 2.58 2.67 2.57 2.63 2.73 2.83 2.69 2.75 2.85 2.96 2.79 2.86 2.96 3.07
AMPS 8.9 9.1 9.4 9.8 9.6 9.9 10.2 10.6 10.5 10.7 11.1 11.5 11.2 11.5 11.9 12.3 11.9 12.2 12.6 13.1 12.6 12.9 13.4 13.9
HI PR 229 246 260 271 257 277 292 305 292 315 332 346 333 358 378 395 375 403 426 444 414 445 470 490
LO PR 110 117 127 136 116 123 135 143 120 128 140 149 127 135 147 157 133 141 154 164 137 146 159 170
MBh 39.4 40.2 43.0 46.0 38.5 39.3 42.0 44.9 37.6 38.4 41.0 43.8 36.6 37.4 40.0 42.8 34.8 35.6 38.0 40.6 32.2 32.9 35.2 37.6
S/T 0.89 0.84 0.68 0.51 0.93 0.87 0.71 0.53 0.95 0.89 0.72 0.54 0.98 0.92 0.75 0.56 1.00 0.95 0.78 0.58 1.00 0.96 0.78 0.59
Delta T22211915232219152322191523 22 19 15 22 22 19 15 20 20 17 14
80 1450 KW 2.15 2.20 2.28 2.36 2.34 2.39 2.48 2.57 2.50 2.56 2.65 2.75 2.64 2.71 2.80 2.91 2.77 2.83 2.93 3.04 2.87 2.94 3.05 3.16
AMPS 9.2 9.4 9.7 10.1 9.9 10.2 10.5 10.9 10.8 11.0 11.4 11.8 11.5 11.8 12.2 12.7 12.3 12.6 13.0 13.5 13.0 13.3 13.8 14.3
HI PR 236 254 268 280 265 285 301 314 301 324 342 357 343 369 390 407 386 415 439 458 427 459 485 506
LO PR 113 120 131 140 119 127 139 148 124 132 144 154 130 139 152 161 137 145 159 169 141 150 164 175
MBh 39.8 40.7 43.4 46.4 38.9 39.7 42.4 45.3 37.9 38.8 41.4 44.3 37.0 37.8 40.4 43.2 35.2 35.9 38.4 41.0 32.6 33.3 35.6 38.0
S/T 0.91 0.85 0.70 0.52 0.94 0.89 0.72 0.54 0.97 0.91 0.74 0.55 1.00 0.94 0.76 0.57 1.00 0.97 0.79 0.59 1.00 0.98 0.80 0.60
Delta T21201814212118142121181422 21 18 142120181419191713
1575 KW 2.16 2.21 2.29 2.37 2.34 2.40 2.48 2.57 2.51 2.57 2.66 2.75 2.65 2.71 2.81 2.91 2.77 2.84 2.94 3.05 2.88 2.95 3.06 3.17
AMPS 9.2 9.4 9.7 10.1 9.9 10.2 10.5 10.9 10.8 11.1 11.4 11.9 11.6 11.8 12.2 12.7 12.3 12.6 13.0 13.5 13.0 13.4 13.8 14.3
HI PR 237 255 269 281 266 286 302 315 302 325 343 358 344 370 391 408 387 417 440 459 428 460 486 507
LO PR 113 121 132 140 120 127 139 148 125 133 145 154 131 139 152 162 137 146 159 170 142 151 165 175
MBh 37.0 37.7 39.5 42.1 36.1 36.8 38.6 41.2 35.3 36.0 37.7 40.2 34.4 35.1 36.7 39.2 32.7 33.3 34.9 37.2 30.3 30.9 32.3 34.5
S/T 0.90 0.87 0.79 0.64 0.94 0.90 0.81 0.66 0.96 0.93 0.84 0.68 0.99 0.96 0.86 0.70 1.00 0.99 0.90 0.73 1.00 1.00 0.90 0.73
Delta T25252320252524202525242026 25 24 212525232023232219
1225 KW 2.11 2.16 2.24 2.32 2.29 2.35 2.43 2.52 2.45 2.51 2.60 2.70 2.59 2.66 2.75 2.85 2.71 2.78 2.88 2.99 2.82 2.89 2.99 3.10
AMPS 9.0 9.2 9.5 9.9 9.7 10.0 10.3 10.7 10.6 10.8 11.2 11.6 11.3 11.6 12.0 12.4 12.0 12.3 12.7 13.2 12.8 13.1 13.5 14.0
HI PR 231 249 263 274 260 279 295 308 295 318 335 350 336 362 382 399 378 407 430 448 418 450 475 495
LO PR 111 118 129 137 117 125 136 145 122 129 141 150 128 136 148 158 134 142 156 166 139 147 161 171
MBh 40.1 40.9 42.8 45.6 39.1 39.9 41.8 44.6 38.2 39.0 40.8 43.5 37.3 38.0 39.8 42.5 35.4 36.1 37.8 40.3 32.8 33.4 35.0 37.4
S/T 0.94 0.90 0.82 0.66 0.97 0.94 0.85 0.69 1.00 0.96 0.87 0.70 1.00 0.99 0.89 0.73 1.00 1.00 0.93 0.75 1.00 1.00 0.94 0.76
Delta T24232219242422192424221924 24 23 202223221921212118
85 1450 KW 2.17 2.22 2.30 2.38 2.36 2.41 2.50 2.59 2.52 2.58 2.67 2.77 2.67 2.73 2.83 2.93 2.79 2.86 2.96 3.07 2.90 2.97 3.07 3.19
AMPS 9.3 9.5 9.8 10.2 10.0 10.3 10.6 11.0 10.9 11.1 11.5 11.9 11.6 11.9 12.3 12.8 12.4 12.7 13.1 13.6 13.1 13.4 13.9 14.4
HI PR 238 257 271 283 268 288 304 317 304 328 346 361 347 373 394 411 390 420 443 462 431 464 490 511
LO PR 114 122 133 141 121 128 140 149 125 133 146 155 132 140 153 163 138 147 160 171 143 152 166 177
MBh 40.5 41.3 43.2 46.1 39.5 40.3 42.2 45.0 38.6 39.3 41.2 44.0 37.7 38.4 40.2 42.9 35.8 36.5 38.2 40.7 33.1 33.8 35.4 37.7
S/T 0.96 0.92 0.83 0.67 0.99 0.96 0.86 0.70 1.00 0.98 0.88 0.72 1.00 1.00 0.91 0.74 1.00 1.00 0.95 0.77 1.00 1.00 0.95 0.77
Delta T23222118232221182322211822 22 21 192121211819202017
1575 KW 2.18 2.23 2.31 2.39 2.36 2.42 2.51 2.60 2.53 2.59 2.68 2.78 2.67 2.74 2.84 2.94 2.80 2.87 2.97 3.08 2.90 2.98 3.08 3.20
AMPS 9.3 9.5 9.8 10.2 10.0 10.3 10.6 11.0 10.9 11.2 11.5 12.0 11.7 11.9 12.3 12.8 12.4 12.7 13.1 13.7 13.2 13.5 13.9 14.5
HI PR 239 257 272 284 268 289 305 318 305 328 347 362 348 374 395 412 391 421 444 464 432 465 491 512
LO PR 115 122 133 142 121 129 141 150 126 134 146 156 132 141 153 163 138 147 161 171 143 152 166 177
* Entering Indoor Dry Bulb Temperature NOTE: Shaded area is AHRI Rating Conditions KW=Total system pow er AMPS=outdoor unit amps (comp.+fan)

31
COOLING PERFORMANCE DATA ASX140481A* / B*
EXPANDED PERFORMANCE DATA COOLING OPERATION
MODEL: ASX140481A* / CA*F4860D6A* / .079 Orifice Outdoor Ambient Temperature
65 75 85 95 105 115
Entering Indoor Wet Bulb Temperature
IDB*Airflow 596367715963677159 63 677159 63 67 715963677159636771
MBh 45.1 46.7 51.2 - 44.0 45.6 50.0 - 43.0 44.5 48.8 - 41.9 43.5 47.6 - 39.8 41.3 45.2 - 36.9 38.2 41.9 -
S/T 0.73 0.61 0.42 - 0.76 0.63 0.44 - 0.78 0.65 0.45 - 0.80 0.67 0.47 - 0.83 0.70 0.48 - 0.84 0.70 0.49 -
Delta T 17 15 11 - 18 15 12 - 18 15 12 - 18 15 12 - 18 15 12 - 16 14 11 -
1744 KW 3.06 3.11 3.20 - 3.27 3.33 3.43 - 3.45 3.52 3.63 - 3.62 3.69 3.81 - 3.76 3.84 3.95 - 3.88 3.96 4.08 -
AMPS 11.0 11.2 11.6 - 11.9 12.1 12.5 - 12.9 13.2 13.6 - 13.7 14.0 14.5 - 14.6 14.9 15.4 - 15.4 15.8 16.3 -
HI PR 234 252 255 - 265 285 289 - 301 324 328 - 343 369 374 - 386 415 421 - 432 464 471 -
LO PR 121 125 137 - 125 129 141 - 129 133 145 - 133 137 149 - 135 139 152 - 139 143 156 -
MBh 43.8 45.4 49.7 - 42.7 44.3 48.5 - 41.7 43.2 47.4 - 40.7 42.2 46.2 - 38.7 40.1 43.9 - 35.8 37.1 40.7 -
S/T 0.70 0.58 0.40 - 0.72 0.61 0.42 - 0.74 0.62 0.43 - 0.77 0.64 0.44 - 0.80 0.66 0.46 - 0.80 0.67 0.46 -
Delta T 18 16 12 - 18 16 12 - 18 16 12 - 19 16 12 - 18 16 12 - 17 15 11 -
70 1550 KW 3.03 3.09 3.18 - 3.24 3.31 3.40 - 3.43 3.50 3.60 - 3.59 3.67 3.78 - 3.73 3.81 3.92 - 3.85 3.93 4.05 -
AMPS 10.9 11.1 11.5 - 11.7 12.0 12.4 - 12.7 13.0 13.5 - 13.6 13.9 14.4 - 14.5 14.8 15.3 - 15.3 15.7 16.2 -
HI PR 232 249 253 - 262 282 286 - 298 320 325 - 339 365 370 - 382 411 416 - 428 460 466 -
LO PR 120 124 135 - 124 128 139 - 128 132 144 - 131 135 148 - 134 138 151 - 137 141 154 -
MBh 40.4 41.9 45.9 - 39.5 40.9 44.8 - 38.5 39.9 43.7 - 37.6 38.9 42.7 - 35.7 37.0 40.5 - 33.1 34.3 37.5 -
S/T 0.67 0.56 0.39 - 0.70 0.58 0.40 - 0.72 0.60 0.41 - 0.74 0.62 0.43 - 0.77 0.64 0.44 - 0.77 0.65 0.45 -
Delta T 18 16 12 - 19 16 12 - 19 16 12 - 19 16 12 - 19 16 12 - 17 15 11 -
1356 KW 3.01 3.07 3.16 - 3.22 3.28 3.38 - 3.40 3.47 3.57 - 3.57 3.64 3.75 - 3.70 3.78 3.89 - 3.82 3.90 4.02 -
AMPS 10.8 11.0 11.4 - 11.6 11.9 12.3 - 12.6 12.9 13.3 - 13.5 13.8 14.2 - 14.3 14.7 15.2 - 15.2 15.5 16.0 -
HI PR 229 247 250 - 259 279 283 - 295 317 322 - 336 361 366 - 378 406 412 - 423 455 462 -
LO PR 119 123 134 - 122 126 138 - 127 131 143 - 130 134 146 - 133 137 149 - 136 140 153 -
MBh 45.8 47.2 51.1 54.8 44.8 46.1 49.9 53.6 43.7 45.0 48.7 52.3 42.6 43.9 47.5 51.0 40.5 41.7 45.1 48.5 37.5 38.6 41.8 44.9
S/T 0.83 0.75 0.56 0.36 0.86 0.77 0.58 0.38 0.89 0.79 0.60 0.39 0.91 0.82 0.62 0.40 0.95 0.85 0.64 0.41 0.96 0.86 0.65 0.42
Delta T201915102019151120 19 151121 19 16 11 20 19 15 11 19 17 14 10
1744 KW 3.06 3.11 3.20 3.30 3.27 3.33 3.43 3.53 3.45 3.52 3.63 3.74 3.62 3.69 3.81 3.92 3.76 3.84 3.95 4.08 3.88 3.96 4.08 4.21
AMPS 11.0 11.2 11.6 12.0 11.9 12.1 12.5 13.0 12.9 13.2 13.6 14.1 13.7 14.0 14.5 15.1 14.6 14.9 15.4 16.0 15.4 15.8 16.3 17.0
HI PR 234 252 255 261 265 285 289 295 301 324 328 335 343 369 374 382 386 415 421 430 432 464 471 481
LO PR 121 125 137 145 125 129 141 150 129 133 145 155 133 137 149 159 135 139 152 162 139 143 156 166
MBh 44.5 45.8 49.6 53.2 43.5 44.8 48.4 52.0 42.4 43.7 47.3 50.8 41.4 42.6 46.1 49.5 39.3 40.5 43.8 47.0 36.4 37.5 40.6 43.6
S/T 0.79 0.71 0.54 0.35 0.82 0.74 0.56 0.36 0.84 0.76 0.57 0.37 0.87 0.78 0.59 0.38 0.90 0.81 0.61 0.39 0.91 0.82 0.62 0.40
Delta T211916112120161121 20 161121 20 16 11 21 19 16 11 20 18 15 10
75 1550 KW 3.03 3.09 3.18 3.27 3.24 3.31 3.40 3.51 3.43 3.50 3.60 3.71 3.59 3.67 3.78 3.89 3.73 3.81 3.92 4.05 3.85 3.93 4.05 4.18
AMPS 10.9 11.1 11.5 11.9 11.7 12.0 12.4 12.9 12.7 13.0 13.5 14.0 13.6 13.9 14.4 14.9 14.5 14.8 15.3 15.9 15.3 15.7 16.2 16.8
HI PR 232 249 253 258 262 282 286 292 298 320 325 332 339 365 370 378 382 411 416 426 428 460 466 477
LO PR 120 124 135 144 124 128 139 148 128 132 144 153 131 135 148 157 134 138 151 161 137 141 154 164
MBh 41.1 42.3 45.8 49.1 40.1 41.3 44.7 48.0 39.2 40.3 43.7 46.8 38.2 39.3 42.6 45.7 36.3 37.4 40.5 43.4 33.6 34.6 37.5 40.2
S/T 0.77 0.69 0.52 0.33 0.79 0.71 0.54 0.35 0.81 0.73 0.55 0.35 0.84 0.75 0.57 0.37 0.87 0.78 0.59 0.38 0.88 0.79 0.60 0.38
Delta T212016112220161122 20 161122 20 16 11 21 20 16 11 20 18 15 10
1356 KW 3.01 3.07 3.16 3.25 3.22 3.28 3.38 3.48 3.40 3.47 3.57 3.68 3.57 3.64 3.75 3.86 3.70 3.78 3.89 4.01 3.82 3.90 4.02 4.15
AMPS 10.8 11.0 11.4 11.8 11.6 11.9 12.3 12.7 12.6 12.9 13.3 13.8 13.5 13.8 14.2 14.8 14.3 14.7 15.2 15.7 15.2 15.5 16.0 16.6
HI PR 229 247 250 256 259 279 283 289 295 317 322 329 336 361 366 374 378 406 412 421 423 455 462 472
LO PR 119 123 134 143 122 126 138 147 127 131 143 152 130 134 146 156 133 137 149 159 136 140 153 163
* Entering Indoor Dry Bulb Temperature NOTE: Shaded area is ACCA (TVA) conditions

32
COOLING PERFORMANCE DATA ASX140481A* / B*
EXPANDED PERFORMANCE DATA COOLING OPERATION
MODEL: ASX140481A* / CA*F4860D6A* / .079 Orifice Outdoor Ambient Temperature
65 75 85 95 105 115
Entering Indoor Wet Bulb Temperature
IDB*Airflow 596367715963677159 63 677159 63 67 715963677159636771
MBh 46.7 47.7 50.9 54.4 45.6 46.6 49.7 53.2 44.5 45.5 48.6 51.9 43.4 44.3 47.4 50.6 41.2 42.1 45.0 48.1 38.2 39.0 41.7 44.6
S/T 0.91 0.86 0.70 0.52 0.95 0.89 0.72 0.54 1.00 0.91 0.74 0.55 1.00 0.94 0.77 0.57 1.00 1.00 0.79 0.59 1.00 1.00 0.80 0.60
Delta T222219152322191523 22 191523 22 19 152222191520211814
1744 KW 3.06 3.11 3.20 3.30 3.27 3.33 3.43 3.53 3.45 3.52 3.63 3.74 3.62 3.69 3.81 3.92 3.76 3.84 3.95 4.08 3.88 3.96 4.08 4.21
AMPS 11.0 11.2 11.6 12.0 11.9 12.1 12.5 13.0 12.9 13.2 13.6 14.1 13.7 14.0 14.5 15.1 14.6 14.9 15.4 16.0 15.4 15.8 16.3 17.0
HI PR 234 252 255 261 265 285 289 295 301 324 328 335 343 369 374 382 386 415 421 430 432 464 471 481
LO PR 121 125 137 145 125 129 141 150 129 133 145 155 133 137 149 159 135 139 152 162 139 143 156 166
MBh 45.3 46.3 49.5 52.9 44.2 45.2 48.3 51.6 43.2 44.1 47.2 50.4 42.1 43.1 46.0 49.2 40.0 40.9 43.7 46.7 37.1 37.9 40.5 43.3
S/T 0.87 0.82 0.67 0.50 0.90 0.85 0.69 0.52 0.93 0.87 0.71 0.53 0.96 0.90 0.73 0.55 0.99 0.93 0.76 0.57 1.00 0.94 0.76 0.57
Delta T232220162423201624 23 201624 23 20 16 24 23 20 16 22 21 18 15
80 1550 KW 3.03 3.09 3.18 3.27 3.24 3.31 3.40 3.51 3.43 3.50 3.60 3.71 3.59 3.67 3.78 3.89 3.73 3.81 3.92 4.05 3.85 3.93 4.05 4.18
AMPS 10.9 11.1 11.5 11.9 11.7 12.0 12.4 12.9 12.7 13.0 13.5 14.0 13.6 13.9 14.4 14.9 14.5 14.8 15.3 15.9 15.3 15.7 16.2 16.8
HI PR 232 249 253 258 262 282 286 292 298 320 325 332 339 365 370 378 382 411 416 426 428 460 466 477
LO PR 120 124 135 144 124 128 139 148 128 132 144 153 131 135 148 157 134 138 151 161 137 141 154 164
MBh 41.8 42.7 45.6 48.8 40.8 41.7 44.6 47.7 39.9 40.7 43.5 46.5 38.9 39.7 42.5 45.4 36.9 37.8 40.3 43.1 34.2 35.0 37.4 39.9
S/T 0.84 0.79 0.64 0.48 0.87 0.82 0.67 0.50 0.89 0.84 0.68 0.51 0.92 0.86 0.70 0.53 0.96 0.90 0.73 0.55 0.97 0.91 0.74 0.55
Delta T242320162423201624 23 201624 23 20 162423201622211915
1356 KW 3.01 3.07 3.16 3.25 3.22 3.28 3.38 3.48 3.40 3.47 3.57 3.68 3.57 3.64 3.75 3.86 3.70 3.78 3.89 4.01 3.82 3.90 4.02 4.15
AMPS 10.8 11.0 11.4 11.8 11.6 11.9 12.3 12.7 12.6 12.9 13.3 13.8 13.5 13.8 14.2 14.8 14.3 14.7 15.2 15.7 15.2 15.5 16.0 16.6
HI PR 229 247 250 256 259 279 283 289 295 317 322 329 336 361 366 374 378 406 412 421 423 455 462 472
LO PR 119 123 134 143 122 126 138 147 127 131 143 152 130 134 146 156 133 137 149 159 136 140 153 163
MBh 47.5 48.4 50.7 54.1 46.4 47.3 49.5 52.8 45.3 46.1 48.3 51.6 44.2 45.0 47.1 50.3 42.0 42.8 44.8 47.8 38.9 39.6 41.5 44.3
S/T 0.96 0.92 0.83 0.68 0.99 0.96 0.86 0.70 1.00 0.98 0.89 0.72 1.00 1.00 0.92 0.74 1.00 1.00 0.95 0.77 1.00 1.00 0.96 0.78
Delta T242422192424232024 24 232023 24 23 202223221920212118
1744 KW 3.06 3.11 3.20 3.30 3.27 3.33 3.43 3.53 3.45 3.52 3.63 3.74 3.62 3.69 3.81 3.92 3.76 3.84 3.95 4.08 3.88 3.96 4.08 4.21
AMPS 11.0 11.2 11.6 12.0 11.9 12.1 12.5 13.0 12.9 13.2 13.6 14.1 13.7 14.0 14.5 15.1 14.6 14.9 15.4 16.0 15.4 15.8 16.3 17.0
HI PR 234 252 255 261 265 285 289 295 301 324 328 335 343 369 374 382 386 415 421 430 432 464 471 481
LO PR 121 125 137 145 125 129 141 150 129 133 145 155 133 137 149 159 135 139 152 162 139 143 156 166
MBh 46.1 47.0 49.2 52.5 45.0 45.9 48.1 51.3 43.9 44.8 46.9 50.1 42.9 43.7 45.8 48.8 40.7 41.5 43.5 46.4 37.7 38.5 40.3 43.0
S/T 0.91 0.88 0.80 0.65 0.95 0.91 0.82 0.67 0.97 0.94 0.85 0.69 1.00 0.97 0.87 0.71 1.00 1.00 0.91 0.74 1.00 1.00 0.91 0.74
Delta T252523202525242025 25 242025 25 24 212425232022232219
85 1550 KW 3.03 3.09 3.18 3.27 3.24 3.31 3.40 3.51 3.43 3.50 3.60 3.71 3.59 3.67 3.78 3.89 3.73 3.81 3.92 4.05 3.85 3.93 4.05 4.18
AMPS 10.9 11.1 11.5 11.9 11.7 12.0 12.4 12.9 12.7 13.0 13.5 14.0 13.6 13.9 14.4 14.9 14.5 14.8 15.3 15.9 15.3 15.7 16.2 16.8
HI PR 232 249 253 258 262 282 286 292 298 320 325 332 339 365 370 378 382 411 416 426 428 460 466 477
LO PR 120 124 135 144 124 128 139 148 128 132 144 153 131 135 148 157 134 138 151 161 137 141 154 164
MBh 42.5 43.4 45.4 48.5 41.5 42.4 44.4 47.3 40.6 41.3 43.3 46.2 39.6 40.3 42.2 45.1 37.6 38.3 40.1 42.8 34.8 35.5 37.2 39.7
S/T 0.88 0.85 0.77 0.62 0.91 0.88 0.80 0.65 0.94 0.90 0.82 0.66 0.97 0.93 0.84 0.68 1.00 0.97 0.87 0.71 1.00 0.98 0.88 0.71
Delta T252524202625242126 25 242126 26 24 212525242124232219
1356 KW 3.01 3.07 3.16 3.25 3.22 3.28 3.38 3.48 3.40 3.47 3.57 3.68 3.57 3.64 3.75 3.86 3.70 3.78 3.89 4.01 3.82 3.90 4.02 4.15
AMPS 10.8 11.0 11.4 11.8 11.6 11.9 12.3 12.7 12.6 12.9 13.3 13.8 13.5 13.8 14.2 14.8 14.3 14.7 15.2 15.7 15.2 15.5 16.0 16.6
HI PR 229 247 250 256 259 279 283 289 295 317 322 329 336 361 366 374 378 406 412 421 423 455 462 472
LO PR 119 123 134 143 122 126 138 147 127 131 143 152 130 134 146 156 133 137 149 159 136 140 153 163
* Entering Indoor Dry Bulb Temperature NOTE: Shaded area is ARI Rating Conditions

33
COOLING PERFORMANCE DATA ASX140481C*
EXPANDED PERFORMANCE DATA COOLING OPERATION
MODEL: ASX140481C* / CA*F4860D6A / .078 Orifice
Outdoor Ambient Temperature
65 75 85 95 105 115
Entering Indoor Wet Bulb Temperature
IDB*Airflow 596367715963677159 63 677159 63 67 715963677159636771
MBh 45.1 46.7 51.2 - 44.0 45.6 50.0 - 43.0 44.5 48.8 - 41.9 43.5 47.6 - 39.8 41.3 45.2 - 36.9 38.2 41.9 -
S/T 0.76 0.64 0.44 - 0.79 0.66 0.46 - 0.81 0.68 0.47 - 0.84 0.70 0.48 - 0.87 0.73 0.50 - 0.88 0.73 0.51 -
Delta T181612-181612-181612-1916 12 -181612-171511-
1744 KW 2.86 2.92 3.01 - 3.07 3.14 3.24 - 3.26 3.33 3.44 - 3.43 3.50 3.62 - 3.57 3.65 3.77 - 3.69 3.77 3.90 -
AMPS 11.4 11.6 12.0 - 12.2 12.5 12.9 - 13.3 13.6 14.0 - 14.2 14.5 15.0 - 15.0 15.4 15.9 - 15.9 16.3 16.8 -
HI PR 234 252 266 - 263 283 299 - 299 322 340 - 341 367 387 - 383 412 435 - 423 456 481 -
LO PR 109 116 126 - 115 122 133 - 119 127 139 - 125 133 146 - 131 140 152 - 136 144 158 -
MBh 43.8 45.4 49.7 - 42.7 44.3 48.5 - 41.7 43.2 47.4 - 40.7 42.2 46.2 - 38.7 40.1 43.9 - 35.8 37.1 40.7 -
S/T 0.73 0.61 0.42 - 0.75 0.63 0.44 - 0.77 0.65 0.45 - 0.80 0.67 0.46 - 0.83 0.69 0.48 - 0.84 0.70 0.48 -
Delta T191612-191713-191713-1917 13 -191612-181512-
70 1550 KW 2.84 2.89 2.98 - 3.05 3.11 3.21 - 3.24 3.30 3.41 - 3.40 3.47 3.59 - 3.54 3.62 3.74 - 3.66 3.74 3.87 -
AMPS 11.3 11.5 11.9 - 12.1 12.4 12.8 - 13.2 13.5 13.9 - 14.0 14.4 14.8 - 14.9 15.3 15.8 - 15.8 16.1 16.7 -
HI PR 232 250 264 - 260 280 296 - 296 319 336 - 337 363 383 - 379 408 431 - 419 451 476 -
LO PR 108 114 125 - 114 121 132 - 118 126 137 - 124 132 144 - 130 138 151 - 134 143 156 -
MBh 40.4 41.9 45.9 - 39.5 40.9 44.8 - 38.5 39.9 43.7 - 37.6 38.9 42.7 - 35.7 37.0 40.5 - 33.1 34.3 37.5 -
S/T 0.70 0.59 0.41 - 0.73 0.61 0.42 - 0.75 0.62 0.43 - 0.77 0.64 0.45 - 0.80 0.67 0.46 - 0.81 0.67 0.47 -
Delta T191713-191713-191713-2017 13 -191713-181612-
1356 KW 2.77 2.83 2.91 - 2.98 3.04 3.13 - 3.16 3.22 3.33 - 3.32 3.39 3.50 - 3.45 3.53 3.64 - 3.57 3.65 3.77 -
AMPS 11.0 11.2 11.6 - 11.8 12.1 12.5 - 12.8 13.1 13.5 - 13.7 14.0 14.4 - 14.5 14.8 15.3 - 15.3 15.7 16.2 -
HI PR 225 242 256 - 253 272 287 - 287 309 326 - 327 352 372 - 368 396 418 - 407 438 462 -
LO PR 104 111 121 - 110 117 128 - 115 122 133 - 120 128 140 - 126 134 146 - 130 139 151 -
MBh 45.8 47.2 51.1 54.8 44.8 46.1 49.9 53.6 43.7 45.0 48.7 52.3 42.6 43.9 47.5 51.0 40.5 41.7 45.1 48.5 37.5 38.6 41.8 44.9
S/T 0.87 0.78 0.59 0.38 0.90 0.80 0.61 0.39 0.92 0.82 0.62 0.40 0.95 0.85 0.64 0.41 0.99 0.88 0.67 0.43 1.00 0.89 0.67 0.43
Delta T211916112120161121 20 161121 20 16 11 21 19 16 11 20 18 15 10
1744 KW 2.88 2.94 3.03 3.13 3.10 3.16 3.26 3.37 3.29 3.36 3.47 3.58 3.46 3.53 3.65 3.77 3.60 3.68 3.80 3.92 3.72 3.81 3.93 4.06
AMPS 11.5 11.7 12.1 12.5 12.4 12.6 13.0 13.5 13.4 13.7 14.1 14.7 14.3 14.6 15.1 15.7 15.2 15.5 16.1 16.6 16.1 16.4 17.0 17.6
HI PR 237 255 269 281 266 286 302 315 302 325 343 358 344 370 391 408 387 417 440 459 428 460 486 507
LO PR 110 117 127 136 116 123 135 143 120 128 140 149 127 135 147 157 133 141 154 164 137 146 159 170
MBh 44.5 45.8 49.6 53.2 43.5 44.8 48.4 52.0 42.4 43.7 47.3 50.8 41.4 42.6 46.1 49.5 39.3 40.5 43.8 47.0 36.4 37.5 40.6 43.6
S/T 0.83 0.74 0.56 0.36 0.86 0.77 0.58 0.37 0.88 0.79 0.60 0.38 0.91 0.81 0.61 0.40 0.94 0.84 0.64 0.41 0.95 0.85 0.64 0.41
Delta T222016112220171222 20 171222 21 17 12 22 20 17 11 21 19 15 11
75 1550 KW 2.86 2.92 3.01 3.10 3.07 3.14 3.24 3.34 3.26 3.33 3.44 3.55 3.43 3.50 3.62 3.73 3.57 3.65 3.77 3.89 3.69 3.77 3.90 4.03
AMPS 11.4 11.6 12.0 12.4 12.2 12.5 12.9 13.4 13.3 13.6 14.0 14.5 14.2 14.5 15.0 15.5 15.0 15.4 15.9 16.5 15.9 16.3 16.8 17.5
HI PR 234 252 266 278 263 283 299 312 299 322 340 354 341 367 387 404 383 412 435 454 423 456 481 502
LO PR 109 116 126 134 115 122 133 142 119 127 139 148 125 133 146 155 131 140 153 162 136 145 158 168
MBh 41.1 42.3 45.8 49.1 40.1 41.3 44.7 48.0 39.2 40.3 43.7 46.8 38.2 39.3 42.6 45.7 36.3 37.4 40.5 43.4 33.6 34.6 37.5 40.2
S/T 0.80 0.71 0.54 0.35 0.83 0.74 0.56 0.36 0.85 0.76 0.57 0.37 0.88 0.78 0.59 0.38 0.91 0.81 0.62 0.40 0.92 0.82 0.62 0.40
Delta T222017122221171223 21 171223 21 17 12 22 21 17 12 21 19 16 11
1356 KW 2.79 2.85 2.94 3.03 3.00 3.06 3.16 3.26 3.18 3.25 3.35 3.46 3.35 3.42 3.53 3.64 3.48 3.56 3.67 3.79 3.60 3.68 3.80 3.93
AMPS 11.1 11.3 11.7 12.1 11.9 12.2 12.6 13.0 12.9 13.2 13.6 14.1 13.8 14.1 14.6 15.1 14.6 15.0 15.5 16.0 15.5 15.9 16.4 17.0
HI PR 227 245 258 269 255 275 290 302 290 312 330 344 330 356 375 392 372 400 422 441 411 442 467 487
LO PR 105 112 122 130 111 118 129 138 116 123 134 143 122 129 141 150 127 136 148 158 132 140 153 163
* Entering Indoor Dry Bulb Temperature NOTE: Shaded area is ACCA (TVA) conditions

34
COOLING PERFORMANCE DATA ASX140481C*
EXPANDED PERFORMANCE DATA COOLING OPERATION
MODEL: ASX140481C* / CA*F4860D6A / .078 Orifice
Outdoor Ambient Temperature
65 75 85 95 105 115
Entering Indoor Wet Bulb Temperature
IDB*Airflow 596367715963677159 63 677159 63 67 715963677159636771
MBh 46.7 47.7 50.9 54.4 45.6 46.6 49.7 53.2 44.5 45.5 48.6 51.9 43.4 44.3 47.4 50.6 41.2 42.1 45.0 48.1 38.2 39.0 41.7 44.6
S/T 0.95 0.89 0.73 0.54 1.00 0.93 0.75 0.56 1.00 0.95 0.77 0.58 1.00 1.00 0.80 0.60 1.00 1.00 0.83 0.62 1.00 1.00 0.83 0.62
Delta T232220162423201623 23 201623 23 20 162222201620211815
1744 KW 2.90 2.96 3.05 3.15 3.12 3.19 3.29 3.39 3.31 3.39 3.49 3.61 3.49 3.56 3.68 3.80 3.63 3.71 3.83 3.96 3.75 3.84 3.96 4.10
AMPS 11.6 11.8 12.2 12.6 12.5 12.8 13.2 13.6 13.5 13.8 14.3 14.8 14.4 14.8 15.2 15.8 15.3 15.7 16.2 16.8 16.2 16.6 17.1 17.8
HI PR 239 257 272 283 268 289 305 318 305 328 347 362 348 374 395 412 391 421 444 463 432 465 491 512
LO PR 111 118 129 137 117 125 136 145 122 129 141 151 128 136 148 158 134 143 156 166 139 147 161 171
MBh 45.3 46.3 49.5 52.9 44.2 45.2 48.3 51.6 43.2 44.1 47.2 50.4 42.1 43.1 46.0 49.2 40.0 40.9 43.7 46.7 37.1 37.9 40.5 43.3
S/T 0.91 0.85 0.69 0.52 0.94 0.88 0.72 0.54 0.96 0.90 0.74 0.55 1.00 0.93 0.76 0.57 1.00 0.97 0.79 0.59 1.00 0.98 0.80 0.59
Delta T242320162524211625 24 211625 24 21 17 24 24 20 16 22 22 19 15
80 1550 KW 2.88 2.94 3.03 3.13 3.10 3.16 3.26 3.37 3.29 3.36 3.47 3.58 3.46 3.53 3.65 3.77 3.60 3.68 3.80 3.93 3.72 3.81 3.93 4.06
AMPS 11.5 11.7 12.1 12.5 12.4 12.6 13.0 13.5 13.4 13.7 14.1 14.7 14.3 14.6 15.1 15.7 15.2 15.5 16.1 16.6 16.1 16.4 17.0 17.6
HI PR 237 255 269 281 266 286 302 315 302 325 343 358 344 370 391 408 387 417 440 459 428 460 486 507
LO PR 110 117 127 136 116 123 135 143 120 128 140 149 127 135 147 157 133 141 154 164 137 146 159 170
MBh 41.8 42.7 45.6 48.8 40.8 41.7 44.6 47.7 39.9 40.7 43.5 46.5 38.9 39.7 42.5 45.4 36.9 37.8 40.3 43.1 34.2 35.0 37.4 39.9
S/T 0.88 0.82 0.67 0.50 0.91 0.85 0.69 0.52 0.93 0.87 0.71 0.53 0.96 0.90 0.73 0.55 1.00 0.93 0.76 0.57 1.00 0.94 0.77 0.57
Delta T252421172524211725 24 211725 24 21 172524211723221916
1356 KW 2.81 2.87 2.96 3.05 3.02 3.09 3.18 3.29 3.21 3.28 3.38 3.49 3.37 3.45 3.56 3.67 3.51 3.59 3.70 3.83 3.63 3.71 3.83 3.96
AMPS 11.2 11.4 11.8 12.2 12.0 12.3 12.7 13.2 13.0 13.3 13.8 14.3 13.9 14.2 14.7 15.2 14.8 15.1 15.6 16.2 15.6 16.0 16.5 17.1
HI PR 230 247 261 272 258 277 293 305 293 315 333 347 334 359 379 396 375 404 427 445 415 446 471 492
LO PR 106 113 124 132 112 120 131 139 117 124 136 145 123 131 143 152 129 137 149 159 133 142 155 165
MBh 47.5 48.4 50.7 54.1 46.4 47.3 49.5 52.8 45.3 46.1 48.3 51.6 44.2 45.0 47.1 50.3 42.0 42.8 44.8 47.8 38.9 39.6 41.5 44.3
S/T 1.00 0.96 0.87 0.70 1.00 1.00 0.90 0.73 1.00 1.00 0.92 0.75 1.00 1.00 0.95 0.77 1.00 1.00 0.99 0.80 1.00 1.00 1.00 0.81
Delta T252523202425232024 24 242023 24 24 212223232020212219
1744 KW 2.93 2.99 3.08 3.18 3.15 3.21 3.31 3.42 3.34 3.41 3.52 3.64 3.51 3.59 3.71 3.83 3.66 3.74 3.86 3.99 3.79 3.87 4.00 4.13
AMPS 11.7 11.9 12.3 12.8 12.6 12.9 13.3 13.8 13.6 14.0 14.4 14.9 14.5 14.9 15.4 15.9 15.5 15.8 16.3 17.0 16.4 16.7 17.3 17.9
HI PR 241 260 274 286 271 292 308 321 308 332 350 365 351 378 399 416 395 425 449 468 436 470 496 517
LO PR 112 119 130 138 118 126 137 146 123 131 143 152 129 137 150 160 135 144 157 167 140 149 163 173
MBh 46.1 47.0 49.2 52.5 45.0 45.9 48.1 51.3 43.9 44.8 46.9 50.1 42.9 43.7 45.8 48.8 40.7 41.5 43.5 46.4 37.7 38.5 40.3 43.0
S/T 0.95 0.92 0.83 0.67 0.99 0.95 0.86 0.70 1.00 0.98 0.88 0.71 1.00 1.00 0.91 0.74 1.00 1.00 0.94 0.77 1.00 1.00 0.95 0.77
Delta T262624212626242126 26 252125 26 25 212425242122232320
85 1550 KW 2.90 2.96 3.05 3.15 3.12 3.19 3.29 3.39 3.31 3.39 3.49 3.61 3.49 3.56 3.68 3.80 3.63 3.71 3.83 3.96 3.75 3.84 3.96 4.10
AMPS 11.6 11.8 12.2 12.6 12.5 12.8 13.2 13.6 13.5 13.8 14.3 14.8 14.4 14.8 15.2 15.8 15.3 15.7 16.2 16.8 16.2 16.6 17.1 17.8
HI PR 239 257 272 283 268 289 305 318 305 328 347 362 348 374 395 412 391 421 444 463 432 465 491 512
LO PR 111 118 129 137 117 125 136 145 122 129 141 151 128 136 148 158 134 143 156 166 139 147 161 171
MBh 42.5 43.4 45.4 48.5 41.5 42.4 44.4 47.3 40.6 41.3 43.3 46.2 39.6 40.3 42.2 45.1 37.6 38.3 40.1 42.8 34.8 35.5 37.2 39.7
S/T 0.92 0.89 0.80 0.65 0.95 0.92 0.83 0.67 0.98 0.94 0.85 0.69 1.00 0.97 0.88 0.71 1.00 1.00 0.91 0.74 1.00 1.00 0.92 0.74
Delta T262625212726252227 26 252227 27 25 222526252124242320
1356 KW 2.84 2.89 2.98 3.08 3.05 3.11 3.21 3.31 3.23 3.30 3.41 3.52 3.40 3.47 3.59 3.70 3.54 3.62 3.73 3.86 3.66 3.74 3.86 3.99
AMPS 11.3 11.5 11.9 12.3 12.1 12.4 12.8 13.3 13.1 13.5 13.9 14.4 14.0 14.4 14.8 15.4 14.9 15.3 15.8 16.3 15.8 16.1 16.7 17.3
HI PR 232 250 264 275 260 280 296 308 296 319 336 351 337 363 383 400 379 408 431 449 419 451 476 497
LO PR 108 114 125 133 114 121 132 140 118 126 137 146 124 132 144 153 130 138 151 161 134 143 156 166
* Entering Indoor Dry Bulb Temperature NOTE: Shaded area is AHRI Rating Conditions

35
COOLING PERFORMANCE DATA ASX140601A* / B*
EXPANDED PERFORMANCE DATA COOLING OPERATION
MODEL: ASX140601A* / CA*F4860D6A* / .088 Orifice Outdoor Ambient Temperature
65 75 85 95 105 115
Entering Indoor Wet Bulb Temperature
IDB*Airflow 59636771596367715963677159 63 67 715963677159636771
MBh 54.9 56.9 62.3 - 53.6 55.6 60.9 - 52.3 54.2 59.4 - 51.0 52.9 58.0 - 48.5 50.3 55.1 - 44.9 46.6 51.0 -
S/T 0.71 0.60 0.41 - 0.74 0.62 0.43 - 0.76 0.63 0.44 - 0.78 0.65 0.45 - 0.81 0.68 0.47 - 0.82 0.68 0.47 -
Delta T 18 15 12 - 18 16 12 - 18 16 12 - 18 16 12 - 18 15 12 - 17 14 11 -
2025 KW 4.04 4.13 4.25 - 4.35 4.44 4.58 - 4.61 4.71 4.86 - 4.85 4.95 5.11 - 5.05 5.16 5.33 - 5.22 5.34 5.51 -
AMPS 14.5 14.8 15.3 - 15.6 16.0 16.6 - 17.0 17.4 18.0 - 18.2 18.7 19.3 - 21.3 21.8 22.6 - 22.5 23.1 23.8 -
HI PR 249 268 272 - 274 294 298 - 320 344 349 - 365 392 398 - 411 441 448 - 474 510 517 -
LO PR 117 120 132 - 120 124 135 - 124 128 140 - 128 132 144 - 130 134 147 - 133 138 150 -
MBh 53.3 55.2 60.5 - 52.0 53.9 59.1 - 50.8 52.7 57.7 - 49.6 51.4 56.3 - 47.1 48.8 53.5 - 43.6 45.2 49.5 -
S/T 0.68 0.57 0.39 - 0.71 0.59 0.41 - 0.72 0.60 0.42 - 0.75 0.62 0.43 - 0.78 0.65 0.45 - 0.78 0.65 0.45 -
Delta T 19 16 12 - 19 16 12 - 19 16 12 - 19 16 12 - 19 16 12 - 17 15 11 -
70 1800 KW 4.01 4.09 4.22 - 4.31 4.40 4.54 - 4.58 4.67 4.82 - 4.81 4.91 5.07 - 5.01 5.12 5.29 - 5.18 5.30 5.47 -
AMPS 14.3 14.7 15.2 - 15.5 15.9 16.4 - 16.9 17.3 17.9 - 18.1 18.5 19.1 - 21.1 21.6 22.4 - 22.3 22.8 23.6 -
HI PR 247 265 269 - 271 291 296 - 317 341 346 - 361 388 394 - 406 437 443 - 470 505 512 -
LO PR 116 119 130 - 119 123 134 - 123 127 139 - 126 130 142 - 129 133 145 - 132 136 149 -
MBh 49.2 51.0 55.8 - 48.0 49.8 54.5 - 46.9 48.6 53.2 - 45.7 47.4 51.9 - 43.5 45.0 49.3 - 40.3 41.7 45.7 -
S/T 0.66 0.55 0.38 - 0.68 0.57 0.39 - 0.70 0.58 0.40 - 0.72 0.60 0.42 - 0.75 0.62 0.43 - 0.75 0.63 0.44 -
Delta T 19 16 12 - 19 17 13 - 19 17 13 - 19 17 13 - 19 16 12 - 18 15 12 -
1575 KW 3.98 4.06 4.19 - 4.28 4.37 4.50 - 4.54 4.64 4.78 - 4.77 4.87 5.03 - 4.97 5.08 5.24 - 5.14 5.25 5.42 -
AMPS 14.2 14.5 15.0 - 15.4 15.7 16.3 - 16.7 17.1 17.7 - 17.9 18.3 19.0 - 20.9 21.4 22.2 - 22.1 22.6 23.4 -
HI PR 244 263 266 - 268 288 293 - 314 338 342 - 358 385 390 - 402 433 439 - 465 500 507 -
LO PR 114 118 129 - 118 122 133 - 122 126 137 - 125 129 141 - 128 132 144 - 131 135 147 -
MBh 55.8 57.5 62.2 66.7 54.5 56.1 60.7 65.2 53.2 54.8 59.3 63.6 51.9 53.4 57.9 62.1 49.3 50.8 55.0 59.0 45.7 47.0 50.9 54.6
S/T 0.81 0.73 0.55 0.35 0.84 0.75 0.57 0.37 0.86 0.77 0.58 0.38 0.89 0.80 0.60 0.39 0.92 0.83 0.63 0.40 0.93 0.83 0.63 0.41
Delta T21191611211916112119161121 19 16 11 21 19 16 11 19 18 15 10
2025 KW 4.04 4.13 4.25 4.39 4.35 4.44 4.58 4.72 4.61 4.71 4.86 5.02 4.85 4.95 5.11 5.28 5.05 5.16 5.33 5.51 5.22 5.34 5.51 5.70
AMPS 14.5 14.8 15.3 15.9 15.6 16.0 16.6 17.2 17.0 17.4 18.0 18.7 18.2 18.7 19.3 20.1 21.3 21.8 22.6 23.5 22.5 23.1 23.8 24.8
HI PR 249 268 272 278 274 294 298 305 320 344 349 357 365 392 398 407 411 441 448 458 474 510 517 529
LO PR 117 120 132 140 120 124 135 144 124 128 140 149 128 132 144 153 130 134 147 156 133 138 150 160
MBh 54.2 55.8 60.4 64.8 52.9 54.5 59.0 63.3 51.7 53.2 57.6 61.8 50.4 51.9 56.2 60.3 47.9 49.3 53.4 57.3 44.4 45.7 49.4 53.0
S/T 0.77 0.69 0.52 0.34 0.80 0.72 0.54 0.35 0.82 0.74 0.56 0.36 0.85 0.76 0.57 0.37 0.88 0.79 0.60 0.38 0.89 0.79 0.60 0.39
Delta T21201611222016112220161122 20 16 11 22 20 16 11 20 19 15 10
75 1800 KW 4.01 4.09 4.22 4.35 4.31 4.40 4.54 4.69 4.58 4.67 4.82 4.98 4.81 4.91 5.07 5.24 5.01 5.12 5.29 5.46 5.18 5.30 5.47 5.65
AMPS 14.3 14.7 15.2 15.7 15.5 15.9 16.4 17.0 16.9 17.3 17.9 18.6 18.1 18.5 19.1 19.9 21.1 21.6 22.4 23.2 22.3 22.8 23.6 24.5
HI PR 247 265 269 275 271 291 296 302 317 341 346 354 361 388 394 403 406 437 443 453 470 505 512 523
LO PR 116 119 130 139 119 123 134 143 123 127 139 148 126 130 142 152 129 133 145 155 132 136 149 158
MBh 50.0 51.5 55.7 59.8 48.8 50.3 54.4 58.4 47.7 49.1 53.1 57.0 46.5 47.9 51.8 55.6 44.2 45.5 49.3 52.9 40.9 42.1 45.6 49.0
S/T 0.75 0.67 0.51 0.32 0.77 0.69 0.52 0.34 0.79 0.71 0.54 0.35 0.82 0.73 0.55 0.36 0.85 0.76 0.58 0.37 0.86 0.77 0.58 0.37
Delta T22201611222017112220171122 20 17 12 22 20 17 11 20 19 15 11
1575 KW 3.98 4.06 4.19 4.32 4.28 4.37 4.50 4.65 4.54 4.64 4.78 4.94 4.77 4.87 5.03 5.20 4.97 5.08 5.24 5.41 5.14 5.25 5.42 5.60
AMPS 14.2 14.5 15.0 15.6 15.4 15.7 16.3 16.9 16.7 17.1 17.7 18.4 17.9 18.3 19.0 19.7 20.9 21.4 22.2 23.0 22.1 22.6 23.4 24.3
HI PR 244 263 266 272 268 288 293 299 314 338 342 350 358 385 390 399 402 433 439 448 465 500 507 518
LO PR 114 118 129 137 118 122 133 141 122 126 137 146 125 129 141 150 128 132 144 153 131 135 147 157
* Entering Indoor Dry Bulb Temperature NOTE: Shaded area is ACCA (TVA) conditions

36
COOLING PERFORMANCE DATA ASX140601A* / B*
EXPANDED PERFORMANCE DATA COOLING OPERATION
MODEL: ASX140601A* / CA*F4860D6A* / .088 Orifice Outdoor Ambient Temperature
65 75 85 95 105 115
Entering Indoor Wet Bulb Temperature
IDB*Airflow 59636771596367715963677159 63 67 715963677159636771
MBh 56.8 58.0 62.0 66.3 55.5 56.7 60.6 64.7 54.2 55.3 59.1 63.2 52.8 54.0 57.7 61.7 50.2 51.3 54.8 58.6 46.5 47.5 50.8 54.3
S/T 0.89 0.83 0.68 0.51 0.92 0.86 0.70 0.53 0.95 0.89 0.72 0.54 1.00 0.92 0.75 0.56 1.00 0.95 0.77 0.58 1.00 0.96 0.78 0.58
Delta T23221915232219152322191524 22 20 162322191521211814
2025 KW 4.04 4.13 4.25 4.39 4.35 4.44 4.58 4.72 4.61 4.71 4.86 5.02 4.85 4.95 5.11 5.28 5.05 5.16 5.33 5.51 5.22 5.34 5.51 5.70
AMPS 14.5 14.8 15.3 15.9 15.6 16.0 16.6 17.2 17.0 17.4 18.0 18.7 18.2 18.7 19.3 20.1 21.3 21.8 22.6 23.5 22.5 23.1 23.8 24.8
HI PR 249 268 272 278 274 294 298 305 320 344 349 357 365 392 398 407 411 441 448 458 474 510 517 529
LO PR 117 120 132 140 120 124 135 144 124 128 140 149 128 132 144 153 130 134 147 156 133 138 150 160
MBh 55.1 56.3 60.2 64.4 53.9 55.0 58.8 62.9 52.6 53.7 57.4 61.4 51.3 52.4 56.0 59.9 48.7 49.8 53.2 56.9 45.1 46.1 49.3 52.7
S/T 0.85 0.80 0.65 0.48 0.88 0.82 0.67 0.50 0.90 0.85 0.69 0.51 0.93 0.87 0.71 0.53 0.97 0.91 0.74 0.55 0.97 0.91 0.74 0.56
Delta T24232016242320162423201624 23 20 16 24 23 20 16 22 22 19 15
80 1800 KW 4.01 4.09 4.22 4.35 4.31 4.40 4.54 4.69 4.58 4.67 4.82 4.98 4.81 4.91 5.07 5.24 5.01 5.12 5.29 5.46 5.18 5.30 5.47 5.65
AMPS 14.3 14.7 15.2 15.7 15.5 15.9 16.4 17.0 16.9 17.3 17.9 18.6 18.1 18.5 19.1 19.9 21.1 21.6 22.4 23.2 22.3 22.8 23.6 24.5
HI PR 247 265 269 275 271 291 296 302 317 341 346 354 361 388 394 403 406 437 443 453 470 505 512 523
LO PR 116 119 130 139 119 123 134 143 123 127 139 148 126 130 142 152 129 133 145 155 132 136 149 158
MBh 50.9 52.0 55.6 59.4 49.7 50.8 54.3 58.0 48.5 49.6 53.0 56.6 47.3 48.4 51.7 55.3 45.0 46.0 49.1 52.5 41.7 42.6 45.5 48.6
S/T 0.82 0.77 0.62 0.47 0.85 0.80 0.65 0.48 0.87 0.82 0.66 0.50 0.90 0.84 0.69 0.51 0.93 0.87 0.71 0.53 0.94 0.88 0.72 0.54
Delta T24232016252421162524211625 24 21 172423201623221915
1575 KW 3.98 4.06 4.19 4.32 4.28 4.37 4.50 4.65 4.54 4.64 4.78 4.94 4.77 4.87 5.03 5.20 4.97 5.08 5.24 5.41 5.14 5.25 5.42 5.60
AMPS 14.2 14.5 15.0 15.6 15.4 15.7 16.3 16.9 16.7 17.1 17.7 18.4 17.9 18.3 19.0 19.7 20.9 21.4 22.2 23.0 22.1 22.6 23.4 24.3
HI PR 244 263 266 272 268 288 293 299 314 338 342 350 358 385 390 399 402 433 439 448 465 500 507 518
LO PR 114 118 129 137 118 122 133 141 122 126 137 146 125 129 141 150 128 132 144 153 131 135 147 157
MBh 57.8 58.9 61.7 65.8 56.4 57.5 60.3 64.3 55.1 56.2 58.8 62.8 53.8 54.8 57.4 61.2 51.1 52.1 54.5 58.2 47.3 48.2 50.5 53.9
S/T 0.93 0.90 0.81 0.66 0.97 0.93 0.84 0.68 0.99 0.96 0.86 0.70 1.00 0.99 0.89 0.72 1.00 1.00 0.92 0.75 1.00 1.00 0.93 0.76
Delta T24242320252423202524232024 25 23 202324232021222119
2025 KW 4.04 4.13 4.25 4.39 4.35 4.44 4.58 4.72 4.61 4.71 4.86 5.02 4.85 4.95 5.11 5.28 5.05 5.16 5.33 5.51 5.22 5.34 5.51 5.70
AMPS 14.5 14.8 15.3 15.9 15.6 16.0 16.6 17.2 17.0 17.4 18.0 18.7 18.2 18.7 19.3 20.1 21.3 21.8 22.6 23.5 22.5 23.1 23.8 24.8
HI PR 249 268 272 278 274 294 298 305 320 344 349 357 365 392 398 407 411 441 448 458 474 510 517 529
LO PR 117 120 132 140 120 124 135 144 124 128 140 149 128 132 144 153 130 134 147 156 133 138 150 160
MBh 56.1 57.2 59.9 63.9 54.8 55.9 58.5 62.4 53.5 54.5 57.1 60.9 52.2 53.2 55.7 59.4 49.6 50.5 52.9 56.5 45.9 46.8 49.0 52.3
S/T 0.89 0.86 0.77 0.63 0.92 0.89 0.80 0.65 0.95 0.91 0.82 0.67 0.98 0.94 0.85 0.69 1.00 0.98 0.88 0.72 1.00 0.99 0.89 0.72
Delta T25252421262524212625242126 26 24 212525242123242219
85 1800 KW 4.01 4.09 4.22 4.35 4.31 4.40 4.54 4.69 4.58 4.67 4.82 4.98 4.81 4.91 5.07 5.24 5.01 5.12 5.29 5.46 5.18 5.30 5.47 5.65
AMPS 14.3 14.7 15.2 15.7 15.5 15.9 16.4 17.0 16.9 17.3 17.9 18.6 18.1 18.5 19.1 19.9 21.1 21.6 22.4 23.2 22.3 22.8 23.6 24.5
HI PR 247 265 269 275 271 291 296 302 317 341 346 354 361 388 394 403 406 437 443 453 470 505 512 523
LO PR 116 119 130 139 119 123 134 143 123 127 139 148 126 130 142 152 129 133 145 155 132 136 149 158
MBh 51.8 52.8 55.3 59.0 50.6 51.6 54.0 57.6 49.4 50.3 52.7 56.2 48.2 49.1 51.4 54.9 45.8 46.7 48.9 52.1 42.4 43.2 45.3 48.3
S/T 0.86 0.83 0.75 0.61 0.89 0.86 0.77 0.63 0.91 0.88 0.79 0.64 0.94 0.91 0.82 0.66 0.98 0.94 0.85 0.69 0.98 0.95 0.86 0.70
Delta T26262421262624212626242126 26 25 212626242124242320
1575 KW 3.98 4.06 4.19 4.32 4.28 4.37 4.50 4.65 4.54 4.64 4.78 4.94 4.77 4.87 5.03 5.20 4.97 5.08 5.24 5.41 5.14 5.25 5.42 5.60
AMPS 14.2 14.5 15.0 15.6 15.4 15.7 16.3 16.9 16.7 17.1 17.7 18.4 17.9 18.3 19.0 19.7 20.9 21.4 22.2 23.0 22.1 22.6 23.4 24.3
HI PR 244 263 266 272 268 288 293 299 314 338 342 350 358 385 390 399 402 433 439 448 465 500 507 518
LO PR 114 118 129 137 118 122 133 141 122 126 137 146 125 129 141 150 128 132 144 153 131 135 147 157
* Entering Indoor Dry Bulb Temperature NOTE: Shaded area is ARI Rating Conditions

37
PERFORMANCE DATA
Outdoor
Temp. ° F.
Total
Btuh
Sensible
Btuh
Latent
Btuh
Total
Watts
80° 41,500 28,216 13,284 3,116
85° 41,000 28,226 12,774 3,204
90° 40,500 28,331 12,169 3,283
95° 40,000 28,425 11,575 3,361
100° 39,000 28,240 10,760 3,428
105° 38,000 28,027 9,973 3,494
110° 36,600 27,108 9,492 3,551
115° 35,200 26,179 9,021 3,609
95° 37,066 28,141 8,925 3,262
TVA Conditions @ 95° OD DB, 75° ID DB 63° ID WB
MODEL: ASX140421A* / CA*F4860C6A* W/.074 Orifice,
Conditions: 80°F IDB, 67°F IWB @ 1300 CFM
Outdoor
Temp. ° F.
Total
Btuh
Sensible
Btuh
Latent
Btuh
Total
Watts
75° 18,900 12,656 6,244 1,418
80° 18,675 12,664 6,011 1,459
85° 18,450 12,668 5,782 1,500
90° 18,225 12,716 5,509 1,537
95° 18,000 12,758 5,242 1,573
100° 17,550 12,674 4,876 1,604
105° 17,100 12,579 4,521 1,635
110° 16,470 12,166 4,304 1,661
115° 15,840 11,750 4,090 1,688
95° 16,680 12,630 4,049 1,527
MODEL: ASX140181A* / CA*F3131B6A* + TXV
Conditions: 80°F IDB, 67°F IWB @ 600 CFM
TVA Conditions @ 95° OD DB, 75° ID DB 63° ID WB
Outdoor
Temp. ° F.
Total
Btuh
Sensible
Btuh
Latent
Btuh
Total
Watts
75° 25,200 17,357 7,843 1,823
80° 24,900 17,369 7,531 1,877
85° 24,600 17,375 7,225 1,932
90° 24,300 17,440 6,860 1,980
95° 24,000 17,497 6,503 2,028
100° 23,400 17,383 6,017 2,068
105° 22,800 17,252 5,548 2,109
110° 21,960 16,686 5,274 2,144
115° 21,120 16,115 5,005 2,179
95° 22,239 17,322 4,917 1,967
TVA Conditions @ 95° OD DB, 75° ID DB 63° ID WB
MODEL: ASX140241A* / CA*F3636B6A* W/.057 Orifice,
Conditions: 80°F IDB, 67°F IWB @ 800 CFM
Outdoor
Temp. ° F.
Total
Btuh
Sensible
Btuh
Latent
Btuh
Total
Watts
75° 30,240 20,884 9,356 2,151
80° 29,880 20,897 8,983 2,213
85° 29,520 20,905 8,615 2,275
90° 29,160 20,982 8,178 2,329
95° 28,800 21,052 7,748 2,384
100° 28,080 20,915 7,165 2,430
105° 27,360 20,757 6,603 2,477
110° 26,352 20,076 6,276 2,517
115° 25,344 19,389 5,955 2,557
95° 26,687 20,841 5,846 2,315
MODEL: ASX140301A* / CA*F3642C6A* W/.063 Orifice,
Conditions: 80°F IDB, 67°F IWB @ 1000 CFM
TVA Conditions @ 95° OD DB, 75° ID DB 63° ID WB
Outdoor
Temp. ° F.
Total
Btuh
Sensible
Btuh
Latent
Btuh
Total
Watts
75° 36,330 24,499 11,831 2,676
80° 35,898 24,515 11,382 2,754
85° 35,465 24,524 10,941 2,833
90° 35,033 24,615 10,418 2,902
95° 34,600 24,697 9,903 2,971
100° 33,735 24,535 9,200 3,030
105° 32,870 24,351 8,519 3,089
110° 31,659 23,552 8,107 3,139
115° 30,448 22,746 7,702 3,190
95° 32,062 24,450 7,612 2,883
TVA Conditions @ 95° OD DB, 75° ID DB 63° ID WB
MODEL: ASX140361A* / CA*F3642C6A* W/.067 Orifice,
Conditions: 80°F IDB, 67°F IWB @ 1150 CFM
Outdoor
Temp. ° F.
Total
Btuh
Sensible
Btuh
Latent
Btuh
Total
Watts
75° 48,300 33,311 14,989 3,404
80° 47,725 33,333 14,392 3,503
85° 47,150 33,345 13,805 3,602
90° 46,575 33,469 13,106 3,689
95° 46,000 33,580 12,420 3,776
100° 44,850 33,361 11,489 3,850
105° 43,700 33,110 10,590 3,924
110° 42,090 32,024 10,066 3,988
115° 40,480 30,927 9,553 4,052
95° 42,625 33,244 9,381 3,665
TVA Conditions @ 95° OD DB, 75° ID DB 63° ID WB
MODEL: ASX140481[A*/B*] / CA*F4860D6A* W/.079 Orifice,
Conditions: 80°F IDB, 67°F IWB @ 1550 CFM
Outdoor
Temp. ° F.
Total
Btuh
Sensible
Btuh
Latent
Btuh
Total
Watts
75° 58,800 39,475 19,325 4,540
80° 58,100 39,501 18,599 4,682
85° 57,400 39,515 17,885 4,823
90° 56,700 39,662 17,038 4,948
95° 56,000 39,794 16,206 5,073
100° 54,600 39,534 15,066 5,179
105° 53,200 39,236 13,964 5,285
110° 51,240 37,949 13,291 5,377
115° 49,280 36,650 12,630 5,468
95° 51,892 39,396 12,496 4,915
TVA Conditions @ 95° OD DB, 75° ID DB 63° ID WB
MODEL: ASX140601[A*/B*] / CA*F4860D6A* W/.088 Orifice,
Conditions: 80°F IDB, 67°F IWB @ 1800 CFM
ASX140[18-60]1A* / ASX140[48-60]1B*

38
PERFORMANCE DATA
Outdoor
Temp. ° F.
Total
Btuh
Sensible
Btuh
Latent
Btuh
Total
Watts
75° 26,100 16,704 9,396 1,860
80° 25,750 16,738 9,013 1,915
85° 25,400 16,764 8,636 1,970
90° 25,100 16,817 8,283 2,020
95° 24,800 16,864 7,936 2,070
100° 24,200 16,819 7,381 2,115
105° 23,600 16,756 6,844 2,160
110° 22,700 16,117 6,583 2,195
115° 21,800 15,478 6,322 2,230
95° 23,000 16,790 6,210 1,990
TVA Conditions @ 95° OD DB, 75° ID DB 63° ID WB
MODEL: ASX140241[B*/C*] / CA*F3636*6C* W/.055 Orifice,
Conditions: 80°F IDB, 67°F IWB @ 725 CFM
Outdoor
Temp. ° F.
Total
Btuh
Se ns ible
Btuh
Latent
Btuh
Total
Watts
75° 30,200 21,140 9,060 2,230
80° 29,850 21,194 8,657 2,295
85° 29,500 21,240 8,260 2,360
90° 29,150 21,280 7,871 2,415
95° 28,800 21,312 7,488 2,070
100° 28,100 21,216 6,885 2,520
105° 27,400 21,098 6,302 2,570
110° 26,350 20,421 5,929 2,610
115° 25,300 19,734 5,566 2,650
95° 26,700 21,093 5,607 23,800
TVA Conditions @ 95° OD DB, 75° ID DB 63° ID WB
MODEL: ASX140301[B*/C*] / CA*F3642*6C* W/.065 Orifice,
Conditions: 80°F IDB, 67°F IWB @ 1000 CFM
Outdoor
Temp. ° F.
Total
Btuh
Sensible
Btuh
Latent
Btuh
Total
Watts
80° 41,500 28,216 13,284 3,116
85° 41,000 28,226 12,774 3,204
90° 40,500 28,331 12,169 3,283
95° 40,000 28,425 11,575 3,361
100° 39,000 28,240 10,760 3,428
105° 38,000 28,027 9,973 3,494
110° 36,600 27,108 9,492 3,551
115° 35,200 26,179 9,021 3,609
95° 37,066 28,141 8,925 3,262
MODEL: ASX140421B* / CA*F4860C6A* W/.074 Orifice,
Conditions: 80°F IDB, 67°F IWB @ 1300 CFM
TVA Conditions @ 95° OD DB, 75° ID DB 63° ID WB
Outdoor
Temp. ° F.
Total
Btuh
Sensible
Btuh
Latent
Btuh
Total
Watts
75° 36,791 25,646 11,145 2,608
80° 36,353 25,663 10,690 2,684
85° 35,915 25,672 10,243 2,760
90° 35,477 25,768 9,710 2,830
95° 35,040 25,853 9,186 2,900
100° 34,164 25,684 8,479 2,955
105° 33,288 25,491 7,796 3,010
110° 32,061 24,655 7,406 3,060
115° 30,835 23,811 7,024 3,110
95° 32,500 25,675 6,825 2,790
TVA Conditions @ 95° OD DB, 75° ID DB 63° ID WB
MODEL: ASX140361[B*/C*] / CA*F3642*6C* W/.068 Orifice,
Conditions: 80°F IDB, 67°F IWB @ 1,200 CFM
ASX140[24-42]1B* / ASX140[18-36]1C*
Outdoor
Temp. ° F.
Total
Bt uh
Sensible
Btuh
Latent
Btuh
Total
Watts
75° 20,000 13,600 6,400 2,260
80° 19,750 13,628 6,123 2,315
85° 19,500 13,650 5,850 2,370
90° 19,250 13,668 5,583 2,415
95° 19,000 13,680 5,320 2,460
100° 18,550 13,634 4,916 2,500
105° 18,100 13,575 4,525 2,540
110° 17,400 13,050 4,350 2,575
115° 16,700 12,525 4,175 2,610
95° 17,600 13,552 4,048 2,390
MODEL: ASX140181[B*/C*/D*] / CA*F3636*6C* W/.052 Orifice
Conditions: 80°F IDB, 67°F IWB @ 600 CFM
TVA Conditions @ 95° OD DB, 75° ID DB 63° ID WB

39
PERFORMANCE DATA
PERFORMANCE TEST
All data based upon listed indoor dry bulb temperature. .00 inches external static pressure on coil of outdoor section. Indoor
air cubic feet per minute (CFM) as listed in the Performance Data Sheets:
If conditions vary from this, results will change as follows:
1. As indoor dry bulb temperatures increase, a slight increase will occur in indoor air temperature drop (Delta T). Low and
high side pressures and power will not change.
2. As indoor CFM decreases, a slight increase will occur in indoor temperature drop (Delta T). A slight decrease will
occur in low and high side pressures and power.
A properly operating unit should be within plus or minus 2 degrees of the subcooling value shown in the installation
instructions.
A properly operating unit should be within plus or minus 3 degrees of the typical (Delta T) value shown.
A properly operating unit should be within plus or minus 10 PSIG of the HI PR shown.
A properly operating unit should be within plus or minus 5 PSIG of the LO PR shown.
A properly operating unit should be within plus or minus 3 Amps of the typical value shown.
NOTE: Pressures are measures at the liquid and suction service valve ports.
ASX140421[C/D]* - ASX140481C*
Outdoor
Te mp. ° F.
Total
Bt uh
Sensible
Btuh
Latent
Btuh
Tota l
Watts
75° 48,300 34,776 13,524 3,260
80° 47,750 34,858 12,893 3,365
85° 47,200 34,928 12,272 3,470
90° 46,600 34,950 11,650 3,560
95° 46,000 34,960 11,040 3,650
100° 44,850 34,759 10,091 3,725
105° 43,700 34,523 9,177 3,800
110° 42,100 33,470 8,631 3,865
115° 40,500 32,400 8,100 3,930
95° 43,552 35,549 8,003 3,618
TVA Conditions @ 95° OD DB, 75° ID DB, 63° ID WB
ASX140481C* / CA*F4860*6D* W/.078 Orfice
Conditions: 80°F IDB, 67°F IWB @ 1550 CFM
Outdoor
Te mp. ° F.
Total
Bt uh
Sensible
Btuh
Latent
Btuh
Total
Watts
75° 42,116 29,985 12,131 2,950
80° 41,614 30,004 11,610 3,040
85° 41,113 30,015 11,098 3,130
90° 40,611 30,127 10,485 3,205
95° 40,110 30,227 9,883 3,280
100° 39,107 30,029 9,078 3,350
105° 38,105 29,803 8,301 3,420
110° 36,701 28,826 7,875 3,475
115° 35,297 27,839 7,458 3,530
95° 37,200 30,132 7,068 3,160
TVA Conditions @ 95° OD DB, 75° ID DB 63° ID WB
MODEL: ASX140421[C*/D*] / CA*F4860*6B* W/.070 Orifice,
Conditions: 80°F IDB, 67°F IWB @ 1450 CFM

WIRING DIAGRAMS
40
HIGH VOLTAGE!
DISCONNECT ALL POWER BEFORE SERVICING OR INSTALLING THIS
UNIT. MULTIPLE POWER SOURCES MAY BE PRESENT. FAILURE TO
DO SO MAY CAUSE PROPERTY DAMAGE, PERSONAL INJURY OR DEATH.
Wiring is subject to change. Always refer to the wiring diagram on the unit for the most up-to-date wiring.
ASX140[18-60]1*
USE N.E.C. CLASS 2 WIRE
NOTES:
1) TO INDOOR UNIT LOW VOLTAGE
TERMINAL BLOCK & INDOOR
THERMOSTAT.
2) START ASSIST FACTORY
EQUIPPED WHEN REQUIRED.
3) LAT POSITION SHOWN FOR HIGH
AMBIENT TEMPERATURE.
COMP
ALTERNATE DOUBLE
POLE CONTACTOR ONLY
IO
C
MAIN
R
AUX
SR
CADM
SA
RCCF
SC C
(IF USED)
CH
C
C
D
CADM
F
C
D
MAIN
AUX
IO
CM
(LOW)
(HIGH)
Y
INDOOR POWER
SUPPLY
C
LPS
Y
RD
BL
BL/PK
R
C
LVJB
NOTE 1
COMPONENT CODE
C --------------- CONTACTOR
CADM -------- COMFORT ALERT MODULE
CM ------------ OUTDOOR FAN MOTOR
COMP -------- COMPRESSOR
HPS ----------- HIGH PRESSURE SWITCH
IO -------------- INTERNAL OVERLOAD
LAT ------------ LOW AMBIENT THERMOSTAT
LPS ------------ LOW PRESSURE SWITCH
LVJB ---------- LOW VOLTAGE JUNCTION BOX
RCCF --------- RUN CAPACITOR FOR COMPRESSOR & FAN
SA ------------- START ASSIST
SC ------------- START CAPACITOR FOR COMPRESSOR (OPTIONAL)
SR ------------- START RELAY FOR COMPRESSOR (OPTIONAL)
CONTROLS SHOWN WITH THERMOSTAT IN 'OFF' POSITION.
ALTERNATE DOUBLE
POLE CONTACTOR
OUTDOOR POWER SUPPLY
SEE RATING PLATE
WIRING CODE
FACTORY WIRING
HIGH VOLTAGE
LOW VOLTAGE
OPTIONAL HIGH VOLTAGE
FIELD WIRING
HIGH VOLTAGE
LOW VOLTAGE
RD
(IF USED)
NOTE 2
CR
RD YL
CR
CADM
BL
RD YL
RD YL
LVJB
CONTROL BOX
RD
LAT
NOTE 3
SC
RD BL
RD
YL YL/PK
BL
BL
RD
RD
C
RCCF
F
CHERM YLYL
YL
BR
RD
PU
YL
RD
YL/PK
YL/PK LPS
YL
C
R
RD
AUX
MAIN
COMP
IO
CM
AUX
MAIN
(HIGH)
BR
PU
RD
(LOW)
SR
YL
BL
EQUIPMENT GROUND
USE COPPER
CONDUCTORS ONLY
LAT
NOTE 3
BL/PK HPS BL/PK
BL/PK
YL/PK
COLOR CODE
BK --------------- BLACK
BL/PK ---------- BLUE/PINK STRIPE
BR --------------- BROWN
OR --------------- ORANGE
PU --------------- PURPLE
WH -------------- WHITE
YL --------------- YELLOW
YL/PK ---------- YELLOW/PINK STRIPE
HPS

WIRING DIAGRAMS
41
HIGH VOLTAGE!
DISCONNECT ALL POWER BEFORE SERVICING OR INSTALLING THIS
UNIT. MULTIPLE POWER SOURCES MAY BE PRESENT. FAILURE TO
DO SO MAY CAUSE PROPERTY DAMAGE, PERSONAL INJURY OR DEATH.
USE N.E.C. CLASS 2 WIRE
NOTES:
1) TO INDOOR UNIT LOW VOLTAGE
TERMINAL BLOCK & INDOOR
THERMOSTAT.
2) START ASSIST FACTORY
EQUIPPED WHEN REQUIRED.
3) LAT POSITION SHOWN FOR HIGH
AMBIENT TEMPERATURE.
COMP
ALTERNATE DOUBLE
POLE CONTACTOR ONLY
IO
C
MAIN
R
AUX
SR
CADM
SA
RCCF
SC C
(IF USED)
CH
C
C
D
CADM
F
C
D
MAIN
AUX
IO
CM
(LOW)
(HIGH)
Y
C
LPS
Y
BL
BL/PK
C
LVJB
NOTE 1
COMPONENT CODE
C --------------- CONTACTOR
CADM -------- COMFORT ALERT MODULE
CM ------------ OUTDOOR FAN MOTOR
COMP -------- COMPRESSOR
HPS ----------- HIGH PRESSURE SWITCH
IO -------------- INTERNAL OVERLOAD
LAT ------------ LOW AMBIENT THERMOSTAT
LPS ------------ LOW PRESSURE SWITCH
LVJB ---------- LOW VOLTAGE JUNCTION BOX
RCCF --------- RUN CAPACITOR FOR COMPRESSOR & FAN
SA ------------- START ASSIST
SC ------------- START CAPACITOR FOR COMPRESSOR (OPTIONAL)
SR ------------- START RELAY FOR COMPRESSOR (OPTIONAL)
CONTROLS SHOWN WITH THERMOSTAT IN 'OFF' POSITION.
ALTERNATE DOUBLE
POLE CONTACTOR
OUTDOOR POWER SUPPLY
SEE RATING PLATE
WIRING CODE
FACTORY WIRING
HIGH VOLTAGE
LOW VOLTAGE
OPTIONAL HIGH VOLTAGE
FIELD WIRING
HIGH VOLTAGE
LOW VOLTAGE
RD
(IF USED)
NOTE 2
CR
RD YL
C
CADM
BL
YL
RD YL
LVJB
CONTROL BOX
RD
LAT
NOTE 3
SC
RD BL
RD
YL YL/PK
BL
BL
RD
RD
C
RCCF
F
CHERM
YLYL
YL
BR
RD
PU
YL
RD
YL/PK
YL/PK LPS
YL
C
R
RD
AUX
MAIN
COMP
IO
CM
AUX
MAIN
(HIGH)
BR
PU
RD
(LOW)
SR
YL
BL
EQUIPMENT GROUND
USE COPPER
CONDUCTORS ONLY
LAT
NOTE 3
BL/PK HPS BL/PK
BL/PK
YL/PK
COLOR CODE
BK --------------- BLACK
BL/PK ---------- BLUE/PINK STRIPE
BR --------------- BROWN
OR --------------- ORANGE
PU --------------- PURPLE
WH -------------- WHITE
YL --------------- YELLOW
YL/PK ---------- YELLOW/PINK STRIPE
HPS
Wiring is subject to change. Always refer to the wiring diagram on the unit for the most up-to-date wiring.
ASX140[18-36/48]1C[A/B]
ASX140421D[A/B] / ASX140[48-60]1[BA/B]

WIRING DIAGRAMS
42
HIGH VOLTAGE!
DISCONNECT ALL POWER BEFORE SERVICING OR INSTALLING THIS
UNIT. MULTIPLE POWER SOURCES MAY BE PRESENT. FAILURE TO
DO SO MAY CAUSE PROPERTY DAMAGE, PERSONAL INJURY OR DEATH.
T1
L1
T2
L2
ALTERNATE DOUBLE
POLE CONTACTOR
SCR
BK
RD YL
Y
C
CADM
BL
YL
RD BK YL
CONTROL BOX
SC
YL
RD BK
COMP
IO
CM
AUX
MAIN
BK
BR
PU
SR
5
21
BK
YL
BL
BL/PK HPS
BL/PK
COL
MAIN
C
IO
R
S
AUX
T1
L1
T2
L2
ALTERNATE DOUBLE
POLE CONTACTOR
SCR
BK
RD YL
Y
C
CADM
BL
YL
RD BK YL
CONTROL BOX
SC
YL
RD BK
COMP
IO
CM
AUX
MAIN
BK
BR
PU
SR
5
21
BK
YL
BL
BL/PK HPS
BL/PK
COL
MAIN
C
IO
R
S
AUX
COMP
ALTERNATE DOUBLE
POLE CONTACTOR ONLY
IO
T1
C
M
AIN
R
A
UX
5
S
SR
CADM
SA
21
RCCF
SC
T2
C
L1 L2
(IF USED)
CH
C
C
A
D
M
CADM
F
C
A
D
M
MAIN
AUX
IO
CM
CY
C
YC
BL
BL/PK
C
Y
LVJB
NOTE 1
COMPONENT CODE
C --------------- CONTACTOR
CADM -------- COMFORT ALERT MODULE
CM ------------ OUTDOOR FAN MOTOR
COMP -------- COMPRESSOR
HPS ----------- HIGH PRESSURE SWITCH
IO -------------- INTERNAL OVERLOAD
LVJB ---------- LOW VOLTAGE JUNCTION BOX
RCCF --------- RUN CAPACITOR FOR COMPRESSOR & FAN
SA ------------- START ASSIST
SC ------------- START CAPACITOR FOR COMPRESSOR (OPTIONAL)
SR ------------- START RELAY FOR COMPRESSOR (OPTIONAL)
CONTROLS SHOWN WITH THERMOSTAT IN 'OFF' POSITION.
OUTDOOR POWER SUPPLY
SEE RATING PLATE
WIRING CODE
F
A
CTORY WIRING
HIGH VOLTAGE
LOW VOLTAGE
OPTIONAL HIGH VOLTAGE
FIELD WIRING
HIGH VOLTAGE
LOW VOLTAGE
LVJB
RD BL
RD
YL
BL
BL
RD
RD
BKBK
BK
C
T1
L1
T2
L2
RCCF
F
CHERM
YLYL
YL
BR
RD
PU
YL
RD
EQUIPMENT GROUND
BL/PK
OR CODE
BK --------------- BLACK
BL --------------- BLUE
BL/PK ---------- BLUE/PINK STRIPE
BR --------------- BROWN
OR --------------- ORANGE
PU --------------- PURPLE
RD --------------- RED
WH -------------- WHITE
YL --------------- YELLOW
HPS
0140R00240-A
NOTES:
1) TO INDOOR UNIT LOW VOLTAGE
TERMINAL BLOCK & INDOOR
THERMOSTAT.
2) START ASSIST FACTORY
EQUIPPED WHEN REQUIRED.
3) USE COPPER CONDUCTORS
ONLY.
RD
SA
(IF USED)
NOTE 2
NOTE 3
COMP
ALTERNATE DOUBLE
POLE CONTACTOR ONLY
IO
T1
C
MAIN
R
AUX
5
S
SR
CADM
SA
21
RCCF
SC
T2
C
L1 L2
(IF USED)
CH
C
C
A
D
M
CADM
F
C
A
D
M
MAIN
AUX
IO
CM
CY
C
YC
BL
BL/PK
C
Y
LVJB
NOTE 1
COMPONENT CODE
C --------------- CONTACTOR
CADM -------- COMFORT ALERT MODULE
CM ------------ OUTDOOR FAN MOTOR
COMP -------- COMPRESSOR
HPS ----------- HIGH PRESSURE SWITCH
IO -------------- INTERNAL OVERLOAD
LVJB ---------- LOW VOLTAGE JUNCTION BOX
RCCF --------- RUN CAPACITOR FOR COMPRESSOR & FAN
SA ------------- START ASSIST
SC ------------- START CAPACITOR FOR COMPRESSOR (OPTIONAL)
SR ------------- START RELAY FOR COMPRESSOR (OPTIONAL)
CONTROLS SHOWN WITH THERMOSTAT IN 'OFF' POSITION.
OUTDOOR POWER SUPPLY
SEE RATING PLATE
WIRING CODE
F
A
CTORY WIRING
HIGH VOLTAGE
LOW VOLTAGE
OPTIONAL HIGH VOLTAGE
FIELD WIRING
HIGH VOLTAGE
LOW VOLTAGE
LVJB
RD BL
RD
YL
BL
BL
RD
RD
BKBK
BK
C
T1
L1
T2
L2
RCCF
F
CHERM
YLYL
YL
BR
RD
PU
YL
RD
EQUIPMENT GROUND
BL/PK
OR CODE
BK --------------- BLACK
BL --------------- BLUE
BL/PK ---------- BLUE/PINK STRIPE
BR --------------- BROWN
OR --------------- ORANGE
PU --------------- PURPLE
RD --------------- RED
WH -------------- WHITE
YL --------------- YELLOW
HPS
RD
SA
(IF USED)
NOTE 2
NOTE 3
NOTES:
1) TO INDOOR UNIT LOW VOLTAGE
TERMINAL BLOCK & INDOOR
THERMOSTAT.
2) START ASSIST FACTORY
EQUIPPED WHEN REQUIRED.
3) USE COPPER CONDUCTORS
ONLY.
0140R00240-A
USE N.E.C.
CLASS 2 WIRE
ASX140[24-36]1CC / ASX140421DC
ASX140481CB / ASX140601BC / ASX1401801D*
Wiring is subject to change. Always refer to the wiring diagram on the unit for the most up-to-date wiring.