Ampeg Gvt15H Owner S Manual

Ampeg-Gvt15-112-Owner-S-Manual ampeg-gvt15-112-owner-s-manual

2014-07-05

: Ampeg Ampeg-Gvt15H-Owner-S-Manual ampeg-gvt15h-owner-s-manual ampeg pdf

Open the PDF directly: View PDF PDF.
Page Count: 12

GVT15-112
Guitar Amplifier
®
OWNER’S MANUAL
input powergain treble middle volume reverbbass
M O D E L
G V T 15-112
TDSK
of f
on
standby
half
full
Guitar AmplifierGVT15-112
2
TABLE OF CONTENTS
Important Safety Instructions .................................................2
Introduction / Special Features ..............................................4
The Front Panel ....................................................................5
The Rear Panel .....................................................................6
Important Information about Tubes .........................................7
Block Diagram ....................................................................10
Technical Specifications / Service Information .......................11
1. Read these instructions.
2. Keep these instructions.
3. Heed all warnings.
4. Follow all instructions.
5. Do not use this apparatus near water.
6. Clean only with a dry cloth.
7. Do not block any ventilation openings. Install in
accordance with the manufacturer’s instructions.
8. Do not install near any heat sources such as
radiators, heat registers, stoves, or other
apparatus (including amplifiers) that produce heat.
9. Do not defeat the safety purpose of the
polarized or grounding-type plug. A polarized plug
has two blades with one wider than the other. A
grounding-type plug has two blades and a third
grounding prong. The wide blade or the third
prong are provided for your safety. If the provided
plug does not fit into your outlet, consult an
electrician for replacement of the obsolete outlet.
10.
Protect the power cord from being walked
on or pinched particularly at plugs, convenience
receptacles, and the point where they exit from
the apparatus.
11.
Only use attachments/accessories specified
by the manufacturer.
12.
Use only with a cart, stand,
tripod, bracket, or table specified
by the manufacturer, or sold with
the apparatus. When a cart is used,
use caution when moving the cart/
apparatus combination to avoid
injury from tip-over.
13.
Unplug this apparatus during lightning storms
or when unused for long periods of time.
14.
Refer all servicing to qualified service
personnel. Servicing is required when the
apparatus has been damaged in any way, such as
IMPORTANT SAFETY INSTRUCTIONS
power-supply cord or plug is damaged, liquid has
been spilled or objects have fallen into the
apparatus, the apparatus has been exposed to
rain or moisture, does not operate normally, or
has been dropped.
15.
Do not overload wall outlets and extension
cords as this can result in a risk of fire or electric
shock.
16.
This apparatus shall not be exposed to
dripping or splashing, and no object filled with
liquids, such as vases or beer glasses, shall be
placed on the apparatus.
17.
This apparatus has been designed with Class-I
construction and must be connected to a mains
socket outlet with a protective earthing connection
(the third grounding prong).
18.
The MAINS plug or an appliance coupler is
used as the disconnect device, so the disconnect
device shall remain readily operable.
19.
For the terminals marked with symbol of “
may be of sufficient magnitude to constitute a risk
of electric shock. The external wiring
connected to the terminals requires installation
by an instructed person or the use of ready-made
leads or cords.
CAUTION AVIS
RISK OF ELECTRIC SHOCK. DO NOT OPEN
RISQUE DE CHOC ELECTRIQUE. NE PAS OUVRIR
CAUTION: TO REDUCE THE RISK OF ELECTRIC SHOCK DO NOT REMOVE COVER (OR BACK)
NO USER-SERVICEABLE PARTS INSIDE. REFER SERVICING TO QUALIFIED PERSONNEL
ATTENTION: POUR EVITER LES RISQUES DE CHOC ELECTRIQUE, NE PAS ENLEVER LE COUVERCLE.
AUCUN ENTRETIEN DE PIECES INTERIEURES PAR L'USAGER.
CONFIER L'ENTRETIEN AU PERSONNEL QUALIFIE.
AV IS: POUR EVITER LES RISQUES D'INCENDIE OU D'ELECTROCUTION, N'EXPOSEZ P A S CET ARTICLE
A LA PLUIE OU A L'HUMIDITE
The lightning flash with arrowhead symbol within an equilateral triangle is
intended to alert the user to the presence of uninsulated "dangerous
voltage" within the product's enclosure, that may be of sufficient magnitude
to constitute a risk of electric shock to persons.
Le symbole éclair avec point de flèche à l'intérieur d'un triangle équilatéral
est utilisé pour alerter l'utilisateur de la présence à l'intérieur du coffret de
"voltage dangereux" non isolé d'ampleur suffisante pour constituer un risque
d'éléctrocution.
The exclamation point within an equilateral triangle is intended to alert the
user of the presence of important operating and maintenance (servicing)
instructions in the literature accompanying the appliance.
Le point d'exclamation à l'intérieur d'un triangle équilatéral est employé
pour alerter les utilisateurs de la présence d'instructions importantes pour le
fonctionnement et l'entretien (service) dans le livret d'instruction
accompagnant l'appareil.
PORTABLE CART
WARNING
WARNING — To reduce the risk of fire or electric shock, do not
expose this apparatus to rain or moisture.
Guitar Amplifier GVT15-112
3
CONSIGNES DE SECURITE IMPORTANTES
- LIRE, SUIVRE TOUTES LES INSTRUCTIONS ET LES PRECAUTIONS D’UTILISATION
- NE PAS UTILISER PROCHE D’UNE SOURCE DE CHALEUR ET NE PAS BLOQUER OU OBSTRUER LE SYSTEME DE VENTILATION SUR CET APPAREIL. POUR UNE
UTILISATION CONFORME, CET APPAREIL NECESSITE ENVIRON 7CM D’ESPACE BIEN VENTILE AUTOUR DE SON SYSTEME DE REFROIDISSEMENT, AINSI QU’UN COURANT
D’AIR FRAIS CONSTANT
- NE PAS UTILISER CET APPAREIL PROCHE D’UNE SOURCE LIQUIDE
- NETTOYER SEULEMENT A L’AIDE D’UN CHIFFON DOUX ET SEC ET NE PAS UTILISER DE PRODUITS MENAGERS
- CONNECTER UNIQUEMENT LE CABLE D’ALIMENTATION FOURNI SUR UNE PRISE AVEC MISE A LA TERRE, ET COMPATIBLE AVEC LA TENSION, L’INTENSITE ET LA
FREQUENCE REQUISES INDIQUEES SUR LA FACE ARRIERE DE L’APPAREIL
- S’ASSURER DE NE PAS MARCHER, PLIER OU TIRER SUR LE CABLE D’ALIMENTATION
- DEBRANCHER L’APPAREIL LORS D’UNE TEMPETE OU LORS D’UNE TRES LONGUE PERIODE DE NON UTILISATION
- UTILISER UNIQUEMENT DES ACCESSOIRES SPECIFIES PAR LE FABRICANT POUR UNE UTILISATION EN TOUTE SECURITE ET POUR EVITER DES BLESSURES
- ATTENTION: AFIN DE PREVENIR TOUT RISQUE DE CHOCS ELECTRIQUES OU DE DEBUT D’INCENDIE, NE PAS EXPOSER CET APPAREIL A LA PLUIE ET A L’HUMIDITE
- TOUT ENTRETIEN DOIT ETRE FAIT PAR UN TECHNICIEN QUALIFIE
- NOS AMPLIFICATEURS PEUVENT PRODUIRE DE TRES HAUTES PRESSIONS ACOUSTIQUES QUI PEUVENT CAUSER DES DOMMAGES AUDITIFS PERMANENTS OU
DEFINITIFS. L’UTILISER AVEC UNE GRANDE PRECAUTION EST CONSEILLE ET DES PROTECTIONS AUDITIVES SONT RECOMMANDEES POUR UNE UTILISATION A FORT
VOLUME.
- ATTENTION: CET APPAREIL REQUIERT UNE PRISE MURALE AVEC MISE A LA TERRE, AUX NORMES ACTUELLES ET COMPATIBLE AVEC LES SPECIFICATIONS
ELECTRIQUES SE TROUVANT EN FACE ARRIERE DE L’APPAREIL. LA PRISE ELECTRIQUE DOIT RESTER ACCESSIBLE POUR DEBRANCHER L’APPAREIL EN CAS DE DEFAUT
PENDANT L’UTILISATION
- CET APPAREIL DOIT ETRE DEBRANCHE SI IL N’EST PAS UTILISE
Elimination correcte du produit : Ce symbole indique que ce produit ne doit pas être éliminé avec les ordures ménagères, comme le prévoiT la directive WEEE (2002/96/
EC) et votre loi nationale.
Ce produit doit être remis à un site de recyclage des déchets électriques et des équipements électroniques (EEE).
Un mauvais recyclage de ce type de déchet peut avoir de possibles impacts négatifs sur l’environnement et la santé humaine dus aux émanations de substances.
Dans un même temps, votre coopération à un recyclage correct de ce produit contribuera à la bonne utilisation des ressources naturelles.
Pour connaître l’endroit où il est possible de recycler ces équipements, merci de contacter votre mairie, les services de recyclages ou le service des déchets ménagers.
NOTE: This equipment has been tested and found to comply
with the limits for a Class B digital device, pursuant to part 15 of
the FCC Rules. These limits are designed to provide reasonable
protection against harmful interference in a residential installation.
This equipment generates, uses, and can radiate radio frequency
energy and, if not installed and used in accordance with the
instructions, may cause harmful interference to radio
communications. However, there is no guarantee that interference
will not occur in a particular installation. If this equipment does
cause harmful interference to radio or television reception, which
can be determined by turning the equipment off and on, the user
is encouraged to try to correct the interference by one or more of
the following measures:
• Reorientorrelocatethereceivingantenna.
• Increasetheseparationbetweentheequipmentandthe
receiver.
• Connecttheequipmentintoanoutletonacircuitdifferent
from that to which the receiver is connected.
• Consultthedealeroranexperiencedradio/TVtechnicianfor
help.
CAUTION: Changes or modifications to this device not expressly
approved by LOUD Technologies Inc. could void the user's authority
to operate the equipment under FCC rules.
This apparatus does not exceed the Class A/Class B (whichever
is applicable)
limits for radio noise emissions from digital
apparatus as
set out in the radio interference regulations of the
Canadian Department
of Communications.
ATTENTION — Le présent appareil numérique n’émet pas de
bruits radioélectriques dépassant las limites applicables aux
appareils numériques de class A/de class B (selon le cas)
prescrites dans le réglement sur le brouillage radioélectrique édicté
par les ministere des communications du Canada.
Exposure to extremely high noise levels may cause permanent
hearing loss. Individuals vary considerably in susceptibility to
noise-induced hearing loss, but nearly everyone will lose some
hearing if exposed to sufficiently intense noise for a period of
time. The U.S. Government’s Occupational Safety and Health
Administration (OSHA) has specified the permissible noise level
exposures shown in the following chart.
According to OSHA, any exposure in excess of these
permissible limits could result in some hearing loss. To ensure
against potentially dangerous exposure to high sound pressure
levels, it is recommended that all persons exposed to equipment
capable of producing high sound pressure levels use hearing
protectors while the equipment is in operation. Ear plugs or
protectors in the ear canals or over the ears must be worn when
operating the equipment in order to prevent permanent hearing
loss if exposure is in excess of the limits set forth here:
Correct disposal of this product: This symbol indicates that this product should not be disposed of with your household waste,
according to the WEEE directive (2002/96/EC) and your national law. This product should be handed over to an authorized
collection site for recycling waste electrical and electronic equipment (EEE). Improper handling of this type of waste could have
a possible negative impact on the environment and human health due to potentially hazardous substances that are generally
associated with EEE. At the same time, your cooperation in the correct disposal of this product will contribute to the effective
usage of natural resources. For more information about where you can drop off your waste equipment for recycling, please
contact your local city office, waste authority, or your household waste disposal service.
Duration, per
day in hours
Sound
Level dBA, Slow
Response
Typical Example
8 90 Duo in small club
6 92
4 95 Subway Train
3 97
2 100 Very loud classical music
1.5 102
1 105 The boss screaming at the minions about
manual deadlines
0.5 110
0.25 or less 115 Loudest parts at a rock concert
Guitar AmplifierGVT15-112
4
Introduction
Ampeg has a history of delivering pure all-tube tone for over 60 years. During that time we’ve
made great friends and damaged some ear drums. We’ve seen it all, lived it all and lived to
talk about it. The backbone of American Rock is back. Become a part of the American tone
invasion with the all-new Ampeg GVT Series that delivers all-tube tone force that will set you
apart from the rest. Are you ready to experience the taste, smell and tone that is American
Rock? Buckle your seat belt, plug in, turn on and turn up. It’s time to make history!
On a personal note, the team at Ampeg would sincerely like to thank you for your support
and dedication to our mission in bringing you some of the best amps and cabs the world has
known. Best of luck in all of your musical endeavors!
Sincerely,
The dedicated team at Ampeg
Special Features
• SingleChannel,All-TubeCircuitPath,Push-Pull,ClassA
• PowerOutput:15WFullPower/7.5WHalfPower
• PreampTubes:2x12AX7/ECC83/7025
• PowerTubes:2x6V6GT
• Rectifier:SolidState
• Controls:Gain,Treble,Middle,Bass,VolumeandReverb
•FullPower(15W–Tetrode),Standby,HalfPower(7.5W–Triode)Switch
•SpringReverb:Footswitchablewithhardbypassinoffposition
•EffectLoop:Footswitchablewithhardbypassinoffposition
•CustomDesigned12"CelestionSpeaker
•BaxandallEQ
•DCpowertofilamentsupplyforsuperquietoperation
•Heritagetrim:black-linefaceplate,blacksparklegrilleclothandblackTolex
•PremiumTubes
•DualColorIndicatorLight
•2ButtonFootSwitch:ReverbandEffectLoopOn/Off[AccessoryItem]
• SpeakerOutputs:1x16Ω,2x8Ωand2x4Ω
• CabinetConstruction:Void-Free15mmthickplywood
• CabinetDimensions:19.1 in/486 mm (with feet) x 18.0 in/457 mm x 10.0 in/255 mm
: handle adds 0.75 in/19 mm to H
• HandlingWeight:41.8 lb / 19.0 kg (approximately)
input powergain treble middle volume reverbbass
off
on
standby
half
full
Guitar Amplifier GVT15-112
5
The Front Panel
1. INPUT: Connect a guitar to this
1/4"inputusingahigh-quality
shielded instrument cable.
2. GAIN: This control adjusts the
gain of the amplifier.
3. TREBLE: Use this to adjust the high
frequency level of the amplifier. This
provides up to 12 dB of boost or
12 dB of cut at 5 kHz. The high
frequency output is flat at the
center position.
4. MIDDLE: Use this to adjust the middle
frequencies of the amplifier. This
provides up to 10 dB of boost @ 2 kHz
or up to 6 dB of cut at 800 Hz.
5. BASS: Use this to adjust the low
frequency level of the amplifier. This
provides up to 12 dB of boost or
12 dB of cut at 80 Hz. The low
frequency output is flat at the
center position.
6. VOLUME: This control adjusts the
output level.
7. REVERB: This control adjusts the
amount of reverb. With the control
fully counter-clockwise, there is no
reverb applied; as the control is turned
clockwise, the amount of reverb
increases accordingly.
8. FULL/STANDBY/HALF: The amplifier
may be utilized in two distinct modes
of operation and output power rating.
Tetrode is the aggressive setting that
delivers full output power of 15 watts
rms[settingatFULL].Triodeisagentler
setting with more headroom that
reduces the output power to
7.5wattsrms[settingatHALF].
Always make sure this switch is in
STANDBY mode [middle position] when
powering the GVT15-112 ON or OFF
[10]. Allow at least 30 seconds before
moving this switch to FULL or HALF.
During short breaks, this switch should
be set to STANDBY to help prolong the
life of the amplifier’s tubes.
9. STANDBY/POWER LED: This is a
multi-function LED. In STANDBY mode,
it glows red. In the ON mode (when the
high voltage kicks in) it glows green. If
it does not turn green in the ON mode,
there is no high voltage present and the
unit needs to be serviced.
10. POWER SWITCH: Use this switch to
turn the overall system power on or off.
Always turn this switch ON first and
OFF last! Turn the Full/Standby/Half
switch [8] on at least 30 seconds after
turning on the On/Off switch.
1 2 3 4 5 6 7 98 10
EFFECTS LOOP
RETURN SEND 4 OHMS
USE WITH ONE 4 OHM CABINET
OR TWO 8 OHM CABINETS
4 OHMS 8 OHMS 8 OHMS 16 OHMS
USE WITH ONE 8 OHM CABINET
OR TWO 16 OHM CABINETS
REVERB/EFFECTS
FOOT SWITCH
MOD EL
GVT 15- 11 2
POWER CONSUMPTION 90W
TUBE COMPLEMENT
2 POWER: 6V6
2 PREAMP: 12AX7/ ECC83/7025
POWER OUTPUT 15WATTS RMS - CLASS 2 WIRING
CONNECT SPEAKER BEFORE USE
THI S DE VIC E C OMP LIES WI TH PART 15 OF THE FC C R ULE S
FOR THE U. S. AND ICE S-0 03,
FOR CAN ADA . O PER ATION IS SU BJEC T T O T HE FOLL OWI NG TWO CO NDIT ION S: (1) THIS
DEVICE MAY NOT CAUSE HARMFUL INTERFERENCE, AND (2) THIS DEVICE MUST
ACCEPT ANY INTERFERENCE RECEIVED, INCLUDING INTERFERENCE THAT MAY
CAUSE UNDESIRED OPERATION.
WARNING:
TO REDUCE THE RISK OF FIRE OR ELECTRIC
SHOCK, DO NOT EXPOSE THIS EQUIPMENT TO RAIN OR
MOISTURE. DO NOT REMOVE COVER. NO USER SERVICEABLE
PARTS INSIDE. REFER SERVICING TO QUALIFIED PERSONNEL.
AVIS:
RISQUE DE CHOC ELECTRIQUE — NE PAS OUVRIR
Guitar AmplifierGVT15-112
6
The Rear Panel
11 12 13 14 15 16 17
11. AC POWER INPUT WITH MAINS FUSE
ASSEMBLY: The amplifier is equipped
with a detachable power cable that plugs
into the IEC Mains socket on the back of
the amplifier. The AC power cord should
only be plugged into a grounded power
outlet that meets all applicable electrical
codes and is compatible with the
voltage, power, and frequency
requirements stated on the rear panel
of the amplifier.
Do not attempt to defeat the safety
ground connection.
The AC Mains fuse is located in the
IEC Mains socket and is used to
protect the amplifier from electrical
faults. If the fuse needs to be replaced,
please refer to the correct fuse
specifications located on the back panel
of the amplifier.
Never bypass the fuse or replace it with
a wrong type or value.
12. EFFECTS LOOP RETURN: Use this
1/4"TSunbalancedinputtoreturnthe
processed line-level output of an external
effects processor (for example). The
processor could be fed signals from the
EffectsLoopSend[13].
13. EFFECTS LOOP SEND:Usethis1/4"
TS unbalanced output to send a line-level
output to an external effects processor
(for example). The output here is
affected by all controls except the
Volume[6].
 UsetheEffectsLoopReturnjack[12]
to feed the returned processed signals
back into the amplifier.
14. REVERB/EFFECTS FOOT SWITCH:
ConnecttheGVT–FS2dualfootswitch
to this jack for “remote control” of
Reverb and Effects On/Off. On the
stereo1/4"plug,thetipcontrols
Reverb and the ring controls Effects.
When the foot switch is NOT plugged in:
The Reverb is always enabled.
The Effects Loop is active when a cable
isconnectedtotheReturn[12].
When the foot switch IS plugged in:
The Reverb is always affected by the
foot switch operation.
The Effects Loop is controlled by the
foot switch when a cable is connected to
theReturn[12].
The foot switch button for Effects Loop
does nothing when no cable is
connectedtotheReturn[12].
NOTE: A foot switch may be purchased at
your local Ampeg dealer or ordered
directly from LOUD Technologies Inc.
Besuretoaskformodel#GVT–FS2.
15. 4 OHMS:Thetwo4Ωspeakeroutput
jacks are wired in parallel. Use a single
jackwhenusingone4Ωspeaker
cabinet. Use both speaker jacks when
usingtwo8Ωspeakercabinets.Ifyou
havefour16Ωcabinetswithparallel
speaker jacks, you can link all four
16Ωcabinetsina
parallel wiring
configuration,totalinga4Ωload.
16.
8 OHMS:Thetwo8Ωspeaker
output jacks are wired in parallel. Use a
singlejackwhenusingone8Ωspeaker
cabinet. Use both speaker jacks when
usingtwo16Ωspeakercabinets.
Guitar Amplifier GVT15-112
7
Important Information about Tubes:
The Nature Of Tubes Why (And When To) Replace Them:
Tubes are made up of a number of fragile mechanical components that are vacuum-sealed in a
glass envelope or bubble. The tube’s longevity is based on a number of factors which include
how hard and often the amplifier is played, vibration from the speakers, road travel, repeated
set up and tear down, etc.
Any time you notice a change in the amplifier’s performance, check the tubes first.
If it’s been awhile since the tubes were replaced and the amplifier lacks punch, fades in and
out, loses highs or lows or produces unusual sounds, the power tubes probably need to be
replaced. If the amplifier squeals, makes noise, loses gain, starts to hum, lacks “sensitivity”,
or feels as if it is working against you, the preamplifier tubes may need to be replaced.
The power tubes are subjected to considerably more stress than the preamplifier tubes.
Consequently, they almost always fail/degrade first. If deteriorating power tubes aren’t
replaced, they will ultimately fail. Depending on the failure mode, they may even cause severe
damage to the audio output transformer and/or other components in the amplifier. Replacing
the tubes before they fail completely has the potential to save time, money and other
unwanted trouble. Since power tubes work together in an amplifier, it is crucial that they
(if there is more than one) be replaced by a matched set. If you’re on the road a lot, we
recommend that you carry a spare matched set of replacement power tubes and their
associated driver tubes.
After turning off the power and disconnecting the amplifier from the power source, carefully
check the tubes (in bright light) for cracks or white spots inside the glass or any other
apparent damage. Then, with the power on, view the tubes in a dark room. Look for
preamplifier tubes that do not glow at all or power tubes that glow excessively red.
WARNING! Never turn on or use the amplifier without a load or speaker connected to the amplifier.
ALWAYS
use a good quality (non-shielded) speaker cable. Never use (shielded) instrument cable.
ALWAYS match the amplifier’s speaker output impedance to the impedance of the speaker
that is being used. Use only one type impedance output at a time. If more than one speaker is
connected at the same time, make sure they all have the same impedance rating. Never use
two or more cabinets with different impedance ratings. This will create an unbalanced load.
When using multiple speaker cabinets (with the same impedance rating), match the total load
impedance of the speaker cabinets to the speaker output of the amplifier.
SPEAKER CABINET IMPEDANCE divided by NUMBER OF CABINETS = TOTAL LOAD
16Ωcabswithparallelinputs/4cabs=4Ωload.Forthisapplicationuse4Ωoutputjacks.
16Ωcabs/2cabs=8Ωload.Forthisapplicationusethe8Ωspeakerjacks.
16Ωcab/1cab=16Ωload.Forthisapplicationusethe16Ωspeakerjack.
8Ωcabs/2cabs=4Ωload.Forthisapplicationusethe4Ωoutputjacks.
8Ωcab/1cab=8Ωload.Forthisapplicationusethe8Ωspeakerjack.
4Ωcab/1cab=4Ωload.Forthisapplicationusethe4Ωspeakerjack.
17. 16 OHMS:The16Ωspeakeroutputjackisdesignatedfor16Ωspeakercabinetsonly.
Guitar AmplifierGVT15-112
8
Important Information About Tubes (continued):
Changing the Tubes:
To get to the power tubes, the rear screen must be removed and the tube retainer(s) must
be moved out of the way. Qualified service persons may follow these steps to change the
tubes:
•Turntheampoff,unplugitandletitcoolforatleast5minutes.   
•Removethescrewswhichholdtheperforatedmetalscreentotherearofthecabinet.
•Settheperforatedmetalscreenaside.    
•Removethetuberetainer(s)bypullingthemoffthetube(s)andmovingthemtoone 
side.
•Graspthetubeatitstopandgentlyworkitoutofitssocketbyrockingitslightlyback
and forth as you pull down on it.
•Wheninsertingnewoutputtubes,alignthetabinthetube’splasticbasewiththeslotin
the socket and press the tube gently but firmly into place by pushing up on its top.
•Replacethebackpanelandtightenitsscrews.
Whenever you replace the power tube(s):
Check the preamplifier tubes for microphonics by turning the amplifier on, turning up the gain
and tapping lightly on each tube with the end of a pencil or a chopstick (my favorite). You will
be able to hear the tapping through the speakers, which is normal. It is not normal for a tube
to ring like a bell after it’s tapped. If it does ring, then it’s microphonic and should be replaced.
Remember to use only high-quality, low microphonic tubes in the preamplifier section.
Even though power tubes are rarely microphonic, they should be checked, anyway. Power
tubes may be checked for microphonics in the same fashion as the preamp tubes.
The amount of noise generated in very high gain amps may be reduced simply by swapping
the preamp tubes around.
Guitar Amplifier GVT15-112
9
Important Information About Tubes (continued):
Survival Tips for Tube Amplifiers:
To prolong tube life, observe the following tips and recommendations:
• Matchtheimpedanceofthespeakercabinet(s)totheamplifier.Improperimpedance
matching will contribute to early tube degradation and may cause premature tube failure.
• Makesurethespeaker(s)areproperlyconnectedpriortoturningontheamplifier.
• Allowsufficienttimefortheamplifiertoproperlycooldownpriortomovingit.Aproperly
cooled amplifier prolongs tube life due to the internal components being less susceptible
to the damage caused by vibration.
• Allowtheamplifiertowarmuptoroomtemperaturebeforeturningiton.Theheat
generated by the tube elements can crack a cold glass housing.
• Replacetheoutputtube(s)beforetheperformancedegradesorthetubesfailcompletely.
Replace the tube(s) at least once per year or as often as every 4 to 6 months if you play
long and hard every day.
• Ifthelocatingnotchonthebaseofapowertubebreaksoff,replacethetube.This
significantly reduces the risk of damaging the amplifier by incorrectly inserting the tube.
• Protecttheamplifierfromdustandmoisture.Ifliquidgetsintotheamplifierproper,orif
the amplifier is dropped or otherwise mechanically abused, have it checked out at an
authorized service center before using it.
• Propermaintenanceandcleaningincombinationwithroutinecheckupsbyanauthorized 
service center will ensure the best performance and longest life from the amplifier.
CAUTION: Tube replacement should be performed only by qualified service
personnel who are familiar with the dangers of hazardous voltages that are
typically present in tube circuitry.
Guitar AmplifierGVT15-112
10
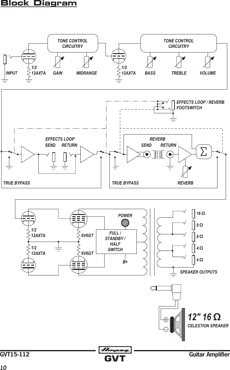
Block Diagram
REVERB
VOLUMEBASS TREBLE
TONE CONTROL
CIRCUITRY
1/2
12AX7A
1/2
12AX7A
REVERB
SEND RETURN
MIDRANGEGAIN
TONE CONTROL
CIRCUITRY
INPUT
6V6GT
6V6GT
1/2
12AX7A
1/2
12AX7A
FULL /
STANDBY /
HALF
SWITCH
POWER 16 Ω
8 Ω
8 Ω
4 Ω
4 Ω
SPEAKER OUTPUTS
B+
EFFECTS LOOP
SEND RETURN
TRUE BYPASSTRUE BYPASS
EFFECTS LOOP / REVERB
FOOTSWITCH
CELESTION SPEAKER
12" 16
REVERB
VOLUMEBASS TREBLE
TONE CONTROL
CIRCUITRY
1/2
12AX7A
1/2
12AX7A
REVERB
SEND RETURN
MIDRANGEGAIN
TONE CONTROL
CIRCUITRY
INPUT
6V6GT
6V6GT
1/2
12AX7A
1/2
12AX7A
FULL /
STANDBY /
HALF
SWITCH
POWER 16 Ω
8 Ω
8 Ω
4 Ω
4 Ω
SPEAKER OUTPUTS
B+
EFFECTS LOOP
SEND RETURN
TRUE BYPASSTRUE BYPASS
EFFECTS LOOP / REVERB
FOOTSWITCH
CELESTION SPEAKER
12" 16
Guitar Amplifier GVT15-112
11
Service Information
I
f there is a problem with the GVT15-112 amplifier, please visit our website (www.ampeg.com)
and click on Support for service information, or call Technical Support at 1-800-898-3211
Monday–Fridayduring
normal business hours, Pacific Time
, to receive assistance.
GVT15-112 owners outside of the U.S., contact the local distributor for technical support
and service.
TECHNICAL SPECIFICATIONS
Preamp Tube Premium 2 x 12AX7 / ECC83 / 7025
Power Amp Tube Premium 2 x 6V6GT
Output Power Rating 15 watts rms (“full” tetrode mode) / 7.5 watts rms
 (“half”triodemode)into4,8or16Ω
Signal-to-NoiseRatio  68dB(20Hz–20kHz,unweighted)
Maximum Gain 58 dB @ 1 kHz, volume max, tones centered,
 16Ωout
ToneControls Bass:  +12/–12dB@80Hz
Middle: –6dB@800Hz/+10dB@2kHz 
Treble: +12/–12dB@5kHz
Speaker  CustomDesigned12"CelestionSpeaker
PowerRequirements  100–120V~:T2AL250Vfuse,50–60Hz,90W
 220–240V~:T1AL250Vfuse,50–60Hz,90W
Size (H x W x D) 19.1 in/486 mm (with feet) x 18.0 in/457 mm x
10.0 in/255 mm
Handle adds 0.75 in / 19 mm to H
Weight 41.8 lb / 19.0 kg (approximately)
The GVT15-112
is covered with a durable fabric-backed vinyl material.
Clean with a dry lint-free
cloth.
Never spray cleaning agents on the
GVT15-112
. Avoid abrasive cleansers which would
damage the finish.
Ampeg continually develops new products and improves upon existing ones. For this reason, the specifications
and information in this manual are subject to change without notice.
“Ampeg” is a registered trademark of LOUD Technologies Inc. All other brand names mentioned are trademarks
or registered trademarks of their respective holders and are hereby acknowledged.
www.ampeg.com
©2011 LOUD Technologies Inc.
16220 Wood-Red Road NE • Woodinville, WA 98072
Part No. SW0907 Rev. A 06/11
®
OWNER’S MANUAL
GVT15-112
Guitar Amplifier
Page 1 of 12 - Ampeg Ampeg-Gvt15H-Owner-S-Manual
Page 2 of 12 - Ampeg Ampeg-Gvt15H-Owner-S-Manual
Page 3 of 12 - Ampeg Ampeg-Gvt15H-Owner-S-Manual
Page 4 of 12 - Ampeg Ampeg-Gvt15H-Owner-S-Manual
Page 5 of 12 - Ampeg Ampeg-Gvt15H-Owner-S-Manual
Page 6 of 12 - Ampeg Ampeg-Gvt15H-Owner-S-Manual
Page 7 of 12 - Ampeg Ampeg-Gvt15H-Owner-S-Manual
Page 8 of 12 - Ampeg Ampeg-Gvt15H-Owner-S-Manual
Page 9 of 12 - Ampeg Ampeg-Gvt15H-Owner-S-Manual
Page 10 of 12 - Ampeg Ampeg-Gvt15H-Owner-S-Manual
Page 11 of 12 - Ampeg Ampeg-Gvt15H-Owner-S-Manual
Page 12 of 12 - Ampeg Ampeg-Gvt15H-Owner-S-Manual

Navigation menu