Ampt 31570003-11 Solar PV Converter User Manual Exhibit D Users Manual per 2 1033 b3
Ampt LLC Solar PV Converter Exhibit D Users Manual per 2 1033 b3
Ampt >
Exhibit D Users Manual per 2 1033 b3

TheSPTOperatorManual
SmartPanelTechnology
Page2of52
CONTENTS
Information&Disclaimer..............................................................................................................................................5
ReadthisFirst............................................................................................................................................................6
FCCcompliance..........................................................................................................................................................6
ImportantSafetyInformation.......................................................................................................................................7
SavetheseInstructions..............................................................................................................................................7
Markings....................................................................................................................................................................9
Protection................................................................................................................................................................10
Servicing...................................................................................................................................................................11
MessagefromAmpt....................................................................................................................................................12
WhySPT–WhygetAmpt?..................................................................................................................................13
SmartPanelTechnologyOverview..............................................................................................................................14
Insimpleterms,theSPT:.....................................................................................................................................15
Here’showitworks:............................................................................................................................................16
TheoryofOperation............................................................................................................................................18
SPTFundamentals:..............................................................................................................................................18
IntroductiontoLogicMatrix(summaryversion).................................................................................................19
Valuepropositionlist...............................................................................................................................................20
Testresults..............................................................................................................................................................20
Internaltesting....................................................................................................................................................20
Thirdpartyvalidation..........................................................................................................................................20
Safetyandconveniencefeatures............................................................................................................................21
Fullsystemdiagram.............................................................................................................................................21
Energyvspower......................................................................................................................................................21
LCOE.....................................................................................................................................................................22
MaximumPowerPointTracking..............................................................................................................................23
GUI–graphicaluserinterface&SoftwareUserManual.........................................................................................24
Overview..............................................................................................................................................................24
Databaseandtrendanalysis...............................................................................................................................27
CompletesystemlayoutandWiringDiagram.........................................................................................................28
Communicationsystemlayout................................................................................................................................28
DesigningyourSPTsystemsolution....................................................................................................................29
Orderinginformation–SampleSalesOrder........................................................................................................30
QuickInstallGuide.......................................................................................................................................................31
Page3of52
SPTInstallation........................................................................................................................................................35
MechanicalmountingSPTtothePVmodule......................................................................................................35
WiringSPTtothePVmodule...............................................................................................................................35
Completingthestringwiring...............................................................................................................................35
HRDInstallation.......................................................................................................................................................36
MechanicalmountingtheHRD............................................................................................................................36
WiringtheHRD....................................................................................................................................................36
GatewayandFieldComputer..................................................................................................................................36
Locationdetermination.......................................................................................................................................36
Systemrequirements...............................................................................................................................................36
ACpower.............................................................................................................................................................36
InternetAccess....................................................................................................................................................36
Mechanicalmounting..........................................................................................................................................36
Electricalwiring....................................................................................................................................................36
SPTSystemCommissioning.........................................................................................................................................37
Mappingyoursystem..............................................................................................................................................37
UsingtheHandHeldFC.......................................................................................................................................37
PoweruptheFC......................................................................................................................................................40
Verifygatewayoperation....................................................................................................................................40
TestingthesignalstrengthtotheGateway.........................................................................................................40
AccessingtheFCthroughtheinternet................................................................................................................40
SettinguptheGUI...................................................................................................................................................40
Definingusersandadministrativefunctions.......................................................................................................40
Choosingtheuserdefinedparameters...............................................................................................................40
AlertThresholds...................................................................................................................................................40
Scriptchoices.......................................................................................................................................................40
Summarypage.....................................................................................................................................................40
Settingupthedatabase..........................................................................................................................................40
OperatingInstructions.................................................................................................................................................40
ReadingtheGUI.......................................................................................................................................................40
Controlfeatures.......................................................................................................................................................42
Normaloperation....................................................................................................................................................42
Whatyousee.......................................................................................................................................................42
Howtointerpret..................................................................................................................................................42
Page4of52
Howtomodify.....................................................................................................................................................42
Accessingthedatabase...........................................................................................................................................42
Sortingthedata...................................................................................................................................................42
Definingusertemplates.......................................................................................................................................42
Interpretingalertmessages.....................................................................................................................................42
Troubleshooting..........................................................................................................................................................43
SPToperationalissues.............................................................................................................................................43
GUIoperationalissues.............................................................................................................................................43
TechnicalData.............................................................................................................................................................44
SPTspecificationssheet...........................................................................................................................................44
SPTPhoto&MechanicalDrawing...........................................................................................................................44
HRDspecificationssheet.........................................................................................................................................45
HRDMechanicalDrawing........................................................................................................................................45
FCspecificationssheet............................................................................................................................................46
HandHeldFCspecificationssheet...........................................................................................................................47
GUIparametersandsystemrequirements.............................................................................................................48
TechnicalSupport........................................................................................................................................................49
InformationRegardingtheSPT:...........................................................................................................................49
InformationRegardingthePVmodules:.............................................................................................................49
LimitedWarranty.........................................................................................................................................................50
WarrantyConditions............................................................................................................................................50
ExclusionofLiability.............................................................................................................................................50
forWarrantyReturns&InstallerReplacement:..................................................................................................50
Appendix:.....................................................................................................................................................................52
FAQ..........................................................................................................................................................................52
InstallationMapping................................................................................................................................................52
WiringDiagrams......................................................................................................................................................52
Orderingspareorreplacementparts......................................................................................................................52
Returnprocedures...................................................................................................................................................52
WhitePapers...........................................................................................................................................................52
Presentations...........................................................................................................................................................52
Page5of52
INFORMATION&DISCLAIMER
Copyright©2009AmptLLC.Allrightsreserved.
Nopartofthisdocumentmaybereproduced,retransmitted,orcopiedinanyformwithouttheexpressedand
writtenpermissionofAmpt.
Amptmakesnorepresentations,expressedorimplied,thatwithrespecttothisdocumentationoranyofthe
equipmentand/orsoftwareitmaydescribe,including(withnolimitation)anyimpliedwarrantiesofutility,
merchantability,orfitnessforanyparticularpurpose.Allsuchwarrantiesareexpresslydisclaimed.Amptshallnot
beliableforanyindirect,incidental,orconsequentialdamagesunderanycircumstances.(Theexclusionofimplied
warrantiesmaynotapplyinallcasesundersomestatutes,andthustheaboveexclusionmaynotapply.)
Thefollowingspecificationsaresubjecttochangewithoutnotice,eventhougheveryattempthasbeenmadeto
makethisdocumentcomplete,accurateandup‐to‐date.Readersarecautioned,however,thatAmptreservesthe
righttomakechangeswithoutnoticeandshallnotberesponsibleforanydamages,includingindirect,incidental
orconsequentialdamages,causedbyrelianceonthematerialpresented,including,butnotlimitedto,omissions,
typographicalerrors,arithmeticalerrorsorlistingerrorsinthecontentmaterial.
AmptLLC
4850InnovationDrive
FortCollins,Colorado80525
Tel970‐372‐6950
www.ampt.com

Page6of52
R
EADTHIS
F
IRST
Thisoperatormanualcontainsalloftheinformationneededtoinstall,commission,andoperateanAmptSPT
distributedpowerconversiondevicewithinagrid‐tiedphotovoltaic(PV)installation.
Tohelpavoidproblemsduringthesysteminstallation,familiarizeyourselfinadvance,withtheinstallationprocess
byreadingtheentireInstallationGuidebeforestartingtheinstallation.
Bealert!ThereareextremelydangerousandlethalvoltagespresentatvariouspointsinaPVsystem.For
safetyreasons,itisrecommendedthatonlyqualifiedpersonnelinstallandoperatethisequipment.
FCC
COMPLIANCE
AmptSPT‐ThisequipmenthasbeencertifiedascompliantwiththelimitsforaClassBdigitaldevice,pursuantto
Part15oftheFCCRules.Theselimitsaredesignedtoprovidereasonableprotectionagainstharmfulinterference
inaresidentialinstallation.Thisequipmentgenerates,uses,andcanradiateradiofrequencyenergyandifnot
installedandusedinaccordancewiththeinstructions,maycauseharmfulinterferencetoradiocommunications.
However,thereisnoguaranteethatinterferencewillnotoccurinaparticularinstallation.
TheuseriscautionedthatchangesormodificationsnotexpresslyapprovedbyAmptLLC.couldvoidtheuser’s
authoritytooperatethisequipment.
***
AmptV40‐xSPTModel#s
31570003‐10
FCCID#X3R‐31570003‐10
31570003‐11
FCCID#X3R‐31570003‐11
AmptV50‐2xSPTModel#s
31570001‐12
FCCID#X3R‐31570001‐12
31570001‐13
FCCID#X3R‐31570001‐13
Theboxistwopiecesandisnotmeanttobeuserservicedoropenedinanyway.
***
AmptGatewayFCCID#X3R‐31570002‐00
GatewayModelNumber:31570002‐00
ThislabelisfoundoneachAmptGatewayenclosure.
Theboxissmallerthanpalmsize,thusthefollowingtextisonlyprintedhere:
Thisdevicecomplieswithpart15oftheFCCrules.Operationissubjecttothefollowingtwo
conditions:(1)thisdevicemaynotcauseharmfulinterference,and(2)thisdevicemustaccept
anyinterferencereceived,includinginterferencethatmaycauseundesiredoperation.
Theboxistwopiecesandisnotmeanttobeuserservicedoropenedinanyway.

Page7of52
***
IMPORTANTSAFETYINFORMATION
SAVETHESEINSTRUCTIONS
ThismanualcontainsimportantinstructionsfortheAmptSPTdistributedpowerconversiondevicethatshallbe
followedduringinstallationandmaintenanceofthemoduleandaffiliatedhardwareandsoftware.TheSPThas
beendesignedandtestedaccordingtointernationalsafetyrequirements,butrequirescertainprecautionsare
observedwheninstallingand/oroperatingtheAmptSPTproduct.Toreducetheriskofpersonalinjuryandto
ensurethesafeinstallationandoperationoftheSPT,pleasebesureyoucarefullyreadandfollowallinstructions,
cautionsandwarningsinthisoperatormanual.
Warnings
AWarningidentifiesahazardtoequipmentorpersonnel.Itcallsattentiontoaprocedureorpractice,which,ifnot
correctlyperformed,couldresultindamagetoordestructionofpartoralloftheAmptequipmentand/orother
equipmentconnectedtotheAmptequipmentorpersonalinjury.
DANGERindicatesahazardoussituationwhich,ifnotavoided,willresultindeathorserious
injury.
WARNINGindicatesahazardoussituationwhich,ifnotavoided,couldresultindeathor
seriousinjury.
CAUTIONindicatesahazardoussituationwhich,ifnotavoided,couldresultinminoror
moderateinjury.
NOTICEindicatesasituationthatcanresultinpropertydamageifnotavoided.
InadditiontothesafetyandhazardsymbolsthefollowingisalsousedinthisOperatorManual:
Information‐Thissymbolaccompaniesnotesthatcallattentiontosupplementary
informationthatyoushouldknowandusetoensureoptimaloperationoftheAmptsystem.
GeneralWarnings:
AllelectricalinstallationsmustbedoneinaccordancewiththelocalandNationalElectrical
CodeANSI/NFPA70.
TheAmptproductcontainsnouser‐serviceableparts.Forallrepairandmaintenancealways
returntheunittoanauthorizedAmptServiceCenter.BeforeinstallingorusingtheAmpt
SPT,readalloftheinstructions,cautions,andwarningsontheSPT,thePVarray,inthis
InstallationGuide.BeforeconnectingtheSPTtotheelectricalutilitygrid,contactthelocal
utilitycompany.Thisconnectionmustbemadeonlybyqualifiedpersonnel.PVarrays
Page8of52
produceelectricalenergywhenexposedtolightandthuscancreateanelectricalshock
hazard.WiringofthePV‐arraysshouldonlybeperformedbyqualifiedpersonnel.

Page9of52
MARKINGS
ModelAmptV40‐xAmptV50‐2x
AmptModelNumber31570003‐10 31570003‐11 31570001‐1231570001‐13
FCCIDX3R‐31570003‐10 X3R‐31570003‐11 X3R‐31570001‐12X3R‐31570001‐13
MaximumInputVoltage46Vdc 102Vdc
InputVoltageRange(MPP
Tracking)
10
–
38Vdc 36
–
90Vdc
MaximumInputOperating
Current(MPPTracking)
8.5Adc 5.45Adc
MaximumInputShortCircuit
CurrentatSTC
9.2Adc 6.0Adc
OperatingInputVoltageRange10
–
46Vdc 36
–
102Vdc
ProgrammableOutputVoltage
Range
0
–
46Vdc 0
–
102Vdc
MaximumProgrammable
OutputCurrent
9.2Adc 6.2Adc
MaximumContinuousOutput
Power
300W420W
MaximumOutputFault
CurrentandDuration
9.4Adccontinuous 6.5Adccontinuous
MaximumOutputOvercurrent
Protection
9.2Adc 6.2Adc
NormalOperation
TemperatureRange
‐40to+70⁰C
MaximumFullPower
OperatingAmbient
+70⁰C
EnclosureType3R

Page10of52
PROTECTION
TheSPThasinternalprotectionfromabnormalorfaultconditionsasdescribedinthefollowingparagraphs:
IftheSPToutputisoperatedintoanopencircuit,aprogrammablemaximumvoltageisappliedtotheoutput.This
conditionwouldoccurintheeventofanopenwireoraconditionwherebytheinverterisnotconnectedtothe
grid.Thesystemintegratorisresponsibleforsettingthecorrectmaximumvoltageset‐point.Itisnotpossibleto
setavoltagehigherthanthemaximumratedoutputvoltage.
IftheSPToutputisoperatedintoashortcircuit,aprogrammablemaximumcurrentwouldflowthroughthe
outputterminals.Thismayoccurifthereisashortonagivenoutputorsomeshortmayoccuronastring.Itis
neverpossibletoprovidemorecurrentontheoutputthanthislimitallows.Thesystemintegratorisresponsible
forsettingthecorrectmaximumcurrentset‐point. Itisnotpossibletosetacurrenthigherthanthespecified
maximumratedoutputcurrent.
Ifthereisacombinationofoperationalconditionswhichcausetheinternaltemperaturetoexceed105°C,over‐
temperatureprotectionwillfoldbacktheoutputcurrenttoapproximately50%ofthefullratedvalue.Thismay
occurinanextremecombinationofconditionslikelyincluding: operationatelevatedambientintherangeof
70°C,operationatfullratedpower,andboostingorbuckingoveralargerange.Thisprotectionwillonlyactivate
whentheseextremesaremaintainedoverlongperiodsoftime(likelymeasuredinhours). Whentheinternal
temperaturecoolsto95°C,normaloperationresumes.

Page11of52
SERVICING
Warnings:
1. Whenthephotovoltaic(PV)arrayisexposedtolight,itproducesaDCvoltage,andtheAmptequipmentis
energized.
2. Servicinginstructionsareforusebyqualifiedpersonnelonly.Toreducetheriskofelectricshock,donot
performanyservicingotherthanthatspecifiedintheseOperatingInstructions.
3. TheinstallationofAmptequipmentrequiresfollowingtheNationalElectricalCode(ANSI/NFPA70)wiring
methods.
4. CAUTION:Toreducetheriskoffire,connecttheoutputsoftheAmptEquipmentonlytoconductorswith
aminimumampacityof9.4ampereswhende‐ratedfortemperatureandconduitfill.Over‐current
protectiondevicesandconductorsshallbesizedinaccordancewiththeNationalElectricalCode
(ANSI/NFPA70).
5. AmptrequiresovercurrentprotectionfortheDCoutputcircuitintheinstallation.
6. AmptrecommendsthatadisconnectswitchbeincludedintheinstallationfortheDCinputandDCoutput
circuitasrequiredbythelocalauthorities.
7. TheAmptconverteristobeinstalledsothatitisnotexpectedtobecontactedbyunauthorizedor
unqualifiedpersons.
8. TheAmptconverterisintendedtobemountedonabracketinopenspaceawayfromothersurfaces
and/ordevices.
Page12of52
MESSAGEFROMAMPT
ThefirstproductsthatAmptisintroducingarearesultoflookingatrequirementstorealizemaximumenergyat
thelowestcost–fromasystemlevelperspective.
Thisinitialpremiseisthatthemaximumenergycannotbeharvestedfullywithouttherightgranularity.Webelieve
thatthisrequirespowerconversiontobedoneatthemodulelevel.Ourcustomersrequireminimallostharvest
fromlocalsoiling,shading,orpanelimbalance–sowithregardstolocalpowerconversion,thereisnomore
suitableeconomicalternative.
Webelievethatthepowerconversionhastobeextremelyefficientoveraverywiderange–soourproductsare
over99%efficientovergreaterthan3:1inputrange.Toputthatintocontext,theAmptSPTconsumesonly,upto
2Woftheenergygeneratedbya200Wmodule–relativelyspeakingthatisthesamelossasexpectedfromenergy
travelingthrough3feetofconventionalwirecabling.
WebelievethathighspeedMPPisverycriticaltomaximizeharvest–wehaveover99.9%accurateMPPin100
milliseconds.Therefore,wecancapturethepowergainfromtheedgeofacloudandtherefractedirradiationona
module.
Webelievethatmaximizingthenumberofmodulesperstringisimportant.TheAmptproductisdynamically
controlled,andwecancommunicatewirelesslytoourfieldadaptablefirmware.
Webelievethatreliabilityisahugedriveofeconomics–sowehaveanenvironmentallyvalidated(not
superficiallymodeled)1000yearMTBF.
Webelievethathighaccuracyandstableinstrumentationcombinedwithrobustcommunicationiscrucialfor
large‐scalearraysandbeneficialforallsmallerarrays.Itlowersinstallationcosts,andradicallyreducesO&Mwhile
maximizingtheeconomicsofharvesting.Wehaveabetterthan1%fieldcalibrate‐ablemeasurementsystemthat
includesmultiplechannelsofcriticalelectricalandtemperatureparameters,aswellasidentityinformation–per
module.
Webelievethatcommunicationaloneisn’tsufficient.Theseapplicationsneedscalabilityandrobustnessthatdoes
notdependonproblematicconnections.Wedesignedahighlyrobustwirelesssystem.
Webelievethatifthesystemisdesignedwiththerightgranularity,withtherightcomponents,withtheright
interfacesandtherightarchitecturethatitbecomesunlimitedinitsabilitytooperateatanyscale.Wehave
designedthissystemtoallowscalingfromonemoduletoaboveamillionmodules.
ThankyouforContinuedSupport–welookforwardtoworkingwithyou!
WeareAmpt.

Page13of52
W
HY
SPT
–
W
HYGET
A
MPT
?
Whatismaximumpower?
Isitdefinedbytheenergyoutputoftheweakestmoduleinastring,
orthecombinedoutputofeverysinglemoduleoneverystring?
Isitdefinedbyanalyzingenergyharvesteachdayatonesite,
oreverysecondoneverypanelatonemillionsites?
Isitdefinedbythemonitoringofinformationwithinanarray,
orthecommunicationofknowledgethatleadstoimprovedperformancewithineverymodule?
Byansweringwhatnooneelsehasevenyetasked,Amptisnotjustincreasingenergy,
buthelpingyoutorealizeenergyyouneverknewpossible.
Congratulationsonputtingtheabsolutebestcommunicationsandpowerconversionequipment
availableonyourPVsystem!

Page14of52
SMARTPANELTECHNOLOGYOVERVIEW
AmpthasdevelopedSmartPanelTechnologyTM‐SPT‐astheoptimalsolutionforenergyharvestingfromanyPV
system.
ThefirstimplementationofAmptSPTisinastandalonedevicethatisplacedindirectconnectionwiththePV
moduletodeliverMPPT(MaximumPowerPointTracking)whichistheharvestedenergy.ConventionalPVsystems
havesolarmodulesseriesconnected,andaretherebylimitedbytheweakestmoduleinthestring.Thesestrings
arewiredtoabulkDC‐ACinverterwhichusesalgorithmstoattemptamaximumharvestgiventhepotentialfrom
eachstring.

Page15of52
TheAmptSPTputstheMPPTlogicwhereitbelongs,oneachsolarmodule,andallowseachmoduletoproduceits
maximumpower.TheneachSPTdevicecombinestoprovidethebulkinverterwithitshighestefficiencyinput
power.Theresult:thehighestenergyfromeachmodule,operatingwiththehighestefficiencyofthebulkinverter.
INSIMPLETERMS,THESPT:
ReceivesthepowerfromthemoduleatitsMaximumPowerPointTracking(MPPT)regardlessof
normalorproblematicoperatingconditions
DeliversmoduleMPPTpowerintoanyimpedancedeterminedbytheremainderofthestringandthe
inverter
Solvestheproblemofhavingpanels(currentsources)inseriesbeinglimitedbytheweakestpanelin
thestring‐improvesstringsightingoptions
Ensureseverypanelproduceswhateveritcanregardlessoftheremainderofthesystem
Allowstheinvertertooperateatitshighestefficiencypoint
Provideswirelesscommunicationoneachmodule,reportingmorethanjustpanelvoltage,current
andtemperature.Additionalinformationisresidentsuchasmoduleserialnumberand
manufacturinginformation
Wirelesscommunicationalsoprovidesdiagnosticinformationformaintenance,andthroughradio
commandstheoutputcanbeturnedon/off

Page16of52
HERE’SHOWITWORKS:
EachsolarmodulewillhaveadedicatedAmptSPTdeviceconnectedtothemoduleoutputs.TheAmptSPTdevices
thenareconnectedinseriestoeachotherandwillmakeupa“string”ofmodules.Eachstringisthencombinedin
paralleltoconnectwiththebulkinverter(intoday’sconventionalarray).
WhensolarraysareabsorbedbythePVmodule,energyisproduced.TheSPTmaximizestheharvestableenergy
fromeachPVmodule,andconvertsittoausefuloutputthatisthendeliveredtothestring(regardlessofthe
environmentaloroperationalconditionsaffectingthatparticularpanel).Thestringsarethencombinedasanarray
anddeliveredtothebulkinverteratitspre‐determinedimpedancerequirement.Itisimportanttonotethatthe
conventionalbulkinverterdynamicallyissearchingforMPPT(maximumpowerpointtracking),andmaychangeits
impedancerequirementsevery4+seconds.TheAmptSPThoweverisadjustingitsMPPT8timespersecondto
againmaximizetheharvestableenergyproducedoneachPVmodule.
InconventionalPVinstallations(withouttheAmptSPT),withseriesconnectedmodules,oneweaklinkinastring
causessignificantenergyharvestdegradation,andwilllowertheproducedpowerproduced.Ifthereissufficient
obstructiontotheamountofsolarinsolationabsorbedbyasinglemodule(oroverseveralmodules),itispossible
thattheentirestringcollapses(electrically),andnetszeropoweroutput.
TheAmptSPTsolvesthisproblembymaximizingthepowerharvestateachmoduleregardlessoftheconditions,
andconvertsthattoaviableoutputtherebyeliminatingtheweakestlinkphenomenon.WithAmptSPT,evenalow
powerproducingmoduleisvaluable,andcontributestothenetpowergenerated.
Ofcourse,ifthemoduleisdamagedorobstructedtothepointwhereitsinternalcircuitcannotproducepower,
AmptSPTcannotcorrectthiscondition.Withthewirelesscommunicationlinkthough,theowneroperatorcan
identifythiscondition,andmakethenecessarycorrections.Inthemeantimethough,thebalanceofthestringis
stilloperationalandgeneratingasmuchpowerasrequiredbythebulkinverter.
EachSPTisaccessiblebyahostcomputerthroughawirelessAND“gateway”interface.Thisgatewayallowsthe
owner/operatortospeakspecificallytoeachSPT,andprovidesabi‐directionalwirelesscommunicationlinkwhich
isthevehicleforcommand/controlanddataacquisition.
TheANDGUI(graphicaluserinterface)isthenutilizedtoobservetheperformanceandcontroltheSPToperations.
ExamplesofthisGUIareshownbelow:

Page17of52
TheGUIhasalotofdatapresentedandwilllikelychangeforincreasedusability,butatpresentdemonstratesthe
kindofinteractionandreportingavailable.
Asyoucansee,eachmodule(andcorrespondingSPT)ismappedoutpertheirinstalledlocation.Note:eachSPTis
barcoded,andduringthefieldcommissioningprocess,abarcodescannercanbeutilizedtologicallymapoutthe
organizationofmodules.ItisalsopossiblethatthebarcodereadercaninterfacetotheSPTthroughaseparate
gateway,andtherebycontrolitson/offstateforfieldpersonnelsafety.
That’sit.Withasimpleinstallation,theAmptSPTproductsoperateimmediatelyandautomaticallyenhancethe
powergeneratedbythePVinstallation.Ongoingmonitoringandcommandcontrolfeaturesareavailabletothe
owneroperation,butregularinteractionisnotrequiredtogetmaximumpower.

Page18of52
THEORYOFOPERATION
SPTFUNDAMENTALS:
• TheSPTmoduleputsMPPwhereitbelongs,oneverypanel,andproducesthemaximumpowerthatis
availableregardlessofpanelcondition,andregardlessoftheremainderofthesystem.Ifthereispartial
shade,dirtorpanelimbalance,everypanelstillputsoutitsmaximumpower.
• TheSPTmodulereceivesthepowerfromthepanelatMPP.Itdeliversthepowertoanyimpedance
determinedbytheremainderofthestringandtheinverter.Thissolvestheproblemofhavingpanels(current
sources)inseriesbeinglimitedbytheweakestpanelinthestring.
• TheconventionalbulkpowerinvertermayimpressanyvoltageitwantsandbecausetheSPTisdeployedasa
localizedDC‐DCconverter,thepanelfieldwillsimplyoutputMPPfromeverypanel.Thisallowstheinverterto
operateatitshighestefficiencypoint.
• Goingforward,SPTbasedinstallationscanenablebetterbulkinverterdesignsthatdeliverhigherefficiency,
greaterreliability,smallerandlighterastheywouldnolongerberequiredtoincludeanMPPstage.
• OneofthemostsignificantelementsoftheSPTistheinherentwirelesscommunicationscapabilities,which
enablesinstantaneouscommunicationandcontrol.Theradioandubiquitouswirelessmeshnetworkformed
bySPTmoduleswillnotonlyreportpanelvoltage,currentandtemperature,butalsoprovideoperational
benefitsbytogglingthepaneloutputsonandoff.
• Otherinformationcouldalsoresidetheresuchasserialnumberandmanufacturinginformation.
• Thewirelessradiowillalsoprovidediagnosticinformationformaintenanceandtrendanalysisthusallowing
intelligentdecisionsonwhatrequiresserviceandwhen.
TheAmpt SPTisdesignedtomitigateirregularities
betweenthemodulesinanarrayandthebulk
inverter.Specifically,theSPTcanfixitsoutputto
matchtheoptimalinverterinputvoltageand
broadentheperformancerangeofconventional
PVmodules&invertercombinations.Byproviding
localizedDC‐DCconversionalongwithwireless
communication,theSPTenablesinstantaneous
controlandfeedbacktothesystemandthereby
maximizesenergyharvesting.

Page19of52
INTRODUCTIONTOLOGICMATRIX(SUMMARYVERSION)
Page20of52
VALUEPROPOSITIONLIST
Temperaturecoefficientpowerlosses‐TemperatureEffect/FillFactorManagement
Panelobstruction/shading(leaf/snow/haze/birdgifts)‐Dynamicstringadjustmenttocapitalizeon
unbalancedpanelproduction
Panelpowervariation(mismatch/aging/broken/defect)‐diverseutilizationandimbalancecorrection
Installedefficiency(placement/wiring/opens)‐MoreKWhr/KWproduction(12‐15%moreharvesting)
Bi‐polarbalancing‐+/‐operationsforAdvancedEnergyInverterapplications
VariableInverteroperatingalgorithmsandefficiency–deliversMPPTtoinverterhighestpointof
efficiency
Improvesstringsightingoptions(notsoPOAlimited)
Conventionalinverterlimitations‐Greatercompatibilitybetweenconventionalinvertersandallmodule
types(fromC‐SI,througha‐SI,CDTe,CIGSandfuturedesigns)
Realtimecommandandcontrol‐WirelessCommunicationsSystem&Diagnostics–nolongerrelianton
dispatchedanalysisanderrorcorrection
ImprovesSafety‐enablinginstantaneouson/offcyclingfortheentireSystem/atargetedString/or
individualPanelModule
EnablesSoftstartforsomeinvertertypes
TESTRESULTS
INTERNALTESTING
1. 90MhoursDemonstratedMTBF@40°Ccontinuous
Note:InitiallyAmptcalculatedMTBF,however,thedemonstratedperformanceisabetterindicator
ofarchitecturalperformance.
(MBTFof90Mhrsmeansafailurerateof0.01%PER25YEARS(warrantyperiod)assuming10hours
ofoperationperdayat40Cambient).
THIRDPARTYVALIDATION
1. Sandia
2. BEW
Testreportswillbemadeavailableuponrequest

Page21of52
SAFETYANDCONVENIENCEFEATURES
Currently,oneproblemfacinginstallersandmaintenanceprovidersofPVSystemsissafety.Sinceconventionally,
allpanelsareconnectedinseriesandinstallationandmaintenanceworkisdoneduringperiodsofirradiance,the
voltageacrossthepanelsmightreachdangerouslevelsexposingfieldpersonneltoarealdangerofelectrocution.
Amptprovidesa“convenience”modewhichsupportsan“on/off”modeofoperation.Thismodeofoperation
essentiallyenablesordisablestheSPToutputandcanfacilitatesysteminstaller/operatorsduringinstallation,
diagnostics,andmaintenancetasks.Itisimportanttorecognizethatthisisaelectricalcircuitlogicchangeandis
nottobeconfusedwithahardswitch.Thisconveniencefeatureisdesignedtoenhancetheprotectionofmodule
handlers,includingtheinstaller,maintenanceproviderandpotentiallyemergencypersonnel(ie.Fire
Department)."
FULLSYSTEMDIAGRAM
ENERGYVSPOWER
Energyisthecapacityofasystemtodowork.
Poweristherateofdoingwork.

Page22of52
LCOE

Page23of52
MAXIMUMPOWERPOINTTRACKING
Page24of52
GUI–GRAPHICALUSERINTERFACE&SOFTWAREUSERMANUAL
OVERVIEW
TheAmptsoftwareisawebbasedmanagementapplicationforviewingthereal‐timeperformanceand
managementofyoursolarinstallationatthearray,string,andmodulelevel.
INTRODUCTION:
TherearetwoviewsavailableformanagingyourSolarArray;summaryandstringview.TheSummaryview
providesanoverviewofthestateofthesolararray.ItincludescurrentDCenergyoutputinWatts,Volts,and
Amps,powerbystring,SPTstatus,andestimatedACPower.
TheStringviewprovidesdetailedinformationontheperformanceofeachSPT.Itprovidesperformance
informationatthestringlevel;DCenergyoutputinWatts,Volts,andAmps.Bothviewsautomaticallyrefresh
aboutevery15seconds.
DETAILS
SUMMARYVIEW
TheSummarypage(figure1)presentsinformationatthearraylevel.Thebuttonacrossthetop“Lock/Unlock
WholeStation”allowsyoutodisablecommandstothesystem.Thisisusefulasasafetyprecautionwhenservicing
thestation.Totherightisthetimetheinformationyourviewingwaslastupdated.Thisisbasedonyourlocal
computer’stime.Thestringsareorganizedaroundthephysicalandlogicallayoutascloselyaspossibleandlistthe
statusofthemodule,onoroff,andstatusoftheMaximizePowerPointfeature,MPP,onoroff.Clickingonthe
stringandmoduleareawilltakeyoutotheStringView.
Belowthestringandmoduleareaisabarchartshowingthepoweroutputforeachstringinthearray.Thepower
outputdetailsforthearrayareshownontherightedge;includingestimatedkWhours.Atthebottomisagraph
ofEnergy,powerandtemperature.Thescaleforthetemperatureislistedontherightedgeofthegraph.Youcan
positionyourmouseoverthelinestoseethetimeandvalueofthemeasurement.Thetimescaleofthegraphcan
bechangedusingthecontrolstotherightofthegraph.Youcanchangethetimeintervalaswellasgobackand
forwardtimeperiods.

Page25of52
FIGURE1
STRINGVIEW
SimilartotheSummaryview,thestringsareorganizedaroundthephysicalandlogicallayoutascloselyaspossible.
InStringviewthestatusofthemoduleisshownindetail.There’salegendonthenextpagethatcoversthe
meaningofdifferentbackgroundcolors.
MaxPower–MaximumpoweroutputfromSolarModulewithSPTTechnology
Vmp‐IN–VoltageoutputfromSPTModule
I‐Out–AmpsoutputfromSPTModule
V‐Out–SolarModulevoltageoutput
Temp–TemperatureinsidetheSPTModule
OverV–OverVoltagesettingforSPTModule
ModON–SPTModulestatus(on/off)
MppON–MaximizePowerPointTechnologystatus(on/off)
ID–UniqueidentifierfortheSPTModule

Page26of52
FIGURE2
TotherightofthestringlayoutisPoweroutputdetailsforeachstring;Power,Voltage,Current,andEnergy.There
aremultiplecontrolsonthefarrightedge.
SetOverV–SetOverVoltagelimitforalltheSPTModules.
ON–TurnstheSPTModuleonallowingcurrentandvoltagetopassthroughdevice.
OFF‐TurnstheSPTModuleoffblockingcurrentandvoltageoutput.
WARNING***Moduleisstillproducingvoltageandlookingforapathwaytoground.***
MPPON–EnabletheMaximizePowerPointfeatureoftheSPTModule
MPPOFF–DisabletheMaximizePowerPointfeatureoftheSPTModule
DownloadDbData–Downloadthedatathatiscurrentlybeingviewedinthegraphatthebottom.
GUILEGEND
TheSPTmodulebackgroundcolorvariesbasedonthepoweroutputofthemodule.

Page27of52
0to39.9W40to79.980to119.9W120To159.9WOver160W
AreddishbackgroundmeansSPTisnottalkingtothegatewayandfieldcomputer.
Ie.Nodataisbeingcapturedforthatmodule.
BrownindicatesthatamodulepositionisreservedGUIbutnoSPTinstalled.
DATABASEANDTRENDANALYSIS

Page28of52
COMPLETESYSTEMLAYOUTANDWIRINGDIAGRAM
COMMUNICATIONSYSTEMLAYOUT
Page29of52
DESIGNINGYOURSPTSYSTEMSOLUTION

Page30of52
ORDERINGINFORMATION–SAMPLESALESORDER

Page31of52
QUICKINSTALLGUIDE
Forthosewhoalreadyknowthebasicsandjustwanttogetgoing.
INSTALLATIONSEQUENCEOFEVENTS
1. Unpackingandinspection
2. Propersystemgroundingpriortoinstallation
3. Installationofthefieldcomputer
a. Mounting
b. ACPower
c. InternetconnectionviaEthernet
d. ConnectiontotheGateway
e. Connectiontoalaptop
4. SPTmountingandmechanical
a. Mountingchoices
i. Planeofarray
ii. Perpendiculartoplaneofarray
iii. Other
b. InstallingtheSPTtothebracket
c. Installingthebrackettothemountingstructure
i. Hardwareandtorques
ii. Grounding
d. Usingthehandhelddevicetorecordserialnumbers
5. HRDmountingandmechanical
6. Electricalconnectionsandcommunicationwithhandheld
a. ProperconnectionwithMCconnectors
b. ModuletoSPT
i. Establishingcontactwiththehandhelddevice
ii. TurningontheSPT
iii. Measuringmodulecharacteristics
iv. TurningofftheSPT
c. SPTtoSPTCabling
d. SPTtoHRDbox
e. Cablehandlingandsecuring
7. GraphicalUserInterface
UNPACKINGANDINSPECTION
CarefullyunpackandinspecteachSPT,HRDandcablefordamage.
Inspecteachfieldcomputerfordamage
InspecteachMCconnectorbeforemakinganyelectricalconnections.Properconnectorsshouldbeclean
andfreefromdamage.Insertpictureshere.
PROPERSYSTEMGROUNDING

Page32of52
INSTALLATIONOFTHEFIELDCOMPUTER
a. Mounting
b. ACPower
c. InternetconnectionviaEthernet
d. ConnectiontotheGateway
e. Connectiontoalaptop
SPTMOUNTINGANDMECHANICAL
MountandgroundrackingorsupportstructureperNECArticle690andmanufacturer’sinstructions.
EnsurethatsupportstructureisgroundedbeforemountingmodulesorSPTs
Planning
UseonlystainlesssteelfastenerstosecuretheSPTbrackettothemountingstructure
Chooseflatbracketsor“L”bracketsfortheinstallation.
InserttheSPTinthebracketbypushinguntilthepushpinholesalign
Installmountingpushpins
PlantomountSPTatleastoneinch(2.5cm)fromthebackofthemodulesurfacetoallowforadequate
coolingairflow.
PlantomountSPT,modulecables,andSPTconnectioncablinginalocationthatwillnotbesubjectto
physicaldamage,andwillnotbesubjecttosnoworotherdebrisslides.(reword)
Mountingintorailswith3/8or1/4slots

Page33of52
Ifmountingtoastructurewithrailslots,insert3/8or1/4inchhardwareintherailslotbeforemodulesor
“L”feetorstanchionsaresecured.EachSPTrequirestwobolts,twonuts,twoflatwashers,andtwolock
washers.Whizznutsarenotrecommendedasthegalvanizedcoatingofthebracketmaybecompromised.
Secureeachbracket,makingsurethateachlockwasherisfullycompressed.Torque3/8inchfastenersto
XXXinch‐poundsand1/4inchfastenerstoYYYinch‐pounds.
Mountingintorailsorbraceswithoutslots
Checkwithrackingormodulesupportmanufacturerforsuggestedmountingprocedure.
Checkwithalocalstructuralengineerand/ortherackingmanufacturerifanymodificationstothe
structure(ie.Drillingholes)
Usethebracketasaguideforanypre‐drilledholes.
Insert3/8or¼inchhardwareintherailslot.EachSPTrequirestwobolts,twonuts,twoflatwashers,and
twolockwashers.Whizznutsarenotrecommendedasthegalvanizedcoatingofthebracketmaybe
compromised.
Secureeachbracket,makingsurethateachlockwasherisfullycompressed.Torque3/8inchfastenersto
XXXinch‐poundsand¼inchfastenerstoYYYinch‐pounds.
HRDMountingandMechanical
Electricalconnectionsandcommunicationwithhandheld
Mountandgroundmodulepermodulemanufacturer’sinstructions.
ConnectthemoduleleadstotheSPT
InspectMCconnectorforwatertightseal
Establishcommunicationwiththehandheldunit.
PlaceSPTin“On”mode.

Page34of52
CheckmoduleVocfortemperatureandirradianceadjustedvaluefrommodulenameplatereading.
PlaceSPTin“Off”mode
RepeatfornextSPT’sinstring
ConnectSPT‐SPTcable.
SecuremoduleandSPT‐SPTcablestosupportstructureormoduleframewithUVratedwiretiesand/or
stainlesssteelclipsorstrainrelief
f. MounteachSPTaseachmoduleisinstalled.ModulesperformancemaybetestedwiththeSPTas
eachmoduleisinstalled.
g. ChoosetomounttheSPT’seitherparallel,perpendicular,orinafashionthattakesadvantageofthe
modulesupportstructure.TheSPTissuppliedwithaflatandan“L”shapedbracket.Bracketshave
3/8”and¼”pre‐drilledtotheplaneofthearray.
h.
i. Mountingchoices
i. Planeofarray
ii. Perpendiculartoplaneofarray
iii. Other
j. InstallingtheSPTtothebracket
k. Installingthebrackettothemountingstructure
i. Hardwareandtorques
ii. Grounding

Page35of52
SPTINSTALLATION
MECHANICALMOUNTINGSPTTOTHEPVMODULE
RACKINGSYSTEMS
MOUNTINGDIRECTLY
USINGFLATORLPLATE
WIRINGSPTTOTHEPVMODULE
COMPLETINGTHESTRINGWIRING
Page36of52
HRDINSTALLATION
MECHANICALMOUNTINGTHEHRD
TheAmptHRDisencasedinaplastichousingwithtwothrough‐holemountingloopswhichmakeiteasytoattach
tothePVrackviaappropriaterackscrewsorplasticquickties.
WIRINGTHEHRD
Thereare4stepstoconnectingtheAmptHRD(includedintheSPTconnectionsdiagramonpage26):
1. Connectthe18”quick‐connectwire,whichisgendermatched,tothelastAmpt‐xconverteronthehigh
sideofthePVStringofsolarmodules.
2. ConnecttheoppositesideofthiswiretothegendermatchedquickconnectontheAmptHRD.
3. Connectthehome‐runwiretothegendermatchedoppositesideoftheAmptHRD.
4. Connectthehomerunwiretoeitherthenextappropriatecombinerboxorcentralinverter(application
specific).
GATEWAYANDFIELDCOMPUTER
LOCATIONDETERMINATION
SYSTEMREQUIREMENTS
ACPOWER
INTERNETACCESS
MECHANICALMOUNTING
ELECTRICALWIRING

Page37of52
SPTSYSTEMCOMMISSIONING
MAPPINGYOURSYSTEM
USINGTHEHANDHELDFC
UsingthehandhelddevicetologSPTserialnumbersandgetthemuploadedtotheIDSsystem:
1. ScanningSPTsintothehandheld
a. Turningonthehandheld
b. OpeningtheDataCollectionProgram
c. TurningontheGPS
d. Checkingstringsettingsandenteringsiteandstringinformation
e. ScanningSerialNumbers
2. LoadingthedatafileintoExcelforincorporationtotheFieldcomputer
1. ScanningSPTsintothehandheld.Toenterdataintoaninputwindow,clickinthewindowwiththe
stylusandusethekeyboardorclickthekeyboardiconatthebottomofthewindowandusethestylus
toselectcharacters.
a. Turningonthehandheld
1. Hittheredbuttonontheupperrightoftheunittoturnonthesystem.
b. OpeningtheDataCollectionProgram
Page38of52
1. Ifpresentedwiththe“OwnerInformation”Screen,clickanywhereonthenext
screenwiththestylustoaccesstheoperatingsystempages.
2. Clicktheupperlefthand“Start”menu
3. Select“FieldDataCollector”fromthelistofoptions
c. TurningontheGPS
1. Fromthelowerlefthandcorner,selectMenu.
2. SelectStartGPS
d. Checkingstringsettingsandenteringsiteandstringinformation
1. SelectMenuagain.
2. SelectSettings
3. MakesureDebugmodeisoff(unchecked)
4. MakesureSendDataviaHTTPPostisoff(unchecked)
5. Inputthenumberofmodules(SPT’stobescanned)inthestring.Fordiffering
stringlengths,choosethelargeststringsize.
6. Makesurethebarcodelengthequalsthenumberofcharactersandspaceson
thebarcode.
7. ChooseSaveinthelowerlefthandcorner.
8. EntertheSiteName
9. Enterthestringname.
10. ClickintheBarcodeentrybox.
11. Ensurethatthe#ofSatellitesreportingtotheGPSisatleast???
e. ScanningSerialNumbers
1. Followthelayoutorstringplanandplanyourscanningforefficiency.
2. Thethreeyellowbuttonsontheright,left,andabovethemanualkeyboardwill
allactivatethescanner.Donotpointthescannerintoyoureyesorinthe
directionofanyoneelse’seyes.
3. Pointthescanneratthetopoftheunittowardthebarcodetobescanned.Hit
oneoftheyellowbuttonsandpositionthescanneruntilabeepisheard.Verify
onthescreenthatthebarcodehasrecordedandthestringpositionhas
incrementedtothenext(correct)modulenumber.
4. Scanthenextmodule.
5. Repeatscanninguntiltheendofthestringisreached.
6. Donotscanagainuntilthestringnameandmodulenumberhavebeenreset
perbelow.
7. Changethestringnameforthenextstring
8. Ensurethatthemodulepositioninstringhasresetto1.Intheeventthatthe
priorstringsizewaslessthanthestringsizeenteredinthesettingspage,
manuallydecrementitto1.
9. Repeatsteps1‐6.
10. Whenfinished,chooseexit.Atextlogfileisstoredonthehandheldcomputer
foruploadofdata.
2. LoadingthedatafileintoExcelforincorporationtotheFieldcomputer
a. MicrosoftActiveSynchmustbeloadedandrunningonthePC.
b. Loadthehandheldintoitscradle
c. InserttheUSBcableintothePC.
d. Waitforconnectionandnavigatetothepathbelow.

Page39of52
e. Copythelogfiletoyourcomputer.
f. DisconnecttheUSBcablefromthePC
g. Turnofthehandheld.
h. Rightclickthelogfileandopenwithexcel.
i. Parsethetextwithsemicolondelimiting.
ii. OpentheP:\Operations\SPTGeneology.xlsasREADONLY!!
iii. CopytheappropriatetabfromtheP:\Operations\SPTGeneology.xlstoyour
spreadsheet.ThetabmustbefromthebuildthatcontainstheSPTserialnumbers.
iv. PerformaVlookupandmatchtheSPTserialnumbertothePCBAserialnumber.
v. ClearlylabeltheSPTSerialNumber,PCBAserialnumber,StringName,ModuleNumber
likethetablebelow,orrunamacroifonehasbeenrecordedforthispurpose.
vi. EmailtoTimorwhoeverwilluploadthedatatotheGUI/Middleware
Filenameisdifferentforeachdayof
scans.
Page40of52
POWERUPANDDOWN
READINGTHEDISPLAY
TURNINGMODULESONANDOFF
RECORDINGSERIALNUMBERS
DOWNLOADINGDATA
POWERUPTHEFC
VERIFYGATEWAYOPERATION
TESTINGTHESIGNALSTRENGTHTOTHEGATEWAY
ACCESSINGTHEFCTHROUGHTHEINTERNET
SETTINGUPTHEGUI
DEFININGUSERSANDADMINISTRATIVEFUNCTIONS
CHOOSINGTHEUSERDEFINEDPARAMETERS
ALERTTHRESHOLDS
SCRIPTCHOICES
INSTALLATIONMODE
COMMERCIALOPERATIONMODE
RESIDENTIALOPERATIONMODE
UTILITYOPERATIONMODE
MAINTENANCEMODE
SUMMARYPAGE
MAPPINGOUTYOURARRAY
CROSSCHECKINGYOURMODULEPOSITIONS
SETTINGUPTHEDATABASE
OPERATINGINSTRUCTIONS
READINGTHEGUI

Page41of52

Page42of52
CONTROLFEATURES
NORMALOPERATION
WHATYOUSEE
HOWTOINTERPRET
HOWTOMODIFY
ACCESSINGTHEDATABASE
SORTINGTHEDATA
DEFININGUSERTEMPLATES
INTERPRETINGALERTMESSAGES
Page43of52
TROUBLESHOOTING
SPTOPERATIONALISSUES
GUIOPERATIONALISSUES

Page44of52
TECHNICALDATA
SPTSPECIFICATIONSSHEET
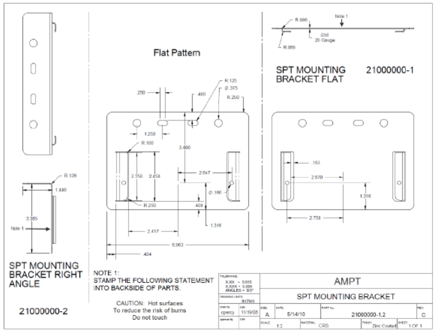
SPTPHOTO&MECHANICALDRAWING

Page45of52
HRDSPECIFICATIONSSHEET
HRDMECHANICALDRAWING

Page46of52
FCSPECIFICATIONSSHEET
ManufacturedbyDMPElectronicsInc
ModeleBox‐3300
CPUMSTIPDX‐600(1GHz)
MemoryOnboard256MBDDR2
GraphicsXGIZ9swith32MBDDR2
External15‐pinD‐typefemaleVGAconnector
EthernetIntegrated10/100MbpsLAN
Built‐inPXEdisklessbootfunction
2ndEthernetchipRealtekRTL8100B10/100
Base‐TEthernet(optional)
I/O44pinIDEx1
MicroSDx1
CFSlotx1
USBPortx3(2infront)
RJ‐45x1
PS/2x1Keyboard/Mouseshared
MiniPCISocketx1(optional)
RS232x2(optional)
AudioMicinandLineout
Power+5V@2A(10W)
Dimensions115x115x35mm
Weight505g

Page47of52
HANDHELDFCSPECIFICATIONSSHEET
ManufacturedbyMotorola
PhysicalCharacteristics
Dimensions:6in.Lx3.3in.Wx1.7inD(15.24cmLx8.4cmWx4.4cmD)
Weight(includingStandard1.5Xbattery:14.9oz./422g)
Display:Transflectivecolor640x4803.5”fullVGAwithbacklight
TouchPanel:Glassanalogresistivetouch
Backlight:LEDbacklight
MainBattery:RechargeableLithiumIon3.7V,3600mAhSmartBattery
ExpansionSlot:microSDslot(maximum2GB)
NetworkConnections:Ethernet(viacradle);full‐speedUSB,hostorclient
Notification:VibratorandLED
KeypadOptions:26‐keyNumeric;44‐keyQWERTY
Audio:Speaker,receiver,microphone,headsetjack
PerformanceCharacteristics
CPU:XScale™PXA270624MHzprocessor
OperatingSystem:Microsoft®WindowsMobile®6.0
Memory:128MBRAM;256MBFlash
Interface:RS‐232,USB1.1
UserEnvironment
OperatingTemperature:14°Fto122°F/‐10°Cto50°C
StorageTemperature:‐40°Fto140°F/‐40°Cto60°C(w/obattery)
Humidity:95%non‐condensing
DropSpecification:5ft.droptoconcrete,atambienttemperature73°F/23°C;
Sealing:IP54
IrDA:Integrated
Clock:Integratedrealtimeclock
Baselinefeatures:
EachHandHeldComputerwillbecapableofcommunicatingwiththeSPT/IJBandFieldComputer
throughouttheexpected20yearsinatypicalinstallationlifetime
WWANRadio:GSM:3GHSDPA;CDMA:EVDORevA
GPS:IntegratedAssisted‐GPS(A‐GPS)
WLANRadio:Tri‐modeIEEE®802.11a/b/g
ColorCameraResolution:2megapixel
ElectricalSafety:CertifiedtoUL/cUL60950‐1,IEC/EN60950‐1
FCCClassBEMICertified
Environmental:RoHS‐compliant
Page48of52
GUIPARAMETERSANDSYSTEMREQUIREMENTS
Page49of52
TECHNICALSUPPORT
BychoosinganAmptproduct,youhavealsochosencomprehensivetechnicalsupport&service.Inordertoattend
toyourneedsinasflexibleamanneraspossible,weofferyouthefollowingservices:
TheAmptTechnicalSupport&ServicePhoneHotline:970‐372‐6947
Replacementservice:970‐372‐6950
On‐siteservice:970‐372‐6950
Comprehensivewarrantyprogram
Withthisofferyouenjoyadefinitiveadvantage:Amptsupportsyoufromtheinitialplanningphaseonward–and,
ofcourse,duringtheentireoperatingtimeofthePVsystem.
InordertobetterassistyouwhencontactingAmpt,pleaseprovidethefollowinginformation.Thisinformationis
requiredforserviceassistance.
INFORMATIONREGARDINGTHESPT:
Serialnumber
ModelNumber
Shortdescriptionoftheproblem
BlinkingCodeordisplaymessage
WhaterrorcodeisindicatedviatheAmptGUI?
DClinevoltage
Canyoureproducethefailure?Ifyes,how?
Hasthisproblemoccurredinthepast?
Whatweretheambientconditionswhentheproblemoccurred?
INFORMATIONREGARDINGTHEPVMODULES:
• ManufacturernameandmodelnumberofthePVmodule
• Outputpowerofthemodule
• Opencircuitvoltage(Voc)ofthemodule
• Numberofmodulesineachstring
Page50of52
LIMITEDWARRANTY
TheAmptSPTiswarrantedagainstdefectsinworkmanshipandmaterialsforaperiodof1yearfromdateof
shipment,providedthattheproductremainsunmodifiedandisoperatedundernormalandproperconditions.
TheAmptSPT25yearoperationalwarrantycoversanyrepairorreplacementpartcostsincurredduringtheagreed
period,beginningonthedevice’spurchasedate,subjecttotheconditionslistedbelow.
WARRANTYCONDITIONS
IfanAmptSPTdevicebecomesdefectiveduringthe25yearAmptwarrantyperiod,oneofthefollowingservices,
asselectedbyAmpt,willbeperformedatnochargeformaterialsorlaborcosts:
RepairatAmpt,or
RepairOn‐Site,or
ExchangeforaReplacementDevice
Inthecaseofanexchange,theremainderofthewarrantyeligibilitywillbetransferredtothereplacementdevice.
Amptgenerallywillprovideanequivalentreplacementdevice,packagedappropriatelyfortransport,within48
hours.ThedefectivedeviceistobepackedinthistransportpackagingforreturntransporttoAmpt.
EXCLUSIONOFLIABILITY
Warrantyclaimsandliabilityfordirectorindirectdamageareexcludedifarisingfrom:
TransportDamage,
IncorrectInstallationorCommissioning,
failuretoObservetheMaintenanceRegulationsandIntervals,
Modifications,ChangesorAttemptedRepairs,
IncorrectUseorInappropriateOperation,
InsufficientVentilationoftheDevice
failuretoObservetheApplicableSafetyRegulations,
forceMajeure(e.g.lightning,overvoltage,storm,fire),or
CosmeticShortcomings(whichdonotinfluencethesupplyofenergy)
Further‐reachingoradditionalclaimsduetodirectorindirectdamage,includingclaimsforcompensationfor
damagesduetolossofprofitsorduetocostsarisingfromdisassemblyandmounting,areexcluded.
FORWARRANTYRETURNS&INSTALLERREPLACEMENT:
AmptwillcompensateinstallersforexpensesassociatedwithreplacingSPTproductsunderwarrantyperthe
followingregistrationandwarrantyprocess:
1.InstallermustcontactthetechnicalsupportteamatAmpttoregisterthesupportissueandseek
assistance.AmptTechnicalsupportwillprovidetroubleshootingassistanceandiscommittedtoresolving
theclaiminoneofthefollowingways;
Page51of52
a.Situationwillberesolvedtotheinstaller’ssatisfactionoverthephoneorviatheAmptwireless
communicationlinktotheSPT
b.AmptoroneoftheAmptcertifiedfieldservicetechnicianswillbedispatchedtothesitefor
additionaltroubleshootingandrepairoftheSPT
c.Amptwilldeterminethattheunitshouldbereplacedandwillprovidetheinstallerwithan
RMAnumbertoproceedwithwarrantyreplacementoftheunit
2.OncetheRMAnumberhasbeenissuedbyAmpt,therearetwooptions;
a.TheinstallercanuseanexistingunitfrominventorytoreplacethefailedSPT
or
b.Amptcansendoutanadvancereplacementunit
3.Ineithercase,thereplacedunitmustbereturnedtoAmptforissueconfirmation,rootcauseanalysis
andcorrectiveactionplanning
4.AnyexceptionstothisprocessmustbeapprovedinadvancebyanauthorizedAmptrepresentative
Page52of52
APPENDIX:
FAQ
INSTALLATIONMAPPING
WIRINGDIAGRAMS
ORDERINGSPAREORREPLACEMENTPARTS
RETURNPROCEDURES
WHITEPAPERS
1. RobustLargeScalePVSystemsHavingDistributedDC/DCConversion–ByRobertPorter
Propertransferfunctiontoachievestable,predictable,andreliableoperation
PRESENTATIONS