Ams Neve 8051 Users Manual 8051_user.vp
8051 to the manual 6a0b74f9-07ad-4e4f-9ad9-366d838a48b2
2015-02-05
: Ams Ams-Neve-8051-Users-Manual-508821 ams-neve-8051-users-manual-508821 ams pdf
Open the PDF directly: View PDF
.
Page Count: 19
- Contents
- Introduction 1
- Dimensions 2
- Rack Mounting and Cooling 2
- Power Requirements 2
- Rear Panel Connectors 3
- Compressor Controls 4
- LFE Filter (Filter to Channel) 4
- Bypass 5
- Sidechain Link 6
- Sidechain Filter 6
- Control Link 7
- SC Trims and Threshold 8
- EXT Control 9
- Threshold 10
- Gain Makeup 10
- Ratio 10
- Attack 11
- Recovery 11
- Gain Reduction Meters 11
- Key Input 12
- Key Filter 12
- Bias Control 12
- Output Level 12
- Power 12
- Mastering Compressor Controls (AM5292) 13
- 8051 Compressor - 88R(S) Console mounted 14
- Specifications 16

8051 5.1 Compressor User Guide
Issue 2
Issue 2
8051
5.1 Compressor
User Guide
© 2005 AMS Neve Ltd own the copyright of all
information and drawings contained in this manual which
are not to be copied or reproduced by any means or
disclosed in part or whole to any third party without
written permission.
As part of our policy of continual product improvement,
we reserve the right to alter specifications without notice
but with due regard to all current legislation.
Disclaimer: The information in this manual has been
carefully checked and is believed to be accurate at the
time of publication. However, no responsibility is taken by
us for inaccuracies, errors or omissions nor any liability
assumed for any loss or damage resulting either directly or
indirectly from use of the information contained within it.
AMS NEVE INC., NEW YORK
TEL: +1 (212) 965 1400 • FAX: +1 (212) 965 9306
AMS NEVE INC., HOLLYWOOD
TEL: +1 (818) 753 8789 • FAX: +1 (818) 623 4839
AMS NEVE LTD • BILLINGTON ROAD • BURNLEY
LANCS BB11 5UB • ENGLAND
TELEPHONE: +44 (0) 1282 457011 • FAX: +44 (0) 1282 417282
HEAD OFFICE
TELEPHONE: +44 (0) 20 7916 2828 • FAX: +44 (0) 20 7916 2827
LONDON OFFICE
NORTH AMERICAN OFFICES
e-mail: info@ams-neve.com
http://www.ams-neve.com
AMS
NEVE
527-357

Contents
Introduction 1
Dimensions 2
Rack Mounting and Cooling 2
Power Requirements 2
Mains Supply 2
Rear Panel Connectors 3
Compressor Controls 4
LFE Filter (Filter to Channel) 4
Bypass 5
Sidechain Link 6
Sidechain Filter 6
Control Link 7
SC Trims and Threshold 8
EXT Control 9
Threshold 10
Gain Makeup 10
Ratio 10
Attack 11
Recovery 11
Gain Reduction Meters 11
Key Input 12
Key Filter 12
Bias Control 12
Output Level 12
Power 12
Mastering Compressor Controls (AM5292) 13
8051 Compressor - 88R(S) Console mounted 14
I/O Wiring (AM5052 & AM5265) 15
Specifications 16
8051 Block Diagram 17
8051 5.1 Compressor User Guide
Issue 2 Page ii

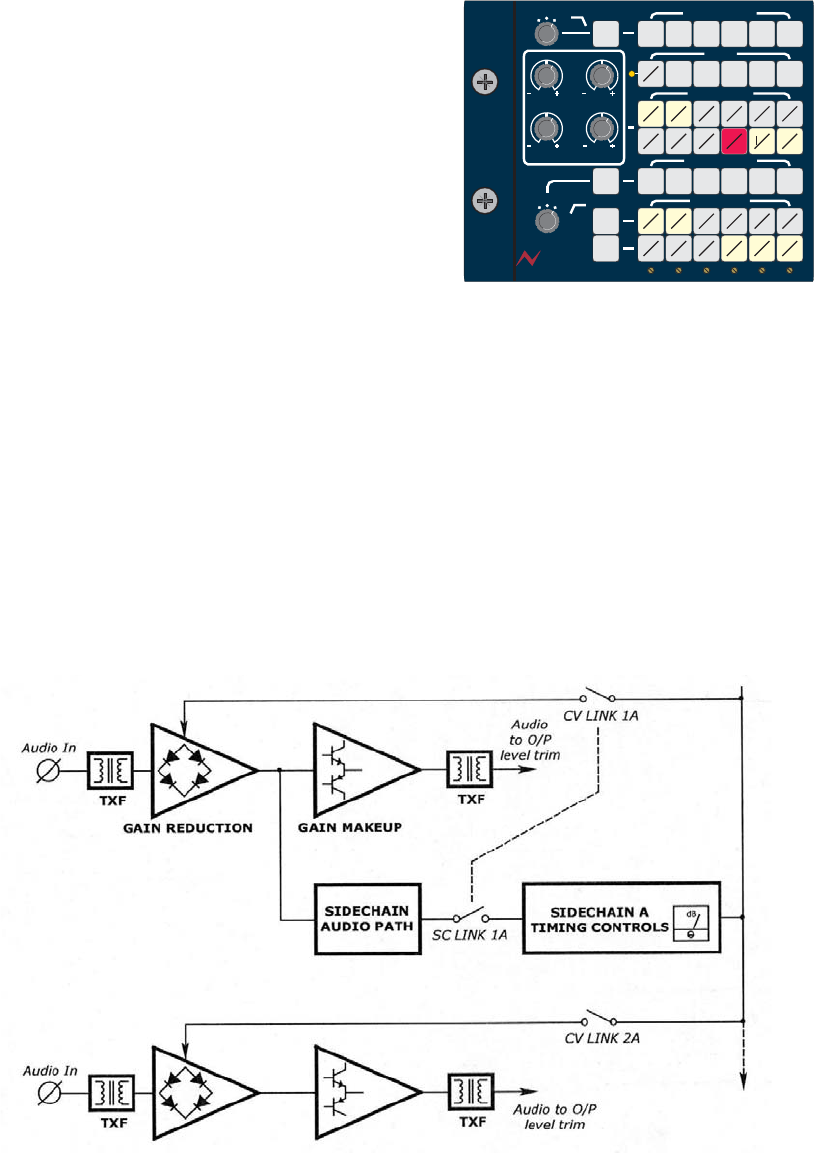
Introduction
The 8051 is an analogue compressor that provides six transformer balanced audio paths
complemented by two sidechains and a key input. Input and output to the sidechains is assignable
to and from the six channels. Assignable LFE filters on the input and sidechains along with the key
input provide integrated bass management.
Flexible sidechain routing, trimming and filtering make this a powerful and responsive tool for
surround mixing.
The 8051 uses the same feedback topology as the 33609 compressor and includes the same
transformers, diode-bridge gain control and discrete power amplifiers in the audio path.
8051 5.1 Compressor User Guide
Issue 2 Page 1
8051 5.1 Compressor

Dimensions
Units U Depth
mm (inches)
Height
mm (inches)
Approx. Weight
kg (lbs)
8051 Compressor
(AM4851 and AM5292)
not including mains plug
3 500 (20) 135 (5.25) 10.5 (23)
Rack Mounting and Cooling
The rack units should be installed in a 19" cabinet with access to the front and rear.
No specific air conditioning is required for the racks, provided that there is a free flow of air through
the rack from front to back, and that the ambient air is maintained below 30 degrees centigrade.
Therefore the racks may be stacked.
Power Requirements
8051 Units
Rated Voltage 100-250V AC
Rated Frequency 47-63 Hz
Rated Current .25A at 250V
Primary Protection Fuse:
Operating Voltage 250/110V
Fuse Rating and Type T1.6A/T1.6A A/S Ceramic
Location Rear Panel IEC Mains Connector
Mains Supply
The power supply unit is a universal input type therefore no mains operating voltage setting is
required.
The CH (chassis) and 0V are linked externally.
See the rear panel layout for AM4851 & AM5292.
8051 5.1 Compressor User Guide
Issue 2 Page 2

Rear Panel Connectors
-Mating connectors are not supplied with these units.
CONTROL VOLTAGE I/O - 15 Pin D-Type
KEY INPUT - XLR Socket
INPUT 1-6 - XLR Socket
OUTPUT 1-6 - XLR Plug
-These connectors apply to both the Standard and Mastering Compressor (AM4851 &
AM5292).
-For I/O wiring on 88R(S) console mounted compressors (AM5052 & AM5265) see page 15 .
8051 5.1 Compressor User Guide
Issue 2 Page 3
PUSHPUSHPUSHPUSHPUSHPUSHPUSH
INPUT 1
OUTPUT 1OUTPUT 2OUTPUT 3OUTPUT 4OUTPUT 5OUTPUT 6
INPUT 2INPUT 3INPUT 4INPUT 5INPUT 6KEY INPUT
CONTROL
VOLTAGE I/O
PLEASE SEE
MANUAL
CHASSIS INTERNAL
0V
FUSE 1.6A A/S CERAMIC
INPUT VOLTAGE 100-250V AC
INPUT FREQUENCY 47-63Hz
WARNING
DISCONNECT MAINS LEAD
TO ISOLATE UNIT.
NO USER SERVICEABLE
PARTS INSIDE
HAZARDOUS VOLTAGES INSIDE
REFER TO MANUALS

Compressor Controls
LFE Filter (Filter to Channel)
A 12dB/octave low-pass filter can be assigned to
any one channel. This filter is applied directly to the
input before the relay-bypass point, and its -3dB
frequency is selectable from 80, 100 or 120Hz.
8051 5.1 Compressor User Guide
Issue 2 Page 4
1
1
1
IN/OUT
IN/OUT
EXT
A
CTRL
EXT
B
CTRL
2
2
2
3
3
3
4
4
4
5
5
5
6
6
6
A
A
B
B
A
A
B
B
A
A
B
B
A
A
B
B
A
A
B
B
A
B
B
123456
123456
123456
123456
A
100
100
120
120
80
80
0
0
0
0
15
15
15
15
15
15
15
15
Neve
0-5.5
0
8
dB
4
0
12 16
20
8
dB
4
0
12 16
20
A
B
-10
-10
+20
+20
2ms
2ms
4ms
4ms
6ms
6ms
8ms
8ms
16ms
16ms
-20
-20
-20
+16
+16
+16
1.5:1
1.5:1
2:1
2:1
8
8
8
8
8
8
8
8
8
8
12
12
12
12
12
12
12
12
16
16
16
16
16
4
4
4
4
4
4
4
4
4
4
0
0
0
0
0
3:1
3:1
4:1
4:1
6:1
6:1
max
max
.1s
.1s
.2s
.2s
.4s
.4s
.8s
.8s
1.5s
1.5s
3s
3s
DISCRETE
100
100
120
120
80
80
0
0
0
0
15
15
15
15
15
15
15
15
Neve
0-5.5
0
8
dB
4
0
12 16
20
8
dB
4
0
12 16
20
A
B
-10
-10
+20
+20
2ms
2ms
4ms
4ms
6ms
6ms
8ms
8ms
16ms
16ms
-20
-20
-20
+16
+16
+16
1.5:1
1.5:1
2:1
2:1
8
8
8
8
8
8
8
8
8
8
12
12
12
12
12
12
12
12
16
16
16
16
16
4
4
4
4
4
4
4
4
4
4
0
0
0
0
0
3:1
3:1
4:1
4:1
6:1
6:1
max
max
.1s
.1s
.2s
.2s
.4s
.4s
.8s
.8s
1.5s
1.5s
3s
3s
DISCRETE
100
100
120
120
80
80
0
0
0
0
15
15
15
15
15
15
15
15
Neve
0-5.5
0
8
dB
4
0
12 16
20
8
dB
4
0
12 16
20
A
B
-10
-10
+20
+20
2ms
2ms
4ms
4ms
6ms
6ms
8ms
8ms
16ms
16ms
-20
-20
-20
+16
+16
+16
1.5:1
1.5:1
2:1
2:1
8
8
8
8
8
8
8
8
8
8
12
12
12
12
12
12
12
12
16
16
16
16
16
4
4
4
4
4
4
4
4
4
4
0
0
0
0
0
3:1
3:1
4:1
4:1
6:1
6:1
max
max
.1s
.1s
.2s
.2s
.4s
.4s
.8s
.8s
1.5s
1.5s
3s
3s
DISCRETE
100
100
120
120
80
80
0
0
0
0
15
15
15
15
15
15
15
15
Neve
0-5.5
0
8
dB
4
0
12 16
20
8
dB
4
0
12 16
20
A
B
-10
-10
+20
+20
2ms
2ms
4ms
4ms
6ms
6ms
8ms
8ms
16ms
16ms
-20
-20
-20
+16
+16
+16
1.5:1
1.5:1
2:1
2:1
8
8
8
8
8
8
8
8
8
8
12
12
12
12
12
12
12
12
16
16
16
16
16
4
4
4
4
4
4
4
4
4
4
0
0
0
0
0
3:1
3:1
4:1
4:1
6:1
6:1
max
max
.1s
.1s
.2s
.2s
.4s
.4s
.8s
.8s
1.5s
1.5s
3s
3s
DISCRETE
100
100
120
120
80
80
0
0
0
0
15
15
15
15
15
15
15
15
Neve
0-5.5
0
8
dB
4
0
12 16
20
8
dB
4
0
12 16
20
A
B
-10
-10
+20
+20
2ms
2ms
4ms
4ms
6ms
6ms
8ms
8ms
16ms
16ms
-20
-20
-20
+16
+16
+16
1.5:1
1.5:1
2:1
2:1
8
8
8
8
8
8
8
8
8
8
12
12
12
12
12
12
12
12
16
16
16
16
16
4
4
4
4
4
4
4
4
4
4
0
0
0
0
0
3:1
3:1
4:1
4:1
6:1
6:1
max
max
.1s
.1s
.2s
.2s
.4s
.4s
.8s
.8s
1.5s
1.5s
3s
3s
DISCRETE
100
100
120
120
80
80
0
0
0
0
15
15
15
15
15
15
15
15
Neve
0-5.5
0
8
dB
4
0
12 16
20
8
dB
4
0
12 16
20
A
B
-10
-10
+20
+20
2ms
2ms
4ms
4ms
6ms
6ms
8ms
8ms
16ms
16ms
-20
-20
-20
+16
+16
+16
1.5:1
1.5:1
2:1
2:1
8
8
8
8
8
8
8
8
8
8
12
12
12
12
12
12
12
12
16
16
16
16
16
4
4
4
4
4
4
4
4
4
4
0
0
0
0
0
3:1
3:1
4:1
4:1
6:1
6:1
max
max
.1s
.1s
.2s
.2s
.4s
.4s
.8s
.8s
1.5s
1.5s
3s
3s
DISCRETE
OUTPUT LEVEL dB
FILTER TO CHANNEL
CONTROL LINK
SIDECHAIN LINK
SIDECHAIN FILTER
BYPASS
SC TRIMS dB
100
100
120
120
80
80
3
1/2
4
5/6
0
0
0
0
15
15
15
15
15
15
15
15
Neve
100
100
120
120
80
80
0
0
0
0
15
15
15
15
15
15
15
15
Neve
0-55.5
0
8
dB
4
0
12 16
20
8
dB
4
0
12 16
20
A
B
-10
-10
+20
+20
2ms
2ms
4ms
4ms
6ms
6ms
8ms
8ms
16ms
16ms
-20
-20
-20
+16
+16
+16
1.5:1
1.5:1
2:1
2:1
8
8
8
8
8
8
8
8
8
8
12
12
12
12
12
12
12
12
16
16
16
16
16
4
4
4
4
4
4
4
4
4
4
0
0
0
0
0
3:1
3:1
4:1
4:1
6:1
6:1
max
max
.1s
.1s
.2s
.2s
.4s
.4s
.8s
.8s
1.5s
1.5s
3s
3s
DISCRETE
0-5.5
A
B
A/B
BIAS
0
POWER
KEY I/P
A
B
100Hz
8
dB
4
0
12 16
20
8
dB
4
0
12 16
20
100
100
120
120
80
80
0
0
0
0
15
15
15
15
15
15
15
15
Neve
0-5.5
0
8
dB
4
0
12 16
20
8
dB
4
0
12 16
20
A
B
-10
-10
+20
+20
2ms
2ms
4ms
4ms
6ms
6ms
8ms
8ms
16ms
16ms
-20
-20
-20
+16
+16
+16
1.5:1
1.5:1
2:1
2:1
8
8
8
8
8
8
8
8
8
8
12
12
12
12
12
12
12
12
16
16
16
16
16
4
4
4
4
4
4
4
4
4
4
0
0
0
0
0
3:1
3:1
4:1
4:1
6:1
6:1
max
max
.1s
.1s
..2s
.2s
.4s
.4s
.8s
.8s
1.5s
1.5s
3s
3s
DISCRETE
100
100
120
120
80
80
0
0
0
0
15
15
15
15
15
15
15
15
Neve
0-5.5
0
8
dB
4
0
12 16
20
8
dB
4
0
12 16
20
A
B
-10
-10
+20
+20
2ms
2ms
4ms
4ms
6ms
6ms
8ms
8ms
16ms
16ms
-20
-20
-20
+16
+16
+16
1.5:1
1.5:1
2:1
2:1
8
8
8
8
8
8
8
8
8
8
12
12
12
12
12
12
12
12
16
16
16
16
16
4
4
4
4
4
4
4
4
4
4
0
0
0
0
0
3:1
3:1
4:1
4:1
6:1
6:1
max
max
.1s
.1s
.2s
..2s
.4s
.4s
.8s
.8s
1.5s
1.5s
3s
3s
DISCRETE
100
100
120
120
80
80
0
0
0
0
15
15
15
15
15
15
15
15
Neve
0-5.5
0
8
dB
4
0
12 16
20
8
dB
4
0
12 16
20
A
B
-10
-10
+20
+20
2ms
2ms
4ms
4ms
6ms
6ms
8ms
8ms
16ms
16ms
-20
-20
-20
+16
+16
+16
1.5:1
1.5:1
2:1
2:1
8
8
8
8
8
8
8
8
8
8
12
12
12
12
12
12
12
12
16
16
16
16
16
4
4
4
4
4
4
4
4
4
4
0
0
0
0
0
3:1
3:1
4:1
4:1
6:1
6:1
max
max
.1s
.1s
.2s
.2s
.4s
.4s
.8s
.8s
1..5s
1.5s
3s
3s
DISCRETE
100
100
120
120
80
80
0
0
0
0
15
15
15
15
15
15
15
15
Neve
0-5.5
0
8
dB
4
0
12 16
20
8
dB
4
0
12 16
20
A
B
-10
-10
+20
+20
2ms
2ms
4ms
4ms
6ms
6ms
8ms
8ms
16ms
16ms
-20
-20
-20
+16
+16
+16
1.5:1
1.5:1
2:1
2:1
8
8
8
8
8
8
8
8
8
8
12
12
12
12
12
12
12
12
16
16
16
16
16
4
4
4
4
4
4
4
4
4
4
0
0
0
0
0
3:1
3:1
4:1
4:1
6:1
6:1
max
max
.1s
.1s
.2s
.2s
.4s
.4s
.8s
.8s
1.5s
1..5s
3s
3s
DISCRETE
100
100
120
120
80
80
0
0
0
0
15
15
15
15
15
15
15
15
Neve
0-5.5
0
8
dB
4
0
12 16
20
8
dB
4
0
12 16
20
A
B
-10
-10
+20
+20
2ms
2ms
4ms
4ms
6ms
6ms
8ms
8ms
16ms
16ms
-20
-20
-20
+16
+16
+16
1.5:1
1.5:1
2:1
2:1
8
8
8
8
8
8
8
8
8
8
12
12
12
12
12
12
12
12
16
16
16
16
16
4
4
4
4
4
4
4
4
4
4
0
0
0
0
0
3:1
3:1
4:1
4:1
6::1
6:1
max
max
.1s
.1s
.2s
.2s
.4s
.4s
.8s
.8s
1.5s
1.5s
3s
3s
DISCRETE
100
100
120
120
80
80
0
0
0
0
15
15
15
15
15
15
15
15
Neve
0-5.5
0
8
dB
4
0
12 16
20
8
dB
4
0
12 16
20
A
B
-10
-10
+20
+20
2ms
2ms
4ms
4ms
6ms
6ms
8ms
8ms
16ms
16ms
-20
-20
-20
+16
+16
+16
1.5:1
1.5:1
2:1
2:1
8
8
8
8
8
8
8
8
8
8
12
12
12
12
12
12
12
12
16
16
16
16
16
4
4
4
4
4
4
4
4
4
4
0
0
0
0
0
3:1
3:1
4:1
4:1
6:1
6::1
max
max
.1s
.1s
.2s
.2s
.4s
.4s
.8s
.8s
1.5s
1.5s
3s
3s
DISCRETE
100
100
120
120
80
80
0
0
0
0
15
15
15
15
15
15
15
15
Neve
0-5.5
0
8
dB
4
0
12 16
20
8
dB
4
0
12 16
20
A
B
-10
-10
+20
+20
2ms
2ms
4ms
4ms
6ms
6ms
8ms
8ms
16ms
16ms
-20
-20
-20
+16
+16
+16
1.5:1
1.5:1
2:1
2:1
8
8
8
8
8
8
8
8
8
8
112
12
12
12
12
12
12
12
16
16
16
16
16
4
4
4
4
4
4
4
4
4
4
0
0
0
0
0
3:1
3:1
4:1
4:1
6:1
6:1
max
max
.1s
.1s
.2s
.2s
.4s
.4s
.8s
.8s
1.5s
1.5s
3s
3s
DISCRETE
100
100
120
120
80
80
0
0
0
0
15
15
15
15
15
15
15
15
Neve
0-5.5
0
8
dB
4
0
12 16
20
8
dB
4
0
12 16
20
A
B
-10
-10
+20
+20
2ms
2ms
4ms
4ms
6ms
6ms
8ms
8ms
16ms
16ms
-20
-20
-20
+16
+16
+16
1.5:1
1.5:1
2:1
2:1
8
8
8
8
8
8
8
8
8
8
12
112
12
12
12
12
12
12
16
16
16
16
16
4
4
4
4
4
4
4
4
4
4
0
0
0
0
0
3:1
3:1
4:1
4:1
6:1
6:1
max
max
.1s
.1s
.2s
.2s
.4s
.4s
.8s
.8s
1.5s
1.5s
3s
3s
DISCRETE
THRESHOLD dBu
THRESHOLD dBu
THRESHOLD dBu
MAKE-UP
GAIN dB
MAKE-UP
GAIN dB
RATIO
RATIO
ATTAC K
ATTAC K
RECOVERY
RECOVERY
GAIN REDUCTION
GAIN REDUCTION
A
B
-10
-10
+20
+20
2ms
2ms
4ms
4ms
6ms
6ms
8ms
8ms
16ms
16ms
100
100
120
120
80
80
0
0
0
0
15
15
15
15
15
15
15
15
Neve
0-5.5
0
8
dB
4
0
12 16
20
8
dB
4
0
12 16
20
A
B
-10
-10
+20
+20
2ms
2ms
4ms
4ms
6ms
6ms
8ms
8ms
16ms
16ms
-20
-20
-20
+116
+16
+16
1.5:1
1.5:1
2:1
2:1
8
8
8
8
8
8
8
8
8
8
12
12
12
12
12
12
12
12
16
16
16
16
16
4
4
4
4
4
4
4
4
4
4
0
0
0
0
0
3:1
3:1
4:1
4:1
6:1
6:1
max
max
.1s
.1s
.2s
.2s
.4s
.4s
.8s
.8s
1.5s
1.5s
3s
3s
DISCRETE
100
100
120
120
80
80
0
0
0
0
15
15
15
15
15
15
15
15
Neve
0-5.5
0
8
dB
4
0
12 16
20
8
dB
4
0
12 16
20
A
B
-10
-10
+20
+20
2ms
2ms
4ms
4ms
6ms
6ms
8ms
8ms
16ms
16ms
-20
-20
-20
+16
+116
+16
1.5:1
1.5:1
2:1
2:1
8
8
8
8
8
8
8
8
8
8
12
12
12
12
12
12
12
12
16
16
16
16
16
4
4
4
4
4
4
4
4
4
4
0
0
0
0
0
3:1
3:1
4:1
4:1
6:1
6:1
max
max
.1s
.1s
.2s
.2s
.4s
.4s
.8s
.8s
1.5s
1.5s
3s
3s
DISCRETE
100
100
120
120
80
80
0
0
0
0
15
15
15
15
15
15
15
15
Neve
0-5.5
0
8
dB
4
0
12 16
20
8
dB
4
0
12 16
20
A
B
-10
-10
+20
+20
2ms
2ms
4ms
4ms
6ms
6ms
8ms
8ms
16ms
16ms
-20
-20
-20
+16
+16
+116
1.5:1
1.5:1
2:1
2:1
8
8
8
8
8
8
8
8
8
8
12
12
12
12
12
12
12
12
16
16
16
16
16
4
4
4
4
4
4
4
4
4
4
0
0
0
0
0
3:1
3:1
4:1
4:1
6:1
6:1
max
max
.1s
.1s
.2s
.2s
.4s
.4s
.8s
.8s
1.5s
1.5s
3s
3s
DISCRETE
-20
-20
-20
+16
+16
+16
1.5:1
1.5:1
2:1
2:1
8
8
8
8
8
8
8
8
8
8
12
12
12
12
12
12
12
12
16
16
16
16
16
4
4
4
4
4
4
4
4
4
4
0
0
0
0
0
3:1
3:1
4:1
4:1
6:1
6:1
max
max
.1s
.1s
.2s
.2s
.4s
.4s
.8s
.8s
1.5s
1.5s
3s
3s
SIDE
CHAIN
SEL
IN/OUT
8051
MULTI-CHANNEL
COMPRESSOR
DISCRETE
MST
Hz
Hz
M
1
1
1
IN/OUT
IN/OUT
EXT
A
CTRL
EXT
B
CTRL
2
2
2
3
3
3
4
4
4
5
5
5
6
6
6
A
A
B
B
A
A
B
B
A
A
B
B
A
A
B
B
A
A
B
B
A
B
B
123456
123456
123456
123456
A
100
100
120
120
80
80
0
0
0
0
15
15
15
15
15
15
15
15
Neve
100
100
120
120
80
80
0
0
0
0
15
15
15
15
15
15
15
15
Neve
100
100
120
120
80
80
0
0
0
0
15
15
15
15
15
15
15
15
Neve
100
100
120
120
80
80
0
0
0
0
15
15
15
15
15
15
15
15
Neve
100
100
120
120
80
80
0
0
0
0
15
15
15
15
15
15
15
15
Neve
100
100
120
120
80
80
0
0
0
0
15
15
15
15
15
15
15
15
Neve
FILTER TO CHANNEL
CONTROL LINK
SIDECHAIN LINK
SIDECHAIN FILTER
BYPASS
SC TRIMS dB
100
100
120
120
80
80
3
1/2
4
5/6
0
0
0
0
15
15
15
15
15
15
15
15
Neve
MST
Hz
Hz
M

Bypass
All channels have relay bypass. Bypass is from the
output of the LFE filter to the input of the Output
Level Control *.
If a channel routed to a sidechain is bypassed, its connection to the sidechain is maintained. This
means that other channels controlled by that sidechain are unaffected and allows a channel to
control others without being compressed itself (as though it were another key input).
Two bypass modes are available, single or master. In single mode each switch bypasses its
respective channel. In master mode all channels are controlled together from the channel 1 bypass
button.
Master mode is toggled by pressing and holding the channel 1 bypass switch and is indicated by the
MST LED to the left of channel 1 being lit. If individual channels are placed in Bypass mode, the
Master Bypass function then becomes a Group Bypass control for the remaining channels.
-*In Master Mode individual channels can be deselected from the master group and will remain
in local bypass indicated by permanently lit bypass buttons.
-*The elements outside the bypass loop are designed to be audibly transparent. Typical
distortion in bypass is <0.0008% at 1kHz, typical 20Hz-20kHz band noise is <-90dBu.
8051 5.1 Compressor User Guide
Issue 2 Page 5
1
1
1
IN/OUT
IN/OUT
EXT
A
CTRL
EXT
B
CTRL
2
2
2
3
3
3
4
4
4
5
5
5
6
6
6
A
A
B
B
A
A
B
B
A
A
B
B
A
A
B
B
A
A
B
B
A
B
B
123456
123456
123456
123456
A
100
100
120
120
80
80
0
0
0
0
15
15
15
15
15
15
15
15
Neve
100
100
120
120
80
80
0
0
0
0
15
15
15
15
15
15
15
15
Neve
100
100
120
120
80
80
0
0
0
0
15
15
15
15
15
15
15
15
Neve
100
100
120
120
80
80
0
0
0
0
15
15
15
15
15
15
15
15
Neve
100
100
120
120
80
80
0
0
0
0
15
15
15
15
15
15
15
15
Neve
100
100
120
120
80
80
0
0
0
0
15
15
15
15
15
15
15
15
Neve
FILTER TO CHANNEL
CONTROL LINK
SIDECHAIN LINK
SIDECHAIN FILTER
BYPASS
SC TRIMS dB
100
100
120
120
80
80
3
1/2
4
5/6
0
0
0
0
15
15
15
15
15
15
15
15
Neve
MST
Hz
Hz
M

Sidechain Link
The sidechain link buttons route audio from each channel's sidechain audio path into one or both of
the sidechain timing circuits. If a single channel's SC LINK A or B button is pressed, that channel will
behave as a mono compressor.
If another channel is then linked to the same sidechain, the timing circuit responds to whichever
channel is larger at any moment (taking into account the setting of the SC trim controls). The
resulting control voltage is then applied equally to both channels, i.e. they behave as a stereo linked
compressor.
Sidechain Filter
Inserts a high-pass filter in the channel's sidechain path, preventing unwanted compression due to
LFE content. The response is 12dB/octave, shelves at -20dB (this is required to maintain the
sidechain's phase margin) and has a selectable -3dB frequency of 80, 100, or 120Hz.
8051 5.1 Compressor User Guide
Issue 2 Page 6

Control Link
While the SC link buttons control the audio inputs to
each sidechain, the CV link buttons choose where
the D.C. control voltage generated by each
sidechain is routed. The CV link buttons also
determine which gain makeup control affects each
channel, in the same way that the SC link buttons
assign the threshold controls.
For the output of a sidechain to be correct, it must be
fed back to the channels it is derived from. Pressing
an SC link button will therefore illuminate the
corresponding CV link button and lock it on.
Most compressors apply gain reduction based entirely on the signal level at their inputs. A level
detector examines the input and drives an output VCA that is assumed to have a complimentary
response (a 'feed-forward' system). The 8051 uses a feedback topology, monitoring the output of
each gain cell and continually adjusting the control voltage returned to give the required gain
reduction.
This means that the control voltage linking has to follow sidechain linking to maintain a closed loop.
Once this feedback is in place the sidechain output can be linked to other channels using the
remaining unlit CV link buttons. These channels then follow the same dynamic envelope as the SC
Linked channels, but without their audio content affecting the compression.
A channel may also have control voltage linked from both sidechains. In this case the sidechain
providing the most gain reduction at any moment controls the channel, and the greater of the two
gain makeup settings will be applied.
-The CV Link buttons are disabled unless either a channel or the key has been routed to the
associated sidechain, or when in external mode.
8051 5.1 Compressor User Guide
Issue 2 Page 7
1
1
1
IN/OUT
IN/OUT
EXT
A
CTRL
EXT
B
CTRL
2
2
2
3
3
3
4
4
4
5
5
5
6
6
6
A
A
B
B
A
A
B
B
A
A
B
B
A
A
B
B
A
A
B
B
A
B
B
123456
123456
123456
123456
A
100
100
120
120
80
80
0
0
0
0
15
15
15
15
15
15
15
15
Neve
100
100
120
120
80
80
0
0
0
0
15
15
15
15
15
15
15
15
Neve
100
100
120
120
80
80
0
0
0
0
15
15
15
15
15
15
15
15
Neve
100
100
120
120
80
80
0
0
0
0
15
15
15
15
15
15
15
15
Neve
100
100
120
120
80
80
0
0
0
0
15
15
15
15
15
15
15
15
Neve
100
100
120
120
80
80
0
0
0
0
15
15
15
15
15
15
15
15
Neve
FILTER TO CHANNEL
CONTROL LINK
SIDECHAIN LINK
SIDECHAIN FILTER
BYPASS
SC TRIMS dB
100
100
120
120
80
80
3
1/2
4
5/6
0
0
0
0
15
15
15
15
15
15
15
15
Neve
MST
Hz
Hz
M

SC Trims and Threshold
Thresholds for each channel are determined by
sidechain path gain which is applied in two stages.
The two main threshold controls are first assigned to
each channel with the SC Link buttons, providing a
base threshold level for each of the sidechains. The
SC Trim controls then allow threshold adjustment
on individual channels of ±15dB, irrespective of
how they are linked. The trims are grouped as two
stereo pairs (channels ½ and 5/6) and two monos
(channels 3 and 4).
Once above the sidechain's threshold level, the link
button for the largest signal on that sidechain (after
the threshold gain has been applied) illuminates
red. Any signal that is above threshold and within
2dB of the dominant signal will also illuminate.
8051 5.1 Compressor User Guide
Issue 2 Page 8
1
1
1
IN/OUT
IN/OUT
EXT
A
CTRL
EXT
B
CTRL
2
2
2
3
3
3
4
4
4
5
5
5
6
6
6
A
A
B
B
A
A
B
B
A
A
B
B
A
A
B
B
A
A
B
B
A
B
B
123456
123456
123456
123456
A
100
100
120
120
80
80
0
0
0
0
15
15
15
15
15
15
15
15
Neve
100
100
120
120
80
80
0
0
0
0
15
15
15
15
15
15
15
15
Neve
100
100
120
120
80
80
0
0
0
0
15
15
15
15
15
15
15
15
Neve
100
100
120
120
80
80
0
0
0
0
15
15
15
15
15
15
15
15
Neve
100
100
120
120
80
80
0
0
0
0
15
15
15
15
15
15
15
15
Neve
100
100
120
120
80
80
0
0
0
0
15
15
15
15
15
15
15
15
Neve
FILTER TO CHANNEL
CONTROL LINK
SIDECHAIN LINK
SIDECHAIN FILTER
BYPASS
SC TRIMS dB
100
100
120
120
80
80
3
1/2
4
5/6
0
0
0
0
15
15
15
15
15
15
15
15
Neve
MST
Hz
Hz
M

EXT Control
The EXT buttons provide an insert point in the control voltage signal, after the bias control but before
routing back to the channels.
During normal operation the control voltages generated by the sidechain are internally connected
to the CV Link switched for routing back to the channels. In EXT mode the control voltage is taken
from the rear connector instead of the sidechain outputs, allowing the unit to be slaved from a
second 8051 or 33609.
-There is no EXT Control with 88R(S) console mounted compressors (AM5052 & AM5265).
Pin Function
1 0V Reference
9 CV send, sidechain A
12 Remote power-on
5 CV send, sidechain B
13 CV return, sidechain B
14 CV return, sidechain A
15 24V Reference
Short to pin 12 to pin 1 to take the unit out of standby mode remotely.
8051 5.1 Compressor User Guide
Issue 2 Page 9
PUSHPUSHPUSHPUSHPUSHPUSHPUSH
INPUT 1
OUTPUT 1OUTPUT 2OUTPUT 3OUTPUT 4OUTPUT 5OUTPUT 6
INPUT 2INPUT 3INPUT 4INPUT 5INPUT 6KEY INPUT
CONTROL
VOLTAGE I/O
PLEASE SEE
MANUAL
CHASSIS INTERNAL
0V
FUSE 1.6A A/S CERAMIC
INPUT VOLTAGE 100-250V AC
INPUT FREQUENCY 47-63Hz
WARNING
DISCONNECT MAINS LEAD
TO ISOLATE UNIT.
NO USER SERVICEABLE
PARTS INSIDE
HAZARDOUS VOLTAGES INSIDE
REFER TO MANUALS

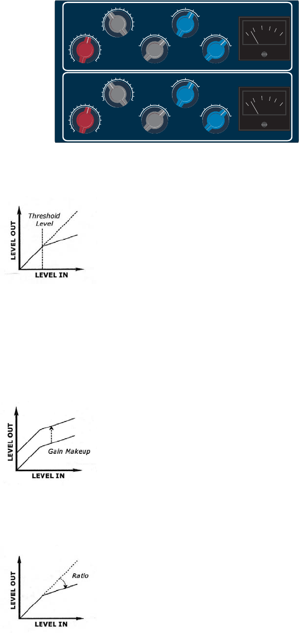
Threshold
Threshold is the level above which compression begins. Each
channel linked to a sidechain (using the SC Link buttons) takes
that sidechain's threshold. If a channel is linked to sidechains A
and B the lower value of the two controls is used. The threshold
controls have a range of -20dBu to +16dBu, adjustable in 2dB
steps. Each channel's threshold may be modified by up to
±15dB irrespective of its linking by using the SC Trim controls.
-A red LED indicator is provided in each sidechain link
button. This indicates that a channel is above threshold,
and either is the dominant signal or within 2dB of the
dominant signal on that sidechain.
Gain Makeup
Gain Makeup is used to restore the average level or loudness of
a compressed signal. Linking control voltage to a channel (with
the CV Link buttons) assigns either the A or B Gain Makeup
control to that channel. If control voltage from both sidechains is
linked the larger of the two values is used; this is because the
sidechain with the greater gain reduction will be controlling the
channel. The gain applied is adjustable from -10 to +20dB in
2dB steps.
Ratio
Ratio controls the amount of gain reduction applied as the input
level increases.
At 2:1 for example, a change of 10dB at the input produces a
change of 5dB at the output. Values available are 1.5:1, 2:1,
3:1, 4:1, 6:1, and 'max' (approximately 8:1).
The 8051 has a soft-knee characteristic, and its ratio gradually
increases as the compression becomes heavier at all settings.
The numbers given should therefore be considered average
values.
8051 5.1 Compressor User Guide
Issue 2 Page 10
8
dB
4
0
12 16
20
8
dB
4
0
12 16
20
8
dB
4
0
12 16
20
8
dB
4
0
12 16
20
A
B
-10
-10
+20
+20
2ms
2ms
4ms
4ms
6ms
6ms
8ms
8ms
16ms
16ms
-20
-20
+16
+16
1.5:1
1.5:1
2:1
2:1
8
8
8
8
8
8
8
8
12
12
12
12
12
12
16
16
16
16
4
4
4
4
4
4
4
4
0
0
0
0
3:1
3:1
4:1
4:1
6:1
6:1
max
max
.1s
.1s
..2s
.2s
.4s
.4s
.8s
.8s
1.5s
1.5s
3s
3s
8
dB
4
0
12 16
20
8
dB
4
0
12 16
20
A
B
-10
-10
+20
+20
2ms
2ms
4ms
4ms
6ms
6ms
8ms
8ms
16ms
16ms
-20
-20
+16
+16
1.5:1
1.5:1
2:1
2:1
8
8
8
8
8
8
8
8
12
12
12
12
12
12
16
16
16
16
4
4
4
4
4
4
4
4
0
0
0
0
3:1
3:1
4:1
4:1
6:1
6:1
max
max
.1s
.1s
.2s
..2s
.4s
.4s
.8s
.8s
1.5s
1.5s
3s
3s
8
dB
4
0
12 16
20
8
dB
4
0
12 16
20
A
B
-10
-10
+20
+20
2ms
2ms
4ms
4ms
6ms
6ms
8ms
8ms
16ms
16ms
-20
-20
+16
+16
1.5:1
1.5:1
2:1
2:1
8
8
8
8
8
8
8
8
12
12
12
12
12
12
16
16
16
16
4
4
4
4
4
4
4
4
0
0
0
0
3:1
3:1
4:1
4:1
6:1
6:1
max
max
.1s
.1s
.2s
.2s
.4s
.4s
.8s
.8s
1..5s
1.5s
3s
3s
8
dB
4
0
12 16
20
8
dB
4
0
12 16
20
A
B
-10
-10
+20
+20
2ms
2ms
4ms
4ms
6ms
6ms
8ms
8ms
16ms
16ms
-20
-20
+16
+16
1.5:1
1.5:1
2:1
2:1
8
8
8
8
8
8
8
8
12
12
12
12
12
12
16
16
16
16
4
4
4
4
4
4
4
4
0
0
0
0
3:1
3:1
4:1
4:1
6:1
6:1
max
max
.1s
.1s
.2s
.2s
.4s
.4s
.8s
.8s
1.5s
1..5s
3s
3s
8
dB
4
0
12 16
20
8
dB
4
0
12 16
20
A
B
-10
-10
+20
+20
2ms
2ms
4ms
4ms
6ms
6ms
8ms
8ms
16ms
16ms
-20
-20
+16
+16
1.5:1
1.5:1
2:1
2:1
8
8
8
8
8
8
8
8
12
12
12
12
12
12
16
16
16
16
4
4
4
4
4
4
4
4
0
0
0
0
3:1
3:1
4:1
4:1
6::1
6:1
max
max
.1s
.1s
.2s
.2s
.4s
.4s
.8s
.8s
1.5s
1.5s
3s
3s
8
dB
4
0
12 16
20
8
dB
4
0
12 16
20
A
B
-10
-10
+20
+20
2ms
2ms
4ms
4ms
6ms
6ms
8ms
8ms
16ms
16ms
-20
-20
+16
+16
1.5:1
1.5:1
2:1
2:1
8
8
8
8
8
8
8
8
12
12
12
12
12
12
16
16
16
16
4
4
4
4
4
4
4
4
0
0
0
0
3:1
3:1
4:1
4:1
6:1
6::1
max
max
.1s
.1s
.2s
.2s
.4s
.4s
.8s
.8s
1.5s
1.5s
3s
3s
8
dB
4
0
12 16
20
8
dB
4
0
12 16
20
A
B
-10
-10
+20
+20
2ms
2ms
4ms
4ms
6ms
6ms
8ms
8ms
16ms
16ms
-20
-20
+16
+16
1.5:1
1.5:1
2:1
2:1
8
8
8
8
8
8
8
8
112
12
12
12
12
12
16
16
16
16
4
4
4
4
4
4
4
4
0
0
0
0
3:1
3:1
4:1
4:1
6:1
6:1
max
max
.1s
.1s
.2s
.2s
.4s
.4s
.8s
.8s
1.5s
1.5s
3s
3s
8
dB
4
0
12 16
20
8
dB
4
0
12 16
20
A
B
-10
-10
+20
+20
2ms
2ms
4ms
4ms
6ms
6ms
8ms
8ms
16ms
16ms
-20
-20
+16
+16
1.5:1
1.5:1
2:1
2:1
8
8
8
8
8
8
8
8
12
112
12
12
12
12
16
16
16
16
4
4
4
4
4
4
4
4
0
0
0
0
3:1
3:1
4:1
4:1
6:1
6:1
max
max
.1s
.1s
.2s
.2s
.4s
.4s
.8s
.8s
1.5s
1.5s
3s
3s
THRESHOLD dBu
THRESHOLD dBu
MAKE-UP
GAIN dB
MAKE-UP
GAIN dB
RATIO
RATIO
ATTAC K
ATTAC K
RECOVERY
RECOVERY
GAIN REDUCTION
GAIN REDUCTION
A
B
-10
-10
+20
+20
2ms
2ms
4ms
4ms
6ms
6ms
8ms
8ms
16ms
16ms
8
dB
4
0
12 16
20
8
dB
4
0
12 16
20
A
B
-10
-10
+20
+20
2ms
2ms
4ms
4ms
6ms
6ms
8ms
8ms
16ms
16ms
-20
-20
+116
+16
1.5:1
1.5:1
2:1
2:1
8
8
8
8
8
8
8
8
12
12
12
12
12
12
16
16
16
16
4
4
4
4
4
4
4
4
0
0
0
0
3:1
3:1
4:1
4:1
6:1
6:1
max
max
.1s
.1s
.2s
.2s
.4s
.4s
.8s
.8s
1.5s
1.5s
3s
3s
8
dB
4
0
12 16
20
8
dB
4
0
12 16
20
A
B
-10
-10
+20
+20
2ms
2ms
4ms
4ms
6ms
6ms
8ms
8ms
16ms
16ms
-20
-20
+16
+116
1.5:1
1.5:1
2:1
2:1
8
8
8
8
8
8
8
8
12
12
12
12
12
12
16
16
16
16
4
4
4
4
4
4
4
4
0
0
0
0
3:1
3:1
4:1
4:1
6:1
6:1
max
max
.1s
.1s
.2s
.2s
.4s
.4s
.8s
.8s
1.5s
1.5s
3s
3s
-20
-20
+16
+16
1.5:1
1.5:1
2:1
2:1
8
8
8
8
8
8
8
8
12
12
12
12
12
12
16
16
16
16
4
4
4
4
4
4
4
4
0
0
0
0
3:1
3:1
4:1
4:1
6:1
6:1
max
max
.1s
.1s
.2s
.2s
.4s
.4s
.8s
.8s
1.5s
1.5s
3s
3s

Attack
This is the time between a signal 6dB above the threshold level
being applied, and the output signal falling to within 2dB of its
final level. With slower attack settings compression is more
dependant on the average signal level, while with faster settings
it is more dependant on the peaks. Setting of 2ms, 4ms, 6ms,
8ms and 16ms are available.
Recovery
If a signal 6dB above the threshold has been applied for long
enough that the output has reached its steady-state level,
recovery is the time taken for it to get to within 2dB of its final level
if the input is dropped by 6dB. Recovery compliments the attack
control by filtering the control voltage; longer recovery times
prevent pumping effects where gain reduction follows the
program material too closely. Settings of 100ms, 200ms,
400ms, 800ms, 1.5s and 3s are available.
Gain Reduction Meters
Gain reduction meters are provided post the A/B Bias control and pre the CV Link routing buttons to
show the level of attenuation being applied. The meters have 20dB f.s.d.
8051 5.1 Compressor User Guide
Issue 2 Page 11
8
dB
4
0
12 16
20
8
dB
4
0
12 16
20
8
dB
4
0
12 16
20
8
dB
4
0
12 16
20
A
B
-10
-10
+20
+20
2ms
2ms
4ms
4ms
6ms
6ms
8ms
8ms
16ms
16ms
-20
-20
+16
+16
1.5:1
1.5:1
2:1
2:1
8
8
8
8
8
8
8
8
12
12
12
12
12
12
16
16
16
16
4
4
4
4
4
4
4
4
0
0
0
0
3:1
3:1
4:1
4:1
6:1
6:1
max
max
.1s
.1s
..2s
.2s
.4s
.4s
.8s
.8s
1.5s
1.5s
3s
3s
8
dB
4
0
12 16
20
8
dB
4
0
12 16
20
A
B
-10
-10
+20
+20
2ms
2ms
4ms
4ms
6ms
6ms
8ms
8ms
16ms
16ms
-20
-20
+16
+16
1.5:1
1.5:1
2:1
2:1
8
8
8
8
8
8
8
8
12
12
12
12
12
12
16
16
16
16
4
4
4
4
4
4
4
4
0
0
0
0
3:1
3:1
4:1
4:1
6:1
6:1
max
max
.1s
.1s
.2s
..2s
.4s
.4s
.8s
.8s
1.5s
1.5s
3s
3s
8
dB
4
0
12 16
20
8
dB
4
0
12 16
20
A
B
-10
-10
+20
+20
2ms
2ms
4ms
4ms
6ms
6ms
8ms
8ms
16ms
16ms
-20
-20
+16
+16
1.5:1
1.5:1
2:1
2:1
8
8
8
8
8
8
8
8
12
12
12
12
12
12
16
16
16
16
4
4
4
4
4
4
4
4
0
0
0
0
3:1
3:1
4:1
4:1
6:1
6:1
max
max
.1s
.1s
.2s
.2s
.4s
.4s
.8s
.8s
1..5s
1.5s
3s
3s
8
dB
4
0
12 16
20
8
dB
4
0
12 16
20
A
B
-10
-10
+20
+20
2ms
2ms
4ms
4ms
6ms
6ms
8ms
8ms
16ms
16ms
-20
-20
+16
+16
1.5:1
1.5:1
2:1
2:1
8
8
8
8
8
8
8
8
12
12
12
12
12
12
16
16
16
16
4
4
4
4
4
4
4
4
0
0
0
0
3:1
3:1
4:1
4:1
6:1
6:1
max
max
.1s
.1s
.2s
.2s
.4s
.4s
.8s
.8s
1.5s
1..5s
3s
3s
8
dB
4
0
12 16
20
8
dB
4
0
12 16
20
A
B
-10
-10
+20
+20
2ms
2ms
4ms
4ms
6ms
6ms
8ms
8ms
16ms
16ms
-20
-20
+16
+16
1.5:1
1.5:1
2:1
2:1
8
8
8
8
8
8
8
8
12
12
12
12
12
12
16
16
16
16
4
4
4
4
4
4
4
4
0
0
0
0
3:1
3:1
4:1
4:1
6::1
6:1
max
max
.1s
.1s
.2s
.2s
.4s
.4s
.8s
.8s
1.5s
1.5s
3s
3s
8
dB
4
0
12 16
20
8
dB
4
0
12 16
20
A
B
-10
-10
+20
+20
2ms
2ms
4ms
4ms
6ms
6ms
8ms
8ms
16ms
16ms
-20
-20
+16
+16
1.5:1
1.5:1
2:1
2:1
8
8
8
8
8
8
8
8
12
12
12
12
12
12
16
16
16
16
4
4
4
4
4
4
4
4
0
0
0
0
3:1
3:1
4:1
4:1
6:1
6::1
max
max
.1s
.1s
.2s
.2s
.4s
.4s
.8s
.8s
1.5s
1.5s
3s
3s
8
dB
4
0
12 16
20
8
dB
4
0
12 16
20
A
B
-10
-10
+20
+20
2ms
2ms
4ms
4ms
6ms
6ms
8ms
8ms
16ms
16ms
-20
-20
+16
+16
1.5:1
1.5:1
2:1
2:1
8
8
8
8
8
8
8
8
112
12
12
12
12
12
16
16
16
16
4
4
4
4
4
4
4
4
0
0
0
0
3:1
3:1
4:1
4:1
6:1
6:1
max
max
.1s
.1s
.2s
.2s
.4s
.4s
.8s
.8s
1.5s
1.5s
3s
3s
8
dB
4
0
12 16
20
8
dB
4
0
12 16
20
A
B
-10
-10
+20
+20
2ms
2ms
4ms
4ms
6ms
6ms
8ms
8ms
16ms
16ms
-20
-20
+16
+16
1.5:1
1.5:1
2:1
2:1
8
8
8
8
8
8
8
8
12
112
12
12
12
12
16
16
16
16
4
4
4
4
4
4
4
4
0
0
0
0
3:1
3:1
4:1
4:1
6:1
6:1
max
max
.1s
.1s
.2s
.2s
.4s
.4s
.8s
.8s
1.5s
1.5s
3s
3s
THRESHOLD dBu
THRESHOLD dBu
MAKE-UP
GAIN dB
MAKE-UP
GAIN dB
RATIO
RATIO
ATTAC K
ATTAC K
RECOVERY
RECOVERY
GAIN REDUCTION
GAIN REDUCTION
A
B
-10
-10
+20
+20
2ms
2ms
4ms
4ms
6ms
6ms
8ms
8ms
16ms
16ms
8
dB
4
0
12 16
20
8
dB
4
0
12 16
20
A
B
-10
-10
+20
+20
2ms
2ms
4ms
4ms
6ms
6ms
8ms
8ms
16ms
16ms
-20
-20
+116
+16
1.5:1
1.5:1
2:1
2:1
8
8
8
8
8
8
8
8
12
12
12
12
12
12
16
16
16
16
4
4
4
4
4
4
4
4
0
0
0
0
3:1
3:1
4:1
4:1
6:1
6:1
max
max
.1s
.1s
.2s
.2s
.4s
.4s
.8s
.8s
1.5s
1.5s
3s
3s
8
dB
4
0
12 16
20
8
dB
4
0
12 16
20
A
B
-10
-10
+20
+20
2ms
2ms
4ms
4ms
6ms
6ms
8ms
8ms
16ms
16ms
-20
-20
+16
+116
1.5:1
1.5:1
2:1
2:1
8
8
8
8
8
8
8
8
12
12
12
12
12
12
16
16
16
16
4
4
4
4
4
4
4
4
0
0
0
0
3:1
3:1
4:1
4:1
6:1
6:1
max
max
.1s
.1s
.2s
.2s
.4s
.4s
.8s
.8s
1.5s
1.5s
3s
3s
-20
-20
+16
+16
1.5:1
1.5:1
2:1
2:1
8
8
8
8
8
8
8
8
12
12
12
12
12
12
16
16
16
16
4
4
4
4
4
4
4
4
0
0
0
0
3:1
3:1
4:1
4:1
6:1
6:1
max
max
.1s
.1s
.2s
.2s
.4s
.4s
.8s
.8s
1.5s
1.5s
3s
3s

Key Input
A Key Input is provided to allow adjustable control from an external
source. Like the sidechains the key input has a threshold level
control ranging from -20 to +16 to set the intended level at which
compression control is required.
It can be used in several ways:
qInjecting tone to provide a remotely variable base-level of
compression on one or both sidechains.
q'Ducking' from an audio source such as dialogue.
qWhen connected in parallel with one of the inputs, it allows
that input to be routed onto both sidechains with different
compression thresholds.
Key Filter
The key input is provided with a selectable 12dB/octave high-pass LFE filter, fixed at 100Hz.
Bias Control
The bias control is used to balance the control voltages from the two sidechains by applying up to
6dB of cut and boost, effectively modifying their ratios.
If only a single sidechain is in use, for example when used as a stereo compressor, the bias control
allows ratio values between the standard settings to be selected with continuously variable control.
Output Level
This control provides a variable active pad across all six outputs, from 0dB to -5.5dB in 0.25dB
steps. The pad is outside of the relay bypass loop and so always controls all six channels together in
order to maximise the unit's output level without clipping.
Power
The power switch is illuminated dim red when the mains is present to indicate that the unit is in
standby mode. While in standby all switches are disabled, switch settings are retained and the unit
consumes minimal power.
Pressing the power switch brings the unit out of standby (power switch illuminates green). Pressing
and holding returns it to standby mode.
-The unit can be brought out of standby remotely by connecting pins 1 and 12 on the rear panel
D-Type connector.
8051 5.1 Compressor User Guide
Issue 2 Page 12
OUTPUT LEVEL dB
0-55.5
0
-20 +16
8
8
12
12
16
4
4
0
DISCRETE
0-5.5
A
B
A/B
BIAS
0
POWER
KEY I/P
A
B
100Hz
THRESHOLD dBu
0-5.5
0
-20 +116
8
8
12
12
16
4
4
0
DISCRETE
-20 +16
8
8
12
12
16
4
4
0
SIDE
CHAIN
SEL
IN/OUT
8051
MULTI-CHANNEL
COMPRESSOR
DISCRETE

Mastering Compressor Controls (AM5292)
The 8051 Mastering Compressor is slightly different to the standard 8051 in 2 ways:
qIt has 21 position detented pots for the Trim and Bias controls to aid total mechanical
recall of the unit.
qIt has -1dB switches fitted to the Threshold and Gain Make-Up controls to allow for more
accurate settings, for example, in a mastering application the entire range of the switches
can be turned from 2dB steps into 1dB steps by the selection of the -1dB switches.
8051 5.1 Compressor User Guide
Issue 2 Page 13
1
1
1
IN/OUT
IN/OUT
EXT
A
CTRL
EXT
B
CTRL
2
2
2
3
3
3
4
4
4
5
5
5
6
6
6
A
A
B
B
A
A
B
B
A
A
B
B
A
A
B
B
A
A
B
B
A
B
B
123456
123456
123456
123456
A
100
100
120
120
80
80
0
0
0
0
10
10
10
10
10
10
10
10
Neve
0-5.5
0
8
dB
4
0
12 16
20
8
dB
4
0
12 16
20
A
B
-10
-10
+20
+20
2ms
2ms
4ms
4ms
6ms
6ms
8ms
8ms
16ms
16ms
-20
-20
-20
+16
+16
+16
1.5:1
1.5:1
2:1
2:1
8
8
8
8
8
8
8
8
8
8
12
12
12
12
12
12
12
12
16
16
16
16
16
4
4
4
4
4
4
4
4
4
4
0
0
0
0
0
3:1
3:1
4:1
4:1
6:1
6:1
max
max
.1s
.1s
.2s
.2s
.4s
.4s
.8s
.8s
1.5s
1.5s
3s
3s
DISCRETE
100
100
120
120
80
80
0
0
0
0
10
10
10
10
10
10
10
10
Neve
0-5.5
0
8
dB
4
0
12 16
20
8
dB
4
0
12 16
20
A
B
-10
-10
+20
+20
2ms
2ms
4ms
4ms
6ms
6ms
8ms
8ms
16ms
16ms
-20
-20
-20
+16
+16
+16
1.5:1
1.5:1
2:1
2:1
8
8
8
8
8
8
8
8
8
8
12
12
12
12
12
12
12
12
16
16
16
16
16
4
4
4
4
4
4
4
4
4
4
0
0
0
0
0
3:1
3:1
4:1
4:1
6:1
6:1
max
max
.1s
.1s
.2s
.2s
.4s
.4s
.8s
.8s
1.5s
1.5s
3s
3s
DISCRETE
100
100
120
120
80
80
0
0
0
0
10
10
10
10
10
10
10
10
Neve
0-5.5
0
8
dB
4
0
12 16
20
8
dB
4
0
12 16
20
A
B
-10
-10
+20
+20
2ms
2ms
4ms
4ms
6ms
6ms
8ms
8ms
16ms
16ms
-20
-20
-20
+16
+16
+16
1.5:1
1.5:1
2:1
2:1
8
8
8
8
8
8
8
8
8
8
12
12
12
12
12
12
12
12
16
16
16
16
16
4
4
4
4
4
4
4
4
4
4
0
0
0
0
0
3:1
3:1
4:1
4:1
6:1
6:1
max
max
.1s
.1s
.2s
.2s
.4s
.4s
.8s
.8s
1.5s
1.5s
3s
3s
DISCRETE
100
100
120
120
80
80
0
0
0
0
10
10
10
10
10
10
10
10
Neve
0-5.5
0
8
dB
4
0
12 16
20
8
dB
4
0
12 16
20
A
B
-10
-10
+20
+20
2ms
2ms
4ms
4ms
6ms
6ms
8ms
8ms
16ms
16ms
-20
-20
-20
+16
+16
+16
1.5:1
1.5:1
2:1
2:1
8
8
8
8
8
8
8
8
8
8
12
12
12
12
12
12
12
12
16
16
16
16
16
4
4
4
4
4
4
4
4
4
4
0
0
0
0
0
3:1
3:1
4:1
4:1
6:1
6:1
max
max
.1s
.1s
.2s
.2s
.4s
.4s
.8s
.8s
1.5s
1.5s
3s
3s
DISCRETE
100
100
120
120
80
80
0
0
0
0
10
10
10
10
10
10
10
10
Neve
0-5.5
0
8
dB
4
0
12 16
20
8
dB
4
0
12 16
20
A
B
-10
-10
+20
+20
2ms
2ms
4ms
4ms
6ms
6ms
8ms
8ms
16ms
16ms
-20
-20
-20
+16
+16
+16
1.5:1
1.5:1
2:1
2:1
8
8
8
8
8
8
8
8
8
8
12
12
12
12
12
12
12
12
16
16
16
16
16
4
4
4
4
4
4
4
4
4
4
0
0
0
0
0
3:1
3:1
4:1
4:1
6:1
6:1
max
max
.1s
.1s
.2s
.2s
.4s
.4s
.8s
.8s
1.5s
1.5s
3s
3s
DISCRETE
100
100
120
120
80
80
0
0
0
0
10
10
10
10
10
10
10
10
Neve
0-5.5
0
8
dB
4
0
12 16
20
8
dB
4
0
12 16
20
A
B
-10
-10
+20
+20
2ms
2ms
4ms
4ms
6ms
6ms
8ms
8ms
16ms
16ms
-20
-20
-20
+16
+16
+16
1.5:1
1.5:1
2:1
2:1
8
8
8
8
8
8
8
8
8
8
12
12
12
12
12
12
12
12
16
16
16
16
16
4
4
4
4
4
4
4
4
4
4
0
0
0
0
0
3:1
3:1
4:1
4:1
6:1
6:1
max
max
.1s
.1s
.2s
.2s
.4s
.4s
.8s
.8s
1.5s
1.5s
3s
3s
DISCRETE
OUTPUT LEVEL dB
FILTER TO CHANNEL
CONTROL LINK
SIDECHAIN LINK
SIDECHAIN FILTER
BYPASS
SC TRIMS dB
100
100
120
120
80
80
3
1/2
4
5/6
0
0
0
0
10
10
10
10
10
10
10
10
Neve
100
100
120
120
80
80
0
0
0
0
10
10
10
10
10
10
10
10
Neve
0-55.5
0
8
dB
4
0
12 16
20
8
dB
4
0
12 16
20
A
B
-10
-10
+20
+20
2ms
2ms
4ms
4ms
6ms
6ms
8ms
8ms
16ms
16ms
-20
-20
-20
+16
+16
+16
1.5:1
1.5:1
2:1
2:1
8
8
8
8
8
8
8
8
8
8
12
12
12
12
12
12
12
12
16
16
16
16
16
4
4
4
4
4
4
4
4
4
4
0
0
0
0
0
3:1
3:1
4:1
4:1
6:1
6:1
max
max
.1s
.1s
.2s
.2s
.4s
.4s
.8s
.8s
1.5s
1.5s
3s
3s
DISCRETE
0-5.5
A
B
A/B
BIAS
0
POWER
KEY I/P
A
B
100Hz
8
dB
4
0
12 16
20
8
dB
4
0
12 16
20
100
100
120
120
80
80
0
0
0
0
10
10
10
10
10
10
10
10
Neve
0-5.5
0
8
dB
4
0
12 16
20
8
dB
4
0
12 16
20
A
B
-10
-10
+20
+20
2ms
2ms
4ms
4ms
6ms
6ms
8ms
8ms
16ms
16ms
-20
-20
-20
+16
+16
+16
1.5:1
1.5:1
2:1
2:1
8
8
8
8
8
8
8
8
8
8
12
12
12
12
12
12
12
12
16
16
16
16
16
4
4
4
4
4
4
4
4
4
4
0
0
0
0
0
3:1
3:1
4:1
4:1
6:1
6:1
max
max
.1s
.1s
..2s
.2s
.4s
.4s
.8s
.8s
1.5s
1.5s
3s
3s
DISCRETE
100
100
120
120
80
80
0
0
0
0
10
10
10
10
10
10
10
10
Neve
0-5.5
0
8
dB
4
0
12 16
20
8
dB
4
0
12 16
20
A
B
-10
-10
+20
+20
2ms
2ms
4ms
4ms
6ms
6ms
8ms
8ms
16ms
16ms
-20
-20
-20
+16
+16
+16
1.5:1
1.5:1
2:1
2:1
8
8
8
8
8
8
8
8
8
8
12
12
12
12
12
12
12
12
16
16
16
16
16
4
4
4
4
4
4
4
4
4
4
0
0
0
0
0
3:1
3:1
4:1
4:1
6:1
6:1
max
max
.1s
.1s
.2s
..2s
.4s
.4s
.8s
.8s
1.5s
1.5s
3s
3s
DISCRETE
100
100
120
120
80
80
0
0
0
0
10
10
10
10
10
10
10
10
Neve
0-5.5
0
8
dB
4
0
12 16
20
8
dB
4
0
12 16
20
A
B
-10
-10
+20
+20
2ms
2ms
4ms
4ms
6ms
6ms
8ms
8ms
16ms
16ms
-20
-20
-20
+16
+16
+16
1.5:1
1.5:1
2:1
2:1
8
8
8
8
8
8
8
8
8
8
12
12
12
12
12
12
12
12
16
16
16
16
16
4
4
4
4
4
4
4
4
4
4
0
0
0
0
0
3:1
3:1
4:1
4:1
6:1
6:1
max
max
.1s
.1s
.2s
.2s
.4s
.4s
.8s
.8s
1..5s
1.5s
3s
3s
DISCRETE
100
100
120
120
80
80
0
0
0
0
10
10
10
10
10
10
10
10
Neve
0-5.5
0
8
dB
4
0
12 16
20
8
dB
4
0
12 16
20
A
B
-10
-10
+20
+20
2ms
2ms
4ms
4ms
6ms
6ms
8ms
8ms
16ms
16ms
-20
-20
-20
+16
+16
+16
1.5:1
1.5:1
2:1
2:1
8
8
8
8
8
8
8
8
8
8
12
12
12
12
12
12
12
12
16
16
16
16
16
4
4
4
4
4
4
4
4
4
4
0
0
0
0
0
3:1
3:1
4:1
4:1
6:1
6:1
max
max
.1s
.1s
.2s
.2s
.4s
.4s
.8s
.8s
1.5s
1..5s
3s
3s
DISCRETE
100
100
120
120
80
80
0
0
0
0
10
10
10
10
10
10
10
10
Neve
0-5.5
0
8
dB
4
0
12 16
20
8
dB
4
0
12 16
20
A
B
-10
-10
+20
+20
2ms
2ms
4ms
4ms
6ms
6ms
8ms
8ms
16ms
16ms
-20
-20
-20
+16
+16
+16
1.5:1
1.5:1
2:1
2:1
8
8
8
8
8
8
8
8
8
8
12
12
12
12
12
12
12
12
16
16
16
16
16
4
4
4
4
4
4
4
4
4
4
0
0
0
0
0
3:1
3:1
4:1
4:1
6::1
6:1
max
max
.1s
.1s
.2s
.2s
.4s
.4s
.8s
.8s
1.5s
1.5s
3s
3s
DISCRETE
100
100
120
120
80
80
0
0
0
0
10
10
10
10
10
10
10
10
Neve
0-5.5
0
8
dB
4
0
12 16
20
8
dB
4
0
12 16
20
A
B
-10
-10
+20
+20
2ms
2ms
4ms
4ms
6ms
6ms
8ms
8ms
16ms
16ms
-20
-20
-20
+16
+16
+16
1.5:1
1.5:1
2:1
2:1
8
8
8
8
8
8
8
8
8
8
12
12
12
12
12
12
12
12
16
16
16
16
16
4
4
4
4
4
4
4
4
4
4
0
0
0
0
0
3:1
3:1
4:1
4:1
6:1
6::1
max
max
.1s
.1s
.2s
.2s
.4s
.4s
.8s
.8s
1.5s
1.5s
3s
3s
DISCRETE
100
100
120
120
80
80
0
0
0
0
10
10
10
10
10
10
10
10
Neve
0-5.5
0
8
dB
4
0
12 16
20
8
dB
4
0
12 16
20
A
B
-10
-10
+20
+20
2ms
2ms
4ms
4ms
6ms
6ms
8ms
8ms
16ms
16ms
-20
-20
-20
+16
+16
+16
1.5:1
1.5:1
2:1
2:1
8
8
8
8
8
8
8
8
8
8
112
12
12
12
12
12
12
12
16
16
16
16
16
4
4
4
4
4
4
4
4
4
4
0
0
0
0
0
3:1
3:1
4:1
4:1
6:1
6:1
max
max
.1s
.1s
.2s
.2s
.4s
.4s
.8s
.8s
1.5s
1.5s
3s
3s
DISCRETE
100
100
120
120
80
80
0
0
0
0
10
10
10
10
10
10
10
10
Neve
0-5.5
0
8
dB
4
0
12 16
20
8
dB
4
0
12 16
20
A
B
-10
-10
+20
+20
2ms
2ms
4ms
4ms
6ms
6ms
8ms
8ms
16ms
16ms
-20
-20
-20
+16
+16
+16
1.5:1
1.5:1
2:1
2:1
8
8
8
8
8
8
8
8
8
8
12
112
12
12
12
12
12
12
16
16
16
16
16
4
4
4
4
4
4
4
4
4
4
0
0
0
0
0
3:1
3:1
4:1
4:1
6:1
6:1
max
max
.1s
.1s
.2s
.2s
.4s
.4s
.8s
.8s
1.5s
1.5s
3s
3s
DISCRETE
THRESHOLD dBu
THRESHOLD dBu
THRESHOLD dBu
MAKE-UP
GAIN dB
MAKE-UP
GAIN dB
RATIO
RATIO
ATTAC K
ATTAC K
RECOVERY
RECOVERY
GAIN REDUCTION
GAIN REDUCTION
A
B
-10
-10
+20
+20
2ms
2ms
4ms
4ms
6ms
6ms
8ms
8ms
16ms
16ms
100
100
120
120
80
80
0
0
0
0
10
10
10
10
10
10
10
10
Neve
0-5.5
0
8
dB
4
0
12 16
20
8
dB
4
0
12 16
20
A
B
-10
-10
+20
+20
2ms
2ms
4ms
4ms
6ms
6ms
8ms
8ms
16ms
16ms
-20
-20
-20
+116
+16
+16
1.5:1
1.5:1
2:1
2:1
8
8
8
8
8
8
8
8
8
8
12
12
12
12
12
12
12
12
16
16
16
16
16
4
4
4
4
4
4
4
4
4
4
0
0
0
0
0
3:1
3:1
4:1
4:1
6:1
6:1
max
max
.1s
.1s
.2s
.2s
.4s
.4s
.8s
.8s
1.5s
1.5s
3s
3s
DISCRETE
100
100
120
120
80
80
0
0
0
0
10
10
10
10
10
10
10
10
Neve
0-5.5
0
8
dB
4
0
12 16
20
8
dB
4
0
12 16
20
A
B
-10
-10
+20
+20
2ms
2ms
4ms
4ms
6ms
6ms
8ms
8ms
16ms
16ms
-20
-20
-20
+16
+116
+16
1.5:1
1.5:1
2:1
2:1
8
8
8
8
8
8
8
8
8
8
12
12
12
12
12
12
12
12
16
16
16
16
16
4
4
4
4
4
4
4
4
4
4
0
0
0
0
0
3:1
3:1
4:1
4:1
6:1
6:1
max
max
.1s
.1s
.2s
.2s
.4s
.4s
.8s
.8s
1.5s
1.5s
3s
3s
DISCRETE
100
100
120
120
80
80
0
0
0
0
10
10
10
10
10
10
10
10
Neve
0-5.5
0
8
dB
4
0
12 16
20
8
dB
4
0
12 16
20
A
B
-10
-10
+20
+20
2ms
2ms
4ms
4ms
6ms
6ms
8ms
8ms
16ms
16ms
-20
-20
-20
+16
+16
+116
1.5:1
1.5:1
2:1
2:1
8
8
8
8
8
8
8
8
8
8
12
12
12
12
12
12
12
12
16
16
16
16
16
4
4
4
4
4
4
4
4
4
4
0
0
0
0
0
3:1
3:1
4:1
4:1
6:1
6:1
max
max
.1s
.1s
.2s
.2s
.4s
.4s
.8s
.8s
1.5s
1.5s
3s
3s
DISCRETE
-20
-20
-20
+16
+16
+16
1.5:1
1.5:1
2:1
2:1
8
8
8
8
8
8
8
8
8
8
12
12
12
12
12
12
12
12
16
16
16
16
16
4
4
4
4
4
4
4
4
4
4
0
0
0
0
0
3:1
3:1
4:1
4:1
6:1
6:1
max
max
.1s
.1s
.2s
.2s
.4s
.4s
.8s
.8s
1.5s
1.5s
3s
3s
SIDE
CHAIN
SEL
IN/OUT
8051M
MULTI-CHANNEL
COMPRESSOR
DISCRETE
MST
Hz
Hz
M
-1dB
-1dB
-1dB
-1dB
21 Position
Detented Pots -1dB Switches

8051 Compressor - 88R(S) Console mounted AM5052
-As this unit is designed for fixed 5.1 compressor applications in an 88R(S) console the EXT A
CTRL and EXT B CTRL controls are not selectable (blank buttons).
8051 5.1 Compressor User Guide
Issue 2 Page 14
IN/OUT
IN/OUT
SC TRIMS dB
100
100
120
120
80
80
3
1/2
4
5/6
0
0
0
0
15
15
15
15
15
15
15
15
1
1
2
2
2
3
3
3
4
4
4
5
5
5
6
6
6
AAAAAA
BBBBBB
BBBBBB
123456
123456
123456
123456
AAAAAA
FILTER TO CHANNEL
CONTROL LINK
SIDECHAIN LINK
SIDECHAIN FILTER
BYPASS
OUTPUT LEVEL dB
100
100
120
120
80
80
0
0
0
0
15
15
15
15
15
15
15
15
55.5
0
0
BA
8
dB
4
0
12 16
20
-20 -20+16 +16
88
88
12 12
12 12
16 16
44
44
00
-10 -10+20 +20
88
88
12 12
16 16
44
44
00
1.5:1 1.5:1
2:1 2:1
3:1 3:1
4:1 4:1
6:1 6:1
Max Max
2ms 2ms
4ms 4ms
6ms 6ms
8ms 8ms
16ms 16ms
.1s .1s
.2s .2s
.4s .4s
.8s .8s
1.5s 1.5s
3s 3s
8
dB
4
0
12 16
20
-20 +16
8
8
12
12
16
4
4
0
5.5
0
AB
A/B
BIAS
0
BA
8
dB
4
0
12 16
20
GAIN REDUCTION
THRESHOLD dBu THRESHOLD dBu
100
100
120
120
80
80
0
0
0
0
15
15
15
15
15
15
15
15
5.5
0
0
BA
8
dB
4
0
12 16
20
-200-20+116 +16
888
88
12 12
12 12
16 16
44
444
00
-10 -10+20 +20
88
88
12 12
16 16
44
44
00
1.5:1 1.5:1
2:1 2:1
3:1 3:1
4:1 4:1
6:1 6:1
Max Max
2ms 2ms
4ms 4ms
6ms 6ms
8ms 8ms
16ms 16ms
.1s .1s
.2s .2s
.4s .4s
.8s .8s
1.5s 1.5s
3s 3s
8
dB
4
0
12 16
20
-20 +16
8
8
12
12
16
4
4
0
100
100
120
120
80
80
0
0
0
0
15
15
15
15
15
15
15
15
5.5
0
0
BA
8
dB
4
0
12 16
20
-20 -20+16 +116
88
88
12 12
12 12
16 16
44
44
00
-10 -10+20 +20
88
88
12 12
16 16
44
44
00
1.5:1 1.5:1
2:1 2:1
3:1 3:1
4:1 4:1
6:1 6:1
Max Max
2ms 2ms
4ms 4ms
6ms 6ms
8ms 8ms
16ms 16ms
.1s .1s
.2s .2s
.4s .4s
.8s .8s
1.5s 1.5s
3s 3s
8
dB
4
0
12 16
20
-20 +16
8
8
12
12
16
4
4
0
-20 -20+16 +16
8 8
8 8
12 12
12 12
16 16
4 4
4 4
0 0
100
100
120
120
80
80
0
0
0
0
15
15
15
15
15
15
15
15
5.5
0
0
BA
8
dB
4
0
12 16
20
-20 -20+16 +16
88
88
12 12
12 12
16 16
44
44
00
-10 -10+20 +20
88
88
112 12
16 16
44
44
000
1.5:1 1.5:1
2:1 2:1
3:1 3:1
4:1 4:1
6:1 6:1
Max Max
2ms 2ms
4ms 4ms
6ms 6ms
8ms 8ms
16ms 16ms
.1s .1s
.2s .2s
.4s .4s
.8s .8s
1.5s 1.5s
3s 3s
8
dB
4
0
12 16
20
-20 +16
8
8
12
12
16
4
4
0
100
100
120
120
80
80
0
0
0
0
15
15
15
15
15
15
15
15
5.5
0
0
BA
8
dB
4
0
12 16
20
-20 -20+16 +16
88
88
12 12
12 12
16 16
44
44
00
-10 -10+20 +20
88
88
12 112
16 16
44
44
00
1.5:1 1.5:1
2:1 2:1
3:1 3:1
4:1 4:1
6:1 6:1
Max Max
2ms 2ms
4ms 4ms
6ms 6ms
8ms 8ms
16ms 16ms
.1s .1s
.2s .2s
.4s .4s
.8s .8s
1.5s 1.5s
3s 3s
8
dB
4
0
12 16
20
-20 +16
8
8
12
12
16
4
4
0
MAKE-UP
GAIN dB
MAKE-UP
GAIN dB
-10 -10+20 +20
8 8
8 8
12 12
16 16
4 4
4 4
0 0
100
100
120
120
80
80
0
0
0
0
15
15
15
15
15
15
15
15
5.5
0
0
BA
8
dB
4
0
12 16
20
-20 -20+16 +16
88
88
12 12
12 12
16 16
44
44
00
-10 -10+20 +20
88
88
12 12
16 16
44
44
00
1.5:1 1.5:1
2:112:1
3:1 3:1
4:1 4:1
6::1 6:1
Max Max
2ms 2ms
4mms 4ms
6ms 6ms
8ms 8ms
16ms 16ms
.1s .1s
.2s .2s
.4s .4s
.8s .8s
1.5s 1.5s
3s 3s
8
dB
4
0
12 16
20
-20 +16
8
8
12
12
16
4
4
0
100
100
120
120
80
80
0
0
0
0
15
15
15
15
15
15
15
15
5.5
0
0
BA
8
dB
4
0
12 16
20
-20 -20+16 +16
88
88
12 12
12 12
16 16
44
44
00
-10 -10+20 +20
88
88
12 12
16 16
44
44
00
1.5:1 1.5:1
2:1 2:1
3:1 3:1
4:1 4:1
6:1 6::1
Max Max
2ms 2ms
4ms 4mms
6ms 6ms
8ms 8ms
16ms 16ms
.1s .1s
.2s .2s
.4s .4s
.8s .8s
1.5s 1.5s
3s 3s
8
dB
4
0
12 16
20
-20 +16
8
8
12
12
16
4
4
0
RATIO RATIO
1.5:1 1.5:1
2:1 2:1
3:1 3:1
4:1 4:1
6:1 6:1
Max Max
100
100
120
120
80
80
0
0
0
0
15
15
15
15
15
15
15
15
5.5
0
0
BA
8
dB
4
0
12 16
20
-20 -20+16 +16
88
88
12 12
12 12
16 16
44
44
00
-10 -10+20 +20
88
88
12 12
16 16
44
44
00
1.5:1 1.5:1
2:1 2:1
3:1 3:1
4:1 4:1
6:1 6:1
Max Max
2ms 2ms
4ms 4ms
6ms 6ms
8ms 8ms
116ms 16ms
.1s .1s
.2s .2s
.4s .4s
.8s .8s
1.5s 1.5s
3s 3s
8
dB
4
0
12 16
20
-20 +16
8
8
12
12
16
4
4
0
100
100
120
120
80
80
0
0
0
0
15
15
15
15
15
15
15
15
5.5
0
0
BA
8
dB
4
0
12 16
20
-20 -20+16 +16
88
88
12 12
12 12
16 16
44
44
00
-10 -10+20 +20
88
88
12 12
16 16
44
44
00
1.5:1 1.5:1
2:1 2:1
3:1 3:1
4:1 4:1
6:1 6:1
Max Max
2ms 2ms
4ms 4ms
6ms 6ms
8ms 8ms
16ms 116ms
.1s .1s
.2s .2s
.4s .4s
.8s .8s
1.5s 1.5s
3s 3s
8
dB
4
0
12 16
20
-20 +16
8
8
12
12
16
4
4
0
ATTAC K AT TACK
2ms 2ms
4ms 4ms
6ms 6ms
8ms 8ms
16ms 16ms
100
100
120
120
80
80
0
0
0
0
15
15
15
15
15
15
15
15
5.5
0
0
BA
8
dB
4
0
12 16
20
-20 -20+16 +16
88
88
12 12
12 12
16 16
44
44
00
-10 -10+20 +20
88
88
12 12
16 16
44
44
00
1.5:1 1.5:1
2:1 2:1
3:1 3:1
4:1 4:1
6:1 6:1
Max Max
2ms 2ms
4ms 4ms
6ms 6ms
8ms 8ms
16ms 16ms
.1s .1s
.2ss.2s
.4s .4s
.8s .8s
1..5s 1.5s
3s 3s
8
dB
4
0
12 16
20
-20 +16
8
8
12
12
16
4
4
0
100
100
120
120
80
80
0
0
0
0
15
15
15
15
15
15
15
15
5.5
0
0
BA
8
dB
4
0
12 16
20
-20 -20+16 +16
88
88
12 12
12 12
16 16
44
44
00
-10 -10+20 +20
88
88
12 12
16 16
44
44
00
1.5:1 1.5:1
2:1 2:1
3:1 3:1
4:1 4:1
6:1 6:1
Max Max
2ms 2ms
4ms 4ms
6ms 6ms
8ms 8ms
16ms 16ms
.1s .1s
.2s .2s
.4s .4s
.8s .8s
1.5s 1..5s
3s 3s
8
dB
4
0
12 16
20
-20 +16
8
8
12
12
16
4
4
0
RECOVERY RECOVERY
.1s .1s
.2s .2s
.4s .4s
.8s .8s
1.5s 1.5s
3s 3s
8
dB
4
0
12 16
20
GAIN REDUCTION
2 TRACK MIXER
2T
OUTPUT
3
(C)
4
(S)
1-2
(L-R)
5-6
(LS-RS)
0
-0
-0
-0+10
--
KEY
I/P
BA
100Hz
THRESHOLD dBu
100
100
120
120
80
80
0
0
0
0
15
15
15
15
15
15
15
15
5.5
0
0
BA
8
dB
4
0
12 16
20
-20 -20+16 +16
88
88
12 12
12 12
16 16
44
44
00
-10 -10+20 +20
88
88
12 12
16 16
44
44
00
1.5:1 1.5:1
2:1 2:1
3:1 3:1
4:1 4:1
6:1 6:1
Max Max
2ms 2ms
4ms 4ms
6ms 6ms
8ms 8ms
16ms 16ms
.1s .1s
.2s .2s
.4s .4s
.8s .8s
1.5s 1.5s
3s 3s
8
dB
4
0
12 16
20
-20 +116
8
8
12
12
16
4
4
0
-20 +16
8
8
12
12
16
4
4
0
SIDE
CHAIN
SEL
IN/OUT
POST
INS
2T TO
MON
100
100
120
120
80
80
0
0
0
0
15
15
15
15
15
15
15
15
5.5
0
0
BA
8
dB
4
0
12 16
20
-20 -20+16 +16
88
88
12 12
12 12
16 16
44
44
00
-10 -10+20 +20
88
88
12 12
16 16
44
44
00
1.5:1 1.5:1
2:1 2:1
3:1 3:1
4:1 4:1
6:1 6:1
Max Max
2ms 2ms
4ms 4ms
6ms 6ms
8ms 8ms
16ms 16ms
.1s .1s
.2s .2s
.4s .4s
.8s .8s
1.5s 1.5s
3s 3s
8
dB
4
0
12 16
20
-20 +16
8
8
12
12
16
4
4
0
100
100
120
120
80
80
0
0
0
0
15
15
15
15
15
15
15
15
5.5
0
0
BA
8
dB
4
0
12 16
20
-20 -20+16 +16
88
88
12 12
12 12
16 16
44
44
00
-10 -10+20 +20
88
88
12 12
16 16
44
44
00
1.5:1 1.5:1
2:1 2:1
3:1 3:1
4:1 4:1
6:1 6:1
Max Max
2ms 2ms
4ms 4ms
6ms 6ms
8ms 8ms
16ms 16ms
.1s .1s
.2s .2s
.4s .4s
.8s .8s
1.5s 1.5s
3s 3s
8
dB
4
0
12 16
20
-20 +16
8
8
12
12
16
4
4
0
ON ON ON ON
40 40 40 40
Hz
Hz
1
MST M

I/O Wiring (AM5052 & AM5265)
56 Way Free Plug Varicon
Signal Signal Name Pin Number
Hi Lo Scn
1 1 Left Input C J D
2 3 Centre Input P V K
3 2 Right Input U Z d
4 4 S Input Y c f
5 5 LS Input s m j
6 6 RS Input x t n
7 1 Left Output CC y JJ
8 3 Centre Output MM HH NN
9 2 Right Output B F A
10 4 S Output L R E
11 5 LS Output S W a
12 6 RS Output X b e
13 Key Input r l h
14 v p k
15 z u DD
16 LL EE KK
8051 5.1 Compressor User Guide
Issue 2 Page 15

Specifications
I/O
The key input and LFE filter inputs are electronically balanced with an input impedance of 10kohms.
All other inputs are transformer balanced with 3.6kohms input impedances.
All outputs are electronically balanced post the output transformers, with maximum output of
+26dBu into 600ohms. The unit is calibrated for bridging loads greater than 10kohms.
Control Voltage I/O is provided for linking multiple units, or linking to 33609 compressors.
Connection is by 15 pin D-Type (see the section on EXT control for details).
Audio Performance
Equivalent input noise (20kHz band): < -78dBu
THD+N (for 20dBu input @1kHz): < 0.03%
Maximum Output Level: > 26dBu into 600 ohms
Interchannel Crosstalk: < -80dB at 15kHz
Control
LFE Filter: 12dB/octave low-pass, -3dB frequency selectable
to 80Hz, 100Hz or 120Hz.
Sidechain & Key Filters: 12dB/octave high-pass, -3dB frequency selectable to
80Hz, 100Hz or 120Hz.
Threshold: -20dBu to +16dBu master control, with ±15dB
trims on all channels.
Make-up gain: -10dB to +20dB.
Ratio: 1.5:1, 2:1, 3:1, 4:1, 6:1, MAX (~8:1).
Attack: 2ms, 4ms, 6ms, 8ms and 16ms.
Release: 100ms, 200ms, 400ms, 800ms, 1.5s and 3s.
Output Level Trim: 0dB to -5.5dB pad, in 0.25dB steps.
8051 5.1 Compressor User Guide
Issue 2 Page 16

8051 5.1 Compressor User Guide
Issue 2 Page 17