Amtrol Boilermate Rtr Installation Manual 9040 586 07_08 Indirect IO
2014-12-12
: Amtrol Amtrol-Boilermate-Rtr-Installation-Manual-118875 amtrol-boilermate-rtr-installation-manual-118875 amtrol pdf
Open the PDF directly: View PDF
.
Page Count: 32

INSTALLER: LEAVE THIS MANUAL WITH THE OWNER
IMPORTANT GENERAL SAFETY INFORMATION - ADDITIONAL SPECIFIC SAFETY ALERTS APPEAR IN THE FOLLOWING
INSTRUCTIONS.
READ CAREFULLY THE PRODUCT INSTALLATION, OPERATING AND MAINTENANCE MANUAL. FAILURE
TO FOLLOW THE INSTRUCTIONS AND WARNINGS IN THE MANUAL MAY RESULT IN SERIOUS OR
FATAL INJURY AND/OR PROPERTY DAMAGE, AND WILL VOID THE PRODUCT WARRANTY. THIS PRODUCT MUST BE
INSTALLED BY A QUALIFIED PROFESSIONAL. FOLLOW ALL APPLICABLE LOCAL AND STATE CODES AND REGULATIONS,
IN THE ABSENCE OF SUCH CODES, FOLLOW THE CURRENT EDITIONS OF THE NATIONAL PLUMBING CODE AND NATIONAL
ELECTRIC CODE, AS APPLICABLE.
THIS IS THE SAFETY ALERT SYMBOL. IT IS USED TO ALERT YOU TO POTENTIAL PERSONAL INJURY AND OTHER
HAZARDS. OBEY ALL SAFETY MESSAGES THAT FOLLOW THIS SYMBOL TO REDUCE THE RISK OF PERSONAL
INJURY AS WELL AS PROPERTY DAMAGE.
The heat transfer medium must be water or other nontoxic fluid having a toxicity rating or class of 1, as
listed in Clinical Toxicology of Commercial Products, 5th edition. The pressure of the heat transfer
medium must be limited to 30 PSIG by an approved safety or relief valve.
West Warwick, Rhode Island 02893
INSTALLATION, OPERATION
& MAINTENANCE
INSTRUCTIONS
MODELS COVERED:
• WH-7 & 9 Classic Series
• Top Down™ TD Series
• RTR models
• WHS Premier Series
Part #: 9040-586 (07/08)
BOILERMATE®
INDIRECT-FIRED WATER HEATERS
MODELS CODES:
P: Packaged with circulator & Smart Control™
L: Less Circulator, with Smart Control™
Z: Dial Aquastat
C: High-output commercial exchanger
DW: Double-wall heat exchanger
RTR: Pre-piped and wired

-2-
1. TABLE OF CONTENTS
2. Pre-Installation Checklist .................................................
2
3. Required Components and Accessories Checklist .........
3
4. WH-7 & 9 Classic Series Piping Installation ....................
4
5. Top Down™ TD-Series Piping Installation ......................
6
6. Ready-To-Run RTR-Series Piping Installation ................
8
7. WHS Premier Series Piping Installation ........................
10
8. Wiring All Smart Control™ Models ...............................
12
9. Wiring All Dial Control Models (Except RTR Models) .........
20
10. Wiring All Ready-To-Run (RTR) Models .......................
23
11. Startup Procedure For All Models ................................
25
12. Setting the Smart Control™ ..........................................
26
13. Troubleshooting .............................................................
27
14. Replacement Parts ........................................................
28
15. Cleaning the BoilerMate® Heat Exchanger ...................
29
16. General Safety Information ...........................................
30
2. PRE-INSTALLATION CHECKLIST
IMPORTANT STEPS AND DECISIONS REQUIRED BEFORE INSTALLATION
M THIS PRODUCT MUST BE INSTALLED AND
MAINTAINED BY A LICENSED PROFESSIONAL. IN
ADDITION TO THE INSTRUCTIONS IN THIS MANUAL,
FOLLOW ALL APPLICABLE LOCAL AND STATE CODES
OR IN THE ABSENCE OF SUCH CODES, THE CURRENT
EDITIONS OF THE NATIONAL PLUMBING CODE AND
THE NATIONAL ELECTRIC CODE.
M DRIP PAN AND DRAIN: This appliance should not
be installed in an area where leakage of the tank or
connections can result in damage to the area adjacent
to the appliance or to lower floors of the structure.
When such locations cannot be avoided, a suitable
drain pan, adequately drained and kept clear, must be
installed under the appliance.
M CAUTION: Determine whether your water is corrosive
or acidic, and that there are no suspended solids,
toxic or other substances or abnormally high chlorine
levels in the water that could damage or affect the
BOILERMATE® or the rest of your plumbing system.
USE GLYCOL ONLY WITH
DOUBLE-WALLED HEAT EXCHANGER
MODELS. Glycol is a hazardous substance. To avoid
seepage or leakage of glycol to surfaces where
humans or animals can ingest it, use glycol only in
double-walled units, so that any leaks will most likely
be released to the atmosphere. However, a leak to a
surface area may still occur, so any use of glycol must
be monitored closely and humans and animals should
be protected from contact with the unit.
Do not connect the BOILERMATE
®
domestic supply with baseboard
or other space heating units or elements. Any
contaminants in the baseboard units will contaminate
the potable water in the BOILERMATE® and also
adversely affect its performance.
M Wiring Options. Select either a Non-Priority or Priority
System:
Two options are available when wiring the controls of the
BOILERMATE® in the space heating system (boiler and
distribution elements).
1. Non-Priority System - The controls of the
BOILERMATE® must be wired as a separate heating
zone with a standard zone valve or a separate
circulator dedicated to the BOILERMATE® “zone”.
NOTICE: In this non-priority option, the BOILERMATE®
will be supplied just as another zone. This means that if all
space heating zones call for hot boiler water at the same
time, the BOILERMATE® may not be supplied with enough
hot boiler water to “recover” adequately. The delivery of
domestic hot water will be diminished. In many, but not all
cases, this is not a problem because the routine oversizing
of boiler output is adequate for both loads.
2. Priority System - Under this wiring option the
BOILERMATE® will be supplied before space heating.
In limited circumstances, space
heating can be lost in the home in
this priority mode. Any demand for space heating is
postponed until the BOILERMATE® has reached its set
temperature. This delay in supplying the space heating
zones is usually not noticed by the inhabitants of the
living spaces. However, in the event of certain
malfunctions such as circulator or thermostat failure,
space heating could be delayed indefinitely. If
undetected and uncorrected, freezing damage to piping
could result.
M Select Circulator versus Zone Valve
The flow of hot boiler water to the BOILERMATE® can
be controlled with either a motorized zone valve or a
circulator.
1. Separate circulator. The recommended way to
provide adequate flow through the BOILERMATE®
heat exchanger is to use a separate dedicated
circulator with a minimum flow rate of 5 gpm. This
option may be used even though the heating system
utilizes zone valves.
2. Zone valve (system flow of 4-8 gpm). If a zone valve
is to be used, a minimum flow rate of 5 gpm with all
zones in use is required. A full-port zone valve should
be used.
M All installations require a low-water cut-off or automatic fill
valve on your boiler system to reduce the risk of boiler water
loss.
M Steam boiler installations require a low-water cut-off which
is also required by most codes.
M Installation of a vacuum breaker is required to prevent
damage to the BOILERMATE® when drained. There must
be no valves installed between the vacuum breaker and
BOILEMATE®.

-3-
3. REQUIRED COMPONENTS AND
ACCESSORIES CHECKLIST
SHUTOFF VACUUM RELIEF THERMAL EXPANSION
MODEL CIRCULATOR ZONE VALVE* VALVE BREAKER VALVE TANK DRAIN
Residential = 5GPM *If Circulator not used Required
WH SERIES Commercial = 10GPM 3/4” Full Port 4 1 Included (See Therm-X-Trol® Included
Except “P” Models or 1” STD Sizing Guide)
5GPM *If Circulator not used Required
TD SERIES Except “P” Models 3/4” Full Port 4 1 Included (See Therm-X-Trol® Included
or 1” STD Sizing Guide)
Required
RTR SERIES Included N/A 4 1 Included (See Therm-X-Trol® Included
Sizing Guide)
Residential = 5GPM *If Circulator not used Required
WHS SERIES Commercial = 10GPM 3/4” Full Port 4 1 Included (See Therm-X-Trol® Included
Except “P” Models or 1” STD Sizing Guide)
ALL INSTALLATIONS REQUIRE TEFLON® SEALING TAPE OR PIPE DOPE FOR THREADED JOINTS.
SEE HEAT EXCHANGER PRESSURE DROP CHART TO DETERMINE PUMP HEAD REQUIREMENTS.
Use this chart to select the proper circulator for your BOILERMATE®.
If a steel hydropneumatic tank is in place, AMTROL® recommends replacing it with a
properly sized EXTROL® or Radiant EXTROL® expansion tank. Otherwise, significant
heat transfer problems can occur by causing air to be trapped in the heat exchanger. If the boiler system has
an EXTROL® or Radiant EXTROL® expansion tank and the boiler temperatures are being changed, resize the
EXTROL® or Radiant EXTROL® expansion tank.

-4-
4. WH-7 & 9 CLASSIC SERIES
PIPING INSTALLATION
DOMESTIC WATER PIPING
1. Thread the included 3/4” brass tee onto the pipe marked
COLD WATER.
2. Screw the 3/4” drain valve into the opposite end of the brass
tee.
3. Connect the cold water supply to the remaining port on the
brass tee.
4. Temporarily attach the top tee fitting (with o-ring face seal)
to the union nut on top of the tank. Test fit the piping near
the tee before soldering. Remove the tee before soldering
connections to avoid damage to the top o-ring seal or
plastic liner.
Note: Do not solder piping within 24 inches of the top tee
fitting while attached to the tank.
5. Make an 8-inch “heat trap” as shown in the diagram.
This will reduce standby losses from heat migrating up
the piping. Continue this line to the domestic hot water
system.
6. Install the included T&P relief valve on the top port of the
top tee connection. Plumb a blowdown tube to within 6
inches of a floor drain or as directed by plumbing code.
7. When all domestic water piping is complete, open the cold
water supply and allow some water to enter the tank. Look
and listen for signs of leaks and repair as necessary before
continuing.
Note: If installing on a city supply, ensure a dedicated
Thermal Expansion tank (Therm-X-Trol® or equivalent) is
used.
BOILER PIPING
1. Plumb the circulator or zone valve on the BOILER SUPPLY
line. If using a separate circulator, the pump flange
can be mounted directly to the threaded pipe marked
BOILER SUPPLY. Alternately, the circulator can be placed
anywhere on the boiler supply line.
2. Pipe the BOILER RETURN connection to the boiler return
line.
Be sure the return line is NOT
plumbed to the suction side of
any heating circulators. This may require moving the
heating circulator off the boiler tapping on packaged
boilers. Failure to do so will result in overheating and
tank damage when the heating system is in operation.
3. Install a weighted flow check on the boiler return line. This
is not necessary on systems utilizing a zone valve to control
the BoilerMate® temperature.
4. After completing the boiler piping, slowly open the boiler fill
valve and pressurize the BoilerMate® loop. Check for leaks
and repair as necessary. Proceed to the appropriate wiring
section in this manual.
If installing on city water supply a
properly sized THERM-X-TROL® is
required with the BoilerMate® and should be installed as set
forth in the THERM-X-TROL® product installation manual.
LEFT SIDE ............1”
RIGHT SIDE ...........1”
TOP .................9”
REAR ................1”
FLOOR ...............0”
FRONT ...............1”
Clearance From Combustible Surfaces
HOT WATER OUTLET
BOILER RETURN (Top Left)
BOILER SUPPLY (Top Right)
T&P RELIEF VALVE
COLD WATER INLET
(Bottom Center)
UNION NUT
LEFT .................12”
RIGHT................12”
FRONT ...............30”
HEAD ROOM ..........9”
REAR ................1”
Recommended Clearance For Servicing

-5-
PIPING USING SEPARATE CIRCULATOR PUMP (RECOMMENDED)
PIPING USING ZONE VALVE WITH EXISTING HEATING SYSTEM CIRCULATOR

-6-
5. TOP DOWN™ TD-SERIES
PIPING INSTALLATION
DOMESTIC WATER PIPING
1. Connect the cold water supply to the pipe labeled COLD
WATER
2. Connect the HOT WATER piping to the domestic hot water
system.
3. Make an 8-inch “heat trap” on the HOT WATER outlet as
shown in the diagram. This will reduce standby losses from
heat migrating up the piping.
4. When all domestic water piping is complete, open the cold
water supply and allow some water to enter the tank. Look
and listen for signs of leaks and repair as necessary before
continuing.
Note: If installing on a city supply, ensure a dedicated
Thermal Expansion tank (Therm-X-Trol® or equivalent) is
used.
5. Install a blowdown tube on the T&P relief valve outlet.
Plumb to within 6 inches above a floor drain or as directed
by plumbing code.
BOILER PIPING
1. Plumb the circulator or zone valve on the BOILER SUPPLY
line. If using a separate circulator, the pump flange
can be mounted directly to the threaded pipe marked
BOILER SUPPLY. Alternately, the circulator can be placed
anywhere on the boiler supply line.
2. Pipe the BOILER RETURN connection to the boiler return
line.
Be sure the return line is NOT
plumbed to the suction side of any
heating circulators. This may require moving the
heating circulator off the boiler tapping on packaged
boilers. Failure to do so will result in overheating and
tank damage when the heating system is in
operation.
3. Install a weighted flow check on the boiler return line. This
is not necessary on systems utilizing a zone valve to control
the BoilerMate® temperature.
4. After completing the boiler piping, slowly open the boiler fill
valve and pressurize the BoilerMate® loop. Check for leaks
and repair as necessary. Proceed to the appropriate wiring
section in this manual.
If installing on city water supply a
properly sized THERM-X-TROL® is
required with the BoilerMate® and should be installed as set
forth in the THERM-X-TROL® product installation manual.
LEFT SIDE ............1”
RIGHT SIDE ...........1”
TOP .................9”
REAR ................1”
FLOOR ...............0”
FRONT ...............1”
Clearance From Combustible Surfaces
LEFT .................12”
RIGHT................12”
FRONT ...............30”
HEAD ROOM ..........9”
REAR ................1”
Recommended Clearance For Servicing
T&P RELIEF VALVE OUTLET
HOT WATER OUTLET
BOILER RETURN
(Bottom Left)
BOILER SUPPLY
(Bottom Right)
COLD WATER INLET
(Top Center)
DRAIN VALVE

-7-
PIPING USING SEPARATE CIRCULATOR PUMP (RECOMMENDED)
PIPING USING ZONE VALVE WITH EXISTING HEATING SYSTEM CIRCULATOR

-8-
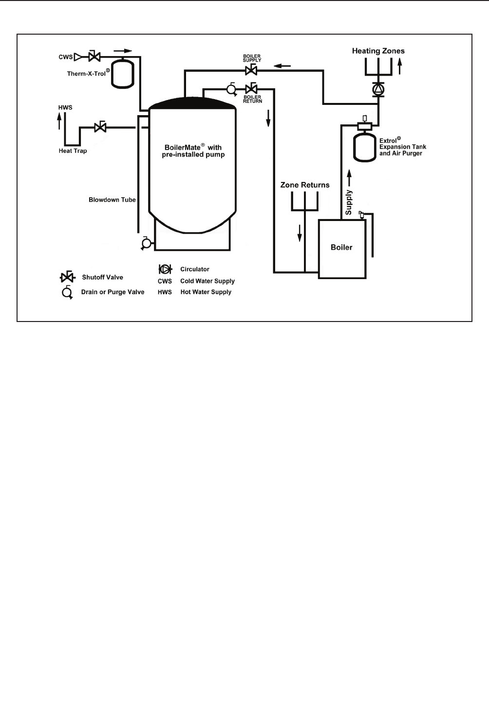
6. READY-TO-RUN RTR-SERIES
PIPING INSTALLATION
DOMESTIC WATER PIPING
1. Connect the cold water supply to the pipe labeled COLD
WATER.
2. Connect the HOT WATER piping to the domestic hot water
system.
3. Make an 8-inch “heat trap” on the HOT WATER outlet as
shown in the diagram. This will reduce standby losses from
heat migrating up the piping.
4. When all domestic water piping is complete, open the cold
water supply and allow some water to enter the tank. Look
and listen for signs of leaks and repair as necessary before
continuing.
Note: If installing on a city supply, ensure a dedicated
Thermal Expansion tank (Therm-X-Trol® or equivalent) is
used.
5. Install a blowdown tube on the T&P relief valve outlet.
Plumb to within 6 inches above a floor drain or as directed
by plumbing code.
BOILER PIPING
1. Plumb the BOILER SUPPLY line. The circulator and flow
check are factory installed
2. Pipe the BOILER RETURN connection to the boiler return
line.
Be sure the return line is NOT
plumbed to the suction side of any
heating circulators. This may require moving the
heating circulator off the boiler tapping on packaged
boilers. Failure to do so will result in overheating and
tank damage when the heating system is in
operation.
3. After completing the boiler piping, slowly open the boiler fill
valve and pressurize the heat exchanger loop. Check for
leaks and repair as necessary. Proceed to the appropriate
wiring section in this manual.
If installing on city water supply a
properly sized THERM-X-TROL® is
required with the BoilerMate® and should be installed as set
forth in the THERM-X-TROL® product installation manual.
TOP VIEW
CIRCULATOR
BOILER SUPPLY BOILER RETURN
SIDE VIEW
DRAIN VALVE
T&P RELIEF VALVE
OUTLET
HOT WATER OUTLET
COLD WATER INLET
LEFT SIDE ............1”
RIGHT SIDE ...........1”
TOP .................9”
REAR ................1”
FLOOR ...............0”
FRONT ...............1”
Clearance From Combustible Surfaces
LEFT .................12”
RIGHT................12”
FRONT ...............30”
HEAD ROOM ..........36”
REAR ................1”
Recommended Clearance For Servicing

-9-
PIPING MODELS WITH PRE-INSTALLED CIRCULATOR W/INTEGRAL FLOW CHECK

-10-
7. WHS PREMIER SERIES
PIPING INSTALLATION
DOMESTIC WATER PIPING
1. Thread the included brass tee onto the pipe marked COLD
WATER.
2. Screw the drain valve into the opposite end of the brass
tee
3. Connect the cold water supply to the remaining port on the
brass tee
4. Thread the included T&P Safety Relief Valve into the offset
3/4” port on the top plate. Install a blowdown tube to within
6 inches of a floor drain or as directed by plumbing code.
5. Connect the center hot water outlet port on the top plate to
the domestic hot water system.
6. Make an 8-inch “heat trap” as shown in the diagram. This
will reduce standby losses from heat migrating up the
piping.
7. When all domestic water piping is complete, open the cold
water supply and allow some water to enter the tank. Look
and listen for signs of leaks and repair as necessary before
continuing.
Note: If installing on a city supply, ensure a dedicated
Thermal Expansion tank (Therm-X-Trol® or equivalent) is
used.
BOILER PIPING
1. Plumb the circulator or zone valve on the BOILER SUPPLY
line. If using a separate circulator, the pump flange
can be mounted directly to the threaded pipe marked
BOILER SUPPLY. Alternately, the circulator can be placed
anywhere on the boiler supply line.
2. Pipe the BOILER RETURN connection to the boiler return
line.
Be sure the return line is NOT
plumbed to the suction side of any
heating circulators. This may require moving the
heating circulator off the boiler tapping on packaged
boilers. Failure to do so will result in overheating and
tank damage when the heating system is in
operation.
3. Install a weighted flow check on the boiler return line. This
is not necessary on systems utilizing a zone valve to control
the BoilerMate® temperature.
4. After completing the boiler piping, slowly open the boiler fill
valve and pressurize the BoilerMate® loop. Check for leaks
and repair as necessary. Proceed to the appropriate wiring
section in this manual.
If installing on city water supply a
properly sized THERM-X-TROL® is
required with the BoilerMate® and should be installed as set
forth in the THERM-X-TROL® product installation manual.
LEFT SIDE ............1”
RIGHT SIDE ...........1”
TOP .................9”
REAR ................1”
FLOOR ...............0”
FRONT ...............1”
Clearance From Combustible Surfaces
LEFT .................12”
RIGHT................12”
FRONT ...............30”
HEAD ROOM ..........36”
REAR ................1”
Recommended Clearance For Servicing
HOT WATER OUTLET
BOILER RETURN (Top Left)
BOILER SUPPLY (Top Right)
T&P RELIEF VALVE
COLD WATER INLET
(Bottom Center)

-11-
PIPING USING SEPARATE CIRCULATOR PUMP (RECOMMENDED)
PIPING USING ZONE VALVE WITH EXISTING HEATING SYSTEM CIRCULATOR

-12-
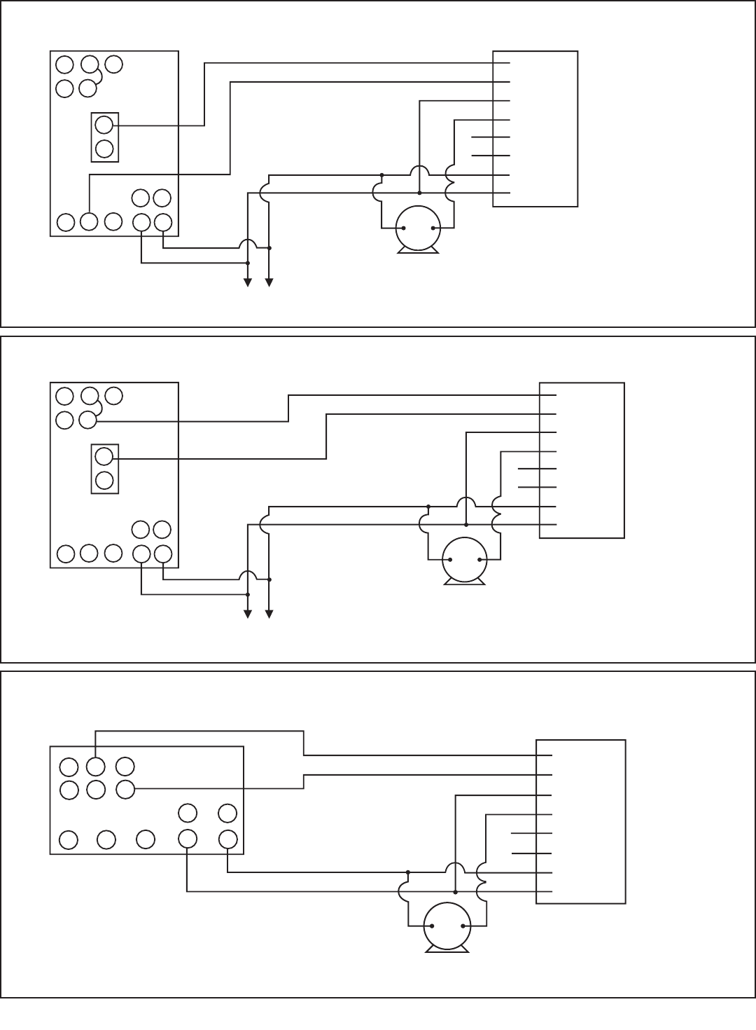
8. WIRING ALL SMART CONTROL™ MODELS
The Smart Control™ incorporates all the switching and temperature control functions necessary to control the BoilerMate™.
The diagram below shows internal wiring and the associated functions.
After wiring is complete, insert the white thermistor (sensor) plug into the receptacle at the base of the Smart Control™. Select
the plug marked CIRCULATOR or ZONE VALVE based on the application. Zone valves can be slow actuating. Therefore, the
zone valve sensor contains a built-in temperature offset to account for the time it takes the zone valve to fully close. This results
in potable water temperature that is representative of the Smart Control™ temperature set point. This is why it is important
to install the correct sensor into the Smart Control™. See Page 2 for information regarding the selection of a circulator or
zone valve.
Normally Open
Close on call for hot water
Post-Purge function
Pre-Purge function
Normally Open
Close on call for hot water
Normally Closed
Open on call for hot water
Priority function
Constant 24VAC or 120VAC Power In
{
{
{
{
ORANGE
ORANGE
BLUE
BLUE
VIOLET
VIOLET
WHITE
BLACK

-13-
1 2 T T
L1 L2
L8124 A & C
ZC
ZR
B2
C1
B1
C2
BOILERMATE
®
CIRCULATOR
BOILERMATE
®
JUNCTION BOX
(PLACE A WIRE NUT OVER
EACH WIRE NOT USED)
HONEYWELL L8124 A & C
ORANGE
ORANGE
BLUE
BLUE
VIOLET
VIOLET
WHITE
BLACK
BOILERMATE
®
JUNCTION BOX
(PLACE A WIRE NUT OVER
EACH WIRE NOT USED)
ORANGE
ORANGE
BLUE
BLUE
VIOLET
VIOLET
WHITE
BLACK
HONEYWELL L8124 B & D
BOILERMATE
®
CIRCULATOR
L1 L2
L8124 B & D
B1
B2 C1
C2
2 1
B
R B
R W
T T
HIGH
LIMIT
LOW LIMIT/
CIRCULATOR
L8148A
HONEYWELL L8148A
BOILERMATE
®
JUNCTION BOX
(PLACE A WIRE NUT OVER
EACH WIRE NOT USED)
ORANGE
ORANGE
BLUE
BLUE
VIOLET
VIOLET
WHITE
BLACK
BOILERMATE
®
CIRCULATOR
L1 L2
T T
L1
L2
HIGH
LIMIT
R
B
C1
C2
B1
B2
3

-14-
HONEYWELL L8148 J
WITH MILLIVOLT GAS VALVE
BOILERMATE
®
JUNCTION BOX
(PLACE A WIRE NUT OVER
EACH WIRE NOT USED)
ORANGE
ORANGE
BLUE
BLUE
VIOLET
VIOLET
WHITE
BLACK
BOILERMATE
®
CIRCULATOR
L1 L2
L8148J
C1 C2
L1 L2 B1 B2 B3
B
R
T W TV
TP Z
HI
LIMIT
HONEYWELL L8148 J
WITH 24 VOLT GAS VALVE
BOILERMATE
®
JUNCTION BOX
(PLACE A WIRE NUT OVER
EACH WIRE NOT USED)
ORANGE
ORANGE
BLUE
BLUE
VIOLET
VIOLET
WHITE
BLACK
BOILERMATE
®
CIRCULATOR
L1 L2
L8148J
C1 C2
L1 L2 B1 B2 B3
B
R
T W TV
TP Z
HI
LIMIT
WHITE - RODGERS 8J48 A
WITH 24 VOLT GAS VALVE
8J48A
BOILERMATE™
JUNCTION BOX
ORANGE
ORANGE
BLUE
BLUE
VIOLET
VIOLET
WHITE
BLACK
(PLACE A WIRE NUT OVER
EACH WIRE NOT USED)
B1 B2
TV W T
TP Z B
C1 C2
L2
L1
B3
WHITE - RODGERS 8J48A
WITH 24 VOLT GAS VALVE
8J48A
BOILERMATE
®
JUNCTION BOX
ORANGE
ORANGE
BLUE
BLUE
VIOLET
VIOLET
WHITE
BLACK
(PLACE A WIRE NUT OVER
EACH WIRE NOT USED)
B1 B2
TV W T
TP Z B
C1 C2
L2
L1
B3

-15-
WHITE - RODGERS 8J48A
WITH SELF-GENERATING GAS VALVE
8J48A
BOILERMATE
®
JUNCTION BOX
ORANGE
ORANGE
BLUE
BLUE
VIOLET
VIOLET
WHITE
BLACK
(PLACE A WIRE NUT OVER
EACH WIRE NOT USED)
B1 B2
TV W T
TP Z B
C1 C2
L2
L1
B3
L8124 A & C
2
1
ZC
ZR
B2
B1
C2
C1
T T
BOILERMATE
®
CIRCULATOR
PRIORITY WIRING
HONEYWELL L8124 A & C
L1 L2
BOILERMATE
®
JUNCTION BOX
ORANGE
ORANGE
BLUE
BLUE
VIOLET
VIOLET
WHITE
BLACK
HEATING
CIRCULATOR
PRIORITY WIRING
HONEYWELL L8124 B & D
BOILERMATE
®
JUNCTION BOX
ORANGE
ORANGE
BLUE
BLUE
VIOLET
VIOLET
WHITE
BLACK
BOILERMATE
®
CIRCULATOR
L8124 B & D
L1
L2
2
1
B1
B2
C2
C1
T
B
B
R
R
W
T
HIGH
LIMIT
LOW LIMIT/
CIRCULATOR
HEATING CIRCULATOR

-16-
BOILERMATE
®
CIRCULATOR
BOILERMATE
®
JUNCTION BOX
ORANGE
ORANGE
BLUE
BLUE
VIOLET
VIOLET
WHITE
BLACK
L8148A
L2
L1
C1
C2
B1
B2
3
T
B
R
T
L1 L2
PRIORITY WIRING
HONEYWELL L8148A
HIGH
LIMIT
PRIORITY WIRING
HONEYWELL L8148B
B
R
HIGH
LIMIT
BOILERMATE
®
CIRCULATOR
BOILERMATE
®
JUNCTION BOX
ORANGE
ORANGE
BLUE
BLUE
VIOLET
VIOLET
WHITE
BLACK
L1 L2
L2
L1
T T
C1
C2
B1
B2
L8148B
PRIORITY WIRING
HONEYWELL L8148 J
WITH 24 VOLT GAS VALVE
BOILERMATE
®
JUNCTION BOX
ORANGE
ORANGE
BLUE
BLUE
VIOLET
VIOLET
WHITE
BLACK
L8148J
HI
LIMIT
T TV W
TP Z
B
B1 B2
C1 C2
L2
L1
B3
R
BOILERMATE
®
CIRCULATOR
L1 L2

-17-
PRIORITY WIRING
HONEYWELL L8148 J
WITH MILLIVOLT GAS VALVE
L8148J
BOILERMATE
®
CIRCULATOR
BOILERMATE
®
JUNCTION BOX
ORANGE
ORANGE
BLUE
BLUE
VIOLET
VIOLET
WHITE
BLACK
HI
LIMIT
T TV
W
TP Z
B
B1 B2
C1 C2
L2
L1
B3
R
L1 L2
PRIORITY WIRING
WHITE-RODGERS 8J48A
WITH 24VOLT GAS VALVE
BOILERMATE
®
CIRCULATOR
BOILERMATE
®
JUNCTION BOX
(PLACE A WIRE NUT OVER
EACH WIRE NOT USED)
ORANGE
ORANGE
BLUE
BLUE
VIOLET
VIOLET
WHITE
BLACK
TV W T
TP Z B
B1 B2 B3 L1 L2
C1 C2
8J48A
HEATING
CIRCULATOR
PRIORITY WIRING
WHITE-RODGERS 8J48A
WITH SELF-GENERATING GAS VALVE
BOILERMATE
®
CIRCULATOR
BOILERMATE
®
JUNCTION BOX
(PLACE A WIRE NUT OVER
EACH WIRE NOT USED)
ORANGE
ORANGE
BLUE
BLUE
VIOLET
VIOLET
WHITE
BLACK
TV W T
TP Z B
B1 B2 B3 L1 L2
C1 C2
8J48A
HEATING
CIRCULATOR

-18-
T T
X X
Boiler Aquastat
Zone Outputs
Priority or
DHW Zone
Thermostat
Inputs
Typical Multi-Zone Relay
Utilizing Post-Purge Feature
Smart Control™
ORANGE
ORANGE
BLUE
BLUE
VIOLET
VIOLET
BLACK
WHITE
L1 L2
120V
Supply
BoilerMate
®
Circulator
(PLACE A WIRE NUT OVER
EACH WIRE NOT USED)
Typical Multi-Zone Relay
24V without Post-Purge Feature
T T
X X
Boiler Aquastat
Zone Outputs
Priority or
DHW Zone
Thermostat
Inputs
ORANGE
ORANGE
BLUE
BLUE
VIOLET
VIOLET
BLACK
WHITE
BoilerMate
®
Circulator
24V
Supply
Smart Control™
(PLACE A WIRE NUT OVER
EACH WIRE NOT USED)

The Smart Control™ features an error code designed to alert the user to the presence of water on the oor. This is useful to
warn of a leaking boiler, water heater, etc., or to alert the owner to a leak in the basement. If equipped with the optional water
sensor, follow the installation instructions below:
Water
Sensor
Plug
1. If the sensor will be used to detect a water heater leak, the proper placement is in a drip pan as required in the warning
section of this manual. This will both protect the surrounding surfaces from water damage and provide sufficient water depth
to activate the alarm. The sensor will function with either side placed toward the floor.
2. If the sensor will be used to detect another potential leak source, such as basement flooding, the sensor must be placed
on a flat section of floor in an area where water will first collect. If the level cannot reach 1/32”, the alarm feature may not
function. Do not place in a high-traffic area where the sensor could be stepped on or moved. The sensor will function with
either side placed toward the floor.
3. After placing the sensor in the appropriate location, plug the water sensor connector into the Smart Control™.
4. Upon wiring the Smart Control™, test the sensor by either immersing it in water or inserting a coin between the two
electrodes. The Smart Control should display Er4 and sound an alarm. The error and alarm should disappear when the sensor
is dried or the coin is removed. Perform this test during the annual inspection of the BoilerMate®, or more frequently if installed
in an area known to flood.
5. This sensor should not be the primary means of leak detection.
-19-
WATER SENSOR INSTALLATION (IF EQUIPPED)
U.S. Patent Pending 11/948,493 and other patents pending.

-20-
9. WIRING ALL DIAL CONTROL MODELS
(EXCEPT RTR MODELS)
Dial Control models utilize a standard dry-contact aquastat with capillary temperature sensor. The dial control contains a
make-and-break switch and is suitable for 24V or 120V, 25A Max.
To wire Dial Control models, select the appropriate diagram from the following pages. If a suitable diagram is not available for
your application, please contact AMTROL Tech Support at (401)535-1216. Always disconnect power before wiring the control.
Ensure that the proper conduit and connectors are used per your local code. In lieu of local code, the National Electric Code
should be followed.
CAPILLARY TUBE SENSOR BULB
SHAFT
WIRE LEADS
SEPARATE CIRCULATOR SEPARATE CIRCULATOR

-21-
T T
X X
Boiler Aquastat
Zone Outputs
Priority or
DHW Zone
Thermostat
Inputs
Typical Multi-Zone Relay
BoilerMate
®
Circulator
BoilerMate
®
Thermostat
PRIORITY W/CIRCULATORS - SCHEMATIC 4
ZONE VALVES - SCHEMATIC 3
3-WIRE ZONE VALVES

-22-
BOILER CONTROL - SCHEMATIC 5
HONEYWELL L8148E
ORANGE
ORANGE
BLUE
BLUE
VIOLET
VIOLET
BLACK
WHITE
SMART CONTROL™
JUNCTION BOX
(PLACE A WIRE NUT OVER
EACH WIRE NOT USED IN
THE AMTROL BOILER MATE®
JUNCTION BOX.)
TRANSFORMER
4 WIRE ZONE VALVE
L1
L2
40VA
24 VOLT
L1 L2
NOTE: TAKE L1 AND L2 OFF THE BOILER CONTROL
"T" "T" (ON BOILER CONTROL)
END SWITCH
MOTOR
ORANGE
1ORANGE
BLUE
BLUE
VIOLET
VIOLET
BLACK
WHITE
SMART CONTROL™
JUNCTION BOX
(PLACE A WIRE NUT OVER
EACH WIRE NOT USED IN
THE AMTROL BOILER MATE®
JUNCTION BOX.)
TRANSFORMER
3 WIRE ZONE VALVE
2
3
L1
L2
40VA
110v
L1 L2
"T"
"T"
(ON BOILER
CONTROL)
24 VOLT
NOTE: TAKE L1 AND L2 OFF THE BOILER CONTROL

-23-
Ready-To-Run models include a circulator with built-in priority zoning relay. The aquastat is pre-wired and controls the
circulator. Line voltage must be supplied and a signal wire must be run to fire the boiler.
To wire RTR models, select the appropriate diagram from the following pages. If a suitable diagram is not available for your
application, please contact AMTROL Tech Support at (401)535-1216. Always disconnect power before wiring the unit. Ensure
that the proper conduit and connections are used per your local code. In lieu of local code, the National Electric Code should
be followed.
DHW AQUASTAT
FACTORY WIRED
LINE OUT
CANCELS ON
CALL FOR DHW
DRY CONTACT
TO BOILER OR
EXTERNAL RELAY
LINE IN
LIVE NEUT
PR
OUT
PR
IN
CIRCULATOR RELAY OPERATION
123 4
HONEYWELL L8148A OR SIMILAR W/120V HIGH LIMIT
CIRCULATOR RELAY BOX
LIVE NEUT
PR
OUT
PR
IN
1234
L1 L2 TT
HIGH
LIMIT
INPUT
C1 C2
L1
L2
Indirect
Aquastat
10. WIRING ALL READY-TO-RUN (RTR) MODELS

-24-
CIRCULATOR RELAY BOX
1234
C1 C2
Indirect
A
quastat
LIVE NEUT
PR
OUT
PR
IN
L1
L2
L1 L2 TT
HEATING
CIRCULATOR
REMOVE JUMPER
BETWEEN 1 & 3
3
HONEYWELL L8148A OR SIMILAR W/PRIORITY
CIRCULATOR RELAY BOX
LIVE NEUT
PR
OUT
PR
IN
1234
L1
L2
Indirect
A
quastat
L1 L2
B2
B
HONEYWELL L8148J W/MILLIVOLT GAS VALV E
WHITE RODGERS 8J48A W/24V GAS VALV E
CIRCULATOR RELAY BOX
Indirect
A
quastat
L2
LIVE NEUT
PR
OUT
PR
IN
34
2
1
L1
L2
L1
B
W
CIRCULATOR RELAY BOX
Indirect
A
quastat
L2
LIVE NEUT
PR
OUT
PR
IN
34
2
1
L1
MULTI-ZONE
CONTROL
PRIORITY
ZONE
THERMOSTAT S
ZONE OUTPUTS
T TT T
T T
TYPICAL MULTI-ZONE CONTROL

-25-
11. STARTUP PROCEDURE FOR ALL MODELS
1. PURGE HEAT EXCHANGER: The heat exchanger
should be free of large air pockets to allow the
circulator to operate properly. Using the diagram
below as a guide, isolate the boiler return line and flush
the loop until large air pockets are purged. After this,
the air elimination equipment will collect smaller air
bubbles to maximize efficiency.
2. FILL TANK: Open the hot water fixture furthest from
the heater. Open the cold water supply and allow the
water to run until air stops emerging. Until all air is
purged from the hot water system, air pockets may
appear at any hot water fixture. This is considered
normal and will clear as hot water is used.
3. START HEATER: Turn power on to the unit. Smart
Control™ models come pre-set at 120°F for safety. Dial
units should have the knob rotated to the 120°F mark.
The circulator and boiler should start momentarily.
If not, check wiring and consult the troubleshooting
section in this manual.
4. CHECK OPERATION: The BoilerMate® will begin to
heat. Depending upon the size of the BoilerMate,
output of the boiler and the space heating load, the
unit should typically reach set temperature within 15
to 60 minutes. If heating does not occur, consult the
troubleshooting section in this manual. Note: Large
heaters coupled with small boilers may exceed this
time period upon initial startup.
5. SET TEMPERATURE: The BoilerMate® control should
be set to the minimum temperature consistent with the
user’s needs. This maximizes efficiency and reduces
scald potential.

-26-
GREEN LIGHT - CIRCULATOR INDICATOR
MODE SWITCH
READOUT
DISPLAY
The Smart Control™ incorporates multiple features that increase hot water performance and efficiency.
All settings are accessed via the MODE button. To change any setting, simply hold the MODE button
then tap to cycle through the settings as outlined below.
• When power is applied to the unit, the display will show the setpoint temperature (default 120°F).
• Pressing and holding the MODE pushbutton once for 6 seconds will display then 120°F. This is the water temperature
setpoint. To raise or lower this temperature setpoint, press the s or t pushbutton. The temperature can be set between 90°F
and 150°F. To shut the unit down, scroll below 90°F until 0°F is displayed. Shutting the unit down is benecial if the water heater
will not be used for an extended period of time.
WARNING: Temperature settings above 120°F can create a scald hazard.
• Pressing the MODE pushbutton a second time will cause to be displayed, and releasing the MODE pushbutton will cause 10°F
to be displayed. This is the differential setpoint, a setpoint that determines how many degrees the water temperature is allowed
to drop before the water heater activates. To change between the available 10°F and 5°F settings, press and release the s or t
pushbutton.
• Pressing the MODE pushbutton a third time will cause to be displayed, and releasing the MODE pushbutton will cause 0°F
to be displayed. This is the post purge setpoint, a setpoint that allows the boiler to be shut off when the actual water temperature
is a certain number of degrees below the setpoint temperature. Since the circulator continues to run, the post purge feature will
remove excess heat from the boiler after the boiler shuts off. To change the post purge setpoint, press and release the s or t
pushbutton to select 0°F, 4°F, or 8°F below setpoint temperature. NOTE: If the differential is set to 5°F, then the post purge setting
will not be available and will automatically be set to 0°F. NOTE: When using the BoilerMate
®
on a zone valve application, the post
purge feature will not function.
• Pressing the MODE pushbutton a fourth time will cause Pri to be displayed, and releasing the MODE pushbutton will cause ‘y’
to be displayed. This is called the priority setting, a setting that allows the domestic hot water to reach the setpoint temperature
before spatial heating is allowed to resume. To disable the ‘priority’ feature, press and release the s or t pushbutton until ‘n’ is
displayed.
• Pressing the MODE pushbutton a fth time will cause to be displayed, and releasing the MODE pushbutton will cause ‘41’ to
be displayed. This is the tank volume in gallons. To change this volume, press and release the s or t pushbutton to select the
proper tank size (26, 41, 60, 80, or 120 gallons).
• Pressing the MODE pushbutton a sixth time will cause to be displayed, and releasing the MODE pushbutton will cause a
number to be displayed. This is a BTU heat transfer rate estimate in MBH. This is a diagnostic readout and cannot be changed.
• NOTE: Any changes made to the above settings will take effect after 10 seconds. This will be acknowledged by a display of
. Thereafter, these changes will be the new control settings even in the event of a power outage.
• An approximation of the actual domestic water temperature in the tank can be displayed in °F by pressing the s pushbutton.
• One or more error messages will be displayed if abnormal operation occurs, and an audible alarm will sound for most error
messages. The audible alarm can be silenced by pressing the t pushbutton. An message indicates an unplugged or
damaged thermistor (temperature sensor). Check and replace as necessary. An message appears when the stored water
temperature exceeds 155°F. Contact your service person to correct the problem. An Er3 message indicates that the actual
domestic water temperature did not reach the setpoint temperature after one hour of attempted heating. Contact your service
person to correct the problem. For models equipped with a water sensor, an Er4 message indicates that a water puddle has been
detected. Contact your service person to correct the problem.
Note: Smart Control
™
is to be used for indoor applications only. Do not operate the Smart Control
™
unit outside
of the following ranges:
• Ambient temperature from 38°F to 125°F.
• Relative humidity ranging from 20% to 90% (non-condensing).
• Boiler load rating up to 15A resistive, 1/4hp inductive @120VAC.
• Circulator load rating up to 15A resistive, 1/4hp inductive @120VAC.
• Space heating load rating up to 8A @ 120VAC.
Note: For models equipped with a water sensor, the water sensor should be placed at on the oor in a low-trafc area. On a regular
basis, verify that the water sensor is functioning properly by placing the orange puck in a water puddle or inserting a coin
between the two electrodes and listening for an audible alarm. This water sensor should not be the primary means of leak
detection. See water sensor installation page for more details.
Note: If setpoints were being adjusted when a power outage occurred, then recheck all set points after power has been restored.
12. SETTING THE SMART CONTROL™

-27-
1. No power to unit
2. Air in heat exchanger loop
3. Faulty circulator or zone valve
4. Faulty BoilerMate™ thermostat
5. Faulty Smart Control™
6. Boiler inoperable
1. Demand exceeds capacity
2. Temperature too low
3. Boiler lacks sufficient output
4. Fouled heat exchanger
5. Insufficient heat exchanger flow
1. Improper plumbing
2. Temperature set too high
3. Temperature sensor not fully inserted
4. Stuck zone valve
5. Flow check valve stuck open
1. Air in boiler loop
2. Faulty circulator pump
3. Thermal expansion
4. Normal noise during initial fill
1. No thermal expansion tank
2. Thermal expansion tank set improperly
3. City pressure too high
4. System over temperature
5. Faulty relief valve
1. Temperature sensor unplugged
2. Temperature sensor cut or faulty
3. Water in therm-well
1. Poor water quality
2. Sediment or suspended particles
1. Improper or loose wiring
2. Boiler high limit has been reached
3. Fuse blown in Smart Control™
4. Post Purge (POS) set too high
5. Problem with boiler system
1. Improper or loose wiring
2. Pre Purge (PRE) set too high
3. Fuse blown in Smart Control™
4. Faulty circulator pump
PROBLEM
No hot water
Insufficient hot
water
Water too hot and/
or ER2 message on
Smart Control™
Noise from
BoilerMate®
Relief valve
dripping or opening
ER1 message on
Smart Control™
Discolored water at
faucet
Boiler will not
operate when
calling for hot
water
Circulator or zone
valve will not
operate when
calling for hot
water
SOLUTION
1. Check circuit breaker, boiler emergency switch and boiler reset switch
2. Purge air. Ensure circulator is on Boiler Supply. Check air vents
3. Check circulator and zone valve. Repair or replace if necessary
4. Check continuity while rotating knob. Circuit should open and close.
5. If blank, check power. Check continuity across two orange and two blue leads
while green light is on. If none, open control and replace fuses or replace control.
6. Check boiler system. Boiler must operate to generate hot water
1. Check sizing based on household size and boiler output
2. Increase temperature setpoint
3. Wire for priority. If problem persists add storage or increase tank size.
4. Check Boiler Supply/Boiler Return during cold startup. If difference is less than
20°F, clean heat exchanger as outlined below. Install water treatment equipment
to prevent recurrence.
5. Check for undersized or faulty circulator, stuck or undersized zone valve. Ensure
all shutoff valves are open. Check for stuck flow check valve. Purge boiler loop
to remove air.
1. If Boiler Return is plumbed to the suction-side of a heating circulator, overheat-
ing will occur when the home’s heat is on. Fix plumbing.
2. Reduce temperature setpoint
3. Re-insert thermistor wire or temperature sensor.
4. Repair or replace
5. Clean, repair or replace
1. Purge boiler loop. Check air elimination equipment.
2. Repair or replace pump
3. Ensure the proper Therm-X-Trol® or equivalent thermal expansion tank is
installed and adjusted properly
4. When first pressurized, a creaking or hissing sound is normal. After pressuriz-
ing, the noise should stop. Always check for leaks.
1. Install the proper Therm-X-Trol® or equivalent thermal expansion tank
2. Ensure precharge air pressure matches static water pressure
3. Install a Pressure Reducing Valve (PRV) if city pressure is over 80psi
4. Determine cause of over temperature condition and correct problem
5. Replace relief valve
1. Sensor is unplugged from factory. Plug into Smart Control™ receptacle
2. Replace sensor wire (thermistor)
3. Replace therm-well
1. Have water tested for contaminants. Typical problems are:
Blue/green color = copper discoloration due to low pH
Black staining/sulfur odor = hydrogen sulfide
White deposits = hard water
Red staining = high iron levels
2. Install sediment filter, purge unit more often to avoid future problems
1. Check connections against wiring diagrams in this manual
2. Boiler will periodically cycle on and off during operation
3. Remove 4 screws inside the Smart Control™ wiring box. Replace glass fuse(s)
with those of the same rating
4. Post Purge shuts the boiler off prior to reaching domestic setpoint. If set too
high, the boiler may not have enough energy to raise the water temperature to
setpoint. Reduce POS or set to 0 if the problem persists
5. Have boiler diagnosed for proper operation
1. Check connections against wiring diagrams in this manual
2. PRE setting delays circulator startup. This is not normally needed in residential
applications. Reduce PRE or set to 0 if problem persists
3. Remove 4 screws inside the Smart Control™ wiring box. Replace glass fuse(s)
with those of the amp same rating
4. Repair or replace pump
13. TROUBLESHOOTING

-28-
WH-7, 41 WHS 60 & 80 WHS 120 WHS 60 & 80 WHS 120
and 9 Series TD-7 Series TD-7 RTR TD-80 Series Residential Residential Commercial Commercial
Single Wall Heat Exchanger
w/Gasket and Nuts 2700-5000 2700-5005 2700-5007 2700-5008 2775-82 2775-81 2700-5001 2700-5001
Double Wall Heat Exchanger
w/Gasket & Nuts 2700-5002 2700-5006 N/A N/A 2775-83 2775-83 2775-84 2775-84
Commercial Heat Exchanger
w/Gasket & Nuts 2700-5001 N/A N/A N/A N/A N/A See Above See Above
Top Outlet Tee
w/O-Ring 2700-635 N/A N/A N/A N/A N/A N/A N/A
Flange Gasket:
Bottom & Top 2704-403 2704-403 2704-403 2704-403 2704-403 2704-403 2704-403 2704-403
Thermo-Well
Assembly 2700-924 2700-924(exc DW) 2700-924 2700-1167 2700-924 2700-924 2700-924 2700-924
Top Outlet O-Ring or
Bottom Drain O-Ring 2500-178 2500-178 2500-178 2500-178 N/A N/A N/A N/A
Smart Control™ 2704A233 2704A233 2704A233 2704A233 2704A233 2704A233 N/A N/A
Sensor (thermistor)
wire 2704-259 2704-259 2704-259 2704-259 2704-259 2704-259 N/A N/A
Dial Aquastat
(residential) 2704-093 2704-093 2704-093 2704-093 2704-093 2704-093 N/A N/A
Dial Aquastat
(commercial) N/A N/A N/A N/A 2775-454 2775-454 2775-454 2775-454
Conversion Kit:
Dial Aquastat 2704-227 2704-227 N/A 2704-227 2775-389 2775-389 2775-389 2775-389
to Smart Control™
Conversion Kit:
Smart Control™ to 2704-392 2704-392 N/A 2704-392 2775-455 2775-455 2775-455 2775-455
Dial Aquastat plus 2775-454 plus 2775-454
Circulator Pump 245-58 245-58 245-62 245-58 245-58 245-58 N/A N/A
Water Sensor 2704-495 245-58 245-62 245-58 245-58 245-58 N/A N/A
To obtain replacement parts, contact the installer or place of purchase. Technical support is available by calling
AMTROL at (401) 535-1216.
14. REPLACEMENT PARTS

A diminished temperature difference between
the boiler water entering and leaving the heat
exchanger coil may indicate heat exchanger scale
buildup. Water treatment equipment and proper
maintenance will help to avoid this problem. To
clean a scaled heat exchanger coil proceed as
follows:
1. Shut off the cold water supply to the
BoilerMate®.
2. Make a note of the temperature control setting
on the BoilerMate®, then turn the unit off.
3. Relieve the water pressure in the tank by
opening a hot water faucet. This will reduce the
risk of scalding injury.
4. Remove the relief valve from the top of the
BoilerMate®, taking care to avoid contact with
the hot water, which may drain out of the
plumbing.
5. Drain the BoilerMate® until the water within the
tank is even with the top of the heat exchanger
- approximately 15 gallons for 41-gallons units
and 5 gallons for 26-gallon units.
Do not over-drain the tank.
Improper thermostatic control
could result during Step 6 and lead to damage to
the BoilerMate®.
6. Using a funnel, pour one gallon of non-
toxic commercial phosphoric acid solution
(commercial icemaking cleaning solution) into
the water tank through the top opening. Be
sure that the manufacturer’s directions and
warnings are followed.
-29-
15. CLEANING THE BOILERMATE®
HEAT EXCHANGER COIL
7. Set the temperature control to its highest setting and
operate the unit until the control is satisfied. Note:
Boiler may cycle on its high limit several times during
this period. If the tank temperature setting has not been
satisfied after 45 minutes of boiler operation, turn the
BoilerMate® control off to stop boiler operation.
8. Allow heated solution to set in tank for 30 minutes,
then drain tank completely using fitting and hose, as
required.
9. Fill water tank with fresh, cold, conditioned water and
drained completely at least two times or until drained
water runs clear.
10. Reinstall the safety relief valve.
11. Open the cold water supply and fill the tank with water.
Purge plumbing by operating all hot and cold water
fixtures in the building.
12. Return the control to the setting noted in Step 2 and
verify that the unit is functioning properly.
As an alternative to the above, the teat exchange may
be removed from the BoilerMate® and cleaned. A new
gasket must be installed whenever the heat exchanger
is removed.

-30-
15. GENERAL SAFETY INFORMATION
SCALDING HAZARD. If the water
temperature is over 120°F, household
members can suffer serious or fatal scalding and painful and
permanent injury. • The Consumer Products Safety
Commission recommends an initial setting of 120°F, but notes
a slower response time of infants, aged, disabled and other
persons increases the scalding hazard and may require lower
settings. • Always check the water temperature before use,
including washing, bathing or showering. • Temperature
limiting valves are available from your plumbing supplier. A
check valve must be installed in the boiler return line to prevent
gravity flow through the heat exchanger. This can cause
overheating and result in serious or fatal scalding.
SCALDING HAZARD. If the thermostat
is not working properly or if this product
is not installed in accordance with the manual, water temperature
can reach excessive levels that may cause serious or fatal
scalding. After installation and any servicing of the unit, verify
that the thermostat is working and firmly inserted in the
thermostat well by following the thermostat testing instructions
in the manual.
Failure to use the correct replacement
parts may make your product unsafe.
CALIFORNIA PROPOSITION 65
WARNING! WARNING: This product
contains a chemical known by the State
of California to cause cancer and birth defects or other
reproductive harm. (California Installer/Contractor - California
law requires that this notice be given to consumer/end user of
this product.) For more information: www.amtrol.com/
prop65
In limited circumstances, space heating
can be lost in the home with unit
utilizing priority mode. Any demand for space heating is
postponed until the Boiler Mate® has reached its set
temperature. This delay in supplying the space heating zones
is usually not noticed by the inhabitants of the living spaces.
However, in the event of certain malfunctions such as circulator
or thermostat failure, space heating could be delayed
indefinitely. If undetected and uncorrected, freezing damage
to piping could result.
If a steel hydropneumatic tank is in
place, AMTROL® recommends
replacing it with a properly sized EXTROL® expansion tank.
Otherwise, significant heat transfer problems can occur by
causing air to be trapped in the heat exchanger. If the boiler
system has an EXTROL® or Radiant EXTROL® expansion tank
and the boiler temperatures are being changed, resize the
EXTROL® or Radiant EXTROL® expansion tank.
If installing on city water supply a
properly sized THERM-X-TROL® is
required with the BoilerMate® and should be installed as set
fo rth in the THERM-X-TROL® product installation manual.
Contact your water supplier or local plumbing inspector for
additional information.
Prevent pressure build-up in any existing
internal tankless coil. Do not plug
incoming or outgoing tappings in the internal tankless coil
plate. Leave the coil in the boiler and leave system connections
open, to prevent pressure build-up.
Electrocution hazard. The BoilerMate®
must be electrically grounded. Electrical
supply must come from the boiler side of boiler’s emergency
shut-off switch in order to prevent unsafe boiler operation.
Chlorine Aggressive Water: The water
quality can significantly influence the
life of this Product. You should test for corrosive elements,
acidity, total solids and other relevant contaminants, including
chlorine and treat your water appropriately to insure satisfactory
performance and prevent premature failure.
Note: Inspect for shipping damage and notify freight carrier
or store where purchased immediately if damage present.
To avoid risk of personal injury and property damage, if the
product appears to be malfunctioning or shows signs of
corrosion, call a qualified professional immediately. Current
copies of the Product manual can be viewed at www.amtrol.
com. Use proper safety equipment when installing.
EXPLOSION HAZARD. The pressure of
the heat transfer medium must be limited
to a maximum of 30 psig by an approved safety or relief valve
on your boiler. The BoilerMate® pressure must be limited to
150 psig maximum by the installation of a temperature and
pressure relief valve (included). The relief tube must be
plumbed to a suitable drain per code. No reducing coupling or
other restriction may be placed in this line.
This Product, like most Products under
pressure, may over time corrode,
weaken and burst or explode, causing serious or fatal injury,
leaking or flooding and/or property damage. To minimize risk,
a licensed professional must install and periodically inspect
and service the Product. A drip pan connected to an adequate
drain must be installed if leaking or flooding could cause
property damage. Do not locate in an area where leaking could
cause property damage.
EXPLOSION OR RUPTURE HAZARD.
A relief valve must be installed to
prevent pressure in excess of local code requirement or
maximum working pressure designated in the Product Manual,
whichever is less. Do not expose Product to freezing
temperatures or temperatures in excess of the maximum rated
operating temperature.
If not installed by the boiler manufacturer,
install a low water cut-off or pressure
reducing valve on your boiler so that leaking will not result in a
dry boiler which if the boiler continues to fire, will cause an
explosion hazard.
This unit must be installed as a separate
heating zone. Do not connect this unit to
an existing heating zone or feed boiler water directly through
the coil as dangerous over-heating will result.
Do not drain this appliance before
shutting off the supply valve and
opening the relief valve or another downstream fixture, as it will
damage this unit. A vacuum breaker should be installed to
avoid damaging the liner. Damage to the unit and leakage can
occur if a vacuum breaker is not installed.
USE GLYCOL ONLY WITH
DOUBLE-WALLED HEAT
EXCHANGER MODELS. Avoid risk of ingesting a toxic glycol
fluid. The heat transfer medium should be water. If glycol must
be used, it should only be used with double-walled heat
exchangers and closely moitored for leakage.

-31-

West Warwick, Rhode Island 02893
Part #: 9040-586 (07/08)
Boiler Mate, AMTROL, AMTROL logo, Therm-X-Trol, Radiant EXTROL and EXTROL are registered trademarks of AMTROL Inc. and affiliates. All rights reserved.