Anaren A10040601 902-928 MHz Transceiver User Manual

Anaren, Inc. 902-928 MHz Transceiver Users Manual

Users Manual

Anaren AIR Module, Users Manual  1/18, 8/18/2010:3:57 PM     Users Manual Models A1101R09A and A1101R09C     Contents  1. Overview .......................................................................................................................................................... 2 1.1. A1101R09A ................................................................................................................................................. 2 1.2. A1101R09C ................................................................................................................................................. 2 1.3. Features ....................................................................................................................................................... 2 1.4. Theory of Operation .................................................................................................................................. 3 1.4.1. Typical Flow ..................................................................................................................................... 6 1.5. Applications ............................................................................................................................................... 7 2. Product Approvals .......................................................................................................................................... 8 2.1. USA (Federal Communications Commission, FCC,  ) ..................................................................... 8 2.1.1. FCC Labeling Requirements ............................................................................................................. 8 2.1.2. End User Manual ............................................................................................................................. 9 2.1.3. RF Exposure ...................................................................................................................................... 9 2.2. Canada (Industry Canada, IC) ............................................................................................................... 10 2.3. Potential Interference Sources ................................................................................................................ 11 2.3.1. Time critical data ............................................................................................................................ 11 2.4. Approved Usage ...................................................................................................................................... 11 2.4.1. USA & Canada ............................................................................................................................... 12 3. Electrical Characteristics .............................................................................................................................. 13 3.1. Absolute Maximum Ratings .................................................................................................................. 13 3.2. Operating Conditions ............................................................................................................................. 13 3.3. Pin Out ...................................................................................................................................................... 13 3.4. Recommended Layout ............................................................................................................................ 16 3.5. Power Supply Considerations ............................................................................................................... 18
Anaren AIR Module, Users Manual  2/18, 8/18/2010:3:57 PM  1. Overview The A1101R09A and A1101R09C are surface mount modules with integrated crystal, internal voltage regulator, matching circuitry and filtering. The A1101R09A has an integral antenna, whereas the A1101R09C takes an external antenna through a U.FL connector (see Table 1). The modules operate in the US 902 – 928MHz ISM band. These radio modules are ideal for achieving low power wireless connectivity without having to deal with extensive RF, antenna design and regulatory compliance, allowing quick time to market. The modules are 100% tested to provide consistent performance. The A1101R09A and A1101R09C have received regulatory approvals for modular devices in the United States (FCC) and Canada under Industry Canada (IC) Radio Standards Specification (RSS) RSS-210 and RSS-Gen. The modular approval allows the end user to place either an A1101R09A or an A1101R09C with an approved antenna inside a finished product without having to perform costly regulatory testing for an intentional radiator. Section 2 has information on the requirements for the end user/integrator must fulfill to use the modules without intentional radiator regulatory testing. The A1101R09A and A1101R09C are based on the CC1101 transceiver IC from Texas Instruments. All control lines of the transceiver are provided at module level for full control of its operation. Please see the CC1101 data sheet (www.ti.com) for how to control the modules. Please see section section 8 for the recommended register settings for optimal performance and regulatory compliance. The A1101R09A measure 9x16x2.5mm and A1101R09Cmodules both measure 9x12x2.5mm and are footprint compatible with each other. 1.1. A1101R09A The A1101R09A has an integral antenna, providing high efficiency and near omni-directional radiation pattern. This is offers the lowest system cost when the application allows collocation of radio and antenna. 1.2. A1101R09C The A1101R09C has a compact antenna connector to allow locating the antenna away from the module due to form/function or to exit a metal enclosure, see  figure 6 – figure 9 for more information on antenna location and enclosure considerations.  1.3. Features Features: • Frequency range: 902-968 MHz • Ultra small package size  ¾ A1101R09C  : 9mm x 12mm x 2.5mm ¾  A1101R09A  : 9mm x 16mm x 2.5mm • Impedance controlled multi-layer PCB • Shielded Package • 1.8 to 3.3 V operation • SPI Interface • ROHS Compliant • LGA Footprint Benefits Summary: • Operating temperature -40 to +85C • 100% RF Tested in production • Common footprint for all family members • No RF engineering experience necessary • Only requires a 2 layer PCB implementation • Excellent receiver selectivity and blocking Performance • Suited for systems compliant with FCC CFR47 Part 15.247a2 and 15.249 (US) and
Anaren AIR Module, Users Manual  3/18, 8/18/2010:3:57 PM • Low Power Consumption • Regulatory approvals for FCC • Digital RSSI output • Programmable channel filter bandwidth • Programmable output power up to +10 dBm • High sensitivity (–104 dBm at 1.2 kBaud, 1% packet error rate) • Low current consumption (14.4 mA in RX, 1.2kBaud, input well above sensitivity limit) • Fast startup time: 240us from SLEEP to Rx or Tx mode • Separate 64 byte Rx and Tx FIFOs • Data Rate: 1.2 – 500 Kbit/Sec • Programmable data rate from 1.2 to 500 kBaud • Sleep state: 0.4µA • Idle State: 1.7mA Canada under Industry Canada (IC) Radio Standards Specification (RSS) RSS-210 and RSS-Gen. • No regulatory “Intentional radiator” testing required to integrate module into end product. Simple certification labeling replaces testing.  1.4. Theory of Operation The A1101R09A and A1101R09C are for low power wireless applications in the US 902 – 928MHz ISM band.  The devices can be used to implement a variety of networks, including; point to point, point to multipoint, peer to peer and mesh networks The A1101R09A and A1101R09C both interface to an application microcontroller via SPI bus. Physical and MAC layer functionality are accessed via the SPI bus, through addressable registers as well as execution commands. Data received or to be transmitted are also accessed through the SPI bus and are implemented as a FIFO register (64 bytes each for Tx and Rx).  To transmit, a frame of data is placed in the FIFO, this may include a destination address. A transmit command is given, which will transmit the data according to the initial setup of the registers. To receive data a receive command is given, which will listen for a transmission and when one occurs put the received frame in the FIFO. When neither transmit or receive is required the device can enter either an Idle mode, from which it can quickly re-enter receive or transmit mode or it can enter a low power sleep mode, from which a crystal startup is also required prior to transmit or receive operation. Below a block diagram is given for each of the A1101R09A and A1101R09C modules. • Antenna o The antenna couples energy between the air and the module. For applications where installations are done by an end user (non-professional), an omni-directional antenna pattern is desired, such that the application will work equally well in any direction. Similarly for peer to peer or point to multipoint application an omni-directional pattern is desired such that all nodes have a fair chance of communicating. The A1101R09A module has an integral antenna that is near omni-directional, whereas the A1101R09C has approved antenna options ranging from near omni-directional to shaped front/back patterns (useful for inline, professional installations). Note that the end radiation pattern
Anaren AIR Module, Users Manual  4/18, 8/18/2010:3:57 PM depend not only on the antenna, but also the ground plane, enclosure and installation environment. • Filtering o Filtering removes spurious signals to comply with regulatory intentional radiator requirements. • Matching o The matching provides the correct loading of the transmit amplifier to achieve the highest output power as well as the correct loading for the receive LNA to achieve the best sensitivity. • Physical o The physical layer provides conversions between data, symbol and RF signal.  • MAC o The MAC layer is part of the Logical Link Layer and provides frame handling, addressing and medium access services.  • Microcontroller Interface o The microcontroller interface exposes registers and commands for the physical and MAC layers to a microcontroller. • Power Management o Power management ensures a stable supply for the internal functions as well as providing means for a low power sleep mode, in which most of the transceiver is power off.
Anaren AIR Module, Users Manual  5/18, 8/18/2010:3:57 PM  Figure 1 The functionality of the A1101R09A, using an integral antenna  Figure 2 The functionality of the A1101R09C, using an external antenna.
Anaren AIR Module, Users Manual  6/18, 8/18/2010:3:57 PM  Figure 3 Transceiver IC block diagram. 1.4.1. Typical Flow After initial setup of registers for desired behavior, the normal operation flow diagram is shown in Figure 4. In applications of infrequent data transmissions the transceiver would be in “sleep” mode to save power (400nA). From there it would be woken up and enter “idle” mode. As part of the wake up process the crystal oscillator is started (~240µs) and the digital microcontroller interface is powered up. Before transmit or receive the frequency synthesizer needs to be started (“FS_Wakeup”) and having been powered off (or idle for a while) the control loop of the VCO/PLL needs to be calibrated (“calibrate”). A data frame is loaded into the transmit FIFO and the “TX” mode is entered. The transceiver will transmit the data and enter “idle” mode after completion. When transmit is complete “RX” mode is entered to wait for the acknowledge frame. Once a frame is received the transceiver will again enter “idle”mode. If no acknowledge frame is received within a given timeout the data frame would be re-transmitted. If the acknowledge frame indicated that the data was received the next data frame would be transmitted. After the last data frame have successfully been transmitted the transceiver would again be put in “sleep” mode. Medium access
Anaren AIR Module, Users Manual  7/18, 8/18/2010:3:57 PM   Figure 4 Transceiver state diagram  1.5. Applications Ultra low-power wireless applications, operating in the 902-928 MHz ISM band.  Wireless alarm and security systems  Industrial monitoring and control  Wireless sensor networks  AMR – Automatic Meter Reading  Home and building automation  Existing applications where simple upgrade to wireless is desired
Anaren AIR Module, Users Manual  8/18, 8/18/2010:3:57 PM 2. Product Approvals The A1101R09A and A1101R09C have been designed to meet most national regulations for world-wide ISM-band use. In particular the radio modules have been certified to the following.  2.1. USA (Federal Communications Commission, FCC,  ) The A1101R09A, with integrated antenna, as well as the A1101R09C, used with the antennae listed in Table 1 below, has been tested to comply with FCC Part 15 - 15.247(a2) and 15.247(b) and 15.249 “Intentional Radiators”. The devices meet the requirements for modular transmitter approval as detailed in FCC public notice DA 00-1407 Released: June 26, 2000. The A1101R09A and A1101R09C module can be integrated into a finished product with obtaining subsequent FCC approvals. (15.19a3) The modules complies with part 15 of the FCC rules. Operation is subject to the following two conditions: (1) this device may not cause harmful interference, and (2) this device must accept any interference received, including interference that may cause undesired operation.       Table 1 Approved Antennae Item Part Number  Manufacturer  Type  Gain 1  Integral part of A1101R09A  Anaren  Integral Antenna  2 2  66089-0906  Anaren  Monopole whip, 6mm lead  3 3  66089-0930  Anaren  Monopole whip, 30mm lead  3  2.1.1. FCC Labeling Requirements The A1101R09A and A1101R09C modules have been labeled with their own FCC ID number and if the FCC ID is not visible when the module is installed inside another device, then the outside of the finished product into which the module is installed must also display a label referring to the enclosed module. This exterior label can use wording such as the following: Contains Transmitter Module FCC ID: X7J-A10040601 -or- Contains FCC ID: X7J-A10040601 This device complies with Part 15 - 15.247(a2) and 15.247(b) and 15.249 of the FCC Rules.  Operation is subject to the following two conditions:  Anaren  FCC ID: X7J-A10040601
Anaren AIR Module, Users Manual  9/18, 8/18/2010:3:57 PM (1) this device may not cause harmful interference, and (2) this device must accept any interference received, including interference that may cause undesired operation. 2.1.2. End User Manual The end user manual should include the following statement: This equipment has been tested and found to comply with the limits for a Class B digital device, pursuant to part 15 - 15.247(a2) and 15.247(b) and 15.249 of the FCC Rules. These limits are designed to provide reasonable protection against harmful interference in a residential installation. This equipment generates, uses and can radiate radio frequency energy and, if not installed and used in accordance with the instructions, may cause harmful interference to radio communications. However, there is no guarantee that interference will not occur in a particular installation. If this equipment does cause harmful interference to radio or television reception, which can be determined by turning the equipment off and on, the user is encouraged to try to correct the interference by one or more of the following measures:  • Reorient or relocate the receiving antenna. • Increase the separation between the equipment and receiver. • Connect the equipment into an outlet on a circuit different from that to which the receiver is connected. • Consult the dealer or an experienced radio/TV technician for help.   2.1.3. RF Exposure All transmitters regulated by FCC must comply with RF exposure requirements. OET Bulletin 65 “Evaluating Compliance with FCC Guidelines for Human Exposure to Radio Frequency Electromagnetic Fields” provides assistance in determining whether proposed or existing transmitting facilities, operations or devices comply with limits for human exposure to Radio Frequency (RF) fields adopted by the Federal Communications Commission (FCC). The bulletin offers guidelines and suggestions for evaluating compliance. If appropriate, compliance with exposure guidelines for mobile and unlicensed devices can be accomplished by the use of warning labels and by providing users with information concerning minimum separation distances from transmitting structures and proper installation of antennas. The following statement must be included as a CAUTION statement in manuals and OEM products to alert users of FCC RF Exposure compliance: To satisfy FCC RF Exposure requirements for mobile and base station transmission devices, a separation distance of 20 cm or more should be maintained between the antenna of this device and persons during operation. To ensure compliance, operation at closer than this distance is not recommended. The antenna(s) used for this transmitter must not be co-located or operating in conjunction with any other antenna or transmitter. If the A1101R09A and A1101R09C module is used in a portable application (antenna is less than 20 cm from persons during operation), the end user is responsible for performing Specific Absorption Rate (SAR) testing in accordance with FCC rules 2.1091.
Anaren AIR Module, Users Manual  10/18, 8/18/2010:3:57 PM 2.2. Canada (Industry Canada, IC) The A1101R09A and A1101R09C modules has been certified for use in Canada under Industry Canada (IC) Radio Standards Specification (RSS) RSS-210 and RSS-Gen. From section 7.1.1 RSS-Gen, Issue 2, June 2007, Modular Transmitter Approval: Host devices which contain separately certified modules do not need to be recertified, provided that they meet the following conditions: a) The host device, as a stand-alone unit without any separately certified modules, complies with all applicable Radio Standards Specifications. b) The host device and all the separately certified modules it contains jointly meet the RF exposure compliance requirements of RSS-102, if applicable. c) The host device complies with the certification labeling requirements of each of the modules it contains. Note: Compliance of a module in its final configuration is the responsibility of the applicant. A host device will not be considered certified if the instructions regarding antenna configuration provided in the original description, of one or more separately certified modules it contains, were not followed.  From section 5.2, RSS-Gen, Issue 2, June 2007, Equipment Labels: All Category I radio equipment intended for use in Canada shall permanently display on each transmitter, receiver, or inseparable combination thereof, the applicant's name (i.e., manufacturer's name, trade name or brand name), model number and certification number. This information shall be affixed in such a manner as not to be removable except by destruction or defacement. The size of the lettering shall be legible without the aid of magnification, but is not required to be larger than 8-point font size. If the device is too small to meet this condition, the information can be included in the user manual upon agreement with Industry Canada. Label: Contains IC: 8975A-A10040601 From section 7.1.6, RSS-Gen, Issue 2, June 2007, Digital Circuits: If the device contains digital circuitry that is not directly associated with the radio transmitter, the device shall also have to comply with ICES-003, Class A or B as appropriate, except for ICES-003 labeling requirements. The test data obtained (for the ICES-003 tests) shall be kept by the manufacturer or importer whose name appears on the equipment label, and made available to Industry Canada on request, for as long as the model is being marketed in Canada. For more information see: Industry Canada http://www.ic.gc.ca/
Anaren AIR Module, Users Manual  11/18, 8/18/2010:3:57 PM 2.3. Potential Interference Sources • Alarm systems o These are typically using low duty cycles and are therefore easy to avoid using acknowledge/retransmit methods • Car alarms (internal motion sensors) • Video surveillance o These are typically operated on a fixed channel, determined at installation time and can be avoided by using clear channel assessment. It may be useful to change the channel used by the video surveillance equipment also, if possible. 2.3.1. Time critical data If the user requires specific time critical data throughput that cannot tolerate the delays of potentially many re-transmissions, it is encouraged to implement an environment aware algorithm that periodically monitors/scans the frequency band and maintain a list of “best available” channels.  2.4. Approved Usage The radio modules can be used in a variety of physical layer configurations, the following restricts the use to maintain compliance with the above referenced certification bodies. The user is encouraged to use minimum power required to establish a link, thus minimizing interference. Changes or modifications to the module and/or operation outside the limits set forth below is prohibited and could void the user’s authority to operate the modules. Usage of these radio modules are limited to the following frequency ranges and modulation settings. Using the radio modules outside of these limitations are prohibited and could void the user’s authority to operate the modules. The user should use one of the register configurations listed below. Anaren provides register setting files for optimal performance and compliance for each of the data rates given in the following at www.anaren.com.
Anaren AIR Module, Users Manual  12/18, 8/18/2010:3:57 PM 2.4.1. USA & Canada For use in USA and Canada the modules have been approved for use as digitally modulated transmitters, for which they must have a minimum occupied bandwidth (6dB) of 500kHz. In addition the spectral density may not exceed 8dBm/3kHz and the total output power including antenna gain may not exceed 1W. The following table shows configurations that are compliant with this and the expected performance.  In a frequency agile implementation or an implementation with multiple systems sharing the same location, using 2FSK or GFSK, it is recommended to only use even channel numbers to avoid overlapping channels, 127 channels would thus be available.  In a frequency agile implementation or an implementation with multiple systems sharing the same location, using MSK, it is recommended to only use every 3rd or 4th channel to avoid overlapping channels, 85 or 64 channels would thus be available. It is encouraged to use a medium access technique with should include addressing of individual transceiver node and should include either a clear channel assessment, transmit and detect, a frequency hopping method or any combination. This ensures that the un-licensed band can be shared with other systems/applications.
Anaren AIR Module, Users Manual  13/18, 8/18/2010:3:57 PM 3. Electrical Characteristics 3.1. Absolute Maximum Ratings Under no circumstances must the absolute maximum ratings given in Table 2 be violated. Stress exceeding one or more of the limiting values may cause permanent damage to the device.     Caution! ESD sensitive device. Precaution should be used when handling the device in order to prevent permanent damage.  Table 2 Absolute Maximum Ratings 3.2. Operating Conditions  3.3. Pin Out The A1101R09A and A1101R09C radio’s share a common pin-out and foot print, that is also shared by Anaren modules using other frequencies. Thus enabling easy changeover from one to another, e.g. if it is desired to change the frequency or antenna scheme or if the adaptive antenna tuning is needed. Below the common footprint are shown.
Anaren AIR Module, Users Manual  14/18, 8/18/2010:3:57 PM  Pin #  Pin Name  Pin Type  Description 1 DNC  NC  Do Not Connect. Internal GND connection used during testing, not recommended to connect to main GND. 2 DNC  NC  Do Not Connect. Internal RF output connection used during test. Connecting this pin to anything will require recertification for intentional radiators. 3 DNC  NC  Do Not Connect. Internal GND connection used during testing, not recommended to connect to main GND. 4  NC  NC  No Connect, the pin is not connected internally, but is reserved for future expansion. It is recommended not to connect this pin to anything. 5  NC  NC  No Connect, the pin is not connected internally, but is reserved for future expansion. It is recommended not to connect this pin to anything. 6  NC  NC  No Connect, the pin is not connected internally, but is reserved for future expansion. It is recommended not to connect this pin to anything. 7  Vdcoup1  Analog  Optional decoupling of the modules internal Vdd supply. It is recommended to not connect anything to this pin. In particular noisy environment this pin can be used to further reduce the noise on the modules internal Vdd, please see section 3.4 for further information. 8  GND  Ground  One of two primary ground pins 9 SCLK  Digital Input SPI bus clock signal 10 MISO/GDO1 Digital Output SPI bus data out from radio when CSN is low, and general purpose I/O pin when CSN is high 11 MOSI  Digital Input SPI bus data into radio 12  _CSN  Digital  SPI bus select (active low)
Anaren AIR Module, Users Manual  15/18, 8/18/2010:3:57 PM Input 13 GDO0  Digital I/O (Analog output) General purpose port 14  GDO2  Digital I/O  General purpose port 15  Vdcoup2  Analog  Optional decoupling of the modules internal Vdd supply. It is recommended to not connect anything to this pin. In particular noisy environment this pin can be used to further reduce the noise on the modules internal Vdd, please see section 3.4 for further information. 16  NC  NC  No Connect, the pin is not connected internally, but is reserved for future expansion. It is recommended not to connect this pin to anything. 17  GND  Ground  One of two primary ground pins 18 Vdd  Power Supply Power supply pin 19  NC  NC  No Connect, the pin is not connected internally, but is reserved for future expansion. It is recommended not to connect this pin to anything. 20  NC  NC  No Connect, the pin is not connected internally, but is reserved for future expansion. It is recommended not to connect this pin to anything. 21  NC  NC  No Connect, the pin is not connected internally, but is reserved for future expansion. It is recommended not to connect this pin to anything. 22 DNC  NC  Do Not Connect. Internal GND connection used during testing, not recommended to connect to main GND. 23  DNC  NC  No Connect, the pin is not connected internally, but is reserved for future expansion. It is recommended not to connect this pin to anything. 24 DNC  NC  Do Not Connect. Internal GND connection used during testing, not recommended to connect to main GND. Table 3 Pin Descriptions
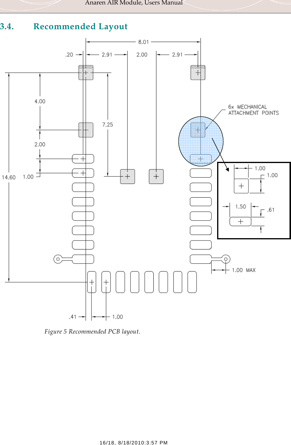
Anaren AIR Module, Users Manual  16/18, 8/18/2010:3:57 PM 3.4. Recommended Layout  Figure 5 Recommended PCB layout.
Anaren AIR Module, Users Manual  17/18, 8/18/2010:3:57 PM  Figure 6 Mounting the module in a corner  Figure 7 Mounting the module along an edge  Figure 8 Mounting the module along an edge with overhang. This option is not generally recommended, but is a method to save PCB in an environmentally benign environment  Figure 9 Mounting the module along an edge, with a ground plane cut-out. This option degrades range slightly.
Anaren AIR Module, Users Manual  18/18, 8/18/2010:3:57 PM 3.5. Power Supply Considerations Noise on the power supply line reduces the sensitivity of a receiver and modulates onto a transmitters signal, both of which causes a degradation of link quality and hence a reduction in range.  The A1101R09A and A1101R09C radio modules have integral ferrite bead in the supply line from pin 18 (Vdd) and decoupling capacitance to reduce any noise on the incoming power supply line. This arrangement will take care of most supply voltage noise. In particular noisy environments (switching regulators, motor controls, etc.) it may be necessary to add additional noise reduction means.  Pin 7 (Vdcoup1) is connected to the modules internal supply line after the ferrite bead and decoupling capacitors and can be used to probe the noise at module level. The noise level measured on pin 7 should not exceed 120mVpp when in transmit or receive mode, it may however exceed this value when setting up or accessing data to/from the FIFO’s while not actively transmitting or receiving. If the level measured is exceeding the above limit means should be taken to ensure maximum range: • Add decoupling capacitance to pin 7 (Vdcoup1).  • Add additional filtering in the supply line. • Add an LDO in the supply line (the TPS731xx low Dropout Regulator from TI is recommended)

Navigation menu