Andrew Wireless Innovations Group RPT-MR741 GSM channel selective repeater User Manual M0090a0a
Andrew Wireless Innovations Group GSM channel selective repeater M0090a0a
Contents
- 1. User Manual
- 2. Antenna mounting information
User Manual

User’s manual for channel selective repeater MRx41
M0090a0a.doc Id.-No. 148092 Page 129-Mar-00
User’s manual
for
channel selective repeater
MRx41

User’s manual for channel selective repeater MRx41
M0090a0a.doc Id.-No. 148092 Page 229-Mar-00
Copyright MIKOM, Buchdorf 2000
All rights reserved.
No parts of this publication may be
reproduced, stored in a retrieval system, transmitted in any form or by
any means, electronical, mechanical photocopying,
recording or otherwise, without prior written permission of the
publisher.

User’s manual for channel selective repeater MRx41
M0090a0a.doc Id.-No. 148092 Page 329-Mar-00
Table of Contents
LIST OF FIGURES 7
LIST OF UNIT SPECIFIC ABBREVIATIONS 3
CONTENTS OF DELIVERY 9
HEALTH AND SAFETY WARNINGS 10
PREAMBLE 11
1INTRODUCTION 13
1.1 Intended purpose 13
1.2 About the MRx41 13
2FUNCTIONAL DESCRIPTION 14
2.1 Channel modules 18
2.2 Termination module 19
2.3 Mother board 20
2.4 Control module SM2009 21
2.5 Duplexer 24
2.6 Combiner 24
2.7 Measuring aids 24
2.8 Power supply 24
3FUNCTIONS AND FEATURES 26
3.1 Channel selectivity 26
3.2 DL output power feature 26
3.3 ALC 28

User’s manual for channel selective repeater MRx41
M0090a0a.doc Id.-No. 148092 Page 429-Mar-00
3.4 BITE and alarms 28
3.4.1 Handling of alarms 30
3.4.2 Status report 31
3.4.3 Severity levels 31
4OPTIONAL EQUIPMENT 32
4.1 Remote control via line modem or wireless modem 32
4.1.1 PSTN modem 33
4.1.2 Siemens M1 for GSM900, wireless modem kit 34
4.1.3 Motorola modem for GSM1800, wireless modem kit 34
4.1.4 Nokia modem for PCS1900, wireless modem kit 34
4.2 Battery backup module for modem and control module 37
4.3 LED kit 38
4.4 VSWR module 39
4.5 Traffic statistic module 39
4.6 ICE module 41
4.7 RSSI module 43
4.8 External alarms ( for control module Rev. 07 and higher ) 44
5INSTALLATION 46
Mechanical specification 46
5.2 Environment and safety 46
5.3 Mechanical installation 47
5.3.1 Wall mounting procedure 48
5.3.2 Pole mounting procedure 49
5.4 Electrical installation 51
5.4.1 Grounding 51
5.4.2 Connection of the antenna cables 52
5.4.3 Power connection 52

User’s manual for channel selective repeater MRx41
M0090a0a.doc Id.-No. 148092 Page 529-Mar-00
6SETTING TO WORK 53
6.1 Preparation 53
6.2 Setting of operational parameters 54
6.2.1 Manual settings by means of rotary switches 54
6.2.2 Local settings via personal computer as terminal 56
6.2.3 Remote control via modem 57
7TROUBLE SHOOTING 58
7.1 Error indication 58
7.2 Boot process 59
7.3 Alarm monitoring with the alarm history 59
7.4 Power supply 59
7.5 General remarks 60
8MAINTENANCE 61
8.1 General 61
8.2 Replacement of the power supply and mains fuses 62
8.3 Replacement of the mains cable 63
8.4 Replacement of the RAM / RTC battery 64
8.5 Replacement of the battery backup module ( option ) 65
8.6 Duplexer 66
8.7 PSTN modem kit ( option ) 67
8.8 Channel modules 68
8.9 ICE module 69
8.10 Connecting board 69

User’s manual for channel selective repeater MRx41
M0090a0a.doc Id.-No. 148092 Page 629-Mar-00
9SPARE PARTS LIST 70
9.1 Spare parts for MR341 70
9.2 Spare parts for MR441 72
9.3 Spare parts for MR741 74
10 CONFIGURATION LIST76
11 APPENDIX 77
11.1 Electrical specifications MR341 77
11.2 Electrical specifications MR441 79
11.3 Electrical specifications MR741 81
11.4 Options for MRx41 83
12 INSTALLATION 84
12.1 Drawing of the repeater 84
12.2 Layout of the repeater ( heat sink ) 85
12.3 Layout of the repeater ( lid ) 86
12.4 ARFCN / Frequency tables for MR341, MR441 and MR741 87

User’s manual for channel selective repeater MRx41
M0090a0a.doc Id.-No. 148092 Page 729-Mar-00
LIST OF FIGURES
figure 2-1 One channel system 14
figure 2-2 Configuration of a two channel system 15
figure 2-3 Main unit with connected extension unit 16
figure 2-4 Configuration of a 4 channel system 16
figure 2-5 Configuration of a 6 channel system 17
figure 2-6 Configuration of an 8 channel system 17
figure 2-7 Top view of basic / extension module 18
figure 2-8 Mounting drawing of the termination module 19
figure 2-9 Top view of the mother board 20
figure 2-10 Topview of control module 22
figure 2-11 DIP-Switch settings 23
figure 2-12 Mounting position of the power supply 25
figure 3-1 Channel selectivity 26
figure 3-2 Measuring range 27
figure 4-1 Mounting position of PSTN modem kit 33
figure 4-2 Connection of control module and PSTN modem 34
figure 4-3 Mounting position of PSTN- and wireless modem 35
figure 4-4 Connection of the antenna cable 35
figure 4-5 Battery backup module 37
figure 4-6 LED kit 38
figure 4-7 Cable length and antenna spacing 41
figure 4-8 Configuration of the clamps44
figure 5-1 System description 46
figure 5-2 Clearance distance 47
figure 5-3 Wall mount procedure 48
figure 5-4 Distances between main unit and extension units 49
figure 5-5 Pole mounting kit 50
figure 5-6 Grounding bolt 51
figure 6-1 Channel rotary switches and gain setting 55
figure 8-1 Mounting position of the power supply and mains fuses 62
figure 8-2 Cable gland 63
figure 8-3 Position of RAM/RTC battery 64
figure 8-4 Battery backup module 65
figure 8-5 PSTN modem kit 67
figure 8-6 Position of hex coded rotary switches 68
figure 8-7 Connecting board 69
figure 12-1 Installation drawing 84
figure 12-2 Layout of the repeater heat sink 85
figure 12-3 Layout of the repeater 86
LIST OF TABLES
table 1-1 List of international sales offices....................................................................................... 12
table 3-1 List of all available alarms ................................................................................................. 29
table 4-1 List of AT commands......................................................................................................... 32
table 6-1 LED indication................................................................................................................... 53
table 8-1 Configuration of hex-coded rotary switches....................................................................... 68

User’s manual for channel selective repeater MRx41
M0090a0a.doc Id.-No. 148092 Page 829-Mar-00
LIST OF UNIT SPECIFIC ABBREVIATIONS
ALC Automatic Level Control
ARFCN Absolute Radio Frequency Channel Number
BCCH Broadcast Control Channel
BITE Built In Test Equipment
BTS Base Transceiver Station
DL Downlink
ETS European Telecommunication Standard
ICE Interference Cancellation Equipment
Id.-No. MIKOM part number
I²C-Bus Inter Integrated Circuit Bus ( Philips )
LMT Local Maintenance Timeout
O.C. Open Collector
OMC Operation and Maintenance Centre
NiCd Nickel Cadmium
MR Mikom repeater
MS Mobile Station
Rev .Revision
REPxxxxV1.xx RF repeater software xxxx version 1.xx , e.g. REP1012 V1.04
RF Radio Frequency
RSSI Receive Signal Strength Indication
RTC Real Time Clock
SDA Serial Data Line of I²C-Bus
SCL Serial Clock Line of I²C-Bus
UL Uplink
UPS Uninterruptible Power Supply
VCC Repeater internal DC voltage ( + 5V ) for logic devices

User’s manual for channel selective repeater MRx41
M0090a0a.doc Id.-No. 148092 Page 929-Mar-00
CONTENTS OF DELIVERY
Qty1Repeater MRx41
Qty1User’s manual for channel selective repeater MRx41
Qty 1 Software manual for REP1012V1.xx
Qty1Set of test protocols consisting of an electrical acceptance test protocol
and a safety test protocol applying to the power supply
Qty1Spare parts kit containing:
- 1 control cable RS232, DB9 female / DB9 female, 3m
- 3 socket head cap screws M3.0 x 30
- 2 tallow-drop screws M5.0 x 25
- 2 tallow-drop screws M2.0 x 6
- 2 tallow-drop screws M3.0 x 5
- 4 straight pins 3.0 x 25
- 2 fuses 2.0 A
- 2 O-ring 4 x 2 mm
- 2 Tyraps
- Silicon heat conducting paste
- 4 special nuts M4
- 1 O-ring 63 x 2 mm
- 1 fuse 10 A ( F )
Tools
- 1 hex socket key, size 2.5
- 1 Torx key
- 1 hex socket screw key , size 4, long
Qty1Wall mounting sheet

User’s manual for channel selective repeater MRx41
M0090a0a.doc Id.-No. 148092 Page 10 29-Mar-00
HEALTH AND SAFETY WARNINGS
F Note: The electrical installation has to be performed in accordance with the
safety regulations of the local authorities. Due to safety reasons the
electrical installation must be performed by qualified personnel. The
cover of this unit should not be opened while power is applied.
Subsequent installation, commissioning and maintenance activities
that require the unit to be powered with the cover open shall only be
carried out by suitably qualified personnel.
F Note:
The grounding of the unit has to be performed by all means. A
grounding bolt is provided at the outside of the cabinet in order to
connect the earth bonding cable.
F Note: Make sure that a suitable mounting surface is used. Only adequate
manpower is allowed to handle the system.
F Note: ESD precautions have to be observed! Before maintenance work use
the available grounding system to connect ESD protection
measures.
F Note: Due to power dissipation the repeater may heat up the air volume
inside the cabinet and reach a very high temperature. Therefore it is
recommended to mount the repeater in the vertical plane to a wall or
a mast without additional enclosure to provide sufficient ventilation.
Between the housing and the wall a minimum distance must be kept
in order to provide air circulation.
F Note: Close the repeater housing only after a thorough control of the cable
layout, in order to avoid any damage of the cables.

User’s manual for channel selective repeater MRx41
M0090a0a.doc Id.-No. 148092 Page 11 29-Mar-00
PREAMBLE
Repeaters are an essential part of an efficient and effective wireless system. They
can enhance outdoor coverage as hole fillers, provide coverage extension service on
highways, canyons and in tunnels at the fraction of the cost of a new cell site.
MIKOM is a leading manufacturer of repeaters. They provide excellent electrical
characteristics, they are light-weight and easy to install. Hence, the MIKOM repeater
is the preferred solution.
Your repeater has been built using highly reliable materials. A comprehensive
quality assurance has been applied to all fabrication steps. This secures constant
quality of the product. Every repeater leaves the factory only after a thorough final
acceptance test, accompanied by a test certificate, which warrants perfect function.
The acceptance test protocol is subject of the delivery and it is fixed to the repeater
lid in order to provide a quick reference for the user.
Any intervention has to be performed by authorised persons only. If you need
technical assistance with the repeater MRx41 contact your local sales office ( see
table 1-1 ) or MIKOM directly at following address:
Under consideration of all references given in this manual, the repeater should be
taken into service without any complications and should operate trouble-free for a
long time.
MIKOM GmbH
Industriering 10
86675 Buchdorf
Germany
Tel: +49 (0) 90 99 - 6 90
Fax: +49 (0) 90 99 - 69 31
email: sales@mikom.com
http://www.mikom.com

User’s manual for channel selective repeater MRx41
M0090a0a.doc Id.-No. 148092 Page 12 29-Mar-00
LIST OF INTERNATIONAL SALES OFFICES
Allen Telecom Inc. Allen Telecom Pty Ltd Forem France
30500 Bruce Industrial Parkway 6 Stuart Street Z.I. des Ebisoires
Cleveland, Ohio 44 139-3996 Padstow NSW 2211 78370 Plaisir
USA Australia France
Phone: +1 ( 440 ) 349-8400 Phone: +61 ( 2 ) 9774-4200 Phone: +33 ( 1 )30-79-15-30
FAX: +1 ( 440 ) 349-8407 FAX: +61 ( 2 ) 9774-4500 FAX: +33 ( 1 ) 30-55-55-37
FOREM S.p.A. AT Singapore AT China
Via Archimede N. 22/24 80 Marine Parade Road CITIC Building, # 11-04
20041, Agrate Brianza #19-1 Parkway Parade 19 Jianguomenwai Avenue
Milan Singapore 449269 Beijing
Italy China 100004
Phone: +39 ( 039 )605-41 Phone: +65 ( 345 ) 8022 Phone: +86 ( 10 ) 6508-3088
FAX: +39 ( 039 ) 605-4477 FAX: +65 ( 345 ) 8033 FAX: +86 ( 10 )6508-3066
AT Canada FOREM UK AT Hong Kong
1815 Ironstone Manor, # 12 Unit D
Castle Industrial Park 1603 Remington Center,
23 Hung To road,
Pickering, Ontario L1W 3W9
Canada Pear Tree Lane
Newbury, Berkshire Kwun Tong, Kowloon
Hong Kong
U.K. RG 14 2EZ
Phone: +1 ( 905 ) 839-3474 Phone: +44 ( 1635 ) 569-695 Phone: +852 ( 2389 ) 1844
FAX: +1 ( 905 ) 839-4663 FAX: +44 ( 1635 ) 569-463 FAX: +852 ( 2389 ) 4864
AT India
B-256 Ground Floor.
Chittaranjan Park
New Delhi 110019
Phone: +91 ( 11 ) 696-3918
FAX: +91 ( 11 ) 652-1648
MIKOM Switzerland
Tiergartenweg 1
4710 Balzthal
Switzerland
Phone: +41 ( 6238 ) 61260
FAX: +41 ( 6238 ) 61261
MIKOM Austria
Himbergerstr. 7/3/1
2320Schwechat
Austria
Phone: +43 ( 1 ) 706 – 3999
FAX: +43 ( 1 ) 706 – 39999
table 1-1 List of international sales offices

User’s manual for channel selective repeater MRx41
M0090a0a.doc Id.-No. 148092 Page 13 29-Mar-00
1 Introduction
1.1 Intended purpose
Cellular telephone systems transmit signals in two directions between base stations
and mobile telephones within the signal coverage area.
If weak signal transmissions occur within the coverage area because of indoor
applications, topological conditions or distance from the transmitter, a repeater is
used to extend transmission range. In the downlink path the repeater will pickup the
signal from a donor antenna of an existing cell, amplifies and re-transmits it into the
desired dark spot. In the uplink direction the repeater will receive signals from
mobile stations present in its coverage area and re-transmits them to the
corresponding base station.
1.2 About the MRx41
The repeater MRx41 is a channel selective amplifier, which bi-directionally amplifies
signals between mobile stations and a base station in the GSM900, GSM1800 und
PCS1900 mobile telephone system. It can provide highly selective amplification of
up to 8 channels, thus enabling radio coverage in regions where satisfactory quality
of communication is disabled.
MRx41 modules can also be combined with other MRx41 repeater modules in order
to create a combines GSM900, GSM1800 or PCS1900 repeater system. Other
modules, operating in TACS, ETACS and AMPS are available as well. When
different modules are combined, a common antenna terminal and a common control
interface is available. The basic unit is capable of 2 channels and easily expandable
by adding 2-channel extension units delivered in separate cabinets.
The repeater can be set locally or remotely. For modem operation different
interfaces are available. The design of the repeater comprises a large number of
functions which the operator may monitor via terminal emulation program or the
Mikom OMC software platform. An easy to understand and easy to learn
communication language supports the operator to query status reports from the
repeater or to change settings.
F Note: It is not possible to combine MRx41 units / modules with MRx40 units
/ modules.

User’s manual for channel selective repeater MRx41
M0090a0a.doc Id.-No. 148092 Page 14 29-Mar-00
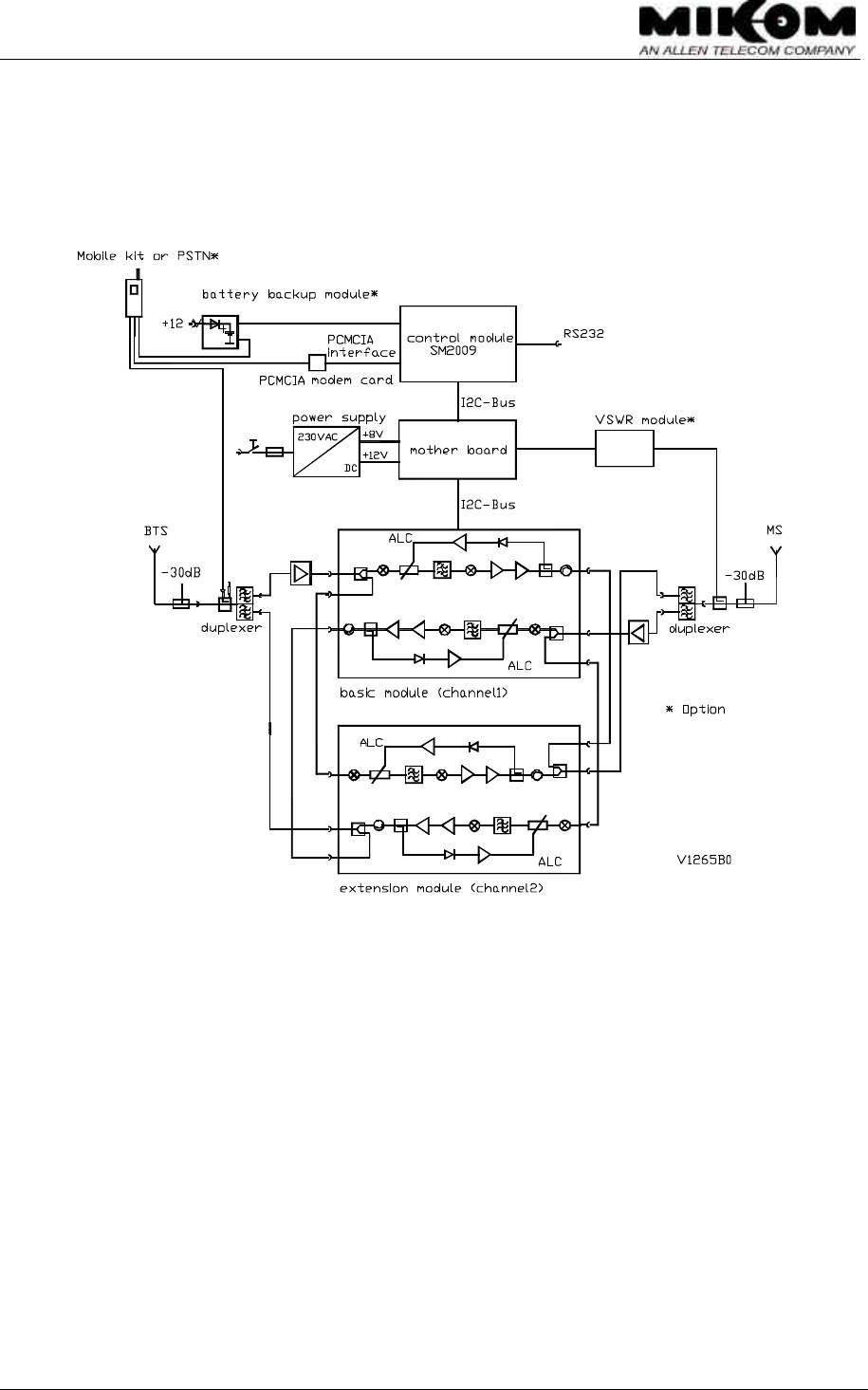
2 Functional description
The repeater MRx41 can be delivered as an one channel system, expandable up to
an 8 channel system by means of extension units connected to the main unit.
The following block diagrams shall illustrate the different configurations.
Configuration of an one channel system
Figure 2-1 illustrates the configuration of an one channel system which consists of
one basic module ( channel 1 ).
figure 2-1 One channel system

User’s manual for channel selective repeater MRx41
M0090a0a.doc Id.-No. 148092 Page 15 29-Mar-00
Configuration of a two channel system
Figure 2-2 illustrates the configuration of a two channel system, containing one
basic module and one extension module.
figure 2-2 Configuration of a two channel system

User’s manual for channel selective repeater MRx41
M0090a0a.doc Id.-No. 148092 Page 16 29-Mar-00
figure 2-3 Main unit with connected extension unit
Configuration of a 4 channel system
Figure 2-3 illustrates the configuration of a 4 channel system. For the configuration
of 3 or 4 channels it is necessary to install a combiner module in the main unit. The
block diagram describes the connection between the channel modules and the
combiner module. The mother board and the control module are not included in the
figure below.
figure 2-4 Configuration of a 4 channel system

User’s manual for channel selective repeater MRx41
M0090a0a.doc Id.-No. 148092 Page 17 29-Mar-00
Configuration of a 6 channel system
figure 2-5 Configuration of a 6 channel system
Configuration of an 8 channel system
figure 2-6 Configuration of an 8 channel system

User’s manual for channel selective repeater MRx41
M0090a0a.doc Id.-No. 148092 Page 18 29-Mar-00
2.1 Channel modules
Two different types of conversion modules have been designed.
1. Basic module: Channel 1, 3, 5 and 7
2. Extension module: Channel 2, 4, 6 and 8
figure 2-7 Top view of basic / extension module
The repeater consists of two amplifier chains, which are connected antiparallel. The
receive path of one direction is connected to the transmit path of the other direction
by a frequency separation unit, in the following denominated as a duplexer, which
combines both signals to an antenna.
The task of the conversion modules is to amplify the receive signals and to convert
them into an intermediate frequency. The signals, then, proceed a filter stage
comprising of highly selective filters, and run through a digital controllable
attenuator. The attenuation can be set in steps of 2 dB, locally or remotely. By using
the same synthesizer frequency, that was used to convert the signals down to
intermediate frequency, the intermediate frequency is mixed up to the original
frequency.
The synthesizer is controlled via an I²C-Bus. In case of a breakdown in mains, gain
and frequency data are non-volatile stored in an EEPROM on board.
Basic
module
Extension
module

User’s manual for channel selective repeater MRx41
M0090a0a.doc Id.-No. 148092 Page 19 29-Mar-00
The filters of the MRx41 series have the bandwidth of a GSM900; GSM1800 or
PCS1900 channel.
The RF output is protected by limiting the output power with an ALC circuitry inside
the module.
High stability against intermodulation is achieved by isolators before and after the
combiner amplifiers, which inhibits crosstalk into the other amplifier path, thus
preventing the generating of parasitic mixing products. The combiner is followed by
a duplexer.
F Note: For the exchange of a channel module or the installation of a new
channel module, the slave address of the synthesizer has to be
set ( see chapter 8.8).
2.2 Termination module
To install a repeater system with an odd channel number ( e.g. 1, 3, 5 or 7 channels
) a termination module has to be installed instead of an extension module. This is
necessary in order to keep the gain balance, otherwise the last channel provides 3
dB more gain and output power.
figure 2-8 Mounting drawing of the termination module

User’s manual for channel selective repeater MRx41
M0090a0a.doc Id.-No. 148092 Page 20 29-Mar-00
2.3 Mother board
The function of the mother board is the communication between the conversion
modules and the control module via the I²C-Bus but also the support of all necessary
DC voltages and connections. All signals are recognized from the mother board
logic. Furthermore each repeater unit has an allocated address set by means of a
rotary switch. The address of the repeater has been set already in the factory. The
rotary switch is located on the left-hand side of the mother board on top of the board.
F Note: Don’t adjust this switch unless it is necessary.
Configuration of the rotary switch to set the address of the repeater unit.
0 = Main Unit ( channel 1 and 2 )
1 = Extension Unit 1 ( channel 3 and 4 )
2 = Extension Unit 2 ( channel 5 and 6 )
3 = Extension Unit ( channel 7 and 8 )
4...F Do not use!
figure 2-9 Top view of the mother board
Mother board
Rotary switch
to set address
of repeater unit
DIP-Switches to
activate the
extension I²C-Bus
OFF
ON

User’s manual for channel selective repeater MRx41
M0090a0a.doc Id.-No. 148092 Page 21 29-Mar-00
2.4 Control module SM2009
The control module SM2009 is a DOS compatible micro computer. The whole
communication between the operator and the repeater can be done via the control
module. By using either the RS232 interface or the PCMCIA slot and a mobile the
repeater can be controlled locally or remotely by using a VT100 terminal, or a PC
emulating the VT100 terminal.
Gain of uplink and downlink can be controlled, channels can be set and status
messages can be received remotely.
The data transfer between the control module SM2009 and the mother board is
realised by the I²C-Bus.
The I²C-Bus concept was developed by Philips for the serial connection of integrated
circuits within one device. Two wires, SDA - serial data and SCL - serial clock, carry
information between the devices connected to the bus. The MRx41 I²C-Bus concept
is working with a bit rate of 1.5 kbit/s. All configuration parameters are stored non-
volatile in an EEPROM on the control module, so that in case of a power supply
failure all user settings can be restored completely.

User’s manual for channel selective repeater MRx41
M0090a0a.doc Id.-No. 148092 Page 22 29-Mar-00
figure 2-10 Topview of control module
(See comments at following page)
BBU switch
ON: No BBU
OFF: BBU in
use
RS 232
(1) PSTN /
Ext. alarms
RAM/RTC
battery
PCMCIA slot
L3
L1 & L2
(2) MR / MOR
DIP Switch
Mode
switch
(3) Software
information
RS 232
not in use
Solder
bridge in
Rev.09

User’s manual for channel selective repeater MRx41
M0090a0a.doc Id.-No. 148092 Page 23 29-Mar-00
(1) External alarms or PSTN modem selection by DIP-Switches
(2) Configuration DIP-Switches for MR or MOR (Master Unit) repeater
(3) Fixed location for labels (control module Id.- No., revision stage, repeater
software, serial number)
figure 2-11 DIP-Switch settings
ON OFF
8MOR MR
7MOR MR
6MOR MR
5MOR MR
4MR MOR
3MR MOR
2MR MOR
1
MR
MOR
ON OFF
8VCC O.C.
7VCC O.C.
6VCC O.C.
5VCC O.C.
4VCC O.C.
3VCC O.C.
2VCC O.C.
1
VCC
O.C.
ON OFF(default
values)
4DO NOT USE! auto
3n.c. n.c.
2remote mode local mode
1
manual auto
ON OFF
4Ext. Alarm 1 PSTN (a)
3Ext. Alarm 2 PSTN (b)
2Ext. Alarm 3 PSTN (c)
1Ext. Alarm 4 PSTN (d)

User’s manual for channel selective repeater MRx41
M0090a0a.doc Id.-No. 148092 Page 24 29-Mar-00
2.5 Duplexer
The receive path of one direction is connected to the transmit path of the other
direction by a frequency separation unit, in the following denominated as a duplexer,
which combines both signals to an antenna.
The task of the duplexer ( see figure 12-2 Layout of the repeater heat sink ) is to
isolate uplink from downlink, i.e. isolate transmit path from receive path. The pass
bandwidth of the duplexer is the required width of the uplink band and the downlink
band respectively in the GSM1800 and PCS1900 band.
2.6 Combiner
After passing through the final stage the signals of all channel groups will be
combined from the combiner module in the UL and in the DL path. The combiner is
only equipped from 3 channels up to 8 channels.and will be followed by the
duplexer. A combiner is not required in an one or two channel repeater.
2.7 Measuring aids
With the built-in RF probe signals can be applied or detected. The probes provide a
coupling factor of 30 dB. This facilitates measurements under all operational
conditions, while an antenna or a dummy load may be connected. Each duplexer is
equipped with one coupler.
2.8 Power supply
The power supply is provided by 230 Vac (optionally 115 Vac or 48 Vdc or 24 Vdc)
mains power. The following figure shows the mounting position of the power supply
in the repeater lid. The secondary voltage is + 8 Vdc for the channel modules and
the mother board logic, + 12 Vdc for the control module.The power supply can be
switched on or off by means of an external switch. The modules of the repeater are
voltage free if the power supply is switched off.
F Note: To switch the whole repeater voltage free, you have to disconnect
the power lead from mains.
The power supply is factory-set ( with load ) to the following voltages and must not
be changed:
• 7.8 V ± 0.1 V
• 12.4 V ± 0.1 V

User’s manual for channel selective repeater MRx41
M0090a0a.doc Id.-No. 148092 Page 25 29-Mar-00
figure 2-12 Mounting position of the power supply
Power supply
Mains fuses
Mains switch
DC voltage
connector
Secondary 10 A fuse
Mains connector

User’s manual for channel selective repeater MRx41
M0090a0a.doc Id.-No. 148092 Page 26 29-Mar-00
3 Functions and features
3.1 Channel selectivity
The selectivity of the conversion modules is achieved by highly selective filters,
designed to meet the requirements of a 200 kHz channel and is necessary in order
not to amplify adjacent channels.
figure 3-1 Channel selectivity
3.2 DL output power
This feature measures the output power in the DL output path of the repeater. If the
output power falls below a certain level an alarm can be released. The power level
and the mask for the alarm can be set by the customer.
The feature shows the provider the output power of the repeater and thus an
optimum of output power can be achieved.
The alarm can be forwarded to an OMC, so that faults and irregularities can be
recognised and eliminated rather quick.
- 3 dB enhancer gain
FC
+400kHz
-400kHz
-600kHz +600kHz
- 35 dB
- 60 dB
- 35 dB
- 60 dB
Nominal enhancer gain
+100kHz
-100kHz

User’s manual for channel selective repeater MRx41
M0090a0a.doc Id.-No. 148092 Page 27 29-Mar-00
Technical data:
Measuring range ( see figure 3-2 )+ 20 dBm to max. output power (+ 33 dBm)
in steps of 2 dB from + 20 dBm to + 30 dBm
and in steps of 1 dB from + 30 dBm to max.
output power (+ 33 dBm)
Alarm threshold can be set in the measuring range
Requirements:
The power output option can be implemented in each MIKOM repeater provided the
repeater operates channel selective in the DL.
figure 3-2 Measuring range
+ 20 dBm + 30 dBm + 33 dBm
Resolution: ± 2 dBm ± 1 dBm
< 20 dBm > +33 dBm
Displayed range
Pout low alarm
ALC alarm
Pout alarm threshold

User’s manual for channel selective repeater MRx41
M0090a0a.doc Id.-No. 148092 Page 28 29-Mar-00
3.3 ALC
In order to protect the amplifiers from overload and to prevent the system to
generate spurious emission, the amplifiers have an Automatic Level Control,
designed to limit the output power to a constant value ( max. output power ). A part
of the output power is decoupled, rectified, amplified and used to control an
attenuator network in the conversion modules. In order to avoid oscillation, the
control amplifier has an integrating characteristic.
The threshold for the ALC can be set manually for each motherboard. The ALC
settings affect both modules on the motherboard for UL and DL separately. The ALC
threshold will be set in the factory and can be found on the test data sheet of the
repeater In case a new module will be mounted or a module will be exchanged the
values for the ALC threshold in each link have to be compared. In case they are
different the higher value has to be set. An increase of the input signal results in an
increase of the output signal. If the output power exceeds the required power, an
ALC alarm is triggered.
3.4 BITE and alarms
The Built-In TEst concept comprises the monitoring of the power supplies, the
operational currents in the conversion modules, the mother board and the remote
control interface. Furthermore the temperature of the repeater is monitored.
There are three multicoloured LEDs mounted on the control module. The LED L3
indicates the presence of +12 Vdc in the repeater. Every alarm is indicated by failure
LEDs, L1 and L2 together ( simultaneously ), mounted on the control module ( see
chapter 2.4 ).
In case a hardware failure is detected the concerning hardware module has to be
replaced. If all alarms have been acknowledged the summary error LEDs are set
back from red to green indication.
F Note: In case of mains power failure all data of the alarm history list are
lost.
In case, a remote alarm should be required, a potential free relay contact can be
used, which is situated on the connecting board.
The following list comprises all available alarms in the repeater. These alarms may
occur in the alarm history list.
NO. ALARM NAME ALARM ACTIVE STATUS
1AMPLIFIER BIAS FAILURE

User’s manual for channel selective repeater MRx41
M0090a0a.doc Id.-No. 148092 Page 29 29-Mar-00
2POWER SUPPLY 8 V FAILURE
3POWER SUPPLY 12 V FAILURE
4POWER SUPPLY MAINS FAILURE
5SYNTH FAILURE
6DOOR OPEN
7VSWR** ALARM
8ALC FAILURE
10 ACCU VOLTAGE** LOW
11 LITHIUM BATTERY VOLTAGE LOW
12 OVERTEMP
13 PWROUT LOW
13 RSSI** LOW
14 INVALID LOGIN ATTEMPT
15 I2C FAILURE
16 OSCILLATION** ALARM
17 GAIN REDUCTION** WARNING
18* EXT. ALARM 1** FAILURE
19* EXT. ALARM 2** FAILURE
20* EXT. ALARM 3** FAILURE
21* EXT. ALARM 4** FAILURE
* Alarm default settings are changeable by software.
** Only available if option is activated by factory.
table 3-1 List of all available alarms

User’s manual for channel selective repeater MRx41
M0090a0a.doc Id.-No. 148092 Page 30 29-Mar-00
3.4.1 Handling of alarms
As soon as the software recognises a valid alarm, a message can be transmitted to
the OMC.
If the repeater is operating in modem mode the alarm message ‘MIKOM>
REPEATER REQUIRES OPERATOR ATTENTION’ will be sent via modem to the
terminal or the OMC. The first of two stored telephone numbers will be dialled. In
case a connection cannot be established the second telephone number will be
dialled. If this should be unsuccessful as well, the call will be repeated after a pre-
set delay. Default setting is 10 minutes. The repetition cycle can be set by software.
The alarm check routine is searching every 10 seconds for alarms ( polling
principal ). To decide whether an alarm is a valid alarm it must remain for 5 polling
cycles, only then it will be recognized and entered in the alarm history. As soon as
the alarm is valid the contacts of the alarm relay at the mother board are set.
Additionally two summary error LEDs are set to red light to indicate an alarm. These
LEDs are mounted on the control module ( see figure 12-3 ).
The entry in the alarm history describes the alarm type, the time and the date when
it occurred. It is not possible to locate the defect module, only the reason.
Entered alarms in the alarm list can be acknowledged by simply ringing back and
typing a software command. It is also possible to acknowledge alarms in local
mode. Acknowledged alarms will be indicated with ‘-ACK’. As soon as the alarms
have been acknowledged the alarm relay will be reset and the summary LEDs
switch back to green light again.
If the same alarm cause occurs again, it will be entered in the alarm list ( not
acknowledged ) after 5 polling cycles. An already acknowledged alarm must have
an interruption of at least 5 polling cycles to be detected by the software as a new
alarm. Only then the alarm will be entered again in the alarm history ( not
acknowledged ). There exists no command to delete the alarm history.
The alarm list has a capacity of about 50 alarm entries. If more alarms occur the
oldest message will be deleted first ( FIFO principle ).
In the software exists no alarm clear message, i.e., the repeater sends no message
to the terminal or the OMC if an alarm has disappeared by itself.

User’s manual for channel selective repeater MRx41
M0090a0a.doc Id.-No. 148092 Page 31 29-Mar-00
3.4.2 Status report
Two instructions enable the operator to get the information of the system status.
Typing GET commands will be responded by a listing of all settings of the repeater.
STATUS will be responded by a listing of all individual status information, which can
be monitored only but not influenced by SET commands.
The complete listing of the dialogue language with the processor of the control
module including the instructions to and the messages from the system is available
as a separate software manual.
3.4.3 Severity levels
This parameter defines five levels of severity for an alarm and can be set in the
alarm mask ( detailed description in the software manual ). The severity levels
indicate how the capability of the managed object has been affected.
The levels are described below and are ordered from most severe to least severe:
- Critical: The critical severity level indicates that a service affecting condition has
occurred and an immediate corrective action is required to restore the
capability of the managed object.
- Major: The major severity level indicates that a service affecting condition has
developed and an urgent corrective action is required. Such a severity
can be reported, for example, when there is a severe degradation in the
capability of the managed object and its full capability must be restored.
- Minor: The minor severity level indicates the existence of a non-service affecting
fault condition and that corrective actions should be taken in order to
prevent a more serious failure. Such a severity can be reported, for
example, when the detected alarm condition is not currently degrading
the capability of the managed object.
- Warning: The warning severity level indicates the detection of a potential or
impending service affecting failure before any significant effect has been
caused. Action should be taken to further diagnose and correction of the
problem shall prevent a more serious service affecting failure.
- Disable: The disable severity level indicates that the detected failure has no
influence on the system and shall not be sent to the terminal or the OMC.
F Note: No entry in the alarm history.

User’s manual for channel selective repeater MRx41
M0090a0a.doc Id.-No. 148092 Page 32 29-Mar-00
4 Optional equipment
Following options are available for the MRx41.
4.1 Remote control via line modem or wireless modem
Three different modem types are available.
• PSTN modem ( DigiTel 34P ), line modem
• Siemens M1 modem; GSM900 mobile kit, wireless modem
• GSM1800 mobile kit, wireless modem
• Mobile kit PCS1900
The repeater will be delivered with a preset init string. This init string was used for
internal tests. In case no connection can be established check the local conditions
and change the init string if necessary.
The following list contains the description of the AT commands:
&F Sets modem to factory configuration
E0 Echo OFF
S0=1 Auto answer ON; the GSM module / M1 modem goes off-hook
after the first ringing signal.
S7=60 Waiting time for connection after dialing; permissible values
are from 0 ... 60.
B13 Setting to 9600 bps asynchronous mode ( M1 specific )
\ N6 Auto reliable operation ( uses RLP ), non transparent ( M1
specific )
\ N0 Standard operation, no error correction, transparent ( M1
specific )
+CBST=7,0,1 Set bearer service type to 9600 bps. Non-transparent
connection ( uses RLP )
X3 Not waiting for dial tone; usually used at PABX.
&K4 Enables XON / XOFF flow control
*P1 To switch on the mobile, used for wireless modems in
combination with PCMCIA card
table 4-1 List of AT commands

User’s manual for channel selective repeater MRx41
M0090a0a.doc Id.-No. 148092 Page 33 29-Mar-00
4.1.1 PSTN modem
A Hayes compatible PSTN modem can be connected to the control module SM
2009 by the control cable, which is subject of the delivery schedule.
figure 4-1 Mounting position of PSTN modem kit
A possible initialisation string for the PSTN modem is:
AT&F X3 E0 S0=2
The telephone cable of a line modem has to be fed through a labelled grommet of
the connector panel and has to be connected to the clamps, mounted on the
connecting board ( see figure 4-4 ).
For the standard modem type DigiTel 34P use clamps 2 and 3 to connect a and b
telephone line.
Control module SM2009 - cable connection modem PCMCIA

User’s manual for channel selective repeater MRx41
M0090a0a.doc Id.-No. 148092 Page 34 29-Mar-00
figure 4-2 Connection of control module and PSTN modem
F Note: External alarms are not available, if a PSTN modem is used and vice
versa.
The following communication mode between control module and VT100 is initially
set for the use of a Hayes-compatible modem.
9600 baud - 8 bit - no parity - 1 stopbit
These settings can only be changed after connection to the terminal. If a different
modem has to be used or if the quality of the line does not allow to use the set
parameters, the settings have to be changed in PC mode. This is the same for all
other parameters, which can be set previously for modem mode by software.
4.1.2 Siemens M1 for GSM900, wireless modem kit
The Siemens M1 modem can be connected to the RS232 port of the control module
SM2009 by a 9-pin ribbon cable which is subject of the delivery schedule.
4.1.3 Motorola modem for GSM1800, wireless modem kit
The wireless modem kit consists of the Motorola mobile ( Traveller ) in combination
with the PCMCIA modem card ( CELLect1 ).
4.1.4 Nokia modem for PCS1900, wireless modem kit
The wireless modem kit consists of the Nokia mobile ( Traveller ) in combination
with the PCMCIA modem card ( CELLect1 ).
All types of modems, independent of the system, will be mounted in the repeater
lid accessible from the outside of the housing. The cables will be fed into the
housing.

User’s manual for channel selective repeater MRx41
M0090a0a.doc Id.-No. 148092 Page 35 29-Mar-00
figure 4-3 Mounting position of PSTN- and wireless modem
A possible init string for the Siemens M1 modem ( GSM900 ) is:
AT E0 S0=1 B13 S7=60 \N6
A possible initialisation string for the Motorola modem ( GSM1800 ) is:
AT&F &K4 E0 S0=2 *P1 \N0+CBST=7,0,1
These are the standard init strings of both systems. If no connection can be
established check the local conditions and change the init string if necessary.
The antenna connection for the wireless modem is on the duplexer ( BTS side ).
figure 4-4 Connection of the antenna cable
Modem
Cover plate with
fixed with 4 Torx
screws
Connector
panel

User’s manual for channel selective repeater MRx41
M0090a0a.doc Id.-No. 148092 Page 36 29-Mar-00
If one of the modems will be used the mode switch 2 of switch on the control
module has to be set to position ON ( see figure 2-11 DIP-Switch settings). To
switch back from local mode to modem mode, disconnect the PC cable from the
control module and connect the ribbon cable of the modem to the RS232 port..
Don’t forget to switch back the DIP-Switch 2 to position ON.
There are two different possibilities to supply modem with DC power.
1. In case a battery backup module is installed, connect the DC connector to the
battery backup module ( see figure 4-5 Battery backup module ).
2. If no battery backup module is installed, connect the DC connector directly to the
control module ( see figure 2-10 Topview of control module).

User’s manual for channel selective repeater MRx41
M0090a0a.doc Id.-No. 148092 Page 37 29-Mar-00
4.2 Battery backup module for modem and control module
Battery backup is provided for the control module to transmit alarm information in
case of power failure. The battery type is a NiCd 8.4V/300 mAh. The battery backup
is sufficient to support multiple dial out attempts via modem in case of ‘system
engaged’ or other communication problems for at least ten minutes under normal
environmental conditions.
The module is directly plugged into the control module. During the charging process
a green LED V7 on the module indicates, that the battery is charged at the moment.
After finishing the process the LED V7 will be switched off.
figure 4-5 Battery backup module
To activate the battery backup module a switch has to be set which is located on the
control module ( see figure 2-10 Topview of control module).
Switch NO BBU BBU
No battery backup
module installed
Battery backup
module installed
Battery backup
module
DC connector for
M1 modem or
Motorola modem
LED V7

User’s manual for channel selective repeater MRx41
M0090a0a.doc Id.-No. 148092 Page 38 29-Mar-00
4.3 LED kit
To get a summary alarm indication at the outside of the repeater it is possible to
install a LED kit at the connector panel of the repeater. This LED is visible at the
outside of the repeater.
figure 4-6 LED kit

User’s manual for channel selective repeater MRx41
M0090a0a.doc Id.-No. 148092 Page 39 29-Mar-00
4.4 VSWR module
The VSWR module measures the voltage standing wave ratio of the DL output
antenna port. If the VSWR falls below approximately 13 dB an alarm is released.
This enables the provider to know the status of the cable to the antenna. If a cable is
defective the VSWR will decrease and the alarm will be released. The alarm can be
forwarded to an OMC, so that faults and irregularities can be recognised and
eliminated rather quick.
Technical data:
VSWR
Measuring range 5 to 15 dB
Frequency range: whole frequency range of the repeater
• 925 to 960 MHz in GSM900/EGSM
• 1805 to 1880 MHz in GSM1800
• 1930 to 1990 MHz in PCS1900
Alarm if VSWR < 13 dB ± 1 dB
Requirements:
The VSWR option can be implemented in each MIKOM repeater. ( Installation of the
option on site not possible! )
4.5 Traffic statistic module
The traffic statistic module is available for MIKOM repeaters, working channel
selective in the uplink path. With this option the network operator gets statistical
information about the efficiency and traffic load of the repeater operating in the
network. The processing and evaluation of the data takes place in the control
module of the repeater together with the required software.
F Note: Traffic will be measured for each channel separately.
The software reads in defined time intervals whether there is a signal above a
specified threshold level on the respective channels or not. This data is assigned to
definite values and these values are read till the next full hour. An average value is
then created and stored in a data list. Date and time of the measurement is given
with this list as well. When executing the respective command the list shows the
traffic load in percent for each hour of the day which is also called performance
data.

User’s manual for channel selective repeater MRx41
M0090a0a.doc Id.-No. 148092 Page 40 29-Mar-00
An example for the performance data from 0 o'clock to 4 o'clock is given in the
following:
Measurement-time Performance-data
00 h ***
01 h 2 %
02 h 5 %
03 h 10 %
04 h 21 %
Since the snapshots are not done synchronously to the time slots, there is
statistically a certain chance to read every time slot in each RF channel several
times.
In case a conversion module is in power down mode, it will not be included in the
traffic calculation. Only enabled channels will be taken into consideration.
Technical data:
Threshold - 95 dBm to - 75 dBm ± 3dBm
t.b.d. by the customer
in steps of 1 dB
Stepwidth of traffic load indication 1 %
Time interval for values each full hour
Requirements:
The Traffic Statistics option can be ordered with each MIKOM repeater provided
the repeater operates channel selective in the uplink. Can be installed on site and
has to be enabled by Mikom ( service ).

User’s manual for channel selective repeater MRx41
M0090a0a.doc Id.-No. 148092 Page 41 29-Mar-00
4.6 ICE module
ICE has been developed to enhance the antenna isolation. This feature enables
repeaters to provide coverage in areas where they were previously not effective due
to physical site limitations, which caused insufficient antenna isolation. Antenna
isolation is the RF loss measured from the donor antenna to the coverage antenna.
The path between these two antennas is a limitation on the repeater. If the gain of
an on-frequency repeater exceeds the path loss, feedback in the form of oscillation
occurs. The isolation is usually dominated by the direct path loss from one antenna
to the other, but multipath can contribute to or even dominate antenna isolation. ICE
cancels the signal from the primary feedback path, thus allowing the gain of the
repeater to be increased.
For the installation of a repeater with the ICE module it is unnecessary to measure
the antenna isolation.
Different types of ICE modules exist depending on the installation delay option. The
following table displays the delay in dependence on the cable length and the
distance between the antennas.
1. If it is possible to calculate the total cable length, the customer can choose the
ICE module with the corresponding delay option.
2. If it is not possible to calculate the total cable length it is possible to choose the
ICE module with all possible delay options.
figure 4-7 Cable length and antenna spacing

User’s manual for channel selective repeater MRx41
M0090a0a.doc Id.-No. 148092 Page 42 29-Mar-00
The following table is valid for a velocity factor of 0.88 representing standard coaxial
cable with foam dielectric ( e.g. 1/2”, 7/8” ).
AS*
[m] 2 4 6 8 10 12 14 16 18 20 22 24 26 Delay
optio
n
CL*
[m] 8.0
-
34.4
6.2
-
32.6
6.0
-
30.9
8.0
-
29.1
10.0
-
27.4
12.0
-
25.6
14.0
-
23.8
16.0
-
22.1
18.0
-
20.3 ----270
ns
34.4
-
60.8
32.6
-
59.0
30.9
-
57.3
29.1
-
55.5
27.4
-
53.8
25.6
-
52.0
23.8
-
50.2
22.1
-
48.5
20.3
-
46.7
20.0
-
45.0
22.0
-
43.2
24.0
-
41.4
26.0
-
39.7
370
ns
60.8
-
87.2
59.0
-
85.4
57.3
-
83.7
55.5
-
81.9
53.8
-
80.2
52.0
-
78.4
50.2
-
76.6
48.5
-
74.9
46.7
-
73.1
45.0
-
71.4
43.2
-
69.6
41.4
-
67.8
39.7
-
66.1
470
ns
>
87.2 >
85.4 >
83.7 >
81.9 >
80.2 >
78.4 >
76.6 >
74.9 >
73.1 >
71.4 >
69.6 >
67.8 >
66.1 570
ns
The following table is valid for a velocity factor of 0.66 representing standard coaxial
cable with PE / PU dielectric ( e.g. RG223, RG8, RG214, RG58 ).
AS*
[m] 2 4 6 8 10 12 14 16 18 20 22 24 26 Delay
optio
n
CL*
[m] 6.0
-
25.8
4.7
-
24.5
6.0
-
23.2
8.0
-
21.8
10.0
–
20.5
12.0
–
19.2
14.0
–
17.9
16.0
–
16.6
-----270
ns
25.8
–
45.6
24.5
–
44.3
23.2
–
43.0
21.8
–
41.6
20.5
–
40.3
19.2
–
39.0
17.9
–
37.7
16.6
–
36.4
18.0
–
35.0
20.0
–
33.7
22.0
–
32.4
24.0
–
31.1
26.0
–
29.8
370
ns
45.6
–
65.4
44.3
–
64.1
43.0
–
62.8
41.6
–
61.4
40.3
–
60.1
39.0
–
58.8
37.7
–
57.5
36.4
–
56.2
35.0
–
54.8
33.7
–
53.5
32.4
–
52.2
31.1
–
50.9
29.8
–
49.6
470
ns
>
65.4 >
64.1 >
62.8 >
61.4 >
60.1 >
58.8 >
57.5 >
56.2 >
54.8 >
53.5 >
52.2 >
50.9 >
49.6 570
ns

User’s manual for channel selective repeater MRx41
M0090a0a.doc Id.-No. 148092 Page 43 29-Mar-00
*AS: Antenna spacing = the main isolation determining path
* CL: Cable length = total length of both cables ( repeater à donor antenna CL1,
repeater à coverage antenna CL2 )
If, due to the cable length, two different ICE modules are possible, the module
with the higher delay option should be used.
F Note: The ICE module will be recognized automatically and must not be
activated by software.
F Note: If the software feature ‘Automatic Gain Setting’ is active, the set
attenuation has to be the same value for all channels in UL and DL.
F Note: Also channels in power down mode have to be set to the same
attenuation like the channels in operation to guarantee a proper
function.
Settings according to the software commands can be found in the software manual.
4.7 RSSI module
The RSSI module provides the monitoring of the receive level of a BTS to a repeater.
It measures the input level of the BCCH channel in the downlink which is achieved
by detecting the RF and converting the level in an ADC into a digital value. The
processing and evaluation of the data takes place in the control module of the
repeater together with the required software.
The RSSI module in combination with the software and the control module provides
the possibility to release an alarm. This alarm can be forwarded to a defined phone
number or to the OMC if the repeater is equipped with a modem or a mobile phone.
The alarm level can be set by the customer by means of the software. This enables
the provider to know the status of his network and to control it if necessary. Faults
and irregularities can thus be recognised and eliminated.
Technical data:
Level range - 80 dBm to - 30 dBm ± 3 dBm
Stepwidth 1 dB
Threshold for alarms t.b.d. within the level range
Requirements:
The RSSI option can be ordered with each MIKOM repeater provided the repeater
operates channel selective in the DL. Hardware can be installed on site. Software
has to be enabled by Mikom ( service ).

User’s manual for channel selective repeater MRx41
M0090a0a.doc Id.-No. 148092 Page 44 29-Mar-00
4.8 External alarms ( for control module Rev. 07 and higher )
With the following option it is possible to monitor 4 external alarms via the repeater
software. Hence the status of the connected device, e.g. UPS , can be monitored.
The DIP-Switches on the control module have to be set to position ‚EXT. ALARM 1 –
4‘ ( see figure 2-11 DIP-Switch settings).
F Note: It is not possible to use 4 external alarms and a PSTN modem at the
same time because the PSTN modem needs already two lines. If a
PSTN modem is required, two external alarms are available.
The contacts of the alarms can be accessed at clamp X2 and X1 of the connecting
board. The electrical connection has to be as follows.
X2: 1 External alarm 1 ( low active )
X2: 2 External alarm 2 ( low acitve )
X2: 3 External alarm 3 ( high active )
X2: 4 External alarm 4 ( high active )
X1: 7 Ground
figure 4-8 Configuration of the clamps
Configuration: 5 V / 0.5 mA max. for open collector applications.
All external alarms are normally high without connection. Due to the fact that the
external alarms 3 and 4 are high active, they have to be connected to ground to
prevent an alarm message.
External alarms 1 ... 4
Ground

User’s manual for channel selective repeater MRx41
M0090a0a.doc Id.-No. 148092 Page 45 29-Mar-00
F Note: The name for each external alarm and the name for the alarm
message can be defined by the customer with the corresponding
software command ( see software manual ).
The following example describes the response for the external alarms to control a
UPS.
Example: External alarms if the UPS is active
EXTERNAL ALARM STATUS
UPS alarm active
Battery low !
UPS door open
Battery door open
or External alarms if the UPS is not active
EXTERNAL ALARM STATUS
UPS not active
Battery OK
UPS door closed
Battery door closed
F Note: A special software blocking must be removed in order to use this
option.This can be carried out only by authorised persons from
MIKOM.

User’s manual for channel selective repeater MRx41
M0090a0a.doc Id.-No. 148092 Page 46 29-Mar-00
5 Installation
5.1 Mechanical specification
figure 5-1 System description
RF connectors:2 connectors 7/16 female
Power supply connection: 3 m power cable
Mechanical dimensions of the F - cabinet: 445 × 255 × 167*/185 mm
( height x width x depth )
*without mounting brackets
Weight: approximately 14 kg ( 15.2 kg with 2
ICE modules ) per unit in standard
configuration
The illustration of chapter 12 provides the dimensions and the view of the layout.
5.2 Environment and safety
For detailed information refer to the environment and safety specification leaflet for
MIKOM indoor / outdoor cell enhancers, related to ETS 300019 (European
Telecommunication Standard).
Operating temperature ( normal temperature range ): + 5° C ... + 40° C
( extreme temperature range ): - 33° C ... + 50° C
Humidity: + 30° C/ 93 %
Protection class: IP 65
BTS
RX Uplink
TX Downlink
RX Downlink
TX Uplink
TX Downlink
RX Uplink
to/from
Mobile Stations to/from
BTS
Repeater System
Mobile
TX Uplink
RX Downlink
Mobile
TX Uplink
RX Downlink
Mobile
TX Uplink
RX Downlink

User’s manual for channel selective repeater MRx41
M0090a0a.doc Id.-No. 148092 Page 47 29-Mar-00
5.3 Mechanical installation
The repeater is typically mounted to either a pole or a wall. The mounting hardware
used is specific to the type of installation. The unit should be positioned so that it is
in a secure location, yet easily accessible for maintenance. There should be enough
clearance ( 1 m radius ) for the door to swing completely open and electrical and
other connections should be easily accessible. Also note that the bend radius of the
cables should not be exceeded when positioning the unit. The repeater shall be
mounted in the vertical plane to a wall or a mast, which means the connectors have
to show down to the bottom.
figure 5-2 Clearance distance
Use the mounting brackets, which are part of the delivery. This will guarantee a
minimum distance between the wall and the repeater housing. The mounting
brackets must be fixed with 4 screws to the wall ( brackets ) and the cabinet must
be fixed with 4 hex socket screws and 2 tyre screws to the mounting brackets.
Check the correspondence of the wall mounting kit and the wall.
F Note: Due to power dissipation the repeater may heat up the air volume
inside the cabinet and reaches a very high temperature. Therefore it
is necessary to mount the repeater in the vertical plane to a wall or a
mast without additional enclosure to provide sufficient ventilation.
Between the housing and the wall a minimum distance must be kept
in order to provide air circulation.
F Note: The weight of the MRx41 is approx. 14 kg in standard configuration.

User’s manual for channel selective repeater MRx41
M0090a0a.doc Id.-No. 148092 Page 48 29-Mar-00
5.3.1 Wall mounting procedure
1. Dismount first the mounting brackets, which are already mounted to the repeater.
Remove the lower screws and the tyre screw completely and loose the upper
screws as far as necessary to remove the brackets.
2. Use the wall mounting template to mark the 4 drilling holes on the surface of the
wall.
3. Mount the bracket to the wall.
4. Now it is possible to align the housing properly.
5. Screw the housing firmly to the wall by using the tire bolts , washers and the hex-
head bolts M8.
Furthermore the repeater should be mounted in a way that there is free access to
the individual units when the door of the repeater is open. Therefore keep a
clearance distance of 1m radius.
figure 5-3 Wall mount procedure

User’s manual for channel selective repeater MRx41
M0090a0a.doc Id.-No. 148092 Page 49 29-Mar-00
For the installation of the extension units keep the required distances between the
units ( see the following figure ).
figure 5-4 Distances between main unit and extension units
5.3.2 Pole mounting procedure
Standard mounting hardware can not be used to mount the MRx41 unit to a pole or
a mast or other similar structure. Additional hardware must be used for this type of
installation. Such pole mounting kit includes:
n 2 threaded rods M8
n 2 U-beam
n mounting material like bolts and nuts
F Note: Two pole mounting kits are required to mount this unit to a pole or a
mast.

User’s manual for channel selective repeater MRx41
M0090a0a.doc Id.-No. 148092 Page 50 29-Mar-00
figure 5-5 Pole mounting kit

User’s manual for channel selective repeater MRx41
M0090a0a.doc Id.-No. 148092 Page 51 29-Mar-00
5.4 Electrical installation
F Note: ESD precautions have to be observed! Before working inside the
cabinet use the available grounding system to connect ESD
protection measures.
The electrical installation has to be performed in accordance with
the safety regulations of the local authorities. Due to safety
reasons the electrical installation must be performed by qualified
personnel. The cover of this unit should not be opened while
power is applied. Subsequent installation, commissioning and
maintenance activities that require the unit to be powered with the
cover open shall only be carried out by suitably qualified
personnel.
5.4.1 Grounding
Grounding has to be performed by all means. An earth bonding cable has to be
connected to the grounding bolt provided at the outside of the cabinet on the left
side. Don’t use the grounding screw for connecting external devices.
The complete grounding bolt is part of the delivery schedule, see the following
figure.
figure 5-6 Grounding bolt
Grounding bolt

User’s manual for channel selective repeater MRx41
M0090a0a.doc Id.-No. 148092 Page 52 29-Mar-00
5.4.2 Connection of the antenna cables
The repeater has two female antenna connectors 7/16. For mounting the
corresponding cable connectors we recommend to refer to the applicable
documentation of the respective connector manufacturer. The bending radius of the
antenna cables must remain within its specification. This will warrant proper
operation of the system; otherwise changes in the electrical behaviour of the cable
might occur which could cause malfunction of the repeater system.
F Note: Do not use a tool to tight the antenna connectors. This might
damage the antenna cable or the antenna connector.
5.4.3 Power connection
Before connecting electrical power to the repeater grounding has to be performed.
The repeater is equipped with a firmly connected power cord H07RN-F 3 x 1.5 mm².
Due to safety reasons the power supply lead of the repeater has to be provided with
a 16 A fuse. In case the length of the power cord should not be sufficient it can be
replaced by a longer cable ( see 8.3 Replacement of the mains cable ).
F Note: The diameter of the power supply lead has to be in the range of
9.5 mm max. and 6.5 mm min.

User’s manual for channel selective repeater MRx41
M0090a0a.doc Id.-No. 148092 Page 53 29-Mar-00
6 Setting to work
6.1 Preparation
F Note: It is not allowed to operate the repeater without termination of the
antenna connections! The termination can be performed by the
antenna connection as well as a dummy load or the 50-Ohm-
terminated connection of ameasuring instrument.
The repeater system has its maximum available gain when the attenuation is set to
zero. In order to check the function of the repeater system on site it is advisable to
operate the repeater system with 50 Ohm termination. This makes it possible to set
the necessary gain and to test the set value without the necessity of transmitting on
air.
F Note: This measurement is not necessary if an ICE module is used.
In order to perform settings the repeater has to be opened. Ensure not to damage
the seals on the modules, which are attached to the conversion modules. Please
note, there is no warranty if seals are broken.
After taking the repeater into service following signals occur during the boot process.
Internal
LED L1 Internal
LED L2 Internal
LED L3 Cause
red green red green green
- - - ll Power on
state,
Software boot
process
starts
Flashes
red short
time
ll Flashes red
short time ll ll Software boot
finished
ll ll ll Program is
running
table 6-1 LED indication
F Note: The boot process takes about 3 minutes.

User’s manual for channel selective repeater MRx41
M0090a0a.doc Id.-No. 148092 Page 54 29-Mar-00
6.2 Setting of operational parameters
There are three different possibilities to set the operational parameters:
- direct manual control by means of rotary switches
- local control via RS232 interface and PC as terminal
- remote control via line modem or wireless modem and PC or OMC as
terminal
6.2.1 Manual settings by means of rotary switches
The manual mode allows the operator to set the required channels and the
attenuation by means of rotary switches. With a small screwdriver, which fits
through the long holes of the conversion modules, the values can be adjusted by
turning the switch carefully to the desired position.
F Note: To enable manual settings of parameters the mode switch DIP-Switch
1 of the mode switch has to be changed from OFF to ON (see figure
2-11 DIP-Switch settings).
F Note: Gain can be set independently for the uplink and downlink path for
both channels commonly in 2 dB steps. It is not possible to set the
gain for each channel separately.
A label on the conversion module, located next to the rotary switch (this label might
be fixed to the inner side of the cabinet as well), illustrates the usage of the rotary
switch (see figure 6-1 Channel rotary switches and gain setting).

User’s manual for channel selective repeater MRx41
M0090a0a.doc Id.-No. 148092 Page 55 29-Mar-00
6.2.1.1 Channel setting
The channel for every conversion module can be set easily by means of a rotary
switch mounted on the mother board. Using a small screwdriver, which fits through
the long hole in the centre of the conversion modules, the channels can be changed
by adjusting the rotary switch to the desired number.
The corresponding frequency follows from chapter 12.4 Frequency / ARFCN table.
figure 6-1 Channel rotary switches and gain setting
Example:
Presumed the desired ARFCN is 120.
The first rotary switch has to be set to 1 (1 x 10²), the second to 2 (2 x 101) and the
third remains at 0 (0 x 10°).
F Note: If a non-existing ARFCN is adjusted, the value will not be accepted.
The previous valid ARFCN will be kept.

User’s manual for channel selective repeater MRx41
M0090a0a.doc Id.-No. 148092 Page 56 29-Mar-00
6.2.2 Local settings via personal computer as terminal
Instead of setting operational parameters manually via rotary switches it is also
possible to use the functions of the control module. The PC mode will be
automatically recognized by the software. The DIP-Switch 2 must be at position
OFF.
A VT100 terminal or a PC with VT100 emulation can be connected to the control
module SM2009 by a standard RS232 cable, if necessary in connection with an
adapter 9 to 25.
Cable connections PC - control module SM2009 ( RS232 )
SUB-D9-connector ( male ) SUB-D)-connector ( male )
1 ) ( 1
2 ) ( 2
3 ) ( 3
4 ) ( 4
5 ) ( 5
6 ) ( 6
7 ) ( 7
8 ) ( 8
9 ) ( 9
The following communication mode between control module and VT100 is set
initially.
9600 baud - 8 bit - no parity -1 stopbit
These settings can only be changed after connection of the terminal. If all wanted
settings have been initialized and a modem has to be used it is recommended to
check, whether the settings comply with the capabilities of the modem and the line.
Modifications are possible by software commands
F Note: Settings on the repeater can be performed after the following
procedure only.
After connecting the PC to the repeater, following procedure is necessary to get
access to the program.
MIKOM REPEATER MRx41 - SM2009 - SW: REP1012V1.xx
ENTER <.> <CR> TO LOGIN

User’s manual for channel selective repeater MRx41
M0090a0a.doc Id.-No. 148092 Page 57 29-Mar-00
1. Step: Type the two keys ( . ) FULLSTOP and (↵) ENTER
You have to type the keys:
2. Step: ENTER USER ID
You have to enter:UserID1 ↵
F Note: The input is case sensitive, no blanks. After three mistrial follow
disconnection. After 5 wrong login attempts the password alarm will
be released.
3. Step: ENTER PASSWORD
You have to enter:P-word1 ↵
F Note: The input is case sensitive, no blanks. After three mistrial follows
disconnection. After 5 wrong login attempts the password alarm will
be released.
6.2.3 Remote control via modem
For a detailed description of remote feature of the MRx41 refer to chapter 4.1.
↵↵
.

User’s manual for channel selective repeater MRx41
M0090a0a.doc Id.-No. 148092 Page 58 29-Mar-00
7 Trouble shooting
7.1 Error indication
• = LED on
- = LED off
1. With implemented battery backup module
Internal
LED L1 Internal
LED L2 Internal
LED L3 Cause
green red green red green
- - - - -
No power.
Check presence of
power at the input;
replace fuse according
to chapter, check
battery backup module
• • • Indicates a
summary failure
• • • Mains failure, control
module is supplied
from battery backup
module
2. Without battery backup module
Internal
LED L1 Internal
LED L2 Internal
LED L3 Cause
green red green red green
- - - - -
No power.
Check presence of
power at the input;
replace fuse according
to chapter 8.2
• • • Indicates a
summary failure

User’s manual for channel selective repeater MRx41
M0090a0a.doc Id.-No. 148092 Page 59 29-Mar-00
7.2 Boot process
Following signals occur during boot process (see table 6-1 LED indication ).The boot
process takes about 3 minutes
7.3 Alarm monitoring with the alarm history
Check the alarm history ( see table 3-1 List of all available alarms ).
1. If a hardware module is damaged, replace corresponding hardware module.
2. Minor alarms with no influence on the system can be cancelled by confirming the
alarm with the software command ‘alarmackn’, e.g., DOOR OPEN.
3. If all alarms have been acknowledged the summary error LEDs will be set back to
green indication.
4. In case of mains power failure the contents of the actual alarm history list will be
lost.
7.4 Power supply
Factory set output voltages ( with load )
• 7.8 V ± 0.1 V
• 12.4 V ± 0.1 V
In case of an I²C-Bus error, also check the power supplies. They must be switched
ON.

User’s manual for channel selective repeater MRx41
M0090a0a.doc Id.-No. 148092 Page 60 29-Mar-00
7.5 General remarks
• After a software download previous user settings ( data default values ) might be
overwritten. Before you start a software download save all user settings:
- ARFCN numbers
- attenuation
- ALC threshold
- temperature compensation offset ( gain )
- phone numbers etc.
• If an ALC alarm occurs during installation or commissioning an user error might
be the cause, due to wrong measurements, e.g.
ALC: Input level too high à reduce gain
• RSSI: Input level too low à check antenna and cables and
attenuators
• Traffic statistic: Measurement is never zero, it is displaying continuously
values even
in periods of low traffic loads, e.g. during night.
Cause: Traffic threshold ( factory setting -95 dBm ) is too low. The
traffic module is then measuring only noise.
Solution: Threshold has to be increased ( contact factory ).

User’s manual for channel selective repeater MRx41
M0090a0a.doc Id.-No. 148092 Page 61 29-Mar-00
8 Maintenance
8.1 General
F Note: The repeater does not require preventative maintenance measures.
It is only recommended to replace the RAM/RTC battery after three years usage as a
prophylactic measure. The nominal lifetime of this battery is five years under normal
environmental conditions.
F Note: The RAM/RTC battery has to be removed for long term storage.
In the event of a malfunction it is advantageous to check the status of the antenna
systems as well as the continuity of the entire cabling including connectors, before
replacing the modules.
Maintenance on the repeater shall be performed only by replacing modules.
Soldering on printed circuit boards shall be avoided. In order to sustain warranty
take care not to damage unintentionally the seals on the modules.
Danger ! Before replacing a module disconnect the repeater from mains and
switch off the battery backup module.
The spare parts list, consequently, contains only units, which can be replaced
without tuning or complex soldering work. Those units are all MIKOM modules,
internal and external cables.
F Note: Defect parts should only be replaced by original parts from MIKOM.
All interventions inside the housing, are at one’s own risk. During
maintenance ensure that the repeater has been disconnected from
mains.

User’s manual for channel selective repeater MRx41
M0090a0a.doc Id.-No. 148092 Page 62 29-Mar-00
8.2 Replacement of the power supply and mains fuses
F Note: Ensure that mains are disconnected and the battery backup module
is switched off.
The power supply is mounted in the lid of the housing. Open the repeater to get
access to the device.
Remove all connected cables from the clamps of the power supply.
The power supply is fastened to the lid of the housing by means of two nuts M4 on
the right-hand side. After loosen the screws the power supply can be removed. To
open these screws use a key with a mobile element ( part of the spare parts kit ).
F Note: Don’t forget to put heat conducting paste on the mounting side for
installation of a new power supply. Use the heat conducting paste,
which is included in the spare parts kit.
The power supply is protected with a secondary 10 A fuse, depending on the power
supply type. In case of a power supply failure exchange these fuses. The power
supply can be equipped with a power socket, which is protected with two mains
fuses, type 2AT/250.
figure 8-1 Mounting position of the power supply and mains fuses
F Note: Use only fuses of the same type and the same rating when replacing!
8.3 Replacement of the mains cable
Power supply
Mains fuses
Nuts

User’s manual for channel selective repeater MRx41
M0090a0a.doc Id.-No. 148092 Page 63 29-Mar-00
The repeater will be delivered with a firmly connected mains cable 3 x 1.5 mm² with
the length of 3 m.
Remove the cover plate with the lock. To open the housing, the upper screws have
to be removed first and than the lower screws. To close the housing proceed in
reverse order. Open the housing by lifting the fixing clamp.
The mains cable is now accessible from the bottom of the heat sink. Open the PG9
threaded joint with a spanner size 17. Inside the housing remove the plastic lid of
the connecting board. Unscrew 3 wires L1, N and PE from the clamps on the
connecting board.
Strip the isolation of the cable to the length of 180 mm and pull it through the cable
gland like depicted in figure 8-2. Inside the housing use the insulated tube.
figure 8-2 Cable gland
For the mounting of a new power supply lead proceed in reverse order.
F Note: The diameter of the power supply lead has to be in the range of
9.5 mm max. and 6.5 mm minimum.

User’s manual for channel selective repeater MRx41
M0090a0a.doc Id.-No. 148092 Page 64 29-Mar-00
8.4 Replacement of the RAM / RTC battery
This battery is responsible for buffering the real time clock circuit. The RAM/RTC
battery of the control module has to be replaced in case of date / time loss or as a
preventive measure after approximately three years usage. In case a battery backup
module is implemented it has to be removed because the RAM/RTC battery is
mounted underneath the module. It is accessible after opening the housing on the
left-hand side in the lid. A software alarm is raised when the battery voltage is low.
F Note: Before replacing the battery, disconnect the repeater from mains and
remove the battery backup module ( if available ). Don’t try to charge
this battery. Observe the rules for changing Lithium batteries. Wrong
connection or treatment may result in bursting of the battery and
dissemination of hazardous substances.
Take off the Lithium battery by means of a small screwdriver, placed between the
battery and the battery socket.
figure 8-3 Position of RAM/RTC battery
Place the
screwdriver
between the socket
and the battery

User’s manual for channel selective repeater MRx41
M0090a0a.doc Id.-No. 148092 Page 65 29-Mar-00
8.5 Replacement of the battery backup module ( option )
The battery backup module consists of a printed circuit which is plugged into the
control module and the accumulator ( NiCd 8.4 V, 270 mAh ). The accumulator is
fixed to the repeater lid on the left-hand side. The accumulators have to be replaced
in case of a software alarm or as a preventive measure after approximately one
years usage to guarantee full capacity in case of a mains failure. The nominal
lifetime of the accumulators is three years.
F Note: Before replacing the battery backup module, disconnect the repeater
from mains first and switch off the battery backup module.
The battery backup module is accessible after opening the housing on the left-hand
side in the lid.
Before dismounting the module from the socket, release the three snap-in lockings.
Remove the DC cable ( from the wireless modem kit ), which is plugged into the
battery backup module. Now it is possible to remove the battery backup module by
pulling carefully the module. The accumulator can now be removed by placing a
small screwdriver between the accumulator and the holding clamp. Insert a new
accumulator by pressing the device into the holding clamp. Insert the battery backup
module. Finally connect the DC cable of the wireless modem.
figure 8-4 Battery backup module
*Option
Snap-in
lockings
Accumulator
Battery backup
module
DC cable from
modem

User’s manual for channel selective repeater MRx41
M0090a0a.doc Id.-No. 148092 Page 66 29-Mar-00
8.6 Duplexer
• Duplexer UL out:
Remove the combiner ( if installed ).
If the duplexer has to be replaced dismount the connecting board first ( see chapter
8.10 ).
The duplexer and the basic module are mounted close together. It is easier to
remove the duplexer by dismounting the basic module first.
Remove the ribbon cable connected to the mother board.
Remove the RF cables on the side of the UL output, by loosing the SMA connector
by means of a torque wrench.
Unscrew the four counter sunk screws M3 at the connector panel.
• Duplexer DL out
Remove the RF cables on the DL out, by loosing the SMA connector by means of a
torque wrench.
Unscrew the four counter sunk screws M3 at the connector panel.
The duplexer and the extension module are mounted close together. It is easier to
remove the duplexer by dismounting the extension module first.

User’s manual for channel selective repeater MRx41
M0090a0a.doc Id.-No. 148092 Page 67 29-Mar-00
8.7 PSTN modem kit ( option )
The modem is situated in the lid of the housing. Push the button on the control
module to release the modem and pull the card out of the PCMCIA card holder.
Disconnect the PSTN cable which is plugged into the control module. Now it is
possible to take out the modem card.
figure 8-5 PSTN modem kit
* Option
Release
button

User’s manual for channel selective repeater MRx41
M0090a0a.doc Id.-No. 148092 Page 68 29-Mar-00
8.8 Channel modules
To remove the basic module, disconnect the SMA connectors by means of a torque
wrench.
Unscrew six hex socket screws by means of a hex socket key. Pull carefully by
means of the mounting strap, fixed on the channel module and take off the module.
To remove the extension module, proceed in the same way.
F Note: The basic and the extension modules are not interchangeable
For the exchange of a channel module or the installation of a new channel module,
the slave address of the synthesizer has to be set. This can be done by means of
hex-coded rotary switches mounted on the bottom side of the modules ( see
following figure ).
figure 8-6 Position of hex coded rotary switches
The configuration of the slave address for each channel group is as follows:
Basic Module
UL DL Extension
Module
UL DL
Channel 1 0 1 2 3 Channel 2
Channel 3 4 5 6 7 Channel 4
Channel 5 8 9 A B Channel 6
Channel 7 C D EFChannel 8
table 8-1 Configuration of hex-coded rotary switches
Hex-coded rotary
switch for DL
Hex-coded rotary
switch for UL
Bottom view

User’s manual for channel selective repeater MRx41
M0090a0a.doc Id.-No. 148092 Page 69 29-Mar-00
8.9 ICE module
Each module requires an own ICE-module. Both have to be adjusted together
because they are not compatible with other modules. The ICE module will be
mounted on top of the channel module. It is screwed tight by use of 3 hex socket
screws. Unscrew these screws and pull at the mounting strap and take off the
module.
If an ICE module will be implemented for the first time remove the small lid on top of
the basic or extension module. Now it is possible to connect the ICE module to the
basic or extension module. Screw it tight by means of 3 hex socket screws.
8.10 Connecting board
The connecting board is mounted on top of the UL duplexer on the right-hand side in
the heat sink. Remove the plastic lid which is fixed to the connecting board. The
connecting board is screwed to the duplexer by means of three tallow-drop screws
M3.
F Note: Disconnect repeater from mains first!
Disconnect the ribbon cable, mains cable, the cable to the power supply and
grounding cable.
figure 8-7 Connecting board

User’s manual for channel selective repeater MRx41
M0090a0a.doc Id.-No. 148092 Page 70 29-Mar-00
9 Spare parts list
The following list contains all parts available for the MRx41. The configuration of the
delivered unit meets the requirements of the customer and can differ depending on
the state of delivery.
9.1 Spare parts for MR341
Designation Id.-No.
MR341
150025 MR341EGSM
150031 MR341GSM-
R
150037
Assembly drawing main unit 147612
Assembly drawing lid 147614
Assembly drawing RF-cable plan 147619
Assembly material 149334
Cable set 147572
Duplexer UL INPUT 150302 150310 150312
Duplexer DL INPUT 150303 150311 150313
Basic Module for ICE 150120 150120 150122
Extension Module for ICE 150121 150121 150123
Termination Module 3dB 146521
3dB Option kit 147583 147584 147584
ICE Module for 120MHz all delay times 150656
ICE Module for 120MHz 570 ns 150655
ICE Module for 120MHz 470 ns 150654
ICE Module for 120MHz 370 ns 145061
ICE Module for 120MHz 270 ns 150653
Power Supply, 80-130Vac, no plug 152551
Power Supply, 80-130Vac 149222
Power Supply, 85-140Vac 151831
Power Supply, 230Vac ±15%, no plug 144306
Power Supply, 160-320Vac 149221
Power Supply, 185-320Vac, no plug 148812
Power Supply, 24Vdc 151965
M1 Kit 900 MHz 150699
Mobile Kit GSM/DCS 150698
Modem Kit PSTN 143112
Power Out SW-Option 145478
RSSI SW-Option 148970
Traffic SW-Option 148971
Noise Red. SW-option 149233
Accu SW-option 149235
VSWR Kit GSM + EGSM 143437
Ext. Alarms SW-Option 145067

User’s manual for channel selective repeater MRx41
M0090a0a.doc Id.-No. 148092 Page 71 29-Mar-00
Battery Backup Module 143052
LED-Kit 145106
Adapter 112425
SW MOB100 V1.10 143055
SW REP1012 V1.10 147926
Mother Board 148968
Connecting Board 142362
Control Unit SM2009 143051
Pole mounting kit 145687
Wall mounting kit 150519
Spare parts kit 143480
Front panel small compl. 152574
Retainer Reed Magnet 144309
DC-cable ready made 147970
AC-cable ready made 143032
Manual REP1012V1.xx 148972
Manual MRx41 (F-cabinet) 148092

User’s manual for channel selective repeater MRx41
M0090a0a.doc Id.-No. 148092 Page 72 29-Mar-00
9.2 Spare parts for MR441
Designation Id.-No.
MR441
150000 MR441
150006 MR441
150012 MR441
150018
Assembly drawing main unit 147612
Assembly drawing lid 147614
Assembly drawing RF-cable plan 147619 147619 147619
Assembly material 149334
Cable set 147573
Duplexer UL INPUT 150300 150304 150306 150308
Duplexer DL INPUT 150301 150305 150307 150309
Basic Module for ICE 150102 150608 150608 150102
Extension Module for ICE 150103 150611 150611 150103
Termination Module 3dB 146521
3dB Option kit 147584
ICE Module for 120MHz all delay times 150656
ICE Module for 120MHz 570 ns 150655
ICE Module for 120MHz 470 ns 150654
ICE Module for 120MHz 370 ns 145061
ICE Module for 120MHz 270 ns 150653
Power Supply, 80-130Vac, no plug 152551
Power Supply, 80-130Vac 149222
Power Supply, 85-140Vac 151831
Power Supply, 230Vac ±15%, no plug 144306
Power Supply, 160-320Vac 149221
Power Supply, 185-320Vac, no plug 148812
Power Supply, 24Vdc 151965
Mobile Kit GSM/DCS 150698
Modem Kit PSTN 143112
Power Out SW-Option 145478
RSSI SW-Option 148970
Traffic SW-Option 148971
Noise Red. SW-option 149233
Accu SW-option 149235
VSWR Kit DCS 143436
Ext. Alarms SW-Option 145067
Battery Backup Module 143052
LED-Kit 145106
Adapter 112425
SW MOB100 V1.10 143055
SW REP1012 V1.10 147926
Mother Board 148968
Connecting Board 142362

User’s manual for channel selective repeater MRx41
M0090a0a.doc Id.-No. 148092 Page 73 29-Mar-00
Control Unit SM2009 143051
Pole mounting kit 145687
Wall mounting kit 150519
Spare parts kit 143480
Front panel small compl. 152574
Retainer Reed Magnet 144310
DC-cable conf. 147970
AC-cable conf. 143032
Manual REP1012V1.xx 148972
Manual MRx41 (F-cabinet) 148092

User’s manual for channel selective repeater MRx41
M0090a0a.doc Id.-No. 148092 Page 74 29-Mar-00
9.3 Spare parts for MR741
Designation Id.-No.
MR741
150595 MR741
150596 MR741
151782
Assembly drawing main unit 147612
Assembly drawing lid 147614
Assembly material 149334
Cable set 147573
Duplexer UL INPUT 144382 144384 151072
Duplexer DL INPUT 144381 144383 151073
Basic Module for ICE 150591 150593 150593
Extension Module for ICE 150592 150594 150594
Termination Module 3dB 146521
3dB Option kit 147584
ICE Module for 120MHz all delay times 150656
ICE Module for 120MHz 570 ns 150655
ICE Module for 120MHz 470 ns 150654
ICE Module for 120MHz 370 ns 145061
ICE Module for 120MHz 270 ns 150653
Power Supply, 80-130Vac, no plug 152551
Power Supply, 80-130Vac 149222
Power Supply, 85-140Vac 151831
Power Supply, 230Vac ±15%, no plug 144306
Power Supply, 160-320Vac 149221
Power Supply, 185-320Vac, no plug 148812
Power Supply, 24Vdc 151965
Mobile Kit PCS 150405
Modem Kit PSTN 143112
Power Out SW-Option 145478
RSSI SW-Option 148970
Traffic SW-Option 148971
Noise Red. SW-option 149233
Accu SW-option 149235
Ext. Alarms SW-Option 145067
Battery Backup Module 143052
LED-Kit 145106
Adapter 112425
SW MOB100 V1.10 143055
SW REP1012 V1.10 147926
Mother Board 148968
Connecting Board 142362
Control Unit SM2009 143051
Pole mounting kit 145687

User’s manual for channel selective repeater MRx41
M0090a0a.doc Id.-No. 148092 Page 75 29-Mar-00
Wall mounting kit 150519
Spare parts kit 143480
Front panel small compl. 152574
Retainer Reed Magnet 144310
DC-cable conf. 147970
AC-cable conf. 152024
Manual REP1012V1.xx 148972
Manual MRx41 (F-cabinet) 148092

User’s manual for channel selective repeater MRx41
M0090a0a.doc Id.-No. 148092 Page 76 29-Mar-00
10 Configuration list
The actual configuration of the repeater system has been entered on a separate list
at delivery. This configuration list is subject of the delivery schedule providing actual
information of Mikom part number, serial number and revision status of the repeater.
Whenever parts should be replaced the user is kindly asked to update the list.
F Note: Whenever parts should be replaced the user is kindly asked to
update the list.

User’s manual for channel selective repeater MRx41
M0090a0a.doc Id.-No. 148092 Page 77 29-Mar-00
11 Appendix
11.1 Electrical specifications MR341
Bandwidth in UL and DL Up to 25 MHz in the GSM900 band
Number of channels 2 max. (in one F-cabinet)
Bandwidth of a channel 200 kHz min.
Selectivity of a channel 35 dB @ ± 400 kHz; 60 dB @ ± 600 kHz
Channel selection Manually or controlled remotely
Output power (@ 25° C
amb.temp.)
32.5 dBm min. per channel at 2 channels
NOTE: The output power per channel will be
reduced if the system is upgraded:
3.5 dB power reduction @ 4 channels
5.5 dB power reduction @ 6 channels
7.0 dB power reduction @ 8 channels
Spurious due to intermodulation - 36 dBm
ALC reaction time 3 msec. (others available on request)
Gain at max. gain setting 85.0 dB @ 2 channels
81.5 dB @ 4 channels
79.5 dB @ 6 channels
78.0 dB @ 8 channels
Tolerance of the gain over full
bandwidth and temperature
± 2.0 dB over normal temperature range*
± 3.0 dB over extreme temperature range**
Set range of the gain 30 dB typ. in steps of 2 dB locally or remotely
Tolerance per gain step ± 0.5 dB from 0 to 6 dB attenuation
± 2.0 dB from 8 to 30 dB attenuation
Delay < 7 µs (Variation ± 200 ns)
Noise figure 5 dB @ max. gain; 8 dB @ min. gain
Return loss 15 dB (@ 25° C amb. temp.)
Power supply 220...250 Vac / 40...60 Hz;
Option: +15...+24 Vdc or ± 48Vdc or 115 Vac
/ 40...60 Hz
Power consumption 20 W + 45 W/channel + 8 W / ICE module
(efficiency of power supply excluded; 75 % -
90 %)
Connectors 7/16 female; N as an option
Remote control interface SM 2009

User’s manual for channel selective repeater MRx41
M0090a0a.doc Id.-No. 148092 Page 78 29-Mar-00
Built in test equipment Current monitor • synthesizer lock monitor •
temperature • ALC active • output power
Alarm forwarding Potential free relay contact and automatic
alarm call via RS232 or PCMCIA interface (via
PSTN modem or mobile)
Control functions Gain • Channel • ALC threshold

User’s manual for channel selective repeater MRx41
M0090a0a.doc Id.-No. 148092 Page 79 29-Mar-00
11.2 Electrical specifications MR441
Bandwidth in UL and DL Up to 35 MHz in the GSM1800 band
Number of channels 2 max. (in one F-cabinet)
Bandwidth of a channel 200 kHz min.
Selectivity of a channel 35 dB @ ± 400 kHz; 60 dB @ ± 600 kHz
Channel selection Manually or controlled remotely
Output power (@ 25° C
amb.temp.)
32.5 dBm min. per channel at 2 channels
NOTE: The output power per channel will be
reduced if the system is upgraded:
3.5 dB power reduction @ 4 channels
5.5 dB power reduction @ 6 channels
7.0 dB power reduction @ 8 channels
Spurious due to intermodulation - 30 dBm
ALC reaction time 3 msec. (others available on request)
Gain at max. gain setting 85.0 dB @ 2 channels
81.5 dB @ 4 channels
79.5 dB @ 6 channels
78.0 dB @ 8 channels
Tolerance of the gain over full
bandwidth and temperature
± 2.5 dB over normal temperature range*
± 3.5 dB over extreme temperature range**
Set range of the gain 30 dB typ. in steps of 2 dB locally or remotely
Tolerance per gain step ± 0.5 dB from 0 to 6 dB attenuation
± 2.0 dB from 8 to 30 dB attenuation
Delay < 7 µs (Variation ± 200 ns)
Noise figure 5 dB @ max. gain; 8 dB @ min. gain
Return loss 15 dB (@ 25° C amb. temp.)
Power supply 220...250 Vac / 40...60 Hz;
Option: +15...+24 Vdc or ± 48Vdc or 115 Vac
/ 40...60 Hz
Power consumption 20 W + 25 W/channel + 8 W / ICE module
(efficiency of power supply excluded; 75 % -
90 %)
Connectors 7/16 female; N as an option
Remote control interface SM 2009
Built in test equipment Current monitor • synthesizer lock monitor •
temperature • ALC active • output power

User’s manual for channel selective repeater MRx41
M0090a0a.doc Id.-No. 148092 Page 80 29-Mar-00
Alarm forwarding Potential free relay contact and automatic
alarm call via RS232 or PCMCIA interface (via
PSTN modem or mobile)
Control functions Gain • Channel • ALC threshold

User’s manual for channel selective repeater MRx41
M0090a0a.doc Id.-No. 148092 Page 81 29-Mar-00
11.3 Electrical specifications MR741
Bandwidth in UL and DL Up to 35 MHz in the PCS1900 band
Number of channels 2 max. (in one F-cabinet)
Bandwidth of a channel 200 kHz min.
Selectivity of a channel 35 dB @ ± 400 kHz; 60 dB @ ± 600 kHz
Channel selection Manually or controlled remotely
Output power (@ 25° C
amb.temp.)
32.5 dBm min. per channel at 2 channels
NOTE: The output power per channel will be
reduced if the system is upgraded:
3.5 dB power reduction @ 4 channels
5.5 dB power reduction @ 6 channels
7.0 dB power reduction @ 8 channels
Spurious due to intermodulation - 13 dBm
ALC reaction time 3 msec. (others available on request)
Gain at max. gain setting 85.0 dB @ 2 channels
81.5 dB @ 4 channels
79.5 dB @ 6 channels
78.0 dB @ 8 channels
Tolerance of the gain over full
bandwidth and temperature
± 2.5 dB over normal temperature range*
± 3.5 dB over extreme temperature range**
Set range of the gain 30 dB typ. in steps of 2 dB locally or remotely
Tolerance per gain step ± 0.5 dB from 0 to 6 dB attenuation
± 2.0 dB from 8 to 30 dB attenuation
Delay < 7 µs (Variation ± 200 ns)
Noise figure 5 dB @ max. gain; 8 dB @ min. gain
Return loss 15 dB (@ 25° C amb. temp.)
Power supply 220...250 Vac / 40...60 Hz;
Option: +15...+24 Vdc or ± 48Vdc or 115 Vac
/ 40...60 Hz
Power consumption 20 W + 25 W/channel + 8 W / ICE module
(efficiency of power supply excluded; 75 % -
90 %)
Connectors 7/16 female; N as an option
Remote control interface SM 2009

User’s manual for channel selective repeater MRx41
M0090a0a.doc Id.-No. 148092 Page 82 29-Mar-00
Built in test equipment Current monitor • synthesizer lock monitor •
temperature • ALC active • output power
Alarm forwarding Potential free relay contact and automatic
alarm call via RS232 or PCMCIA interface (via
PSTN modem or mobile)
Control functions Gain • Channel • ALC threshold
* normal temperature range: + 5° C to + 40° C;
** extreme temperature range: - 33° C to + 50° C.

User’s manual for channel selective repeater MRx41
M0090a0a.doc Id.-No. 148092 Page 83 29-Mar-00
11.4 Options for MRx41
OPTIONS MRx41
Downlink options
VSWR (Voltage standing
wave ratio) VSWR can be measured. The threshold for the VSWR alarm
is 13 dB ± 1 dB.
Remote control To remotely control RF and optical Repeaters different
interfaces are available: RS232 wire connection, PSTN and
wireless modems.
MIKOM offers a unique Repeater OMC software package
based on a windows platform; it can also support an Unix
interface to forward alarms. This OMC software provides
network, configuration and fault management.
Repeater battery backup is available for 20 minutes and 2
hours. Further backup times are available as well.
Battery backup
If backup is only required for the control interface and the
modem, low capacity batteries are available to operate
controller and modem for at least 10 minutes.
RSSI Input level of the BCCH channel is measured and displayed
through a terminal software or the MIKOM Repeater OMC.
Level range is - 80 to - 30 dBm.
I.C.E. Interference Cancellation Equipment for electronic
improvement of antenna isolation and stability control by
software. I.C.E. electronically improves antenna isolation
more than 20 dB.
Uplink options
Traffic statistics module Traffic load for each uplink channel is indicated in time
intervals of 60 minutes. It is monitored in steps from
1...100 %, through terminal software or MIKOM Repeater
OMC software package.
Noise management Reduces the gain of the Repeater for time slots not in use.
This reduces the noise power injection into the BTS.
I.C.E. Interference Cancellation Equipment for electronic
improvement of antenna isolation and stability control by
software. I.C.E. electronically improves antenna isolation
more than 20 dB.
All data is subject to change without notice!

User’s manual for channel selective repeater MRx41
M0090a0a.doc Id.-No. 148092 Page 84 29-Mar-00
12 Installation
12.1 Drawing of the repeater
figure 12-1 Installation drawing

User’s manual for channel selective repeater MRx41
M0090a0a.doc Id.-No. 148092 Page 85 29-Mar-00
12.2 Layout of the repeater ( heat sink )
figure 12-2 Layout of the repeater heat sink
ICE module
Basic module
Connecting
board
Antenna
connectors
Extension module
Heat sink
Duplexer
ICE module
Extension
connector with
protection cover
Grounding bolt
RF probe RF probe
Lock
Cable glands for
PSTN-, alarm line
or external LED

User’s manual for channel selective repeater MRx41
M0090a0a.doc Id.-No. 148092 Page 86 29-Mar-00
12.3 Layout of the repeater ( lid )
figure 12-3 Layout of the repeater
Lock
Repeater lid
Control module
Battery backup
module
Accumulator
Door contact
Power supply
Mains switch
L1, L2, L3
Cables to modem
Local / remote
interface
Grounding
connection

User’s manual for channel selective repeater MRx41
M0090a0a.doc Id.-No. 148092 Page 87 29-Mar-00
12.4 ARFCN / Frequency tables for MR341, MR441 and MR741
The following table provides all information about ARFCN and its corresponding
frequencies for the MR341 for UL and DL.
ARFCN Frequency Frequency ARFCN Frequency Frequency
number MHz MHz number MHz MHz
UL DL UL DL
1890.2 935.2 41 898.2 943.2
2890.4 935.4 42 898.4 943.4
3890.6 935.6 43 898.6 943.6
4890.8 935.8 44 898.8 943.8
5891.0 936.0 45 899.0 944.0
6891.2 936.2 46 899.2 944.2
7891.4 936.4 47 899.4 944.4
8891.6 936.6 48 899.6 944.6
9891.8 936.8 49 899.8 944.8
10 892.0 937.0 50 900.0 945.0
11 892.2 937.2 51 900.2 945.2
12 892.4 937.4 52 900.4 945.4
13 892.6 937.6 53 900.6 945.6
14 892.8 937.8 54 900.8 945.8
15 893.0 938.0 55 901.0 946.0
16 893.2 938.2 56 901.2 946.2
17 893.4 938.4 57 901.4 946.4
18 893.6 938.6 58 901.6 946.6
19 893.8 938.8 59 901.8 946.8
20 894.0 939.0 60 902.0 947.0
21 894.2 939.2 61 902.2 947.2
22 894.4 939.4 62 902.4 947.4
23 894.6 939.6 63 902.6 947.6
24 894.8 939.8 64 902.8 947.8
25 895.0 940.0 65 903.0 948.0
26 895.2 940.2 66 903.2 948.2
27 895.4 940.4 67 903.4 948.4
28 895.6 940.6 68 903.6 948.6
29 895.8 940.8 69 903.8 948.8
30 896.0 941.0 70 904.0 949.0
31 896.2 941.2 71 904.2 949.2
32 896.4 941.4 72 904.4 949.4
33 896.6 941.6 73 904.6 949.6
34 896.8 941.8 74 904.8 949.8
35 897.0 942.0 75 905.0 950.0
36 897.2 942.2 76 905.2 950.2
37 897.4 942.4 77 905.4 950.4
38 897.6 942.6 78 905.6 950.6
39 897.8 942.8 79 905.8 950.8
40 898.0 943.0 80 906.0 951.0

User’s manual for channel selective repeater MRx41
M0090a0a.doc Id.-No. 148092 Page 88 29-Mar-00
81 906.2 951.2 103 910.6 955.6
82 906.4 951.4 104 910.8 955.8
83 906.6 951.6 105 911.0 956.0
84 906.8 951.8 106 911.2 956.2
85 907.0 952.0 107 911.4 956.4
86 907.2 952.2 108 911.6 956.6
87 907.4 952.4 109 911.8 956.8
88 907.6 952.6 110 912.0 957.0
89 907.8 952.8 111 912.2 957.2
90 908.0 953.0 112 912.4 957.4
91 908.2 953.2 113 912.6 957.6
92 908.4 953.4 114 912.8 957.8
93 908.6 953.6 115 913.0 958.0
94 908.8 953.8 116 913.2 958.2
95 909.0 954.0 117 913.4 958.4
96 909.2 954.2 118 913.6 958.6
97 909.4 954.4 119 913.8 958.8
98 909.6 954.6 120 914.0 959.0
99 909.8 954.8 121 914.2 959.2
100 910.0 955.0 122 914.4 959.4
101 910.2 955.2 123 914.6 959.6
102 910.4 955.4 124 914.8 959.8

User’s manual for channel selective repeater MRx41
M0090a0a.doc Id.-No. 148092 Page 89 29-Mar-00
The following table provides all information about ARFCN and its corresponding
frequencies for the MR341 EGSM for UL and DL.
ARFCN Frequency Frequency ARFCN Frequency Frequency
number MHz MHz number MHz MHz
UL DL UL DL
975 880,2 925,2 1000 885,2 930,2
976 880,4 925,4 1001 885,4 930,4
977 880,6 925,6 1002 885,6 930,6
978 880,8 925,8 1003 885,8 930,8
979 881,0 926,0 1004 886,0 931,0
980 881,2 926,2 1005 886,2 931,2
981 881,4 926,4 1006 886,4 931,4
982 881,6 926,6 1007 886,6 931,6
983 881,8 926,8 1008 886,8 931,8
984 882,0 927,0 1009 887,0 932,0
985 882,2 927,2 1010 887,2 932,2
986 882,4 927,4 1011 887,4 932,4
987 882,6 927,6 1012 887,6 932,6
988 882,8 927,8 1013 887,8 932,8
989 883,0 928,0 1014 888,0 933,0
990 883,2 928,2 1015 888,2 933,2
991 883,4 928,4 1016 888,4 933,4
992 883,6 928,6 1017 888,6 933,6
993 883,8 928,8 1018 888,8 933,8
994 884,0 929,0 1019 889,0 934,0
995 884,2 929,2 1020 889,2 934,2
996 884,4 929,4 1021 889,4 934,4
997 884,6 929,6 1022 889,6 934,6
998 884,8 929,8 1023 889,8 934,8
999 885,0 930,0

User’s manual for channel selective repeater MRx41
M0090a0a.doc Id.-No. 148092 Page 90 29-Mar-00
The following table provides all information about ARFCN and its corresponding
frequencies for the MR441 for UL and DL.
ARFCN Frequency Frequency ARFCN Frequency Frequency
number MHz MHz number MHz MHz
UL DL UL DL
550 1717.8 1812.8
512 1710.2 1805.2 551 1718.0 1813.0
513 1710.4 1805.4 552 1718.2 1813.2
514 1710.6 1805.6 553 1718.4 1813.4
515 1710.8 1805.8 554 1718.6 1813.6
516 1711.0 1806.0 555 1718.8 1813.8
517 1711.2 1806.2 556 1719.0 1814.0
518 1711.4 1806.4 557 1719.2 1814.2
519 1711.6 1806.6 558 1719.4 1814.4
520 1711.8 1806.8 559 1719.6 1814.6
521 1712.0 1807.0 560 1719.8 1814.8
522 1712.2 1807.2 561 1720.0 1815.0
523 1712.4 1807.4 562 1720.2 1815.2
524 1712.6 1807.6 563 1720.4 1815.4
525 1712.8 1807.8 564 1720.6 1815.6
526 1713.0 1808.0 565 1720.8 1815.8
527 1713.2 1808.2 566 1721.0 1816.0
528 1713.4 1808.4 567 1721.2 1816.2
529 1713.6 1808.6 568 1721.4 1816.4
530 1713.8 1808.8 569 1721.6 1816.6
531 1714.0 1809.0 570 1721.8 1816.8
532 1714.2 1809.2 571 1722.0 1817.0
533 1714.4 1809.4 572 1722.2 1817.2
534 1714.6 1809.6 573 1722.4 1817.4
535 1714.8 1809.8 574 1722.6 1817.6
536 1715.0 1810.0 575 1722.8 1817.8
537 1715.2 1810.2 576 1723.0 1818.0
538 1715.4 1810.4 577 1723.2 1818.2
539 1715.6 1810.6 578 1723.4 1818.4
540 1715.8 1810.8 579 1723.6 1818.6
541 1716.0 1811.0 580 1723.8 1818.8
542 1716.2 1811.2 581 1724.0 1819.0
543 1716.4 1811.4 582 1724.2 1819.2
544 1716.6 1811.6 583 1724.4 1819.4
545 1716.8 1811.8 584 1724.6 1819.6
546 1717.0 1812.0 585 1724.8 1819.8
547 1717.2 1812.2 586 1725.0 1820.0
548 1717.4 1812.4 587 1725.2 1820.2
549 1717.6 1812.6 588 1725.4 1820.4

User’s manual for channel selective repeater MRx41
M0090a0a.doc Id.-No. 148092 Page 91 29-Mar-00
589 1725.6 1820.6 633 1734.4 1829.4
590 1725.8 1820.8 634 1734.6 1829.6
591 1726.0 1821.0 635 1734.8 1829.8
592 1726.2 1821.2 636 1735.0 1830.0
593 1726.4 1821.4 637 1735.2 1830.2
594 1726.6 1821.6 638 1735.4 1830.4
595 1726.8 1821.8 639 1735.6 1830.6
596 1727.0 1822.0 640 1735.8 1830.8
597 1727.2 1822.2 641 1736.0 1831.0
598 1727.4 1822.4 642 1736.2 1831.2
599 1727.6 1822.6 643 1736.4 1831.4
600 1727.8 1822.8 644 1736.6 1831.6
601 1728.0 1823.0 645 1736.8 1831.8
602 1728.2 1823.2 646 1737.0 1832.0
603 1728.4 1823.4 647 1737.2 1832.2
604 1728.6 1823.6 648 1737.4 1832.4
605 1728.8 1823.8 649 1737.6 1832.6
606 1729.0 1824.0 650 1737.8 1832.8
607 1729.2 1824.2 651 1738.0 1833.0
608 1729.4 1824.4 652 1738.2 1833.2
609 1729.6 1824.6 653 1738.4 1833.4
610 1729.8 1824.8 654 1738.6 1833.6
611 1730.0 1825.0 655 1738.8 1833.8
612 1730.2 1825.2 656 1739.0 1834.0
613 1730.4 1825.4 657 1739.2 1834.2
614 1730.6 1825.6 658 1739.4 1834.4
615 1730.8 1825.8 659 1739.6 1834.6
616 1731.0 1826.0 660 1739.8 1834.8
617 1731.2 1826.2 661 1740.0 1835.0
618 1731.4 1826.4 662 1740.2 1835.2
619 1731.6 1826.6 663 1740.4 1835.4
620 1731.8 1826.8 664 1740.6 1835.6
621 1732.0 1827.0 665 1740.8 1835.8
622 1732.2 1827.2 666 1741.0 1836.0
623 1732.4 1827.4 667 1741.2 1836.2
624 1732.6 1827.6 668 1741.4 1836.4
625 1732.8 1827.8 669 1741.6 1836.6
626 1733.0 1828.0 670 1741.8 1836.8
627 1733.2 1828.2 671 1742.0 1837.0
628 1733.4 1828.4 672 1742.2 1837.2
629 1733.6 1828.6 673 1742.4 1837.4
630 1733.8 1828.8 674 1742.6 1837.6
631 1734.0 1829.0 675 1742.8 1837.8
632 1734.2 1829.2 676 1743.0 1838.0

User’s manual for channel selective repeater MRx41
M0090a0a.doc Id.-No. 148092 Page 92 29-Mar-00
677 1743.2 1838.2 721 1752.0 1847.0
678 1743.4 1838.4 722 1752.2 1847.2
679 1743.6 1838.6 723 1752.4 1847.4
680 1743.8 1838.8 724 1752.6 1847.6
681 1744.0 1839.0 725 1752.8 1847.8
682 1744.2 1839.2 726 1753.0 1848.0
683 1744.4 1839.4 727 1753.2 1848.2
684 1744.6 1839.6 728 1753.4 1848.4
685 1744.8 1839.8 729 1753.6 1848.6
686 1745.0 1840.0 730 1753.8 1848.8
687 1745.2 1840.2 731 1754.0 1849.0
688 1745.4 1840.4 732 1754.2 1849.2
689 1745.6 1840.6 733 1754.4 1849.4
690 1745.8 1840.8 734 1754.6 1849.6
691 1746.0 1841.0 735 1754.8 1849.8
692 1746.2 1841.2 736 1755.0 1850.0
693 1746.4 1841.4 737 1755.2 1850.2
694 1746.6 1841.6 738 1755.4 1850.4
695 1746.8 1841.8 739 1755.6 1850.6
696 1747.0 1842.0 740 1755.8 1850.8
697 1747.2 1842.2 741 1756.0 1851.0
698 1747.4 1842.4 742 1756.2 1851.2
699 1747.6 1842.6 743 1756.4 1851.4
700 1747.8 1842.8 744 1756.6 1851.6
701 1748.0 1843.0 745 1756.8 1851.8
702 1748.2 1843.2 746 1757.0 1852.0
703 1748.4 1843.4 747 1757.2 1852.2
704 1748.6 1843.6 748 1757.4 1852.4
705 1748.8 1843.8 749 1757.6 1852.6
706 1749.0 1844.0 750 1757.8 1852.8
707 1749.2 1844.2 751 1758.0 1853.0
708 1749.4 1844.4 752 1758.2 1853.2
709 1749.6 1844.6 753 1758.4 1853.4
710 1749.8 1844.8 754 1758.6 1853.6
711 1750.0 1845.0 755 1758.8 1853.8
712 1750.2 1845.2 756 1759.0 1854.0
713 1750.4 1845.4 757 1759.2 1854.2
714 1750.6 1845.6 758 1759.4 1854.4
715 1750.8 1845.8 759 1759.6 1854.6
716 1751.0 1846.0 760 1759.8 1854.8
717 1751.2 1846.2 761 1760.0 1855.0
718 1751.4 1846.4 762 1760.2 1855.2
719 1751.6 1846.6 763 1760.4 1855.4
720 1751.8 1846.8 764 1760.6 1855.6

User’s manual for channel selective repeater MRx41
M0090a0a.doc Id.-No. 148092 Page 93 29-Mar-00
765 1760.8 1855.8 809 1769.6 1864.6
766 1761.0 1856.0 810 1769.8 1864.8
767 1761.2 1856.2 811 1770.0 1865.0
768 1761.4 1856.4 812 1770.2 1865.2
769 1761.6 1856.6 813 1770.4 1865.4
770 1761.8 1856.8 814 1770.6 1865.6
771 1762.0 1857.0 815 1770.8 1865.8
772 1762.2 1857.2 816 1771.0 1866.0
773 1762.4 1857.4 817 1771.2 1866.2
774 1762.6 1857.6 818 1771.4 1866.4
775 1762.8 1857.8 819 1771.6 1866.6
776 1763.0 1858.0 820 1771.8 1866.8
777 1763.2 1858.2 821 1772.0 1867.0
778 1763.4 1858.4 822 1772.2 1867.2
779 1763.6 1858.6 823 1772.4 1867.4
780 1763.8 1858.8 824 1772.6 1867.6
781 1764.0 1859.0 825 1772.8 1867.8
782 1764.2 1859.2 826 1773.0 1868.0
783 1764.4 1859.4 827 1773.2 1868.2
784 1764.6 1859.6 828 1773.4 1868.4
785 1764.8 1859.8 829 1773.6 1868.6
786 1765.0 1860.0 830 1773.8 1868.8
787 1765.2 1860.2 831 1774.0 1869.0
788 1765.4 1860.4 832 1774.2 1869.2
789 1765.6 1860.6 833 1774.4 1869.4
790 1765.8 1860.8 834 1774.6 1869.6
791 1766.0 1861.0 835 1774.8 1869.8
792 1766.2 1861.2 836 1775.0 1870.0
793 1766.4 1861.4 837 1775.2 1870.2
794 1766.6 1861.6 838 1775.4 1870.4
795 1766.8 1861.8 839 1775.6 1870.6
796 1767.0 1862.0 840 1775.8 1870.8
797 1767.2 1862.2 841 1776.0 1871.0
798 1767.4 1862.4 842 1776.2 1871.2
799 1767.6 1862.6 843 1776.4 1871.4
800 1767.8 1862.8 844 1776.6 1871.6
801 1768.0 1863.0 845 1776.8 1871.8
802 1768.2 1863.2 846 1777.0 1872.0
803 1768.4 1863.4 847 1777.2 1872.2
804 1768.6 1863.6 848 1777.4 1872.4
805 1768.8 1863.8 849 1777.6 1872.6
806 1769.0 1864.0 850 1777.8 1872.8
807 1769.2 1864.2 851 1778.0 1873.0
808 1769.4 1864.4 852 1778.2 1873.2

User’s manual for channel selective repeater MRx41
M0090a0a.doc Id.-No. 148092 Page 94 29-Mar-00
853 1778.4 1873.4 870 1781.8 1876.8
854 1778.6 1873.6 871 1782.0 1877.0
855 1778.8 1873.8 872 1782.2 1877.2
856 1779.0 1874.0 873 1782.4 1877.4
857 1779.2 1874.2 874 1782.6 1877.6
858 1779.4 1874.4 875 1782.8 1877.8
859 1779.6 1874.6 876 1783.0 1878.0
860 1779.8 1874.8 877 1783.2 1878.2
861 1780.0 1875.0 878 1783.4 1878.4
862 1780.2 1875.2 879 1783.6 1878.6
863 1780.4 1875.4 880 1783.8 1878.8
864 1780.6 1875.6 881 1784.0 1879.0
865 1780.8 1875.8 882 1784.2 1879.2
866 1781.0 1876.0 883 1784.4 1879.4
867 1781.2 1876.2 884 1784.6 1879.6
868 1781.4 1876.4 885 1784.8 1879.8
869 1781.6 1876.6

User’s manual for channel selective repeater MRx41
M0090a0a.doc Id.-No. 148092 Page 95 29-Mar-00
The following table provides all information about ARFCN and its corresponding
frequencies for the MR741 for UL and DL.
ARFCN Frequency Frequency ARFCN Frequency Frequency
number MHz MHz number MHz MHz
UL DL UL DL
512 1850.2 1930.2 551 1858.0 1938.0
513 1850.4 1930.4 552 1858.2 1938.2
514 1850.6 1930.6 553 1858.4 1938.4
515 1850.8 1930.8 554 1858.6 1938.6
516 1851.0 1931.0 555 1858.8 1938.8
517 1851.2 1931.2 556 1859.0 1939.0
518 1851.4 1931.4 557 1859.2 1939.2
519 1851.6 1931.6 558 1859.4 1939.4
520 1851.8 1931.8 559 1859.6 1939.6
521 1852.0 1932.0 560 1859.8 1939.8
522 1852.2 1932.2 561 1860.0 1940.0
523 1852.4 1932.4 562 1860.2 1940.2
524 1852.6 1932.6 563 1860.4 1940.4
525 1852.8 1932.8 564 1860.6 1940.6
526 1853.0 1933.0 565 1860.8 1940.8
527 1853.2 1933.2 566 1861.0 1941.0
528 1853.4 1933.4 567 1861.2 1941.2
529 1853.6 1933.6 568 1861.4 1941.4
530 1853.8 1933.8 569 1861.6 1941.6
531 1854.0 1934.0 570 1861.8 1941.8
532 1854.2 1934.2 571 1862.0 1942.0
533 1854.4 1934.4 572 1862.2 1942.2
534 1854.6 1934.6 573 1862.4 1942.4
535 1854.8 1934.8 574 1862.6 1942.6
536 1855.0 1935.0 575 1862.8 1942.8
537 1855.2 1935.2 576 1863.0 1943.0
538 1855.4 1935.4 577 1863.2 1943.2
539 1855.6 1935.6 578 1863.4 1943.4
540 1855.8 1935.8 579 1863.6 1943.6
541 1856.0 1936.0 580 1863.8 1943.8
542 1856.2 1936.2 581 1864.0 1944.0
543 1856.4 1936.4 582 1864.2 1944.2
544 1856.6 1936.6 583 1864.4 1944.4
545 1856.8 1936.8 584 1864.6 1944.6
546 1857.0 1937.0 585 1864.8 1944.8
547 1857.2 1937.2 586 1865.0 1945.0
548 1857.4 1937.4 587 1865.2 1945.2
549 1857.6 1937.6 588 1865.4 1945.4
550 1857.8 1937.8 589 1865.6 1945.6

User’s manual for channel selective repeater MRx41
M0090a0a.doc Id.-No. 148092 Page 96 29-Mar-00
590 1865.8 1945.8 634 1874.6 1954.6
591 1866.0 1946.0 635 1874.8 1954.8
592 1866.2 1946.2 636 1875.0 1955.0
593 1866.4 1946.4 637 1875.2 1955.2
594 1866.6 1946.6 638 1875.4 1955.4
595 1866.8 1946.8 639 1875.6 1955.6
596 1867.0 1947.0 640 1875.8 1955.8
597 1867.2 1947.2 641 1876.0 1956.0
598 1867.4 1947.4 642 1876.2 1956.2
599 1867.6 1947.6 643 1876.4 1956.4
600 1867.8 1947.8 644 1876.6 1956.6
601 1868.0 1948.0 645 1876.8 1956.8
602 1868.2 1948.2 646 1877.0 1957.0
603 1868.4 1948.4 647 1877.2 1957.2
604 1868.6 1948.6 648 1877.4 1957.4
605 1868.8 1948.8 649 1877.6 1957.6
606 1869.0 1949.0 650 1877.8 1957.8
607 1869.2 1949.2 651 1878.0 1958.0
608 1869.4 1949.4 652 1878.2 1958.2
609 1869.6 1949.6 653 1878.4 1958.4
610 1869.8 1949.8 654 1878.6 1958.6
611 1870.0 1950.0 655 1878.8 1958.8
612 1870.2 1950.2 656 1879.0 1959.0
613 1870.4 1950.4 657 1879.2 1959.2
614 1870.6 1950.6 658 1879.4 1959.4
615 1870.8 1950.8 659 1879.6 1959.6
616 1871.0 1951.0 660 1879.8 1959.8
617 1871.2 1951.2 661 1880.0 1960.0
618 1871.4 1951.4 662 1880.2 1960.2
619 1871.6 1951.6 663 1880.4 1960.4
620 1871.8 1951.8 664 1880.6 1960.6
621 1872.0 1952.0 665 1880.8 1960.8
622 1872.2 1952.2 666 1881.0 1961.0
623 1872.4 1952.4 667 1881.2 1961.2
624 1872.6 1952.6 668 1881.4 1961.4
625 1872.8 1952.8 669 1881.6 1961.6
626 1873.0 1953.0 670 1881.8 1961.8
627 1873.2 1953.2 671 1882.0 1962.0
628 1873.4 1953.4 672 1882.2 1962.2
629 1873.6 1953.6 673 1882.4 1962.4
630 1873.8 1953.8 674 1882.6 1962.6
631 1874.0 1954.0 675 1882.8 1962.8
632 1874.2 1954.2 676 1883.0 1963.0
633 1874.4 1954.4 677 1883.2 1963.2

User’s manual for channel selective repeater MRx41
M0090a0a.doc Id.-No. 148092 Page 97 29-Mar-00
678 1883.4 1963.4 722 1892.2 1972.2
679 1883.6 1963.6 723 1892.4 1972.4
680 1883.8 1963.8 724 1892.6 1972.6
681 1884.0 1964.0 725 1892.8 1972.8
682 1884.2 1964.2 726 1893.0 1973.0
683 1884.4 1964.4 727 1893.2 1973.2
684 1884.6 1964.6 728 1893.4 1973.4
685 1884.8 1964.8 729 1893.6 1973.6
686 1885.0 1965.0 730 1893.8 1973.8
687 1885.2 1965.2 731 1894.0 1974.0
688 1885.4 1965.4 732 1894.2 1974.2
689 1885.6 1965.6 733 1894.4 1974.4
690 1885.8 1965.8 734 1894.6 1974.6
691 1886.0 1966.0 735 1894.8 1974.8
692 1886.2 1966.2 736 1895.0 1975.0
693 1886.4 1966.4 737 1895.2 1975.2
694 1886.6 1966.6 738 1895.4 1975.4
695 1886.8 1966.8 739 1895.6 1975.6
696 1887.0 1967.0 740 1895.8 1975.8
697 1887.2 1967.2 741 1896.0 1976.0
698 1887.4 1967.4 742 1896.2 1976.2
699 1887.6 1967.6 743 1896.4 1976.4
700 1887.8 1967.8 744 1896.6 1976.6
701 1888.0 1968.0 745 1896.8 1976.8
702 1888.2 1968.2 746 1897.0 1977.0
703 1888.4 1968.4 747 1897.2 1977.2
704 1888.6 1968.6 748 1897.4 1977.4
705 1888.8 1968.8 749 1897.6 1977.6
706 1889.0 1969.0 750 1897.8 1977.8
707 1889.2 1969.2 751 1898.0 1978.0
708 1889.4 1969.4 752 1898.2 1978.2
709 1889.6 1969.6 753 1898.4 1978.4
710 1889.8 1969.8 754 1898.6 1978.6
711 1890.0 1970.0 755 1898.8 1978.8
712 1890.2 1970.2 756 1899.0 1979.0
713 1890.4 1970.4 757 1899.2 1979.2
714 1890.6 1970.6 758 1899.4 1979.4
715 1890.8 1970.8 759 1899.6 1979.6
716 1891.0 1971.0 760 1899.8 1979.8
717 1891.2 1971.2 761 1900.0 1980.0
718 1891.4 1971.4 762 1900.2 1980.2
719 1891.6 1971.6 763 1900.4 1980.4
720 1891.8 1971.8 764 1900.6 1980.6
721 1892.0 1972.0 765 1900.8 1980.8

User’s manual for channel selective repeater MRx41
M0090a0a.doc Id.-No. 148092 Page 98 29-Mar-00
766 1901.0 1981.0 789 1905.6 1985.6
767 1901.2 1981.2 790 1905.8 1985.8
768 1901.4 1981.4 791 1906.0 1986.0
769 1901.6 1981.6 792 1906.2 1986.2
770 1901.8 1981.8 793 1906.4 1986.4
771 1902.0 1982.0 794 1906.6 1986.6
772 1902.2 1982.2 795 1906.8 1986.8
773 1902.4 1982.4 796 1907.0 1987.0
774 1902.6 1982.6 797 1907.2 1987.2
775 1902.8 1982.8 798 1907.4 1987.4
776 1903.0 1983.0 799 1907.6 1987.6
777 1903.2 1983.2 800 1907.8 1987.8
778 1903.4 1983.4 801 1908.0 1988.0
779 1903.6 1983.6 802 1908.2 1988.2
780 1903.8 1983.8 803 1908.4 1988.4
781 1904.0 1984.0 804 1908.6 1988.6
782 1904.2 1984.2 805 1908.8 1988.8
783 1904.4 1984.4 806 1909.0 1989.0
784 1904.6 1984.6 807 1909.2 1989.2
785 1904.8 1984.8 808 1909.4 1989.4
786 1905.0 1985.0 809 1909.6 1989.6
787 1905.2 1985.2 810 1909.8 1989.8
788 1905.4 1985.4

User’s manual for channel selective repeater MRx41
M0090a0a.doc Id.-No. 148092 Page 99 29-Mar-00
Index
A
Abbreviations 8
Address of MIKOM 11
Alarm history 28, 59
Alarms
Acknowledgement of 30
External alarms 44
Handling of 30
Indication with LEDs 28
List of all alarms 29
Relay contact 28
ALC 19, 28
ALC threshold 28
Antenna connectors 52
AT commands 32
B
Battery backup module 37
BITE 28
Boot process 59
C
Channel
Setting of 55
Setting via PC 56
Channel / frequency table MR341 87
Channel / frequency table MR341EGSM 89
Channel / frequency table MR441 90
Channel / frequency table MR741 95
Channel selectivity 26
Combiner 24
Configuration list 76
Configurations 14
eight channel system 17
four channel system 16
one channel system 14
six channel system 17
two channel system 15
Contents of delivery 9
Control module 21
Conversion modules 18
Basic module 18
Extension modules 18
D
DigiTel 34P 33
DL output power 26
Duplexer 18, 24
E
EEPROM 19, 21
Environmental and safety 46
F
Functional description 14
G
Gain
Settings via modem 33
Grounding 51
H
Health and safety warnings 10
I
I²C-Bus 21
ICE module 41, 69
Installation
electrical 51
Mechanical 47
Intended purpose 13
Interfaces 21
RS232 21
International sales offices 12
L
LEDs 28
Local settings 54, 56
M
M1 modem 34
Maintenance 61
Mikom part numbers 70, 72, 74
Modem 56
Modem types
PSTN 33
wireless modem 34
Mother board 20
P
Pole mount procedure 49
Power connection 52
Power supply 24
R
Remote control via modem 32
Replacement of
Power supply 62
Replacement of
battery backup module 65

User’s manual for channel selective repeater MRx41
M0090a0a.doc Id.-No. 148092 Page 100 29-Mar-00
connecting board 69
Conversion modules 68
duplexer 66
ICE module 69
mains cable 63
mains fuses 62
PSTN modem 67
RAM / RTC battery 64
RF probes 24
Rotary switch
To set address of Repeater unit 20
To set channels 55
To set the gain 54
RSSI module 43
S
Setting to work 53
Severity levels 31
Spare parts kit 9
Spare parts list 70
Specifications
electrical 77, 79, 81
mechanical 46
Status report 31
Synthesizer 19
T
Termination module 19
Traffic statistic module 39
Trouble shooting 58
W
Wall mount procedure 48