Anywave Communication Technologies MPTV 1 kW DTV ATSC Transmitter User Manual

Anywave Communication Technologies, Inc. 1 kW DTV ATSC Transmitter

User Manual

     ANYWAVE ATSC 1KW DTV Transmitter User Manual Version 1.6 February 12, 2014
    ATSC 1KW DTV TX User Manual  Version 1.6 02/12/2014    Page 2 of 47     Copyright Notice Copyright © Anywave Communication Technologies, Inc. 2013, All rights reserved. No part of this publication may be reproduced, translated, transcribed, stored in a retrieval system, or transmitted into any form or by any means, without the express written permission of Anywave Communication Technologies, Inc.  Disclaimer Information provided by Anywave Communication Technologies is believed to be accurate and complete; however, no liability can be assumed for its use. The information contained in this publication is subject to change without notice.                   Anywave Communication Technologies Inc. 300 Knightsbridge Parkway, Suite 150, Lincolnshire, IL 60069 Tel: +1 (847) 415-2258 Fax: +1 (847) 415-2112 http://www.anywavecom.com/en/
    ATSC 1KW DTV TX User Manual  Version 1.6 02/12/2014    Page 3 of 47    Contents   1 Overview .......................................................................................... 4 2 Specifications.................................................................................... 6 3 TX Control Unit................................................................................ 7 4 ATSC ACT-5X Digital Exciter ....................................................... 10 5 600W UHF Power Amplifier .......................................................... 12 6 TX System Interconnect ................................................................. 15 7 Theory of Operation ....................................................................... 16 8 Quick Start Guide – to safely turning on your Transmitter ............ 18 9 Local (Touch Screen) User Interface .............................................. 20 10 Remote (Web) User Interface ........................................................ 37
    ATSC 1KW DTV TX User Manual  Version 1.6 02/12/2014    Page 4 of 47     1 Overview The ATSC 1000W DTV transmitter comes in single and dual exciter configurations, providing a control unit (with a front panel LCD and built-in preamp), two power amplifiers, a power splitter and combiner, and a power supply system.         EXCITER CONTROL UNIT POWER AMPLIFIER #1 POWER AMPLIFIER #2 INPUT   MAINS BREAKER
    ATSC 1KW DTV TX User Manual  Version 1.6 02/12/2014    Page 5 of 47     A  rear  view  of  the  cabinet  (shown  below  -  with  the  back  panel  removed)  highlights  the remaining system components – including the combiner, output coupler, reject load (with fan), AC distribution and output stack of the transmitter.     Controller Exciter PA 1 PA 2 AC Distribution Sys Reject Load w/fan Combiner Coupler Output Stack
    ATSC 1KW DTV TX User Manual  Version 1.6 02/12/2014    Page 6 of 47    2 Specifications   RF Output  Connector:        1 5/8”, 50 Ω  Frequency:        470~860 MHz, in steps of 1 Hz  Rated Power:        1kW (rms)  Level Stability:       < ±0.2 dB  MER:          > 35 dB  Amplitude Flatness:     < ±0.5 dB  Shoulder Level:     < - 50 dB (after correction)  Return Loss:          > 16 dB  Environment  Operation Temperature:     0  ℃  ~ +40  ℃  Operation Humidity:      < 95 % (non-condensing)  Atmospheric Pressure:      86 kPa ~ 106 kPa  Power Supply  Voltage:            220/380 VAC, three phase 4-wire  Frequency:          50/60 Hz      Power Consumption:    5940 W @ 1170 W output (27 A / 220 V)  Other  Cooling System:      Forced air cooling  Control Interface:      Front panel, Ethernet and RS232  Size (HxWxD):      1270 mm x 584 mm x 914 mm   Note 1. The electrical interface characteristics are measured under normal conditions. Values may vary. 2. Operating in abnormal conditions may result in damage to the equipment. Long operating hours in severe environments may reduce the reliability of the entire system, which may cause permanent damage to equipment. Make sure all electrical interface characteristics and environmental parameters are within the defined range listed above before operating this equipment.
    ATSC 1KW DTV TX User Manual  Version 1.6 02/12/2014    Page 7 of 47    3 TX Control Unit The TX Control Unit consists of a pre-amp (1xBLF571 driving 2xBLF881 devices), a splitter and  a  powerful  control  system.  It  receives  the  RF  inputs  from  the  exciters,  performs  the  pre-amplification, and finally sends 2 RF outputs (1x 0°and 1x 90) to the two PA modules. It also receives various RF signals for detection and monitoring.  Front panel The front panel of Control Unit is shown below.   Color touch screen  NORMAL/EMERGENCY    NORMAL:  It’s the default mode of the transmitter for most of the operating time. In NORMAL  mode,  all  protection  mechanisms  are  enabled,  including  over-drive,  high reflected power, high absorbed power, etc.  EMERGENCY: It’s a mode to force a transmitter to send out TX power when it enters some protection mode and therefore shuts down its output in NORMAL mode. Twist the NORMAL/EMERGENCY  switch  90 °clockwise  to  switch  from  NORMAL  to EMERGENCY.  Please  Note:  In  EMERGENCY  mode,  all  protection  mechanism  is disabled.  LED_NORMAL  If the green light is ON, then the transmitter is working in NORMAL mode.  LED_EMEGENCY  If the yellow light is ON, then the transmitter is working in EMERGENCY mode.  LED_ALARM  If there is any alarm, the red light is ON, and the transmitter will shut down its output. The most common alarms include: Over-drive/over-current of PA modules or Preamp, high reflected power of PA modules or Preamp, high absorbed power, over temperature of PA modules or Preamp, etc. Please refer to Status Bar and LOG from the touch screen of Control Unit for details.
    ATSC 1KW DTV TX User Manual  Version 1.6 02/12/2014    Page 8 of 47    Rear Panel The rear panel of Control Unit is shown below:    RF_MON: Loop out of RF_OUT1/RF_OUT2 for monitoring  RF_IN_A/RF_IN_B  Connector:          N  Impedance:        50 Ω  Note: To receive the RF_OUT signal from Exciter_A / Exciter_B          RF_OUT_1/RF_OUT_2  Connector:          N  Impedance:        50 Ω  Note: Sends pre amplified RF signal to the inputs of PA modules   PR_IN (TX Reflected Power)  Connector:          BNC  Impedance:        50 Ω  Note: To receive feedback signal from Directional Coupler for Reflected Power detection and monitoring.    PF_IN (TX Forward Power)  Connector:          BNC  Impedance:        50 Ω  Note: To receive feedback signal from Directional Coupler for Forward Power detection and monitoring.  PL_IN (TX Load Reject Power)  Connector:          BNC  Impedance:        50 Ω  Note: To receive feedback signal from Directional Coupler and Load for Absorbed Power detection and monitoring    AUX_IN (reserved)  GPRS (reserved)  ERS485-A/ERS485-B:  To  be  connected  to  REMOTE  of  Exciter_A/Exciter_B  for  internal communication between exciters and Control Unit.  PRS485-1/PRS485-2:  To  be  connected  to  RS485  of  PA610-1/PA610-2  for  internal communication between PA modules and Control Unit.  RS232: To be connected to a computer for external serial protocol communication with Control Unit for remote control.
    ATSC 1KW DTV TX User Manual  Version 1.6 02/12/2014    Page 9 of 47     LAN: 10M/100M Ethernet port for web-based remote control (ipaddress: 192.168.1.210)  AC INPUT/FUSE: 100-240 VAC  Power Switch: ON/OFF
    ATSC 1KW DTV TX User Manual  Version 1.6 02/12/2014    Page 10 of 47    4 ATSC ACT-5X Digital Exciter Front Panel   LCD:   40×2 LCD with power saving backlight 6 Buttons :   Left, Right, Up, Down, OK, ESC   6 LEDs: When in Exciter mode: LED_TS1:  Green light on indicates TS1 is selected and the input TS signal is OK LED_TS2:  Green light on indicates TS2 is selected and the input TS signal is OK LED_TSErr:  Red light on indicates the selected input signal has error  When in Translator mode: LED_ TS1:  Green light on indicates the synchronization of input RF signal is OK LED_TS2:  Green light on indicates the equalization of input RF signal is OK LED_TSErr:  Red light on indicates there is synchronization error or equalization error  In both Exciter and Translator mode: LED_ GPS:  Green light on indicates GPS connected and locked LED_ RFON: Green light on indicates system ready and RF on LED_ SysErr: A flashing red LED indicates the presence of a system error A solid red LED indicates the unit is in "Local (LCL)" control mode, and when this LED is off, this indicates that the unit is in "Remote (RMT)" control mode  1 BNC connector:   RFMON:      Reserved
    ATSC 1KW DTV TX User Manual  Version 1.6 02/12/2014    Page 11 of 47     Rear Panel    RF_IN_A:      Feedback signal, sampled after the band-pass filter (-5 to -15dBm) RF_IN_B:      Feedback signal, sampled before the band-pass filter (-5 to -15dBm) AGC_IN:       Feedback DC voltage for AGC control (0-5VDC) RF_MON:      Loop out of RF_OUT for monitoring (-25 dB below RF_OUT) RF_OUT:  Main  RF  signal  output  of  exciter,  to  be  connected  to RF_IN_A/RF_IN_B of Control Unit (nominal 0 dBm output) DRYLOOP:        Dry loop for remote control REMOTE:    To be connected to ERS485-A/ERS485-B of Control Unit for internal communication between exciters and Control Unit REMOTE (RJ45-B):  10M/100M Ethernet for remote control (ipaddress: 192.168.1.143) TSoIP (RJ45-A):    Reserved 10M_IN:       10 MHz input from external GPS receiver 1PPS_IN:      1 PPS input from external GPS receiver TS_IN_1:      The first port of TS inputs, DVB-ASI only TS_OUT_1:      Loop out of [TS_IN_1] for monitoring     TS_IN_2:      The second port of TS inputs, DVB-ASI only TS_OUT_2:      Loop out of [TS_IN_2] for monitoring TUNER_IN:      Received RF signal input    Note: Please refer to the ACT-5X Exciter User Manual for more details of operations.
    ATSC 1KW DTV TX User Manual  Version 1.6 02/12/2014    Page 12 of 47    5 600W UHF Power Amplifier This TX is fitted with two UHF-610 PA modules to produce a total 1000W of output power after the BPF. Each module consists of two 2 pallets (a total of 4 BLF888A devices).  Front Panel The front panel of PA UHF-610 is shown as below. The LED indicators and ports are listed below.   LED_PWR    Green light will be on when the DC voltage of internal power supply is within the normal range (48 VDC ~ 52 VDC).  Green light will flash when the DC voltage of internal power supply is out of the normal range (48 VDC ~ 52 VDC).  Green light will be off when the external power supply is turned off, or internal power supply module does not work.  LED_RS485  Green light will flash once per second when the internal communication is normal.  Green light will stay constantly on or off when the internal communication is abnormal.  LED_FWD  Blue light will be on when TX power level is stable and higher than 10 W.  Blue light will flash once per second during the ramp up process and the TX power level is higher than 10 W.  Blue light will be off when the TX power level is less than 10 W, or it’s turned off by configuration or for protection. There are several situations which will result in auto-protection mode, such as the input power is too high, the reflected power is too high, or the temperature is too high. When the transmitter reboots, the default setting of TX status is OFF.  LED_ALARM  Red light will be on if there is any alarm and TX output will be shut down  Red light will be off if there is no alarm
    ATSC 1KW DTV TX User Manual  Version 1.6 02/12/2014    Page 13 of 47    Note:   1) The front fan covers can be removed to clean the air intake path. No screw driver is needed, and no disassembly of the PA is required. 2) When a warning occurs and the PA enters auto-protection mode, the only way to clear this state is to cycle power on the PA module once the problem(s) is resolved. Otherwise all warning LEDs will remain on even if the problem(s) no longer exists.  Rear Panel The rear panel of PA UHF-610 is shown below with ports described as follows.   RF_IN  Connector:        N  Impedance:        50 Ω  Note: To receive RF signal from RFOUT1/RFOUT2 of Control Unit.  RF_OUT  Connector:          7/16 DIN  Impedance:        50 Ω  Note: To send out RF signal to the input of Power Combiner (attached to the cabinet). It must always be connected to a load.  RF MON (loop out of RF_OUT)  Connector:        BNC female    Impedance:        50 Ω  Note: It is OK to leave this port open without load.  RS485  Connector:          DB9-M  Note: To be connected to PRS485-1/ PRS485-2 of Control Unit for internal communication between PA and Control Unit.  AC220V input: To be connected with Power Supply System.
    ATSC 1KW DTV TX User Manual  Version 1.6 02/12/2014    Page 14 of 47     Power Switch: ON/OFF Note:   1) The back fan covers can also be removed to clean the air intake path. No screw driver is needed, and no disassembly of the PA is required.
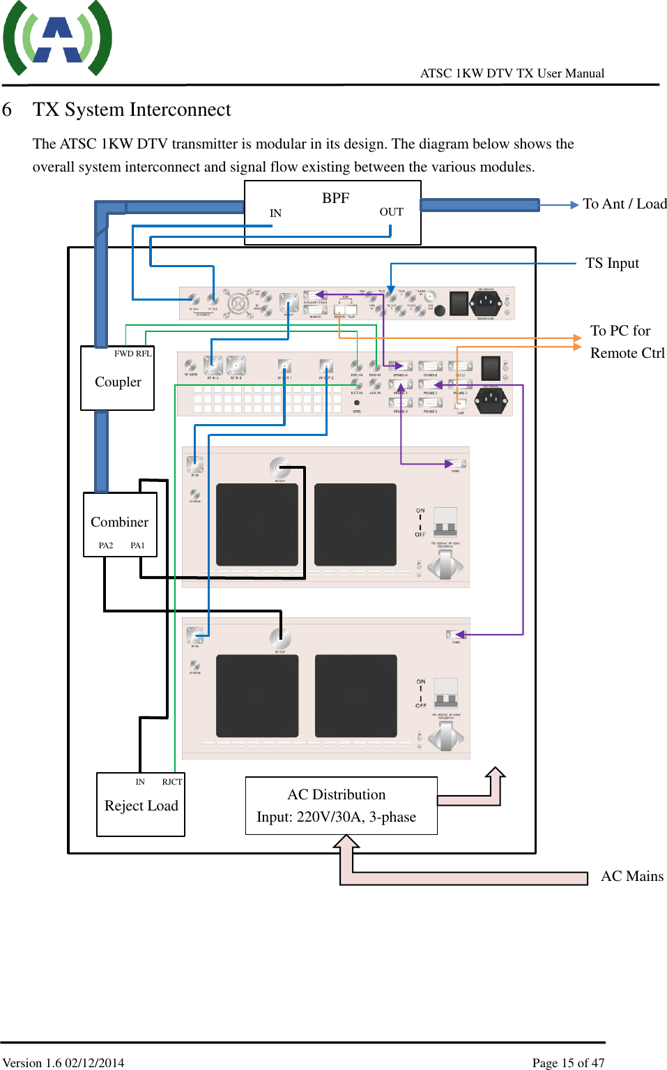
    ATSC 1KW DTV TX User Manual  Version 1.6 02/12/2014    Page 15 of 47    6 TX System Interconnect The ATSC 1KW DTV transmitter is modular in its design. The diagram below shows the overall system interconnect and signal flow existing between the various modules.      FWD RFL   PA2        PA1   IN        RJCT AC Distribution Input: 220V/30A, 3-phase Reject Load Combiner Coupler BPF To Ant / Load IN   OUT To PC for Remote Ctrl TS Input AC Mains
    ATSC 1KW DTV TX User Manual  Version 1.6 02/12/2014    Page 16 of 47    7 Theory of Operation The ATSC 1000W DTV transmitter is conceptually simple to understand and easy to operate.  The Transmitter operates on 3-phase 220V, 30A AC Mains service. An AC Mains Distribution compartment is located in the back rear floor of the TX. This compartment is shielded for personnel safety and provides the distribution of appropriate AC power to the various modules inside the TX cabinet.  A standard ATSC ASI input stream is provided to one of the BNC connectors located on the rear panel of the Exciter. The Exciter supports options for DVB-ASI and SMPTE310M stream formats as well as an RF off-air input via a built-in tuner and TSoIP support via an RJ-45 input. The Exciter performs the appropriate FEC and Signal Processing to modulate a standard 19.39 Mbps ATSC TS to produce an RF output at the desired channel frequency. Supported ATSC modulation standards include A/53 (Legacy), A/153 (MH), and A110:20011 (SFN).  The TX supports both Single and Dual Drive (DD) Exciter configurations, and manages the automatic and manual switchover between Exciters in a DD configuration. The modulated RF output signal from the Exciter(s) is(are) fed into the Control module which contains a 50W preamp driver (1xBLF571 device driving 2xBLF881 transistors in parallel). The output of the Controller preamp is then split and fed to the RF inputs of each of the PA modules.  The PA modules contain 4x BLF888A devices that amplify the RF signal to produce 600W of output power per PA. The amplified output signals of the two PAs are fed into a 2-way Hybrid Combiner and then into a Directional Coupler and finally out the top of the cabinet via a section of 1 5/8 transmission line.    The 1 5/8 output stack of the Transmitter is then fed into an inline 1 5/8 Harmonic Filter (if required) before entering a channel mask BPF. The output of the BPF connects to the Antenna feed to radiate the DTV signal on-air.  The Exciter receives two feedback signals from FWD and REV couplers located on the BPF. These before and after BPF feedback signals are used by the Exciter to provide automatic Linear and Non-Linear pre-correction of the ideal 8-VSB forward path signal.  Additional feedback signals are provided to the Control module, which monitors these samples to implement protective protocols including forward power reduction and shutting down the TX in the event of high reflected power or other unsafe operating conditions. System FWD and REV power samples are provided to the Control module from the Directional Coupler located directly after the 2-way power combiner. The Control module also receives a feedback sample from the Reject Load, enabling it to control the variable fan speed on the load.
    ATSC 1KW DTV TX User Manual  Version 1.6 02/12/2014    Page 17 of 47    The Control module is in constant communication with the Exciter and PA modules via an RS-485 serial bus. Each module has a unique ID on the bus, and the Control module is continually talking with the Exciter and PA modules to provide monitoring and control capabilities via its front panel touchscreen and built-in web user interfaces. Both the Control module and the Exciter provide RJ-45 Ethernet connections through which the user may remotely monitor and control the TX via their respective built-in web interfaces.
    ATSC 1KW DTV TX User Manual  Version 1.6 02/12/2014    Page 18 of 47    8 Quick Start Guide – to safely turning on your Transmitter  1 After unpacking, inspecting, and installing the transmitter components, connect all the cables as per the interconnect diagram inside the transmitter. Install and connect the Band Pass Filter. Install and  connect  the  Band  Pass  Filter  monitoring  cables  between  the  Band  Pass  Filter  “N”  Type connectors and their respective transmitter connections on the top of the transmitter cabinet. 2 Connect the antenna or a suitable station load BEFORE continuing any further. 3 Install and connect the 220-volt power cable to the terminal block located inside the AC Mains Distribution compartment on the floor of the transmitter. Connect the cable to the station power source. 4 Ensure all power switches and breakers are turned off on the front of the transmitter cabinet, and on the Power Amplifiers, Exciters, and Controller. 5 Apply power to the transmitter by energizing the AC mains to the transmitter. Turn on the breaker on the bottom front of the transmitter. Ensure that the AC Mains indication is illuminated. 6  Although  the  transmitter  has  fully  been  tested  and  calibrated  at  the  factory,  the  major operating parameters should now be checked before attempting to make power with the transmitter. To do this, turn on the exciters ONLY and allow them to initialize. 7 Verify the operating frequency of the exciters by pressing the right arrow navigation button on each exciter to indicate the second status screen of the exciter. You should see an indication of the  operating  frequency  in  the  following  format:  FREQ:605.  This  example  indicates  that  the operating frequency would be set for a center frequency of 605Mhz. 8 If the operating frequency is incorrect, navigate to the Frequency Setting menu by pressing the Exciter LEFT and RIGHT navigation arrows simultaneously. Then move the cursor (shown as an asterisk *beside the  current selection) to the  Freq Menu then press enter. Disregard the RX Frequency for Transmitter operation as this is used for Translator Operations only. Move the cursor to the TX Frequency and select the correct frequency by using the UP or DOWN arrows. Once the correct frequency is selected, press the ENTER button to initiate the frequency change. Repeat this procedure for the remaining exciter. 9 Press the ESC button once. Move the cursor to the RF menu, press enter. Make a note of the exciter RF POWER output level (this level is typically somewhere between -6 and 0dB). Make sure that the Exciter AGC is turned OFF. Do this for the remaining exciter as well.   10 Connect the ASI transport stream to each exciter using the TS-1A input if ASI is being used. Use TS-2A input if SMPT-310M is being used (ACT-8X model). Verify that the corresponding TS 1 or TS 2 LED is illuminated on the front of the exciter that corresponds with the input group used. 11 Navigate to the Exciter RF submenu and turn RF ON. Do this for both exciters and verify that both exciters have the RF ON LED illuminated. 12 Power on the amplifier assemblies by turning on the breakers located on the rear of the assemblies, and the controller via the power switch located on the rear of the unit, in that order. 13 Locate the touch screen display on the TX Control Module. Find the red button on the main screen (this in the TX ON button). Press this button to turn the TX ON. The button will turn GREEN when the Controller turns On the transmitter.
    ATSC 1KW DTV TX User Manual  Version 1.6 02/12/2014    Page 19 of 47    14 Allow 45 to 50 seconds for the transmitter to ramp up power. The Controller will indicate output power in Watts in real time. 15 Allow 15 minutes of operation for the transmitter to warm up. Check operation parameters by viewing the main status screen of the on-air exciter for TSNR, LIMD, and UIMD.   16 For Dual Drive TX configurations, test the Exciter switchover behavior by pressing the A/B icon on the Controller touchscreen and initiating an Exciter Changeover by selecting EXCITER B, and confirming the changeover when asked. The power will drop and the exciter changeover will initiate. Once again, allow 45 to 50 seconds for the transmitter to reach operating power. Make the same performance checks as just outlined for Exciter A. 17 If additional Pre-Correction is needed, refer to the Anywave 1Kw Correction Procedure.
    ATSC 1KW DTV TX User Manual  Version 1.6 02/12/2014    Page 20 of 47    9 Local (Touch Screen) User Interface  1. Touch screen control interface a) Turn on the power supply and the TX enters the initialization process, as shown below.    b) After 5 seconds, the TX enters the home screen. The home screen is divided into 4 parts: Title Bar (left column), Power Metering (upper right), Block Diagram (middle right) and Status Bar (lower right), as shown below.
    ATSC 1KW DTV TX User Manual  Version 1.6 02/12/2014    Page 21 of 47     2. Home Screen   Title Bar: Shown in the picture above, the “Home” button is highlighted, indicating the Home screen is now displayed. This TX Control Unit screen is a touch screen. You may navigate  to  the  other  screens  (Config,  Log,  Control,  Help)  by  simply  touching  the coresponding button in the Title Bar.   Power Metering  ON/OFF (Green) Button : Provides TX ON/OFF control. When GREEN (as shown above), this indicates the TX is ON. When RED, this indicates the TX is OFF. Note: When there is an alarm, this button is always RED.  FWD: Forward Power Meter. Touching the white display box of FWD will toggle its display units between “dBm” and “W”.  REFL: Reflected Power Meter. Touching the white display box of REF will toggle its display units between “dBm” and “W”.    VSWR: Voltage Standing Wave Ratio  REJT: This is the system Reject Load Power Meter, derived from the REJT Load feedback sample. Displayed in units of “W” and cannot be changed.   Status Bar: During normal operation, the default status is “RUNNING OK”. If there is any alarm, the alarm will show up in the Status Bar of each screen.   Block Diagram: Press the “Exc A/B” graphic to navigate to the Dual Exciters Switching screen (shown below). This screen shows which exciter is currently on-air (highlighted GREEN) and allows you to manually change the on-air exciter. Press the “Amplifier” graphic to navigate to the home Amplifier Status Screens (shown below).
    ATSC 1KW DTV TX User Manual  Version 1.6 02/12/2014    Page 22 of 47    a) Dual Exciters - Switching Screen: As mentioned above, pressing the “Exc A/B” icon will bring you to the Dual Exciters Switching Screen, as shown below.   Manual  Exciter  Switchover:  Exciter  A  is  the  default  on-air  exciter.  The  on-air exciter’s status will be “GREEN”, as shown in the screen above, indicating that Exciter B is the current on-air exciter. Pressing the “Exciter A” or “Exciter B” button on this screen will cause a manual switch between exciters, that is if the Controller is “linked” to both exciters. (Note: In  a  dual  drive  configuration,  both  exciters are  on  at the  same time, producing an RF output signal a the same time, and the Controller is considered “linked” with an  exciter when the Controller detects an RF output  present from the  exciter as monitored inside the controller).     Auto  Exciter  Switchover:  In  a  Dual  Drive  configuration,  the  TX  is  set  to auotmatically switch to the standby exciter in the event a problem occurs with the on-air exciter. The TX will not automatically switch back to the original Exciter as long as the standby Exciter is operating properly. However, the TX will automatically switch back to the original Exciter in the event of a problem with the on-air (standby) exciter. So the TX will continue to automatically switch indefinitiely in the event of a problem with the on-air exciter.
    ATSC 1KW DTV TX User Manual  Version 1.6 02/12/2014    Page 23 of 47     If neither of the exciters can be linked successfully (i.e. the Controller does not detect a valid RF ouptut present from either exciter), a window will pop up, indicating “No Exciter Linked”, as shown below.   If the manual switching is successful, a window will pop up indicating “Change succeed!”, as shown below.
    ATSC 1KW DTV TX User Manual  Version 1.6 02/12/2014    Page 24 of 47      If the  manual  switching  is  not successful, a  window  will pop  up  indicating “Change failed!”, as shown below.
    ATSC 1KW DTV TX User Manual  Version 1.6 02/12/2014    Page 25 of 47    b) Amplifier Status Screens: As mentioned above, pressing the “Amplifier” icon on the Home page, will navigate to the Amplifier Status Screens.     Title Bar: includes “PreAmp”, “Amp1” and “Amp2” (“Amp3 and more buttons are for higher power transmittes in the MPTV product line).     PreAmp Status Screen     Fwd: Forward Power reading of the preamp  Refl: Reflected Power reading of the preamp  Pin: Input Power reading of the preamp (from Exciter)  Tmp: Temperature of the preamp  Cur: Current of the preamp  V50: Reading of 50 V power supply  V9: Reading of 9 V power supply  V12: Reading of 12 V power supply  GV1: Grid Voltage #1 of the preamp  GV2: Grid Voltage #2 of the preamp
    ATSC 1KW DTV TX User Manual  Version 1.6 02/12/2014    Page 26 of 47      Amp1/Amp2 Status Screen
    ATSC 1KW DTV TX User Manual  Version 1.6 02/12/2014    Page 27 of 47       Fwd: Forward Power reading of the current amplifier  Refl: Reflected Power reading of the current amplifier  Fan1~Fan2: Fans’ RPM of the current amplifier  Tmp: Temperature of the current amplifier  V50: Reading of 50 V power supply of the current amplifier  Cur1~Cur4: Current of the current amplifier  GV1~GV8: Grid Voltage of the current amplifier
    ATSC 1KW DTV TX User Manual  Version 1.6 02/12/2014    Page 28 of 47     3. Config Screen  Touching the Config button on Title Bar of the Home Screen, will navigate to the Config Screen, as shown below. The Config Screen has four functional sections on the right. Press any of these buttons to navigate to that config screen. The Network screen is used to configure all the TX netwroking parameters including IP, Mask, and Gateway. The Time screen is used to set the current time. The AGC screen is used to set turn the Controller AGC On/Off and to change the target AGC output power level. The AmpCf screen is for advanced suers – to configure the TX configuration, including the number of exciters, alarma  dn  fault  thresholds,  etc.  as  outlined  below.  Note:  Modifying  factory  default configurations of certain parameters may lead to potenial damage of the transmitter.
    ATSC 1KW DTV TX User Manual  Version 1.6 02/12/2014    Page 29 of 47     Network Screen: The User can check and set all the Contoller network information in this screen.    Re-Defualt: Reset Default settings - This button is used to set all the network settings to the default values, as show below: IP:       192.168.1.210 MASK:     255.255.255.0 GateWay:    192.168.1.1     Set: There is a Set button for each bar in this screen. Pressing the Set button will lead to the corresponding configuration screen of IP or Mask or GateWay accordingly. Using the IP setting as example, Press any part of the white bar on the IP Setting Screen and the keyboard (shown below) will be enabled, turing from grey to yellow. The user can only set 3-digits of one bar at a time. When the configuration is finished, press OK to confirm. If the keyboard is enabled by mistake, press Cancel to exit the setting mode. Don’t press Ok without entering a valid number, otherwise the system will fill it with all zeros instead.
    ATSC 1KW DTV TX User Manual  Version 1.6 02/12/2014    Page 30 of 47      Time Screen: This screen is used to check and adjust the current time settings. It’s similar to the Network Settings.
    ATSC 1KW DTV TX User Manual  Version 1.6 02/12/2014    Page 31 of 47    AGC Screen: This screen is used to set the AGC Reference output power of the TX and to turn the Controller AGC ON/OFF.      AmpCf Screen: This screen is used to configure advanced settings of the TX.
    ATSC 1KW DTV TX User Manual  Version 1.6 02/12/2014    Page 32 of 47     ComCf Screen: This screen is used to configure the TX maimum operating thresholds to engage safety and protective power reduction and shutdown mechanisms.    PreAmpCf  Screen:  This  screen  is  used  to  configure  the  Premap  maimum  operating thresholds to engage safety and protective power reduction and shutdown mechanisms.
    ATSC 1KW DTV TX User Manual  Version 1.6 02/12/2014    Page 33 of 47     PosID Screen: This screen is used to perform a query between the controller and all the other modules (having a unique RS-485 address) on the RS-485 bus inside the TX.     Amp1Cf/Amp2Cf Screens: This screens are used to configure the PA maimum operating thresholds to engage safety and protective power reduction and shutdown mechanisms.
    ATSC 1KW DTV TX User Manual  Version 1.6 02/12/2014    Page 34 of 47     Exciter Screen: This screen is used to configure the TX for single or dual exciters.    Bootset Screen: This screen is  used  to  configure the number of  attempts that  the  tX attempts to  successfully reboot  on  a shutdown condition, after which it gives up  and remainig off-air.
    ATSC 1KW DTV TX User Manual  Version 1.6 02/12/2014    Page 35 of 47    4. Log Screen  Pressing the Log button on Title Bar in the Home Screen will navigate to the Log Screen, as shown below. There are two pages of current alarm information as well as history alarms.  Each  page  can  show  up  to  5  alarm  messages.  The  user  can  use  the NextPage/PrePage button to switch between pages.  Please note: the Del-History button is used only to clear the status history of alarms. It will not clear any current active alarms which may require user intervention.    Pressing the Help button on Title Bar in the Home Screen, will navigate to the Help Screen, as shown below. The Help section is reserved for now and will be expanded upon in the future.
    ATSC 1KW DTV TX User Manual  Version 1.6 02/12/2014    Page 36 of 47     5. Control Screen  Pressing the Control button on Title Bar in the Home Screen, will navigate to the Control   Screen, as shown below. The Control screen allow the user to switch between Local and Remote Control of the TX. In Local, the TX processes commands from the front panel touchscreen and ignores commands via the Controller web interface. In Remote comde, the TX processes commands from the Controller Remote Web interface. Note: be sure to switch the TX into Remote mode before leaving the TX site if Remote control of the TX is desired.
    ATSC 1KW DTV TX User Manual  Version 1.6 02/12/2014    Page 37 of 47     10 Remote (Web) User Interface The TX Control module provides a built-in web interface that enables remote monitoring and control of the TX. This Control Module interface may be used for a variety of things, including turning the TX On/Off, manually switching between exciters (in a DD configuration), monitoring the voltages and currents of the PAs, etc. A built-in web interface also exists in the Exciter that may be used for  such things as adjusting the  TX  output power, performing corrections, etc. (please reference the separate Exciter User Manual for a detailed description of the Exciter web interace). The Control Module communicates with the Exciter(s) and PAs inside the TX via an RS-485 bus network.    The Control Module built-in web interface is accessible via the rear panel LAN RJ-45 connection, Once networked to your PC, the built-in web interface may be accessed via a web browser (such as Internet Explorer or Firefox, etc.) by entering the IP address of the Controller (default 192.168.1.210, note: you can navigate to the Network setting under the Config menu to change the Controller IPaddress).  Launching a web browser and entering the Controller IP address (192.168.1.210) will bring up the following login window.
    ATSC 1KW DTV TX User Manual  Version 1.6 02/12/2014    Page 38 of 47      There are two tiers of web interface available. The first “guest” tier is limited in monitoring and control, allowing users to access only certain information. The guest account is accessed with a user name and password of "guest" and "guest" (case sensitive). The second “admin” tier provides full status and control of the Controller and is accessed with a username and password of "anywavecom" and "anywavecom" (case sensitive).  The screenshots below highlight the status and control available via the Controller web interface.
    ATSC 1KW DTV TX User Manual  Version 1.6 02/12/2014    Page 39 of 47
    ATSC 1KW DTV TX User Manual  Version 1.6 02/12/2014    Page 40 of 47
    ATSC 1KW DTV TX User Manual  Version 1.6 02/12/2014    Page 41 of 47
    ATSC 1KW DTV TX User Manual  Version 1.6 02/12/2014    Page 42 of 47
    ATSC 1KW DTV TX User Manual  Version 1.6 02/12/2014    Page 43 of 47
    ATSC 1KW DTV TX User Manual  Version 1.6 02/12/2014    Page 44 of 47
    ATSC 1KW DTV TX User Manual  Version 1.6 02/12/2014    Page 45 of 47
    ATSC 1KW DTV TX User Manual  Version 1.6 02/12/2014    Page 46 of 47
    ATSC 1KW DTV TX User Manual  Version 1.6 02/12/2014    Page 47 of 47

Navigation menu