Aoc 15 50 Wind Turbine Generator Users Manual DOC012R02
15 AOC_15-50_User_Manual
15 to the manual 86af2010-6336-48e9-860d-9994ccb8135c
2015-02-02
: Aoc Aoc-15-50-Wind-Turbine-Generator-Users-Manual-393178 aoc-15-50-wind-turbine-generator-users-manual-393178 aoc pdf
Open the PDF directly: View PDF
.
Page Count: 241 [warning: Documents this large are best viewed by clicking the View PDF Link!]

AOC 15/50 Wind Turbine Generator
User Manual
DOC012R02 Nov 2001
U.S. $55.00
Atlantic Orient Corporation Tel: 802-649-5446
Farrell Farm Road, Rt 5 North Fax: 802-649-5404
P.O. Box 1097 AOC@Vermontel.net
Norwich, VT 05055 www.aocwind.net
NOTICE: Use of the material contained in this document is subject to the warning on page Iv and the disclaimer
on page v of this document.
DOC012R02 AOC 15/50 User Manual Nov 2001
i
Table of Contents
WARNING........................................................................................... iv
DISCLAIMER...................................................................................... v
Part I....................................................................................................... 1
1.0 Introduction........................................................................................ 3
1.1 Manual Use.................................................................................................................4
1.2 Cautionary Icons .........................................................................................................5
1.2.1 Warning Icon...........................................................................................................5
1.2.2 Caution Icon............................................................................................................5
1.3 Personnel Definitions ..................................................................................................5
1.3.1 Installation Personnel ..............................................................................................5
1.3.2 Operational Personnel..............................................................................................5
1.3.3 Maintenance Personnel............................................................................................6
2.0 System Description.............................................................................. 7
2.1 General Description and Features of the Turbine .........................................................8
2.2 Control System Description.......................................................................................11
2.3 Operation Description ...............................................................................................11
3.0 Safety Guidelines............................................................................... 13
3.1 Personnel Training ....................................................................................................14
3.2 Safety Equipment......................................................................................................14
3.3 Start-up and Shut-down Safety Procedures ................................................................15
3.4 Securing Machine for Maintenance and Repair..........................................................15
3.5 Climbing Safety ........................................................................................................16
3.6 Electrical Safety ........................................................................................................17
3.7 Weather Related Safety.............................................................................................17
3.8 Emergency Procedure................................................................................................18
Part II ................................................................................................... 21
4.0 Planning and Installation Checklist..................................................... 23
4.1 Siting Factors ............................................................................................................24
4.2 Utility Factors ...........................................................................................................24
4.3 Permits and Approvals ..............................................................................................25
4.4 Plans and Drawings...................................................................................................25
4.5 Construction Planning Considerations .......................................................................26
4.6 Electrical Planning Considerations ............................................................................27
4.7 Installation Tools and Equipment ..............................................................................27
4.8 Installation Personnel Considerations ........................................................................28
4.9 General Installation/Commissioning Timeline...........................................................28
5.0 Site Preparation ................................................................................ 31
5.1 Site Access................................................................................................................32
5.2 Foundation Installation..............................................................................................32
5.3 Receiving the Wind Turbine at the Site .....................................................................33
6.0 Tower and Wind Turbine Generator Installation................................. 35
NOTICE: Use of the material contained in this document is subject to the warning on page Iv and the disclaimer
on page v of this document.
DOC012R02 AOC 15/50 User Manual Nov 2001
ii
6.1 Tower Assembly .......................................................................................................36
6.2 Tower Erection..........................................................................................................37
6.3 Wind Turbine Component Preparation ......................................................................38
6.3.1 Tip Brake Installation............................................................................................38
6.4 Blade Installation ......................................................................................................41
6.5 Lift Preparation .........................................................................................................46
6.6 Lifting and Securing the Wind Turbine......................................................................50
7.0 Electrical Installation......................................................................... 53
7.1 Electrical Interface to Utility .....................................................................................54
7.2 Wiring and Cable Requirements................................................................................56
7.2.1 Power and Control Cable.......................................................................................56
7.3 Control Box Connections..........................................................................................59
7.4 Twist Cables and Junction Box..................................................................................60
8.0 Function Tests and Commissioning..................................................... 61
8.1 Function Tests and Commissioning...........................................................................62
8.2 Generator Test...........................................................................................................63
Part III.................................................................................................. 65
9.0 Wind Turbine Operation ................................................................... 67
9.1 Normal Operation......................................................................................................68
9.1.1 Turbine TEST/OFF/ON.........................................................................................69
9.1.2 Heater ON.............................................................................................................70
9.1.3 Parking Brake Release...........................................................................................70
9.1.4 Rotor Jog...............................................................................................................72
9.1.5 Dynamic Brake......................................................................................................72
9.1.6 Operator Interface Indicating Lights ......................................................................72
9.1.7 PLC Description....................................................................................................72
9.1.7.1 PLC Inputs ............................................................................................................76
9.1.7.2 PLC Outputs..........................................................................................................77
9.1.8 Control Systems Options .......................................................................................77
9.2 Emergency Operation................................................................................................77
9.3 Test Operation...........................................................................................................78
9.3.1 Power Up ..............................................................................................................78
9.3.2 Parking Brake Release Test ...................................................................................78
9.3.3 Rotor Jog Test .......................................................................................................79
9.3.4 Dynamic Brake Test..............................................................................................79
9.3.5 Anemometer Signal Test .......................................................................................79
9.3.6 Speed Sensor Signal Test.......................................................................................80
9.3.7 Normal Start-up/Shut-down Test ...........................................................................80
9.3.8 Emergency Shut down Test ...................................................................................80
9.3.9 Low Wind Shut Down Test ...................................................................................80
9.4 Environmental Considerations...................................................................................80
9.4.1 Corrosion ..............................................................................................................80
9.4.2 Lightning...............................................................................................................81
9.4.3 Ice and Snow.........................................................................................................81
NOTICE: Use of the material contained in this document is subject to the warning on page Iv and the disclaimer
on page v of this document.
DOC012R02 AOC 15/50 User Manual Nov 2001
iii
9.4.4 Temperature and Elevation....................................................................................82
9.4.5 Acoustics...............................................................................................................83
10.0 System Monitoring .......................................................................... 85
10.1 Kilowatt-Hour Meter Applications ............................................................................86
10.2 Anemometers ............................................................................................................86
10.3 Output Analysis.........................................................................................................86
10.4 Output Analysis Worksheet.......................................................................................86
10.5 Wind Energy Data Sheet ...........................................................................................87
11.0 Maintenance ................................................................................... 89
11.1 Rotor Assembly.........................................................................................................90
11.2 Tower Assembly .......................................................................................................91
11.3 Drive Train Assembly ...............................................................................................91
11.4 Power Distribution System/Controls..........................................................................92
11.5 Maintenance Schedule...............................................................................................93
12.0 Troubleshooting .............................................................................. 95
12.1 Braking System.........................................................................................................96
12.2 Generator ................................................................................................................100
12.3 Gearbox ..................................................................................................................100
12.4 Blades .....................................................................................................................100
12.5 Twist Cable............................................................................................................. 100
12.6 Yaw Bearing ...........................................................................................................102
12.7 Troubleshooting Summary ...................................................................................... 102
13.0 Spare Parts ................................................................................... 105
Appendix A: Specifications................................................................... 107
Appendix B: Turbine Assembly Drawings.............................................. 113
Appendix C: Assembly Drawings for 24.4 m (80 ft) Tower....................... 119
Appendix D: Assembly Drawings for 30.5 m (100 ft) Tower..................... 127
Appendix E: Crate Dimensions and Weights .......................................... 135
Appendix F: Foundation Loads and Details............................................ 139
Appendix G: Installation Records.......................................................... 149
Appendix H: Maintenance Records........................................................ 155
Appendix I: Tools and Equipment ......................................................... 161
Appendix J: Wire, Cable and Bolt Specifications .................................... 165
Appendix K: Planning .......................................................................... 171
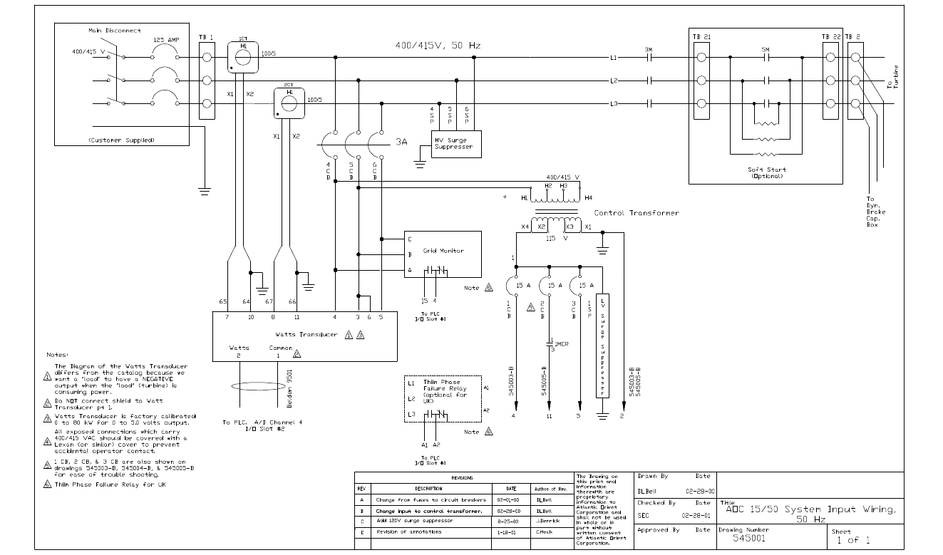
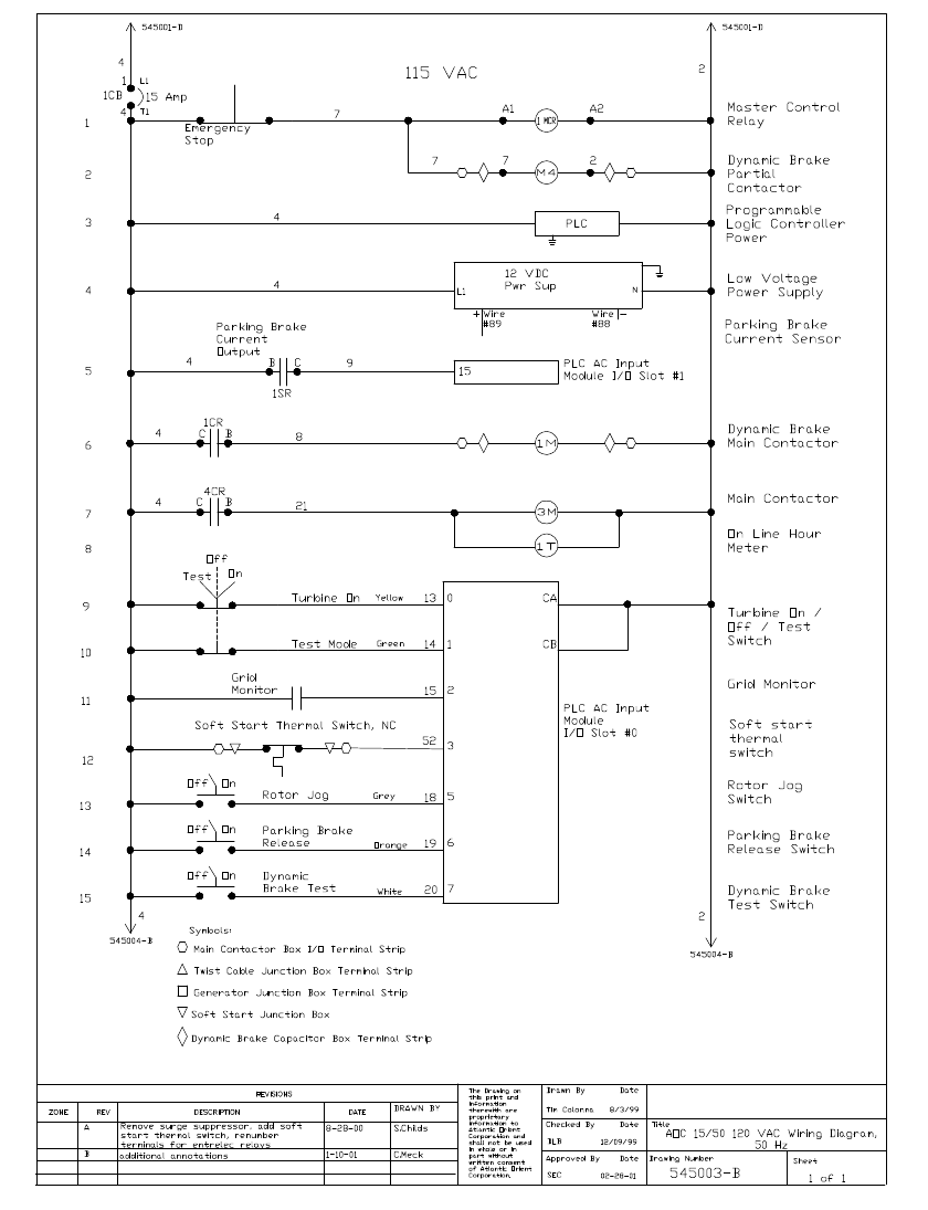
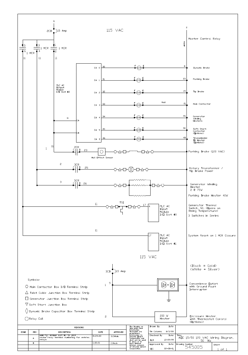
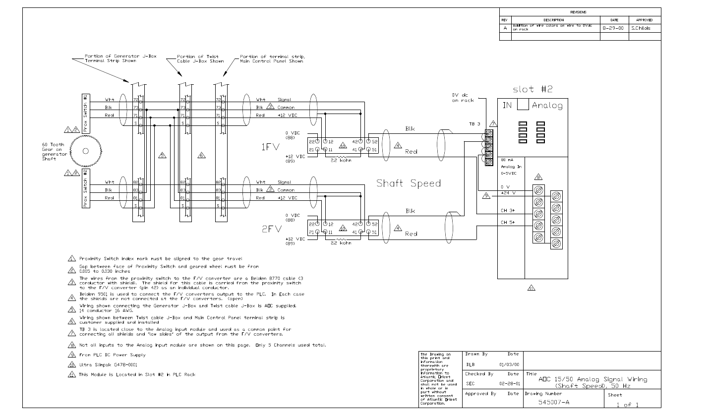
Appendix L: 50Hz Electrical Schematics ................................................ 175
Appendix M: 60 Hz Electrical Schematics .............................................. 203
Appendix N: Hand Signals for Crane Operators..................................... 231

NOTICE: Use of the material contained in this document is subject to the warning on page Iv and the disclaimer
on page v of this document.
DOC012R02 AOC 15/50 User Manual Nov 2001
iv
WARNING
THE INSTALLATION OF A WIND TURBINE GENERATOR REQUIRES SPECIALIZED
SKILLS, EQUIPMENT AND EXPERIENCE. INFORMATION SUPPLIED BY ATLANTIC
ORIENT CORPORATION AND ITS SUPPLIERS, FOR THE PURPOSES OF INSTALLING,
OPERATING AND MAINTAINING ALL EQUIPMENT, ASSUMES THAT PERSONNEL HAVE
THE SKILLS, EXPERIENCE AND EQUIPMENT NEEDED. NO ONE SHOULD ATTEMPT TO
CLIMB TOWERS AND OPERATE OR MAINTAIN WIND TURBINES WITHOUT THE
NECESSARY SKILLS, EXPERIENCE, TOOLS AND SAFETY EQUIPMENT.
ATLANTIC ORIENT CORPORATION ASSUMES NO DIRECT OR CONSEQUENTIAL
LIABILITY IF FAULTY OR DANGEROUS INSTALLATION OR MAINTENANCE
PRACTICES ARE USED. TRAINED AND EXPERIENCED PERSONNEL ARE AVAILABLE
TO ASSIST IN INSTALLATION, OPERATION, MAINTENANCE AND TROUBLE
SHOOTING. CONTACT ATLANTIC ORIENT CORPORATION OR ITS AUTHORIZED
REPRESENTATIVE IF CONSULTATION OR ASSISTANCE IS REQUIRED.
ATLANTIC ORIENT CORPORATION AND ITS SUPPLIERS RECOMMEND RESTRICTING
ACCESS, WITH ANTI-CLIMB SECTIONS OR FENCES FOR ALL TOWERS, TO PREVENT
UNAUTHORIZED PERSONS FROM CLIMBING THEM. APPROPRIATE WARNING SIGNS
SHOULD ALSO BE PLACED ON EACH TOWER.
THE AOC 15/50 IS CONSIDERED A HEAVY DUTY INDUSTRIAL MACHINE AND SHOULD
BE SITED ACCORDINGLY. ATLANTIC ORIENT CORPORATION RECOMMENDS AN
EXCLUSION ZONE CONTROLLING PUBLIC ACCESS. ALL MOVING PARTS SHOULD BE
CONSIDERED DANGEROUS.
TOWERS SHOULD NOT BE INSTALLED NEAR UNPROTECTED POWER LINES. ALL
ELECTRIC WIRES AND CABLES SHOULD BE CONSIDERED DANGEROUS.
To ensure optimal performance, all wind turbine installations should be thoroughly inspected by
qualified personnel within 60 days of their completion, as well as at least biannually and after
any major windstorm, earthquake or other severe event. The inspection and service intervals
identified by Atlantic Orient Corporation must be followed for any Atlantic Orient Corporation
warranty to remain valid.
Atlantic Orient Corporation
P.O. Box 1097
Norwich, Vermont 05055 USA
Phone: 802-649-5446
Fax: 802-649-5404
e-mail: AOC@Vermontel.Net

NOTICE: Use of the material contained in this document is subject to the warning on page Iv and the disclaimer
on page v of this document.
DOC012R02 AOC 15/50 User Manual Nov 2001
v
DISCLAIMER
This manual is intended as a guide only. It should not be considered as a replacement for
professional services or as a definitive text for assembling and installing wind turbine
generating systems.
Atlantic Orient Corporation, its affiliates and representatives make no warranties either
expressed or implied that the information contained herein is accurate or complete.
Atlantic Orient Corporation makes no warranties of merchantability or fitness for a
particular purpose and/or site. Atlantic Orient Corporation will not be responsible for any
direct or consequential damages, or any incidental expense.
All instructions and diagrams are believed to be accurate at the time of publishing. Note
that success and safety in working with tools depend greatly on individual accuracy, skill
and caution. For this reason, Atlantic Orient Corporation or its affiliates are not able to
guarantee the result of any procedure contained herein, nor can they assume responsibility
for any damage to property or injury to persons resulting from the procedures contained in
this manual. Persons engaging in the procedures do so at their own risk.
Actual wind resources and site conditions impact on energy production, which will vary
with wind turbine maintenance, altitude, temperature, topography and the proximity to
other structures. Therefore, Atlantic Orient Corporation makes no representation or
warranties regarding energy production.
Atlantic Orient Corporation is constantly striving to improve its products and, therefore,
the information contained within this manual is subject to change without notice.
NOTICE: Use of the material contained in this document is subject to the warning on page Iv and the disclaimer
on page v of this document.
DOC012R02 AOC 15/50 User Manual Nov 2001
vi

Part I
NOTICE: Use of the material contained in this document is subject to the warning on page Iv and the disclaimer
on page v of this document.
DOC012R02 AOC 15/50 User Manual Nov 2001
1
Part I
Part I
NOTICE: Use of the material contained in this document is subject to the warning on page Iv and the disclaimer
on page v of this document.
DOC012R02 AOC 15/50 User Manual Nov 2001
2

NOTICE: Use of the material contained in this document is subject to the warning on page Iv and the disclaimer
on page v of this document.
DOC012R02 AOC 15/50 User Manual Nov 2001
3
1.0 Introduction
KOTZEBUE ELECTRIC ASSOCIATION WIND FARM
Photo Courtesy of
KEA
1.0 Introduction
NOTICE: Use of the material contained in this document is subject to the warning on page Iv and the disclaimer
on page v of this document.
DOC012R02 AOC 15/50 User Manual Nov 2001
4
1.1 Manual Use
This manual has been developed for use by qualified technicians for the operation and
maintenance of the wind turbines manufactured by Atlantic Orient Corporation (AOC). The
information provided specifically applies to the AOC 15/50 wind turbine and is valid for both the
50 Hz and the 60 Hz versions, unless otherwise stated.
It is essential for the reader to become familiar with the manual prior to preparing the site,
installing equipment, operating the system or servicing any equipment. The site should be
prepared, maintained, operated and managed to allow work to be performed safely and
efficiently. Special consideration should be given to installing, operating and maintaining
the wind turbine system under unusual conditions such as lightning, high winds or icing
(where applicable). For any operation or service related questions, please contact AOC for
clarification.
Many of the safety guidelines in this manual are based on recommendations made in the
International Electro-technical Commission’s Wind Turbine Generator Systems Part I: Safety
Requirements, Second edition, 1999, 61400-1 or its latest edition. In case of questions or doubts
concerning a potentially hazardous or harmful situation, please contact AOC for assistance. The
following standards were considered in the design of the controller and selection of components:
US National Electrical Code 196 DFPA 70, Canadian Electrical Code, Part I, 1994,
International Electro-technical Commission IEC TC88 – Safety of Wind Turbine Generators
1400-1 or the latest edition.
If there are any questions that are not adequately addressed in this manual, please contact AOC
at its corporate headquarters in NORWICH, VERMONT, USA or one of its authorized
representatives. Improvements or suggestions from field experience are always welcome.
The content of this document is the property of Atlantic Orient Corporation. Any
unauthorized use or reproduction by any means is strictly prohibited.

1.0 Introduction
NOTICE: Use of the material contained in this document is subject to the warning on page Iv and the disclaimer
on page v of this document.
DOC012R02 AOC 15/50 User Manual Nov 2001
5
1.2 Cautionary Icons
1.2.1 Warning Icon
The warning icon denotes actions or procedures that may lead to
equipment failure or death to personnel, if not carried out correctly.
1.2.2 Caution Icon
The caution icon denotes actions or procedures that may lead to
severe equipment damage or injury to personnel, if not carried out
correctly.
1.3 Personnel Definitions
1.3.1 Installation Personnel
Installation personnel are defined as technical staff with training and/or experience in climbing
towers and the use of safety equipment, as well as rigging and lifting heavy industrial machinery.
ONLY TRAINED AND QUALIFIED TECHNICIANS SHOULD ATTEMPT TO CLIMB
A WIND TURBINE TOWER AND SHOULD USE OSHA/ANSI APPROVED PRACTICE
AND EQUIPMENT.
1.3.2 Operational Personnel
Operational personnel are defined as persons trained and qualified to operate a wind turbine’s
control panel. They are responsible for monitoring the wind turbine’s mechanical and
production performance, as well as for performing routine visual inspections of all equipment.
See Chapter 10 for the parameters to be monitored. The operation personnel should also ensure
that proper maintenance is routinely performed as described in Chapter 11.
1.0 Introduction
NOTICE: Use of the material contained in this document is subject to the warning on page Iv and the disclaimer
on page v of this document.
DOC012R02 AOC 15/50 User Manual Nov 2001
6
1.3.3 Maintenance Personnel
Maintenance personnel are defined as technical staff with training and/or experience in climbing
towers and the use of safety equipment, as well as a firm understanding of the wind turbine’s
mechanical and control system. Knowledge of rigging and lifting heavy industrial machinery
may also be necessary. ONLY TRAINED AND QUALIFIED TECHNICIANS SHOULD
ATTEMPT TO CLIMB A WIND TURBINE TOWER AND SHOULD USE OSHA/ANSI
APPROVED PRACTICE AND EQUIPMENT.

NOTICE: Use of the material contained in this document is subject to the warning on page Iv and the disclaimer
on page v of this document.
DOC012R02 AOC 15/50 User Manual Nov 2001
7
2.0 System Description
ALASKA FIELD SERVICE
Photo Courtesy of
KEA
2.0 System Description
NOTICE: Use of the material contained in this document is subject to the warning on page Iv and the disclaimer
on page v of this document.
DOC012R02 AOC 15/50 User Manual Nov 2001
8
The following sections provide a general description of the AOC 15/50 and its control system.
2.1 General Description and Features of the Turbine
The designation 15/50 refers to the 15 m diameter wood/epoxy or fibreglass rotor and its
projected rated output of 50 kW. This rated output is achieved at 12 m/s (26.8 mph) by the 50 Hz
version and at 11.3 m/s (25.3 mph) by the 60 Hz one.
The AOC 15/50 includes the following design features:
• Advanced NREL thick series airfoils
• High strength to weight ratio wood/epoxy or fiberglass blades
• Electro-magnetically/actively controlled tip brakes
• Single piece hub casting
• Rotary transformer to power the tip brake magnets
• Integrated planetary gearbox
• Induction generator
• Single piece cast tower top with turn table yaw bearing
• Uniformly tapered lattice tower
• Dynamic brake
• PLC based controller with adaptive features
• Optional tilt-up lattice tower
Both turbine versions are designed to cut in at 4.6 m/s (10.2 mph). The 50 Hz version reaches its
peak continuous output of 55 kW at 15 m/s (34 mph); the 60 Hz one achieves its peak of 65 kW
(60 Hz) at 16 m/s (36 mph). Assuming 100% availability and average wind speeds of 8 m/s (18
mph), the 50 Hz wind turbine is calculated to produce approximately 190,000 kWh per year and
the 60 Hz one, 215,000 kWh. In average wind speeds of 6.7 m/s (15 mph), the 50 Hz version
produces approximately 145,000 kWh annually and the 60 Hz one, 153,000 kWh.
NOTE: Energy production is site specific and varies with altitude, temperature,
topography, climate and the wind turbine’s proximity to other structures, as well as its
maintenance condition.
The standard tower is a 24.4 m (80 ft) tall, self-supporting lattice structure. The gearbox is
integrated in the single piece cast housing. See Figure 2-2 for a more detailed view of the drive
train assembly. The generator is flange mounted to the planetary gearbox, with the parking
brake coupled directly to the generator.

2.0 System Description
NOTICE: Use of the material contained in this document is subject to the warning on page Iv and the disclaimer
on page v of this document.
DOC012R02 AOC 15/50 User Manual Nov 2001
9
Figure 2-1 AOC 15/50 Wind turbine

2.0 System Description
NOTICE: Use of the material contained in this document is subject to the warning on page Iv and the disclaimer
on page v of this document.
DOC012R02 AOC 15/50 User Manual Nov 2001
10
Figure 2-2 AOC 15/50 Wind turbine assembly, drive train detail
Figure 2-3 AOC 15/50 Drive train assembly
2.0 System Description
NOTICE: Use of the material contained in this document is subject to the warning on page Iv and the disclaimer
on page v of this document.
DOC012R02 AOC 15/50 User Manual Nov 2001
11
2.2 Control System Description
The following parameters are monitored by the wind turbine’s control system. It initiates
shutdowns when faults have been detected to protect the wind turbine from mechanical and
electrical damage.
UTILITY NETWORK:
• Over/under voltage
• Phase loss
• Phase reversal
• Over/under frequency (optional)
TURBINE:
• Generator temperature
• Rotor speed
• Power (derived from rotor speed)
• Parking brake current
SYSTEM:
• Wind speed (redundant anemometers)
• Ambient temperature switch (optional)
2.3 Operation Description
The AOC 15/50 is a downwind turbine, i.e. its blades rotate downwind of the drive train
assembly. Furthermore, it has no active yaw control and depends on its blades to track the wind.
In winds outside of the required wind band, the PLC (Programmable Logic Controller)
disconnects the wind turbine from the grid and parks it; the wind turbine is brought to a complete
stop. The parking brake remains applied, thereby preventing the blades from rotating. However,
they will still track the wind and the wind turbine will pivot about its yaw bearing accordingly.
The AOC 15/50 has three main modes of operation: test, off and on. The setting of the
TEST/OFF/ON switch determines the parameters monitored by the PLC and which other
switches can be activated. When the turbine TEST/OFF/ON switch is set to OFF, the PLC only
monitors grid faults.
Once the turbine TEST/OFF/ON switch is set to ON, the PLC starts evaluating the wind speed
data which, together with the generator rotor speed, is the most important source of input data to
the PLC; grid related parameters and thermal relays play a secondary role.
The wind speed is measured using two cup anemometers. For the wind turbine operation the
wind speed has to fall within the specified speed band of 3.6-22.3 m/s (8-50 mph). The cut-in
speed of 4.9 m/s (11 mph) is slightly higher than its minimum operational speed because of the
2.0 System Description
NOTICE: Use of the material contained in this document is subject to the warning on page Iv and the disclaimer
on page v of this document.
DOC012R02 AOC 15/50 User Manual Nov 2001
12
inertia of the rotor and drive train that must be overcome initially. Once the wind speed
conditions are met, the parking brake is released and the generator starts rotating, at which point
PLC starts monitoring the generator rotor speed.
Once the parking brake has released and the rotor speed is in band,the wind turbine is connected
to the grid automatically. The wind turbine will then stay on-line until wind conditions fall
outside the operating band or until a fault or shutdown is registered. The generator shaft speed is
measured using two speed sensors from which the PLC can tell whether the shaft speed falls
within the required range. Since power produced is proportional to rotor speed, the rotor speed is
also used to check for excessive power generation.
Whenever the wind and/or shaft speeds deviate from the specified values the PLC initiates a
shutdown of the wind turbine system. In order to avoid unnecessary shutdowns, each fault is
monitored for a set period to confirm that it is not due to a temporary deviation but to a definite
change in the operating conditions. Since faults impact on the system with varying degrees of
severity, in terms of possible electrical or mechanical damage, the time delays after which a
shutdown is initiated differ.
Should the PLC register a fault that requires the wind turbine to be shut down, it does so in a set
sequence. The tip brakes and dynamic brake are deployed immediately. The parking brake is
then deployed after a variable time delay, generally set to 4 seconds. Following any deployment
of the brakes the wind turbine enters a cooling cycle, generally set to 15mins. The turbine will
not be available to comeback on line until the end of the cooling cycle to prevent overheating of
the brake components.
The dynamic and parking brakes can be tested individually when their test switches are set to ON
and the TEST/OFF/ON switch is set to TEST. See section 9.1 for a more detailed description of
the individual switches.

NOTICE: Use of the material contained in this document is subject to the warning on page Iv and the disclaimer
on page v of this document.
DOC012R02 AOC 15/50 User Manual Nov 2001
13
3.0 Safety Guidelines
TOWER ERECTION AT BURLINGTON ELECTRIC DEPARTMENT
Photo Courtesy of
BED

3.0 Safety Guidelines
NOTICE: Use of the material contained in this document is subject to the warning on page Iv and the disclaimer
on page v of this document.
DOC012R02 AOC 15/50 User Manual Nov 2001
14
This section covers the safety information needed by a technician to install, operate and
maintain the AOC 15/50 safely. Special safety considerations for specific circumstances are
highlighted throughout this manual.
CAUTION
THE RESPONSIBILITY FOR SAFE CONDUCT AND
OPERATION ULTIMATELY RESTS WITH THE OPERATOR/
TECHNICIAN.
3.1 Personnel Training
It is essential that installation, operation and maintenance personnel be instructed in the safe
operation procedures outlined in this section. Standard safety procedures should be established
and a program of regular safety training should be carried out to ensure consistent information,
regularized safety habits and efficient communication while working at the wind turbine site(s).
3.2 Safety Equipment
AOC recommends the use of approved safety equipment for any work carried out within 30.5 m
(100 ft) of an AOC 15/50.
For climbing and positioning on the erected wind turbine, an ANSI approved full body harness
should be used. AOC also recommends using a Rohn-Loc Climbing System. Positioning
lanyards are usually necessary for turbine installation and maintenance and should be ANSI
approved. AOC recommends the use of fall arresting lanyards in conjunction with positioning
lanyards, as the latter are not designed for fall protection. The fall arresting lanyards should be
no longer than 1.8 m (6 ft) and incorporate deceleration devices. All connections and anchor
points should be capable of supporting 2,270 kg (5,000 lbs.). Self-locking snap hooks and self-
locking carabiners are required.
Equipment should be visually inspected for excessive wear and abrasion before each use. All
damaged or questionable equipment should be discarded immediately. Any equipment, which
has been subject to a fall, should be removed from service and discarded.
When working on electrical equipment and/or wiring, technicians must wear protective gloves
rated for the voltage level involved or be certain that the system is not, and will not, be
energized by employing a visual open/lockout process. Whenever any hazard exists,
appropriate safety glasses/shields must be worn.

3.0 Safety Guidelines
NOTICE: Use of the material contained in this document is subject to the warning on page Iv and the disclaimer
on page v of this document.
DOC012R02 AOC 15/50 User Manual Nov 2001
15
3.3 Start-up and Shut-down Safety Procedures
Prior to starting up a wind turbine, the operator should warn any personnel in the area that it will
be started and to visually inspect the area to ensure that they are clear of it. In addition, the
operator should ensure that there are no visual signs indicating problems with the wind turbine.
During a shutdown sequence, no personnel should approach the wind turbine, until it has come
to a complete stop.
3.4 Securing Machine for Maintenance and Repair
The wind turbine should be switched off and the yaw lock engaged before any maintenance is
performed. The parking brake automatically engages whenever the wind turbine is shut down,
preventing the rotor from turning. The yaw lock must be engaged manually and once engaged
prevents the wind turbine from yawing, providing a safe working environment. To engage it,
trained personnel must climb the tower to immediately below the tower top. The yaw lock bolt
must be screwed clockwise until its top endplate engages the yaw bearing between two of the
yaw bearing’s interfacing bolts.
Figure 3-1 Yaw lock
If personnel safety or environmental conditions warrant securing the rotor or if the work carried
out requires the parking brake to be released to change the rotor position, it is recommended that
one blade be strapped to the tower or to the gearbox housing to prevent unintended rotor motion.

3.0 Safety Guidelines
NOTICE: Use of the material contained in this document is subject to the warning on page Iv and the disclaimer
on page v of this document.
DOC012R02 AOC 15/50 User Manual Nov 2001
16
Ropes may replace straps provided care is taken not to damage the blade surface; cables or
chains should not be used.
CAUTION
NEVER USE METAL CHAINS OR CABLES TO SECURE THE
BLADE, SINCE DAMAGE TO THE BLADE IS LIKELY.
3.5 Climbing Safety
For all activities where persons could be subject to a fall of 1.8 m (6 ft) or more, appropriate fall
protection equipment should be used, which should be fastened to a secure anchor point,
preferably above the climber. Only the tower leg fitted with climbing pegs should be used for
ascending and descending the tower. Once the technician has reached the top, he/she should
attach himself to a secure anchor point. The drive train has four hoist rings that can be used as
anchor points. See Figure 3-2. Holes in the tower brace clips also provide secure anchor points.
Figure 3-2 Secure anchor points for service work
Only trained and qualified technicians should attempt to climb a wind turbine tower and should
use OSHA/ANSI approved practice and equipment. All climbers should be trained in the proper
use of fall protection equipment. AOC strongly discourages climbing when the wind turbine is
operating or when wind speeds exceed 11 m/s (25 mph).
Whenever climbing a tower or performing a service function above ground level AOC
recommends at least two service personnel working together. Wireless communication devices
(preferably hands-free) are recommended to facilitate communication between tower and

3.0 Safety Guidelines
NOTICE: Use of the material contained in this document is subject to the warning on page Iv and the disclaimer
on page v of this document.
DOC012R02 AOC 15/50 User Manual Nov 2001
17
ground personnel. The area around the tower should also be roped off with appropriate warning
signs indicating falling objects.
Finger rings should not be worn while climbing structures or vehicles, or while performing any
task where the ring might be caught under or snagged by a projecting or moving item.
3.6 Electrical Safety
WARNING
WHENEVER POSSIBLE, ELECTRICAL EQUIPMENT SHOULD
BE DE-ENERGIZED AND GROUNDED PRIOR TO SERVICING.
CAUTION MUST BE TAKEN TO ENSURE THAT THE DYNAMIC
BRAKE AND THE POWER FACTOR CORRECTION
CAPACITORS ARE DISCHARGED BEFORE SERVICING.
Electrical equipment should not be serviced while standing in water, on wet surfaces or during
significant precipitation. Hands must be dry. Any electrical power supply to tools and
conveniences should be grounded.
A shirt or jacket with full-length sleeves rolled down and buttoned up, as well as an electrical
safety hat should be worn when working on or near live parts.
Loose, dangling metal chains, key chains, or conductive jewelry of any kind should not be worn
while working on or near energized parts. Each employee should wear gloves suitable for the
work. Rubber glove protectors should not be used as work gloves. Wristwatches with metal
cases and watchbands should not be worn while working on or near energized equipment.
3.7 Weather Related Safety
It is important to observe weather conditions and to take appropriate action when a weather
related safety hazard arises. No service work should be performed in the presence or threat of
lightning. Wet and/or ice laden towers should not be climbed, nor should electrical equipment
be worked on during significant precipitation. Towers should not be climbed when average
wind speeds approach 11 m/s (25 mph) or wind gusts exceed 13 m/s (29 mph).

3.0 Safety Guidelines
NOTICE: Use of the material contained in this document is subject to the warning on page Iv and the disclaimer
on page v of this document.
DOC012R02 AOC 15/50 User Manual Nov 2001
18
WARNING
NO SERVICE WORK SHOULD BE PERFORMED ON A WIND
TURBINE IN THE PRESENCE OR THREAT OF LIGHTING. WET
AND/OR ICE LADEN TOWERS SHOULD NOT BE CLIMBED.
EXTERIOR ELECTRICAL EQUIPMENT SHOULD NOT BE
WORKED ON DURING SIGNIFICANT PRECIPITATION.
3.8 Emergency Procedure
CAUTION
WHEN A HAZARD EXISTS, PERSONNEL SAFETY MUST BE
ENSURED BEFORE ADDRESSING THE SAFETY OF THE
WIND TURBINE EQUIPMENT. IN ALL CASES, SAFE
EFFORTS SHOULD BE MADE TO BRING THE WIND
TURBINE TO A FULL STOP OR TO PREVENT OVER
SPEEDING.
AOC takes extreme care to design a safe and reliable product and the AOC 15/50 has been
designed to meet strict and extensive safety guidelines. However, due to the variety of
unpredictable and possibly extreme conditions it may experience, operators should prepare and
have on hand site-specific emergency procedures to effectively address the following hazards:
• Turbine over-speed
• Loose fasteners
• Structural damage
• Earthquakes
• Sand storms
• High vibration
• Cable over-wrap and/or separation
• Complete braking failure
• Electric fires
• Lighting
• Hurricanes
• Blade damage/separation
• Tower damage
AOC recommends the following as a generic safety plan in the unlikely case of an emergency:
1. Do not approach the AOC 15/50 or any of its components if one of the safety hazards
mentioned above is suspected. Always maintain a safe distance (at least 90 m, 300 ft)
upwind of the wind turbine.
2. If the controller area is deemed safe, depress the emergency stop button. The wind
turbine should come to a complete stop and the main contactor should de-energize.
3. Contact the local emergency officials if necessary (i.e. fire marshal, 911, utility, etc.).
4. Contact the wind turbine owner.
5. Do not attempt to operate the AOC 15/50 without first contacting AOC. It may be
necessary to schedule an inspection by AOC personnel.

3.0 Safety Guidelines
NOTICE: Use of the material contained in this document is subject to the warning on page Iv and the disclaimer
on page v of this document.
DOC012R02 AOC 15/50 User Manual Nov 2001
19
WARNING
DO NOT ATTEMPT TO OPERATE THE AOC 15/50 WITHOUT AOC
CONSULTATION AFTER A SERIOUS EVENT HAS OCCURRED.
AOC RECOMMENDS A COMPLETE INSPECTION OF THE
TURBINE AND ITS COMPONENTS BY TRAINED PERSONNEL
AFTER ANY SUCH EVENT. FAILURE TO DO SO MAY RESULT IN
POOR PERFORMANCE, INJURY OR DEATH.
3.0 Safety Guidelines
NOTICE: Use of the material contained in this document is subject to the warning on page Iv and the disclaimer
on page v of this document.
DOC012R02 AOC 15/50 User Manual Nov 2001
20

Part II
NOTICE: Use of the material contained in this document is subject to the warning on page Iv and the disclaimer
on page v of this document.
DOC012R02 AOC 15/50 User Manual Nov 2001
21
Part II
Part II
NOTICE: Use of the material contained in this document is subject to the warning on page Iv and the disclaimer
on page v of this document.
DOC012R02 AOC 15/50 User Manual Nov 2001
22

NOTICE: Use of the material contained in this document is subject to the warning on page Iv and the disclaimer
on page v of this document.
DOC012R02 AOC 15/50 User Manual Nov 2001
23
4.0 Planning and Installation Checklist
SITE CONSTRUCTION AT KOTZEBUE ELECTRIC ASSOCIATION
Photo Courtesy of
KEA
4.0 Planning and Installation Checklist
NOTICE: Use of the material contained in this document is subject to the warning on page Iv and the disclaimer
on page v of this document.
DOC012R02 AOC 15/50 User Manual Nov 2001
24
The following sections are intended to assist customers in addressing the relevant installation
details in a logical sequence. Although most points apply to both large and small projects, not
all will apply to every project. To ensure thorough planning, it is strongly recommended that
customers understand why a particular detail is or is not appropriate to their installation.
By reviewing the entire list repeatedly throughout the project, the customer should be able to
ensure that none of the details, necessary to complete it, have been overlooked.
4.1 Siting Factors
Site selection has a significant effect on annual energy production. It is, therefore, worth the
additional time and effort to locate the most suitable site to ensure optimal energy production
and maximize the wind turbine’s lifespan. When selecting a site, the following factors should
be considered:
• Wind resource characteristics
§ Average wind speed
§ Makeup of wind speed average (frequency and duration of power producing winds)
§ Prevailing wind direction(s)
§ Turbulence
§ Peak wind speeds
• Height and location of obstructions
• Distance from utility service point
• Local restrictions relative to height, proximity to boundaries, etc.
• Tower height
• Proximity to other wind turbines
• Site accessibility and its effect on construction and maintenance costs
• Safety zone preventing public access
4.2 Utility Factors
The AOC 15/50 includes an induction generator, which depends on the interfacing electrical
system for excitation. Each wind turbine has a fixed set of power factor correction capacitors
installed in the dynamic brake capacitor box. To ensure a safe and efficient installation, the
following utility related factors should be considered:
• Buy back rates, contract options, green pricing and net billing
• Available line capacity (in kVA)
• Available fault current
• Voltage and phase configuration of the primary circuit and the local utility line
• Distance to nearest substation
• Size and winding configuration of the step down transformer required at the site (in
kVA)
4.0 Planning and Installation Checklist
NOTICE: Use of the material contained in this document is subject to the warning on page Iv and the disclaimer
on page v of this document.
DOC012R02 AOC 15/50 User Manual Nov 2001
25
• Line protection required
• Cogeneration standards for small power producers
• Interconnection hardware and wiring standards
• System operation requirements:
§ Voltage regulation
§ Power factor
§ Protective devices
§ Utility/wind turbine interface responsibilities
To interface with the utility network correctly all power factor correction capacitors or
unique loads connected to the utility system need to be identified by the customer.
Furthermore, the Required Customer Power Grid Information sheet should be completed to
assist AOC in designing the most suitable interface. See Appendix K.
4.3 Permits and Approvals
Local authorities often require a wind turbine operator to obtain permits or approvals, some of
which have been identified below. It is important to determine which of these apply to a site
and whether any independent inspections are required.
Issuing Authority:
• Municipality or local council
• Country
• State or Province
• Federal (FAA, FCC, etc.)
• Commission (energy, conservation, historic, etc.)
• Utility
Type:
• Construction
• Foundation engineering
• Electrical works
• Interconnection
• Zoning
• Communication interference
• Aviation interference
• Environmental impact
4.4 Plans and Drawings
4.0 Planning and Installation Checklist
NOTICE: Use of the material contained in this document is subject to the warning on page Iv and the disclaimer
on page v of this document.
DOC012R02 AOC 15/50 User Manual Nov 2001
26
The following list contains suggested documentation to prepare in advance and have on hand to
ensure efficient and proper site development, as well as for submittal for the necessary
approvals:
• Plot plan
• Site layout
• Tower foundation drawing
• Tower assembly drawing
• Site wiring layout
• Control house interior wiring (if applicable) diagram
• Control house physical layout (if applicable)
• Utility interface - single line drawing
• Utility interface - three line drawing
• Wind turbine generator to control box wiring schematic
• Wind turbine generator wiring diagram
4.5 Construction Planning Considerations
To reduce delays later and to minimize cost, the following items should be considered during
the planning process:
• Subcontractor roles and responsibilities
• Cable trenches (type, length and depth)
• Control enclosure design
• Site specific weather extremes
• Tower foundation type
• Foundation forming details
• Site accessibility and road conditions
• Crane availability and cost
• Concrete availability and cost
• Backhoe availability and cost
• Concrete reinforcing bar availability and cost
• Labor skills and related costs
• Soil characteristics
§ Soil stability
§ Depth to water table
§ Depth to significant frost
§ Allowable bearing capacities
• Blasting needs
• Tripod or backhoe for tower assembly
• Availability of hand tools
• Concrete working tools
• Anchor bolt template and verification of proper placement
• Fencing materials and security
4.0 Planning and Installation Checklist
NOTICE: Use of the material contained in this document is subject to the warning on page Iv and the disclaimer
on page v of this document.
DOC012R02 AOC 15/50 User Manual Nov 2001
27
4.6 Electrical Planning Considerations
The local wiring inspector should review the design of the electrical installation before work
starts at the site. The following items should be considered in the design/installation of the
electrical system:
• Wire sizes, length and type as described in Appendix M
• Conduit type and size
• Service entrance hardware
• Revenue meter specifications
• Protective hardware required by the interfacing utility
• Distribution panel(s) with properly sized circuit protection
• Single phase power for control house lights and receptacles
• Step down transformer characteristics
• Control house interior wire ways
• Control house junction box(es)
• Multiple unit control for wind power stations
• Twist cable termination box
• Foundation/conduit interfaces
4.7 Installation Tools and Equipment
The installation of the AOC 15/50 requires specific tools and equipment (see Appendix I).
Below is a breakdown of steps to take or equipment to have on hand for the three main
installation phases.
For tower assembly:
• Tower manufacturer’s assembly drawings
• Checklist of tower parts, hardware and tools
• Torque specifications
• Tripod, bucket, backhoe or boom truck
• Personnel for lifting and assembly
• Anemometer boom and brackets
To prepare machine:
• If wind turbine generator was shipped in a crate, remove from crate
• Check components
• Open blade crate
For installation:
• Slings, ropes, buckets and tools
• Adequately trained personnel
4.0 Planning and Installation Checklist
NOTICE: Use of the material contained in this document is subject to the warning on page Iv and the disclaimer
on page v of this document.
DOC012R02 AOC 15/50 User Manual Nov 2001
28
• Platform or bucket for blade installation
• Appropriate safety equipment
• Crane
• Forklift or boom truck
4.8 Installation Personnel Considerations
The installation and maintenance of a wind turbine requires specialized skills, equipment and
experience. AOC assumes that all installation and operation personnel will have these skills,
experience and equipment. Only trained and qualified technicians should attempt to climb a
wind turbine tower and should use OSHA/ANSI approved practice and equipment. It is highly
recommended that a trained AOC representative be present for the erection and assembly of the
wind turbine (see Section 4.9). The following personnel should also be present, as and when
required, during installation:
• One to two qualified technicians trained in climbing safety to erect and install wind
turbine
• Qualified crane operator to operate the crane during tower and wind turbine lifting
• Certified electrician and/or utility personnel to install cables and wire controllers
• Additional labor for non-technical tasks such as tower assembly
4.9 General Installation/Commissioning Timeline
The following timeline represents the minimum installation schedule for one wind turbine under
ideal circumstances. Three to five days is usually a reasonable estimate. Poor weather
conditions, logistic problems and poor planning may extend the timeline considerably.
Site Preparations and Construction:
• Pour foundation
• Create cableways, wiring, power cables
• Install and wire control boxes, capacitor, and dynamic brakes
• Inspect wind turbine and hardware
4.0 Planning and Installation Checklist
NOTICE: Use of the material contained in this document is subject to the warning on page Iv and the disclaimer
on page v of this document.
DOC012R02 AOC 15/50 User Manual Nov 2001
29
Day 1:
• Plan and prepare erection
• Assemble tower
• Test generator and use it as a motor to test drive train
• Clean blades and install tip brake cable
• Prepare tip brake studs and cavity
• Prepare blade bolt inserts
• Attach twist cable
• Install two of three blades if time permits (fork lift, boom truck, etc.)
Day 2:
• Lift and install tower on foundation (crane)
• Install blades on hub
• Install tip brakes on blade ends
• Lift and mount machine onto the tower
• Torque tower top fasteners
• Torque all tower bolts and add pal nuts
Day 3:
• Install and wire anemometers
• Wire twist cable junction box and disconnect (if applicable) at tower base
• Grout tower legs
• Mount warning signs as required
• Troubleshoot and commission
Day 4:
• Complete any further installation details
• Carry out final QA check
• Monitor performance (wind permitting)
4.0 Planning and Installation Checklist
NOTICE: Use of the material contained in this document is subject to the warning on page Iv and the disclaimer
on page v of this document.
DOC012R02 AOC 15/50 User Manual Nov 2001
30

NOTICE: Use of the material contained in this document is subject to the warning on page Iv and the disclaimer
on page v of this document.
DOC012R02 AOC 15/50 User Manual Nov 2001
31
5.0 Site Preparation
FOUNDATION CONSTRUCTION AT THE BURLINGTON ELECTRIC DEPARTMENT PROJECT
Photo Courtesy
of
BED

5.0 Site Preparation
NOTICE: Use of the material contained in this document is subject to the warning on page Iv and the disclaimer
on page v of this document.
DOC012R02 AOC 15/50 User Manual Nov 2001
32
WARNING
DURING THE INSTALLATION OF A WIND TURBINE, THE SITE
SHOULD BE MAINTAINED SO THAT IT DOES NOT PRESENT A
SAFETY RISK/HAZARD TO PERSONNEL.
The following sections discuss some of the siting factors, which must be considered before the
wind turbine arrives.
5.1 Site Access
Access to the site is a prime consideration when installing a wind turbine. Limitations in site
access will determine the type of installation and equipment that can be used. Potentially
limiting factors include:
• Roadways (existence, permits, size, surface, restricted use, weight bearings)
• Bridges (size, load capacity, width and height clearances)
• Physical clearances (overhead wires, lamp posts, turning radii, grade)
• Traffic (movement to and at the site)
• Lay down area (space to assemble the tower and locate components prior to installation)
5.2 Foundation Installation
Foundation types and installation approaches are site specific and the foundations must be
designed for the load conditions expected at the site in question. Refer to IEC Standards for
Wind Turbines for additional information. Since AOC offers a standard and tilt-up tower, it
should be noted that the chosen configuration will affect the position of the anchor bolts. For
planning purposes regarding the tilt-up towers, it should be remembered that AOC only supplies
the hinges not the erection equipment.
See Appendix F for foundation loads and details. The civil engineer responsible for the
foundation design should consider site specific conditions.
Each tower leg should be grounded as per EIA standards. Rohn recommends using three 5/8”
galvanized ground rods, 8 feet long and mechanically connected to each leg using #4 gage wire.

5.0 Site Preparation
NOTICE: Use of the material contained in this document is subject to the warning on page Iv and the disclaimer
on page v of this document.
DOC012R02 AOC 15/50 User Manual Nov 2001
33
It may be advisable to excavate trenches for power and control cables at the time of digging the
foundations. For wire and cable information, refer to Appendix M.
CAUTION
CAREFUL MEASUREMENT AND USE OF AN
ACCURATE ANCHOR BOLT TEMPLATE BEFORE,
DURING AND AFTER CONCRETE POURING CAN
MINIMIZE ALIGNMENT PROBLEMS OR
FOUNDATION REPAIRS.
5.3 Receiving the Wind Turbine at the Site
Wind turbines are often installed on uneven terrain. Moving components and assembling them
is easier on level ground. It is, therefore, suggested that a level lay-down area is either
excavated (taking care to prevent erosion) or built, on which the wind turbine can be assembled
and erected. Items such as blades may need to be anchored and covered if the site experiences
strong winds or other hazardous environmental conditions.
The wind turbine will normally be shipped in four crates. Their nominal weights and sizes are
listed in Appendix E. For containerized shipping please note that both the tower sections and
the blades are too long to fit a 20 ft container.
Once the shipment has been offloaded from the truck:
• The packing list should be checked to confirm that all items have been received. The
items should be inspected for damage and if any damage is suspected the shipping
company should be contacted regarding claims procedures. AOC should also be
notified of the parts needed. Particular care should be taken to inspect the twist cable
and the blade surfaces.
• Any scratches obtained during transit should be touched up. CRC Industrial SP
Corrosion Inhibitor or an equivalent can be used as an anticorrosive on any bare metal
surface. Failure to properly coat bare metal may result in significant corrosion.
• With the wind turbine on level ground, the oil level in the gearbox sight glass should be
checked. See Figure 2-2 for the sight glass location. It should be half way up the sight
glass.
• All grease fittings should be intact. These are located on the generator housing, yaw
bearing, yaw lock.
The checklist is provided in Appendix G.
5.0 Site Preparation
NOTICE: Use of the material contained in this document is subject to the warning on page Iv and the disclaimer
on page v of this document.
DOC012R02 AOC 15/50 User Manual Nov 2001
34

NOTICE: Use of the material contained in this document is subject to the warning on page Iv and the disclaimer
on page v of this document.
DOC012R02 AOC 15/50 User Manual Nov 2001
35
6.0 Tower and Wind Turbine Generator Installation
TOWER ASSEMBLY AT THE BURLINGTON ELECTRIC DEPARTMENT PROJECT
Photo Courtesy of
BED
6.0 Tower and Wind Turbine Generator Installation
NOTICE: Use of the material contained in this document is subject to the warning on page Iv and the disclaimer
on page v of this document.
DOC012R02 AOC 15/50 User Manual Nov 2001
36
The following sections describe the assembly of the tower, as well as its erection and the
installation of the wind turbine generator.
6.1 Tower Assembly
For the assembly details refer to the manufacturer’s instruction packet shipped with the tower.
The tower assembly drawings for the standard 24.4 m (80 ft) tower are supplied in Appendix C;
for those of the 30.5 m (100 ft) tower see Appendix D.
The tower will generally be assembled horizontally with two of its three legs near the ground.
Blocks should be used to support these two legs at several locations along their length. The
height of the blocks should be chosen to ensure that the tower is straight and to allow cross-
braces to be bolted to the legs. The blocks must have sufficient strength and stability for the
tower to be worked on safely.
After laying out the tower leg sections, the braces should be matched to their respective brace
clips on the legs. Braces and legs are clearly stamped with their part numbers and are referenced
in the tower drawings (see Appendix C or D). The bottom leg flanges of the bottom tower
section and the upper leg flanges of the topmost tower section are angled. This ensures that they
are parallel to the foundation and the turbine tower top casting once the tower is vertical.
The cross-braces between two legs from each section should be installed. The third leg then has
to be lifted above the two lower legs for the remaining cross-braces to be installed. The leg can
be raised using a bucket loader, fork lift or similar aid.
The open angle on the cross-braces should face towards the tower base, to shed any water. The
longer distance between the middle and the outer bolt hole in the cross-brace should also be
positioned facing down, towards the base. This configuration should be repeated down the tower
and around its sides. The top braces of each section start in the top hole of the brace clips, and
the bottom braces of each section terminate at the bottom hole of the brace clips. The cross-
brace holes may not line up with the brace clip hole easily but they can be aligned using a pair of
drift pins and two vise grips to hold the brace in place while a bolt is inserted.
Brace bolts should be installed with the head on the inside of the tower and the nut on the
outside. Flange bolts should be inserted from the bottom up, with the nut on the flange top. The
flange bolts on the top and bottom most sections should be left slightly loose until the tower is in
place, as should the cross-brace bolts on these sections. It is helpful to use templates on the top
and bottom sections when assembling the tower. This ensures a better fit when the tower is
erected on the foundation. The bolts on the middle sections may be tightened to their required
torques after the tower has been completely assembled.
The 1” flange bolt nuts should be torqued to 340 Nm (250 ft-lbs) and the 5/8” nuts on the braces,
to 200 Nm (150 ft-lbs). Pal nuts should be placed snug tight on every bolt after the nut has been
torqued, thereby indicating that the bolt has been torqued to specification.

6.0 Tower and Wind Turbine Generator Installation
NOTICE: Use of the material contained in this document is subject to the warning on page Iv and the disclaimer
on page v of this document.
DOC012R02 AOC 15/50 User Manual Nov 2001
37
NOTE: A template identical to the anchor bolt template can be bolted to the bottom leg
flanges during tower assembly to insure a proper fit during the tower erection. Using both
templates should theoretically allow all bolts to be torqued before erection.
6.2 Tower Erection
Appendix G contains the Installation QA checklist that should be used during the installation
process.
Much time can be saved if a crane capable of lifting the tower as one complete unit is used.
When considering crane capacity, the erection load and local wind conditions should be taken
into account. The centerline of the drive train is approximately 1.2 m (4 ft) above the chosen
tower height. The 24.4 m (80 ft) tower weighs approximately 3,180 kg (7,000 lbs) and the 30.5
m (100 ft) tower, approximately 4,550 kg (10,000 lbs). The wind turbine generator weighs
approximately 2,480 kg (5,450 lbs). See Appendix E. The length of the crane ball, lifting sling
and the height lost due to boom angle reach should also be taken into account.
Before the tower is set on the foundation, an anchor nut should be placed on each anchor bolt to
serve as a base for the tower flanges to rest upon. These nuts should be leveled before the tower
is placed on them, using a survey transit and straight rod or a long straightedge with a bubble
level, for example. Tolerance is not important initially, as the nuts may need to be adjusted in
order to level the gearbox.
The tower can be lifted using three appropriately rated, separate slings or cables of equal length,
each of which is hooked to the crane ball at one end and to the tower, near the top of its top
section legs, at the other. The lifting devices should be inspected for correct attachment
before raising the tower. Special care should be taken not to damage the lifting webbing on
sharp edges. The tower should be lifted slowly and set on the anchor bolts carefully. The tower
base flanges may not fit the anchor bolts precisely, especially if a base template was not used.
WARNING
DO NOT HAMMER OR BEND ANCHOR BOLTS TO FIT THE
TOWER BASE. THIS MAY CAUSE CATASTROPHIC
STRUCTURAL FAILURE AND RESULT IN SEVERE INJURY OR
DEATH.
The tower legs may have to be twisted along their axes, to obtain the correct alignment between
the flange holes and the anchor bolts. This can be done using a come-along and pry-bar. As the
tower is lowered onto the base nuts, the top locking nuts should be placed on the anchor bolts as
soon as the first threads protrude from the flanges. The nuts should be tightened incrementally
as the tower is lowered. Once the tower is in place, the lock nuts should be tightened hand snug,

6.0 Tower and Wind Turbine Generator Installation
NOTICE: Use of the material contained in this document is subject to the warning on page Iv and the disclaimer
on page v of this document.
DOC012R02 AOC 15/50 User Manual Nov 2001
38
after which the tension on the crane cable can be relaxed. A technician should verify that the
tower top is level by climbing the tower. Any adjustments required to level the tower top should
be made by adjusting the anchor nuts.
The 1½ “ anchor bolt nuts should be torqued to AISC snug tight standards after the tower has
been erected; snug tight being defined as the tightness needed to bring all plies in a joint into
firm contact. This may be obtained by a few impacts of an impact wrench or the full effort of a
man using an ordinary spud wrench. Following this, the tower grounding rods should be
connected (see Section 5.2) and the slings released.
WARNING
ONLY TRAINED AND QUALIFIED TECHNICIANS SHOULD
ATTEMPT TO CLIMB A WIND TURBINE TOWER AND SHOULD
USE OSHA/ANSI APPROVED PRACTICE AND EQUIPMENT. ANY
ACTIVITIES WHERE PERSONS COULD BE SUBJECT TO A FALL
OF SIX FEET OR MORE SHOULD BE PERFORMED USING
APPROPRIATE FALL PROTECTION EQUIPMENT FASTENED
TO A SECURE ANCHOR POINT. SEE APPENDIX S FOR A
DESCRIPTION OF SAFETY EQUIPMENT AND SECURE ANCHOR
POINTS.
A DESIGNATED PERSON SHOULD BE CLEARLY IDENTIFIED
AS THE LIFT COORDINATOR. THE LIFT COORDINATOR
SHOULD DIRECT ALL EQUIPMENT AND PERSONNEL DURING
THE LIFT. HAND SIGNALS (APPENDIX R) MUST BE
CAREFULLY COORDINATED WITH THE CRANE OPERATOR IN
ADVANCE. SUPPLEMENTARY RADIO CONTACT IS STRONGLY
RECOMMENDED.
6.3 Wind Turbine Component Preparation
6.3.1 Tip Brake Installation
After removing the top of the blade crate, the blade tips should be slid on to the edge of the crate
end. The blades should then be pulled out of their crate completely, inspected for damage and
laid on support blocks. The foam packing inserts can be used to separate and support the blades.
Both conduit ends should be free of debris and epoxy!

6.0 Tower and Wind Turbine Generator Installation
NOTICE: Use of the material contained in this document is subject to the warning on page Iv and the disclaimer
on page v of this document.
DOC012R02 AOC 15/50 User Manual Nov 2001
39
CAUTION
THE BLADES SHOULD NOT BE SCRATCHED OR GOUGED
DURING SITE HANDLING AS THIS CAN CAUSE A LOSS OF
ROTOR PERFORMANCE AND/OR BLADE DEGRADATION
FROM ENVIRONMENTAL EFFECTS.
The string in the conduit should be used to pull a #10 gage wire through the conduit. The blade
cable should then be attached to the wire (with tape, for example) and pulled through the blade
conduit, with the molded 3-pin connector at the root end of the blade. Lubricating the blade
cable facilitates this operation. Female connectors should be crimped to the black and red wires
and a fork-tongue connector to the blue wire. The female connectors should be connected to the
rectifier and the fork-tongue connector to the ground point on the damper bracket (see Figure 6-
2).
To avoid damaging the tip brakes during blade installation, it is preferable to install them once
the blades have been attached to the hub. Till then, the blade ends should be protected with foam
to prevent damage, should they strike the ground or any hard object.
After connecting the electromagnet, the tip brake assembly should be inserted carefully into the
end of the blade without pinching the electromagnet wires. Each tip brake should be bolted to its
blade using low profile nylon-insert lock nuts over the blade end studs. The lock nuts should be
torqued to 14.8 Nm (11 ft-lbs) for the 5/16" studs and 24 Nm (18 ft-lbs) for the 3/8" studs, using
½" and 9/16" socket wrenches, respectively. It is recommended to step torque each nut to
distribute the force over all studs.
CAUTION
FORCING THE TIP BRAKE INTO THE BLADE CAVITY CAN
DAMAGE BOTH THE BLADE AND THE TIP BRAKE. TIP
BRAKES SHOULD SLIDE INTO THE BLADE CAVITY
EASILY.
After the tip brake has been mounted on the blade and wired, the blade should be positioned so
that the tip brake can open and close freely. The tip brake should be opened and let go; it should
close completely.

6.0 Tower and Wind Turbine Generator Installation
NOTICE: Use of the material contained in this document is subject to the warning on page Iv and the disclaimer
on page v of this document.
DOC012R02 AOC 15/50 User Manual Nov 2001
40
Figure 6-1 Parking brake manual release
Figure 6-2 Tip brake installation

6.0 Tower and Wind Turbine Generator Installation
NOTICE: Use of the material contained in this document is subject to the warning on page Iv and the disclaimer
on page v of this document.
DOC012R02 AOC 15/50 User Manual Nov 2001
41
6.4 Blade Installation
This procedure should be carried out by a minimum of three technicians. Each blade weighs 135
kg (300 lbs) and can be lifted by a crew of three or four or using equipment such as a back hoe or
a boom truck fitted with nylon slings or ropes. Metal slings or chains should never be used to
move a blade.
CAUTION
NICKS OR GOUGES IN THE BLADE SURFACE CAN
AFFECT THE PERFORMANCE AND THE EXPECTED LIFE
OF THE BLADE SIGNIFICANTLY. TAKE EVERY
PRECAUTION TO PROTECT THE BLADE SURFACE
DURING HANDLING AND INSTALLATION.
The first two blades should be installed with the machine still set on the ground. The yaw lock
should be engaged, to restrict the turbine from rotating about the yaw axis. See Figure 6-4 for
the yaw locking position. The parking brake is released by pulling on the manual release, after
which the hub can be rotated so that a blade can be mounted with its tip or tip brake supported
above the ground (see Figure 6-1). The blade should rest on a piece of packing foam to prevent
surface damage. A drift pin or bolt placed in a blade bolt hole on the hub will help align the
blade with the hub.
WARNING
BLADE WASHERS SHOULD LIE FLAT AGAINST THE HUB
COUNTERBORE. FAILURE TO INSTALL WASHERS PROPERLY
CAN RESULT IN LOOSENING AND FAILURE OF FASTENERS.
THIS MAY RESULT IN BLADE DETACHING, SEVERELY
DAMAGING THE MACHINE AND CAUSING SERIOUS INJURY
OR DEATH.
The red protective plugs should be removed from the blade inserts in the root end. The blade
should be slid onto the hub, with the concave (upwind) side of the blade towards the machine.
The tip brake wire, which exits the trailing edge of the blade near the root, must not be damaged.
It is helpful to tape this down to the blade during assembly.
Note: The concave ('bottom' of the airfoil) MUST face the machine. Only the blade bolt
washers supplied with the wind turbine should be used. These washers are oval shaped and
designed for the blade mounting. The washer must be oriented in the correct position for the
required pitch, as the washers are not symmetric. It is extremely important that the
washers are seated entirely in the hub slot counter bores and rest flat on the bottom of
these counter bores. If the washers are even slightly misaligned, the bolts and washers
should be reassembled.

6.0 Tower and Wind Turbine Generator Installation
NOTICE: Use of the material contained in this document is subject to the warning on page Iv and the disclaimer
on page v of this document.
DOC012R02 AOC 15/50 User Manual Nov 2001
42
DO NOT SUBSTITUTE BOLTS. Only the AOC supplied Grade 8, fine thread bolts, 5/8" x
3", should be used to secure the blades to the hub. The tip brakes can be unlatched or
removed (if necessary) to prevent damage during the mounting process.
The four corner bolts on the blade should be installed, initially without the washers, to hold the
blade in place. The pitch tool should be inserted first, in slot #1 (see Figure 6.10), and secured
with a bolt inserted snug tight.
Figure 6-4 Yaw lock on tower top
Yaw Lock
Bottom View
Lock
Unlock

6.0 Tower and Wind Turbine Generator Installation
NOTICE: Use of the material contained in this document is subject to the warning on page Iv and the disclaimer
on page v of this document.
DOC012R02 AOC 15/50 User Manual Nov 2001
43
Figure 6-5 Yaw lock
Figure 6-6 Tower top casting

6.0 Tower and Wind Turbine Generator Installation
NOTICE: Use of the material contained in this document is subject to the warning on page Iv and the disclaimer
on page v of this document.
DOC012R02 AOC 15/50 User Manual Nov 2001
44
Figure 6-7 Positioning the blade for attachment
Figure 6-8 Bolting blade to a hub
The blade pitch can be adjusted to set the peak power production and to accommodate various
wind resources. For pitch setting, consistency between blades and optimum power capture, AOC
recommends that a pitch tool be used which may be purchased from AOC. Currently a standard,
an aggressive and a conservative pitch setting tool are available. (See figure 6-9 for pitch
variance.) Custom pitch tools may also be designed for specific sites.
At this point the remaining six bolts and ten washers should be installed and the pitch tool
removed. Loctite 271 should be applied to each of the bolts strictly following the procedure
outlined in Appendix J-3. All the blade bolts should be torqued in two stages using a 15/16"
socket: first to 180 Nm (130 ft-lbs) and then to 243 Nm (180 ft-lbs). The blade bolts should be
torqued in a star pattern starting with #1 as shown in Figure 6-10. The blade washers MUST be
Blade #1
Ground level
Turbine on pallet
4 Corner Bolts

6.0 Tower and Wind Turbine Generator Installation
NOTICE: Use of the material contained in this document is subject to the warning on page Iv and the disclaimer
on page v of this document.
DOC012R02 AOC 15/50 User Manual Nov 2001
45
aligned properly and be seated completely in the slot counter bore of the hub. If a washer
becomes misaligned while torque is applied, the bolt must be loosened and the washer realigned.
For the attachment of the second blade, the hub is rotated so that the blade can be mounted with
its tip supported, as was done for the first blade. The first blade will need to be supported
initially by slings attached to a boom truck or crane. Once the hub is in the correct position the
parking brake can be applied and the boom truck released. The procedure for mounting and
aligning the second blade is as for the first one. The procedure for attaching the third blade is
described in the Section 6.5.
Figure 6-9 Pitch adjustment
Figure 6-10 Blade Torque Pattern
-2.3°
0°
+2.3
°
1
9
7
2
10
5
8
3
6
4

6.0 Tower and Wind Turbine Generator Installation
NOTICE: Use of the material contained in this document is subject to the warning on page Iv and the disclaimer
on page v of this document.
DOC012R02 AOC 15/50 User Manual Nov 2001
46
Figure 6-11 Attachment of the second blade
6.5 Lift Preparation
CAUTION
TOWERS AND DRIVE TRAIN ASSEMBLIES SHOULD
NOT BE LIFTED INTO POSITION IN WINDS ABOVE 9
M/S (20 MPH), DURING LOW VISIBILITY OR WHEN
LIGHTNING COULD POSSIBLY OCCUR. ALL TOWER
AND GROUND PERSONNEL MUST BE PROPERLY
TRAINED, BRIEFED AND FITTED OUT WITH SAFETY
EQUIPMENT.
A crane with the appropriate height and load capacity is required to hoist the tower into position
(see Appendix E).
Two cranes (large and small) may be needed to attach the third blade. A large crane will be
needed to lift the drive train and a smaller crane or boom truck will be needed to lift the third
blade. The small crane must be capable of lifting the blade at least 4 m (13 ft) (see Figure 6-14).
The length of all rigging and harnessing must be taken into account. Releasing the yaw lock
Blade #2
Ground
Blade #1

6.0 Tower and Wind Turbine Generator Installation
NOTICE: Use of the material contained in this document is subject to the warning on page Iv and the disclaimer
on page v of this document.
DOC012R02 AOC 15/50 User Manual Nov 2001
47
before hoisting the wind turbine generator will make alignment with the tower easier. The
timing of yaw lock release should be determined by trained personnel.
Figure 6-12 Lifting of tilt down tower at Kotzebue Electric Association
The large crane should lift the wind turbine generator using two slings as shown in Figure 6-13.
The weight of the wind turbine is approximately 2,480 kg (5,450 lbs.). Any straps should be on
the inside of the conduit. THE HOIST RINGS SHOULD NOT BE USED FOR LIFTING
THE WIND TURBINE GENERATOR!
CAUTION
ALL LIFTING DEVICES SHOULD BE INSPECTED FOR
INTEGRITY, SUITABILITY FOR PURPOSE AND CORRECT
ATTACHMENT BEFORE LIFTING.
The wind turbine generator should be lifted slightly to see whether it sits level in its slings. If it
does it should be lowered back to the ground and its slings readjusted.
The wind turbine generator should be lifted slowly to a height of approximately 4 m (13 feet),
while the blade closest to the ground is held steady and rotate until it is directly vertical. The
parking brake needs to be released. The third blade can now be mounted to the hub with the
Photo Courtesy of
KEA

6.0 Tower and Wind Turbine Generator Installation
NOTICE: Use of the material contained in this document is subject to the warning on page Iv and the disclaimer
on page v of this document.
DOC012R02 AOC 15/50 User Manual Nov 2001
48
technician standing on a platform (see Figure 6-14). The same procedures for attaching and
aligning the third blade should be used as were described in Section 6.4.
APPROXIMATE C. G. LINE
Figure 6-13 Wind turbine generator lift
When all blades and tip brakes have been mounted correctly, the parking brake should be
engaged and a tagline attached to the two downward pointing blades, around the tip brake hinge
point. The twist cable attached to the base of the wind turbine generator should be looped and
tied so that it is lifted with the turbine.
All necessary tools (see Appendix I) and hardware (mounting bolts, nuts and washers) should be
taken to the top of the tower. 1" non-locking nuts are useful as quick fasteners to secure the
tower top casting to the tower temporarily. These items may be raised together with the wind
turbine generator to make climbing easier.

6.0 Tower and Wind Turbine Generator Installation
NOTICE: Use of the material contained in this document is subject to the warning on page Iv and the disclaimer
on page v of this document.
DOC012R02 AOC 15/50 User Manual Nov 2001
49
Third Blade Attached
APPROX. 13 Ft
Figure 6-14 Third blade attachment
CAUTION
THE PARKING BRAKE MUST BE PROPERLY ENGAGED,
TO LOCK ALL ROTATING PARTS INTO POSITION,
PRIOR TO LIFTING THE WIND TURBINE GENERATOR.

6.0 Tower and Wind Turbine Generator Installation
NOTICE: Use of the material contained in this document is subject to the warning on page Iv and the disclaimer
on page v of this document.
DOC012R02 AOC 15/50 User Manual Nov 2001
50
6.6 Lifting and Securing the Wind Turbine
WARNING
ONLY TRAINED AND QUALIFIED TECHNICIANS SHOULD
ATTEMPT TO CLIMB A WIND TURBINE TOWER AND SHOULD
USE OSHA/ANSI APPROVED PRACTICE AND EQUIPMENT. ANY
ACTIVITIES WHERE PERSONS COULD BE SUBJECT TO A FALL
OF SIX FEET OR MORE SHOULD BE PERFORMED USING
APPROPRIATE FALL PROTECTION EQUIPMENT FASTENED TO
A SECURE ANCHOR POINT. SEE CHAPTER 3 FOR A
DESCRIPTION OF SAFETY EQUIPMENT AND SECURE ANCHOR
POINTS.
A CLEARLY IDENTIFIED PERSON SHOULD BE DESIGNATED
LIFT COORDINATOR. THE LIFT COORDINATOR SHOULD
DIRECT ALL EQUIPMENT AND PERSONNEL DURING THE LIFT.
The technicians on the tower, waiting to receive the wind turbine generator, need to be secured
below the top of the tower, in case the machine swings or shifts unexpectedly. They should not
attach themselves to the wind turbine generator until it is securely bolted to the tower.
The wind turbine generator should be lifted above the top of the tower, controlling the swing and
direction via the taglines. Once it is approximately aligned with the top of the tower, it should be
lowered slowly onto the top tower flanges. A large drift pin may be necessary to align bolt holes
between the tower top casting and the tower flanges.
The bolts, with a washer under the head, should be inserted from the bottom up through each bolt
hole in the tower flange and through the one in the tower top casting. Each bolt should then be
secured with a washer and nut from above, making sure that at least one nut on each flange is
snug tight. Since the self-locking nuts require a significant effort to turn, one can shorten the
crane time by using temporary, non-locking nuts. These must be replaced with lock nuts
IMMEDIATELY after the crane has been released.
Once all bolts have been inserted, their locking nuts need to be tightened with a ratchet and
extension until snug. The tower top lock nuts should be torqued to 810 Nm (600 ft-lbs), using a
1 7/16" socket torque wrench and 1½" combination wrench.
To remove the taglines, the parking brake needs to be released and each blade pulled down in
turn until it is pointing straight down and can be reached from the tower climbing leg; the
taglines can be unclipped after which the parking brake should be re-engaged.

6.0 Tower and Wind Turbine Generator Installation
NOTICE: Use of the material contained in this document is subject to the warning on page Iv and the disclaimer
on page v of this document.
DOC012R02 AOC 15/50 User Manual Nov 2001
51
WARNING
THE PARKING BRAKE OF THE WIND TURBINE SHOULD NEVER
BE LEFT DISENGAGED, AS THIS MAY CAUSE SEVERE INJURY.
WIND TURBINE COMPLETE INSTALLATION IN MOROCCO
NOTICE: Use of the material contained in this document is subject to the warning on page Iv and the disclaimer
on page v of this document.
DOC012R02 AOC 15/50 User Manual Nov 2001
52

NOTICE: Use of the material contained in this document is subject to the warning on page Iv and the disclaimer
on page v of this document.
DOC012R02 AOC 15/50 User Manual Nov 2001
53
7.0 Electrical Installation
UTILITY INTERFACE
Photo Courtesy of
BED
7.0 Electrical Installation
NOTICE: Use of the material contained in this document is subject to the warning on page Iv and the disclaimer
on page v of this document.
DOC012R02 AOC 15/50 User Manual Nov 2001
54
The following sections discuss the wind turbine wiring and utility connection requirements
and procedures. Wire connections to the three-phase control box, dynamic brake boxes
and twist cable junction box are site specific, but should follow the general guidelines and
wiring drawings available from AOC.
7.1 Electrical Interface to Utility
The utility interface is site specific and must be coordinated with the local utility or other
responsible party. A kWh meter for each machine is recommended.
The wind turbine may be interfaced with a preexisting low voltage 480V 60Hz (400V 50Hz)
supply or it may require its own step up transformer to the system distribution voltage.
• Interface at the 400/480 VAC level:
For single wind turbine installations the wind turbine can be interfaced directly with the
480/400 VAC utility system, if sufficient transformer capacity exists (75 kVA per
turbine). This also applies to commercial and industrial installations with an adequately
sized 480/400 VAC panel and distribution system. The wind turbine should be on a
dedicated circuit breaker/fuse of proper capacity rating.
• Interface at voltage levels greater than 480/400 VAC:
For single or multiple wind turbine installations it may be necessary and/or desirable to
install a step up transformer between the 480/400 VAC wind turbine and the higher
voltage utility system. For example, in a single unit installation interfacing with a 13.8
kV utility system, a minimum 75 kVA transformer with a 13.8 kV/480V ratio would be
necessary. Since wind turbine output is variable, care must be taken to properly size the
step-up transformer. The winding configuration may also affect system performance.
The AOC 15/50 generator is WYE connected. The interfacing transformer is typically
connected with WYE primary and DELTA secondary.
Figure 7-1 illustrates the simplest form of a utility interface. Utility interconnection should be
specifically engineered for each site. This manual only suggests installation procedures from the
control box to the wind turbine. Applicable national and local codes must be followed. Careful
research and consultation during the planning stage can avoid expensive and dangerous mistakes.
A licensed electrician may be required to install all interconnection wiring. See Appendix M for
details on wire sizing.

7.0 Electrical Installation
NOTICE: Use of the material contained in this document is subject to the warning on page Iv and the disclaimer
on page v of this document.
DOC012R02 AOC 15/50 User Manual Nov 2001
55

7.0 Electrical Installation
NOTICE: Use of the material contained in this document is subject to the warning on page Iv and the disclaimer
on page v of this document.
DOC012R02 AOC 15/50 User Manual Nov 2001
56
CAUTION
AFTER THE POWER COLLECTION INTERFACE HAS BEEN
INSTALLED, ALL POWER CABLES AND WIRES TO THE WIND
TURBINE MUST BE DE-ENERGIZED. ALL ELECTRIC
DISCONNECTS FEEDING INTO THE WIND TURBINE MUST BE
LOCKED OUT AND TAGGED OUT.
7.2 Wiring and Cable Requirements
The following sections discuss the power, control and anemometer cable requirements.
7.2.1 Power and Control Cable
The power cable for an AOC 15/50 must be of a sufficient ampacity rating to carry the rated
generator current (86 Amperes). The National Electrical Code and the IEC Code list the
ampacity of various cable types.
The minimum cable sizes (see Appendix M) were calculated based on general assumptions
regarding service transformer rating and utility line capacity. Cable sizes were also selected to
take varying distances between the tower and control boxes into account. They are meant for
general planning only and should not replace site specific electrical engineering.
The power cable must be of appropriate insulation and construction to satisfy national and local
electrical code specifications for the specific distribution system. AOC does not recommend the
use of direct buried cable, unless it is armored, due to the increased potential for faults.
It is necessary to consider the economics associated with increasing power cable size from the
minimum required, in order to increase the net energy output (in kWh) of the wind system
through reduced line losses. The increase in revenue from a larger cable must be weighed
against its higher initial cost. Determining the optimum cable size requires the following:
• Consideration of initial expenditures
• Effects of line loss on kWh production
• Projections of kWh production over time
• Interest rates as a reference in determining the economic value of increased initial
investment
Figure 7-2 depicts the typical layout of the electrical enclosures with the dynamic brake boxes
located near the main enclosure. Whenever holes (knockouts) are drilled through electrical boxes
for a conduit installation the edges of the holes must be coated to prevent adverse corrosion.
Please contact a professional engineer, AOC or an authorized representative, for further
assistance in designing a suitable power distribution system.

7.0 Electrical Installation
NOTICE: Use of the material contained in this document is subject to the warning on page Iv and the disclaimer
on page v of this document.
DOC012R02 AOC 15/50 User Manual Nov 2001
57

7.0 Electrical Installation
NOTICE: Use of the material contained in this document is subject to the warning on page Iv and the disclaimer
on page v of this document.
DOC012R02 AOC 15/50 User Manual Nov 2001
58
7.2.2 Anemometer Mast and Cable Wiring
The AOC 15/50 uses a dual anemometer based control system for increased reliability. Figure 7-
3 shows a typical anemometer. The cable between each of the two anemometers and the control
enclosure must have the following characteristics:
• Consist of at least two conductors, #22 AWG or larger
• Be twisted and shielded against electrical interference
• Be resistant to ultraviolet radiation due to exposure on the tower
• Be rated for protected direct burial if not run in a conduit
• Be suitable for the ambient temperature and other conditions expected at site
To meet code requirements, the anemometer cable insulation must carry a 600V rating if it is to
be run for any distance in the same conduit or raceway as the wind turbine power cable. For
most sites BELDEN 9501 cable will be suitable for this purpose.
NOTE: Cable shields should only be grounded at the turbine control panel. Any other grounding
scheme may lead to multiple grounds that could affect circuit function.
The anemometer boom should be mounted at the third set of brace clips below the topmost tower
section, approximately 10 m (32 ft) from the top of the tower. It should be approximately
perpendicular to the prevailing wind direction, with the anemometer masts vertical. Each
anemometer should be fitted with one anemometer cable and attached to the mast. The cotter pin
has to be inserted to secure the anemometer to its mast. The anemometers cables should be
routed to a common point near one of the two adjacent tower legs and be attached to the
anemometer masts using UV protected tie wraps. Each cable should be looped, approximately
30 cm (12 inches) across, before attaching it to the tower leg. The loop will provide extra cable
for servicing. The two cables should be routed down one of the tower legs to either the twist
cable junction box or directly to the control box. See Appendix B for additional details.
Figure 7-3 Anemometer

7.0 Electrical Installation
NOTICE: Use of the material contained in this document is subject to the warning on page Iv and the disclaimer
on page v of this document.
DOC012R02 AOC 15/50 User Manual Nov 2001
59
7.3 Control Box Connections
Wires should be run in a conduit to the control box based on convenience, safety and applicable
standards. Non-NEMA 4 electronic enclosures must be housed in a weatherproof service
structure. However, it is recommended that all enclosures be housed in a weatherproof structure
to facilitate maintenance in all weather conditions. Wires from the control box to the tower base
should run in a conduit. Rigid metal conduit should be buried to a minimum depth of 92 cm (36
inches) and approved non-metallic direct burial conduit, to a minimum depth of 46 cm (18
inches) or 61 cm (24 inches) for roadways. Refer to the National Electrical Code, International
Electrotechnical Commission standards and local inspectors for site specific requirements.
All wires between the control box, the dynamic brake capacitor box and the dynamic brake
resistor box must be properly contained in conduits and be terminated correctly in the control
box. When terminating wires in screw lugs, torque, release torque and retorque the lug screw to
ensure the wire will not pull out of the lug connection. See Appendix M for wire connections.
Figure 7-5 Control box at Kotzebue Electric Association
Photo Courtesy of
KEA

7.0 Electrical Installation
NOTICE: Use of the material contained in this document is subject to the warning on page Iv and the disclaimer
on page v of this document.
DOC012R02 AOC 15/50 User Manual Nov 2001
60
7.4 Twist Cables and Junction Box
The twist cable junction box should be mounted on the inside of a tower leg approximately 3.7 m
(12 feet) above the tower base. This height may need to be adjusted, depending on twist cable
length. The vertical cable droop must be approximately 1.8 m (6 ft) (see Appendix B).
Two Unistrut, split pipe clamps are used to secure the box to the tower leg. The box should be
oriented with its door facing towards the center (inside) of the tower (see Appendix B).
The two twist cables can be connected to the junction box. Conduit should be installed between
the twist cable junction box and the control enclosure. Please note that whenever holes are
drilled through electrical boxes for conduit installation the edges of the holes must be coated to
prevent adverse corrosion. Failure to adequately coat metal may lead to early deterioration of the
enclosure.
7-5 Turbine, tower and anemometer boom
Photo Courtesy of
KEA

7.0 Electrical Installation
NOTICE: Use of the material contained in this document is subject to the warning on page Iv and the disclaimer
on page v of this document.
DOC012R02 AOC 15/50 User Manual Nov 2001
61
8.0 Function Tests and Commissioning

8.0 Function Tests and Commissioning
NOTICE: Use of the material contained in this document is subject to the warning on page Iv and the disclaimer
on page v of this document.
DOC012R02 AOC 15/50 User Manual Nov 2001
62
The following section describes the procedures for testing a wind turbine’s functions before it is
officially commissioned.
8.1 Function Tests and Commissioning
Prior to placing the wind turbine into initial service and after any maintenance and/or repair
work, the following must be carried out and the commissioning/checkout test sheet must be
completed (see Appendix H).
WARNING
DO NOT ATTEMPT TO PERFORM
COMMISSIONING UNLESS YOU HAVE BEEN
PROPERLY TRAINED AND ARE EXTREMELY
FAMILIAR WITH THE OPERATION OF THE
WIND TURBINE AND ITS CONTROLS. IT IS
HIGHLY RECOMMENDED THAT AN AOC
REPRESENTATIVE PERFORM THE
COMMISSIONING OF THE MACHINE.
• Power up the control system for the first time using the following steps.
1. Set all control switches to OFF
2. Open the three 15 Amp circuit breakers on the 120V side of the control
transformer: 1CB, 2CB, 3CB
3. Open the three-pole, 3 Amp breakers on the 480V bus which reads the control
transformer and the grid monitor: 4CB, 5CB, 6CB
4. Energize the 480V bus from the utility network
5. Close the three-pole, 3 Amp breakers to energize the control transformer: 4CB,
5CB, 6CB
6. Check for 120 VAC output on the control transformer
7. Close the three 15 Amp circuit breakers on 120V side of the control transformer:
1CB, 2CB, 3CB
8. Observe panel lights. They should run through a flash sequence and then turbine
ready light should light up and remain on
9. Carry out a generator test (See Section 8.2)
• Verify that the parking brake releases properly by conducting a parking brake release test
(See Section 9.3.2)
• Verify that the anemometer signal is present and presents a realistic value (See Section
9.3.5)
• Verify that the speed sensor circuit is working properly (See Section 9.3.6)
• Test operation of the dynamic brake by running a dynamic brake test (See Section 9.3.4)
• Test normal start-up and manual shut down (See Section 9.3.7).
8.0 Function Tests and Commissioning
NOTICE: Use of the material contained in this document is subject to the warning on page Iv and the disclaimer
on page v of this document.
DOC012R02 AOC 15/50 User Manual Nov 2001
63
• Test emergency shut down (See Section 9.3.8)
• Test low wind shut down (See Section 9.3.9)
It is a good idea to observe the wind turbine running under normal conditions to verify its correct
operation. After it has been observed in normal winds, it may be signed off and formally
commissioned.
8.2 Generator Test
Each generator should be run briefly to determine proper phase rotation. The test can be carried
out during commissioning by rotor jogging the wind turbine briefly and observing the rotation of
the main shaft. If the phase rotation is correct the turbine will rotate counter clockwise when
looking upwind. If the direction of rotation is incorrect, any two of the phase leads should be
changed over and the test repeated. The only wires to be changed in the control box are the
phase leads to the turbine, TB2.
8.0 Function Tests and Commissioning
NOTICE: Use of the material contained in this document is subject to the warning on page Iv and the disclaimer
on page v of this document.
DOC012R02 AOC 15/50 User Manual Nov 2001
64

Part III
NOTICE: Use of the material contained in this document is subject to the warning on page Iv and the disclaimer
on page v of this document.
DOC012R02 AOC 15/50 User Manual Nov 2001
65
Part III
Part III
NOTICE: Use of the material contained in this document is subject to the warning on page Iv and the disclaimer
on page v of this document.
DOC012R02 AOC 15/50 User Manual Nov 2001
66

NOTICE: Use of the material contained in this document is subject to the warning on page Iv and the disclaimer
on page v of this document.
DOC012R02 AOC 15/50 User Manual Nov 2001
67
9.0 Wind Turbine Operation
AOC 15/50 Controller box

9.0 Wind Turbine Operation
NOTICE: Use of the material contained in this document is subject to the warning on page Iv and the disclaimer
on page v of this document.
DOC012R02 AOC 15/50 User Manual Nov 2001
68
WARNING
BEFORE ENERGIZING THE SYSTEM, CAREFULLY REVIEW
THIS CHAPTER AND ENSURE THAT ALL REQUIREMENTS ARE
COMPLIED WITH. IMPROPER PROCEDURES IN ENERGIZING
THE SYSTEM MAY CAUSE SEVERE INJURY OR DEATH FROM
SHOCK.
9.1 Normal Operation
This section contains a description of the operational functions of the wind turbine in normal
conditions. Normal conditions are defined as those in which the wind turbine was designed to
operate in (see Appendix A for the design specifications).
The six switches on the front panel of the control box control the wind turbine (see Figure 9-1).
The control system inputs available to the operator via the switches are listed below.
Function
Type
Description
Emergency
Stop
Maintained
Overrides all PLC control to disconnect the turbine from the utility
network. Requires an operator to manually reset the turbine control
system.
Turbine
Test/Off/On
Maintained
OFF – parks the turbine with all brakes deployed.
OFF to ON – resets any fault indicator.
ON – allows the wind turbine to start, conditions permitting.
TEST – allows the parking brake release, rotor jog and dynamic brake
test switches to become active.
Parking Brake
Release
Maintained
Releases the parking brake and allows the rotor to turn freely.
Rotor Jog
Maintained
Releases all brakes and connects the turbine to the grid.
Dynamic
Brake Test
Maintained
Used with the rotor jog function to delay the operation of the tip and
parking brakes in order to assess the performance of the dynamic
brake.
Condensation
Heater On/Off Maintained Energizes condensation heater.
Table 9.1-1 Operator input switches
The operation of these switches is described in detail in the following sections.
9.0 Wind Turbine Operation
NOTICE: Use of the material contained in this document is subject to the warning on page Iv and the disclaimer
on page v of this document.
DOC012R02 AOC 15/50 User Manual Nov 2001
69
9.1.1 Turbine TEST/OFF/ON
Turbine OFF:
This is the normal OFF mode. All brakes are deployed with the brake relays de-energized. The
main contactor is de-energized, disconnecting the turbine from the grid. The PLC disregards all
other sensors while the switch is set to OFF. The brake light should be ON. The high wind,
brake cooling cycle or other fault lights may also be ON, subject to conditions.
Turbine ON:
This is the normal ON mode. The PLC continuously monitors the system parameters for wind
turbine readiness and for fault conditions.
In the absence of faults, the wind turbine is in the ready mode and the ready light will be ON.
At low wind speeds the brake light will be ON indicating that the wind turbine is parked. When
the wind speed average is above 4.9 m/s (11 mph) the PLC will release the brakes allowing the
turbine to freewheel up to speed and come on line as follows:
• The brake relays are energized.
• The tip brake magnets are energized and hold the tip brake plates closed.
• The dynamic brake relay is energized, disconnecting the dynamic brake resistors and
capacitors from the generator output.
• The parking brake solenoid is energized, releasing the high-speed shaft, thereby allowing
it to rotate freely.
• In sufficiently strong winds the wind turbine freewheels up to speed and is monitored by
the controller.
• When the high-speed shaft reaches 1500 rpm (50 Hz wind turbine) or 1800 rpm (60 Hz
wind turbine), the PLC energizes the main contactor connecting the generator to the grid
and turns the online light ON.
If the wind speed average drops below 3.6 m/s (8 mph), the wind turbine will go through a
normal shutdown procedure as follows:
• The main contactor disconnects from the grid.
• The tip brake and dynamic brake relays deploy.
• The brake light lights up.
• The parking brake relay deploys after 4 seconds.
• The brake cooling cycle light lights up; the cooling cycle typically runs for 15 minutes.
The brake cooling cycle allows the dynamic brake resistors and parking brake to cool to ambient
temperatures. During this period, the PLC overrides the wind speed sensor, thereby preventing
the wind turbine from reconnecting to the grid. At the end of the cooling cycle, the PLC reverts
to the normal control mode with the wind turbine ready light ON.
9.0 Wind Turbine Operation
NOTICE: Use of the material contained in this document is subject to the warning on page Iv and the disclaimer
on page v of this document.
DOC012R02 AOC 15/50 User Manual Nov 2001
70
The PLC monitors the system parameters continuously as shown in Table 9.1-2. When a system
parameter is out of range or a fault has been registered, the PLC takes appropriate action by
disconnecting and either parking or freewheeling the wind turbine. Following this, it will
continue to monitor the parameters and faults, resetting the system once they have cleared.
Rotor over-speed faults and parking brake undercurrent faults require to be reset manually. The
turbine TEST/OFF/ON switch must be switched to OFF first and then back to ON; it is the
change from OFF to ON that resets the faults. All other faults reset automatically once the
cause of the fault has cleared. An optional low power fault is included in some controllers to
shut down the wind turbine, should the output drop significantly below the values expected at a
given wind speed. This fault resets automatically, unless it has occurred three times within 75
minutes, in which case a manual reset is required.
During any fault related shutdown, the tip and dynamic brakes activate immediately, with the
dynamic brake providing a large portion of the braking torque. Application of the parking brake
is normally delayed until the rotor has slowed down sufficiently using the tip and the dynamic
brakes. During a loss of utility power to the controller, all brakes are applied simultaneously.
Thirty three percent of the dynamic brake capacitance is disabled to allow an immediate torque
contribution by the parking brake, keeping the overall braking torque within safe limits.
Turbine TEST:
When set to TEST the parking brake, dynamic brake and rotor jog switches can be energized.
9.1.2 Heater ON
The generator winding and the parking brake heaters prevent condensation from collecting on
the windings and the parking brake, respectively. They can be activated manually at the
operator's discretion when the dew point is high but only when the wind turbine is disconnected
from the grid. When the main contactor is closed, the PLC automatically de-energizes the
heater circuit. An optional transmission heater can be provided for severe cold weather sites.
9.1.3 Parking Brake Release
The parking brake release switch allows the operator to release the parking brake when the wind
turbine is in test mode and no grid faults, over-speed or high winds have been registered. It is
not necessary to release the brake manually during normal operation.

9.0 Wind Turbine Operation
NOTICE: Use of the material contained in this document is subject to the warning on page Iv and the disclaimer on page v of this document.
DOC012R02 AOC 15/50 User Manual Nov 2001
71
Instrumentation
60hz
50hz
action
reset when cleared
status lights
Grid parameters
grid monitor
over voltage:
400-540V
350-450V
disconnect and park
automatic
grid monitor light
under voltage:
380-460V
300-400V
disconnect and park
automatic
grid monitor light
(response time)
adj 1-10secs
adj 1-10secs
phase loss
disconnect and park
automatic
grid monitor light
phase reversal
disconnect and park
automatic
grid monitor light
Rotor Speed
2 speed sensors on
high speed shaft
Rotor nominal:
1800rpm
1500rpm
if no faults connect to grid
turbine on line
Rotor full load:
1840rpm
1535rpm
Rotor overpower: 1860rpm
1550rpm
disconnect and park
automatic
rotor overpower
Rotor over-speed
1875rpm
1560rpm
disconnect and park
manual
rotor overspeed
Rotor under-speed: 1760rpm
1460rpm
disconnect and park
automatic
(freewheel option)
1800rpm
1500rpm
disconnect and freewheel
automatic
(coast up option)
< 50rpm after 1 min?
< 50rpm after 1 min?
disconnect and park
automatic
rotor overspeed flashing
Wind Speed
2 anemometers
wind in range
11mph - 50mph
11mph - 50mph
if no faults release brake
low wind
8mph
8mph
disconnect and park or freewheel
automatic
high wind
50 mph
50 mph
disconnect and park
automatic high wind speed
Power output
watts transducer
low power
% < set points
% < set points
disconnect and park
automatic
from power curve
from power curve
Brake status
brakes applied
plc signal
disconnect and park
automatic
brakes applied
parking brake fault
current sensor
disconnect and park
manual
brakes applied flashing
Generator Temperature
3 NC thermostats
over temperature
145 deg C
145 deg C
disconnect and park
automatic
generator thermal alarm
Table 9.1-2 PLC control system monitoring
9.0 Wind Turbine Operation
NOTICE: Use of the material contained in this document is subject to the warning on page Iv and the disclaimer
on page v of this document.
DOC012R02 AOC 15/50 User Manual Nov 2001
72
9.1.4 Rotor Jog
With the wind turbine in test mode the rotor jog switch will allow the operator to release the
brakes and energize the main contactor, provided no high winds or fault conditions have been
registered. It is not necessary to use the parking brake release switch with the rotor jog, as the
rotor jog switch automatically releases all brakes before energizing the main contactor
9.1.5 Dynamic Brake
With the wind turbine in test mode, the dynamic brake switch allows the operator to test the
dynamic brake. When the switch is set to ON, only the dynamic brake is used for braking,
allowing its braking power to be observed. The dynamic brake test should be carried out only
during periods of low wind and be limited to a maximum of 10 seconds. The dynamic brake
resistors should be allowed to cool to ambient temperatures before repeating the test.
9.1.6 Operator Interface Indicating Lights
LED indicators are provided to indicate various wind turbine states (see Table 9.1-3). Unless a
manual reset is stated, the turbine will automatically reset once a fault has cleared. Meters
displaying wind speed, power output and wind turbine run time are available as options.
9.1.7 PLC Description
The PLC controls the AOC 15/50. The primary parameters measured for determining wind
turbine performance and control are wind speed and generator rotor speed. Each wind speed
signal is converted to an analog voltage and read by the PLC through analog input channels.
The wind turbine output power is determined by measuring the generator rpm and calculating
the power level based on rotor slip. The generator rotor speed is measured using two proximity
switches, each with its own frequency to voltage (F/V) converter, and a timing gear. Optionally,
a power transducer signal may be measured by the PLC. Other system parameters, such as
utility network status, are relay type signals from external devices and are read through the PLC
digital input channels. The PLC also has a serial communications port, which can be interfaced
to some SCADA systems.
Figure 9-2 shows the inside of a typical turbine controller, Figure 9-3 the capacitor box and
Figure 9-4 the PLC.

9.0 Wind Turbine Operation
NOTICE: Use of the material contained in this document is subject to the warning on page Iv and the disclaimer
on page v of this document.
DOC012R02 AOC 15/50 User Manual Nov 2001
73
Table 9.1-3 AOC 15/50 System indicating lights
Function
Color
Description
Turbine Ready
Green
ON: Turbine can be connected to the utility network.
Turbine On
Line
Green
ON: Turbine is connected to the utility network.
Brakes Applied
Red
ON: Any of the brakes are deployed.
OFF: When parking brake is released during parking brake release
test.
Brake Cooling
Cycle
Red
ON: Turbine is waiting for brakes to cool (typically 15 minutes).
FLASHING: Parking brake undercurrent fault. Must be reset
manually.
Grid Fault
Red
ON: Monitor detected over/under voltage, phase reversal, loss of
phase. Stays on for duration of brake cooling cycle.
Generator
Thermal Alarm
Red
ON: Generator internal thermal switch indicates an elevated
temperature. Must be reset manually.
FLASHING: Softstart thermal switch indicates an elevated
temperature. Must be reset manually.
Rotor
Overspeed
Red
ON: Maximum rotor speed exceeded (1875 rpm for 60 Hz). Must
be reset manually.
FLASHING: Difference of over 20 rpm between the two speed
sensors. This does not shut down the turbine.
Rotor
Overpower
Red
ON: Generator maximum power rating exceeded (1550 rpm for
50 Hz and 1860 rpm for 60 Hz ).
High Wind
Speed
Red
ON: Wind speed has exceeded program limit (typically 22.3 m/s or
50 mph). Stays on for duration of brake cooling cycle.
Spare Red ON: Low power shut down. Turbine power output is low for giving
wind speed.
FLASHING: Three low power shut downs have occurred within
75 minutes. Must be reset manually.

9.0 Wind Turbine Operation
NOTICE: Use of the material contained in this document is subject to the warning on page Iv and the disclaimer
on page v of this document.
DOC012R02 AOC 15/50 User Manual Nov 2001
74
Figure 9-1 - Diagram of the system indicating lights and switches
•
TURBINE READY
•
TURBINE ON LINE
• BRAKES APPLIED • BRAKE COOLING CYCLE
• HIGH WIND SPEED • ROTOR OVERSPEED
• GRID FAULT • ROTOR OVERPOWER
•
GENERATOR THERMAL ALARM
•
SPARE (low power option)
Condensation
Heater
OFF ON
Rotor Jog
OFF ON
Dynamic
Brake
OFF ON
Park Brake
Release
OFF ON
Turbine
TEST OFF ON

9.0 Wind Turbine Operation
NOTICE: Use of the material contained in this document is subject to the warning on page Iv and the disclaimer on
page v of this document.
DOC012R02 AOC 15/50 User Manual Nov 2001
75
Figure 9-2 Inside of a typical turbine controller Figure 9-3 Capacitor box
Figure 9-4 PLC
WARNING
THE SOFTWARE THAT OPERATES THE PLC IS DESIGNED BY
AOC FOR EACH SPECIFIC APPLICATION, TO PROVIDE SAFE
AND EFFICIENT WIND TURBINE CONTROL. MODIFICATIONS
TO THE SOFTWARE, NOT AUTHORIZED BY AOC, COULD
RESULT IN WIND TURBINE MALFUNCTION, DAMAGE TO IT
AND/OR PERFORMANCE HAZARDS. AOC IS NOT
RESPONSIBLE FOR ANY DIRECT OR CONSEQUENTIAL
DAMAGES OR ANY INCIDENTAL EXPENSE, INCLUDING THE
LOSS OF POWER GENERATION, RESULTING FROM ANY SUCH
MODIFICATIONS.

9.0 Wind Turbine Operation
NOTICE: Use of the material contained in this document is subject to the warning on page Iv and the disclaimer
on page v of this document.
DOC012R02 AOC 15/50 User Manual Nov 2001
76
9.1.7.1 PLC Inputs
The following tables list and describe the input signals to the PLC controlling the AOC 15/50.
Function Description
Anemometer #1
0-5 VDC analog signal corresponds to 0-45 m/s (0-100 mph).
Anemometer #2
0-5 VDC analog signal corresponds to 0-45 m/s (0-100 mph).
Generator speed proximity
switches #1 and #2
Pulse input to F/V converter. 1-5 VDC signal corresponds to 0
to 2,000 rpm.
Watts Transducer Control
0-5 VDC analog signal corresponds to 0-8 kW.
Table 9.1-6 PLC low level analog inputs
Function Description
Generator thermal switch
3 series connected switches within the generator.
Grid Voltage monitor
Relay contact indicating loss of phase, phase reversal and under
or over voltage.
Grid Frequency monitor
(optional)
Relay contact indicating over or under frequency.
Master control relay
Used to determine whether or not the turbine has been reset.
Turbine OFF/TEST/ON
Maintained switch parks or starts the turbine. In test position it
allows special test functions to become active.
Rotor jog switch
Maintained switch releases the brakes and connects the turbine
to the grid. Available in test mode.
Parking brake release switch
Maintained switch releases the parking brake. Available in test
mode.
Dynamic brake test switch
Maintained switch used in combination with the rotor jog
switch to delay operation of the tip and parking brakes to verify
the effectiveness of the dynamic brake. Available in test mode.
Remote start (optional)
Allows a turbine to be started by another turbine's controller; its
own anemometers (if equipped) are ignored.
Remote line start (optional)
Causes an across the line start if remote start is true.

9.0 Wind Turbine Operation
NOTICE: Use of the material contained in this document is subject to the warning on page Iv and the disclaimer
on page v of this document.
DOC012R02 AOC 15/50 User Manual Nov 2001
77
Table 9.1-6 PLC AC inputs
9.1.7.2 PLC Outputs
The following tables describe the PLC outputs needed to control the AOC 15/50. AC outputs
are used to control interposing relays and contactors for the various wind turbine functions. DC
outputs are used for driving the LED indicators.
Function Description
Dynamic brake contactor Normally closed contacts are used to apply brake on loss of
power.
Parking brake relay Normally open contacts are used to apply brake on loss of
power.
Tip brake relay Normally open contacts are used to apply brake on loss of
power.
Generator contactor Connects generator to utility network.
Condensation heater relay Provides 150 W of heating to the generator and 50 W to the
parking brake to expel condensation.
Transmission heater relay Provides 75 W of heating to the transmission.
Remote start output relay
(optional) Closure of N.O. contacts causes downstream turbine to start.
Oil heater (optional) Provides power to gearbox oil heater.
Softstart relay (optional) Closure of N.O. contacts bypasses softstart resistor
Table 9.1-7 PLC AC outputs
9.1.8 Control Systems Options
• Soft-start options – resistor or electronic softstart.
• Enclosure heater (typically 200 Watt).
• Drip-proof NEMA 3 and weatherproof enclosures NEMA 4.
• Tropical, marine (stainless steel) and arctic conditioned enclosures (heater and
insulation).
• Enhanced display functions and diagnostics.
§ Over/under frequency.
§ G59 compatible grid monitor for UK sites.
§ PLC LCD display.
§ Wind turbine run time meter.
• Remote communications and data acquisition via RS 422 port.
9.2 Emergency Operation
In case of any emergency, an emergency cutoff switch is provided externally on the control box.
See Section 3.8 for emergency procedures.
9.0 Wind Turbine Operation
NOTICE: Use of the material contained in this document is subject to the warning on page Iv and the disclaimer
on page v of this document.
DOC012R02 AOC 15/50 User Manual Nov 2001
78
Emergency Stop Pushed In:
The emergency stop switch overrides all other switches. With the emergency stop pushed in,
the wind turbine should come to a complete stop and de-energize immediately. All brakes
deploy, the relays de-energize and the main contactor opens. In this mode, there is no power to
the PLC output cards and the relays can not be energized. The wind turbine disconnects from
the grid and remains so until the emergency stop is reset manually (pulled out).
Emergency Stop Pulled Out:
With the emergency stop switch pulled out, all the other switches can be operated.
9.3 Test Operation
The following sections show the procedures used when testing the wind turbine functions after
installation and/or after any maintenance has been performed.
Before placing the wind turbine into service for the first time and after any maintenance and/or
repair work, the following tests must be carried out and the commissioning/checkout test sheet
(see Appendix G) must be completed.
9.3.1 Power Up
1. Set all control switches to OFF.
2. Open the three 15 Amp circuit breakers on the 120 V side of the control transformer
(1CB, 2CB, 3CB).
3. Open the three-pole, 3 Amp breakers on the 480 V bus which reads the control
transformer and the grid monitor (4CB, 5CB, 6CB).
4. Energize the 480 V bus from the utility network.
5. Close the three pole, 3 Amp breakers to energize the control transformer (4CB, 5CB,
6CB).
6. Check for 120 VAC output on the control transformer.
7. Close the three 15 Amp circuit breakers on 120 V side of the control transformer (1CB,
2CB, 3CB).
8. Observe the panel lights, which should run through a flash sequence after which the
turbine ready light should light up and remain on.
9.3.2 Parking Brake Release Test
1. Set the turbine test switch to TEST.
2. Set the parking brake release switch to ON.
3. Observe the rotor movement.

9.0 Wind Turbine Operation
NOTICE: Use of the material contained in this document is subject to the warning on page Iv and the disclaimer
on page v of this document.
DOC012R02 AOC 15/50 User Manual Nov 2001
79
4. Reset the turbine test switch to OFF.
5. Observe the wind turbine; the parking brake should engage and the rotor should stop.
WARNING
THIS TEST SHOULD ONLY BE CARRIED OUT IN LOW WIND
CONDITIONS.
9.3.3 Rotor Jog Test
1. Set the turbine test switch to TEST.
2. Turn the rotor jog switch to ON, connecting the wind turbine to the grid.
3. The rotor should turn counterclockwise when viewed looking upwind.
4. If the sense of the rotation is not correct shut down the system and swap any two of the
480 V leads to the generator to reverse the phase rotation.
5. Reset the rotor jog switch to OFF.
6. Reset the turbine test switch to OFF.
9.3.4 Dynamic Brake Test
1. Set the turbine test switch to TEST.
2. Set the dynamic brake switch to ON, disabling the parking brake and tip brakes.
3. Set the rotor jog switch to ON, connecting the wind turbine to the grid.
4. Allow several seconds for the wind turbine to come up to speed (64 rpm).
5. Turn the rotor jog switch to OFF.
6. Observe the wind turbine for any noticeable speed loss.
7. After 10 seconds maximum, switch the dynamic brake switch to OFF to apply the tip
brakes and the parking brake.
9.3.5 Anemometer Signal Test
1. With some measurable amount of wind (> 4.5 m/s (10 mph)), determine the voltage
(DC) across the terminals 5 (-) and 6 (+) with a multimeter on each NRG cube
simultaneously.
2. The voltage should read between 0 and 5 VDC corresponding to a wind speed of 0 - 44.7
m/s (0 - 100 mph). Both anemometers should read approximately the same values. See
Appendix H for voltage to wind speed conversion.
9.0 Wind Turbine Operation
NOTICE: Use of the material contained in this document is subject to the warning on page Iv and the disclaimer
on page v of this document.
DOC012R02 AOC 15/50 User Manual Nov 2001
80
9.3.6 Speed Sensor Signal Test
1. Perform a rotor jog.
2. Measure the output voltage from the frequency to voltage converter. It should be
approximately 3.75 VDC (50 Hz) or 4.5 VDC (60 Hz).
9.3.7 Normal Start-up/Shut-down Test
1. In 5.4 - 9 m/s (12 - 20 mph) winds, turn the turbine switch to ON.
2. The rotor should accelerate and the main contactor should close.
3. Turn the turbine switch to OFF.
4. When the tip brakes release, the turbine should come to a complete stop and de-energize.
9.3.8 Emergency Shut down Test
1. In 5.4 - 9 m/s (12 - 20 mph) winds, turn the turbine switch to ON.
2. The rotor should accelerate and the main contactor should close.
3. Depress the emergency stop button.
4. When the tip brakes release, the turbine should come to a complete stop and de-energize.
9.3.9 Low Wind Shut Down Test
1. In 5.4 - 9 m/s (12 - 20 mph) winds, turn the turbine switch to ON.
2. The rotor should accelerate and the main contactor should close.
3. Observe shut down when wind speeds fall below 5.4 m/s (12 mph). If necessary, an
AOC representative can simulate low wind speed electronically.
4. The tip brakes should release and the wind turbine should come to a complete stop and
de-energize.
9.4 Environmental Considerations
The following sections identify environmental considerations associated with the operation and
maintenance of the AOC 15/50.
9.4.1 Corrosion
The primary source of corrosion is salt air, which is prevalent in marine environments and is
particularly critical when combined with warm temperatures. A secondary source of corrosion,
with more subtle symptoms, consists of airborne pollution, such as acid rain and industrial
pollutants.

9.0 Wind Turbine Operation
NOTICE: Use of the material contained in this document is subject to the warning on page Iv and the disclaimer
on page v of this document.
DOC012R02 AOC 15/50 User Manual Nov 2001
81
During routine inspections in aggressive environments, particular attention should be directed at
locating oxidation and blistered paint. If any such surface degradation is found, corrective
action should be taken immediately; the corroded layer should be removed and either paint or a
corrosion-inhibiting film, such as Soft Seal, should be applied. The edges of holes (knockouts)
drilled through electrical boxes for conduit installation must also be coated to prevent corrosion.
9.4.2 Lightning
The wind turbine and tower are protected against voltage surges. However, protection from
direct lightning strikes cannot be guaranteed. If the system fails after an electrical storm all
electrical components should be checked. Note that many components can be damaged due to
lightning and the following items have been know to fail due to lightning strikes: anemometers,
shaft speed sensors, generator, 120 VAC and 480 VAC surge suppressors and relays. After a
lightning strike, the entire system, including the interconnect wiring, should be checked. If
possible, power to the system should be turned off prior to an electrical storm and not be
reconnected until the storm has passed. The most common cause of damage to electrical
devices is voltage surges due to lightning strikes to the utility line.
9.4.3 Ice and Snow
Ice or snow will not normally affect wind turbine operation unless it builds up on the blades
and/or tip brakes. If such build-up is uneven, it can cause rotor imbalance, which may lead to
system vibration, if the rotor is allowed to rotate. During periods of potential icing the wind
turbine should, therefore, be switched off.
CAUTION
IN EXTREME CASES ICE BUILD-UP MAY CAUSE DAMAGE
TO THE SYSTEM. THEREFORE, IT IS NOT RECOMMENDED
THAT THE WIND TURBINE BE OPERATED WITH
SIGNIFICANT ICE BUILD-UP.

9.0 Wind Turbine Operation
NOTICE: Use of the material contained in this document is subject to the warning on page Iv and the disclaimer
on page v of this document.
DOC012R02 AOC 15/50 User Manual Nov 2001
82
Wet snow may affect tip brake operation, possibly causing premature deployment or, in severe
cases, damage due to the additional weight on the tip brake plate. Severe icing may also inhibit
the tip brake from deploying correctly.
Ice build-up on the anemometers can prevent a wind turbine from starting up. If it is already
running, the anemometers may ice up before the blades, indicating conditions in which the wind
turbine should be shut down.
Normally, the ice will melt in a reasonable amount of time. In certain cases, it can be removed
by gently tapping it off the anemometers, the tip brakes and the blades. To do this the machine
must be switched OFF. If there is only a thin layer of ice on the blades, jogging the machine
very briefly may remove it. The anemometers, blades and tip brakes must be free of ice before
switching the turbine ON/OFF/TEST switch to ON. Prior to starting up a wind turbine, which
has ice adhering to the blades, make sure that personnel are protected from any ice that might fly
off them.
9.4.4 Temperature and Elevation
Although calculable, elevation and temperature extremes do not adversely affect a wind
turbine’s operation. The design temperature range is -40°C to +64°C (-40°F to +147°F) with no
altitude constraints.
The power generated by a wind turbine is a function of wind speed and air density. Higher wind
speeds produce more power. Variations in temperature and relative humidity, at any given
altitude, have a more subtle effect. As temperature increases, air density decreases, reducing
energy output. Conversely, at lower temperatures, energy output will increase, proportionally to
the increase in air density. The formula below allows energy output to be corrected, taking
altitude and temperature into consideration.
Where Ps is power output at sea level at 15°C (59°F) and Ct and Ca are correction factors for
temperature and altitude. They are defined as follows:
Where T is temperature in °F and A is altitude in feet.
C
*
C
*
P
= Output Corrected at
s
966 1000A/
a = .
C
460
+
T
5
=
Ct
19

9.0 Wind Turbine Operation
NOTICE: Use of the material contained in this document is subject to the warning on page Iv and the disclaimer
on page v of this document.
DOC012R02 AOC 15/50 User Manual Nov 2001
83
The example below illustrates the above formula:
If a 50 kW wind turbine generates 50 kW at 13.4 m/s (30 mph) wind speed under
standard conditions, what would the output be at an altitude of 1,980 m (6,500 feet) and
30°C (86°F)?
Solution:
Corrected Output = Standard Output *Ct *Ca
Ps = 50 kW
1
6
19 .95 =
460
+
8
5
=
Ct
.799 =
966
. =
C6500/1000
a
Corrected Output = (50kW) (.951) (.799) = 38.0 kW
This approach can also be used, albeit with less accuracy, to correct annual energy (kWh) output
predictions.
9.4.5 Acoustics
The AOC 15/50 has been designed as a low-noise wind turbine. The most significant sources of
noise are the drive train and the turbulence caused by the blades as they pass the tower. An
audible increase in noise may indicate a problem and appropriate measures to diagnose it should
be taken immediately, to prevent damage to the wind turbine. Please note the sounds associated
with a normally operating wind turbine when the machine is first installed; these will provide an
acoustic baseline for future comparisons.
9.0 Wind Turbine Operation
NOTICE: Use of the material contained in this document is subject to the warning on page Iv and the disclaimer
on page v of this document.
DOC012R02 AOC 15/50 User Manual Nov 2001
84

NOTICE: Use of the material contained in this document is subject to the warning on page Iv and the disclaimer
on page v of this document.
DOC012R02 AOC 15/50 User Manual Nov 2001
85
10.0 System Monitoring
KOTZEBUE ELECTRIC ASSOCIATION WIND FARM
Photo Courtesy of
KEA
10.0 System Monitoring
NOTICE: Use of the material contained in this document is subject to the warning on page Iv and the disclaimer
on page v of this document.
DOC012R02 AOC 15/50 User Manual Nov 2001
86
The following sections discuss the various monitoring systems of the AOC 15/50.
10.1 Kilowatt-Hour Meter Applications
Some utilities may require the use of detented, unidirectional kilowatt-hour (kWh) meters: one
to read the energy supplied by the utility and another to read the energy absorbed by it. This
enables the utility to pay the avoided cost rate for the energy it buys and to charge the standard
rate for the energy it consumes. A detented kWh meter can be used to monitor power
production. The most useful information for evaluating system performance is obtained by
comparing the kilowatt-hours generated with the average wind speed over the same period. The
relevant parameters can be measured using a dedicated kWh meter (energy production) and an
anemometer (wind speed).
Net billing refers to the installations where a single kWh meter is allowed to run forwards or
backwards depending upon whether the system is consuming or producing energy. The kWh
meter indicates the net energy flow and energy is valued at the same rate for consumption and
production.
10.2 Anemometers
The AOC 15/50 has two anemometers which are boom-mounted across two tower legs,
approximately 10 m (32 feet) below the tower top casting. The PLC samples the wind speed
measured by each anemometer every second and calculates 8 second and 128 second averages
from the sampled data.
10.3 Output Analysis
One of the best methods for evaluating a wind system's performance is to monitor energy
production. Unless there is an obvious mechanical or electrical fault, wind speed and kilowatt-
hour production should be recorded for at least one month after the wind turbine has started
running and ideally afterwards also, either continuously or at regular intervals, so that any
drastic changes in performance can be noted and investigated. Note that a number of factors can
affect output, including wind velocity, wind turbine maintenance, temperature, humidity, etc.
Recording these parameters will help evaluate system performance, as well as understand
system operation.
10.4 Output Analysis Worksheet
The system monitoring checklist (see Appendix G) will assist in evaluating system performance,
by providing the information necessary to reach an informed conclusion. It can be used for
routine system monitoring, as well as to observe and understand normal system function. Energy
10.0 System Monitoring
NOTICE: Use of the material contained in this document is subject to the warning on page Iv and the disclaimer
on page v of this document.
DOC012R02 AOC 15/50 User Manual Nov 2001
87
production depends on a site's actual wind resources and conditions, and varies with wind
turbine condition, altitude, temperature, topography and the proximity of other structures. It
should be noted that most sites experience seasonal variations in wind resources and, therefore,
in energy production.
10.5 Wind Energy Data Sheet
The wind energy data sheet (see Appendix G) can assist evaluating AOC wind systems. It can
be used whenever both a dedicated non-ratcheted kWh meter and a recording anemometer have
been installed.
NOTE: AOC bases all published output projections on monthly averages. Data should be
sampled at small, regular intervals throughout the month, preferably at the same time each day,
e.g. every 48 hours at 8:00 a.m. For best results, sample intervals should not exceed four days;
daily sampling provides greater accuracy. For comparison with monthly data projections,
readings should be taken on the same day each month. Energy output varies with air density
and tends to be lower at high temperatures and high altitudes than at low temperatures and low
altitudes. Monthly projections are based on 15ºC (59ºF) at sea level using a Rayleigh
distribution. If the average wind speed is made up of a combination of strong and weak winds,
the energy output will typically be greater than if the average is composed entirely of moderate
winds. This is due to the relationship of wind speed to energy production.
NOTICE: Use of the material contained in this document is subject to the warning on page Iv and the disclaimer
on page v of this document.
DOC012R02 AOC 15/50 User Manual Nov 2001
88

NOTICE: Use of the material contained in this document is subject to the warning on page Iv and the disclaimer
on page v of this document.
DOC012R02 AOC 15/50 User Manual Nov 2001
89
11.0 Maintenance
MAINTENANCE AT KOTZEBUE ELECTRIC ASSOCIATION
Photo Courtesy of
KEA
11.0 Maintenamce
NOTICE: Use of the material contained in this document is subject to the warning on page Iv and the disclaimer
on page v of this document.
DOC012R02 AOC 15/50 User Manual Nov 2001
90
The following sections contain the maintenance routines for the AOC 15/50. Note that not all of
the maintenance listed has to be carried out at every scheduled check. See Appendix H for the
maintenance schedule and record sheets. The maintenance record sheet should be copied and
filled out for all maintenance and repairs carried out. See Appendix J for the fastener torque
requirements. Torques should be confirmed to 90% of the target value to ensure that bolts were
not loosened during inspection.
11.1 Rotor Assembly
Blades:
Blades should be cleaned thoroughly at intervals determined by local conditions (dust, salt,
insect loads, etc.) and after cases of severe contamination. The leading edge of each blade
should be inspected for surface and tape damage (i.e. cracks, dents, etc.) and the blade root
for cracking. The inspection and cleaning intervals can be adjusted to take environmental
conditions and variations in power production into account.
Tip Brakes:
Their deployment mechanism should be inspected and any faulty components should be
repaired or replaced as necessary. A pull test should be performed on each tip brake by
attaching a spring scale to the trailing edge of the tip brake plate and pulling on the scale at
right angels to the plate. The force at which the tip brake opens should be approximately 27
kg (60 lbs). The torque of the lock nuts holding the tip brakes to the blades should be
checked, as should that of the fasteners holding the clevises, hinge eyes and catch plate in
place; these fasteners must be snug tight and have Loctite 242 (Blue) applied. The magnet
and the catch plate should be cleaned if necessary. The spring/damper mechanism should be
inspected for smooth, even damping. The damper should also be checked for oil leaks,
which would indicate a defective damper, and that the spring is fully threaded onto the
spring retainer.
Hub:
All blade fasteners should be checked for proper torque (See Appendix J) and that their
washers are seated completely in the slot counter bores. If a washer is misaligned or turns
during the torque check, its bolt must be removed and replaced along with the washer. Take
care to seat the washer correctly.
Rotary Transformer:
The connections on both the rotating and the fixed transformer halves should be checked for
damage, such as corrosion, burn marks, melted insulation or breakage. The low speed shaft
and hub bore should be checked for score marks which would indicate slippage. This can
occur between the hub and the locking ring, as well as the locking ring and the shaft. The
casting should be checked for discoloration and the rotary transformer for dirt or debris. The
spacing (air gap) between the rotating and fixed transformer halves should be 0.5 - 1 mm
(0.020" - 0.040") and should be corrected if needed.
11.0 Maintenamce
NOTICE: Use of the material contained in this document is subject to the warning on page Iv and the disclaimer
on page v of this document.
DOC012R02 AOC 15/50 User Manual Nov 2001
91
11.2 Tower Assembly
Tower:
The tower fasteners and members should be checked visually for damage. A random check
of bolt torques should be carried out on flanges and braces (see Appendix J). All pal nuts
should be in place and the anchor bolt nuts and hinge nuts should be seated snugly.
Tower Top:
All nuts and bolts on the tower top casting should be checked for proper torque (see
Appendix M). The yaw lock should be checked for proper operation.
Twist Cable:
The cable connections should be checked at both ends for any damage, such as bare copper,
melted insulation or loose strain relieves. The cable should be inspected for wear, abrasion,
cracking or discoloration. If the cable is excessively twisted it should be disconnected at the
tower junction box and untwisted.
11.3 Drive Train Assembly
Gearbox:
The oil level should be checked and the seals inspected. The torque on all fasteners should
be checked, where accessible (see Appendix M).
Generator:
The generator should be inspected for defects such as discoloration due to heat, signs of
burning, etc. The torque on the mounting bolts to the gearbox should also be checked (see
Appendix M).
Yaw Bearing:
The two bolt groups securing the yaw bearing to the transmission and tower top casting
should be checked for proper torque (see Appendix J). If any bolts turn during the torque
check, they must be removed and replaced using Loctite (see Appendix J). The bolts
connecting the yaw bearing to the tower top casting should not have Loctite applied to them,
if they are replaced. The yaw bearing should be greased periodically using a standard grease
gun (usually five pumps per grease nipple). The seal should be inspected for cracks and
other damage, and be repaired or replaced as necessary. For repairs it is recommended to
use 3M Fast Track Adhesive. The yaw lock should be greased heavily.
Parking Brake:
The friction disks should be inspected for wear, checked to see whether it operates correctly
and replaced if necessary.
Oil Filter:
11.0 Maintenamce
NOTICE: Use of the material contained in this document is subject to the warning on page Iv and the disclaimer
on page v of this document.
DOC012R02 AOC 15/50 User Manual Nov 2001
92
The oil system should be checked for leaks and if it is equipped with a filter this should be
replaced every year.
11.4 Power Distribution System/Controls
Main Control Enclosure:
• The panel should be inspected annually for burns, cracks and discoloration.
• The relays should be inspected annually for burned out coils and contacts.
• The calibration of the speed sensor circuit should be checked annually using a laptop
computer and a programming cable to read the speed value into the PLC memory and by
executing a rotor jog. The speed sensor signal frequency should be close to 1500 (50Hz)
or 1800 (60Hz). Acceptable speed sensor signal frequency range lies between 1490 and
1510 (50 Hz) or 1790 and 1810 (60 Hz). If the signal frequency lies outside of this range
see Appendix H for the calibration procedure.
• Similarly, the anemometers and their circuits should be checked for faults.
• Tripped circuit breakers should be checked for and if found AOC should be notified
before resetting.
Dynamic Brake Capacitor Box:
• The panel should be checked monthly for burns, cracks or discoloration, especially the
heavy gauge wiring and the capacitors.
• The fuses and indicating lights on the front panel of the power factor correction capacitor
box should be checked. If any fuses have tripped, AOC should be notified before
replacing them and restarting the machine.
Dynamic Brake Resistor Box:
• The panel should be checked monthly for burns, cracks or discoloration.
• The resistor coils should be checked for excessive oxidation.
• The wiring should be checked for insulation damage.
For a large-scale installation, regularly needed maintenance items can be identified from an
analysis of the maintenance records. A 5% sample of wind turbines can serve as a base to
identify frequently needed items and determine their life expectancies. The analysis can include
(but is not limited to):
• Annual energy production figures for the sampled machines.
• Resistance across each generator winding (minimum value 1.48 M-ohms (see IEEE Std
43-1974)).
• Gearbox oil analysis for water and particulate contamination (metallic or other
suspended abrasives).
• Periodic inspection of main shaft, gears, bearings and other gearbox components, as well
as generator rotor and bearings.
11.0 Maintenamce
NOTICE: Use of the material contained in this document is subject to the warning on page Iv and the disclaimer
on page v of this document.
DOC012R02 AOC 15/50 User Manual Nov 2001
93
11.5 Maintenance Schedule
The AOC 15/50 has been designed to reduce its maintenance requirements. However, to insure
proper operation and peak performance, regular maintenance is recommended. Basic
maintenance should be carried out once a year. Long-term maintenance requirements will vary
from system to system. Certain items, such as the blade cleaning frequency, depend on the
season and site conditions. Blades should be cleaned periodically to ensure peak energy
capture. See Appendix I for a breakdown of the maintenance requirements.
NOTICE: Use of the material contained in this document is subject to the warning on page Iv and the disclaimer
on page v of this document.
DOC012R02 AOC 15/50 User Manual Nov 2001
94

NOTICE: Use of the material contained in this document is subject to the warning on page Iv and the disclaimer
on page v of this document.
DOC012R02 AOC 15/50 User Manual Nov 2001
95
12.0 Troubleshooting
TIP BRAKE TESTING AT KOTZEBUE ELECTRIC ASSOCIATION
Photo Courtesy of
KEA
12.0 Troubleshooting
NOTICE: Use of the material contained in this document is subject to the warning on page Iv and the disclaimer
on page v of this document.
DOC012R02 AOC 15/50 User Manual Nov 2001
96
This section contains a brief discussion of each major wind turbine component and the control
system. See Section 12.7 for a summary of troubleshooting guidelines and recommendations.
When troubleshooting it can generally be assumed that only one fault exists. A failure can be
due to a malfunctioning component, one that still works but with reduced capacity, a broken
connection (mechanical or electrical), a set point which has drifted from its original calibration,
a loose or poor electrical connection, an improperly grounded cable shield or an intermittent
problem, i.e. one that can fall into any one of the previous categories after a certain period of
time.
Multiple failures can occur but are not typical and normally it will not be clear from the outset
whether a failure has single or multiple causes. The best course of action is to assume a single
failure and proceed to correct the obvious symptoms first. As troubleshooting progresses,
additional causes or failures can come to light.
12.1 Braking System
The braking system comprises three independent subsystems: the dynamic brake, the parking
brake and the tip brakes. The dynamic brake employs a resistive capacitive circuit to slow
rotation by dissipating rotational energy in the resistive network while maintaining some
excitation. During normal shutdowns the parking brake is delayed to prevent excessive loading
of the wind turbine transmission system. During emergency shutdowns the parking brake is
applied immediately and to prevent overloading of the turbine the dynamic brake is detuned by
switching out part of the capacitor circuit. The capacitor network consists of two distinct, relay
controlled stages and for a shutdown due to power loss, one stage of the capacitors will not be
active. See Figures 12.1-1 to 12.1-4 for depictions of the brake systems.
The tip brakes are electro-magnetically controlled. The tip brake magnets receive their power
from the rotary transformer through a bridge rectifier located in each tip brake. Should the rotor
over-speed, power to the magnets is cut and the tip brake plates swing away from the blade end
due to centrifugal force, slowing the rotor down. Should a power loss occur in the grid, all three
braking systems (dynamic, tip, and parking brakes) deploy simultaneously.
Should all tip brakes deploy prematurely, their electric circuits should be checked, as well as the
rotary transformer, which could have developed a fault. If only one tip brake deploys
prematurely, its magnet’s setting should be checked, in addition to its electrical circuit. The
surfaces of both the magnet and catch plate should be checked for nicks, corrosion and debris.
Both must be smooth and flat for optimal operation. The vertical position of the magnet with
respect to the hinge block should also be checked. It can be adjusted using the threaded rod
attached to the magnet.
A deployed tip brake can also indicate a failure of a drive train component or of the dynamic
brake. Deformation of the tip brake plate could be caused by an excessive holding force, due to
a faulty magnet or corrosion, combined with rotor over-speed, heavy hailstone impact or by ice
being shed from the blades.
12.0 Troubleshooting
NOTICE: Use of the material contained in this document is subject to the warning on page Iv and the disclaimer
on page v of this document.
DOC012R02 AOC 15/50 User Manual Nov 2001
97
The rotor is brought to a complete stop by the parking brake, which is engaged after a delay of
several seconds. Should the dynamic brake fail, the rotor can over-speed during the time delay
period, in which case, the tip brakes may deploy centrifugally to prevent over-speed.
Should any of the tip brakes deploy, other than for normal shutdowns and for reasons not related
to a fault in their electrical circuits, the dynamic and parking brakes should be checked. A fault
in the dynamic brake could be due to any of its electrical components. The resistors, capacitors
and contactors should, therefore, be checked to if a problem with the dynamic brake occurs.
The parking brake is located on the upwind end of the generator. It is an electrically operated
dry-disc brake, engaged to the high-speed shaft via a splined coupling. When energized, a
solenoid releases the spring pressure on the disc, allowing the drive train to rotate freely. De-
energizing the solenoid brings the stationary and friction discs back in to contact again, causing
the rotor to stop and be held by a torque of 314 Nm (230 ft-lbs).
If the parking brake does not release, its solenoid may be faulty. This can be verified by
manually releasing the brake by pulling on its brake release handle. Furthermore, the friction
discs can become stuck in the brake housing, preventing the brake from releasing. The
condition of the solenoid can be checked with an ohmmeter. The correct resistance across the
leads is approximately 1.5 ohms.
If the parking brake does not engage, the pressure spring could be defective or the friction disc
could be stuck or damaged.

12.0 Troubleshooting
NOTICE: Use of the material contained in this document is subject to the warning on page Iv and the disclaimer
on page v of this document.
DOC012R02 AOC 15/50 User Manual Nov 2001
98
Figure 12.1-1 Dynamic brake schematic

12.0 Troubleshooting
NOTICE: Use of the material contained in this document is subject to the warning on page Iv and the disclaimer
on page v of this document.
DOC012R02 AOC 15/50 User Manual Nov 2001
99
Figure 12.1-2 Dynamic brake capacitor enclosure and power factor correction
Figure 12.1-3 Dynamic brake resistors
Figure 12.1-4 Stearns parking brake with speed pickup and temperature sensor
12.0 Troubleshooting
NOTICE: Use of the material contained in this document is subject to the warning on page Iv and the disclaimer
on page v of this document.
DOC012R02 AOC 15/50 User Manual Nov 2001
100
12.2 Generator
The generator is a 66 kW, 3-phase induction type generator. It is connected to the grid as
follows once the PLC controller signals that the relevant conditions have been met: the brakes
are released, the rotor freewheels (coasts) up to synchronization speed and the main contactor
closes.
Various components can affect generator operation, which need to be checked if a generator
problem is suspected. They include the wiring between the control box and the generator, the
parking brake solenoid, the main contactor and the dynamic brake.
12.3 Gearbox
The gearbox is a speed increaser converting the low speed blade rotation to approximately 1500
rpm (50Hz) or 1800 rpm (60Hz). The gearbox is a two-stage planetary gear type and runs with
Texaco Pinnacle 150 synthetic oil (normal conditions) or Texaco Pinnacle 68 Synthetic Oil
(cold environments).
When investigating gearbox noise, all fasteners on the machine should first be checked for
tightness. Noises due the fasteners vibrating have been interpreted as gearbox noise in the past.
The oil level in the sight glass should be checked and any oil leaks should be looked for.
Total seizure of the gears causes either the control system to sense a fault or the circuit breakers
to open; the blades then no longer move. A failing parking brake exhibits the same symptoms.
Conversely, an internal failure can cause the blades to freewheel independently of the drive
train.
12.4 Blades
The three wood/epoxy laminate or fiberglass composite blades transmit wind energy to the drive
train. The blades are attached to the hub, which is held in place on the low speed shaft by a
locking ring. The end of each blade is fitted with a tip brake that can be deployed to slow down
the rotor, should the parking and dynamic braking systems fail to do so, due to a fault with the
gearbox or the dynamic brake capacitors. Minor blade damage can be repaired by epoxying,
sanding and painting.
12.5 Twist Cable

12.0 Troubleshooting
NOTICE: Use of the material contained in this document is subject to the warning on page Iv and the disclaimer
on page v of this document.
DOC012R02 AOC 15/50 User Manual Nov 2001
101
The twist cable connects the wind turbine to its power and control cables, located at the base of
the tower. It consists of a power cable and a control cable and eliminates any problems with the
slip ring assembly as there are no moving parts. If the cable becomes physically twisted, i.e.
more than ten complete turns, it must be disconnected, untwisted and re-connected. Depending
on site conditions, this might have to be done every six months. Rotating connectors can be
purchased from AOC as an option.
The only failures possible in the twist cable are broken connections at either end or a physically
severed cable. The twist cables are suspended from the bottom of the gearbox by the bracket
shown in Figure 12.5-1.
Figure 12-5-1 Bottom of gearbox showing oil valve and twist cable bracket

12.0 Troubleshooting
NOTICE: Use of the material contained in this document is subject to the warning on page Iv and the disclaimer
on page v of this document.
DOC012R02 AOC 15/50 User Manual Nov 2001
102
12.6 Yaw Bearing
The yaw bearing allows the wind turbine to align itself with the wind. When the blades turn, the
turbine should yaw into the proper position with the rotor facing downwind from the rest of the
machine. If the wind turbine does not yaw correctly with respect to the wind, the yaw bearing
should be greased and visually inspected. It should also be checked to see whether it is level;
any necessary adjustments should be made via the anchor bolts at the tower base.
12.7 Troubleshooting Summary
The operator interface, illustrated in Figure 12.7-1, is located on the control enclosure. The
indicating lights assist the operator in determining system status, as well as major fault
indicators.
Symptom Potential Cause Resolution
Turbine does not start
1. Not switched on
2. No wind or wind speeds too high
3. Parking brake applied
4. Anemometers not operational
5. Control fault
6. Dynamic brake cooling
7. Transmission failure
8. Grid monitor not set for site
specifics
1. Switch on
2. Wait for proper wind
3. Release brake, check power
4. Check wiring and for icing
5. Clear fault
6. Allow brake to cool (20 min.)
7. Inspect transmission, oil level
8. Open grid monitor settings and
work back to establish set points
Turbine does not
connect to grid
1. Not enough wind speed
2. Speed sensor fault/set points
3. Too cold (oil viscous)
1. Wait for wind
2. Check wiring, sensor condition
and adjust set points
3. Need across-the-line start
Premature tip brake
deployment
1. Magnet and/or electrical
connection faulty
2. Misadjusted magnet and/or
catch-plate
3. Rotary transformer fault
1. Check wiring, leads. Test
magnet using 12v battery.
2. Check spacing between
magnet and catch-plate
3. Inspect, test transformer
Tip brake(s) does not
deploy
1. Iced or corroded
1. Clear debris
Parking brake does not
engage, hold rotor
stopped
1. Corroded or pressure spring
faulty
2. Pads worn
1. Try to apply manually.
Disassemble brake and check
springs and clean off corrosion
2. Check pads and replace if

12.0 Troubleshooting
NOTICE: Use of the material contained in this document is subject to the warning on page Iv and the disclaimer
on page v of this document.
DOC012R02 AOC 15/50 User Manual Nov 2001
103
necessary
Parking brake does not
release 1. Control fault
2. Loss of power
3. Wiring faulty
4. Solenoid faulty
1. Clear fault
2. Check grid connection
3. Check leads, connectors
4. Disassemble and check
solenoid
Dynamic brake does
not engage
1. Electrical component
failure
1. Check dynamic brake panel,
connections, capacitors and
contractors and fuses
Generator not turning
(with rotor rotating) 1. Transmission failure 1. Disassemble and overhaul
transmission
Generator not
producing power
1. Electrical connections faulty
2. Insulation problem 1. Inspect and test connections
2. Meg generator
Gearbox noise 1. Loose machine fasteners
2. Low oil level 1. Check and tighten all fasteners
2. Check level, add oil, determine
cause of leak and call AOC
Excessive blade noise 1. Insect or ice build-up
2. Cuts or scratches in blades
3. Loose tip brake parts
1. Wash blades
2. Repair cuts
3. Check tip brakes
Excessive twist in twist
cable 1. Too many machine revs. 1. Disconnect cable, untwist
Turbine does not yaw 1. Yaw lock engaged
2. Yaw bearing needs grease
3. Yaw bearing failure
4. Machine not level (yaw axis not
vertical)
1. Disengage yaw lock
2. Inspect, grease bearing
3. Inspect bearing and attempt
manual yaw
4. Adjust level at tower feet

12.0 Troubleshooting
NOTICE: Use of the material contained in this document is subject to the warning on page Iv and the disclaimer
on page v of this document.
DOC012R02 AOC 15/50 User Manual Nov 2001
104
Figure 12.7-1 Indicating Lights and Control Switch

NOTICE: Use of the material contained in this document is subject to the warning on page Iv and the disclaimer
on page v of this document.
DOC012R02 AOC 15/50 User Manual Nov 2001
105
13.0 Spare Parts
TIP BRAKE ASSEMBLIES
13.0 Spare Parts
NOTICE: Use of the material contained in this document is subject to the warning on page Iv and the disclaimer
on page v of this document.
DOC012R02 AOC 15/50 User Manual Nov 2001
106
13.1 Spare Parts Requirements
The spare parts in the standard spare parts kits range from common to long-lead items. However,
since site requirements vary, the kits should be understood as a base from which to build up a
stock of spares specific to an installation. Spare parts actually stocked depend on the number of
machines installed, the environmental conditions and site accessibility. Remote or poorly
accessible sites may need to stock a wider range of spare parts due to the longer lead times
involved, even for otherwise common mechanical hardware or electrical components.
AOC supplies spare parts kits for single turbine installations, single turbine installations in
remote areas, multi-turbine installations and multi-turbine installations in remote areas.

NOTICE: Use of the material contained in this document is subject to the warning on page Iv and the disclaimer
on page v of this document.
DOC012R02 AOC 15/50 User Manual Nov 2001
107
Appendix A: Specifications
NOTICE: Use of the material contained in this document is subject to the warning on page Iv and the disclaimer
on page v of this document.
DOC012R02 AOC 15/50 User Manual Nov 2001
108

Appendix A-1 50 Hz Specifications Sheet
NOTICE: Use of the material contained in this document is subject to the warning on page Iv and the disclaimer on page v of this
document.
DOC012R02 AOC 15/50 User Manual Nov 2001
109
AOC 15/50 50 Hz WTG Design Specifications
SYSTEM
Type Grid Connected
Configuration Horizontal Axis
Rotor Diameter 15 m (49.2 ft)
Centerline Hub Height 25 m (82 ft)
PERFORMANCE PARAMETERS
Rated Electrical Power 50 kW @12.0 m/s (26.8 mph)
Wind Speed @hub height 25 m (82 ft)
cut-in 4.6 m/s (10.2 mph)
shut-down (high wind) 22.4 m/s ( 50 mph)
peak (survival) 59.5 m/s (133 mph)
Calculated Annual Output
@ 100 % availability 5.4 m/s (12 mph) 85,000 kWh
6.7 m/s (15 mph) 145,000 kWh
8.0 m/s (18 mph) 199,000 kWh
ROTOR
Type of Hub Fixed Pitch
Rotor Diameter 15 m (49.2 ft)
Swept Area 177 m ²(1902 ft²)
Number of Blades 3
Rotor Solidity 0.077
Rotor Speed @ rated wind speed 62 rpm
Location Relative to Tower Downwind
Cone Angle 6º
Tilt Angle 0º
Rotor Tip Speed 48.6 m/s (109 mph) @ 50 Hz
Design Tip Speed 6.1
BLADE
Length 7.2 m (23.7 ft)
Material Wood/epoxy laminate or Epoxy/glass fibre
Airfoil (type) NREL, Thick Series, modified
Twist 7° outer blade
Root Chord 457 mm (18 in) @ 4% 279 mm (11in)
Max Chord 749 mm (29.5 in) @ 39% 2925 mm (115 in)
Tip Chord 406 mm (16 in) @ 100 % 7500 mm (295 in)
Chord Taper Ratio ± 2:1
Overspeed Device Electro-magnetic tip brake
Hub Attachment Embedded female bolt receptors
Blade Weight 150 kg (330 lbs) approximate
GENERATOR
Type 3 phase/4 pole asynchronous
Rated Temperature -25°c
Frequency (Hz) 50 Hz
Voltage (V) 400, 3 phase @ 50 Hz (380V,415V also avail)
kW @ Rated Wind Speed 50 kW
kW @ Peak Continuous 55 kW
Speed RPM (nominal) 1500 @ 50 Hz
Winding Configuration Ungrounded WYE
Insulation Class F
Enclosure Totally Enclosed Air Over (TEAO)
Frame Size 365 TC
Mounting Direct mount to transmission
Options Arctic low temp. shafting (-40°c)
TRANSMISSION
Type Planetary
Housing Ductile iron-integrated casting
Ratio (rotor to gen. speed) 1 to 24.57 (50 Hz)
Rating, output horse power 88
Lubrication Synthetic gear oil/non toxic
Heater (option) Arctic version, electric
YAW SYSTEM
Normal Free, rotates 360 degrees
Optional Yaw damping-required when known conditions
frequently exceed 50° yaw rate per second.
DRIVE TRAIN TOWER INTERFACE
Structural Yaw bearing mounted on tower top casting
Electrical Twist Cable
TOWER
Type Galvanized 3 legged, bolted lattice , self-supporting
Tower Height 24.4 m (80 ft)
Options 30.5 m (100 ft),
Tilt down 24.4 m (80 ft)
FOUNDATION
Type Concrete or special
Anchor Bolts Certified ASTMA-A-193-Grade B7
CONTROL SYSTEM
Type PLC based
Control Inputs Wind speed, generator shaft speed
Control Outputs Line interconnection, brake deployment
Communications Serial link to central computer for energy monitor
and maintenance dispatch (optional
Enclosures NEMA 1, NEMA 4 (optional)
Soft Start Optional
ROTOR SPEED CONTROL
Production Blade stall increases with increased wind velocity
Normal Start up Aerodynamic, electrical boost if necessary
Shut-down Control system simultaneously applies dynamic brake and
deploys tip brakes. Parking brake brings rotor to standstill.
Back-up Overspeed Control: Centrifugally activated tip brakes deploy
BRAKE SYSTEM CONTROL
Fail-safe brakes automatically deploy when grid failure occurs.
APPROXIMATE SYSTEM DESIGN WEIGHTS
Tower 3,210 kgs (7,080 lbs)
Rotor & Drivetrain 2,420 kgs ( 5,340 lbs)
Weight on Foundation 5,630 kgs (12,420 lbs)
DESIGN LIFE: 30 Years
DESIGN STANDARDS: Applicable Standards, AWEA, EIA and IEC
DOCUMENTATION:
Installation Guide and Operation & Maintenance Manual
SCHEDULED MAINTENANCE: Semi-annual or after severe events.
NOTE 1:
Atlantic Orient Corporation and its affiliates are constantly working
to improve their products, therefore, product specifications are sub
ject to
change without notice.
NOTE 2:
Power curves show typical power available at the controller based
on a combination of measured and calculated data. Annual energy is
calculated using power curves and a Rayleigh wind speed distribution.
Energy prod
uction may be greater or lesser dependent upon actual wind
resources and site conditions, and will vary with wind turbine maintenance,
altitude, temperature, topography and the proximity to other structures
including wind turbines.
NOTE 3: For design opt
ions to accommodate severe climates or unusual
circumstances please contact the corporate office in Norwich, Vermont USA
NOTE 4: For integration into high penetration wind-
diesel systems and
village electrification schemes contact the corporate office in
Norwich, VT
USA for technical support and systems design.
REV. September 19
th
, 2000

Appendix A-2 Design Specifications
NOTICE: Use of the material contained in this document is subject to the warning on page Iv and the disclaimer on page v of this
document.
DOC012R02 AOC 15/50 User Manual Nov 2001
110
AOC 15/50 60 Hz WTG Design Specifications
SYSTEM
Type Grid Connected
Configuration Horizontal Axis
Rotor Diameter 15 m (49.2 ft)
Centerline Hub Height 25 m (82 ft)
PERFORMANCE PARAMETERS
Rated Electrical Power 50 kW @11.3 m/s (25.3 mph)
Wind Speed @hub height 25 m (82 ft)
cut-in 4.6 m/s (10.2 mph)
shut-down (high wind) 22.4 m/s ( 50 mph)
peak (survival) 59.5 m/s (133 mph)
Calculated Annual Output
@ 100 % availability 5.4 m/s (12 mph) 87,000 kWh
6.7 m/s (15 mph) 153,000 kWh
8.0 m/s (18 mph) 215,000 kWh
ROTOR
Type of Hub Fixed Pitch
Rotor Diameter 15 m (49.2 ft)
Swept Area 177 m ²(1902 ft²)
Number of Blades 3
Rotor Solidity 0.077
Rotor Speed @ rated wind speed 65 rpm
Location Relative to Tower Downwind
Cone Angle 6º
Tilt Angle 0º
Rotor Tip Speed 51 m/s (114 mph) @ 60 Hz
Design Tip Speed 6.1
BLADE
Length 7.2 m (23.7 ft)
Material Wood/epoxy laminate or Epoxy /glass fibre
Airfoil (type) NREL, Thick Series, modified
Twist 7° outer blade
Root Chord 457 mm (18 in) @ 4% 279 mm (11in)
Max Chord 749 mm (29.5 in) @ 39% 2925 mm (115 in)
Tip Chord 406 mm (16 in) @ 100 % 7500 mm (295 in)
Chord Taper Ratio ± 2:1
Overspeed Device Electro-magnetic tip brake
Hub Attachment Embedded female bolt receptors
Blade Weight 150 kg (330 lbs) approximate
GENERATOR
Type 3 phase/4 pole asynchronous
Rated Temperature -25°c
Frequency (Hz) 60 Hz
Voltage (V) 480, 3 phase @ 60 Hz
kW @ Rated Wind Speed 50 kW
kW @ Peak Continuous 66 kW
Speed RPM (nominal) 1800 @ 60 Hz
Winding Configuration Ungrounded WYE
Insulation Class F
Enclosure Totally Enclosed Air Over (TEAO)
Frame Size 365 TC
Mounting Direct mount to transmission
Options Arctic low temp. shafting (-40°c)
TRANSMISSION
Type Planetary
Housing Ductile iron-integrated casting
Ratio (rotor to gen. speed) 1 to 28.25 (60 Hz)
Rating, output horse power 88
Lubrication Synthetic gear oil/non toxic
Heater (option) Arctic version, electric
YAW SYSTEM
Normal Free, rotates 360 degrees
Optional Yaw damping-required when known conditions
frequently exceed 50° yaw rate per second.
DRIVE TRAIN TOWER INTERFACE
Structural Yaw bearing mounted on tower top casting
Electrical Twist Cable
TOWER
Type Galvanized 3 legged, bolted lattice , self-supporting
Tower Height 24.4 m (80 ft)
Options 30.5 m (100 ft),
Tilt down 24.4 m (80 ft)
FOUNDATION
Type Concrete or special
Anchor Bolts Certified ASTMA-A-193-Grade B7
CONTROL SYSTEM
Type PLC based
Control Inputs Wind speed, generator shaft speed
Control Outputs Line interconnection, brake deployment
Communications Serial link to central computer for energy monitor
and maintenance dispatch (optional
Enclosures NEMA 1, NEMA 4 (optional)
Soft Start Optional
ROTOR SPEED CONTROL
Production Blade stall increases with increased wind velocity
Normal Start up Aerodynamic, electrical boost if necessary
Shut-down Control system simultaneously applies dynamic brake and
deploys tip brakes. Parking brake brings rotor to standstill.
Back-up Overspeed Control: Centrifugally activated tip brakes deploy
BRAKE SYSTEM CONTROL
Fail-safe brakes automatically deploy when grid failure occurs.
APPROXIMATE SYSTEM DESIGN WEIGHTS
Tower 3,210 kgs (7,080 lbs)
Rotor & Drivetrain 2,420 kgs ( 5,340 lbs)
Weight on Foundation 5,630 kgs (12,420 lbs)
DESIGN LIFE: 30 Years
DESIGN STANDARDS: Applicable Standards, AWEA, EIA and IEC
DOCUMENTATION:
Installation Guide and Operation & Maintenance Manual
SCHEDULED MAINTENANCE: Semi-annual or after severe events.
NOTE 1:
Atlantic Orient Corporation and its affiliates are constantly working
to improve their products, therefore, product specifications are subject to
change without notice.
NOTE 2:
Power curves show typical power available at the controller based
on a combination of measured and calculated data. Annual energy is
calculated using power curves and a Rayleigh wind speed distribution.
Energy production may be greater or
lesser dependent upon actual wind
resources and site conditions, and will vary with wind turbine maintenance,
altitude, temperature, topography and the proximity to other structures
including wind turbines.
NOTE 3: For design options to accommodate sever
e climates or unusual
circumstances please contact the corporate office in Norwich, Vermont USA
NOTE 4: For integration into high penetration wind-
diesel systems and
village electrification schemes contact the corporate office in Norwich, VT
USA for technical support and systems design.
REV. September 2000

Appendix A-3 Performance Characteristics
NOTICE: Use of the material contained in this document is subject to the warning on page Iv and the disclaimer on page v of this
document.
DOC012R02 AOC 15/50 User Manual Nov 2001
111
Appendix A-3 Performance Characteristics
NOTICE: Use of the material contained in this document is subject to the warning on page Iv and the disclaimer on page v of this
document.
DOC012R02 AOC 15/50 User Manual Nov 2001
112

NOTICE: Use of the material contained in this document is subject to the warning on page Iv and the disclaimer on page v of this
document.
DOC012R02 AOC 15/50 User Manual Nov 2001
113
Appendix B: Turbine Assembly Drawings
NOTICE: Use of the material contained in this document is subject to the warning on page Iv and the disclaimer on page v of this
document.
DOC012R02 AOC 15/50 User Manual Nov 2001
114

Appendix B-1 Drivetrain Assembly
NOTICE: Use of the material contained in this document is subject to the warning on page Iv and the disclaimer on page v of this document.
DOC012R02 AOC 15/50 User Manual Nov 2001
115

Appendix B-2 Tip Brake Assembly
NOTICE: Use of the material contained in this document is subject to the warning on page Iv and the disclaimer on page v of this document.
DOC012R02 AOC 15/50 User Manual Nov 2001
116

Appendix B-3 Anemometer Boom Details
NOTICE: Use of the material contained in this document is subject to the warning on page Iv and the disclaimer on page v of this document.
DOC012R02 AOC 15/50 User Manual Nov 2001
117

Appendix B-4 Twist Cable Jct Box Detail
NOTICE: Use of the material contained in this document is subject to the warning on page Iv and the disclaimer on page v of this document.
DOC012R02 AOC 15/50 User Manual Nov 2001
118

NOTICE: Use of the material contained in this document is subject to the warning on page Iv and the disclaimer on page v of
this document.
DOC012R02 AOC 15/50 User Manual Nov 2001
119
Appendix C: Assembly Drawings for 24.4 m (80 ft) Tower
NOTICE: Use of the material contained in this document is subject to the warning on page Iv and the disclaimer on page v of
this document.
DOC012R02 AOC 15/50 User Manual Nov 2001
120

Appendix C-1 Assembly Details for 80 ft (24.4m) SSV Lattice Tower
NOTICE: Use of the material contained in this document is subject to the warning on page Iv and the disclaimer on page v of this document.
DOC012R02 AOC 15/50 User Manual Nov 2001
121

Appendix C-2 Assembly Details for SSV Section 6N277
NOTICE: Use of the material contained in this document is subject to the warning on page Iv and the disclaimer on page v of this document.
DOC012R02 AOC 15/50 User Manual Nov 2001
122

Appendix C-3 Assembly Details for SSV Section 7N499
NOTICE: Use of the material contained in this document is subject to the warning on page Iv and the disclaimer on page v of this document.
DOC012R02 AOC 15/50 User Manual Nov 2001
123

Appendix C-4 Assembly Details for SSV Section 8N377
NOTICE: Use of the material contained in this document is subject to the warning on page Iv and the disclaimer on page v of this document.
DOC012R02 AOC 15/50 User Manual Nov 2001
124

Appendix C-5 Assembly Details for SSV Section 9N323 Base
NOTICE: Use of the material contained in this document is subject to the warning on page Iv and the disclaimer on page v of this document.
DOC012R02 AOC 15/50 User Manual Nov 2001
125
Appendix C-5 Assembly Details for SSV Section 9N323 Base
NOTICE: Use of the material contained in this document is subject to the warning on page Iv and the disclaimer on page v of this document.
DOC012R02 AOC 15/50 User Manual Nov 2001
126

NOTICE: Use of the material contained in this document is subject to the warning on page Iv and the disclaimer on page v of
this document.
DOC012R02 AOC 15/50 User Manual Nov 2001
127
Appendix D: Assembly Drawings for 30.5 m (100 ft) Tower
NOTICE: Use of the material contained in this document is subject to the warning on page Iv and the disclaimer on page v of
this document.
DOC012R02 AOC 15/50 User Manual Nov 2001
128

Appendix D-1 Assembly Details for 100 ft (30.5m) SSV Lattice Tower
NOTICE: Use of the material contained in this document is subject to the warning on page Iv and the disclaimer on page v of this document.
DOC012R02 AOC 15/50 User Manual Nov 2001
129

Appendix D-2 Assembly Details for SSV Section 6N277
NOTICE: Use of the material contained in this document is subject to the warning on page Iv and the disclaimer on page v of this document.
DOC012R02 AOC 15/50 User Manual Nov 2001
130

Appendix D-3 Assembly Details for SSV Section 7N499
NOTICE: Use of the material contained in this document is subject to the warning on page Iv and the disclaimer on page v of this document.
DOC012R02 AOC 15/50 User Manual Nov 2001
131

Appendix D-4 Assembly Details for SSV Section 8N377
NOTICE: Use of the material contained in this document is subject to the warning on page Iv and the disclaimer on page v of this document.
DOC012R02 AOC 15/50 User Manual Nov 2001
132

Appendix D-5 Assembly Details for SSV Section 9N201 Base
NOTICE: Use of the material contained in this document is subject to the warning on page Iv and the disclaimer on page v of this document.
DOC012R02 AOC 15/50 User Manual Nov 2001
133

Appendix D-6 Assembly Details for SSV Section 10N322 Base
NOTICE: Use of the material contained in this document is subject to the warning on page Iv and the disclaimer on page v of this document.
DOC012R02 AOC 15/50 User Manual Nov 2001
134

NOTICE: Use of the material contained in this document is subject to the warning on page Iv and the disclaimer on page v of this
document.
DOC012R02 AOC 15/50 User Manual Nov 2001
135
Appendix E: Crate Dimensions and Weights
NOTICE: Use of the material contained in this document is subject to the warning on page Iv and the disclaimer on page v of this
document.
DOC012R02 AOC 15/50 User Manual Nov 2001
136

Appendix E Crate Dimensions and Weights
NOTICE: Use of the material contained in this document is subject to the warning on page Iv and the disclaimer on page v of this
document.
DOC012R02 AOC 15/50 User Manual Nov 2001
137
Description Crated Crated Weight Weight
Dimensions (ft)
Dimensions (m)
(lbs) (kg)
Drivetrain 9 x 4 x 4 2.7 x 1.2 x 1.2 5,500 2495
Blades 25 x 3.3 x 6.5 7.5 x 1 x 2 1843 836
Control Boxes
4 x 4 x 4 1.2 x 1.2 x 1.2 600 272
Tower 21 x 3 x 3 6.5 x 1.2 x 1 2000 / section 900 / section
NOTICE: Use of the material contained in this document is subject to the warning on page Iv and the disclaimer on page v of this
document.
DOC012R02 AOC 15/50 User Manual Nov 2001
138

NOTICE: Use of the material contained in this document is subject to the warning on page Iv and the disclaimer on page v of this
document.
DOC012R02 AOC 15/50 User Manual Nov 2001
139
Appendix F: Foundation Loads and Details
NOTICE: Use of the material contained in this document is subject to the warning on page Iv and the disclaimer on page v of this
document.
DOC012R02 AOC 15/50 User Manual Nov 2001
140

Appendix F-1 Foundation Loads and Details
NOTICE: Use of the material contained in this document is subject to the warning on page Iv and the disclaimer on page v of this
document.
DOC012R02 AOC 15/50 User Manual Nov 2001
141
FOUNDATION INFORMATION
Tower Base Loads (lbsf) Single Leg Loads (lbsf)
Vertical
Vertical
Loads
(weight)
Horizontal
Loads
(thrust)
Overturning
Moment
(ft-lbs) Horizontal
Tension
Compression
80 ft. SSV (4" bottom sec.) 12,400 21,200 1,360,000 12,700 141,000
150,000
100 ft. SSV 15,300 24,400 1,810,000 14,600 158,000
168,000
Note: Loads calculated by spreadsheet at survival wind speed of 59.5 m/s (133 mph)

Appendix F-2 Foundation Drawing for the Standard Tower Configuration, EIA Normal Soil
NOTICE: Use of the material contained in this document is subject to the warning on page Iv and the disclaimer on page v of this document.
DOC012R02 AOC 15/50 User Manual Nov 2001
142

Appendix F-3 Notes and Dimensions for Standard Tower Foundation Drawing
NOTICE: Use of the material contained in this document is subject to the warning on page Iv and the disclaimer on page v of this document.
DOC012R02 AOC 15/50 User Manual Nov 2001
143

Appendix F-4 Foundation Drawing for the Tilt Tower Configuraion, EIA Normal Soil
NOTICE: Use of the material contained in this document is subject to the warning on page Iv and the disclaimer on page v of this document.
DOC012R02 AOC 15/50 User Manual Nov 2001
144

Appendix F-5 Notes and Dimensions for Tilt Tower Foundation Drawing
NOTICE: Use of the material contained in this document is subject to the warning on page Iv and the disclaimer on page v of this document.
DOC012R02 AOC 15/50 User Manual Nov 2001
145

Appendix F-6 Anchor Bolt Template Installation, Sheet 1
NOTICE: Use of the material contained in this document is subject to the warning on page Iv and the disclaimer on page v of this document.
DOC012R02 AOC 15/50 User Manual Nov 2001
146

Appendix F-7 Anchor Bolt Template Installation, Sheet 2
NOTICE: Use of the material contained in this document is subject to the warning on page Iv and the disclaimer on page v of this document.
DOC012R02 AOC 15/50 User Manual Nov 2001
147
NOTICE: Use of the material contained in this document is subject to the warning on page Iv and the disclaimer on page v of this
document.
DOC012R02 AOC 15/50 User Manual Nov 2001
148

NOTICE: Use of the material contained in this document is subject to the warning on page Iv and the disclaimer on page v of this
document.
DOC012R02 AOC 15/50 User Manual Nov 2001
149
Appendix G: Installation Records
NOTICE: Use of the material contained in this document is subject to the warning on page Iv and the disclaimer on page v of this
document.
DOC012R02 AOC 15/50 User Manual Nov 2001
150
Appendix G-1 Installation Records
NOTICE: Use of the material contained in this document is subject to the warning on page Iv and the disclaimer on page v of this
document.
DOC012R02 AOC 15/50 User Manual Nov 2001
151
Installation Records
Installation Data:
Customer: ___________________________ Company ___________________
Location: ___________________________
Date: ___________________________
Turbine Data:
Model: ___________________________
Make: ___________________________
Serial No.: ___________________________
Installations Personnel:
Foundation:
Representative(s) ___________________________________ Company ___________________
Electrical:
Representative(s) ___________________________________ Company ___________________
Utility Connection:
Representative(s) ___________________________________ Company ___________________
Tower Assembly:
Representative(s) ___________________________________ Company ___________________
Tower/Turbine Erection:
Representative(s) ___________________________________ Company ___________________
Representative(s) ___________________________(crane)__ Company ___________________
Turbine Commission:
Representative(s) ___________________________________ Company ___________________

Appendix G-2 Turbine Installation QA Checklist
NOTICE: Use of the material contained in this document is subject to the warning on page Iv and the disclaimer on page v of this
document.
DOC012R02 AOC 15/50 User Manual Nov 2001
152
Turbine Number
Customer
Inspection of Shipped Components
Check
Inspect blades for damage
Inspect turbine assembly for damage
Check sight glass to verify transmission oil level
Inspect electrical components and cables for damage
Inspect tower components for damage
Q.A.
Date
Tower Assembly and Tower Erection
Check
Braces installed with bolt heads inboard, locking nuts outboard
1" flange bolts torqued to 250 ft/lbs
5/8" brace nuts torqued to 150 ft/lbs
Pal nuts installed on bolts indicating fully torqued
Confirm anchor bolts undamaged
Tighten anchor bolts snug tight, with locking washers installed
Verify tower base is level
Tower is grounded on each leg
Tower base flange grouted with drain
Assy by Q.A.
Date
Blade Mounting
Check
Clean blade root inserts with Loctite cleaner
Ensure correct blade pitch angle
Remove all paint and rust from hub blade bolt counterbores
Blade washers aligned and seated properly and in counter bore
Apply primer and Loctite 271 to all blade bolts
Torque blade bolts to 180 ft/lbs
Assy by Q.A. Date

Appendix G-2 Turbine Installation QA Checklist
NOTICE: Use of the material contained in this document is subject to the warning on page Iv and the disclaimer on page v of this
document.
DOC012R02 AOC 15/50 User Manual Nov 2001
153
Tip Brake Installation
Check
Ensure tip brake slides into blade end without obstruction
Tip brake cables properly attached to connector points
Ensure installation of low-profile washers
Torque 5/16 mounting nuts to 11 ft/lbs
Torque 3/8" studs to 18 ft/lbs
Perform tip brake pull test
Assy by Q.A. Date
Installing Turbine
Check
Tower top bolts torqued to 600 ft/lbs
Confirm free yaw with yaw lock disengaged
Install twist cables into twist cable junction box
Install anemometer assembly at proscribed location on tower
Assy by Q.A. Date
QA approval signature
Date

Appendix G-3 Commissioning QA Checklist
NOTICE: Use of the material contained in this document is subject to the warning on page Iv and the disclaimer on page v of
this document.
DOC012R02 AOC 15/50 User Manual Nov 2001
154
AOC 15/50 Commissioning Test QA Checklist
Turbine Number
Customer
Control Box Check
QA Check Date
Inspect cabling to control boxes
Emergency Stop
QA Check Date
Confirm function of Emergency Stop switch (MCR disabled)
Parking Brake release
QA Check Date
Confirm electrical release of Parking Brake
(Rotor should turn if wind present)
NOTE: Parking brake release should produce an audible click
Anemometer Signal Check
QA Check Date
With computer interface, check for signal from both units
(0-5V=0-100mph)
Conduct Rotor Jog
Confirm Directional Rotation
Confirm RPM (50Hz 1495-1530 and 60Hz 1790-1830)
QA Check Date
Confirm tip brakes do not deploy
Dynamic Brake Test
Check connection of 1M and 4M wires (control wires)
Observe sufficient drop in RPM
QA Check Date
(33-50% drop without tip brakes or parking brake deployed)
CAUTION: DO NOT RUN DYNAMIC BRAKE FOR LONGER THAN TEN (10) SECONDS.
ALLOW RESISTORS TO COOL TO ROOM TEMPERATURE BEFORE REPEATING TEST
Placing Turbine On Line
QA Check Date
Observe turbine coming on line
Manual Shutdown
Confirm turbine coming off line
QA Check Date
Turn turbine power switch to "OFF"
Low Wind Shutdown
QA Check Date
Observe low-wind shutdown.
(If conditions do not permit, simulate electrically)
QA Approval Signature
Date

NOTICE: Use of the material contained in this document is subject to the warning on page Iv and the disclaimer on page v of
this document.
DOC012R02 AOC 15/50 User Manual Nov 2001
155
Appendix H: Maintenance Records
NOTICE: Use of the material contained in this document is subject to the warning on page Iv and the disclaimer on page v of
this document.
DOC012R02 AOC 15/50 User Manual Nov 2001
156

Appendix H-1 Maintenance Records
NOTICE: Use of the material contained in this document is subject to the warning on page Iv and the disclaimer on page v of this
document.
DOC012R02 AOC 15/50 User Manual Nov 2001
157
Maintenance Record
AOC 15/50 Maintenance Record
TURBINE #:
OWNER: LOCATION:
DATE INSTALLED: OPERATING HOURS:
SHUTDOWN HOURS: ENERGY PRODUCED:
Maintenance
Item
Date Due
Date
Performed
Completed By
Comments
Appendix H-2 Maintenance Schedule
NOTICE: Use of the material contained in this document is subject to the warning on page Iv and the disclaimer on page v of this
document.
DOC012R02 AOC 15/50 User Manual Nov 2001
158
Scheduled Routine Maintenance for the AOC 15/50
Monthly (ground level inspection):
• Visually inspect the wind turbine and site for obvious problems.
• Record the meter and run time readings.
• Inspect the dynamic brake components for discoloration or failure.
Six months after turbine installation:
• Visually inspect the tower fasteners and carry out a random torque check.
• Check and clean the electrical connections.
• Check the blade bolt washer alignment and all accessible fasteners, especially the tower top bolts, blade
bolts and yaw bearing bolts.
• Inspect the yaw bearing and yaw lock.
• Inspect the tip brakes.
• Check the torque of the hinge block nuts and the tip brake plate fasteners.
• Inspect the generator.
• Inspect the gearbox for leaks and vent clogging.
• Check the oil level in the site glass.
• Inspect the main shaft for cracking.
• Inspect the rotary transformer.
Annually
• Check oil level in the site glass.
• Grease the yaw bearing and yaw lock.
• Clean the blades.
Every two years (or after severe events):
• As for the inspection carried out after the first six months of operation
• Clean the blades.
• Re-calibrate the control system if necessary.
• Inspect and replace the anemometers if necessary.
• Inspect all exposed cables
Every five years:
• As for the inspection carried out every two years.
• Overhaul the wind turbine generator if the oil samples and/or inspection records indicate this to be
necessary.

Appendix H-3 Voltage to Wind Speed Conversion Table
NOTICE: Use of the material contained in this document is subject to the warning on page Iv and the disclaimer on page v of this
document.
DOC012R02 AOC 15/50 User Manual Nov 2001
159
NRG #40 cups, per NRG on 11-10-99
Frequency
Wind Speed
Output SI5100
(Hz) (mph)
(m/s)
(Vdc)
0.00 0.78 0.35
0.0000
1.00 2.49 1.11
0.0880
2.00 4.20 1.88
0.1760
3.00 5.91 2.64
0.2640
4.00 7.62 3.41
0.3520
5.00 9.34 4.17
0.4400
5.39 10.00
4.47
0.4743
5.51 10.21
4.56
0.4849
6.00 11.05
4.94
0.5280
7.00 12.76
5.70
0.6160
8.00 14.47
6.47
0.7040
9.00 16.18
7.23
0.7920
10.00 17.89
8.00
0.8800
11.00 19.60
8.76
0.9680
12.00 21.31
9.53
1.0560
13.00 23.02
10.29
1.1440
14.00 24.73
11.06
1.2320
15.00 26.45
11.82
1.3200
16.00 28.16
12.59
1.4080
17.00 29.87
13.35
1.4960
18.00 31.58
14.12
1.5840
19.00 33.29
14.88
1.6720
20.00 35.00
15.65
1.7600
21.00 36.71
16.41
1.8480
22.00 38.42
17.17
1.9360
23.00 40.13
17.94
2.0240
24.00 41.84
18.70
2.1120
25.00 43.56
19.47
2.2000
26.00 45.27
20.23
2.2880
27.00 46.98
21.00
2.3760
28.00 48.69
21.76
2.4640
28.77 50.01
22.35
2.5318
29.00 50.40
22.53
2.5520
30.00 52.11
23.29
2.6400
31.00 53.82
24.06
2.7280
32.00 55.53
24.82
2.8160
33.00 57.24
25.59
2.9040

Appendix H-3 Voltage to Wind Speed Conversion Table
NOTICE: Use of the material contained in this document is subject to the warning on page Iv and the disclaimer on page v of this
document.
DOC012R02 AOC 15/50 User Manual Nov 2001
160
34.00 58.95 26.35 2.9920
35.00 60.67 27.12 3.0800
36.00 62.38 27.88 3.1680
37.00 64.09 28.65 3.2560
38.00 65.80 29.41 3.3440
39.00 67.51 30.18 3.4320
40.00 69.22 30.94 3.5200
41.00 70.93 31.71 3.6080
42.00 72.64 32.47 3.6960
43.00 74.35 33.24 3.7840
44.00 76.06 34.00 3.8720
45.00 77.78 34.77 3.9600
46.00 79.49 35.53 4.0480
47.00 81.20 36.30 4.1360
48.00 82.91 37.06 4.2240
49.00 84.62 37.82 4.3120
50.00 86.33 38.59 4.4000
51.00 88.04 39.35 4.4880
52.00 89.75 40.12 4.5760
53.00 91.46 40.88 4.6640
54.00 93.17 41.65 4.7520
55.00 94.89 42.41 4.8400
56.00 96.60 43.18 4.9280
57.00 98.31 43.94 5.0160
57.99 100.00 44.70 5.1031 Freq= given
58.00 100.02 44.71 5.1040 MPH=(HZ*1.711)+.78
59.00 101.73 45.47 5.1920 M/S=MPH*.447
60.00 103.44 46.24 5.2800 SI5100 output=.088*Freq

NOTICE: Use of the material contained in this document is subject to the warning on page Iv and the disclaimer on page v of this
document.
DOC012R02 AOC 15/50 User Manual Nov 2001
161
Appendix I: Tools and Equipment
NOTICE: Use of the material contained in this document is subject to the warning on page Iv and the disclaimer on page v of this
document.
DOC012R02 AOC 15/50 User Manual Nov 2001
162

Appendix I-1 Recommended Tools For Installation
NOTICE: Use of the material contained in this document is subject to the warning on page Iv and the disclaimer on page v of this
document.
DOC012R02 AOC 15/50 User Manual Nov 2001
163
Tools Required For Installation
Check Qty
Item USED ON
All Maintenance Tools
1 Installation Manual general
1 Electrical drawings wiring
1 Computer and program PLC control
1 Tower Directions tower assembly
1 Template tower assembly
1 Aqua-gel cable lubricant tip brake cables
1 15/16 combination wrench 5/8” blade bolts
2 15/16 socket 5/8” blade bolts
2 ½ drive socket wrench 5/8” blade bolts
1 250 in-lb torque wrench, ½” drive 5/8” blade bolts (120, 180 in-lb step)
6 1” Non-locking nuts temporary tower fastener
1 Crow bar tower top aligning
1 36" drift pin tower top aligning
2 1" Drift Pin tower top aligning
1 1 ½ socket, 3/4 drive 1’’ tower top bolts
1 1 ½ combination wrench 1’’ tower top bolts
1 1 7/16 socket 1’’ tower top bolts
1 600 lb torque wrench, ¾ drive 1” tower top bolts (600 ft-lbs)
1 1/2 to 3/4 drive adaptor general
1 ¾ drive socket wrench 1” tower top bolts
1 Level leveling tower
1 2 3/8 open ended wrench 1 1/2 tower base bolts
1 1 1/16 socket, 3/4" drive 5/8” brace bolts
1 1 1/16 socket, 1/2" drive 5/8” brace bolts
1 1 1/16 combination wrench 5/8” brace bolts
1 15/16 combination wrench 5/8” brace pal nuts
1 1 5/8 socket 1” flange bolt
1 1 5/8 combination wrench 1” flange pal nuts
2 + Lifting straps tower assembly, blade assembly
2 Ropes, 100 ft. maneuver turbine when raising
1 Loctite 271 blade bolts
1 7/8" socket, 1/2" drive safety cable big u-bolt
1 3/4" socket, 1/2" drive safety cable small u-bolt
1 13/16" combination safety cable pal nut
1 5/16 Allen wrench generator jct box ground lug
1 3/16 Allen wrench generator jct box connector lug
1 Rotating File removing blade epoxy
1 Grinder bit and extension removing blade epoxy
1 wire clippers anemometer zip ties
1 9/16" combination wrench anemometer bolt
1 Rubber insulation tape general
1 Wire Cutters (large wire) power wiring

Appendix I-2 Recommended Tools For Routine Maintenance
NOTICE: Use of the material contained in this document is subject to the warning on page Iv and the disclaimer on page v of this
document.
DOC012R02 AOC 15/50 User Manual Nov 2001
164
Tools Required For Field Service Maintenance
Check
Qty
Item USED ON
1 Spring Scale tip brake pull test
1 Quick-link tip brake pull test
2 ½ “combination wrench anemometer u-bolt
1 ¼” combination wrench anemometer
2 ½ inch socket, 3/8" drive tip brake nuts
2 9/16 inch socket, 3/8" drive tip brake nuts
2 3/8" drive socket wrench tip brake nuts, general
1 250 in-lb torque wrench tip brake nuts
2 5/32 Allen wrench hinge eye fastener
2 3/32 Allen wrench catch plate fastener (old)
1 5/16" Allen wrench Stearns brake cover fasteners
1 10 mm Allen wrench Ringfeder
1 Loctite 242 tip brake fasteners
1 Rounded Course File removing blade epoxy
1 Flat Steel Brush rust removal
2 Small round steel brush rust removal (approx. 5/8 diameter)
1 7/16" deepsocket, 1/2" drive
1 Marine Epoxy blade repair
1 Fine sandpaper for metal general, rust
1 Big adjustable wrench general
1 Small adjustable wrench general
1 Rubber Mallet general
1 Small sledge hammer general
1 Needle nose pliers general
2 Flat-head screwdriver general
2 Phillips-head screwdriver general
2 +
Harnesses climbing
2 +
Climbing hardware climbing
1 Rope hauling
1 Wire crimpers general
1 Wire strippers/cutter general
1 Electrical Tape general
1 Rust inhibitor general
1 Vise grips general
1 Small Pliers general
1 Channel Locks general
2 Small Screwdriver terminal strip
1 extractor tool general, blade cable
3 1.5 ft. bungee cords tip brake plate restraint
1 English allen set on keyring general
1 razor knife general

NOTICE: Use of the material contained in this document is subject to the warning on page Iv and the disclaimer on page v of this
document.
DOC012R02 AOC 15/50 User Manual Nov 2001
165
Appendix J: Wire, Cable and Bolt Specifications
NOTICE: Use of the material contained in this document is subject to the warning on page Iv and the disclaimer on page v of this
document.
DOC012R02 AOC 15/50 User Manual Nov 2001
166

Appendix J-1 AOC Supplied Cable
NOTICE: Use of the material contained in this document is subject to the warning on page Iv and the disclaimer on page v of this
document.
DOC012R02 AOC 15/50 User Manual Nov 2001
167
AOC SUPPLIED CABLE
Description Type
Power Twist Cable
4 - # 4 Cu
Control Twist Cable
14 - # 16 Cu
Anemometer Cables (2)
Belden 9501
CUSTOMER SUPPLIED CABLE
Distance from controller to tower Description <50m 50m –200m 200-300m*
power cable 4 wire #2 Cu THHW #1 Cu THHW 1/0 THHW
control cable 14 wire #14 Cu THHW #10 Cu THHW #8 Cu THHW
2 shielded twisted
pair Belden 9501
signal cable
2 shielded twisted
triple Belden 8771
*For distances greater than 300m consult AOC.

Appendix J-2 Bolt Torque Values for the AOC 15/50
NOTICE: Use of the material contained in this document is subject to the warning on page Iv and the disclaimer on page v of this document.
DOC012R02 AOC 15/50 User Manual Nov 2001
168
The table below shows the AOC torque specification for the critical fasteners on the 15/50. These should be referred to whenever a fastener is
required to be torqued ‘to specification’ by the assembly procedure. For detailed procedures refer to AOC Assembly Manual DOC010Rxxx.
Fastener Type
AOC p/n Used On AOC Torque Specification (ft-lbs)
Loctite
05/16-18 10001 Thrust ring 35 Yes
05/16-18 10056 Rotary Transformer to seal carrier
19 Yes
1/2-13 10008 Endcover 126 Yes
1/2-13 10009 Seal Carrier 96 Yes
5/8-11 10031 Parking Brake to Generator 125 Yes
5/8-11 10029 Generator to Endcover 159 Yes
5/8-18 10157 Blade to Hub 180 Yes
3/4-10 10040 Yaw Bearing to Gearbox 254 Yes
3/4-10 10041, 10042 & 10639
Yaw Bearing to Tower Top 282 No
1-8 10037 Tower Top to Tower 600 No
1-8 10267 Retaining Washer 600 Yes
Note: Refer to Turbine Installation QA Checklist, Appendix G-2, for tower flange bolt , tower brace nut and tip brake torques.

Appendix J-3 Loctite Procedures
NOTICE: Use of the material contained in this document is subject to the warning on page Iv and the disclaimer on page v of this
document.
DOC012R02 AOC 15/50 User Manual Nov 2001
169
Procedure for Bolt Replacement Requiring Loctite
The Loctite Specification Sheets should be read and followed precisely. If it is not feasible to follow
specification sheet exactly, it is imperative that the vendor be contacted and asked the consequences of
such action (1-800-LOCTITE).
(1) It is very important to remove and replace only one bolt at a time when reinstalling any bolts so that
preload is distributed evenly between all bolts.
(2) The surfaces of both the inserts and bolts must be CLEAN and DRY. A cleaning solvent must be
used to remove all 242/271 residues and any grease, rust or dirt. A wire brush is usually necessary.
Permatex Brake and Parts Cleaner or Loctite 22355 Cleaner & Degreaser (formerly Loctite 7070) is
the recommended product.
(3) All AOC parts used in conjunction with Loctite are considered Inactive Metals (see Loctite specs).
Therefore, the surfaces for all AOC applications must be primed before Loctite is applied! The
threads should all be sprayed with Permatex Klean’N Prime or Loctite 7649 Primer-N.
(4) After surfaces have been prepared and have completely dried, apply Loctite to threads of the bolt. (An
few air blasts may be helpful in blowing excess cleaner and primer from the inserts if applicable. This
will also improve drying time.) A thin layer covering all threads on the bottom three-quarters of the
bolt will be sufficient. (Be careful on blade bolts not to over apply Loctite, as excess Loctite will
allow the washer to slip when applying torque, causing misalignment.) Do not apply Loctite to wet
surfaces, as the bonding properties will be affected.
(5) Torque bolt to recommended value . For blade bolts, it is extremely important that blade washers
be aligned properly and are well seated in the counterbore. If washers are misaligned, remove
torque realign and apply specified torque once again. Loctite will fixture within 5 to 20 minutes
after which blades and yaw bearing may be moved around. However, the Loctite must be allowed to
cure 24 hours before any dynamics are initiated into the system (i.e. running the machine).
NOTE: The specification sheets show a procedure for applying Loctite to blind holes. In our blade/hub
assembly procedure, this is not practical as there is a fairly large reservoir in the bottom of the insert.
In this case, it is acceptable to apply the Loctite on bottom half of the bolt, as pressure will push the
Loctite towards the top. In addition some may be applied to the insert also.
NOTICE: Use of the material contained in this document is subject to the warning on page Iv and the disclaimer on page v of this
document.
DOC012R02 AOC 15/50 User Manual Nov 2001
170

NOTICE: Use of the material contained in this document is subject to the warning on page Iv and the disclaimer on page v of this
document.
DOC012R02 AOC 15/50 User Manual Nov 2001
171
Appendix K: Planning
NOTICE: Use of the material contained in this document is subject to the warning on page Iv and the disclaimer on page v of this
document.
DOC012R02 AOC 15/50 User Manual Nov 2001
172

Appendix K-1 Procurement Responsibilities
NOTICE: Use of the material contained in this document is subject to the warning on page Iv and the disclaimer on page v of this
document.
DOC012R02 AOC 15/50 User Manual Nov 2001
173
PROCUREMENT RESPONSIBILITY
GENERAL DESCRIPTION AOC
PROVIDES
CUSTOMER
PROVIDES
Wind Turbine Drivetrain X
Gearbox X
Generator X
Parking Brake X
Assembly Hardware X
Blades (unassembled) X
Tip Brakes X
Tip Brake Cables X
Assembly Hardware X
Standard 80 ft Tower X
Tower Safety Climbing Cable and harness X
Foundation (engineering, materials, labor) X
Anchor Bolts, Nuts and Template (standard foundation) X
Weatherproof Controls Structure (If using non-NEMA 4 Enclosures) X
Controls, Power Electronics and Enclosure (non-NEMA 4)(NEMA 4/tropical
optional) X
Power Factor Correction X
Grid Monitor X
Surge Protector X
PLC/Controls and Enclosure X
Dynamic Brake Capacitors and Enclosure X
Dynamic Brake Resistors and Enclosure X
Generator Resistor Contactor Soft Start (optional) X
Throw Switch X
125 A, 3 Phase Circuit Breaker X
75 KVA Transformer X
Watts Transducer and Current Transformer (optional) X
Parking Brake Heater X
Transmission Heater X
KWH Metering Device X
Tower Base Pull Box (optional) X
Twist Cable Jct Box X
Control Cable (b/w generator jct box and twist cable jct box) X
Power Cable (b/w generator jct box and twist cable jct box) X
Anemometer Cable (b/w generator jct box and twist cable jct box) X
Anemometer Cable (b/w twist cable jct box and controls and utility) X
Control Cable (b/w twist cable jct box and controls and utility) X
Power Cable (b/w twist cable jct box and controls and utility) X
All Protective Conduit (b/w twist cable jct box and controls and utility) X
Spare Parts X
NOTE: This procurement checklist is a tool for planning purposes only and is by no means a
substitute for contractual agreements. Some items may or may not have been purchased by the
customer.

Appendix K-2 Required Customer Power Grid Information
NOTICE: Use of the material contained in this document is subject to the warning on page Iv and the disclaimer on page v of this
document.
DOC012R02 AOC 15/50 User Manual Nov 2001
174
Transformer Data
Primary Voltage 13.8kV 12.5kV 4160V 2400V Other__________
Secondary Voltage 400V 415V 480V Other__________
Frequency 50Hz 60Hz
Taps Number Plus__________ Number Minus__________ Step %__________
Mounting Type Pole Pad Other
Rated kVa
Winding Configuration Primary Wye Delta Other__________
Winding Configuration Secondary Wye Delta Other__________
Impedance__________ Per Unit
Surge / Lightning Protection
Measured Secondary Voltage Normal Load
Min Load
Max Load
Distance from Transformer to Wind Turbine (in Meters)
Additional Loads
Size kW
Type
Peak Rating__________ Inrush Current __________ Amps
(For multiple loads detail on separate sheet)
Power Factor Correction Yes No
kVAR__________
Required Customer Power Grid Information

NOTICE: Use of the material contained in this document is subject to the warning on page Iv and the disclaimer on page v of this
document.
DOC012R02 AOC 15/50 User Manual Nov 2001
175
Appendix L: 50Hz Electrical Schematics
IMPORTANT
Schematics are site specific. The schematics in this appendix are provided for general planning information
only. Please refer to as built schematics for accurate site specfic information.
NOTICE: Use of the material contained in this document is subject to the warning on page Iv and the disclaimer on page v of this
document.
DOC012R02 AOC 15/50 User Manual Nov 2001
176

Appendix L-1 50 Hz Table of Contents
NOTICE: Use of the material contained in this document is subject to the warning on page Iv and the disclaimer on page v of this document.
DOC012R02 AOC 15/50 User Manual Nov 2001
177
Drawing
Number Latest Rev
Date Title
525000 3/5/01 AOC 15/50 Single Line Diagram of 50 Hz
535000 2/28/01 AOC 15/50 Electronic Control, Box Layout, 50 Hz
545001 D 2/28/01 AOC 15/50 System Input Wiring, 50 Hz
545002 B 2/28/01 AOC 15/50 System/Interconnecting Wiring Diagram, 50 Hz
545003 B 2/28/01 AOC 15/50 120 VAC Wiring Diagram, 50 Hz
545004 B 2/28/01 AOC 15/50 120 VAC Wiring Diagram, 50 Hz
545005 B 2/28/01 AOC 15/50 120 VAC Wiring Diagram, 50 Hz
545006 A 2/28/01 AOC 15/50 PLC, Modules Layout in PLC Rack, 50 Hz
545007 A 2/28/01 AOC 15/50 Analog Signal Wiring (Shaft Speed), 50 Hz
545008 A 2/28/01 AOC 15/50 Analog Signal Wiring (Wind Speed & Power Monitoring), 50 Hz
545009 A 2/28/01 AOC 15/50 PLC DC Output Module Wiring, 50 Hz
545010 A 2/28/01 AOC 15/50 Dynamic Brake, Capacitor Box, 50 Hz
545011 3/1/01 AOC 15/50 Control Cable (Twist Cable) Connector Wiring, 50 Hz
545012 A 3/16/01 AOC 15/50 Twist Cable Junction Box Terminal Strip, 50 Hz
545013 A 3/1/01 AOC 15/50 Turbine Generator J-Box Terminal Strip Wiring, 50 Hz
545014 3/1/01 AOC 15/50 Tip Brake Power Wiring, and Wiring to Rotary Transformer, 50 Hz
545015 A 3/1/01 AOC 15/50 Undercurrent Sensor Circuit (Parking Brake), 50 Hz
555005 A 3/1/01 AOC 15/50 Main Control Box/Panel Assembly Drawing, 50 Hz
555016 3/12/01 AOC 15/50 Main Controller Terminal Strip
555017 3/12/01 AOC 15/50 Circuit breaker and surge protector wiring
555018 3/12/01 AOC 15/50 Relay wiring
555021 3/13/01 AOC 15/50 Main Controller Front Panel / Rear Panel Interface, 50 Hz
555022 3/13/01 AOC 15/50 PLC Wiring Slot #2, 50 Hz
555023 3/13/01 AOC 15/50 PLC Wiring Slot #3, 50 Hz

Appendix L-2 AOC 15/50 Single Line Diagram, 50 Hz
NOTICE: Use of the material contained in this document is subject to the warning on page Iv and the disclaimer on page v of this document.
DOC012R02 AOC 15/50 User Manual Nov 2001
178
Atlantic Orient Corporation
PO Box 1097 Norwich, VT 05055

Appendix L-3 AOC 15/50 Electronic Control, Box Layout, 50Hz
NOTICE: Use of the material contained in this document is subject to the warning on page Iv and the disclaimer on page v of this document.
DOC012R02 AOC 15/50 User Manual Nov 2001
179
AOC Main
Controller
Enclosure
AOC Dynamic
Brake Capacitor
Enclosure AOC
Dynamic
Brake
Resistor
Enclosure
Utility
Feed
Twist Cable
Junction Box
2" PVC Conduit
4 - 2 AWG
1 - 2" Conduit
4 - 10 AWG
3 - 16 AWG
1 - 2" Conduit
4 - 10 AWG
1 - 2" PVC Conduit
4 - 2 AWG
1 - 2" PVC Conduit
14 - 14 AWG
2 - Belden 9501
2 - Belden 8771
Control System
Enclosures Tower
AOC 15/50
Electronic Control, Box Layout, 50 Hz
Atlantic Orient Corporation
PO Box 1097 Norwich, VT 05055
1 of 1
The Drawing on this print
and information therewith
are proprietary
information to Atlantic
Orient Corporation and
shall not be used in
whole or in part without
written consent of Atlantic
Orient Corporation.
Drawn By
Checked By
Approved By
Date
Date
DLBell
Sheet
Title
Drawing Number
Date
03-03-00
AOC Supplied
Twist Cables
Note:
Belden 8771 signal cable not required for short conduit runs.
All Dimensions in inches.
535000
02-28-01
SEC
AOC Supplied
Anemometer Cables
Soft Start Enclosure
(AOC Supplied, as an
Option)
1 - 2" PVC Conduit
3 - 2 AWG
2 - 14 AWG
36"
16"
12"
14"
30"
30"
30"
1 - 2" PVC Conduit
3 - 2 AWG
24"
16"
20"

Appendix L-4 AOC 15/50 System Input Wiring, 50 Hz
NOTICE: Use of the material contained in this document is subject to the warning on page Iv and the disclaimer on page v of this document.
DOC012R02 AOC 15/50 User Manual Nov 2001
180
Atlantic Orient Corporation
PO Box 1097 Norwich, VT 05055

Appendix L-5 AOC 15/50 System/Interconnecting Wiring Diagram, 50 Hz
NOTICE: Use of the material contained in this document is subject to the warning on page Iv and the disclaimer on page v of this document.
DOC012R02 AOC 15/50 User Manual Nov 2001
181
Atlantic Orient Corporation
PO Box 1097 Norwich, VT 05055

Appendix L-6 AOC 15/50 120 VAC Wiring Diagram, 50 Hz
NOTICE: Use of the material contained in this document is subject to the warning on page Iv and the disclaimer on page v of this
document.
DOC012R02 AOC 15/50 User Manual Nov 2001
182
Atlantic Orient Corporation
PO Box 1097 Norwich, VT 05055

Appendix L-7 AOC 15/50 120 VAC Wiring Diagram, 50 Hz
NOTICE: Use of the material contained in this document is subject to the warning on page Iv and the disclaimer on page v of this
document.
DOC012R02 AOC 15/50 User Manual Nov 2001
183
Atlantic Orient Corporation
PO Box 1097 Norwich, VT 05055

Appendix L-7 AOC 15/50 120 VAC Wiring Diagram, 50 Hz
NOTICE: Use of the material contained in this document is subject to the warning on page Iv and the disclaimer on page v of this
document.
DOC012R02 AOC 15/50 User Manual Nov 2001
184
Atlantic Orient Corporation
PO Box 1097 Norwich, VT 05055

Appendix L-8 AOC 15/50 PLC, Modules Layout in PLC Rack, 50 Hz
NOTICE: Use of the material contained in this document is subject to the warning on page Iv and the disclaimer on page v of this document.
DOC012R02 AOC 15/50 User Manual Nov 2001
185
Atlantic Orient Corporation
PO Box 1097 Norwich, VT 05055

Appendix L-9 AOC 15/50 Analog Signal Wiring (Shaft Speed), 50 Hz
NOTICE: Use of the material contained in this document is subject to the warning on page Iv and the disclaimer on page v of this document.
DOC012R02 AOC 15/50 User Manual Nov 2001
186
Atlantic Orient Corporation
PO Box 1097 Norwich, VT 05055

Appendix L-10 AOC 15/50 Analog Signal Wiring (Wind Speeds & Power Monitor), 50Hz
NOTICE: Use of the material contained in this document is subject to the warning on page Iv and the disclaimer on page v of this document.
DOC012R02 AOC 15/50 User Manual Nov 2001
187
Atlantic Orient Corporation
PO Box 1097 Norwich, VT 05055

Appendix L-11 AOC 15/50 PLC DC Output Module Wiring, 50Hz
NOTICE: Use of the material contained in this document is subject to the warning on page Iv and the disclaimer on page v of this document.
DOC012R02 AOC 15/50 User Manual Nov 2001
188
Atlantic Orient Corporation
PO Box 1097 Norwich, VT 05055

Appendix L-12 AOC 15/50 Dynamic Brake, Capacitor Box, 50Hz
NOTICE: Use of the material contained in this document is subject to the warning on page Iv and the disclaimer on page v of this document.
DOC012R02 AOC 15/50 User Manual Nov 2001
189
Atlantic Orient Corporation
PO Box 1097 Norwich, VT 05055

Appendix L-13 AOC 15/50 Control Cable (Twist Cable) Connector Wiring, 50Hz
NOTICE: Use of the material contained in this document is subject to the warning on page Iv and the disclaimer on page v of this document.
DOC012R02 AOC 15/50 User Manual Nov 2001
190
Atlantic Orient Corporation
PO Box 1097 Norwich, VT 05055

Appendix L-14 AOC 15/50 Twist Cable Junction Box Terminal Strip, 50 Hz
NOTICE: Use of the material contained in this document is subject to the warning on page Iv and the disclaimer on page v of this document.
DOC012R02 AOC 15/50 User Manual Nov 2001
191
Atlantic Orient Corporation
PO Box 1097 Norwich, VT 05055
↑
↓

Appendix L-15 AOC 15/50 Turbine Generator J-Box Terminal Strip Wiring, 50hz
NOTICE: Use of the material contained in this document is subject to the warning on page Iv and the disclaimer on page v of this document.
DOC012R02 AOC 15/50 User Manual Nov 2001
192
Atlantic Orient Corporation
PO Box 1097 Norwich, VT 05055

Appendix L-16 AOC 15/50 Tip Brake Power Wiring, and Wiring to Rotary Transformer, 50 Hz
NOTICE: Use of the material contained in this document is subject to the warning on page Iv and the disclaimer on page v of this document.
DOC012R02 AOC 15/50 User Manual Nov 2001
193
Atlantic Orient Corporation
PO Box 1097 Norwich, VT 05055

Appendix L-17 AOC 15/50 Undercurrent Sensor Circuit (Parking Brake), 50 Hz
NOTICE: Use of the material contained in this document is subject to the warning on page Iv and the disclaimer on page v of this document.
DOC012R02 AOC 15/50 User Manual Nov 2001
194
Atlantic Orient Corporation
PO Box 1097 Norwich, VT 05055

Appendix L-18 AOC 15/50 Main Control Box / Panel Assembly Drawing, 50Hz
NOTICE: Use of the material contained in this document is subject to the warning on page Iv and the disclaimer on page v of this document.
DOC012R02 AOC 15/50 User Manual Nov 2001
195
Atlantic Orient Corporation
PO Box 1097 Norwich, VT 05055

Appendix L-19 AOC 15/50 Main Controller Terminal Strip, 50 Hz
NOTICE: Use of the material contained in this document is subject to the warning on page Iv and the disclaimer on page v of this
document.
DOC012R02 AOC 15/50 User Manual Nov 2001
196
Atlantic Orient Corporation
PO Box 1097 Norwich, VT 05055
∅
Shaft Speed 2
Wind Speed 2
Wind Speed 1
Shaft Speed 2
Dynamik Brake
Capacitor Box
Generator Thermal Switch
Parking Brake
Tip Brake
Generator Winding Heater
and Parking Brake Heater
Transmission Oil Heater
Soft Start Contactor
Soft Start Thermal Switch
←→

Appendix L-20 AOC 15/50 Circuit Breaker And Surge Protector Wiring
NOTICE: Use of the material contained in this document is subject to the warning on page Iv and the disclaimer on page v of this
document.
DOC012R02 AOC 15/50 User Manual Nov 2001
197
Atlantic Orient Corporation
PO Box 1097 Norwich, VT 05055

Appendix L-21 AOC 15/50 Relay Wiring, 50 Hz
NOTICE: Use of the material contained in this document is subject to the warning on page Iv and the disclaimer on page v of this
document.
DOC012R02 AOC 15/50 User Manual Nov 2001
198
Atlantic Orient Corporation
PO Box 1097 Norwich, VT 05055

Appendix L-22 AOC 15/50 Main Controller Front Panel / Rear Panel Interface, 50 Hz
NOTICE: Use of the material contained in this document is subject to the warning on page Iv and the disclaimer on page v of this
document.
DOC012R02 AOC 15/50 User Manual Nov 2001
199
Atlantic Orient Corporation
PO Box 1097 Norwich, VT 05055
↑
↓

Appendix L-23 AOC 15/50 PLC Wiring Slot #2, 50Hz
NOTICE: Use of the material contained in this document is subject to the warning on page Iv and the disclaimer on page v of this
document.
DOC012R02 AOC 15/50 User Manual Nov 2001
200
Atlantic Orient Corporation
PO Box 1097 Norwich, VT 05055

Appendix L-24 AOC 15/50 PLC Wiring Slot #3, 50Hz
NOTICE: Use of the material contained in this document is subject to the warning on page Iv and the disclaimer on page v of this
document.
DOC012R02 AOC 15/50 User Manual Nov 2001
201
Atlantic Orient Corporation
PO Box 1097 Norwich, VT 05055
NOTICE: Use of the material contained in this document is subject to the warning on page Iv and the disclaimer on page v of this
document.
DOC012R02 AOC 15/50 User Manual Nov 2001
202

NOTICE: Use of the material contained in this document is subject to the warning on page Iv and the disclaimer on page v of this
document.
DOC012R02 AOC 15/50 User Manual Nov 2001
203
Appendix M: 60 Hz Electrical Schematics
IMPORTANT
Schematics are site specific. The schematics in this appendix are provided for general planning information
only. Please refer to as built schematics for accurate site specfic information
NOTICE: Use of the material contained in this document is subject to the warning on page Iv and the disclaimer on page v of this
document.
DOC012R02 AOC 15/50 User Manual Nov 2001
204

Appendix M-1 Listing of Drawings and Schematics for AOC Wind Energy System (60 Hz)
NOTICE: Use of the material contained in this document is subject to the warning on page Iv and the disclaimer on page v of this document.
DOC012R02 AOC 15/50 User Manual Nov 2001
205
Drawing Number Latest
Rev Date Title
526000 3/6/01 AOC 15/50 Single Line Diagram, 60 Hz
536000 3/6/01 AOC 15/50 Electronic Control, Box Layout, 60 Hz
546001 D 3/6/01 AOC 15/50 System Input Wiring, 60 Hz
546002 B 3/6/01 AOC 15/50 System/Interconnecting Wiring Diagram, 60 Hz
546003 B 3/6/01 AOC 15/50 120 VAC Wiring Diagram, 60 Hz
546004 B 3/6/01 AOC 15/50 120 VAC Wiring Diagram, 60 Hz
546005 B 3/6/01 AOC 15/50 120 VAC Wiring Diagram, 60 Hz
546006 A 3/6/01 AOC 15/50 PLC, Modules Layout in PLC Rack, 60 Hz
546007 A 3/6/01 AOC 15/50 Analog Signal Wiring (Shaft Speed), 60 Hz
546008 A 3/6/01 AOC 15/50 Analog Signal Wiring (Wind Speed & Power Monitoring),
60 Hz
546009 A 3/6/01 AOC 15/50 PLC DC Output Module Wiring, 60 Hz
546010 A 3/6/01 AOC 15/50 Dynamic Brake, Capacitor Box, 60 Hz
546011 3/6/01 AOC 15/50 Control Cable (Twist Cable) Connector Wiring, 60 Hz
546012 A 3/16/01 AOC 15/50 Twist Cable Junction Box Terminal Strip Wiring, 60 Hz
546013 A 3/6/01 AOC 15/50 Turbine Generator J-Box Terminal Strip Wiring, 60 Hz
546014 3/6/01 AOC 15/50 Tip Brake Power Wiring, and Wiring to Rotary
Transformer, 60 Hz
546015 A 3/6/01 AOC 15/50 Undercurrent Sensor Circuit (Parking Brake), 60 Hz
556005 A 3/6/01 AOC 15/50 Main Control Box/Panel Assembly Drawing, 60 Hz
556016 3/12/01 AOC 15/50 Main Controller Terminal Strip
556017 3/12/01 AOC 15/50 Circuit breaker and surge protector wiring
556018 3/12/01 AOC 15/50 Relay wiring
556021 3/13/01 AOC 15/50 Main Controller Front Panel / Rear Panel Interface, 60 Hz
556022 3/13/01 AOC 15/50 PLC Wiring Slot #2, 60 Hz
556023 3/13/01 AOC 15/50 PLC Wiring Slot #3, 60 Hz

Appendix M-2 AOC 15/50 Single Line Diagram, 60 Hz
NOTICE: Use of the material contained in this document is subject to the warning on page Iv and the disclaimer on page v of this document.
DOC012R02 AOC 15/50 User Manual Nov 2001
206
Atlantic Orient Corporation
PO Box 1097 Norwich, VT 05055

Appendix M-3 AOC 15/50 Electronic Control, Box Layout, 60 Hz
NOTICE: Use of the material contained in this document is subject to the warning on page Iv and the disclaimer on page v of this document.
DOC012R02 AOC 15/50 User Manual Nov 2001
207
AOC Main
Controller
Enclosure
AOC Dynamic
Brake Capacitor
Enclosure AOC
Dynamic
Brake
Resistor
Enclosure
Utility
Feed
Twist Cable
Junction Box
2" PVC Conduit
4 - 2 AWG
1 - 2" Conduit
4 - 10 AWG
3 - 16 AWG
1 - 2" Conduit
4 - 10 AWG
1 - 2" PVC Conduit
4 - 2 AWG
1 - 2" PVC Conduit
14 - 14 AWG
2 - Belden 9501
2 - Belden 8771
Control System
Enclosures Tower
AOC 15/50
Electronic Control, Box Layout, 60 Hz
Atlantic Orient Corporation
PO Box 1097 Norwich, VT 05055
1 of 1
The Drawing on this print
and information therewith
are proprietary
information to Atlantic
Orient Corporation and
shall not be used in
whole or in part without
written consent of Atlantic
Orient Corporation.
Drawn By
Checked By
Approved By
Date
Date
DLBell
Sheet
Title
Drawing Number
Date
03-03-00
AOC Supplied
Twist Cables
Note:
Belden 8771 signal cable not required for short conduit runs.
All Dimensions in inches.
536000
03-06-01
SEC
AOC Supplied
Anemometer Cables
Soft Start Enclosure
(AOC Supplied, as an
Option)
1 - 2" PVC Conduit
3 - 2 AWG
2 - 14 AWG
36"
16"
12"
14"
30"
30"
30"
1 - 2" PVC Conduit
3 - 2 AWG
24"
16"
20"

Appendix M-4 AOC 15/50 System Input Wiring, 60 Hz
NOTICE: Use of the material contained in this document is subject to the warning on page Iv and the disclaimer on page v of this document.
DOC012R02 AOC 15/50 User Manual Nov 2001
208
Atlantic Orient Corporation
PO Box 1097 Norwich, VT 05055

Appendix M-5 AOC 15/50 System/Interconnecting Wiring Diagram, 60 Hz
NOTICE: Use of the material contained in this document is subject to the warning on page Iv and the disclaimer on page v of this document.
DOC012R02 AOC 15/50 User Manual Nov 2001
209
Atlantic Orient Corporation
PO Box 1097 Norwich, VT 05055

Appendix M-6 AOC 15/50 120 VAC Wiring Diagram, 60 Hz
NOTICE: Use of the material contained in this document is subject to the warning on page Iv and the disclaimer on page v of
this document.
DOC012R02 AOC 15/50 User Manual Nov 2001
210
Atlantic Orient Corporation
PO Box 1097 Norwich, VT 05055

Appendix M-7 AOC 15/50 120 VAC Wiring Diagram, 60 Hz
NOTICE: Use of the material contained in this document is subject to the warning on page Iv and the disclaimer on page v of this
document.
DOC012R02 AOC 15/50 User Manual Nov 2001
211
Atlantic Orient Corporation
PO Box 1097 Norwich, VT 05055

Appendix M-8 AOC 15/50 120 VAC Wiring Diagram, 60 Hz
NOTICE: Use of the material contained in this document is subject to the warning on page Iv and the disclaimer on page v of this
document.
DOC012R02 AOC 15/50 User Manual Nov 2001
212
Atlantic Orient Corporation
PO Box 1097 Norwich, VT 05055

Appendix M-9 AOC 15/50 PLC, Modules Layout in PLC Rack, 60 Hz
NOTICE: Use of the material contained in this document is subject to the warning on page Iv and the disclaimer on page v of this document.
DOC012R02 AOC 15/50 User Manual Nov 2001
213
Atlantic Orient Corporation
PO Box 1097 Norwich, VT 05055

Appendix M-10 AOC 15/50 Analog Signal Wiring (Shaft Speed), 60 Hz
NOTICE: Use of the material contained in this document is subject to the warning on page Iv and the disclaimer on page v of this document.
DOC012R02 AOC 15/50 User Manual Nov 2001
214
Atlantic Orient Corporation
PO Box 1097 Norwich, VT 05055

Appendix M-11 AOC 15/50 Analog Signal Wiring (Wind Speeds & Power Monitor), 60 Hz
NOTICE: Use of the material contained in this document is subject to the warning on page Iv and the disclaimer on page v of this document.
DOC012R02 AOC 15/50 User Manual Nov 2001
215
Atlantic Orient Corporation
PO Box 1097 Norwich, VT 05055

Appendix M-12 AOC 15/50 PLC DC Output Module Wiring, 60 Hz
NOTICE: Use of the material contained in this document is subject to the warning on page Iv and the disclaimer on page v of this document.
DOC012R02 AOC 15/50 User Manual Nov 2001
216
Atlantic Orient Corporation
PO Box 1097 Norwich, VT 05055

Appendix M-13 AOC 15/50 Dynamic Brake, Capacitor Box, 60 Hz
NOTICE: Use of the material contained in this document is subject to the warning on page Iv and the disclaimer on page v of this document.
DOC012R02 AOC 15/50 User Manual Nov 2001
217
Atlantic Orient Corporation
PO Box 1097 Norwich, VT 05055

Appendix M-14 AOC 15/50 Control Cable (Twist Cable) Connector Wiring, 60Hz
NOTICE: Use of the material contained in this document is subject to the warning on page Iv and the disclaimer on page v of this document.
DOC012R02 AOC 15/50 User Manual Nov 2001
218
Atlantic Orient Corporation
PO Box 1097 Norwich, VT 05055

Appendix M-15 AOC 15/50 Twist Cable Junction Box Terminal Strip, 60 Hz
NOTICE: Use of the material contained in this document is subject to the warning on page Iv and the disclaimer on page v of this document.
DOC012R02 AOC 15/50 User Manual Nov 2001
219
Atlantic Orient Corporation
PO Box 1097 Norwich, VT 05055
↑
↓

Appendix M-16 AOC 15/50 Turbine Generator J-Box Terminal Strip Wiring, 60 Hz
NOTICE: Use of the material contained in this document is subject to the warning on page Iv and the disclaimer on page v of this document.
DOC012R02 AOC 15/50 User Manual Nov 2001
220
Atlantic Orient Corporation
PO Box 1097 Norwich, VT 05055

Appendix M-17 AOC 15/50 Tip Brake Power Wiring, and Wiring to Rotary Transformer, 60 Hz
NOTICE: Use of the material contained in this document is subject to the warning on page Iv and the disclaimer on page v of this document.
DOC012R02 AOC 15/50 User Manual Nov 2001
221
Atlantic Orient Corporation
PO Box 1097 Norwich, VT 05055

Appendix M-18 AOC 15/50 Undercurrent Sensor Circuit (Parking Brake) 60Hz
NOTICE: Use of the material contained in this document is subject to the warning on page Iv and the disclaimer on page v of this document.
DOC012R02 AOC 15/50 User Manual Nov 2001
222
Atlantic Orient Corporation
PO Box 1097 Norwich, VT 05055

Appendix M-19 AOC 15/50 Main Control Box / Panel Assembly Drawing, 60 Hz
NOTICE: Use of the material contained in this document is subject to the warning on page Iv and the disclaimer on page v of this document.
DOC012R02 AOC 15/50 User Manual Nov 2001
223
Atlantic Orient Corporation
PO Box 1097 Norwich, VT 05055

Appendix M-20 AOC 15/50 Main Controller Terminal Strip, 60 Hz
NOTICE: Use of the material contained in this document is subject to the warning on page Iv and the disclaimer on page v of
this document.
DOC012R02 AOC 15/50 User Manual Nov 2001
224
Atlantic Orient Corporation
PO Box 1097 Norwich, VT 05055
∅
Shaft Speed 2
Wind Speed 2
Wind Speed 1
Shaft Speed 2
Dynamik Brake
Capacitor Box
Generator Thermal Switch
Parking Brake
Tip Brake
Generator Winding Heater
and Parking Brake Heater
Transmission Oil Heater
Soft Start Contactor
Soft Start Thermal Switch
←→

Appendix M-21 AOC 15/50 Circuit Breaker and surge protector wiring
NOTICE: Use of the material contained in this document is subject to the warning on page Iv and the disclaimer on page v of
this document.
DOC012R02 AOC 15/50 User Manual Nov 2001
225
Atlantic Orient Corporation
PO Box 1097 Norwich, VT 05055

Appendix M-22 AOC 15/50 Relay Wiring, 60 Hz
NOTICE: Use of the material contained in this document is subject to the warning on page Iv and the disclaimer on page v of
this document.
DOC012R02 AOC 15/50 User Manual Nov 2001
226
Atlantic Orient Corporation
PO Box 1097 Norwich, VT 05055

Appendix M-23 AOC 15/50 Main Controller Front Panel / Rear Panel Interface, 60 Hz
NOTICE: Use of the material contained in this document is subject to the warning on page Iv and the disclaimer on page v of
this document.
DOC012R02 AOC 15/50 User Manual Nov 2001
227
Atlantic Orient Corporation
PO Box 1097 Norwich, VT 05055
↑
↓

Appendix M-24 AOC 15/50 PLC Wiring Slot #2, 60Hz
NOTICE: Use of the material contained in this document is subject to the warning on page Iv and the disclaimer on page v of
this document.
DOC012R02 AOC 15/50 User Manual Nov 2001
228
Atlantic Orient Corporation
PO Box 1097 Norwich, VT 05055

Appendix M-24 AOC 15/50 PLC Wiring Slot #2, 60Hz
NOTICE: Use of the material contained in this document is subject to the warning on page Iv and the disclaimer on page v of
this document.
DOC012R02 AOC 15/50 User Manual Nov 2001
229
Atlantic Orient Corporation
PO Box 1097 Norwich, VT 05055
Appendix M-24 AOC 15/50 PLC Wiring Slot #2, 60Hz
NOTICE: Use of the material contained in this document is subject to the warning on page Iv and the disclaimer on page v of
this document.
DOC012R02 AOC 15/50 User Manual Nov 2001
230

NOTICE: Use of the material contained in this document is subject to the warning on page Iv and the disclaimer on page v of
this document.
DOC012R02 AOC 15/50 User Manual Nov 2001
231
Appendix N: Hand Signals for Crane Operators
NOTICE: Use of the material contained in this document is subject to the warning on page Iv and the disclaimer on page v of
this document.
DOC012R02 AOC 15/50 User Manual Nov 2001
232

Appendix N Hand Signals for Crane Operation
NOTICE: Use of the material contained in this document is subject to the warning on page Iv and the disclaimer on page v of
this document.
DOC012R02 AOC 15/50 User Manual Nov 2001
233