Arcade Buster Bubble Manual User
2013-11-08
User Manual: Arcade Buster Bubble Manual
Open the PDF directly: View PDF
.
Page Count: 17

1
Buster Bubble
2
Table of Contents
Setup - Calibration - Cleaning Page 3 - 6
Entering Setup
Calibration
Cleaning Touch Screen
Programming
Assembly diagrams
Lower assembly Page 7
Monitor assembly Page 8 - 9
Back Door assembly Page 10
Bottom plate assembly Page 11 - 12
I/O board assembly Page 13
Jamma Harness Pinout Page 14
Parts list Page 15
Rev D - 10/13/2008 Buster Bubbles

3
Setup
Located inside the coin door are the coin and ticket meters, volume up and down
buttons, service button, and test button. You can lower or raise the volume by
pressing the UP and DOWN VOLUME buttons or set the volume through settings.
To test play your game without adding to the coin meter, press the SERVICE but-
ton. To enter programming options, press the TEST button.
To navigate through the menus, press volume up and down to move to different
options and press test to select that option.
000155 000041
Coin Tickets Volume
Up Service
Volume
Down Test
Touch Screen - Calibration and Cleaning
When you have installed your game on location it is a good idea to entering pro-
gramming and adjust the calibration. Doing so will ensure reliable operation at
that location. If at anytime you upgrade the software to a newer version you
should also enter programming and perform a calibration.
When cleaning your touch-screen monitor it is important to never use a ammonia
based cleaner. Any non-ammonia based glass cleaner can be used to clean the
screen. Always spray the glass cleaner on the cloth or towel and then clean the
touch-screen.
4
Setup - Programming
Software version 1.00.01
Main Menu
Operation Adjustments
Game Adjustments Default Options
Invert Touch Input Off On/Off
Use Bonus Bar On Off/On
Bonus Payout Amount Small Small/Medium/Large
Ticket Adjustments
Minimum Tickets 1 0 or 1
Ticket Value (in cents) .01 0 - 100
Credit Value (in cents) .25 0 - 100
Coin Settings
Free play Off On/Off
Currency Type Dollar Country or Coins
Currency Unit Value .25
Coin 1 Value .25
Coin 2 Value .25
Coin 3 Value/DBV Pulse .25
Maximum Credits $500
Player Cost/Payout
Cost to Play .25
Target Payout Percentage 40% 25 - 50
Volume
Game Volume 8 1-32
Attract Volume 6 1-32
Attract Sounds occasionally off/always/occasionally
5
Setup - Programming
Software version 1.00.01
Main Menu
General Audits
Game Audits
Games played
Average game time
Ticket Audits
Total tickets dispensed
Average tickets per play
Current payout percentage
Total tickets (500 games)
Average tickets (500 games)
Payout percentage (500 games)
Tickets owed
System Audits
Playtime
Up time
Watch dogs
Exceptions
Bad traps
Coin Audits
Total Coin 1
Total Coin 2
Total Coin 3 (DBV)
Lifetime coin count
Service credits
6
Setup - Programming
Software version 1.00.01
Main Menu
Reset Menu
Reset game audits
Reset credits
Reset tickets
Reset coin counters
Reset adjustments
Factory reset
System Tests
Version list
Switch test
Screen tests
Sound test
File test
Coin meter test
Ticket dispenser test
Dipswitch settings
Watchdog test
Screen Calibration

7

8

9

10

11

12

13

14
COMPONENT SIDE SOLDER SIDE
GROUND 1 BLACK GROUND A BLACK
GROUND 2 BLACK GROUND B black
+ 5 VOLTS 3 RED + 5 VOLTS C DUMMY PIN
+ 5 VOLTS 4 DUMMY PIN + 5 VOLTS D DUMMY PIN
5 DUMMY PIN E DUMMY PIN
+ 12 VOLTS 6 ORANGE + 12 VOLTS F ORANGE
KEY 7 KEY KEY H KEY
COIN METER 8 white/yellow TICKET ENABLE J violet/white
RESET 9 VIOLET TICKET METER K white/green
L SPEAKER + 10 red/grey L SPEAKER - L brown/grey
R SPEAKER + 11 red/white R SPEAKER - M brown/white
VIDEO RED 12 DUMMY PIN VIDEO GREEN N DUMMY PIN
VIDEO BLUE 13 DUMMY PIN VIDEO SYNC P DUMMY PIN
VIDEO GROUND 14 DUMMY PIN SERVICE SWITCH R white/grey
TEST SWITCH 15 white S DUMMY PIN
COIN 1 16 white/brown COIN 2 T white/red
TICKET NOTCH 17 violet/blue U DUMMY PIN
18 DUMMY PIN V DUMMY PIN
19 DUMMY PIN W DUMMY PIN
20 DUMMY PIN X DUMMY PIN
21 DUMMY PIN Y DUMMY PIN
22 DUMMY PIN Z DUMMY PIN
23 DUMMY PIN a DUMMY PIN
VOLUME UP 24 white/blue VOLUME DOWN b white/violet
PROGRAM 25 DUMMY PIN c DUMMY PIN
26 DUMMY PIN d DUMMY PIN
GROUND 27 black GROUND e DUMMY PIN
GROUND 28 black GROUND f DUMMY PIN
15
Parts List
Electronics:
1029WSX Asy Reset Button
BU2007X Asy (Power Mod 4 Amp)
E00038 Fuse 4 Amp 250v Slow Blow
E02062 Fuse 5A
E02258 Fuse 2A
E00211 Switch (Low Ticket)
E02027FL Fan Filter
BU2000X Computer
DN2034x PCBA Jamma I/O Board
FP2007 Speaker 4” Round
HH5005 Ticket Dispenser
MON19T Monitor (19” Touch screen)
MS2764X Asy (Small Fan)
Decals:
7989 ICE Website Logo
BU7009 Decal – Tickets
BU7010 Monitor Bezel
BU7011 Decal – Eyes
BU9001 BU Service Manual
Mechanical:
BU3001 Squirrel Fiberglass
BU3052 Rear Access Door
DN4001 Computer Foam
WA5001 Coin Door (Triple) Dual Mech
WS1022 Ticket Bin (Single)

DATE 3/12/08
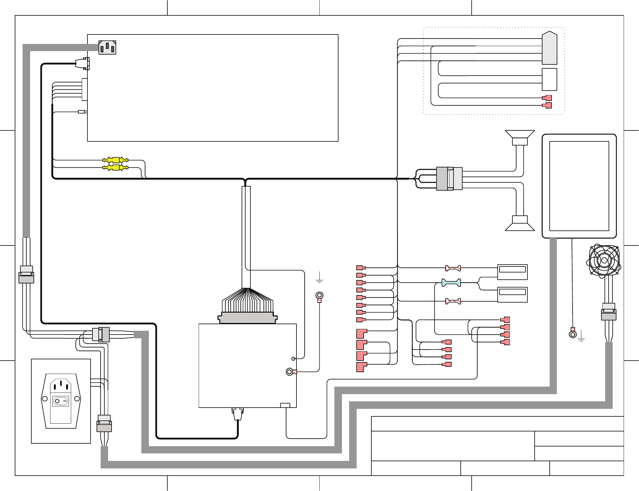
DESCRIPTION SYSTEM SCHEMATIC
DRAWN BY DEDWARDS
FILENAME BU1000X.VSD
PAGE 1 OF 1
REVISED 5/16/08
TITLE BU2000X
D
C
B
A
4321
D
C
B
A
4321
00000
COIN
00000
TICKET
TOUCHSCREEN
MONITOR
COMPUTER
POWER ENTRY
MODULE
NEL
PCBA I/O
DN2034X
tan
P1
P2
P8
CARD
EDGE
2 AMP
5 AMP
BROWN
G/Y
BLUE
1
2
3
BROWN
G/Y
BLUE
BROWN
G/Y
BLUE
BROWN
G/Y
BLUE
1
2
3
1
2
3
1
2
3
1
2
3
1
2
3
1
2
3
BROWN
G/Y
BLUE
black
green
black
1
2
3
4
5
ORANGE
BLACK
VIOLET
RED
BLACK
ORANGE
RED
ORANGE
RED 1
2
3
4
#E02558
#E02558
#E02815
LOCKOUT
red/white
brown/white
red/gray
brown/gray
black
red
red
black
ORANGE+orange
white/yellow
white/green
orange x 2
tan x 2
orange
tan
1
2
3
4
1
2
violet/blue
BLACK/black
violet/white
ORANGE/orange
TO” TICKET
DISPENSER
TO: LOW TICKET
SWITCH
TO:LOW TICKET
LED
orange x 2
black x 2
orange
black
COIN LIGHTS
white/brown
black
white/red
black x 2
COIN 1COIN 2
BU2050XBU2050X
BU2007X
BU2055X
BU2056X
BU2061X
BU2065X
MS2764X
MON19T
BU2053X
DN2000
BU2070X
BU2072X
orange
violet/green
violet/green
black
FP2007
FP2007
E00233
E02247
E00233 PC AUDIO
PC POWER
PC SERIAL PORT
PC POWER
SUPPLY
OUTPUT
E02247
BU2050XBU2050X
white/blue
black x 2
white/violet
black x 2
white/gray
black x 2
white
black
VOL DOWN
VOL UP
SERVICE
TEST

Contacts at SEGA
Machine Sales
Telephone: +44 (0) 208 391 8090
Fax: +44 (0) 208 391 8099
www.sega-amusements.co.uk
SEGA Spares
Telephone: +44 (0) 208 391 8060
Fax: +44 (0) 208 391 8096
www.segatotalsolutions.com
Customer Services
Telephone: +44 (0) 208 391 8065
Fax: +44 (0) 208 391 8096