Arcade Cows Might Fly Manual User
2013-11-12
User Manual: Arcade Cows Might Fly Manual
Open the PDF directly: View PDF
.
Page Count: 28

SERVICE MANUAL
• Before using this product, read this manual carefully to understand the
contents herein stated.
• After reading this manual, be sure to keep it near the product or in a
convenient place for easy reference when necessary.
IMPORTANT
42 Barwell Business Park, Leatherhead Road,
Chessington, SURREY. United Kingdom KT9 2NY
SEGA AMUSEMENTS EUROPE LTD.
420-0010-02UK
1ST PRINTING
SERVICE MANUAL
SERVICE MANUAL
SERVICE MANUAL
SERVICE MANUAL
SERVICE MANUAL
SERVICE MANUAL
SERVICE MANUAL
SERVICE MANUAL

- 1 -
USER MANUAL
This manual is suitable for use in Territories listed below :
U.S.A.
Europe
Asia
- 2 -
[Table of Contents]
Simple Facts About The Machine ……………………………………………………3
Introduction ................................................................................................................. 4
Simple Maintenance & Servicing ……………………………………………………5
Test & Service ………………………………………………………………………..5
Machine Installation ………………………………………………………………….6
Games Descriptions ………………………………………………………………….6
Getting Started / How To Play ……………………………………………………….6
Test Menu…… …………………………………………………………………….....7
System Information …………………………………………………………………..8
Test Input …………………………………………………………………………......9
Output Test…………………………………………………………………………....10
Coin Test………………………………………………………………………………11
Sound Test…………………………………………………………………………….12
Screen Test ……………………………………………………………………………13
Book Keeping ………………………………………………………………………...14
Clock Setting…………………………………………………………………………..17
Games Setting …………………………………………………………………………18
Payout Setting …………………………………………………………………………20
Wiring Diagram………………………………………………………………………..
Design Related Part ……………………………………………………………………
Part List …………………………………………………………………………………
- 3 -
Simple Facts About The Machine
Machine Name : PIGS MIGHT FLY
Machine overall dimension : H1950mm x W760mm x L750mm
Machine Weight :160kg
Voltage : 120V, 2.2A, 60Hz for US
: 230V, 1.3A, 50 Hz for the UK
: for other countries, voltage depend on individual countries.
Power Consumption : 264W for US
299W for UK
LCD dimension : Standard 37 inches.
Force require to push the handle : 200 N ( about 44.0 lbs ).
Note : This machine is intended for indoor use only !

- 4 -
Introduction
This manual describes the information on handling and maintenance of PGIS MIGHT FLY
manufactured by VS Electronic Assembly (Zhuhai) Co. Ltd. (authorized by SEGA SAMMY
GROUP Japan). The machine must not be used for other improper purposes. Any adjustment
procedures and maintenance service must be performed by a qualified engineer or technicians who
are comprehensively understands the machine.
The main power switch of the machine is located at the bottom rear panel.
Turn OFF the main power switch before cleaning, inspection, electrical components
replacement, repair, or other procedures. Failure to comply this warning may cause accident as
a result of electrical shock or malfunction.
Operation on the electrical circuitry of the machine must be always performed by a qualified
and trained technician.
Make sure to avoid moisture and dust entering into the machine when it is open. Moisture and
dust may be the source of electrical shock, mechanical failure and other errors.
The description of this system manual should be correct and true to the best of our knowledge.
Please contact us if there is any chance of defect, flaw, or missing information.
* For the event of water drips into the machine accidentally, please temporarily turn off the
machine. Open the door on ticket dispenser and clean up any water that may drain into this
enclosure.
If the supply cord is damaged, it must be replaced by a special cord or assembly available from
the manufacturer or its service agent.
WARNING
Observe the following safety precautions
when operating this machine.
- 5 -
Simple Maintenance Procedures
Main “control panel” - Open the bottom rear panel (wooden), clean up any dust that may have
collected over some times. We recommend the clean up be done minimum once a month.
Billboard Area – Open up the rear panel (sheet metal), clean up any dust that may have collected
on the billboard over some times. We recommend the clean up be done minimum once a month.
Check the connection of all cables once every month.
Remember to switch of all power supply before carrying out any maintenance.
Test & Service
Test button : Enter test mode and carry out test item.
Service button : Choose test item.
Volume Control button : Adjust volume/sound of the games.
Call the below phone number for further assistance:
1. USA : SEGA AMUSEMENTS USA INC.
Arthur Avenue, Elk Grove Village, IL 60007-5215, USA
Tel : +1-847-364-9787 , +81-888-877-2669 (Toll Free)
Fax : +1-847-427-1065
2. The UK : SEGAAMUSEMENTS EUROPE Ltd.
42 Barwell Businss Park, Leatherhead Road, Chessington,
Surrey, KT9 2NY, United Kingdom
Tel: +44(0)208-391 8090
Fax: +44(0)208-391 8099
3. ASIA : SEGA CORPORATION
5F TRC Haneda Building, 2-13-1 Higashikojiya
Ohta-ku, Tokyo 144-0033
Telephone: +81-(0)3-6863-8401
Facsimile: +81-(0)3-6863-8407

- 6 -
M
Machine Installation
The installation is simple. Follow the below procedures:
1. Lower down the M16 bolt (at the bottom of the machine) so that the whole machine sit firmly on
the floor.
2. Connect the AC inlet with the cable provided to the power supply. Switch on the machine. The
on-off button is located at the AC inlet (rear bottom).
3. The machine will then start up and initiate the program automatically.
The machine is now READY to be “PLAY”.
Games Descriptions
The game is simple and easy to play.
What you need to do is just to insert your coin and press the start button. The arrow will move left
and right. When the arrow is pointing at the target, press the handle once. The Pig will fly and
shoot at the target. When the Pig hit the target, your scores will be shown on the screen.
Getting Started / How to play:
Insert coin/s. (The exact amount of coins is dependant on the Credit Board settings.)
Press the Start Button to start the game.
Watch the game introduction and how to play.
Press down on the See-saw controller to launch the Pig. Timing the launch will enable
you to reach the Mother ship (Super Bonus), or hit multiple UFOs to win tickets.

- 7 -
In game there are tiers of UFOs with different ticket values and Pigeons that fly across
the screen to obstruct the Pig‟s flight. At the top of the screen there is one Mother ship,
which hitting will win the Super Bonus.
The Super Bonus value is dependant on the Game Settings.
Test Menu
The Main Test Menu lists all of the available tests, each of which is explained in the
following sections.
Use the Service button to move the Test Cursor to the next Test.
Use the Test Button to activate the Test high-lighted by the Test Cursor.

- 8 -
If the cursor is moved past the EXIT option, it will reappear at the top of the menu list.
Selecting EXIT will terminate the test routine menu and launch the current game
application.
System Information
The System Information Test lists the revision numbers and names of currently
installed system components.
Disk Image Version Version number for the master hard disk image
Launcher Version Version number of Shell Launcher program
Shell Version Version number of Shell program
Game Name Name of currently installed game

- 9 -
Game Version Version number of currently installed game
IO Board Version Version number of IO Board being used
Security Key Type of Security Key installed
Input Test
This Test is used to test the „System Inputs‟ such as Seesaw Trigger and Start Button.
To implement the test, Operate each device listed and check the results on screen.
Start Button ON = Pressed, OFF = Not Pressed.
Seesaw Trigger ON = Pressed, OFF = Not Pressed.
Ticket Notch ON = Pressed, OFF = Not Pressed.
Key Switch ON = Pressed, OFF = Not Pressed.
Coin Input ON = Coin signal from VTS, OFF = No coin signal from

- 10 -
VTS.
Service Button ON = Pressed, OFF = Not Pressed.
Test Button ON = Pressed, OFF = Not Pressed.
EXIT Press the TEST and SERVICE buttons simultaneously to
EXIT
Output Test
This Test is used to check System Output such as Lamps and Ticket
Use the Service Button to move the cursor to the desired test item.
Press the Test Button to enter the selected item.

- 11 -
Start Lamp ON = Lamp ON, OFF = Lamp OFF
Ticket Vend ON = Tickets Vend, OFF = Tickets do NOT Vend
Ticket Meter Ticket Meter increase by 1 each ON/OFF cycle
Coin Test
Coin Count Coin Count value from IO Board
Credits Total number of Coin credits added to the system
Service Credits Total number of Service credits added to the system
Freeplay Changes game from Coin in play to Free to play

- 12 -
Sound Test
This Test is used to set Audio Levels for the Game and Test the function of the Speakers.
Attract Music ON = Sound will be played in the Attract mode
OFF = No sound in Attract mode
Play Music ON = A test audio sample will be played
OFF = Test audio sample is turned off
Play Effect ON = A sound effect is played
OFF = Sound effect is no longer played
Music Volume 00 to 95 – Volume level for in game Music audio
Effect Volume 00 to 95 – Volume level for in game Sound Effects

- 13 -
Screen Test
This Test is used to display various test patterns for the display screen.
Colour Bars Displays vertical colour bars for colour balance correction
Brightness Displays graduated greyscale for brightness adjustment
Grid Alignment Displays grid for screen size alignment

- 14 -
Bookkeeping
This Test displays the bookkeeping meters, it consists of 3 pages.
Bookkeeping Page 1
Total Plays Total number of games played
Average Game Time Average time in milliseconds per game
Credits In Total number of coin credits inserted
Service Credits In Total number of service credits inserted
Tickets Out Total number of tickets dispensed
Average Tickets Average number of tickets dispensed per game
Percentage Payout Percentage of tickets dispensed for all games
Bookkeeping Last Cleared Date and time the bookkeeping was last cleared

- 15 -
Use the Service button to navigate, and the Test button to action changes of the
following options
Clear Bookkeeping Clears all Bookkeeping data
Next Page Shows Bookkeeping Page 2
Bookkeeping Page 2
Plays On Sunday Total number of plays on a Sunday
Plays On Monday Total number of plays on a Monday
Plays On Tuesday Total number of plays on a Tuesday
Plays On Wednesday Total number of plays on a Wednesday
Plays On Thursday Total number of plays on a Thursday
Plays On Friday Total number of plays on a Friday
Plays On Saturday Total number of plays on a Saturday

- 16 -
Use the Service button to navigate, and the Test button to action changes of the
following options
Next Page Shows Bookkeeping Page 3
Bookkeeping Page 3
This Test displays a total of games, broken down into hours a day.
Each hour is logged separately in 24 hour format therefore
00-01 logs games between 12am and 1am
01-02 logs games between 1am and 2am
and so on
23-24 logs games between 11pm and 12am
Next Page Returns you to the Test Menu

- 17 -
Clock Setting
This Test is used to set the PC‟s real time clock facility
Use the Service button to navigate, and the Test button to action changes to the follow
options.
* “Current Time” and “Current Date” can not be selected and change after changing the
below options
Current Time Current time in 24 hour format HH:MM:SS
Current Date Current date in format DD/MM/YYYY
Year 2005 to 2050 – Year setting
Month 1 to 12 – Month setting
Date 1 to 31 – Date setting (max value month dependant)
Hours 00 to 23 – Hours setting

- 18 -
Minutes 00 to 59 – Minutes setting
Seconds 00 to 59 – Seconds settings
Game Settings
This Test is used to set various game parameters.
Use the Service Button to navigate, and the Test to action changes to the following
options.
Super Bonus Base This sets the minimum starting value of tickets paid out
when the Super Bonus is won.
Options: 10, 20, 50, 100, 200, 300, 500
Super Bonus Add This mode increases the Super Bonus value each play by
- 19 -
the option chosen.
E.g. Super Bonus Add set to “2” each play the Super
Bonus will increase by 2.
Options: *None, 1, 2, 3, 4, 5, 6, 7, 8, 9, 10
*Setting Super Bonus Add to “None” will turn off this
mode and the value of Super Bonus Base value is used
Super Bonus Limit Set the maximum amount of tickets to be paid out when
the Super Bonus is won. When used with Super Bonus
Add mode, tickets will start from Super Bonus Base value
setting and increment by the value of Super Bonus Add
mode until the Super Bonus Limit Value is reached.
Options: 10, 20, 50, 100, 250, 500, 750, 1000
Mercy Ticket Mercy tickets are awarded to the player regardless of if
s/he hits a target. If the player hits a target they are still
awarded the Mercy tickets in addition to the tickets won
in game, unless Super Bonus is won.
Options: 1, 2, 3, 4, 5, 6, 7, 8, 9, 10
Draw Ticket On UFO This feature places a numerical ticket value on the UFO.
The “Mystery UFOs” simply have a question mark (?) on
them.
Options: ON = Draw Ticket on UFO on
OFF = Draw Ticket on UFO off
Language This option changes the language for in game
instructions.
Options: English, Russian, Spanish

- 20 -
Payout Settings
This Test is used to set ticket Payout parameters.
Payout In Freeplay Enables/Disables ticket payout in Freeplay
Options:
ON = Tickets in Freeplay will be awarded
OFF = Tickets in Freeplay will NOT be awarded
*Default setting for this should be OFF
Value Of Play This setting should be the same as the Credit Board.
If you change the VALUE OF PLAY you will need to
- 21 -
change the Credit Board settings. Please note changing
the Credit Board setting WILL NOT change VALUE OF
PLAY settings, or vice versa.
Options: 0.01, 0.02, 0.05, 0.10, 0.20, 0.25, 0.30, 0.50,
1.00, 2.00
Value Of Ticket This sets the cash value of 1 ticket.
Options: 0.01, 0.02, 0.03, 0.04, 0.05, 0.06, 0.07, 0.08,
0.09, 0.10, 0.20, 0.25, 0.50, 1.00, 2.00
Aiming Percentage The Aiming Percentage uses the settings from Value
of Play and Value of Ticket to calculate a rough
payout guide.
Options: 20%, 25%, 30%, 35%, 40%, 45%, 50%, 55%,
60%

- 22 -
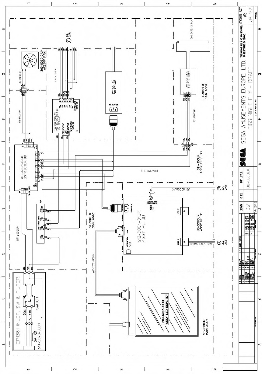
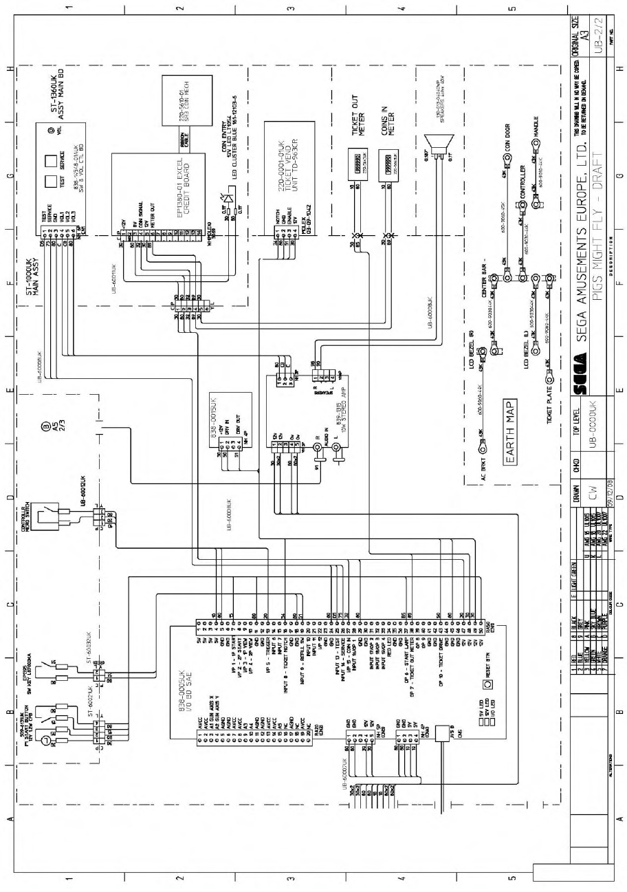
Wiring Diagram

- 23 -

- 24 -
Design Related Parts
UB-1022UK UB-1302UK
UB-1022UK
UB-1028UK (RIGHT)
UB-1028UK (Right)
UB-1028UK (Left)
UB-2007UK
UB-2001UK
UB-1026UK (Right)
UB-1022UK UB-1025UK (Left)

- 25 -
Part List
ASSEMBLY NUMBER
ASSEMBLY NAME
QUANTITY
UB-1001UK
ASSY MAIN CABINET
1
UB-1001-01-DUK
ASSY DOOR FRONT
1
610-9500UK-01
ASSY COIN BOX DOOR
1
UB-1150UK
ASSY INPUT SWITCH
1
UB-2500UK
ASSY CONTROLLER
1
UB-1019-01UK
MICROSWITCH ASSY
1
UB-2001UK
PLATE CTRL PNL
1
UB-2007-01UK
START BUTTON ASSY
1
UB-1400UK
ASSY DISPLAY
1
200-6037-LGP
ASSY LCD LGP
1
UB-1006-01UK
BEZEL LCD RIGHT ASSY
1
UB-1007-01UK
BEZEL LCD LEFT ASSY
1
UB-1300UK-01
ASSY TOP BOX
1
UB-1302UK
BILLBOARD LIGHT PLATE ASSY
1
UB-1350UK-01
ASSY FAN
1
UB-1360UK-01
LIGHT ASSY
1
MF-0400UK
ASSY AC UNIT
1
UB-1001-01-CUK
ASSY DOOR BACK
1

- 26 -
UB-1007-01UK UB-1300UK-01
UB-1350UK-01
200-60370LGP
UB-1028UK (RIGHT)
UB-1006-01UK
UB-2007-01UK
UB-1150UK
UB-101-01-DUK
UB-1001UK
610-9500UK-01

- 27 -
UB-1001-01-CUK
UB-1028UK (RIGHT)
UB-1028UK
(IN BACK SIDE)