Arcade Initial D 1 Manual Cover User
2013-11-19
User Manual: Arcade Initial D 1 Manual
Open the PDF directly: View PDF
.
Page Count: 123 [warning: Documents this large are best viewed by clicking the View PDF Link!]

2ND PRINTING OCT ‘02
MANUAL NO. 999-1488
Owner’s Manual
SEGA ENTERPRISES, INC. USA
TWIN TYPE
www.seuservice.com

BEFORE USING THE PRODUCT, BE SURE TO READ THE FOLLOWING:
To maintain the safety:
To ensure the safe usage of the product, be sure to read the following before using the product. The
following instructions are intended for the users, operators and the personnel in charge of the opera-
tion of the product. After carefully reading and sufciently understanding the warning displays and
cautions, handle the product appropriately. Be sure to keep this manual nearby the product or else-
where convenient for referring to it when necessary.
Herein, explanations which require special attention are enclosed with dual lines. Depending on the
potentially hazardous degrees, the terms of WARNING, CAUTION, etc. are used. Be sure to under-
stand the contents of the displays before reading the text.
Indicates that mishandling the prod-
uct by disregarding this warning
will cause a potentially hazardous
situation which can result in death
or serious injury.
Indicates that mishandling the product
by disregarding this caution will cause
a slight hazardous situation which can
result in personal injury and or material
damage.
For the safe usage of the product, the following pictographs are used:
Indicates “HANDLE WITH CARE.” In order to protect the human body an equipment,
this display is attached to places where the Owner’s Manual and or Service Manual should
be referred to.
Perform work in accordance with the instructions herein stated.
Instructions for work are explained by paying attention to the aspect of accident prevention. Failing to
perform work as per the instructions can cause accidents. In the case where only those who have tech-
nical expertise should perform the work to avoid hazardous situation, the instructions herein state that the
serviceman should perform such work.
Be sure to turn off power before working on the machine.
To prevent electric shock, be sure to turn off power before starting the work in which the worker touches
the interior of the product. If the work is to be performed in the power-on status, the Instruction Manual
herein always states to that effect.
Be sure to ground the Earth Terminal (this, however, is not required in the case where a power cord
with earth is used).
This product is equipped with the Earth Terminal. When installing the product, Connect the Earth Ter-
minal to the “accurately grounded indoor earth terminal” by using an earth wire. Unless the product is
grounded appropriately, the user can be subject to electric shock. After performing repair, etc. for the
Control equipment, ensure that the Earth Wire is rmly connected to the Control equipment.
Ensure that the Power Supply used is equipped with an Earth Leakage Breaker.
This product does not incorporate the Earth Leakage Breaker. Using a power supply which is not
equipped with the Earth Leakage Breaker can cause a re when earth leakage occurs.
Be sure to use fuses which meet the specied rating. (only for the machines which use fuses).
Using fuses exceeding the specied rating can cause a re and electric shock.
WARNING! CAUTION!

Specication changes (removal of equipment, conversion and addition) not designated by SEGA
are not allowed.
The parts of the product include warning labels for safety, covers for personal protection, etc. It is
very hazardous to operate the product by removing parts and or modifying the circuits. Should doors,
lids and protective parts be damaged or lost, refrain from operating the product, and contact where the
product was purchased from or the ofce herein stated. SEGA shall not be held responsible for any
accidents, compensation for damage to a third party, resulting from the specications not designated by
SEGA.
Ensure that the product meets the requirements of appropriate Electrical Specications.
Before installing the product, check for Electrical Specications. SEGA products have a nameplate
on which Electrical Specications are described. Ensure that the product is compatible with the power
supply voltage and frequency requirements of the location. Using any Electrical Specications different
from the designated Specications can cause a re and electric shock.
Install and operate the product in places where appropriate lighting is available, allowing warning
labels to be clearly read.
To ensure safety for the customers, labels and printed instructions describing potentially hazardous situ-
ation are applied to places where accidents can be caused. Ensure that where the product is operated
has sufcient lighting allowing the warnings to be read. If any label is peeled off, apply it again imme-
diately. Please place an order with where the product was purchased from or the ofce herein stated.
When handling the Monitor, be very careful. (Applies only to the product w/monitor.)
Some of the monitor (TV) parts are subject to high tension voltage. Even after running off power, some
portions are still subject to high tension voltage sometimes. Monitor repair and replacement should be
performed only be those technical personnel who have knowledge of electricity and technical expertise.
Be sure to adjust the monitor (projector) properly. (Applies only to the product w/monitor.)
Do not operate the product leaving on-screen ickering or blurring as it is. Using the product with the
monitor not properly adjusted may cause dizziness or a headache to an operator, a player, or the cus-
tomers.
When transporting or reselling this product, be sure to attach this manual to the product.
In the case where commercially available monitors and printers are used in this product, only the con-
tents relating to this product are explained herein. Some commercially available equipment has func-
tions and reactions not stated in this manual. Read this manual together with the specic Instruction
Manual of such equipment.
Descriptions herein contained may be subject to improvement changes without notice.
The contents described herein are fully prepared with due care. However, should any question arise or
errors be found, please contact SEGA.
•
•
INSPECTIONS IMMEDIATELY AFTER TRANSPORTING THE PRODUCT TO THE LOCATION.
Normally, at the time of shipment, SEGA products are in a status allowing for usage immediately after
transporting to the location. Nevertheless, an irregular situation may occur during transportation. Before
turning on power, check the following points to ensure that the product has been transported in a satis-
factory status.
Are there any dented portions or defects (cuts, etc.) on the external surfaces of the cabinet?
Are Casters and Adjusters, damaged?
Do the power supply voltage and frequency requirements meet with those of the location?
Are all wiring connectors correctly and securely connected? Unless connected in the correct direction,
connector connections can not be made accurately. Do not insert connectors forcibly.
Do power cords have cuts and dents?
Do the fuses used meet specied rating? Is the Circuit Protector in an energized status?
Are all accessories available?
Can all Doors and Lids be opened with the Accessory keys? Can Doors and Lids be rmly closed?

TABLE OF CONTENTS
BEFORE USING THE PRODUCT, BE SURE TO READ THE FOLLOWING:
TABLE OF CONTENTS
INTRODUCTION OF THE OWNER’S MANUAL
1. HANDLING PRECAUTIONS .......................................................................................
2. PRECAUTIONS CONCERNING INSTALLATION LOCATION ...............................
3. OPERATION ..................................................................................................................
4. NAME OF PARTS .........................................................................................................
5. ACCESSORIES ..............................................................................................................
6. ASSEMBLING AND INSTALLATION ........................................................................
7. CARD READER/WRITER ............................................................................................
8. PRECAUTIONS TO BE HEEDED WHEN MOVING THE MACHINE .....................
9. GAME DESCRIPTION ..................................................................................................
10. EXPLANATION OF TEST AND DATA DISPLAY .....................................................
10 - 1 SWITCH UNIT AND COIN METER ..........................................................
10 - 2 SYSTEM TEST MODE ................................................................................
10 - 3 GAME TEST MODE ....................................................................................
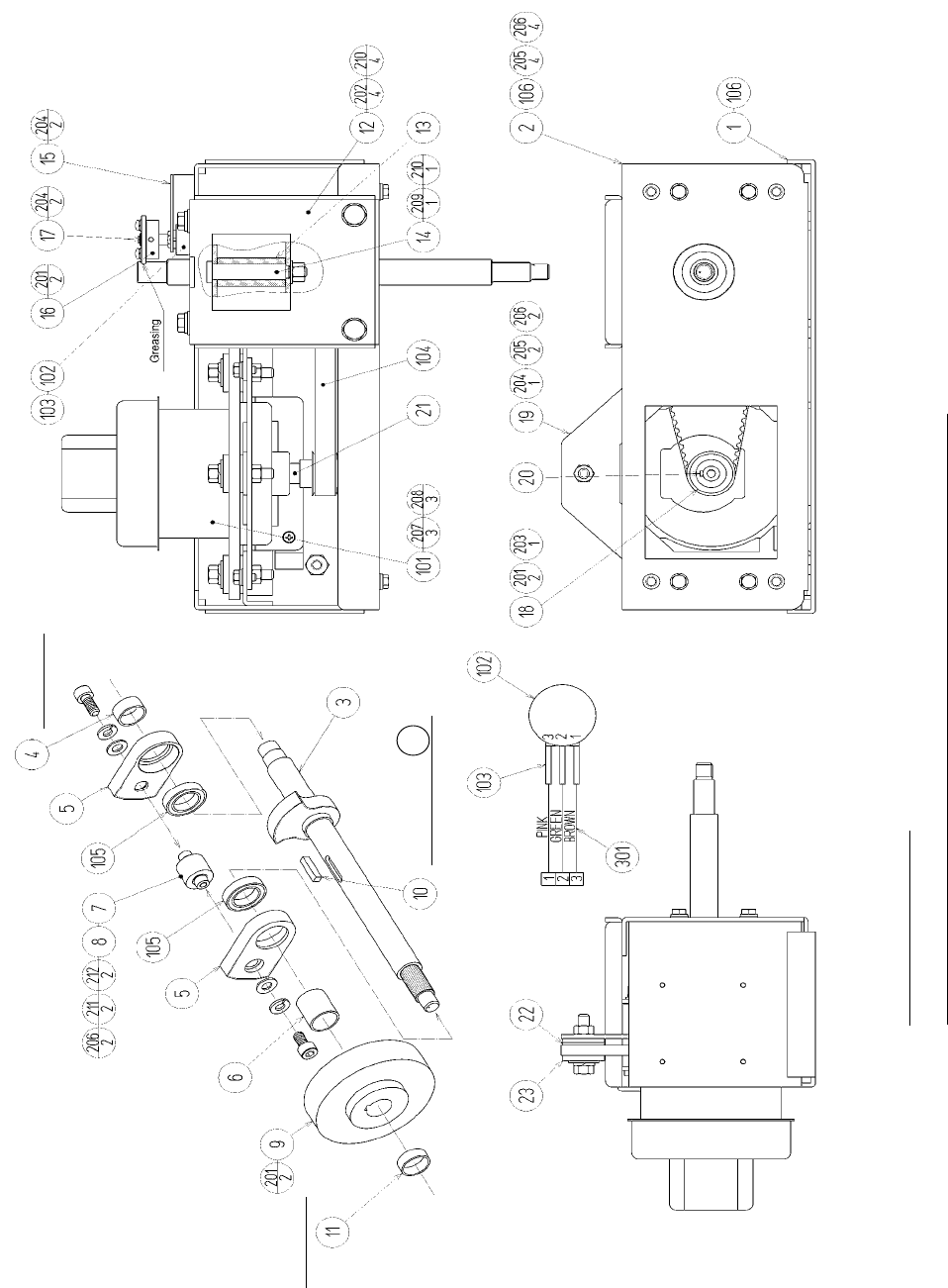
11. CONTROL PANEL (ASSY HANDLE MECHA) ............................................................
11 - 1 REMOVING THE CONTROL PANEL .......................................................
11 - 2 ADJUSTING/REPLACING THE V.R. ........................................................
11 - 3 GREASING ...................................................................................................
12. SPEED SHIFTER (SHIFT LEVER)...............................................................................
13. ACCEL & BRAKE ...........................................................................................................
13 - 1 ADJUSTING AND REPLACING THE V.R. ................................................
13 - 2 GREASING ....................................................................................................
14. COIN SELECTOR ...........................................................................................................
15. MONITOR ........................................................................................................................
16. REPLACING THE FLOURESCENT LAMP, AND LAMPS .........................................
17. PERIODIC INSPECTION TABLE .................................................................................
15. TROUBLESHOOTING ..................................................................................................
19. GAME BOARD ..............................................................................................................
19 - 1 REMOVING THE GD-ROM DRIVE .........................................................
19 - 2 REMOVING THE GAME BOARD ............................................................
19 - 3 COMPOSITION OF GAME BOARD .........................................................
20. COMMUNICATION PLAY ............................................................................................
21. DESIGN RELATED PARTS ..........................................................................................
22. PARTS LIST ...................................................................................................................
23. WIRE COLOR CODE TABLE ......................................................................................
21. WIRING DIAGRAM .....................................................................................................
1 - 2
3 - 4
5 - 8
9
10 - 12
13 - 28
29 - 32
33 - 34
35 - 42
43 - 61
44
45
46 - 61
62 - 66
63
64 - 65
66
67
68 - 69
68 - 69
69
70 - 71
72 - 74
75 - 77
78 - 79
80 - 86
87 - 90
87 - 88
89
90
91
92
93 - 112
113
XXX

SPECIFICATIONS
INTRODUCTION OF THE OWNERS MANUAL
This Owner's Manual is intended to provide detailed descriptions together with all the
necessary information covering the general operation of electronic assemblies, electrome-
chanicals, servicing control, spare parts, etc. as regards the product,
SEGA INITIAL “D” TYPE TWIN.
This manual is intended for the owners, personnel and managers in charge of operation
of the product. Operate the product after carefully reading and sufciently understand-
ing the instructions. If the product fails to function satisfactorily, non-technical personnel
should under no circumstances touch the internal system. Please contact where the prod-
uct was purchased from.
SEGA ENTERPRISES, INC. (U.S.A.)/CUSTOMER SERVICE
45133 Industrial Drive, Fremont, California 94538, U.S.A.
Phone : (415) 701-6580
Fax : (415) 701-6594
Use of this product is unlikely to cause physical injuries or damages to property. However,
where special attention is required this is indicated by a thick line, the word "IMPORTANT"
and its sign in this manual.
Indicates that mishandling the product by disregarding this display can cause the
product's intrinsic performance not to be obtained, resulting in malfunctioning.
Installation Space : 74.3 inches width X 73 inches
Height : 71.75 inches
Width : 80 inches
Length : 68 inches
Weight : 1565 lbs
Power, maximum current : 1200 W 10 A (AC 120V 60 Hz AREA)
MONITOR : 29 inch supplied by Sanwa
Monitor Part# 998-0162
Chassis Part# 998-0161
STOP
IMPORTANT!

DEFINITION OF LOCATION MAINTENANCE MAN AND SERVICEMAN
Non-technical personnel who do not have technical knowledge and expertise should
refrain from performing such work that this manual requires the location's main-
tenance man or a serviceman to carry out, or work which is not explained in this
manual. Failing to comply with this instruction can cause a severe accident such
as electric shock.
Ensure that parts replacement, servicing & inspections, and troubleshooting are performed by the
location's maintenance man or the serviceman. It is instructed herein that particularly hazardous work
should be performed by the serviceman who has technical expertise and knowledge.
The location's maintenance man and serviceman are herein dened as follows:
"Location's Maintenance Man" :
Those who have experience in the maintenance of amusement equipment and vending machines, etc.,
and also participate in the servicing and control of the equipment through such routine work as equip-
ment assembly and installation, servicing and inspections, replacement of units and consumables, etc.
within the Amusement Facilities and or locations under the management of the Owner and Owner's
Operators of the product.
Activities of Location's Maintenance Man :
Assembly & installation, servicing & inspections, and replacement of units & consumables as regards
amusement equipment, vending machines, etc.
Serviceman :
Those who participate in the designing, manufacturing, inspections and maintenance service of the
equipment at an amusement equipment manufacturer.
Those who have technical expertise equivalent to that of technical high school graduates as regards
electricity, electronics and or mechanical engineering, and daily take part in the servicing & control
and repair of amusement equipment.
Serviceman's Activities :
Assembly & installation and repair & adjustments of electrical, electronic and mechanical parts of
amusement equipment and vending machines.
WARNING!
LISTED
U
L
®
5K92
AMUSEMENT MACHINE

Serial No. Display
Electrical Specifications Display
CONCERNING THE STICKER DISPLAY CONCERNING WARNING DISPLAYS
SEGA product has Stickers describing the product
manufacture No. (Serial No.) and Electrical
Specications. Also it has a Sticker describing where to
contact for repair and for purchasing parts.
When inquiring about or asking for repair, mention
the Serial No. and Name of Machine indicated on the
Sticker. The Serial No. indicates the product register.
Identical machines could have different parts depending
on the date of production. Also, improvements
and modications might have been made after the
publication of this Manual. In order to meet the above
situations, mention the Serial No. when contacting the
applicable places.
SEGA product has warning displays on Stickers, Labels
and or printed instructions adhered / attached to or
incorporated in the places where a potentially hazardous
situation can arise. The warning displays are intended
for accident prevention for the customers and for
avoiding hazardous situation relating to maintenance
and servicing work. There are some portions in the
Cabinet, which are subject to high tension voltage, etc.
where accidents can be caused merely by touching.
When performing the servicing work , be very careful
of the warning displays. Especially, any complex repair
and replacement work not mentioned herein, should
be performed by those technical personnel who have
knowledge of electricity and technical expertise.
For the prevention of accidents, caution any customer
whose act runs counter to the warnings, as to the effect
that he must stop the act.
440-WS0141-EG
440-WS0142-EG
440-CS0186-EG
440-WS0002XEG
440-DS0013XEG
* NOTE: ILLUSTRATIONS MAY DIFFER FROM ACTUAL PRODUCT

1www.seuservice.com
1. HANDLING PRECAUTIONS
When installing or inspecting the machine, be very careful of the following points and pay at-
tention to ensure that the player can enjoy the game safely.
Non-compliance with the following points or inappropriate handling running counter to the cau-
tionary matters herein stated can cause personal injury or damage to the machine.
Before performing work, be sure to turn power off. Performing the work
without turning power off can cause an electric shock or short circuit. In the
case work should be performed in the status of power on, this manual always
states to that effect.
To avoid electric shock or short circuit, do not plug in or unplug quickly.
To avoid electric shock, do not plug in or unplug with a wet hand.
Do not expose Power Cords and Earth Wires on the surface, (oor, passage,
etc.). If exposed, the Power Cords and Earth Wires are susceptible to damage.
Damaged cords and wires can cause electric shock or short circuit.
To avoid causing a re or electric shock, do not put things on or damage
Power Cords.
When or after installing the product, do not unnecessarily pull the power cord.
If damaged, the power cord can cause a re or electric shock.
In case the power cord is damaged, ask for replacement through where the
product was purchased from or the ofce herein stated. Using the cord as is
damaged can cause re, electric shock or leakage.
Be sure to perform grounding appropriately. Inappropriate grounding can
cause an electric shock.
Be sure to use fuses meeting specied rating. Using fuses exceeding the
specied rating can cause a re or electric shock.
Completely make connector connections for IC BD and others. Insufcient
insertion can cause an electric shock.
Specication changes, removal of equipment, conversion and/or addition, not
designated by SEGA are not permitted.
• Failure to observe this may cause a re or an electric shock. Non-compliance
with this instruction can have a bad inuence upon physical conditions of the
players or the lookers-on, or result in injury during play.
• SEGA shall not be held responsible for damage, compensation for damage to
a third party, caused by specication changes not designated by SEGA.
Be sure to perform periodic maintenance inspections herein stated.
WARNING!

2
www.seuservice.com
3www.seuservice.com
For the IC board circuit inspections, only the logic tester is allowed. The use
of a multiple-purpose tester is not permitted, so be careful in this regard.
The Projector is employed for this machine. The Projector's screen is
susceptible to damage, therefore, be very careful when cleaning the screen.
For details, refer to PROJECTOR.
Static electricity from your body may damage some electronics devices on the
IC board. Before handling the IC board, touch a grounded metallic surface so
that the static electricity can be discharged.
Some parts are the ones designed and manufactured not specically for
this game machine. The manufacturers may discontinue, or change the
specications of, such general-purpose parts. If this is the case, Sega cannot
repair or replace a failed game machine whether or not a warranty period has
expired.
STOP
IMPORTANT!
PRODUCTION DATE
This SEGA product was produced in the year of:
2002
This signies that this work was disclosed in 2002.

2
www.seuservice.com
3www.seuservice.com
2.
PRECAUTIONS CONCERNING INSTALLATION LOCATION
This product is an indoor game machine. Do not install it outside. Even indoors,
avoid installing in places mentioned below so as not to cause a re, electric shock,
injury and or malfunctioning.
Places subject to rain or water leakage, or places subject to high humidity in
the proximity of an indoor swimming pool and or shower, etc.
Places subject to direct sunlight, or places subject to high temperatures in the
proximity of heating units, etc.
Places lled with inammable gas or vicinity of highly inammable/volatile
chemicals or hazardous matter.
Dusty places.
Sloped surfaces.
Places subject to any type of violent impact.
Vicinity of anti-disaster facilities such as re exits and re extinguishers.
The operating (ambient) temperature range is from 5ºC to 30ºC.
LIMITATIONS OF USAGE REQUIREMENTS
Be sure to check the Electrical Specications.
Ensure that this product is compatible with the location's power supply, volt-
age and frequency requirements.
A plate describing Electrical Specications is attached to the product.
Non-compliance with the Electrical Specications can cause a re and electric
shock.
This product requires the Breaker and Earth Mechanisms as part of the loca-
tion facilities. Using them in a manner not independent can cause a re and
electric shock.
Ensure that the indoor wiring for the power supply is rated at 10 A or higher
(AC single phase 100 ~ 120 V area). Non-compliance with the Electrical
Specications can cause a re and electric shock.
Be sure to independently use the power supply equipped with the Earth Leak-
age Breaker. Using a power supply without the Earth Leakage Breaker can
cause an outbreak of re when earth leakage occurs.
Putting many loads on one electrical outlet can cause generation of heat and a
re resulting from overload.
When using an extension cord, ensure that the cord is rated at 10 A or higher
(AC 100 ~ 120 V area). Using a cord rated lower than the specied rating can
cause a re and electric shock.
WARNING!
WARNING!

4
www.seuservice.com
5www.seuservice.com
Electric current consumption
MAX. 10 A (AC 120 V 60 Hz)
For transporting the machine into the location's building, the minimum necessary
dimensions of the opening (of doors, etc.) are 40 in. (W) and
67 in. (H).
For the operation of this machine, secure a minimum area of 74.3 in.
(W)×73 in. (D). In order to prevent injury resulting from the falling down
accident during game play, be sure to secure the minimum area for opera-
tion.
Be sure to provide sufcient space so as to allow this product's ventilation
fan to function efciently. To avoid machine malfunctioning and a re, do
not place any obstacles near the ventilation opening.
SEGA shall not be held responsible for damage, compensation for damage
to a third party, resulting from the failure to observe this instruction.
FIG. 2
WARNING!
STOP
IMPORTANT!
Operation Area

4
www.seuservice.com
5www.seuservice.com
3. OPERATION
PRECAUTIONS TO BE HEEDED BEFORE STARTING THE OPERATION
To avoid injury and trouble, be sure to constantly give careful attention to the behavior and man-
ner of the visitors and players.
In order to avoid accidents, check the following before starting the operation:
To ensure maximum safety for the players and the customers, ensure that
where the product is operated has sufcient lighting to allow any warnings
to be read. Operation under insufcient lighting can cause bodily contact
with each other, hitting accident, and or trouble between customers.
Be sure to perform appropriate adjustment of the monitor (projector). For
operation of this machine, do not leave monitor's ickering or deviation as
is. Failure to observe this can have a bad inuence upon the players' or the
customers' physical conditions.
It is suggested to ensure a space allowing the players who feel sick while
playing the game to take a rest.
Check if all of the adjusters are in contact with the surface. If they are not,
the Cabinet can move and cause an accident.
Ensure that all of the Adjusters are in contact
with the oor.
WARNING!

6
www.seuservice.com
7www.seuservice.com
Do not put any heavy item on this product. Placing any heavy item on the
product can cause a falling down accident or parts damage.
Do not climb on the product. Climbing on the product can cause falling down
accidents. To check the top portion of the product, use a step.
To avoid electric shock, check to see if door & cover parts are damaged or
omitted.
To avoid electric shock, short circuit and or parts damage, do not put the fol-
lowing items on or in the periphery of the product.
Flower vases, owerpots, cups, water tanks, cosmetics, and receptacles/
containers/vessels containing chemicals and water.
To avoid injury, be sure to provide sufcient space by considering the poten-
tially crowded situation at the installation location. Insufcient installation
space can cause making bodily contact with each other, hitting accidents, and or
trouble between customers.
To avoid injury and trouble, be sure to constantly give careful attention to the behavior and man-
ner of the visitors and players.
PRECAUTIONS TO BE HEEDED DURING OPERATION (PAYING ATTENTION TO CUSTOMERS)
To avoid injury and accidents, those who fall under the following categories
are not allowed to play the game.
• Those who need assistance such as the use of an apparatus when walking.
• Those who have high blood pressure or a heart problem.
• Those who have experienced muscle convulsion or loss of consciousness when
playing video game, etc.
• Those who have a trouble in the neck and or spinal cord.
• Intoxicated persons.
• Pregnant women or those who are in the likelihood of pregnancy.
• Persons susceptible to motion sickness.
• Persons whose act runs counter to the product's warning displays.
A player who has never been adversely affected by light stimulus might expe-
rience dizziness or headache depending on his physical condition when play-
ing the game. Especially, small children can be subject to those conditions.
Caution guardians of small children to keep watch on their children during
play.
Instruct those who feel sick during play to have a medical examination.
To avoid injury resulting from falling down and electric shock due to spilled
drinks, instruct the player not to place heavy items or drinks on the product.
To avoid electric shock and short circuit, do not allow customers to put hands
and ngers or extraneous matter in the openings of the product or small open-
ings in or around the doors.
To avoid falling down and injury resulting from falling down, immediately
stop the customer's leaning against or climbing on the product, etc.
WARNING!
WARNING!
CAUTION!

6
www.seuservice.com
7www.seuservice.com
Immediately stop such violent acts as hitting and kicking the product. Such
violent acts can cause parts damage or falling down, resulting in injury due to
fragments and falling down.
Instruct the Player to adjust the seat before playing the game. Playing the
game in a forcible posture can cause a contingent accident.
To avoid electric shock and short circuit, do not allow the customers to unplug
the power plug without a justiable reason.
This product is intended for 1 Player only per seat. Playing the game by 2 or
more Players riding on the seat together can cause falling down and collision
accidents by striking head, hand, or elbow.
Caution lookers-on so as not to
touch the operating unit while
in play. Failure to observe this
may cause bodily contact with
the player and trouble between
the customers.
Caution the player so as not to
hold a child in her/his lap to
play. Failure to observe this
may cause the child to be
caught between the Control
Panel and the player and fall
down.
CAUTION!
WARNING!

8
www.seuservice.com
9www.seuservice.com
If the card reader/writer has not been set as being unused, you will be unable to select any game
mode with use of cards while the game will be in progress.
Thus, for the card reader/writer, deal with the player, paying attention to the following points:
Even if the player requests the system for use of cards when you have set the machine so that
the card reader/writer is not used, the request is rejected.
When an unjust act is performed, no written data is backed up mechanically.
The following acts may be judged to be unjust acts.
Since it also becomes a defect of operation and the cause of parts damage, caution
the player not to perform the following acts.
•Use of cards bent or deformed
•Use of cards adhered seals or extraneous matter on
•Use of a card mixed two sheets
•Use of cards other than dedicated cards
•When a card is extracted quickly
PRECAUTIONS TO BE HEEDED BEFORE STARTING THE OPERATION (CARD SYSTEM)
STOP
IMPORTANT!
WARNING: HAZARD TO EPILEPTICS.
A very small portion of the population has a condition which may cause them
to experience epileptic seizures or have momentary loss of consciousness when
viewing certain kinds of ashing lights or patterns that are present in our daily
environment. These persons may experience seizures while watching some
kinds of television pictures or playing certain video games. People who have
not had any previous seizures may nonetheless have an undetected epileptic
condition.
If you or anyone in your family has experienced symptoms linked to an epi-
leptic condition (e.g., seizures or loss of awareness), immediately consult your
physician before using any video games.
We recommend that parents observe their children while they play video
games. If you or your child experience the following symptoms: dizziness,
altered vision, eye or muscle twitching, involuntary movements, loss of aware-
ness, disorientation, or convulsions, DISCONTINUE USE IMMEDIATELY
and consult your physician.
WARNING!

8
www.seuservice.com
9www.seuservice.com
CABINET 1 44 in x 68 in x 71.75 in 865 LB
CABINET 2 36.75 in x 68 in x 71.75 in 700 LB
ASSY POP 30 in x 22 in x 14 in 1 LB
When assembled 80.75 in x 68 in x 71.75 in 1565 LB
TABLE 4 Dimensions and Weights
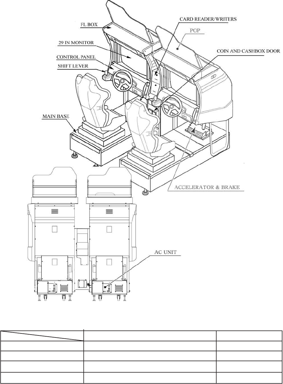
4. NAME OF PARTS
FIG. 4 a OVERVIEW
FIG. 4 b REAR VIEW
Width x Length x Height Weight

10
www.seuservice.com
11 www.seuservice.com
5. ACCESSORIES
TABLE 5 a ACCESSORIES
KEY
(2)
For the CASHBOX DOOR
The Keys are inside the Coin
Chute Door at the time of ship-
ment from the factory.
When transporting the machine, make sure that the following parts are supplied.
Magnetic cards for the recording of play results, and cleaning kits for cleaning the head of the card
reader/writer are sold separately. Subsequent purchases of these items can be made by contacting
the ofce listed on this Owner's Manual or the dealer from whom the product was originally pur-
chased. Be sure to provide the part number(s), name(s), and required number of items.
Cleaning Kit
601-11050 CLEANING CARD: Package of 30 sheets
Magnetic Cards
601-11136-01 CARD PACKAGE TOF ENG: Package of 200 Magnetic Cards
DESCRIPTION OWNER'S MANUAL
Part No. (Qty.) 999-1488
Notes
Figures
Parts not labeled with part numbers are as yet
unregistered or cannot be registered. Be sure to
handle all parts with care, as some parts are not
available for purchase separately.
NAOMI NETWAORK SYSTEM SERVICE
MANUAL
420-6660-01 (1)
Instruction Manual for the Game Board
CLEANING CARD
601-11050 (1)
For the periodic maintenance. See Sections 7 and 10.
(30 sheets of Cleaning Card)
TAMPERPROOF
WRENCH
T-27 Torx 1/4-20 (1)
T-25 Torx 10/32 (1)
T-20 Torx M4 (1)
T-15 Torx 8/32 (1)
Tool
CARTON BOX
601-11044 (1)
Used for transporting the Game Board. See Fig. 5a.
CARD PACKAGE TOF ENG
601-11136-01 (6)
Cards for card reader/writer
*Picture not available at this time.
KEY MASTER
9301A (2)
For opening/closing
the doors

10
www.seuservice.com
11 www.seuservice.com
TABLE 5 b (XKT-0833 : GD-ROM DRIVE KIT)
GD-ROM DRIVE
XKT-0833
Device that loads the software in a GD-ROM disc.
see 5 of Section 6.
GD-ROM DRIVE CARTON BOX
(1)
Used for transporting the GD-ROM DRIVE.
See FIG. 5 b.
This carton box is a standard accessory of the
GD-ROM drive.
The following Table 5b lists the parts that are separately marketed but are necessary when
booting this product's software. When having unpacked the shipping crate, make sure that all the
parts in this Table 5b are in the crate. If not so, contact where you have obtained the product.
KEY CHIP (1)
See 3 of Section 6.
NAOMI2 GDROM TOF ENG
(1)
See 3 of Section 6.
GD ROM KIT TOF
CUSHION SPONGE
601-11137 (1)
GD-ROM Disc Protector
NOTE: When you order the GD-ROM disc only, specify the part
number 610-0625-0025 (GD SOFT TOF ENG).
TABLE 5 c (XKT-1208-G-EX1 : GD-ROM KIT TOF ENG EXP)
STICKER
442-00108B (1)
Shield Case Sticker
840-0108B

12
www.seuservice.com
13 www.seuservice.com
HOW TO USE THE CARTON BOX (GD-ROM DRIVE)
When you want to order for replacing or repairing service of the GD-ROM
drive that is used by the product, pack it in a carton box as instructed below,
and then deliver the carton box to a service agent. If you do not observe the
instruction, your order may not be accepted or may be charged additionally. If
you handle the GD-ROM drive differently from the following instructions, its
components may be damaged.
• Contain the GD-ROM drive in a dedicated carton box. Do not disassemble
it or remove any part from it unless otherwise instructed.
• Before containing the GD-ROM drive in a dedicated carton box, attach the
GD-ROM drive lid (DISC LID) onto the drive and x the lid with a screw.
• Before containing the GD-ROM drive in a dedicated carton box, remove
the GD-ROM disk from the drive. Do not attempt to move the GD-ROM
drive with a GD-ROM disk inside.
• Before containing the GD-ROM drive in a dedicated carton box, remove
the GD-ROM drive bracket. Carefully keep the GD-ROM drive bracket
and the 4 set screws, because they will be reused.
• When inserting the GD-ROM drive into a dedicated carton box, be careful
about an inserting direction as illustrated below.
• The packing materials in a carton box are used as a cushion. Use them
always when inserting the GD-ROM drive into a dedicated carton box. Do
not bend them.
FIG. 5 b
Remove the GD drive bracket.
STOP
IMPORTANT!

12
www.seuservice.com
13 www.seuservice.com
6. ASSEMBLING AND INSTALLATION
Perform assembly work by following the procedure herein stated. Failing to
comply with the instructions can cause electric shock hazard.
Perform assembling as per this manual. Since this is a complex machine,
erroneous assembling can cause an electric shock, machine damage and or not
functioning as per specied performance.
When assembling, be sure to use plural persons. Depending on the assembly
work, there are some cases in which working by one person alone can cause
personal injury or parts damage.
Ensure that connectors are accurately connected. Incomplete connections can
cause electric shock hazard.
Be careful not to damage the wires. Damaged wires may cause electric shock
or short circuit or present a re risk.
This work should be performed by the Location's Maintenance Man or
Serviceman. Performing work by non-technical personnel can cause a severe
accident such as electric shock. Failing to comply with this instruction can
cause a severe accident such as electric shock to the player during operation.
Provide sufcient space so that assembling can be performed. Performing
work in places with narrow space or low ceiling may cause an accident and
assembly work to be difcult.
To perform work safely and avoid serious accident such as the cabinet's
falling down, do not perform work in places where step-like grade differences,
a ditch, or slope exist.
Handle molded parts with care. Undue weight or pressure may cause them to
break and the broken pieces may cause injury.
To perform work safely and securely, be sure to prepare a step which is in
a secure and stable condition. Performing work without using the step can
cause violent falling down accidents.
Make sure that the GD cable connector is inserted parallel to the plug.
Improper insertion may cause damage to the connector and present a re
INSTALLING THE POP AND THE POP CARD
SECURING IN PLACE(ADJUSTER ADJUSTMENT)
INSTALLING THE GD-ROM DRIVE(SETTING GD-ROM DISC)
POWER SUPPLY, AND EARTH CONNECTION
TURNING POWER ON
ASSEMBLING CHECK
When carrying out the assembling and installation, follow the following 6-item sequence.
WARNING!
CAUTION!
1
2
3
4
5
6

14
www.seuservice.com
15 www.seuservice.com
Tools such as a Phillips type screwdriver, wrench, socket wrench and Ratchet Handle are
required for the assembly work.
24mm
SOCKET WRENCH,RATCHET HANDLE
WRENCH
Phillips type screwdriver
INSTALLING THE POP AND POP CARD
Install the POP Holder on the top
of the Billboard by using the 4
screws. For performing this work,
be sure to prepare a step.
SCREW (4)
M6×16,w/at and spring washers
POP HOLDER
PHOTO 6. 1 a
For performing work, prepare a step.
1
* Note: Picture may differ from actual unit.

14
www.seuservice.com
15 www.seuservice.com
Attach Billboard Sash R with 2 Truss screws.
Use 2 Truss screws to attach Billboard Sash L
to the opposite side in the same manner.
PHOTO 6. 1 c
PHOTO 6. 1 b
POP
POP CUT-OUT
Attach the POP to the POP Holder.
Slide the POP cut-out so that the edges t into
the protruding portions of the POP Holder.
TRUSS SCREW (2)
chrome
BILLBOARD SASH R

16
www.seuservice.com
17 www.seuservice.com
SECURING IN PLACE (ADJUSTER ADJUSTMENT)
Make sure that all of the adjusters are in contact with the oor. If they are not, the
cabinet can move and cause an accident.
This product has 8 casters and 8 Adjusters. (FIG. 6. 2 a) When the installation position is
determined, cause the adjusters to come into contact with the oor directly, make adjustments
in a manner so that the casters will be raised approximately 5 mm from the oor and make sure
that the machine position is level.
Transport the product to the
installation position.
Have all of the Adjusters make contact
with the oor. Adjust the Adjuster's
height by using a wrench so that the
machine position is kept level.
After making adjustment, fasten the
Adjuster Nut upward and secure the
height of Adjuster.
FIG. 6. 2 b ADJUSTER
FIG. 6. 2 a BOTTOM VIEW
* Note:Picture may differ from actual unit.
WARNING!
2

16
www.seuservice.com
17 www.seuservice.com
FIG. 6. 2 e
Provide ventilation space for the ventilation
opening.
Allow more than 28 in. of space for customer
trafc.

18
www.seuservice.com
19 www.seuservice.com
INSTALLING THE GD-ROM DRIVE (SETTING GD-ROM DISC)
Carefully handle the GD-ROM drive so as not to contaminate the disc and the
readout lens with stains and dust particles.
Do not continue to use the scratched GD-ROM disc. The scratched GD-ROM
disc may cause the system to malfunction.
Set the GD-ROM disc onto the GD-ROM drive with its labeled side facing
upward.
The key chip is a precision device. Handle it carefully and avoid exposure to
heat, shock and static electricity, as these may cause damage to the device.
The key chip is contained in the GD-ROM disc case. Always use them as a
set.
GD DRIVE BRACKET GD-ROM DRIVE
PHOTO 6. 3 a
Use the 4 tapping screws to x the GD-ROM drive bracket onto the GD-ROM drive. Be careful
about a xing direction.
TAPPING SCREW (4)
M4×8
FIG. 6. 3 a
GD DRIVE BRACKET
GD-ROM DRIVE
FIG. 6. 3 b
Unpack the shipping crate, and take out the GD-ROM drive, GD-ROM drive bracket, and GD-
ROM disc.
CAUTION for U. S. A., Europe, and Australia:
Attach the 2 caution stickers for a laser ray onto
the GD-ROM drive.
STOP
IMPORTANT!
3

18
www.seuservice.com
19 www.seuservice.com
Remove the 1 truss head screw that
xes the GD-ROM drive lid (DISC
LID). And turn clockwise the lid to
remove.
TRUSS SCREW (1)
M3×8
PHOTO 6. 3 b
Set the GD-ROM disc onto the GD-ROM drive with its labeled side facing upward.
Return the lid to its original place, and x it with 1 truss head screw. Be careful not to fasten the
screw too tightly.
TRUSS SCREW (1)
M3×8
PHOTO 6. 3 c

20
www.seuservice.com
21 www.seuservice.com
Undo the lock on the side of the unit base and remove the Truss screws.
Turn the knob to open the lock, and lower the seat towards the backrest. Slowly lower the
backrest until it touches the oor to prevent damage to the seat components. Put a drop cloth on
the oor to prevent damaging the surface of the seat components.
UNLOCK
TRUSS SCREW (2),
black
DROP CLOTH TO PREVENT DAMAGE
TO SURFACE OF PARTS
FIG. 6. 3 b
Attach the GD-ROM drive with 3 screws.
SCREW (3) M4×16,
w/at & spring washers
PHOTO 6. 3 d
* Note Figure may appear different then actual product.

20
www.seuservice.com
21 www.seuservice.com
Insert both the GD cable connector (for data communication) and the power cord connector into
the GD-ROM drive. Be careful about an inserting direction in this instance. Make sure that the
connectors are inserted rmly and completely. Secure the cable with the cord clamp.
GD-ROM DRIVE
GD Cable connector
Power Cord connector
PHOTO 6. 3 f
Connect the GD cable connector (for data communication) to the DIMM board.
GD CABLE CONNECTOR
PHOTO 6. 3 e
Secure the cable.

22
www.seuservice.com
23 www.seuservice.com
KEY CHIP
FIG. 6. 3 c
KEY CHIP
Paying attention to the direction of the
Key Chip, insert it securely into the
NAOMI DIMM Board Case.
Place the Sticker (442-00108B) on
the side of the DIMM Board Case as
shown in the gure.
STICKER(442-00108B)
Sticker Position
PROJECTION

22
www.seuservice.com
23 www.seuservice.com
Ensure that the Main SW is OFF.
The AC Unit is located on one side of Cabinet. The AC Unit has Main SW, Earth Terminal and
the Inlet which connects the Power Cord.
FIG. 6. 4 a AC unit
Be sure to independently use the power supply socket outlet equipped with
an Earth Leakage Breaker. Using a power supply without an Earth Leakage
Breaker can cause a re when electric leakage occurs.
Ensure that the "accurately grounded indoor earth terminal" and the earth
wire cable are available (except in the case where a power cord plug with
earth is used). This product is equipped with the earth terminal. Connect the
earth terminal and the indoor earth terminal with the prepared cable. If the
grounding work is not performed appropriately, customers can be subjected to
an electric shock, and the product's functioning may not be stable.
Ensure that the power cord and earth wire are not exposed on the surface
(passage, etc.). If exposed, they can be caught and are susceptible to damage.
If damaged, the cord and wire can cause electric shock and short circuit
accidents. Ensure that the wiring position is not in the customer's passage
way or the wiring has protective covering.
After wiring power cord on the oor, be sure to protect the power cord.
Exposed power cord is susceptible to damage and causes an electric shock
accident.
Main SW off
POWER SUPPLY, AND EARTH CONNECTION
WARNING!
4
INLET
MAIN SW
AC Cable (Power Cord)
* Note: Actual Power Supply connection
may vary from photo

24
www.seuservice.com
25 www.seuservice.com
TURNING POWER ON
Turn on the AC unit's main switch to supply power to the unit. Once power is turned on, the
uorescent lamp lights up. The Start System Screen displays after a lapse of several seconds.
It is followed by the screen that indicates that the network is currently being checked if the
communication mode has been set. If there is a bad or improper communication connection, each
screen will not proceed to the next, remaining on the currently Network Check Screen. If this
occurs, resolve the error according to the instructions in this document.
If the communication mode has not been set or the communication check ends normally, the
Motor Check Screen returns. While the Motor Check Screen is on-screen, the steering wheel can
move either clockwise or counterclockwise. If you touch the wheel, the motor check is hindered
and the game will not operate normally. So, you must not touch it at this time. Failures are
displayed, if found. Resolve the errors according to the instructions in this document.
Once all the above steps have been completed, the Advertise Screen displays and voices are
output through the left and right loudspeakers, unless you have set the machine so that no voices
are output during the Advertise mode.
This product retains the number of credits and the ranking data even after the power is turned off.
It does not retain data about the fractional number of coins (i.e., the number of coins not reaching
one credit) or the bonus adder count.
FIG. 6. 5
Note: The rst time the power is turned on, the unit will automatically enter Cleaning Mode.
Follow the on-screen instructions to carry out cleaning of the unit.
5
* Note: Picture may differ from actual unit.

24
www.seuservice.com
25 www.seuservice.com
PLEASE GET CARD
PLEASE INSERT CLEANING CARD.
Each Check Screen is followed as below.
Network Check Screen
CHECKING NETWORK NOW
Card Reader/Writer Check Screen
CARD R/W INITIALIZE...
Motor Check Screen
KICKBACK INITIALIZE...
When Card is left in the Card Reader/Writer;
Remove the card. Screen does not change until the
card is removed.
When cleaning is required;
Insert the cleaning card. (See 7-2 HEAD CLEANING.)
Steering wheel will turn. Do not touch it.

26
www.seuservice.com
27 www.seuservice.com
DIMM BOARD TEST
PROGRAM VER : ***
DIMM SLOT 0 : GOOD
DIMM SLOT 1 : GOOD
DIMM STATUS : GOOD
CHECKING DIMM BD
DIMM0 - GOOD
DIMM1 - GOOD
IC34,35S - GOOD
IC10,11S - GOOD
GD DRIVE - GOOD
--- COMPLETED ---
PRESS TEST BUTTON TO EXIT
In the TEST MODE, ascertain that the assembly has been made correctly and IC BD. is
satisfactory (refer to Section 10).
In the test mode, perform the following test:
(1)MEMORY TEST
Selecting the RAM TEST on the system test mode menu screen causes the on-board memory to
be tested automatically. The game board is satisfactory if the display beside each IC No. shows
GOOD.
ASSEMBLING CHECK
RAM TEST
IC29 GOOD
IC35 GOOD
IC09 GOOD IC10 GOOD
IC11 GOOD IC12 GOOD
IC16 GOOD IC18 GOOD
IC20 GOOD IC22 GOOD
IC17 GOOD IC19 GOOD
IC21 GOOD IC23 GOOD
IC106 GOOD IC107 GOOD
IC108 GOOD IC109 GOOD
IC111 GOOD IC113 GOOD
IC115 GOOD IC117 GOOD
IC112 GOOD IC114 GOOD
IC116 GOOD IC118 GOOD
PRESS TEST BUTTON TO EXIT
6

26
www.seuservice.com
27 www.seuservice.com
SOUND TEST
RIGHT SPEAKER OFF
LEFT SPEAKER OFF
-> EXIT
SELECT WITH SERVICE BUTTON
AND PRESS TEST BUTTON
(3)C.R.T. TEST
In the system test mode menu, selecting C.R.T. TEST allows the screen (on which the monitor
is tested) to be displayed. Although the monitor adjustments have been made at the time
of shipment from the factory, color deviation, etc., may occur due to the effect caused by
geomagnetism, the location building's steel frames and other game machines in the periphery.
By watching the system test mode screen, make judgment as to whether an adjustment is
needed. If it is necessary, adjust the monitor by referring to Chapter 15.
1 32
RED
GREEN
BLUE
WHITE
SYSTEM TEST MODE
(2)SOUND TEST
In the system test mode, selecting SOUND
TEST causes the screen (on which sound
related BD and wiring connections are
tested) to be displayed.
Check if the sound is satisfactorily emitted
from each speaker and the sound volume is
appropriate.
C.R.T. TEST 2/2
PRESS TEST BUTTON TO EXIT
PRESS TEST BUTTON TO CONTINUE
C.R.T. TEST 1/2
* Note: Screen shows a grid.

28
www.seuservice.com
29 www.seuservice.com
(4)INPUT TEST
Selecting the INPUT TEST on the game test
mode menu screen causes the screen (on
which each switch is tested) to be displayed.
Press each switch. If the display beside each
switch indicates "ON," the switch and wiring
connections are satisfactory.
(5)OUTPUT TEST
Select OUTPUT TEST from the Menu
screen in the Game Test Mode to cause
the screen (on which output unit such as
lamps and wiring connections are tested) to
appear. Ensure that the output unit functions
satisfactorily.
Perform the above inspections also at the time of monthly inspection.
GAME TEST MODE
INPUT TEST
STEERING XXH
ACCEL XXH
BRAKE XXH
GEAR POSITION N
START OFF
CHANGE VIEW OFF
SERVICE OFF
TEST OFF
PRESS TEST AND SERVICE BUTTON
TO EXIT
GAME TEST MODE
OUTPUT TEST
->START BUTTON
CHANGE VIEW BUTTON
PRESS TEST BUTTON TO EXIT

28
www.seuservice.com
29 www.seuservice.com
7. CARD READER/WRITER
Be sure to use dedicated cards available for this product.
Use of ones other than such dedicated cards may cause a malfunction or
failure of the machine.
Be sure to set the specied number of card in the specied orientation by
using the specied procedure. Wrong setting of the cards may cause the
machine to fail.
This machine allows you to set up to 100 cards at a time. You must not set
over 101 cards at a time. If you do so, a trouble such as card jamming may
occur.
Set virgin cards taken out from a container that was unpacked immediately
before use.
Use of any deformed or deteriorated card may cause a trouble.
Do not include a corrugated, bent, or used card in the card deck.
When the unit is out of cards, a message will be displayed at the upper right of the screen during
advertisements. Follow the instructions below to restock the system with cards. Cards may be
stocked when the unit is on or off.
After restocking the system with cards, the message displayed after the "SEGA" logo will be
updated. Gameplay can be resumed without waiting for the updated message.
Unlock and open the cover to nd the card reader/writer.
The dispenser on which you should place the cards is located at the rear of the reader/writer.
From the card reader/writer, take out the dispenser upward in a straight line.
7-1 SETTING DEDICATED CARDS
UNLOCK
DISPENSER
STOP
IMPORTANT!
* Note: Pictures may differ from actual Unit.
PHOTO 7. 1

30
www.seuservice.com
31 www.seuservice.com
FIG. 7. 1 a
Remove the cover from the back of the dispenser.
Place the cards into the dispenser according to the instructions on the sticker annexed to the
dispenser. Refer to the diagram shown on the sticker attached to the Dispenser and insert the
cards into the Dispenser. Be careful not to insert the cards in the wrong direction or with the
wrong side facing up.
The Dispenser can only hold 100 cards. Do not attempt to insert more than 100 cards. Too many
cards may cause the Dispenser to jam or result in other problems.
Insert magnetic cards into the Dispenser in complete packs of 100 or after carefully counting the
number of cards (not to exceed 100).
Reinstall the cover to the dispenser.
Insert the dispenser into the card reader/writer. The dispenser can be inserted only in the
predetermined orientation.
Close and lock the cover.
Secure with the truss screw
FIG. 7. 1 b

30
www.seuservice.com
31 www.seuservice.com
The unit enters Head Cleaning Mode when any of the following conditions
are met:
• At power-up if the Card Reader/Writer has operated 100 times or more
• At power-up if the date has been updated
• At boot time after performing Backup Data Clear
Once the unit enters Head Cleaning Mode, follow the on-screen instructions
and perform Head Cleaning. The unit will not exit Cleaning Mode (i.e. games
may not be played) until head cleaning is complete.
Always use the designated Cleaning Card. Using anything other than the
designated card or carrying out any other procedure other than the one
outlined in the manual may cause faulty printing, faulty operation and/or unit
failure.
Cleaning Cards may only be used once. Dispose of them after use.
Cleaning Cards should be used immediately after removal from the package.
Cleaning Cards will not clean effectively if dried out.
Perform head cleaning only when there are cards in the Card Reader/Writer
Dispenser. If the Dispenser is empty, the part that secures the cards inside the
Dispenser may touch the rotating part of the Card Reader/Writer and cause
noise.
Always remember to remove the Cleaning Card after completing head
cleaning.
After head cleaning, wait for the "SEGA LOGO" to be displayed at least
twice before resuming gameplay.
7-2 HEAD CLEANING
This machine records the number of times the Card Reader/Writer is used.
The Card Reader/Writer writes data to and reads data from cards. Each write and read is counted,
so the Card Reader/Writer usage count will not be the same as the number of times the game is
played.
Once head cleaning of the Card Reader/Writer is complete, the unit will exit this mode.
Follow the on-screen instructions to carry out cleaning.
The Card Reader/Writer usage count described above is reset when cleaning is performed.
Manual head cleaning may also be performed from Test Mode. Refer to Test Mode <10-3G> for
more details.
Insert the Cleaning Card into the card slot.
Indicates that the unit is undergoing cleaning. Wait for cleaning
to be completed.
The unit exits to normal mode after cleaning is complete.
Do not forget to remove the Cleaning Card.
Wait for the "SEGA LOGO" to be displayed at least twice before
resuming gameplay after cleaning.
CLEANING CARD
PHOTO 7. 2
PLEASE INSERT CLEANING CARD.
NOW CLEANING...
STOP
IMPORTANT!
*Note: Photo may differ from actual product.

32
www.seuservice.com
33 www.seuservice.com
7-3 CLEARING CARD JAMS
When attempting to perform this operation without powering down so that
gameplay can be restored, exercise extreme caution. Machine parts may move
unexpectedly when the power is ON. This may result in ngers being caught or
severed and other injuries.
Verify the Stay Lock on the top cover before attempting this procedure. If the top
cover closes during the procedure, it may result in serious injury.
If a trouble such as card jamming occurs on the card reader/writer, you are notied of the
trouble on the screen. You cannot proceed to a play unless you resolve the trouble at this time.
First identify the trouble before you begin to take action.
An error message is displayed at the top of the screen when cards become jammed. Use the
RESTORE command (hold down the Start button + Change View button for a long time) to
retry the function that caused the error.
If repeated attempts continue to generate errors, follow the instructions below to remove the
card. Removing the card may force the game to shut down. If the game shuts down, existing
customer game data will not be saved.
While drawing
the shaft, close the
cover. With the
top cover closed,
release the green
shaft. Check that
the top cover has
been locked se-
curely.
Unlock and open the cover.
Unlock the hatch by drawing the
green shaft attached to the top
cover on the card reader/writer.
While drawing the shaft, open the
cover up.
Remove the card jammed in the
card reader/writer.
PHOTO 7. 3 b Remove the card jammed.
Close and lock the cover.
STOP
IMPORTANT!
* Note: Unit may differ from Photo.

32
www.seuservice.com
33 www.seuservice.com
8. PRECAUTIONS WHEN MOVING THE MACHINE
When moving the machine, be sure to unplug the power plug. Moving the
machine with the plug as is inserted can damage the power cord and cause re
and electric shock hazards.
When moving the machine on the oor, retract the Adjusters and ensure
that Casters make contact with the oor. During transportation, pay careful
attention so that Casters do not tread power cords and earth wires. Damaging
the power cords can cause electric shock and short circuit hazards.
Do not push the cabinet from the left/right when attempting to move the
unit. Pushing from the sides may cause the unit to tip and result in injury and
damage to parts.
Do not push on any parts made of glass (e.g. CRT screen) or plastic, as these parts
may break and result in bodily injury.
FIG. 8 a
Do not push the
cabinet from the
left/right direction.
WARNING!
CAUTION!
* Note: Pertains when unit is separated.

34
www.seuservice.com
35 www.seuservice.com
In locations with low ceilings,
remove the POP and POP Holder
before moving the machine.
Place the machine on casters. .
FIG. 8 b
* Note: Machine may be different then illustrated.

34
www.seuservice.com
35 www.seuservice.com
9. GAME DESCRIPTION
The following explanations apply to the case the product is functioning satisfactorily. Should
there be any moves different from the following contents, some sort of faults may have
occurred. Immediately look into the cause of the fault and eliminate the cause thereof to ensure
satisfactory operation.
When the power is connected, the uorescent lamp in the FL box is always on. When in an
advertising state, the screen displays the demonstration pictures and ranking data. Sounds are
heard from the speakers on the right and left of the monitor. The advertising sounds are not
heard if you have set this function to off (disabled).
The start button and the change view button on the control panel are integrated with a lamp. The
start button (lamp) ashes when the coins are inserted enough to play the game.
FIG. 9
* Note: Unit in Photo may differ from actual Unit.

36
www.seuservice.com
37 www.seuservice.com
Legend of the Streets
Game Content & Rules
Battle rival characters man to man on 4 different courses. Each checkpoint you pass adds time to
the overall time limit. The rst one across the nish line with the allotted time wins. If you run
out of time or cross the nish line second, you lose. Once you've defeated all 16 rival characters,
you'll get a chance to race against a hidden rival character (nal battle/race). Defeat him and
you'll race for the title of street legend against the last hidden rival character (special battle/
race). Only when the title is yours will you get to see the ending.
INITIAL D CARD
Purchasing a card when you start the game creates your car.
The card can store all the data for one car. Information on the card
includes the player name, car, tune-up status, names of defeated rival
characters, times from Time Attack mode, Network Game records,
passwords from Time Attack mode and more.
The front of the card shows the driver (name), the car registered
to that driver, the driver's home area (areas you've mastered) and a
special 3 digit number, or KEY.
Car Tune-Ups
Depending on how well you do, points are added to your card when you use it to play in
"Legend of the Streets" mode and "Time Attack" mode. When you've accumulated enough
points, you are given the option of using those points to do tune-ups on your car to increase
performance.
Game Overview
The game is a car racing game with two different game modes: "Legend of the Streets" and
"Time Attack". By connecting two units, you can also enjoy "Network Game" play. The card
system allows players to store information such as the car, wins/loss records and car tune-up
status on a special card.

36
www.seuservice.com
37 www.seuservice.com
Insert Card Screen: Insert your
card if you've got one after
completing the Card Purchase
Screens. If you don't already
have a card, you can purchase
one.
Vehicle Selection Screen: This
screen isn't displayed if you've
already purchased a card.
Transmission Selection Screen:
This screen isn't displayed if
you've already purchased a
card.
Game Flow

38
www.seuservice.com
39 www.seuservice.com
If you're purchasing a card,
select one of the Parts courses.
These parts are then attached to
your car when you accumulate
enough points.
If you're purchasing a card,
enter your name (driver's name)
at the player name input screen.
Select "Legend of the Streets"
at the Mode Selection Screen

38
www.seuservice.com
39 www.seuservice.com
Course and rival character selection screens
Rival Character Scenes
Battle (Race)

40
www.seuservice.com
41 www.seuservice.com
Results Screen
Tune Up Screen
Use your card to play and
accumulate points you can put
towards performance enhancing
tune-ups.
Continue Screen
Choose to continue or quit
after rival character scenes. If
you select "YES", nothing is
recorded to the card and you
can continue playing. If you
select "NO", your game data is
stored on your card and your
game ends.

40
www.seuservice.com
41 www.seuservice.com
Time Attack
Game Content & Rules
This is a race against time. The goal is to cross the nish line as quickly as you can. Each
checkpoint you pass adds time to the overall time limit. When you cross the nish line, a
password is displayed. You may use this password to participate in the online Internet rankings.
In order to register the password, you must have played the game with a card and you'll need to
enter the 3 digit number or KEY printed on the front of the card.
After using the 60,000 points accumulated on the card, you can play Time Attack "Go Round
All Courses". Courses are completed in the following order: Myogi (1 lap in a circular course
that turns to the right), Usui (1 lap in a circular course that turns to the left), Akina (a downhill
straight race) and Happogahara (straight race down and back).
Your times, when recorded with the card (or tuned car), are displayed in the "TUNED" ranking.
Your time, when not using a card, are displayed in the "NORMAL" ranking. The only way to
accumulate points is to play with a card.
Network Game
Game Content & Rules
This is a competitive race between two players. One of players' passage of the checkpoints adds
the remaining times to both. The player that crosses the nish line rst or the player in the lead
when time runs out is declared the winner.
You can use a card (tuned car) in Network Game. When playing with a card, your Network
Game win/loss record is stored on the card. You cannot accumulate points in a Network Game.
Game Over
The Continue Screen is displayed at the end of each battle (race) in all game modes. If you
choose not to continue, the game ends.
Limit on Card Use
After every 50 games with the same car, the game calls for a mandatory "Safety Check".
Continued game play after each race is not counted as part of the 50 game limit. At each "Safety
Check", you are given the option of renewing your card. Any data stored on your old card is
copied over to a new card when you renew. You will not lose any points you accumulated on
your old card. However, if you do not renew your card at the "Safety Check", you will not
longer be able to play using the data stored on your old card.

42
www.seuservice.com
43 www.seuservice.com
Car Selections
TOYOTA
TRUENO GT-APEX [AE86]
LEVIN GT-APEX [AE86]
MR2 G-Limited [SW20]
MR-S S EDITION [ZZW30]
NISSAN
SKYLINE GT-R [BNR32]
SKYLINE GT-R [BNR34]
SILVIA K's [S13]
SILVIA K's AERO [S14]
SILVA spec-R [S15]
180SX TYPE X [RPS13]
SILEIGHTY [RPS13]
HONDA
CIVIC SiR II [EG6]
CIVIC TYPE R [EK9]
INTEGRA TYPE R [DC2]
S2000 [AP1]
MITSUBISHI
LANCER EVOLUTION IV[CE9A]
LANCER EVOLUTION III[CN9A]
LANCER EVOLUTION Z [CT9A]
MAZDA
RX-7 ∞ III[FC3S]
RX-7 Type R [FD3S]
ROADSTER RS [NB8C]
SUBARU
IMPREZA STi Ver Y [GC8]
IMPREZA WRX STi [GDB]
Race Courses
Easy: Myogi Circular Course - 3 laps Clockwise & Counter-clockwise Day & Night
Normal: Usui Circular Course - 2 laps Clockwise & Counter-clockwise Day & Night
Hard: Akina One Street Uphill & Downhill Day & Night
Expert: Happogahara One Street Outbound & Inbound Night
"Legend of the Streets" Rival Characters
<EASY - MYOGI>
COLE ............................. SILVIA K's [S13]
IGGY.............................. LEVIN SR [AE85]
SHINGO......................... CIVIC SiR II [EG6]
ZACK ............................. SKYLINE GT-R Vspec II [BNR32]
<NORMAL - USUI>
MAYA & SIMONE ........ SILEIGHTY [RPS13]
K.T.................................. RX-7 Type R [FD3S]
AKI................................. LEVIN GTV [AE86 TURBO]
CAINE............................ MR2 G-Limited [SW20]
<HARD- AKINA>
HAWK............................ LANCER EVOLUTION IV RS [CN9A]
KYLE ............................. LANCER EVOLUTION III GSR [CE9A]
RY................................... RX-7 ∞III [FC3S]
TAK ................................ TRUENO GT-APEX [AE86]
<EXPERT - HAPPOGAHARA>
DICE............................... CIVIC TYPE R [EK9]
SMILY............................ INTEGRA TYPE R [DC2 TURBO]
TOUCH .......................... CIVIC TYPE R [EK9]
K.T.................................. RX-7 Type R [FD3S]

42
www.seuservice.com
43 www.seuservice.com
10. EXPLANATION OF TEST AND DATA DISPLAY
By operating the switch unit, periodically perform the tests and data check. When installing the
machine initially or collecting cash, or when the machine does not function correctly, perform
checking in accordance with the explanations given in this section.
The following shows tests and modes that should be utilized as applicable.
This product's basic system consists of the NAOMI 2 GD-ROM game board. The system
enables you to play several games one after the other just by changing a GD-ROM disc and key
chip.
The product supports, therefore, the following 2 test modes:
(1) System test mode for an automatic self-diagnostic test (generally used by every product that
contains the basic system) and a coin assignment (specically used by this product) and
(2) Game test mode for testing the input/output control devices and setting the difculty level
(specically used by this product).
This manual does not cover the automatic self-diagnostic test. For more information about the
system test mode, see the attached NAOMI NETWORK SYSTEM Service Manual.
NETWORK SYSTEM SERVICE MANUAL
10-3F,H
10-3B
10-3C
NETWORK SYSTEM SERVICE MANUAL
NETWORK SYSTEM SERVICE MANUAL
NETWORK SYSTEM SERVICE MANUAL
10-3F,H
10-3B
10-3C
10-3G
NETWORK SYSTEM SERVICE MANUAL
10-3B,D,E
11,12,13
NETWORK SYSTEM SERVICE MANUAL
15
NETWORK SYSTEM SERVICE MANUAL
NETWORK SYSTEM SERVICE MANUAL
10-3F,I
TABLE 10 EXPLANATION OF TEST MODE
ITEMS DESCRIPTION
INSTALLATION
OF MACHINE
MEMORY
PERIODIC
SERVICING
CONTROL
SYSTEM
MONITOR
IC BOARD
DATA CHECK
When the machine is installed, perform the following:
1. Check to ensure each is the standard setting at shipment.
2. Check each Input equipment in the INPUT TEST mode.
3. Check each Output equipment in the OUTPUT TEST mode.
4. Test on-IC-Board IC's in the SELF-TEST mode.
This test is automatically executed by selecting RAM TEST, or
ROM BOARD TEST in the Menu mode.
Periodically perform the following:
1. MEMORY TEST
2. Ascertain each setting.
3. To test each Input equipment in the INPUT TEST mode.
4. To test each Output equipment in the OUTPUT TEST mode.
5. CARD R/W TEST
1. To check each Input equipment in the INPUT TEST mode.
2. Adjust or replace each Input equipment.
3. If the problem still remains unsolved, check each equipment's
mechanism movements.
In the Monitor Adjustment mode, check to see if Monitor (Projec-
tor) adjustments are appropriate.
MEMORY TEST
Check such data as game play time and histogram to adjust the
difculty level, etc.
REFERENCE
SECTIONS

44
www.seuservice.com
45 www.seuservice.com
COIN METER
SWITCH UNIT
10-1 SWITCH UNIT AND COIN METER
Never touch places other than those specied. Touching places not specied can
cause electric shock and short circuit accidents.
Adjust the sound to the optimum volume, taking into consideration the
environmental requirements of the installation location.
Removing the Coin Meter circuitry renders the game inoperable.
FIG. 10. 1 a SWITCH UNIT
Open the coin chute door, and the switch
unit shown will appear.
The functioning of each SW is as follows:
FIG. 10. 1 b
SOUND VOLUME SWITCH: Adjusts sound volume for all of the machines' Speakers.
(SPEAKER)
TEST BUTTON: For the handling of the test button, refer to the following pages.
(TEST)
SERVICE BUTTON: Gives credits without registering on the coin meter.
(SERVICE)
DEMAGNETIZER SWITCH: Eliminates the on-screen color unevenness due to magnetization of
(DEMAG.) CRT. First use this SW before performing the monitor's color ad-
justment.
Open the Cashbox Door by using the
key to have the Coin Meter appear
underneath the Cashbox.
COIN METER
WARNING!
STOP
IMPORTANT!
* Note: Actual Switch Unit will appear different.

44
www.seuservice.com
45 www.seuservice.com
10-2 SYSTEM TEST MODE
In the SYSTEM TEST MODE, IC BD functioning can be checked, the monitor adjusted, and the
coin setting performed.
Refer to NAOMI NETWORK SYSTEM SERIVCE MANUAL for the details. Note that the set-
ting of the following items need to be performed in accordance with the instruction given.
CABINET TYPE : 1 PLAYER(S)
MONITOR TYPE : HORIZONTAL
SERVICE TYPE : COMMON
COIN CHUTE TYPE : COMMON
NETWORK TYPE : NONE
The SEQUENCE SETTING items of COIN/CREDIT SETTING are as follows.
SEQUENCE SETTING
SEQUENCE 1: Number of credits required for starting the game.
SEQUENCE 2: Number of credits required for continuing the play.
SEQUENCE 3: Number of credits required for dedicated CARD purchase.
SEQUENCE 4~8: NOT USED
The contents of settings changed in the TEST mode are stored when the test
mode is nished from EXIT in the menu mode. If the power is turned off
before the TEST mode is nished, the contents of setting change become inef-
fective.
Executing "BACKUP DATA CLEAR" in the SYSTEM TEST MODE does
not clear the BOOKKEEPING data in the GAME TEST mode.
Entering the TEST mode clears fractional number of coins less than one credit
and BONUS ADDER data.
Perform setting as per specied in this manual for operation. If setting not
specied is performed for operation, proper function of this product may not
be obtained.
STOP
IMPORTANT!

46
www.seuservice.com
GAME TEST MODE
INPUT TEST
OUTPUT TEST
FORCE FEEDBACK
INPUT ASSIGNMENTS
GAME ASSIGNMENTS
CARD R/W TEST
CLOSE SETTING
BOOKKEEPING
BACKUP DATA CLEAR
-> EXIT
SELECT WITH SERVICE BUTTON
AND PRESS TEST BUTTON
When changing the game conguration, changes will not take effect until the
Game Test Mode has been completed. Be sure to exit the Game Test Mode
properly after conguration changes.
Do not congure the game in ways not described in this text. It is possible
that the game will not function properly.
10-3 GAME TEST MODE
SYSTEM MENU
RAM TEST
JVS TEST
SOUND TEST
C.R.T. TEST
SYSTEM ASSIGNMENTS
COIN ASSIGNMENTS
BOOKKEEPING
BACKUP DATA CLEAR
CLOCK SETTING
DIMM BOARD TEST
NETWORK SETTEING
GAME TEST MODE
[*****************]
-> EXIT
SELECT WITH SERVICE BUTTON
AND
PRESS TEST BUTTON
Select GAME TEST MODE from the System Menu screen to display the Game Test Menu
screen.
Use the SERVICE Button to move the cursor to the desired test item.
Press the TEST Button to enter the selected item.
A. GAME TEST MENU MODE
SYSTEM TEST MODE MENU Screen GAME TEST MENU Screen
After making changes, be sure to select EXIT and press the TEST Button in order to enable the
new settings.
Move the cursor to EXIT and press the TEST Button to return to the System Menu screen.
STOP
IMPORTANT!

47 www.seuservice.com
B. INPUT TEST
Press the SERVICE and TEST Buttons simultaneously to return to the Game Test Menu screen.
FIG. 10. 3 b INPUT TEST Screen
Select INPUT TEST to display the following screen and check the status of input devices.
This test should be used periodically to check that each input device is functioning correctly.
Test the STEERING, ACCEL and BRAKE controls to ensure that they are functioning properly
and that the parameters change smoothly as each input device is operated.
Display N, UP and DOWN using the GEAR POSITION. N should display there is no control
input. Verify that both UP and DOWN display in sync with the position of the shift knob.
Press the START, CHANGE VIEW, SERVICE and TEST Buttons. If functioning correctly, each
indicator will switch from OFF to ON.
GAME TEST MODE
INPUT TEST
STEERING XXH
ACCEL XXH
BRAKE XXH
GEAR POSITION N
START OFF
CHANGE VIEW OFF
SERVICE OFF
TEST OFF
PRESS TEST AND SERVICE BUTTON
TO EXIT

48
www.seuservice.com
49 www.seuservice.com
C. OUTPUT TEST
Select OUTPUT TEST to display the following screen and check the status of each lamp.
This test should be used periodically to check that the lamps are functioning correctly.
FIG. 10. 3 c OUTPUT TEST Screen
The cursor toggles automatically between START Button and CHANGE VIEW Button, and
each lamp lights up.
Move the cursor to EXIT and press the TEST Button to return to the Game Test Menu screen.
GAME TEST MODE
OUTPUT TEST
->START BUTTON
CHANGE VIEW BUTTON
PRESS TEST BUTTON TO EXIT

48
www.seuservice.com
49 www.seuservice.com
D. FORCE FEEDBACK
If you select FORCE FEEDBACK, the STEERING will rotate automatically
when you press the TEST Button. The STEERING will also rotate automatically
during FORCE TEST. Make sure that no one is touching the STEERING before
running these tests as contact may cause injury.
When you select "FORCE FEEDBACK", a connection test runs and the STEERING rotates.
When the connection check completes, a screen similar to the one below is displayed, and you
may adjust the STEERING resistance.
FIG. 10. 3 d FORCE FEEDBACK Screen
FORCE: Set the STEERING resistance
The smaller the value, the weaker the resistance; the larger the value, the
stronger the resistance.
(Minimum value is 0; the maximum value is 10. The default setting is 4.)
Move the cursor to UP or DOWN and press the TEST Button to change the
value.
FORCE TEST: Veries the STEERING motor is working properly
Conducted when the STEERING resistance is set at 4.
Toggle between OFF and ON by aligning to CENTER and pressing the TEST
Button.
The STEERING will rotate and stop in the center position. Pressing the
SERVICE Button moves the cursor to the next menu item and CENTER
changes to OFF. Control of the STEERING is then released.
When the RIGHT menu item is ON, the STEERING rotates to the right as far
as possible and then stops. Press the SERVICE Button again to turn it OFF
and release control of the STEERING.
When the LEFT menu item is ON, the STEERING rotates to the left as far as
possible and then stops. Press the SERVICE Button again to turn it OFF and
release control of the STEERING.
Move the cursor to EXIT and press the TEST Button to return to the Game Test Menu screen.
GAME TEST MODE
FORCE FEEDBACK
(MIN 0 : MAX 10 : DEFAULT 4)
FORCE = XX
UP
DOWN
FORCE TEST (FORCE = 4)
CENTER OFF
RIGHT OFF
LEFT OFF
-> EXIT
SELECT WITH SERVICE BUTTON
AND PRESS TEST BUTTON
CAUTION!

50
www.seuservice.com
51 www.seuservice.com
E. INPUT ASSIGNMENTS
Select INPUT ASSIGNMENTS to display the following screen.
You can adjust each of the menu items by moving the cursor to the menu item and pressing the
TEST Button.
Return all settings to the default settings with DEFAULT SETTING.
STEERING: Make adjustments to STEERING
Press the TEST Button to display the following screen.
Center the STEERING. When the "0"
displayed is not exactly aligned with the
"^" mark above CENTER, use the cursor to
select RIGHT or LEFT and move the "0"
until it is displayed directly above the "^"
mark.
Move the cursor to RIGHT and press the
TEST Button to move the "0" to the right.
Each time you press the TEST Button, "0"
moves slightly to the right. Move the cursor
to LEFT and press the TEST Button to move
the "0" to the left. Each time you press the
TEST Button, "0" moves slightly to the left.
Move the cursor to EXIT and press the
TEST Button to return to the INPUT
ASSIGNMENTS screen.
FIG. 10. 3 ea INPUT ASSIGNMENTS Screen
FIG. 10. 3 eb STEER ASSIGNMENTS Screen
GAME TEST MODE
INPUT ASSIGNMENTS
STEERING: XXX
(DEFAULT = 0)
ACCEL : XXX
(DEFAULT = 0)
BRAKE : XXX
(DEFAULT = 0)
DEFAULT SETTING
-> EXIT
SELECT WITH SERVICE BUTTON
AND PRESS TEST BUTTON
GAME TEST MODE
STEER ASSIGNMENT
(MIN -40 : MAX 40 : DEFAULT 0)
STEERING = XXX
0
^
CENTER
RIGHT
LEFT
-> EXIT
SELECT WITH SERVICE BUTTON
AND PRESS TEST BUTTON

50
www.seuservice.com
51 www.seuservice.com
ACCEL: Make adjustments to ACCEL
Press the TEST Button to display the following screen.
FIG. 10. 3 ec ACCEL ASSIGNMENTS Screen
BRAKE: Make adjustments to BRAKE
Press the TEST Button to display the following screen.
FIG. 10. 3 ed BRAKE ASSIGNMENTS Screen
Adjust the distance between "0" displayed
and the "^" mark equally so that when your
foot is off the BRAKE pedal, the "0" on the
left is aligns with the "^" above MIN and
when you press the BRAKE pedal down all
the way, the "0" on the right is aligns with the
"^" mark above MAX.
Move the cursor to RIGHT and press the
TEST Button to move "0" to the right. Each
press of the TEST Button moves "0" slightly
to the right.
Move the cursor to LEFT and press the TEST
Button to move "0" to the left. Each press of
the TEST Button moves "0" slightly to the
left.
Move the cursor to EXIT and press the
TEST Button to return to the INPUT
ASSIGNMENTS screen.
Adjust the distance between "0" displayed
and the "^" mark equally so that when your
foot is off the ACCEL pedal, the "0" on the
left is aligns with the "^" above MIN and
when you press the ACCEL pedal down all
the way, the "0" on the right is aligns with the
"^" mark above MAX.
Move the cursor to RIGHT and press the
TEST Button to move "0" to the right. Each
press of the TEST Button moves "0" slightly
to the right.
Move the cursor to LEFT and press the TEST
Button to move "0" to the left. Each press of
the TEST Button moves "0" slightly to the
left.
Move the cursor to EXIT and press the
TEST Button to return to the INPUT
ASSIGNMENTS screen.
GAME TEST MODE
ACCEL ASSIGNMENT
(MIN -40 : MAX 40 : DEFAULT 0)
ACCEL = XXX
0
^ ^
MIN MAX
RIGHT
LEFT
-> EXIT
SELECT WITH SERVICE BUTTON
AND PRESS TEST BUTTON
GAME TEST MODE
BRAKE ASSIGNMENT
(MIN -40 : MAX 40 : DEFAULT 0)
BRAKE = XXX
0
^ ^
MIN MAX
RIGHT
LEFT
-> EXIT
SELECT WITH SERVICE BUTTON
AND PRESS TEST BUTTON

52
www.seuservice.com
53 www.seuservice.com
F. GAME ASSIGNMENTS
Select GAME ASSIGNMENTS to display the current game settings and make changes.
FIG. 10. 3 f GAME ASSIGNMENTS Screen
The GAME DIFFICULTY menu item is only displayed when the SEAT NUMBER is set to
either 1 or NO DEFINED.
GAME DIFFICULTY: Set the level of difculty for the game
You may select one of 5 different levels of difculty: VERY EASY,
EASY, NORMAL, HARD or VERY HARD.
This setting does not affect the speed of rivals in "Legend of the
Streets" mode.
DEFAULT VIEW: Set the view perspective at the start of races
You may select one of the following 2 settings: DRIVER view or
REAR view.
SEAT NUMBER: Assign seat numbers to seats in each arcade unit for network play
If you have two arcade units side by side, make sure you assign
different seat numbers; the seat on the left would be 1 and the one on
the right would be 2. If the unit will not be used for network play, set
the SEAT NUMBER to NO DEFINED.
You may select one of the following 3 settings: 1, 2 or NO DEFINED.
CARD R/W: Set the existence of the card reader/writer; normally, this should be ON
GAME TEST MODE
GAME ASSIGNMENTS
GAME DIFFICULTY NORMAL
DEFALT VIEW DRIVER
SEAT NUMBER NO DEFINED
CARD R/W ON
->EXIT
SELECT WITH SERVICE BUTTON
AND PRESS TEST BUTTON
Changes to settings are not enabled until Test Mode is exited. After changing settings, be sure to
exit Test Mode.
After changing the settings, select EXIT and press the TEST Button to return to the Game Test
Menu screen.

52
www.seuservice.com
53 www.seuservice.com
G. CARD R/W TEST
Clean the card reader/writer periodically.
Test the functionality of or clean the CARD R/W (read/writer).
The CARD R/W should be tested and cleaned periodically.
GAME TEST MODE
CARD R/W TEST
CARD R/W STATUS : *****
INITIALIZE
CLEANING
CHECK R/W : --
-> EXIT
SELECT WITH SERVICE BUTTON
AND PRESS TEST BUTTON
FIG. 10. 3 g CARD R/W TEST Screen
The cursor can move to the following items:
INITIALIZE: Initialization
CLEANING: Cleaning
CHECK R/W: R/W Operation Check
STOP
IMPORTANT!
54
www.seuservice.com
55 www.seuservice.com
Depending on the R/W running mode, one of the following is displayed in "*****" in "CARD
R/W STATUS : *****":
READY ........ Now waiting (Clear to Send Command)
INITIAL .......Now initializing (Not Clear to Send Command)
CLEAN ........Now cleaning (Not Clear to Send Command)
GET ..............Cards are being taken out from the dispenser (Not Clear to Send Command)
SAVE............Sample data is saved onto the card (Not Clear to Send Command)
LOAD...........Load card data and compares it with sample data (Not Clear to Send Command)
OUT.............. Eject cards (Not Clear to Send Command)
SHUTTER....Now closing/opening the shutter (Not Clear to Send Command)
ERROR ........Error (Clear to Initialize Command Only)
While a status with a note of "Not Clear to Send Command " in parentheses is on-screen, no
operations are accepted. If such a status has occurred, wait until the operation in that status stops
automatically and the display comes to READY.
Occasionally, the "INFORMATION" eld on the screen outputs one of the instructions below,
although it usually displays NO ERROR.
While cleaning is in progress, waiting in the ready mode for inserting a cleaning card:
-- PLEASE INSERT CLEANING CARD --
After the operation check, waiting for the ready mode for ejecting the card:
-- PLEASE REMOVE --
When an error occurs, its type are displayed in the "INFORMATION" eld:
NO ERROR..........................Nomal Completion
CAN'T LOAD ......................Loading Error
CAN'T SAVE .......................Writting Error
DRAW CARD ERROR .......Error in Taking Card from dispenser
CARD STUFFED ................Card Jamming
SHUTTER ERROR .............Shutter Error
WRONG DATA ...................Data Error, Dispenser Card Empty
CONNECTION ERROR .....Connection Error
SCIF ERROR.......................RC-232C Communication Error
UNKNOWN EROR.............Unknown Error
The "---" eld in "CHECK R/W : ---" shows the result of the operation check.
---.......................... Not Checked
OK........................ No Failure
NG........................ Failure

54
www.seuservice.com
55 www.seuservice.com
The operation check takes out each card from the dispenser, and writes the sample data onto it.
The check then loads and reads it, and checks whether the read data matches the sample data.
Then, the check ejects the card. When you draw out the card at this time, the entire process of the
check is completed. The functionality test uses 1 card from the dispenser.
Select "CLEANING" and press the TEST Button.
If the CARD R/W is not initialized, it will be initialized rst. :INITIALIZE is displayed.
The following message appears to show that the R/W is ready for insertion of the cleaning card:
-- PLEASE INSERT CLEANING CARD --
Insert the cleaning card into the R/W.
On the screen, the status display is replaced with "CLEAN", and cleaning begins.
Once cleaning ends after a lapse of a certain time, the R/W automatically ejects the card.
The status display changes from "CLEAN" to "READY."
NO ERROR is displayed on the screen.
Select "CHECK R/W" and press the TEST button.
R/W operates automatically as follows:
If the CARD R/W is not initialized, it will be initialized rst. :INITIALIZE is displayed.
Close the shutter: SHUTTER is displayed.
Takes out the card from the dispenser: GET is displayed.
Saves the sample data onto the card: SAVE is displayed.
Print the sample data onto the card: PRINT is displayed.
Loads the data on the card for comparison with the sample data: LOAD is displayed.
Open the shutter: SHUTTER is displayed.
Ejects the card: OUT is displayed.
Draws out the card. Now the entire process of the check is completed.
If execution of the operation check results in display of NG, check the error condition. If you can
take action against the error, execute the operation check again after you take the proper action.
If you cannot take action against the error, repeat the check several times. If the result of the
check is still NG, clean the R/W.
If the subsequent execution of the operation check still results in NG, the R/W may be faulty.
If an error occurs, it is cleared by executing the INITIALIZE command.
Note that, when an error has occurred, the R/W only accepts this command (except EXIT).
Cleaning refers to the optional cleaning of the heads on the CARD R/W.
Refer to section <7-2> Head Cleaning for details on the use of the cleaning card.
CLEANING PROCESS
TESTING FUNCTIONALITY

56
www.seuservice.com
57 www.seuservice.com
GAME TEST MODE
CLOSE SETTING
24:00
-> EXIT
SELECT WITH SERVICE BUTTON
AND PRESS TEST BUTTON
H. CLOSE SETTING
Select CLOSE SETTING to display the following screen.
Change the setting for the time when the store closes.
The game will be unusable for card play starting 15 minutes before the time you set until 6:00
AM the next morning.
FIG. 10. 3 ha CLOSE SETTING Screen
You can set SCHEDULE TYPE to DAY, WEEK or OFF. Press the TEST Button to select the
item. (The unit is shipped with SCHEDULE TYPE set to OFF.)
Move the cursor to SETTING and press the TEST Button to display the appropriate time setting
screen.
DAY: Set the daily store closing time. This time setting will be used every day
FIG. 10. 3 hb CLOSE SETTING (DAY) Screen
Set the daily store closing time. When you press the SERVICE Button, the "hour" display will
begin to ash. Press the TEST Button to select any hour from "19" to "26".
Press the SERVICE Button again to accept the "hour" selection. Once accepted, the "minute"
display will then begin to ash. Press the TEST Button to select one of the following "minute"
options: "00, 15, 30, 45". Press the SERVICE Button again to accept the "minute" selection.
When complete, move the cursor to EXIT. If you press the SERVICE Button when the cursor
is next to EXIT, the "hour" display will begin to ash again indicating that you can change the
settings.
Move the cursor to EXIT and press the TEST Button to return to the CLOSE SETTING screen.
GAME TEST MODE
CLOSE SETTING
SCHEDULE TYPE : DAY
SETTING
-> EXIT
SELECT WITH SERVICE BUTTON
AND PRESS TEST BUTTON

56
www.seuservice.com
57 www.seuservice.com
FIG. 10. 3 hc CLOSE SETTING (WEEK) Screen
WEEK: Set a different store close time for each day of the week
Set the store closing time for each day of the week. When you press the SERVICE Button, the
"hour" display will begin to ash. Press the TEST Button to select any hour from "19" to "26".
Press the SERVICE Button again to accept the "hour" selection. Once accepted, the "minute"
display will then begin to ash. Press the TEST Button to select one of the following "minute"
options: "00, 15, 30, 45". Press the SERVICE Button again to accept the "minute" selection.
Once accepted, the "hour" display for the next day of the week will begin to ash. Set the "hour"
and "minute" settings in the same fashion as described above.
When you have completed setting the time for SAT, move the cursor to EXIT. If you press the
SERVICE Button when the cursor is next to EXIT, the "hour" display for SUN will begin to ash
again indicating that you can change the settings.
Move the cursor to EXIT and press the TEST Button to return to the CLOSE SETTING screen.
OFF: Do not set any store closing times. Other SETTING items are not displayed
GAME TEST MODE
CLOSE SETTING
SUN : 24:00
MON : 24:00
TUE : 24:00
WED : 24:00
THU : 24:00
FRI : 24:00
SAT : 24:00
-> EXIT
SELECT WITH SERVICE BUTTON
AND PRESS TEST BUTTON

58
www.seuservice.com
59 www.seuservice.com
Select BOOKKEEPING to display the following screens of operating status data. Each time the
TEST Button is pressed, the ensuing page appears. Pressing the TEST Button while the 5/5 page
is displayed causes the Game Test Menu to return on the screen.
I. BOOKKEEPING
GAME TEST MODE
BOOKKEEPING 1/5
NUMBER OF GAMES 0
NUMBER OF NETWORK PLAY 0
NUMBER OF CARD 0
NUMBER OF CARD PLAY 0
PLAY TIME 0D 0H 0M 0S
AVERAGE PLAY TIME 0M 0S
LONGEST PLAY TIME 0M 0S
SHORTEST PLAY TIME 0M 0S
PLAY TIME HISTOGRAM
0M 0S ~ 0M59S 0
1M 0S ~ 1M59S 0
2M 0S ~ 2M29S 0
2M30S ~ 2M59S 0
3M 0S ~ 3M29S 0
3M30S ~ 3M59S 0
4M 0S ~ 4M29S 0
4M30S ~ 4M59S 0
5M 0S ~ 5M29S 0
5M30S ~ 5M59S 0
6M 0S ~ 6M29S 0
OVER 6M30S 0
PRESS TEST BUTTON TO CONTINUE
NUMBER OF GAMES: total number of games played
NUMBER OF NETWORK PLAY: total number of network games played
NUMBER OF CARD: total number of cards purchased
NUMBER OF CARD PLAY: number of games played with cards
(selecting continue during card play gets added to this count)
PLAY TIME: total amount of game play time
AVERAGE PLAY TIME: average game play time
LONGEST PLAY TIME: longest game play time
SHORTEST PLAY TIME: shortest game play time
PLAY TIME HISTOGRAM: table of play times
FIG. 10. 3 i BOOKKEEPING (1/5) Screen

58
www.seuservice.com
59 www.seuservice.com
Press the TEST Button to move to screen 2/5 of BOOKKEEPING.
GAME/LEGEND OF THE STREETS: Displays the number of times each rival character
was selected in "Legend of the Street" mode. "MYOGI-1"
refers to the rst rival in MYOGI which is "COLE"
Press the TEST Button to move to screen 3/5 of BOOKKEEPING.
FIG. 10. 3 i BOOKKEEPING (2/5) Screen
FIG. 10. 3 i BOOKKEEPING (3/5) Screen
GAME/TIME ATTACK: Displays the number of times each course was selected in TIME
ATTACK mode
GAME/NETWORK GAME: Displays the number of times each course was selected in
NETWORK GAME mode
TRANSMISSION SELECT: Displays the number of times each TRANSMISSION was
selected in all game modes
GAME TEST MODE
BOOKKEEPING 3/5
GAME / TIME ATTACK
MYOGI 0
USUI 0
AKINA 0
HAPPOGAHARA 0
GAME / NETWORK GAME
MYOGI 0
USUI 0
AKINA 0
HAPPOGAHARA 0
TRANSMISSION SELECT
AUTOMATIC 0
MANUAL 0
PRESS TEST BUTTON TO CONTINUE
GAME TEST MODE
BOOKKEEPING 2/5
GAME / LEGEND OF THE STREETS
MYOGI-1 0
MYOGI-2 0
MYOGI-3 0
MYOGI-4 0
USUI-1 0
USUI-2 0
USUI-3 0
USUI-4 0
AKINA-1 0
AKINA-2 0
AKINA-3 0
AKINA-4 0
HAPPOGAHARA-1 0
HAPPOGAHARA-2 0
HAPPOGAHARA-3 0
HAPPOGAHARA-4 0
HAPPOGAHARA-5 0
SPECIAL 0
PRESS TEST BUTTON TO CONTINUE

60
www.seuservice.com
61 www.seuservice.com
Press the TEST Button to move to screen 4/5 of BOOKKEEPING.
FIG. 10. 3 i BOOKKEEPING (4/5) Screen
FIG. 10. 3 i BOOKKEEPING (5/5) Screen
CAR SELECT: Displays the number of times each car was selected
Press the TEST Button to move to screen 5/5 of BOOKKEEPING.
Move the cursor to EXIT and press the TEST Button to return to the Game Test Menu screen.
GAME TEST MODE
BOOKKEEPING 4/5
CAR SELECT
TRUENO 0
LEVIN 0
MR-2 0
MR-S 0
GTR(BNR32) 0
GTR(BNR34) 0
SILVIA(S13) 0
SILVIA(S14) 0
SILVIA(S15) 0
180SX 0
SILEIGHTY 0
CIVIC(EK9) 0
CIVIC(EG6) 0
INTEGRA 0
S2000 0
PRESS TEST BUTTON TO CONTINUE
GAME TEST MODE
BOOKKEEPING 5/5
CAR SELECT
RX-7(FD3S) 0
RX-7(FC3S) 0
ROADSTER 0
IMPREZA(GC8) 0
IMPREZA(GDB) 0
LANCER EVO3 0
LANCER EVO4 0
LANCER EVO7 0
PRESS TEST BUTTON TO EXIT

60
www.seuservice.com
61 www.seuservice.com
J. BACKUP DATA CLEAR
Delete all BOOKKEEPING screen data. Use BACKUP DATA CLEAR in the SYSTEM TEST
MODE to delete data about coin/credit collection.
Deleting this data does not affect the game settings or other data stored by the game.
Deleting this data will delete the data showing how many times the CARD R/W was used.
After deleting the data, the CARD R/W automatically enters Head Cleaning mode.
Refer to section <7-2> Head Cleaning for more information about head cleaning.
FIG. 10. 3 j BACKUP DATA CLEAR Screen
To clear data, use the SERVICE Button to move the cursor to YES (CLEAR) and then press the
TEST Button. When the data has been cleared, the message "COMPLETED" will be displayed.
Press the TEST Button again to return to the Game Test Menu screen.
Move the cursor to NO (CANCEL) and press the TEST Button to return to the Game Test Menu
screen without clearing the data.
GAME TEST MODE
BACKUP DATA CLEAR
YES(CLEAR)
-> NO (CANCEL)
SELECT WITH SERVICE BUTTON
AND PRESS TEST BUTTON

62
www.seuservice.com
63 www.seuservice.com
11. CONTROL PANEL
In order to prevent an electric shock and short circuit, be sure to turn power
off before performing work by touching the interior parts of the product.
Be careful not to damage the wires. Damaged wires may cause electric
shock or short circuit or present a re risk.
Do not touch undesignated places. Touching places not designated can
cause electric shock or short circuit.
This work should be performed by the Location's Maintenance Man or
Serviceman. Performing work by non-technical personnel can cause
electric shock hazard.
Do not perform work other than those specied in this Manual in order to
prevent accidents during performing work and operation after performing
work. Performing work not specied in this Manual may require special
training for this product. If performing work other than those stated in this
manual is required for repair, contact the ofces herein stated in this manual
or where you purchased the product from and ask for repair or inquire how
to repair.
Be very careful when soldering. Handling a soldering iron carelessly may
result in a re or a burn.
Be extremely careful when heating the heat-shrinkable tube. Failure to do
so may result in a re or burns.
Exercise extreme caution when handling the internal parts of the Control
Panel. Watch out for damage, warping and loss. The loss of just one piece
may result in damage to or lead to faulty operation of the entire unit.
When securing the plastic-made parts, do not excessively fasten screws and
nuts. Failure to observe this may damage the parts and cause injury due to
fragments resulting from damage.
Be sure to perform volume's move value setting in the Volume Setting in the
Test Mode after replacing or adjusting the Volume. (See 10-3E.)
CAUTION!
STOP
IMPORTANT!
WARNING!

62
www.seuservice.com
63 www.seuservice.com
11-1 REMOVING THE CONTROL PANEL
Poor handle response/lack of response when adjusting the Volume in Test Mode may be caused
by faulty Volume alignment and/or a damaged Volume.
Follow the instructions below to adjust the gear alignment and/or replace the Volume.
If the Volume Shaft is rotating within its normal area of mobility, there is little chance the
Volume can be damaged by rotating the handle as far as possible to the left/right. With the handle
in the center position, i.e. straight, and the Volume Shaft in the same direction shown in the
diagram, attach the Volume so that it aligns properly with the gears. In order to adjust or replace
the Volume, follow the instructions below to remove the Control Panel.
A 5 mm hexagonal wrench is required for the following procedure.
Turn off the power.
Remove the 6 hexagon socket screws from the Control Panel.
Unplug the 5 connectors and
remove the Control Panel. Be
careful not to damage any of the
wiring.
HEXAGON SOCKET SCREW (total 6), black
PHOTO 11. 1 a
PHOTO 11. 1 b
CONNECTOR (5)
BROWN: 4P
YELLOW: 10P,12P
RED: 3P,6P

64
www.seuservice.com
65 www.seuservice.com
ADJUSTMENT PROCEDURE
11-2 ADJUSTING/REPLACING THE VOLUME
Loosen the 2 screws that secure the VR Bracket and move the VR Bracket to adjust the angle and
condition of the gear alignment.
Keeping the handle straight, align the gears so that the direction of the D Cut side of the Volume
Shaft matches that shown in the diagram.
Tighten the 2 screws and secure the VR Base.
After making adjustments, use the Volume Setting Screen to set the Volume (refer to 10-3E).
The recommended value for the handle Volume is "80H" when the handle is set straight.
Verify that the value decreases when the handle is rotated to the left and increases when rotated
to the right. Use the Test Mode to view the Volume value (refer to 10-3B).
FIG. 11. 2 a

64
www.seuservice.com
65 www.seuservice.com
FIG. 11. 2 b
Loosen the 2 hexagon socket screws on the Gear Holder and remove the Gear Holder.
Remove the nut securing the VR Bracket, then separate the Volume from the VR Bracket and
replace it.
Remove the connectors.
Remove the 2 screws securing the VR Bracket and remove the entire Bracket and Volume.
This procedure requires the following tools: Philips screwdriver for the M4 screws, 2 mm
hexagonal wrench, 11—12mm monkey wrench, nipper, cutter, wire stripper, soldering iron and
industrial dryer.
VR BRACKET
CONNECTOR (1)
RED 3P
PHOTO 11. 2
REPLACEMENT PROCEDURE
SCREW (2)
M4×10, w/at & spring washers

66
www.seuservice.com
67 www.seuservice.com
11-3 GREASING
Use spray grease once every three months to grease up the gear mesh portion of the constituent
parts.
Use "Grease Mate" (part number 090-0066) for the spray grease.
FIG. 11. 3
Grease is inammable and must never be close to re.
Grease may be apt to be erroneously used or drunk, and must not be placed in
a location where children can access.
Grease does harm to your body if you aspirate it. Do not perform any work
related to grease in a location where ventilation is insufcient.
If grease enters an eye, eye irritation may be caused. Take care to prevent it
from entering your eyes (for example, by wearing protective goggles).
Should grease enter an eye, rinse it in clean water and have your illness
diagnosed by a doctor.
If grease touches a human skin, skin irritation may be caused. Take care to
prevent grease from touching your skin (for example, by wearing protective
gloves).
Should grease touch your skin, fully wash it using water and soap.
Be sure to use the designated type of grease. If a non-designated type grease is
used, components may break.
The period for greasing specied herein is a standard. Apply greasing to the
specied portions as occasion arises.
CAUTION!
STOP
IMPORTANT!
WARNING!

66
www.seuservice.com
67 www.seuservice.com
12. SHIFT LEVER
In the Test Mode, if the SHIFT LEVER's SW can not be inputted satisfactorily, replace the
Switch. Apply greasing to the Mechanism's sliding portion once every 3 months.
When performing the above work, remove the Shift Lever Unit.
Turn the Power SW off.
Remove the 4 Tamperproof
Screws to lift the Shift Lever
Unit.
Disconnect the Connector to
remove the Shift Lever Unit.
When reinstalling, follow the
procedure opposite as when
removing. At this time, ensure
that "DOWN" display appears
on the upper part as shown.
Before starting to work, ensure that the Power SW is OFF. Failure to observe
this can cause electric shock and short circuit hazards.
Use care so as not to damage wirings. Damaged wiring can cause electric
shock and short circuit hazards.
12-2 SWITCH REPLACEMENT
Disconnect the wiring Connector of the
Switch to be replaced.
Remove the 2 Tapping Screws to replace
the Microswitch.
12-3 GREASING
Apply greasing once in 3 months to the
specied portions.
For spray grease, use NOK KLUBER L
60 or Grease Mate (Part No. 090-0066).
TAMPERPROOF SCREW (4),black
FIG. 12. 1
TAPPING SCREW (2)
M3×16
GREASING
MICROSWITCH 509-5704
FIG. 12. 2
After reinstalling, be sure to check INPUT TEST in the
test mode. (See 10-3B.)
12-1 REMOVING THE SHIFT LEVER
WARNING!

68
www.seuservice.com
69 www.seuservice.com
ADJUSTING PROCEDURE
13. ACCELERATOR & BRAKE
Before starting to work, ensure that the Power SW is OFF. Failure to observe
this can cause electric shock or short circuit.
Use care so as not to damage wirings. Damaged wiring can cause electric
shock or short circuit.
Do not touch undesignated places. Touching places not designated can cause
electric shock or short circuit.
This work should be performed by the Location's Maintenance Man or
Serviceman. Performing work by non-technical personnel can cause electric
shock hazard.
When performing work such as parts replacement other than those specied
in this manual, be sure to contact where you purchased the product
from. Conrm the work procedures and obtain precautions from where
you purchased the product prior to performing work. Inappropriate parts
replacement and/or installation with erroneous adjustment can cause an
overload or the parts to come into contact, resulting in an electric shock, a
short circuit, and a re.
If Accel. and Brake operation is not satisfactory, adjustment of volume installation position or
volume replacement is needed. Also, be sure to apply greasing to the gear mesh portion once
every 3 months.
13-1 ADJUSTING OR REPLACING THE VOLUME
The following tools are required for the operations below: Phillips screwdrivers for M4 and M5.
The appropriate value for both ACCEL. Volume and Brake Volume is under 30H when released
and over C0H when stepped on. Check Volume values in the TEST mode. Since work is
performed inside the energized cabinet, be very careful so as not to touch undesignated places.
Touching places not specied can cause electric shock or short circuit.
Take out the 2 truss screws and
remove the Front Cover from the
Accel. & Brake Unit (FIG. 13. 1 a).
TRUSS SCREW(2),chrome
M4×8
FRONT COVER
FIG. 13. 1 a
Be sure to perform volume's move value setting in the Volume Setting in the Test
Mode after replacing or adjusting the Volume. (See 10-3E.)
WARNING!
STOP
IMPORTANT!

68
www.seuservice.com
69 www.seuservice.com
REPLACING THE VOLUME
Turn the power off.
Take out the 2 screws and remove the
Potentiocover (FIG. 13. 1 c).
Disconnect the connector of the
volume to be replaced.
Remove the screw which secures the
Potentiobase (FIG. 13. 1 b).
Remove the Potentiobase together
with the volume as is attached.
(FIG. 13. 1 c)
Remove the base and the gear to
replace the volume.
Adjust the volume as per the previous
page after replacing.
TRUSS SCREW (2)
M4×8
POTENTIOCOVER
POTENTIOBASE
FIG. 13. 1 c
13-2 GREASING
Be sure to use the designated
grease. Using undesignated grease
can cause parts damage.
Use spray grease once every three months to
grease up the Spring and gear mesh portion.
For spray greasing, use GREASE MATE
(PART No. 090-0066).
GREASING
SCREW
M5×12,w/at &
spring washers
POTENTIOBASE
FIG. 13. 1 b
V.R.
220-5484
220-5753
Loosen the screw which secure
the Potentiobase, and adjust the
Volume value by moving the
Base. (FIG. 13. 1 b)
Secure the Potentiobase.
Perform volume setting in the
volume setting mode.
(See 10-3E.)
FIG. 13. 2
STOP
IMPORTANT!

70
www.seuservice.com
71 www.seuservice.com
14. COIN SELECTOR
FIG. 14 b
FIG. 14 a
COIN INSERTION TEST
Once every month, when performing
the Coin SW Test, simultaneously
check the following:
FIG. 14 c
GATE
CRADLE
Remove and clean smears by using a
soft cloth dipped in water or diluted
chemical detergent and then squeezed
dry.
Never apply machine oil, etc. to the
Coin Selector.
After cleaning the Coin Selector, insert
a regular coin in the normal working
status and ensure that the Selector cor-
rectly functions.
If the coin is not rejected when the REJECT button is pressed, open the coin chute door and
open the selector gate. After removing the jammed coin, put a normal coin in and check to see
that the selector correctly functions.
Insert a coin while keeping
the Reject Button pressed
down and check if it is
rejected.
COIN METER
(1) Turn the power for the machine OFF. Open the
coin chute door.
(2) Remove the coin selector from the coin chute door.
(3) Open the gate and dust off by using a soft brush
(made of wool, etc.).
(4) Remove and clean smears by using a soft cloth
dipped in water or diluted chemical detergent and
then squeezed dry.
(5) Remove the CRADLE.
When removing the retaining ring
(E ring), be very careful so as not to bend the
rotary shaft.
(6) Remove stain from the rotary shaft and shaft
receiving portions by wiping off with a soft cloth,
etc.
(7) After wiping off as per (6) above, further apply
a dry cloth, etc. to cause the coin selector to dry
completely.
Does the Coin Meter count satisfactorily?
Does the coin drop into the Cashbox correctly?
Is the coin rejected when inserted while keeping the
Reject Button pressed down?
The coin selector should be cleaned once every 3 months.
When cleaning, follow the procedure below:
HANDLING THE COIN JAM
CLEANING THE COIN SELECTOR
STOP
IMPORTANT!

70
www.seuservice.com
71 www.seuservice.com
COIN DOOR

72
www.seuservice.com
73 www.seuservice.com
Primary side and Secondary side
The monitor's circuit which is divided into the Primary side
and Secondary side, is electrically isolated. Do not touch
the primary side, or do not touch both the primary side
and the secondary side simultaneously. Failing to observe
the instruction can cause electric shock and this is very
dangerous. When making monitor adjustments, use a non-
conductive driver and make adjustment without touching
any part other than the Adjustment V. R. and knob. Also,
be sure not to cause a short-circuit to the Primary side and
Secondary side. If short-circuited, it can cause electric
shock or malfunctioning, which is very dangerous.
High-tension Voltage
Some of the parts inside monitor are subject to high-tension voltage in excess of 20,000 volts and
very dangerous. Therefore, do not touch the monitor interior. Should soldering & paper wastes,
etc. be mixed in the monitor interior, turn the power off so as not to cause malfunctioning or re
hazard.
Static Electricity
Touching the CRT surface sometimes causes you to slightly feel electricity. This is because the
CRT surfaces are subject to static and will not adversely affect the human body.
Installation and removal
Ensure that the Magnetizer Coil, FBT (Fly-Back Transformer), Anode Lead and Focus Lead are
not positioned close to the sheet metal work's sharp edges, etc. and avoid damaging the insulated
portions so as not to cause electric shock and malfunctioning. (For the name of parts, refer to the
above Figures).
SECONDARY SIDE
(Chassis, CRT)
ANODE LEAD
Approx. 29 kV MAIN BD
FBT Approx.
29 kV
ANODE CAP
FOCUS LEAD
(black)
Approx. 10 kV
SECONDARY SIDE
(Chassis, sheet metal work, CRT, etc.) Disconnect or unplug
NECK PCB
Approx.
10 kV
REAR PART
PRIMARY SIDE
Connecting the CRT and PCB
For combining the CRT and PCB, use the specied part No. to maintain the status of adjustments
made at the factory. The anode of the CRT itself will be accumulatively charged as time elapses,
generating high-tension voltage which is very dangerous. The monitor should be used with the
Chassis, CRT and PCB assembled. When repair, etc. is required at the time of malfunctioning, be
sure to send it in an "as is assembled" condition. If these are disassembled, what's charged to said
high tension voltage can be discharged, causing a very hazardous situation. Therefore, under no
circumstances should it be disassembled.
When performing such work as installing and removing the monitor, inserting and disconnecting
the external connectors to and from monitor interior and the monitor, be sure to disconnect the
power connector (plug) before starting the work. Proceeding the work without following this
instruction can cause electric shock or malfunctioning.
Using the monitor by converting it without obtaining a prior permission is not allowed. SEGA
shall not be liable for any malfunctioning and accident caused by said conversion.
15. MONITOR
Before handling the monitors, be sure to read the following explanations and comply with the
caution/warning instructions given below. Note that the caution/warning symbol marks and letters
are used in the instructions.
Indicates that handling the monitors by
disregarding this caution may cause a
potentially hazardous situation, which could
result in personal injury and or material
damage.
Indicates the instruction to disconnect a power
connector or to unplug.
Indicates that handling the monitors
erroneously by disregarding this warning
may cause a potentially hazardous situation,
which could result in death or serious injury.
Indicates that access to a specic part of the
equipment is forbidden.
PRIMARY
SIDE
DEMAGNETIZER
COIL
DEMAGNETIZER COIL
15-1
CAUTIONS AND WARNINGS CONCERNING THE SAFETY FOR HANDLING THE MONITORS
WARNING!
WARNING!
WARNING!
CAUTION!
CAUTION!

72
www.seuservice.com
73 www.seuservice.com
For the purpose of static prevention, special coating is applied to the CRT face
of this product. To protect the coating, pay attention to the following points.
Damaging the coating lm can cause electric shock to the customers.
15-2 CLEANING THE CRT SURFACES
Static preventive coating is applied to the CRT surfaces. When cleaning, pay
attention to the following points. Peeling off of static preventive coat can cause
electric shock.
Remove smears by using a dry, soft cloth (annels, etc.). Do not use a coarse
gauze, etc.
For smear removing solvent, alcohol (ethanol) is recommended. When using
chemical detergent, be sure to follow instructions below:
• Dilute chemical detergent with water and dip a soft cloth in and then thor-
oughly wring it to wipe smears off.
• Do not use a chemical detergent containing an abradant, powder or bleaching
agent.
• Do not use alkaline chemical detergents such as "glass cleaner" available on
the market or solvents such as thinner, etc.
Do not rub or scratch the CRT face with hard items such as brushes, scrub
brush, etc.
Clean the CRT surfaces once a week. When cleaning, pay attention to the above caution so that
the antistatic coating will not come off.
Aluminum Foil
Do not apply or rub with
a hard item (a rod with
pointed edge, pen, etc.) to
or on the CRT surfaces.
Avoid applying stickers,
seals, etc. on the CRT face.
Do not remove aluminum
foils from the CRT corners.
Removing the aluminum
foils can cause static
prevention effects to be
lowered.

74
www.seuservice.com
75 www.seuservice.com
SANWA Monitor: 998-0156 (31K Mode)
CONTRAST BRIGHT H SIZE H POSI V SIZE V POSI
1234 5 6
CONTRAST............... Adjust image contrast.
BRIGHT...................... Controls screen brightness.
H. SIZE........................Controls horizontal screen size.
H. POSI........................Controls horizontal display position on screen.
V. SIZE.........................Controls vertical screen size.
V. POSI.........................Controls vertical display position on screen.
1
2
3
4
5
6

74
www.seuservice.com
75 www.seuservice.com
16.
REPLACING THE FLUORESCENT LAMP/OTHER LAMPS
When performing work, be sure to turn power off. Working with power on
can cause electric shock and short circuit hazards.
The Fluorescent Lamp, when it gets hot, can cause burn. Be very careful
when replacing the Fluorescent Lamp.
Be sure to use lamps of the designated rating. Using lamps of undesignated
rating can cause a re or malfunctioning.
To perform work safely and securely, be sure to prepare a step which is in
a secure and stable condition. Performing work without using the step can
cause violent falling down accidents.
Be careful when handling the plastic parts. Failure to observe this may cause
injury due to damage or fragments resulting from damage.
When replacing the uorescent lamps, it is recommended to replace the glow bulb
as well.
When performing work, prepare a step.
CAUTION!
STOP
IMPORTANT!
WARNING!
* Note: Picture may appear different then acutal Unit.

76
www.seuservice.com
77 www.seuservice.com
Turn off the power.
Remove the 2 Truss screws and remove FL Side Cover R.
Remove the 2 Truss screws and remove FL Side Cover L from the opposite side in the same
manner.
Remove the 2 Plate screws and remove the FL Cover.
Fluorescent lamps may be replaced once the FL Cover is removed.
FL COVER
PLATE SCREW (2)
FL SIDE COVER L
FL SIDE COVER R
TRUSS SCREW (4),chrome
FIG. 16
Turn off the power.
Remove the 4 truss screws securing
the Button Plate.
TRUSS SCREW (4),chrome
M4×10
PHOTO 16 a
FLUORESCENT LAMPS IN THE FL BOX
FLUORESCENT LAMP 24” Long 20W CoolWhite
START BUTTON LAMP, CHANGE VIEW BUTTON LAMP
* Note: Image may differ from actual game.
* Note: Button Plate will appear different on US Games.

76
www.seuservice.com
77 www.seuservice.com
Press and turn the lamp counter-clockwise to remove it.
PHOTO 16 d
Remove the Button Plate.
The Button Plate contains wiring
connections. Remove this panel,
taking care not to damage the
wiring.
Disconnect the connector.
CONNECTOR (1)
YELLOW 12P
PHOTO 16 b
There is a metal tting at the
base of the buttons on the Button
Plate. Rotate this metal tting to
unlock it, then remove the wiring
connection from the button.
PHOTO 16 c
UNLOCK

78
www.seuservice.com
79 www.seuservice.com
ITEMS DESCRIPTION PERIOD REFERENCE
CABINET Check Adjusters'contact with surface. Daily 3
CARD READER/WRITER Head cleaning
Every 101 counts of
7
the card reader/writer or Daily
CONTOROL PANEL Cleaning As necessary --
Inspection of VR Monthly 10, 11
Inspection of adjusting gear mesh Trimonthly 11-2
Greasing Trimonthly 11-3
SHIFT LEVER Inspection of SW Monthly 10, 12
Greasing Trimonthly 12-3
ACCEL. & BRAKE Inspection of VR Monthly 10, 13
Gear and Spring portion greasing Trimonthly 13-2
MONITOR SCREEN cleaning. Weekly 15-2
Check adjustments.
Monthly or when moving.
6, 10, 15
COIN CHUTE DOOR Inspection of COIN SW Monthly 10
Coin insertion test Monthly 14
Cleaning of COIN SELECTOR. Trimonthly 14
SEAT Greasing to the seat rail Trimonthly FIG.17
GAME BD MEMORY TEST Monthly 10
Check settings. Monthly 10
POWER SUPPLY PLUG Inspection and cleaning Annually See above.
INTERIOR Cleaning
CABINET SURFACES Cleaning As necessary Next Page
17. PERIODIC INSPECTION TABLE
The items listed below require periodic check and maintenance to retain the performance of this
machine and to ensure safe business operation.
When handling the controller, the player will be in direct contact with it . In order to always
allow the player to enjoy the game, be sure to clean it regularly. Also, it is advisable to provide
wet tissue, etc. available for player use.
Be sure to check once a year to see if Power Cords are damaged, the plug
is securely inserted, dust is accumulated between the Socket Outlet and the
Power Plug, etc. Using the product with dust as is accumulated can cause re
and electric shock hazards.
Never use a water jet, etc. to clean inside and outside the cabinet. If wetness
occurs for any reason, do not use the product until it has completely dried.
Periodically once a year, request the place of contact herein stated or the
Distributor, etc. where the product was purchased from, as regards the internal
cleaning. Using the product with dust as is accumulated in the interior with-
out cleaning can cause a re or accident. Note that cleaning the interior parts
can be performed on a pay-basis.
TABLE 17
WARNING!

78
www.seuservice.com
79 www.seuservice.com
FIG. 17
Move the Seat to the rearmost position and apply
spray greasing to the portion shown at the right
once every 3 months by using NOK KLUBER L60
or GREASE MATE SEGA PART No. 090-0066.
After greasing, move the Seat a few times forward
and backward so as to allow the grease to be
applied all over uniformly. Be sure to wipe grease
which attaches to the surfaces of the PROTECT
RUBBER on the Seat Rail, or any excess grease.
SEAT (Greasing to Seat Rail Portion)
CLEANING THE CABINET SURFACES
When the cabinet surfaces are badly soiled, remove stains with a soft cloth dipped in water or
diluted (with water) chemical detergent and squeezed dry. To avoid damaging surface nish, do
not use such solvents as thinner, benzine, etc. other than ethyl alcohol, or abrasives, bleaching
agent and chemical dustcloth.

80
www.seuservice.com
81 www.seuservice.com
18. TROUBLESHOOTING
18-1 CARD READER/WRITER
If this machine detects an error during the operation of the Card Reader/Writer, it will display
the error messages listed below. Perform the appropriate maintenance based on the content of the
error message displayed.
Should an error occur, do not attempt to open the top cover of the Card Reader/Writer. The unit
will attempt to save the data to the customer's card and restore the game if the top cover is closed
and the RESTORE command (hold down the Start button + Change View button for a short time)
is used. However, attempting to use the RESTORE command after the top cover has been opened
may force the game to shut down and not save data to the card.
When the game shuts down or the unit is reset, the data on the customer's card is not saved. In
order to save customer data, perform the proper maintenance carefully.
TABLE 18. 1 a
Error occurred while reading
card. Card will be ejected
without saving data. Please
press the Start and Change View
buttons.
Error occurred while saving
data. Please notify a store
attendant. Please press the Start
and Change View buttons.
Printing error. Card will be
ejected without printing or
saving data. Please press the
Start and Change View buttons.
A shutter error has occurred.
Please remove any cards present
in card insertion slot. Please
press the Start and Change View
buttons.
This message is displayed after
several failed attempts to read
the card at the end of the game.
This message is displayed after
several failed attempts to save
data to the card at the end of the
game.
This message is displayed after
several failed attempts to print
at the end of the game.
This message is displayed when
the shutter is forced open or if
the unit detects a problem with
the shutter.
This message is displayed when
the unit is unable to open/close
the shutter.
Press the Start button and Change View button
at the same time to eject the card and end the
game.
Leave the card in place and press the Start
button and Change View button at the same
time to retry the save operation.
Remove the card and press the Start button
and Change View button at the same time to
restore or end the game.
If this error occurs several times, use Test
Mode to perform manual cleaning. (See 10-
3G.)
Press the Start button and Change View button
at the same time to eject the card and end the
game.
Correct the problem, then press the Start
button and Change View button at the same
time to restore the game. Circumstance may
force the game to shut down.
Correct the problem, then press the Start
button and Change View button at the same
time to restore the game.
ERROR DISPLAY CAUSE COUNTERMEASURES

80
www.seuservice.com
81 www.seuservice.com
TABLE 18. 1 a
This card cannot be used. Card
will be ejected without saving
data. Please press the Start and
Change View buttons.
Card jam. Ejecting card. Please
press the Start and Change View
buttons.
There is a problem with the card
reader/writer. Please notify a
store attendant. Please turn off
the power and start again.
The card reader/writer is not
responding. Please notify a
store attendant. Check the
card reader/writer is connected
properly, turn off the power and
start again.
SCIF Error. Please notify a
store attendant. Check that the
card reader/writer is connected
properly, turn off the power and
start again.
Card jam. Remove the card and
press the Start and Change View
buttons. If the card cannot be
removed, please notify a store
attendant.
This message is displayed when
the card in the Card Reader/
Writer is not a proper player
card at the end of the game.
This message is displayed when
various operations fail because
of dirty rollers or heads.
This message is displayed when
there is a problem with the
Card Reader/Writer and it sends
improper signals.
This message is displayed at
power-up during advertisements
when the Card Reader/Writer is
not connected properly or when
it is broken and unresponsive.
This message is displayed when
a communication error occurs
between the Card Reader/Writer
and the game board.
This message is displayed when
various operations fail because
of dirty rollers or heads.
This message is displayed when
a card jam is suspected when
there should be no card in the
Card Reader/Writer.
Press the Start button and Change View button
at the same time to eject the card and end the
game.
Press the Start button and Change View button
at the same time to eject the card and restore
the game.
If this error occurs several times, use Test
Mode to perform manual cleaning. (See 10-
3G.)
Verify there are no problems with the shutter
and that the top cover is closed and then
restart the unit. (See 7-3.)
Verify that the Card Reader/Writer is
connected properly and then restart the unit.
(See Section 24.)
Verify that the Card Reader/Writer is
connected properly and then restart the unit.
(See Section 24.)
If this error occurs several times, check
the immediate area for sources of possible
interference.
Leave the card in place and press the Start
button and Change View button to retry the
operation.
Remove the card and press the Start button
and Change View button at the same time to
restore or end the game (refer to 7-3).
If this error occurs several times, use Test
Mode to perform manual cleaning. (See 10-
3G.)
Press the Start button and Change View button
at the same time after removing the card or
correcting the problem to restore the game.
(See 7-3.)
ERROR DISPLAY CAUSE COUNTERMEASURES

82
www.seuservice.com
83 www.seuservice.com
The following error messages are displayed when problems are detected during unit power-up
(during initialization of the Card Reader/Writer). Perform the appropriate maintenance based on
the content of the error message displayed.
TABLE 18. 1 b
CARD R/W ERROR!
PLEASE INSERT CLEANING
CARD.
PLEASE WAIT
CAN'T EJECT
This message is displayed
at power-up when the Card
Reader/Writer is not connected
properly or when it is broken and
unresponsive.
This message is displayed when
the conditions prompting an
automatic Card Reader/Writer
cleaning are met.
This message is displayed during
network setup while the other unit
is being initialized.
This message is displayed at
power-up when, after attempting
to do so, the Card Reader/Writer
is unable to eject a card for some
reason.
This message is displayed at
power-up when the shutter cannot
be opened/closed properly.
Verify that the Card Reader/Writer is
connected properly and then restart the
unit. (See Section 24).
If broken, contact the company from
whom the unit was purchased.
Perform the Card Reader/Writer
cleaning. (See 7-2.)
This message disappears once
initialization of the other network game
unit is complete.
Remove all cards from the Card
Reader/Writer. (See 7-3.)
Verify that there are no problems with
the shutter and then restart the unit. If
this error occurs several times, contact
the company from whom the unit was
purchased.
ERROR DISPLAY CAUSE COUNTERMEASURES
The following messages are displayed when there are limits to the Card Reader/Writer
Operation Mode. The messages are displayed in the upper right of the screen during
advertisements. The message content is updated after the "SEGA LOGO" is displayed.
If the message is not one displayed intentionally by the Operation Mode, perform the
appropriate maintenance based on the content of the error message displayed.
TABLE 18. 1 c
The machine is currently unable
to issue new cards. Please see a
store attendant to have the machine
restocked with cards.
Cards may not be used at this time.
The Card Reader/Writer Dispenser
is empty (no cards).
Cards may not be used due to
the Store Closing setting being
activated.
Restock the Dispenser with cards. (See
7-1.)
If no cards are available, contact the
company from whom the unit was
purchased.
If there is a mistake in the settings, use
Test Mode to change the Store Closing
setting. (See 10-3.)
If the setting is correct, but not
operating properly, check the internal
clock settings on the game board
(Refer to the Service Manual.)
ERROR DISPLAY CAUSE COUNTERMEASURES

82
www.seuservice.com
83 www.seuservice.com
If a problem occurs, rst check to make sure that the wiring connectors are properly connected.
18-2 TROUBLESHOOTING (WHEN NO ERROR MESSAGE IS SHOWN)
In order to prevent electric shock and short circuit, be sure to turn power off
before performing work.
Be careful so as not to damage wirings. Damaged wiring can cause electric
shock or short circuit.
After removing the cause of the functioning of the Circuit Protector, reinstate
the Circuit Protector. Depending on the cause of the functioning, using the
Circuit Protector as is without removing the cause can cause generation of heat
and re hazard.
In the event that a problem cannot be resolved by employing the procedures
listed in this Manual, be sure to request service from the ofce shown on
this Manual or the dealer from whom the product was originally purchased.
Attempts to employ procedures other than those specied in this Manual can
cause electrical shock, shorting, or re.
In the event of a problem that is not described here, be sure to contact the
ofce shown on this Manual or the dealer from whom the product was
originally purchased. Careless attempts at repair can result in electrical shock,
shorting, or re.
Functions due to the activation of
bimetal. To restore the function, wait
for approximately one minute or longer
until the bimetal cools off. (Press the
Button.)
FIG. 18. 2 a
CIRCUIT PROTECTOR
TABLE 18. 2
When the main SW is
turned ON, the machine
is not activated.
Fluorescent lamp inside
FL box doesn't light up.
The power is not ON.
Incorrect power source/voltage.
The CIRCUIT PROTECTOR
functioned due to momentary
overcurrent.
The fuse of the connect board
was blown out due to momentary
overcurrent.
Connector connection fault.
Fluorescent lamp and Glow lamp need
replacement.
Firmly insert the plug into the outlet.
Make sure that the power supply/voltage are
correct.
After eliminating the cause of overload, have
the Circuit Protector of the AC Unit restored.
(See Section 6 4 , Refer to the following.)
After eliminating the cause of overload, replace
the specied rating fuse. (Fig. 18. 2 b)
Check connector connections between the Cab-
inet and the FL box.
Replace the fluorescent lamp and the glow
lamp. (See Section16.)
PROBLEM CAUSE COUNTERMEASURES
WARNING!

84
www.seuservice.com
85 www.seuservice.com
TABLE 18. 2
Sound is not emitted.
Sounds are emitted and
the lamps are lit, but the
screen is black.
Irregular/uneven colors
on the monitor screen.
Colors on the monitor
screen are strange.
The on-screen image
sways and/or shrinks.
Does not accept input
from any switch or
volume.
Does not accept input
from the Shift Lever.
STEERING
(Servomotor) response is
incorrect.
Sound volume adjustment is not
correct.
Faulty connections for various
connectors.
Malfunctioning BD, Amp. and
Speaker.
Faulty connections for the visual
signal connector or the monitor power
connector.
Broken monitor.
Magnetization of the CRT.
Faulty connection for the visual signal
connector.
Screen adjustment is not appropriate.
The power source and voltage are no
correct.
Faulty connector connections.
Faulty connector connections.
Broken Microswitch.
Incomplete power on check.
Deviation of the volume value.
Volume gear engagement fault.
Volume malfunctioning.
Detached wires.
Adjust the Switch Unit's sound adjustment
volume . (See Section 10.)
Check the connections for the game board,
amp, speakers and Volume connectors.
Perform SOUND TEST. (See Service
Manual.)
Check the connections for the monitor and
game board connectors.
Contact the company from whom the unit was
purchased.
Press the Demag. switch on the switch unit.
(See Section 10.)
Check the visual signal connector connection
and make sure it is secured properly.
Make adjustment appropriately. (See Section
15.)
Make sure that the power supply and voltage
are correct.
Check the connection for the I/O Board and
Cabinet connector.
Check the power for the I/O Board.
Check the connections for the connectors in
the Control Panel and between the Control
Panel and the Cabinet.
Replace the Microswitch (MICROSWITCH
509-5704).
Power on and verify that the power on check
completes properly. (See Section 6 5 .)
Adjust the volume value in the Test Mode.
(See Section 10.)
Adjust the engagement of the gear. (See
Sections 10 & 11.)
Replace the volume. (See Section 11.)
Check for faulty wire connections around
moving parts.
When replacing wires, secure them so that
they do not touch any moving parts.
PROBLEM CAUSE COUNTERMEASURES

84
www.seuservice.com
85 www.seuservice.com
TABLE 18. 2
No response from
Steering (Servomotor).
Steering (Servomotor)
is week in its force
feedback.
Unsatisfactory Accel and
Brake operation.
Start button and Change
View button input does
not work and they do not
ash.
Start button and Change
View button input works,
but they do not ash.
Failure of the network
play.
Failure of power-on checking
procedure.
Faulty connector connections.
Thermal element in the Servodriver is
operating.
Momentary overload caused a fuse on
the Servodriver to blow.
Aging of the force feedback
mechanism.
Incorrect volume setting.
Faulty Volume attachment or adjust
gear alignment.
Faulty connector connection.
Failure of the volume.
Faulty connector connections.
Unveried settings or operation.
The lamp is burnt out.
Network play is wrongly set.
Communication cables are
disconnected.
Communication cables are wrongly
connected.
Damage of communication cables.
Reconnect the power and complete a power-
on checking procedure. (See Section 6 5 .)
Check the connections for the connectors
between the Game Board and Servodriver and
between the Servodriver and the Servomotor.
Occurs when the internal temperature reaches
70°C (158°F) and corrects automatically when
the unit cools.
Contact the company from whom the unit was
purchased.
Reset in the Test Mode. (See Section10.)
Adjust the volume value in the Test Mode.
(See Section 10.)
Adjust the volume attachment and verify in
Test Mode. (See Sections 10 & 13.)
Check the connections for the Accel and
Brake connectors and the connectors between
the Accel, Brake and Cabinet.
Replace the volume. (See Section 13.)
Check the connections for the connectors
between the I/O Board, the Cabinet and the
Control Panel and those inside the Control
Panel.
The Start button only ashes when Free Play
is set. Check the operation in Test Mode.
(See Section 10.)
Replace the lamp. (See Section 16.)
Reset correctly. (See Section 20.)
Reconnect the cables. (See Section 20.)
Reconnect the cables correctly.
(See Section 20.)
Replace the cables. Contact the company from
whom the unit was purchased.
PROBLEM CAUSE COUNTERMEASURES

86
www.seuservice.com
87 www.seuservice.com
In case fuse replacements other than those stated in this manual are necessary,
contact where you purchased the product from for inquiries regarding this
matter.
Fuse replacements other than those specied can cause accidents and are
strictly forbidden.
In order to prevent an electric shock, be sure to turn power off and unplug
from the socket outlet before performing work by touching the internal parts
of the product.
Be careful so as not to damage wirings. Damaged wiring can cause electric
shock and short circuit accidents.
Be sure to use fuses meeting specied rating. Using fuses exceeding the
specied rating can cause re and electric shock accidents.
After eliminating the cause of the blowing of fuse, replace the fuse.
Depending on the cause of fuse blowing, continued use with the fuse as is
blown can cause generation of heat and re hazard.
Fuses are located on the top of the Connector Board inside the Cockpit Base. Lower the Seat
and remove the Tower Bracket and Base Lid F to replace fuses.
TRUSS SCREW (4),black
BASE LID F
TRUSS SCREW (2),black
UNLOCK
FUSE
FIG. 18. 2 b
DROP CLOTH TO
PREVENT DAMAGE
TRUSS SCREW (1),black
TOWER BRACKET
REPLACING FUSES
WARNING!
* Note: Fuse location and Unit may differ from illustration.

86
www.seuservice.com
87 www.seuservice.com
TRUSS SCREW (2),black
UNLOCK DROP CLOTH TO
PREVENT DAMAGE
19-1 REMOVING THE GD-ROM DRIVE
19. GAME BOARD
In order to prevent electric shock and short circuit hazards, be sure to turn
power off before performing work.
Be careful not to damage the wires. Damaged wires may cause electric shock
or short circuit or present a re risk.
Do not expose the Game BD, etc. without a good reason. Failure to observe
this can cause electric shock hazard or malfunctioning.
Static electricity from your body may damage some electronics devices on the IC
board. Before handling the IC board, touch a grounded metallic surface so that the
static electricity can be discharged.
FIG. 19. 1
Turn the power off.
Remove 1 screw from each side of Base Lid R.
Unlock the base with the Master Key.
Turn the Lock Handle on Base Lid R to unlock the lid.
Lower the seat towards the backrest. Slowly lower the backrest until it touches the oor to
prevent damage to the seat part. Put a drop cloth on the oor to prevent damaging the surface of
the seat part.
CAUTION!
WARNING!
* Note: Unit may differ from illustration.

88
www.seuservice.com
89 www.seuservice.com
Remove the GD cable connector and the power cord connector from the GD-ROM drive.
GD-ROM DRIVE
GD Cable connector
Power cord connector
JST NH6P
PHOTO 19. 2 a
SCREW (3)
Phillips,w/at & spring washers
PHOTO 19. 2 b
Remove the 4 screws to remove the GD-ROM drive.

88
www.seuservice.com
89 www.seuservice.com
FIG. 19. 2
19-2 REMOVING THE GAME BOARD
Follow the above described action to open cabinet
Remove all the connectors from the lter board on the Game Board. Also remove the GD cable
connector from the DIMM board.
Remove the 4 screws that x the Game Board.
SCREW (4)
M4×16,w/at & spring washers
Disconnect all connectors.
D-SUB connector
GD cable connector

90
www.seuservice.com
91 www.seuservice.com
19-3 COMPOSITION OF GAME BOARD
ASSY CASE NAT TOF USA (840-0108D-01) :USA
TRUSS SCREW (1),chrome
M3×85
DIMM BD NAT TOF ENG
840-0108B
DIP SW
FIG. 19. 3 a
FIG. 19. 3 b
ASSY CASE NAT MAIN W/232C USA; 840-0046A-11 <USA>
TRUSS SCREW (3),chrome
M3×50
ASSY CASE NAO COMMUNICATION BD
840-0001E
In this product, set all the DIP SW to OFF.
DIP SW SETTING

90
www.seuservice.com
91 www.seuservice.com
20. COMMUNICATION PLAY
20-1 SETTING FOR COMMUNICATION PLAY
Change the game setting for each seat in a manner so as to meet communication play. If the
setting is not correct, communication play cannot be played.
Turn the linked machines' power on.
Cause all of the machines to enter the test mode. (10-3.)
Select the GAME ASSIGNMENTS.
Perform the SEAT NUMBER setting in the GAME ASSIGNMENTS screen. Set one of the
machines to "1" and the other to "2".
FIG. 20. 3
Cause all of the machines to exit from the test mode. After the test mode, the screens proceed to
and display the Network Check.
When network checking is nished, the system displays Advertise Screen.
This indicates successful completion of setting. If SEAT NUMBER setting is wrong, Network
Check Screen appears, but it does not change to Advertise Screen. Normally the Network
Check takes several 10 seconds. If the screen does not proceed from the Network Check screen,
some sorts of errors such as incorrect setting, incorrect connection or malfunctioning of the
communication cable can be considered.
GAME TEST MODE
GAME ASSIGNMENTS
GAME DIFFICULTY NORMAL
DEFALT VIEW DRIVER
SEAT NUMBER 1
CARD R/W ON
-> EXIT
SELECT WITH SERVICE BUTTON
AND PRESS TEST BUTTON
SETTING FOR COMMUNICATION PLAY
20-2 NETWORK PLAY PRECAUTIONS
The operation of a unit when connected to another for network play is different than that of a
stand-alone unit. Administration of network units should be handled carefully.
Entering Test Mode will cause any other machines set up for network play to display the
Network Check Screen. When customers are playing the game, do not enter Test Mode on any
network play-enabled machine.
In network play, difculty level and other settings are made from Seat
Number 1. Changing the settings at Seat Number 1 also changes the settings
for Seat Number 2. Settings for Seat Number 2 cannot be changed from Seat
Number 2 and so will not appear in the list of settings.
Should a network connection fail during network play, gameplay will be
suspended and the Network Check Screen will be displayed.
If one of the units attached for network play enters Test Mode, the other unit
will display the Network Check Screen.
Even when units are connected for network play, each seat, each game may
be given different cost settings. Incorrect cost settings may cause budget
balancing problems.

92
www.seuservice.com
21. DESIGN RELATED PARTS
For the warning display stickers, refer to Section 1.
999-1505 Card System Instruction
999-1490 Pop Art
999-1492 Left Card Face Plate
999-1495 Decal Monitor Left
999-1496 Decal Monitor Right
999-1502 Control Panel Decal
999-1507 Right Card Arrow
999-1493 Right Card Face Plate
999-1503 Decal Base Box Left
999-1504 Decal Base Box Right
999-1499 Decal Seat Lower
999-1498 Decal Seat Middle
999-1500 Decal Seat Upper
999-1506 Left Card Arrow
999-1494 Decal Instruction
999-1491 Decal Marquee

93 www.seuservice.com
2
8
7
6
4
3
1
ITEM NO. PART NO. DESCRIPTION NOTE
1 601-11082 Card Unit
2 Assy Pop Panel
3 Assy Marquee
4 999-1547 Cover Side Cap R White Blank
5 999-1546 Cover Side Cap L White Blank
6 TOF-2000 Assy Control Panel
7 SPG-2200 Assy Accel and Brake
8 TOF-1600 Assy Seat
9 999-0167 Leg Leveler
10 999-0169 Caster
11 999-1548 Grey Floor Mat Inital “D”
12 999-0313 Monitor Glass
24 5/16 X 21 3/16 X 3/16 Gray tint, (Tempered)
5
22. PARTS LIST
10
9
11
12

94
www.seuservice.com
95 www.seuservice.com
1
ITEM NO. PART NO. DESCRIPTION NOTE
1 601-11082 Card Unit
2 601-10952 Magazine
3 253-5512 Card Guide
4 999-1259 Optical Switch for low card detection
5 999-1592 Optical Switch Bracket
Card Unit Inital “D”
2
345

94
www.seuservice.com
95 www.seuservice.com
Assy Pop
ITEM NO. PART NO. DESCRIPTION NOTE
1 999-1490 POP ENG
2 TOF4-0202 POP HOLDER
3 TOF-0203 POP SASH L
4 TOF-0204 POP SASH R
201 000-T00408-0C M SCR TH CRM M4×8
ITEM NO. PART NO. DESCRIPTION NOTE
1 999-1490 POP ENG
2 999-1549 POP HOLDER
3 999-1550 POP SASH L
4 999-1551 POP SASH R
201 LOCAL PURCHASE M SCR TH CRM 8-32xx1/2”
Alternate Parts

96
www.seuservice.com
97 www.seuservice.com
Assy Marquee
ITEM NO. PART NO. DESCRIPTION NOTE
1 999-1508 Plastic Marquee
2 LOCAL PURCHASE Flourescent Bulb 24” long 20 W CoolWhite
3 999-1491 Decal Marquee
201 000-T00408-0C M SCR TH CRM M4×8
12
3201

96
www.seuservice.com
97 www.seuservice.com
ASSY SPEAKER R (APC-1565)
ITEM NO. PART NO. DESCRIPTION NOTE
1 APC-1561 SPEAKER BRKT
101 130-5156-01 SPEAKER BOX 8OHM 20W VA1
201 000-P00512-W M SCR PH W/FS M5×12

98
www.seuservice.com
99 www.seuservice.com
ASSY SPEAKER L (APC-1560)
ITEM NO. PART NO. DESCRIPTION NOTE
1 APC-1561 SPEAKER BRKT
101 130-5156-01 SPEAKER BOX 8OHM 20W VA1
201 000-P00512-W M SCR PH W/FS M5×12

98
www.seuservice.com
99 www.seuservice.com
ASSY CONTROL PANEL (TOF-2000)
Attached to 6
100
www.seuservice.com
101 www.seuservice.com
ITEM NO. PART NO. DESCRIPTION NOTE
1 TOF-2001 CONTROL PANEL BRKT
2 TOF-2500 ASSY HANDLE MECHA
3 TOF-2002 HANDLE COLLAR
4 TOF-2003 CONTROL PANEL COVER
5 TOF-2004 SHIFT COVER UPPER
6 TOF-2005 SHIFT COVER LOWER
7 TOF-2006 COVER HOLDER
8 TOF-2007 CUSHION
9 TOF-2008 CTRL PNL PLATE
10 TOF-2009 WIRE HOLDER
11 TOF-2150 ASSY SW PLATE
12 601-11097 STEERING WHEEL 340
13 601-11098 STEERING EMBLEM 340
14 TOF-2010 STICKER STEERING EMBLEM
101 280-5169 CORD CLAMP TL-20S
102 280-0419 HARNESS LUG
103 610-0408-91 UP/DOWN SHIFTER AL
104 601-0460 PLASTIC TIE BELT 100 MM
105 280-5009-01 CORD CLAMP 21
201 030-000820-S HEX BLT W/S
202 060-F00800 FLT WSHR
203 000-T00408-0B M SCR TH BLK
204 000-P00410-W M SCR PH W/FS
205 008-T00512-0B TMP PRF SCR TH BLK
206 000-T00410-0C M SCR TH CRM
207 000-T00408-0B M SCR TH BLK M4×8
208 050-F01200 FLG NUT M12
209 FAS-290015 HEX SKT SCR FH BLK M4×12
ASSY CONTROL PANEL (TOF-2000)

100
www.seuservice.com
101 www.seuservice.com
ASSY HANDLE MECHA (TOF-2500)
Fastening Torque:
M3: 0.74N.m.M4: 1.8N.m.M6: 5.6N.m.M8: 17.4N.m
Plated yellow
Plated black
(After installing 6 )
102
www.seuservice.com
103 www.seuservice.com
ITEM NO. PART NO. DESCRIPTION NOTE
1 TOF-2501 MECHA BASE
2 TOF-2502 MECHA BASE LID
3 TOF-2503 HANDLE SHAFT
4 TOF-2504 SPACER COLLAR A
5 TOF-2505 STOPPER BLOCK A
6 TOF-2507 SPACER COLLAR B
7 TOF-2508 STOPPER PIN SS
8 TOF-2509X STOPPER RUBBER SS
9 SPG-2505 PULLEY 60 S5M
10 DYN-1270 STOPPER KEY
11 TOF-2510 SPACER COLLAR C
12 TOF-2511 STOPPER HOLDER
13 TOF-2512 STOPPER RUBBER
14 TOF-2513 STOPPER BOLT
15 TOF-2514 VR BRKT
16 TOF-2515 GEAR HOLDER
17 601-6172 GEAR 48
18 SPG-2504 PULLEY 20 S5M
19 SPG-2506 MOTOR BRKT
20 SPG-2453 KEY 4×4×40
21 SPG-2454 MOTOR SHAFT COLLAR
22 ASK-3502 MOTOR SPACER
23 ASK-3503 MOTOR COLLAR
101 350-5448-01 SERVO MOTOR 500W NEW
102 220-5484 VOL CONT B-5K OHM
103 310-5029-F20 SUMITUBE F F 20MM
104 601-11089 TIMING BELT (150 S5M 520)
105 100-5168 BEARING 20 (NSK 6904ZZ)
106 100-5285 BEARING 20(6804ZZ)
201 028-A00408-P SET SCR HEX SKT CUP P M4×8
202 030-000820-S HEX BLT W/S M8×20
203 065-S012S0-Z STP RING BLK OZ S12
204 000-P00410-W M SCR PH W/FS M4×10
205 030-000612-S HEX BLT W/S M6×12
206 060-F00600 FLT WSHR M6
207 030-000840-S HEX BLT W/S M8×40
208 068-852216 FLT WSHR 8.5-22 ×1.6
209 050-U00800 U NUT M8
210 060-F00800 FLT WSHR M8
211 020-000612-0Z HEX SKT H CAP SCR BLK 0Z M6×12
212 060-S00600 SPR WSHR M6
ASSY HANDLE MECHA (TOF-2500)

102
www.seuservice.com
103 www.seuservice.com
ASSY ACCEL&BRAKE (SPG-2200)
104
www.seuservice.com
105 www.seuservice.com
ITEM NO. PART NO. DESCRIPTION NOTE
1 SPG-2201 BASE
2 SPG-2202 ACCEL PEDAL
3 SPG-2203 BRAKE PEDAL
4 SPG-2204 ACCEL SPRING
5 SPG-2205 BRAKE SPRING
6 SPG-2206 SHAFT
7 SPG-2207 ACCEL GEAR
8 SPG-2208 BRAKE GEAR
9 SPG-2209 NEUTRAL STOPPER
10 SPG-2210 VR PLATE ACCEL
11 SPG-2211 VR PLATE BRAKE
12 SPG-2212 AMPL GEAR
13 SPG-2213 GEAR SHAFT
14 SPG-2214 STOPPER
15 SPG-2215 RUBBER CUSHION
16 SPG-2216 COVER
17 SPG-2217 VR COVER
19 SPG-2219 GEAR STAY
20 SPG-2220 WSHR
21 SPG-2221 NEUTRAL STOPPER D
101 100-5263 BEARING 12(OILES 80F-1212)
102 220-5484 VOL CONT B-5K OHM
104 601-7944 GEAR 15
105 310-5029-F15 SUMITUBE F F15MM
106 280-0419 HARNESS LUG
201 028-A00304-P SET SCR HEX SKT CUP P M3×4
202 020-000520-0Z HEX SKT H CAP SCR BLK M5×20
203 000-P00420 M SCR PH M4×20
204 000-P00508-W M SCR PH W/FS M5×8
205 000-T00408-0C M SCR TH CRM M4×8
206 FAS-450005 SPR PIN BLK OZ 6×10
207 000-P00405 M SCR PH M4×5
208 FAS-000001 M SCR TH CRM M3×6
209 050-H00500 HEX NUT M5
210 060-F00400 FLT WSHR M4
ASSY ACCEL&BRAKE (SPG-2200)

104
www.seuservice.com
105 www.seuservice.com
ASSY BASE BOX (TOF-1520)
ITEM NO. PART NO. DESCRIPTION NOTE
1 TOF-1521 MAIN BASE
2 DYN-2003 BASE LID F
4 SDW-1102X FLOOR MAT
5 DYN-2006 HINGE 480
6 FRI-1510X ASSY BASE LID R
7 DYN-2007X LID EDGE L
8 DYN-2009X LID EDGE R
9 999-0167 LEG LEVELER
10 999-0169 CASTER
201 000-T00512-0B M SCR TH BLK M5×12
202 031-000514-0B CRG BLT BLK M5×14
203 050-F00500 FLG NUT M5
204 031-000414-0C CRG BLT CRM M4×14
205 050-F00400 FLG NUT M4
Note: After installing and , attach to .
5 6 1
* Note: Bax box may appear different then illustration
10
9

106
www.seuservice.com
107 www.seuservice.com
MAIN BASE
ITEM NO. PART NO. DESCRIPTION NOTE
1 FRI-1501-A MAIN BASE BLANK
2 999-0167 LEG LEVELER
3 999-0169 CASTER
3
2

106
www.seuservice.com
107 www.seuservice.com
ASSY SEAT
6
108
www.seuservice.com
109 www.seuservice.com
ITEM NO. PART NO. DESCRIPTION NOTE
1 TOF-1603-01 SEAT BACK COVER ENG
2 DUT-2202 UPPER SEAT
3 DUT-2203 LOWER SEAT
4 TOF-1601 SEAT BASE
5 STC-1604 SEAT FRAME(2)
6 STCC-00781 SEAT TURTLE
7 FRI-3307 FRONT TRAY COVER
8 NCR-2406 REAR TRAY COVER
9 INY-1302-B MASK CUSHION SIDE
10 STC-1607 SP MOUNT BRKT
11 STC-1608 SPEAKER NET L
12 STC-1609 SPEAKER NET R
13 TOF-1604 NET COVER SH
103 130-5186-91 DUMMY SPEAKER
104 280-5297 SCRIVET 8 1K31
201 000-P00410-W M SCR PH W/FS M4×10
202 030-000850-S HEX BLT W/S M8×50
203 030-000816-S HEX BLT W/S M8×16
204 000-T00408-0B M SCR TH BLK M4×8
205 050-H00800 HEX NUT M8
206 060-S00800 SPR WSHR M8
207 068-852216 FLT WSHR 8.5-22 ×1.6
208 012-P00412 TAP SCR #2 PH 4×12
209 060-F00400 FLT WSHR M4
ASSY SEAT

108
www.seuservice.com
109 www.seuservice.com
ASSY MAIN BD (TOF-4500)
ITEM NO. PART NO. DESCRIPTION NOTE
1 TOF-4501 MAIN BD BASE
2 840-0091D-11 ASSY CASE NAT RT/232C &COM USA <USA>
3 XKT-0833 GD-ROM DRIVE
101 400-5397-01 SW REGU FOR JVS VA
102 400-5421-07512 SW REGU
101
3

110
www.seuservice.com
111 www.seuservice.com
ASSY ELEC BD
Note: Make sure that there is no wiring, etc. in the slash mark portions.
110
www.seuservice.com
111 www.seuservice.com
ITEM NO. PART NO. DESCRIPTION NOTE
1 NCR-4601 WOODEN BASE ELEC
3 837-13551-92 I/O CONTROL BD FOR JVS
101 XFMR 100-120V 100V7.5A GRAND:0054-465-101
103 838-13578 PWR AMP 2CH & MIXER
104 838-14174 SERVO MOTOR DRIVE BD MIDI
ASSY ELEC BD

112
www.seuservice.com
113 www.seuservice.com
ASSY SW PLATE
ITEM NO. PART NO. DESCRIPTION NOTE
101 HAPP CONTROLS START BUTTON #57-2000-355
102 HAPP CONTROLS VIEW BUTTON #57-2000-62
103 999-1509 BUTTON PLATE

112
www.seuservice.com
113 www.seuservice.com
23. WIRE COLOR CODE TABLE
THE WIRE COLOR CODE is as follow:
A PINK
B SKY BLUE
C BROWN
D PURPLE
E LIGHT GREEN
Wires other than those of any of the above 5 single colors will be displayed by 2
alphanumeric characters.
1 RED
2 BLUE
3 YELLOW
4 GREEN
5 WHITE
7 ORANGE
8 BLACK
9 GRAY
If the right-hand side numeral of the code is 0, then the wire will be of a single color shown
by the left-hand side numeral (see the above).
Note 1: If the right-hand side alphanumeric is not 0, that particular wire has a spiral color
code. The left-hand side character shows the base color and the right-hand side
one, the spiral color.
<Example> 51 ……… WHITE / RED
Note 2: The character following the wire color code indicates the size of the wire.
U: AWG16
K: AWG18
L: AWG20
None: AWG22
RED WHITE
114
www.seuservice.com
Notes:

Warranty
Your new Sega Product is covered for a period of 90 days from the date of shipment. This certies
that the Printed Circuit Boards, Power Supplies and Monitor are to be free of defects in workman-
ship or materials under normal operating conditions. This also certies that all Interactive Control
Assemblies are to be free from defects in workmanship and materials under normal operating condi-
tions. No other product in this machine is hereby covered.
Sellers sole liability in the event a warranted part described above fails shall be, at its option, to re-
place or repair the defective part during the warranty period. For Warranty claims, contact your Sega
Distributor.
Should the Seller determine, by inspection that the product was caused by Accident, Misuse, Ne-
glect, Alteration, Improper Repair, Installation or Testing, the warranty offered will be null and void.
Under no circumstances is the Seller responsible for any loss of prots, loss of use, or other dam-
ages.
This shall be the exclusive written Warranty of the original purchaser expressed in lieu of all other
warranties expressed or implied. Under no circumstance shall it extend beyond the period of time
listed above.
