Ariens Snow Blower 920013 Compact 24 Le Users Manual 04335600C_920_2012_DOM
920013 - COMPACT 24 LE to the manual 9b8add75-ed10-4ac6-b403-d6cc9dcb87d8
2015-01-24
: Ariens Ariens-Snow-Blower-920013-Compact-24-Le-Users-Manual-232575 ariens-snow-blower-920013-compact-24-le-users-manual-232575 ariens pdf
Open the PDF directly: View PDF
.
Page Count: 42

Owner/Operator Manual
Manuel Du Propriétaire/Utilisateur
Models
920013 – Compact 22 LE
(Serial No. 35000 and up)
920014 – Compact 24 LE
(Serial No. 35000 and up)
920 Series
Sno-Thro®
04335600C 11/11
Printed in USA
ENGLISH
FRANÇAIS
Gasoline containing up to 10% ethanol (E10) or up to 10% MTBE (methyl tertiary butyl ether)
is acceptable for use in this machine.
The use of any gasoline exceeding 10% ethanol (E10) or 10% MTBE will void the product
warranty.
Il est possible d’utiliser de l’essence contenant jusqu’à 10% d’éthanol (E10) ou 10% de
MTBE (éther méthyl-tertiobutylique) sur cette machine.
L’utilisation d’une essence contenant plus de 10% d’éthanol (E10) ou de 10% de MTBE
annulent la garantie.

GB - 2
SAFETY. . . . . . . . . . . . . . . . . . . . . . . . . . 4
ASSEMBLY . . . . . . . . . . . . . . . . . . . . . . . 8
CONTROLS and FEATURES . . . . . . . . 14
OPERATION . . . . . . . . . . . . . . . . . . . . . 16
MAINTENANCE . . . . . . . . . . . . . . . . . . 22
SERVICE AND ADJUSTMENTS . . . . . 25
STORAGE. . . . . . . . . . . . . . . . . . . . . . . 32
SERVICE PARTS . . . . . . . . . . . . . . . . . 33
ACCESSORIES. . . . . . . . . . . . . . . . . . . 33
TROUBLESHOOTING . . . . . . . . . . . . . 33
SPECIFICATIONS. . . . . . . . . . . . . . . . . 35
WARRANTY . . . . . . . . . . . . . . . . . . . . . 37
NON-ENGLISH MANUALS
Manuals in languages other than
English may be obtained from your
Dealer. Visit your dealer or
www.ariens.com for a list of
languages available for your
equipment.
Manuals printed in languages other
than English are also available as a
free download on our website:
http://www.ariens.com
MANUALES EN IDIOMAS
DIFERENTES DEL INGLES
Puede obtener manuales en
idiomas diferentes del inglés en su
distribuidor. Visite a su distribuidor
o vaya a www.ariens.com para
obtener una lista de idiomas
disponibles para su equipo.
También puede imprimir manuales
en idiomas diferentes del inglés
descargándolos gratuitamente de
nuestra página Web:
http://www.ariens.com
MANUELS NON ANGLAIS
Des manuels dans différentes
langues sont disponibles chez
votre revendeur. Rendez-vous
chez votre revendeur ou allez sur
le site www.ariens.com pour
consulter la liste des langues
disponibles pour votre équipement.
Les manuels imprimés dans des
langues différentes de l'anglais
sont également disponibles en
téléchargement gratuit sur notre
site Web :
http://www.ariens.com
MANUALS
Before operation of unit, carefully and
completely read your manuals. If used
improperly, this unit could be dangerous and
cause personal injury or property damage.
The contents will provide you with safety
instructions for the safe use of your unit
during normal operation and maintenance.
All reference to left, right, front, or rear are
given from operator standing in operation
position and facing the direction of forward
travel.
ENGINE MANUAL
The engine on this unit is covered by a
separate manual specific to the engine. This
manual is included in the literature package
that shipped with the unit. Refer to this
manual for engine service recommendations.
If the engine manual is not available, contact
the engine manufacturer for a replacement
manual.
MODEL AND SERIAL NUMBERS
When ordering replacement parts or making
service inquiries, know the Model and Serial
numbers of your unit and engine.
Numbers are located on the product
registration form in the unit literature
package. They are printed on a serial number
label, located on the frame of your unit.
TABLE OF CONTENTS
INTRODUCTION

GB - 3
• Record Unit Model and Serial
numbers here.
• Record Engine Model and Serial
numbers here.
PRODUCT REGISTRATION
The Ariens dealer must register the product
at the time of purchase. Registering the
product will help the company process
warranty claims or contact you with the latest
service information. All claims meeting
requirements during the limited warranty
period will be honored, whether or not the
product registration card is returned. Keep a
proof of purchase if you do not register your
unit.
Customer Note: If the dealer does not
register your product, please fill out, sign, and
return the product registration card to Ariens
or go to www.ariens.com.
UNAUTHORIZED REPLACEMENT
PARTS
Use only Ariens replacement parts. The
replacement of any part on this vehicle with
anything other than an Ariens authorized
replacement part may adversely affect the
performance, durability, or safety of this unit
and may void the warranty. Ariens disclaims
liability for any claims or damages, whether
warranty, property damage, personal injury or
death arising out of the use of unauthorized
replacement parts. To locate your nearest
Ariens Dealer, go to www.ariens.com on the
internet.
DISCLAIMER
Ariens reserves the right to discontinue,
make changes to, and add improvements
upon its products at any time without public
notice or obligation. The descriptions and
specifications contained in this manual were
in effect at printing. Equipment described
within this manual may be optional. Some
illustrations may not be applicable to your
unit.
DELIVERY
Customer Note: If you have purchased this
product without complete assembly and
instruction by your retailer, it is your
responsibility to:
1. Read and understand all assembly
instructions in this manual. If you do not
understand or have difficulty following
the instructions, contact your nearest
Ariens Dealer for assistance. Make sure
all assembly has been properly
completed.
NOTE: To locate your nearest Ariens Dealer,
go to www.ariens.com on the Internet.
2. Understand all Safety Precautions
provided in the manuals.
3. Review control functions and operation
of the unit. Do not operate the Sno-Thro
unless all controls function as described
in this manual.
4. Review recommended lubrication,
maintenance and adjustments.
5. Review Limited Warranty Policy.
6. Fill out a Product Registration Card and
return the card to the Ariens Company or
go to www.ariens.com.
Figure 1
Serial Number Label
WARNING: Improper assembly or
adjustments can cause serious
injury.

GB - 4
SAFETY ALERTS
Look for these symbols to point
out important safety precautions.
They mean:
Attention!
Personal Safety Is
Involved!
Become Alert!
Obey The Message!
The safety alert symbols above and signal
words below are used on decals and in this
manual. Read and understand all safety
messages.
NOTATIONS
NOTE: General reference information for
proper operation and maintenance practices.
IMPORTANT: Specific procedures or
information required to prevent damage to
unit or attachment.
PRACTICES AND LAWS
Practice usual and customary safe working
precautions, for the benefit of yourself and
others. Understand and follow all safety
messages. Be alert to unsafe conditions and
the possibility of minor, moderate, or serious
injury or death. Learn applicable rules and
laws in your area. Always follow the practices
set forth in this manual.
REQUIRED OPERATOR
TRAINING
Original purchaser of this unit was instructed
by the seller on safe and proper operation. If
unit is to be used by someone other than
original purchaser; loaned, rented or sold,
ALWAYS provide this manual and any
needed safety training before operation.
SAFETY DECALS AND
LOCATIONS
ALWAYS replace missing or damaged Safety
Decals. Refer to figure below for Safety Decal
locations.
SAFETY
WARNING: To avoid injury to hands
and feet, always disengage clutches,
shut off engine, and wait for all
movement to stop before unclogging
or working on snow thrower.
Hand contact with the rotating
impeller is the most common cause of
injury associated with snow throwers.
Never use your hand to clean out the
discharge chute.
Keep hands and feet away from
auger and impeller.
DANGER: IMMINENTLY
HAZARDOUS SITUATION! If not
avoided, WILL RESULT in death or
serious injury.
WARNING: POTENTIALLY
HAZARDOUS SITUATION! If not
avoided, COULD RESULT in death or
serious injury.
CAUTION: POTENTIALLY
HAZARDOUS SITUATION! If not
avoided, MAY RESULT in minor or
moderate injury. It may also be used
to alert against unsafe practices.
Figure 2
1
32

GB - 5
1. DANGER!
Danger!
ONLY use clean-out tool to
clear blockages. NEVER
use your hands.
Never direct discharge
towards persons or
property that may be
injured or damaged by
thrown objects.
Keep people away from
unit while operating. Keep
children out of work area
and under watchful care of
a responsible adult.
Stop engine, remove key,
read manual before
making any repairs or
adjustments.
Read Owner/Operator
Manual.
Wear appropriate hearing
protection.
2. DANGER!
Danger!
ROTATING PARTS! ONLY
use clean-out tool to clear
blockages. NEVER use
your hands. High speed
impeller rotates below
discharge opening. Wait
for all moving parts to
stop before removing
clogs or servicing.
3. DANGER!
Danger!
ROTATING PARTS.
Keep clear of auger while
engine is running.
• Read Operator’s
Manual.
• Allow operation only by
properly trained adult,
never children.
• Stop engine and
remove ignition key
prior to leaving the
operator’s position for
any reason.
• Keep all controls,
guards and safety
devices properly
serviced and functional.
• Never direct discharge
towards persons or
property that may be
injured or damaged by
thrown objects.
GB - 6
EMISSION CONTROL SYSTEM
This equipment and/or its engine may include
exhaust and evaporative emissions control
system components required to meet U.S.
Environmental Protection Agency (EPA)
and/or California Air Resources Board
(CARB) regulations. Tampering with emission
controls and components by unauthorized
personnel may result in severe fines or
penalties. Emission controls and components
can only be adjusted by an Ariens Company
dealer or an authorized engine
manufacturer's service center. Contact your
Ariens Company Equipment Retailer
concerning emission controls and component
questions.
SAFETY RULES
Read, understand, and follow all safety
practices in Owner/Operator Manual before
beginning assembly or operating. Failure to
follow instructions could result in personal
injury and/or damage to unit.
ALWAYS remove key and/or wire from spark
plug before assembly, maintenance or service.
Unintentional engine start up can cause death
or serious injury.
Complete a walk around inspection of unit and
work area to understand:
• Work area • Your unit • All safety decals
ALWAYS check overhead and side clearances
carefully before operation. ALWAYS be aware
of traffic when operating along streets or curbs.
Keep children and people away. Keep children
out of work area and under watchful care of a
responsible adult.
NEVER allow children to operate or play on or
near unit. Be alert and shut off unit if children
enter area.
DO NOT allow adults to operate unit without
proper training. Only trained adults may
operate unit. Training includes actual
operation.
Keep area of operation clear of all toys, pets,
and debris. Thrown objects can cause injury.
Check for weak spots on docks, ramps or
floors. Avoid uneven work areas and rough
terrain. Stay alert for hidden hazards.
DO NOT operate near drop-offs, ditches, or
embankments. Unit can suddenly turn over if a
wheel is over the edge of a cliff or ditch, or if an
edge caves in.
Falling snow, fog, etc. can reduce vision and
cause an accident. Operate unit only when
there is good visibility and light.
NEVER operate unit after or during the use of
medication, drugs or alcohol. Safe operation
requires your complete and unimpaired
attention at all times.
NEVER allow anyone to operate this unit when
their alertness or coordination is impaired.
DO NOT operate unit without wearing
adequate winter outer garments. Wear
adequate safety gear, including safety glasses
with side shields, and protective gloves. Wear
proper footwear to improve footing on slippery
surfaces.
DO NOT wear loose clothing or jewelry and tie
back hair that may get caught in rotating parts.
Protect eyes, face and head from objects that
may be thrown from unit. Wear appropriate
hearing protection.
Avoid sharp edges. Sharp edges can cut.
Moving parts can cut off fingers or a hand.
ALWAYS keep hands and feet away from all
rotating parts during operation. Rotating parts
can cut off body parts.
NEVER place your hands or any part of your
body or clothing inside or near any moving part
while unit is running.
ALWAYS keep hands away from all pinch
points.
DO NOT touch unit parts which might be hot
from operation. Allow parts to cool before
attempting to maintain, adjust or service.
Never direct discharge towards persons or
property that may be injured or damaged by
thrown objects. Use extreme caution on gravel
surfaces. Stay alert for hidden hazards or
traffic. Adjust skid shoes so Scraper Blade
does not contact gravel.
DO NOT throw snow any higher than
necessary.
Deflected materials can cause injury and
property damage.
Always stand clear of the discharge area when
operating this unit.
Fumes from engine exhaust can cause injury
or death. DO NOT run engine in an enclosed
area. Always provide good ventilation.
ALWAYS disengage attachment, stop unit and
engine, remove key and allow moving parts to
stop before leaving operator’s position.
ROTATING IMPELLER CAN CAUSE
SERIOUS INJURY. NEVER ATTEMPT TO
UNCLOG OR CLEAN UNIT WHILE ENGINE
IS RUNNING.
Read, understand, and follow all instructions in
the manual and on the machine before starting.
Understand:
• How to operate all controls.
• The functions of all controls.
• How to STOP in an emergency.
Before starting engine, disengage control(s).
Use only approved extension cords and
receptacles when starting units equipped with
electric starter. DO NOT connect electric
starter cord to any wiring system that is not a
three-wire grounded system.
ALWAYS allow unit and engine to adjust to
outdoor temperatures before clearing snow.
Always be sure of your footing, especially
when operating in reverse or leaving the
operator’s position. Walk, never run during
operation.
GB - 7
DO NOT overload the machine capacity by
attempting to operate or to clear snow at too
fast a rate.
Slow down and turn corners slowly.
Do not operate in reverse unless absolutely
necessary. ALWAYS back up slowly. Always
look down and behind before and while
backing.
Disengage attachment drive when traveling
from one work area to another.
Abnormal Vibrations are a warning of trouble.
Striking a foreign object can damage unit.
Immediately stop unit and engine. Remove key
and wait for all moving parts to stop. Remove
wire from spark plug. Inspect unit and make
any necessary repairs before restart.
Before cleaning, removing clogs or making any
inspections, repairs, etc.: disengage clutch(es),
stop unit and engine, remove key, allow
moving parts to stop. Allow hot parts to cool.
Run unit a few minutes after clearing snow to
prevent freeze-up of attachment.
Disengage attachment when not in use.
Disengage all clutches before starting engine.
Adjust skid shoes to clear gravel or crushed
rock surfaces safely.
Never leave a running unit unattended.
ALWAYS shut off engine before leaving unit.
ALWAYS remove key to prevent unauthorized
use.
Never carry passengers.
Check clutch and brake operation frequently.
Adjust and service as required. All motion of
drive wheels and auger/impeller must stop
quickly when control levers are released.
DO NOT operate on steep slopes. DO NOT
clear snow across the face of slopes. Keep all
movement on slopes slow and gradual. DO
NOT make sudden changes in speed or
direction. Use a slow speed to avoid stops or
shifts on slopes. Avoid starting or stopping on a
slope.
DO NOT park unit on a slope unless absolutely
necessary. When parking on a slope always
block the wheels.
ALWAYS shut off engine, remove key, and
close fuel shut-off valve or drain fuel when
transporting unit on a truck or trailer.
Use extra care when loading or unloading unit
onto trailer or truck.
Secure unit chassis to transport vehicle.
NEVER secure from rods or linkages that could
be damaged.
DO NOT transport machine while engine is
running.
Keep unit free of ice or other debris. Clean up
oil or fuel spills.
This product is equipped with an internal
combustion type engine. DO NOT use unit on
or near any unimproved, forest-covered or
brush covered land unless exhaust system is
equipped with a spark arrester meeting
applicable local, state or federal laws. A spark
arrester, if it is used, must be maintained in
effective working order by operator.
Fuel is highly flammable and its vapors are
explosive. Handle with care. Use only an
approved gasoline container with an
appropriately sized dispensing spout.
NO smoking, NO sparks, NO flames. ALWAYS
allow engine to cool before servicing.
NEVER fill fuel tank when engine is running or
hot from operation.
NEVER fill or drain fuel tank indoors.
Replace fuel cap securely and clean up spilled
fuel.
Never fill containers inside a vehicle or on a
truck or trailer bed with a plastic liner. Always
place containers on the ground away from your
vehicle before filling.
When practical, remove gas-powered
equipment from the truck or trailer and refuel it
on the ground. If this is not possible, then refuel
such equipment on a trailer with a portable
container, rather than from a gasoline
dispenser nozzle.
Keep the nozzle in contact with the rim of the
fuel tank or container opening at all times until
fueling is complete. Do not use a nozzle lock-
open device.
If fuel is spilled on clothing, change clothing
immediately.
Properly remove fuel before tipping unit up
onto housing, so no spills will occur.
Secure unit so it will not tip over during
maintenance.
ALWAYS keep protective structures, guards,
and panels in good repair, in place and
securely fastened. NEVER modify or remove
safety devices.
DO NOT change engine governor settings or
over-speed engine.
Fumes from engine exhaust can cause injury
or death. DO NOT run engine in an enclosed
area. Always provide good ventilation.
ALWAYS maintain unit in safe operating
condition. Damaged or worn out muffler can
cause fire or explosion.
Keep all hardware properly tightened. Check
shear bolts frequently.
Maintain or replace safety and instruction
labels, as necessary.
NEVER store unit with fuel in fuel tank, inside a
building where any ignition sources are present
such as hot water heaters, space heaters, or
clothes dryers. Allow the engine to cool before
storing in any enclosure.
Shut off fuel and allow engine to cool
completely before storing in closed area or
covering unit.
For extended storage, clean unit thoroughly.
See Engine Manual for proper storage.
Use only attachments or accessories designed
for your unit.
Check components frequently. If worn or
damaged, replace with manufacturer’s
recommended parts.

GB - 8
PACKAGE CONTENTS
ASSEMBLY
WARNING: AVOID INJURY. Read
and understand the entire Safety
section before proceeding.
WARNING: Dropping or tipping over
boxed unit could result in personal
injury or damage to unit.
PACKAGE CONTENTS
Check the contents of your package for the
parts listed below (Figure 3):
Item Part No. Qty Description
The following parts are included as part of
the Sno-thro Unit:
1. N/A 1 Sno-thro Unit
2. 07028500 2 3/8 in-16 x 3/4 in.
Serrated Head
Flange Bolt
The following parts are included as a part of
the Lower Handlebar:
3. 00597451 1 Lower Handlebar
4. 06221600 4 5/16 in-18 x 2-1/4 in.
Round Head Square
Neck Bolt
5. 07500005 4 Handlebar Spacer
6. 06435700 4 Flat Steel Washer
7. 06407400 4 Locking Washer
8. 06530200 4 5/16 in-18 Locking
Nylon Nut
9. N/A 1 Upper Handlebar
Assembly
10. N/A 1 Discharge Chute
Assembly
11. 62011500 1 Chute Crank
Assembly
12. 6201300 1 Literature Pack
If any of the above listed contents are
missing contact your local Ariens dealer.
Figure 3
1
3
2
9
10 12
11
4
6
7
85

GB - 9
ASSEMBLY
Tools Required:
• Pliers
• Open-End Wrenches: 3/8, 7/16, 1/2,
9/16 in. and/or Adjustable Wrench
•Tire Gauge
• Torque Wrench (Optional)
Unfold Lower Handlebar
(Figure 4)
1. Remove wheel pins from each side of
the unit and slide wheels away from
frame (Figure 4). Do not remove wheels
completely.
IMPORTANT: Be sure to block wheels or
secure unit so it does not move during
assembly.
.
2. Remove 3/8 in-16 x 3/4 in. serrated
head flange bolt from the mounting
holes on each side of the frame. Keep
bolts.
3. Rotate lower handlebar out from unit so
lower handlebar mounting holes align
with mounting holes on the unit frame.
4. Secure lower handlebar to unit using the
two 3/8 in-16 x 3/4 in. serrated head
flange bolts removed in step 2.
5. Tighten all four bolts to 25 – 42 lbf-ft
(33.9 – 56.9 N•m)
6. Slide wheels on both sides back into
place and reinstall wheel pins.
Attach Upper Handlebar Assembly
(Figure 5 and 6)
1. Remove handlebar hardware from lower
handlebar. Keep hardware.
2. Attach upper handlebar assembly to
lower handlebar using two sets of the
handlebar hardware removed in step 1.
One set to attach each side of the
handlebars (Figure 5).
IMPORTANT: DO NOT tighten hardware.
Allow upper handlebar assembly to hang
from the lower handlebars for the next step.
.
3. Hook spring end of attachment control
cable to the clutch arm.
4. Hook spring end of the traction control
cable to the cable eyelet on back of
frame.
.
Figure 4
2
1
3
1. Lower Handlebar
2. Wheel Pin
3. Wheel
4. Mounting Hole
5. 3/8 in-16 x 3/4 in. Serrated
Head Flange Bolt
5
4
Figure 5
3
4
2
1. Upper Handlebar Assembly
2. Lower Handlebar
3. 5/16 in-18 x 2-1/4 in. Round Head
Square Neck Bolt
4. Handlebar Spacer
5. Flat Steel Washer
6. Locking Washer
7. 5/16 in-18 Locking Nylon Nut
1
765
Figure 6
3
1. Clutch Arm
2. Cable Eyelet
3. Attachment Control Cable
4. Traction Control Cable
1
4
2

GB - 10
Unfold Upper Handlebar Assembly
(Figure 7 and 8)
1. Rotate the handlebar into operating
position.
NOTE: Be careful not to damage cable spring
hooks when rotating handlebar upward.
.
2. Install the remaining handlebar
hardware attaching the upper handlebar
assembly to the lower handlebar
(Figure 5).
3. Tighten all hardware.
4. Remove packaging around shift rod.
5. Rotate shift rod into place and tighten
hardware.
6. Connect shift rod to speed selector arm
and adjust as specified in Speed
Selector Adjustment on page 27.
7. Remove slack from attachment and
traction cables using the following steps
(Figure 8):
a. Loosen jam nut on cable
adjustment barrel
b. Turn the adjustment barrel down
to shorten cable and remove all
cable slack.
c. Retighten jam nut.
Connect Headlight Wire Harness
(Figure 9)
NOTE: The headlight wire harness comes
attached to the upper handlebar assembly.
1. Route the wire harness along the interior
of the right side of the handlebars.
2. Connect to the engine electrical plug.
Figure 7
1
2
3
1. Shift Rod
2. Handlebar Hardware
3. Shift Rod Hardware
4. Upper Handlebar Assembly
5. Lower Handlebar
4
5
Figure 8
1. Attachment Clutch Cable
2. Cable Adjustment Barrel
3. Jam Nut
2
3
1
OS8255
Figure 9
24
3
1. Wire Harness
2. Cable Tie
3. Cable Anchor
4. Engine Electrical Plug
1
2

GB - 11
3. Press cable anchor into mounting hole in
the frame near the engine electrical
plug.
4. Secure the wire harness to the
handlebars using the cable ties attached
to the wire harness.
Install Discharge Chute
(Figure 10)
1. Grease underside of discharge chute
ring (if not already greased).
2. Remove mounting hardware from the
bottom of the chute pedestal mount.
3. Install discharge chute over opening in
the auger housing and secure pedestal
to auger housing with hardware
removed in step 2.
Install Discharge Chute Crank
(Figure 11)
1. Slide Chute Crank through the opening
in the control panel.
NOTE: Be careful not to damage nylon
bushing when attaching crank to the dash.
2. Connect the chute crank to the pinion
gear on discharge chute with hairpin.
Figure 10
4
1
3
2
1. Mounting Hardware
2. Discharge Chute
3. Discharge Chute Ring
4. Chute Pedestal
1
Figure 11
1. Chute Crank
2. Control Panel
3. Pinion Gear
4. Hairpin
1
2
3
4
OS8060

GB - 12
Install Remote Deflector Cable
(920014)
(Figure 12 and 13)
1. Slide cable through clip on top of
discharge chute pedestal (Figure 12).
2. Bend clip closed around cable.
3. Using the wire hook attached to the
deflector cable, hook cable to discharge
chute crank.
.
4. Pull rubber seal cap away from snap
fitting.
5. Install snap fitting into cable bracket’s
mounting hole located under the dash.
6. Position rubber seal cap over the top of
snap fitting.
7. Move deflector control lever to rear most
position.
8. Attach cable eye to pin on bottom of
deflector control lever.
NOTE: Hold down chute deflector cap, if
needed, for more cable slack.
9. Secure cable eye to control lever with
washer and hairpin.
10. Test controls to be sure deflector works
properly.
NOTE: If deflector does not follow full range
of travel See Remote Discharge Deflector
Control Adjustment (920014) on page 26.
.
Check Function of Dual Handle
Interlock
Without the engine running, press down
(engage) both clutch levers. Release
attachment clutch lever. Attachment clutch
should remain engaged until traction clutch
lever is released, then both clutches must
disengage. If they do not, contact your Dealer
for repairs.
Figure 12
1. Remote Deflector Cable
2. Remote Deflector Control
3. Cable Clip
4. Wire Cable Hook
5. Cable Mounting Bracket
1
3
2
4
5
OS8064
Figure 13
1. Mounting Hole
2. Snap Fitting
3. Rubber Seal
Cap
4. Hairpin
5. Washer
6. Cable Eye
2
1
3
4
6
5
OS8066

GB - 13
Check Tire Pressure
Check tire pressure and adjust to the
pressure listed on tire sidewall.
Check Auger Gearcase Oil
Check oil level in auger gearcase (see Check
Auger Gearcase on page 23).
Check Engine Crankcase Oil
IMPORTANT: The engine is shipped with oil
in crankcase. Refer to Engine Manual for
detailed instructions.
Fill Engine Fuel Tank
Fill fuel tank. DO NOT OVERFILL! See
FILLING FUEL TANK on page 19.
Check Function of all Controls
Ensure unit runs and performs properly. Refer
to Operation.
Run-in Attachment Belt
1. Start unit in a well-ventilated area
according to Starting and Shut Off on
page 20.
2. Engage attachment clutch lever and run
attachment for about 15 minutes.
3. Stop unit, wait for all moving parts to
stop, and remove spark plug wire.
4. Adjust belt finger, if necessary. See
Check Belt Finger Clearance on
page 29.
5. Adjust clutch idler according to
Attachment Clutch/Brake Adjustment on
page 27.
CAUTION: Avoid injury! Explosive
separation of tire and rim parts is
possible when they are serviced
incorrectly:
• Do not attempt to mount a tire
without the proper equipment
and experience to perform the
job.
• Do not inflate the tires above
the recommended pressure.
• Do not weld or heat a wheel
and tire assembly. Heat can
cause an increase in air
pressure resulting in an
explosion. Welding can
structurally weaken or deform
the wheel.
• Do not stand in front or over
the tire assembly when
inflating. Use a clip-on chuck
and extension hose long
enough to allow you to stand
to one side.

GB - 14
1. Attachment Clutch Lever
2. Speed Selector
3. Traction Drive Clutch Lever
4. Chute Crank
5. Muffler Guard
6. Chute Deflector Cap
7. Discharge Chute
8. Impeller
9. Auger
10. Scraper Blade
11. Auger Gearcase
12. Clean-out Tool
13. Skid Shoe(s)
14. Axle Lock Pin
15. Belt Cover
16. Handlebars
17. Headlight
18. Remote Deflector Control (920014)
CONTROLS AND FEATURES
Figure 14
1
2
3
4
5
6
7
8
9
10
11
12
13
15
14
16
18
17

GB - 16
CONTROLS AND FEATURES
See Figure 14 and 15 for all Controls and
Features locations.
Dual Handle Interlock
When Attachment Clutch and then Traction
Drive Clutch are engaged, the Attachment
Clutch will remain engaged (lever down) if
released. To stop attachment, release
Traction Drive Clutch and both clutches will
disengage.
Traction Drive Clutch –
Left Hand Lever
Squeeze the Traction
Drive Clutch Lever
against the Handlebar (1)
to engage wheel drive for
propelling unit. Forward
speed will vary according
to snow depth and
moisture content.
Release lever (2) to stop
movement.
NOTE: When traveling to or from the area to
be cleared, press down on the handlebars
enough to raise the front of the unit slightly off
the surface. Engage the traction drive clutch
without engaging the attachment drive clutch.
Attachment Clutch –
Right Hand Lever
Squeeze Attachment
Clutch Lever against
handlebar (1) to
engage attachment.
Release both clutch
levers (2) to disengage
power and apply brake
to attachment.
IMPORTANT: If the
belt squeals when the
attachment clutch lever is engaged, the
impeller may be frozen in the auger housing.
Immediately release the attachment clutch
lever and move the unit into a heated area to
thaw.
NOTE: If belt squeals when impeller turns
freely, see Replace Attachment Drive Belt on
page 30.
Ignition Switch
(Push/Pull Safety Key) (920013)
Key Switch has two
positions:
1. “Stop” – pulled out
2. "Run" – pushed in
NOTE: DO NOT twist
key after it is inserted.
Ignition Switch (920014)
Operate the ignition switch with
the removable key. To start the
engine, turn the key to Start. To
stop the engine, turn the key to
Off.
Primer Bulb
Pushing the primer bulb in adds fuel for
easier engine start. Refer to Starting and Shut
Off on page 20.
OPERATION
WARNING: AVOID INJURY. Read
and understand the entire Safety
section before proceeding.
WARNING: To avoid injury to hands
and feet, always disengage clutches,
shut off engine, and wait for all
movement to stop before unclogging
or working on snow thrower.
Keep hands and feet away from
auger and impeller.
1
2
OL2701
1
2
OL2691
2
1
920014 920013

GB - 17
Speed Selector
Position the Speed Selector in the
appropriate speed notch to control forward
and reverse travel.
Forward:
(6) Fastest
(1) Slowest
Reverse:
(1) Slow
(2) Fast
IMPORTANT: DO NOT change motion from
forward to reverse with clutch engaged.
Forward speed can be changed without
declutching.
Fuel Shut-Off Valve
(Figure 16)
IMPORTANT: The fuel shut-off valve MUST
be in the closed position prior to transporting
the unit.
The fuel shut-off valve has two positions:
Open (1): Use this position to run the unit.
Closed (2): Use this position to service,
transport, or store the unit.
Choke Control
(Figure 16)
1. Choke Closed position: chokes off air to
engine for easier start.
2. Choke Open position: allows for normal
operation.
IMPORTANT: Gradually open choke after
engine starts.
Throttle (920014)
The throttle controls the engine speed. To
increase or decrease the engine speed,
adjust to:
1. Fast (normal or warm starts)
2. Part-Throttle
3. Slow (cold weather starts)
4. Stop (engine is off)
Electric Starter
The electric starter will start a properly
choked and cranked engine when the starter
button is pushed. Refer to Starting and Shut
Off on page 20.
Recoil Starter Handle
When pulled, handle will turn engine over.
IMPORTANT: DO NOT let handle snap back
against starter.
See Starting and Shut Off on page 20.
Snow Clean-Out Tool
(Figure 17)
To clear the discharge chute:
1. Shut off the engine.
2. Wait 10 seconds and make sure impeller
blades have stopped rotating.
126 1
Figure 16
2
1
920014
START
RUN
2
1
920013
WARNING: Hand contact with the
rotating impeller is the most common
cause of injury associated with snow
throwers. Never use your hand to
clean out the discharge chute.
321
Figure 17 OS8180
1. Snow Clean-Out Tool
1

GB - 18
3. Remove the snow clean-out tool (1) from
the auger housing and use it to remove
the clog from the discharge chute.
4. Replace the snow clean-out tool on the
auger housing.
Discharge Chute Deflector
ALWAYS position discharge chute deflector
at a safe angle before starting engine.
DO NOT throw snow any higher than
necessary.
Push deflector handle forward or down to
throw snow lower. Pull deflector handle up or
to the rear to throw snow higher.
IMPORTANT: If Chute Deflector does not
stay in set position, adjust as directed in
SERVICE AND ADJUSTMENTS on page 25,
or repair before operation.
Remote Discharge Chute
Deflector Control (920014)
Place deflector into position before operation.
DO NOT throw snow any higher than
necessary.
Place deflector remote in a forward notch to
throw snow lower. Place deflector remote in a
rearward notch to throw snow higher.
Discharge Chute
Discharge chute rotates 205°.
ALWAYS position discharge chute in safe
direction and angle, away from operator and
bystanders, before starting engine.
Discharge Chute Crank
IMPORTANT: If chute does not stay in set
position, adjust as directed in SERVICE AND
ADJUSTMENTS on page 25, or repair before
operation.
Rotate the chute with the discharge chute
crank handle.
IMPORTANT: DO NOT force frozen chute
controls. If frozen, take to warm place until
controls are free.
Axle Lock Pin
(Figure 18)
Use the axle lock pin to lock or unlock the
right or left wheel. Lock both wheels to
increase traction; unlock one wheel to allow
for easier turning of the unit.
NOTE: Unit will not drive with both wheels
unlocked.
Scraper Blade
The scraper blade allows the back of the
housing to keep better contact with the
surface being cleared. It also prevents
damage to the housing from normal use.
IMPORTANT: DO NOT allow Scraper Blade
to wear too far or Auger/Impeller housing will
become damaged.
Skid Shoes
The skid shoes control the distance between
the scraper blade and the ground. Adjust skid
shoes equally to keep blade level with the
ground. Refer to Pre-Start on page 19 for
recommended settings.
Figure 18
Wheel Unlocked
Wheel Locked
1. Axle Lock Pin
OS8185
1

GB - 19
FILLING FUEL TANK
GASOLINE
IMPORTANT: ALWAYS use gasoline that
meets the following guidelines:
• Clean, fresh gasoline.
• A minimum of 87 octane/87 AKI (91
RON). High altitude use may require a
different octane. Consult your engine
manual.
• Gasoline with up to 10% ethanol
(gasohol) or up to 10% MTBE (methyl
tertiary butyl ether) is acceptable.
• Use of any gasoline other than those
approved above will void the engine
warranty. If the pumps are not marked
for the content of alcohol or ethers,
check ethanol and MTBE levels with
the fuel supplier.
• Do not modify the fuel system to use
different fuels.
• Never mix oil and gasoline.
NOTE: All gasoline is not the same. If the
engine experiences starting or performance
problems after using a new gasoline, switch
to a different fuel provider or fuel brand.
IMPORTANT: Excessively oxygenated or
reformulated fuels (fuels blended with
alcohols or ethers) can damage the fuel
system or cause performance problems. If
any undesirable operating problems occur,
use a gasoline with a lower percentage of
alcohol or ether.
Add Fuel Stabilizer to
Extend Fuel Storage Life
IMPORTANT: Fuel stabilizer is recommended
for extended storage (see Fuel System on
page 32).
To add fuel to fuel tank:
1. ALWAYS place unit in open or well-
ventilated area.
2. Stop engine and allow to cool.
3. Clean Fuel Cap and surrounding area to
prevent dirt from entering Fuel Tank.
4. Remove fuel caps.
IMPORTANT: Refer to Engine Manual for
correct type and grade of fuel.
5. Fill fuel tank to the bottom of filler neck.
See SPECIFICATIONS on page 35 for
fuel tank capacity.
IMPORTANT: DO NOT OVERFILL! This
equipment and/or its engine may include
evaporative emissions control system
components, required to meet EPA and/or
CARB regulations, that will only function
properly when the fuel tank has been filled to
the recommended level. Overfilling may
cause permanent damage to evaporative
emissions control system components. Filling
to the recommended level ensures a vapor
gap required to allow for fuel expansion. Pay
close attention while filling the fuel tank to
ensure that the recommended fuel level
inside the tank is not exceeded. Use a
portable gasoline container with an
appropriately sized dispensing spout when
filling the tank. Do not use a funnel or other
device that obstructs the view of the tank
filling process.
6. Replace fuel cap and tighten.
7. ALWAYS clean up spilled fuel.
PRE-START
4. Frozen Impeller
IMPORTANT: Before starting engine, check
impeller to be sure it is not frozen.
To check impeller:
1. With ignition key switch in “Stop”
position, squeeze Attachment Clutch
Lever to Engaged position.
2. Pull Recoil Starter Handle.
3. If Impeller is frozen, (cannot pull Starter
Handle) move unit to a heated area and
thaw to prevent possible damage.
5. Check Function of Clutches
If clutches do not engage or disengage
properly, adjust or repair before operation.
See Attachment Clutch/Brake Adjustment on
page 27 and Attachment Drive Belt
Replacement on page 29.
6. Check Dual Handle Interlock
Without the engine running, press down
(engage) both clutch levers. Release
attachment clutch lever. Attachment clutch
should remain engaged until traction clutch
lever is released, then both clutches must
disengage.
If clutches do not engage or disengage
properly, adjust or repair before operation
(see Attachment Clutch/Brake Adjustment on
page 27 and Attachment Drive Belt
Replacement on page 29).
7. Check Axle Lock Pins
Use the axle lock pins to lock or unlock the
wheels. Lock both wheels to increase
traction; unlock one wheel to allow for easier
turning of the unit.
WARNING: AVOID INJURY. Read
and understand the entire Safety
section before proceeding.

GB - 20
8. Check Skid Shoes
Check and adjust skid shoes (Skid Shoes on
page 25). Allow 1/8 in. (3 mm) between
scraper blade and hard, smooth surface(s).
Allow 7/8 in. (22 mm) between scraper blade
and uneven or gravel surfaces.
9. Check Engine Fuel &
Crankcase Oil
Check and add fuel if required. Check that
the engine crankcase oil is full using dipstick.
Refer to Engine Manual for detailed
instructions.
TO STOP IN AN EMERGENCY
Immediately release both control levers to
stop unit in an emergency. Stop engine,
remove key and wait for all rotating parts to
stop before leaving operator’s position.
STARTING AND SHUT OFF
IMPORTANT: Allow unit and engine to adjust
to the outdoor temperature before clearing
snow. Before shut-off, run the attachment a
few minutes to prevent impeller freeze-up.
NOTE: Try out each control without the
engine running to see how it works and what
it does.
Manual Start
1. Turn discharge chute straight ahead.
2. Make sure that the traction clutch and
attachment drive clutch levers are fully
disengaged.
3. Push Primer Bulb 2 or 3 times for cold
engine.
NOTE: When temperature is below -15° F
(-26° C) additional priming may be needed.
4. If engine is cold, apply choke. See
Engine Manual for detailed instructions.
NOTE: A warm engine requires less choking
than a cold engine.
5. 920014 – Set throttle to proper starting
position.
920013 – Toggle ignition switch to
"Run".
6. 920014 – Insert key into ignition and
rotate to run position.
920013 – Insert key into ignition switch
and push into RUN position. DO NOT
twist key after it is inserted.
7. Grasp starter handle and pull rope out
slowly until it pulls harder. Let rope
rewind slowly.
8. Pull rope with a rapid continuous full arm
stroke. Let rope rewind slowly.
IMPORTANT: DO NOT let Starter Handle
snap against Starter.
9. Repeat steps 7 and 8 until engine starts.
(If engine does not start, refer to
TROUBLESHOOTING on page 33.)
10. Adjust choke as needed.
11. 920014 – Set throttle to Part Throttle or
Slow position for adaptation to outside
temperature or travel. Set throttle to Fast
position for normal operation.
Electric Start (120V)
1. Connect extension cord to starter.
IMPORTANT: Prevent damage to unit. Know
voltage of your starter and only use matching
outlets.
2. Plug extension cord into 120V 3-wire,
grounded outlet.
IMPORTANT: Use only Ariens extension cord
(P/N 02483100) or an equivalent cord that is
rated for a minimum of 13 amps, grounded,
UL listed, CSA certified and labeled as
suitable for outdoor use.
3. Turn discharge chute straight ahead.
4. Make sure that the traction clutch and
attachment drive clutch levers are fully
disengaged.
5. Push Primer Bulb 2 or 3 times for cold
engine.
NOTE: When temperature is below -15° F
(-26° C) additional priming may be needed.
6. 920014 – Set throttle to proper starting
position.
920013 – Toggle ignition switch to
"Run".
7. 920014 – Insert key into ignition and
rotate to run position.
920013 – Insert key into ignition switch
and push into RUN position. DO NOT
twist key after it is inserted.
8. If engine is cold, apply choke. A warm
engine requires less choking than a cold
engine. See Engine Manual for detailed
instructions.
9. 920014 – Set throttle to proper starting
position
10. Press starter button on engine until
engine starts.
WARNING: AVOID INJURY. Read
and understand the entire Safety
section before proceeding.
WARNING: FAILURE TO FOLLOW
INSTRUCTIONS could result in
personal injury and/or damage to
unit. DO NOT attempt to start your
unit at this time. Read entire
Owner/Operator Manual and the
Engine Manual first.
GB - 21
IMPORTANT: DO NOT operate starter more
than 15 seconds per minute, as overheating
and damage can occur. (If engine does not
start, refer to TROUBLESHOOTING on
page 33.)
11. Adjust choke as needed.
12. Disconnect power cord from outlet, then
starter.
13. 920014 – Set throttle to Part Throttle or
Slow position for adaptation to outside
temperature or travel. Set throttle to Fast
position for normal operation.
Shut Off
1. Release Traction Drive Clutch Lever and
allow unit to come to a complete stop.
2. Run Impeller a few minutes after use to
prevent freeze-up of Impeller.
3. Release Attachment Clutch Lever and
wait for all moving parts to come to a
complete stop.
4. Toggle or rotate ignition switch to "Stop".
5. Remove key.
SNOW REMOVAL
IMPORTANT: Allow unit and engine to adjust
to the outdoor temperature before clearing
snow.
NOTE: Attachment clutch should be engaged
before wheel drive clutch when throwing
snow.
1. Select Speed Control position and
direction.
2. Engage Attachment Clutch – Right Hand
Lever.
3. Engage Traction Drive Clutch – Left
Hand Lever.
IMPORTANT: DO NOT overload unit capacity
by attempting to clear snow at too fast a rate.
Use slow speed to clear deep or hard packed
snow.
Tips for Operation
Snow is best removed as soon as possible
after snow fall.
To clear an area, run unit in an overlapping
series of paths. For large areas, start in the
middle and throw snow to each side, so snow
is not cleared more than once.
ALWAYS direct snow away from area to be
cleared and with direction of the wind.
TRAVELING
To travel from one work area to another:
1. 920014 – Set Throttle to Slow or Part-
Throttle position.
2. Press down on handlebars enough to
raise front of unit slightly off surface.
3. Engage wheel drive clutch without
engaging attachment drive clutch.
TRANSPORT
ALWAYS shut off engine, remove key, and
close fuel shut-off valve when transporting
unit on a truck or trailer.
Use extra care when loading or unloading
unit onto trailer or truck.
Secure unit chassis to transport vehicle.
NEVER secure from rods or linkages that
could be damaged.
DO NOT transport machine while engine is
running.

GB - 22
Ariens Dealers will provide any service or
adjustments which may be required to keep
your unit operating at peak efficiency. Should
engine service be required, contact an Ariens
dealer or an authorized engine
manufacturer's service center.
SERVICE POSITION
(Figure 19)
Place unit on a flat level surface. Tip unit
forward onto front of auger housing for
service. Ensure unit is secure and will not tip
over. Strap and clamp onto bench if needed.
MAINTENANCE SCHEDULE
The chart below shows the recommended
maintenance schedule that should be
performed on a regular basis. More frequent
service may be required.
CHECK DUAL HANDLE
INTERLOCK
Without the engine running, press down
(engage) both clutch levers. Release
attachment clutch lever. Attachment clutch
should remain engaged until traction clutch
lever is released, then both clutches must
disengage.
CHECK FASTENERS
Make sure all hardware is tightened properly.
MAINTENANCE
WARNING: AVOID INJURY. Read
and understand the entire Safety
section before proceeding.
WARNING:
Before tipping unit up onto
housing, close fuel shut-off valve, and
drain fuel tank and fuel system so no
spills will occur (see engine manual for
complete instructions). Ensure unit is
secure and will not tip over during
maintenance.
Figure 19
Service Position
OS8190
MAINTENANCE SCHEDULE
Service
Performed Each
Use Every
5 hrs. Every
25
hrs.
Yearly
Check Dual
Handle
Interlock
•
Check
Fasteners •
Check Clutch
Operation •
Clean Engine •
Check Engine
Oil •
Change
Engine Oil**
Check Tire
Pressure •
Check Auger
Gearcase ••
General
Lubrication ••
** Refer to Engine Manual for detailed
instructions.

GB - 23
CHECK CLUTCH OPERATION
Auger / impeller must stop within 5 seconds
when attachment clutch/impeller brake lever
is released.
Wheels must stop quickly when traction drive
clutch lever is released.
If clutches do not engage or disengage
properly, adjust or repair before operation
(see Attachment Clutch/Brake Adjustment on
page 27 and Attachment Drive Belt
Replacement on page 29).
CLEAN ENGINE
Refer to Engine Manual for detailed
instructions.
CHECK ENGINE OIL
The engine crankcase oil should be checked
every 5 hours of operation. Oil level MUST be
maintained in safe operating range on
dipstick at all times or engine damage will
result (See Engine Manual).
Park unit on a level surface. Refer to Engine
Manual for detailed instructions.
CHANGE ENGINE OIL
Refer to Engine Manual for detailed
instructions.
CHECK TIRE PRESSURE
Keep tires at pressure listed on the tire
sidewall. (see Check Tire Pressure on
page 13).
CHECK AUGER GEARCASE
(Figure 20)
IMPORTANT: Proper oil level must be
maintained.
Gear cases are filled to the correct level at
the factory. Unless there is evidence of
leakage, no additional lubricant should be
required. Check oil level each season or
every 25 hours of operation.
IMPORTANT: Be sure unit is resting on a
level surface before checking lubricant levels.
To ensure adequate lubricant level:
1. Remove filler plug and seal washer
(Figure 20). Lubricant must be 1.63 in. –
1.88 in. (4.14 cm – 4.78 cm) from the flat
surface of the inspection cover.
IMPORTANT: DO NOT remove the
inspection cover.
2. Check oil level with suitable dipstick
device. Add lubricant if required.
NOTE: Inspect seal washer for wear or
rubber deterioration and replace as needed.
IMPORTANT: Use only Ariens L3 synthetic
severe duty gear lube (Part Number
00068800). Use of other lubricants will void
unit warranty.
3. Reinstall filler screw and seal washer to
80 lbf-in. (9 N•m).
IMPORTANT: DO NOT OVER-TORQUE!
Note that measurements are in pound force
inches (lbf-in) and NOT pound force
foot (lbf-ft).
IMPORTANT: Be sure to install seal washer
with rubber side down (Figure 20).
IMPORTANT: Improper torquing, omission of
seal washer, or incorrect installation of seal
washer will void unit warranty.
GENERAL LUBRICATION
(Figure 21)
IMPORTANT: Wipe each fitting clean before
and after lubrication.
IMPORTANT: DO NOT allow grease or oil to
get on friction disc, friction plate or belts.
NOTE: Apply Ariens Hi-Temp Grease or
equivalent to the lubrication fittings. See
SERVICE PARTS on page 33.
Sno-Thro should be lubricated (Figure 21) at
beginning of season or every 25 operating
hours.
Auger Shaft
NOTE: To grease auger shaft, remove shear
bolt nuts, and shear bolts. Apply grease at the
grease zerks and then turn the auger
assemblies on the auger shaft. Replace
shear bolts per instructions in Shear Bolts on
page 25.
Figure 20
1. Auger Gearcase
2. Filler Plug
3. Seal Washer
OS8195
2
1
3

GB - 24
Grease
Oil
Figure 21 OS8200

GB - 25
SCRAPER BLADE
IMPORTANT: Damage to housing will result if
blade wears down too far.
Scraper blade is adjustable to compensate
for wear.
To adjust scraper blade:
1. Tip unit back onto handlebar, support
housing and loosen nuts retaining blade.
2. Reposition scraper blade and tighten
lock nuts.
3. Adjust skid shoes.
IMPORTANT: ALWAYS adjust skid shoes
after adjusting scraper blade to prevent
premature wear to scraper blade or damage
to housing.
SKID SHOES
(Figure 22)
Skid shoes should be adjusted as conditions
require.
1. Position unit on a hard, flat, smooth level
surface.
2. Adjust skid shoes by inserting a spacer
of desired thickness under center of
scraper blade, loosen skid shoe
hardware, slide skid shoe to flat surface.
Allow 1/8 in. (3 mm) between scraper
blade and hard smooth surfaces. Allow
7/8 in. (22 mm) between scraper blade
and uneven or gravel surfaces.
Retighten hardware.
NOTE: Keep housing level by adjusting skid
shoes equally.
SHEAR BOLTS
(Figure 23)
IMPORTANT: Use only Ariens OEM shear
bolts for replacement. Use of any other type
of shear bolt may result in severe damage to
unit and may void the warranty.
Occasionally a foreign object may enter the
auger/impeller housing and jam the auger,
breaking shear bolts which secure the auger
to the shaft. This allows auger to turn freely
on the shaft which may help prevent damage
to gear case and its components.
For Replacement:
1. Align shear bolt holes in auger with
shear bolt holes in the shaft.
2. Drive shear bolt through hole (if shear
bolt was broken this will drive remaining
part from shaft).
3. Secure shear bolt with nut.
NOTE: DO NOT overtighten the shear bolt.
Tighten shear bolt to 5.8 – 12.2 lbf-ft (7.9 –
16.5 N•m).
SERVICE AND ADJUSTMENTS
WARNING: AVOID INJURY. Read
and understand the entire Safety
section before proceeding.
Figure 22
OS8205
1. Skid Shoe
2. Skid Shoe Hardware
1
2
Figure 23
1. Auger 2. Shear Bolts
1
2

GB - 26
MANUAL DISCHARGE CHUTE
DEFLECTOR (920013)
(Figure 24)
Deflector must stay in selected position while
throwing snow.
To adjust, loosen then retighten the wing
knob to desired tension.
REMOTE DISCHARGE
DEFLECTOR CONTROL
ADJUSTMENT (920014)
(Figure 25 and 26)
Deflector must stay in selected position while
throwing snow.
If deflector does not stay in set position:
1. Tighten nut beneath control panel to
increase pressure on deflector control
(Figure 25).
.
If deflector does not follow full range of travel:
1. Push deflector remote all the way
forward.
2. Loosen adjusting nuts on remote
deflector cable attached to the chute
deflector (Figure 26).
3. To adjust the deflector lower:
Loosen bottom adjustment nut and
tighten top adjustment nut.
To adjust deflector higher:
Loosen top adjustment nut and tighten
bottom adjustment nut.
4. Check the deflectors range of travel and
repeat adjustment as necessary.
DISCHARGE CHUTE
(Figure 27)
If discharge chute does not stay in position
while operating, tighten nut on carriage bolt at
pivot point to increase tension on spring.
Figure 24
OS8215
1. Wing Knob
2. Discharge Chute Deflector
3. Discharge Chute
1
2
3
Figure 25
OS8066
Adjustment Nut
Figure 26
2
1
1. Adjusting Nuts
2. Cable Support Bracket
3. Remote Deflector Control Cable
3
OS8217
Figure 27
OS8220
1. Spring
2. Nut
1
2

GB - 27
SPEED SELECTOR
ADJUSTMENT
(Figure 28)
To adjust:
1. Disconnect adjustment pivot pin from
speed selector arm. Save hardware for
reinstallation.
2. Place the speed selector on dash panel
in the fastest forward speed position.
3. Turn the speed selector arm straight
down towards the ground as far as it will
go.
4. Thread the adjustment pivot pin along
the shift rod until it aligns with the mating
hole on the speed selector arm, and
then turn it up the shift rod 7 turns. Insert
the pivot pin into hole.
5. Connect the pivot pin to the speed
selector arm with the hardware removed
in step 1.
6. Check forward and reverse speeds:
a. Start unit.
b. Shift speed selector into the first
forward speed.
c. Engage the traction clutch. Unit
should move forward.
d. Stop unit.
e. Shift speed selector into first
reverse speed.
f. Engage the traction clutch. Unit
should move backward.
g. Shut off unit.
7. Adjust pivot pin on the shift rod as
necessary so unit travels forward when
speed selector is in first forward position
and travels backward when speed
selector is in first reverse position.
8. Connect the pivot pin to the speed
selector arm with the hardware removed
in step 1.
ATTACHMENT CLUTCH/BRAKE
ADJUSTMENT
Remove Attachment Cable Slack
(Figure 29 and 30)
1. Loosen hardware securing belt cover to
unit.
NOTE: DO NOT completely remove the
hardware from unit.
2. Remove belt cover.
3. Loosen jam nut on cable adjustment
barrel, and then turn the adjustment
barrel down to shorten cable and
remove all cable slack (Figure 29).
WARNING: IMPROPER
ADJUSTMENT could result in
unexpected movement of auger and
impeller causing death or serious
injury. AUGER / IMPELLER MUST
STOP within 5 seconds when
Attachment Clutch/Impeller Brake
Lever is released.
WARNING: Adjustment procedure
requires the engine to be run with the
belt cover off. AVOID INJURY. Read
and understand the entire Safety
section before proceeding.
Figure 28
1. Shift Rod
2. Adjustment Pivot Pin
3. Speed Selector Arm
4. Hairpin
2
41
3
OS8225

GB - 28
4. With the attachment clutch disengaged,
check that the attachment idler arm
lightly touches the frame (Figure 30).
5. Tighten jam nut on cable adjustment
barrel.
Check Attachment Idler Arm Roller
Clearance
(Figure 31 and 32)
1. Place the unit into the service position.
Remove the bottom cover.
2. With the attachment clutch lever
engaged, check the clearance between
the frame and plastic roller on the lower
end of the attachment idler arm
(Figure 31).
• If roller is 1/2 – 7/8 in. (12.7 –
22.2 mm) from frame, no further
adjustment is required.
• If roller is less than 1/2 in. (12.7 mm)
from frame, loosen idler adjustment
nut and move idler closer to the belt.
Tighten adjustment nut and recheck
the roller clearance (Figure 32).
• If roller is more than 7/8 in. (22.2 mm)
from frame, loosen idler adjustment
nut and move idler away from the belt.
Tighten adjustment nut and recheck
roller clearance (Figure 32).
Figure 29
1. Attachment Clutch Cable
2. Cable Adjustment Barrel
3. Jam Nut
2
3
1
OS8255
Figure 30
With the attachment clutch disengaged,
check the attachment idler arm position
here. The attachment idler arm should
lightly touch the frame.
OS8240
Figure 31 OS8260
Roller should be 1/2 – 7/8 in. (12.7 –
22.2 mm) from the frame when the
attachment clutch is engaged.
Figure 32
2
1. Idler Adjustment Nut
2. Attachment Belt Idler
1
OS8285

GB - 29
Check Attachment Brake
(Figure 33)
1. With the clutch lever disengaged, brake
pad must contact attachment belt. With
clutch lever engaged, brake pad must be
more than 1/16 in. (1.6 mm) from belt. If
there is more than 1/16 in. (1.6 mm) gap,
go to Check Belt Finger Clearance on
page 29. If there is less than 1/16 in. (1.6
mm) gap, go to Step 2.
2. If there is less than 1/16 in. (1.6 mm)
gap between brake pad and belt, follow
these steps:
a. To increase brake pad gap,
loosen idler adjustment nut, and
move idler away from belt.
Position idler to achieve a 1/16 in.
(1.6 mm) minimum brake pad gap
and a 1/2 – 7/8 in. (12.7 –
22.2 mm) gap between the
plastic roller and the frame.
IMPORTANT: If adjustments cannot be
brought into specified ranges see your Dealer
for repairs.
Check Belt Finger Clearance
(Figure 34)
1. With clutch lever engaged, the belt
finger located opposite the belt idler
must be less than 1/8 in. (3,2 mm) from
belt, but not touching the belt.
To adjust belt finger, loosen the bolts and
move the finger to the proper position.
Tighten the bolts and recheck the belt
finger clearance.
2. Replace the belt cover and tighten
hardware.
ATTACHMENT DRIVE BELT
REPLACEMENT
Remove Attachment Drive Belt
(Figures 35, 36 and 37)
1. Shut off engine, remove key, disconnect
spark plug wire and allow unit to cool
completely.
2. Loosen the hardware securing belt
cover to unit.
NOTE: DO NOT completely remove the
hardware from unit.
3. Remove belt cover.
4. Remove hairpin from chute crank and
separate.
5. 920014 – Remove remote deflector
control cable from dash control.
6. Remove belt finger by removing cap
screws mounting belt finger to engine
(Figure 36 or Figure 37).
7. Remove attachment drive belt from
engine sheave (it may be necessary to
turn engine sheave using recoil starter
handle).
Figure 33
Minimum of 1/16 in. (1.6 mm)
1. Brake Arm and Pad
2. Attachment Pulley
1
2OS8260
CAUTION: Always support Sno-Thro
frame and housing when loosening
the cap screws holding them
together. Never loosen cap screws
while unit is in service position.
Figure 34
Check belt finger clearance here. With the
attachment clutch engaged, there should
be less than 1/8 in. (3,2 mm) clearance
between the belt and the belt finger. The
belt finger should not touch the belt.
OS8240

GB - 30
IMPORTANT: To avoid bending bottom cover,
when tipping unit apart, support handlebars
firmly or tip unit up on housing and remove
bottom cover by removing six cap screws
before separating unit.
8. Support Sno-Thro frame and housing.
9. Remove hex bolts securing housing to
frame (two on each side). Tip housing
and frame apart on pivot pin.
10. Separate housing from unit.
11. Remove attachment drive belt from
attachment pulley.
Replace Attachment Drive Belt
1. Place new belt onto attachment pulley
(Figure 36).
NOTE: Engage attachment clutch lever while
connecting housing to frame to hold brake out
of the way.
2. Tip housing and frame back together
and secure with hex bolts.
3. Place belt onto engine sheave.
4. Replace belt finger.
IMPORTANT: With the clutch lever engaged,
the belt finger located opposite the belt idler
must be less than 1/8 in. (3,2 mm) from the
belt, but not touching the belt, or belt
grabbing may occur causing impeller to rotate
while the attachment clutch is disengaged
(Figure 37).
5. Adjust clutch per Attachment
Clutch/Brake Adjustment on page 27.
6. Replace chute crank and secure with
hairpin.
920014 – Reconnect remote deflector
cable to dash control.
7. Run in the attachment belt. See Run-in
Attachment Belt on page 13.
8. Replace belt cover and tighten
hardware.
WARNING: AVOID INJURY. Auger
must stop within 5 seconds when
attachment lever is released or
serious injury or unit damage may
result.
Figure 35
1
2
34
1. Pinion Gear
2. Belt Cover 3. Hairpin
4. Chute Crank
OS8230
Figure 36 OS8235
5
3
2
1
6
7
8
4
1. Traction Belt
Idler
2. Traction Drive
Belt
3. Engine Sheave
4. Belt Finger
5. Attachment
Drive Belt
6. Attachment
Pulley
7. Attachment
Idler Nut
8. Attachment Belt
Idler
Figure 37
1. Belt Finger
2. Belt
1
2
1/8 in. (3,2 mm)
(Maximum)
OS8240

GB - 31
TRACTION DRIVE BELT
REPLACEMENT
(Figures 38)
NOTE: Housing and frame must be tipped
apart and attachment drive belt removed from
engine sheave in order to change traction
drive belt.
1. Remove attachment drive belt (See
Remove Attachment Drive Belt on
page 29).
2. Remove swing gate spacer.
3. Slide drive plate to the left until finger is
out of the frame.
NOTE: The drive plate is detached to create
space between the drive plate and friction
disc to remove and reinstall the belt.
4. Detach traction idler spring.
5. Remove traction drive belt.
NOTE: To remove belt it may be necessary to
turn crankshaft pulley using recoil starter
handle.
6. Replace traction drive belt.
7. Swing drive plate toward friction disc
and slide finger into stop hole in frame.
8. Reinstall swing gate spacer.
NOTE: Make sure drive plate spring remains
connected to the frame and drive plate.
9. Replace attachment drive belt (See
Replace Attachment Drive Belt on
page 30).
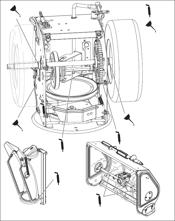
FRICTION DISC REPLACEMENT
Remove Friction Disc
(Figure 39)
1. Shut off engine, remove key, disconnect
spark plug wire and allow unit to cool
completely.
2. Place the unit into the service position
on a level surface.
3. Remove lockpins from wheel axles and
remove wheels.
4. Remove bottom cover by removing six
hex bolts.
5. Disconnect pivot pin from the speed
selector arm. Save the hardware for
reinstallation.
6. Remove spring hairpin nearest drive
gear from hex shaft.
7. Remove left bearing flange from frame.
8. Slide hex shaft to the left to remove the
flat washer, pinion gear and friction disc
assembly from the hex shaft.
NOTE: Be sure to save washers between
bearing and sliding fork for reassembly.
9. Remove friction disc assembly from
frame.
10. Remove three screws holding friction
disc to carrier bearing.
11. Remove old friction disc. Put the new
friction disc in place, cup side to carrier
bearing.
12. Reinstall three screws into new friction
disc and carrier bearing. Torque to
5 – 6 lbf-ft. (6.8 – 8.13 N•m).
CAUTION: Always support Sno-Thro
frame and blower housing when
loosening the cap screws holding
them together. Never loosen cap
screws while unit is in service
position.
Figure 38
1. Swing Gate
2. Swing Gate Spacer
3. Swing Gate Finger & Stop Hole
4. Drive Plate
5. Traction Idler Spring
6. Crankshaft Pulley
7. Drive Plate Spring
4
2
3
5
6
7
1
OS8246
CAUTION: Before tipping unit,
remove enough fuel so that no spills
occur.

GB - 32
13. Insert new friction disc assembly into
frame. Install washers onto carrier
bearing and slide into speed selector
arm.
14. Slide hex shaft through new friction plate
assembly. Install pinion gear and washer
onto hex shaft and slide shaft into right
bearing.
15. Install left bearing using hardware
removed in step 7.
16. Reinstall hairpin into hex shaft.
17. Connect pivot pin to speed selector arm.
See Speed Selector Adjustment on
page 27.
18. Install bottom cover.
19. Reinstall wheels.
20. Return unit to upright position.
21. Connect spark plug wire to spark plug.
SHORT TERM
IMPORTANT: NEVER spray unit with high
pressure water or store unit outdoors.
Run with attachment clutch engaged a few
minutes after each use to free unit of any
loose or melting snow.
Close fuel shut-off valve.
Inspect unit for visible signs of wear,
breakage or damage.
Keep all nuts, bolts and screws properly
tightened and know unit is in safe working
condition.
Store unit in a cool, dry protected area.
LONG TERM
Clean unit thoroughly with mild soap and low
pressure water and lubricate (see
MAINTENANCE on page 22). Touch up all
scratched painted surfaces.
Remove weight from wheels by putting
blocks under frame or axle.
FUEL SYSTEM
Gasoline left in the fuel system for extended
periods without a stabilizer will deteriorate,
resulting in gum deposits in the system.
These deposits can damage the carburetor
and the fuel hoses, filter and tank. Prevent
deposits from forming in the fuel system
during storage by adding a quality fuel
stabilizer to the fuel. Follow the
recommended mix ratio found on the fuel
stabilizer container.
IMPORTANT: NEVER store the engine with
fuel in the fuel tank inside of a building with
potential sources of ignition.
1. Hex Shaft
2. Friction Disc
Assembly
3. Left Bearing
Flange
4. Speed Selector
Arm
5. Friction Disc
6. Right Bearing
Flange
7. Carrier Bearing
8. Hairpin
9. Pinion Gear
10. Drive Plate
Assembly
OS8280
Figure 39
1
2
3
4
6
7
5
8
9
10
STORAGE
WARNING: AVOID INJURY. Read
and understand the entire Safety
section before proceeding.

GB - 33
Add Fuel Stabilizer
1. Turn the fuel valve off while engine is
running and allow the engine to run until
it stops. Turn engine OFF when it begins
surging to avoid engine damage.
2. Add fuel stabilizer, following the
manufacturer’s instructions.
3. Turn fuel valve on after adding fuel
stabilizer.
4. Re-start engine.
5. Run the engine outdoors for 1 minutes to
be sure that treated gasoline has
replaced the untreated gasoline in the
carburetor.
6. Slow the engine to an idle speed.
7. Repeat step 1 above.
SERVICE PARTS
Order the following parts through your
Dealer:
Part No. Description
00036800 Ariens Hi-Temp Grease
(3, 3 oz. cartridges)
21534100 Spark Plug (920014)
21547400 Spark Plug (920013)
07200513 Impeller Belt
07200603 Traction Belt
53200500 Shear Bolts
00170800 Friction Disc
00592900 Gas Stabilizer (4 oz.)
00432600 Headlight Bulb, 20 Watt
06400920 Gear Case Filler Plug Seal
Washer
ACCESSORIES
See your authorized Ariens dealer to add the
additional accessories available to your
Sno-Thro model.
Part No. Description
72406900 Slicer Bar Kit
72406500 Front Weight Kit
72600300 Composite Skid Shoe Kit
73203600 Sno-Thro Cover
82000100 28" Brush Attachment
72408000 Snow Cab
TROUBLESHOOTING
PROBLEM PROBABLE CAUSE CORRECTION
Engine will
not
crank/start.
1. Fuel tank is empty.
2. Fuel shut-off valve
closed.
3. Build up of dirt and
residue around
governor/carburetor.
4. Key Switch not in run
position.
5. Electric starter not
functioning.
1. Fill fuel tank (see FILLING
FUEL TANK on page 19).
2. Open fuel shut-off valve.
3. Clean area around
governor/carburetor.
4. Put Key Switch into run
position.
5. Check for a bad starter or
connections.

GB - 34
Engine stops. 1. Out of fuel.
2. Fuel shut-off valve
closed.
3. Mechanical jam in blower
rake or impeller.
4. Polluted fuel supply.
5. Faulty spark plug.
6. Plugged fuel cap vent.
1. Fill fuel tank (see FILLING
FUEL TANK on page 19).
2. Open fuel shut-off valve.
3. Turn off engine, remove key,
and wait for all moving parts to
stop. Check for and remove
obstruction and repair before
restart.
4. Replace with clean fuel.
5. Replace or clean spark plug.
6. Replace fuel cap.
Engine
problems. 1. See Engine Manual. 1. See Engine Manual.
Does not
operate in
Forward /
Reverse.
1. Friction disc worn out.
2. Traction belt not
functioning.
3. Speed selector not
adjusted properly.
1. Replace friction disc (see
Friction Disc Replacement on
page 31).
2. Repair or replace traction drive
belt (see Traction Drive Belt
Replacement on page 31).
3. Adjust speed selector (see
Speed Selector Adjustment on
page 27).
Small rubber
beads collect
in frame
1. Friction disc wear. 1. Normal friction disc wear.
Chunks or large pieces of
rubber mean friction disc
should be checked and
replaced as necessary.
Unit throws
snow poorly
or does not
throw snow.
1. Shear bolts broken.
2. Attachment clutch/brake
not adjusted properly.
3. Auger is frozen in place.
4. Ice or debris is
obstructing auger.
5. Attachment drive belt
slipping, worn or
damaged.
1. Replace shear bolts (see Shear
Bolts on page 25).
2. Adjust attachment clutch/brake
(see Attachment Clutch/Brake
Adjustment on page 27).
3. Move unit to a warm place to
thaw.
4. With the engine off and auger
disengaged, check for
obstructions and remove.
5. Adjust or replace attachment
drive belt (see Attachment
Clutch/Brake Adjustment on
page 27).
TROUBLESHOOTING
PROBLEM PROBABLE CAUSE CORRECTION

GB - 35
SPECIFICATIONS
Model Number 920013
Description Compact 22
Engine Ariens OHV
Gross Torque* – lbf-ft (N•m) 9.5 (12.88)
*Engine output stated in gross torque per SAE J1940 as rated by engine manufacturer.
Displacement – in. (cc) 12.7 (208)
High Idle – RPM (min) 3600 ± 100
Electric Start 120V
Fuel Tank Capacity – qt (Liters) 2.7 (2.55)
Headlight Yes
Chute
Chute Rotation Angle 205°
Rotation Control 2.5X Quick Turn
Deflector Control Manual
Auger
Snow Clearing Width – in. (cm) 22.0 (55.8)
Gear Case Cast Iron
Auger Diameter – in. (cm) 11.0 (27.9)
Impeller
Impeller Diameter – in. (cm) 12.0 (30.5)
Impeller Speed (RPM) 1190
Impeller Tip Speed
– ft/sec (m/s)
3738 (1139)
Drive
Blower Drive HA Belt
Drive System Disc-O-Matic®
Speeds 6 Forward and 2 Reverse
Axle Control Pin-Lock
Pneumatic Tires – in. (cm) 13 x 4-6
Size and Weight
Length – in. (cm) 51.9 (131.8)
Height – in. (cm) 44.3 (112.5)
Width – in. (cm) 24.4 (62.0)
Weight – lbs (Kg) 172 (78)

GB - 36
SPECIFICATIONS
Model Number 920014
Description Compact 24
Engine Briggs & Stratton Polar Force
Gross Torque* – lbf-ft (N•m) 9.0 (12.2)
*Engine output stated in gross torque per SAE J1940 as rated by engine manufacturer.
Displacement – in. (cc) 12.5 (205)
High Idle – RPM (min) 3600 ± 100
Start 120 V
Fuel Tank Capacity – qt (Liters) 2.9 (2.7)
Headlight Yes
Chute
Chute Rotation Angle 205°
Rotation Control 2.5X Quick Turn
Deflector Control Remote
Auger
Snow Clearing Width – in. (cm) 24.0 (61.0)
Gear Case Cast Iron
Auger Diameter – in. (cm) 11.0 (27.9)
Impeller
Impeller Diameter – in. (cm) 12.0 (30.5)
Impeller Speed (RPM) 1190
Impeller Tip Speed
– ft/sec (m/s)
3738 (1139)
Drive
Blower Drive HA Belt
Drive System Disc-O-Matic®
Speeds 6 Forward and 2 Reverse
Axle Control Pin-Lock
Pneumatic Tires – in. 13 x 5-6
Size and Weight
Length – in. (cm) 51.9 (131.8)
Height – in. (cm) 44.3 (112.5)
Width – in. (cm) 26.4 (67)
Weight – lbs (Kg) 177 (80.3)

Sno-Chore_2011.B
37
Sno-Thro®, Sno-Tek® and
Chore Performing Equipment
Limited Warranty
Ariens Company (Ariens) warrants to the original purchaser that Ariens, Gravely, Parker, and Countax
brand chore performing equipment (including Sno-Thro® and Sno-Tek® equipment) purchased on or after
1/1/2011 will be free from defects in material and workmanship for the time period noted in the chart below.
Equipment put to personal use around a single household or residence is considered “Consumer Use”;
equipment put to any business use (agricultural, commercial, or industrial) or used at multiple locations is
considered “Commercial Use.” If any product is rented or leased, then the duration of these warranties shall
be 90 days after the date of purchase.
An authorized Ariens dealer (Ariens brand products), Gravely dealer (Gravely brand products), Parker dealer
(Parker brand products), or Countax dealer (Countax brand products) will repair any defect in material or
workmanship, and repair or replace any defective part, subject to the conditions, limitations and exclusions
set forth herein. Such repair or replacement will be free of charge (labor and parts) to the original purchaser
except as noted below.
Special Extensions
The chart below details special extensions to this warranty:
Warranty
Code Product Group Warranty Period
Consumer Use Warranty Period
Commercial Use
PA Log Splitters, Brushes, String Trimmers, Edgers 3 Years 90 Days
PB Professional Powered Brushes 3 Years 1 Year
PC Tillers 2 Years 90 Days
PD Vacuums, Blowers, Sweepers, Truck Loaders,
Lawn Rakes, Sprayers, Aerators, etc. 1 Year 1 Year
SA Professional Sno-Thro®3 Years 1 Year
SB Compact, Deluxe, Platinum, AMP™ Sno-Thro®3 Years 90 Days
SC Sno-Tek®2 Years 90 Days
UA Utility Vehicles 1 Year 1 Year
N/A Service (Replacement) Parts 90 Days (no labor) 90 Days (no labor)
Warranty
Code Warranty Exception Warranty
Period Use Detail
SA Cast Iron Auger
Gear Case 5 Years All 5 Years for all users including
Commercial
SB Cast Iron Auger
Gear Case 5 Years Consumer 5 Years for Consumer use;
1 Year for Commercial Use
SB Batteries for AMP™
Sno-Thro®2 Years Consumer 100% first year; prorated second year.

Sno-Chore_2011.B
38
Exceptions and Limitations
The chart below details special exceptions to this warranty:
Customer Responsibilities
Register the product immediately at the time of sale. If the dealer does not register the product, the
customer must complete the product registration card in the literature package and return it to the Ariens
Company, or register the unit online at www.ariens.com, www.gravely.com, www.countax.com,
www.parkersweeper.com.
To obtain warranty service, the original purchaser must:
• Perform the maintenance and adjustments explained in the owner's manual.
• Promptly notify Ariens or an authorized Ariens, Gravely, Parker or Countax service representative of
the need for warranty service.
• Transport the product to and from the place of warranty service at owner's expense.
• Have the warranty service performed by an authorized Ariens, Gravely, Parker or Countax service
representative.
To Find an Authorized Service Representative:
Warranty
Code Warranty Exception Warranty
Period Use Detail
All Batteries 1 Year All Prorated
All Belts, Muffler, Tires None Commercial These components are not covered
when used commercially.
All
Cloth, Plastic, and
Rubber Components
(Including Belts and
Cables)
Maximum
2 Years All
Warranty is limited to 2 years for
consumer use. (1 year for warranty
code "PD".) Except as noted above,
these components are covered for
defect, not for wear.
SA, SB,
SC Idlers Maximum
2 Years All Warranty is limited on idlers to
2 years for consumer use.
All Engines See Engine
Manufacturer’s
Warranty All
Engines are covered by engine
manufacturer’s warranty. Refer to
engine manufacturer’s warranty
statement.
In the U.S. and Canada:
Use the dealer locator on our websites: www.ariens.com • www.gravely.com
Or contact us by mail or by phone:
In the U.S., Canada, Mexico, Caribbean,
Central and South America: In Europe, Asia, Africa or
the Middle East: In Australia or New Zealand:
Ariens Company
655 W. Ryan Street
Brillion, WI 54110
Phone: (920) 756 - 4688
www.ariens.com
Countax Ltd, Countax House
Great Haseley, Oxfordshire,
OX44 7PF
Phone: 0800 597 7777
www.countax.com
109-111 Abbot House
Hallam, Victoria 3803 Australia
Phone: (03) 9796 4244
1800 335 489
www.bynorm.com.au

Sno-Chore_2011.B
39
Exclusions - Items Not Covered by This Warranty
• Parts that are not genuine Ariens, Gravely, Parker or Countax service parts are not covered by this
warranty and may void the warranty.
• Damages resulting from the installation or use of any part, accessory, or attachment which is not
approved by the Ariens Company for use with product(s) identified herein are not covered by this
warranty.
• The following maintenance, service and replacement items are not covered by this warranty unless
they are noted in the Limitations section above: lubricants, spark plugs, oil, oil filters, air filters, fuel
filters, brake linings, brake arms, brake shoes, skid shoes, scraper blades, shear bolts, mower
blades, mower vanes, brushes, headlights, light bulbs, knives, cutters.
• Any misuse, alteration, improper assembly, improper adjustment, neglect, or accident which
requires repair is not covered by this warranty.
• Use of gasoline blends exceeding 10% ethanol voids any and all warranties.
• Products are designed to the specifications in the area that the product was originally distributed.
Different areas may have significantly different legal and design requirements. This warranty is lim-
ited to the requirements in the area in which the unit was originally distributed. Ariens Company
does not warrant this product to the requirements of any other area. Warranty service is limited to
service within the area originally distributed.
• In countries other than the United States and Canada, contact the Ariens Company dealer for war-
ranty policies that govern within your country. Rights may vary from country to country and within
any one country.
Special Exclusions on Utility Vehicles
The following uses void the warranty terms on Utility Vehicles (Warranty Code UA):
• Renting or leasing the utility vehicle.
• Using the utility vehicle to tow or carry loads in excess of the limits specified in the owner/operator
manual.
• Modifying the utility vehicle with parts and accessories that are not genuine or authorized Ariens or
Gravely parts or accessories.
• Modifying the utility vehicle without express written authorization from the Ariens Company.
• Operating the utility vehicle when it has not been completely and properly assembled and
pre-delivered by an authorized Gravely dealer.
Disclaimer
Ariens Company may from time to time change the design of its products. Nothing contained in this warranty
shall be construed as obligating the Ariens Company to incorporate such design changes into previously
manufactured products, nor shall such changes be construed as an admission that previous designs were
defective.
LIMITATION OF REMEDY AND DAMAGES
Ariens Company's liability under this warranty, and under any implied warranty that may exist, is limited to
repair of any defect in workmanship, and repair or replacement of any defective part. Ariens Company shall
not be liable for incidental, special, or consequential damages (including lost profits). Some states do not
allow the exclusion of incidental or consequential damages, so the above limitation or exclusion may not
apply to you.
DISCLAIMER OF FURTHER WARRANTY
Ariens Company makes no warranty, express or implied, other than what is expressly made in this
warranty. If the law of your state provides that an implied warranty of merchantability, or an implied
warranty of fitness for particular purpose, or any other implied warranty, applies to Ariens Company,
then any such implied warranty is limited to the duration of this warranty. Some states do not allow
limitations on how long an implied warranty lasts, so the above limitation may not apply to you.
This warranty gives you specific legal rights, and you may also have other rights which vary from region to region.

CARB_EPA_2011
40
CALIFORNIA AND EPA (UNITED STATES ENVIRONMENTAL
PROTECTION AGENCY) EVAPORATIVE EMISSION CONTROL
WARRANTY STATEMENT
YOUR WARRANTY RIGHTS AND OBLIGATIONS
The CARB (California Air Resources Board), the EPA, and Ariens Company are pleased to explain the
evaporative emission control system's warranty on your 2011 model year small off-road equipment. In
California, new equipment that uses small off-road engines must be designed, built, and equipped to
meet the State's stringent anti-smog standards. Ariens Company must warrant the evaporative
emission control system on your small off-road equipment for the period listed below provided there
has been no abuse, neglect or improper maintenance of your equipment.
Your evaporative emission control system may include parts such as: fuel tanks, fuel lines, fuel caps,
valves, canisters, filters, vapor hoses, clamps, connectors, and other associated components.
MANUFACTURER'S WARRANTY COVERAGE:
This evaporative emission control system is warranted for two years. If any evaporative
emission-related part on your equipment is defective, the part will be repaired or replaced by Ariens
Company.
OWNER'S WARRANTY RESPONSIBILITIES:
• As the small off-road equipment owner, you are responsible for the performance of the required
maintenance listed in your Owner's Manual. Ariens Company recommends that you retain all
receipts covering maintenance on your small off-road equipment, but Ariens Company cannot deny
warranty solely for the lack of receipts.
• As the small off-road equipment owner, you should however be aware that the Ariens Company may
deny you warranty coverage if your evaporative emission control system part has failed due to
abuse, neglect, or improper maintenance or unapproved modifications.
• You are responsible for presenting your small off-road equipment to an authorized Ariens, Gravely,
or Parker service representative as soon as the problem exists. The warranty repairs should be
completed in a reasonable amount of time, not to exceed 30 days. If you have a question regarding
your warranty coverage, you should contact Ariens Company Technical Service Center at
1-920-756-2141.
DEFECTS WARRANTY REQUIREMENTS:
(a.) The warranty period begins on the date the small off-road equipment is delivered to an ultimate
purchaser.
(b.) General Evaporative Emissions Warranty Coverage. Ariens Company warrants to the ultimate
purchaser and any subsequent owner that the evaporative emission control system when
installed was:
(1.) Designed, built, and equipped so as to conform with all applicable EPA and CARB
regulations; and
(2.) Free from defects in materials and workmanship that causes the failure of a warranted part
for a period of two years.
(c.) The warranty on evaporative emissions-related parts will be interpreted as follows:
(1.) Any warranted part that is not scheduled for replacement as required maintenance in the
written instructions must be warranted for the warranty period defined in subsection (b)(2).
If any such part fails during the period of warranty coverage, it must be repaired or replaced
by the Ariens Company. Any such part repaired or replaced under the warranty must be
warranted for a time not less than the remaining warranty period.
(2.) Any warranted part that is scheduled only for regular inspection in the written instructions
must be warranted for the warranty period defined in subsection (b)(2). A statement in such
written instructions to the effect of "repair or replace as necessary" will not reduce the
period of warranty coverage. Any such part repaired or replaced under warranty must be
warranted for a time not less than the remaining warranty period.
(3.) Any warranted part that is scheduled for replacement as required maintenance in the
written instructions must be warranted for the period of time prior to the first scheduled
replacement point for that part. If the part fails prior to the first scheduled replacement, the
part must be repaired or replaced by the Ariens Company. Any such part repaired or
replaced under warranty must be warranted for a time not less than the remainder of the
period prior to the first scheduled replacement point for the part.

CARB_EPA_2011
41
(4.) Repair or replacement of any warranted part under the warranty provisions of this article
must be performed at no charge to the owner at an authorized Ariens, Gravely, or Parker
service representative.
(5.) Notwithstanding the provisions of subsection (4) above, warranty services or repairs must
be provided at authorized Ariens, Gravely, or Parker service representatives that are
franchised to service the subject small off-road equipment.
(6.) The owner must not be charged for diagnostic labor that leads to the determination that a
warranted part is in fact defective, provided that such diagnostic work is performed at an
authorized Ariens, Gravely, or Parker service representative.
(7.) Throughout the evaporative emission control system's warranty period set out in subsection
(b)(2), the Ariens Company must maintain a supply of warranted parts sufficient to meet the
expected demand for such parts.
(8.) Manufacturer-approved replacement parts must be used in the performance of any
warranty maintenance or repairs and must be provided without charge to the owner. Such
use will not reduce the warranty obligations of the manufacturer issuing the warranty.
(9.) The use of any add-on or modified parts will be grounds for disallowing a warranty claim
made in accordance with this article. The manufacturer issuing the warranty will not be
liable under this Article to warrant failures of warranted parts caused by the use of an
add-on or modified part.
Evaporative Emission Warranty Parts List
The following parts are considered emission-related components for evaporative emissions:
• Fuel Tank, Fuel Cap and Tether
• Fuel Line, Fuel Line Fittings, Clamps*
• Pressure Relief Valves, Control Valves*
• Control Solenoids*, Electronic Controls*
• Vacuum Control Diaphragms*
• Control Cables*, Control Linkages*
• Purge Valves
• Vapor Hoses, Liquid/Vapor Separator
• Carbon Canister, Canister Mounting Brackets
• Carburetor Purge Port Connector
* As related to the evaporative emission control system
Disclaimer
New equipment sold in the state of California that uses small off-road engines must be exclusively
certified and appropriately labeled for sale in California. Some equipment covered by this Owner's
Manual my not be certified for sale in California and the presence of the preceding CARB and EPA
Warranty Statement does not by its existence indicate which, if any, of the equipment covered by this
Owner's Manual may be sold in California.
Some equipment covered by this Owner's Manual may have been manufactured prior to certain
affectivity dates requiring the inclusion of evaporative emission control systems. Therefore some
equipment covered by this Owner's Manual may not include the evaporative emission control systems
referred to in the preceding CARB and EPA Warranty Statement.

Ariens
655 West Ryan Street
Brillion, WI 54110-1072
920-756-4688
www.ariens.com
