Arrow Electronics DB410C DragonBoard 410C User Manual Users manual
Arrow Electronics, Inc. DragonBoard 410C Users manual
Users manual

!"#$%"#&'(")*"+'
Powered'by:'

'
,-,.'
Contents'
1'Regulatory,Compliance,.....................................................................................................................,5'
/0/'12"2&3&)24'5&6"#$7)6'899'000000000000000000000000000000000000000000000000000000000000000000000000000000000000000000000000000000000000000000000000000000000000000':'
2'Introduction,.........................................................................................................................................,6'
,0/';<"#$'<=&#=7&%'00000000000000000000000000000000000000000000000000000000000000000000000000000000000000000000000000000000000000000000000000000000000000000000000000000000'.'
3'What’s,in,the,Box,................................................................................................................................,9'
4'Getting,started,..................................................................................................................................,10'
>0/'?#&#&@*7472&4'0000000000000000000000000000000000000000000000000000000000000000000000000000000000000000000000000000000000000000000000000000000000000000000000000000000000'/A'
>0,'12"#27)6'2B&'C<"#$'D<#'2B&'D7#42'273&'0000000000000000000000000000000000000000000000000000000000000000000000000000000000000000000000000000000000000000000000'/A'
5'Dragonboard,Overview,.................................................................................................................,11'
:0/'1E42&3';+<FG'$7"6#"3'00000000000000000000000000000000000000000000000000000000000000000000000000000000000000000000000000000000000000000000000000000000000000000000'//'
:0,'?#<F&44<#'000000000000000000000000000000000000000000000000000000000000000000000000000000000000000000000000000000000000000000000000000000000000000000000000000000000000000'//'
:0H'(&3<#E'00000000000000000000000000000000000000000000000000000000000000000000000000000000000000000000000000000000000000000000000000000000000000000000000000000000000000000'//'
:0>'(7F#<1I!9'000000000000000000000000000000000000000000000000000000000000000000000000000000000000000000000000000000000000000000000000000000000000000000000000000000000000'//'
:0:'J787-;K-58'0000000000000000000000000000000000000000000000000000000000000000000000000000000000000000000000000000000000000000000000000000000000000000000000000000000000000'//'
:0L'I74M+"E'N)2&#D"F&'0000000000000000000000000000000000000000000000000000000000000000000000000000000000000000000000000000000000000000000000000000000000000000000000000000'/,'
:0L0/'!I(N'000000000000000000000000000000000000000000000000000000000000000000000000000000000000000000000000000000000000000000000000000000000000000000000000000000000000000'/,'
:0L0,'(N?NOI1N'00000000000000000000000000000000000000000000000000000000000000000000000000000000000000000000000000000000000000000000000000000000000000000000000000000000000'/,'
:0P'9"3&#"'N)2&#D"F&4'00000000000000000000000000000000000000000000000000000000000000000000000000000000000000000000000000000000000000000000000000000000000000000000000000'/,'
:0.'Q1;'?<#24'000000000000000000000000000000000000000000000000000000000000000000000000000000000000000000000000000000000000000000000000000000000000000000000000000000000000000'/H'
:0.0/'Q1;O!<42'M<#24'000000000000000000000000000000000000000000000000000000000000000000000000000000000000000000000000000000000000000000000000000000000000000000000000'/H'
:0.0,'Q1;OI&=7F&'M<#2'0000000000000000000000000000000000000000000000000000000000000000000000000000000000000000000000000000000000000000000000000000000000000000000000'/H'
:0R'S*$7<'000000000000000000000000000000000000000000000000000000000000000000000000000000000000000000000000000000000000000000000000000000000000000000000000000000000000000000000'/>'
:0R0/';K'S*$7<'0000000000000000000000000000000000000000000000000000000000000000000000000000000000000000000000000000000000000000000000000000000000000000000000000000000000'/>'
:0R0,'!I(N'S*$7<'00000000000000000000000000000000000000000000000000000000000000000000000000000000000000000000000000000000000000000000000000000000000000000000000000000'/>'
:0/A'I9OM<%&#'")$';"22&#E'?<%&#'00000000000000000000000000000000000000000000000000000000000000000000000000000000000000000000000000000000000000000000000000000000'/>'
:0//'(&"4*#&3&)24'000000000000000000000000000000000000000000000000000000000000000000000000000000000000000000000000000000000000000000000000000000000000000000000000000000'/>'
:0/,';*22<)4'000000000000000000000000000000000000000000000000000000000000000000000000000000000000000000000000000000000000000000000000000000000000000000000000000000000000000000'/>'
:0/H'TU2&#)"+'8")'F<))&F27<)'0000000000000000000000000000000000000000000000000000000000000000000000000000000000000000000000000000000000000000000000000000000000000000'/>'
:0/>'QS5K'0000000000000000000000000000000000000000000000000000000000000000000000000000000000000000000000000000000000000000000000000000000000000000000000000000000000000000000000'/>'
:0/:'VKSW'00000000000000000000000000000000000000000000000000000000000000000000000000000000000000000000000000000000000000000000000000000000000000000000000000000000000000000000000'/>'
:0/L'1E42&3'")$'*4&#'XTI4'00000000000000000000000000000000000000000000000000000000000000000000000000000000000000000000000000000000000000000000000000000000000000000000'/:'
:0/P'TUM")47<)'9<))&F2<#'000000000000000000000000000000000000000000000000000000000000000000000000000000000000000000000000000000000000000000000000000000000000000000000'/:'
:0/.'S$$727<)"+'8*)F27<)"+72E'0000000000000000000000000000000000000000000000000000000000000000000000000000000000000000000000000000000000000000000000000000000000000000'/:'

'
H-,.'
:0/.0/'W?1'00000000000000000000000000000000000000000000000000000000000000000000000000000000000000000000000000000000000000000000000000000000000000000000000000000000000000'/:'
:0/.0,'Y)';<"#$'S)"+<6'(7F#<MB<)&'00000000000000000000000000000000000000000000000000000000000000000000000000000000000000000000000000000000000000000000'/:'
:0/.0H'S)"+<6'9<))&F2<#'000000000000000000000000000000000000000000000000000000000000000000000000000000000000000000000000000000000000000000000000000000000000000'/:'
6'Low,speed,Expansion,connector,................................................................................................,16'
L0/'QS5K'ZA-/['0000000000000000000000000000000000000000000000000000000000000000000000000000000000000000000000000000000000000000000000000000000000000000000000000000000000000'/P'
L0,'N,9'ZA-/['00000000000000000000000000000000000000000000000000000000000000000000000000000000000000000000000000000000000000000000000000000000000000000000000000000000000000000'/P'
L0H'W?NY'ZSOX['00000000000000000000000000000000000000000000000000000000000000000000000000000000000000000000000000000000000000000000000000000000000000000000000000000000000000'/P'
L0>'1?N'A'00000000000000000000000000000000000000000000000000000000000000000000000000000000000000000000000000000000000000000000000000000000000000000000000000000000000000000000000'/P'
L0:'?9(-N,1'00000000000000000000000000000000000000000000000000000000000000000000000000000000000000000000000000000000000000000000000000000000000000000000000000000000000000000'/P'
L0L'?<%&#'")$'5&4&2'0000000000000000000000000000000000000000000000000000000000000000000000000000000000000000000000000000000000000000000000000000000000000000000000000000'/.'
L0P'?<%&#'1*MM+7&4'000000000000000000000000000000000000000000000000000000000000000000000000000000000000000000000000000000000000000000000000000000000000000000000000000000'/.'
7'High,speed,expansion,connector,...............................................................................................,19'
P0/'(N?N'I1N'A'00000000000000000000000000000000000000000000000000000000000000000000000000000000000000000000000000000000000000000000000000000000000000000000000000000000000000',A'
P0,'(N?N'91N'ZA-/['00000000000000000000000000000000000000000000000000000000000000000000000000000000000000000000000000000000000000000000000000000000000000000000000000000000',/'
P0H'N,9'Z,-H['00000000000000000000000000000000000000000000000000000000000000000000000000000000000000000000000000000000000000000000000000000000000000000000000000000000000000000',/'
P0>'!1N9'00000000000000000000000000000000000000000000000000000000000000000000000000000000000000000000000000000000000000000000000000000000000000000000000000000000000000000000000',/'
P0:'5&4&#=&$'0000000000000000000000000000000000000000000000000000000000000000000000000000000000000000000000000000000000000000000000000000000000000000000000000000000000000000',/'
P0L'1I-1?N'00000000000000000000000000000000000000000000000000000000000000000000000000000000000000000000000000000000000000000000000000000000000000000000000000000000000000000000',/'
P0P'9+<FG4'000000000000000000000000000000000000000000000000000000000000000000000000000000000000000000000000000000000000000000000000000000000000000000000000000000000000000000000',/'
P0.'Q1;'000000000000000000000000000000000000000000000000000000000000000000000000000000000000000000000000000000000000000000000000000000000000000000000000000000000000000000000000',/'
8'Analog,Expansion,Connector,.......................................................................................................,22'
.0/'1M&"G&#'000000000000000000000000000000000000000000000000000000000000000000000000000000000000000000000000000000000000000000000000000000000000000000000000000000000000000000',,'
.0,'(7F'0000000000000000000000000000000000000000000000000000000000000000000000000000000000000000000000000000000000000000000000000000000000000000000000000000000000000000000000000',,'
.0H'!&"$4&2'00000000000000000000000000000000000000000000000000000000000000000000000000000000000000000000000000000000000000000000000000000000000000000000000000000000000000000',,'
.0>'8('S)2&))"'00000000000000000000000000000000000000000000000000000000000000000000000000000000000000000000000000000000000000000000000000000000000000000000000000000000000',,'
9'Power,management,........................................................................................................................,23'
R0/'I9'?<%&#'N)M*2'000000000000000000000000000000000000000000000000000000000000000000000000000000000000000000000000000000000000000000000000000000000000000000000000000000',H'
R0,'?<%&#'1<*#F&'1&+&F27<)'00000000000000000000000000000000000000000000000000000000000000000000000000000000000000000000000000000000000000000000000000000000000000000',H'
R0H'?<%&#'9<)4*3M27<)'0000000000000000000000000000000000000000000000000000000000000000000000000000000000000000000000000000000000000000000000000000000000000000000000',H'
R0>'?<%&#'1&@*&)F7)6'0000000000000000000000000000000000000000000000000000000000000000000000000000000000000000000000000000000000000000000000000000000000000000000000000',>'
R0:'\<+2"6&'5"7+4'0000000000000000000000000000000000000000000000000000000000000000000000000000000000000000000000000000000000000000000000000000000000000000000000000000000000',>'
R0L'?<%&#'(&"4*#&3&)24'0000000000000000000000000000000000000000000000000000000000000000000000000000000000000000000000000000000000000000000000000000000000000000000',>'
R0L0/'?<%&#ON)'3&"4*#&3&)2'00000000000000000000000000000000000000000000000000000000000000000000000000000000000000000000000000000000000000000000000000000000000',>'
R0L0,'?(N9'?<%&#ON)'3&"4*#&3&)2'0000000000000000000000000000000000000000000000000000000000000000000000000000000000000000000000000000000000000000000000000',>'

'
>-,.'
10'Buttons,and,status,LED’s,...............................................................................................................,25'
/A0/';*22<)4'000000000000000000000000000000000000000000000000000000000000000000000000000000000000000000000000000000000000000000000000000000000000000000000000000000000000000000',:'
/A0/0/'\<+*3&'*M'000000000000000000000000000000000000000000000000000000000000000000000000000000000000000000000000000000000000000000000000000000000000000000000000000',:'
/A0/0,'\<+*3&'$<%)'0000000000000000000000000000000000000000000000000000000000000000000000000000000000000000000000000000000000000000000000000000000000000000000000',:'
/A0/0H'?<%&#';*22<)'0000000000000000000000000000000000000000000000000000000000000000000000000000000000000000000000000000000000000000000000000000000000000000000000',:'
/A0/0>'5&4&2';*22<)'00000000000000000000000000000000000000000000000000000000000000000000000000000000000000000000000000000000000000000000000000000000000000000000000',:'
/A0,'XTI]4'0000000000000000000000000000000000000000000000000000000000000000000000000000000000000000000000000000000000000000000000000000000000000000000000000000000000000000000000',:'
/A0,0/'Q4&#'XTI'/O>'00000000000000000000000000000000000000000000000000000000000000000000000000000000000000000000000000000000000000000000000000000000000000000000000',:'
/A0,0,';+*&2<<2B'42"2*4'000000000000000000000000000000000000000000000000000000000000000000000000000000000000000000000000000000000000000000000000000000000000000000',:'
/A0,0H'J787'42"2*4'00000000000000000000000000000000000000000000000000000000000000000000000000000000000000000000000000000000000000000000000000000000000000000000000000',:'
11'Boot,configuration,..........................................................................................................................,26'
12'Mechanical,specification,...............................................................................................................,27'
/,0/';<"#$'$73&)47<)4'00000000000000000000000000000000000000000000000000000000000000000000000000000000000000000000000000000000000000000000000000000000000000000000000000',P'
13'Special,care,when,using,USB,........................................................................................................,28'
'
'
' '

'
:-,.'
1!Regulatory'Compliance'
'''' '''' '
'
1.1!Statements'Regarding'FCC'
KB74'$&=7F&'F<3M+7&4'%72B'M"#2'/:'<D'2B&'899'5*+&40'YM&#"27<)'74'4*C^&F2'2<'2B&'D<++<%7)6'2%<'F<)$727<)4_'`/a'KB74'$&=7F&'3"E')<2'F"*4&'
B"#3D*+'7)2&#D&#&)F&b'")$'`,a'2B74'$&=7F&'3*42'"FF&M2'")E'7)2&#D&#&)F&'#&F&7=&$b'7)F+*$7)6'7)2&#D&#&)F&'2B"2'3"E'F"*4&'*)$&47#&$'
<M&#"27<)0'
KB74'$&=7F&'F<3M+7&4'%72B'N)$*42#E'9")"$"'+7F&)4&O&U&3M2'511'42")$"#$`4a0'YM&#"27<)'74'4*C^&F2'2<'2B&'D<++<%7)6'2%<'
F<)$727<)4_''
`/a'2B74'$&=7F&'3"E')<2'F"*4&'7)2&#D&#&)F&b'")$'`,a'2B74'$&=7F&'3*42'"FF&M2'")E'7)2&#D&#&)F&b'7)F+*$7)6'7)2&#D&#&)F&'2B"2'
3"E'F"*4&'*)$&47#&$'<M&#"27<)'<D'2B&'$&=7F&0'
9&2'"MM"#&7+'4&'F<)D<#3&'"*U'M#7)F7M&4'$&'+7F&)F&'c&U&3M24'511'$&'+]N)$*42#7&'$&'9")"$"0'W&427<)'$dM&)$&'$&4'F<)$727<)4'
4*7=")2&4'_'
`/a'+e"MM"#&7+')&'$<72'M"4'M#<$*7#&'$&'+]7)2&#Dd#&)F&b'&2'`,a'+e"MM"#&7+'$<72'"FF&M2&#'2<*2&4'4<#2&4'$&'7)2&#Dd#&)F&b'F&+"'7)F+*&'
+]7)2&#Dd#&)F&'@*7'="'M&*2Of2#&'F"*4&#'+&4'#d4*+2"24'7)$d47#"C+&4'$&'+]"MM"#&7+0'
N(?Y5KSgKh'9B")6&4'<#'3<$7D7F"27<)4')<2'&UM#&44+E'"MM#<=&$'CE'S##<%'T+&F2#<)7F4b'N)F'F<*+$'=<7$'2B&'*4&#]4'"*2B<#72E'2<'
<M&#"2&'2B&'&@*7M3&)20'
g<2&_'KB74'&@*7M3&)2'B"4'C&&)'2&42&$'")$'D<*)$'2<'F<3M+E'%72B'2B&'+73724'D<#'"'9+"44';'$7672"+'$&=7F&b'M*#4*")2'2<'M"#2'/:'
<D'2B&'899'5*+&40'KB&4&'+73724'"#&'$&476)&$'2<'M#<=7$&'#&"4<)"C+&'M#<2&F27<)'"6"7)42'B"#3D*+'7)2&#D&#&)F&'7)'"'#&47$&)27"+'
7)42"++"27<)0'KB74'&@*7M3&)2'6&)&#"2&4b'*4&4'")$'F")'#"$7"2&'#"$7<'D#&@*&)FE'&)E'")$b'7D')<2'7)42"++&$'")$'*4&$'7)'
"FF<#$")F&'%72B'2B&'7)42#*F27<)4b'3"E'F"*4&'B"#3D*+'7)2&#D&#&)F&'2<'#"$7<'F<33*)7F"27<)40'!<%&=&#b'2B&#&'74')<'
6*"#")2&&'2B"2'7)2&#D&#&)F&'%7++')<2'<FF*#'7)'"'M"#27F*+"#'7)42"++"27<)0'ND'2B74'&@*7M3&)2'$<&4'F"*4&'B"#3D*+'7)2&#D&#&)F&'2<'
#"$7<'<#'2&+&=747<)'#&F&M27<)b'%B7FB'F")'C&'$&2%)&$'CE'2*#)7)6'2B&'&@*7M3&)2'<DD'")$'<)b'2B&'*4&#'74'&)F<*#"6&$'2<'2#E'
2<'F<##&F2'2B&'7)2&#D&#&)F&'CE'<)&'<#'3<#&'<D'2B&'D<++<%7)6'3&"4*#&4_'
'O'5&<#7&)2'<#'#&+<F"2&'2B&'#&F&7=7)6'")2&))"0'
'O'N)F#&"4&'2B&'4&M"#"27<)'C&2%&&)'2B&'&@*7M3&)2'")$'#&F&7=�'
'O'9<))&F2'2B&'&@*7M3&)2'7)2<'")'<*2+&2'<)'"'F7#F*72'$7DD&#&)2'D#<3'2B"2'2<'%B7FB'2B&'#&F&7=&#'74'F<))&F2&$0'
'O'9<)4*+2'2B&'$&"+&#'<#'")'&UM&)F&$'#"$7<-K\'2&FB)7F7")'D<#'B&+M0'
'
CAN'ICES@3'(B)/NMB@3(B)''
KB74'&@*7M3&)2'F<3M+7&4'%72B'#"$7"27<)'&UM<4*#&'+73724'4&2'D<#2B'D<#'*)F<)2#<++&$'&)=7#<)3&)20''KB&'")2&))"`4a'*4&$'D<#'
2B74'2#")43722&#'3*42'C&'7)42"++&$'2<'M#<=7$&'"'4&M"#"27<)'$742")F&'<D'"2'+&"42',A'F3'D#<3'"++'M<)4'")$'3*42')<2'C&'
F<++<F"2&$'<#'<M&#"27)6'7)'F<)^*)F27<)'%72B'")E'<2B&#'")2&))"'<#'2#")43722�'
9&2'"MM"#&7+'4&'F<)D<#3&'"*U'+7372&4'$e&UM<4727<)'"*U'#"E<))&3&)24'M<*#'*)'&)=7#<))&3&)2')<)'F<)2#i+d0'Xe")2&))&'`4a'
@*7'&42'*27+74d'M<*#'F&2'd3&22&*#'$<72'f2#&'7)42"++d'M<*#'M#<$*7#&'*)&'$742")F&'$&'4dM"#"27<)'$e"*'3<7)4',A'F3'$&'2<*2&4'
M<))&4'&2')&'$<72'M"4'f2#&'7)42"++d'j'M#<U7372d'<*'*27+74d'&)'F<)^<)F27<)'"=&F'*)&'"*2#&'")2&))&'<*'d3&22&*#0'

'
L-,.'
2!Introduction'
KB&'I#"6<);<"#$'>/AF'`k>/AF]a'C<"#$'74'"'RL;<"#$4'F<3M+7")2'F<33*)72E'C<"#$'C"4&$'<)'l*"+F<33m'1)"M$#"6<)'>AA'
4&4'<D'1<9]40''
KB&'D<++<%7)6'2"C+&'+7424'724'G&E'D&"2*#&4_'
?#<F&44<#'
'
l*"+F<33'1)"M$#"6<)'>/A'
l*"$OF<#&'S5(m'9<#2&Um'S:H'"2'*M'2<'/0,'W!n'M&#'F<#&'
L>O;72'F"M"C+&'
l*"+F<33'S$#&)<'HAL'>AA(!n'W?Q'D<#'?9OF+"44'6#"MB7F4'%72B'4*MM<#2'D<#'
"$=")F&$'S?N4b'7)F+*$7)6'YM&)WX'T1'H0Ab'YM&)9Xb'I7#&F2ob'")$'F<)2&)2'4&F*#72E'
(&3<#E-'
12<#"6&'
/W;'X?II5H':HH(!n'
.W;'&((9'>0:/'
1I'H0A'`Q!1ONa'
\7$&<'
/A.AMpHADM4'!I'=7$&<'M+"EC"FG'")$'F"M2*#&'%72B'!0,L>'`S\9ab'")$'P,AM'
M+"EC"FG'%72B'!0,L:'`!T\9a'
9"3&#"'1*MM<#2'
N)2&6#"2&$'N1?'%72B'4*MM<#2'D<#'73"6&'4&)4<#4'*M'2<'/H(?'
S*$7<'
?9(-SS9q-(?H-J(Sb'T9g1b'S*$7<q'M<42OM#<F&447)6'`<M27<)"+a'
9<))&F27=72E'
JXSg'.A,0//'C-6-)',0>W!n'
;+*&2<<2B'>0/'
Y)&'Q1;',0A'37F#<';'`$&=7F&'3<$&'<)+Ea'
K%<'Q1;',0A'`B<42'3<$&'<)+Ea'
W?1'
Y)OC<"#$'W?1'")2&))"'
Y)OC<"#$';K'")$'JXSg'")2&))"'
N-Y'N)2&#D"F&4'
Y)&'>AOM7)'X<%'1M&&$'`X1a'&UM")47<)'F<))&F2<#'
r'QS5Kb'1?Nb'N,1b'N,9'U,b'W?NY'U/,b'I9'M<%&#'
Y)&'LAOM7)'!76B'1M&&$'`!1a'&UM")47<)'F<))&F2<#'
r'>XO(N?N'I1Nb'Q1;b'N,9'U,b',Xq>XO(N?N'91N'
8<<2M#7)2'D<#'<)&'<M27<)"+'/LOM7)'")"+<6'&UM")47<)'F<))&F2<#'D<#'42&#&<'B&"$4&2-'
+7)&O<*2b'4M&"G&#'")$'")"+<6'+7)&O7)'
KB&'C<"#$'F")'C&'3"$&'F<3M"27C+&'%72B'S#$*7)<'*47)6'")'"$$O<)'3&nn")7)&'
C<"#$'
TU2&#)"+'
12<#"6&'
(7F#<'1I'F"#$'4+<2'

'
P-,.'
Q4&#'N)2&#D"F&'
?<%&#-5&4&2'
\<+*3&'QM-$<%)'
L'XTI'7)$7F"2<#4'
r'>'O'*4&#'F<)2#<++"C+&'
r','O'D<#'#"$7<4'`;K'")$'JXSg'"F27=72Ea'
Y1O4*MM<#2'
'
S)$#<7$':0/'
X7)*U'C"4&$'<)'QC*)2*'
J7)$<%4'/A'`M+"))&$'4*MM<#2a'
'
?<%&#b'
(&FB")7F"+'")$'
T)=7#<)3&)2"+'
'
?<%&#_'qL0:\'2<'q/.\'
I73&)47<)4_':>33'CE'.:33'3&&27)6'RL;<"#$4s'9<)4*3&#'T$727<)'42")$"#$'
$73&)47<)4'4M&F7D7F"27<)40'
YM&#"27)6'K&3M_'At9'2<'qPAt9'
5<!1'")$'5&"FB'F<3M+7")2'
'
'
'
'
'
'
'
'
'
'
'
'
'
'
'
'
'
'
'
'
'
'

'
.-,.'
'
2.1!Board'overview'
/0'
`V.a'X<%'1M&&$'TUM")47<)'9<))&F2<#'
,0'
S?l.A/L'1)"M$#"6<)'?#<F&44<#'
H0'
`QRa'?<%&#'(")"6&3&)2'?(N9'
>0'
`VPa'S)"+<6'TUM")47<)'9<))&F2<#'
:0'
JXSg-;+*&2<<2B-W?1'
L0'
`V/a'?<%&#'V"FG'
P0'
`V:a'*1I'9"#$'1<FG&2'
.0'
`VLa'!I(N'KEM&'S'?<#2'
R0'
`VRa'!76B'1M&&$'9<))&F2<#'
/A0'
`V>a'(7F#<'Q1;'KEM&';'9<))&F2<#'
//0'
;+*&2<<2B-JXSg'XTI]4'
/,0'
`VHa'Q1;'!<42,'9<))&F2<#'
/H0'
Q4&#'XTI]4'/O>'
/>0'
`V,a'Q1;'!<42/'9<))&F2<#'
/:0'
`1HO>a'\<+q-\<+O';*22<)4'
/L0'
`1,a'?<%&#';*22<)'
/P0'
;+*&2<<2B-JXSg'S)2&))"'
/.0'
W?1'S)2&))"'
/R0'
`1La';<<2'1%72FB&4'

'
R-,.'
3!What’s'in'the'Box'
KB&'C<U'F<)2"7)4'<)&'>/AF'C<"#$'")$'"'@*7FG'42"#2'6*7$&0'
'
'
'
Let’s Play.

'
/A-,.'
4!Getting'started'
4.1!Prerequisites'
;&D<#&'E<*'M<%&#'*M'E<*#'>/AF'C<"#$'D<#'2B&'D7#42'273&'E<*'%7++')&&$'2B&'D<++<%7)6_'
•!>/AF'C<"#$0'
•!S'RL;<"#$4'F<3M+7")2'M<%&#'4*MM+E'`4<+$'4&M"#"2&+E'CE'S##<%a0'
•!S'!I(N'<#'I\N'X9I'(<)72<#'2B"2'4*MM<#24'"'#&4<+*27<)'<D'/A.A?-HA!n0'
•!!I(NO!I(N'F"C+&'<#'!I(NOI\N'F"C+&'2<'F<))&F2'2B&'C<"#$'2<'2B&'(<)72<#0'
•!S'F<3M*2&#'G&EC<"#$'%72B'Q1;'7)2&#D"F&'
•!S'F<3M*2&#'3<*4&'%72B'Q1;'7)2&#D"F&0'
4.2!Starting'the'board'for'the'first'time'
K<'42" #2'2B&'C<"#$b'D<++<%'2B&4&'473M+&'42&M4_'
42&M'/0!9<))&F2'2B&'!I(N'F"C+&'2<'2B&'>/AF'!I(N'F<))&F2<#'`3"#G&$'VLa'")$'2<'2B&'X9I'(<)72<#0''
42&M',0!9<))&F2'2B&'G&EC<"#$'2<'2B&'C<"#$4'Q1;'F<))&F2<#'3"#G&$'VH'")$'2B&'3<*4&'2<'2B&'Q1;'F<))&F2<#'
3"#G&$'V,0'`N2'$<&4)]2'3"22&#'%B7FB'<#$&#'E<*'F<))&F2'2B&3'7)0''u<*'F")'"+4<'F<))&F2'=7"'")'&U2&#)"+'Q1;'!*C0a''
step%3.!Ensure%that%the%boot%switches%S6%are%set%to%‘0000’, %a l l %in % Of f%p o si t io n .%%
42&M'>0!9<))&F2'2B&'M<%&#'4*MM+E'2<'M<%&#'F<))&F2<#'V/0'
Y)F&'E<*'M+*6'2B&'M<%&#'4*MM+E'7)2<'"'M<%&#'<*2+&2'2B&'C<"#$'%7++'42"#2'2B&'C<<27)6'M#<F&44b'")$'E<*'4B<*+$'4&&'S)$#<7$'
C<<2'*M0''
?+&"4&')<2&'2B"2'2B&'D7#42'C<<2'2"G&4'4&=&#"+'37)*2&4'$*&'2<'S)$#<7$4'7)727"+7n"27<)0'1*C4&@*&)2'C<<2'273&4'4B<*+$'C&'D"42�'
'
'
'
'
'
'
'

'
//-,.'
5!Dragonboard'Overview'
5.1!System'Block'diagram'
5.2!Processor'
KB&'1)"M$#"6<)'>/A'S?l.A/L'74'"'@*"$'L>OC72'S5('9<#2&UOS:H'(?F<#&'!"#="#$'1*MF"+"#'F<#&b'4*MM<#24'C<2B'X?OII5,'
-'X?OII5H'1I5S('7)2&#D"F&b'!&U"6<)'lI1?Lb'/H0:'(?'F"3&#"'7)M*2'4*MM<#2b'S$#&)<'HAL'W?Qb'/A.AM'=7$&<'
&)F<$&-$&F<$&b'6M4Y)&W&)'.9'%72B'WXYgS11b';+*&2<<2B'>0/b'YM&)WX'T1'H0Ab'I7#&F2ob'YM&)9Xb'5&)$F#7M2'9<3M*2&b'
8+&U5&)$&#'4*MM<#20'
5.3!Memory'
KB&'>/AF'*4&4'"'47)6+&'&3C&$$&$'(*+27'9B7M'?"FG"6&'`&(9?a'$*"+'D*)F27<)'X?II5H-&((9'3&3<#E'4<+*27<)0'KB&'7)42"++&$'
FB7M'M#<=7$&4'.WCE2&'<D'4<+7$'42"2&'42<#"6&'")$'/WCE2&'<D'X?II5H0'
•!KB&'X?II5H'74'"'H,C72'%7$2B'C*4'73M+&3&)2"27<)'7)2&#D"F7)6'$7#&F2+E'2<'2B&'S?l.A/L'C*7+$O7)'X?II5'F<)2#<++�'
KB&'3"U73*3'II5'F+<FG'74':HH(Bn'
•!KB&'&((9'74'")'.C72'73M+&3&)2"27<)'7)2&#D"F7)6'%72B'S?l.A/L'1I9/'7)2&#D"F&'4*MM<#27)6'&((9'>0:'
4M&F7D7F"27<)40'
5.4!MicroSDHC'
KB&'RL;<"#$4'4M&F7D7F"27<)'F"++4'D<#'"'37F#<1I!9'4<FG&2'2<'C&'M#&4&)2'<)'2B&'C<"#$0'
KB&'>/AF'C<"#$'µ1I'4+<2'`V:a'476)"+4'"#&'#<*2&$'$7#&F2+E'2<'2B&'S?l.A/L'1I9,'7)2&#D"F&0'KB&'4+<2'74'"'M*4BOM*4B'2EM&'%72B'"'
$&$7F"2&$'4*MM<#2'D<#'F"#$'$&2&F2'476)"+'`3")E'µ1I'4+<24'$<')<2'B"=&'"'$&$7F"2&$'9I'M7)4b'2B&E'*4&'ISKSH'42"2&'"4'2B&'F"#$'
$&2&F2&$'476)"+a0'KB&'>/AF'C<"#$'*4&4'S?l'W?NYvH.'"4'2B&'1Iv9S5IvITKvg0'
5.5!WiFi/BT/RF'
KB&'RL;<"#$4'4M&F7D7F"27<)4'F"++4'D<#'"'J787'`37)73"++E'.A,0//6-)a'")$';+*&2<<2B'>0/'`;+*&2<<2B'X<%'T)Ea'

'
/,-,.'
KB&'>/AF'C<"#$'$&M+<E&$'l*"+F<33]4'58'FB7M'J9gHL,A'`Q:a'4<+*27<)'2B"2'7)2&6#"2&4'2B#&&'$7DD&#&)2'%7#&+&44'F<))&F27=72E'
2&FB)<+<67&4'7)2<'"'47)6+&'$&=7F&b'2B&'7)2&#D"F&4'"#&_'
•!JXSg'F<3M+7")2'%72B'NTTT'.A,0//'C-6-)'4M&F7D7F"27<)4b'3&&27)6'RL;<"#$4'37)73"+'#&@*7#&3&)24'D<#'J7870'
•!;+*&2<<2B'F<3M+7")2'%72B'2B&';K'4M&F7D7F"27<)4'=/<)'>0/'`;5-TIK'q';XTab'3&&27)6'2B&'RL;<"#$4'#&@*7#&3&)24'
D<#';K'
•!J<#+$%7$&'8('#"$7<b'2B74'7)2&#D"F&'74')<2'M"#2'<D'2B&'RL;<"#$4'3")$"2<#E'4M&F7D7F"27<)0'N2'74'")'<M27<)"+'"$$727<)'
2B"2'B"4')<2'C&&)'2&42&$'74')<2'<DD7F7"++E'4*MM<#2&$0'
5.6!Display'Interface'
5.6.1!HDMI'
KB&'RL;<"#$4'4M&F7D7F"27<)'F"++4'D<#'")'!I(N'M<#2'2<'C&'M#&4&)2'<)'2B&'C<"#$0'KB&'S?l.A/L'$<&4)]2'7)F+*$&'"'C*7+2O7)'
!I(N'7)2&#D"F&0''KB&'>/AF'$&M+<E4'2B&'C*7+2O7)'(N?NOI1N'>'+")&4'7)2&#D"F&'"4'2B&'4<*#F&'D<#'2B&'!I(N'<*2M*20'S'MMB&#"+'
I1N'2<'!I(N';#7$6&'`QHb'S)"+<6'I&=7F&4'SI\P:HHa'M&#D<#34'2B74'2"4G'")$'72'4*MM<#24'"'#&4<+*27<)'D#<3'>.A7'2<'/A.AM'"2'
HA!n0'
JB7+&'2B&'SI\P:HH'4*MM<#24'"*2<3"27F'7)M*2'=7$&<'D<#3"2'2737)6'$&2&F27<)'`9TSO.L/Tab'")'N,9'FB"))&+'D#<3'2B&'S?l.A/L'
"++<%4'2B&'*4&#'2<'F<)D76*#&'2B&'<M&#"27<)'<D'2B74'C#7$6&0'N2'74'N,9H'7)2&#D"F&'D#<3'2B&'1<9'2B"2'F<))&F24'2<'2B&'C#7$6&0'
KB74'C#7$6&'4*MM<#24'"*$7<'"4'%&++'`3&&27)6'2B&'RL;<"#$4'#&@*7#&3&)24'2<'M#<=7$&'"*$7<'=7"'!I(Na0'KB&'>/AF'*4&4'"'47)6+&'
C72'N,1,'7)2&#D"F&'D#<3'2B&'S?l.A/L'D<#'2B74'2"4G0'
?+&"4&')<2&'2B"2'2B&'RL;<"#$4'4M&F7D7F"27<)'F"++4'D<#'"'(N?NOI1N'7)2&#D"F&'2<'C&'#<*2&$'2<'2B&'!76B'1M&&$'TUM")47<)'
F<))&F2<#0'17)F&'2B&'S?l.A/L'B"4'<)+E'<)&'(N?NOI1N'7)2&#D"F&0'S'3*U7)6'$&=7F&'`Q//b'81SL>>Q9oa'74'C&7)6'*4&'<)'2B&'
C<"#$0'Y)+E'<)&'7)2&#D"F&b'!I(Nb'<#'2B&'TUM")47<)'(N?NOI1N'F")'C&'"F27=&'"2'"'67=&)'273&0'KB&'F<)2#<++7)6'476)"+'74')"3&$'
kI1Nv1Jv1TXvS?l]0'JB&)'2B74'476)"+'74'+<67F'+<%b'kA]b'2B&'(N?NOI1N'74'#<*2&$'2<'2B&'I1NO!I(N';#7$6&0'JB&)'
kI1Nv1Jv1TXvS?l]'74'+<67F'+&=&+'B76Bb'k/]b'2B&'(N?NOI1N'74'#<*2&$'2<'2B&'!76B'1M&&$'TUM")47<)'F<))&F2<#0'KB74'$&476)'
"4476)&$'2B&'kI1Nv1Jv1TXvS?l]'D*)F27<)'2<'W?NYvH,0'
Q4&#'F")'<=&#%#72&'2B&'4<D2%"#&'F<)2#<+'CE'4+7$7)6'4%72FB'>'<D'I7M1%72FB'1L'2<'2B&'kYg]'M<4727<)0'KB"2'"F27<)'D<#F&4'2B&'I1N'
3*U'2<'#<*2&'2B&'(N?NOI1N'2<'2B&'I1NO!I(N';#7$6&0'KB&'<=&#%#72&'<M27<)'&U742'D<#'2B&'!I(N'<)+Eb'E<*'F"))<2'B"#$%"#&'
<=&#%#72&'2B&'3*U'2<'2B&'!76B'1M&&$'TUM")47<)'F<))&F2<#0'
5.6.2!MIPI@DSI'
KB&'RL;<"#$4'4M&F7D7F"27<)'F"++4'D<#'"'(N?NOI1N'73M+&3&)2"27<)'=7"'2B&'!76B'1M&&$'TUM")47<)'9<))&F2<#0'
KB&'>/AF'73M+&3&)2&$'"'D<*#O+")&'(N?NvI1N'7)2&#D"F&'3&&27)6'2B74'#&@*7#&3&)20'(<#&'7)D<#3"27<)'"C<*2'2B74'
73M+&3&)2"27<)'F")'C&'D<*)$'7)'FB"M2&#'P'!76B'4M&&$'&UM")47<)'F<))&F2<#0'
5.7!Camera'Interfaces'
KB&'RL;<"#$4'4M&F7D7F"27<)'F"++4'D<#'2%<'F"3&#"'7)2&#D"F&40'

'
/H-,.'
KB&'>/AF'73M+&3&)24'2%<'F"3&#"'7)2&#D"F&4b'<)&'%72B'"'D<*#O+")&'(N?Nv91N'7)2&#D"F&'")$'<)&'%72B'2%<O+")&'(N?Nv91N'
7)2&#D"F&b'3&&27)6'2B74'#&@*7#&3&)20'(<#&'7)D<#3"27<)'"C<*2'2B74'73M+&3&)2"27<)'F")'C&'D<*)$'7)'FB"M2&#'P'!76B'4M&&$'
&UM")47<)'F<))&F2<#0'
5.8!'USB'Ports'
5.8.1!USB@Host'ports'
KB&'RL;<"#$4'4M&F7D7F"27<)'F"++4'D<#'2B#&&'Q1;'B<42'M<#240'KB&'S?l.A/L'7)F+*$&4'"'47)6+&'Q1;YKW'FB"))&+0'S'Q1;'(*Ub'1/b'
#<*2&4'2B74'47)6+&'Q1;'FB"))&+'&72B&#'2<'"'Q1;'!Q;'<#'2<'2B&'(7F#<Q1;'F<))&F2<#'`V>a0'KB&'F<)2#<+'<D'1/'74'$<)&'=7"'"'
4<D2%"#&'F<)2#<++&$'W?NY'`Q1;v1Jv1TXv?(b'W?NYv>'D#<3'2B&'C<"#$'?(N9a0'JB&)'2B74'476)"+'74'+<67F'+<%b'kA]b'2B&'Q1;'$"2"'
+7)&4'"#&'#<*2&$'2<'2B&'(7F#<Q1;'F<))&F2<#'")$'2B&'S?l.A/L'C*7+2O7)'Q1;YKW'M<#2'74'4&2'2<'$&=7F&'3<$&0'JB&)'
kQ1;v1Jv1TXv?(]'74'+<67F'+&=&+'B76Bb'k/]b'2B&'Q1;'$"2"'+7)&4'"#&'#<*2&$'2<'Q/A'`"'HOM<#2'Q1;'!Q;a'")$'2B&'S?l.A/L'C*7+2O
7)'Q1;YKW'M<#2'74'4&2'2<'B<42'3<$&0'KB&'*4&#'F")'<=&#%#72&'2B&'4<D2%"#&'F<)2#<+'CE'4+7$7)6'4%72FB'H'<D'I7M1%72FB'1L'2<'2B&'
kYg]'M<4727<)0'KB"2'"F27<)'D<#F&4'2B&'Q1;c3*U'1/'2<'#<*2&'2B&'C*7+2O7)'Q1;YKW'$"2"'+7)&4'2<'2B&'Q1;'!Q;0'KB&'<=&#%#72&'
<M27<)'&U7424'D<#'2B&'B<42'3<$&'<)+Eb'E<*'F"))<2'B"#$%"#&'<=&#%#72&'2B&'3*U'2<'D<#F&'$&=7F&'3<$&0''
?<#2'/'<D'2B&'Q1;'!Q;'74'#<*2&$'2<'VHb'"'KEM&'kS]'Q1;'!<42'F<))&F2<#0'S'F*##&)2'+7372&$'F<)2#<++&#'`Q>a'4&24'2B&'?<%&#'
9*##&)2'+7372'2<'/0/.S0'KB74'M<#2'74')"3&$'!Y1K,'7)'2B&'C<"#$'4FB&3"27F0'
?<#2','<D'2B&'Q1;'!Q;'74'#<*2&$'2<'V,b'"'KEM&'kS]'Q1;'!<42'F<))&F2<#0'S'F*##&)2'+7372&$'F<)2#<++&#'`QLa'4&24'2B&'?<%&#'
9*##&)2'+7372'2<'/0/.S0'KB74'M<#2'74')"3&$'!Y1K/'7)'2B&'C<"#$'4FB&3"27F0'
?<#2'H'<D'2B&'Q1;'!Q;'74'#<*2&$'2<'2B&'!76B'1M&&$'TUM")47<)'F<))&F2<#0'g<'F*##&)2'+7372&$'F<)2#<++&#'74'73M+&3&)2&$'<)'
2B&'C<"#$'D<#'2B74'FB"))&+0'
Please%note:!the!board!can!work!in!one!mode!at!a!time,!Host!mode!or!Device!mode,!not!both.!
Please%note:'17)F&'2B&'S?l.A/L'B"4'<)+E'"'47)6+&'Q1;YKW'FB"))&+b'F"#&')&&$4'2<'C&'2"G&)'%B&)'2B&'Q1;'!Y1K'D*)F27<)'74'
2<'C&'*4&$0''?+&"4&'=DE'2B"2')<'F"C+&'74'F<))&F2&$'2<'2B&'(7F#<Q1;'2EM&';'F<))&F2<#'`")$'2<'"'B<42'<)'2B&'<2B&#'47$&'<D'
2B&'F"C+&a'"4'2B&'B"#$%"#&'<D'2B&'>/AF'C<"#$'%7++'7)D<#3'4<D2%"#&'"C<*2'2B&'M#&4&)F&'<D'"'#&@*&42'2<'F<)D76*#&'2B&'
Q1;YKW'2<'$&=7F&'3<$&0'I&M&)$7)6'<)'2B&'4<D2%"#&'#&+&"4&'2B"2'74'*4&$'<)'2B&'C<"#$b'2B&'$#7=&#'3"E'F<)D76*#&'2B&'Q1;'
(*U'2<'I&=7F&'3<$&'")$')<)&'<D'2B&'Q1;'!Y1K'M<#24'%7++'C&'F<))&F2&$'2<'2B&'1<90!
5.8.2!USB@Device'port'
KB&'RL;<"#$4'4M&F7D7F"27<)'F"++4'D<#'"'Q1;'M<#2'2<'C&'73M+&3&)2&$'"4'")'YKW'M<#2'<#'"'$&=7F&'M<#20''
KB&'>/AF'C<"#$'73M+&3&)24'"'$&=7F&'M<#20'KB&'M<#2'74'+<F"2&$'"2'V>b'"'(7F#<Q1;'2EM&';0'ND'")'"MM+7F"27<)'#&@*7#&4'2B&'*4&'<D'
2B&'$&=7F&'M<#2b'Q1;v1Jv1TXv?('476)"+'3*42'C&'4&2'2<'+<%'kA]'")$'2B&'*4&#'3*42'=DE'2B"2'4%72FB'H'<D'I7M'1%72FB'1L'74'
4&2'2<'2B&'kY88]'M<4727<)0'
Please%note:!the!board!can!work!in!one!mode!at!a!time,!Host!mode!or!Device!mode,!not!both.!

'
/>-,.'
5.9!Audio'
KB&'RL;<"#$4'4M&F7D7F"27<)4'F"++4'D<#'"'37)73*3'<D'47)6+&'FB"))&+'"*$7<'2B#<*6B'2%<'7)2&#D"F&4b';K'")$'
!I(N-(!X-I74M+"E?<#2'
KB&'>/AF'3&&24'2B74'#&@*7#&3&)2'")$'B"4'"$$727<)"+'"*$7<'FB"))&+40'(<#&'7)D<#3"27<)'"C<*2'2B&4&'"$$727<)"+'FB"))&+4'
F")'C&'D<*)$'7)'FB"M2&#':0/.'S$$727<)"+'8*)F27<)"+72E0'
5.9.1!BT'Audio'
KB&';K'73M+&3&)2"27<)'<)'2B&'>/AF'74'=7"'"'(S9'7)'2B&'S?l.A/L'")$'")'&U2&#)"+'3<$&3b'J9gHL,A'`Q:a0'S'2%<'%7#&'
7)2&#D"F&'C&2%&&)'2B&'1<9'")$'2B&'3<$&3'F"##7&4'"++'F<33*)7F"27<)'7)F+*$7)6'"*$7<0'
5.9.2!HDMI'Audio'
S'HO%7#&'`"*$7<'<*2'<)+Ea'N,1'FB"))&+'74'#<*2&$'$7#&F2+E'D#<3'2B&'S?l.A/L'1<9'N,1'7)2&#D"F&'M7)4'2<'2B&'I1NO!I(N'C#7$6&'
`QHa0'
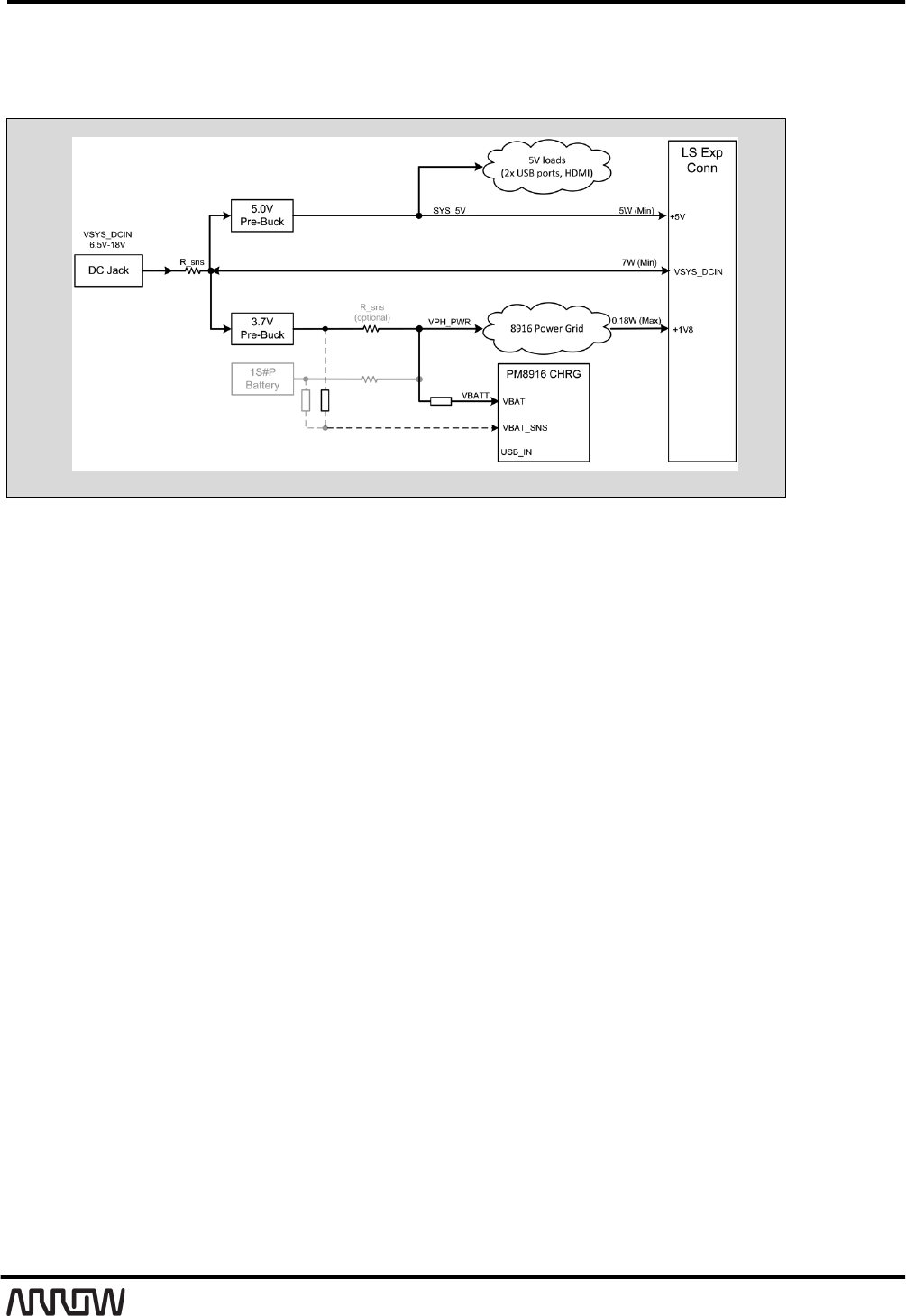
5.10!DC@power'and'Battery'Power'
KB&'RL;<"#$4'4M&F7D7F"27<)'F"++4'D<#'M<%&#'2<'C&'M#<=7$&$'2<'2B&'C<"#$'7)'<)&'<D'2B&'D<++<%7)6'%"E4_'
•!S)'.\'2<'/.\'M<%&#'D#<3'"'$&$7F"2&$'I9'^"FG'
•!S)'.\'2<'/.\'M<%&#'D#<3'2B&'1u1vI9Ng'M7)4'<)'2B&'X<%'1M&&$'TUM")47<)'9<))&F2<#'
•!S'Q1;'KEM&'9'M<#2'"2':\''
?+&"4&'4&&'4&F27<)'R0/'D<#'$&2"7+&$'7)D<#3"27<)'<)'>/AF'73M+&3&)2"27<)'<D'I9'?<%&#'''
5.11!Measurements'
KB&'RL;<"#$4'4M&F7D7F"27<)'F"++4'D<#'4*MM<#2'D<#'3&"4*#7)6'M<%&#'F<)4*3M27<)4'<D'2B&'C<"#$0''
?+&"4&'4&&'4&F27<)'.0L'D<#'$&2"7+&$'7)D<#3"27<)'<)'>/AF'M<%&#'3&"4*#&3&)2'73M+&3&)2"27<)0'
5.12!'Buttons'
KB&'RL;<"#$4'4M&F7D7F"27<)'F"++4'D<#'2B&'M#&4&)2'<D'2%<'C*22<)4b'"'?<%&#'<)-4+&&M'C*22<)'")$'"'5&4&2'C*22<)0'
KB&'>/AF'3&&24'2B&4&'#&@*7#&3&)240''?+&"4&'4&&'4&F27<)'/A'D<#'$&2"7+&$'7)D<#3"27<)'<)'2B&'C*22<)4'<D'2B&'>/AF'C<"#$0'
5.13!External'Fan'connection'
KB&'RL;<"#$4'4M&F7D7F"27<)'F"++4'D<#'4*MM<#2'D<#'")'&U2&#)"+'D")0'KB"2'F")'C&'"FB7&=&$'CE'*47)6'2B&':\'<#'2B&'1u1vI9Ngb'
C<2B'M#&4&)2'<)'2B&'X<%'1M&&$'TUM")47<)'F<))&F2<#0'
5.14!UART'
KB&'RL;<"#$4'4M&F7D7F"27<)'F"++4'D<#'4*MM<#2'D<#'<)&'1<9'QS5K'")$'")'<M27<)"+'4&F<)$'QS5K'C<2B'2<'C&'#<*2&$'2<'2B&'X<%'
1M&&$'TUM")47<)'9<))&F2<#0'
KB&'>/AF'3&&24'2B&4&'#&@*7#&3&)24'")$'"$$727<)"++E'#<*2&4'QS5KA'KU-5U'+7)&4'2<'")'<)OC<"#$'F<))&F2<#'`V/:a0'ND'2B&'*4&#'
%")24'2<'*4&'2B74'<)OC<"#$'QS5Kb'V/:')&&$4'2<'C&'4<+$&#&$'2<'2B&'C<"#$'"4'%&++'"4'5/PH'")$'5/P>'`A'<B3'A,A/a0'
5.15!JTAG'
KB&'RL;<"#$4'4M&F7D7F"27<)'$<&4')<2'F"++'D<#'"'$&$7F"2&$'VKSW'F<))&F2<#0'!<%&=&#'2B&'I#"6<)C<"#$'B"4'VKSW'")$'QS5K'
476)"+4'#<*2&$'2<'V/:0'KB&'V/:'F<))&F2<#'$<&4')<2'B"=&'"'42")$"#$'VKSW'F<))&F2<#'M72FB'")$'74')<2'M<M*+"2&$'<)'2B&'C<"#$0''

'
/:-,.'
5.16!System'and'user'LEDs'
KB&'RL;<"#$4'4M&F7D7F"27<)4'F"++4'D<#'47U'XTI4'2<'C&'73M+&3&)2&$'<)'2B&'C<"#$0''KB&'4M&F7D7F"27<)'$&D7)&4'2B&'XTI4'F<+<#'
")$'3&FB")7F"+'+<F"27<)'<)'2B&'C<"#$0'
Two'activity'LEDs:'
r'''''''J787'"F27=72E'XTI'c'>/AF'C<"#$'$#7=&4'2B74'u&++<%'XTI'=7"'(??v,b'")'NY'D#<3'2B&'?(N90'
r''''''';K'"F27=72E'XTI'c'>/AF'C<"#$'$#7=&4'2B74';+*&'XTI'=7"'(??vHb'")'NY'D#<3'2B&'?(N90'
Four'User@LED’s:'
KB&'D<*#'*4&#'XTI4'"#&'4*#D"F&'3<*)2'W#&&)'7)''ALAH'47n&'+<F"2&$')&U2'2<'2B&'2%<'Q1;'2EM&'S'F<))&F2<#'")$'+"C&+&$'kQ1T5'
XTI1'>'H','/]0'KB&'>/AF'C<"#$'$#7=&4'2%<'XTI4'D#<3'2B&'1<9'W?NYb'S?l'W?NYv,/'")$'S?l'W?NYv/,A0'KB&'<2B&#'2%<'Q4&#'
XTI4'"#&'$#7=&)'CE'2B&'?(N9'=7"'?('W?NYv/'")$'?('W?NYv,0'
5.17!Expansion'Connector'
KB&'RL;<"#$4'4M&F7D7F"27<)'F"++4'D<#'2%<'TUM")47<)'9<))&F2<#4b'"'X<%'1M&&$'")$'"'!76B'1M&&$0'
KB&'>/AF'3&&24'2B74'#&@*7#&3&)2b'M+&"4&'#&=7&%'4&F27<)'L0A'D<#'$&2"7+&$'7)D<#3"27<)'#&6"#$7)6'2B&'X<%'1M&&$'TUM")47<)'
9<))&F2<#'")$'4&F27<)'P0A'D<#'$&2"7+&$'7)D<#3"27<)'#&6"#$7)6'2B&'!76B'1M&&$'TUM")47<)'9<))&F2<#0'
5.18!Additional'Functionality'
KB&'RL;<"#$4'4M&F7D7F"27<)4'"++<%4'D<#'"$$727<)"+'D*)F27<)"+72E'M#<=7$&$'2B"2'"++'3")$"2<#E'D*)F27<)"+72E'74'"="7+"C+&'")$'
2B&#&'74')<'73M"F2'<)'2B&'MBE47F"+'D<<2M#7)2'4M&F7D7F"27<)4'7)F+*$7)6'B&76B2'")$'$<')<2'M#&=&)2'2B&'*4&'<D'2B&'RL;<"#$4'9T'
+<%'4M&&$'")$'B76B'4M&&$'&UM")47<)'D"F7+727&4'
KB&'>/AF'C<"#$'73M+&3&)24'"'D&%'"$$727<)"+'D*)F27<)4b'%B7FB'"#&'+742&$'7)'2B&'D<++<%7)6'4*COFB"M2(''
5.18.1!GPS'
KB&'W?1'73M+&3&)2"27<)'74'C"4&$'<)'l*"+F<33'JW5PL>A'Wg11'58'#&F&7=&#'`QPa'4*MM<#27)6'W?1b'WXYgS11'")$'
9Y(?S110'KB&'S?l.A/L'F<33*)7F"2&4'$7#&F2+E'%72B'2B&'JW5PL>A0'
5.18.2!On'Board'Analog'Microphone'
N)D<#3"27<)'<)'2B&'<)'C<"#$'37F#<MB<)&'F")'C&'D<*)$'7)'4&F27<)'.0,0'
5.18.3!Analog'Connector'
I&2"7+&$'7)D<#3"27<)'<)'2B&'")"+<6'F<))&F2<#'74'M#<=7$&$'7)'4&F27<)'.0A0'

'
/L-,.'
6!Low'speed'Expansion'connector'
KB&'D<++<%7)6'2"C+&4'4B<%'2B&'X<%'1M&&$'TUM")47<)'9<))&F2<#'M7)'<*2_'
?Ng'
RL;<"#$4'176)"+4'
>/AF'176)"+4'
g<2&'
/'
WgI'
WgI'
''
H'
QS5KAv9K1'
QS5KAv9K1vg'`S?l'W?NYv,a'
''
:'
QS5KAvKUI'
QS5KAvKo'`S?l'W?NYvAa'
''
P'
QS5KAv5UI'
QS5KAv5o'`S?l'W?NYv/a'
''
R'
QS5KAv5K1'
QS5KAv5K1vg'`S?l'W?NYvHa'
''
//'
QS5K/vKUI'
QS5K/vKo'`S?l'W?NYv>a'
''
/H'
QS5K/v5UI'
QS5K/v5o'`S?l'W?NYv:a'
''
/:'
N,9Av19X'
N,9Av19X'`S?l'W?NYvPa'
''
/P'
N,9Av1IS'
N,9Av1IS'`S?l'W?NYvLa'
''
/R'
N,9/v19X'
N,9/v19X'`S?l'W?NYv,Ha'
''
,/'
N,9/v1IS'
N,9/v1IS'`S?l'W?NYv,,a'
''
,H'
W?NYOS'
X1vTo?vW?NYvS'`S?l'W?NYvHLa'`S?l'NgKa'
''
,:'
W?NYO9'
X1vTo?vW?NYv9'`S?l'W?NYv/Ha'`K1vNgKvga'
''
,P'
W?NYOT'
X1vTo?vW?NYvT'`S?l'W?NYv//:a'`Wu5YvS99XvNgKvga'
''
,R'
W?NYOW'
X1vTo?vW?NYvW'`S?l'W?NYv,>a'`I1Nv\1ug9a'
''
H/'
W?NYON'
X1vTo?vW?NYvN'`S?l'W?NYvH:a'`91NAv51Ka'
''
HH'
W?NYOw'
X1vTo?vW?NYvw'`S?l'W?NYv,.a'`91N/v51Ka'
''
H:'
q/\.'
X1vTo?v/?.'
''
HP'
q:\'
1u1v:?A'
''
HR'
WgI'
WgI'
''
''
''
''
''
?Ng'
RL;<"#$4'176)"+4'
>/AF'176)"+4'
g<2&'
,'
WgI'
WgI'
''
>'
?J5v;Kgvg'
?!YgTvYgvg'
''
L'
51Kv;Kgvg'
?(v5T1Ngvg'
''
.'
1?NAv19Xw'
1?NAv9Xw'`S?l'W?NYv/Ra'
''
/A'
1?NAvINg'
1?NAv(N1Y'`S?l'W?NYv/Pa'
''
/,'
1?NAv91'
1?NAv91vg'`S?l'W?NYv/.a'
''
/>'
1?NAvIYQK'
1?NAv(Y1N'`S?l'W?NYv/La'
''
/L'
?9(v81'
X1vTo?v(N,1vJ1'`S?l'W?NYv//Aa''
''
/.'
?9(v9Xw'
X1vTo?v(N,1v19w'`S?l'W?NYv//Ha'`SX?1vNgKa'
''
,A'
?9(vIY'
X1vTo?v(N,1vISKSA'`S?l'W?NYv//>a''
''
,,'
?9(vIN'
g090'
I2S%only%supports%audio%out%
,>'
W?NYO;'
X1vTo?vW?NYv;'`S?l'W?NYv/,a'`K1v51Kvga'
''
,L'
W?NYOI'
X1vTo?vW?NYvI'`S?l'W?NYvLRa'`(SWvNgKa'
''
,.'
W?NYO8'
X1vTo?vW?NYv8'`?(v(??v>a'`I1Nv;X9K5Xaa'
Borrowed%GPIO%from%PMIC%
HA'
W?NYO!'
X1vTo?vW?NYv!'`S?l'W?NYv,:a'`I1Nv51Ka'
''
H,'
W?NYOV'
X1vTo?vW?NYvV'`S?l'W?NYvH>a'`91NAv?JIga'
''
H>'
W?NYOX'
X1vTo?vW?NYvX'`S?l'W?NYvHHa'`91N/v?JIga'
''
HL'
1u1vI9Ng'
1u1vI9Ng'
''
H.'
1u9vI9Ng'
1u1vI9Ng'
''
>A'
WgI'
WgI'
''

'
/P-,.'
'
''
'
''
6.1!UART'{0/1}'
KB&'RL;<"#$4'4M&F7D7F"27<)4'F"++4'D<#'"'>O%7#&'QS5K'73M+&3&)2"27<)b'QS5KA'")$'")'<M273"+'4&F<)$',O%7#&'QS5Kb'QS5K/'<)'
2B&'X<%'1M&&$'TUM")47<)'9<))&F2<#0''
KB&'>/AF'C<"#$'73M+&3&)24'QS5KA'"4'"'>O%7#&'QS5K'2B"2'F<))&F24'$7#&F2+E'2<'2B&'S?l.A/L'1<90'KB&4&'476)"+4'"#&'$#7=&)'
"2'/0.\0'
KB&'>/AF'C<"#$'73M+&3&)24'QS5K/'"4'"',O%7#&'QS5K'2B"2'F<))&F24'$7#&F2+E'2<'2B&'S?l.A/L'1<90'KB&4&'476)"+4'"#&'$#7=&)'
"2'/0.\0'
6.2!I2C'{0/1}'
KB&'RL;<"#$4'4M&F7D7F"27<)'F"++4'D<#'2%<'N,9'7)2&#D"F&4'2<'C&'73M+&3&)2&$'<)'2B&'X<%'1M&&$'TUM")47<)'9<))&F2<#0''
KB&'>/AF'C<"#$'73M+&3&)24'C<2B'7)2&#D"F&4b'N,9A'")$'N,9/'2B"2'F<))&F24'$7#&F2+E'2<'2B&'S?l.A/L1<90'S',w'#&4742<#'74'
M#<=7$&$'"4'M*++O*M'D<#'&"FB'<D'2B&'N,9'+7)&4'M&#'2B&'N,9'4M&F7D7F"27<)4b'2B&4&'M*++O*M4'"#&'F<))&F2&$'2<'2B&'/0.\'=<+2"6&'
#"7+0'
6.3!GPIO'{A@L}'
KB&'RL;<"#$4'4M&F7D7F"27<)4'F"++4'D<#'/,'W?NY'+7)&4'2<'C&'73M+&3&)2&$'<)'2B&'X<%'1M&&$'TUM")47<)'9<))&F2<#0''1<3&'<D'
2B&4&'W?NY4'3"E'4*MM<#2'"+2&#)"2&'D*)F27<)4'D<#'I1N-91N'F<)2#<+'
KB&'>/AF'C<"#$'73M+&3&)24'2B74'#&@*7#&3&)20''//'W?NY4'"#&'#<*2&$'2<'2B&'S?l.A/L'1<9'")$'<)&'W?NY'74'F<))&F2&$'2<'2B&'
<)OC<"#$'?(N90'
•!W?NY'S'O'9<))&F24'2<'W?NYvHL'<D'S?l.A/L'1<9b'F")'4&#=&4'"4'Sl?vNgK'4*MM<#27)6'2B&'RL;<"#$4'#&@*7#&3&)24'2<'
F#&"2&'"'%"G&O*M'&=&)2'D<#'2B&'1<90'N2'74'"'/0.\'476)"+'
•!W?NY';'O'9<))&F24'2<'W?NYv/,'<D'S?l.A/L'1<90'N2'74'"'/0.\'476)"+'
•!W?NY'9'O'9<))&F24'2<'W?NYv/H'<D'S?l.A/L'1<90'N2'74'"'/0.\'476)"+0'9")'C&'F<)D76*#&$'2<'C&'")'N5l'+7)&'
•!W?NY'I'O'9<))&F24'2<'W?NYvLR'<D'S?l.A/L'1<90'N2'74'"'/0.\'476)"+0'9")'C&'F<)D76*#&$'2<'C&'")'N5l'+7)&'
•!W?NY'T'O'9<))&F24'2<'W?NYv//:'<D'S?l.A/L'1<90'N2'74'"'/0.\'476)"+0'9")'C&'F<)D76*#&$'2<'C&'")'N5l'+7)&'
•!W?NY'8'O'9<))&F24'2<'(??v>'<D'?(.R/L'?(N90'N2'74'"'/0.\'476)"+0'9")'C&'F<)D76*#&$'2<'C&'2B&'I1N'C"FG+76B2'F<)2#<+'
•!W?NY'W'O'9<))&F24'2<'W?NYv,>'<D'S?l.A/L'1<90'N2'74'"'/0.\'476)"+0'9")'C&'F<)D76*#&$'2<'C&'I1N'\1ug9'476)"+0'
•!W?NY'!'O'9<))&F24'2<'W?NYv,:'<D'S?l.A/L'1<90'N2'74'"'/0.\'476)"+0'9")'C&'F<)D76*#&$'2<'C&'"'I1Nv51K'476)"+0'
•!W?NY'N'O'9<))&F24'2<'W?NYvH:'<D'S?l.A/L'1<90'N2'74'"'/0.\'476)"+0'9")'C&'F<)D76*#&$'2<'C&'"'91NAv51K'476)"+0'
•!W?NY'V'O'9<))&F24'2<'W?NYvH>'<D'S?l.A/L'1<90'N2'74'"'/0.\'476)"+0'9")'C&'F<)D76*#&$'2<'C&'"'91NAv?JIg'476)"+0'
•!W?NY'w'O'9<))&F24'2<'W?NYv,.'<D'S?l.A/L'1<90'N2'74'"'/0.\'476)"+0'9")'C&'F<)D76*#&$'2<'C&'"'91N/v51K'476)"+0'
•!W?NY'X'O'9<))&F24'2<'W?NYvHH'<D'S?l.A/L'1<90'N2'74'"'/0.\'476)"+0'9")'C&'F<)D76*#&$'2<'C&'"'91N/v?JIg'476)"+0'
6.4!SPI'0'
KB&'RL;<"#$4'4M&F7D7F"27<)'F"++4'D<#'<)&'1?N'C*4'3"42&#'2<'C&'M#<=7$&$'<)'2B&'X<%'1M&&$'TUM")47<)'9<))&F2<#0''
KB&'>/AF'C<"#$'73M+&3&)24'"'D*++'1?N'3"42&#'%72B'>'%7#&4b'9Xwb'91b'(Y1N'")$'(N1Y'"++'F<))&F2'$7#&F2+E'2<'2B&'S?l.A/L'
1<90'KB&4&'476)"+4'"#&'$#7=&)'"2'/0.\0'
6.5!PCM/I2S'
KB&'RL;<"#$4'4M&F7D7F"27<)'F"++4'D<#'<)&'?9(-N,1'C*4'2<'C&'M#<=7$&$'<)'2B&'X<%'1M&&$'TUM")47<)'9<))&F2<#0'KB&'9Xwb'81'
")$'IY'476)"+4'"#&'#&@*7#&$'%B7+&'2B&'IN'74'<M27<)"+0'
KB&'>/AF'C<"#$'73M+&3&)24'"'?9(-N,1'%72B'H'%7#&4b'9Xwb'81'")$'IYb'2B&'<M27<)"+'IN'476)"+'74')<2'73M+&3&)2&$'<)'2B&'>/AF'
C<"#$0''KB&'N,1'476)"+4'"#&'F<))&F2&$'$7#&F2+E'2<'2B&'S?l.A/L'1<90'KB&4&'476)"+4'"#&'$#7=&)'"2'/0.\0 '
'

'
/.-,.'
6.6!Power'and'Reset'
KB&'RL;<"#$4'4M&F7D7F"27<)'F"++4'D<#'"'476)"+'<)'2B&'X<%'1M&&$'TUM")47<)'9<))&F2<#'2B"2'F")'M<%&#'<)-<DD'2B&'C<"#$'")$'"'
476)"+'2B"2'4&#=&4'"4'"'C<"#$'#&4&2'476)"+0'
KB&'>/AF'C<"#$'#<*2&4'2B&'?J5v;Kgvg'`)"3&$'?!YgTvYgvg'<)'>/AF'4FB&3"27Fa'476)"+'2<'2B&'wu?I?J5vg'M7)'<D'2B&'
?(.R/L'?(N90'KB74'476)"+'74'$#7=&)'CE'1,'"4'%&++b'2B&'<)OC<"#$'M<%&#'<)'M*4BOC*22<)'4%72FB0''?+&"4&')<2&'2B"2'2B&'M*4B'
C*22<)'<)+E'M#<=7$&4'")'Y)-1+&&M'D*)F27<)'")$')<2'Y88'D*)F27<)"+72E0'
S'3&nn")7)&'73M+&3&)2"27<)'<D'2B74'476)"+4'4B<*+$')<2'$#7=&'72'%72B'")E'=<+2"6&b'2B&'<)+E'"++<%&$'<M&#"27<)'74'2<'D<#F&'72'2<'
WgI'2<'42"#2'2B&'C<"#$'D#<3'"'4+&&M'3<$&0'S'C<"#$'4B*2$<%)'%7++'<FF*#'%B&)'2B74'476)"+'74'B&+$'2<'6#<*)$'D<#'3<#&'2B")'
/:'4&F<)$4'`C"4&$'<)'2B&'F*##&)2'S)$#<7$'#&+&"4&a0'
KB&'>/AF'C<"#$'#<*2&4'2B&'51Kv;Kgvg'`)"3&$'?(v5T1Ngvg'<)'>/AF'4FB&3"27Fa'476)"+'2<'2B&'5T1Ngvg'M7)'<D'2B&'?(.R/L'
?(N90'KB74'476)"+'74'$#7=&)'CE'1>b'2B&'<)OC<"#$'#&4&2'4%72FB0'KB74'476)"+4'74'"'$*"+'M*#M<4&b'")E'M#&44'+"427)6'+&44'2B")'/A'
4&F<)$4'4&#=&4'"4'\<+*3&'I<%)'<#'x<<3'<*2b'"'M#&44'+<)6&#'2B")'/A'4&F<)$4'%7++'#&4&2'2B&'C<"#$0''
6.7!Power'Supplies'
KB&'RL;<"#$4'4M&F7D7F"27<)'F"++4'D<#'2B#&&'M<%&#'#"7+4'2<'C&'M#&4&)2'<)'2B&'X<%'1M&&$'TUM")47<)'9<))&F2<#_'
•!q/0.\' _'("U'<D'/AA3S'
•!q:\' _'SC+&'2<'M#<=7$&'"'37)73*3'<D':J'<D'M<%&#'`/Sa0'
•!1u1vI9Ng'' _'RO/.\'7)M*2'%72B'&)<*6B'F*##&)2'2<'4*MM<#2'"++'2B&'C<"#$'D*)F27<)4'<#'2B&'<*2M*2'I9Ng'D#<3'<)O
C<"#$'I9'9<))&F2<#'"C+&'2<'M#<=7$&'"'37)73*3'<D'PJ'<D'M<%�''
KB&'>/AF'C<"#$'4*MM<#24'2B&4&'#&@*7#&3&)24'"4'D<++<%4_'
q/0.\'_'I#7=&)'CE'2%<'?(N9'XIY4b'XIY/:'")$'XIY/Lb'&"FB'F")'M#<=7$&'::3S0'KB&'?(.R/L'"++<%4'F<))&F27)6'2B&'2%<'
XIY4'7)'M"#"++&+'2<'M#<=7$&'//A3S'<)'"'/0.\'#"7+'%B7FB'3&&24'2B&'RL;<"#$4'#&@*7#&3&)20'
q:\' _'I#7=&)'CE'2B&'>S':0A\'C*FG'4%72FB&#'`Q/Ha0'KB74'C*FG'4%72FB&#'M<%'C<2B'Q1;'+7372'F*##&)2'$&=7F&4'`&"FB'"2'
/0/.S'3"Ua0''KB&'#&3"7)7)6'F"M"F72E'M#<=7$&4'"'3"U'F*##&)2'<D'/0L>S'2<'2B&'X<%'1M&&$'TUM")47<)'9<))&F2<#b'D<#'"'2<2"+'<D'
.0,J'%B7FB'3&&24'2B&'RL;<"#$4'#&@*7#&3&)240''
1u1vI9Ng_'9")'4&#=&4'"4'2B&'C<"#$]4'3"7)'M<%&#'4<*#F&'<#'F")'#&F&7=&'M<%&#'D#<3'2B&'C<"#$0''
'

'
/R-,.'
7!High'speed'expansion'connector'
KB&'D<++<%7)6'2"C+&'4B<%4'2B&'!76B'1M&&$'TUM")47<)'9<))&F2<#'M7)'<*2_'
PIN'
96Boards'Signals'
410c'Signals'
Note'
/'
1IvISKA-1?N/vIYQK'
1?N/v(Y1N'`S?l'W?NYv.a'
This%is%a%SPI%implementation.%not%
an%SD%interface%
H'
1IvISK/'
g090'
:'
1IvISK,'
g090'
P'
1IvISKH-1?N/v91'
1?N/v91vg'`S?l'W?NYv/Aa'
R'
1Iv19Xw-1?N/v19Xw'
1?N/v9Xw'`S?l'W?NYv//a'
//'
1Iv9(I-1?N/vINg'
1?N/v(N1Y'`S?l'W?NYvRa'
/H'
WgI'
WgI'
''
/:'
9XwA-91NAv(9Xw'
91NAv(9Xw'`S?l'W?NYv,La'
''
/P'
9Xw/-91N/v(9Xw'
91N/v(9Xw'`S?l'W?NYv,Pa'
''
/R'
WgI'
WgI'
''
,/'
I1Nv9Xwq'
(N?NvI1NAv9Xwv?vTo?v9Ygg'
''
,H'
I1Nv9XwO'
(N?NvI1NAv9Xwv(vTo?v9Ygg'
''
,:'
WgI'
WgI'
''
,P'
I1NvIAq'
(N?NvI1NAvISKSAv?vTo?v9Ygg'
''
,R'
I1NvIAO'
(N?NvI1NAvISKSAv(vTo?v9Ygg'
''
H/'
WgI'
WgI'
''
HH'
I1NvI/q'
(N?NvI1NAvISKS/v?vTo?v9Ygg'
''
H:'
I1NvI/O'
(N?NvI1NAvISKS/v(vTo?v9Ygg'
''
HP'
WgI'
WgI'
''
HR'
I1NvI,q'
(N?NvI1NAvISKS,v?vTo?v9Ygg'
''
>/'
I1NvI,O'
(N?NvI1NAvISKS,v(vTo?v9Ygg'
''
>H'
WgI'
WgI'
''
>:'
I1NvIHq'
(N?NvI1NAvISKSHv?vTo?v9Ygg'
''
>P'
I1NvIHO'
(N?NvI1NAvISKSHv(vTo?v9Ygg'
''
>R'
WgI'
WgI'
''
:/'
Q1;vIq'
Q1;v!1vIv?vTo?'
''
:H'
Q1;vIO'
Q1;v!1vIv(vTo?'
''
::'
WgI'
WgI'
''
:P'
!1N9v1K5'
g090'
No%HSIC%implementation%%
:R'
!1N9vISKS'
g090'
''
''
''
''
PIN'
96Boards'Signals'
410c'Signals'
Note'
,'
91NAv9q'
(N?Nv91NAv9Xwv?'
''
>'
91NAv9O'
(N?Nv91NAv9Xwv('
''
L'
WgI'
WgI'
''
.'
91NAvIAq'
(N?Nv91NAvISKSAv?'
''
/A'
91NAvIAO'
(N?Nv91NAvISKSAv('
''
/,'
WgI'
WgI'
''
/>'
91NAvI/q'
(N?Nv91NAvISKS/v?'
''
/L'
991NAvI/O'
(N?Nv91NAvISKS/v('
''
/.'
WgI'
WgI'
''
,A'
91NAvI,q'
(N?Nv91NAvISKS,v?'
''
,,'
91NAvI,O'
(N?Nv91NAvISKS,v('
''
,>'
WgI'
WgI'
''
,L'
91NAvIHq'
(N?Nv91NAvISKSHv?'
''
,.'
91NAvIHO'
(N?Nv91NAvISKSHv('
''
HA'
WgI'
WgI'
''

'
,A-,.'
H,'
N,9,v19X'
N,9,v19X'`S?l'W?NYvHAa'
''
H>'
N,9,v19X'
N,9,v1IS'`S?l'W?NYv,Ra'
''
HL'
N,9Hv1IS'
N,9Hv19X'`S?l'W?NYv/:a'
R61%&%R62%need%to%be%%
H.'
N,9Hv1IS'
N,9Hv1IS'`S?l'W?NYv/>a'
Installed%to%enable%I2C3%
>A'
WgI'
WgI'
''
>,'
91N/vIAq'
(N?Nv91N/vISKSAv?'
''
>>'
91N/vIAO'
(N?Nv91N/vISKSAv('
''
>L'
WgI'
WgI'
''
>.'
91N/vI/q'
(N?Nv91N/vISKS/v?'
''
:A'
91N/vI/O'
(N?Nv91N/vISKS/v('
''
:,'
WgI'
WgI'
''
:>'
91N/v9q'
(N?Nv91N/v9Xwv?'
''
:L'
91N/v9O'
(N?Nv91N/v9Xwv('
''
:.'
WgI'
WgI'
''
LA'
5T1T5\TI'
g090'
''
'
'
''
''
7.1!MIPI'DSI'0'
KB&'RL;<"#$4'4M&F7D7F"27<)'F"++4'D<#'"'(N?NOI1N'2<'C&'M#&4&)2'<)'2B&'!76B'1M&&$'TUM")47<)'9<))&F2<#0'S'37)73*3'<D'<)&'
+")&'74'#&@*7#&$'")$'*M'2<'D<*#'+")&4'F")'C&'"FF<33<$"2&$'<)'2B&'F<))&F2<#0'
KB&'>/AF'C<"#$'73M+&3&)2"27<)'4*MM<#24'"'D*++'D<*#'+")&'(N?NOI1N'7)2&#D"F&'2B"2'74'#<*2&$'2<'2B&'!76B'1M&&$'TUM")47<)'
9<))&F2<#0'17)F&'2B&'S?l.A/L'B"4'<)+E'47)6+&'(N?NOI1N'7)2&#D"F&'")$'72'3"E'C&'*4&$'2<'$#7=&'2B&'I1NO!I(N';#7$6&b'I1N'
3*U7)6'74'#&@*7#&$0'
S'3*U7)6'$&=7F&b'Q//'`81SL>>Q9wa'74'*4&$'<)'2B&'C<"#$0'Y)+E'<)&'7)2&#D"F&b'!I(Nb'<#'2B&'TUM")47<)'(N?NOI1N'F")'C&'
"F27=&'"2'"'67=&)'273&0'KB&'F<)2#<++7)6'476)"+'74')"3&$'kI1Nv1Jv1TXvS?l]0'JB&)'2B74'476)"+'74'+<67F'+<%b'kA]b'2B &'( N? NOI1N'74'
#<*2&$'2<'2B&'I1NO!I(N';#7$6&0''
JB&)'kI1Nv1Jv1TXvS?l]'74'+<67F'+&=&+'B76Bb'k/]b'2B&'(N?NOI1N'74'#<*2&$'2<'2B&'!76B'1M&&$'TUM")47<)'F<))&F2<#0'KB74'$&476)'
"4476)&$'2B&'kI1Nv1Jv1TXvS?l]'D*)F27<)'2<'W?NYvH,0'
KB&'*4&#'F")'<=&##7$&'2B&'4<D2%"#&'F<)2#<+'CE'4+7$7)6'4%72FB'>'<D'I7M1%72FB'1L'2<'2B&'kYg]'M<4727<)0'KB"2'"F27<)'D<#F&4'2B&'
I1N'3*U'2<'#<*2&'2B&'(N?NOI1N'2<'2B&'I1NO!I(N';#7$6&0'KB&'<=&##7$&'<M27<)'&U7424'D<#'!I(N'<)+E0''u<*'F"))<2'D<#F&'2B&'3*U'
2<'2B&'!76B'1M&&$'TUM")47<)'F<))&F2<#0''JB7+&'B"#$%"#&'D<#F&4'2B&'T1N'(*U'2<'2B&'!I(Nb'4<D2%"#&'3*42'F<)D76*#&'2B&'
!I(N'C#7$6&'D<#'M#<M&#'D*)F27<)"+72E0'
Please%note:!If!configuring!the!board!to!use!the!MIPI=DSI!is!done!via!software,!the!user!must!verify!the!switch!4!of!
DipSwitch!S6!is!set!to!the!‘off’!position'

'
,/-,.'
7.2!MIPI'CSI'{0/1}'
KB&'RL;<"#$4'4M&F7D7F"27<)'F"++4'D<#'2%<'(N?NO91N'7)2&#D"F&4'2<'C&'M#&4&)2'<)'2B&'!76B'1M&&$'TUM")47<)'9<))&F2<#0';<2B'
7)2&#D"F&4'"#&'<M27<)"+0'91NA'7)2&#D"F&'F")'C&'*M'2<'D<*#'+")&4'%B7+&'91N/'74'*M'2<'2%<'+")&40'
KB&'F*##&)2'>/AF'C<"#$'73M+&3&)2"27<)'4*MM<#24'"'D*++'D<*#'+")&'(N?NO91N'7)2&#D"F&'<)'91NA'")$'2%<'+")&4'<D'(N?NO91N'<)'
91N/0'S++'(N?NO91N'476)"+4'"#&'#<*2&$'$7#&F2+E'2<-D#<3'2B&'S?l.A/L0'
7.3!I2C'{2/3}'
KB&'RL;<"#$4'4M&F7D7F"27<)'F"++4'D<#'2%<'N,9'7)2&#D"F&4'2<'C&'M#&4&)2'<)'2B&'!76B'1M&&$'TUM")47<)'9<))&F2<#0';<2B'
7)2&#D"F&4'"#&'<M27<)"+'*)+&44'"'(N?NO91N'7)2&#D"F&'B"4'C&&)'73M+&3&)2&$0'KB&)'")'N,9'7)2&#D"F&'4B"++'C&'73M+&3&)2&$0'
KB&'F*##&)2'>/AF'C<"#$'73M+&3&)2"27<)'4*MM<#24'2%<'(N?NO91N'7)2&#D"F&4'")$'2B&#&D<#&'3*42'4*MM<#2'2%<'N,9'7)2&#D"F&40''
8<#'(N?NO91NA'2B&'F<3M")7<)'N,9,'74'#<*2&$'$7#&F2+E'D#<3'2B&'S?l.A/L0'8<#'(N?NO91N/b'2B&'F<3M")7<)'N,9'74'N,9H0'
g<2&_'u<*'%7++')&&$'2<'"$$'5L/'")$'5L,b'A'<B3'A,A/'#&4742<#4b'2<'2B&'C<"#$'2<'4*MM<#2'2B&'#<*27)6'<D'N,9H'7)2&#D"F&'2<'2B&'
!76B'1M&&$'TUM")47<)'9<))&F2<#0';<2B'7)2&#D"F&4b'N,9,'")$'N,9H'B"=&'")'<)OC<"#$',w'M*++O*M'#&4742<#4'M*++&$O*M'2<'2B&'
/0.\'=<+2"6&'#"7+0'
7.4!HSIC'
KB&'RL;<"#$4'4M&F7D7F"27<)'F"++4'D<#'")'<M27<)"+'(N?NO!1N9'7)2&#D"F&'2<'C&'M#&4&)2'<)'2B&'!76B'1M&&$'TUM")47<)'9<))&F2<#0'
KB&'>/AF'C<"#$'73M+&3&)2"27<)'$<&4)]2'4*MM<#2'2B74'<M27<)"+'#&@*7#&3&)20'
7.5!Reserved''
KB&'RL;<"#$4'4M&F7D7F"27<)'F"++4'D<#'"'/Aw'M*++O*M'2<'/0.\'2<'C&'F<))&F2&$'2<'M7)'LA'<D'2B&'!76B'1M&&$'TUM")47<)'
9<))&F2<#0'
KB&'F*##&)2'>/AF'C<"#$'73M+&3&)2"27<)'$<&4')<2'4*MM<#2'2B74'#&@*7#&3&)20''KB74'744*&'%7++'C&'"$$#&44&$'<)'"'D*2*#&'
#&=747<)'<D'2B&'>/AF'C<"#$0'
7.6!SD/SPI'
KB&'RL;<"#$4'4M&F7D7F"27<)'F"++4'D<#'")'1I'7)2&#D"F&'<#'"'1?N'M<#2'2<'C&'M"#2'<D'2B&'!76B'1M&&$'TUM")47<)'9<))&F2<#0''
KB&'>/AF'C<"#$'73M+&3&)24'"'D*++'1?N'3"42&#'%72B'>'%7#&4'`RL;<"#$4'1?N'9<)D76*#"27<)ab'9Xwb'91b'(Y1N'")$'(N1Y'"++'
F<))&F2'$7#&F2+E'2<'2B&'S?l.A/L'1<90'KB&4&'476)"+4'"#&'$#7=&)'"2'/0.\0'
7.7!Clocks'
KB&'RL;<"#$4'4M&F7D7F"27<)'F"++4'D<#'<)&'<#'2%<'M#<6#"33"C+&'F+<FG'7)2&#D"F&4'2<'C&'M#<=7$&$'<)'2B&'!76B'1M&&$'TUM")47<)'
9<))&F2<#0'KB&4&'F+<FG4'3"E'B"=&'"'4&F<)$"#E'D*)F27<)'<D'C&7)6'91NAv(9Xw'")$'91N/v(9Xw0'ND'2B&4&'F+<FG4'F")]2'C&'
4*MM<#2&$'CE'2B&'1<9'2B")'")'"+2&#)"27=&'W?NY'<#'g<O9<))&F2'74'"++<%&$'CE'2B&'4M&F7D7F"27<)40'
KB&'>/AF'C<"#$'73M+&3&)24'2%<'91N'F+<FG4b'91NAv(9Xw'=7"'S?l'W?NYv,L'")$'91N/v(9Xw'=7"'S?l'W?NYv,P0'KB&4&'476)"+4'
"#&'$#7=&)'"2'/0.\0'
7.8!USB'
KB&'RL;<"#$4'4M&F7D7F"27<)'F"++4'D<#'"'Q1;'I"2"'+7)&'7)2&#D"F&'2<'C&'M#&4&)2'<)'2B&'!76B'1M&&$'TUM")47<)'9<))&F2<#0''
KB&'>/AF'C<"#$'73M+&3&)24'2B74'#&@*7#&3&)24'CE'#<*27)6'Q1;'FB"))&+'H'D#<3'2B&'Q1;'!Q;'2<'2B&'!76B'1M&&$'TUM")47<)'
9<))&F2<#0'

'
,,-,.'
8!Analog'Expansion'Connector'
?Ng'
8*)F27<)'
9<))&F2'2<'
g<2&'
/'
1?w5vYQKv?'
?(.R/L'S*$7<'476)"+'9I9v1?wI5\v?'
I"2"4B&&2'M7)'1?w5vI5\v?'
,'
1?w5vYQKv('
?(.R/L'S*$7<'476)"+'9I9v1?wI5\v('
I"2"4B&&2'M7)'1?w5vI5\v('
H'
\?!v?J5'
S'H0P\'D#<3'Q/,'C*FG'4%72FB&#'
''
>'
WgI'
''
''
:'
WgIv98NXK'
?(.R/L'S*$7<'476)"+'9I9vWgIv98NXK'
''
L'
9I9v(N9,v?'
?(.R/L'S*$7<'476)"+'9I9vNg,v?'
I"2"4B&&2'M7)'(N9,vNg'
P'
9I9v(N9Hv?'
?(.R/L'S*$7<'476)"+'9I9vNgHv?'
I"2"4B&&2'M7)'(N9HvNg'
.'
9I9v!?!v5'
?(.R/L'S*$7<'476)"+'9I9v!?!v5'
''
R'
9I9v!?!v5T8'
?(.R/L'S*$7<'476)"+'9I9v!?!v5T8'
''
/'
9I9v!?!vX'
?(.R/L'S*$7<'476)"+'9I9v!?!vX'
''
A'
9I9v!1vITK'
?(.R/L'S*$7<'476)"+'9I9v!1vITK'
''
//'
9I9v(N9v;NS1/'
?(.R/L'S*$7<'476)"+'9I9v(N9v;NS1/'
''
/,'
g090'
''
''
/H'
g090'
''
''
/>'
g090'
''
''
/:'
8(v5ovSgK'
J9gHL,A'58'476)"+'8(v!1v5o'
''
/L'
g090'
''
''
8.1!Speaker'
KB&'4M&"G&#'476)"+4'"#&'#<*2&$'D#<3'2B&'?(.R/L'?(N9'C*7+2O7)'S*$7<'9YIT9b'2B&'2%<'476)"+4'"#&_'
•!1w?5vI5\v?' O'9+"44OI'4M&"G&#'"3M+7D7&#'<*2M*2q''
•!1w?5vI5\v(''''O'9+"44OI'4M&"G&#'"3M+7D7&#'<*2M*2O''
8.2!Mic'
KB&'37F#<MB<)&'476)"+4'"#&'#<*)$&$'2<'2B&'?(.R/L'?(N9';*7+2ON)'9YIT9b'2B&'2B#&&'476)"+4'"#&_'
•!(N9,vNg' ' O'!&"$4&2'37F''
•!(N9HvNg' ' O'1&F<)$'37Fb'M+&"4&')<2&'2B"2'2B&'D7#42'37F#<MB<)&'7)M*2b'(N9/vNg'74'#<*2&$'D#<3'")'<)OC<"#$'
")"+<6'37F#<MB<)&'`)<2'7)42"++&$'<)'F*##&)2'>/AF'C*7+$4a''
•!(N9v;NS1/'''''' O'W#<*)$'#&D&#&)F&'D<#'?(N9'C7"4'
8.3!Headset'
KB&'B&"$4&2'476)"+4'"#&'#<*)$&$'D#<3'2B&'?(.R/L'?(N9';*7+2ON)'9YIT9b'<)&'476)"+'74'#<*2&$'D#<3'2B&'F<))&F2<#'2<'2B&'
9YIT9b'2B&'47)6+&4'"#&_'
•!!?!v5' ' O'!&"$MB<)&'?S'#76B2'FB"))&+'<*2M*2'
•!!?!vX'''''''''' O'!&"$MB<)&'?S'+&D2'FB"))&+'<*2M*2'
•!!?!v5T8' ' O'!&"$MB<)&'?S'6#<*)$'4&)47)6'
•!!1vITK''''''' O'!&"$4&2'$&2&F27<)'
8.4!FM'Antenna'
KB&'8(v5ovSgK'476)"+'74'2B&'M"2B'D<#'2B&'8('")2&))"'2<'#&"FB'2B&'J9gHL,A'`*:ab'")'7)2&6#"2&$'2B#&&'$7DD&#&)2'
F<))&F27=72E'2&FB)<+<67&4'$&=7F&_'
•!JXSg'NTT.A,0//'C-6-)'
•!;K'>0A'`;5-TI5-;XTa'
•!J<#+$%7$&'8('#"$7<'

'
,H-,.'
9!Power'management'
KB&'RL;<"#$4'4M&F7D7F"27<)'$&D7)&4'B<%'M<%&#'"##7=&4'2<'2B&'C<"#$'")$'D&%'4*MM+7&4'2B"2'2B&'C<"#$')&&$4'2<'M#<=7$&0'KB&'
<)'C<"#$'M<%&#'#&@*7#&3&)2'D<#'&"FB'RL;<"#$4'73M+&3&)2"27<)'$&M&)$4'<)'2B&'1<9'")$'2B&'4&2'<D'MMB&#"+4'2B"2'"#&'
4M&F7D7F'2<'2B"2'73M+&3&)2"27<)0'
KB&'>/AF'C<"#$'*4&4'2%<'C*FG'#&6*+"2<#4b'Q/H'")$'Q/,0'Q/H'2"G&4'2B&'M<%&#'7)'2<'2B&'C<"#$'")$'6&)&#"2&4':\'"2'>S0'KB74'
=<+2"6&'D&&$4'2B&'Q1;'!Y1K'M<%&#'+7372'4%72FB&4'")$'M#<=7$&4'M<%&#'2<'2B&'X<%'1M&&$'TUM")47<)'M<#20'Q/,'2"G&4'2B&'
M<%&#'7)'2<'2B&'C<"#$'")$'6&)&#"2&4'H0P\'"2'>S0'KB74'=<+2"6&'4&#=&4'"4'2B&'M<%&#'7)'=<+2"6&'2<'2B&'<)OC<"#$'?(N9b'
?(.R/L'`QRa0'KB&'?(.R/L'F")'6&)&#"2&',:'$7DD&#&)2'=<+2"6&'#"7+40'
9.1!DC'Power'Input''
KB&'RL;<"#$4'4M&F7D7F"27<)'F"++4'D<#'"'M<%&#'2<'C&'M#<=7$&$'2<'2B&'C<"#$'7)'<)&'<D'2B&'D<++<%7)6'%"E4_'
•!S)'.\'2<'/.\'M<%&#'D#<3'"'$&$7F"2&$'I9'^"FG0''
KB&'>/AF'C<"#$'4*MM<#24'2B74'#&@*7#&3&)2'2B#<*6B'2B&'*4&'<D'V/b'k1u1vI9Ng]'M<%&#'F<))&F2<#0'''
Please'note:'2B&'1u1vI9Ng'F")'C&'"4'+<%'"4'L0:\'<)'2B&'>/AF'C<"#$0''
•!S)'.\'2<'/.\'M<%&#'D#<3'2B&'1u1vI9Ng'M7)4'<)'2B&'X<%'1M&&$'TUM")47<)'9<))&F2<#0''
Please'note:'2B&'1u1vI9Ng'F")'C&'"4'+<%'"4'L0:\'<)'2B&'>/AF'C<"#$0'
KB&'>/AF'C<"#$'4*MM<#24'7)F<37)6'M<%&#'2B#<*6B'2B74'F<))&F2<#0''
•!S'Q1;'KEM&'9'M<#2'"2':\0''
Please'note:'The'410c'board'does'not'implement'a'USB'Type'C'port'and'therefore%cannot%be%powered%over%USB.%
9.2!Power'Source'Selection''
8<++<%7)6'2B&'7)D<#3"27<)'7)'4&F27<)'R0/b'2B&'>/AF'C<"#$'B"4'<)+E'2%<'4<*#F&4'D<#'C<"#$'7)F<37)6'M<%�'KB&'RL;<"#$4'
4M&F7D7F"27<)'F"++4'D<#'<)+E'<)&'M<%&#'4<*#F&'2<'C&'"MM+7&$'2<'2B&'C<"#$'"2'")E'67=&)'273&0'8<++<%7)6'2B74'#&@*7#&3&)2b'the%
user%of%the%410c%board%should%never%apply%power%to%the%board%from%J1%and%the%Low%Speed%Expansion%connector%at%the%
same%time0'KB&#&'74')<'"F27=&'<#'M"447=&'3&FB")743'<)'2B&'>/AF'C<"#$'2<'M#7<#727n&'<)&'4<*#F&'<=&#'2B&'<2B�''
9.3!Power'Consumption''
K;I'

'
,>-,.'
9.4!Power'Sequencing''
QM<)'"MM+E7)6'M<%&#'2<'2B&'>/AF'C<"#$'`&72B&#'<)&'<D'2B&'2%<'4<*#F&4ab'C<2B'C*FG'#&6*+"2<#4'%7++'C&'&)"C+&$'")$'%7++'42"#2'
#&6*+"27)6'2B&7#'2"#6&2'=<+2"6&40'JB&)'2B&'<*2M*2'<D'Q/,'74'<)b'72'%7++'M<%&#'2B&'<)OC<"#$'?(N9b'2B&'?(.R/L0'KB74'?(N9'
B"4'D<*#'C*FG'#&6*+"2<#4b'<)&'C<<42'#&6*+"2<#'")$',A'XIY40'KB&'4&@*&)F7)6'<D'"++'M<%&#'#"7+4'74'4&2'%72B7)'2B&'?(.R/L'
F<)D76*#"27<)'4FB&3&'$*#7)6'2B&'M#<$*F27<)'<D'2B74'M"#20'KB&'*4&#'B"4')<'"FF&44'2<'"+2&#b'3<$7DE'<#'FB")6&'2B&'?(N9'M<%&#'
*M'4&@*&)F7)60'
9.5!Voltage'Rails'
?+&"4&'4&&'4&F27<)'/A'D<#'$&2"7+&$'+742'<D'2B&'M<%&#'#"7+4'<)'2B&'>/AF'C<"#$0'
9.6!Power'Measurements'
KB&'RL;<"#$4'4M&F7D7F"27<)'F"++4'D<#'"'37)73*3'<D'<)&'F*##&)2'4&)4&'#&4742<#'2<'C&'M+"F&$'<)'2B&'C<"#$'M酫)6'"'C"47F'
M<%&#'3&"4*#&3&)2'D*)F27<)40'
KB&'>/AF'73M+&3&)24'2%<'$7DD&#&)2'M<%&#'3&"4*#&3&)240'
9.6.1!Power@In'measurement'
S'A0/<B3'#&4742<#'74'M+"F&$'7)+7)&'2<'2B&'1u1vI9Ng'M<%&#'+7)&'F<37)6'D#<3'V/'`M+&"4&')<2&'2B"2'2B74'M<%&#'7)'3&"4*#&3&)2'
<)+E'%<#G4'D<#'1u1vI9Ng'D#<3'V/b'72'%7++')<2'3&"4*#&'1u1vI9Ng'"MM+7&$'D#<3'2B&'X<%'1M&&$'TUM")47<)'9<))&F2<#a0'?+"F7)6'
"'M#<C&'<=&#'2B74'#&4742<#'%7++'M#<=7$&'"'=<+2"6&'3&"4*#&3&)2'<D'2B&'=<+2"6&'$#<M'"F#<44'2B&'#&4742<#0'I7=7$7)6'2B74'
3&"4*#&3&)2'CE'A0/'%7++'67=&'E<*'2B&'"3<*)2'<D'2B&'F*##&)2'D+<%7)6'7)2<'2B&'C<"#$0'KB&'C<"#$'M#<=7$&4'"'3&")4'2<'*4&'
S5('T)E'M#<C&'D<#'2B74'3&"4*#&3&)2b'M+&"4&'=DE'2B"2'V?H'")$'V?>'"#&'&"FB'4B<#2&$'")$'V/A'74'4<+$&#&$'2<'2B&'C<"#$'
2<'2"G&'"$=")2"6&'<D'2B74'M#<C&0'
9.6.2!PMIC'Power@In'measurement'
S'A0/<B3'#&4742<#'4B<*+$'#&M+"F&'2B&'&U7427)6'7)+7)&'A'<B3'#&4742<#'<)'\?!v?J5'+7)&b'2B&'<*2M*2'<D'Q/,'C*FG'#&6*+"2<#'
2B"2'D&&$4'2B&'?(N90'?+"F7)6'"'M#<C&'<=&#'2B74'#&4742<#'%7++'M#<=7$&'"'=<+2"6&'3&"4*#&3&)2'<D'2B&'=<+2"6&'$#<M'"F#<44'2B&'
#&4742<#0'I7=7$7)6'2B74'="+*&'CE'A0/'%7++'67=&'E<*'2B&'"3<*)2'<D'2B&'F*##&)2'D+<%7)6'7)2<'2B&'?(N90'KB&'C<"#$'M#<=7$&4'"'
3&")4'2<'*4&'")'S5('T)E'M#<C&'D<#'2B74'3&"4*#&3&)2b'2B&'D<++<%7)6'42&M4'"#&'#&@*7#&4'2<'6&2'2B74'M#<C&'3&"4*#7)6'2B74'
#"7+_''
'
1.!Remove'R122'and'R123'from'the'board'to'prevent'a'short'between'SYS_DCIN'and'VPH_PWR'
,0!V/A')&&$4'2<'C&'4<+$&#&$'2<'2B&'C<"#$0'
H0!5/,>'")$'5/,:b'A'<B3'A,A/'#&4742<#4b')&&$'2<'C&'4<+$&#&$'2<'2B&'C<"#$0'

'
,:-,.'
10!Buttons'and'status'LED’s'
10.1!Buttons'
10.1.1!Volume'up'
KB&'\<+*3&'Q?'C*22<)'74'*4&$'2<'F<)2#<+'2B&'<*2M*2'4M&"G&#'=<+*3&'<D'2B&'>/AF';<"#$0'
10.1.2!Volume'down'
KB&'\<+*3&'I<%)'C*22<)'74'*4&$'2<'F<)2#<+'2B&'<*2M*2'4M&"G&#'=<+*3&'<D'2B&'>/AF';<"#$0'
10.1.3!Power'Button'
KB&'M*4BOC*22<)'1,'4&#=&4'"4'2B&'M<%&#O<)-4+&&M'C*22<)0'QM<)'"MM+E7)6'M<%&#'2<'2B&'C<"#$b'2B&'C<<2'M#<F&44'%7++'42"#20'
Y)F&'2B&'C<"#$'74'#*))7)6'E<*'F")'2*#)'M<%&#O<DD'CE'M#&447)6'2B&'M<%&#'C*22<)'D<#'3<#&'2B")'U'4&F<)$40'ND'2B&'C<"#$'74'7)'
"'4+&&M'3<$&b'M#&447)6'2B&'M<%&#'C<22<3'D<#'3<#&'2B")'H'4&F<)$4'%7++'%"G&'*M'2B&'C<"#$0'
10.1.4!Reset'Button'
KB&'<)OC<"#$'1>'M*4BOC*22<)'B"4'2%<'D*)F27<)4b'72'4&#=&4'"4'"'#&4&2'C*22<)'")$'"4'"'\<+*3&-x<<3O'C*22<)0'
S'C*22<)'M#&44'%72B'$*#"27<)'<D'+&44'2B")'/A'4&F<)$'%7++'C&'7)2&#M#&2&$'CE'4<D2%"#&'"4'"'=<+*3&'$<%)'<#'n<<3'<*2'
#&@*&420'I*#"27<)'<D'3<#&'2B")'/A'4&F<)$4'%7++'F"*4&'"'4E42&3'#&4&20'
10.2!LED’s'
KB&#&'"#&'2%<'42"2*4'XTI4'")$'D<*#'Q4&#'XTI4'<)'2B&'>/AF'C<"#$0'KB&'12"2*4'XTI4'#&M<#2'2B&'42"2*4'<D'2B&';+*&2<<2B'")$'
J7O87'$&=7F&4'<)C<"#$0'KB&'*4&#'XTI4'"#&'$#7=&)'CE'2B&'1<9'$7#&F2+E0'
10.2.1!User'LED'1@4'
KB&'D<*#'*4&#'XTI4'"#&'4*#D"F&'3<*)2'W#&&)'XTIb'ALAH'47n&b'+<F"2&$')&U2'2<'2B&'2%<'Q1;'2EM&'S'F<))&F2<#'")$'+"C&+&$'
kQ1T5'XTI1'>'H','/]0''
10.2.2!Bluetooth'status'
KB&';K'XTI'<)'2B&'>/AF'C<"#$'74'+<F"2&$')&U2'2<'2B&'Q1;YKW'F<))&F2<#y'2B74'XTI'#&D+&F24'2B&'42"2*4'<D'2B&';+*&2<<2B'
$&=7F&0'
10.2.3!WiFi'status'
KB&'JN8N'XTI'<)'2B&'>/AF'74'+<F"2&$'C&47$&'2B&';K'XTIb'2B74'XTI'#&D+&F24'2B&'42"2*4'<D'2B&'J7O87'$&=7F&0'
'

'
,L-,.'
11!Boot'configuration'
KB&#&'74'"'>'4%72FB'I7M1%72FB'3"#G&$'1L'+<F"2&$'"2'2B&'C<22<3'47$&'<D'2B&'>/AF'C<"#$0'8<#')<#3"+'<M&#"27<)'"++'D<*#'
4%72FB&$')&&$'2<'C&'4&2'2<'2B&'k<DD]'M<4727<)0'
1%72FB'/b'kQ1;';YYK]b'%B&)'4&2'2<'k<)]'M<4727<)b'%7++'D<#F&'C<<2'<=&#'Q1;'F<))&F27<)'%72B'"'?90'KB74'74'<)+E'#&@*7#&$'D<#'
&((9'C<<2'73"6&'*M6#"$&0'?+&"4&'#&=7&%'2B&'M#<M&#'Y1'Q4&#'W*7$&'D<#'3<#&'7)D<#3"27<)'<)'2B74'M#<F&440'
1%72FB',b'k1I';YYK]b'%B&)'4&2'2<'k<)]'M<4727<)b'%7++'D<#F&'2B&'µ1Ib'V:b'2<'4&#=&'"4'2B&'C<<2'4<*#F&'D<#'2B&'>/AF'C<"#$'%B&)'
4&20'u<*'F")'*4&'*1I'"4'2B&'3"7)'C<<2'4<*#F&'<#'72'F")'4&#=&'"4'"'3&2B<$'D<#'&((9'C<<2'73"6&'*M6#"$&0'?+&"4&'#&=7&%'2B&'
M#<M&#'Y1'Q4&#'W*7$&'D<#'3<#&'7)D<#3"27<)'<)'2B74'M#<F&440'
1%72FB'Hb'kQ1;'!Y1K]b'74'$&4F#7C&$'7)'4&F27<)':0.0''KB74'4%72FB'7)')<2'M"#2'<D'2B&'C<<2'F<)D76*#"27<)0'
1%72FB'>b'k!I(N'1TX]b'74'$&4F#7C&$'7)'4&F27<)':0L0/0'KB74'4%72FB'74')<2'M"#2'<D'2B&'C<<2'F<)D76*#"27<)0'
'

'
,P-,.'
12!Mechanical'specification'
12.1!Board'dimensions'

'
,.-,.'
13!Special'care'when'using'USB'
17)F&'2B&'S?l.A/L'B"4'"'47)6+&'Q1;YKW'FB"))&+b'F"#&')&&$4'2<'C&'2"G&)'%B&)'2B&'Q1;'!Y1K'D*)F27<)'74'2<'C&'*4&$0''
?+&"4&'=DE'2B"2')<'F"C+&'74'F<))&F2&$'2<'2B&'(7F#<Q1;'2EM&';'F<))&F2<#'`")$'2<'"'B<42'<)'2B&'<2B&#'47$&'<D'2B&'F"C+&a'"4'
2B&'B"#$%"#&'<D'2B&'>/AF'C<"#$'%7++'7)D<#3'4<D2%"#&'"C<*2'2B&'M#&4&)F&'<D'"'#&@*&42'2<'F<)D76*#&'2B&'Q1;YKW'2<'$&=7F&'
3<$&0'I&M&)$7)6'<)'2B&'4<D2%"#&'#&+&"4&'2B"2'74'*4&$'<)'2B&'C<"#$b'2B&'$#7=&#'3"E'F<)D76*#&'2B&'Q1;'(*U''2<'I&=7F&'
3<$&'")$')<)&'<D'2B&'Q1;'!Y1K'M<#24'%7++'C&'F<))&F2&$'2<'2B&'1<90'