Asahi Pentax Spotmatic Repair Manual _main1
Honeywell-Pentax-Spotmatic-Repair-Manual-775521 honeywell-pentax-spotmatic-repair-manual-775521
Pentax-Spotmatic-Repair-Manual-778322 pentax-spotmatic-repair-manual-778322
Spotmatic - Repair Manual asa_spotmatic-rm-ENG Free User Guide for Pentax Camera, Manual - page1
2015-07-27
: Asahi-Pentax Asahi-Pentax-Spotmatic-Repair-Manual-774334 asahi-pentax-spotmatic-repair-manual-774334 asahi-pentax pdf
Open the PDF directly: View PDF
.
Page Count: 51

PRODUCT NO.23102
ASAHI PENTAX SPOTMATIC
23102 Page 1
TABLE OF CONTENTS
Page
INTRODUCTION 2
ASSEMBLY AND ADJUSTMENT OVERVIEW 3
1. ASSEMBLY AND ADJUSTMENT OF SHUTTER AND FILM TRANSPORT MECHANISM
a. Shutter Curtains 4
b. Parallel Adjustment of Shutter Curtain Edges 6
c. Assembly and Adjustment of Selector Gear Parts 6
d. Assembly and Adjustment of Film Transport Mechanism 9
e. Assembly and Adjustment of Intermediate Gear Parts 10
f. Assembly and Adjustment of Selector Gear Mechanism 13
g. Assembly and Adjustment of Counter Dial Mechanism 18
h. Assembly and Adjustment of Rapid Wind Lever Seat 19
2. MIRROR HOUSING
a. Points to be borne in mind when making adjustment 20
b. Installation of Mirror Housing to Body Proper 23
3. ASSEMBLY AND ADJUSTMENT OF COUPLER GEAR PARTS 24
4. ADJUSTMENT OF SHUTTER ACTUATOR PLATE B (05140) 26
5. ASSEMBLY AND ADJUSTMENT OF X SYNCHRO CONTACT 27
6. ADJUSTMENT OF SHUTTER EXPOSURE TIMING
a. Adjustment of Bounce Stopper Mechanism 27
b. Adjustment of Shutter Curtain Speed 27
c. Adjustment of High Speed Exposure Timing (1/60 sec-1/1000 sec) 28
d. Adjustment of Slow Speed Exposure Timing (1 sec-1/30 sec) 29
e. Bonding of Parts for Adjustment Purposes 30
f. Irregularity of Exposure Timing 30
g. Adjustment of Exposure Timing at Various Positions
of Picture Format 30
7. ADJUSTMENT OF SYNCHRO CONTACT MECHANISM
a. Adjustment of Time Lag at X Contact 31
b. Adjustment of Time Lag at PP Contact 32
8. ASSEMBLY AND ADJUSTMENT OF SELF-TIMER 32
ADDENDUM: Exposure meter troubleshooting and repair 33
SERVICE MEMORANDUM 1: Ammmeter installation and adjustment 35
SERVICE MEMORANDUM 2: Reflex mirrot problems 37
23102 Page 2
INTRODUCTION
This Service Manual is prepared for servicing Product No. 23102-Asahi Pentax Spotmatic Camera-which is an
improved model of Product No. 231. While no marked basic changes exist between Product No. 23102 and Product
No. 231, changes mostly pertain to the following mechanical structures
Sprocket Parts
Mechanical Parts on Mirror Housing of Wind-Up Shaft Side
A Part of Exposure Meter, and
Other Minor Parts
Consequently, with the exception of the aforementioned parts, this Service Manual will also apply to Product No.
231.
Classification of Parts Numbers of Product No. 23102
Parts Number is composed of five figures. Of the five figures, the first two denote the mechanical structures which
are classified as follows
01 Cover Plates and Back Cover
02 Mirror Housing and Prism Seat
03 Film Winding Mechanism
04 Film Rewinding Mechanism
05 Shutter Mechanism
06 Slow Speed Shutter Mechanism
07 Slow Speed Governor
08 Self-Timer Governor
10 Exposure Meter Mechanism
12 Optical Parts
23102 Page 3
ASSEMBLY AND ADJUSTMENT
Note: Before assembling, disassembled parts need a careful washing and/or dusting with either a piece of cloth
or a blower. General rules are summarized below:
Parts equipped with rotating shafts and/or shaft bearings should be thoroughly washed with high quality
gasoline or benzine. Especially, the parts lubricated with “L” lubricants need careful washing and drying.
However, the pipes containing curtain springs and governor assembly should never be immersed in
cleaning liquid for washing purposes.
Exposed plated and anodized parts should be throughly wiped either with a brush or with a clean piece of
cloth. When stains are found, lightly wipe off the stained parts with a clean piece of cloth soaked with
liquid composed of ether and alcohol at the ratio of 60% and 40%.
Painted parts need only be lightly dusted with a brush. Stains on the outer surface of black-finished
cameras should be wiped either with a silicon cloth (similar to the one usually used for wiping glasses and
is readily available on the market) or with the aforementioned liquid (60% ether and 40% alcohol). Wipe
them very lightly so as not to erase the engraved white letters.
For wiping optical elements, mixed liquid comprising 70% ether and 30% alcohol should be used. For this
purpose, a clean piece of cotton or hemp cloth, properly washed beforehand and entirely devoid of starch,
or a piece of soft paper is recommended.
For wiping plastic parts (such as Fresnel and ground glass), use mixed liquid composed of 50% ether and
50% alcohol, which gives satisfactory results.
Stained mirror surface should be wiped very lightly with a piece of cloth soaked with mixed liquid
composed of alcohol and ether.
Ammeters, CdS cells, variable resistors and semi-fixed resistors should never be washed.
It is of utmost importance to observe the right kind of lubricants, lubricating positions and lubricant
quantity. Lubrication should be in strict accordance with the attached list of lube oils, as wrong use of oil
will invariably result in malfunctioning of various parts and may cause defects.
23102 Page 4
1. Assembly and Adjustment of Shutter and Film Transport Mechanism
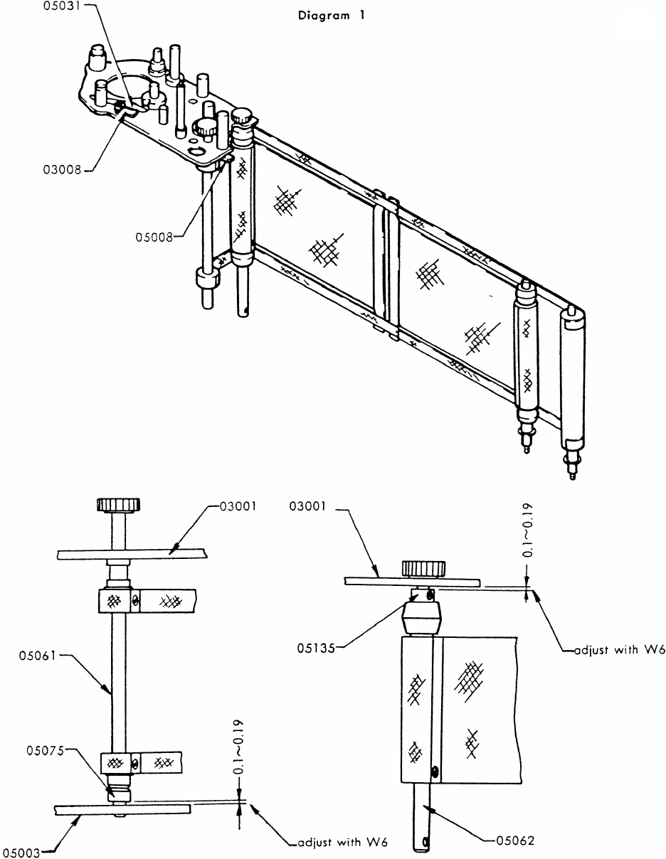
a. SHUTTER CURTAINS
Insert the 2nd curtain pinion shaft (05062) and pinion shaft collar (05135), one after another, into the top
mec. plate (03001), and retain (05135) with the pinion shaft collar retainer screw (05136).
Check if the clearance between the pinion shaft collar (05135) and the top mec. plate (03001) along the shaft
direction is adequate. The pinion shaft will not rotate smoothly without an adequate clearance. Adjustment of
the clearance should be made with (W6) washers.
Ease the pinion shaft collar retainer screw (05136). Shift the pinion shaft collar (05135) downward. Apply
(L-1) lubricant between (05062) and (03001) and then fix (05135) at its original position.
Fix the bottom shaft rest assembly (05003) to the body proper (01001) with the mec. plate retainer screw
(03072) and screw (SM 1.7 x 2.5).
Insert the 1st curtain pinion shaft (05061) into the top mec. plate (03001). Insert the curtain shaft collar D
(05076) and two 1st curtain wind shafts (05066) into (05061), and fix (05066) to (05061) with two pinion
shaft retainer screws (05102).
Insert the 1st curtain roller (05067) and then the 2nd curtain wind shaft (05065), around which the 2nd shutter
curtain is glued, to (05062), and fix (05065) to (05062) with one of the pinion shaft retainer screws (05102).
Insert the curtain shaft collar C (05075) into (05061), and (05067) and (05076) into (05062), respectively.
Install the bottom ends of (05061) and (05062) into the respective holes of (05003), assemble (03001) with
(01001), and retain (03072) with screw (FM 1.7 x 3).
Check if the clearance of the 1st curtain pinion shaft (05061) along the shaft direction is adequate. Adjustment
of the clearance should be made with (W6) washers, putting them between (05003) and (05075).
Insert two 2nd curtain rollers (05068) and one curtain shaft collar A (05073) into the 1st curtain spring shaft
(05059) to which the 1st curtain is fixed. Insert the other curtain shaft collar A (05073) into the 2nd curtain
spring shaft (05060) to which the 2nd curtain is fixed.
Insert (05059) and (05060) to the respective holes of (01001), and install the curtain shaft seat (05001) in
(05059) and (05060) through the bottom of (01001), and retain (05001) with three small screws
(SM 1.7 x 3).
Screw one worm wheel (05040) to (05059) and another to (05060).
Slowly rotate (05040) counter-clockwise 2 or 3 times with a screw-driver to tension the curtain springs. Install
the worm (05041) in the hole of (05001) and gear it with (05040). Lightly screw two set screws (Set T 1.4 x 2)
in (05001).
Final adjustment of the curtain spring tension should be made when adjusting the curtain travel speed
mentioned elsewhere.

23102 Page 5

23102 Page 6
b. PARALLEL ADJUSTMENT OF SHUTTER CURTAIN EDGES
With the special tool 231K-E35-A, check if the 1st and 2nd shutter curtain edges (05023) are completely in
parallel with each other at the center of the picture format. Also check if the edges (05023) are in parallel with
the vertical lines of the frame of the format.
If not in parallel, peel off either one of the 1st or 2nd curtain ribbons (05126) and (05127), and re-glue it
correctly so that the edges are in complete parallel with each other.
Note: When the shutter curtains are replaced, first install the pinions (0-05061) and (0-05062) in the
camera body, and then glue the curtain ribbons (05126 & 05127), making sure that the curtain
edges (05023) are completely paralleled.
c. ASSEMBLY AND ADJUSTMENT OF SELECTOR GEAR PARTS
The relative position of the shutter curtains and the bottom selector gear (0-05036) should be determined after
assembling (0-05036) with the high speed lever (0-05005), by gearing the 2nd curtain pinion (05038) with the
bottom selector gear (0-05036), in the wound condition of the shutter curtains as illustrated in Diagram 3. The
relative position of the 2nd curtain edge (05023) to the vertical lines of the frame of the picture format of the
body proper (01001) should be checked with the special tool 231K-A01, E23-A.
Apply “L-1” lubricant on (0-05036) and (0-05062).
Note: When resetting the shutter curtains to the uncocked position, do it slowly.

23102 Page 7
Insert the top selector gear (0-05035) into the selector gear shaft bearing (05043). As illustrated in Diagram 4,
engage the top selector gear (0-05035) with the 1st curtain pinion (05038) so that the top selector gear stud
(05085) of the top selector gear (05035) makes contact with the bottom selector gear retainer plate A (05012)
of the bottom selector gear (0-05036).
Overlapping of the 1st and 2nd shutter curtain edges should be adjusted as illustrated in Diagram 5.

23102 Page 8
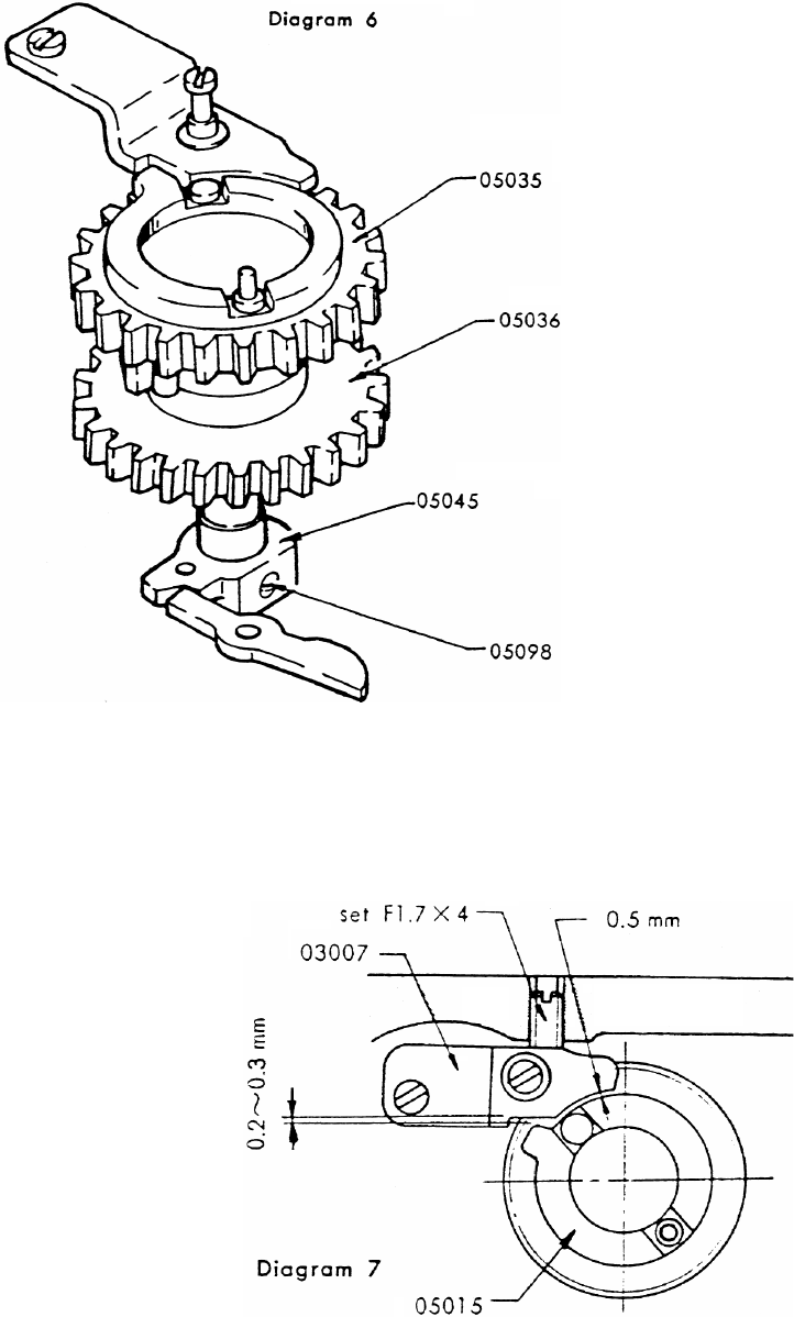
Assemble the top speed selector retainer (0-05045) and the shaft of (0-05035) with particular attention not to
change the relative position of the top selector gear (0-05035) to (0-05036), and retain it with the selector gear
shaft retainer screw (05098). This can be done easily when the shutter is not cocked. (Diagram 6)
Affix the counter dial actuator lever (0-03018) to the countor dial actuator lever shaft (03059), and the top 2nd
gear (0-03024) to the top 2nd gear shaft (03041). Set the shutter curtains in the wound condition, and affix the
stopper (03007) at a position where there is a clearance of approx. 0.2-0.3 mm between the stopper and the
projected part of the top selector gear retainer plate (05015) and where there is a clearance of approx. 0.2 mm
between the stopper and the outer periphery of (05015). After fixing (03007), turn the screw (Set F 1.7 x 4) on
the back of the body proper (01001) until it reaches the side of (03007).
Note: Do not force the screw
(Set F 1.7 x 4) against (03007).
Bond the screw with red
lacquer through the back of the
body proper (01001).

23102 Page 9
d. ASSEMBLY AND ADJUSTMENT OF FILM TRANSPORT MECHANISM
First, put the sprocket collar (03058) and (W 30) onto the sprocket (03057-2) using grease G-1, the former at
its top and the latter at its bottom. Install them in the body proper (01001). Then set (LW 13), (W 28), clutch
ring (03095), speed dial knob retainer screw (05100) and sprocket spring (03089) onto the sprocket shaft
(03054-2). Insert this assembled parts into the aforementioned sprocket (03057-2) through the bottom of the
body proper (01001), and fix the bottom mech. plate (03002) onto (01001).
Fasten the sprocket (03057-2) from its side with the sprocket retainer screw (03055-2), assuring that the tip of
the screw go right into the long slot of (03095).
While pushing the sprocket shaft (03054-2) from its bottom, rotate (03057-2) with your fingertip to check if it
functions smoothly. Then push (03054-2) again from its bottom and rotate (03057-2) several times with your
finger, after which lift your finger to check if (03054-2) remains recessed by dint of the functioning of the
clutch but satisfactorily reverts itself to its original position once (03057-2) is again rotated.
Assemble the spool (03009), top take-up spool brim (03010) and bottom take-up spool brim (03011) in one
body, and install it in the spool chamber of the body proper (01001). Drop the wind-up shaft (03042) into the
body proper (01001) through its upper hole and affix the wind-up shaft bearing (03043) to the body proper
(01001) with small screw (SM 1.7 x 3.5) through the top mec. plate (03001).
With the special tool 231 K-C 27-A, screw the bottom main gear (03027) clockwise onto the wind-up shaft
(03042) through the bottom of (01001). When doing so, see to it that the wind-up shaft (03042) is retained
intact with the special tool 231 K-C 27-A so that it will not rotate.
While holding (03027) steadily with the
special tool 231 K-C 26-A, fasten the top
main gear (03026), turning it clockwise
with the special tool 231 K-C 23-A.
Note: Do not under any circumstances
turn and fasten the bottom main
gear (03027).

23102 Page 10
Slightly rotate the top main gear retainer screw (03044) clockwise with a screwdriver, and ease the force of
your driver-holding hand, at which determine if the bottom main gear (03026) will revert itself steadily, say,
by 2 or 3 cogs of the gear.
As explained in paragraph……of the Disassembly section, when the wind-up shaft parts are replaced, adjust
the torque of the spool with (W 17) washers by carefully comparing it with the torque of the spooi of another
Spotrnatic in good working order.
e. ASSEMBLY AND ADJUSTMENT OF INTERMEDIATE GEAR PARTS
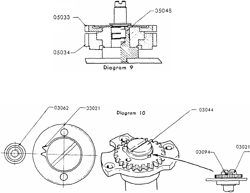
Note Lubricate the intermediate gear shaft (05048) very slightly. If oiled excessively, it will invariably result
in irregularity of the shutter speed. Do not lubricate the top intermediate gear (05033) or the bottom
intermediate gear (05034).
Set the shutter curtain in the wound condition with the special tool 231 K-E 15-A. Turn the top main gear
retainer screw (03044) with a screwdriver to position the teeth of the counter actuator dial (03021) as
illustrated in Diagram 10.
Paying attention not to move the wind-up shaft (03042), assemble the bottom intermediate gear (05034) with
(05048) so that the square hole of (05034) will fit the square groove of the intermediate gear shaft (05048),
and the top 3rd gear (C 25) will engage with (05034) and the top main gear (C 26).
Turn the non-return arm (03008) clockwise with the tip of tweezers, and check if (03008) is in contact with the
side of the bottom part of the bottom intermediate gear (05034).

23102 Page 11
By holding the bottom intermediate gear (05034) to prevent it from floating, turn the top main gear retainer
screw (03044) clockwise with a screw-driver until the tip of the non-return arm (03008) drops into the bottom
groove of the bottom intermediate gear (05034).
When the force of the screwdriver is eased, the bottom intermediate gear (05034) slightly revolves clockwise
with the reversing strength of the wind-up shaft (03042) and stops when it hits the non-return arm (03008).
Carefully install the spill (05030) in the square hole of the bottom intermediate gear
(05034).
Note: Be careful not to install the spill upside down.
Slowly press the spill with the tip of tweezers to check if the spill goes up and down smoothly with the tension
of the spill spring (05031). Then install the top intermediate gear (05033), placing it on (05034).

23102 Page 12
If the groove of (05033), after installation, cannot be properly positioned even though the engaging position of
the gear is changed, the groove of (05033) needs adjustment by filing with a fine file.
Place the spill recepctacle plate (05032) on the top intermediate gear (05033), and screw the intermediate gear
retainer screw (05092-1) onto the intermediate gear shaft (05048).
Pressing down the spill (05030) with the tip of tweezers, turn the 1st curtain checker arm (05008) counter-
clockwise as viewed from the top of the body proper, and release the shutter.
Check if the spiil (05030) reverts itself to its original position when the force on the spill (05030) is slowly
eased. Cock the shutter again, and repeat this to determine if the spill (05030) moves up and down smoothly.

23102 Page 13
f. ASSEMBLY AND ADJUSTMENT OF SELECTOR GEAR MECHANISM
(1) Assembly of high Speed Lever Parts
After cocking the shutter, fix the bulb lever (05007) to the bulb lever shaft (05050). If the tip of the
bulb lever (05007) hits the selector gear bottom retainer plate (05012), grind the tip of (05007) with a
grindstone.
Assemble the high speed lever (0-05005) with the bulb lever (05007), and insert them again into
(05050). Hook the high speed lever spring (05120) on the indicator seat (05104) and screw the bulb
lever nut (05103) onto (05050). Check with the tip of tweezers if both parts (0-05005 & 05007) move
smoothly.
(2) Assembly and Adjustment of Shutter Rod
Assemble the shutter rod spring (05117-1) and the shutter rod (05051) which is calked to the release
plate (05004). Insert the shutter rod (05051) into the hole of (03001) through the top of (01001) and
also into the lower hole of (01001). At the same time, arrange the intermediate gear retainer screw
(05092) to get into the hole of (05004).
Fix an (LW 10) washer to the lower part of (05051) through the bottom part of (01001). From the front
of (05051), .fasten the shutter actuator plate (05022) with two shutter actuator plate retainer serews
(05088).
Adjustment of (05022) should be made after the mirror housing has been assembled into the body
proper (01001). The difference in height between the selector gear retainer plate B (05013) and the
bulb lever (05007) must not exceed 1/3 of the thickness of the plate (05013).
When the 1st curtain checker arm (05008) is released after cocking the shutter, (05013) slightly rotates
and stops by colliding against the bulb lever (05007). If the bulb lever (05007) is slowly turned
counter-clockwise with the tip of tweezers, it should be removed smoothly from (05013).
Note: Remember to prevent the lubricant on the high speed lever (05005) from spreading over the gear parts.
(3) Assembly and Adjustment of Bounce Stopper Mechanism
First, temporarily fasten the bounce stopper adjust screw (05109) to the back of the body proper.
Ratain the bounce stopper lever (05010) together with (W 31) with the bounce stopper screw (05101).
The tip of the arm (05010) should not have such up-and-down clearance as to get loose from the head
of (05109). If necessary, adjust the clearance with (W 27) washers.

23102 Page 14
(05010) should not touch the upper part of the top selector gear (05035).
(4) Assembly and Adjustment of the "cocked" Indicator
The "cocked" indicator (05029) must be placed between the high speed cam (05219 or 05319) and the
top selector gear retainer plate (05015). Adjustment in this connection should be made by properly
bending (05029) with tweezers. Contact of (05029) with either (05019) or (05015) results in
irregularity of shutter speeds.
(5) Assembly and Adjustment of Speed Selector Disc
Affix the bulb cam (05021) and the pallet release cam (05057) to the slow speed cam (05020) with two
screws (SM 1.4 x 2.0).
Insert (05057) into the lower part of the speed selector disc shaft (05042—2) of the shutter rest
(05002), the speed selector disc (05058—2) through its upper part, and fasten them with two screws
(REM 1.7 x 3.5).

23102 Page 15
(6) Assembly of Shutter Rest Plate
Cock the shutter. Assemble the governor actuator rod spring (06015) and the governor actuator rod
(06008), and insert them to the hole of the bottom shaft rest (05003).
Assemble the pallet release rod (06009), the pallet release lever collar (06010) and the pallet release
lever top B (06006), and insert them into the hole of the bottom shaft rest (05005) as in the case of
(06008). Leave the screw (Set T 1.4 x 2.5) of (06010) loosened.
Apply a small quantity of “L-1 “ lubricant in the hole of the pallet release cam (05057) and on the high
speed cam shaft (05047). Fix the long hole of the high speed cam (05019) onto the selector pin
(05078). Without moving the high speed cam shaft (05047), match the hole of the pallet release cam
(05057) of (05002) with (05047), and then place (05002) on the shutter rest column (03033) and
(01001). At the same time, insert the upper end of the governor actuator rod (06008) into the hole of
the bottom slow speed lever (06002), and then put the upper end of the pallet release rod (06009) into
the hole of (05002).
Fasten (05002) to the body proper (01001) with two screws (SM 1.7 x 3.0), and fix (05002) to the
shutter rest column (03033) with the shutter rest retainer screw (05130).
Move the high speed cam (05019) up and down with tweezers. Adjust the tolerance for this up-and-
down movement between 0.2 mm and 0.3 mm by placing washers (W 6) onto the high speed cam shaft
(05047).

23102 Page 16
Two types of the high speed cam, (05219) and (05319), are available for critical adjustment of the
shutter speed. Refer to Chapter 5, b. for use of these two cams.
Apply “L-1” lubricant between (06008) and (06009); and between (05002), (05003) and (06002).
(7) Assembly and Adjustment of Slow Speed Governor.
Match the groove of the fan-shaped gear (07009) of the slow speed governor (0-07001) with the
governor actuator stud (07011), and affix (0-07001) to the body proper (01001) with two screws (FM
1.4 x 2.0). Apply a small quantity of “L-4” lube between (06011) and (07009). Cock the shutter at 1/15
or 1/30 sec.
Push the pallet switch lever (07004) in front of the slow speed governor to the right as viewed from the
body front. When (G 04) is hit with the pallet release lever bottom (06007), it moves to the right, and
the pallet (07003) is separated from the star wheel (07008). At this point, turn (06006) and (06010)
clockwise, and the tip of (06006) hits the protruded part of (05057). Pressing down the tip of (06006)
onto (05057), fasten it with two set screws (Set 1. 1.4 x 2.5).
Release the shutter at a speed slower than 1/30 sec. When the fan-shaped gear returns, (07003) must
separate itself completely from (07008).

23102 Page 17
If set screws (Set T. 1.4 ‘x 2.5) are not properly fastened, (07003) may. hit (07008). Bond the set screw
(Set T. 1.4 x 2.5) with Screw Lock bond.

23102 Page 18
g. ASSEMBLY AND ADJUSTMENT OF COUNTER DIAL MECHANISM
Insert the counter dial coupler lever shaft (03062) into the counter dial coupler lever (03017) to which fix
washer (W 8), counter dial ratchet (03219, 03319 or 03419), counter dial ratchet spring (03082) and counter
dial coupler lever collar (03063), in this order.
Holding down (03063) with a screw-driver, hook (03082) on the counter dial ratchet stud (03077) of (03219,
03319 or 03419) with tweezers.
With the tip of tweezers, rotate (03017). It should move smoothly. Keep holding down (03063), slowly rotate
(03044) clockwise with another screw-driver, and one of the two cogs of the counter dial actuator (03021)
starts gearing with the counter dial 1st gear (03030).
It is important that the two gears engage smoothly. If the gearing of the cogs is unsatisfactory, replace counter
dial ratchet with a new one with proper size. For adjusting purposes, counter dial ratchet is available in three
different sizes: (03219), (03319) and (03419).
While still holding down (03063), install the counter dial actuator lever collar (03060) and the counter dial
actuator lever spring (03083) on the counter dial actuator lever shaft (03059). For easier installation, assemble
(03059) and (03083) together before hand. Place the end of (03083) into a small concave inside the body
proper.

23102 Page 19
Slowly ease the force of the screwdriver holding down (03063). Do not free the screwdriver suddenly, or the
parts will flip up with the tension of the counter ratchet spring (03082).
Insert the rapid wind lever shaft (03039) into the counter dial 3rd gear (03032), and place this assembly on the
counter dial actuator lever shaft (C 59), the counter dial coupler lever shaft (03062) and the rapid wind lever
shaft seat (03064), and retain them with one rapid wind lever retainer screw (03073) and two small screws
(SM 1.7 x 3.5).
With tweezers, turn the tip of (03032), protruding from the upper end of (03039), counter-clockwise as far as
it goes. While checking through the hole of (03039) the proper gearing condition of the cogs of (03032) with
the counter dial 2nd gear (03031), slowly insert the edge of the back-cover into the groove of the body proper.
If the cogs are not gearing smoothly with (03031),
replace (03019) with one of a different size for re-
adjustment. After replacement of (03019), check
again if (03021) engages properly with (03030).
Cock the shutter by turning (03039) counter-
clockwise with the special tool 231K-C22-A.
Viewing through the hole of (03039), check if the
engaged (03031) and (03032) advance by one
notch with each shutter cocking. This confirms
whether the counter dial travels by one notch with
each shutter cocking.
h. ASSEMBLY AND ADJUSTMENT OF RAPID
WIND LEVER SEAT
The top 1st gear (03022) requires no adjustment
for positioning. Simply install it on (03039), and
engage it with the top 2nd gear (03024).
Fix the spring (03080) and two rapid wind ratchet springs (03084) to the rapid wind lever shaft (03034) in
advance. Wind the spring (03080) around (03034), and hold it with your fingers. If (03084) is left simply
hooked on the wind-up ratchet (03005), (03005) will invariably start turning towards the centre of (03034). To
prevent this, (03005) must be positioned as illustrated in Diagram 26.
Slowly insert (03039) into (03034) and put one end of
(03080) onto the strap hook retainer screw (01054).
Hold (03034) with your finger to prevent its reverse
rotation with the tension of (03080). Insert (03084) into
the groove of (03005). (03005) automatically engages
with the wind-up ratchet wheel (03023) with the spring
tension. When one tip of (03005) is engaged with
(03023), the other tip should be between the cogs of
(03023). This permits many sectional cockings for film
advance and shutter cocking. See that the outside of
(03080) is slightly in contact with the inside of the body
proper when the notch “A” at the upper part of (03034)
is positioned towards the lever stopper (03004) as
illustrated in Diagram 27.

23102 Page 20
Install the rapid wind lever (03003) onto (03034) and fasten it with the special tool 231 K-C 03-A.
When (03003) is cocked with one single stroke, the part “B” of (03034) must not hit (03004), however, it may
hit (03034) in sectional cocking.
2. Mirror Housing
a. POINTS TO BE BORNE IN MIND WHEN MAKING ADJUSTMENT
Assembly of the mirror housing is comparatively easy. Consequently, only the points that should be borne in
mind when fixing and/or adjusting the parts are summarized below:
(1) When bonding the ground glass frame B (02109) to the mirror housing (02002), see to it that it is tightly
and securely bonded with Pliobond on the shelf of the mirror housing (02002). If incorrectly bonded it
may float or drift from the shelf and cause focus error.

23102 Page 21
(2) When fixing the mirror seat assembly (0-02009) to the mirror housing (02002), the “A” part of the hinge
cover (02011) as shown in the following diagram should not protrude or sink itself from the back of
(02002), namely, the “B” part as illustrated in diagram 29, as the shutter curtains may jam with the “A”
part. Adjust (02011) correctly with pliers, where required.
(3) When replacing the mirror seat assembly (0-02009) with a new one, check to see whether the mirror seat
(02009) is in a twisted condition when it is down. When found twisted, adjust to keep it in a proper
shape with your finger.
(4) The mirror seat rest (02043) constitutes a cam. It is adjusted to maintain 45° at all times when the mirror
seat is down as illustrated below. Do not loosen the screw of (02043).
(5) When replacing the mirror actuator lever (02110) or mirror actuator lever top assembly (0-02018) with
a new one, be sure to check that the mirror seat flips up satisfactorily and also that the extreme end of
the shutter curtain actuator lever (02020) is properly positioned.
First, rotate the hook plate (02014) counter-clockwise. Also rotate the lowest end of the mirror actuator
lever bottom (02019) counter-clockwise, and the mirror seat will start flipping up. At the instant the “A”
part of (02019) as illustrated in the following diagram is about to leave the mirror actuator lever spring

23102 Page 22
hanger A (02041) which is calked to (02018), give a stop to (02019). When thus stopped, the left side of
the tip of (02020) should be positioned along with the scribed line on the side of the mirror housing
(02002) or slightly more to the side of the picture-format than the scribed line. At the same time, the
upper end of the tip of the mirror seat should hit on the bottom surface of the shelf of (02002).
If the aforementioned process does not take place as described, file away the “A” part of (02110) as
illustrated below to facilitate satisfactory functioning. Care must be exercised to file away evenly in
parallel with the surface that existed before attempting to file away.

23102 Page 23
(6) When the hook release lever (02087) is
replaced with a new one, try to flip up the
mirror seat quietly with your finger to
check if (02087) will hit against the side of
the mirror seat prior to hitting on the hook
release stud A (02089). If it hits, file away
(02087) for adjustment.
(7) Check and maintain a proper clearance of
such parts as the mirror actuator lever top
(02018), mirror actuator lever bottom
(02019) and actuator lever A.
(02085) and dia actuator lever B (02086) in the shaft direction with use of washers. The dia actuator lever
A (02085) should be devoid of curvature as the side of the synchro seat (02026) serves as its stopper.
b. INSTALLTION OF MIRROR HOUSING TO BODY PROPER
Install the assembled mirror housing onto the body proper (01001) by screwing it with two mirror housing
retainer screws (02053) through the upper part of the body proper and with two screws, one (FM 1.7 x 3.5)
and one (SM 1.7 x 3.5), through the bottom part of (01001).

23102 Page 24
3. Assembly and Adjustment of Coupler Gear Parts
Install the coupler pinion (05039) on the 2nd curtain pinion shaft (05062), and fasten it with the coupler pinion
screw (05112) with a screwdriver inserted through the cut at the back of the body proper. Rotate (05039) to
such an extent as to facilitate this fastening while winding the wind-up lever.
Assemble the coupler gear (05031) after cocking the shutter.
When fastening (05037) to the body proper (01001) with the coupler gear retainer screw (05105), gear
(05037) with (05039), paying attention to the coupler gear stud (05113) so that it is positioned on the line
where (05105) and the pallet release rod assembly (06009) are joined.
Set the pinion coupler lever spring (05121) on the pinion coupler lever collar (05142) which is riveted to the
pinion coupler lever (05009), and set (05142) on the pinion coupler lever seat (05108). While setting it, hang
one end of (05121) on the coupler lever spring hanger (05096) and the other end on (05009). The clearance of
the tip of (05009) along the shaft direction should be such that the tip of (05009) does not get loose from the
coupler gear stud (05113) but does not contact (05037).
Insert LW13 onto (05108).
Fix the coupler lever pin adjust seat (0-03212) to the bottom main gear (03027) which is screwed into the
wind-up shaft (03042) at its bottom, then place the coupler lever pin retainer plate (03096) on it, and fasten
them with a screw (FM 2 x 3.5).
The part of (03042) where the long slit of (03212) should be fixed is as illustrated in Diagram 35, but
remember that when fixing (0-03212), the coupler lever pin-(03047) must be positioned as shown in Diagram
35 without fail. For this purpose, five types of (0-03212) are provided, each with varied angle of the long slit
to facilitate proper functioning.

23102 Page 25
Fix the coupler lever (03013) and the coupler lever washer (03015) to the coupler lever shaft (03048). Insert
one end of the mirror restitution spring (02066) into the hole of the mirror actuator lever bottom (02019), and
put it on (03015). Fasten (03013) and (03015) with the coupler lever retainer screw (03049). Hook the other
end of (02066) on (03013).

23102 Page 26
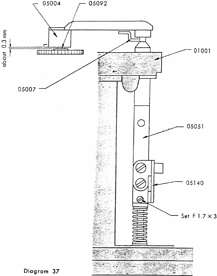
4. Adjustment of Shutter Actuator Plate B (05140)
Timing in falling down of the shutter rod (05051) and flipping up of the mirror varies depending on how you
adjust the shutter actuator plate B (05140) with set screw (Set F 1.7 x 3). Adjust to assure that the mirror seat
(02009) flips up the instant the shutter rod (05051) is shifted, during its course of being pressed down, from its
upper tapered part to its narrow straight part where it meet with the bulb lever (05007).
At the instant the mirror seat (02009) flips up, there should be a clearance of approx. 0.3 mm between the
under-surface of the release plate (05004) and the upper surface of the collar of the intermediate gear retainer
screw (05092). Consequently, (05004) drops farther by approx. 0.3 mm the moment the mirror seat flips up. If
the clearance is found excessively bigger or smaller than the limit of 0.3 mm, adjust the shutter actuator plate
B (05140) again.

23102 Page 27
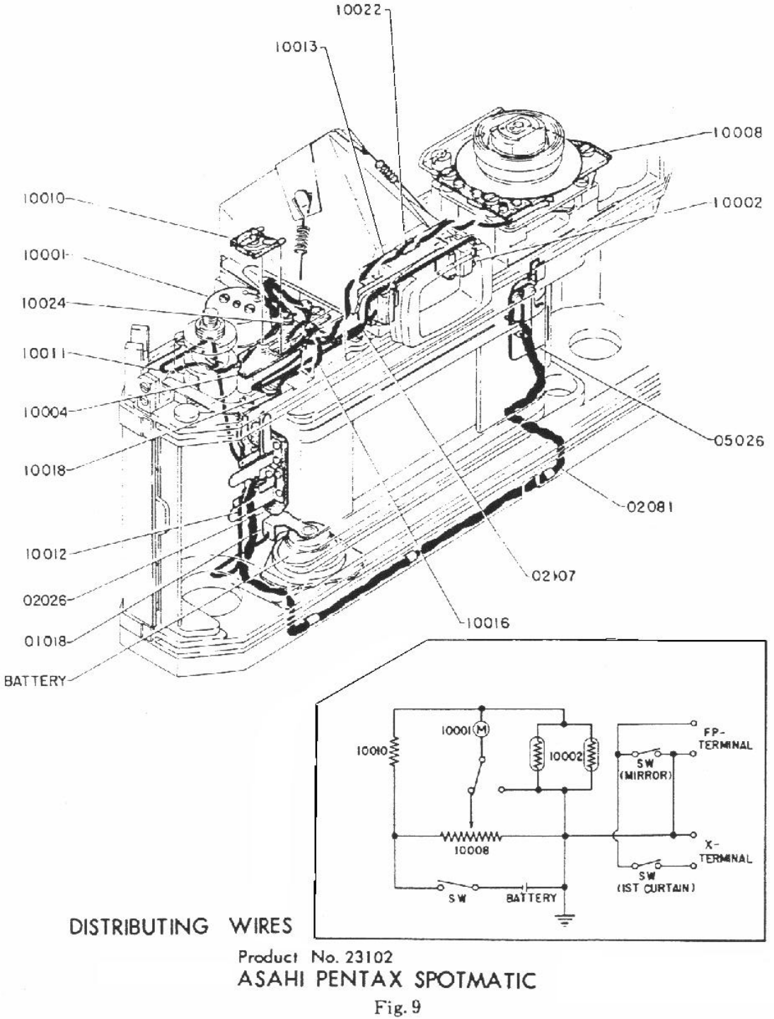
5. Assembly and Adjustment of X Synchro Contact
Fasten the X contact seat assembly (05026) onto the body proper (01001) with two screws (FM 1.7 x 2.5).
Insert two synchro cords (02081) through the bottom hole of (01001), solder one cord at the FP contact piece
B (02024) and the other at the F? contact piece C (02025).
6. Adjustment of Shutter Exposure Timing
a. ADJUSTMENT OF BOUNCE STOPPER MECHANISM
Set the shutter speed selector disc (05058) at “B”, and place the camera on the seat of the shutter speed tester
with the edge of the picture format on the side of the cassette chamber of the camera against the outer side of
the last slit of the tester. While holding down the camera, set the speed selector disc (05058) at 1/60 sec.
Measure the exposure timing at 1/60 sec. (16.7 ms). Since the bounce of the 1st shutter curtain has not as yet
been properly adjusted at this stage, the exposure timing at the end of the picture format is generally registered
much faster than at the start or at the centre of the picture format.
Slightly turn the bounce stopper adjust screw (05109) clockwise through the back of the camera body. Repeat
this until the exposure timing at the end is adjusted to be equal to that of the start or at the centre of the picture
format.
Seal (05109) with red lacquer, applying it through the back of the camera body.
With considerable servicing skill, shutter bounce may be detected with unaided eyes without depending on a
tester. In this event, the camera is to be pointed against a bright plane, such as a white wall, and the curtain
travel is visually checked through the camera back.
b. ADJUSTMENT OF SHUTTER CURTAIN SPEED
In this model, the speed of the shutter curtain travel over the picture format (36 mm) is adjusted to be 14±0.3
ms approximately at 20°C. However, when our company-recommended shutter speed tester of a digital
computer-type is used, it should be adjusted to be 12.5±0.3 ins, as the slits at both ends of this tester are
located 2mm inward from the edge of the camera’s picture format.

23102 Page 28
Adjust the travel speed of the 1st curtain to be faster than that of the 2nd curtain by 0.05 - 0.1 ms.
Adjust it as follows
(1) Place the speed dial (05044) on the speed selector disc (05058) and set the speed dial at 1/1000 sec.
(2) Measure the curtain travel speed.
(3) Ease the two set screws (Set T 1.4 x 2) and rotate the worm (05041) clockwise to increase the shutter
curtain travel speed; and counter-clockwise to slow it down. When (05041) is turned clockwise,
slightly turn it counter-clockwise afterward.
(4) Fasten the two set
screws
(set T 1.4 x 2).
(5) Re-check the curtain
travel speed.
c. ADJUSTMENT OF HIGH SPEED EXPOSURE TIMING (1/60 sec.—1/000 sec.)
(1) Measure the speed at 1; 1000 sec. (1 ms).
(2) Ease the adjust nut (05111) with the special tool 225 K-F 48-A.
Rotate the set screw (Set T 1.4 x 2.5) clockwise to increase the exposure timing; and counter-
clockwise to slow it down. Fasten (05111).
(3) Re-check the speed at 1/1000 sec.
At this stage, re-measure the curtain travel speed as explained in paragraph 5, b. If the travel speed is
not within the tolerance, re-adjust it.
(4) Check the speed at 1/125 sec. (8 ms).
(5) If the speed is not within tolerance, adjust it as per 2) above.

23102 Page 29
(6) Re-check the speeds at 1/1000 sec. and 1/125 sec. respectively.
If the speed either at 1,/1000 sec. or
1/125 sec. is out of tolerance, replace
the high speed cam (05219 or 05319).
Two types of the high speed cam,
(05219) and (05319), are available for
adjusting purposes.
The two types of the cam differ in
shape. (05219) is designed for
increasing the exposure timing at
1/1000 see, while (05319) is designed
to slow it down.
(7) Test and determine the exposure timing at five different shutter speed settings, viz., 1/1000 see. (1
ms), 1/500 see. (2 ms), 1/250 see. (4 ms), 1/125 see. (8 ms) and 1/60 see. (16.7 ms), respectively.
If the exposure timing at 1/1000 sec. and 1/125 sec. is found to be within tolerance, the exposure
timing at each of the other three shutter speed settings is automatically adjusted within tolerance.
d. ADJUSTMENT OF SLOW SPEED EXPOSURE TIMING (1 sec. - 1/30 sec.)
(1) Measure the speed at 1/30 sec. (33.3 ms).
(2) Ease the adjust nut (05111), with the special tool 225 K-E 48-A.
Rotate the set screw (Set T 1.4 x 2.5) clockwise to slow down the exposure timing; and counter-
clockwise to increase it. After adjustment, fasten (05111).
(3) Re-check the speed at 1/30 sec.
(4) Measure the speed at 1/8 sec. (125 ms).
(5) If the timing at 1/8 sec. is out of tolerance, adjust as per (2) above.
(6) Re-measure the timing at 1/30
sec. and 1/8 sec. respectively. By
repeating the measurement and
adjustment, adjust the timing
within tolerance.
Once the exposure timing at the above
two shutter speed settings has been
correctly adjusted, correct exposure
timing at the other speeds, 1/15 sec.
(66.7 ms), 1/4 sec. (250 ms), 1/2 sec.
(500 ms) and 1 sec. (1000 ms), may be
automatically obtained by means of
the function of the slow speed cam
(05020).
23102 Page 30
e. BONDING OF ADJUSTING PARTS
After adjustment of the high and slow speed exposure timing, bond the undermentioned parts with red lacquer
to prevent possible loosening by vibration, etc.
High speed lever adjust nuts (05111) 2
Bounce stopper adjust screw (05109) 1
Set screw (Set T1.4 x 2) for curtain shaft rest 2
f. INCONSISTENCY OF EXPOSURE TIMING
If the exposure timing at the same speed setting differs after each shutter release, it is referred to as
“inconsistency of exposure timing.”
Strictly speaking, it is extremely difficult to maintain consistently correct exposure timing. Major causes for
inconsistency may be traced to the following:
(1) When the top intermediate gear (05033) is oiled or stained.
(2) When the hole of the high speed cam (05219 or 05319) is dusted, or not properly oiled, or stained with
grease.
(3) When the 1st and/or 2nd curtain pinion shaft (05061) (05062), top mec. plate (03001) and/or shaft
receptacle of the bottom shaft rest (05003) are not properly oiled.
g. ADJUSTMENT OF EXPOSURE TIMING AT VARIOUS POSITIONS ON PICTURE FORMAT
In a camera with focal plane shutter, the slit formed by its shutter curtains travels right in front of the picture
format, thereby exposing the film successively. Therefore, it becomes necessary to measure the time of
exposure at various positions of the picture format.
In this camera, the above measurement should be made at 1/1000 sec. If the travel time of the shutter curtains
at 1/1000 sec. is consistent and time of exposure at various positions within the picture format is likewise
satisfactory, it follows that exposure timing at the slower speeds is automatically within tolerance.
A digital computer type shutter speed tester indicates the time of exposure at three positions; at the start, centre
and end of the picture format.
In view of the characteristics of this camera, it is desirable to adjust the exposure timing at the start of the
picture format slightly faster than at the centre, and the timing at the end as fast as or slightly slower than at the
centre.
By carefully comparing the exposure timing at the three measuring positions as indicated by the shutter speed
tester, determine whether the curtain travel speed or the high speed lever (05005) should be adjusted. The
exposure time at the start is adjusted mainly with (05005), while that at the end by adjusting the curtain travel
speed. However, since either adjustment will change the exposure time at the three different positions,
compare the exposure at the start and end, and repeat this adjustment until satisfactory results are obtained. An
example of this is shown in Diagram 42.

23102 Page 31
REFERENCE
“Time of exposure” usually refers to the time of exposure at the centre of the picture format.
7. Adjustment of Synchro Contact Mechanism
a. ADJUSTMENT OF TIME LAG AT X CONTACT
From the mechanical construction of this camera, the synchro contact piece of the camera cannot be adjusted
by viewing its contact condition. Therefore, necessary adjustment should be made by checking the contact
condition with the synchro measuring unit of the shutter speed tester.
Set the speed at 1/60 sec. and adjust by bending the X contact A (05024) with tweezers, with the shutter
cocked.
Standard over 0.5 ms
23102 Page 32
b. ADJUSTMENT OF TIME LAG AT FP CONTACT
Wind the shutter. Release the shutter while retaining the tip of the mirror seat (02009) with a finger. As the
mirror seat has tension to flip up at this point, let it move up slowly while retaining it with the finger.
See to it that the FP contact piece A (02023) hits the FP contact piece B (02024) at the instant the front upper
end of the mirror seat (02009) comes to the center height of the hook retainer screw (02091), viz., when the
upper end of the mirror seat is positioned approx. 3 or 4 mm lower than when it has completely flipped up.
Adjustment in this respect should be made by bending (02024) with tweezers as illustrated in Diagram 33. A
shutter speed tester may be also employed for this adjustment.
8. Assembly and Adjustment of Self-Timer
Fasten the eccentric collar (05106) onto the shutter rod (05051) with the eccentric collar retainer screw
(05094). Move the synchro cord (02081) leftward as viewed from the body front, and fix the self-timer
governor (0-08001) to the body proper with a small flat screw, medium, 1.7 x 3.5 and a small saucer screw,
medium, 1.7 x 3.5.
Set the shutter speed dial at 1 sec. Wind the shutter. With the special tool 231 K-H21-A, rotate the wind-up
spindle (08021) counter-clockwise for over 90°.
Depress the tip of the release spring (08008) of the self-timer, and the self-timer begins to function. When the
governor operation nears its end, the coupler lever (08005) presses down the aforementioned eccentric collar
(05106), which then presses the shutter rod down.
The reversion of the shutter rod may be considered satisfactory, if it reverses at about the same time when the
2nd curtain travel comes to its end at the set speed of 1 sec. This adjustment, if necessary, is made by turning
the eccentric collar
(05106).

23102 Page 33
SERVICE MANUAL
PRODUCT NO.23102 - ASAHI PENTAX SPOTMATIC CAMERA
HOW TO FIND FAULTY EXPOSURE METER AND HOW TO SERVICE IT
DEFECTS: CAUSES: SERVICING:
1. The voltage of the battery is 1. Replace the battery.
getting low almost to zero.
NOTE:
The battery must not be less
than 1.3V.
a. The battery contact piece A a. Raise the tip of (01017)
(01017) in the battery housing with tweezers and
(01034) fixed to the bottom position it properly.
Even when the AM cover is so bent that the battery
switch lever (01069) is does not contact (01017).
pushed up to switch on
the meter, the needle
in the viewfinder does
not move.
b. The tip of the battery contact b. Bend (01017) with tweezers
piece A (01017) in the battery and correct its position so
housing (01034) is so bent that it does not touch
(01034).
laterally that it touches the (Refer to Figure l.a.)
inner wall of (01034).
Tiny metal pieces ore in the c. Clean the inside of (01034)
battery housing (01034). thoroughly.
(Refer to Figure l.a.)
NOTE:
Tiny metal pieces are sometimes
produced by wear and tear of
screws due to repeated putting on
or off of the battery cover
(01035).
d. Tiny metal pieces are attached d. Clean the synchro terminal
to the battery circuit in the seat (01042) thoroughly.
synchro terminal seat (01042),
causing short-circuit.

23102 Page 34
DEFECTS: CAUSES: SERVICING:
NOTE:
Push down the AM switch
lever and check with a
circuit tester if the battery
contact piece B (01018) is
electrically connected with the
print wiring base (10004-).
e. Even when the AM switch e. Adjust the position of (05016)
lever (01069) is pushed down, with tweezers so that it does
the switch A (05016) remains not touch (05018) when the
in contact with the switch B AM switch lever (01069) is
(05018). pushed down. (in a state that
the switch actuator pin(02095)
NOTE: is moved to the right as shown
Check in the same way as in in Figure 1. d.
the foregoing 1.d.
2. Broken or disconnected wire or 2. Replace the ammeter.
Short-circuit inside the ammeter.
NOTE:
NOTE: 1) No interchangeability
Unsolder the soldered point of between the ammeter for
the lead wire of the ammeter Product No. 231 and that
on the print wiring base (1004) for Product No. 23102.
to remove the-wire, and check
with a circuit tester if the 2) If the ammeter is in good
ammeter is in good working order when tested with a
order. circuit tester, it must
indicate approx. 3kΩ.

23102 Page 35
Service Memorandum No.1 Product No.23102 (Spotmatic)
1) Installation and Adjustment of Ammeter (10001)
a. Fix the ground glass mask (02005), pentaprism (12004) and magnifier front element assembly (0-12005) to
the prism seat (02001), if not already installed.
b. Fix the ammeter (10001) to the prism seat (02001).
c. Then connect the red and black clips of the 3µA tester with the red and black lead wires of the ammeter
(10001), respectively.
Before doing this, however, it is important to check to assure-an output of the rated 3µA current between the
red and black terminals of the 3µA tester as per the instruction given under 2) below.
d. While viewing through the viewfinder, adjust and fix the ammeter (10001) at a spot where the tip of the
needle of the ammeter (10001) comes to the centre of the notch as illustrated below.
e. With the foregoing processes, the proper installation of the ammeter is complete.

23102 Page 36
2) How to Adjust the 3µA Tester
The 3µA tester must always function to discharge the rated 3µA current from its output terminals. Accordingly,
before using it, check it to ensure the output of the rated 3µA current as per the following instruction.
a. First, connect the red and black terminals of the 3µA tester with the red and black lead wires, respectively, as
illustrated on the previous page.
b. Then connect the red and black clips of the lead wires to the minus (-) and plus +}) terminals, respectively,
of a circuit tester which is capable of measuring 3µA current.
c. Watching the reading of the circuit tester, adjust the current of the 3µA tester by turning the adjusting knob
with a screwdriver until the circuit tester reads 3µA If the reading is below the rated 3µA, turn the knob
clockwise: if it is above, turn the knob counter-clockwise.
d. With the foregoing processes, the 3µA tester now discharges the rated current.
e. When not in use, be sure to switch off the tester.
f. Use Mallory RM640, National M-N mercury battery or equivalent for the tester (the same one used for the
SPOT Exposure Meter.) When the needle does not move when connected with the circuit tester, the battery
may be considered as exhausted. Replace the battery.
g. The switch of the tester will be “on” (or “off”) at a first push of the button, or will be “off” (or “on”) at a
second push of the button, as the case may be. Therefore, push the button at least twice. In the event the
needle does not move even at a second push, it is due to the exhaustion of the battery.

23102 Page 37
Service Memorandum No.2 Product No.23102 (Spotmatic)
Major Troubles and Causes of Malfunctioning Mirror.
1. Mirror flips up only one third.
Causes: Servicing:
a. The mirror seat spring (02065) is weak. Replace (02065)
b. The dia. lever joint spring (02119) is Adjust or replace (02119)
too strong.
c. The mirror actuator lever top assembly Re-assemble either or both assemblies.
(02018) and/or the mirror actuator
lever bottom assembly (02019) are
short-greased, or do not function satis-
factorily because the components are
too tightly fixed.
d. The 2nd dia. lever (02015) is short- Lubricate (02015)
greased.
2. Mirror does not flip up completely.
Causes: Servicing:
a. The mirror actuator lever (02110) is Replace (02110)
filed excessively.
b. The mirror seat (02009) is bent. Replace (02009)
c. The mirror shock absorber (02079) is Adjust or replace (02079)
misaligned.
d. The mirror seat spring (02065) is too Replace (02065)
weak.
3. The shutter curtains do not travel at the instant of mirror flipping up.
Causes: Servicing:
a. The mirror actuator lever (02110) is Adjust (02110)
inadequately filed.
b. The mirror seat (02009) is bent. Replace (02009)

23102 Page 38
Points to be remembered when making adjustment.
1.b. Release the shutter at “B”. While pressing the shutter button, measure the pressure of the lst dia. lever
(02029) with use of the tension guage, at the spot where the lever presses the dia. pin of the lens.
The pressure should not exceed 320g, cm. In case the pressure is over and above this limit, the tension of the
mirror seat spring (02065) would not be strong enough to flip up the mirror by winning over the tension of
the dia. lever joint spring (02119).
Therefore, when the pressure is over and above 320g, cm. , adjust the degrees of the angle of (02119) with
tweezers or pliers to keep the pressure within the tolerance of 280g, cm. - 320g, cm.
Remember that if the pressure is below 280g, cm. , the dia. coupling time would be unfavourably affected.
l.c. When (02065), (02018) and (02019) do not function satisfactorily, the usual cause may be traced to an
improper positioning of the hook of (02065).
When (02065) is replaced, be sure to check carefully if the hook of (02065) is correctly positioned.
Put your flnger on the tip of (02019) and try to tension (02065), and from the feelings of your finger as well
as from the sound of the ports, you can find out if (02065) and (02019) are functioning well.
2.c. In case where the old type 4mm-wide shock absorber (02079) is used, shorten its width by lmm. Where
required, cut off both ends of (02079) so that the entire shock absorber can be covered completely by the
mirror seat.
3.a. When the curtain actuator lever (02020) calked to (02018) does not attain its position when the mirror
actuator lever top assembly (02018) stops its movement due to the flip- up of the mirror, file away the slanted
port of the tip of (02110) that touches (02037).
However, care must be exercised not to file away the port to on excess because if filed away excessively, it
will result in incomplete flipping-up of the mirror.

23102 Page 39
DEFECTS: CAUSES: SERVICING:
1. The voltage of the battery is 1. Replace the battery.
Correct exposure cannot getting low; perhaps not to zero,
be obtained, but is below 1.3V.
NOTE: 2. Faulty indication of the needle 2. Replace the ammeter.
Pictures taken are either of the ammeter.
extremely over-exposed
or under-exposed. How to check it:
Push down the AM switch lever
(01069) to switch off the meter.
First, determine if the needle is
in the “off” positbon when the
camera is held at a right position.
Then determine the exact “off”
position of the needle by pointing
the camera to different directions,
viz., upward, downward, to the right
and then to the left. See to it that the
camera once reverted to and held at a
right position before turning it to any other
directions.
When the camera is turned to any of
these directions, the needle must
always rest at the right “off” position.
In the event the resting place of the
needle varies each time the camera
is turned, the ammeter may well be
considered faulty.

23102 Page 40
DEFECTS: CAUSES: SERVICING:
3. The resistance values of CdS cell 3. Replace CdS cells.
are inconststent.
NOTE:
How to check it: CdS cells are divided into
three types and are wrapped
Test whether or not the needle and supplied in envelope
functioning of the meter is correct marked red, blue or white,
with the Light Value Correction according to the Sensitivity.
Unit. The variable resistor (010008)
Refer to Service Memorandum is also divided into three types
dated 5 October 1964 under the according to its characteristics.
sublect “Adapter for tight Value Thus, CdS cells and variable
Correction Unit for Checking resistor marked with the same
Spotmatic.” colour are combined and
assembled as a unit. Conse-
quently, when replacing CdS
cells, use the CdS cells in
envelope marked with the
same colour as that painted on
the side of the variable resistor
(10008).
Also remember that the two CdS
cells installed have to be replaced at
the same time, as it is extremely
difficult to determine which one of
the CdS cells is defective. When
installing CdS cells on the prism
seat, see to it that the shorter lead
wire come to the viewfinder sides,
as illustrated.
At present, lead wire of CdS cells is
covered wit’h a green coloured
tube. However,CdS cells ore
expected to be supplied in the
future in tubes with red, blue or
white colour according to the
sensitivity.

23102 Page 41
DEFECTS: CAUSES: SERVICING:
The two terminal plates (10029) Set the ASA scale on the shutter
affixed to the variable resistor do speed dial at ASA 100 and the
Even when the warning not make contact with the contact shutter speed at “B” and bend
signal (the index of the piece (10032). (10029) with tweezers so as to
shutter speeds) turns to make it contact with (10032).
red, the needle of the
meter does not rest
properly.
NOTE:
When the index turns to
red, the needle must drop
to the (—) side beyond the
“off” position.








